EasyManua.ls Logo

Meyer ELECTRO LIFT E-47 - Page 15

Default Icon
56 pages
Print Icon
To Next Page IconTo Next Page
To Next Page IconTo Next Page
To Previous Page IconTo Previous Page
To Previous Page IconTo Previous Page
Loading...
-13-
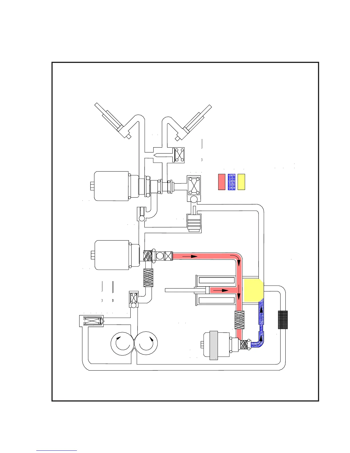
CHECK VALVE
"A"
SOLENOID
FILTER
STRAINER
LIFT
CYLINDER
"B"
SOLENOID
- OPERATING
- RETURN
- INTAKE or DRAIN
TANK
PRESSURE
RELIEF
E-47
1650 + 50 P.S.I.
E-57
2000 + 0 P.S.I.
HYDRAULIC FLOW CHART
MODELS E-47 & E-57
LOWER/FLOAT
"C"
SOLENOID
CROSSOVER
RELIEF
3800 + 400 P.S . I
POWER ANGLING
CYLINDERS
CHECK
VALVE
FILTER
PILOT
CHECK
ENERGIZED
FIGURE 1-4B

Related product manuals