EasyManua.ls Logo

Meyer ELECTRO LIFT E-47 - Page 17

Default Icon
56 pages
Print Icon
To Next Page IconTo Next Page
To Next Page IconTo Next Page
To Previous Page IconTo Previous Page
To Previous Page IconTo Previous Page
Loading...
-15-
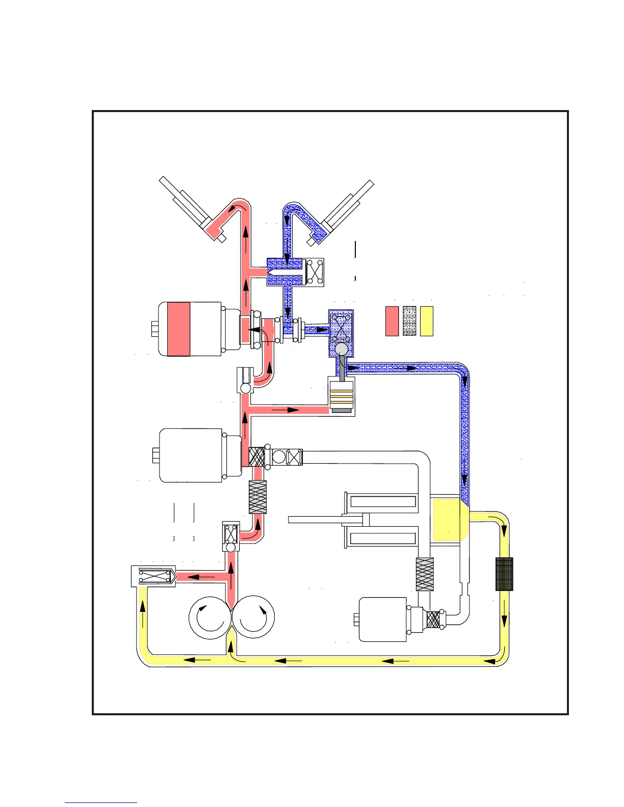
PRESSURE
RELIEF
E-47
1650 + 50 P.S.I.
E-57
2000 + 0 P. S .I.
CHECK VALVE
"A"
SOLENOID
FILTER
STRAINER
LIFT
CYLINDER
"B"
SOLENOID
HYDRAULIC FLOW CHART
MODELS E-47 & E-57
ANGLE RIGHT
FIGURE 1-5B
- OPERATING
- RETURN
- INTAKE or DRAIN
"C"
SOLENOID
TANK
CROSSOVER
RELIEF
3800 + 400 P.S. I
POWER ANGLING
CYLINDERS
CHECK
VALVE
FILTER
PILOT
CHECK
ENERGIZED
NOT
ENERGIZED

Related product manuals