EasyManua.ls Logo

MHS Boilers REGENCY 4 MODULEK/169 - Page 11

Default Icon
32 pages
Print Icon
To Next Page IconTo Next Page
To Next Page IconTo Next Page
To Previous Page IconTo Previous Page
To Previous Page IconTo Previous Page
Loading...
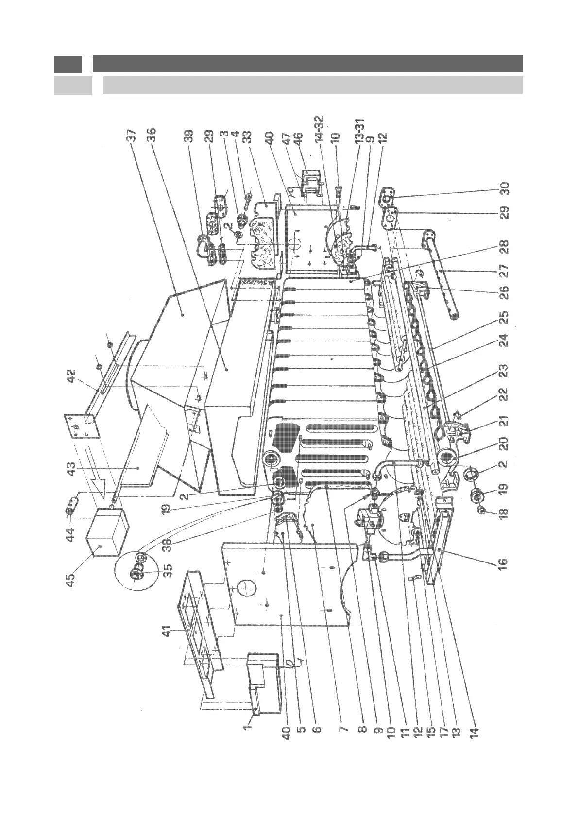
EXPLODED DRAWINGS AND PART LIST
1.6
1.6.1
EXPLODED VIEW OF BOILER BLOCK AND GAS ASSEMBLY
5
?O2@@@@@@@6K ?@@@@6X?
?W2@@@@@@@@@@@@6X? J@@@@@)X
O&@@@@@@@@@@@@@@)K 7@@@@@@1
W2@@@@@@@@@@@@@@@@@@6X @@@@@@@@
?W&@@@@@@@@@@@@@@@@@@@@1 @@@@@@@@
?7@@@@@@@@@@@@@@@@@@@@@@L?hf@@@@@@@@
?@@@@@@@@@@@@@@@@@@@@@@@)Xhf@@@@@@@@
J@@@@@@@@@@@@@@@@@@@@@@@@)X?he3@@@@@@@
7@@@@@@@@@@@@@@@@@@@@@@@@@1?he?@@@@@@@
?J@@@@@@@@@0M?eI4@@@@@@@@@@@Lhe7@@@@@@@
?7@@@@@@@(M?gI'@@@@@@@@@1he@@@@@@@@
?@@@@@@@(Yh?V'@@@@@@@@@L?h@@@@@@@@
?@@@@@@@H?heV'@@@@@@@@1?h@@@@@@@5
?@@@@@@@hf?N@@@@@@@@@Lh@@@@@@@H
?@@@@@@5 3@@@@@@@@1h@@@@@@@?
?@@@@@@H N@@@@@@@@@L?g@@@@@@@?
?@@@@@@L ?3@@@@@@@@1?g@@@@@@@?
?@@@@@@1 ?N@@@@@@@@@Lg@@@@@@@L
?@@@@@@@L? @@@@@@@@@)X?f@@@@@@@@
?@@@@@@@)X 3@@@@@@@@@1?f@@@@@@@H @@@@@@@@@@@6K?
?3@@@@@@@)K?hfV'@@@@@@@@@?e?J@@@@@@@? @@@@@@@@@@@@@@@@@@@@@@@@@@@@@@@@@@@@@6?26K
?N@@@@@@@@@6K?he?N@@@@@@@@@@6KO&@@@@@@@? ?J@@@@@@@@@@@@@@@@@@@@@@@@@@@@@@@@@@@@@@@@@@@6X?
@@@@@@@@@@@@@6X?h3@@@@@@@@@@@@@@@@@@@@? ?7@@@@@@@@@@@@@@@@@@@@@@@@@@@@@@@@@@@@@@@@@@@@1?
3@@@@@@@@@@@@@1?hV'@@@@@@@@@@@@@@@@@@@? ?@@@@@@@@@@@@@@@@@@@@@@@@@@@@@@@@@@@@@@@@@@@@@@?
N@@@@@@@@@@@@@@?h?N@@@@@@@@@@@@@@@@@@@? ?@@@@@@@@@@@@@@@@@@@@@@@@@@@@@@@@@@@@@@@@@@@@@@?
?3@@@@@@@@@@@@@?he3@@@@@@@@@@@@@@@@@@? ?@@@@@@@@@@@@@@@@@@@@@@@@@@@@@@@@@@@@@@@@@@@@@@?
?V'@@@@@@@@@@@@?heV'@@@@@@@@@@@@@@@@@? ?@@@@@@@@@@@@@@@@@@@@@@@@@@@@@@@@@@@@@@@@@@@@@@?
V4@@@@@@@@@@@?he?V4@@@@@@@@@@@@@@@@? ?3@@@@@@@@@@@@@@@@@@@@@@@@@@@@@@@@@@@@@@@@@@@@5?
I4@@@@@@@@@? @@@@@@@@@@@@@@@? ?V'@@@@@@@@@@@@@@@@@@@@@@@@@@@@@@@@@@@@@@@@@@0Y?
I4@@@@@@@? @@@@@@@@@@@@@@@? V'@@@@@@@@@?
I40M I4@@@@@@@@@@5? ?V'@@@@@@@@?
?I4@@@@@@0Y? V'@@@@@@@L
?N@@@@@@@)X?
3@@@@@@@1?
V'@@@@@@@L
?N@@@@@@@)X?
O2@@@6K? 3@@@@@@@1?
O2@@@@@@@@@6X?g?O2@@@@@@@@@6K V'@@@@@@@?
W2@@@@@@@@@@@@)Xf?W2@@@@@@@@@@@@@6X ?V4@@@@@@?
?W&@@@@@@@@@@@@@@)X?e?7@@@@@@@@@@@@@@@)X? ?I4@@@@?
W&@@@@@@@@@@@@@@@@)Xe?@@@@@@@@@@@@@@@@@)X
7@@@@@@@@@@@@@@@@@@)?2@@@@@@@@@@@@@@@@@@@)X?
?J@@@@@@@@@@@@@@@@@@@@@@@@@@@@@@@@@@@@@@@@@@1?
?7@@@@@@@@@@@@@@@@@@@@@@@@@@@@@@@@@@@@@@@@@@@L ?O2@@6K? O2@@6K
J@@@@@@@@@@@@@@@@@@@@@@@@@@@@@@@@@@@@@@@@@@@@1 O2@@@@@@@@@6X?g?W2@@@@@@@@@@6K?
7@@@@@@@@@@@@@@@@@@@@@@@@@@@@@@@@@@@@@@@@@@@@@ W2@@@@@@@@@@@@)KgW&@@@@@@@@@@@@@6X?
@@@@@@@@0Mf?I4@@@@@@@@@@@(MgI4@@@@@@@@ ?W&@@@@@@@@@@@@@@@6Xe?W&@@@@@@@@@@@@@@@)X
@@@@@@@?he@@@@@@@@@(Y?h?@@@@@@@L? W&@@@@@@@@@@@@@@@@@1eW&@@@@@@@@@@@@@@@@@)X?
@@@@@@5?he3@@@@@@@@Hhe?3@@@@@@1? 7@@@@@@@@@@@@@@@@@@@?O&@@@@@@@@@@@@@@@@@@@1?
@@@@@@H?heN@@@@@@@@?he?N@@@@@@@? ?J@@@@@@@@@@@@@@@@@@@@@@@@@@@@@@@@@@@@@@@@@@@L
@@@@@@hf?@@@@@@@5?hf@@@@@@@? ?7@@@@@@@@@@@@@@@@@@@@@@@@@@@@@@@@@@@@@@@@@@@1
@@@@@@hf?@@@@@@@H?hf@@@@@@@? ?@@@@@@@@@@@@@@@@@@@@@@@@@@@@@@@@@@@@@@@@@@@@@
@@@@@@hf?@@@@@@@ @@@@@@@? J@@@@@@@@@@@0?4@@@@@@@@@@@@@@@@@@@@@@@@@@@@@@@L?
@@@@@@hf?@@@@@@@ @@@@@@@? W&K? 7@@@@@@@(MgI'@@@@@@@@@@@(M?fI4@@@@@@@@1?
@@@@@@L?he?@@@@@@@ @@@@@@@? ?W&@@@ @@@@@@@(Y?g?V'@@@@@@@@@(Yh?@@@@@@@@?
@@@@@@1?he?3@@@@@@ @@@@@@5? ?7@@@@ @@@@@@@HheN@@@@@@@@@H?h?3@@@@@@@?
@@@@@@@?he?N@@@@@@hf?J@@@@@@H? ?@@@@5 @@@@@@@?he?@@@@@@@@5he?V'@@@@@@?
@@@@@@@@6Khe@@@@@@hfW&@@@@@@ J@@@@H @@@@@@5?he?@@@@@@@@HhfN@@@@@@?
3@@@@@@@@@@@ ?O&@@@@@@@ @@@@@? @@@@@@H?he?@@@@@@@@?hf?@@@@@@?
N@@@@@@@@@@@L? O2@@@@@@@@@@ @@@@@@L?he?3@@@@@@@?hf?@@@@@@?
?@@@@@@@@@@@@? @@@@@@@@@@@@@5 @@@@@@1?he?N@@@@@@@?hf?@@@@@@?
?3@@@@@@@@@@H? @@@@@@@@@@@@@H @@@@@@@?hf@@@@@@@?hfJ@@@@@@?
?V'@@@@@@@@@ @@@@@@@@@@@@5? @@@@@@@Lhf@@@@@@5?hf7@@@@@@?
V'@@@@@@@@L? @@@@@@@@@@@(Y? @@@@@@@)X?he@@@@@@H?he?J@@@@@@@?
?V'@@@@@@@@?g?O2@@@6Kf3@@@@@@@@@(Y @@@@@@@@)Khe@@@@@@hfW&@@@@@@@?
O2@@@@@@@@6K V4@@@@@@H?f?O2@@@@@@@@?eV4@@@@@@@(Y? 3@@@@@@@@@@6X? ?O&@@@@@@@5?
O2@@@@@@@@@@@@6K ?I4@@@g@@@@@@@@@@@LfI4@@@@0Y N@@@@@@@@@@@1? ?O2@@@@@@@@@H?
?W2@@@@@heW2@@@@@@@@@@@@@@@@6K @@@@@@@@@@@1 ?3@@@@@@@@@@@? ?@@@@@@@@@@@@@
W&@@@@@@h?W&@@@@@@@@@@@@@@@@@@@@? ?J@@@@@@@@@@@@ ?N@@@@@@@@@@@? ?@@@@@@@@@@@@5
?W&@@@@@@@hW&@@@@@@@@@@@@@@@@@@@@@L W&@@@@@@@@@@@@ 3@@@@@@@@@@? J@@@@@@@@@@@@H
W&@@@@@@@@g?W&@@@@@@@@@@@@@@@@@@@@@@)X? 7@@@@@@@@@@@@5 V'@@@@@@@@@? @@@@@@@@@@@@5?
7@@@@@@@@@g?7@@@@@@@@@@@@@@@@@@@@@@@@1? @@@@@@@@@@@@@H ?V'@@@@@@@@? ?@@@@@@@@@@(Y?
?O2@@@@@6K ?J@@@@@@@@@@g?@@@@@@@@@@@@@@@@@@@@@@@@@@L @@@@@@@@@@@@@? V4@@@@@@@?g?O26K?g@@@@@@@@@@(Y
@@@@@@@@@@@6K? ?7@@@@@@@@@@gJ@@@@@@@@@@@@@@@@@@@@@@@@@@1 @@@@@@@@@@@@5? ?I4@@@@?f?O2@@@@@6XfN@@@@@@@@(Y?
@@@@@@@@@@@@@@6X ?@@@@@@@@@@@g7@@@@@@@(MhI'@@@@@@@@ ?O2@@@@@@@@@@@@@@6K? @@@@@@@@@@H? @@@@@@@@@1f?@@@@@@@0Y
@@@@@@@@@@@@@@@)K? ?@@@@@@@(Mh@@@@@@@(Y?h?V'@@@@@@@L? ?O2@@@@@@@@@@@@@@@@@@@@@@6K? O2@@@@@@@@@@@@@@@@@@6K 3@@@@@@@@@ ?J@@@@@@@@@@f?@@@@0M?
@@@@@@@@@@@@@@@@@@6K J@@@@@@(Y?h@@@@@@@HhfV'@@@@@@1? ?W2@@@@@@@@@@@@@@@@@@@@@@@@@@@@6K? ?O2@@@@@@@@@@@@@@@@@@@@@@@@@6K N@@@@@@@@@ ?7@@@@@@@@@@
@@@@@@@@@@@@@@@@@@@@6K 7@@@@@@Hhe@@@@@@5?hf?N@@@@@@@? O&@@@@@@@@@@@@@@@@@@@@@@@@@@@@@@@6K? ?W2@@@@@@@@@@@@@@@@@@@@@@@@@@@@@6K ?@@@@@@@@@ ?@@@@@@@@@@@
@@@@@@@@@@@@@@@@@@@@@@@6X? @@@@@@5?h?J@@@@@@H? 3@@@@@@? W2@@@@@@@@@@@@@@@@@@@@@@@@@@@@@@@@@@@6X? W&@@@@@@@@@@@@@@@@@@@@@@@@@@@@@@@@6K ?@@@@@@@@@ ?@@@@@@@@@@@
@@@@@@@@@@@@@@@@@@@@@@@@)K @@@@@@he?@@@@@@@ N@@@@@@? ?W&@@@@@@@@@@@@@@@@@@@@@@@@@@@@@@@@@@@@@1? ?W&@@@@@@@@@@@@@@@@@@@@@@@@@@@@@@@@@@@6X ?@@@@@@@@@L? J@@@@@@@@@@@
@@@@@@@@@@@@@@@@@@@@@@@@@@@@6K @@@@@@1?h?N@@@@@@ ?@@@@@@? W&@@@@@@@@@@@@@@@@@@@@@@@@@@@@@@@@@@@@@@@L O&@@@@@@@@@@@@@@@@@@@@@@@@@@@@@@@@@@@@@)X? ?O2@@@@@@@@6K? @@@@6X ?@@@@@@@@@1? @@@@@@@@@@@5
@@@@@@@(MI4@@@@@@@@@@@@@@@@@@@6K @@@@@@@?he@@@@@@ ?@@@@@@? 7@@@@@@@@@@@@@@@@@@@@@@@@@@@@@@@@@@@@@@@@)X? ?@@@@@@@@@@@@@@@@@@@@@@@@@@@@@@@@@@@@@@@@@)X ?O2@@@@@@@@@6Kg?W2@@@@@@@@@@@@@6X ?J@@@@@1 ?O26K? ?@@@@@@@@@5? N@@@@@@@@@@H
@@@@@@@He?I4@@@@@@@@@@@@@@@@@@@6K @@@@@@@?he3@@@@@ ?@@@@@@? ?J@@@@@@@@@@@@@@@@@@@@@@@@@@@@@@@@@@@@@@@@@@)X J@@@@@@@@@@@@@@@@@@@@@@@@@@@@@@@@@@@@@@@@@@1 ?W2@@@@@@@@@@@@@6XfW&@@@@@@@@@@@@@@@)X? ?7@@@@@@ ?O2@@@@@@@@6K?hO2@@@@@@@6X? ?3@@@@@@@@H? ?@@@@@@@@@@?
@@@@@@5?gI4@@@@@@@@@@@@@@@@@@@6K? 3@@@@@@LheN@@@@@ ?@@@@@@? ?7@@@@@@@@@0M?e?I4@@@@@@@@?f?I4@@@@@@@@@@1 7@@@@@@@@@@@@@@@@@@@@@@@@@(MI4@@@@@@@@@@@@@@L? W&@@@@@@@@@@@@@@@1e?W&@@@@@@@@@@@@@@@@@1? ?@@@@@@@L? ?W2@@@@@@@@@@@@6X?fW2@@@@@@@@@@)X O2@6K? ?V'@@@@@@5 ?@@@@@@@@@@?
@@@@@@heI4@@@@@@@@@@@@@@@@@@@6K? N@@@@@@)X?h?@@@@@L? J@@@@@@? J@@@@@@@@0M?g?I'@@@@@@?hI'@@@@@@@@ @@@@@@@@(MhI'@@@@@@H?f?I4@@@@@@@@@1? ?W&@@@@@@@@@@@@@@@@@L??7@@@@@@@@@@@@@@@@@@@L ?@@@@@@@)K W&@@@@@@@@@@@@@@)Xe?W&@@@@@@@@@@@@)K? ?O2@@@@@@@@@@@@@@@@6K? V4@@@@0Y ?@@@@@@@@@@?
@@@@@@1?heI4@@@@@@@@@@@@@@@@@@@6K? ?@@@@@@@)Xh?3@@@@)X 7@@@@@@? 7@@@@@@(M?heV'@@@@@Lh?V'@@@@@@@ ?J@@@@@@@(Y?h?V'@@@@@L?g?I4@@@@@@@@L ?7@@@@@@@@@@@@@@@@@@)K?@@@@@@@@@@@@@@@@@@@@)X? @@@@@@@@@@@@@@@6X?f?@@@@@@@@@@@@@6K ?W&@@@@@@@@@@@@@@@@1e?7@@@@@@@@@@@@@@@@6K ?O2@@@@@@@@@@@@@@@@@@@@@@@6K J@@@@@@@@@@?
@@@@@@5?hfI4@@@@@@@@@@@@@@@@@@@@6K ?@@@@@@@@)X?g?N@@@@@)X?hf@@@@@@5? @@@@@@@Hhf?V'@@@@1heV'@@@@@@L? ?7@@@@@@(YhfN@@@@@1?h?I'@@@@@@1 J@@@@@@@@@@@@@@@@@@@@@@@@@@@@@@@@@@@@@@@@@@@1?hf?J@@@@@@@@@@@@@@@@1?fJ@@@@@@@@@@@@@@@@@@@@@ W&@@@@@@@@@@@@@@@@@@e?@@@@@@@@@@@@@@@@@@@6X O2@@@@@@@@@@@@@@@@@@@@@@@@@@@@6K 7@@@@@@@@@@?
@@@@@@H? ?I4@@@@@@@@@@@@@@@@@@@@? ?3@@@@@@@@)Kh@@@@@@)KhO2@@@@@@@@H? @@@@@@@? N@@@@@L?h?N@@@@@@1? ?@@@@@@@H?hf?3@@@@@?heN@@@@@@@ 7@@@@@@@@@@@@@@@@@@@@@@@@@@@@@@@@@@@@@@@@@@@@?hf?7@@@@@@@@@@@@@@@@@?e?O&@@@@@@@@@@@@@@@@@@@@@ 7@@@@@@@@@@@@@@@@@@@@@@@@@@@@@@@@@@@@@@@@@@1 W2@@@@@@@@@@@@@@@@@@@@@@@@@@@@@@@@@? @@@@@@@@@@@?
@@@@@@ ?I4@@@@@@@@@@@@@@@@@@? ?N@@@@@@@@@@@@6Kf@@@@@@@@@@6K?O2@@@@@@@@@@@ @@@@@@5? ?@@@@@1?he@@@@@@@? ?@@@@@@@ ?N@@@@@Lhe?3@@@@@@ @@@@@@@@@@@@@@@@@@@@@@@@@@@@(Mf?I4@@@@@@@@?hf?@@@@@@@@@@@@@@@@@@@@@@@@@@@@@@@@@@@@@@@@@@@@@ ?J@@@@@@@@@@@@@@@@@@@@@@@@@@@@@@@@@@@@@@@@@@@@L? ?O&@@@@@@@@@@@@@@@@@@@@@@@@@@@@@@@@@@? ?@@@@@@? @@@@@@@@@@@?
@@@@@@ I4@@@@@@@@@@@@@@@? 3@@@@@@@@@@@@@@@@@@@@@@@@@@@@@@@@@@@@@@@@@@5 @@@@@@H? ?@@@@@@?he@@@@@@@? ?@@@@@@5 @@@@@1he?N@@@@@@ @@@@@@@@0MfI4@@@@@@@@@@@(Y?g?I'@@@@@@Lhf?@@@@@@@@@@@@@@@@@@@@@@@@@@@@@@@@@@@@@@@@@@@@@ ?7@@@@@@@@@@@@@@@@@@@@@@@@@@@@@@@@@@@@@@@@@@@@1? @@@@@@@@@@@@@@@@@@@@@@@@@@@@@@@@@@@@@@6X O2@@@@@@@6K? J@@@@@@? @@@@@@@@@@@?
@@@@@@L? I4@@@@@@@@@@@@@L V'@@@@@@@@@@@@@@@@@@@@@@@@@@@@@@@@@@@@@@@@(Y @@@@@@L? ?@@@@@@Lhe@@@@@@@? ?@@@@@@H @@@@@@hf@@@@@@ ?J@@@@@@(MhI'@@@@@@@@(YheV'@@@@@1hf?@@@@@@@@@@@@@@@@@@@@@@@@@@@@@@@@@@@@@@@@@@@@@ ?@@@@@@@@(M?fI'@@@@@@@@@@@@@0MI4@@@@@@@@@@@@? @@@@@@@@@@@@@@@@@@@@@@@@@@@@@@@@@@@@@@@1 ?W2@@@@@@@@@@@@@@6K? 7@@@@@@L ?O2@@@@@@6K?eO2@6K? @@@@@@@@@@@? ?W2@@@6X
@@@@@@1? I4@@@@@@@@@@@1 ?V'@@@@@@@@@@@@@@@@@@@@@@@@@@@@@@@@@@@@@@(Y? @@@@@@1? ?@@@@@@1he@@@@@@@? ?@@@@@@L @@@@@@L?he@@@@@@ ?7@@@@@@H?h?N@@@@@@@@H?he?N@@@@@@hf?@@@@@@@@@@@@@@@@@@@@@@@@@@@@@@@@@@@@@@@@@@@@@ ?@@@@@@@0Yg?V'@@@@@@@@@(MhI'@@@@@@@? @@@@@@@@@@@@@@@@@@@@@@@@@@@@@@@@@@@@@@@@@@L? ?W2@@@@@@6K? ?O2@@@heW&@@@@@@@@@@@@@@@@@6X? @@@@@@@)X? O2@@@@@@@@@@@@@@@@@@@@@@@@6K ?I4@@@@@0M O2@@@@@@@6K? ?7@@@@@1
@@@@@@@? ?I4@@@@@@@@@ V'@@@@@@@@@@@@@@@@@@@@@@@@@@@@@@@@@@@@(Y @@@@@@@? ?@@@@@@@he@@@@@@@? ?@@@@@@1 @@@@@@@?he@@@@@@L? ?@@@@@@@hf@@@@@@@@ @@@@@@hf?@@@@@@@@@@@@@@@@@@@@@@@@@@@@@@@@@@@@@@@@@@@@5 J@@@@@@?heN@@@@@@@@@H?h?V'@@@@@@L ?J@@@@@@@@@@@@@@@@@@@@@@@@@@@@@@@@@@@@@@@@@@)X ?7@@@@@@@@@@6K ?O2@@@@@h?W&@@@@@@@@@@@@@@@@@@@)X ?W2@@@@@@@@@@6KO2@@6K?e?O2@@@@@@@@@)K ?W2@@@@@@@@@@@@@@@@@@@@@@@@@@@@@6X ?W2@@@@@@@@@@@@6K? ?@@@@@@@
@@@@@@@? ?I4@@@@@@@ ?V4@@@@@@@@@@@@@@@@@@@@@@@@@@@@@@@@@@(Y? @@@@@@@L J@@@@@@@he@@@@@@@? ?@@@@@@@ @@@@@@H?he@@@@@@@? ?@@@@@@@hf3@@@@@@@ @@@@@@hf?@@@@@@@@@@@@(M??I4@0MeI@?4@@@@@@@@@@0?4@@@0Y 7@@@@@@?he?3@@@@@@@5hfN@@@@@@1 ?7@@@@@@@@@@@@0M I4@@@@@@@@@@@1 ?@@@@@@@@@@@@@@6K? @@@@@@@@hW&@@@@@@@@@@@@@@@@@@@@@)X? W&@@@@@@@@@@@@@@@@@@@@@@@@@@@@@@@@@@@@@@@@@@@? O&@@@@@@@@@@@@@@@@@@@@@@@@@@@@@@@)K? ?O2@@@@6K? O2@@@6K? W&@@@@@@@@@@@@@@@6X? J@@@@@@@
@@@@@@@? ?I4@@@@5 ?I4@@@@@@@@@@@@@@@@@@@@@@@@@@@@@@@0Y @@@@@@@1 7@@@@@@@h?J@@@@@@@? ?@@@@@@@L?hf?J@@@@@@he?J@@@@@@H? ?@@@@@@@hfN@@@@@@5 @@@@@@hf?3@@@@@@@@@@@? ?@@@@@@@ @@@@@@5?he?N@@@@@@@Hhf?@@@@@@@ ?@@@@@@@@@@0M? ?I4@@@@@@@@@ ?@@@@@@@@@@@@@@@@6K? ?J@@@@@@@@g?W&@@@@@@@@@@@@@@@@@@@@@@@)X 7@@@@@@@@@@@@@@@@@@@@@@@@@@@@@@@@@@@@@@@@@@@@? W2@@@@@@@@@@@@@@@@@@@@@@@@@@@@@@@@@@@6X? ?O2@@@@@@@@6K?hW2@@@@@@@@@@6X ?W&@@@@@@@@@@@@@@@@@)X @@@@@@@@
@@@@@@5? I40Y ?I4@@@@@@@@@@@@@@@@@@@@@@@@@@@0M 3@@@@@@@hf?J@@@@@@@5hW&@@@@@@@? ?@@@@@@@)XhfW&@@@@@@heW&@@@@@@ ?@@@@@@@hf?@@@@@@H @@@@@@hf?N@@@@@@@@@@@)X?hf?@@@@@@@ @@@@@@H?hf@@@@@@@?hf?@@@@@@@ J@@@@@@@(M ?I'@@@@@@@L? ?@@@@@@@@@@@@@@@@@@6K? W&@@@@@@@@g?7@@@@@@@@@@@@@@@@@@@@@@@@@1 @@@@@@@@@@@@@@@@@@@@@@@@@@@@@@@@@@@@@@@@@@@@@? ?W&@@@@@@@@@@@@@@@@@@@@@@@@@@@@@@@@@@@@@)X ?W2@@@@@@@@@@@@6K?f?O&@@@@@@@@@@@@)K? W&@@@@@@@@@@@@@@@@@@@)X?hfN@@@@@@@
@@@@@@H? I4@@@@@@@@@@@@@@@@@@@@@@0M N@@@@@@@@6X?hO&@@@@@@@Hg?O&@@@@@@@5? ?3@@@@@@@)K?h?W&@@@@@@@h?W&@@@@@@@ ?@@@@@@@hf?@@@@@@? @@@@@@ @@@@@@@@@@@@)Xhf?@@@@@@@ @@@@@@ @@@@@@@?hf?@@@@@@@ 7@@@@@@@H? N@@@@@@@1? ?@@@@@@@@@@@@@@@@@@@@@@6X? 7@@@@@@@@@g?@@@@@@@@@@@@@@@@@@@@@@@@@@@L? @@@@@@@@@@@@@@@@@@@@@@@@@@@@@@@@@@@@@@@@@@@@@? ?7@@@@@@@@@@@@@@@@@@@@@@@@@@@@@@@@@@@@@@@1 W&@@@@@@@@@@@@@@@@f@@@@@@@@@@@@@@@@@@ ?W&@@@@@@@@@@@@@@@@@@@@@1?hf?@@@@@@@
@@@@@@ I4@@@@@@@@@@@@@0M? ?@@@@@@@@@)Kf?O2@@@@@@@@@@?f?O2@@@@@@@@@H? ?N@@@@@@@@@6K?gO&@@@@@@@@hO&@@@@@@@5 ?@@@@@@@hf?@@@@@@Lhf?J@@@@@@ ?I'@@@@@@@@@@)X?he?@@@@@@@ @@@@@@L?hf@@@@@@@?hf?@@@@@@@ @@@@@@@5 ?3@@@@@@@? ?@@@@@@@@@@@@@@@@@@@@@@@)K ?J@@@@@@@@@@gJ@@@@@@@@@@@@@@@@@@@@@@@@@@@1? @@@@@@@@@@@@@@@@@@@@@@@@@@@@@@@@@@@@@@@@@@@@@? J@@@@@@@@@@@@@@@@@@@@@@@@@@@@@@@@@@@@@@@@@L? ?W&@@@@@@@@@@@@@@@@@L??J@@@@@@@@@@@@@@@@@@ ?7@@@@@@@@@@@@@@@@@@@@@@@Lhf?@@@@@@@
@@@@@@ ?3@@@@@@@@@@@@@@@@@@@@@@@@@@5?f@@@@@@@@@@@@ 3@@@@@@@@@@@@@@@@@@@@@@@@@@5gW2@@@@@@@@@H ?@@@@@@@L?he?@@@@@@,hf?7@@@@@@ V'@@@@@@@@@@)Xhe?@@@@@@@ @@@@@@1?hf@@@@@@@?hf?@@@@@@5 @@@@@@@H ?V'@@@@@@? ?@@@@@@@@@@@@@@@@@@@@@@@@@6K ?7@@@@@@@@@@g7@@@@@@@@0M?g?I'@@@@@@@@? @@@@@@@@@@@@@@@@@@@@@@@@@@@@@@@@@@@@@@@@@@@@@? 7@@@@@@@@@@@@@@@@@@@@@@@@@@@@@@@@@@@@@@@@@)X W&@@@@@@@@@@@@@@@@@@)KO&@@@@@@@@@@@@@@@@@@@@ J@@@@@@@@@@@@@@@@@@@@@@@@)X?he?@@@@@@@
@@@@@@ ?N@@@@@@@@@@@@@@@@@@@@@@@@@@H?f@@@@@@@@@@@5 N@@@@@@@@@@@@@@@@@@@@@@@@@@Hf?W&@@@@@@@@@@? ?3@@@@@@)Xhe?3@@@@(YhfJ@@@@@@5 ?V4@@@@@@@@@@)K?h?@@@@@@@ @@@@@@@?hf@@@@@@@?hfJ@@@@@@H @@@@@@@? N@@@@@@? ?@@@@@@@@@@@@@@@@@@@@@@@@@@@@6K? ?@@@@@@@@(M?g@@@@@@@(M?heV'@@@@@@@L @@@@@@@@@@@@@@@@@@@@@@@@@@@@@@@@@@@@@@@@@@@@@? ?J@@@@@@@@@@0M ?I4@@@@@@@@@@@@1 7@@@@@@@@@@@@@@@@@@@@@@@@@@@@@@@@@@@@@@@@@@@L? 7@@@@@@@@@@@@@@@@@@@@@@@@@1?he?@@@@@@@
@@@@@@ 3@@@@@@@@@@@@@@@@@@@@@@@@5g@@@@@@@@@@(Y ?3@@@@@@@@@@@@@@@@@@@@@@@@5?f?7@@@@@@@@@@5? ?N@@@@@@@)K?h?V4@@0Y?he?O&@@@@@@H ?I'@@@@@@@@@@6X?g?@@@@@@@ 3@@@@@@Lhf@@@@@@5?hf7@@@@@@? @@@@@@@? ?@@@@@@? ?@@@@@@@(?4@@@@@@@@@@@@@@@@@@@@@6K ?@@@@@@@(Yh@@@@@@@Hhf?V'@@@@@@1 3@@@@@@@@@@@@@@@@@@@@@@@@@@@@@@@@@@@@@@@@@@@5? ?7@@@@@@@(M? ?I4@@@@@@@@@L? @@@@@@@@@@@@@@@@@@@@@@@@@@@@@@@@@@@@@@@@@@@@1? @@@@@@@@(MfI4@@@@@@@@@@@Lhe?@@@@@@@
V'@@@@@@@@@@@@@@@@@@@@@@(Yg@@@@@@@@@@H? ?N@@@@@@@@@@@@@@@@@@@@@@@@H?f?@@@@@@@@@@@H? @@@@@@@@@@6X ?O2@@@@@@@@? V4@@@@@@@@@@)Kg?@@@@@@@ N@@@@@@)K?he@@@@@(Y?he?J@@@@@@@? @@@@@@@? ?@@@@@@? ?@@@@@@@H?eI4@@@@@@@@@@@@@@@@@@@@6K J@@@@@@@H?h@@@@@@5? N@@@@@@@ V'@@@@@@@@@@gI@M?e?I4@@@@@@@@@@@0?4@@0Y? ?@@@@@@@(Y ?I'@@@@@@@1? @@@@@@@@@@@@@@@@@@@@@@@@@@@@@@@@@@@@@@@@@@@@@? @@@@@@@(Y?gI'@@@@@@@@@)X?h?@@@@@@@
?V'@@@@@@@@@@@@@@@@@@@@(Y?g@@@@@@@@@@ 3@@@@@@@@@@@@@@@@@@@@@@5g?@@@@@@@@@@5 3@@@@@@@@@@1 W2@@@@@@@@@@@? I'@@@@@@@@@@6Xf?@@@@@@@ ?@@@@@@@@6K?h?I4@0YhfW&@@@@@@@? @@@@@@@? J@@@@@@? ?@@@@@@@gI4@@@@@@@@@@@@@@@@@@@@6K 7@@@@@@5he@@@@@@H? ?@@@@@@@ ?N@@@@@@@@@@ @@@@@@@? J@@@@@@(Y? V'@@@@@@@? ?J@@@@@@@@@@@@@@@@@@@@@@@@@@@@@@0?4@@@@@@@@@@@@L @@@@@@@Hh?V'@@@@@@@@@1?h?@@@@@@@
V'@@@@@@@@@@@@@@@@@@(Yh@@@@@@@(M? V'@@@@@@@@@@@@@@@@@@@@(Yg?@@@@@@@@@(Y N@@@@@@@@@@@ 7@@@@@@@@@@@5? ?V'@@@@@@@@@@)X?e?@@@@@@@ ?@@@@@@@@@@@@? ?O&@@@@@@@5? @@@@@@@? 7@@@@@@? ?@@@@@@@hI4@@@@@@@@@@@@@@@@@@@@@6X? @@@@@@@Hhe@@@@@@ ?@@@@@@@ @@@@@@@@@@L? @@@@@@@? 7@@@@@@H ?N@@@@@@@? ?7@@@@@@@(M?g@@@@@@@@@@@@0Mf?I4@@@@@@@@1 @@@@@@@?heN@@@@@@@@@@?hJ@@@@@@@
?V4@@@@@@@@@@@@@@@@0Y?h3@@@@@0Y ?V4@@@@@@@@@@@@@@@@@@0Y?g?@@@@@@@@0Y? ?3@@@@@@@@@@ @@@@@@@@@@@@H? V'@@@@@@@@@@)KeJ@@@@@@@ ?3@@@@@@@@@@@? ?O2@@@@@@@@(Y? @@@@@@@L ?J@@@@@@@? ?@@@@@@@heI4@@@@@@@@@@@@@@@@@@@@)K @@@@@@@?he@@@@@@ ?@@@@@@@ 3@@@@@@@@@)K @@@@@@@? @@@@@@5? 3@@@@@@? ?@@@@@@@(Yh3@@@@@@@@@(Mh?I'@@@@@@@ ?J@@@@@@5?he?@@@@@@@@@@Lh7@@@@@@@
@?fI4@@@@@@@@@@0MhfV4@@0M I4@@@@@@@@@@@@0Mhe?@@@@@@0M? ?V'@@@@@@@@@ @@@@@@@@@@@5 ?V4@@@@@@@@@@@6?&@@@@@@@ ?N@@@@@@@@@@@? ?@@@@@@@@@@@(Y @@@@@@@)X? W&@@@@@@5? ?@@@@@@@hf?I4@@@@@@@@@@@@@@@@@@@@6X? @@@@@@@?he@@@@@@ ?@@@@@@@ V'@@@@@@@@@@6Xhf@@@@@@@? @@@@@@H? N@@@@@@? ?@@@@@@(Y?hV'@@@@@@@@H?heN@@@@@@@ ?7@@@@@@H?hf?@@@@@@@@)X?g@@@@@@@@
?I4@@@@@@0M?hf?@@@0M V'@@@@@@@@ @@@@@@@@@@(Y ?I4@@@@@@@@@@@@@@@@@@@ 3@@@@@@@@@@? J@@@@@@@@@@@H? 3@@@@@@@1? ?O&@@@@@@@H? ?@@@@@@@ ?I4@@@@@@@@@@@@@@@@@)X @@@@@@@?he3@@@@@ ?@@@@@@@ ?V4@@@@@@@@@@)K?he@@@@@@@? @@@@@@ ?@@@@@@? ?@@@@@@Hhe?N@@@@@@@@hf?@@@@@@@ ?3@@@@@@ ?3@@@@@@@@1?g@@@@@@@@
O2@@@@@@@@6KheO2@@@@@@@@6K ?V'@@@@@@@ @@@@@@@@@0Y? ?I'@@@@@@@@@@@@@@@@@ V'@@@@@@@@@? 7@@@@@@@@@@@ N@@@@@@@@? ?O2@@@@@@@@@ ?@@@@@@@ ?I4@@@@@@@@@@@@@@@@1 3@@@@@@LheN@@@@@L? J@@@@@@5 ?I'@@@@@@@@@@6X?h@@@@@@@? @@@@@@ ?@@@@@@? J@@@@@@?hf@@@@@@@@hf?3@@@@@@ ?N@@@@@@ ?N@@@@@@@@@Lg@@@@@@@@
W2@@@@@@@@@@@@6Xg?@@@@@@@@@@@@@6K ?W2@@@@@@@6KheW2@@@@@@@@6K V4@@@@@5 3@@@@@@0M? V'@@@@@@@@@@@@@@@@ ?V'@@@@@@@@? @@@@@@@@@@@5 ?3@@@@@@@@@@6K ?O2@@@@@@@@@@@@5 ?@@@@@@@ I'@@@@@@@@@@@@@@ N@@@@@@1he?3@@@@1? 7@@@@@@H V4@@@@@@@@@@)Kh@@@@@@@? @@@@@@L? J@@@@@@? 7@@@@@@?hf@@@@@@@@hf?N@@@@@@ @@@@@@L? 3@@@@@@@@)X?f@@@@@@@@
?W&@@@@@@@@@@@@@@)X?fJ@@@@@@@@@@@@@@@6X O&@@@@@@@@@@@6X?f?W&@@@@@@@@@@@@6X? ?I4@0Y V'@@@0M? ?V4@@@@@@@@@@@@@@@ V4@@@@@@@? @@@@@@@@@@(Y ?N@@@@@@@@@@@@@@@@@@@@@@@@@@@@@@@@@@@@@@@@@@(Y ?@@@@@@5 ?V4@@@@@@@@@@@@@ ?@@@@@@@L?h?N@@@@@Lhf?J@@@@@@@? I'@@@@@@@@@@6Xg@@@@@@@? @@@@@@1? 7@@@@@@? @@@@@@@?hf@@@@@@@5hf?J@@@@@@ ?O2@@@@@@@@@@@@@@@@@@6K? @@@@@@1? N@@@@@@@@@)Xf@@@@@@@@
W&@@@@@@@@@@@@@@@@)Xe?W&@@@@@@@@@@@@@@@@)X? W2@@@@@@@@@@@@@@)XfW&@@@@@@@@@@@@@@)X ?V40M? ?I'@@@@@@@@@@@@@ I4@@@@@? @@@@@@@@@(Y? 3@@@@@@@@@@@@@@@@@@@@@@@@@@@@@@@@@@@@@@@@@H? ?@@@@@@H ?I4@@@@@@@@@@@ ?@@@@@@@)Khe3@@@@)K?heO&@@@@@@@? ?V'@@@@@@@@@@)K?f@@@@@@@? @@@@@@@L ?J@@@@@@@? 3@@@@@@Lhf@@@@@@@Hhf?7@@@@@@ O2@@@@@@@@@@@@@@@@@@@@@@@@6K @@@@@@@? ?3@@@@@@@@@)X?e@@@@@@@@
7@@@@@@@@@@@@@@@@@@)K?O&@@@@@@@@@@@@@@@@@@)X 7@@@@@@@@@@@@@@@@1e?W&@@@@@@@@@@@@@@@@)X? ?O2@@@@@@@@6X?heO2@@@@@@6K O2@@@@@@@@6K ?W2@@@@@ V4@@@@@@@@@@@5 ?I@M 3@@@@@@@0Y N@@@@@@@@@@@@@@@@@@@@@@@@@@@@@@@@@@@@@@@@5 ?@@@@@@? ?I4@@@@@@@@@ ?3@@@@@@@@6Kh?@@@@@@6K?f?O2@@@@@@@@@5? V4@@@@@@@@@@@6X??J@@@@@@@? 3@@@@@@)X? ?7@@@@@@@? N@@@@@@1hf@@@@@@@?hf?@@@@@@@ W2@@@@@@@@@@@@@@@@@@@@@@@@@@@@@6K? @@@@@@@@6Xhf?N@@@@@@@@@@)Xe@@@@@@@@
?J@@@@@@@@@@@@@@@@@@@@@@@@@@@@@@@@@@@@@@@@@@@1 ?J@@@@@@@@@@@@@@@@@@L?W&@@@@@@@@@@@@@@@@@@1? ?W2@@@@@@@@@@@)KhO2@@@@@@@@@@6X O2@@@@@@@@@@@@@6X? ?7@@@@@@ I'@@@@@@@@@H N@@@@@0M ?3@@@@@@@@@@@@@@@@@@@@@@@@@@@@@@@@@@@@@@(Y ?@@@@@@L ?I4@@@@@@@ ?N@@@@@@@@@@6Kf?O&@@@@@@@@@@6?2@@@@@@@@@@@@H? I'@@@@@@@@@@)KO&@@@@@@@? N@@@@@@@)K ?@@@@@@@@? ?@@@@@@@L?he3@@@@@@?hf?@@@@@@@ ?W&@@@@@@@@@@@@@@@@@@@@@@@@@@@@@@@@6X? 3@@@@@@@@)K?hf3@@@@@@@@@@)K?@@@@@@@@
?7@@@@@@@@@@@@@@@@@@@@@@@@@@@@@@@@@@@@@@@@@@@@ W&@@@@@@@@@@@@@@@@@@)?&@@@@@@@@@@@@@@@@@@@@L O&@@@@@@@@@@@@@@@?fW2@@@@@@@@@@@@@)X? W2@@@@@@@@@@@@@@@@)X ?@@@@@@@ ?V4@@@@@@@@? ?@0M ?V4@@@@@@@@@@@@@@@@@@@@@@@@@@@@@@@@@@@@(Y? ?@@@@@@1 I4@@@5 3@@@@@@@@@@@@@@@@@@@@@@@@@@@@@@@@@@@@@@@@@@5 ?V'@@@@@@@@@@@@@@@@@@@@? ?@@@@@@@@@6K O2@@@@@@@@5? ?@@@@@@@)XheN@@@@@@?hfJ@@@@@@@ W&@@@@@@@@@@@@@@@@@@@@@@@@@@@@@@@@@@)K N@@@@@@@@@@@@@6XhV'@@@@@@@@@@@@@@@@@@@@
?@@@@@@@@@@@@@@@@@@@@@@@@@@@@@@@@@@@@@@@@@@@@@L? 7@@@@@@@@@@@@@@@@@@@@@@@@@@@@@@@@@@@@@@@@@@1 ?@@@@@@@@@@@@@@@@@@Le?W&@@@@@@@@@@@@@@@)X ?W&@@@@@@@@@@@@@@@@@@)X?hf?@@@@@@@ ?I'@@@@@@@@@@@@@@@@@@@@@@@@@@@@@@@@@0Y ?@@@@@@@ I40Y V'@@@@@@@@@@@@@@@@@@@@@@@@@@@@@@@@@@@@@@@@@H V4@@@@@@@@@@@@@@@@@@@? ?3@@@@@@@@@@@6X? O2@@@@@@@@@@H? ?@@@@@@@@)K?h?@@@@@@?he?W&@@@@@@5hf?W&@@@@@@@@@@@@@@@@@@@@@@@@@@@@@@@@@@@@@6X ?@@@@@@@@@@@@@@1h?N@@@@@@@@@@@@@@@@@@@@
J@@@@@@@@0M?eI4@@@@@@@@@@@@@@@@@@@@@@@@@@@@@@1? @@@@@@@@@@@@@@@@@@@@@@@@@@@@@@@@@@@@@@@@@@@@L? J@@@@@@@@@@@@@@@@@@)X?W&@@@@@@@@@@@@@@@@@)X? ?7@@@@@@@@@@@@@@@@@@@@)Xhf?@@@@@@@ O2@@6K O2@@@@6K V4@@@@@@@@@@@@@@@@@@@@@@@@@@@@@@0M ?@@@@@@@ ?N@@@@@@@@@@@@@@@@@@@@@@@@@@@@@@@@@@@@@@@@5? I'@@@@@@@@@@@@@@@@5? ?N@@@@@@@@@@@@1?f?O2@@@@6K??O2@@@@@@@@@@@@5 ?@@@@@@@@@@@6X O&@@@@@@@HhfW&@@@@@@@@@@@@@@@@@@@@@@@@@@@@@@@@@@@@@@@1 ?3@@@@@@@@@@@@@@he3@@@@@@@@@@@@@@@@@@@
7@@@@@@(M?gI'@@@@@@@@@@@(M?f?I'@@@@@@@@? ?J@@@@@@@@@@0MI4@@@@@@@@@@@@@@@@@@@@@@@@@@@@@@1? 7@@@@@@@@@@@@@@@@@@@)?&@@@@@@@@@@@@@@@@@@@)X J@@@@@@@@@@@@@@@@@@@@@@)X?he?@@@@@@@ ?O2@@@@@@@@@6XhW2@@@@@@@@@@6K ?I4@@@@@@@@@@@@@@@@@@@@@@@@0M? ?@@@@@@@ 3@@@@@@@@@@@@@@@@@@@@@@@@@@@@@@@@@@@@@@(Y? ?V'@@@@@@@@@@@@@@@ 3@@@@@@@@@@@@Le?W2@@@@@@@@@@@@@@@@@@@@@@@(Y ?3@@@@@@@@@@@1 ?O2@@@@@@@@@5?hf7@@@@@@@@@@@@@@@@@@@@@@@@@@@@@@@@@@@@@@@@@L? ?V'@@@@@@@@@@@@@heV'@@@@@@@@@@@@@@@@@@
@@@@@@@Hh?V'@@@@@@@@@(YhV'@@@@@@@L ?7@@@@@@@?g?I'@@@@@@@@@@(M?f?I'@@@@@@@@? @@@@@@@@@@@@@@@@@@@@@@@@@@@@@@@@@@@@@@@@@@@1 7@@@@@@@@@@@@@@@@@@@@@@@1?he?@@@@@@@ ?W2@@@@@@@@@@@@)X?f?W&@@@@@@@@@@@@@6X I4@@@@@@@@@@@@@@@@@@0M ?@@@@@@5 V4@@@@@@@@@@@@@@@@@@@@@@@@@@@@@@@@@@@@0Y V4@@@@@@@@@@@@@@1? V'@@@@@@@@@@@)K?O&@@@@@@@@@@@@@@@@@@@@@@@@H? ?V'@@@@@@@@@@@ ?W2@@@@@@@@@@@H?he?J@@@@@@@@@@@@@@@@@@@@@@@@@@@@@@@@@@@@@@@@@@)X V'@@@@@@@@@@@@he?V'@@@@@@@@@@@@@@@@@
@@@@@@5?heN@@@@@@@@(Y?h?V'@@@@@@1 ?@@@@@@@5?hN@@@@@@@@@(YhV'@@@@@@@? ?J@@@@@@@@@@@@@@@@@@@@@@@@@@@@@@@@@@@@@@@@@@@@ ?J@@@@@@@@@@@@@@@@@@@@@@@@@Lhe?@@@@@@@ W&@@@@@@@@@@@@@@)KfW&@@@@@@@@@@@@@@@)X? ?I4@@@@@@0M? ?@@@@@@H I4@@@@@@@@@@@@@@@@@@@@@@@@@@@@@@@@(M I'@@@@@@@@@@@@5? ?V'@@@@@@@@@@@@@@@@@@@@@@@@@@@@@@@@@@@@@@5 N@@@@@@@@@@@ ?7@@@@@@@@@@@5hf?7@@@@@@@@@0M??I4@@@@@@@@@@(M?I4@@@@@@@@@@@@@1 ?V'@@@@@@@@@@@hfV'@@@@@@@@@@@@@@@@
@@@@@@H?he?@@@@@@@@HhfN@@@@@@@ ?@@@@@@(Y?h?3@@@@@@@@H?h?V'@@@@@@? ?7@@@@@@@@@0M??I4@@@@@@@@@@@@@@@@@@@@@@@@@@@@@L? ?7@@@@@@@@@@@@@@@@@@@@@@@@@1he?@@@@@@@ @6X? ?W&@@@@@@@@@@@@@@@@@@??W&@@@@@@@@@@@@@@@@@)X ?3@@@@@? I4@@@@@@@@@@@@@@@@@@@@@@@@@@@@@0Y? ?V4@@@@@@@@@@@H? V'@@@@@@@@@@@@@@@@@@@@@@@@@@@@@@@@@@@@0Y ?3@@@@@@@@@@ ?@@@@@@@@@@@@HhfJ@@@@@@@@0M?g?I'@@@@@@HgI4@@@@@@@@@@L? V4@@@@@@@@@@hf?V'@@@@@@@@@@@@@@@
@@@@@@hf?3@@@@@@@?hf?@@@@@@@ ?@@@@@@Hhe?N@@@@@@@5hfN@@@@@@? ?@@@@@@@(Mg?I'@@@@@@@@@@?gI4@@@@@@@@1? ?@@@@@@@@0M?fI'@@@@@@@@@@L?h?@@@@@@@ @@)X ?7@@@@@@@@@@@@@@@@@@@?O&@@@@@@@@@@@@@@@@@@@1 W2@@@@ ?V4@0M I4@@@@@@@@@@@@@@@@@@@@@@@@0M ?I'@@@@@@@@@ ?V4@@@@@@@@@@@@@@@@@@@@@@@@@@@@@@@@@(M ?V'@@@@@@@@@ ?@@@@@@@@@@@5?hf7@@@@@@@hfV'@@@@@LhI4@@@@@@@@1? I4@@@@@@@5 V4@@@@@@@@@@@@@@
@@@@@@ @@@@@@5?hf?@@@@@@@ ?@@@@@@?hf@@@@@@@Hhf?@@@@@@L ?@@@@@@(Y?hN@@@@@@@@@5?hI'@@@@@@@? ?@@@@@@(M?g?V'@@@@@@@@@1?h?@@@@@@@ @@@)X? J@@@@@@@@@@@@@@@@@@@@@@@@@@@@@@@@@@@@@@@@@@@L? 7@@@@@L? I4@@@@@@@@@@@@@@@@@0M? V4@@@@@@@@ ?I4@@@@@@@@@@@@@@@@@@@@@@@@@@@@@@0Y? V'@@@@@@@@ ?@@@@@@@@@@(Y?hf@@@@@@@5hf?V'@@@@)X?hI'@@@@@@@? ?I4@@@0Y ?I4@@@@@@@@@@@
@@@@@@hf?@@@@@@@H?hf?@@@@@@@ ?@@@@@@?hf@@@@@@@?hf?@@@@@@1 ?@@@@@@Hhe?3@@@@@@@(Y?h?V'@@@@@@? ?@@@@@@HheV'@@@@@@@@@Lh?@@@@@@@ @@@@1? 7@@@@@@@@@@@@@@@@@@@@@@@@@@@@@@@@@@@@@@@@@@@1? @@@@@@1? ?@@@@6X? ?I@M I4@@@@@@@@@@@@@@@@@@@@@@@@@0M? ?V4@@@@@@5 ?@@@@@@@@@(Y @@@@@@(Y N@@@@@1?h?N@@@@@@@? ?I4@@0M?
@@@@@@hf?N@@@@@@ ?@@@@@@@ ?@@@@@@?hf@@@@@@@?hf?@@@@@@@ ?@@@@@@?he?N@@@@@@@HhfN@@@@@@? ?@@@@@@?he?V'@@@@@@@@1h?@@@@@@@ 3@@@@? @@@@@@@@@@@@@@@@@@@@@@@@@@@@@@@@@@@@@@@@@@@@@L ?J@@@@@@@L J@@@@@1? ?I4@@@@@@@@@@@@@@@@@@0M? I4@@0Y ?@@@@@@@@(Y? @@@@@@H? ?@@@@@@?he@@@@@@@?
@@@@@@L?hf@@@@@@ ?@@@@@@@ ?@@@@@@?hf@@@@@@@?hf?@@@@@@@ J@@@@@@?hf@@@@@@@?hf?@@@@@@? ?@@@@@@?hfN@@@@@@@@@L?g?@@@@@@@ N@@@@? @6X? ?J@@@@@@@@@@0?4@@@@@@@@@@@@@@@@@@0MI4@@@@@@@@@@, O&@@@@@@@)K? 7@@@@@@? I4@@@@@@@0M? ?3@@@@@@0Y @@@@@@ ?@@@@@@?he@@@@@@@?
@@@@@@)Xhf@@@@@5 J@@@@@@5 ?@@@@@@Lhf@@@@@@@?hf?@@@@@@@ 7@@@@@@?hf@@@@@@@?hf?@@@@@@L ?@@@@@@?hf?3@@@@@@@@)Xg?@@@@@@@ ?@@@@? @@)X ?7@@@@@@@?g?I4@@@@@@@@@@(M?g?I'@@@@@(Y ?O2@@@@@@@@@@@@@@@@@@@@? @@@@@@@L ?@@@@@@? ?V4@@0M? @@@@@@ ?@@@@@@Lhe3@@@@@@?
@@@@@@@)X?he@@@@0Y 7@@@@@@H ?@@@@@@1hf@@@@@@@?hf?@@@@@@5 @@@@@@@?hf@@@@@@@?hf?@@@@@@@ J@@@@@@?hf?N@@@@@@@@@1g?@@@@@@@ ?@@@@? ?J@@@1 ?@@@@@@@5?he@@@@@@@@(YheN@@@@0Y? ?O@?@?2@@@@@@@@@@@@@@@@@@@@@@@@@@@@@@@@? @@@@@@@)K? J@@@@@@? ?W2@@@@@@@@@@@@@@@@6K?O2@@6KfO26K @@@@@@ ?@@@@@@1he?@@@@@@?
3@@@@@@@)K ?J@@@@@@@? ?@@@@@@@L?he3@@@@@5?hfJ@@@@@@H @@@@@@@?hf@@@@@@@?hf?@@@@@@H 7@@@@@@? 3@@@@@@@@@L?f?@@@@@@@ ?@@@@? ?7@@@@ ?@@@@@@@H?he@@@@@@@@H?he?3@@ W2@@@@@@@@@@@@@@@@@@@@@@@@@@@@@@@@@@@@@@@@@@@? O2@6?2@@@@@@@@@@@@@@@@@@@@@? 7@@@@@@L ?7@@@@@@@@@@@@@@@@@@@@@@@@@@@@@@@@@@@@@@@@@@6X @@@@@@L? ?@@@@@@@he7@@@@@@?
N@@@@@@@@@@6X? O&@@@@@@5? ?@@@@@@@)KheV4@@@0Y?he?W&@@@@@@? @@@@@@@?hf@@@@@@@?hf?@@@@@@? @@@@@@@L V'@@@@@@@@1?f?@@@@@@@ ?@@@@L ?3@@@@ ?@@@@@@5hf3@@@@@@@hf?N@@ 7@@@@@@@@@@@@@@@@@@@@@@@@@@@@@@@@@@@@@@@@@@@@? ?@@@@@@@@@@@@@@@@@@@@@@@@@@@@@@@@@@@@@@@@@@@@? @@@@@@@)X? ?@@@@@@@@@@@@@@@@@@@@@@@@@@@@@@@@@@@@@@@@@@@@1 @@@@@@)X J@@@@@@5he@@@@@@@? ?O@K
?@@@@@@@@@@@1? ?W2@@@@@@@@@@@H? ?@@@@@@@@@@6X? O&@@@@@@5? 3@@@@@@Lhf@@@@@@5?hfJ@@@@@@? 3@@@@@@)X?hf?N@@@@@@@@@Lf?@@@@@@@ ?3@@@1 ?N@@@@ ?@@@@@@HhfN@@@@@@@ @@@@@? @@@@@@@@@@@@@@@@@@@@@@@@@@@@@@@@@@@@@@@@@@@@@? J@@@@@@@@@@@@@@@@@@@@@@@@@@@@@@@@@@@@@@@@@@@@? @@@@@@@@)K ?@@@@@@@@@@@@@@@@@@@@@@@@@@@@@@@@@@@@@@@@@@@@@ @@@@@@@@@@@@@@6KO2@@@@6K @@@@@@@1 7@@@@@@Hhe@@@@@@@? @@@@@@@@@@@@@@@@@@@@@@6?2@@@@@6K
?3@@@@@@@@@@@? ?7@@@@@@@@@@@5 ?3@@@@@@@@@@1? O2@@@@@@@(Y? N@@@@@@)K?he3@@@@@H?hf7@@@@@@? N@@@@@@@)X 3@@@@@@@@)X?e?@@@@@@@ ?N@@@@ @@@@L? ?@@@@@@Lhf?@@@@@@@ @@@@@L @@@@@@@@@@@@@@@@@@@@@@@@@@@@@@@@@@@@@@@@@@@@@? 7@@@@@@@@@@@@@@@@@@@@@@@@@@@@@@@@@@@@@@@@@@@@? O26KO@K?O@?26?2@@@@@@@@@@@@@@@@@@@@@6X ?@@@@@@@@@@@@@@@@@@@@@@@@@@@@@@@@@@@@@@@@@@@@@ ?J@@@@@@@@@@@@@@@@@@@@@@@@6?26X?e?W2@@@6X @@@@@@@@L?hf@@@@@@@?h?J@@@@@@@? @@@@@@@@@@@@@@@@@@@@@@@@@@@@@@@@@@@@@@@@@@@6X?
?N@@@@@@@@@@@? ?@@@@@@@@@@@@H ?N@@@@@@@@@@@L ?W2@@@@@@@@@(Y ?@@@@@@@@6K?hV4@@@@hf?J@@@@@@@? ?@@@@@@@@)K?hfN@@@@@@@@@)Xe?@@@@@@@ @@@@ 3@@@1? ?@@@@@@1hf?@@@@@@@ @@@@@1 @@@@@@@@@@@@@@@@@@@@@@@@@@@@@@@@@@@@@@@@@@@@@? @@@@@@@@@@@@@@@@@@@@@@@@@@@@@@@@@@@@@@@@@@@@@? ?@@@@@@@@@@@@@@@@@@@@@@@@@@@@@@@@@@@@@@@@@@@@1 ?@@@@@@@@@@@@@@@@@@@@@@@@@@@@@@@@@@@@@@@@@@@@@ ?7@@@@@@@@@@@@@@@@@@@@@@@@@@@@)KeO&@@@@@)X? W2@@@@@@@@@@@@@@@@@@6KO2@6K? 3@@@@@@@)Kh?O2@@@@@@@@?hO&@@@@@@@? @@@@@@@@@@@@@@@@@@@@@@@@@@@@@@@@@@@@@@@@@@@@1?
3@@@@@@@@@@? ?@@@@@@@@@@@@? 3@@@@@@@@@@1 ?7@@@@@@@@@@H? ?@@@@@@@@@@6X? W&@@@@@@5? ?@@@@@@@@@@@@6K?h?3@@@@@@@@@)X??@@@@@@@ 3@@@ N@@@@? ?@@@@@@@hf?@@@@@@@ @@@@@@ @@@@@@@@@@@@@@@@@@@@@@@@@@@@@@@@@@@@@@@@@@@@5? @@@@@@@@@@@@@@@@@@@@@@@@@@@@@@@@@@@@@@@@@@@@@? ?@@@@@@@@@@@@@@@@@@@@@@@@@@@@@@@@@@@@@@@@@@@@@ ?@@@@@@@@@@@@@@@@@@@@@@@@@@@@@@@@@@@@@@@@@@@@@ ?@@@@@@@@@@@@@@@@@@@@@@@@@@@@@@@@@@@@@@@@@)X 7@@@@@@@@@@@@@@@@@@@@@@@@@@@@@@@@@@@@@@@@@@?hfN@@@@@@@@@@6K?e?O2@@@@@@@@@@?gO2@@@@@@@@5? @@@@@@@@@@@@@@@@@@@@@@@@@@@@@@@@@@@@@@@@@@@@@?
V'@@@@@@@@@? ?@@@@@@@@@@@5? V'@@@@@@@@@@ ?@@@@@@@@@@@ ?3@@@@@@@@@@1? ?O&@@@@@@@H? ?3@@@@@@@@@@@@@@h?V'@@@@@@@@@)K?@@@@@@@ N@@@ ?@@@@? ?@@@@@@@hf?@@@@@@@hf?J@@@@@@ @@@@@@@@@@@@@@@@@@@@@@@@@@@@@@@@@@@@@@@@@@@0Y? @@@@@@@@@@@@@@@@@@@@@@@@@@@@@@@@@@@@@@@@@@@@@? ?@@@@@@@@@@@@@@@@@@@@@@@@@@@@@@@@@@@@@@@@@@@@@ ?@@@@@@@@@@@@@@@@@@@@@@@@@@@@@@@@@@@@@@@@@@@@@ ?@@@@@@@@@@@@@@@@@@@@@@@@@@@@@@@@@@@@@@@@@@1 @@@@@@@@@@@@@@@@@@@@@@@@@@@@@@@@@@@@@@@@@@@Lhf?@@@@@@@@@@@@@@@@@@@@@@@@@@@5?fW2@@@@@@@@@@H? @@@@@@@@@@@@@@@@@@@@@@@@@@@@@@@@@@@@@@@@@@@@@?
?V4@@@@@@@@? ?@@@@@@@@@@(Y? ?V'@@@@@@@@@ ?@@@@@@@@@@@ ?N@@@@@@@@@@@? ?W2@@@@@@@@@@@ ?V'@@@@@@@@@@@@@heN@@@@@@@@@@@@@@@@@@@ ?@@@ ?@@@@? ?@@@@@@@L?he?@@@@@@5hf?7@@@@@@ @@@@@@@@@@@@@@@@@@@0?4@0M?I'@@@@@@@(M??I@M @@@@@@@@@@@@@@@@@@@@@@@@@@@@@@@@@@@@@@@@@@@@@? ?@@@@@@@@@@@@@@@@@@@@@@@@@@@@@@@@@@@@@@@@@@@@@ ?3@@@@@@@@@@@@@@@@@@@@@@@@@@@@@@@@@@@@@@@@@@@5 ?@@@@@@@@@@@@@@@@@@@@@@@@@@@@@@@@@@@@@@@@@@@L? @@@@@@@@@@@@@@@@@@@@@@@@@@@@@@@@@@@@@@@@@@@1hf?3@@@@@@@@@@@@@@@@@@@@@@@@@@H?f7@@@@@@@@@@5 @@@@@@@@@@@@@@@@@@@@@@@@@@@@@@@@@@@@@@@@@@@@@?
?I4@@@@@@? ?@@@@@@@@@(Y V'@@@@@@@@ ?@@@@@@@@@@5 3@@@@@@@@@@? ?7@@@@@@@@@@@5 N@@@@@@@@@@@@@he?3@@@@@@@@@@@@@@@@@@ ?@@@L? ?3@@@? ?3@@@@@@)Xhe?3@@@@@HhfJ@@@@@@@ @@@@@@@@@@@@ ?N@@@@@@@H 3@@@@@@@@@@@@@@@@@@@@@@@@@@@@@@@@@@@@0?4@@0M ?@@@@@@@@@@@@@@@@@@@@@@@@@@@@@@@@@@@@@@@@@@@@@ ?V'@@@@@@@@@(Mf?I@MeI4@@@@@@@@@@@@@@@@@@0Y ?@@@@@@@@@@@@@@@@@@@@@@@@@@@@@@@@@@@@@@@@@@@)X @@@@@@@@@@@@@@@@@@@@@@@@@@@@@@@@@@@@@@@@@@@@L?he?V'@@@@@@@@@@@@@@@@@@@@@@@@5g@@@@@@@@@@@H @@@@@@@@@@@@@@@@@@@@@@@@@@@@@@@@@@@@@@@@@@@@@?
I4@@@? ?@@@@@@@@0Y? ?V4@@@@@@5 ?@@@@@@@@@(Y V'@@@@@@@@@? J@@@@@@@@@@@@H ?3@@@@@@@@@@@@he?V'@@@@@@@@@@@@@@@@@ ?@@@1? ?N@@@? ?N@@@@@@@)K?h?V4@@@@?he?W&@@@@@@@ @@@@@@@@@@@@L? @@@@@@@? N@@@@@@@@@@@@? @@@@@@@(M? ?@@@@@@@@@@@@@@@@@@@@@@@@@@@@@@@@@@@@@@@@@@@@5 V'@@@@@@@@ ?@@@@@@@@@@@@@@@@@@@@@@@@@@@@@@@@@@@@@@@@@@@@1 @@@@@@@@@@@@@@@@@@@@@@@@@@@@@@@@@@@@@@@@@@@@1?hfN@@@@@@@@@@@@@@@@@@@@@@@@?g@@@@@@@@@@5? @@@@@@@@@@@@@@@@@@@@@@@@@@@@@@@@@@@@@@@@@@@@@?
?@@@@@0M I4@@0Y ?@@@@@@@@0Y? ?V'@@@@@@@@? @@@@@@@@@@@@5? ?V'@@@@@@@@@@@hfV'@@@@@@@@@@@@@@@@ ?@@@@? @@@L @@@@@@@@@@6X O&@@@@@@@5 3@@@@@@@@@@@)K @@@@@@@? ?@@@@@@@@@@@@? @@@@@@@H ?@@@@@@@@@@@@@@@@@@@@@@@@@@@@@@@@@@@@@@@@@@@(Y ?N@@@@@@@@1? ?3@@@@@@@@@@@@@@@@@@@@@0?4@@@@@0?4@@@@@@@@@@@@ @@@@@@@@@@@@@@@@@@@@@@@@@@@@@@@@@@@@@@@@@@@@@?hf?3@@@@@@@@@@@@@@@@@@@@@@@)X?f@@@@@@@@@(Y? @@@@@@@@@@@@@@@@@@@@@@@@@@@@@@@@@@@@@@@@@@@@5?
?@@@@@@0M? V4@@@@@@@? ?@@@@@@@@@@(Y? V4@@@@@@@@@@hf?V'@@@@@@@@@@@@@@@ ?3@@@? @@@1 3@@@@@@@@@@1 W2@@@@@@@@@@@H V4@@@@@@@@@@@@6Khf3@@@@@@? ?3@@@@@@@@@@@? 3@@@@@@? ?@@@@@@@@@@@@@@@@@@@@@@@@@@@@@@@@@@@@@@0?@?(Y? @@@@@@@@@L ?V'@@@@@@@@@ I4@0M?eI4@@@@@@@@@@ @@@@@@@@@@@@@@@@@@@@@@@@@@@@@@@@@@@@@@@@@@@@@?hf?V4@@@@@@@@@@@@@@@@@@@@@@@1?f@@@@@@@@(Y 3@@@@@@@@@@?gI4@@@@@@@@@@@@@@@@@@@@@@@0Y?
I@M? I4@@@@5? 7@@@@@@@@@(Y I4@@@@@@@@ V4@@@@@@@@@@@@@@ ?N@@@? @@@@ N@@@@@@@@@@@ 7@@@@@@@@@@@@? I'@@@@@@@@@@@@6Xhe?@@@@@@? ?V'@@@@@@@@@@@6XhfN@@@@@@? ?@@@@@@@@@@@@(M?hf@@@@@@@@(M @@@@@@@)X? V'@@@@@@@@ @@@@@@@@@@@@@@@@@@@@@@@@@@@@@@@@@@@@@@@@@@@@5? ?I4@@@@@@@@@@@@@@@@0M??@@Lf@@@@@@@(Y? V'@@@@@@@@@? ?I40M?
I4@0Y? 3@@@@@@@@0Y? I4@@@@@@ I4@@@@@@@@@@@@ @@@L @@@@ ?3@@@@@@@@@@ @@@@@@@@@@@@5? ?V4@@@@@@@@@@@@)X?h7@@@@@@? V'@@@@@@@@@@@)K?he?@@@@@@? ?@@@@@@@@@@@@? 3@@@@@@@H? 3@@@@@@@1? ?N@@@@@@@@ 3@@@@@@@@@@@0M?I40M?I4@@@@@@@@@@@@@@@@@@@@@0Y? ?I4@@@@@@@@@@@@0M?e?@@1f@@@@@@0Y ?V'@@@@@@@@L
V'@@@@@0M? I4@@@@@@@@@@ @@@1 @@@@L? ?N@@@@@@@@@@ @@@@@@@@@@@@H? ?I4@@@@@@@@@@@)Kh@@@@@@@? ?V4@@@@@@@@@@@@6X?h?@@@@@@? ?3@@@@@@@@@@@)X?hfN@@@@@@@ V'@@@@@@@L 3@@@@@@@L? V'@@@@@@@@@? ?I4@@@@@@0M?f?@@5f@@@@0M V'@@@@@@@1
?V40M? @@@@ @@@@1? 3@@@@@@@@@ @@@@@@@@@@@5 ?I'@@@@@@@@@@@6Xg3@@@@@@L ?I'@@@@@@@@@@@)Xh?@@@@@@? ?V4@@@@@@@@@@@)Xhf?@@@@@@@ ?N@@@@@@@1 V'@@@@@@)X ?V'@@@@@@@@L ?@@H ?V'@@@@@@@L?
@@@@ 3@@@@? V4@@@@@@@@ @@@@@@@@@@(Y V4@@@@@@@@@@@)K?f?@@@@@@1 V4@@@@@@@@@@@)K?g?@@@@@@L ?I'@@@@@@@@@@)K?he?@@@@@@@ 3@@@@@@@L? ?V'@@@@@@1 V'@@@@@@@)X? ?@@? N@@@@@@@)X
W&?26X @@@@ N@@@@? I4@@@@@@ @@@@@@@@@0Y? I4@@@@@@@@@@@@6Xe7@@@@@@@ I4@@@@@@@@@@@6K?f?@@@@@@@ V4@@@@@@@@@@@6X?h?@@@@@@@ V'@@@@@@1? N@@@@@@@L? ?V'@@@@@@@1? ?@@? ?3@@@@@@@1
*@@@@1 3@@@ ?@@@@? I4@@@@ @@@@@@@0M? I'@@@@@@@@@@@)K?@@@@@@@@ I'@@@@@@@@@@@6K?eJ@@@@@@? I4@@@@@@@@@@)Kh?@@@@@@@ ?V4@@@@@@? ?3@@@@@@1? V'@@@@@@@L ?@@? ?V'@@@@@@@L?
N@@@@@ N@@@L? ?@@@@? @@@@0M ?V'@@@@@@@@@@@@@@@@@@@@@ ?V4@@@@@@@@@@@@6KO&@@@@@@1 I'@@@@@@@@@@6Kg?@@@@@@@ ?V'@@@@@@? ?N@@@@@@@)X? ?@@? N@@@@@@@1?
?@@@@5 ?@@@1? ?@@@@? V4@@@@@@@@@@@@@@@@@@@@ ?I'@@@@@@@@@@@@@@@@@@@@@ ?V'@@@@@@@@@@@6Xf?@@@@@@@ V'@@@@@? 3@@@@@@@1? ?@@? ?3@@@@@@@?
?@@@@? ?O@? @@ ?@@@@? ?3@@@L I4@@@@@@@@@@@@@@@@@@ V4@@@@@@@@@@@@@@@@@@@@ V4@@@@@@@@@@@)K?eJ@@@@@@@ ?V4@@@@? N@@@@@@@@L @? ?V4@@@@@@?
?@@@@)X? @@@? @@L? @@@? ?@@@@? ?N@@@1 I'@@@@@@@@@@@@@@@@ I'@@@@@@@@@@@@@@@@@@ I'@@@@@@@@@@@6KO&@@@@@@@ ?3@@@@@@@1 @?
?@@@@@1? @@5? @@1? ?J@@@? ?@@@@? @@@@ ?V4@@@@@@@@@@@@@@@ ?V4@@@@@@@@@@@@@@@@@ ?V4@@@@@@@@@@@@@@@@@@@@@ ?V4@@@@@@@
?3@@@@@L 3@H? @@@? ?7@@@? ?3@@@L @@@@ @@@@@@@@@@@@@@ ?I'@@@@@@@@@@@@@@@ ?I4@@@@@@@@@@@@@@@@@@@ ?I40M?
?V'@@@@1 N@ @@@? ?@@@@? ?N@@@1 @@@@ @@@@@@@@@@@@@5 V4@@@@@@@@@@@@@@ ?I'@@@@@@@@@@@@@@@@@ ?O2@@?
N@@@@@ ?@ @@@? ?@@@@L @@@@ 3@@@ 3@@@@@@@@@@@(Y I4@@@@@@@@@@@5 V'@@@@@@@@@@@@@@@@ @@@@@L
J@@@@@ ?@@6X? @@@L ?@@@@1 @@@@ N@@@L? N@@@@?I@M?I(Y? I4@@@@@@@@(Y ?V4@@@@@@@@@@@@@@@ 3@@@@1
7@@@@@L? J@@@1? @@@1 ?@@@@@ @@@@ ?@@@1? ?@@@@? I4@@@@@0Y? ?I'@@@@@@@@@@@@@ N@@@@@ @@@? W2@@
3@@@@@1? 7@@@@L @@@@ ?@@@@@L? 3@@@L? ?@@@@? ?3@@@? V4@@@@@@@@@@@@ ?@@@@@ ?J@@@L 7@@@L?
N@@@@@@? @@@@@1 @@@@ ?3@@@@1? N@@@1? ?3@@@? ?N@@@L I4@@@@@@@@@5 ?@@@@@ W2@@@? ?7@@@@ @@@@1?
?@@@@@@L @@@@@@L? @@@@L? ?N@@@@@? ?@@@@? ?N@@@? @@@1 I4@@@@@@0Y ?@@@@@ 7@@@@? ?@@@@H @@@@@? ?O26K?
?3@@@@@1 3@@@@@1? 3@@@1? @@@@@? ?@@@@? @@@L 3@@@L? ?3@@@@ @@@@@L ?@@@@? @@@@@L @@@@@6X?
?N@@@@@@ N@@@@@@? N@@@@? @@@@@? ?@@@@? @@@1 N@@@1? ?N@@@@L? @@@@@1 ?@@@@? @@@@@1 @@@@@@1?
@@@@@@ ?3@@@@@? ?@@@@? @@@@@? ?@@@@L @@@@ ?@@@@? @@@@1? @@@@@@ J@@@5? @@@@@5 @@@@@@@?
3@@@@@L? ?N@@@@@L ?@@@@? @@@@@? ?3@@@1 @@@@ ?3@@@L @@@@@? @@@@@@ 7@@@H? ?J@@@@@H 3@@@@@5?
N@@@@@1? @@@@@1 ?@@@@L 3@@@@? ?N@@@@ 3@@@ ?N@@@1 3@@@@? @@@@@@ @@@@ ?7@@@@@? N@@@@@H?
?3@@@@@? @@@@@@ ?@@@@1 N@@@@L @@@@ N@@@ @@@@ ?@6K N@@@@? 3@@@@@ @@@@ ?@@@@@@? ?@@@@5
?@ ?N@@@@@? 3@@@@@L? ?3@@@@L? ?@@@@1 @@@@ ?@@@L? 3@@@ ?@@@@? ?@@@@? N@@@@@ @@@@ ?@@@@@@? ?@@@@?
@@@@@? N@@@@@1? ?N@@@@1? ?@@@@@ @@@@ ?@@@1? W2@6X? N@@@L? W-X? ?@@@@L ?@@@@? ?@@@@@ @@@@ ?@@@@@@? ?@@@@@
@@@@@L ?@@@@@@? @@@@@? ?@@@@@ @@@@ ?@@@@? *@@@1? ?@@@1? 7@1? ?@@@@1 ?@@@@? ?3@@@@ ?J@@@@ ?3@@@@5? J@@@@H
@@@@@1 ?3@@@@@? @@@@@? ?@@@@@ @@@@L? ?@@@@? N@@@@? ?3@@@? @@@L ?3@@@@ ?@@@@? ?N@@@@ ?7@@@@ ?N@@@@H? 7@@@@?
3@@@@@L? ?N@@@@@? 3@@@@? ?@@@@@ 3@@@1? ?3@@@? ?3@@@L ?N@@@L @@@1 ?N@@@@ ?@@@@L ?J@@@@ ?@@@@@ @@@@ @@@@@?
N@@@@@1? @@@@@L N@@@@? ?@@@@@ N@@@@? ?N@@@? ?N@@@1 @@@1 3@@@ @@@@L? ?3@@@@ ?7@@@@ ?@@@@@ @@@5 ?J@@@@@?
?@@@@@@? @@@@@1 ?@@@@? ?@@@@@ ?@@@@? @@@L @@@@ 3@@@ N@@@ @@@@1? ?N@@@H ?@@@@@ ?@@@@5 ?J@@@H ?7@@@@@?
?3@@@@@? 3@@@@@ ?@@@@? ?3@@@@ ?@@@@? @@@1 3@@@L? N@@@L? ?@@@ 3@@@@? @@@? ?3@@@@ ?@@@@H ?7@@@? ?@@@@@5?
?N@@@@@L N@@@@@ ?@@@@? ?N@@@@L? ?@@@@? @@@@ N@@@1? ?3@@1? ?3@@L? N@@@@? @@@L ?N@@@@ J@@@@? ?@@@@? ?@@@@@H?
@@@@@1 ?3@@@@ ?@@@@? @@@@1? ?3@@@L 3@@@ ?@@@@? ?N@@@? ?N@@1? ?@@@@L @@@1 @@@@ 7@@@5? ?@@@@? ?@@@@@
@@@@@@ ?N@@@@L? ?@@@@? @@@@@? ?N@@@1 N@@@ ?3@@@? @@@L @@@? ?@@@@1 @@@@ @@@@ @@@@H? ?@@@@? J@@@@5
3@@@@@ @@@@1? ?@@@@? @@@@@? @@@@ ?@@@L? ?N@@@L 3@@1 3@@L ?3@@@@ @@@@ @@@@ @@@@ ?@@@@? 7@@@@H
N@@@@@L? @@@@@? ?@@@@L @@@@@? @@@@ ?@@@1? @@@1 N@@@ N@@1 ?N@@@@L? 3@@@ @@@@ @@@@ ?@@@@? @@@@@?
?@@@@@1? 3@@@@L ?3@@@1 @@@@@? @@@@ ?3@@@? @@@@ ?@@@L? ?3@@ @@@@1? N@@@L? @@@@ ?J@@@@ ?@@@@? @@@@@?
?3@@@@@? N@@@@1 ?N@@@@ 3@@@@? 3@@@L? ?N@@@? 3@@@ ?3@@1? ?N@@ 3@@@@? ?@@@1? @@@@L? ?7@@@@ ?@@@@? @@@@@?
?N@@@@@L ?3@@@@L? @@@@ N@@@@L N@@@1? @@@? N@@@L? ?N@@@L @@L? N@@@@L ?3@@@? @@@@1? ?@@@@@ J@@@@? @@@@@?
3@@@@1 ?N@@@@1? @@@@L? ?@@@@1 ?@@@@? @@@? ?@@@1? @@@1 3@1? ?@@@@1 ?N@@@? @@@@@? ?@@@@@ 7@@@@? ?J@@@@@?
N@@@@@ @@@@@? @@@@1? ?@@@@@ ?@@@@? @@@L ?3@@@? 3@@@ N@@L ?3@@@@ @@@? @@@@@? J@@@@5 @@@@@? ?7@@@@5?
?@@@@@L? @@@@@L @@@@@? ?@@@@@ ?@@@@? @@@1 ?N@@@L N@@@ ?@@1 ?N@@@@L? @@@? @@@@@? 7@@@@H @@@@@? ?@@@@@H?
?@@@@@1? @@@@@1 @@@@@? ?@@@@@ ?@@@@? @@@@ @@@1 ?@@@L? ?@@@ @@@@1? @@@? @@@@@? @@@@@? @@@@@? ?@@@@@
?3@@@@@? @@@@@@ 3@@@@? ?@@@@@ ?3@@@L @@@@ @@@@ ?3@@1? ?3@@L? @@@@@? @@@L @@@@@? @@@@@? @@@@@? ?@@@@@
?N@@@@@? 3@@@@@L? N@@@@? ?@@@@@ ?N@@@1 3@@@ 3@@@ ?N@@@L ?N@@1? 3@@@@? @@@1 @@@@@? @@@@@? @@@@@? ?@@@@5
@@@@@L N@@@@@1? ?@@@@L ?@@@@@ @@@@ N@@@L? N@@@ 3@@1 3@@? N@@@@L @@@@ @@@@@? @@@@@? @@@@@? ?@@@@H
@@@@@1 ?3@@@@@? ?@@@@1 ?3@@@@L? @@@@ ?@@@1? ?@@@L? N@@@L? N@@L ?3@@@1 @@@@ 3@@@@? ?J@@@@5? @@@@@? J@@@@?
3@@@@@L? ?N@@@@@L ?@@@@@ ?N@@@@1? @@@@ ?@@@@? ?@@@1? ?3@@1? ?@@1 ?N@@@@ 3@@@ N@@@@? ?7@@@@H? @@@@5? 7@@@@?
N@@@@@1? @@@@@1 ?@@@@@ @@@@@? @@@@L? ?@@@@? ?3@@@? ?N@@@? ?3@@ @@@@L? N@@@ ?@@@@? ?@@@@@ @@@@H? @@@@@?
?@@@@@@? 3@@@@@ ?@@@@@ @@@@@? @@@@1? ?@@@@? ?N@@@L @@@? ?N@@L? @@@@1? ?@@@L? ?@@@@? ?@@@@@ @@@@ @@@@@?
?@@@@@@? V'@@@@L? ?3@@@@ @@@@@? 3@@@@? ?3@@@? @@@1 3@@L @@1? 3@@@@? ?@@@1? ?@@@@? ?@@@@5 @@@@ @@@@5?
?3@@@@@? ?N@@@@1? ?N@@@@L? @@@@@? N@@@@? ?N@@@L 3@@@ N@@1 3@@? N@@@@L ?@@@@? ?@@@@? ?@@@@H ?J@@@@ @@@@H?
?N@@@@@L @@@@@? @@@@1? @@@@@? ?@@@@? @@@1 N@@@L? ?3@@ N@@L ?@@@@1 ?3@@@? ?@@@@? ?@@@@? ?7@@@@ @@@@
3@@@@1 3@@@@L @@@@@? 3@@@@? ?@@@@? @@@@ ?@@@1? ?N@@L? ?@@1 ?3@@@@ ?N@@@? ?@@@@? J@@@@? ?@@@@@ ?J@@@@
N@@@@@L? N@@@@1 @@@@@? N@@@@L ?@@@@L 3@@@ ?3@@@? @@1? ?3@@ ?N@@@@ @@@? ?@@@@L 7@@@@? ?@@@@@ ?7@@@@
?@@@@@1? ?3@@@@ @@@@@? ?@@@@1 ?3@@@1 N@@@ ?N@@@L 3@@L ?N@@L? @@@@L? @@@L ?@@@@1 @@@@5? ?@@@@@ ?@@@@@
?3@@@@@? ?N@@@@L? 3@@@@? ?@@@@@ ?N@@@@ ?@@@ @@@1 N@@1 @@1? 3@@@1? @@@1 ?@@@@@ @@@@H? J@@@@@ ?@@@@5
?N@@@@@L @@@@1? N@@@@L ?@@@@@ @@@@ ?@@@L? 3@@@ ?@@@ 3@@? N@@@@? 3@@@ ?3@@@@ @@@@ 7@@@@5 ?@@@@H
3@@@@1 @@@@@L ?@@@@1 ?@@@@@ @@@@ ?@@@1? N@@@ ?3@@L? N@@L ?@@@@L N@@@ ?N@@@@ ?J@@@@ @@@@@H J@@@@?
N@@@@@ @@@@@1 ?@@@@@ ?@@@@@ @@@@L? ?@@@@? ?@@@L? ?N@@1? ?@@1 ?@@@@1 ?@@@ @@@@ ?7@@@@ @@@@@? 7@@@@?
?@@@@@L? 3@@@@@ ?@@@@@ ?3@@@@ 3@@@1? ?@@@@? ?@@@1? 3@@? ?3@@ ?3@@@@ ?@@@ @@@@ ?@@@@@ @@@@@? @@@@@?
?@@@@@1? N@@@@@L? ?3@@@@ ?N@@@@ N@@@@? ?@@@@? ?3@@@? N@@L ?N@@ ?N@@@@L? ?@@@ @@@@ ?@@@@5 @@@@@? @@@@@?
?@@@@@@? ?@@@@@1? ?N@@@@ @@@@ ?@@@@? ?3@@@L ?N@@@L ?@@1 @@L? @@@@1? ?@@@L? @@@@ ?@@@@H @@@@@? @@@@5?
?3@@@@@? ?3@@@@@? @@@@ @@@@L? ?@@@@? ?N@@@1 @@@1 ?3@@ 3@1? @@@@@? ?@@@1? @@@@ ?@@@@? @@@@@? @@@@H?
?N@@@@@L ?N@@@@@? @@@@ @@@@1? ?3@@@L @@@@ @@@@ ?N@@L? N@@L 3@@@@L ?3@@@? @@@@ J@@@@? @@@@@? @@@@
@@@@@1 3@@@@L @@@@L? @@@@@? ?N@@@1 @@@@ 3@@@ @@1? ?@@1 N@@@@1 ?N@@@? @@@@ 7@@@5? @@@@5? @@@@
3@@@@@ N@@@@1 @@@@1? @@@@@? @@@@ @@@@ N@@@ 3@@L ?3@@ ?@@@@@ @@@? @@@@L? @@@@H? @@@@H? ?J@@@@
N@@@@@ ?@@@@@L? @@@@@? 3@@@@? @@@@ 3@@@ ?@@@L? N@@1 ?N@@ ?@@@@@ W2@? @@@? @@@@1? @@@@ @@@@ ?7@@@@
?@@@@@L? ?@@@@@1? @@@@@? N@@@@? @@@@ N@@@ ?@@@1? ?3@@ @@L? ?3@@@@L? ?W&@@L @@@L @@@@@? @@@@ ?J@@@@ ?@@@@@
?3@@@@1? ?3@@@@@? 3@@@@? ?@@@@? @@@@L? ?@@@L? ?3@@@? ?N@@L? 3@1? ?N@@@@1? ?7@@@1 @@@1 @@@@@? @@@@ ?7@@@@ ?@@@@5
?N@@@@@? ?N@@@@@? N@@@@L ?@@@@? @@@@1? ?@@@1? ?N@@@L @@1? N@@? 3@@@@? ?@@@@@ @@@@ 3@@@@? @@@@ ?@@@@@ ?@@@@H
@@@@@L @@@@@L ?@@@@1 ?@@@@? 3@@@@? ?@@@@? @@@1 @@@? ?@@L N@@@@L ?@@@@@ 3@@@ N@@@@? ?J@@@5 ?@@@@@ ?@@@@?
@@@@@1 3@@@@1 ?@@@@@ ?@@@@? N@@@@? ?@@@@? 3@@@ 3@@L ?@@1 ?@@@@1 ?3@@@5 N@@@ ?@@@@? ?7@@@H ?@@@@@ ?@@@@?
3@@@@@ N@@@@@ ?@@@@@ ?@@@@L ?@@@@? ?3@@@? N@@@L? N@@1 ?3@@L? ?@@@@@ ?V4@0Y ?@@@ ?@@@@? ?@@@@? ?@@@@@ ?@@@@?
N@@@@@L? ?@@@@@L? ?3@@@@ ?3@@@1 ?@@@@? ?N@@@? ?@@@1? ?@@@ ?N@@1? ?3@@@@ ?@@@L? ?@@@@? ?@@@@? ?@@@@@ ?@@@@?
?@@@@@1? ?3@@@@1? ?N@@@@ ?N@@@@ ?@@@@L @@@L ?@@@@? ?3@@L? 3@@? ?N@@@@L? ?@@@1? ?@@@@? J@@@5? ?@@@@@ J@@@@?
?3@@@@@? ?N@@@@@? @@@@ @@@@ ?3@@@1 @@@1 ?3@@@? ?N@@1? N@@L @@@@1? ?3@@@? ?@@@@? 7@@@H? ?@@@@@ 7@@@5?
?N@@@@@L @@@@@L @@@@L? @@@@ ?N@@@@ 3@@@ ?N@@@L 3@@L ?@@1 3@@@@? ?N@@@? ?@@@@L @@@@ ?@@@@@ @@@@H?
@@@@@1 @@@@@1 @@@@1? @@@@ @@@@ N@@@L? @@@1 N@@1 ?3@@ N@@@@L @@@? ?@@@@1 @@@@ ?@@@@5 @@@@
@@@@@@ 3@@@@@L? @@@@@? @@@@ @@@@ ?@@@1? 3@@@ ?@@@ ?N@@L? ?@@@@1 @@@? ?@@@@@ @@@@ ?@@@@H @@@@
3@@@@@L? N@@@@@1? @@@@@? @@@@L? @@@@L? ?@@@@? N@@@L? ?3@@L? @@1? ?3@@@@ @@@L ?@@@@@ ?J@@@@ ?@@@@? @@@@
N@@@@@1? ?3@@@@@? 3@@@@? @@@@1? 3@@@1? ?@@@@? ?@@@1? ?N@@1? 3@@? ?N@@@@ @@@1 ?@@@@@ ?7@@@5 J@@@@? ?J@@@@
?@@@@@@? ?N@@@@@? N@@@@? 3@@@@? N@@@@? ?@@@@? ?3@@@? @@@? N@@L @@@@L? @@@@ ?@@@@@ ?@@@@H 7@@@@? ?7@@@@
?3@@@@@L @@@@@? ?@@@@? N@@@@L ?@@@@? ?3@@@? ?N@@@? 3@@L ?@@1 3@@@1? @@@@ ?@@@@@ ?@@@@? @@@@@? ?@@@@@
?N@@@@@1 3@@@@L ?@@@@? ?@@@@1 ?@@@@? ?N@@@? @@@L N@@1 ?3@@ N@@@@? 3@@@ ?@@@@@ ?@@@@? @@@@@? ?@@@@5
@@@@@@ N@@@@1 ?@@@@L ?@@@@@ ?@@@@? @@@L @@@1 ?@@@ ?N@@L? ?@@@@L N@@@L? ?@@@@@ J@@@@? @@@@@? ?@@@@H
3@@@@@ ?@@@@@L? ?@@@@1 ?@@@@@ ?@@@@L @@@1 @@@@ ?3@@L? @@1? ?@@@@1 ?@@@1? ?@@@@@ 7@@@@? @@@@@? ?@@@@?
N@@@@@L? ?@@@@@1? ?@@@@@ ?@@@@@ ?3@@@1 @@@@ 3@@@ ?N@@1? 3@@L ?3@@@@ ?@@@@? ?@@@@@ @@@@5? @@@@5? ?@@@@?
?@@@@@1? ?3@@@@@? ?@@@@@ ?@@@@@ ?N@@@@ @@@@ N@@@L? @@@? N@@1 ?N@@@@L? ?@@@@? ?@@@@@ @@@@H? @@@@H? ?@@@@?
?3@@@@@? ?N@@@@@L ?3@@@@ ?3@@@@ @@@@ 3@@@ ?@@@1? 3@@L ?@@@ @@@@1? ?3@@@L ?@@@@@ @@@@ @@@@ J@@@@?
?N@@@@@? 3@@@@1 ?N@@@@ ?N@@@@ @@@@ N@@@ ?@@@@? N@@1 ?3@@ 3@@@@? ?N@@@1 ?3@@@@ @@@@ @@@@ 7@@@@?
@@@@@L N@@@@@ @@@@ @@@@ @@@@ ?@@@ ?@@@@L ?3@@ ?N@@L? N@@@@L @@@@ ?N@@@@ ?J@@@@ @@@@ @@@@5?
@@@@@1 ?@@@@@ @@@@L? @@@@ 3@@@L? ?@@@L? ?3@@@1 ?N@@L? 3@1? ?@@@@1 @@@@ @@@@ ?7@@@@ @@@@ @@@@H?
3@@@@@ ?3@@@@L? @@@@1? @@@@ N@@@1? ?@@@1? ?N@@@@ @@1? N@@L ?3@@@@ @@@@ @@@@ ?@@@@@ ?J@@@@ @@@@
N@@@@@L? ?N@@@@1? 3@@@@? @@@@L? ?@@@@? ?3@@@? 3@@@L? 3@@L ?@@1 ?N@@@@ 3@@@ @@@@ ?@@@@@ ?7@@@@ @@@@
?@@@@@1? @@@@@L N@@@@? @@@@1? ?@@@@? ?N@@@? N@@@1? N@@1 ?@@@ @@@@L? ?@@@L? @@@@ ?@@@@@ ?@@@@@ @@@@
?3@@@@@? 3@@@@1 ?@@@@? @@@@@? ?@@@@? @@@? ?@@@@? ?@@@ ?3@@ 3@@@1? @@@@1? @@@@L? J@@@@5 ?@@@@@ ?J@@@5
?N@@@@@L N@@@@@ ?@@@@L @@@@@? ?3@@@? @@@L ?3@@@L ?3@@L? ?N@@L? N@@@@L N@@@@? @@@@1? 7@@@@H ?@@@@@ ?7@@@H
@@@@@1 ?@@@@@L? ?@@@@1 3@@@@? ?N@@@L @@@1 ?N@@@1 ?N@@1? @@1? ?@@@@1 ?@@@@? @@@@@? @@@@@? ?@@@@@ ?@@@@?
3@@@@@ ?3@@@@1? ?@@@@@ N@@@@? @@@1 @@@@ @@@@ 3@@? 3@@L ?3@@@@ ?@@@@? @@@@@? @@@@@? ?@@@@@ ?@@@@?
N@@@@@ ?N@@@@@? ?@@@@@ ?@@@@L @@@@ 3@@@ @@@@L? N@@L N@@1 ?N@@@@ ?@@@@? @@@@@? @@@@@? ?@@@@5 ?@@@@?
?@@@@@L? @@@@@L ?3@@@@ ?@@@@1 @@@@ N@@@ 3@@@1? ?@@1 ?@@@ @@@@L? ?3@@@? 3@@@@? @@@@5? J@@@@H J@@@@?
?3@@@@1? 3@@@@1 ?N@@@@ ?@@@@@ 3@@@ ?@@@L? N@@@@? ?@@@L? ?3@@ @@@@1? ?N@@@? N@@@@? @@@@H? @@@@@? 7@@@@?
?N@@@@@? N@@@@@ @@@@L? ?@@@@@ N@@@L? ?@@@1? ?@@@@? ?3@@1? ?N@@L? 3@@@@? @@@L ?@@@@? ?J@@@@ N@@@@? @@@@@?
@@@@@L ?@@@@@ @@@@1? ?3@@@@ ?@@@1? ?@@@@? ?@@@@? ?N@@@? @@1? N@@@@? @@@1 ?@@@@? ?7@@@@ ?@@@@? @@@@5?
@@@@@1 ?3@@@@L? @@@@@? ?N@@@@ ?@@@@? ?@@@@? ?3@@@L @@@L 3@@? ?@@@@L @@@@ ?@@@@? ?@@@@5 ?@@@@? @@@@H?
3@@@@@ ?N@@@@1? @@@@@? ?J@@@@ ?@@@@? ?3@@@? ?N@@@1 3@@1 N@@L ?3@@@1 @@@@ ?@@@@? ?@@@@H J@@@@? @@@@
N@@@@@L? @@@@@? 3@@@@? ?@@@@@ ?3@@@? ?N@@@? @@@@ N@@@ ?@@1 ?N@@@@ 3@@@ ?@@@@? J@@@@? 7@@@@? @@@@
?@@@@@1? 3@@@@L N@@@@? ?N@@@@ ?N@@@? @@@? 3@@@ ?3@@ ?3@@L? @@@@L? N@@@ ?@@@@? 7@@@@? @@@@@? @@@@
?3@@@@@? N@@@@1 ?@@@@? @@@@L? @@@L @@@L N@@@L? ?N@@L? ?N@@1? 3@@@1? ?@@@ ?@@@@? @@@@@? @@@@@? @@@@
?N@@@@@L ?@@@@@ ?@@@@? @@@@1? @@@1 @@@1 ?@@@1? @@1? @@@? N@@@@? ?@@@L? ?@@@@? @@@@5? @@@@@? ?J@@@5
@@@@@1 ?3@@@@L? ?@@@@? @@@@@? @@@@ @@@@ ?3@@@? 3@@? 3@@L ?@@@@L ?@@@1? ?@@@@? @@@@H? @@@@@? ?7@@@H
3@@@@@ ?N@@@@1? ?3@@@L @@@@@? @@@@ @@@@ ?N@@@L N@@L N@@1 ?3@@@1 ?3@@@? ?@@@@? ?J@@@@ @@@@@? ?@@@@?
N@@@@@L? @@@@@? ?N@@@1 @@@@@? @@@@ 3@@@ @@@1 ?@@1 ?@@@ ?N@@@@ ?N@@@? ?@@@@? ?7@@@@ @@@@@? ?@@@@?
?@@@@@1? 3@@@@L @@@@ 3@@@@? 3@@@L? N@@@L? 3@@@ ?3@@L? ?3@@ @@@@ @@@L ?@@@@L ?@@@@@ @@@@@? ?@@@@?
?3@@@@@? N@@@@1 @@@@ N@@@@? N@@@1? ?@@@1? N@@@ ?N@@1? ?N@@L? @@@@L? @@@1 ?@@@@1 ?@@@@5 @@@@@? ?@@@@?
?N@@@@@L ?@@@@@ @@@@L? ?@@@@? ?@@@@? ?@@@@? ?@@@ 3@@? @@1? 3@@@1? @@@@ ?3@@@@ ?@@@@H @@@@5? J@@@@?
@@@@@1 ?3@@@@L? @@@@1? ?@@@@L ?@@@@? ?3@@@? ?3@@L? N@@L 3@@L N@@@@? @@@@ ?N@@@@ ?@@@@? @@@@H? 7@@@@?
@@@@@@ ?N@@@@1? @@@@@? ?@@@@1 ?@@@@? ?N@@@? ?N@@1? ?@@1 N@@1 ?@@@@L @@@@ @@@@ ?@@@@? @@@@ @@@@5?
3@@@@@ 3@@@@? @@@@@? ?@@@@@ ?3@@@? @@@? @@@? ?3@@L? ?3@@ ?@@@@1 3@@@ @@@@ J@@@@? ?J@@@@ @@@@H?
N@@@@@L? N@@@@L 3@@@@? ?@@@@@ ?N@@@L @@@L @@@L ?N@@1? ?N@@ ?3@@@@ N@@@L? @@@@ 7@@@5? ?7@@@@ @@@@
?@@@@@1? ?@@@@1 N@@@@? ?@@@@@ @@@1 @@@1 @@@1 @@@? @@L? ?N@@@@L? ?@@@1? @@@@ @@@@H? ?@@@@@ @@@@
?3@@@@@? ?@@@@@ ?@@@@L ?@@@@@ @@@@ @@@@ 3@@@ 3@@L 3@1? @@@@1? ?@@@@? @@@@ @@@@ ?@@@@@ @@@@
?N@@@@@? ?3@@@@L? ?@@@@1 ?3@@@@ @@@@ 3@@@ N@@@ N@@1 N@@? 3@@@@? ?@@@@? @@@@ @@@@ ?@@@@@ ?J@@@@
@@@@@L ?N@@@@1? ?@@@@@ ?N@@@@ 3@@@ N@@@ ?@@@L? ?3@@ ?@@L N@@@@L ?@@@@? @@@@L? ?J@@@@ ?@@@@@ ?7@@@@
@@@@@1 @@@@@? ?@@@@@ @@@@ N@@@ ?@@@L? ?3@@1? ?N@@ ?@@1 ?@@@@1 ?@@@@? @@@@1? ?7@@@@ ?@@@@@ ?@@@@5
3@@@@@L? 3@@@@L ?@@@@@ @@@@L? ?@@@L? ?@@@1? ?N@@@? @@L? ?3@@ ?@@@@@ ?3@@@? @@@@@? ?@@@@5 ?@@@@5 ?@@@@H
N@@@@@1? N@@@@1 ?3@@@@ @@@@1? ?@@@1? ?@@@@? @@@L 3@1? ?N@@L? ?3@@@@ ?N@@@? @@@@@? ?@@@@H ?@@@@H ?@@@@?
?@@@@@@? ?3@@@@ ?N@@@@ @@@@@? ?@@@@? ?3@@@? 3@@1 N@@? @@1? ?N@@@@L? @@@L @@@@@? ?@@@@? ?@@@@? ?@@@@?
?3@@@@@? ?N@@@@L? @@@@L? @@@@@? ?@@@@? ?N@@@? N@@@ ?3@L 3@@? @@@@1? @@@1 @@@@@? ?@@@@? J@@@@? ?@@@@?
?N@@@@@L @@@@1? @@@@1? 3@@@@? ?3@@@L @@@L ?@@@ ?N@1 N@@L 3@@@@? 3@@@ @@@@@? J@@@@? 7@@@@? ?@@@5?
@@@@@1 3@@@@? @@@@@? N@@@@? ?N@@@1 @@@1 ?@@@L? @@L? ?@@1 N@@@@? N@@@ 3@@@@? 7@@@5? @@@@@? J@@@H?
3@@@@@ N@@@@? @@@@@? ?@@@@? @@@@ @@@@ ?3@@1? @@1? ?3@@ ?@@@@L ?@@@ N@@@@? @@@@H? @@@@@? 7@@@
N@@@@@L? ?@@@@L 3@@@@? ?@@@@? @@@@ 3@@@ ?N@@@? 3@@? ?N@@L? ?3@@@1 ?@@@ ?@@@@? @@@@ @@@@@? @@@@
?@@@@@1? ?3@@@1 N@@@@? ?@@@@? @@@@ N@@@ @@@L N@@? 3@1? ?N@@@@ ?@@@L? ?@@@@? ?J@@@@ @@@@@? @@@@
?3@@@@@L ?V'@@@ ?@@@@L ?@@@@L 3@@@L? ?@@@L? @@@1 ?@@L N@@L @@@@L? ?@@@1? ?@@@@? ?7@@@@ @@@@5? ?J@@@@
?N@@@@@1 N@@@L? ?@@@@1 ?3@@@1 N@@@1? ?@@@1? 3@@@ ?3@1 ?@@1 @@@@1? ?@@@@? ?@@@@? ?@@@@5 @@@@H? ?7@@@@
@@@@@@ ?3@@1? ?@@@@@ ?N@@@@ ?@@@@? ?@@@@? N@@@ ?N@@L? ?@@@ 3@@@@? ?3@@@? ?@@@@? ?@@@@H @@@@ ?@@@@@
3@@@@@ ?N@@@? ?@@@@@ @@@@ ?@@@@? ?@@@@? ?3@@L? 3@1? ?3@@L? N@@@@L ?N@@@? ?@@@@? ?@@@@? @@@@ ?@@@@5
N@@@@@L? @@@L ?3@@@@ @@@@ ?@@@@? ?3@@@? ?N@@1? N@@? ?N@@1? ?@@@@1 @@@? ?@@@@? ?@@@@? @@@@ ?@@@@H
?@@@@@1? 3@@1 ?N@@@@ @@@@ ?@@@@? ?N@@@? @@@? ?@@? @@@? ?@@@@@ @@@? ?@@@@? J@@@@? @@@@ ?@@@@?
?3@@@@@? N@@@ @@@@ @@@@ ?@@@@L @@@L @@@L ?3@L 3@@L ?3@@@@ @@@L ?@@@@? 7@@@5? ?J@@@@ ?@@@@?
?N@@@@@L ?@@@L? @@@@L? @@@@ ?3@@@1 @@@1 3@@1 ?N@)X? N@@1 ?N@@@@L? @@@1 ?@@@@L @@@@H? ?@@@@@ J@@@@?
@@@@@1 ?@@@1? @@@@1? @@@@L? ?N@@@@ @@@@ N@@@ @@1? ?@@@ @@@@1? @@@@ ?@@@@1 @@@@ @@@@ 7@@@@?
3@@@@@ ?3@@@L @@@@@? 3@@@1? @@@@ @@@@ ?@@@ 3@@? ?3@@L? @@@@@L @@@@ ?@@@@@ @@@@ ?7@@@@ @@@@5?
N@@@@@ ?N@@@1 3@@@@? N@@@@? 3@@@ 3@@@ ?@@@ N@@L ?N@@1? O@K?h@@@@@)K? ?O@K?O26K? 3@@@ ?3@@@@ ?J@@@@ ?@@@@@ @@@@
?@@@@@L? 3@@@ N@@@@? ?@@@@? N@@@ N@@@L? ?3@@L? ?@@1 @@@? ?W2@@@@@@@@@@@@@@@@@@@@@@@@@@@@@@@@@@@@@@@@@@@@@@@@@@@@@@@@@@@@@@@@@@@@@@@@@@@@@@@@6KO2@@@6X N@@@ ?N@@@@ ?7@@@5 ?@@@@5 @@@@@?
?@@@@@1? N@@@ ?@@@@? ?@@@@? ?@@@L? ?@@@1? ?N@@1? ?3@@ 3@@L ?7@@@@@@@@@@@@@@@@@@@@@@@@@@@@@@@@@@@@@@@@@@@@@@@@@@@@@@@@@@@@@@@@@@@@@@@@@@@@@@@@@@@@@@@@@)K? ?@@@L? @@@@ ?@@@@H ?@@@@H @@@@H?
?3@@@@@? ?@@@L? ?@@@@? ?@@@@? ?@@@1? ?@@@@? @@@? ?N@@L? N@@1 ?@@@@@@@@@@@@@@@@@@@@@@@@@@@@@@@@@@@@@@@@@@@@@@@@@@@@@@@@@@@@@@@@@@@@@@@@@@@@@@@@@@@@@@@@@@@@6X? ?@@@1? @@@@ ?@@@@? ?@@@@? @@@@
?N@@@@@L ?@@@1? ?@@@@L ?@@@@? ?@@@@? ?@@@@? @@@? @@1? ?@@@ ?@@@@@@@@@@@@@@@@@@@@@@@@@@@@@@@@@@@@@@@@@@@@@@@@@@@@@@@@@@@@@@@@@@@@@@@@@@@@@@@@@@@@@@@@@@@@@1? ?@@@@? @@@@ ?@@@@? ?@@@@? @@@@
3@@@@1 ?3@@@? ?@@@@1 ?@@@@? ?@@@@? ?@@@@? 3@@L 3@@? ?3@@ ?@@@@@@@@@@@@@@@@@@@@@@@@@@@@@@@@@@@@@@@@@@@@@@@@@@@@@@@@@@@@@@@@@@@@@@@@@@@@@@@@@@@@@@@@@@@@@@? ?@@@@? @@@@ ?@@@@? J@@@@? ?J@@@@
N@@@@@ ?N@@@L ?@@@@@ ?@@@@? ?@@@@? ?@@@@? N@@1 N@@? ?N@@L? ?@@@@@@@@@@@@@@@@@@@@@@@@@@@@@@@@@@@@@@@@@@@@@@@@@@@@@@@@@@@@@@@@@@@@@@@@@@@@@@@@@@@@@@@@@@@@@@? ?3@@@? @@@@ J@@@@? 7@@@@? ?7@@@5
?@@@@@L? 3@@1 ?@@@@@ ?@@@@? ?@@@@L ?3@@@L ?@@@ ?@@L 3@1? ?@@@@@@@@@@@@@@@@@@@@@@@@@@@@@@@@@@@@@@@@@@@@@@@@@@@@@@@@@@@@@@@@@@@@@@@@@@@@@@@@@@@@@@@@@@@@@@L ?N@@@? @@@@ 7@@@5? @@@@@? ?@@@@H
?3@@@@1? N@@@ ?@@@@@ ?3@@@L ?3@@@1 ?N@@@1 ?3@@ ?3@1 N@@? ?@@@@@@@@@@@@@@@@@@@@@@@@@@@@@@@@0?4@0?@M??I@M I@M?he?I4@@@@@@@@@@@@@@@@1 @@@? @@@@ @@@@H? @@@@@? ?@@@@?
?N@@@@@? ?@@@L? ?3@@@@ ?N@@@1 ?N@@@@ @@@@ ?N@@L? ?N@@L? ?@@L ?@@@@@@@@V@Mh?@@@@@@? ?I'@@@@@@@@@ @@@L @@@@ @@@@ @@@@@? ?@@@@?
@@@@@? ?@@@1? ?N@@@@ @@@@ @@@@ @@@@ @@1? 3@1? ?@@1 ?@@@@@@@@?he?@@@@@@L N@@@@@@@@@ @@@1 @@@@ @@@@ @@@@@? ?@@@@?
@@@@@L ?3@@@? @@@@L? @@@@ @@@@ @@@@ 3@@? N@@? ?3@@L? ?@@@@@@@@?heJ@@@@@@)X? ?@@@@@@@@@ @@@@ @@@@L? ?J@@@@ @@@@@? J@@@@?
3@@@@1 ?N@@@L @@@@1? @@@@ @@@@ @@@@ N@@L ?@@L ?N@@1? ?@@@@@@@@?he7@@@@@@@)X ?@@@@@@@@@L? @@@@ @@@@1? ?7@@@5 @@@@@? 7@@@@?
N@@@@@ @@@1 3@@@@? @@@@L? 3@@@L? 3@@@L? ?@@1 ?3@1 3@@? ?@@@@@@@@?h?J@@@@@@@@@)X? ?@@@@@@@@@1? 3@@@ @@@@@? ?@@@@H @@@@@? @@@@5?
?@@@@@L? 3@@@ N@@@@? @@@@1? N@@@1? N@@@1? ?@@@ ?N@@ N@@L ?@@@@@@@@?hW&@@@@@@@@@@1? ?3@@@@@@@@@? N@@@L? @@@@@? ?@@@@? @@@@@? @@@@H?
?@@@@@1? N@@@L? ?@@@@? @@@@@? ?@@@@? ?@@@@? ?3@@ @@L? ?@@1 ?@@@@@@@@?h7@@@@@@@@@@@@? ?N@@@@@@@@@? ?@@@1? @@@@@? ?@@@@? @@@@5? @@@@
?@@@@@@? ?3@@1? ?@@@@? 3@@@@? ?@@@@? ?@@@@? ?N@@L? 3@1? ?3@@ ?@@@@@@@@?g?J@@@@@@@@@@@@@? @@@@@@@@@? ?@@@@? @@@@@? ?@@@@? @@@@H? @@@@
?3@@@@@L ?N@@@? ?@@@@L N@@@@? ?@@@@L ?3@@@? @@1? N@@L ?N@@L? ?@@@@@@@@?g?7@@@@@@@@@@@@@? @@@@@@@@@? ?@@@@? 3@@@@? J@@@@? @@@@ @@@@
?V'@@@@1 @@@L ?3@@@1 ?@@@@? ?3@@@1 ?N@@@L 3@@? ?@@1 @@)X J@@@@@@@@?g?3@@@@@@@@@@@@@? @@@@@@@@@? ?@@@@? N@@@@? 7@@@@? ?J@@@@ @@@@
N@@@@@ @@@1 ?N@@@@ ?@@@@? ?N@@@@ @@@1 N@@L ?3@@ 3@@)X? 7@@@@@@@@?g?V'@@@@@@@@@@@@L 3@@@@@@@@L ?3@@@L ?@@@@? @@@@5? ?7@@@@ ?J@@@@
?@@@@@L? 3@@@ @@@@ ?@@@@? @@@@ @@@@ ?@@1 ?N@@L? N@@@)K @@@@@@@@@LhV'@@@@@@@@@@@1 N@@@@@@@@1 ?N@@@1 ?@@@@? @@@@H? ?@@@@@ ?7@@@@
?@@@@@1? N@@@L? @@@@ ?@@@@L @@@@ @@@@ ?@@@ @@1? ?@@@@@6X @@@@@@@@@1h?V+?4@@@@@@@@5 ?@@@@@@@@@ @@@@ ?@@@@? @@@@ ?@@@@@ ?@@@@@
?@@@@@@? ?@@@1? @@@@ ?@@@@1 @@@@ 3@@@ ?3@@ 3@@? ?3@@@@@)X? @@@@@@@@@@ I4@@@@0Y ?@@@@@@@@@ @@@@ ?@@@@? @@@@ ?@@@@@ ?@@@@5
?3@@@@@? ?@@@@? @@@@ ?@@@@@ 3@@@ N@@@L? ?N@@L? N@@L ?N@@@@@@)K @@@@@@@@@@ ?@@@@@@@@@L? @@@@ ?@@@@? ?J@@@@ ?@@@@@ ?@@@@H
?N@@@@@L ?3@@@L 3@@@L? ?3@@@@ N@@@L? ?@@@1? @@1? ?3@1 @@@@@@@@6X @@@@@@@@@@ ?3@@@@@@@@1? @@@@ ?@@@@L ?7@@@@ ?@@@@@ J@@@@?
@@@@@1 ?N@@@1 N@@@1? ?N@@@@ ?@@@1? ?@@@@? @@@? ?N@@L? 3@@XI'@@@)X? @@@@@@@@@@ ?N@@@@@@@@@? 3@@@ ?@@@@1 ?@@@@5 J@@@@@ 7@@@@?
3@@@@@L? 3@@@ ?@@@@? @@@@L? ?@@@@? ?@@@@? 3@@L @@1? N@@1?V'@@@)X @@@@@@@@@@ ?J@@@@@@@@@? N@@@L? ?@@@@5 ?@@@@H 7@@@@@ @@@@@?
N@@@@@1? N@@@L? ?@@@@? @@@@1? ?@@@@? ?@@@@? N@@1 @@@? ?@@@eV4@@@)K? @@@@@@@@@@L? O&@@@@@@@@@? ?@@@1? ?@@@@H ?@@@@? @@@@@@ @@@@@?
?@@@@@@? ?@@@1? ?@@@@? @@@@@? ?@@@@? ?@@@@? ?@@@ 3@@L ?3@@L?eI'@@@6X? @@@@@@@@@@)KeO@K? O2@@@@@6?2@@@6K?e?O2@@@@@@6?2@@@@@@@@@@@@@@@@@@@@@@@@@@@@@@@@@@@@@? ?@@@@? ?@@@@L J@@@@? @@@@@5 @@@@@?
?3@@@@@? ?3@@@L ?@@@@? @@@@@? ?3@@@L ?3@@@L ?3@@ N@@1 ?N@@1?e?V'@@@)X @@@@@??@@@@@@@@@@@@@@@@@@@@@@@@@@@@@@@@@@@@@@@@@@@@@@@@@@@@@@@@@@@@@@@@@@@@@@@@@@@@@@@@@@@@@@@@@@@@? ?@@@@? ?@@@@1 7@@@5? @@@@@H @@@@@?
?N@@@@@L ?N@@@1 ?3@@@? @@@@@? ?N@@@1 ?N@@@1 ?N@@L? ?3@@ @@@?fV'@@@)X? @@@@5??3@@@@@@@@@@@@@@@@@@@@@@@@@@@@@@@@@@@@@@@@@@@@@@@@@@@@@@@@@@@@@@@@@@@@@@@@@@@@@@@@@@@@@@@@@@@? ?3@@@? ?3@@@@ @@@@H? @@@@@? @@@@5?
@@@@@1 @@@@ ?N@@@L @@@@@? @@@@ @@@@ @@1? ?N@@L? 3@@Lf?V4@@@)X @@@@e?V'@@@@@@@@@@@@@@@@@@@@@@@@@@@@@@@@@@@@@@@@@@@@@@@@@@@@@@@@@@@@@@@@@@@@@@@@@@@@@@@@@@@@@@@@@@L ?N@@@? ?N@@@@ @@@@ @@@@@? ?J@@@@H?
@@@@@@ 3@@@L? @@@1 3@@@@? @@@@ @@@@ 3@@? @@1? N@@1g?I'@@)X? @@@@@?e?@@@@@@@@@@@@@@@@@@@@@@@@@@@@@@@@@@@@@@@@@@@@@@@@@@@@@@@@@@@@@@@@@@@@@@@@@@@@@@@@@@@@@@@@@@1 @@@L @@@@ @@@@ @@@@@? ?7@@@@
3@@@@@ N@@@1? @@@@ N@@@@? @@@@ @@@@ N@@L @@@? ?@@@hV'@@)K ?J@@@@H?e7@@@@@@@@@@@@@@@@@@@@@@@@@@@@@@@@@@@@@@@@@@@@@@@@@@@@@@@@@@@@@@@@@@@@@@@@@@@@@@@@@@@@@@@@@@5 @@@1 @@@@ ?J@@@@ @@@@@? ?@@@@@
N@@@@@L? ?@@@@? @@@@ ?@@@@? @@@@L? 3@@@L? ?@@1 3@@L ?3@@L?g?V'@@@6X ?7@@@@e?J@@@@@@@@@@@@@@@@@@@@@0M? ?I40M?f?@@@@@@H @@@@ @@@@ ?7@@@@ @@@@@? ?@@@@5
?@@@@@1? ?@@@@? @@@@ ?@@@@L 3@@@1? N@@@1? ?@@@ N@@1 ?N@@1?hV'@@@)X? ?@@@@@e?7@@@@@? ?@@@@@@? @@@@ @@@@ ?@@@@5 @@@@@? ?@@@@H
?@@@@@@? ?3@@@L @@@@ ?@@@@1 N@@@@? ?@@@@? ?@@@ ?@@@L? @@@?h?V'@@@)X ?@@@@@e?@@@@@5? ?@@@@@@? 3@@@ @@@@ ?@@@@H @@@@@? ?@@@@?
?3@@@@@L ?N@@@1 3@@@ ?3@@@@ ?@@@@? ?@@@@? ?3@@L? ?3@@1? 3@@LheV4@@@)X?hf?@@@@@e?@@@@@H? ?@@@@@@? N@@@ @@@@ ?@@@@? ?J@@@@5? J@@@@?
?N@@@@@1 @@@@L? N@@@L? ?N@@@@ ?@@@@? ?@@@@? ?N@@1? ?N@@@? N@@1hfI4@@)Khf?@@@@5e?@@@@@ ?@@@@@@? ?@@@ @@@@L? ?@@@@? ?7@@@@H? 7@@@@?
3@@@@@ 3@@@1? ?@@@1? @@@@ ?@@@@? ?@@@@? @@@? 3@@L ?@@@ I'@@6Xhe?@@@@?e?@@@@@ ?@@@@@@? ?3@5 @@@@1? J@@@@? ?@@@@@ @@@@@?
N@@@@@L? N@@@@? ?@@@@? @@@@ ?3@@@? ?3@@@L 3@@? N@@1 ?3@@L?hf?V'@@)K?h?@@@@1e?@@@@@hf?W26K?he?O@Kf?O2@@6?@K? ?@@@@@@? ?V+Y @@@@@? 7@@@@? ?@@@@@ @@@@@?
?@@@@@1? ?@@@@L ?@@@@? @@@@L? ?N@@@L ?N@@@1 N@@L ?3@@ ?N@@1? V'@@@6X?g?@@@@@e?@@@@@hf?7@@@@@@@@@@@@@@@@@@@@@@@@@@@@@@@@@@@@@@@@@@@@@@@@@@@6K?hf?@@@@@@? @@@@5? @@@@5? ?@@@@@ @@@@@?
?@@@@@@? ?3@@@1 ?3@@@? @@@@1? @@@1 @@@@ ?@@1 ?N@@L? 3@@? ?V4@@@)Xg?@@@@@e?@@@@5heW&X@@@@@@@@@@@@@@@@@@@@@@@@@@@@@@@@@@@@@@@@@@@@@@@@@@@@@@6X?he?@@@@@@? @@@@H? @@@@H? ?@@@@@ @@@@5?
?@@@@@@L ?N@@@@ ?N@@@L @@@@@? @@@@ @@@@ ?@@@ @@1? N@@L ?I'@@)X?f?@@@@@L??@@@@Hhe7@@@@@@@@@@@@@@@@@@@@@@@@@@@@@@@@@@@@@@@@@@@@@@@@@@@@@@@@@)XheJ@@@@@5? @6X? @@@@ @@@@ ?@@@@@ @@@@H?
?3@@@@@1 3@@@ @@@1 @@@@@? @@@@ @@@@ ?@@@L? 3@@? ?@@1 V'@@)Xf?@@@@@1?J@@@@?he@@@@@@@@@@@@@@@@@@@@@@@@@@@@@@@@@@@@@@@@@@@@@@@@@@@@@@@@@@@)X?h7@@@@@H? @@)? 3@@@ ?J@@@@ ?@@@@@ @@@@
?N@@@@@@ N@@@ @@@@ @@@@@? 3@@@ @@@@ ?3@@1? N@@L ?@@@ ?V'@@)K?eJ@@@@@@?7@@@@?he@@@@@@@@@@@@@@@@@@@@@@@@@@@@@@@@@@@@@@@@@@@@@@@@@@@@@@@@@@@@1?h@@@@@@ 3@H? N@@@ ?7@@@@ ?@@@@@ ?J@@@@
@@@@@@L? ?@@@L? @@@@ @@@@@? N@@@L? 3@@@L? ?N@@@? ?@@1 ?3@@L? V4@@@6KO&@@@@@@?@@@@@?he@@@@@@@@@@@@@@@@@@@@@@@@@@@@@@@@@@@@@@@@@@@@@@@@@@@@@@@@@@@@@Lh@@@@@@ ?@L? ?@@@ ?@@@@5 ?@@@@@ ?7@@@5
@@@@@@1? ?@@@1? @@@@ 3@@@@? ?@@@1? N@@@1? @@@? ?3@@ ?N@@1? ?@@@@@@@@@@@@?@@@@@?he3@@@@@@@@(MI4@@@0?@M I4@@@@@@@1h@@@@@@ 7@)X ?@@@L? ?@@@@H ?@@@@@ ?@@@@H
3@@@@@@L ?3@@@L 3@@@ N@@@@? ?@@@@? ?@@@@? 3@@L ?N@@L? @@@? ?@@@@@@@@@@@@?@@@@@?he?@@@@@@@(Y ?@@@@@@@L?g@@@@@@ @@@) ?@@@1? ?@@@@? ?@@@@@ ?@@@@?
N@@@@@@1 ?N@@@1 N@@@L? ?@@@@? ?@@@@? ?@@@@? N@@1 @@1? 3@@L I'@@@@@@@@@?@@@@@?he7@@@@@@@ ?@@@@@@@1?g@@@@@@ @@@H ?@@@@? ?@@@@? J@@@@@ ?@@@@?
?3@@@@@@ 3@@@L? ?@@@1? ?@@@@? ?3@@@L ?@@@@? ?@@@ 3@@L N@@1 ?V'@@@@@@@@?@@@@@?h?J@@@@@@@@1? ?@@@@@@@@?f?J@@@@@@ 3@@L ?@@@@? J@@@@? @@@@@@ J@@@@?
?N@@@@@@L? N@@@1? ?@@@@? ?@@@@L ?N@@@1 ?@@@@? ?@@@L? N@@1 ?@@@ V'@@@@@@@X@@@@@?h?7@@@@@@@@@? ?@@@@@@@@?f?7@@@@@@ N@@1 ?@@@@? 7@@@@? N@@@@@ 7@@@@?
@@@@@@1? ?3@@@? ?@@@@? ?@@@@1 @@@@ ?3@@@L ?3@@1? ?@@@ ?3@@L? ?N@@@@@@V@@@@@@?h?@@@@@@@@@@? ?@@@@@@@@Lf?@@@@@@@ ?@@@L? ?@@@@? @@@@@? ?@@@@@ @@@@@?
3@@@@@@? ?N@@@? ?@@@@? ?@@@@@ @@@@ ?N@@@1 ?N@@@? ?3@@L? ?N@@1? @@@@@@@@@@@@@?h?@@@@@@@@@@L ?@@@@@@@@)K?e?@@@@@@@ ?@@@1? ?@@@@? @@@@5? ?@@@@@ @@@@@?
N@@@@@@? @@@L ?@@@@? ?@@@@@ @@@@L? @@@@ 3@@? ?N@@1? @@@? @@@@@@@@@@@@@?h?@@@@@@@@@@1 ?@@@@@@@@@@@e?@@@@@@@ ?@@@@? ?@@@@? ?J@@@@H? J@@@@@ @@@@5?
?@@@@@@? @@@1 ?3@@@L ?3@@@@ @@@@1? @@@@ N@@L @@@? 3@@L @@@@@@@@@@@@@?h?@@@@@@@@@@@ ?@@@@@@@@@@@e?@@@@@@@ ?@@@@? ?@@@@? ?7@@@@ @@@@@5 @@@@H?
?3@@@@@L 3@@@ ?N@@@1 ?N@@@@ 3@@@@? @@@@ ?@@1 3@@L N@@1 @@@@@@@@@@@@@?h?3@@@@@@@@@@ O@K?hf?@@@@@@@@@@@L??@@@@@@@ ?@@@@? ?@@@@? ?@@@@@ N@@@@H @@@@
?N@@@@@1 N@@@L? @@@@ @@@@ N@@@@? @@@@ ?@@@ N@@1 ?3@@ @@@@@@@@@@@@@?h?N@@@@@@?@@@@@@@@@@@@@@@@@@@@@@@@@@@@@@@@@@@@@@@@@@@@@e?@@@@@@@@@@@1??@@@@@@@ ?@@@@? ?@@@@? ?@@@@5 J@@@@? @@@@
@@@@@@ ?3@@1? @@@@ @@@@L? ?@@@@? 3@@@L? ?@@@ ?@@@ ?N@@L? @@@@@@@@@@@@@Lhe@@@@@@?@@@@@@@@@@@@@@@@@@@@@@@@@@@@@@@@@@@@@@@@@@@@@e?@@@@@@@@@@@@??@@@@@@@ ?@@@@L ?@@@@? ?@@@@H 7@@@@? ?J@@@@
3@@@@@ ?N@@@L @@@@ @@@@1? ?@@@@? N@@@1? ?3@@L? ?3@@L? @@1? @@@@@@?@@@@@@)X?h@@@@@@?@@@@@@@@@@@@@@@@@@@@@@@@@@@@@@@@@@@@@@@@@@@@@e?3@@@@@@@@@@@?J@@@@@@@ ?3@@@1 ?@@@@? ?@@@@? @@@@@? ?7@@@@
N@@@@@L? 3@@1 3@@@ @@@@@? ?@@@@? ?@@@@? ?N@@1? ?N@@1? 3@@L ?J@@@@@5?@@@@@@@)Kh3@@@@@@@@@@??I4@@@@@0MfI@M? ?N@@V'@@@@@@@W&@@@@@@5 ?N@@@@ ?3@@@L J@@@@? @@@@@? ?@@@@@
?@@@@@1? N@@@ N@@@ @@@@@? ?@@@@? ?@@@@? @@@? @@@? N@@1 ?7@@@@@HJ@@@@@@@@@6XgN@@@@@@@@@@? @@?N@@@@@@@@@@@@@@@H @@@@ @@@@ 7@@@5? @@@@@? ?@@@@5
?3@@@@@? ?@@@L? ?@@@ @@@@@? ?3@@@L ?@@@@? 3@@? 3@@L ?@@@ ?@@@@@@?7@@@@@@@@@@)X?f?@@@@@@@@@@? @@L?@@@@@@@@?@@@@@@? @@@@ ?7@@@? @@@@H? ?J@@@@@? ?@@@@H
?N@@@@@L ?@@@1? ?@@@L? 3@@@@? ?N@@@1 ?3@@@L N@@L N@@1 ?@@@ ?@@@@@@?@@@@0M?I4@@@)Xf?@@@@@@@@@@L @@1?@@@@@@@@W@@@@@@? @?he@@@@L? ?3@@@1 @@@@ ?7@@@@@? ?@@@@?
@@@@@1 ?3@@@? ?@@@1? N@@@@? @@@@ ?N@@@1 ?@@1 ?3@@ ?3@@L? ?@@@@@@?he@@@)K?e?@@@@@@@@@@1 @@@?@@@@@@@@@Y@@@@5? @@@@1? ?N@@@5 @@@@ ?@@@@@@? ?@@@@?
3@@@@@ ?N@@@? ?@@@@? ?@@@@L 3@@@ @@@@ ?3@@ ?N@@L? ?N@@1? ?@@@@@@@@?h@@@@@6X??@@@@@@@@@@@ 3@@W@@@@@@@@@?@@@@H? @@@@@? @@@? ?J@@@@ ?@@@@@5? J@@@@?
N@@@@@ @@@L ?3@@@? ?@@@@1 N@@@ @@@@ ?N@@L? @@1? 3@@L ?@@@@@@@@?he@@@@)X?@@@@@@@@@@@L? N@@@Y@@@@@@@@@@@@@ ?O2@@6K?h3@@@@? @@@1 ?7@@@@ ?@@@@@H? 7@@@@?
?@@@@@L? @@@1 ?N@@@? ?@@@@@ ?@@@L? @@@@ @@1? 3@@L N@@1 ?@@@@@@@@?he@@@@@)X@@@@@@@@@@@1? ?@@@?@@@@@@@@@@@@@@@@@@@@@@@@@@@@@@@@@@@6XgN@@@@? @@@@ ?@@@@5 ?@@@@@ @@@@5? O2@@@@@@@@@@@@@@6K
?3@@@@1? 3@@@ @@@? ?@@@@@ ?@@@1? 3@@@ @@@? N@@1 ?@@@ ?@@@@@@@@?eO@K?f@@@@@@@@@@@@@@@@@@@? ?@@@@@@@@@@@@@@@@@@@@@@@@@@@@@@@@@@@@@@@@1g?@@@@? @@@@ ?@@@@H ?@@@@@ @@@@H? O2@@@@@@@@@@@@@@@@@@@@@@@6K?
?N@@@@@? N@@@L? @@@L ?@@@@@ ?@@@@? N@@@L? 3@@L ?@@@ ?@@@L? ?@@@@@@@@@@@@@@@@@@@@@@@@@@@@@@@@@@@@@@? ?3@@@@@@@@@@@@@@@@@@@@@@@@@@@@@@@@@@@@@@@5g?@@@@L @@@@ ?@@@@? ?@@@@@ @@@@ O2@@@@@@@@@@@@@@@@@@@@@@@@@@@6K?
@@@@@? ?3@@1? @@@1 ?@@@@@ ?@@@@? ?@@@1? N@@1 ?3@@L? ?3@@1? ?@@@@@@@@@@@@@@@@@@@@@@@@@@@@@@@@@@@@@@? ?N@@@@@@@@@@@@@@@@@@@@@@@@@@@@@@@@@@@@@@@Hg?@@@@1 @@@@ ?@@@@? ?@@@@@ @@@@ W2@@@@@@@@@@@@@@@@@@@@@@@@@@@@@@@6X?
3@@@@L ?N@@@L @@@@ ?3@@@@ ?@@@@? ?@@@@? ?@@@ ?N@@1? ?N@@@? ?@@@@@@@@@@@@@@@@@@@@@@@@@@@@@@@@@@@@@@? @@@@@@@@@@@@@@@@@@@@@@@@@@@@@@@@@@@@@@@?g?@@@@@ @@@@ J@@@5? ?@@@@@ @@@@ ?O&@@@@@@@@@@@@@@@@@@@@@@@@@@@@@@@@@)K
N@@@@1 @@@1 @@@@ ?N@@@@ ?3@@@L ?@@@@? ?@@@ @@@? 3@@L ?@@@@@@@@@@@@@@@@@@@@@@@@@@@@@@@@@@@@@@? @@@@@@@@@@@@@@@@@@@@@@@@@@@@@@@@@@@@@@@?g?3@@@@ @@@@ 7@@@H? J@@@@@ ?J@@@@ ?W2@@@@@@@@@@@@@@@@@@@@@@@@@@@@@@@@@@@@@6X
?@@@@@ @@@@ @@@@ @@@@ ?N@@@1 ?@@@@? ?3@@ 3@@L N@@1 J@@@@@@@@@@?f?I40M?@@@@@@@@@@@@@@@@@? @@@@@@@@@@@@@?g?@@@@@@?fI'@@@@@Lg?N@@@@ @@@@ @@@@ @@@@@@ ?7@@@@ ?7@@@@@@@@@@@@@@@@@@@@@@@@@@@@@@@@@@@@@@@1
?@@@@@L? 3@@@ 3@@@ @@@@L? @@@@ ?@@@@? ?N@@L? N@@1 ?@@@ 7@@@@@@@@@@?he@@@@@@@@@@@@@@@@@? @@@@@@@@@@@@5?g?@@@@@@?f?N@@@@@1h@@@@ @@@@ @@@@ ?@@@@@ ?@@@@5 J@@@@@@@@@@@@@@@@@@@@@@@@@@@@@@@@@@@@@@@@@L?
?3@@@@1? N@@@L? N@@@L? @@@@1? @@@@ ?3@@@L @@1? ?@@@L? ?@@@L? @@@@@@@@@@@?g?O2@@@@@@@@@@@@@@@@@@? @@@@@@@@@@@@H?gJ@@@@@@?g@@@@@@h@@@@ @@@@ @@@@ 7@@@@@ ?@@@@H ?W&@@@@@@@@@@@@@@@@@@@@@@@@@@@@@@@@@@@@@@@@@1?
?N@@@@@? ?3@@)X ?@@@1? @@@@@? @@@@ ?N@@@1 3@@L ?3@@1? ?3@@1? @@@@@@@@@@@?f?W2@@@@@@@@@@@@@@@@@@@@? 3@@@@@@@@@@@h7@@@@@@?g@@@@@5h@@@@L? @@@@ @@@@ @@@@@@ ?@@@@? ?7@@@@@@@@@@@@0M I4@@@@@@@@@@@@@L
3@@@@L ?N@@@1 ?@@@@? @@@@@? @@@@L? @@@@ N@@1 ?N@@@? ?N@@@? @@@@@@@@@@@?f?7@@@@@@@@@@@@@@@@@@@@@? N@@@@@@@@@@@h@@@@@@@?g@@@@@Hh@@@@1? 3@@@ @@@@ @@@@@5 ?@@@@? ?@@@@@@@@@@0M? ?I'@@@@@@@@1
N@@@@1 @@@@ ?@@@@? @@@@@? 3@@@1? @@@@ ?@@@ 3@@L 3@@L @@@@@@@@@@@?fJ@@@@@@@@@@@@@@@?@@@@@@? ?@@@@@@@@@@@L?e?W2@@@@@@@@Lg@@@@@?h@@@@@? N@@@ ?J@@@5 @@@@@H ?@@@@? J@@@@@@@@0M? V'@@@@@@@@L?
?@@@@@ 3@@@L? ?@@@@? @@@@@? N@@@@? @@@@L? ?@@@ N@@1 N@@1 @@@@@@@@@@@?e?O&@@@@@@@@@@@?@?@@@@@@@@? ?@@@@@@@@@@@)KeO&@@@@@@@@@)K?f@@@?he3@@@@? ?@@@L? ?7@@@H @@@@@? ?@@@@? 7@@@@@@@ ?V'@@@@@@@1?
?@@@@@L? N@@@1? ?3@@@? 3@@@@? ?@@@@? 3@@@1? ?3@@L? ?@@@ ?@@@ @@@@@@@@@@@@@@@@@@@@@@@@@@@@@@@@@@@@@@@? ?@@@@@@@@@@@@@@@@@@@@@@@@@@@@@@@@@@@5?heN@@@@? ?@@@1? ?@@@@? @@@@@? J@@@5? @@@@@@@5 V'@@@@@@@?
?3@@@@1? ?@@@@? ?N@@@? N@@@@? ?@@@@? N@@@@? ?N@@1? ?3@@L? ?3@@L?hf@@@@@@@@@@@@@@@@@@@@@@@@@@@@@@@@@@@@@@@? ?3@@@@@@@@@@@@@@@@@@@@@@@@@@@@@@@@@(Y?he?@@@@L ?@@@@? ?@@@@? @@@@@? 7@@@H? @@@@@@(Y ?V'@@@@@@?
?N@@@@@? ?3@@@? @@@L ?@@@@? ?@@@@? ?@@@@? @@@? ?N@@1? ?N@@1?hf@@@@@@@@@@@@@@@@@@@@@@@@@@@@@@@@@@@@@@@? ?V4@@@@@@@@@@@@@@@@@@@@@@@@@@@@@@@(Yhf?@@@@1 ?@@@@? J@@@@? @@@@@? @@@@ @@@@@@H? N@@@@@@?
3@@@@L ?N@@@L @@@1 ?@@@@? ?3@@@? ?@@@@? @@@? 3@@? @@@Lhf@@@@@@@@@@@@@@@@@@0M?I4@@@(MI4@@0?4@0M ?I4@@@@@@@@@@@@@@@@@@@@@@@@@@0Y?hf?@@@@@ ?@@@@? 7@@@@? @@@@@? @@@@ @@@@@@ ?@@@@@@?
N@@@@1 @@@1 @@@@ ?@@@@L ?N@@@L ?@@@@? 3@@L N@@L 3@@1hf@@@@@@@@@@@(M?he@@H? @@@@@@@0MI'@@@fI@M? ?@@@@@ ?@@@@? @@@@5? @@@@@? @@@@ @@@@@@ ?@@@@@@?
?@@@@@ 3@@@ @@@@ ?@@@@1 @@@1 ?3@@@L N@@1 ?@@1 N@@@hf@@@@@@@@@@@Hhf@@ @@@@@(M?eN@@@ ?3@@@@ ?@@@@? @@@@H? @@@@@? @@@@ @@@@@@ J@@@@@@?
?@@@@@L? N@@@L? 3@@@ ?@@@@@ @@@@ ?N@@@1 ?@@@ ?3@@L? ?@@@he?J@@@@(Y@@@@@?hf@@ @@@@@Hf?@@@ ?N@@@@ ?@@@@? @@@@ @@@@@? ?J@@@@ @@@@@@L? 7@@@@@@?
?@@@@@1? ?@@@1? N@@@ ?@@@@@ @@@@ @@@@ ?3@@L? ?N@@1? ?3@@L?h?7@@@@Y?@@@@@?hf@@ ?J@@@@@?f?@@@ @@@@L? ?@@@@? @@@@ @@@@@? ?7@@@@ @@@@@@1? @@@@@@@?
?3@@@@@? ?3@@@? ?@@@ ?3@@@@ @@@@ @@@@ ?N@@1? @@@? ?N@@1?h?@@@@@@@@@@@@?hf@@ ?7@@@@@?f?@@@ @@@@1? J@@@@L ?J@@@5 @@@@@? ?@@@@5 @@@@@@@L ?J@@@@@@@?
?N@@@@@? ?N@@@L ?@@@ ?N@@@@ @@@@L? @@@@ @@@? 3@@L @@@LhJ@@@@@@@@@@@@?hf@@ J@@@@@5?f?@@@ @@@@@? 7@@@@1hO2@6K? ?7@@@H @@@@@? ?@@@@H @@@@@@@)X? O&@@@@@@@?
3@@@@? @@@1 ?@@@L? @@@@ 3@@@1? @@@@ 3@@? N@@1 @@@1g?O&@@@@@@@@@@@@?hf@@L? 7@@@@@g?@@@ @@@@@? O2@@@@@??J@@@@@@W2@@@@@@@@@@@@@6X? ?@@@@? ?J@@@@@? ?@@@@? 3@@@@@@@)K O2@@@@@@@@5?
N@@@@L 3@@@ ?@@@1? @@@@L? N@@@@? @@@@ N@@L ?@@@ 3@@@fO2@@@@@@@@@@@@@@@?hf@@1? @@@@@@@?f?@@@ 3@@@@? @@@@@@@@@@@??@@@@@@@@@@@@@@@@@@@@@@@)X ?@@@@? ?7@@@@5? ?@@@@? ?O2@@@@6?2@@@@@@@@6K N@@@@@@@@@6K O2@@@@@@@@@@H?
?@@@@1 N@@@L? ?@@@@? @@@@1? ?@@@@? @@@@L? ?@@1 ?3@@L? ?O2@@@@@@@@@@6K? ?@@@@@@@@@@@@@@@@@@@@@@@@?hf@@@? @@@@@@H?f?@@@ N@@@@? ?J@@@@@@@@@@@??N@@@@@@@@@@@@@@@@@@@@@@@1 J@@@@? ?@@@@@H? ?@@@@? ?O2@@@@@@@@@@@@@@@@@@@@@@@6?@K ?3@@@@@@@@@@@@@@@6K?heO2@@@@@@@@@@@@@5
?@@@@@ ?@@@1? ?3@@@? @@@@@? ?@@@@? 3@@@1? ?@@@ ?N@@1? ?W2@@@@@@@@@@@@@@@@@@@@6?2@6K? ?O&@@@@@@@@@@@@@@@@@@@@@@@5?hf@@@? @@@@@@g?@@@ ?@@@@L ?7@@@@@@@@@@@Le@@@@@@@@@@@@@@@@@@@@@@@@ 7@@@5? ?@@@@@ J@@@@? ?W2@@@@@@@@@@@@@@@@@@@@@@@@@@@@@@6?26K ?N@@@@@@@@@@@@@@@@@@@@@@@@@@@@@@@@@@@@@@@@@@(Y
?3@@@@L? ?@@@@? ?N@@@? @@@@@? ?@@@@? N@@@@? ?@@@ 3@@L W&@@@@@@@@@@@@@@@@@@@@@@@@@@@@6K O2@@@@@@@@@@@@@@@@@@@@@@@@@@@@H?hf@@@? @@@@@@g?3@@L? ?@@@@1 ?@@@@@@@@@@@@)K?@@@@@@@@@@@@@@@@@@@@@@@@ @@@@H? ?@@@@@ 7@@@@? O&@@@@@@@@@@@@@@@@@@@@@@@@@@@@@@@@@@@@6X 3@@@@@@@@@@@@@@@@@@@@@@@@@@@@@@@@@@@@@@@@@H?
?N@@@@1? ?3@@@L @@@? 3@@@@? ?3@@@L ?@@@@? W-X? ?3@@L? N@@1hf?O&@@@@@@@@@@@@@@@@@@@@@@@@@@@@@@@@@@@@@@@@@@@@6KO2@@@@@@@@@@@@@@@@@@@@@@@@@@@@@@@@@ @@@? ?J@@@@@@g?N@@1? ?@@@@@ ?3@@@@@@@@@@@@@@@@@@@@@@@@@@@@@@@@@@@@@@ @@@@ ?@@@@@ @@@@5? ?O2@@@@@@@@@@@@@@@@@@@@@@@@@@@@@@@@@@@@@@@@)K? V'@@@@@@@@@@@@@@@@@@@@@@@@@@@@@@@@@@@@@@@5
@@@@@? ?N@@@1 @@@L N@@@@? ?N@@@1 ?@@@@? 7@1? ?N@@1? ?@@@hf@@@@@@@@@@@@@@@@@@@@@@@@@@@@@@@@@@@@@@@@@@@@@@@@@@@@@@@@@@@@@@@@@@@@@@@@@@@@@@@@@@@@ @@@? ?7@@@@@@h@@@? ?@@@@@ ?N@@@@@@@@@@@@@@@@@@@@@@@@@@(Y@@@@@@@@@@ @@@@ ?@@@@@ @@@@H? ?O2@@@@@@@@@@@@@@@@@@@@@@@@@@@@@@@@@@@@@@@@@@@@@6K ?V4@@@@@@@@@@@@@@@@@@@@@@@@@@@@@@@@@@@@@0Y
3@@@@? 3@@@ @@@1 ?@@@@? @@@@ ?3@@@L @@@? @@@? ?3@@he?J@@@@@@@@@@@@@@@@@@@@@@@@@@@@@@@@@@@@@@@@@@@@@@@@@@@@@@@@@@@@@@@@@@@@@@@@@@@@@@@@@@@@hf?J@@@? ?O2@@@@@@@6K ?@@@@@@@h@@@? ?3@@@@ ?J@@@@@@@@@@@@@@@@@@@@@@@@@@H?@@@@@@@@@@ @@@@ ?@@@@@ @@@@ ?W2@@@@@@@@@@@@@@@@@@@@@@@@@@@@@@@@@@@@@@@@@@@@@@@@@6X ?I'@@@@@@@@@@@@@@@@@@@@@@@@@@@@@@@@@(M
N@@@@L N@@@L? @@@@ ?@@@@L @@@@ ?N@@@1 @@5? @@@L ?N@@L?hW&@@@@@@@@@@@@@@@@@@@XfI4@@@@@@@@@@@@@@@@@@@@@@@@@@@@@@@@@@@@@@@@@@@@@@@@@@@@@@@@@@h?W26?&@@@@@@@@@@@@@@@@@@@@@@@@@@@@@@@@@@@@@@@@@@@@@@@@@@@@@@@@@@6Xg?@@@@@@@h@@@? ?N@@@@ W&@@@@@@@@@@@@@@@@@@@@@@@@@5e3@@@@@@@@@ ?J@@@@ ?@@@@@ @@@@ ?7@@@@@@@@@@@@@@@@@@@@@@@@@@@@@@@@@@@@@@@@@@@@@@@@@@@)K? V4@@@@@@@@@@@@@@@@@@@@@@@@@@@@@@@0Y?
?@@@@1 ?@@@1? @@@@ ?@@@@1 @@@@ @@@@ @0Y? 3@@1 @@1?g?W&@@@@@@@@@@@@@@@@@@@@)K?he?I@MgI4@@@@@@@@@@@@@@0MI'@@@@@@@@@@@@@@@@@@@@@@h?7@@@@@@@@@@@@@@@@@@@@@@@@@@@@@@@@@@@@@@@@@@@@@@@@@@@@@@@@@@@@@@@1g?@@@@@@@h@@@? @@@@ *@@@@@@@@@@@@@@@@@@@@@@@@@@HeN@@@@@@@@5 ?7@@@@ ?@@@@@ ?J@@@@ J@@@@@@@@@@@@@@@@@@@@@@@@@@@@@@@@@@@@@@@@@@@@@@@@@@@@@@@@@ I4@@@@@@@@@@@@@@@@@@@@@@@@@@@0M?
?3@@@@ ?3@@@? 3@@@L? ?@@@@@ 3@@@L? @@@@ N@@@ 3@@Lg?7@@@@@@@@@@@@@@@@@@@@@@@6X? ?V'@@@@@@@@@@@@@@@@@@@@@h?@@@@@@@@@@@@@@@@@@@@@@@@@@@@@@@@@@@@@@@@@@@@@@@@@@@@@@@@@@@@@@@@@g?@@@@@@@h@@@? @@@@ ?@@@@(MI4@@@@@@@@@@@@@@@@@@?e?@@@@@@@@H ?@@@@@ J@@@@@ ?7@@@@ 7@@@@@@@@@@@@@@@@@@@@@@@@@@@@@@@@@@@@@@@@@@@@@@@@@@@@@@@@@L? I4@@@@@@@@@@@@@@@@@@@@@@@0M?
?N@@@@L? ?N@@@L N@@@1? ?3@@@@ N@@@1? @@@@ ?3@@ N@@1g?@@@@@@@@@@@@@@@@@@@@@@@@@)K V'@@@@@@@@@@@@@@@@@@@5h?@@@@@@@@@@@@@@@@@@@@@@@@@@@@@@@@@@@@@@@@@@@@@@@@@@@@@@@@@@@@@@@@@L?f?@@@@@@@h@@@? @@@@L? 7@@@@HfI'@@@@@@@@@@@@g?@@@@@@@@? ?@@@@5 7@@@@@ ?@@@@5 @@@@@@@@@@@@@@@@@@@@@@@@@@@@@@@@@@@@@@@@@@@@@@@@@@@@@@@@@@)KO@ ?I4@@@@@@@@@@@@@0M
@@@@1? @@@1 ?@@@@? ?N@@@@ ?@@@@? @@@@L? ?N@@L? ?3@@L?fJ@@@@@@@@@@@@@@0M?I4@@@@@@@@6X ?V'@@@@@@@@@@@@@@@@@@Hh?@@@@@@@@@@@@@@@@@@@@@@@@@@@@@@@@@@@@@@@@@@@@@@@@@@@@@@@@@@@@@@@@@1?f?@@@@@@5h@@@? @@@@1? @@@@@?f?V'@@@@@@@@@@5gJ@@@@@@@5? ?@@@@H @@@@@5 ?@@@@H ?W2@@@@@@@@@@@@@@@@@@@@@@@@@@@@@@@@@@@@@@@@@@@@@@@@@@@@@@@@@@@@@@@
@@@@@? 3@@@ ?@@@@? @@@@ ?@@@@? 3@@@1? @@1? ?N@@1?f7@@@@@@@@@@@(Mg?I4@@@@@@)X? N@@@@@@@@@@@@@@@@@@?h?@@@@@@@@@@@@@@@@@@@@@@@@@@@@@@@@@@@@@@@@@@@@@@@@@@@@@@@@@@@@@@@@@@Lf?@@@@@@Hh@@@? 3@@@@? @@@@@@6XfV'@@@@@@@@@Hg7@@@@@@@H? ?@@@@? @@@@@H ?@@@@? ?7@@@@@@@@@@@@@@@@@@@@@@@@@@@@@@@@@@@@(?4@@@@@@@@@@@@@@@@@@@@@@@@@
3@@@@L N@@@L? ?@@@@? @@@@ ?@@@@? N@@@@? @@@? @@@?f3@@@@@@@@@@@H?h?I'@@@@@)X ?@@@@@@@@@@@@@@@@@@?h?@@@@@@@@@@@@@@@@@@@@@@@@@@@@@@@@@@@@@@@@@@@@@@@@@@@@@@@@@@@@@@@@@@1fJ@@@@@@?h@@@? N@@@@? @@@@@@@)X?e?V4@@@@@@@5?g@@@@@@@5 J@@@@? @@@@@? ?@@@@? J@@@@@@@@@@@@@@@@@@@@@@@@@@@@@@@@@@@@0Y?e?I4@@@@@@@@@@@@@@@@@@@@@L? O@?2@@6X
N@@@@1 ?@@@1? ?@@@@? @@@@ ?@@@@? ?@@@@? 3@@? 3@@LfN@@@@@@@@@@@hfV4@@@@@1 ?@@@@@@@@@@@@@@@@@@?h?@@@@@@@@@ I'@@@@@@@@@@@@f7@@@@@@?h@@@? ?@@@@? 3@@@@@@@1?h@@@@H?g@@@@@@@H 7@@@@? @@@@@? ?@@@@? 7@@@@@@@@@@@@@@@@@@@@@@@@0M? ?I4@@@@@@@@@@@@@@@@@)K ?O2@6KO2@@@6K?O2@@@@@@@@@@@1
?@@@@@ ?3@@@? ?3@@@? @@@@L? ?3@@@L ?@@@@? N@@L N@@1fJ@@@@@@@@@@5 I'@@@@L? ?3@@@@@@@@@@@@@@@@@?h?@@@@@@@@@ ?V'@@@@@@@@@@@f@@@@@@@?h@@@? ?@@@@? V'@@@@@@@Lh@@@@g?J@@@@@@5? @@@@5? @@@@@? ?@@@@? @@@@@@@@@@@@@@@@@@@@@0M? ?I4@@@@@@@@@@@@@@@@@@? O26?2@@@@@@@@@@@@@@@@@@@@@@@@@@@@@@5 O2@@@@@6K?he?O2@@@@@@6K?
?3@@@@L? ?N@@@L ?N@@@L @@@@1? ?W2@ ?N@@@1 ?@@@@? ?@@1 ?@@@f7@@@@@@@@@@H ?V'@@@1? ?N@@@@e@@@@@@@@@@@?h?@@@@@@@@@ N@@@@@@@@@@@f@@@@@@@?h@@@? ?@@@@? ?V'@@@@@@)X?g@@@@g?7@@@@@@H? @@@@H? @@@@@? J@@@@? @@@@@@@@@@@@@@@@@@@? ?I'@@@@@@@@@@@@@@? O2@@@@@@@@@@@@@@@@@@@@@@@@@@@@@@@@@@@@@@@Hhe?W2@@@@@@@@@@6K?gW2@@@@@@@@@@@@6X
?N@@@@1? @@@1 @@@1 @@@@@? ?7@5 @@@@ ?3@@@L W26X ?@@@ ?3@@L?e@@@@@@@@@@@? V'@@@L 3@@@e@@@@e@@@@@?h?@@@@@@@@@ ?@@@@@@@@@@@f@@@@@@@?h@@@? ?@@@@L V'@@@@@@1?g@@@@L?fJ@@@@@@@ @@@@ @@@@@? 7@@@5? ?J@@@@@@@@@@@@@@@@@@@? V4@@@@@@@@@@@@@? O2@@@@@@@@@@@@@@@@@@@@@@@@@@@@@@@@@@@@@@@@@@@@@@@@@@@@5?heW&@@@@@@@@@@@@@6X?e?W&@@@@@@@@@@@@@@)X?
@@@@@? 3@@@ @@@@ @@@@@? ?@@H @@@@ ?N@@@1 7@@) ?3@@L? ?N@@1?e@@@@@@@@@@@? ?N@@@1 N@@@e@@@@e@@@@5?h?@@@@@@@@@ J@@@@@@@@@@@f@@@@@@@?h3@@? ?@@@@1 ?V'@@@@@@?g@@@@1?f7@@@@@@@ @@@@ @@@@@? @@@@H? W&@@@@@@@@@@@@@0M??@@? I4@@@@@@@@@@@? O2@@@@@@@@@@@@@@@@@@@@@@@@@@@@@@@@@@@@@@@@@@@@@@@@@@@@@@@@@0Y?h?W&@@@@@@@@@@@@@@@)XeW&@@@@@@@@@@@@@@@@)X
3@@@@? N@@@L? @@@@ 3@@@@? ?@@? @@@@ @@@@ @@@H ?N@@1? 3@@?f@@@@@@@@@? 3@@@ ?@@@@@@@@@?J@@@@H?h?@@@@@@@@@ ?O&@@@@@@@@@@@L?e@@@@@@@?hN@@? ?3@@@@ V'@@@@@?g@@@@@?e?J@@@@@@@@ ?J@@@@ @@@@@? @@@@ 7@@@@@@@@@@@g?@@? I4@@@@@@@@@L O2@@@@@@@@@@@@@@@@@@@@@@@@@@@@@@@@@@@@@@@@@@@@@@@@@@@@@@@@@@0MI@M? W&@@@@@@@@@@@@@@@@@)KO&@@@@@@@@@@@@@@@@@@)X?
N@@@@L ?@@@1? @@@@ N@@@@? J@5? 3@@@ @@@@ @@5? @@@? N@@Lf3@@@@@@@@? N@@@L? ?3@@@@@@@@W&@@@@heJ@@@@@@@@@@@@@@@6?26K?eO26K ?O2@6KeO@KO2@@@@@@@@@@@@@1?e@@@@@@@?h?@@? ?N@@@@ ?V'@@@@Lg@@@@@?eW&@@@@@@@@ ?7@@@5 ?J@@@@@? @@@@ @@@@@@@@@@@@g?@@? I'@@@@@@@)X? ?O2@@@@@@@@@@@@@@@@@@@@@@@@@@@@@@@@@@@@@@@@@@@@@@@@@@@@@@@@@@@@@@0M? 7@@@@@@@@@@@@@@@@@@@@@@@@@@@@@@@@@@@@@@@@@1?
?@@@@1 ?@@@@? @@@@ ?@@@@? ?W&@H? N@@@L? @@@@ @@H? 3@@L ?@@1fV'@@@@@@@? ?@@@)X ?N@@@@@@@@@@@@@@he@@@@@@@@@@@@@@@@@@@@@@@@@@@@@@@@@@@@@@@@@@@@@@@@@@@@@@@@@@@@@@@@@@@@@?e@@@@@@@?h?@@? @@@@ N@@@@1g@@@@@?e7@@@@@@@@@ ?@@@@H ?7@@@@@? @@@@ ?J@@@@@@@@@@@@fO2@@@? ?N@@@@@@@@)X ?O2@@@@@@@@@@@@@@@@@@@@@@@@@@@@@@@@@@@@@@@@@@@@@@@@@@@@@@@0?40M??I@M ?J@@@@@@@@@@@@@@@@@@@@@@@@@@@@@@@@@@@@@@@@@@@L
?@@@@@ ?3@@@L 3@@@L? ?@@@@? ?7@@ ?@@@1? @@@@ ?J@@ N@@1 ?3@@f?V'@@@@@@@@? ?@@@@1 @@@@@@@@@@@@@@heN@@@@@@@@@@@@@@@@@@@@@@@@@@@@@@@@@@@@@@@@@@@@@@@@@@@@@@@@@@@@@@@@@@@@L?J@@@@@@@?h?@@? @@@@ ?@@@@@L?f@@@@@?e@@@@@@@@@@ ?@@@@? ?@@@@@@? ?J@@@@ ?7@@@@@@@@@@@@@@@@@@@@@? @@@@@@@@@1 O@K?O2@@@@@@@@@@@@@@@@@@@@@@@@@@@@@@@@@@@@@@@@@@@@@@@0?@M? ?7@@@@@@@@@@@@@@@@@@@@@@@@@@@@@@@@@@@@@@@@@@@1
?3@@@@L? ?N@@@1 N@@@1? ?@@@@L J@@5 ?@@@@? @@@@L? ?7@@ ?@@@ ?N@@L?fN@@@@@@@@? J@@@@@ 3@@@@@@@@@@@@@he?@@@(Y@@@@@@@@@@@@@@@@@@@@@@@@@@@@@@@@@@@@@@@@@@@@@@@@@@@@@@@@@@@@@@@)?&@@@@@@5?h?@@? @@@@L? ?@@@@@)Xf@@@@@?e3@@@@@@@@@ J@@@@? ?@@@@@5? ?7@@@@ ?@@@@@@@@@@@@@@@@@@@@@@? @@@@@@@@@@ O26?2@@@@@@@@@@@@@@@@@@@@@@@@@@@@@@@@@@@@@@@@@@@@@@@@0M? J@@@@@@@@@@@@@@@@@@@@@@@@@@@@@@@@@@@@@@@@@@@@@L?
?N@@@@1? @@@@ ?@@@@? ?@@@@1 7@@H ?@@@@? 3@@@1? ?@@5 ?@@@ @@1?f?3@@@@@@@@6Xhf?O&@@@@@ N@@@@@@@@@@@@5he?@@@H?3@@@@? ?I4@@@@@@@@@@@@@@@@@@@@@@@@@@@H?h?@@L @@@@1? ?@@@@@@)X?e@@@@@?eV'@@@@@@@@ 7@@@@? ?@@@@@H? ?@@@@5 ?@@@@@@@@@@@@@@@@@@@@@@L @@@@@@@@@@ O2@@@@@@@@@@@@@@@@@@@@@@@@@@@@@@@@@@@@@@@@@@@@@@@@@0M? 7@@@@@@@@0M?e?I4@@@@@@@@@@@@@0MfI4@@@@@@@@1?
@@@@@? 3@@@L? ?@@@@? ?@@@@@ ?J@@5? ?3@@@? N@@@@? ?@@H ?3@@L? 3@@?f?V'@@@@@@@@)K?h?W2@@@@@@@ ?@@@@@@@@@@@@Hhe?3@@L?N@@@@? ?@@@@@@@@@@@@@@@@@@@@@he?@@1 @@@@@? ?@@@@@@@1??J@@@@@?e?V'@@@@@@@ @@@@5? ?@@@@@ ?@@@@H ?@@@@@@@@@@@@@@@@@@@@@@1 W2@@@@6Kh@@@@@@@@@@ ?O2@@@@@@@@@@@@@@@@@@@@@@@@@@@@@@@@@@@@@@@@@@@@@@@@@@@@@0M @@@@@@@(M?h@@@@@@@@@@(MhI'@@@@@@@?
3@@@@L N@@@1? ?@@@@? ?@@@@@ W&@@H? ?N@@@? ?@@@@? J@@? ?N@@1? N@@LgV'@@@@@@@@@6K?gO&@@@@@@@5 ?3@@@@@@@@@@@?he?N@@1??@@@@? ?3@@@@@@@@@@@@@@@@@@@@he?@@@ 3@@@@? ?@@@@@@@@?O&@@@@@?fN@@@@@@5 @@@@H? J@@@@@ ?@@@@? J@@@@@@@@@@@@@@@@@@@@@@@ ?W&@@@@@@@@6X?f@@@@@@@@@@ O26?2@@@@@@@@@@@@@@@@@@@@@@@@@@@@@@@@@@@@@@@@@0MeI40M @@@@@@@Hhe3@@@@@@@@@H?h?N@@@@@@@?
N@@@@1 ?@@@@? ?@@@@? ?@@@@@ 7@@@ @@@L ?@@@@? 7@5? @@@? ?@@1g?V4@@@@@@@@@@@6K?O2@@@@@@@@@@H ?N@@@@@@@@@@@?hf@@@??@@@@L ?N@@@@@@@@@@@@@@@@@@@@he?@@@ N@@@@? ?3@@@@@@@@@@@@@@@LfJ@@@@@@H @@@@ @@@@@@ ?@@@@? 7@@@@@@@@@@@@@@@@@@@@@@@L? W&@@@@@@@@@@)Xf3@@@@@@@@@ ?O2@@@@@@@@@@@@@@@@@@@@@@@@@@@@@@@@@@@@@@@@@@@@@@0M? @@@@@@@?heN@@@@@@@@5hf3@@@@@@?
?@@@@@ ?3@@@L ?@@@@L ?3@@@@ ?J@@@5 @@@1 ?@@@@L @@H? 3@@? ?3@@L?g?I'@@@@@@@@@@@@@@@@@@@@@@@5? 3@@@@@@@@@@Lhf@@@??3@@@1 ?J@@@@@@@@@@@@@@@@@@@@he?@@@ ?@@@@? ?N@@@@@@@@@@@@@@@1f7@@@@@@? @@@@ N@@@@@ ?@@@@? @@@@@@@@@@@@@@@@@@@@@@@@1? 7@@@@@@@@@@@@1fN@@@@@@@@@ O@?2@@@@@@@@@@@@@@@@@@@@@@@@@@@@@@@@@@@@@@@@@@0M ?@@@@@@@@@5?he?3@@@@@@@HhfN@@@@@@L
?3@@@@ ?N@@@1 ?3@@@1 ?N@@@@L? ?7@@@H @@@@ ?3@@@1 @@ N@@L ?N@@1?hN@@@@@@@@@@@@@@@@@@@@@@0Y? N@@@@@@@@@@1hf@@@L?N@@@@ O&@@@@@@@@@@@@@@@@@@@@he?@@@ ?@@@@? ?J@@@@@@@@@@@@@@@@L?e@@@@@@@? @@@@ J@@@@@ ?@@@@? @@@@@@@@@@@@@@@@@@@@@@@@@? ?J@@@@@@@@@@@@@@L?e?3@@@@@@@@ O2@@@@@@@@@@@@@@@@@@@@@@@@@@@@@@@@@@@@@@@@@@@@@@0M ?@@@@@@@@@H?he?N@@@@@@@?hf?@@@@@@1
?N@@@@L? @@@@L? ?N@@@@ @@@@1? J@@@5? @@@@ ?N@@@@ @@ ?@@1 @@@?h?3@@@@@@@@@@@@@@@@@@@(M? ?@@@@@@@@@@@f?O@K?O2@@@@1e@@@@@@@@@@@@@@@@@@@@@@@@@@@@@@@@@@@@@@@@@@@@@@@@@@@@@@@@@@@@@@@@@@@@@@he?@@@ ?@@@@L ?7@@@@@@@@@@@@@@@@)Ke@@@@@@@? ?J@@@@ 7@@@@@ J@@@@? ?J@@@@@@@@@@@V'@@@@@@@@@@@@? ?7@@@@@@@@@@@@@@1?e?N@@@@@@@@ ?O2@@@@@@@@@@@@@@@@@@@@@@@@@@@@@@@@@@@@@@@0?@M ?@@@@@@@@@L?hf@@@@@@@?hf?@@@@@@@
@@@@1? 3@@@1? @@@@ @@@@@? 7@@@H? @@@@ @@@@ ?J@5 ?@@@ 3@@Lh?V'@@@@@@@@@@@@@@@@@@H ?3@@@@@@@@@@@@@@@@@@@@@@@@@@e@@@@@@@@@@@@@@@@@@@@@@@@@@@@@@@@@@@@@@@@@@@@@@@@@@@@@@@@@@@@@@@@@@@@@5he?@@@ ?3@@@1 ?@@@@@@@e@@@@@@@@@@@@@@@@@@@? ?7@@@5 @@@@@@ 7@@@5? ?7@@@@@@@@@@5?N@@@@@@@@@@@5? ?@@@@@@@@@@@@@@@@?f@@@@@@@5 ?O2@@6?2@@@@@@@@@@@@@@@@@@@@@@@@@@@@@@@@@@@@@@@0M? ?@@@@@@@@@1?hf@@@@@@@?hf?@@@@@@@
@@@@@? N@@@@? @@@@ @@@@@? ?J@@@5 3@@@L? @@@@ ?7@H ?3@@L? N@@1heN@@@@@@@?I4@@@@@@@@? ?N@@@@@@@@@@@@@@@@@@@@@@@@@@e@@@@@@@@@@@@@@@@@@@@@@@@@@@@@@@@@@@@@@@@@@@@@@@@@@@@@@@@@@@@@@@@@@@@(Yhe?@@@ ?N@@@@ ?@@@@@@5e@@@@@@@@@@@@@@@@@@@? ?@@@@H 3@@@@@ @@@@H? J@@@@@@@@@@@H??3@@@@@@@@@@H? ?3@@@@@@@@@@@@@@@?f@@@@@@@H ?O2@@@@@@@@@@@@@@@@@@@@@@@@@@@@@@@@@@@@@@@@@@@@@0M ?@@@@@@@@@@?hf@@@@@@@?hf?@@@@@@@
3@@@@? ?@@@@? @@@@ @@@@@? ?7@@@H N@@@1? @@@@ ?@@? ?N@@1? ?@@@he?3@@@@@@ @@@@@@@@@@@@@@@@@@@@@@@@@@e3@@@@@@@@@@@@@@@@@@@@@@@@@@@@@@@@@@@@@@@@@@@@@@@@@@@@@@@@@@@@@@@@@@(Y?he?@@@ @@@@ ?@@@@@@?e@@@@@@@@@@@@@@@@@@@? ?@@@@? N@@@@5 @@@@ 7@@@@@@@@@@@e?N@@@@@@@@@@ ?N@@@@@@@@@@@@@@5?f@@@@@@@? ?O2@@@@@@@@@@@@@@@@@@@@@@@@@@@@@@@@@@@@@@@@@@@@@0M?I@M ?@@@@@@@@@@?hf@@@@@@@?hfJ@@@@@@5
N@@@@L ?3@@@? @@@@ @@@@@? J@@@5? ?@@@@? @@@@hfW&KO2@@@@@@@@@@@@? @@@? ?3@@L?h?V'@@@@@ @@@@@@@@@@@@@@@@@@@@@@@@@@eN@@@@@@@@@@@@@@@@@@@@@@@@@@@@@@@@@@@@@@@@@@@@@@@@@@@@@@@@@@@@@@@@@@?hf?@@@ @@@@ ?@@@@@@)X?@@@@@@@@@@@@@@@@@@@? J@@@@? ?@@@@H @@@@ ?J@@@@@@@@@@@@f@@@@@@@0M? ?J@@@@@@@@@@@@@@H?f@@@@@@@? O@K?O2@@@@@@@@@@@@@@@@@@@@@@@@@@@@@@@@@@@@@@@@@@@@@@@@@0M? ?3@@@@@@@@@?hf@@@@@@5?hf7@@@@@@H
?@@@@1 ?N@@@L @@@@L? @@@@@? 7@@@H? ?@@@@? 3@@@L?h?O&@@@@@@@@@@@@@@@@@6K 3@@? ?@@@@@@@@@@@@@@@@@@@@6K? ?N@@1?heN@@@@@L? 3@@@@@@@@@@@@@@@@@@@@@@@@@L??@@@@@@@@@@@@@@@@@@@@@@@@@@@@@@@@@@@@@@@@@@@@@@@@@@@@@@@@@@@@@@@@@@)X?he?@@@e?W2@ @@@@L? ?@@@@@@@)?@@@@@@@@@@@@@@@@@@@? 7@@@@? J@@@@? @@@@ ?7@@@@@@@@@@@5g@@@@ ?7@@@@@@@@@@@@@5g@@@@@@@? O2@@@@@@@@@@@@@@@@@@@@@@@@@@@@@@@@@@@@@@@@@@@@@@0M ?N@@@@@@@@@@6Xhe@@@@@0Y?he?J@@@@@@@?
?@@@@@ @@@1 3@@@1? @@@@@? @@@@ ?@@@@? N@@@1?g?W2@@@@@@@@@@@@@@@@@@@@@6X N@@L J@@@@@@@@@@@@@@@@@@@@@@@6K?O26X? 3@@?he?3@@@@)X N@@@@@@@@@@@@@@@@@@@@(M?@@1??@@@@@@@@@@@@@@@@@@@@@@@@@@@@@@@@@@@@@@@@@@@@@@@@@@@@@@@@@@@@@@@@@@@1?he?@@@e?7@@ @@@@1? ?@@@@@@@H?3@@@@@@@@@@@@@@@@@5? @@@@5? 7@@@@? @@@5 ?@@@@@@@@@@@@Hg3@@@ ?3@?I'@@@@@@@@(Yf?J@@@@@@@? ?O@K?O2@@@@@@@@@@@@@@@@@@@@@@@@@@@@@@@@@@@@@@@@0?40M 3@@@@@@@@@@)K? W&@@@@@@@?
?3@@@@L? @@@@ N@@@@? @@@@@? ?J@@@5 ?3@@@? ?@@@@?g?7@@@@@@@@@@@@@@@@@@@@@@@1 ?@@1 7@@@@@@@@@@@@@@@@@@@@@@@@@@@@@1? N@@Lhe?V'@@@@)X? ?@@@@@@@@@@@@@@@@@@@@He@@@??@@@@@@(MI4@@@@@0Me?I@Mh?I@M?I@MI'@@@@@@@@@@@@@@@@@@@@@@@@@@@?he?@@@e?@@@ @@@@@? ?@@@@@@@eV'@@@@@@@@@@@@@@@@H? @@@@H? @@@@@? ?J@@@H ?@@@@@@@@@@@@?gN@@@ ?N@??N@@@@@@@0Y?f?7@@@@@@@? ?O2@@@@@@@@@@@@@@@@@@@@@@@@@@@@@@@@@@@@@@@@@@@@@@0M? V4@@@@@@@@@@@@@? ?O&@@@@@@@5?
?N@@@@1? 3@@@L? ?@@@@? 3@@@@? ?7@@@H ?N@@@L ?@@@@?g?@@@@@@@@@@@@@@@@@@@@@@@@@L? ?@@@ @@@@@@@@@@@@@@@@@@@@@@@@@@@@@@@? ?@@1hfN@@@@@)K ?3@@@@@@@@@@@@@@@@@@@?e@@@@@@@@@@@H ?V+?4@0MeI'@@@@@@@@@@@@@@@@@?he?@@@@@@@@@ 3@@@@L J@@@@@@5e?V'@@@@@@@@@@@@@@@ @@@@ @@@@@? ?7@@@? ?@@@@@@@@@@@5?g?@@@ 3=e@@@@@(M?g?@@@@@@@@? O2@@@@@@@@@@@@@@@@@@@@@@@@@@@@@@@@@@@@@@@@@@@@@@@@0M I'@@@@@@@@@@@L ?W2@@@@@@@@@@@H?
@@@@@? N@@@1? ?@@@@? N@@@@? J@@@5? @@@1 ?@@@@?gJ@@@@@@(M?@@@@e@@@@@@@@@@1? ?3@@ @@@@@@@@@@@@@@@@@@@@@@@@@@@@@@@? ?3@@L?he?3@@@@@@6X ?N@@@@@@@@@@@@@@@@@@@@@@@@@@@@@@@@@? ?V'@@@@@@@@@@@@@@@@@@@@@@@@@@@@@@@@@@@@@ N@@@@1 7@@@@@@HfN@@@@@(M?@@@@@@@ ?J@@@@ @@@@@? ?@@@@? ?@@@@@@@@@@@H?g?3@@L? N@6X@@@@@Hh?@@@@@@@@? ?O@KeO2@@@@@@@@@@@@@@@@@@@@@@@@@@@@@@@@@@@@@@@@@@@@@@@0M? ?N@@@@@@@@@@@1 ?7@@@@@@@@@@@@
@@@@@? ?@@@@L ?@@@@? ?@@@@? 7@@@H? @@@@ ?@@@@?g7@@@@@(Ye@@@5e@@@@eI'@@@L ?N@@L? @@@@@@@@@@@@@@@@@@@@@@@@@@@@@@@? ?N@@1?he?V'@@@@@@1 @@@@@@@@@@@@@@@@@@@@@@@@@@@@@@@@@? N@@@@@@@@@@@@@@@@@@@@@@@@@@@@@@@@@@@@@ ?@@@@@ @@@@@@@Lf?3@@@@H??@@@@@@@ ?7@@@@ @@@@@? ?@@@@? J@@@@@@@@@@@h?N@@1? ?@@@@@@@@?h?@@@@@@@5? O2@@@@@@@@@@@@@@@@@@@@@@@@@@@@@@@@@@@@@@@@@@@@@@@@@0M? 3@@@@@@@@@@@ ?@@@@@@@@@@@@5
3@@@@L ?3@@@1 ?@@@@L ?@@@@? ?J@@@@ @@@@ ?3@@@?g@@@@@(Y?e@@@He@@@@e?N@@@)X? @@1? @@@@@@@@@@@@@@@@@@@@@@@@@@@@@@@? @@@?hfN@@@@@@@ ?J@@@@@@@@@@@@@@@@@@@@@@@@@@@@@@@@@? ?@@@@@@@@@@@@@@@@@@@@@@@@@@@@@@@@@@@@@ ?@@@@@ @@@@@@@1f?N@@@@e?@@@@@@@ ?@@@@@ @@@@@? ?@@@@? 7@@@@@@@@@@@he@@@? ?@@@@@@@@?hJ@@@@@@@H? ?O2@@@@@@@@@@@@@@@@@@@@@@@@@@@@@@@@@@@@@@@@@@@@@@@@@@@@0M? V'@@@@@@@@@5 ?@@@@@@@@@@@@H
N@@@@1 ?N@@@@ ?3@@@1 ?@@@@L ?7@@@5 @@@@ ?N@@@Lg@@@@@Hf@@@?e@@@5f@@@@)X 3@@? @@@@@@@@@@@@@@@@@@@@@@@@@@@@@@@? 3@@Lhf?3@@@@@@L? ?7@@@@@@@@@@@@@@@@@@@@@@@@@@@@@@@@@? ?@@@@@@@@@@@@@@@@@@@@@@@@@@@@@@@@@@@@@ ?@@@@@ @@@@@@@@g@@@@e?@@@@@@5 ?@@@@@ @@@@@? ?@@@5? @@@@@@@@@@@@he@@@? ?3@@@@@@@?h7@@@@@@@ O26?2@@@@@@@@@@@@@@@@@@@@@@@@@@@@@@@@@@@@@@@@@@@@0M? ?V'@@@@@@@@H ?@@@@@@@@@@@5?
?@@@@@ ?J@@@@L? ?N@@@@ ?@@@@1 ?@@@@H 3@@@L? @@@1f?J@@@@@?f@@@??J@@@Hf@@@@@)X? N@@L W2@@@@@@@@@@@@@@@@@@@@@@@@@@@@@@@@@@@@@? N@@1hf?N@@@@@@)X ?@@@@@@@@@@@@@@@@@@@@@@@@@@@@@@@@@@? ?3@@@@@@@@@@@@@@@@@@@@@@@@@@@@@@@@@@@@ ?3@@@@ @@@@@@@@L?f@@@@e?@@@@@@H ?@@@@5 @@@@@? J@@@H? @@@@@@@@@@@@he@@@L ?N@@@@@@@Lh@@@@@@@@ O2@@@@@@@@@@@@@@@@@@@@@@@@@@@@@@@@@@@@@@@@@@@0M? V4@@@@@@@? ?@@@@@@@@@@0Y?
?3@@@@L? ?7@@@@1? @@@@ ?@@@@@ J@@@5? N@@@1? @@@@f?7@@@@5?e?J@@5??7@@5?e?J@@@@@@1? ?@@1 ?W&@@@@@@@@@@@@@@@@@@@@@@@@@@@@@@@@@@@@@@? ?3@@ @@@@@@@1 ?@@@@@@@(Y@@@@@@@@@@@@g@@@@@@@? ?N@@@@@@@@@@(MfI'@@@@@@@@@@@@@@@@@@ ?N@@@@L? @@@@@@@@1?f@@@@e?@@@@@@? J@@@@H @@@@5? 7@@@ ?J@@@@@@@@@@@5he@@@1 3@@@@@@1h@@@@@@@@ O2@6KO@KO2@@@@@@@@@@@@@@@@@@@@@@@@@@@@@@@@@@@@@@@@@@@@@@@@0M I4@@@@@? ?@@@@@@@0M
?N@@@@1? ?3@@@@@? @@@@ ?3@@@@L?h?O2@@@6?2@@6K? 7@@@H? ?@@@@? 3@@@f?@@@@@H?e?7@@H??@@@H?e?7@@@@@@@? ?@@@ ?7@@@@@@@@@@@@@@@0?4@0M?g?I'@@@@@@@@? ?N@@L?hf3@@@@@@@ ?@@@@@@@e@@@@@@@@@@@@g3@@@@@@? @@@@@@@@@@H?f?N@@@@@@@@(Y@@@?@@@@ @@@@1? @@@@@@@@@?f@@@@e?@@@@@@? 7@@@@? @@@@H? @@@@ ?7@@@@@@@@@@@Hhe@@@@ N@@@@@@@h@@@@@@@5 ?O2@@@@@@@@@@@@@@@@@@@@@@@@@@@@@@@@@@@@@@@@@@@@@@@@@@@@0M? ?I4@@? ?@@@@@@?
@@@@@? ?N@@@@@L @@@@ ?N@@@@1?g?O2@@@@@@@@@@@@@@@6?2@6K ?J@@@5 ?@@@@? N@@@L?eJ@@@@@f?@@@e?@@@fJ@@@@@@@@? ?3@@L? ?@0M?I'@@@@@@(M? V'@@@@@@@? @@1?eW&?26KfV@@@@@@@ ?@@@@@@@)X@@@@@@@@@@@@gN@@@@@@? @@@@@@@@@@h3@@@@@@0Y?@@@?@@@5 @@@@@? @@@@@@@@@?f@@@@e?@@@@@@? @@@@@? ?J@@@@ @@@@ ?@@@@@@@@@@@@?he@@@@ ?@@@@@@@g?J@@@@@@@H ?O2@@@@@@@@@@@@@@@@@@@@@@@@@@@@@@@@@@@@@@@@@@@@@@@0M ?@@@@@@?
@@@@@L 3@@@@)X? @@@@ @@@@@W2@@@@@@@@@@@@@@@@@@@@@@@@@@@@@@6K?heW&@@@H ?@@@@? ?@@@1?e7@@@@5fJ@@5eJ@@@f7@@@@@@@@? ?N@@1? ?@@@@@(Y ?N@@@@@@@? @@@?e7@@@@@@@@@@@@@@@@5 ?@@@@@@@@@@@@@@@@@@@h?@@@@@@? @@@@@@@@@@hV'@@0Mf@@@@@@@H @@@@@? @@@@@@@@@@@@e@@@@e?@@@@@@? @@@@@? ?7@@@@ @@@5 ?@@@@@@@@@@@5?he3@@@L??O26K?f?O2@6Xhe?3@@@@@@@@@?e?7@@@@@@@? ?O2@@@@@@@@@@@@@@@@@@@@@@@@@@@@@@@@@@@@@@@@@@@@@@@@0M?
3@@@@1 N@@@@@1? @@@@L? @@@@@@@@@@@@@@@@@@@@@@@@@@@@@@@@@@@@@@@6K?g?O&@@@5? ?@@@@? ?@@@@??J@@@@@Hf7@@He7@@5f@@@@@@@@@? @@@? 7@@@@@H? ?W&?@@@@@@@? 3@@Le@@@@@@@@@@@@@@@@@? J@@@@@@@@@@@@@@@@@@@hJ@@@@@5? @@@@@@@@@@he@Xg@@@@@@@? @@@@@? @@@@@@@@@@@@e@@@@L?J@@@@@@? ?J@@@@@? ?@@@@@ @@@H ?@@@@@@@@@@@H?heN@@@)?2@@@@@@@@@@@@@@)K?h?N@@@@@@@@@?e?@@@@@@@5? ?O@KeO2@@@@@@@@@@@@@@@@@@@@@@@@@@@@@@@@@@@@@@@@@@@@@@@0M?
N@@@@@ ?3@@@@@? @@@@1? @@@@@@@@@@@@@@@@@@@@@@@@@@@@@@@@@@@@@@@@@@@@@@@@@@@@@@H? ?3@@@? ?@@@@??7@@@@@?f@@@?e@@@Hf@@@@@@@@@? @@@? @@@@@@ W&@?@@@@@@@? N@@1fI4@@@@@@@@@@@@@1 7@@@@@@@@@@@@@@@@@@@g?O&@@@@@H? 3@@@@@@@@@hO&@)KO2@@@@@@@@@@? 3@@@@? @@@@@@@@@@@@@@@@@@)?&@@@@@@? ?7@@@@@? ?@@@@@ ?J@@@? J@@@@@@@@@@@hfJ@@@@@@@@@@@@@@@@@@@@@@6X?h@@@@@@@@@Le?@@@@@@@H? O@KO2@@@@@@@@@@@@@@@@@@@@@@@@@@@@@@@@@@@@@@@@@@@@@@@@0M?
?@@@@@L? ?N@@@@@? 3@@@@? @@@@@@@@@@@@@@@@@@@@@@@@@@@@@@@@@@@@@@@@@@@@@@@@@@@@@@ ?N@@@? ?@@@@??@@@@@@Lf@@@?e@@5?e?J@@@@@@@@5? 3@@L @@@@@@ ?W&@@?@@@@@@@? ?3@@L?f?I4@@@@@@@@@@@ @@@@@@@@@@@@@@@@@@@@@@@@@@@@@@@@@@ N@@@@@@@@@@@@@@@@@@@@@@@@@@@@@@@@@@? N@@@@? @@@@@@@@@@@@@@@@@@@@@@@@@@@? ?@@@@@5? ?@@@@@ ?7@@@? 7@@@@@@@@@@@he?O&@@@@@@@@@@@@@@@@@@@@@@@)Xg?J@@@@@@@@@1eJ@@@@@@@ ?O2@@@@@@@@@@@@@@@@@@@@@@@@@@@@@@@@@@@@@@@@@@@@@@@@@@@@@0M
?3@@@@1? 3@@@@? N@@@@? @@@@@@@@@@@@@@@@@@@@@@@@@@@@@@@@@@@@@@@@@@@@@@@@@@@@@5 @@@L ?@@@@??@@@@@@1e?J@@@??J@@H?e?7@@@@@@@@H? N@@1 @@@@@@ ?7@@@?3@@@@@@? ?N@@1?hI4@@@@@@@@@@6K @@@@@@@@@@@@@@@@@@@@@@@@@@@@@@@@ ?3@@@@@@@@@@@@@@@@@@@@@@@@@@@@@@@@@? ?@@@@L @@@@@@@@@@@@@@@@@@@@@@@@@@@? ?@@@@@H? ?@@@@@ ?@@@@? @@@@@@@@@@@@h?W2@@@@@@@@@@@@@@@@@@@@@@@@@@)K?f?7@@@@@@@@@@L?7@@@@@@@ O2@@@@@@@@@@@@@@@@@@@@@@@@@@@@@@@@@@@@@@@@@@@@@@@@@0M?
?N@@@@@? N@@@@L ?@@@@? @@@@@@@@@@@@@@@@@@@@@@@@@@@@@@@@@@@@@@@@@@@@@@@@@@@@@H @@@1 ?@@@@??@@@@@@@e?7@@@?O&@@L?e?@@@@@@@@@ ?@@@ ?J@@@@@5 ?@@@@?N@@@@@@? @@@?he?I4@@@@@@@@@6K @@@@@@@@@@@@@@@@@@@@@@@@@@@@@@@@ ?V4@@@@@@@@@@@@@@@@@@@@@@@@@@@@@@@@? ?@@@@1 @@@@@@@@@@@@@@@@@@@@@@@@@@@? ?@@@@@ ?@@@@@ ?@@@@? ?J@@@@@@@@@@@5hW&@@@@@@@@@@@@@@@@@@@@@@@@@@@@@6K?eJ@@@@@@@@@@@)X@@@@@@@@ O26?2@@@@@@@@@@@@@@@@@@@@@@@@@@@@@@@@@@@@@@@@@@@@@@@@@@@@@@@0?40M?
@@@@@L ?3@@@1 ?@@@@L ?J@@@@@@@@@@@@@@@@@@@@@@@@@@@@@@@@@@@@@@@@@@@@@@@@@@@@5? @@@@ ?3@@@@@@@@@@@@e?@@@@@@@@@)XeJ@@@@@@@@5 ?3@@ ?7@@@@@H ?@@@@??@@@@@@? 3@@L I4@@@@@@@@@@6K 3@@@@@@@@@@@@@@@@@@@@@@@@@@0Y@@@ ?I'@@@@@@@@@@@@@@@@@@@@@@@@@@@@? ?@@@@@ @@@@@@@@@@@@@@@@@@@@@@@@@@@? ?@@@@@ ?@@@@@ ?@@@@? ?7@@@@@@@@@@@Hg?W&@@@@@@@@@@@@@@@@@@@@@@@@@@@@@@@@6KO&@@@@@@@@@@@@@@@@@@@@@ O2@@@@@@@@@@@@@@@@@@@@@@@@@@@@@@@@@@@@@@@@@@@@@@@@@@@@@@@@@@@0M?
@@@@@1 ?N@@@@ ?@@@@1 O&@@@@@@@@@@@@@@@@@@@@@@@@@@@@@@@@@@@@@@@@@@@@@@@@@@@@H? @@@@ ?N@@@@@@@@@@@@@@@@@@@@@@@@@)KO&@@@@@@@@H ?N@@L? ?@@@@@@? ?@@@5??@@@@@@? N@@1 I4@@@@@@@@@@6K V4@@@@@@@@@0M??I'@@@@@@@@0M??3@@ V4@@@@@@@@@@@@@@@@@@@@@@@@@@@? ?@@@@@ @@@@@@@@@@@@@@@@@@@@@@@@@@@? J@@@@@ ?@@@@5 J@@@5? ?@@@@@@@@@@@@?gW&@@@@@@@@@@@@@@@@0MI4@@@@@@@@@@@@@@@@@@@@@@@@@@@@@@@@@@@@@@ O2@@@@@@@@@@@@@@@@@@@@@@@@@@@@@@@@@@@@@@@@@@@@@@@@@@@@@0MI40M?
3@@@@@ @@@@L? ?@@@@@ W2@@@@@@@@@@@@@@@@@@@@@@@@@@@@@@@@@@@@@@@@@@@@@@@@@@@@@@@@ 3@@@ @@@@@@@@@@@@@@@@@@@@@@@@@@@@@@@@@@@@@? @@1? ?@@@@@@? ?@@@H??@@@@@@? ?@@@ ?I4@@@@@@@@@@6K? ?I4@@@0MgN@@?h?N@@ I4@@@@@@@@@@@0?40Mf@@@? ?@@@@@ @@@@@@@@@@@@@@@@@@@@@@@@@@@? 7@@@@5 ?@@@@H 7@@@H? ?@@@@@@@@@@@@?g7@@@@@@@@@@@@@0Mg?I4@@@@@@@@@@@@@@@@@@@@@@@@@@@@@@@@@@@ O2@@@@@@@@@@@@@@@@@@@@@@@@@@@@@@@@@@@@@@@@@@@@@@@@@@@@@@@@0M
N@@@@@ 3@@@1? ?@@@@@ 7@@@@@@@@@@@@@@@@@@@@@@@@@@@@@@@@@@@@@@@@@@@@@@@@@@@@@@@@@ N@@@L? @@@@@@@@@@@@@@@@@@@@@@@@@@@@@@@@@@@@5? @@@? J@@@@@@? ?@@@e?@@@@@@? ?3@@L? I4@@@@@@@@@6X? ?@@?he@@ @@@? ?3@@@@ @@@@@@@@@@@@@@@@@@@@@@@@@@5? @@@@@H ?@@@@? @@@@ ?@@@@@@@@@@@5?f?J@@@@@@@@@@@@@?he?I4@@@@@@@@@@@@@@@@@@@@@@@@@@@@@@@@@@@@@@@@@@@@@@@@@@@@@@@@@@@@@@@@@@@@@@@@@@@@@@@@@@@@@@@@@@@@@@@0M
?@@@@@L? N@@@@L ?3@@@@ @@@@@@@@@@@@@@@@@@@@@@@@@@@@@@@@@@@@@@@@@@@@@@@@@@@@@@@@@@ ?@@@1? ?J@@@@@@@@@@@@(Me?W@@@@@@@@@@@@@@@@@@H? 3@@L 7@@@@@5? J@@5e?@@@@@@L ?N@@1? I4@@@@@@@@)X ?@@?he@@ @@@? ?N@@@@L? @@@@@@@@@@@@@@@@@@@@@@@@@@H? @@@@@? ?@@@@? @@@@ ?@@@@@@@@@@@H?f?7@@@@@@@@@@@@@? I'@@@@@@@@@@@@@@@@@@@@@@@@@@@@@@@@@@@@@@@@@@@@@@@@@@@@@@@@@@@@@@@@@@@@@@@@@@@@@@0M
?3@@@@1? ?@@@@1 ?N@@@@ @@@@@@@@@@@@@@@@@@@@@0M?I40Mf?I4@@@@@@@@@@@@@@@@@@@@@@@L? ?@@@@? ?7@@@@@@@@@@@@H?eO&@@@@@??I'@@@@@@@@@ N@@1 @@@@@@H? 7@@He?@@@@@@1 @@@? I4@@@@@)X? ?@@Lhe@@ @@@? @@@@1? @@@@@@@@@@@@@@@@@@@@@@@@@@ @@@@@? ?@@@@? @@@@ J@@@@@@@@@@@g?@@@@@@@@@@@@@@? ?N@@@@@@@@@@@@@@@@@@@@@@@@@@@@@@@@@@@@@@@@@@@@@@@@@@@@@@@@@@@@@@@@@0M?
?N@@@@@? ?3@@@@ @@@@ ?J@@@@@@@@@@@@@@@@@@@0M? ?I4@@@@@@@@@@@@@@@@@1? ?@@@@? J@@@@@@@@@@@@@W2@@@@@@@@@?eN@@@@@@@@@ ?@@@ @@@@@@ @@@?e?@@@@@@@ 3@@L ?I4@@@)K ?@@1he@@ 3@@? @@@@@? @@@@@@@@@@@@@@@@@@@@@@@0M? @@@@@? ?@@@@? @@@@ 7@@@@@@@@@@@f?@@@@@@@@@(MI'@@@? @@@@@@@@@@@@@@@@@@@@@@@@@@@@@@@@@@@@@@@@@@@@@@@@@@@@@@0M
@@@@@? ?N@@@@L? @@@@L? ?7@@@@@@@@@@@@@@@0M? ?I'@@@@@@@@@@@@@@? ?3@@@L 7@@@@@@@@@@@@@@@@@@@@@@@@?e?3@@@@@@@5 ?@@@ @@@@@@ ?J@@@?e?@@@@@@@ N@@1 ?I4@@@@@ ?@@@he@@ N@@? 3@@@@? ?I4@@@@@@@@@@@@@@@@@0M ?J@@@@@? ?@@@@? @@@5 @@@@@@@@@@@@f?@@@@@@@@(Y??N@@@? 3@@@@@@@@@@@@@@@@@@@@@@@@@@@@@@@@@@@@@@@@@0M
3@@@@L @@@@1? @@@@1? J@@@@@@@@@@@@@@(M?he@? N@@@@@@@@@@@@@@L ?N@@@1 @@@@@@@@@@@@@@@@@@@@@@@@@@@??N@@@@@@@H ?3@@L? ?J@@@@@@ ?7@@@?e?@@@@@@@ ?3@@L? ?3@@he@@L? ?@@? N@@@@? ?@@@@? ?7@@@@5? ?@@@@? ?J@@@H @@@@@@@@@@@5f?@@@@@@@(Yf3@@? N@@@@@@@@@@@@@@@@@@@@@@@@@@@@@@@@@@@0M
N@@@@1 3@@@@? @@@@@? 7@@@@@@@@@@@@@(Y J@0Y@@@@@@@@@@@1 @@@@ @@@@@@@@@@@@@@@@@@@@@@@@@@@?e@@@@@@5? ?N@@1? ?7@@@@@5 ?@@@5?e?@@@@@@@ ?N@@1? ?N@@he3@1? ?@@L ?@@@@? ?@@@@? ?@@@@@H? ?@@@@? ?7@@@? ?J@@@@@@@@@@@Hf?@@@@@@@H?fN@@L ?3@@@@@@@@@@@@@@@@@@@@@@@@@@@?
?@@@@@ N@@@@L 3@@@@? 3@@@@@@@@@@@@@H? ?W&<e3@@@@@@@@@@@L? @@@@ ?J@@@@@@@@@@@@@@@@(Me@@@@@@@Le3@@@@@H? @@@? J@@@@@@H ?@@@H?e?@@@@@@@ @@@? @@heN@@? ?@@1 ?@@@@L ?@@@@? ?@@@@@ J@@@5? J@@@@? ?7@@@@@@@@@@@?f?@@@@@@@L?f?@@1 ?N@@@@@@@V'@@@@@@@@@@@@@@@@@5?
?3@@@@L? ?@@@@1 N@@@@? @KV@@@@@@@@@@@@@ W2@@6KO&@?eN@@@@@@@@@@@1? @@@@ ?7@@@@@@@@@@@@@@@@H?e@@@@@@@1eN@@@@@ 3@@? 7@@@@@@? J@@@f?@@@@@@@ 3@@L @@he?@@? ?@@@ ?3@@@1 ?@@@@? ?@@@@@ 7@@@H? 7@@@@? ?@@@@@@@@@@@@?f?@@@@@@@1?f?@@@ @@@@@@@?V4@@@(M?e@@@@@@@@H?
?N@@@@1? ?3@@@@ ?@@@@L @@@@@@@@@?I'@@@@L? ?W&@@@@@@@@?e?@@@@@@@@@@@@? 3@@@ ?3@@@@@@@@@@@@@@@@e?J@@@?@@@@e?3@@@@ N@@L @@@@@@@? 7@@@f?@@@@@@@ N@@1 @@he?@@? ?@@@ ?N@@@@ ?@@@@? J@@@@@ @@@@L? @@@@@? ?@@@@@@@@@@@5?f?@@@@@@@@?f?@@@ @@@@@@@?eI40Yf@@@@@@@@
@@@@@? ?N@@@@L? ?@@@@@ @@@@@@@@5??N@@@@1? ?7@@@@@@@@@?e?3@@@@@@@@@@@? N@@@ ?V'@@@@@@@@@@@@@@@eW&@@@@@@@@e?N@@@@ ?@@1 @@@@@@5? @@@5f?@@@@@@@ ?3@@ @@he?@@? ?@@@ @@@@ ?3@@@?e@@@@ 7@@@@@ @@@@1? @@@@@? J@@@@@@@@@@@H?fJ@@@@@@@@Lf?3@@ @@@@@@@?he@@@@@@@@
@@@@@? @@@@1? ?@@@@H @@@@@@@(Y?e@@@@@?hf@?g?@@@@@@@@@@?e?N@@@@@@@@@@@? ?@@@L? N@@@@@@@@@@@@@@@e7@@@?@@@@@L??J@@@5 ?@@@ @@@@@@H? ?J@@@Hf?@@@@@@@ ?N@@L? @@he?@@? ?@@@ @@@@ ?N@@@?e@@@@ @@@@@5 @@@@5? @@@@@? 7@@@@@@@@@@@g7@@@@@@@@1f?N@@ @@@@@@@?h?J@@@@@@@@
@@@@@L 3@@@@? ?@@@@L @@@@@@@Hf@@@@@?hf@?f?@@@@@@@@@@@@?f@@@@@@@@@@@L ?@@@1? ?3@@@@@@@@@@@@@5e@@@@?@@@@@1??7@@@H ?3@@L? @@@@@@ ?7@@@?f?@@@@@@@ @@1? @@he?@@? ?@@@ @@@@ @@@Le@@@5 @@@@@H @@@@H? @@@@@? @@@@@@@@@@@@g@@@@@@@@@@L?f@@L? @@@@@@@?h?7@@@@@@@5
3@@@@1 N@@@@L ?3@@@1 @@@@@@@?f3@@@@Lhf@LfJ@@@@@@@@@@@@?f3@@@@@@@@@@1 ?@@@@? ?V4@@@@@@@@@@@@H?J@@@@@@@@@@@??@@@@? ?N@@1? @@@@@@L? ?@@@@?f?3@@@@@@ 3@@L @@he?@@? ?@@@ @@@@ @@@1?J@@@H ?J@@@@@? @@@@ @@@@5? @@@@@@@@@@@5g@@@@@@@@@@)Xf@@1? @@@@@@@?h?@@@@@@@@H
N@@@@@ ?@@@@1 ?N@@@@ @@@@@@@?f?@@@@1hf@)X?e7@@@@@@@@@@@@?fN@@@@@@@@@@@ ?@@@@? ?I4@@@@@@@@@@??7@@@?@@@@@@@??@@@5? @@@? @@@@@@)?2@@@@@@@@@@@@@@@@@5?f?N@@@@@@ N@@1 @@he?@@? ?@@@ @@@@ @@@@?@@@@? ?7@@@@@? @@@@ @@@@H? ?J@@@@@@@@@@@Hg@@@@@@@@@@@1f@@@? ?J@@@@@@5?h?@@@@@@@@?
?3@@@@L? ?3@@@@ @@@@ @@@@@@@Lf7@@@@@L?he@@1?e@@@@@@@@@@@@@?f?@@@@@@@@@@@ ?@@@@? ?I'@@@@@@@5??@@@@?@@@@@@@@@@@@H? 3@@? @@@@@@@@@@@@@@@@@@@@@@@@@@H?g@@@@@@ ?@@@ @@he?@@L ?@@@ @@@@ ?O26X?he@@@@?N@@@? ?@@@@@@? @@@@ ?J@@@@ ?7@@@@@@@@@@@?g@@@@@@@@@@@@L?e@@@L W&@@@@@@H?h?@@@@@@@@?
?N@@@@1? ?N@@@@L? @@@@L? @@@@@@@1f@@@@@@1?he@@@?e@@@@@@@@@@@@@?f?3@@@@@@@@@@ ?@@@@L N@@@@@@@H??@@@5?@@@@@@@@@@@@ N@@L ?J@@@@@@@@@@@@@@@@@@@@@@@@@@h@@@@@@ ?3@@L? @@L?h?@@1 ?@@@ @@@@L? @@@@1?he@@@@e@@@? ?@@@@@@? @@@@ ?7@@@@ ?@@@@@@@@@@@@?g3@@@@@@@@@@@)Ke@@@1hf?O&@@@@@@@he?@@@@@@@5?
@@@@@? @@@@1? @@@@1? ?J@@@@@@@@W2@@@@@@@@@Lhe@@@?e@@@@@@@@@@@@@?f?N@@@@@@@@@@ ?3@@@1 ?3@@@@@@eJ@@@H?@@@@@@@@@@ ?@@1 ?7@@@@@@@@@@@@@@@@@@@@@@@@@@g?J@@@@@@ ?N@@1? @@1?h?@@@ ?3@@ @@@@1? 3@@@@?he@@@@e@@@? ?@@@@@@? ?J@@@@ ?@@@@@ ?@@@@@@@@@@@@?gN@@@@@@@@@@@@@6X@@@@L?hO2@@@@@@@@@5he?@@@@@@@H?
@@@@@L 3@@@@? @@@@@? ?7@@@@@@@@@@@@@@@@@@@1he@@@?e@@@@@@@@@@@@5?g@@@@@@@@@@ ?N@@@@ ?N@@@@@@e7@@@e@@@@@@@@@5 ?3@@L? ?@@@@@@@@@@@@@@@@@@@@@@@@@@5g?7@@@@@@ @@@? @@@?h?@@@ @@ 3@@@@L N@@@@?he@@@@e@@@? ?@@@@@5? ?7@@@@ ?@@@@5 J@@@@@@@@@@@@?g?@@@@@@@@@@@@@@@@@@@)KfO2@@@@@@@@@@@@@HheJ@@@@@@@
3@@@@1 N@@@@? 3@@@@? ?@@@@@@@@@@@@@@@@@@@@@he@@@?e3@@@@@@@@@@(Y?g@@@@@@@@@@ @@@@ ?J@@@@@5e@@@5?J@@@@@@@@(Y ?N@@1? ?@@@@@@@@@@@@@@@@@@@@@@@@@@Hg?@@@@@@@L? 3@@L 3@@?h?@@@ ?7@@ N@@@@1 ?@@@5?he@@@@L?@@@? ?@@@@@H? ?@@@@@ ?@@@@H 7@@@@@@@@@@@5?g?@@@@@@@@@@@@@@@@@@@@@@@@@@@@@@@@@@@@@@@5?he7@@@@@@@
N@@@@@ ?@@@@L N@@@@? ?@@@@@@@@@@@@@@@@@@@@@he@@@LeV'@@@@@@@@(Yh@@@@@@@@@@L? @@@@ ?7@@@@@He@@@H?7@@@@@@@0Y? @@@? ?@@@@@@@@@@@@@@@@@@@@@@@@@@?g?3@@@@@@1? N@@1 N@@?h?@@@ ?@@@L? ?@@@@@ ?@@@H?he@@@@1?@@@? ?@@@@@ ?@@@@@ ?@@@@? @@@@@@@@@@@@H?g?3@@@@@@@@@@@@@@@@@@@@@@@@@@@@@@@@@@@@@(Y?he@@@@@@@@
?@@@@@L? ?3@@@1 ?@@@@? ?@@@@@@@@@@@@@@@@@@@@5he@@@@e?V4@@@@@@0Y?h@@@@@@@@@@1? @@@@L? ?@@@@@@??J@@@??@@@@@@(M? @@@? ?@@@@@@@@@@@@@@@@@@@@@@@@@@?g?N@@@@@@@? ?@@@L? ?@@?h?@@@ ?3@@1? ?@@@@@L? ?@@@hf@@@@@?@@@? J@@@@@ ?@@@@@ ?@@@@? @@@@@@@@@@@@h?N@@@@@@@@@@@@@@@@@@@@@@@@@@@@@@@@@@@@(Yhf@@@@@@@@
?3@@@@1? ?N@@@@L? ?@@@@L ?@@@@@@@@@@@@@@@@@@@@Hhe@@@HgI4@0M?he@@@@@@@@@@@? 3@@@1? ?@@@@@@??7@@@?J@@@@@@H 3@@L I'@@@Lh@@@@@@@? ?3@@1? ?@@Lh?@@@ ?N@@@? ?3@@@@1? ?@@@hf@@@@@?@@@? 7@@@@@ ?@@@@5 ?@@@@? ?J@@@@@@@@@@@@he3@@@@@@@@@@@@@@@@@@@@@@@@@@@@@@@@@@@H?hf@@@@@@@@
?N@@@@@? 3@@@1? ?@@@@1 ?@@@@@@@@@@@@@@@@@@@@?he@@@L @@@@@@@@@@@? N@@@@? ?@@@@@5??@@@@?7@@@@@5? ?@@1 ?N@@@1h@@@@@@@? ?N@@@? ?@@1h?@@@ @@@? ?N@@@@5? ?@@@hf@@@@@?@@@? @@@@@@ ?@@@@H ?@@@5? ?7@@@@@@@@@@@@heV'@@@@@@@@@@@@@@@@@@@@@@@@@@@@@@@@@5 @@@@@@@5
@@@@@? N@@@@? ?@@@@@ ?3@@@@@@@@@@(MI'@@@@@?he@@@1 @@@@@@@@@@@? ?@@@@? J@@@@@H?J@@@5?@@@@@@H? ?W&@@@ @@@@h@@@@@@@? 3@@L ?@@@h?@@@ @@@? @@@@ ?@@@hf@@@@@@@@@? @@@@@@ ?@@@@L ?@@@H? ?@@@@@@@@@@@@@he?N@@@@@@@@@@@@@@@@@@@@@@@@@@@@@@@@(Yhf?J@@@@@@@H
3@@@@L ?@@@@L ?3@@@@ ?N@@@@@@@@@(Y??N@@@@@?he3@@@ @@@@@@@@@@@? ?@@@@L 7@@@@@e7@@@H?@@@@@@ ?O26K?f?O@KO&@@@@@@6KO2@@6K ?O@Kg?O@K?O@K?O@?2@6?2@@6K?h@@@@h@@@@@@@? N@@1 ?@@@h?@@@L? @@@? @@@@1? ?@@@hf@@@@@@@@@? @@@@@5 ?@@@@1 J@@@ ?@@@@@@@@@@@@@hf3@@@@@@@@@@@@@@@@@@@@@@@@@@@@@@(Y?hf?7@@@@@@@?
N@@@@1 ?3@@@1 ?N@@@@ @@@@@@@@@Hf@@@@@?heN@@@ @@@@@@@@@@@? ?@@@@1 @@@@@@e@@@@?J@@@@@5 ?O2@@@@@@@@@@@@@@@@@@@@@@@@@@@@@@@@@@@@@@@@@@@@@@@@@@@@@@@@@@@@@@@@@@@@@@@@@@@@@@@@@@@@@@@@@@@@6X?g@@@@h@@@@@@@? ?@@@ ?@@@h?@@@1? @@@? @@@@@? ?@@@hf3@@@@@@@@? @@@@@H ?@@@@@ 7@@@ ?@@@@@@@@@@@@5hfV4@@@@@@@@@@@@@@@@@@@@@@@@@@@@(Y ?@@@@@@@@?
?@@@@@L? ?N@@@@L? @@@@ @@@@@@@@@?f@@@@@?he?@@@ @@@@@@@@@@@? ?3@@@@ @@@@@5e@@@@?7@@@@@H ?O2@@@@@@@@@@@@@@@@@@@@@@@@@@@@@@@@@@@@@@@@@@@@@@@@@@@@@@@@@@@@@@@@@@@@@@@@@@@@@@@@@@@@@@@@@@@@@@@)Xg@@@@h@@@@@@@? ?3@@L? ?@@@h?@@@@? @@@? @@@@@? ?@@@hfN@@@@@@@@? @@@@@? ?@@@@5 @@@@ ?@@@@@@@@@@@@H I4@@@@@@@@@@@@@@@@@@@@@@@@@0Y? ?@@@@@@@@?
?3@@@@1? @@@@1? @@@@L? @@@@@@@@@?f3@@@@?he?@@@ @@@@@@@@@@@? ?N@@@@ ?J@@@@@He@@@@?@@@@@@? ?W2@@@@@@@@@@@@@@@@@@@@@@@@@@@@@@@@@@@@@@@@@@@@@@@@@@@@@@@@@@@@@@@@@@@@@@@@@@@@@@@@@@@@@@@@@@@@@@@@@@@@)X?f@@@@h@@@@@@@? ?N@@1? ?@@@h?@@@@? @@@? @@@@@? ?@@@hf?@@@@@@@@? ?J@@@@@? ?@@@@H @@@@ ?@@@@@@@@@@@@? ?I4@@@@@@@@@@@@@@@@@@@@0M? ?@@@@@@@@?
?N@@@@@? 3@@@@L @@@@1? 3@@@@@@@5?fN@@@@Lhe?@@@ @@@@@@@@@@@L @@@@ ?7@@@@@??J@@@@?@@@@@5? W&@@@@@@@@@@@@@@@@@@@@@@@@@@@@@@@@@@@@@@@@@@@@@@@@@@@@@@@@@@@@@@@@@@@@@@@@@@@@@@@@@@@@@@@@@@@@@@@@@@@@@@)Xf@@@@h@@@@@@@L @@@L ?@@@h?@@@@? @@@? 3@@@@? ?@@@hf?@@@@@@@@? ?7@@@@@? ?@@@@? @@@@ ?@@@@@@@@@@@@? I4@@@@@@@@@@@@@@0M ?@@@@@@@5?
@@@@@L N@@@@1 @@@@@? N@@@@@@@g?@@@@1he?@@@ @@@@@@@@@@@1 @@@@ ?@@@@@@??7@@@@?@@@@@ ?W&@@@@@@@@@@@@@@@@@@@@@@@@@@@@@@@@@@@@@@@@@@@@@@@@@@@@@@@@@@@@@@@@@@@@@@@@@@@@@@@@@@@@@@@@@@@@@@@@@@@@@@@@)X?e@@@@h@@@@@@@1 3@@1 ?@@@h?3@@@? 3@@L N@@@@? ?@@@hf?@@@@@@@@? ?@@@@@5? J@@@@? @@@@ ?@@@@@@@@@@@@? ?I40MI'@@(M? ?@@@@@@@
3@@@@1 ?@@@@@ 3@@@@? ?@@@@@@@)Xf?@@@@@he?@@@ @@@@@@@@@@@@ @@@@ ?@@@@@@??@@@@@@@@@@@1? O&@@@@@@@@@@@@@@@@@@@@@@@@@@@@@@@@@@@@@@@@@@@@@@@@@@@@@@@@@@@@@@@@@@@@@@@@@@@@@@@@@@@@@@@@@@@@@@@@@@@@@@@@@@1?e@@@@h@@@@@@@@ N@@@L? ?3@@h?N@@@? N@@1 ?@@@@? ?@@@hf?@@@@@@@@? ?@@@@@H? 7@@@@? @@@@ J@@@@@@@@@@@5? N@@H J@@@@@@@1?
N@@@@@ ?3@@@@ N@@@@? ?@@@@@@@@1f?@@@@@he?@@@ @@@@@@@@@@@@ @@@@L? ?@@@@@5??@@@@?@@@@@@@? O2@@@@@@@@@@@@@@@@@@@@@@@@@@@@@@@@@@@@@@@@@@@@@@@@@@@@@@@@@@@@@@@@@@@@@@@@@@@@@@@@@@@@@@@@@@@@@@@@@@@@@@@@@@@@5?e@@@@h@@@@@@@5 ?3@@1? ?N@@he@@@? J@@@ ?@@@@L ?@@@hf?@@@@@@@@? ?@@@@@ 3@@@@? ?J@@@@ 7@@@@@@@@@@@H? ?3@? 7@@@@@@@@L
?@@@@@L? ?N@@@@L? ?@@@@L ?@@@@@@@@@f?@@@@@he?3@@ 3@@@@@@@@@@@ 3@@@1? ?@@@@@H?J@@@@?@@@@@@5? W2@@@@@@@@@@@@@@@@@@@@@@@@@@@@@@@@@@@@@@@@@@@@@@@@@@@@@@@@@@@@@@@@@@@@@@@@@@@@@@@@@@@@@@@@@@@@@@@@@@@@@@@@@@@@@@H?e@@@@h@@@@@@@H ?N@@@? @@he@@@? @@@@ ?@@@@1 ?@@@hf?@@@@@@@@? ?@@@@@ N@@@@? ?7@@@5 3@@@@@@@@@@@ ?N@? @@@@@@@@@1
?3@@@@1? @@@@1? ?@@@@1 ?@@@@@@@@@f?@@@@@he?N@@ N@@@@@@@@@@@ N@@@@? J@@@@@e7@@@5?@@@@@@H? ?W&@@@@@@@@@@@@@@@@@@@@@@@@@@@@@@@@@@@@@@@@@@@@@@@@@@@@@@@@@@@@@@@@@@@@@@@@@@@@@@@@@@@@@@@@@@@@@@@@@@@@@@@@@@@@@@@f@@@@h@@@@@@@? @@@L @@@? N@@@ ?3@@@@ ?3@@hf?@@@@@@@@? J@@@@@ J@@@@? ?@@@@H N@@@@@@@@@@@ @Le@6X? ?J@@@@@@@@@@
?N@@@@@? 3@@@@L ?@@@@@ ?@@@@@@@@5f?@@@@@hf@@ ?@@@@@@@@@@@L? ?@@@@? 7@@@@@e@@@@HJ@@@@@5 W&@@@@@@@@@@@@@@@@@@@@@@@@@@@@@@@@@@@@@@@@@@@@@@@@@@@@@@@@@@@@@@@@@@@@@@@@@@@@@@@@@@@@@@@@@@@@@@@@@@@@@@@@@@@@@@@@f@@@@h@@@@@@@? 3@@1 @@@? ?@@@ ?N@@@@ ?V4@f?W2@f?@@@@@@@5? 7@@@@@ 7@@@@? ?@@@@? ?@@@@@@@@@@5gO@K? @1e@@1? ?7@@@@@@@@@@
@@@@@L N@@@@1 ?@@@@@ ?@@@@@@@@Hf?3@@@@L?he@@L? ?3@@@@@@@@@@1? ?@@@@? @@@@@5?J@@@@?7@@@@@H ?W&@@@@@@@@@@@@@@@@@@@@@@@@@@@@@@@@@@@@@@@@@@@@@@@@@@@@@@@@@@@@@@@@@@@@@@@@@@@@@@@@@@@@@@@@@@@@@@@@@@@@@@@@@@@@@@@@@f3@@@h@@@@@@@L N@@@L? ?@e3@@? ?@@@ @@@@ ?7@@f?@@@@@@@H? @@@@@5 @@@@@? ?@@@@? ?@@@@@@@@@@HfW2@@@@6X @@L?@@@? ?@@@@@@@@@@@
3@@@@1 ?@@@@@L? ?3@@@@ ?3@@@@@@@Lf?N@@@@1?he@@1? @@@@@@@@@@@? ?@@@@? ?J@@@@@H?7@@@@?@@@@@@? W&@@@@@@@@@@@@@@@@@@@@@@@@@@@@@@@@@@@@@@@@@@@@@@@@@@@@@@@@@@@@@@@@@@@@@@@@@@@0?4@@@@@@@@@@@@@@0M?I4@@@@@@@@@@@@@@@@@f?@@@h@@@@@@@1 ?@@@1? ?@eN@@L ?@@@ @@@@ ?@@@f?@@@@@@@ @@@@@H @@@@5? ?@@@@? ?@@@@@@@@@@?e?W&@@@@@@)X? 3@1?@@@? ?@@@@@@@@??@
N@@@@@ ?3@@@@1? ?N@@@@ ?N@@@@@@@1g@@@@@?he@@@L ?@@@@@@@@@@@@L ?3@@@L ?7@@@@@??@@@@@?@@@@@@? 7@@@@@@@@@@@@@@@@@@@@@@(M? ?I'@@@@@@@ @@@@@@@@@@@@f7@@@h@@@@@@@@ ?3@@@? ?@e?@@1 ?@@@ @@@@L? ?@@@f?3@@@@@@ ?J@@@@@? @@@@H? J@@@@? ?3@@@@@@@@@?eW&@@@@@@@@1? N@@?@@@L ?@@@@@@@@??3L?
?@@@@@ ?N@@@@@? @@@@ @@@@@@@@g@@@@@?he@@@1 ?N@@@@@@@@@@@1 ?N@@@1 ?@@@@@5??@@@@@@@@@@@5? @@@@@@@@@@@@@0M?eI@MI(Y V'@@@@@@ @@@@@@@@@@@@f3@@@h@@@@@@@@ ?N@@@L ?@e?@@@ ?@@@ @@@@1? ?@@@f?N@@@@@@ ?7@@@@@? @@@@ 7@@@@? ?N@@@@@@@@@?e7@@@@@@@@@@L ?@@@@@@1e?W&Khf?@@@@@@@@??N1?
?3@@@@L? @@@@@L @@@@ @@@@@@@@g@@@@@?he@@@@L? @@@@@@@@@@@@ @@@@ ?@@@@@H??@@@@?@@@@@@H? @@@@@@@@@@@(M? ?V'@@@@@ @@@@@@@@@@@@fN@@@h@@@@@@@@ @@@)K? @6X? ?@e?@@@ ?@@@ @@@@@? J@@@g@@@@@@ ?@@@@@5? @@@@ @@@@5? 3@@@@@@@@?e@@@@@@@@@@@1 ?@@@@@@@eO&@@6Xhe?@@@@@@@@?e@L
?N@@@@1? 3@@@@1 @@@@L? @@@@@@@@g@@@@@Lhe@@@@1? @@@@@@@@@@@@ @@@@ J@@@@@eJ@@@@X@@@@@@ @@@@@@@@@@(Y N@@@@@ @@@@@@@@@@@@f?@@@h@@@@@@@@ ?O2@@@@@@@@@@@@@@@@@@@@6KO2@@@@@@@@@6KO@K?hO@K? @@)K J@e?@@@ ?@@@L? @@@@@L ?O&@@@g@@@@@@ ?@@@@@H? @@@@ @@@@H? V'@@@@@@@?e@@@@@@@@@@@@ ?3@@@@@@@@@@@@@)X?hJ@@@@@@@5?e@1
@@@@@? N@@@@@L? @@@@1? @@@@@@@@g3@@@@1he@@@@@?O26K @@@@@@@@@@@@ 3@@@L? 7@@@@@e7@@@V@@@@@@5 @@@@@@@@@0Y? ?@@@@@ @@@@@@@@@@@@f?@@@h3@@@@@@@ @@@@@@@@@@@@@@@@@@@@@@@@@@@@@@@@@@@@@@@@@@@@@@@@@@@@@@@@@@@@6KO@?26KO2@@@@@@@@@@@@@@@@6KO2@@6KhO@?26K?O&@@@@@@@@@@@@@@@@@@@@@@@@@@@@@@@@@@@@@6K?O@?26?@?26Ke?O@KO@K?fO@K? ?@@@)KO2@@@@@@@@@6?26?@K @@@@@)K?fO26?2@@6?@KO@KO26KeO2@@6K?O2@@@@@@@g@@@@@@ ?@@@@@ @@@@ @@@@ ?N@@@@@@@?e@@@@@@@@@@@@ ?N@@@@@@@@@@@@@@)Xh7@@@@@@@H?e3@
3@@@@L ?@@@@@1? @@@@@L @@@@@@@@gN@@@@@g?O2@@@@@@@@@@@6?@Khf@@@@@@@@@@@@ N@@@1? @@@@@5e@@@@@@@@@@@H @@@@@@@(M? ?@@@@@@@@@@@6X @@@@@@@@@@@@f?@@@h?@@@@@@@ @@@@@@@@@@@@@@@@@@@@@@@@@@@@@@@@@@@@@@@@@@@@@@@@@@@@@@@@@@@@@@@@@@@@@@@@@@@@@@@@@@@@@@@@@@@@@@@@@@@@@@@@@@@@@@@@@@@@@@@@@@@@@@@@@@@@@@@@@@@@@@@@@@@@@@@@@@@@@@@@@@@@@@@@@@@@@@@@@@@@@@@@@@@@@@@@@@@@@@@@@@@@@@@@@@@@@@@@@@@@@@@@@@@@@@@@@@@@@@@@@@@@@@@@@@@@@@@@@@@@@@@@@@@@@@@@@@@@@@@@@@L?f@@@@@@ ?@@@@@ @@@@ ?J@@@@ @@@@@@@?e@@@@@@@@@@@@ @@@@@@@@@@@@@@@1h@@@@@@@@fN@
N@@@@1 ?3@@@@@? 3@@@@1 @@@@@@@@g?@@@@@fO2@@@@@@@@@@@@@@@@@@6Xhe3@@@@@@@@@@@ ?@@@@? @@@@@H?J@@@(Y@@@@@@? @@@@@@@H J@@@@@@@@@@@@)X? @@@@@@@@@@@@f?@@@h7@@@@@@@ @@@@@@@@@@@@@@@@@@@@@@@@@@@@@@@@@@@@@@@@@@@@@@@@@@@@@@@@@@@@@@@@@@@@@@@@@@@@@@@@@@@@@@@@@@@@@@@@@@@@@@@@@@@@@@@@@@@@@@@@@@@@@@@@@@@@@@@@@@@@@@@@@@@@@@@@@@@@@@@@@@@@@@@@@@@@@@@@@@@@@@@@@@@@@@@@@@@@@@@@@@@@@@@@@@@@@@@@@@@@@@@@@@@@@@@@@@@@@@@@@@@@@@@@@@@@@@@@@@@@@@@@@@@@@@@@@@@@@@@@@@1?f@@@@@@ ?@@@@5 @@@@ ?7@@@@ @@@@@@@Le3@@@@@@@@@@@ @@@@@@@@@@@@@@@@h@@@@@@@@f?@L?
?@@@@@ ?N@@@@@? N@@@@@ @@@@@@@@g?@@@@@@@@@@@@@@@@@@@@@@@@@@@@@@1heN@@@@@@@@@@@ ?@@@@? @@@@@??7@@(YJ@@@@@@? ?J@@@@@@@? ?W&@@@@@@@@@@@@@1? @@@@@@@@@@@@L?e?@@@h3@@@@@@@ @@@@@@@@@@@@@@@@@@@@@@@@@@@@@@@@@@@@@@@@@@@@@@@@@@@@@@@@@@@@@@@@@@@@@@@@@@@@@@@@@@@@@@@@@@@@@@@@@@@@@@@@@@@@@@@@@@@@@@@@@@@@@@@@@@@@@@@@@@@@@@@@@@@@@@@@@@@@@@@@@@@@@@@@@@@@@@@@@@@@@@@@@@@@@@@@@@@@@@@@@@@@@@@@@@@@@@@@@@@@@@@@@@@@@@@@@@@@@@@@@@@@@@@@@@@@@@@@@@@@@@@@@@@@@@@@@@@@@@@@@@@Lf@@@@@@ ?@@@@HgW&K?h?O26K??O2@@6X? ?J@@@@ ?@@@@@ @@@@@@@)X?N@@@@@@@@@@@ @@@@@@@@@@@@@@@@g?J@@@@@@@@f?@1?
?3@@@@L? @@@@@L ?@@@@@ @@@@@@@@g?@@@@@@@@@@@@@@@@@@@@@@@@@@@@@@@L?h?@@@@@@@@@@@ ?@@@@L ?J@@@@5??@@(Y?7@@@@@5? W&@@@@@@@? W&@@@@@@@@@@@@@@@? @@@@@@@@@@@@1?e?@@@hN@@@@@@@ @@@@@@@@@@@@@@@@@@@@@@@@@@@@@@@@@@@@@@@@@@@@@@@@@@@@@@@@@@@@@@@@@@@@@@@@@@@@@@@@@@@@@@@@@@@@@@@@@@@@@@@@@@@@@@@@@@@@@@@@@@@@@@@@@@@@@@@@@@@@@@@@@@@@@@@@@@@@@@@@@@@@@@@@@@@@@@@@@@@@@@@@@@@@@@@@@@@@@@@@@@@@@@@@@@@@@@@@@@@@@@@@@@@@@@@@@@@@@@@@@@@@@@@@@@@@@@@@@@@@@@@@@@@@@@@@@@@@@@@@@@@1f@@@@@@ ?@@@@?f?W&@@@@@@@@@@@@@@@@@@@@@@@1? ?7@@@@ ?@@@@@ 3@@@@@@@1??3@@@@@@@@@@ 3@@@@@@@@@@@@@@@gO&@@@@@@@@f?@@?
?N@@@@1? 3@@@@1 ?@@@@@L? @@@@@@@@g?@@@@@@@@@@@@(M?I'@@@@@@@@@@@@@@)Xh?@@@@@@@@@@@ ?3@@@1 ?7@@@@H??@@He@@@@@@H? 7@@@@@@@@? 7@@@@@@@@@@@@@@@5? 3@@@@@@@@@@@@?e?@@@h?@@@@@@@ ?J@@@@@@@@@@@@@@@@@@@@@@@@@@@@@@@@@@@@@@@@@@@@@@@@@@@@@@@@@@@@@@@@@@@@@@@@@@@@@@@@@@@@@@@@@@@@@@@@@@@@@@@@@@@@@@@@@@@@@@@@@@@@@@@@@@@@@@@@@@@@@@@@@@@@@@@@@@@@@@@@@@@@@@@@@@@@@@@@@@@@@@@@@@@@@@@@@@@@@@@@@@@@@@@@@@@@@@@@@@@@@@@@@@@@@@@@@@@@@@@@@@@@@@@@@@@@@@@@@@@@@@@@@@@@@@@@@@@@@@@@@@@5f@@@@@@ J@@@@?f?7@@@@@@@@@@@@@@@@@@@@@@@@@L ?@@@@@ ?@@@@@ N@@@@@@@@L?N@@@@@@@0M? N@@@@@@@@@@@@@@@@@@@@@@@@@@@@@@@L?e?3@?
@@@@@? N@@@@@ ?@@@@@1? @@@@@@@@g?3@@@@@@@@@@@He?N@@@@@@@(?'@@@@@1h?@@@@@@@@@@@L? ?N@@@@ J@@@@@e?@@?e@@@@@@ ?J@@@@@@@@@? @@@@@@@@@@@@@@@@H? N@@@@@@@@@@@@?e?@@@h?@@@@@@@ ?7@@@@@@@@@@@@@@@@@@@@@@@@@@@@@@@@@@@@@@@@@@@@@@@@@@@@@@@@@@@@@@@@@@@@@@@@@@@@@@@@@@@@@@@@@@@@@@@@@@@@@@@@@@@@@@@@@@@@@@@@@@@@@@@@@@@@@@@@@@@@@@@@@@@@@@@@@@@@@@@@@@@@@@@@@@@@@@@@@@@@@@@@@@@@@@@@@@@@@@@@@@@@@@@@@@@@@@@@@@@@@@@@@@@@@@@@@@@@@@@@@@@@@@@@@@@@@@@@@@@@@@@@@@@@@@@@@@@@@@@@@@@Hf@@@@@@ 7@@@@?f?@@@@@@@@@@@@@@@@@@@@@@@@@@)X? ?@@@@@ ?@@@@5 ?@@@@@@@@)K?@@@@@? ?@@@@@@@@@@@@@@@@@@@@@@@@@@@@@@@)Ke?N@L
@@@@@L ?@@@@@L? ?3@@@@@? 3@@@@@@@g?N@@@@@@@@@@@?f@@@@@@(Y?V4@@@@@L?g?@@@@@@@@@@@1? @@@@ 7@@@@@h@@@@@@ ?7@@@@@@@@@? @@@@@@@@@@@@@@@@ ?@@@@@@@@@@@@?e?@@@h?@@@@@@@ ?@@@@@@@@@@@@@@@@@@@@@@@@@@@@@@@@@@@@@@@@@@@@@@@@@@@@@@@@@@@@@@@@@@@@@@@@@@@@@@@@@@@@@@@@@@@@@@@@@@@@@@@@@@@@@@@@@@@@@@@@@@@@@@@@@@@@@@@@@@@@@@@@@@@@@@@@@@@@@@@@@@@@@@@@@@@@@@@@@@@@@@@@@@@@@@@@@@@@@@@@@@@@@@@@@@@@@@@@@@@@@@@@@@@@@@@@@@@@@@@@@@@@@@@@@@@@@@@@@@@@@@@@@@@@@@@@@@@@@@@@@@@@?f@@@@@@ @@@@@?f?@@@@@@@@@@@@@@@@@@@@@@@@@@@)K ?@@@@@ ?@@@@H ?@@@@@@@@@@@@@@@@?he?@6Xhe?3@@@@@@@@@@@@@@@@@@@@@@@@@@@@@@@@@6K?@1
@@@@@1 ?3@@@@1? ?N@@@@@? N@@@@@@@h@@@@@@@@@@5?f@@@@@@H?f?@@@)Xg?@@@@@@@@@@@@? @@@@ @@@@@5g?J@@@@@5 J@@@@@@@@@5? 3@@@@@@@@@@@@@@5 J@@@@@@@@@@@@?e?@@@L?g?@@@@@@@ ?@@@@@@@@@@@@@@@@@@@@@@@@@@@@@@@@@@@@@@@@@@@@@@@@@@@@@@@@@@@@@@@@@@@@@@@@@@@@@@@@@@@@@@@@@@@0?4@@@@@@@@@@@@@@@@@@@@@@0?@?4@@@@@@@@@@@@@@@@@@@@@@@@@@@@@@@@@@@@@@@@@@@@@@@@@@@@@@@@@@@@@@@@@@@@@@@@@@@@@@@@@@@@@@@@@@@@@@@@@@@@@@@@@@@@@@@@@@@@@@@@@@@@@@@@@@@@@@@@@@@@@@@@@@@@@@@@@@@@@@@@@@@?f@@@@@@ @@@@@?f?@@@@@@@@@@@0MI4@@@@@@@@@@@@@@6K ?@@@@5 J@@@@? ?I'@@@@@@@@@@@@?he?@@)he?N@@@@@@@@@@@@@@@@@@@@@@@@@@@@@@@@@@@@@@L? O2@@@6K?
3@@@@@ ?N@@@@@? @@@@@? ?@@@@@@@h@@@@@@@@@(Y?f@@@@@5g?3@@@1g?@@@@@@@@@@@@? @@@@L? ?J@@@@@Hg?7@@@@@H 7@@@@@@@@(Y? N@@@@@@@@@@@@@(Y 7@@@@@@@@@@@@?e?@@@1?g?@@@@@@@ J@@@@@@@@@@@@@@@@@@@@@@@@@@@0Mf?@@@@? I@M? ?I'@@@@? I'@@@@@?f@@@@@@ ?O@K ?J@@@@@?fJ@@@@@@@X?g?@@@@@@@@@@@@@@@@6K?heO26KO@K? ?@@@@H 7@@@@? V'@@@@@@@@@@@Lhe?@@HW26Xh@@@@@@@@@@@@@@@@@@@@@@@@@@@@@@@@@@@@@@)K O2@@@@@@@@@@@@@@@@@@@@@@6K
N@@@@@ @@@@@L @@@@@? ?@@@@@@@h@@@@@@@@(Yf?J@@@@@Hg?V'@@@g?@@@@@@@@@@@@? @@@@1? ?7@@@@@?g?@@@@@@? @@@@@@@@@H ?3@@@@@@@@@@@@H? @@@@@@@@@@@@@?e?@@@@?g?@@@@@@@ 7@@@@@@? ?3@@@? N@@@@? ?N@@@@@?f@@@@@@hf?W2@@@@@6K O&@@@@@?e?O&@@@@@@@)Ke?O2@@@@@@@@@@@@@@@@@@@@@@@@@@@@@@@@@@@@@@@ ?@@@@? @@@@@? ?V'@@@@@@@@@@)K?hJ@@?7@@)X?e?O2@@@@@@@@@@@@@@@@@@@@@@@@@@@@@@@@@@@@@@@@@@6X? O2@@@@@@@@@@@@@@@@@@@@@@@@@@@6K?
?3@@@@L? @@@@@1 @@@@@? ?@@@@@@@h3@@@@@@@H?f?7@@@@@?hN@@@g?@@@@@@@@@@@@? 3@@@@? ?@@@@@@?g?@@@@@@? ?J@@@@@@@@@? ?V'@@@@@@@@@@@ 3@@@@@@@@@@@@?e?@@@@?g?@@@@@@@ @@@@@@@? ?N@@@? ?@@@@? ?W-Xe@@@@@?f3@@@@5hf?7@@@@@@@@@@@@@@@@@@@@@@@@@@@@@@@@@@@@@@@@@@@@@@@@@@@@@@@@@@@@@@@@@@@@@@@@@@@@@@@@@@@@@@@@@@@5 ?@@@@? @@@@@? N@@@@@@@@@@@@6X?g7@@?@@@@)KO2@@@@@@@@@@@@@@@@@@@@@@@@@@@@@@@@@@@@@@@@@@@@@@)K W2@@@@@@@@@@@@@@@@@@@@@@@@@@@@@@@6K?
?N@@@@1? 3@@@@@ 3@@@@? J@@@@@@@L?g?@@@@@@5g?@@@@@@?h?@@@L?f?@@@@@@@@@@@@L N@@@@? ?@@@@@5?gJ@@@@@@? ?7@@@@@@@@5? N@@@@@@@@@@5 N@@@@@@@@@@@@?e?@@@@?g?@@@@@@@L? @@@@@@5? @@@L ?@@@@L ?7@1e@@@@@?fN@@@@Hhf?3@@@@@@@@@@@@@@@@@@@@@@@@@@@@@@@@@@@@@@@@@@@@@@@@@@@@@@@@@@@@@@@@@@@@@@@@@@@@@@@@@@@@@@@@@@(Y ?@@@@? @@@@@? ?3@@@@@@@@@@@@)Kg@@@?@@@@@@@@@@@@@@@@@@@@@@@@@@@@@@@@@@@@@@@@@@@@@@@@@@@@@@@@6K ?W&@@@@@@@@@@@@@@@@@@@@@@@@@@@@@@@@@@6X?
@@@@@? N@@@@@L? N@@@@L ?O&@@@@@@@)Kf?O&@@@@@@?gJ@@@@@@?h?@@@)Kf?@@@@@@@@@@@@)K? ?@@@@? J@@@@@H?g7@@@@@5? J@@@@@@@@@H? ?@@@@@@@@@(Y ?3@@@@@@@@@@@?e?@@@@?g?@@@@@@@1? @@@@@@H? 3@@1 ?@@@@1 ?@@@e@@@@@?f?@@@@?hf?N@@@@@@@@@@@@@@@@@@@@@@@@@@@@@@@@@@@@@@@@@@@@@@@@@@@@@@@@@@@@@@@@@@@@@@@@@@@@@@@@@@@@@@@@@@H? ?@@@@? @@@@5? ?V'@@@@@@@@@@@@@@@@@@@@@@@@@@@@@@@@@@@@@@@@@@@@@@@@@@@@@@@@@@@@@@@@@@@@@@@@@@@@@@@@@6K O&@@@@@@@@@@@@@@@@@@@@@@@@@@@@@@@@@@@@)X
@@@@@? ?3@@@@1? ?@@@@1 @@@@@@@@@@@@@@@@@@@@@@@@@@@@@@@@@@@@@@@)K?e?O&@@@@@@?gO2@@@@@@6KO2@@@@@@@@@@@@@@@@@@@( ?@@@@L 7@@@@5g?J@@@@@@H? 7@@@@@@@@@ I4@@@@@0Y? ?N@@@@@@@@@@@?e?@@@@?g?@@@@@@@@? ?J@@@@@@ N@@@ ?@@@@@ ?@@@@@@@@@@?f?@@@@? @@@@@@@@0M @@@@@(M?e?@@@@@@@@@@@f@@@@@@@@@@e@@@@@@@@@@@@@@@@@@@@@@@@@@ ?@@@@? ?J@@@@H? V4@@@@@@@@@@@@@@@@@@@@@@@@@@@@@@@@@@@@@@@@@@@@@@@@@@@@@@@@@@@@@@@@@@@@@@@@@@@@@@@@@@6K W2@@@@@@@@@@@@@@@@@@@@@@@@@@@@@@@@@@@@@@@)X?
3@@@@L ?N@@@@@L ?@@@@@ 3@@@@@@@@@@@@@@@@@@@@@@@@@@@@@@@@@@@@@@@@@@@@@@@@@@@@@@@@@@@@@@@@@@@@@@@@@@@@@@@@@@@@@@@@@(Y ?3@@@1 ?J@@@@@He?W26?&@@@@@@ @@@@@@@@@@ @@@@@@@@@@@?e?@@@@?g?@@@@@@@@? ?7@@@@@@ ?@@@L? ?@@@@@ ?@@@@@@@@@@?f?@@@@? @@@@@Hf?@@@@@@@@@@@@@@@@@@@@@@@@@e@@@@@@@@@@@@@@@@@@@@@@@@@@ J@@@@? ?7@@@@ I'@@@@@@@@@@@@@@@@@@@@@@@@@@@@@@@@@@@@@@@@@@@@@@@@@@@@@@@@@@@@@@@@@@@@@@@@@@@@@@@@@@6X 7@@@@@@@@@@@@@@@@@@@@@@@@@@@@@@@@@@@@@@@@@1?
N@@@@1 @@@@@1 ?@@@@@ V4@@@@@@@@@@@@@@@@@@@@@@@@@@@@@@@@@@@@@@@@@@@@@@@@@@@@@@@@@@@@@@@@@@@@@@@@@@@@@@@@@@@@@@@(Y? ?N@@@@ ?7@@@@5?e?7@@@@@@@@@5 ?J@@@@@@@@@5 @@@@@@@@@@@?e?@@@@?g?@@@@@@@@? ?@@@@@@@ ?3@@1? ?@@@@@ ?3@@@@@@@@@?f?@@@@? @@@@@?f?@@@@@@@@@@@@@@@@@@@@@@@@@L?@@@@@@@@@@@@@@@@@@(M?@@@@@ 7@@@@? ?@@@@@ ?V'@@@@@@@@@@@@@@@@@@@@@@@@@@@@@@@@@@@@@@@@@@@@@@@@@@@@@@@@@@@@@@@@@@@@@@@@@@@@@@@@@@)X? ?J@@@@@@@@@@@@@@@@@@@@@@@@@@@@@@@@@@@@@@@@@@@L
?3@@@@ 3@@@@@ ?@@@@@ ?I'@@@@@@@@?g@@@@@@@@@@@@@@@@@@@@@@@@@@@@@@@@@@@@g@@@@@@@@@@@@@@0Y @@@@ ?@@@@@H?e?@@@@@@@@@@H ?7@@@@@@@@@H @@@@@@@@@@@?e?@@@@?g?@@@@@@@@? ?@@@@@@5 ?N@@@? ?3@@@@ ?V4@@@@@@@@?f?@@@@? @@@@@?f?@@@@@@@@@@@@@@@@@@@@@@@@@)X@@@@@@@@@@@@@@@@@@H??@@@@@ @@@@@? ?@@@@@ V4@@@@@@@@@@@@@@@@@@@@@@@@@@@@@@@@@@@@@@@@@@@@@@@@@@@@@@@@@@@@@@@@@@@@@@@@@@@@@@@@@@)X ?7@@@@@@@@@@@@@@@@@@@@@@@@@(M?I4@@@@@@@@@@@@@1
?N@@@@L? N@@@@@L? ?3@@@@ N@@@@@@@@?g@@@@@@@@@@@@@@@@@@@@@@(MeI'@@@@@@@@g@@@@@@@@@@@@@? @@@@ ?@@@@@e?@@@@@@@@@@@@? ?@@@@@@@@@@? @@@@@@@@@@@?e?@@@@?gJ@@@@@@@@? ?@@@@@@H @@@L ?N@@@@L? @@@@@@@?f?@@@@? @@@@5?f?@@@@@@@@@@@@@@@@@@@@@@@@@@@@@@@@@@@@@@@@@@@@@eJ@@@@5 @@@@@? ?@@@@@ I4@@@@@@@@@@@@@@@@@@@@@@@@@@@@@@@@@@@@@@0MeI40MheI4@@@@@@@@@@@@@@@@@@@@@@@)X? J@@@@@@@@(M?g?I'@@@@@@?hI'@@@@@@@@L?
@@?@1? ?@@@@@1? ?N@@@@ ?3@@@@@@@?g@@@@@@@@@Xe@@@@@@@@@(Y?f@@@@@@@@g3@@@@@@@@@@@@? @@@@ ?@@@@@e?@@@@@@@@@@@5? ?@@@@@@@@@@? @@@@@@@@@@@?e?@@@@?g7@@@@@@@@? J@@@@@@? 3@@1 @@@@1? @@@@@@@?f?@@@@L ?J@@@@H?f?@@@@@@@@@@@@@@@@@@@@@@@@@@@@@@@@@@@@@@@@@@@@@?O&@@@@H @@@@@? ?@@@@@ ?@@@@@@@@@@@@@@@@@@@@@@@@@@@@@@@@@(M ?I4@@@@@@@@@@@@@@@@@1? 7@@@@@@@(YheV'@@@@@1h?V'@@@@@@@1?
@@?@@? ?3@@@@@? @@@@ ?N@@@@@@@?g3@@@@@@@@)K?@@@@@@@@@?fO&@@@@@@@@gN@@@@@@@@@@@@? @@@@L? ?3@@@@eJ@@@?I'@@@@@H? ?@@@@@@@@@@? @@@@@@@@@@@?e?@@@@?g@@@@@@@@@? 7@@@@@@? N@@@L? @@@@@? @@@@@@@?f?@@@@1 ?7@@@@g?@@0MI4@@@@@@@@@@@@@@@@@@@@@@@@@@@@@@@@@@@@@@@@@@@@@@? @@@@5? ?@@@@5 ?@@@@@@@@@@@@@@@@@@@@@@@@@@@@@@@@@H? ?I'@@@@@@@@@@@@@@@@L @@@@@@@(Y?he?V'@@@@@L?hV'@@@@@@@?
3@@@@L ?N@@@@@L @@@@L? @@@@@@@?gN@@@@@@@@@@@@@@@(Y@@@)K?O2@@@@@@@@@@g?@@@@@@@@@@@@? @@@@1? ?N@@@@e7@@@eN@@@@@ ?3@@@@@@@@@? @@@@@@@@@@@?e?@@@@?g@@@@@@@@@? @@@@@@@? ?@@@1? @@@@@? @@@@@@@?f?@@@@@ ?@@@@@ I@M?fI4@0M?eI'@@@@@@@@@@@@@@@@@@@@@@@@@@@? @@@@H? J@@@@H ?@@?g@@@@@@@@@@@@@@@@@@@@@@@@ N@@@@@@@@@@@@@@@@1 @@@@@@@H N@@@@@1?h?V'@@@@@@?
N@@@@1 @@@@@1 @@@@1? @@@@@@@?g?@@@@@@@@@@@@@@@Y?@@@@@@@@@@@@@@@@@5g?@@@@@@@@@@@@? 3@@@@? @@@@e@@@@e?3@@@@ ?N@@@@@@@@5? @@@@@@@@@@@?e?@@@@?f?J@@@@@@@@@? @@@@@@@? ?@@@@L 3@@@@L @@@@@@@?f?@@@@@ ?@@@@@ ?V'@@@@@@@@@@@@@@@@@@@@@@@@@@? @@@@ 7@@@@? ?@@?g@@@@?@@@@@@@@@@@@0M??@@@ ?3@@?I4@@@@@@@@@@@ @@@@@@@? ?@@@@@@?heN@@@@@@?
?3@@@@L? 3@@@@@ 3@@@@? 3@@@@@@?g?@@@@@@@@@@@@@@@@@@@@@@@@@@@@@@@@@@Hg?@@@@@@@@@@@@? N@@@@? 3@@@@@@@@@f@@@@ @@@@@@@@H? @@@@@@@@@@@?e?@@@@?fW&@@@@@@@@@? @@@@@@@? J@@@@)K? ?@@@@1 ?J@@@@@@@?f?@@@@@ ?O2@@@@@@@@@@@6K?O2@@@@@@@ V@@@@@@@@@@@@@@@@@@@@@@@@@@? @@@@ @@@@@? ?3@Lf?J@@@@@@@@@@@@@@@0M?e?@@@L? ?N@@e?I'@@@@@@@@@L? @@@@@@5? ?@@@@@@Lhe?@@@@@@L
?N@@@@1? N@@@@@L? N@@@@? N@@@@@@?g?@@@@@@@@@@@@@@@@@@@@@@@@@@@@@@@@@5?g?@@@@@@@@@@@@? ?@@@@L N@@@@@@@@5e?7@@@@ @@@@@@@@ @@@@@@@@@@@?e?@@@@?e?O&@@@@@@@@@@? @@@@@@@W2@@@@@@@6KO2@6K?fO2@@@@@@6K?O&@@@@@@6KO2@@@@6K?fO@K? ?O&@@@@@ O&@@@@@@@?f?@@@@@hf?W26KO2@@@@@@@@@@@@@@@@@@@@@@@@@@@@@@@@@@@@@@@@@@@@@@@@@@@@@@@@@@@@@@@@@@@@@@@@@@@@@@@@@@@5? @@@@ @@@@@? ?N@1f?7@@@@@@@@@@@@@@g?@@@1? @@fV'@@@@@@@@1? @@@@@@H? ?@@@@@@1he?@@@@@@1
@@@@@? ?3@@@@1? ?@@@@? ?@@@@@@?g?3@@@@@@@@@@@@@@@@@@@@@@@@@@@@@@@@H?g?@@@@@@@@@@@@L ?@@@@1 ?@@@@@@@0YeJ@@@@@ @@@@@@@@ @@@@@@@@@@@?e?@@@@?e@@@@@@@@@@@@@@@@@@@6K?O2@@6?2@@@@@@@@@@@@@@@@@@@@@@@@@@@@@@@@@@@@@@@@@@@@@@@@@@@@@@@@@@@@@@@@@@@@@@@@@@@@@@@@@@@@@@@@@@@@@@@@@@@@@@@@@@@@@@@@@@@@@@@@@@@@@@@@@@@@@@@@@@@@@@@@6K?O2@@@@6?2@6Kg?O2@@@@@6Kg?O@KfO2@6K?eO@KO@KO2@@6?2@@@@@@@@@6K?O2@@@@@@@@@@@@@@@@@@@@@@@@@@@@@@@@@@@@@@@@@@@6KO2@@@@@@@@@@@@@@@@@Lf?@@@@@hfW&@@@@@@@@@@@@@@@@@@@@@@@@@@@@@@@@@@@@@@@@@@@@@@@@@@@@@@@@@@@@@@@@@@@@@@@@@@@@@@@@@@@@@@@@H? @@@@ @@@@@? @@f?@@@@@@@@@@@@@@@g?@@@@L @@L?e?V4@@@@@@@@L @@@@@@ ?@@@@@@@he?@@@@@@@
@@@@@? ?N@@@@@? ?@@@@? ?@@@@@@Lg?N@@@@@@@@@@@@@@@@@@@@@@@@@@@@@@@5h?@@@@@@@@@@@@@ ?@@@@@ ?@@@@@@Xe?W&@@@@5 @@@@@@@@ @@@@@@@@@@@?e?@@@@?e@@@@@@@@@@@@@@@@@@@@@@@@@@@@@@@@@@@@@@@@@@@@@@@@@@@@@@@@@@@@@@@@@@@@@@@@@@@@@@@@@@@@@@@@@@@@@@@@@@@@@@@@@@@@@@@@@@@@@@@@@@@@@@@@@@@@@@@@@@@@@@@@@@@@@@@@@@@@@@@@@@@@@@@@@@@@@@@@@@@@@@@@@@@@@@@@@@@@@@@@@@@@@@@@@@@@@@@@@@@@@@@@@@@@@@@@@@@@@@@@@@@@@@@@@@@@@@@@@@@@@@@@@@@@@@@@@@@@@@@@@@@@@@@@@@@@@@@@@@@@@@@@@@@@@@@@@@@@@1f?@@@@@he?W&@@@@@@@@@@@@@@@@@@@@@@@@@@@@@@@@@@@@@@@@@@@@@@@@@@@@@@@@@@@@@@@@@@@@@@@@@@@@@@@@@@@@@@@@@ ?J@@@@ @@@@@? @@f?@@@@@@@@@@@@@hJ@@@@)K? 3@1?f?I'@@@@@@1 @@@@@@L? ?@@@@@@@he?@@@@@@5
3@@@@L @@@@@L ?@@@@L ?@@@@@@1h@@@@@@@@@@@@@@@@@@@@@@@@@@@@@@(Yh?@@@@@@@@@@@@H ?3@@@@ ?3@@@@@)K?O&@@@@@H ?J@@@@@@@@ @@@@@@@@@@@?e?@@@@?e@@@@@@@@@@@@@@@@@@@@@@@@@@@@@@@@@@@@@@@@@@@@@@@@@@@@@@@@@@@@@@@@@@@@@@@@@@@@@@@@@@@@@@@@@@@@@@@@@@@@@@@@@@@@@@@@@@@@@@@@@@@@@@@@@@@@@@@@@@@@@@@@@@@@@@@@@@@@@@@@@@@@@@@@@@@@@@@@@@@@@@@@@@@@@@@@@@@@@@@@@@@@@@@@@@@@@@@@@@@@@@@@@@@@@@@@@@@@@@@@@@@@@@@@@@@@@@@@@@@@@@@@@@@@@@@@@@@@@@@@@@@@@@@@@@@@@@@@@@@@@@@@@@@@@@@@@@@@@5f?@@@@@he?7@@@@@@@@@@@@@@@@0Mh@@@@@? I4@@0?4@0?4@@@@@@0M?eI@M? ?7@@@@ @@@@5? @@f?@@@@@@@@@@@@@g?W&@@@@@@6X? N@@?gV4@@@@@@L? @@@@@@1? J@@@@@@@heJ@@@@@@H
N@@@@1 3@@@@1 ?@@@@1 ?@@@@@@@h3@@@@@@@@@@@@@@@@@@@@@@@@@@@@(Y?h?@@@@@@@@@@@@? ?N@@@@ ?N@@@@@@@@@@@@@@5? ?@@@@@@@@@ @@@@@@@@@@@?e?@@@@?e3@@@@@@@@0?4@@0?40?4@@@@@0?'@@@@@@@@@@@@@@@@@@@@@@@@@@@@@@@@@@@@@@@@@@@@@@@@@@@@@@@@@@@@@@@@@@@@@@@@@@@@@@@@@@@@@@@@@@@@@@@@@@@@@@@@@@@@@@@@@@@@@@@@@@@@@@@@@@@@@@@@@@@@@@@@@@@@@@@@@@@@@@@@@@@@@@@@@@@@@@@@@@@@@@@@@@@@@@@@@@@@@@@@@@@@@@@@@@@@@@@@@@@@@@@@@@@@@@@@@@@@@@@@@@@@@@@@@@@@@@@@@@@@@@@@@@@@@@@@@@@@@@@@@@@@@@@@(Yf?@@@@@he?@?4@@@@@@@@@@@@0Mh?J@@@@@? ?@@@@@ ?J@@@@H? @@fJ@@@@@@@@@@@@5gW&@@@@@@@@)K ?@@@6Xg?@@@@@)X @@@@@@@L 7@@@@@@5he7@@@@@@?
?@@@@@ N@@@@@L? ?@@@@@ ?@@@@@@@hN@@@@@@@@@@@@@@@@@@@@@@@@@@@(Yhe?@@@@@@@@@@@@L @@@@ 3@@@@@@@@@@@@(Y? ?N@@@@@@@@ @@@@@@@@@@@?e?@@@@?eN@@@@@@@ ?N@@@@@@@@@@@@@@@@@@@@@@@@@@@@@@@@@@@@@@@@@@@@@@@@@@@@@@@@@@@@@@@@@@@@@@@@@@@@@@@@@@@@@@@@@@@@@@@@@@@@@@@@@@@@@@@@@@@@@@@@@@@@@@@@@@@@@@@@@@@@@@@@@@@@@@@@@@@@@@@@@@@@@@@@@@@@@@@@@@@@@@@@@@@@@@@@@@@@@@@@@@@@@@@@@@@@@@@@@@@@@@@@@@@@@@@@@@@@@@@@@@@@@@@@@@@@@@@@@@@@@@@@@@@@@@@@@@@@@@@@@@@@@@@@H?f?@@@@@ ?7@@@@5? ?@@@@@ ?7@@@@ 3@L?e7@@@@@@@@@@@@Hf?W&@@@@@@@@@@@@? ?@@@@)K?f?@@@@@@)X? @@@@@@@)K?hf@@@@@@@Hhe@@@@@@@?
?@@@@@L? ?@@@@@1? ?3@@@@ ?@@@@@@@h?@@@@@@@@@@@@@@@@@@@@@@@@@@(Y?he?@@@@@@@@@@@@1 @@@@L? V4@@@@@@@@@@(Y @@@@@@@@ @@@@@@@@@@@?e?@@@@?e?@@@@@@5 @@@@@@@@@@@@@@@@@@@@@@@@@@@@@@@@@@@@@@@@@@@@@@@@@@@@@@@@@@@@@@@@@@@@@@@@@@@@@@@@@@@@@@@@@@@@@@@@@@@@@@@@@@@@@@@@@@@@@@@@@@@@@@@@@@@@@@@@@@@@@@@@@@@@@@@@@@@@@@@@@@@@@@@@@@@@@@@@@@@@@@@@@@@@@@@@@@@@@@@@@@@@@@@@@@@@@@@@@@@@@@@@@@@@@@@@@@@@@@@@@@@@@@@@@@@@@@@@@@@@@@@@@@@@@@@@@@@@@@@@@@@@@@@@g?@@@@@ ?@@@@@H? ?@@@@@ ?@@@@@ N@1?e@@@@@@@@@@@@@?fW&@@@@@@@@@@@@@? ?@@@@@@6X?eJ@@@@@@@1? @@@@@@@@@6K?g?O2@@@@@@@@?g?W2@@@@@@@@?
?3@@@@1? ?3@@@@@? ?N@@@@L? ?@@@@@@@h?@@@@@@@@@@@@@@@@@@@@@@@@@0Yhf?@@@@@@@@@@@@@ @@@@1? I4@@@@@@@0Y? ?J@@@@@@@@ @@@@@@@@@@@?e?@@@@?e?@@@@@@H @@@@@@@@@@@@@@@@@@@(M? ?@@@@(M?e?I40M?e?I40M? ?I@M ?I@MI40MI4@@@@@@@@@@@@@@0MeI4@@@@@@@@@@@@@@@@@@@@@@@@g?@@@@@ ?@@@@@ ?@@@@@ ?@@@@@ ?@@?e@@@@@@@@@@@@@?f7@@@@@@@@@@@@@@? J@@@@@@@)K?O&@@@@@@@@? 3@@@@@@@@@@6K?e?O2@@@@@@@@@@?gO&@@@@@@@@5?
?N@@@@@? ?N@@@@@? @@@@1? ?@@@@@@@h?@@@@@@@@@@@@@@@@@@@@@@@(M ?@@@@@@@@@@@@@L? 3@@@@? I4@@@0M? ?7@@@@@@@@ @@@@@@@@@@@Le?@@@@?e?@@@@@@? @@@@@@@@@Xf@@@@@H ?3@@@? @@@@@? ?@@@@@@@@@@@@@g?@@@@@ ?@@@@@ ?@@@@@ ?@@@@@ ?@@?e@@@@@@@@@@@@@?f@@@@@@@@@@@@@@@? ?W&@@@@@@@@@@@@@@@@@@@@? N@@@@@@@@@@@@@@@@@@@@@@@@@@@5?fW2@@@@@@@@@@H?
@@@@@? @@@@@L @@@@@? ?@@@@@@@h?@@@@@@@@@@@@@@@@@@@@@@0Y? ?3@@@@@@@@@@@@1? N@@@@? ?@@@@@@@@@ @@@@@@@@@@@1e?@@@@?e?@@@@@@? @@@@@@@@@@e?J@@@@@? ?N@@@1 3@@@@? ?3@@@@?I'@@@@@g?@@@@@ ?@@@@@ ?@@@@5 ?@@@@@ ?@@L?J@@@@@@@@@@@@5?f@@@@@@@@@@@@@@@? W&@@@@@@@@@@@?I'@@@@@@@? ?3@@@@@@@@@@@@@@@@@@@@@@@@@@H?f7@@@@@@@@@@5
3@@@@L 3@@@@1 @@@@@? ?@@@@@@@h?3@@@@(MI4@@@@@@@@@@@0M? ?N@@@@@@@@@@@@5? ?@@@@? ?@@@@@@@@@ @@@@@@@@@@@@e?@@@@?eJ@@@@@5? @@@@@@@@@He?7@@@@@? @@@@L? N@@@@? @@@@eN@@@@@gJ@@@@@ J@@@@@ ?@@@@H J@@@@5 ?@@1?7@@@@@@@@@@@@H?f3@@@@@@@@@@@(M 7@@@@@@@@@@@5?e@@@@@@@? ?V'@@@@@@@@@@@@@@@@@@@@@@@@5g@@@@@@@@@@(Y
N@@@@1 N@@@@@L? @@@@@? ?3@@@@@@h?N@@@@H?fI4@@@@@@ @@@@@@@@@@@@H? ?@@@@? ?@@@@@@@@5 3@@@@@@@@@@@e?@@@@?e7@@@@@H? @@@@@@@@@?e?@@@@@@? @@@@1? ?@@@@L ?@@@@@e?@@@@@g@@@@@@ 7@@@@@ ?@@@@? 7@@@@H ?3@@?@@@@@@@@@@@@@gN@@@@@@@@@@@H? ?J@@@@@@@@@@@@H??@@@@@@@@? V'@@@@@@@@@@@@@@@@@@@@@@(Yg@@@@@@@@@@H?
?@@@@@L? ?@@@@@1? 3@@@@? ?N@@@@@@he@@@@he?I'@ @@@@@@@@@@@5 ?@@@@L ?@@@@@@@@H N@@@@@@@@@@@e?@@@@?e@@@@@@ @@@@@@@@@?e?@@@@@@? @@@@@? ?@@@@1 ?N@@@@e?3@@@@gN@@@@@ @@@@@5 ?@@@@? @@@@@? ?N@@?@@@@@@@@@@@@5g?@@@@@@@@@@@ W&@@@@@@@@@@@@f@@@@@@@? ?V'@@@@@@@@@@@@@@@@@@@@(Y?g@@@@@@@@@5
?3@@@@1? ?3@@@@@? N@@@@? @@@@@@L?h@@@@L?heN@ @@@@@@@@@@@H ?3@@@1 ?@@@@@@@@L ?@@@@@@@@@@@e?@@@@?e@@@@@5 @@@@@@@@@?e?@@@@@@? @@@@@L ?@@@@@ @@@@e?N@@@@g?3@@@@ @@@@@H ?@@@@? @@@@@? @@?@@@@@@@@@@@@HhI4@@@@@@@@hfO2@@@@@6K?f7@@@@@@@@@@@@@e?7@@@@@@@? V'@@@@@@@@@@@@@@@@@@(Yh@@@@@@@@(Y
?N@@?@@? ?N@@@@@L ?@@@@? ?J@@@@@@1?h@@@@1?he?@ @@@@@@@@@@5? ?N@@@@ ?@@@@@@@@)K? ?@@@@@@@@@@@e?@@@@?e@@@@@H @@@@@@@@@?e?@@@@@@? 3@@@@1 ?@@@@@ ?J@@@@f@@@@g?N@@@@L? @@@@@? ?@@@@? @@@@@? @@@@@@@@@@@@@@@?hf?I'@@@he?@@@@@@@@@@6X??J@@@@@@@@@@@@@5e?@@@@@@@5? ?V4@@@@@@@@@@@@@@@@0Y?h@@@@@@@0Y?
@@@@@? 3@@@@1 ?@@@@? O2@@6K?O2@6KeO2@@@6?&@@@@@@@?h@@@@@?he?@ @@@@@@@@@@H? @@@@ ?3@@@@@@@@@6K? ?@@@@@@@@@@@e?@@@@??J@@@@@? @@@@@@@@@?e?@@@@@@? N@@@@@ ?3@@@@ ?7@@@@f@@@@h3@@@1? @@@@@? ?@@@@? @@@@@? @@@@@@@@@@@@@@@? N@@@heJ@@@@@@@@@@@)KO&@@@@@@@@@@@@@?e?@@@@@@@ ?I4@@@@@@@@@@@0Mhf@@@@@0M?
@@@@@L N@@@@@ ?@@@@? ?W2@@@@@@@@@@@@@@@@@@@@@@@@@@@@@@@@@@?h@@@@@? @@@@@@@@@@ @@@@L? ?@@@@? ?V'@@@@@@@@@@@@@@@@6K? ?@@@@@@@@@@@e?@@@@L?7@@@@@? @@@@@@@@5?e?3@@@@@? ?@@@@@L? ?N@@@@ ?@@@@@f@@@@L?gN@@@@? @@@@@? J@@@@? ?J@@@@@? 3@@@@@@@@@@@@@@? ?@@@L?g?W&@@@@@@@@@@@@@@@@@@@@@@@@@@@@)K??@@@@@@@)K ?I4@@0M?
3@@@@1 ?@@@@@L? ?@@@@L W&@@@@@@@@@@@@@@@@@@@@@@@@@@@@@@@@@@@?h@@@@@? @@@@@@@@@@ @@@@1? J@@@@? N@@@@@@@@@@@@@@@@@@6X? ?@@@@@@@@@@@e?@@@@)X@@@@@@? ?J@@@@@@@@g@@@@@? ?3@@@@1? @@@@L? ?@@@@@f@@@@@?g?@@@@? @@@@5? 7@@@@? ?7@@@@5? N@@@@@@@@@@@@@5? ?3@@1?g?7@@@@@@@@@@@@@@@@@@@@@@@@@@@@@@@@@@@@@@@@@@@@@@@@@@@@@@@@@@@@@@@@@@@@@@@@@@@@@@@@@@@@@@@@@@@@@@@@@@@@@@@@@@@@@@@@@@@@@@@@@@@@@@@@@@@@@@@@@@@@@6?2@@@@@@@@@@@@@@@@@@@@@@@@@@@6?2@@@@@6?2@6K??O@K
N@@@@@ ?3@@@@1? ?3@@@1 ?O&@@@@@@@@@@@@@@@@@@@@@@@@@@@@@@@@@@@@?h@@@@@?heW-X?hO2@@6Xg@@@@@@@@@@ @@@@@? 7@@@5? ?@@@@@@@@@@@@@@@@@@@)X ?@@@@@@@@@@@e?3@@@@@@@@@@5? ?7@@@@@@@@1?e?7@@@@@? ?N@@@@@L @@@@1? ?@@@@@f@@@@H?g?@@@@? ?J@@@@H? @@@@@? ?@@@@@H? ?@@@@@@@@@@@@@H? ?N@@@?g?@@@@@@@@@@@@@@@@@@@@@@@@@@@@@@@@@@@@@@@@@@@@@@@@@@@@@@@@@@@@@@@@@@@@@@@@@@@@@@@@@@@@@@@@@@@@@@@@@@@@@@@@@@@@@@@@@@@@@@@@@@@@@@@@@@@@@@@@@@@@@@@@@@@@@@@@@@@@@@@@@@@@@@@@@@@@@@@@@@@@@@@@@@@@@@@@@@@@@@@@@@@@@@@@@@@@@@@@@@@@@@@@@@@@@@@@@@@@@@@@@@@@@@@@@@@@@@@@@@@@@@@@@@@@@@@@@@@@@@@@@@@6?2@@@@@@@6KO26KO2@@@@@@@@@@@@@@@@@@@@@6?2@@@@@@@@@@@@@6?2@@@@@@@@@@@@@@@@@@@6?2@@@6K? O)X?
?@@@@@ ?N@@@@@? ?N@@@@ ?W2@@@@@@@@@@@@@@@@@@@@@@@@@@@@@@@@@@@@@@@6Xf?J@@@@@?he7@1?gW2@@@@@)X?f@@@@@@@@@@ 3@@@@? @@@@H? J@@@@@@@@@@@@@@@@@@@@)X? ?@@@@@@@@@@@e?N@@@@@@@@@@H? ?@@@@@@@@@@?e?@@@@@@? @@@@@)K? @@@@@? ?@@@@@f@@@@h?@@@@? ?7@@@@ @@@@@? ?@@@@@ ?@@@@@@@@@@@@@ @@@?g?@@@@@@@@@@@@@@@@@@@@@@@@@@@@@@@@@@@@@@@@@@@@@@@@@@@@@@@@@@@@@@@@@@@@@@@@@@@@@@@@@@@@@@@@@@@@@@@@@@@@@@@@@@@@@@@@@@@@@@@@@@@@@@@@@@@@@@@@@@@@@@@@@@@@@@@@@@@@@@@@@@@@@@@@@@@@@@@@@@@@@@@@@@@@@@@@@@@@@@@@@@@@@@@@@@@@@@@@@@@@@@@@@@@@@@@@@@@@@@@@@@@@@@@@@@@@@@@@@@@@@@@@@@@@@@@@@@@@@@@@@@@@@@@@@@@@@@@@@@@@@@@@@@@@@@@@@@@@@@@@@@@@@@@@@@@@@@@@@@@@@@@@@@@@@@@@@@@@@@@@@@@@@@@@@@@@@@@@@@@@@@@@@@@@@@@@@@@@@@@@@@@@@@@@@@@@@@@@@@@@@@@@@@@@@@@@@@@@@@@@@@@@@@@@@@@@@@@@@@@@@@@@@@@@@@@@@@@@@@@@@@@@@@@@@@@@@@@@@@@@@@@@@@@@@@@@@@@@@@@@@@@@@@@@@@@@@@@@@@@@@@@@@@@@@@@@@@@@@@@@@@@@@@@@@@@1?
?@@@@@L? @@@@@L @@@@ W&@@@@@@@@@@@@@@@@@@@@@@@@@@@@@@@@@@@@@@@@@)X?eW&@@@@@Lhe@@@?f?W&@@@@@@@1?f@@@@@@@@@5 N@@@@L @@@@ @@@@@@@@@@@@@@@@@@@@@@1? ?3@@@@@@@@@@f@@@@@@@@@@ ?@@@@@@@@@@?e?@@@@@@? 3@@@@@@6K? @@@@@L ?@@@@@f3@@@h?@@@@? ?@@@@@ @@@@5? ?@@@@@ ?@@@@@@@@@@@@5 @@@?g?@@@@@@@@@@@@@@@@@@@@@@@@@@@@@@@@@@@@@@@@@@@@@@@@@@@@@@@@@@@@@@@@@@@@@@@@@@@@@@@@@@@@@@@@@@@@@@@@@@@@@@@@@@@@@@@@@@@@@@@@@@@@@@@@@@@@@@@@@@@@@@@@@@@@@@@@@@@@@@@@@@@@@@@@@@@@@@@@@@@@@@@@@@@@@@@@@@@@@@@@@@@@@@@@@@@@@@@@@@@@@@@@@@@@@@@@@@@@@@@@@@@@@@@@@@@@@@@@@@@@@@@@@@@@@@@@@@@@@@@@@@@@@@@@@@@@@@@@@@@@@@@@@@@@@@@@@@@@@@@@@@@@@@@@@@@@@@@@@@@@@@@@@@@@@@@@@@@@@@@@@@@@@@@@@@@@@@@@@@@@@@@@@@@@@@@@@@@@@@@@@@@@@@@@@@@@@@@@@@@@@@@@@@@@@@@@@@@@@@@@@@@@@@@@@@@@@@@@@@@@@@@@@@@@@@@@@@@@@@@@@@@@@@@@@@@@@@@@@@@@@@@@@@@@@@@@@@@@@@@@@@@@@@@@@@@@@@@@@@@@@@@@@@@@@@@@@@@@@@@@@@@@@@@@@@@@L
?3@@@@1? 3@@@@1 @@@@L? ?W&@@@@@@@@@@@@@@@@@@@@@@@@@@@@@@@@@@@@@@@@@@@)K?O&@@@@@@1he@@@?f?7@@@@@@@@@?f@@@@@@@@@H ?@@@@1 @@@5 N@@@@@@@@@@@@@@@@@@@@@@? ?N@@@@@@@@@@f@@@@@@@@@@ ?@@@@@@@@@@?e?@@@@@@? V'@@@@@@@6K? 3@@@@1 ?@@@@@fN@@@h?@@@@? ?@@@@5 @@@@H? ?@@@@@ ?@@@@@@@@@@@@H 3@@Lg?@@@@@@@@@@@@@@@@@@@@@@@@@@@@@@@@@@@@@@@@@@@@@@@@@@@@@@@@@@@0MI4@@@@@@@@@@@@@@@@@@@@@@@@@@@@@@@@@@@@@@@@@@@@@@@@@@@@@@@@@@@@@@@@@@@@@@@@@@@@@@@@@@@@@@@@@@@@@@@@@@@@@@@@@@@@@@@@@@@@@@@@@@0?4@@@@@@@@@@@@@@@@@@@@@@@@@@@@@@@@@@@@@@@@@@@@@@@@@@@@@@@@@@@@@@@@@@@@@@@@@@@@@@@@@@@@@@@@@@@@@@@@@@@@@@@@@@@@@@@@@@@@@@@@@@@@@@@@@@@@@@@@@@@@@@@@@@@@@@@@@@@@@@@@@@@@@@@@@@@@@@@@@@@@@@@@@@@@@@@@@@@@@@@@@@@@@@@@@@@@@@@@@@@@@@@@@@@@@@@@@@@@@@@@@@@@@@@@@@@@@@@@@@@@@@@@@@@@@@@@@@@@@@@@@@@@@@@@@@@@@@@@@@@@@@@@@@@@@@@@@@@@@@@@@@@@@@@@@@@@@@@@@@@@@@@@@@@@@@@@@@@@@@@@@@@@@@@@@@@@@@@@@@@@@@@@)?26X ?O26K?
?N@@@@@? N@@@@@ @@@@1? W&@@@@@@@@@@@@@@@@@@@@@@@@@@@@@@@@@@@@@@@@@@@@@@@@@?@@@@@@he@@@?fJ@@@@@@@@@@Lf@@@@@@@@@? ?@@@@@ ?W26K?h?J@@@H ?@@@@@@@@@@@@@@@@@@@@@@? @@@@@@@@@@f@@@@@@@@@5 ?@@@@@@@@@@?e?@@@@@@? ?N@@@@@@@@@@ N@@@@@ ?@@@@@fJ@@@L?fW2@@@@@? J@@@@H @@@@ J@@@@@ ?@@@@@@@@@@@5? N@@1g?@@@@@@@@@@@@@@(M?h?@@@@(M?@@@@@@@? ?I@?@M ?I40MI4@@@@@@@@@@@@@@@@@@@@@@@@@@@@@@@@@@@@@@@@@@@@@@@@@@@@@@@@@@@@@@@@@@@@@@@@@@@@@@@@@@@@@@@@@@@@@@@@@@@@@@@@@@@@@@@@@@@@@@@@@@@@@@@@@@@@@@@@@@@@@@@@@@@@@@@@@@@@@@@@@@@@@@@@@@@@@@@@@@@@@@@@@@@@@@@@@@@@@@@@@@@@@@@@@@@@@@@@@@@@@@@@@@@@@@@@@@@@@@@@@@@@@@@@@@@@@@@@@@@@@@@@@@@@@@@@@@@@@@@@@@@@@@@@@@@@@@@@@@@@@@@@@@@@@@@@@@@@@@@@@@@@@@@@@@@@@@@@@@@@@@@@@@@@@@@@@@@@@@@@@@@@@@1 ?O2@@@@@@@@@6K @@@@@6X?
@@@@@? ?@@@@@ @@@@@? 7@@@@@@@@@@@@@@@@@@@@@@@@@@@@@@@@@@@@@@@@@@@@@@@@@@@@@@@@@he@@@?f7@@@@@@@@@@1f@@@@@@@@@L ?@@@@@ O&@@@6X?g?7@@@? I4@@@?f?I4@@@@@@@@? @@@@@@@@@@f@@@@@@@@@H ?@@@@@@@@@@?e?@@@@@@? @@@@@@@@@@L? ?@@@@@ ?@@@@5f7@@@1?e?W&@@@@@@? 7@@@@? @@@@ 7@@@@5 ?@@@@@@@@@@@H? ?3@@g?3@@@@@@@@@@@@(Yhe?3@@@He@@@@@@5? I4@@@@0MI4@@@@@@@@@@@@@@@@@@@@@@@@@@@@@@@@@@@@@@@@@@@@@@@@@@@@@@@@@@@@@@@@@@@@@@@@@@@@@@@0?4@@0?4@@@@@@@@@@@@@@@@@@@@@@@@@@@@@@@@@@@@@@@@@@@@@@@@@@@@@@@@@@@@@@@@@@@@@@@@@@@@@@@@@@@@@@@@@@@@@@@@@@@@@@@@@@@@@@@@@@@@@@@@@@@@@@@@@@@@@@@@@@@@@@@@@@@@@@@@@@@@@@@@@@@@@@@@@@@@@@@@@@@@@@@@@@@@@@@@@@@@@@@@@@@@@@@@@@@@@@@@@@@@@@@@@@@@@@@@@@@@@@@@@@@@@@5hf?W2@@@@@@@@@@@@@@6X? @@@@@@1?
3@@@@L ?@@@@@L? @@@@@? ?J@@@@@@@@@@@@@@@@@@@@@@@@@@@@@@@@@@@@@@@@@@@@@@@@@@@@?@@@@@he@@@Le?J@@@@@@@@@@@@f@@@@@@@@@)X? ?3@@@@L?heW2@@@@@@@@)Kg?@@@@? I4@?g?I'@@@@@@L ?J@@@@@@@@@@f@@@@@@@@@? ?@@@@@@@@@@?e?@@@@@@? @@@@@@@@@@)X ?@@@@@ J@@@@Hf@@@@5?e?7@@@@@@@? @@@@@? @@@@ @@@@@H ?@@@@@@@@@@@ ?N@@g?V'@@@@@@@@@@(Y?he?N@@@?e@@@@@@H? ?I4@@@@@0M ?I4@@@@@0M I40MgI4@@0MI40Mg?I4@@@@@@0?40Me?I@?4@@@@@@@@@@0?@M?f?I@MI4@@0?4@@@@@@@@@@@@@@@@@@@@@@@@@@@@@@@@@@@@@@@@@@@@@@@@@@@@@@0M??I40MI@MI4@@@@@@@@@@@@@@@@@@@@@@@@@HhfW&@@@@@@@@@@@@@@@@)X ?J@@@@@@@?
N@@@@1 ?3@@@@1? 3@@@@? W&@@@@@@@@@@@@@@@@@@@@@@@@@@@@@@@@@@@@@@@@@@@@@@@@@@@@@@@@@@he@@@1e?7@@@@@@@@@@@@f@@@@@@@@@@1? ?N@@@@1?h?O&@@@@@@@@@@@@@6Ke?@@@@? N@@@@@@1 ?7@@@@@@@@@@e?J@@@@@@@@@? ?@@@@@@@@@@?e?@@@@@@? @@@@@@@@@@@)X? ?@@@@@ 7@@@5?f3@@@H?e?@@@@@@@@? @@@@@? @@@@ @@@@@? ?@@@@@@@@@@@ @@L?gV4@@@@@@@@(Y @@@?e@@@@@@ I40M ?I'@@@@?he?W&@@@@@@@@@@@@@@@@@@)X?hf?7@@@@@@@?
?3@@@@L? ?N@@@@@L N@@@@? ?W&@@@@@@@@@@@@@@@@@@@@@@@@@@@@@@@@@@@@@@@@@@@@@@@@@@@@@@@@@@@he@@@@e?@@@@@@@@@@@@@f3@@@@@@@@@@? @@@@@?g?O2@@@@@@@@@@@@@@@@@@@@@@@@L ?3@@@@@@ ?@@@@@@@@@@@e?7@@@@@@@@5? ?@@@@@@@@@@?e?@@@@@@? @@@@@@@@@@@@)X ?@@@@@ ?J@@@@H?f?@@@L?e?3@@@@@@@? ?J@@@@@? ?J@@@@ @@@@@? J@@@@@@@@@@@ 3@1?hI4@@@@@0Y? @@@L?J@@@@@@ V+M?hfW&@@@@@@@@@@@@@@@@@@@@1?hf?@@@@@@@@?
?N@@@@1? @@@@@1 ?@@@@? W&@@@@@@@@@@@@@@@@@@@@@@@@@@@@@@@@@@@@@@@@@@@@@@@@@@@@@@@@@@@@L?h@@@@e?@@@@@@@@@@@@@f?@@@@@@@@@5? @@@@@?f?W2@@@@@@@@@@@@@@@@@@@@@@@@@@)K? ?N@@@@@@ ?@@@@@@@@@@@e?@@@@@@@@@H? ?@@@@@@@@@@?e?@@@@@@? @@@@@@@@@@@@@1 ?@@@@@L? ?'@@@@g7@@@1?e?N@@@@@@@? ?7@@@@5? ?@@@@@ @@@@@? 7@@@@@@@@@@@ N@@?heI4@0M? @@@1?7@@@@@@ ?W&@@@@@@@@@@@@@@@@@@@@@@Lhf?@@@@@@@@?
@@@@@? 3@@@@@ ?@@@@L ?W&@@@@@@@@@@@@@@@@@@@@@@@@@@@@0M??I4@@@@@@@@@@@@@@@@@@@@@@@@@@@1?h@@@5e?@@@@@@@@@@@@@L?e7@@@@@@@@(Y? @@@@@?fW&@@@@@@@@@@@@@@@@@@@@@@@@@@@@@@6X @@@@@@ ?@@@@@@@@@@@e?@@@@@@@@@ ?@@@@@@@@@@?e?@@@@@@? @@@@@@@@@@@@@@ ?3@@@@1? ?V'@@@L?f3@@@5?f@@@@@@@? ?@@@@@H? ?N@@@@ @@@@5? @@@@@@@@@@@5 ?W2@@??@@L 3@@@?@@@@@@@ ?W.? ?7@@@@@@@@@@@@@@@@@@@@@@@)X?he?@@@@@@@@?
@@@@@L N@@@@@L? ?@@@@1 W&@@@@@@@@@@@@@@0M?I4@0M ?I4@@@@@@@@@@@@@@@@@e@@@@@?h@@@He?@@@@@@@@@@@@@1?e@@@@@@@@0Y @@@@@?f7@@@@@@@@@@@@@@@@@@@@@@@@@@@@@@@@)K? @@@@@@ ?@@@@@@@@@@@e?@@@@@@@@@ ?3@@@@@@@@@?e?@@@@@@? @@@@@@@@@@@@@@ ?N@@@@@? V'@@1?fN@@@H?f@@@@@@@? ?@@@@@ ?J@@@@ @@@@H? @@@@@@@@@@@H ?7@@@L?@@1 N@@@@@@@@@@@ ?.Y? ?@@@@@@@@@@@@@@@@@@@@@@@@@)Xhe?@@@@@@@5?
3@@@@1 ?3@@@@1? ?@@@@@ 7@@@@@@@@@@@0M I'@@@@@@@@@@@@@@e@@@@@Lh@@@Le?3@@@@@@@@@@@@@?e@@@@@@(M @@@@@?f@@@@@@@@@@@@@@@@@@@@@@@@@@@@@@@@@@@6X? @@@@@5 ?@@@@@@@@@@@e?3@@@@@@@@ ?N@@@@@@@@@?e?@@@@@@? @@@@@@@@@@@@@@ @@@@@? ?N@@@?f?@@@g@@@@@@@L ?@@@@@ ?7@@@@ ?J@@@@ @@@@@@@@@@@? J@@@@)X@@@ ?@@@@@@@@@@5 J@@@@@@@@@@@@@@@@@@@@@@@@@@1he?@@@@@@@H?
N@@@@@ ?N@@@@@? ?3@@@@ @@@@@@@@@(M? ?V'@@@@@@@@@@@@@e@@@@@@h3@@1e?N@@@@@@@@@@@@@?e@@@@@@H? 3@@@@Lf@@@@@@@@@@@@@@@@@@@@@@@@@@@@@@@@@@@@1? @@@@@@@@@@@@@@@@@@@H ?@@@@@@@@@@@e?N@@@@@@@@ @@@@@@@@@?e?@@@@@@? 3@@@@@@@@@@@@5 @@@@@? @@@?f?@@@g@@@@@@@1 ?@@@@@ ?@@@@5 ?7@@@@ @@@@@@@@@@@? ?W&@@@@@@@@@@@@@@@@6K? ?@@@@@@@@@@H 7@@@@@@@@0M?e?I4@@@@@@@@@@@L?h?@@@@@@@
?@@@@@L? @@@@@L ?N@@@@L? @@@@@@@@0Y V'@@@@@@@@@@@@e@@@@@Hh?@@@f@@@@@@@@@@@@5?e@@@@@5 N@@@@)KO2@@@@@@@@@@@@@@@@@@@@@@@@@@@@@@@@@@@@@@? ?J@@@@@@@@@@@@@@@@@@@? ?@@@@@@@@@@@f@@@@@@@5 @@@@@@@@@?e?3@@@@@? V'@@@@@@@@@@(Y @@@@@? @@@?f?@@@L?f@@@@@@@@ ?@@@@@ ?@@@@H ?@@@@@ ?J@@@@@@@@@@@? O&@@@@@@@@@@@@@@@@@@@@6K ?@@@@@@@@@@? @@@@@@@(M?g?I'@@@@@@@@@1?h?@@@@@@@
?@@@@@1? @@@@@1 @@@@1? ?J@@@@@@0M @6X?he?V4@@@@@@@@@@@@@@@@@@?h@@@@f3@@@@@@@@@@@H?e@@@@@H ?@@@@@@@@@@@@@@@(M?@@@@@@@@@@@@@@@@@@@@@@@@@@@@L W&@@@@@@@@@@@@@@@@@@@? ?@@@@@@@@@@@L?e@@@@@@@H @@@@@@@@@?f@@@@@? ?V'@@@@@@@@(Y? @@@@@L @@@?fJ@@@@?f@@@@@@@@ J@@@@@ ?@@@@? ?@@@@@ ?7@@@@@@@@@@5?he?O2@@@@@@@@@@@@@@@@@@@@@@@@@@6K? ?3@@@@@@@@@? @@@@@@@HheV'@@@@@@@@@Lh?@@@@@@@
?3@@@@@? 3@@@@@L? @@@@@? W&@@@@(M @@1? @@@@@@@@@@@@@@@@@?hN@@@fV'@@@@@@@@@@?W2@@@@@5? ?@@@@@@@@@@@@@@(Y??3@@@@@@@?e@@@@@@@@@@@@@@@@@1 7@@@@@@@@@@@@@@@@@@? ?@@@@@@@@@@@1?e@@@@@@@? @@@@@@@@@?e?7@@@@@? V'@@@@@@0Y @@@@@1 @@@?e?O&@@@H?f@@@@@@@@ 7@@@@5 ?@@@@? ?@@@@5 ?@@@@@@@@@@@H?h?W2@@@@@@@@@@@@@@@@@@@@@@@@@@@@@@6X? ?N@@@@@@@@5? @@@@@@@?he?V'@@@@@@@@1h?@@@@@@@
?N@@@@@L N@@@@@1? @@@@@? ?W&@@@@@H? ?J@@@Lhf?J@@@@@@@@@@@@@@@@@?h?@@@f?V4@@@@@@@@@W&@@@@@(Y? ?@@@@@@@@@@@@@0Yf@@@@@@@?e3@@@@@@@@@@@@@@@@@L? ?J@@@@@@@@@@@@@@@@@@@? ?@@@@@@@@@@@@?e@@@@@@@? @@@@@@@@@?e?@@@@@@? ?V4@@0M? @@@@@@ ?J@@@??O2@@@@@f?J@@@@@@@@ @@@@@H ?@@@@? J@@@@H J@@@@@@@@@@@heO&@@@@@@@@@@@@@@@@@@@@@@@@@@@@@@@@)X @@@@@@@@H? @@@@@@@?hfV'@@@@@@@@L?g?@@@@@@@
3@@@@1 ?@@@@@@? @@@@@? W&@@@@@@ @?fO&@@@1hf?7@@@@@@@@@@@V'@@@@Lh?@@@hfW@@@@@@@@@@H ?@@@@@@@@@@@(Mf?7@@@@@@5?eN@@@@@@@@@@@@@@@@@)K ?7@@@@@@@@@@@@@@@@0M ?3@@@@@@@@@@@?e@@@@@@5? @@@@@@@@@?e?@@@@@@? 3@@@@@ ?7@@@W2@@@@@@5f?7@@@?@@@@ @@@@@? ?@@@@? 7@@@@? 7@@@@@@@@@@@hW2@@@@@@@@@0M?f?@@?g?I4@@@@@@)X? @@@@@@@@ @@@@@@@?hf?N@@@@@@@@)Xg?@@@@@@@
N@@@@@ ?3@@@@@? 3@@@@? 7@@@@@@5 3=O2@@@@@@@@hfJ@@@@@@@@@@@@?N@@@@1h?@@@he?W&@@@@@@@@@@? J@@@@@@@@@@@H?fJ@@@@@@@H?e?@@@@@@@@@@@@@@@@@@@6X J@@@@@@@@@@@@@0M ?N@@@@@@@@@@@?e@@@@@@H? @@@@@@@@@Le?@@@@@@? N@@@@@ J@@@@@@@@@@@(Yf?@@@@?@@@@ ?J@@@@@? ?@@@@? @@@@@? @@@@@@@@@@@5h7@@@@@@@@@h?@@Lh?I4@@@@@)X 3@@@@@@@ @@@@@@@? @@@@@@@@@1g?@@@@@@@
?@@@@@L? ?N@@@@@L N@@@@? @@@@@@@H V'@@@@@@@@@@?O@?2@@@@6KO&@@@@@@@@@@@@??@@@@@h?@@@heO&@@@@@@@@@@5? 7@@@@@@@@@@@g7@@@@@@@f?@@@@?I'@@@@@@@@@@@@@)X? 7@@@@?eI4@@(M @@@@@@@@@@@?e@@@@@@ @@@@@@@@@1e?@@@@@@? ?@@@@@ 7@@@@@@@@@@(Y?f?3@@@?@@@@ ?7@@@@@? ?@@@@? @@@@@? @@@@@@@@@@@Hh@@@@@@@@@5h?3@1he?I'@@@@)X?hfN@@@@@@@ @@@@@@@? 3@@@@@@@@@L?f?@@@@@@@
?@@@@@1? 3@@@@1 ?@@@@? @@@@@@5? ?V@@@@@@@@@@@@@@@@@@@@@@@@@@@@@@@@@@@??@@@@@h?@@@L?f?O2@@@@@@@@@@@@(Y? ?J@@@@@@@@@@@@f?J@@@@@@@5f?@@@@??N@@@@@@@@@@@@@@)X @@@@@?fI(Y? @@@@@@@@@@@?e@@@@@@ @@@@@@@@@@e?3@@@@@? ?@@@@@ @@@@@@@@@@(Yh@@@?@@@@ ?@@@@@5? J@@@@? @@@@@? @@@@@@@@@@@?g?J@@@@@@@@(Yh?N@@hfV'@@@@1?hf?@@@@@@@ @@@@@@@? N@@@@@@@@@1?f?@@@@@@@
?3@@@@@? N@@@@@L? ?@@@@L @@@@@@H? @@@@@@@@@@@@@@@@@@@@@@@@@@@@@@@@@@@@@??@@@@@hJ@@@)KO2@@@@@@@@@@@@@@@@0Y W&@@@@@@@@@@@@fW&@@@@@@@HfJ@@@@?e@@@@@@@@@@@@@@@1 @@@@@? @@@@@@@@@@@?e@@@@@@ @@@@@@@@@@e?N@@@@@? ?3@@@@ @@@@@@@@@(Y?g?7@@@?@@@@L? ?@@@@@H? 7@@@@? @@@@5? @@@@@@@@@@@?g?7@@@@@@@@H?he@@L?he?N@@@@@Lhf?@@@@@@5 @@@@@@@L ?3@@@@@@@@@Lf?@@@@@@@
?N@@@@@L ?@@@@@1? ?@@@@1 ?J@@@@@@fO2@6K?heN@@@@@@@@@@@@@@@@@@@@@@@@@@@@@@@@@@@@@@@@@@@@6K?e?O&@@@@@@@@@@@@@@@@@@@@@0M 7@@@@@@@@@@@@@L??O&@@@@@@@@?f7@@@5??J@@@@@@@@@@@@@@@@ 3@@@@? @@@@@@@@@@@?e@@@@@5 @@@@@@@@@@f@@@@@? ?N@@@@L? @@@@@@@@(Yh?@@@5?@@@@1? J@@@@@ @@@@@? @@@@H? @@@@@@@@@@5?g?@@@@@@@@@hf@@1?hf3@@@@1hf?@@@@@@H @@@@@@@)K?hf?V'@@@@@@@@)K?eJ@@@@@@@
3@@@@1 ?3@@@@@? ?3@@@@ ?7@@@@@5e@@@@@@@6K?hJ@@@@?eI'@@@@@@@@@@@@@@@@@@@@@@@@@@@@@@@@@@@@@@@@@@@@@@@@@@@@@@@@@@@@@0M? @@@@@@@@@@@@@@)?2@@@@@@@@@@?e?J@@@@H??7@@@@@@@@@@@@@@@@ ?@@@@? O2@@@@@@@@@@@@@@@@@6?2@@6KeO2@@@@6?2@@@@@@@6Kf?O2@@@@@6?@K?O2@@@@@6X @@@@@@@@@@@?e@@@@@H @@@@@@@@@@f@@@@@? @@@@1? @@@@@@@(Y?h?@@@H?@@@@@? 7@@@@@ @@@@@? @@@@ ?J@@@@@@@@@@H?g?@@@@@@@@5hf@@@?hfV'@@@@L?he?@@@@@@? @@@@@@@@@6K?hfN@@@@@@@@@@6KO&@@@@@@@
N@@@@@ ?N@@@@@L ?N@@@@L? ?@@@@@@H?J@@@@@@@@@6X?f?W&@@@@?e?V'@@@@@@@@@@@@@@@@@@@@@@@@@@@@@@@@@@@@@@@@@@@@@@@@@@@@@@@@@@(M? ?J@@@@@@@@@@@@@@@@@@@@@@@@@@@?e?7@@@5eJ@@@@@@@@@@@@@@@@@ 7@@@@?hf?O2@@@@@@@@@@@@@@@@@@@@@@@@@@@@@@@@@@@@@@@@@@@@@@@@@@@@@@@@@@@@@@@@@@@@@@@@)K??O2@6Xhf@@@@@@@@@@@?e@@@@@? @@@@@@@@@@f@@@@@? @@@@@? ?J@@@@@@(Yhe?@@@e@@@@@? ?J@@@@@@e?@@@@@@? @@@@@? ?J@@@@ ?7@@@@@@@@@@hJ@@@@@@@@Hhf3@@?hf?N@@@@1?he?@@@@@@? 3@@@@@@@@@@@@6K?h?3@@@@@@@@@@@@@@@@@@@@
?@@@@@L? @@@@@1 ?J@@@@1? ?@@@@@@?W&@@@@@@@@@@)KO@e?7@@@@5?fV'@@@@@@@@@@@@@@(Y@@@@@@@@@@@@@@@@@@@@@@@@@@@@@@@@@@@@@@@@0Y ?7@@@@@@@@@@@@@@@@@@@@@@@@@@@@6K?@@@@?e7@@@@@@@@@@@@@@@@@ @@@@@LhO2@@@@@@@@@@@@@@@@@@@@@@@@@@@@@@@@@@@@@@@@@@@@@@@@@@@@@@@@@@@@@@@@@@@@@@@@@@@@@@@@@@@@@1hf@@@@@@@@@@@?e@@@@5? @@@@@@@@@@f@@@@@? @@@@@? W&@@@@@(Y?he?@@@L?@@@@@? W&@@@@@@e?@@@@@@L @@@@5? ?7@@@5 J@@@@@@@@@@@h7@@@@@@@@?hfN@@? @@@@@?he?@@@@@@? V'@@@@@@@@@@@@@@h?N@@@@@@@@@@@@@@@@@@@@
?3@@@@1? 3@@@@@ ?@@@@@@? ?@@@@@@W&@@@@@@@@@@@@@@@e?@@@@@H?f?V'@@@@@@@@@@@@@H?@@@@@@@@@@@@@@@@@@@@@@@@@@@@@@@@@@@@@@0M J@@@@@@@@@@@@@@@@@@@@@@@@@@@@@@@@@@@@)K?@@@@@@@@@@@@@@@@@@ @@@@@)K?fO2@@@@@@@@@@@@@@@@@@@@@@@@@@@@@@@@@@@@@@@@@@@@@@@@@@@@@@@@@@@@@@@@@@@@@@@@@@@@@@@@@@@@@@@@hf@@@@@@@@@@@?e@@@@H? @@@@@@@@@@f@@@@@? @@@@@?hf?W&@@@@@(Yhf?@@@@?@@@@@? 7@@@@@@@@@@@@@@@@)X? @@@@H? ?@@@@H 7@@@@@@@@@@@h@@@@@@@@5?hf?@@? @@@@@Le@6X?fJ@@@@@@? ?N@@@@@@@@@@@@@@he3@@@@@@@@@@@@@@@@@@@
?N@@@@@? N@@@@@L? ?N@@@@@? ?@@@@@@@@@@@@@@@@@@@@@@@e?3@@@5hV4@@@@@@@@@@@5e@@@@@@@@@@@@@@@@@@@@@@@@@@@@@@@@@@@0M? @@@@@@@@@@@@@@@@@@@@@@@@@@@@@@@@@@@@@@@@@@@@@@@@@@@@@@@@@@ @@@@@@@@@@@@@@@@@@@@@@@@@@@@@@@@@@@@@@@@@@@@@@@@@@@@@@@@@@@@@@@@@@@@@@@@@@@@@@@@@@@@@@@@@@@@@@@@@@@@@@hf@@@@@@@@@@@?e@@@@ @@@@@@@@@@f@@@@@? @@@@@?hfW&@@@@@@H?hf?@@@H?3@@@@? @@@@@@@@@@@@@@@@@@1? @@@@ ?@@@@? @@@@@@@@@@@@h@@@@@@@(Y?hf?3@? @@@@@1?J@@1?f7@@@@@@? 3@@@@@@@@@@@@@heV'@@@@@@@@@@@@@@@@@@
@@@@@? ?@@@@@1? @@@@@? ?@@@@@@?@@@@@@@@@@@@@@@@e?N@@@Hhe?I4@@@@@@@@He@@@@@@@@@V4@@@@@@@@@@@@@@@@@@@@@0M N@@@@@@@@@@@@@@@@@@@@@@@@@@@@@@@@@@@@@@@@@@@@@@@@@@@@@@@@5 @@@@@@@@@@@@@@@@@@@@@@@@@@@@@@@@@@@@@@@@@@@@@@@@@@@@@@@@@@@@@@@@@@@@@@@@@@@@@@@@@@@@@@@@@@@@@@@@@@@@@@L?he@@@@@@@@@@@?e@@@@ @@@@@@@@@@f@@@@@? 3@@@@Lhe?W&@@@@@@@ ?@@@eN@@@@? W2@@@@@@@@@@@@@@@@@@@@@? @@@@ ?@@@@? @@@@@@@@@@@5h@@@@@@@H ?V'? @@@@@@?7@@@?f@@@@@@@? N@@@@@@@@@@@@@he?V'@@@@@@@@@@@@@@@@@
@@@@@L ?@@@@@@? @@@@@? ?@@@@@@?@@@@@@@@@@@@@@@@e?J@@@? ?@@@@@5?e@@@@@@@@@??I'@@@@@@@@@@@@@@@@@0M ?@@@@@@@@@@@@@@@@@@@@@@@@@@@@@@@@@@@@@@@@@@@@@@@@@@@@@@@@? ?W2@@@@@@@@@@@@@@@@@@@@@@@@@@@@@@@@0?40M?I40M?I40MI4@0M?eI40MeI4@@0?@Mh?I4@@@@@@@@@@@@@@@@@@@@@@@)Xhe@@@@@@@@@@@?e@@@@ @@@@@@@@@@f@@@@@? N@@@@1heW&@@@@@@@@ ?@@@e?@@@@? ?O&@@@@@@@@@@@@@@@@@@@@@@? @@@@ ?@@@@? @@@@@@@@@@@Hh@@@@@@@? @@@@@@?@@@5?f@@@@@@@? ?@@@@@@@@@@@@@hfV'@@@@@@@@@@@@@@@@
3@@@@1 ?3@@@@@? @@@@@? ?@@@@@@?3@@@@@@@@@@@@@@@L?W&@@@? ?@@@@@H?e@@@@@@@@@?eN@@@@@@0MI4@@@@@@? ?3@@@@@@@@@@@@@@@@(Me?I4@@@@@@@@@@@@@@@@@@@@@@@@@@@@@@@@1 W&@@@@@@@@@@@@(?'@@@(MeI@M? ?I4@@@@@@1he@@@@@@@@@@@?e@@@@ @@@@@@@@@@f@@@@@? ?@@@@@h?W&@@@@@@@@@ ?@@@e?@@@@?he?O2@@@@@@@@@@@@@@@@@@@@@@@@@@@@@@? @@@@ ?@@@@? @@@@@@@@@@@?h@@@@@@@? @@@@@@@@@0Y?e?J@@@@@@@? I'@@@@@@@@@@hf?V'@@@@@@@@@@@@@@@
N@@@@@ ?N@@@@@L @@@@@? ?@@@@@@?V'@@@@@@@@@@0Y@@)?&@@@@? ?@@@@5f@@@@@@@@@?e?@@@@@h@@@? ?N@@@@@@@@@@@@@@@(Y?f?I'@@@@@@@@@@@@@@@@@@@@@@@@@@@@@@@ ?O&@@@@@@@@@@@@(Y?V'@@H? @@@@@@he@@@@@@@@@@@?e@@@@ @@@@@@@@@@f@@@@@? ?@@@@@hW&@@@@@@@@@@ ?@@@e?@@@@?gO2@@@@@@@@@@@@@@@@@@@@@@@@@@@@@@@@@@@? @@@@ J@@@@? @@@@@@@@@@@?h@@@@@@@? @@@@@@@@g?7@@@@@@@? ?V4@@@@@@@@@ V4@@@@@@@@@@@@@@
?@@@@@L? 3@@@@1 3@@@@L ?3@@@@@??V'@@@@@@@0Me3@@@@@@@@? J@@@@Hf@@@@@@@@@?e?@@@@@h@@@? @@@@@@@@@@@@@@0Yh?@@@@@@@@@@@@@@@@@@@@@@@@@@@@@@@L? ?O2@@@@@@@@@@@@@0Ye?V4@ @@@@@@he@@@@@@@@@@@?e@@@5 @@@@@@@@@@f@@@@@? ?@@@@@g?W&@@@@@@@@@@@ J@@@e?@@@@?e?O2@@@@@@@@@@@@@@@@@@@@@@@@@@@@@@@@@@@@@@? ?J@@@@ 7@@@5? @@@@@@@@@@@?h3@@@@@@? ?J@@@@@@@5g?@@@@@@@@? ?I4@@@@@ I4@@@@@@@@@@@@
?@@@@@1? N@@@@@L? N@@@@1 ?N@@@@@?eN@@(M?gN@@@@@@@@? 7@@@@?f3@@@@@@@@Le?@@@@@h@@@? @@@@@@@@@@@@he?W&@@@@@@@@@@@@@@@@@@@@@@@@@@@@@@@1? ?W2@@@@@@@@@@@@@0M @@@@@@he@@@@@@@@@@@?e@@@H @@@@@@@@@@f@@@@@? ?@@@@@gW&@@@@@@@@@@@@ 7@@@e?@@@@@@@@@@@@@@@@@@@@@@@@@@@@@@@@@@@@@@@@@@@@@@@@? ?7@@@@ @@@@H? ?J@@@@@@@@@@5?hN@@@@@@@@? ?7@@@@@@(Yg?@@@@@@@@L ?I40M? I4@@@@@@@@@@
?3@@@@@? ?@@@@@1? ?@@@@@ @@@@@?e?@@?h?@@@@(M? ?J@@@@5?fN@@@@@@@@1e?@@@@@h@@5? @@@@@@@@@@@@heO&@@@@@@@@@@@@@@@@@@@@@@@@@@@@@@@@@? O&@@@@@@@@@@@0M? @@@@@@he3@@@@@@@@@@?e@@@? @@@@@@@@@@L?e@@@@@? ?3@@@@L?f7@@@@@@0Y@@@@@ @@@@e?@@@@@@@@@@@@@@@@@@@@@@@@@@@@@@@@@@@@@@@@@@@@@@@@L ?@@@@@ @@@@ ?7@@@@@@@@@@H?h?@@@@@@@@L ?@@@@@@(Y?g?@@@@@@@@1
?N@@@@@? ?@@@@@@? ?@@@@@ @@@@@?eJ@@1heI40Y ?7@@@@H?f?@@@@@@@@@e?@@@@@h@@H? @@@@@@@@@@@@e?@@@@@@@@@@@@@@@@@@?fI'@@@@@@@@@@@@@@@@@? W2@@@@@@@@@@@(M? @@@@@@heN@@@@@@@@@@? @@@@@@@@@@1?e@@@@@? ?N@@@@1?e?J@@@@@(M??@@@@@ @@@@@@@@@@@@@@@@@@@@@@@@@@@@@@@@@@@@@@@@@@@@@@@@@@@@@@@1 ?@@@@@ @@@@ ?@@@@@@@@@@@he?@@@@@@@@1 ?@@@@@@Hh?@@@@@@@@@
@@@@@L ?@@@@@@L ?@@@@@ @@@@@Le7@@@ J@@@@@L?f?@@@@@@@@@e?@@@@@L?g@@L? @@@@@@@@@@@5eJ@@@@@@@@@@@@@@@@@@Lf?V'@@@@@@@@@@@@@@@@? ?W&@@@@@@@@@@@0Y @@@@@@L?h?@@@@@@@@@@? @@@@@@@@@@@?e@@@@@? @@@@@?eW&@@@@(Ye?@@@@@hf?J@@@@@@@@@@@@@@@@@@@@@@@@@@@@@@@@@@@@@@@@@@@@@@@@@@@@@@@@ ?@@@@5 @@@@ ?@@@@@@@@@@@he?3@@@@@@@@ J@@@@@5?h?@@@@@@@@@L?
3@@@@1 ?3@@@@@1 ?@@@@@ @@@@@1e3@@@ 7@@@@@)Xf?@@@@@@@@@e?@@@@@1?g@@1? @@@@@@@@@@0Y?W&@@@@@@@@@@@@@@@@@@)X?fV'@@@@@@@@@@@@@@@? O&@@@@@@@@@@0M @@@@@@)XhJ@@@@@@@@@@? @@@@@@@@@@@??J@@@@@? @@@@@??W&@@@@(Y?e?@@@@5hfW&@@@@@@@@@@@@@@@@@@@@@@@@@@@@@@@@@@@@@@@@@@(Mf?@@@@@@@ ?@@@@H @@@5 J@@@@@@@@@@@he?N@@@@@@@@L? ?O&@@@@@H?hJ@@@@@@@@@1?
N@@@@@ ?N@@@@@@ ?@@@@@L? @@@@@@eN@@@ @@@@@@@)X?e?@@@@@@@@@e?3@@@@@?g3@@? @@@@@@@@0Me?7@@@@@@@@@@@@@@@@@@@@)Xf?V'@@@@@@@@@@@@@5? W2@@@@@@@@@@(M @@@@@@@1h@@@@@@@@@@@? @@@@@@@@@@@??@@@@@@? @@@@@?O&@@@@@Hf?3@@@Hhe?W&@@@@@@@@@@@@@@@@@@@@@@@@@@@@@@@@0M?I'@@@@@(Y?f?@@@@@@@ J@@@@L ?J@@@H 7@@@@@@@@@@5hf@@@@@@@@)K ?W2@@@@@@5he7@@@@@@@@@@? ?@@@
?@@@@@L? 3@@@@@L? ?3@@@@1? @@@@@@e?@@@ ?J@@@@@@@@1?e?@@@@@@@@@e?N@@@@@?gN@@? ?J@@@@@@gJ@@@@@@@@@@@@@@@@@@@@@@)X?fV'@@@@@@@@@@@@H? ?W&@@@@@@@@@@(Y? @@@@@@@@hN@@@@@@@@@@? @@@@@@@@@@@??N@@@@@? @@@@@@@@@@@@5?f?N@@@?heO&@@@@@@@@@@@@@@@@@@@@@@@@@@0Mh?N@@@@@Hg?@@@@@@@ @@@@@@ ?7@@@? @@@@@@@@@@@Hhf3@@@@@@@@@6K O&@@@@@@@Hhe@@@@@@@V'@@? I@f@?
?3@@@@1? N@@@@@1? ?N@@@@@? @@@@@@e?@@@ W&@@@@@@@@@?e?@@@@@@@@@f@@@@@?g?@@? ?7@@@@@5g7@@@@@@@@@@@@@@@@@@@@@@@)Xf?V4@@@@@@@@@@@ O&@@@@@@@@@@(Y @@@@@@@@h?@@@@@@@@@@? 3@@@@@@@@@5?e@@@@@? @@@@@@@@@@@(Y?g@@@?hW2@@@@@@@@@@@@@@@@@@@@@@0?@Mhf?J@@@@@?g?3@@@@@@ N@@@@H ?@@@@? @@@@@@@@@@@?hfV'@@@@@@@@@@@6K? O2@@@@@@@@5?he@@@@@@5?N@@L @?
?N@@@@@L ?@@@@@@? @@@@@? @@@@@@e?@@@ 7@@@@@@@@@@?e?@@@@@@@@@f@@@@@?g?@@? ?@@@@@@Hf?J@@@@@@@@@@@@@@@@@@@@@@@@@)X?f?I'@@@@@@@@@ W2@@@@@@@@@@@0Y? @@@@@@@@h?@@@@@@@@@@? N@@@@@@@@@H?e@@@@@? @@@@@@@@@@@Hh@@@?g?O&@@@@@@@@@@@@@@@@@@@@@0M ?7@@@@@?g?N@@@@@5 J@@@@? ?@@@@? @@@@@@@@@@@?hf?V'@@@@@@@@@@@@@6KhO2@@@@@@@@@@@@H?he@@@@@@H??@@1
@@@@@1 ?3@@@@@L @@@@@? @@@@@@e?@@@ W&h?J@@@@@@@@@@5?e?@@@@@@@@@f@@@@@Lg?@@? ?@@@@@@?fO&@@@@@@@@@0M?e@@@@@@@@@@@@1?gN@@@@@@@@@ 7@@@@@@@@@@(M? 3@@@@@@@h?@@@@@@@@@@? ?@@@@@@@@@f@@@@@? @@@@@@@@@@5?h@@@?f?W2@@@@@@@@@@@@@@@@@@@(M ?@@@@@@?h@@@@@H 7@@@@? ?@@@@? ?J@@@@@@@@@@@? V'@@@@@@@@@@@@@@@@@@@@@@@@@@@@@@@@@@@5hf@@@@@@e?3@@L?
3@@@@@ ?N@@@@@1 @@@@@? @@@@@@@@@@@@he?@6K?O&@L?g?7@@@@@@@@@(Y?e?3@@@@@@@@f@@@@@1g?@5? ?@@@@@@??W2@@@@@@@@@@@g@@@@@@@@@@@@@Lg?@@@@@@@@@ ?J@@@@@@@@@@@H N@@@@@@@h?@@@@@@@@@@? ?@@@@@@@@@L?e@@@@@? @@@@@@@@@(Y?h@@@?fO&@@@@@@@@@@@@@@@@@@@@H? ?W2@@@@@@@@Lf?W2@@@@@@? @@@@@? ?@@@@? ?7@@@@@@@@@@@? ?V'@@@@@@@@@@@@@@@@@@@@@@@@@@@@@@@@@(Yhe?J@@@@@5e?N@@1?
N@@@@@ @@@@@@L? 3@@@@L @@@@@@@@@@@@he?N@@@@@@)KgJ@@@@@@@@@@?f?N@@@@@@@@f@@@@@@g?(Y? ?@@@@@@??7@@@@@@@@@@@5g@@@@@@@@@@@@@)X?f?3@@@@@@@@ ?7@@@@@@@@@@@? @6K? ?@@@@@@@h?@@@@@@@@@@? ?@@@@@@@@@1?e@@@@5? @@@@@@@@(Yhe@@@??O2@@@@@@@@@@@@@@@@0?'@@@@ O&@@@@@@@@@)X?e?7@@@@@@@? @@@@5? ?@@@@? ?@@@@@@@@@@@@? V'@@@@@@@@@@@@@@@@@@@@@@@@@@@@@@@(Y?he?7@@@@@Hf@@@?
?@@@@@L? 3@@@@@1? N@@@@1 @@@@@@@@@@@@hf@@@@@@@@@@6K?O&@@@@(?'@@@1g@@@@@@@@L?e@@@@@@ ?@@@@@5??@@@@@@@@@@@(Yg@@@@@@@@@@@@@@1?f?N@@@@@@@5 ?@@@@@@@@@(M @@@@@6X? ?@@@@@@@h?@@@@@@@@@@? ?@@@@@@@@@@?e@@@@H? @@@@@@@(Y?he@@@W2@@@@@@@@@@@@@@(M?e?N@@@@ W2@@@@@@@@@@@@)XeJ@@@@@@@@? @@@@ J@@@5? ?@@@@@@@@@@@5? ?N@@@@@@@@@@@@@@@@@@@@@@@@@@@@@@0Yhf?@@@@@@?f@@@?
?3@@@@1? N@@@@@@? ?@@@@@ @@@@@@@@@@@@L?g?W2@@@@@@@@@@@@@@@@@@@@H?V'@@@L?f@@@@@@@@1?e3@@@@5 ?@@@@@eJ@@@@@@@@@@@H?f?J@@@(M?I'@@@@@@@Lf?J@@@@@@@H ?@@@@@@@@(Y? @@@@@@1? @@ ?@@@@@@@h?@@@@@@@@@@? ?@@@@@@@@@@?e@@@@ @@@@@@@Hhf@@@@@@@@@@@@@@@@@@0Yg@@@@ 7@@@@@@@@@@@@@@)KO&@@@@@@@@L @@@@@? 7@@@H? ?@@@@@@@@@@@H? 3@@@@@@@@@@@@@@@@@@@@@@@@@@@(M ?@@@@@@?f@@@L
?N@@@@@L ?@@@@@@? ?@@@@@ @@@@@@@@@@@@1?gW&@@@@@@@@@@@@@@@@@@@@@?eV'@@)Xf@@@@@@@@@?eN@@@@H ?3@@@@1?7@@@@@@@@@@5g?7@@@He?N@@@@@@@)X?e?7@@@@@@@? J@@@@@@@@H @@@@@@@? @@hf?W&KO26X ?@@@@@@@h?@@@@@@@@@@? ?@@@@@@@@@@?e@@@@ ?J@@@@@@@?he?J@@@@@@@@@@@@@@@@0Mh@@@@ @@@@@@@@@@@@@@@@@@@@@@@@@@@@ @@@@H? @@@@ ?@@@@@@@@@@@ V4@@@@@@@@@@@@@@@@@@@@@@@@@(Y? ?@@@@@@?f3@@1
@@@@@1 ?3@@@@@L ?@@@@@ @@@@@@@@@@@@@?f?W&@@@@@@@@@@@@@@@@@@@@@@?e?N@@@1f@@@@@@@@@?e?@@@@? ?N@@@@@?@@@@@@@@@@(Yg?@@@@?f3@@@@@@@)Xe?@@@@@@@@?hf?W&@@@@@@@5? 3@@@@? @@fW&gW&@@@@@)X? ?@@@@@@@h?@@@@@@@@@@? ?@@@@@@@@@@?e@@@@ ?7@@@@@@@?he?7@@@@@@@@@@@@@@0Mhe@@@@ @@@@@@@@@@@@@@@@@@@@@@@@@@@H @@@@L? @@@@ J@@@@@@@@@@@ I4@@@@@@@@@@@@@@@@@@@@@@0Y J@@@@@@?fN@@@L?
3@@@@@ ?N@@@@@1 ?@@@@@ 3@@@@@@?@@@@@?fW&@@@@@@@@@@@@@@@@@@@@@@@?f3@@@f@@@@@@@@@?e?@@@@? @@@@@@@@@@@@@@@(Y?g?@@@5?fN@@@@@@@@1e?@@@@@@@@?hfW&@@@@@@@@H? N@@@@? @@f7@f?W&@eI'@@)X ?W2@@?f?@@@@@@@h?@@@@@@@@@@? ?@@@@@@@@@@?e@@@@ J@@@@@@@@?heJ@@@@@@@@@@@@@(Mhf@@@@L?hf?J@@@@@@@@@@@@@@@@@@@@@@@@@@@? @@@@1? @@@@ 7@@@@@@@@@@@ ?I'@@@@@@@@@@@@@@@@@0M 7@@@@@@Lf?@@@)X
N@@@@@ @@@@@@L? ?3@@@@ N@@@@@@?@@@@@?e?W&@@@@@@@@@@@@@@??I'@@@@@@?fV4@@f@@@@@@@@@?e?@@@@? @@@@@@@@@@@@@@(YhJ@@@H?f?3@@@@@@@@e?@@@@@@@@?hf7@@@@@@@@5 ?@@@@Lh@6K? @@f3@fW&@5e?V'@@1 ?*@@@?f?@@@@@@@h?@@@@@@@@@@L ?@@@@@@@@@@?e@@@@ ?W&@@@@@@@@?he7@@@@@@@@@@@@(Y?hf3@@@1?hf?7@@@@@@@@@@@@@@@@@@@@@@@0M? @@@@5? @@@5 @@@@@@@@@@@5 V'@@@@@@@@@@@@@@0M @@@@@@@@f?@@@@)X?
?@@@@@L? 3@@@@@1? ?N@@@@ J@@@@@@?@@@@@?e?7@@@@@@@@@@@@@@@?eN@@@@@@??O)Xh@@@@@@@@@?e?@@@@? 3@@@@@@@@@@@@@H?h7@@@g?N@@@@@@@@@@@@@@@@@@@?he?J@@@@@@@@(Y ?@@@@@h@@@6X? @@L?eN@f7@@HfN@@@L? ?N@@@?f?@@@@@@@h?@@@@@@@@@@@ ?@@@@@@@@@@?e@@@@L? W&@@@@@@@@@?he@@@@@@@@@@@@0Y N@@@@?hf?@@@@@@@@@@@@@@@@@@@@@(M @@@@H? @@@H ?J@@@@@@@@@@@H ?V4@@@@@@@@@@0M? @@@@@@@Hf?@@@@@)X
?3@@@@1? N@@@@@@? @@@@L? 7@@@@@@?@@@@5?eJ@@@@@@@@@@@@@@@@?e?@@@@@@@@@@1h@@@@@@@@@?e?@@@@? N@@@@@@@@@@@@@he@@@@h@@@@@@@@@@@@@@@@@@5?he?7@@@@@@@(Y? ?@@@h?J@@@@)X @@1?e?@L??J@@5?f?3@@1? @@@?f?@@@@@@@h?@@@@@@@@@@H ?@@@@@@@@@5?e@@@@1? ?W&@@@@@@@@@@Lg?W2@@@@@@@@@@@0M ?@@@@?hf?3@@@@@@@@@@@@@@@@@@@(Y? @@@@ ?J@@@? ?7@@@@@@@@@@@? ?I4@@@@0M? @@@@@@5?f?@@@@@@1
?N@@@@@? ?@@@@@@? @@@@1? @@@@@@@?3@@@H?e7@@@@@@@@@@@@@@@@Le?@@@@@@@@@@@h@@@@@@@@@?e?@@@@? ?@@@@@@@@@@@@@h?J@@@@h@@@@@@@@@@@@@@@@@@H?he?@@@@@@@@H J@@@h?7@@@@@)K?e?O2@g@@@?e?@1??7@@H?f?V'@@? @@@?f?@@@@@@@h?@@@@@@@@@@? ?@@@@@@@@@H?e@@@@@? ?7@@@@@@@@@@@1gO&@@@@@@@@@@(M ?@@@@?hf?N@@@@@@@@@@@@@@@@@@(Y ?J@@@@ ?7@@@? ?@@@@@@@@@@@@? ?J@@@@@@H?f?@@@@@@5
@@@@@L ?3@@@@@L @@@@@? 3@@@@@@?V4@@e?J@@@@@@@@@0M?I'@@@)?2@@@??I'@@@@@h@@@@@@@@@?e?@@@@L ?O2@@@@@6K ?@@@@@@? I'@@@@@@@@@@h?7@@@5h@@@@@@@@?@@@@@@@@@hfJ@@@@@@@5?hf?W2@g?W&@@5h?@@@@@@@@6KO2@@@g3@@?e?@@?J@@5hN@@? @@5?f?@@@@@@@h?3@@@@@@@@@L ?@@@@@@@@@L?e@@@@5? ?@@@@@(?'@@@@@e?W2@@@@@@@@@@@@0Y? ?@@@5? 3@@@@@@@@@@@@@@@@@H? ?7@@@@ ?@@@@? ?3@@@@@@@@@@5? ?7@@@@@@g?@@@@@@H
3@@@@1 ?N@@@@@1 @@@@@? N@@@@@@?g?7@@@@@@@0M?e?N@@@@@@@@5?eV'@@@@h@@@@@@@@@?e?@@@@1 ?W2@@@@@@@@@@@@6K? ?@@@@@@L ?N@@@@@@@@@@hJ@@@@Hg?J@@@@@@@@@@@@@@@@@@hf7@@@@@@@H?hfW&@@gW&@@@Hh?@@@@@@@@@@@@@hN@@?e?@@?7@@Hh?3@? @0Y?f?@@@@@@@he@@@@@@@@@)X? ?@@@@@@@@@1?e@@@@H? J@@@@(Y?N@@@@@eW&@@@@@@@@@@@(M? ?@@@ N@@@@@@@@@@@@@@@@5 ?@@@@@ ?@@@@? ?N@@@@@@@@@@H? ?@@@@@@@g?3@@@@5?
N@@@@@ 3@@@@@ 3@@@@? ?@@@@@@?g?@@@@@@?h@@@@@@@@H?e?V'@@@L?g3@@@@@@@@?e?3@@@@ W&@@@@@@@@@@@@@@@6X? J@@@@@@1 @@@@@@@@@@g?W&@@@@?g?7@@@@@@@?@@@@@@@@@5hf@@@@@@@5hf?O&@@@g7@@@@?h?@@@@@@@@@@@@5h?@@?e?3@?@@@?h?N@? ?@@@@@@@h?7@@@@@@@@@@1? ?@@@@@@@@@@?e@@@@ ?O&@@@(Ye?@@@@@?O&@@@@@@@@@@@0Y ?@@@1? ?3@@@@@@@@@@@@@@@H ?@@@@@ ?@@@@? @@@@@@@@@@ J@@@@@@5g?N@@@@H?
?@@@@@L? N@@@@@L? N@@@@? ?@@@@@@?g?@@@@@5?h@@@@@@@5gV'@@1?gN@@@@@@@@?e?N@@@@ ?W&@@@@@@@@@@@@@@@@@)X 7@@@@@@@ @@@@@@@@@@?O@KeO&@@@@@?g?@@@@@@@@@@@@@@@@@(Yhf@@@@@@@Hhe?O2@@@@5f?J@@@@@?h?3@@@@@@@@@@@?h?@@?e?N@@@@5?he@? ?@@@@@@@h?3@@@@@@@@@@@? ?@@@@@@@@@@?e@@@@ ?W2@@@@@H?e?@@@@@@@@@@@@@@@@@(M ?@@@@? ?V4@@@@@@@@@@@@@5? ?@@@@@ ?@@@5? @@@@@@@@@@ @@6X 7@@@@@@Hh@@@@
?@@@@@1? ?@@@@@1? ?@@@@L ?@@@@@@?g?@@@@@H?h@@@@@@@Hg?N@@@Lg?@@@@@@@@?f@@@@ W&@@@@@@@@@@@@@@@@@@@)X?hf@@@@@@@@ ?J@@@@@@@@@@@@@@@@@@@@@@@?gJ@@@@@@@@@@@@@@@@@H?hf@@@@@@5?g?W&?2@@@@@(YfW&@@@@5?h?N@@@@@@@@@@@)X?g?@@?f@@@@H? @? ?@@@@@@@h?N@@@@@@@@@@@? ?@@@@@@@@@@?e@@@@ ?7@@@@@5f?@@@@@@@@@@@@@@@@0Y? ?@@@@? ?I40M??@@@@@@@H? ?@@@@@ ?@@@ 3@@@@@@@@@L? @@@1 @@@@@@@?h3@@5
?3@@@@@L ?@@@@@@? ?@@@@1 ?@@@@@@?gJ@@@@5he@@@@@@5?h3@@1g?@@@@@@@@?f@@@@ ?W&@@@@@@@@@@@@@@@@@@@@@)Xhf3@@@@@@@ ?7@@@@@@@@@@@@@@@@@@@@@@@Lg7@@@@@@@@@@@@@@@@5hf?J@@@@@@H?gW&@@@@@@@0Y?f&0?4@0Y?h?J@@@@@@@@@@@@)Xg?@@?f@@@@ @?e/X ?@@@@@@@he@@@@@@@@@@@? ?@@@@@@@@@@?e@@@@ J@@@@@(Yf?@@@@@@@@@@@@@@(M? ?@@@@? ?@@@@@@@ ?@@@@@ ?@@@@? N@@@@@@@@@1? @@@@ @@@@@@5?hN@@H
?N@@@@@1 ?3@@@@@? ?@@@@@ ?@@@@@@?f?W&@@@@Hhe@@@@@@H?hN@@@L?f?@@@@@@@@?f@@@@ ?7@@@@@@@@@@@@@@@@@@@@@@@1hf?@@@@@@5 ?@@@@@@@@@@@@@@@@@@@@@@@@)K?e?J@@@@@@@@@@@@@@@@(Yhf?7@@@@@5h7@@@@@@0M? W&@@@@@@@@@@@@@)X?f?@@?f@0M? @@g@?eN)X? ?@@@@@@@he@@@@@@@@@@5? ?@@@@@@@@@@?e@@@@ ?W&@@@@(Y?f?@@@@@@@@@@@@@0Y ?@@@@? ?@@@@@@5 ?@@@@5 J@@@H? ?@@@@@@@@@5? @@@@ @@@@@@H?hJ@5?
3@@@@@ ?N@@@@@L ?@@@@@ ?3@@@@@Lf?7@@@@@?he@@@@@5he?@@@1?fJ@@@@@@@@?f@@@@ J@@@@@@@@@@@@@@@@@@@@@@@@@L?he7@@@@@@H ?@@@@@@@@@@@@@@@@@@@@@@@@@@6K?O&@@@@@@@@@@@@@@@(Y?hfJ@@@@@@Hh@@@@@(M? ?W&@@@@@@@@@@@@@@@)XfJ@@? 3@g@Le?31? ?@@@@@@@he@@@@@@@@@@H? ?@@@@@@@@@@?e@@@@ W&@@@@@Hg?@@@@@@@@@@@(M ?@@@@? ?@@@@@@? ?@@@@H 7@@@ ?@@@@@@@@@H? 3@@@ @@@@@@he7@H?
N@@@@@ @@@@@1 ?3@@@@ ?N@@@@@)K?e?@@@@@@?he@@@@@Hh@6X@@@@Lf7@@@@@@@@?f@@@@L? 7@@@@@@@@@@@@@@@@@@@@@@@@@)Xhe@@@@@@@? ?@@@@@@@@@@@@@@@@@@@@@@@@@@@@@@@@@@@@@@@@@@@@@(Y 7@@@@@@?g?J@@@@(YgW& ?7@@@@@@@@@@@@@@@@@)K??W&@@? N@g@1e?V'? ?@@@@@@@he@@@@@@@@@@L? ?@@@@@@@@@@?e@@@@ 7@@@@@5?g?@@@@@@@@@@(Y? ?@@@@? ?@@@@@@1 ?@@@@? @@@@ ?@@@@@@@@@ N@@@L? @@@@@@he@@
?@@@@@L? 3@@@@@L? ?N@@@@ @@@@@@@@@@@@@@@@@?he@@@@@?g?J@@@@@@@)K?e@@@@@@@@@?f3@@@1? @@@@@@@@@(?4@@@@@@@@@@@@@@@1he@@@@@@@L ?@@@@@@@@@@@@@@@@@@@@@@@@@@@@@@@@@@@@@@@@@@@@0Y? @@@@@@5?g?7@@@(Y?f?W&5 ?@@@@@@@@@@@@@@@@@@@@6?&@@@? ?@g3@ ?@@@@@@@he@@@@@@@@@@1? ?@@@@@@@@@@?e@@@@ @@@@@@H?gJ@@@@@@@@@(Y ?@@@@? ?@@@@@@@@@ ?@@@@? @@@@ ?@@@@@@@@@he?O@K J@@@)Khf?J@@@@@5he@5
?@@@@@1? N@@@@@1? @@@@L? @@@@@@@@@@@@@@@@@?h?J@@@@@?gO&@@@@@@@@@@@@@@@@@@@@@?fN@@@@? @@@@@@@@0YgI'@@@@@@@@@@L?h@@@@@@@1 ?@@@@@@@@@@@@@@@@@@@@@@@@@@@@@@@@@@@@@@@@@(M @@@@@@H?g?3@@@HgO&(Y J@@@@@@@@@@@@@@@@@@@@@@@@@@? N@ ?@@@@@@@he@@@@@@@@@@@? ?@@@@@@@@@@?e@@@@ ?J@@@@@5g?W&@@@@@@@@(Y? ?@@@@L ?@@@@@@@@@L? ?@@@@? @@@5 ?@@@@@@@@@h?W2@@@@@6K ?W&@@@@@6Khe?7@@@@@Hhe@H
?3@@@@@? ?@@@@@@? @@@@1? @@@@@@@@@@@@@@@@@@6KgO&@@@@@@@@@@@@@@@@@@@@@@@@@@@@@@@@@@@Lf?@@@@? @@@@@@@?h?V'@@@@@@@@@1?h@@@@@@@5 ?@@@@@@@@@@@@@@@@@@@@@@@@@@@@@@@@@@@@@@@@0Y? @@@@@@h?N@@@?f?@@@H? ?W&@@@@@@@@@@@@@@@@@@@@@@@@@@? ?@L? ?@@@@@@@he@@@@@@@@@@@? ?@@@@@@@@@@?e@@@@ O&@@@@(YgW&@@@@@@@@0Y ?@@@@1 ?@M?@@@@@@)K J@@@@? @@@H ?@@@@@@@@@L?gW&@@@@@@@@@? W&@@@@@@@@6Xh?@@@@@@?he@?
?N@@@@@? ?3@@@@@L @@@@@? @@@@@@@@@@@@@@@@@@@@@6X?'@@@@@@@@@@@@@@@@@@@@@@@@@(Me?@@@@@@@@1f?@@@@? @@@@@@@?heV'@@@@@@@@@Lh@@@@@@@H J@@@@@@@@@@@@@@@@@@@@@@@@@@@@@@@@@@@@@@? @@@@@@h?J@@5?fJ@@5 W&@@@@@@@@@@@@@@@@@@@@@@@@@@@? ?@1? ?@@@@@@@he@@@@@@@@@@@? ?@@@@@@@@@@?e@@@@ ?@@@@@@@H?f?W&@@@@@@@@? ?@@@@@ @@@@@@@@6X 7@@@@? ?J@@@? ?3@@@@@@@@1?g7@@@@@@@@@@L 7@@@@@@@@@@1h?@@@@@@?
3@@@@L ?N@@@@@1 @@@@@? @@@@@@@@@@@@@@@@@@@@@@@@)?V4@@@@@@(Mg@@@@@@@@@@H?e?@@@@@@@@@f?@@@@? @@@@@@5?he?N@@@@@@@@@1h@@@@@@@L 7@@@@@@@@@@@@@@@@@@@@@@@@@@@@@@@@@@@@@5? @@@@@@h?7@@H?e?O&@(Y ?W&@@@@@@@@@@@@@@@@@@@@@@@@@@@5?@@6K ?@f?3@? ?@@@@@@@he@@@@@@@@@@@? ?@@@@@@@@@@?e@@@@ ?@@@@@@5g?7@@@@@@@@@? ?@@@@@ @@@@@@@@@)K? @@@@@? ?7@@@? ?V'@@@@@@@@?f?J@@@@@@@@@@@1 ?J@@@@@@@@@@@@hJ@@@@@5?
N@@@@1 @@@@@@ 3@@@@? ?J@@@@@@@@@@@@@@@@@@@@@@@@g@@@@H?g@@@@@@@@@5f?3@@@@@@@@f?@@@@? @@@@@@H?hf3@@@@@@@@@L?g@@@@@@@1 @@@@@@@@@@@@@@@@@@@@@@@@@@@@@@@@@@@@@@H? @@@@@@h?@@@e?W2@@(Y? ?7@@@@@@@@@@@@@@@@@@@@@@@@@@@@e@@@@6X ?N@L ?3@@@@@@he@@@@@@@@@@@? ?@@@@@@@@@@?e@@@@ J@@@@@(Yg?@@@@@@@@@@? ?@@@@@ @@e@@@@@@@@@@@6X? @@@@@? ?@@@@? N@@@@@@@@?f?7@@@@@@@@@@@@ ?7@@@@@@@@@@@@L?g7@@@@@H?
?@@@@@L? 3@@@@@L? N@@@@L ?@@@@@@@@@@@0MI'@@@@@@@@@@)Xf@@@@g?J@@@@@@@@@Hg@@@@@@@@f?@@@@? ?J@@@@@@ N@@@@@@@@@)Xg@@@@@@@5 @@@@@@@@@@@@@@@@@@@@@@@@@@@@@@@@@@@@@@ @@@@@@?O26K?e?@@@L??7@@(Y J(M?eI4@@@@@@@@@@@@@@0M?I4@@@)K?I'@@)X? @1 ?N@@@@@@he@@@@@@@@@@@? ?@@@@@@@@@@?e@@@@L? O2@@@@@@@@6Kh7@@@@@H?gJ@@@@@@@@@@? ?@@@@@ 3@@@@@@@@@@@)K @@@@@? ?@@@@? ?@@@@@@@@Lf?@@@@@@@@@@@@@L? ?@@@@@@@@@@@@@@?g@@@@@@
?3@@@@1? N@@@@@1? ?@@@@1 I'@@@@@@(Me?V'@@@@@@@@@@)K?e@@@@L?fW&@@@@@@@@@?f?7@@@@@@@@f?@@@@? ?@@@@@@@ ?3@@@@@@@@@1g@@@@@@@H @@@@@@@@@V'@@@@@@@@@@@@@@@@@@@@@@@@@@@ @@@@@@@@@@@@@@@@@@)K?@@(Y? ?W&Hg?I@?40M??I4@0Mf?I4@@@6KS@@@)X /Xf@@L? @@@@@@he@@@@@@@@@@@? ?@@@@@@@@@@?e@@@@1? W2@@@@@@@@@@@@@@@6X?f@@@@@5g?W&@@@@@@@@@@? ?@@@@@ N@@@@@@@@@@@@@6X @@@@@? ?@@@5? ?@@@@@@@@1f?@@@@@@@@@@@@@1? ?@@@@@@@@@@@@@H?g@@@@@@
?N@@@@@? ?@@@@@@? ?@@@@@ ?N@@@@@@H?fN@@@@@@@@@@@@@@@@@@@)Ke?O&@@@@@@@@@@?f?@@@@@@@@@f?@@@@L ?N@@@@@@L?hf?N@@@@@@@@@@L?f@@@@@@@? @@@@@@@@@?N@@@@@@@@@@@@@@@?@@@@@@@@@@5 3@@@@@@@@@@@@@@@@@@@@@@H W&@? ?I4@@@@Y@@@)X? N)X??J@@1? @@@@@@he@@@@@@@@@@@? ?@@@@@@@@@@?e@@@@@? ?W&@@@@@@@@@@@@@@@@@1?e?J@@@@@HgW&@@@@@@@@@@@? ?@@@@@ ?@@@@@@@@@@@@@@)K? @@@@@? ?@@@H? ?@@@@@@@@@f?3@@@@@@@@@@@@5? ?3@@@@@@@@@@@@g?J@@@@@@
@@@@@? ?3@@@@@L ?@@@@@ @@@@@@g?@@@@@@@@@@@@@@@@@@@@@6?2@@@@@@@@@@@@?f?@@@@@@@@@f?3@@@1 @@@@@@1? 3@@@@@@@@@1?f@@@@@@@? @@@@@@@@@??@@@@@@@@@@@@@@5?@@@@@@@@@@H V'@@@@@@@@@@@@@@@@@@@@@? ?W&@5? ?I'@@@@@@@1? ?3)KO&@@@?f?@he?J@@@@@@he@@@@@@@@@@@? ?@@@@@@@@@@?e@@@@@? ?7@@@@@@@@@@@@@@@@@@@?e?7@@@@@?g7@@@@@e?@@@@? ?3@@@@ ?@@@@@@@@@@@@@@@@6X? @@@@@? ?@@@ ?3@@@@@@@@@6X??N@@@@@@@@@@@@H? ?N@@@@@@@@@@@5g?7@@@@@@
@@@@@L ?N@@@@@1 ?@@@@@ @@@@@@g?3@@@@@@@@@@@@@@@@@@@@@@@@@@@@@@@@@@5??@e?3@@@@@@@@f?N@@@@ @@@@@@@? V'@@@@@@@@@Lf@@@@@@@L 3@@@@@@@@??@@@@@@@@@@@@@@H?@@@@@@@@@@? ?V'@@@@@@@@@@@@@@@@@@? W&@@H? V'@@@@@@@L ?N@@@@@@@?f?@L?h?@@@@@@@he@@@@@@@@@@@? ?@@@@@@@@@@?e@@@@@? ?@@@@@@@@@@@@@@@@@@@@Le?@@@@@5?f?J@@@@@5e?@@@@L ?N@@@@ ?@@@@@@@@@@@@@@@@@)X @@@@@? J@@@ ?N@@@@@@@@@@)Ke@@@@@@@@@@@5 3@@@@@@@@@@Hg?@@@@@@5
3@@@@1 @@@@@@ ?@@@@@ @@@@@@g?N@@@@@@@@@@@@@@@@@@@@@@@@@@@@@@@@@(Y??@L??N@@@@@@@@g@@@@ @@@@@@@@6Xhf?N@@@@@@@@@)K??J@@@@@@@1 V'@@@@@@@??3@@@@@@@@@@@@@??@@@@@@@@@@? V4@@@@@@@@@@@@@@@@@? 7@@5 ?V4@@@@@@@ 3@@@?@@?f?@1?h?N@@@@@@he@@@@@@@@@@@? ?@@@@@@@@@@?e@@@@@? ?@@@@@@@@@@@@@@@@@@@@1eJ@@@@@H?fW&@@@@(Ye?3@@@1 @@@@ ?@@@@@@@@@@@@@@@@@@)X? @@@@@? 7@@@ @@@@@@@@@@@@@@@@@@@@@@@@(Y V'@@@@@@@@5?g?@@@@@@H
N@@@@@ 3@@@@@ ?@@@@5 @@@@@@L?g3@@@@@@@@@@@@@@@@@@@@@@@@@@@@@@@0Ye?@1?e@@@@@@@@g@@@@ 3@@@@@@@@)K?hf3@@@@@@@@@@6?&@@@@@@@@ ?N@@@@@@@??N@@@@@@@@@@@@5??@@@@@@@@@5? I4@@@@@@@@@@@@@@@? ?J@@(Y ?I'@@@@H V4@@?@@Lf?@@?he@@@@@@he@@@@@@@@@@@? ?@@@@@@@@@@Le@@@@@? ?@@@@@@@@@@@@@@@@@@@@@?W&@@@@5f?W&@@@@(Y?e?N@@@@ @@@@ ?@?@@@@@@@@@@@@@@@@@1? @@@@5? @@@@ ?I'@@@@@@@@@@@@@@@@@@@@0Y? ?V4@@@@@@(Y?gJ@@@@@@?
?@@@@@L? N@@@@@L? ?@@@@? @@@@@@1?gV'@@@@@@@@@@@@@@@@@@@@@@@@@@@@(Mf?@@?e@@@@@@@@L?f@@@@ N@@@@@@@@@@@@@6XhV'@@@@@@@@@@@@@@@@@@@5 @@@@@@@?e@@@@@@@@@@@0Y??@@@@@@@@@H? I'@@@@@L W&@(Y?he@? V4@@@? ?@@1f?@@?he@@@@@@he3@@@@@@@@@@? ?3@@@@@@@@@1?J@@@@@? ?@@@@@@@@@@@@@@@@@@@@@?7@@@@@Hf?7@@@@(Yg@@@@ @@@@ ?@?3@@@@@@@@@@@@@@@@@L @@@@H? @@@@ N@@@@@@@@@(MI'@@@@@0M? ?I'@@Hh7@@@@@@? ?W2@6X
?3@@@@1? ?@@@@@1? ?3@@@1 @@@@@@@?g?V'@@@@@@@@@@@@@@@@@@@@@@@@@@(Y?f?3@Le@@@@@@@@1?f@@@@L? ?3@@@@@@@@@@@@@1h?N@@@@@@@@@@@@@@@@@@@H 3@@@@@@?e?I4@@@@@@0M?W2@@@@@@@@@5 ?V'@@@@1 7@@HgW& ?@@@f?@@?he@@@@@@heN@@@@@@@@@@? ?N@@@@@@@@@@?@@@@@5? ?3@@@@@@@@@@@@@@@@@@@5?@@@@@@?fJ@@@@@H?g@@@@ @@@@ ?@?V'@@@@@@@@@@@@@@@@1 @@@@ @@@@ ?3@@@@@@@@H??V40?@M? N@@?h@@@@@@@? ?7@@@1
?N@@@@@? ?3@@@@@? ?N@@@@ 3@@@@@@?hV'@@@@@@@@@@@@@@@@@@@@@@@@(Yg?N@1e@@@@@@@@@?f@@@@1? ?N@@@@@@@@@@@@@@he3@@@@@@@@@@@@@@@@@@L N@@@@@@@6Khe?O&@@@@@@@@@0Y N@@@@@hf?J@@@?f?O&5h)X ?3@@f?@@?he@@@@@@he?@@@@@@@@@@? ?J@@@@@@@@@@?N@@@@H? ?V4@@@@@@@@@@@@@@@@@@Y?@@@@@5?e?W&@@@@5h@@@@L? @@@@ ?@eV'@@@@@@@@@@@@@@@@ @@@@ @@@@ ?N@@@@@@@@L? ?@@Lh@@@@@@5? ?3@@@@
@@@@@L ?N@@@@@L @@@@ N@@@@@@?h?V'@@@@@@@@@@@@@@@@@@@@@@(Y?h@@e@@@@@@@@@?f@@@@@? 3@@@@@@@@@@@@@heN@@@@@@@@@@@@@@@@@@1 ?3@@@@@@@@@6K?e?O@?2@@@@@@@@@(M ?@@@@@hf?7@@@?e?@@@0Yh3)K? ?N@@f?@@?he@@@@@@he?@@@@@@@@@@? ?7@@@@@@@@@@e@@@@ ?I'@@@@@@@@@@@@@@@@@@@@@@@H?eW&@@@@(Yh@@@@1? @@@@ ?@e?V4@@@@@@@@@@@@@@@ @@@@ @@@@ 3@@@@@@@1? ?@@1g?J@@@@@@H? ?N@@@@
3@@@@1 @@@@@1 @@@@ ?@@@@@@?heV'@@@@@@@@@@@@@@@@@@@@0Yh?J@@?J@@@@@@@@@?f@@@@@? V'@@@@@@@@@@@@he?@@@@@@@@@@@@@@@@@@@ ?V'@@@@@@@@@@@@@@@@@@@@@@@@@@@H? ?@@@@@hfJ@@@5?eJ@(MheV'@@ @@f?@@?e@?g@@@@@@he?@@@@@@@@@@? ?@@@@@@@@@@@e@@@@ V4@@@@0MeI40M?@?@@@@@@5f7@@@@(Y?h3@@@@? @@@@ ?I4@@@@@@@@@@5 @@@@ @@@@ V'@@@@@@@? ?3@@gO&@@@@@@ @@@@
N@@@@@ 3@@@@@ 3@@@ ?@@@@@@?he?N@@@@@@@@@@@@@@@@@@(Mhe?7@@?@@@@@@@@@@?f@@@@@? ?V'@@@@@@@@@@@hfI'@@@@@@@@@@@@@@@@ V'@@@@@@@@@@@@@@@@@@@@@@@@@@ ?@@@@5hf7@@@H??O&(Y?he?V'@L? ?J@@f?@@?e@?g@@@@@@he?@@@@@@@@@@? ?@@@@@@@@@@@?J@@@@ ?@@@@@@@@He?J@@@@@HheN@@@@? @@@@ ?@heI'@@@@@@@H @@@@ @@@5 ?V'@@@@@@@6X @@e?W2@@@@@@@@@ 3@@@
?@@@@@L? N@@@@@L? N@@@L? ?@@@@@@?hf@@@@@@@@@@@@@@@@@0Y?f@6K?e?@@@?N@@@@@@@@@?f3@@@@? V4@@@@@@@@@@hf?V'@@@@@@@@@@@@@@@ ?V4@@@@@@@@@@@@@@@@@@@@@@0M? ?@@@@Hhe?J@@@@e@@(Y V')X ?7@@?@e?@@?e@?g@@@@@@he?@@@@@@@@@@? ?@@@@@@@@@@@?7@@@@L? J@@@@@@@5?e?7@@@@5?he?@@@@? @@@@L? ?@he?V4@@@@@@? @@@@ @@@H V'@@@@@@@)K? O&@@eO&@@@@@@@@@@hW2@6X?gN@@@
?3@@@@1? ?@@@@@1? ?@@@1? ?@@@@@@?he?J@@@(MI4@@@@@@@(Mh@@@@@@@@@@e@@@@@@@@@?fN@@@@? ?I4@@@@@@5 N@@@@@@@@@@@@@@5 ?I4@@@@@@@@@@@@@@@@@@(M? J@@@@?he?7@0M??J@(Y?fW26Xg?V'1 ?@@@?@eJ@@?e@?g@@@@@@he?@@@@@@@@@@? ?@@@@@@@@@@@?@@@@@1? 7@@@@@@@H?eJ@@@@(Y?he?@@@@? @@@@1? ?@ @@@@@? ?J@@@@ ?J@@@? ?V'@@@@@@@@6K? ?O2@@@@@@@@@@@@@@@@@@@g?W&@@@)?g?3@@
?N@@@@@? ?3@@@@@? ?@@@@? ?@@@@@@?he?7@@@Hg@@@@H?h3@@@@@@@@5e@@@@@@@@@?f?@@@@? I4@@0Y ?@@@@@@@@@@@@@0Y I'@@@@@@@@@@@@@@0Y ?O@Kg?O&@@@@?he?@fW&@Hf?W&@@1hN@L?h@? ?@@@f7@@?e@Lg@@@@@@he?@@@@@@@@@@? ?@@@@@@@@@@@?@@@@@@? ?J@@@@@@@5f7@@@@Hhf?@@@@? @@@@@? ?@ @@@@@? ?7@@@@ ?7@@@? N@@@@@@@@@@@@6X? ?W2@@@@@@@@@@@@@@@@@@@@@@@@@@5gW&@@@@H?g?N@@L?
@@@@@? ?N@@@@@L ?@@@@? ?3@@@@@?he?@@@@?g@@@@heN@@V4@@@0Ye@@@@@@@@@?f?@@@@? ?@@@@@0MI40M ?V'@@@@@@@@@@@0M @@@@@@@@@@@@@@@@@?he?@e?W&@5?f?7@@@@L?g?3)Xh@??@ ?/K?e?@@@f3@@Le@1g@@@@@@L?h?@@@@@@@@@@? ?3@@@@@@@@@@?@@@@@@? ?7@@@@@@@He?J@@@@5?hf?3@@@L @@@@@? ?@ @@@@@? ?@@@@@ ?@@@@? ?@@@@@@@@@@@@@)K ?7@@@@@@@@@@@@@@@@@@@@@@@@@@@Hg7@@@@@L?h@@1?
3@@@@L @@@@@1 ?@@@@? ?N@@@@@?heJ@@@5?g@@@@he?@@?h@@@@@@@@@?f?@@@@? ?@@@@@@X N@@@@@@@0M @@@@@@@@@@@@@@@@5? ?7@@H?fJ@@@@@1?g?V')X?f?J@? ?V'@6K?@@5fN@@1e@@g@@@@@@1?h?@@@@@@@@@@? ?N@@@@@@@@@@?@@@@@5? J@@@@@@@5?eW&@@@(Y?hf?N@@@1 3@@@@? ?@he?@@@@@@@@? ?@@@@@ ?@@@@? I'@@@@@@@@@@@@@@@@6KfO26Kf?@@@@@@@@@@@@@@@@@@@@@@@@@@@@Lf?J@@@@@@1?h@@@L
N@@@@1 3@@@@@L? ?@@@@? @@@@@?he7@@@H?g3@@@he?@@?h@@@@@@@@@?f?@@@@L ?@@@@@@)X? ?@@@(M @@@@@@@@@@@@@@@@H?heW.eJ@@@f?W&@@@@@@LhV')Xf?7@? V'@@@@(Yf?@@@e@@g@@@@@@@?h?@@@@@@@@@@? @@@@@@@@@@?@@@@@H? ?W&@@@@@@@H?e7@@@@H @@@@ N@@@@? ?@heJ@@@@@@@@? ?@@@@@ ?@@@@? ?V'@@@@@@@@@@@@@@@@@@@@@@@@@@@@@@@@@@@@@@@@@@@@@@@@@@@@@X@@@@)K?eO&@@@@@@@?h@@@)K? O@K?heO@K??O2@@@6K
?@@@@@ N@@@@@1? ?@@@@? @@@@@Lh?J@@@5hN@@@hO@?@@Lh@@@@@@@@@?f?@@@@1 ?@@@@@@@)X ?@@@H? @@@@@@@@@@@@@@@5g@@f7H?W&@@@f?7@@?I'@@1h?N@1f?@@? ?V4@@0Y?fJ@@@e3@g@@@@@@@?h?@@@@@@@@@@? @@@@@@@@@@?@@@@@ ?*@@@@@@@@e?J@@@@5? @@@@ ?@@@@? ?@L?g?W&@@@@@@@@? ?@@@@@ ?@@@@? V4@@@@@@@@@@@@@@@@@@@@@@@@@@@@@@@@@@@@@@@@@@@@@@@@@(MB@@@@@@@@@@@@@@@@@@@@@@@@@@@@@@@@@@@@@@@@@@@@@@@@@@@@@@@@@@@@@@@@@@@@@@@@@@@@@@@@@@@@@@@@@@@@@@@@@@@@@@@@@@@@@@@@@@@@@@@@@@@@@@@@@@@@@@@@@@@@@@@@@@@@@@@@@@@@@@@@@@@@@@@@@@@@@@@@@@@@@@@@@@@@@@@@@@@@@@6K
?@@@@@L? ?@@@@@@? ?3@@@L @@@@@1h?7@@@Hh?@@@gW2@@?3@1h@@@@@@@@@?f?@@@@@ ?@@@@@@@@)K? ?3@@ ?J@@@@@@@@@@@@@@@Hg3@L?e@?O&@@@5fJ@@5e?@@@he3@L?e?@@? 7@@@e?@g@@@@@@@?h?@@@@@@@@@@? @@@@@@@@@@?@@@@@ ?V'@@@@@@@eW&@@@@H? @@@@ ?@@@@? ?@1?gO&@@@@@@@@@? ?@@@@@ ?@@@@? I4@@@@@@@@@@@@@@@@@@@@@@@@@@@@@@@@@@@@@@@@@@@@@@0Ye@@@@@@@@@@@@@@@@@@@@@@@@@@@@@@@@@@@@@@@@@@@@@@@@@@@@@@@@@@@@@@@@@@@@@@@@@@@@@@@@@@@@@@@@@@@@@@@@@@@@@@@@@@@@@@@@@@@@@@@@@@@@@@@@@@@@@@@@@@@@@@@@@@@@@@@@@@@@@@@@@@@@@@@@@@@@@@@@@@@@@@@@@@@@@@@@@@@@@@@@6K
?3@@@@1? ?3@@@@@? ?N@@@1 @@@@@@hJ@@@@?h?@@@g7@@@?N@@L?g3@@@@@@@@?f?3@@@@ I'@@@@@@@6X? ?N@5 ?7@@@@@@@@@@@@@@@?gN@1?e@@@@@@@Hf7@@H?W&@@@heN@1?eJ@@?f@? @? @@@@e7@g@@@@@@@?h?@@@@@@@@@@? @@@@@@@@@@@@@@@@ N@@@@@@@e7@@@@5 3@@@ ?@@@@? ?@@?fW2@@@@@@@@@@@? ?@@@@@ ?@@@5? I'@@@@@@@@@@@@@@@@@@@@@@@@@@@@@@@@@@@@@@@@@@@?f@@@@@@@@@@@@@@@@@@@@@@@@@@@@@@@@@@@@@@@@@@@@@@@@@@@@@@@@@@@@@@@@@@@@@@@@@@@@@@@0MI4@@@@@@@@@@0MI4@@@@0M??I4@0MI40?@?4@@@@@@@@@@@@@@@@@@@@@@@@@@@@@@@@@@@@@@@@@@@@@@@@@@@@@@@@@@@@@@@@@@@@@@@@@@@@@@@@@@@@@6X
?N@@@@@? ?N@@@@@L @@@@ @@@@@@h7@@@5?h?@@5g@@@@e@@1?gN@@@@@@@@?f?N@@@@ ?V'@@@@@@@)X (Y ?3@@@@@@@@@@@@@@@?g?@@L?J@@@@@@5?e?J@@5??*@@@@L??W&?f?3@Le7@5?f3L @? @@f3@g@@@@@@@?h?@@@@@@@@@@? @@@@@@@@@@@@@@@@ O2@@@6K? J@@@@@@5?J@@@@@H N@@@L? ?@@@@? ?@@?f7@@@@@@@@@(M ?@@@@5 J@@@H? ?V4@@@@@@@@@@@@@@@@@@@@@@@@@@@@@@@@@@@@@@@@@@?f?I40M?e?I4@@@@0M?h?I'@@@@@(M ?W@@@@@@@@@@@@@@@@@@@@@@@@@@@@@@@@@@@)K?
@@@@@L 3@@@@1 @@@@ @@@@@@g?J@@@@H?h?@0Yf?J@@@5?J@@@?gJ@@@@@@@@?g@@@@ V4@@@@@@@)K? ?N@@@@@@@@@@@@@@@@@6K?e?3@1?7@@@@@@H?e?7@@H??V'@@@1??7@?f?N@)K?@@H?fN)X?hf@? @@fN@g@@@@@@5?h?@@@@@@@@@@? @@@@@@@@@@@@@@@@ W2@@@@@@@@@@@@@@@@@@@6X? 7@@@@@@H?7@@@@5? ?@@@1? ?@@@@? ?@5?e?J@@@@@@@@@0Y? ?@@@@H 7@@@ I'@@@@@@@@@@@@@@@@@@@@@@@@@@@@@@@@0?'@@? V'@@@@H? O&@@@@@@@@@@@@@@@@@@@@@@@@@@@@@@@@@@@@@6X?
3@@@@1 N@@@@@ @@@@L? @@@@@@gO&@@@@ O&@@(YW&@@@@@@6Xe7@@@@@@@@Lg@@@@ I'@@@@@@@6X? @@@@@@@@@@@@@@@@@@@@@??N@@?@@@@@@@fJ@@5fN@@@@?J@@?g3@@@@5g?31?hf@? @@fJ@L?f@@@@@@he?@@@@@@@@@@? @@@@@@@@@@@@@@@@ 7@@@@@@@@@@@@@@@@@@@@@)X @@@@@@@??@@@@@H? ?@@@@L ?@@@@? ?@fW&@@@@@@0M ?@@@@? @@@@ ?N@@@@@@@@@@@@@@@@@@@@@@@@@@@@@0M?eN@@? ?N@@@@L? O2@@@@@@@@@@@@@@@@@@@@@@@@@@@@@@@@@@@@@@@@)X
N@@@@@ ?@@@@@L? @@@@1? @@@@@@L?W2@@@@@@@@L?f?W26X?fO2@@@(YW&@@@@@@@@)X?3@@@@@@@@1g@@@@L? ?V'@@@@@@@)X @@@@@@0?4@@@@@@@@@@@@?e3@?@@@@@@@e?W&@(Yf?3@@@?7@@?gN@@@(Yg?V'Lhf@? @@f7@@?f3@@@@@1?h?@@@@@@@@@@? @@@@@@@@@@@@@@@@ ?J@@@@@@@@@@@@@@@@@@@@@@@1 @@@@@@@@@@@@@5 ?@@@@1 ?@@@@L ?@1?e7@@@@@0M ?@@@@? @@@@ @@@?eI4@@@@@@@@@@@@@@@@0Mh?@@? @@@@1? W2@@@@@@@@@@@@@@@@@@@@@@@@@@@@@@@@@@@@@@@@@@@)X?
?@@@@@L? ?@@@@@1? @@@@@? @@@@@@)?&@@@@@@@@@)KfO&@@)?@KO2@@@@(Y?7@@@@@@@@@@1?N@@@@@@@@@g@@@@1? V'@@@@@@@)X? @@@(M?hI'@@@@@?eN@?3@@@@@@e?7@@H?f?N@@@?@@@?g?@@(Y?hN)X?he@? @@f@@H?fN@@@@@@?h?@@@@@@@@@@? @@@@@@@@@@@@@@@@ ?7@@@@@@@@@@@@@@@@@@@@@@@5 @@@@@@@@@@@@@H ?@@@@@L? ?@@@@1 ?@@?e@@@@@? J@@@@? @@@@ @@@?f?I@M ?@@L 3@@@@? 7@@@@@@@@@@@@@@@@@@@@@@@@@@@@@@@@@@@@@@@@@@@@@)X
?3@@@@1? ?3@@@@@? @@@@@? @@@@@@@@@@@@@@@@@@@@6?2@@@@@@@@@@@@@@@H??@@@@@@@@@@@@??@@@@@@@@@g3@@@@? ?V'@@@@@@@)X ?W&K @@@Hhe?N@@@@5?e?@?V40M?@@eJ@@5h3@@?@@@?g?@@Hhe?31?he@L @@f@@g?@@@@@@?h?@@@@@@@@@@L @@@@@@@@@@@@@@@@ ?@@@@@@@@@@@@@@@@@@@@@@@@H ?J@@@@@@@@@@@@5? ?@@@@@1? ?@@@@@ ?@@??J@@@@5? @@@@@? @@@5 @@@? ?3@1 N@@@@? ?J@@@@@@@@@@@@@@@@@@@@@@@@@@@@@@@@@@@@@@@@@@@@@@@)X?
?N@@@@@L ?N@@@@@L @@@@@? @@@@@@@@@@@@@@@@@@@@@@@@@@@@@@@@@@@@@@e?@@@@@@@@@@@@?J@@@@@@@@@gN@@@@? V4@@@@@@@)X? W&@@6X @@@?hf@@@@hf@@?O&@(YhN@@@@@@?g?3@?he?N@?he@1 @@f@@g?@@@@@@?h?@@@@@@@@@@1 @@@@@@@@@@@@@@@@ ?@@@@@@@@@@@@@@@@@@@@@@@@? ?7@@@@@@@@@@@@H? ?3@@@@@? ?@@@@@ ?3@?W&@@@@H? ?@@@@? @@@H 3@@L ?N@@ ?@@@@? W&@@@@@@@@@@@@@@@@@@@@@@@@@@@@@@@@@@@@@@@@@@@@@@@@)K
3@@@@1 3@@@@1 3@@@@L ?J@@@@@@@@@@@@@@@@@@@@@@@@@@@@@@@@@@@@@@L?J@@@@@@@@@@@@W&@@@@@@@@@g?@@@@? I'@@@@@@)K ?O2@@@@@@@6?&@@@@1 3@@?hf3@@@1?f)Xe?J@@@@@(Y?h?@@@@@@?g?V'Lhf3Lhe@@ 3@f@@L?f?@@@@@@?h?@@@@@@@@@@5 @@@@@@@@@@W@@@@@L? ?3@@@@@@@@@@@@@@@@@@@@@@@? ?@@@@@@@@@@@@5 ?N@@@@@? ?@@@@@ ?N@?7@@@@5 7@@@@? ?J@@@? N@@)X? 3@ ?3@@@L 7@@@@@@@@@@@@@@@@@@@@@@@@@@@@@@@@@@@@@@@@@@@@@@@@@@@6X
N@@@@@ N@@@@@L? N@@@@1 ?'@@@@@@@@@@@@@@@@@@@@@@@@@@@@@@@?f@@)?&@@@@@@@@@@@@@@@@@@@@@@@g?@@@@? ?V'@@@@@@@6X O2@@@@@@@@@@@@@@@@@@@@L? N@@?hfN@@@@Lf@1e?7@@@@(Yhe?3@@@@@?hV/hfV/X?h@@ V'f@@1?f?@@@@@@?h?@@@@@@@@@@H @@@@@@@@@@@Y@@@@1? ?N@@@@@@@@@@@@@@@@@@@@@@@? J@@@@@@@@@@@@H @@@@@L ?@@@@@ @?@@@@(Y @@@@@? ?7@@@? J@@@1? N@L? ?N@@@1 ?J@@@@@@@@@@@@@@@@@@@@@@@@@@@@@@@@@@@@@@@@@@@@@@@@@@@@@)K?
?@@@@@ ?@@@@@1? ?@@@@@ ?V'@@@@@@@@@@@@@@@@@@@@@@@@@@@@@@?f@@@@@@@@@@@@@@@@@@@@@@@@@@@@g?@@@@L V'@@@@@@@)X?heW2@@@@@@@@@@@@@@@@@@@@@@)K ?@@?hf?3@@@1f@@e?@@@@0Y?he?N@@@@@L ?N1?h@@ @@@?f?@@@@@@?h?3@@@@@@@@@? @@@@@@@@@@@@@@@@5? 3@@@@@@@@@@@@@@@@@@@@@5? 7@@@@@@@@@@@5? @@@@@1 ?@@@@@hW2@?he?J@@@@@@H? @@@@5? ?@@@@? 7@@@@? ?@1? @@@@ W&@@@@@@@@@@@@@@@@@@@@@@@@@@@@@@@@@@@@@@@@@@@@@@@@@@@@@@@@@6X?
?@@@@@L? ?3@@@@@? ?@@@@@ N@@@@@@@@@@@@@@@@@@@@@@@@@@@@@@?f@@@?@@@@@@@@@@@@@?@@@@@@@@@@g?@@@@1 ?V4@@@@@@@)Kh?O&@@@@@@@@@@@@@@@@@@@@@@@@@@6K? ?@@?hf?N@@@@f@@e?@@0M? 3@@@@1 @Lh@@ @@@?f?@@@@@@?h?N@@@@@@@@@L @@@@@@@@@@?@@@@@H? V4@@@@@@@@@@@@@@@@@@@0Y? ?J@@@@@@@@@@@@H? @@@@@@ ?@@@@@h7@@?heO&@@@@@5 @@@@H? ?@@@@? 3@@@@? ?@@? 3@@@ ?W&@@@@@@@@@@@@@@@@@@@@@@@@@@@@@@@@@@@@@@@@@@@@@@@@@@@@@@@@@@@)?
?3@@@@1? ?N@@@@@? ?@@@@@ ?@@@@@@@@@@@@@@@@@@@@0Y@@@@@@@@Lf@@@?@@@@@@@@@@@@@?3@@@@@@@@@g?@@@@@ ?I'@@@@@@@6Xf?W2@@@@@@@@@@@@@@@@@@@@@@@@@@@@@@6X? ?@@L @@@@L?e@@ V'@@@@ 3)X?g@@ @@@?f?@@@@@@?he@@@@@@@@@@ @@@@@@@@@@?3@@@@ I4@@@@@@@@@@@@@@0M ?7@@@@@@@@@@@5 @@@@@@ ?@@@@@h@@@@@@@@@@@@@@@@@@@@(Y @@@@ ?@@@@? N@@@@? ?@@? N@@@L? ?7@@@@@@@@@@@@@@@@@@@@@@@@0?4@@@@@@@@@@@@@@@@@@@@@@@@@@@@@@@@@H?
?N@@@@@? @@@@@? ?@@@@@L? ?@@@@@@@@@@@@@@@@@@(M??@@@@@@@@)K?e@@@??I4@@@@@@@(MeN@@@@@@@@@g?@@@@@ V'@@@@@@@)X?eW&@@@@@@@@@@@@@@@@@@@@@@@@@@@@@@@@)X ?@@1 @@@@1?e@@L? ?N@@@@hf?@@?hV'1?g@@ @@@?f?@@@@@@?he@@@@@@@@@? @@@@@@@@@@?N@@@@ W-X? ?@@@@@@@@@@@@H 3@@@@@ ?@@@@@g?J@@@@@@@@@@@@@@@@@@@(Y? O2@? @@@@ ?@@@5? ?3@@@? ?@@L ?@@@1? ?@@@@@@@@@@@@@@@@@@@@@0MhfI4@@@@@@@@@@@@@@@@@@@@@@@@L?
@@@@@? @@@@@L ?3@@@@1? ?@@@@@@@@@@@@@@@@@0Ye?@@(?4@@@@@6K?@@@?e?I4@@@@0Y?e?@@@@@@@@@g?@@@@@ ?V'@@@@@@@)K?O&@@@@@@@@@@@@@@@@@0?'@@@@@@@@@@@@@@)X? ?@@@ 3@@@@Le@@1? 3@@@hf?N@Lh?N@Lg@@ @@@?f?@@@@@@?he@@@@@@@@@1 @@@@@@@@@@?J@@@@ 7@1? ?@@@@@@@@@@@@? N@@@@@ ?3@@@@gW&@@@@@@@@@@@@@@@@@@(Y O2@@@L @@@@ J@@@H? ?N@@@? ?3@1 @? ?3@@@? J@@@@@@@@@@@@@@@@@@@0M ?I4@@@@@@@@@@@@@@@@@@@1?
@@@@@L 3@@@@1 ?N@@@@@? ?@@@@@@@@@@@@@@@0Mf?@@HeI4@@@@@@@@@? J@@@@@@@@5g?@@@@@ V'@@@@@@@@@@@@@@@@@@@@@@@@@@0Me?@@@@@(?'@@@@@@@)X J@@@ N@@@@1e@@5? N@@@ 3)X?h31g@@ @@@?f?@@@@@@?he@@@@@@@@@@ @@@@@@@@@@W&@@@@ @@@? J@@@@@@@@@@@@? ?@@@@@ ?N@@@@g7@@@@@@@@@@@@@@@@@@@H?hO2@@@@@@@@@1 @@@@ 7@@@ 3@@? ?N@@ @? ?N@@@? 7@@@@@@@@@@@@@@@@(M? ?I4@@@@@@@@@@@@@@@@L
3@@@@1 N@@@@@ @@@@@? ?@@@@@@@@@@@@@0Mg?@@?fI'@@@@@@5?hf?W&@@@@@@@0Yg?@@@@@ ?V'@@@@@@@@@@@@@@@@@@@0Mg?O&@@@@@H?V4@@@@@@@)X? 7@@@ ?3@@@@e@@H? ?3@@ V4)KhN@L?f@@ 3@@?f?@@@@@5?he@@@@@@@@@@ @@@@@@@@@@@@@@@@ @@@? 7@@@@@@@@@@@5? ?@@@@@ @@@@f?J@@@@@@@@@@@@@@@@@@@@eO2@@@@@@@@@@@@@@@@@@ @@@@ @@@@ N@@? @@ @? @@@? @@@@@@@@@@@@@@@@(Y ?I'@@@@@@@@@@@@@@1
V'@@@@ ?3@@@@L? @@@@@? ?@@@@@@@@@@?he?@@Lf?V4@@@@(Y?hfO&@@@@@@(Mh?3@@@@ V4@@@@@@@@@@@@@@@@0Mf@@@@@@@@@@@@g@@@@@@1? @@@@ ?N@@@@?J@@ ?V4@ B@6Xg?3)Xe?J@5 N@@?f?@@@@@hf@@@@@@@@@@ @@@@@@@@@@@@@@@@ @@@? @@@@@@@@@@@@H? ?@@@@@L? @@@@f?7@@@@@@0?@?40?'@@@@@@@@@@@@@@@@@@@@@@@@@@@@ @@@@ @@@@ ?@@? 3@L? @@@L @@@@@@@@@@@@@@@0Y? V4@@@@@@@@@@@@@@
?N@@@@L? ?N@@@@1? @@@@@L ?@@@@@@@@@@?he?@@1g?I4@0YhfO2@@@@@@@(Y?h?N@@@@L? I'@@@@@@@@@@@@(Mg@@@@@@@@@@@@L?f3@@@@@@L 3@@@ @@@@W&@@ ?3@)X?f?N@1e?7@H ?@@?f?@@@@@1?he@@@@@@@@@@ @@@@@@@@@@@@@@@@ @@@? @@@@@@@@@@@@ ?@@@@@1? @@@@fJ@@@@@@?g?N@@@@@@@@@@@@@@@@@@@@@@@@@@@@@6X? ?J@@@@ @@@@ ?@@L N@1? @@@1 @@@@@@@@@@@@@? I'@@@@@@@@@@@@
@@@@1? @@@@@? @@@@@1 ?3@@@@@@@@@Lhe?@@@ ?O2@@@@@@@@@@Hhf@@@@1? ?V'@@@@@@@@@@(Y?eO2@@@@@@@@@@@@@@)KfV'@(Y@@1 N@@@ @@@@@@@@ ?V4@)Xg@@L?J@@? ?@@?f?@@@@@@?he@@@@@@@@@@ @@@@@@@@@@@@@@@@ @@@? @@@@@@@@@@@5 ?@@@@@@? @@@@L?e7@@@@@@?h@@@@@@@@@@@@@@@@@@@@@@@@@@@@@@)X ?7@@@@ @@@@ ?3@1 ?@@? 3@@@ ?J@@@@@@@@@@@@@? ?V'@@@@@@@@@@@
@@@@@? 3@@@@L 3@@@@@ ?N@@@@@@@@@)X?h?@@@ ?O2@@@@@@@@@@@5?hf@@@@@? V'@@@@@@@@@HeW2@@@@@@@@@@@@@@@@@@@6X??V+Y?@@@ ?@@@ @@@@@@@5 ?I4)K?f3@)?&@5? ?@@?f?@@@@@@?he@@@@@@@@@@ @@@@@@@@@@@@@@@@ @@@? ?J@@@@@@@@@@@H ?@@@@@@? @@@@1?e@@@@@@@?eO2@@@@@@@@@@@@@@@@@@@@@@@@@@@@@@@@@@@)X? ?@@@@@ @@@5 ?N@@ ?@@L N@@@ ?7@@@@@@@@@@@@@Lf?O2@6K N@@@@@@@@@@@L?
3@@@@? N@@@@1 N@@@@@ @@@@@@@@@@)Kh?3@@ ?O2@@@@@@@@@@@@(Y?hf@@@@@? ?V'@@@@@@@@?e7@@@@@@@@@@@@@@@@@@@@@)Xf?@@@L? J@@@ @@@@@@@H ?B@6X?eN@@@@@H? ?@@?f?@@@@@@?he@@@@@@@@@@ @@@@@@@@@@@@@@@@ @@@? ?7@@@@@@@@@@@? ?3@@@@@L @@@@@?e@@@@@@@@@@@@@@@@@@@@@@@@@@@@@@@@@@@@@@@@@@@@@@@@1? ?@@@@@ ?J@@@H @@ ?3@1he?@ ?@@@L? ?@@@@@@@@@@@@@@1e?W2@@@@@@6X? O@K?e?3@@@@@@@@@@)X
N@@@@L ?@@@@@ ?@@@@@ @@@@@@@@@@@@@6K?f?V@@hf?O2@@@@@@@@@@@@@@@@H @@@@@? N@@@@@(Mf@@@@@@@@0M?@@@@@(?'@@@@1f?3@@1? 7@@@ 3@@@@@@? @@)Xe?3@@@@ ?@@Lf?@@@@@@?he@@@@@@@@@@ @@@@@@@@@@@@@@@@ @@@? ?@@@@@@@@@@@@? ?N@@@@@1 @@@@@?e@@@@@@@@@@@@@@@@@@@@@@@@@@@@@@@@@@@@@@@0M?@@@@@@5? ?@@@@@ ?7@@@? @@ ?N@@he?@ ?3@@1? ?@@@@@@@@@@@@@@@eO&@@@@@@@@)X ?@@@@6X??V'@@@@@@@@@@)X?
?@@@@1 ?3@@@@L? ?@@@@@L? @@@@@@@@@@@@@@@@@@@@@@@@L?hO2@@@@@@@@@@@@@@@@@@@? @@@@@? J@@@@@H?e@@@@@@@@0Me?@@@@@H?V'@@@@f?N@@@L @@@@L? V'@@(M ?I4)e?V@@@@ ?3@@f?@@@@@@?he@@@@@@@@@@ @@@@@@@@@@@@@@@@ @@@? ?@@@@@@@@@@@5? @@@@@@ @@@@@Le@@@@@@@@@@@@@@@@@@@@@@@@@@@@@@0Mhe@@@@@@H? ?@@@@@ ?@@@@? @@L? @@he?@ ?N@@@? ?@@@@@@@@@@@@@@@@@@@@@@@@@@@@1 J@@@@@)XeV'@@@@@@@@@@1?
?3@@@@ ?N@@@@1? ?@@@@@)K @@@@@@@@@@@@@@@@@@@@@@@@)Ke?O2@@@@@@@@@@@@@@@@@@@@@0M @@@@@? 7@@@@5e?J@@@@@@(Mf?@@@@@e?N@@@@L?f@@@1 3@@@1? ?V40Y? '@@@@@ ?N@Hf?@@@@@@?he@@@@@@@@@@ @@@@@@@@@@@@@@@@L? @@@? ?@@@@@@@@@@@H? @@@@@@ ?J@@@@@)K?@@@@@@@@@@@@@@@@@@@@@@@@0M 3@@@@5 ?@@@@@ ?@@@@? @@1? @@ @@@L ?@@@@@@@@@@@@@@@@@@@@@@@@@@@@@ ?W&@@@@@@)X??V'@@@@@@@@@@?
?N@@@@ @@@@@? ?@@@@@@@@@@@@@@6K?hf@@@@@@@@@@@@@@@@@@@@@@@@@@@@@@@@@@@@@@@@@@@@@@@@@@(M 3@@@@? @@@@@He?7@@@@@@H?fJ@@@@5f@@@@1?f@@@@ N@@@@L ?'@@@@@@@@@@@6K? V'@@@@ @?f?@@@@@@?he@@@@@@@@@@ @@@@@@@@@@@@@@@@@? @@@? ?@@@@@@@@@@@ @@@@@@h?O2@@@@@@@6Khe?7@@@@@@@@@@@@@@@@@@@@@@@@@@@@@@0M N@@@@H ?@@@@5 ?@@@@? @@@? 3@L? @@@1 ?@@@@@@@@@@@@(M?@@@@@@@@@@@@@@ W&@@@@@@@@1?eV'@@@@@@@@@?
@@@@L? @@@@@? O2@6X@@@@@@@@@@@@@@@@@@6?@K?g@@@@@?eI4@@@@@@@@@@@@@@@@@@@@@@@@@@@@@@@@@@@@@@@0Y? N@@@@L @@@@5?e?@@@@@@@L?f7@@@@Hf@@@@@?f@@@@ ?@@@@)K? ?V4@@@@@@@@@@@@@@@@@@@@6X? ?N@@@@ @?f?3@@@@@?he@@@@@@@@@@ @@@@@@@@@@@@@@@@H? @@@? J@@@@@@@@@@5 3@@@@@g?O2@@@@@@@@@@@6Kh?3@@@@@@@@@@@@@@@@@@@@@@@@@@@0M? ?@@@@? ?@@@@H ?@@@@? @@@? N@1? 3@@@ J@@@@@@@@@@@@He3@@@@@@@@@@@@5 7@@@@@@@@@@?e?N@@@@@@@@@?
@@@@)X 3@@@@L ?O2@@@@@@@@@@@@@@@@@@@@@@@@@@@@@@@6K?C@@@@@?fI4@@@@@@@@@@@@@@@@@@@@@@@@@@@@@@@@@@0M ?@@@@1 @@@@H?eJ@@@@@@@)Xf@@@@@Lf@@@@@?f@@@@ ?3@@@@@@@6K? ?I4@@@@@@@@@@@@@@@1? @@@@L? ?N@@@@@Lhe@@@@@@@@@@ @@@@@@@@@??@@@@@ @@@? 7@@@@@@@@@@H N@@@@@L?e?@@@@@@@@@@@@@@@@@6Xg?N@@@@@@@@@@@@@@@@@@@@@@@0M? J@@@@? ?@@@@? ?@@@@? 3@@L ?3@? N@@@ 7@@@@@@@@@@@@?eN@@@@@@@@@@@@Hhf?J@@@@@@@@@@@?f@@@@@@@@@?
@@@@@1 V'@@@1 W2@@@@@@@@@@@@@@@@@@@@@@@@@@@@@@@@@@@@@@U?heI4@@@@@@@@@@@@@@@@@@@@@@@@@@@@@@0M ?@@@@@ @@@@f7@@@@@@@@)X??J@@@@@)?2@@@@@@@?e?J@@@@ ?N@@@@@@@@@@@@@6K? I4@@@@@? @@1? @@@@@1he@@@@@@@@@@ 3@@@@@@@@@@@@@@@L? @@@? @@@@@@@@@@@? ?@@@@@1?eJ@@@@@@@@@@@@@@@@@@)X?f?J@@@@@@@@@@@@@@@@@@@0M? 7@@@@? ?@@@@? ?@@@5? N@@1 ?N@? ?@@@L? @@@@@@@@@@@@@?e?@@@@@@@@@@@5?hf?7@@@@@@@@@@@?f3@@@@@@@@?
3@@@@@ ?N@@@@L? ?O&@@@@@@@@@@@@@@@@@@@@@@@@@@@@@@@@@@@@@@@)XhfI4@@@@@@@@@@@@@@@@@@0?4@@@@0M? ?@@@@@ @@@@L?e@@@@@@@@@@)KO&@@@@@@@@@@@@@@@?eW&@@@@ @@@@@@@@@@@@@@@@@6X? 3@@? @@@@@@he@@@@@@@@@@ ?@@@@@@@@@?@@@@@@? @@@? @@@@@@@@@@5? ?@@@@@@??W&@@@@@@@@@@@@@@@@@@@1?fO&@@@@@@@@@@@@@@@@@0M? @@@@@L ?@@@@? ?@@@H? ?@@@ @? ?3@@1? @@@@@@@@@@@@@?fI4@@@@@@@(Y?hf?3@@@@@@@@@@@?fN@@@@@@@5?
N@@@@@ @@@@1? ?W2@@@@@@@@@@@@@@@@@@@@@@@@@@@@@@@@@@@@@@@@@@)K? I4@@@@@@@@@@0M ?@@@@@ 3@@@1?e@@@@@@@@@@@@@@@@@@@@@@@@@@@@5?e7@@@@@ @@@@@@@@@@@@@@@@@@)K @? N@5? @@@@@@he@@@@@@@@@@ 7@@@@@@@@@?@@@@@H? @@@? @@@@@@@@@@H? ?@@@@@@??7@@@@@@@0MI4@@@@@@@@@@?eO2@@@@@@@@@@@@@@@@0M @@@@@1 ?@@@@? ?@@@ ?@@@ ?N@@@? ?J@@@@@@@@@@@@@?gI'@@@@0Y ?N@@@@@@@@@@@?fJ@@@@@@@H?
?3@@@@L? 3@@@@? W&@@@@@@@@@@@@@@@@@@@@@@@@@@@@@@@@@@@@@@@@@@@@@@6K ?@@@@@ N@@@@?e@@@@@@@@@@@@@@@@@@@@@@@@@@@@H??J@@@@@@ 3@@@@@@@@@@@@@@@@@@@@@@@6K ?J@L ?(Y? @@@@@@he3@@@@@@@@@ 3@@@@@@@@@?@@@@@ @@@? @@@@@@@@@@ ?3@@@@@??@@@@@(MgI4@@@@@@@@@@@@@@@@@@@@@@@@@@0M @@@@@@ ?@@@@? ?@@@ ?3@@ @@@L ?7@@@@@@@@@@@@@?g?V4@0M @@@@@@@@@@5?f7@@@@@@@
?N@@@@1? N@@@@L ?O&@@@@@@@@@@@@@@@@@@@@@@@@@@@@@@@@@@@@@@@@@@@@@@@@@6X ?@@@@@L? ?@@@@?e3@@@@@@@@@@@@@@@@@@@@@@@@@@@e?7@@@@@@ V4@@@@@@@@@@@@@@@@@@@@@@@@6X ?@@1 @@@@@@he?@@@@@@@@@ N@@@@@@@@@?@@@@@ @@@? @@@@@@@@@5 ?N@@@@@@@@@@@@H?h?I'@@@@@@@@@@@@@@@@@@@@@0M @@@@@@ ?@@@@? ?@@@ ?N@@ @@@1 ?@@@@@@@@@@@@@5? 3@@@@@@@@(Y?f@@@@@@@5
@@@@@? ?@@@@1 @@@@@@@@@@@@@@@@@@@@@@@@@@@@@@@@@@@@@@@@@@@@@@@@@@@@@@@)K? ?@@@@@1? ?@@@@?eV'@@@@@@@@@@@@@@@@@@@@@@@@@5eJ@@@@@@5 I4@@@@@@@@@@@@@@@@@@@@@@@)K? ?N@@L? @@@@@@he@@@@@@@@@@ J@@@@@@@@@?@@@@@ @@@? @@@@@@@@@? @@@@@@@@@@@5hfN@@@@@@@@@@@@@@@@@@0M? @@@@@@ ?@@@@? ?@@@ @@L? 3@@@ J@@@@@@@@@@@@@H? V4@@@@@@(Yg@@@@@@@H
@@@@@L ?@@@@@ ?J@@@@@@@@@@@@@@@@@@@@@@@@@@@@@@@@@@@@@@@@@@@@@@@@@@@@@@@@@@ ?3@@@@@? ?3@@@Le?N@@@@@@@@@@@@@@@@@@@@@@@@(Ye7@@@@@@H ?@@@@@@@@@@@@@@@@@@@@@@@@6X? 3@)X @@@@@@heN@@@@@@@@@ 7@@@@@@@@@@@@@@@L? @@@? @@@@@@@@@1 @@@@@@@@@@@HhfJ@@@@@@@@@@@@@@@@@ ?W26K?hW2@@@@@@@@ J@@@@? J@@@ @@1? N@@@ 7@@@@@@@@@@@@@ I4@@@0Y?g@@@@@@@?
3@@@@1 ?3@@@@L? W&@@@@@@@@@@@@@@@@@@@@@@@@@@@@@@@@@@@@@@@@@@@@@@@@@@@@@@@@@@L? ?N@@@@@? ?V'@@)X?e@@@@@@@@@@@@@@@@@@@@@@@(Y??J@@@@@@@? ?3@@@@@@@@@@@@@@@@@@@@@@@@)X N@@1 @@@@@@he?@@@@@@@@@L? @@@@@@@@@@@@@@@@1? @@@? @@@@@@@@@5 @@@@@@@@@@@?hf7@@@@@@@@@@@@@@@@@ ?7@@@@g?O&@@@@@@@@@ 7@@@@? 7@@@ @@@? ?@@@ @@@@@@@@@@@@@@ ?J@@@@@@@?
N@@@@@ ?N@@@@1? 7@@@@@@@@@@@@@@@@@@@@@@@@@@@@@@@@@@@@@@@@@@@@@@@@@@@@@@@@@@@)X @@@@@L N@@@)X?J@@@@@@@@@@@@@@@@@@@@@@0YeW&@@@@@@5? ?V4@@@@@@@@@@@@@@@@@@@@@@@@)K? ?3@@L? @@@@@@he?@@@@@@@@@1? 3@@@@@@@@@@@@@@@@? @@@? @@@@@@@@@H 3@@@@@@@@@@?hf@@@@@@@@@@@@@@@@@@ ?@@@@@L?e?W2@@@@@@@@@@@ @@@@5? @@@5 3@@? ?@@@L? @@@@@@@@@@@@@5 ?7@@@@@@@?
?@@@@@ 3@@@@? ?J@@@@@@@@@@@@@@@@@@@@@@@@@@@@(?4@@@@@@@@@@@@@@@@@@@@@@@@@@@@@@1 @@@@@)?26X ?3@@@)?&@?I4@@@@@@@@@@@@@@@@g7@@@@@@(Y? ?I4@@@@@@@@@@@@@@@@@@@@6X? ?V'@1? @@@@@@he?@@@@@@@@@5? N@@@@@@@@@@@@@@@@? @@@? @@@@@@@@@? N@@@@@@@@@@?O)X?fW2@@@@@@@@@@@@@@@@@@@@ ?@@@@@1?eW&@@@@@@@@@@@5 @@@@H? @@@H N@@L ?W&? ?3@@1? @@@@@@@@@@@@@H ?@@@@@@@@?
?3@@@@L? N@@@@L ?7@@@@@@@@@@@@@@@@@@@@@@@@@@@@H?hI'@@@@@@@@@@@@@@@@@@@@@@L? @@@@@@@@@)X? ?V4@@@@@@?f?I'@@@@@@@@@@@L?f@@@@@@@H I4@@@@@@@@@@@@@@@@)X N@@L @@@@@@he?@@@@@@@@@H? ?@@@@@@@@@@@@@@@@? @@@? @@@@@@@@@? ?@@@@@@@@@@@@@1?f7@@@@@@@@@@@@@0M?@@@@@ ?@@@@@@?e7@@@@@@@@@@@0Y @@@@ @@@? ?@@1 ?7@? ?N@@@? @@@@@@@@@@@@@? ?@@@@@@@@?
?N@@@@1? ?@@@@1 J@@@@@@@@@@@@@@@@@@@@@@@@@@@@@L?h?V'@@@@@@@@@@@@@@@@@@@@@)X @@@@@@@@@@1? ?I'@@@@L?W&?e?@@@@@@@(Y@@)X?W2@@@@@@@5? I4@@@@@@@@@@@@@)X? @6K?e?3@1 @@@@@@he?@@@@@@@@@ ?@@@@@@@@@@@@@@@5? @@@? @@@@@@@@5? ?@@@@@@@@@@@@@@?f@@@@@@@@@@@@(Me?@@@@@ ?W2@@@@@@@@@@@@@@@@??J@@@@@@@@@@0M @@@@ @@@? ?@@@ ?@@? @@@? ?J@@@@@@@@@@@@@? ?O2@@@@@@@6K ?@@@@@@@@?
@@@@@? ?@@@@@ 7@@@@@@@@@@@@@@0M?f?@@@@@@@)KheV4@@@@@@@@@@@@@@@@@@@@@1 @@@@@@@@@@@? V'@@@)?&@?e7@@@@@@@Y?@@@)?&@@@@@@@(Y? I4@@@@@@@@@@@@)X N@@6X??V'@L? @@@@@@he?@@@@@@@@@L? ?@@@@@@@@@@@@@@@H? @@@? @@@@@@@@H? ?@@@@@@@@@@@@@@@@@@@@@@@@@@@@@@0Y?e?@@@@@ ?7@@@@@@@@@@@@@@@@@??7@@@@@@@@0M @@@@ @@@? ?3@@ ?@@? @@@L ?7@@@@@@@@@@@@@? O2@@@@@@@@@@@@@@@6K?hf?@@@@@@@@?
3@@@@? ?3@@@@L? @@@@@@@@@@@0M?h?@@@@@@@@@@?hf@@@@@@@@@@@@@@@@@@@@ ?J@@@@@@@@@@@? ?V'@@@@@@?e@@@@@@@@@@@@@@@@@@@@@@(Y I'@@@@@@@@@@@)X? ?@@@)XeV')X @@ @@@@@@he?@@@@@@@@@1? ?@@@@@@@@@@@@@@@ @@@? ?J@@@@@@@@ ?@@@@@@@@@@@@@@@@@@@@@@@@@@@@(M?f?3@@@@ ?@@@(Me?I4@@@@@@@@?J@@@@@@@0M @@@@ @@5? ?N@@ ?@K??@@? 3@@1 ?@@@@@@@@@@@@@@?hfO2@@@@@@@@@@@@@@@@@@@6X?heJ@@@@@@@@?
N@@@@? ?N@@@@1? @@@@@@@@@(M?heJ@@@@@@@@@@Lhf3@@@@@@@@@@@@@@@@@@@ O&@@@@@@@@@@5? V4@@@@@@@@@@@@@@@@@@@@@@@@@@@@@0Y? ?V4@@@@@@@@@@@)X I'@)X??N@1 N@ @@@@@@he?@@@@@@@@@@? ?@@@@@@@@@@@@@@@L? @@@? W&@@@@@@@5 ?@@@@@@@@@@@@@@@@@@@@@@@@@@@0Yg?N@@@@ ?@@@H? 7@@@@@(M @@@@ ?J@@H? @@ ?@@@@@@? N@@@ ?@@@@@@@@@@@@@@?heW2@@@@@@@@@@@@@@@@@@@@@@)Khe7@@@@@@@5?
?@@@@L 3@@@@? ?J@@@@@@@@0Yhf7@@@@@@@@@@1hfV4@@@@@@@@@@@@@@@@@@L? ?O2@@@@@@@@@@@@(Y? I4@@@@@@@@@@@@@@@@@@@@@@@@@0M? ?I'@@@@@@@@@@)X? ?V'@)Xe@@L? ?@ @@@@@@he?@@@@@@@@@@? ?@@@@@@@@@@@@@@@1? @? @@@? 7@@@@@@@@H ?@@@@@@?I'@@@@@@@@@@@@@@@@0Mhe@@@@ ?@@@L?hf?J@@@@@(Y? @@@@ ?7@@ @@L? ?@@@@@@? ?@@@L? J@@@@@@@@@@@@@5?h?W&@@@@@@@@@@@@@@@@@@@@@@@@@6Xh@@@@@@@@H?
?3@@@)X? N@@@@? ?7@@@@@@(M @@@@@@@@@@@@L?e?O2@6KfI4@@@@@@@@@@@@@@@@1? @@@@@@@@@@@@@@@H I4@@@@@@@@@@@@@@@@@@@@@0M? N@@@@@@@@@@@1? V4@)K?@@)X @@@@@@he?@@@@@@@@@@? ?@@@@@@@@@@@@@@@@? @? @@5? @@@@@@@@@? ?@@@@@@??V+?4@@@@@@@@@@@(Mhf@@@@ ?3@@1?hf?7@@@@(Y ?J@@@@ ?@@@ @@1? ?@@@@@@L ?@@@1? 7@@@@@@@@@@@@@H?hW&@@@@@@@@@@@@@@@@@@@@@@@@@@@)K?g@@@@@@@@
?N@@@@1? ?@@@@L ?@@@@@@@H?eW2@@@6X?f@@@@@@@@@@@@1??W2@@@@@@@6XeI'@@@@@@@@@@@@@@@L @@@@@@@@@@@@@@@? I4@@@@@@@@@@@@@@@@@0M? J@@@@@@@@@@@@L I'@@@@@1 ?)X? @@@@@@he?@@@@@@@@@@? ?@@@@@@@@@@@@@@@5? @@ @@@@?@@@@? ?3@@@@@Lg@@@@@@@@@(Y?hf@@@@ ?V'@@?hf?@@@@@H? ?7@@@@ ?@@@ 3@@? ?@@@@@@1 ?3@@@? @@@@@@@@@@@@@@he7@@@@@@@@@@@@@@@@@@@@@@@@@@@@@@@6Xf@@@@@@@@
@@@@@? ?3@@@1 ?@@@@@@@e?W&@@@@@)Ke?J@@@@@@@@@@@@@?W&@@@@@@@@@1e?V'@@@@@@@@@@@@@@1 ?J@@@@@@@@@@@@@@@? ?@@@@@@@@@@@@0M? ?W&@@@@@@@@@@@@)X? ?V'@@@@@ ?@)X @@@@@@he?@@@@@@@@@@? ?@@@@@@@@@@@@@@@H? @@)K @@@@?@@@@? ?N@@@@@1f?J@@@@@@@@(Yhf?J@@@@ N@@Lhf?@@@@5 ?@@@@@ ?@@@ N@@? ?@@@@@@@ ?N@@@? @@@@@@@@@@@@@@h?J@@@@@@@@@@@@@@@@@@@@@@@@@@@@@@@@@1e?J@@@@@@@@
3@@@@L ?N@@@@L? ?@@@@@@@eO&@@@@@@@@6KO&@@@@@@@@@@@@@?7@@@@@@@@@@@fN@@@@@@@@@@@@@@5 ?7@@@@@@@@@@@@@@@? ?@@@@@ O&@@@@@@@@@@@@@@)X V4@@@@ ?3@1e)Xhf@@@@@@he?@@@@@@@@@@? ?@@@@@@@@@@@@@@@L? O2@@@@@@@@@@@6K? 3@@@?@@@@? @@@@@@fW&@@@@@@@(Y?hf?7@@@@ ?3@1hf?@@@@H ?@@@@@ ?@@@ ?@@L ?@@@@@@@ @@@? @@@@@@@@@@@@@5h?7@@@@@@@@@@@@@@@@@@@@@@@@@@@@@@@@@@L??7@@@@@@@@
N@@@@1 @@@@1? ?@@@@@@@W2@@@@@@@@@@@@@@@@@@@@@@@@@@@?3@@@@@@@@@@@L?e?@@@@@@@@@@@@@@H ?3@@@@@@@@@@@@@@@? J@@@@@ ?@@@@@@@@@@@@@@@@@@)X? I4@@ ?N@@L?@)X?he@@@@@@he?3@@@@@@@@@? ?@@@@@@@@@@@@@@@@? O2@@@@@@@@@@@@@@@@@@@6K? N@@@?@@@@? @@@@@@e?W&@@@@@@@(Y ?@@@@@ ?N@@L?he?@@@@? ?@@@@@ J@@@ ?@@1 ?3@@@@@@ 3@@L ?J@@@@@@@@@@@@@HhJ@@@@@@@@@@@@@@@@@@@@@@@@@@@@@@@@@@@1??@@@@@@@@@
?@@@@@ @@@@@? ?@@@@@@@@@@@@@@@@@@@@@@@@@@@@@@@@@@@@?V'@@@@@@@@@@1?e?@@@@@@@@@@@@@@? ?V4@@@@@@@@@@@@@@? 7@@@@5 ?@@@@@@@@@@@@@@@@@@@1? 3@1?3@1?he@@@@@@he?N@@@@@@@@@? ?@@@@@@@@@@@@@@@H? O2@@@@@@@@@@@@@@@@@@@@@@@@@@@6X? J@@@@@@@@? @@@@@@L?W&@@@@@@@@H? ?3@@@@L?h@@6Kf@@1?he?@@@@? ?@@@@5 7@@5 ?@@@ ?N@@@@@@ N@@1 ?7@@@@@@@@@@@@@?h7@@@@@@@@@@@@@@@@@@@@@@@@@@@@@@@@@@@@??@@@@@@@@@
?@@@@@ 3@@@@? J@@@@@@@@@@@@@@@@@@@@@@@@@@@@@@@@@@@5??V'@@@@@@@@@@?e?@@@@@@@@@@@@@@? @@@@@@@@@@@@@? @@@@(Y J@@@@@@@@@0?'@@@@@@@@L V'@LN@@Lhe@@@@@@hf@@@@@@@@@? ?@@@@@@@@@@@@@@@ ?W2@@@@@@@@@@@@@@@@@@@0M?I4@@@@@@@@@)K 7@@@@@@@5? @@@@@@)?&@@@@@@@@@ ?N@@@@1?h?I'@6Ke@@@?he?@@@@? J@@@@H @@@H ?3@@ 3@@@@@ ?@@@ ?@@@@@@@@@@@@@@?h@@@@@@@@@@@@@@@@@@@@0MI4@@@@@@@@@@@@@@@@@@@@@@@@
?@@@@@ N@@@@L 7@@@@@@@@@@@@@@@@@@@@@@V'@@@@@@@@@@(Y?eN@@@@@@@@@@?e?@@@@@@@@@@@@@@? @@@@@@@@@@@@@? @@@@H? 7@@@@@@(M?eV'@@@@@@@1 ?N@)X@@1he3@@@@@hf@@@@@@@@@? ?@@@@@@@@@?@@@@@ W&@@@@@@@@@@0Mf@@(MhI4@@@@@@6K @@@@@@@@H? @@@@@@@@@@@@@@@@ @@@@@?heV4@@@@@@@?he?@@@@? 7@@@@? @@@? ?N@@ N@ ?@@@ ?@@@@@@@@@@@@@@?g?J@@@@@@@@@@@@@@@@0MgI4@@@@@@@@@@@@@@@@@@@@@5
?3@@@@L? ?@@@@1 @@@@@@@@@@@@@@@@@@@@@@5??@@@@@@@@@0Yf?3@@@@@@@@5?e?@@@@@@@@@@@@@@? 3@@@@@@@@@@@@? ?J@@@@ @@@@@@@Hf?V'@@@@@@@L? @@@@@@heN@@@@@hf@@@@@@@@@? ?@@@@@@@@@?@@@@@L?hf?O&@@@@@@@0Mh@@H?heI4@@@@@@6K @@@@@@@@ @@@@@@@@@@@@@@@@ @@@@@@6Khf?I4@@?he?@@@@L @@@@@? @@@? @@L? ?@ ?3@@L? ?@@@@@@@@@@@@@@?g?7@@@@@@@@@@@0M?hfI4@@@@@@@@@@@@@@@@@@@H
?N@@@@1? ?3@@@@ @@@@@@@@@@@@@@@@@@@@@(YW&@@@@@@@0Mg?V4@@@@@@0Y?e?@@@@@@@@@@@@@@? V'@@@@@@@@@@@? ?7@@@@ @@@@@@@?gN@@@@@@@1? 3@@?@@L?hJ@@@@@hf@@@@@@@@@? ?@@@@@@@@@?@@@@@1?hf@@@@@@@0M?he@@ I4@@@@6X 3@@@@@@@ @@@@@@@@@@@@@(M? @@@@@?I'6K ?@@@@1 @@@@@? ?J@@@? @@1? ?@ ?N@@1? ?@@@@@@@@@@@@@@?g?@@@@@@@@@(M I'@@@@@@@@@@@@@@@@@L
3@@@@L ?N@@@@L? @@@@@@@@@@@?@@@@@@@@(Y?7@@@? ?I4@@0M?f?3@@@@@@@@@@@@@? ?N@@@@@@@@@@@? ?@@@@@ @@@@@@@?g?3@@@@@@@? N@@?@@1?h7@@@@@hf@@@@@@@@@? ?@@@@@@@@@?@@@@@@?hf@@@@@0M?hf@@ I'@@@)K? ?@@@@@@@ @@@@@@@@@@@@(Y @@@@@??V4@6X ?@@@@@L? @@@@@? ?7@@@? @@@? J@ @@@? ?@@@@@@@@@@@@@@?g?@@@@@@@@@H? ?V'@@@@@@@@@@@@@@@@@
N@@@@1 @@@@1? @@@@@@@@@@@?@@@@@@@0Y??@@@5? ?N@@@@@@@@@@@@@L @@@@@@@@@@@? J@@@@5 @@@@@@@Lg?N@@@@@@@?hf?W2@6K ?3@@@@@Lh@@@@@@L?he@@@@@@@@@? ?@@@@@@@@@@@@@@@@?h?W2@@@@(M? @@ ?V'@@@@6X? 7@@@@@@@L? @@@@@@@@@@@(Y? 3@@@@?e?I4)K? ?3@@@@)X @@@@@? ?@@@@? @@@? 7@ @@@L J@@@@@@@@@@@@@5?gJ@@@@@@@@@ N@@@@@@@@@@@@@@@@H
?@@@@@ @@@@@? 3@@@@@@@@@@?heJ@@(Y? ?J@@@@@@@@@@@@@1 3@@@@@@@@@@? 7@@@@H @@@@@@@1h3@@@@@@?hfW&@@@@6K ?N@@@@@1h@@@@@@1?he@@@@@@@@@? ?@@@@@@@@@@@@@@@@?hW&@@@@0Y @@ V'@@@@)X @@@@@@@@1? 3@@@@@@@@@@H N@@@@?f?I'@@@@@6K ?N@@@@@)K? @@@@@? J@@@5? 3@@? @5 @@@1 7@@@@@@@@@@@@@H?g7@@@@@@@@5 ?@@@@@@@@@@@@@@@@?
?3@@@@ 3@@@@L N@@@@@@@@@@?he7@@H ?@@@@@@@@@@@@@@@ N@@@@@@@@@@? @@@@@? @@@@@@@@hN@@@@@@Lhf7@@@@@@@6X 3@@@@@h@@@@@@@?he@@@@@@@@@? ?@@@@@@@@@@@@@@@5?g?W&@@@(M @@ ?V'@@@@1 @@@@@@@@@? ?@@@@@@@@@5? J@@@@?gV4@@@@@@6X @@@@@@@6X? @@@@@? 7@@@H? N@@? @H @@@@ @@@@@@@@@@@@@@g?J@@@@@@@@@H ?3@@@@@@@@@@@@@@@?
?N@@@@ N@@@@1 ?@@@@@@@@@@?he@@@? ?N@@@@@@@@@@@@@@ ?@@@@@@@@@@? @@@@5? @@@@@@@@h?@@@@@@1hf3@@@(?'@@)X? N@@@@@L?g@@@@@@5?he@@@@@@@@@? ?@@@@@@@@@?W@@@@H?gW&@@@(Y? @@L? V4@@@@L? @@@@@@@@@? ?W&@@@@@@@@(Y? ?W&@@@@?hI'@@@@@1 3@@@@@@@)X @@@@@? @@@@ ?@@L @? 3@@@ @@@@@@@@@@@@@@gW&@@@@@@@@5? ?N@@@@@@@@@@@@@@5? ?O2@@@6K O2@@@@@@6K
@@@@L? ?3@@@@ ?@@@@@@@@@@?h?J@@@@6?2@6K @@@@@@@@@@@@@@ ?@@@@@@@@@@? ?J@@@@H? @@@@@@@@h?@@@@@@@L?heN@@@H?V4@@)K ?@h?@@@@@1?g@@@@@@H?he@@@@@@@@@? ?@@@@@@@@@?7@@@@h7@@@(Y @@@? ?@@@)X @@@@@@@@@? W&@@@@@@@@(Y W&@@@@@?h?V'@@@@@L? N@@@@@@@@)X? @@@@5? @@@@ ?3@1 ?J@? N@@@ @@@@@@@@@@@@@@g7@@@@@@@@@ @@@@@@@@@@@@@@H? O2@@@@@@@@@6K?hO2@@@@@@@@@@@6X?
@@@@1? ?N@@@@L? ?@@@@@@@@@@?hO&@@@@@@@@@@@6K? @@@@@@@@@@@@@@ ?@@@@@@@@@@? ?7@@@@ @@@@@@@@h?3@@@@@@1?he?@@@fI'@@6X ?@@@@@@?g@@@@@@hf@@@@@@@@@? ?@@@@@@@@@?@@@@@g?J@@@(Y? @@H? ?3@@@1 @@@@@@@@@L 7@@@@@@@@@H? ?W&@@@@@@?heV4@@@@1? ?3@@@@@@@@)K @@@@H? @@@@ ?N@@ ?75? ?@@@ @@@@@@@@@@@@@5g@@@@@@@@@@1? 3@@@@@@@@@@@@5 W2@@@@@@@@@@@@@6X?fW2@@@@@@@@@@@@@@)X
3@@@@? @@@@1? ?@@@@@@@@@@?gW2@@@@@@@@@@@@@@@@6K @@@@@@@@@@@@@@ ?3@@@@@@@@@? ?@@@@@ @@@@@@@5h?N@@@@@@@?he?3@@f?V4@@)X? ?3@@@@@Lg3@@@@@L?he@@@@@@@@@? ?@@@@@@@@@?3@@@@gW&@@(Y @@ ?N@@@@L? 3@@@@@@@@1 ?J@@@@@@@@@@ W&@@@@@@@?h@?eI'@@@L ?V'@@@@@@@@@@@@6K? @@@@ @@@@ @@ ?@H? ?3@@L? @@@@@@@@@@@@@Hg@@@@@@@@@@@? N@@@@@@@@@@@@H ?W&@@@@@@@@@@@@@@@1?e?W&@@@@@@@@@@@@@@@@)X?
N@@@@L @@@@@L ?3@@@@@@@@@?g7@@@@@@@@@@@@@@@@@@@6K @@@@@@@@@@@@@@L? ?N@@@@@@@@@? ?@@@@5 3@@@@@@?he@@@@@@@?he?N@@L?f?I'@)K ?V'@@@@1gN@@@@@@?he@@@@@@@@@? ?@@@@@@@@@?N@@@@f?W&@@(Y? @@ @@@@)X N@@@@@@@@@ ?7@@@@@@@@@@L?hf?W2@6Xe?W&@@@@@@@@?h@?'6KS@@@)K? V'@@@@@@@@@@@@@@@? ?J@@@@ @@@@ @@L? ?@ ?N@@1? ?J@@@@@@@@@@@@@?g@@@@@@@@@@@? ?3@@@@@@@@@@@? W&@@@@@@@@@@@@@@@@@Le?7@@@@@@@@@@@@@@@@@@1?
?@@@@1 3@@@@1 ?N@@@@@@@@@?f?J@@@@@@@@@@@@@@@@@@@@@@@@6Xhf@@@@@@@@@@@@@@1? @@@@@@@@@? J@@@@H N@@@@@@1he@@@@@@@?hf@@1?gV4@@6X N@@@@@g?@@@@@H?he@@@@@@@@@? ?@@@@@@@@@e@@@@f?7@@@H @@ @@@@@1 ?@@@@@@@@@ J@@@@@@@@@@@1?hfW&@@@)e?7@@@(Y@@@@?heV'@@Y@@@@6X?hf?N@@@@@@@@@@@@@@@L ?7@@@@ @@@@ @@1? ?@ @@@? ?7@@@@@@@@@@@@@?g@@@@@@@@@@@? ?N@@@@@@@@@@@? 7@@@@@@@@@@@@@@@@@@)K??@@@@@@@@@@@@@@@@@@@@L
?@@@@@ N@@@@@ @@@@@@@@@LfO&@@@@@@@@@@@@@@@@@@@@@@@@@)X?he@@@@@@@@@@@@@@@? @@@@@@@@@? 7@@@@? ?@@@@@@@he@@@@@@@Lhf3@@LhI4@)K? /Xf?@@@@@L?f?@@@@@hf@@@@@@@@@? ?@@@@@@@@@?J@@@@fJ@@@5? @@ ?I'@@@L? ?@@@@@@@@@ ?W&@@@@@@@@@@@@?he?W&@@@@HeJ@@@(Y?@@@@?he?V'@@@@@@@)K @@@@@@@@@@@@@@@)X? ?@@@@@ ?J@@@5 @@@? J@ @@@? ?@@@@@@@@@@@@@@?g@@@@@@@@@@@? @@@@@@@@@@@L ?J@@@@@@@@@@@@@@@@@@@@@@@@@@@@@@@@@@@@@@@@@@@1
?3@@@@ ?@@@@@ @@@@@@@@@1e?@@@@@@@@@@@@@@@@@@@@@@@@@@@@@)Xhe3@@@@@@@@@@@@@@L @@@@@@@@5? @@@@@? ?@@@@@@@he@@@@@@@1hfN@@1heI4@6K? V/K?e?@@@@@1?f?@@@@@hf@@@@@@@@@? ?3@@@@@@@@W&@@@@f7@@(Y? @@ N@@@1? ?@@@@@@@@@ ?7@@@@@@@@@@@@@?heW&@@@@@??W&@@(Y??@@@@?hfV4@@@@@@@@6Xhf?I4@@@@@@@@@@@@@1? ?@@@@@ ?7@@@H @@@? 75g)X 3@@L ?@@@@@@@@@@@@@@?g3@@@@@@@@@@L @@@@@@@@@@@1 ?7@@@@@@@@@@@@@@@@@@@@@@@@@@@@@@@@@@@@@@@@@@@@L?
?N@@@@ ?@@@@@L? @@@@@@@@@@eJ@@@@@@@@@@@0Mg?I4@@@@@@@@)X?hN@@@@@@@@@@@@@@1 3@@@@@@@H? @@@@5? ?@@@@@@@he@@@@@@@@hf?3@@L?heI4@6X?f?W2@ ?N@@e?3@@@@@?fJ@@@@@hf@@@@@@@@@? ?N@@@@@@@@@@@@@@e?J@@@H @@ ?3@@@? ?@@@@@@@@@ J@@@@@@@@@@@@@@?h?W&@@@(Me?7@@@He?@@@@? I4@@@@@@@1 ?I@?4@@@@@@@@@@? ?@@@@@ ?@@@@? 3@@? @Hg@1 N@@1 ?@@@@@@@@@@@@@5?gN@@@@@@@@@@1 3@@@@@@@@@@@ ?@@@@@@@@@@@@@@@@@@@@@@@@@@@@@@@@@@@@@@@@@@@@@1?
@@@@L? ?3@@@@1? @@@@@@@@@@?O&@@@@@@@@@0Mhe?I'@@@@@@@1?h?@@@@@@@@@@@@@@@ N@@@@@@@ ?J@@@@H? ?@@@@@@@@@@@6Kf@@@@@@@@hf?N@@1?hfI'1?fO&@@ 3@L??N@@@@@Lf@@@@@@hf@@@@@@@@@? @@@@@@@@@@@@@@e?7@@5? @@ ?N@@@L ?@@@@@@@@@ ?W&@@@@@@(Y@@@@@@?hW&@@@(Y?eJ@@@5?e?@@@@? I'@@@@@@ ?I'@@@@@@@5? ?@@@@@ ?@@@5? N@@L @?g@@ ?@@@ ?@@@@@@@@@@@@@H?g?3X@@@@@@@@@ N@@@@@@@@@@@ J@@@@@@@@@@0MI4@@@@@@@@@@@@@@@@@@@@@@@@@@@@@@@@?
3@@@1? ?N@@@@@? @@@@@@@@@@@@@@@@@@@@(M V4@@@@@@@Lh?@@@@@@@@@@@@@@@?O)X ?@@@@@@@ ?7@@@@ ?@@@@@@@@@@@@@@?e@@@@@@@@ 3@@Lhf?V'?@@@@@@@5 V')Ke@@@@@)X?eN@@@@@hf@@@@@@@@@L @@@@@@@@@@@@@@e?@@@H? @@ 3@@1 ?@@@@@@@@@L? W&@@@@@@(Y?@@@@@@?g?W&@@@(Yf7@@@H?e?@@@@? ?V'@@@@@ N@@@@@@@H? ?@@@@@ ?@@@H? ?@@1 @?g@@ ?@@@ ?@@@@@@@@@@@@@h?N@@@@@@@@@@ ?@@@@@@@@@@@ 7@@@@@@@(MgI'@@@@@@@@@@@0M?f?I'@@@@@@@@?
N@@?@? 3@@@@L 3@@@@@@@@@@@@@@@@@@(Y? I'@@@@@1h?@@@@@@@@@@@@@@@@@@)X? ?@@@@@@@ ?@@@@@ ?@@@@@@@@@@@@@@?e@@@@@@@@L?hfN@@, 3@@@@@(Y ?V'@6X@@@@@@1?e?@@@@@hf@@@@@@@@@1 @@@@@@@@@@@@@@e?@@5 @@ N@@@ ?@@@@@@@@@1? 7@@@@@@@H??@@@@@@LgW&@@@(Y?f3@@5f?@@@@? V'@@@@ ?@@@@@@@ ?@@@@5 J@@@ ?@@@ @?g@@ ?@@@L? ?@@@@@@@@@@@@@he@@@@@@@@@@ ?3@@@@@@@@@@ @@@@@@@(Y?g?V'@@@@@@@@@heV'@@@@@@@?
?@@?@L N@@@@1 N@@@@@@@@@@@@@@@@@@H ?N@@@@@@h?@@@@@@@@@@@@@@@@@@@)X ?3@@@@@@ J@@@@@ ?3@@@@@@@@@@@@@@6X@@@@@@@@@?hf?@0Y V4@@@0Y?h@@@?gV4@@@@e@@@?e?@@@@@L?he@@@@@@@@@@ @@@@@@@@@@@@@@eJ@@H @@ ?@@@L? ?3@@@@@@@@@? @@@@@@@5e?@@@@@@1f?W&@@@(YgV40Yf?@@@@? ?N@@@@L? ?3@@@@@@ ?@@@@H 7@@@ ?3@@ ?J5?f?J@@L? ?3@@1? J@@@@@@@@@@@@5h?J@@@@@@@@@@L? ?N@@@@@@@@@@ @@@@@@@HheN@@@@@@@@5he?N@@@@@@@?
?3@?@1 ?@@@@@ ?@@@@@@@@@@@@@@@@@5? 3@@@@@@@@@f?@@@@@@@@@@@@@@@@@@@@)X? ?N@@@@@@L? 7@@@@5 ?V4@@@@@@@@@@@@@@@@@@@@@@@H? @@@Lh?I4@e3@@Le?@@@@@1?he3@@@@@@@@@ @@@@@@@@?@@@@@e7@@? @@ ?3@@1? ?N@@@@@@@@@? ?J@@@@@@@He?3@@@@@@fW&@@@@H? ?@@@@? 3@@@1? ?N@@@@@@ ?@@@@? @@@@ ?N@@ ?7H?f?7@@1? ?N@@@? 7@@@@@@@@@@@@Hh?7@@@@@@@@@@1? @@@@@@@@@@L? @@@@@@@?he?@@@@@@@@Hhf@@@@@@@?
?N@@@@ ?3@@@@L? ?@@@@@@@@@@@@@@@@@H? V'@@@@@@@@f?@@@@@@@@@@@@@@@@@@@@@)X ?J@@@@@@)X @@@@@H I4@@@@@@@@@@@@@@@@@@ @@@)X?hfN@@1e?@@@@@@?he?@@@@@@@@@ @@@@@@@@?@@@@@?J@@5? @@ ?N@@@? ?J@@@@@@@@@? ?7@@@@@@5?e?N@@@@@@e?W&@@@@@ ?@@@@? V4@@@L @@@@@@ J@@@@? @@@@ @@ ?@g?@@@@? @@@? @@@@@@@@@@@@@?h?@@@@@@@@@@@@? 3@@@@@@@@@1? ?J@@@@@@5?he?@@@@@@@5?hf3@@@@@@?
@@?@L? ?N@@@@1? ?@@@@@@@@@@@@@@@@5 ?N@@@@@@@@f?@@@@@@@@@@@@@@@@@@@@@@)K? O&@@@@@@@)K? @@@@@? @@@@@@@@@@@@ ?I'@)Xhf?@@@e?@@@@@@?he@@@@@@@@@@ @@@@@@@@?@@@@@W&@@H? @@ @@@? ?7@@@@@@@@@L J@@@@@@(Y?f@@@@@@e?7@@@(M? ?@@@@? ?@@)K? ?J@@@@@@ 7@@@@? ?J@@@@ @@L? J@g?@@@@? @@@L @@@@@@@@@@@@@?h?@@@@@@@@@@@@? N@@@@@@@@@@? ?7@@@@@@H?he?@@@@@@@H?hfN@@@@@@?
@@@@1? @@@@@? ?@@@@@@@@@@@@@@@(Y 3@@@@@@@f?@@@@@@@@@@@@@@@@@@@@@@@@6X? W2@@@@@@@@@@@@@@@@6X @@@@5? 3@@@@@@@@@@@ V'@)X?he?@@@e?@@@@@@?heN@@@@@@@@@ ?J@@@@@@@@?@@@@@@@@@ @@ @@@? ?@@@@@@@@@@1 7@@@@@(Yg@@@@@@e?@@@@H ?@@@@Lh@6X?he?3@@@@ O&@@@@@@ @@@@@? ?7@@@@ @@1? 7@g?3@@@? @@@1 ?J@@@@@@@@@@@@@?hf@@@@@@@@@L ?@@@@@@@@@@? ?@@@@@@@hf?@@@@@@@ ?@@@@@@?
@@@@@? @@@@@L ?@@@@@@@@@@@@@@@H? N@@@@@@@L?e?@@@@@@@@@@@@@@@@@@@@@@@@@)K ?W&@@@@@@@@@@@@@@@@@@)X? ?I40Y? N@@@@@@@@@@@L? ?N@@1?he?3@@L?J@@@@@@?heJ@@@@@@@@@ ?@@@@@@@@@?@@@@@@@@@ ?J@@ @@@? ?@@@@@?@@@@@ @@@@@(Y?g@@@@@@L??@@@@? ?@@@@1h@@)Xhe?V'@@@hf?W2@@@@@@@@@ @@@@@? ?@@@@5 @@@? @5g?N@@@? 3@@@ ?7@@@@@@@@@@@@@?hf3@@@@@@@@1 ?3@@@@@@@@@L ?@@@@@@@hf?@@@@@@@ J@@@@@@?
3@@@@L 3@@@@1 ?@@@@@@@@@@@@@@5 ?@@@@@@@)Xe?3@@@@@@@@@@@@@@@@@@@@@@@@@@@@ W&@@@@@@@@@@@@@@@@@@@@)K ?)X? J@@@@@@@@@@@)K @@@?he?V@@)?&@@@@@@Lh?W&@@@@@@@@@L? ?N@@@@@@@@?@@@@@@@@@ O&@@ @@@? ?3@@@@?@@@@@L? ?J@@@@@Hh@@@@@@1?J@@@@? ?3@@@@h3@@)X?heV'@@L?heO&@@@@@@@@@5 @@@@@? ?@@@@H ?O2@ 3@@? @Hh3@@? N@@@ ?3@@@@@@@@@@@@@?hfN@@@@@@@@@ ?N@@@@@@@@@1 ?@@@@@@@L?he?@@@@@@@L?hf7@@@@@@?
N@@@@1 N@@@@@ ?@@@@@@@@@@@@@@H ?@@@@@@@@1f@@@@@@@@@@@@@@@@@@@@@@@@@@@@L? 7@@@@@@@@@@@@@@@@@@@@@@@@? ?W2@@@@@@@@@@6?2@@6K?O@Ke?O@Kg?O2@6Ke?O@?he?@1?fW2@@@@@@@6?2@@@@@@@@@@@@6?&@@@@@@@@@@@@@@@@@@@@@@@@@6?26?2@6K?fO@K? @@@@6KeO26K?O2@@@@@@@@@@@@)K?gO&@@@@@@@@@@)KeO2@6K?heW2@@@@@6X?g@@@@@@@@@@@@@@@@@@@@@@@@@@@@@@@@@@@@@@@@@@@@@@@@@@@@6K O)X?g@@@? ?N@@@@@@@@@@1? ?7@@@@5?h@@@@@@@W&@@@5? @@@@hV'@@)Xhe?N@@1?hW2@@@@@@@@@@(Y @@@@5? ?@@@@? @@@@L? N@@? ?J@?hN@@? ?@@@ ?N@@@@@@@@@@@@5?hf?@@@@@@@@@ @@@@@@@@@@ ?@@@@@@@1?heJ@@@@@@@1?hf@@@@@@@?
?3@V'@ ?3@@@@L? ?3@@@@@@@@@@@@5? ?@@@@@@@@@e?@@@@@@@@@@@@@@@@@@@@@@@@@@@@@)X ?J@@@@@@@@@@@@@@@@@@@@@@@@@? O&@@@@@@@@@@@@@@@@@@@@@@@@@@@@@6X?e@@@@@@@@@@@?gW2@@@@@?e?O&@@@@@@@@@@@@@@@@@@@@@@@@@@@@@@@@@@@@@@@@@@@@@@@@@@@@@@@@@@@@@@@@@@@@@@@@@@@@@@@@@@@@@@@@@@@@@@@@@@@@@@@@@@@@@@@@@@@@@@@@@@@@@@@@@@@@@@@@@@@@@@@@@@@@@@@@?g7@@@@@@@1?g@@@@@@@@@@@@@@@@@@@@@@@@@@@@@@@@@@@@@@@@@@@@@@@@@@@@@@6?2@@@@@@@@@@@@@@@@@)?g@@@? @@@@@@@@@@@? ?@@@@@H?h@@@@@@@@@@@(Y? ?@@@@@h?V@@@1hf@@@?g?O&@@@@@@@@@@0Y? @@@@H? ?@@@@? @@@@)KheO2@6X? ?@@L ?7@?h?@@? ?@@@ @@@@@@@@@@@@H?hf?3@@@@@@@@ @@@@@@@@@@L? ?3@@@@@@@Lh?W&@@@@@@@@?he?J@@@@@@@?
?N@LN@ ?N@@@@1? ?N@@@@@@@@@@@@H? ?@@@@@@@@@e?N@@@@@@@@@@@@@@@@@@@@@@@@@@@@@1 W&@@@@@@@@@@@@@@@@@@@@@@@@@L ?@@@@@@@@@@@@@@@@@@@@@@@@@@@@@@@@@@@@@@@@@@@@@@@@@,?e@@@@@@@@@@5?f?W&@@@@@@@@@@@@@@@@@@@@@@@@@@@@@@@@@@@@@@@@@@@@@@@@@@@@@@@@@@@@@@@@@@@@@@@@@@@@@@@@@@@@@@@@@@@@@@@@@@@@@@@@@@@@@@@@@@@@@@@@@@@@@@@@@@@@@@@@@@@@@@@@@@@@@@@@@@@@@@@@@@@@?g3@@@@@@@5?g@@@@@@@@@@@@@@@@@@@@@@@@@@@@@@@@@@@@@@@@@@@@@@@@@@@@@@@@@@@@@@@@@@@@@@@@@@H?g@@@? @@@@@@@@@@@L J@@@@@he@@@@@@@@@@@H ?N@@@@e@@@@@@@@@@@@ @@@@@@@@@(M? ?J@@@@ J@@@@? ?J@@@@@@@@@@@@@@@@@@@@)X ?@@1 ?@5?h?3@L ?3@@L? @@@@@@@@@@@@e?W2@@6X?f?N@@@@@@@@L? 3@@@@@@@@@1? ?N@@@@@@@)K?gW&@@@@@@@@@LheW&@@@@@@@?
@1?@L? @@@@@? @@@@@@@@@@@5 J@@@@@@@@5f@@@@@@@@@@@@@@@@@@@@@@@@@@@@@@ ?W&@@@@@@@@@@@@@@@@@@@@@@@@@@1 ?3@@@@@@@@@@@@@@@@@@@@@@@@@@@@@@@@@@@@@@@@@@fI(Y?g?I'@@(Y?f?*@@@@@@@@@@@@@@@@@@@@@@@@@@@@@@@@@@@@@@@@@@@@@@@@@@@@@@@@@@@@@@@@@@@@@@@@@@@@@@@@@@@@@@@@@@@@@@@@@@@@@@@@@@@@@@@@@@@@@@@@@@@@@@@@@@@@@@@@@@@@@@@@@@@@@@@@@@@@@@@@@@@@@?gV'@@@@@0Y?g@@@@@@@@@@@@@@@@@@@@@@@@@@@@@@@@@@@@@@@@@@@@@@@@@@@0MI4@@@@@@@@@@@@@@@@@@@h@@@? @@@@@@@@@@@1 7@@@@5h?J@@@@@@@@@@@? @@@@e?I4@@@@@@@@@ ?J@@@@@@@@@H ?7@@@@ 7@@@5? O&@@@@@@@@@@@@@@@@@@@@@1 ?@@@L? ?@H?h?N@1 ?N@@1? @@@@@@@@@@@@e?7@@@@)Xg@@@@@@@@1? N@@@@@@@@@@? @@@@@@@@@6K?e?O&@@@@@@@@@@)K?g?O&@@@@@@@@?
@@?@1? @@@@@L @@@@@@@@@@@H 7@@@@@@@(Yf@@@@@@@@@@@@@@@@@@@@@@@@@@@@@@@6X? W&@@@@@@@@@@@@@@@@@@@@@@@@@@@@ ?V'@@@@@@@@@@@@@@@@@@@@@@@@@@@@@@@@@@@@@@@@5 V40Yg?V4@@@@@@@@@@@@@@@@@@@@@@@@@@@@@@@@@@@@@@@@@@@@@@@@@@@0Mh?I@Mg?@@@@@@@@0M? ?I'@@@hf?I'@@@@@@@@0M?f?I'@@@@@@@@@ ?V+Mhf@@@@@@@@@@@@@@@@g?I@M ?@@@ @@@? @@@@@@@@@@@@ ?J@@@@@HeW26XeW&@@@@@@@@@@@L @@@@g?@@@@@@@?@@@ ?7@@@@@@@@@? ?@@@@@ @@@@H? O2@@@@@@@@@@@@@@@@@@@@@@@@L? ?@@@1? ?@hf@@ @@@? @@@@@@@@@@@@eJ@@@@@@)K?f3@@@@@@@@? ?3@@@@@@@@@? @@@@@@@@@@@@@@@@@@@@@@@@@@@@@6K?eO2@@@@@@@@@@5?
3@?@@? 3@@@@1 @@@@@@@@@@5? @@@@@@@@H?f@@@@@@@@@@@@@@@@@@@@@@@@@@@@@@@@1? 7@@@@@@@@@@@@@@@@@@@@@@@@@@@@@ V4@@@@@@@@@@@@@@@@@0M?eI40MI4@@@@@@@@@@0Y ?@@@@@@@@@@@@@@@@@@@@@@@@? ?@@(M? N@@5 N@@@@@@?heN@@@@@@@@@ ?J@@@@@@@@@@@@@@@@ ?3@@ ?J@@5? W& @@@@@@@@@@@@ W&@@@@5?e7@@1e7@@@@@@@@@@@@1heO2@@@6X?f@@@@g?@@@fJ@@@ J@@@@@@@@@5? ?@@@@@ @@@@ ?@@@@@@@@@@@@@@@@@@@@@@@@@@@1? ?3@@5? ?@hf@@ @@@? ?J@@@@@@@@@@@@e7@@@@@@@@6X?eN@@@@@@@@L ?N@@@@@@@@@L @@@@@@@@@@@@@@@@@@@@@@@@@@@@@@@@@@@@@@@@@@@@@@H?
N@?3@? N@@@@@L? @@@@@@@@@(Y? @@@@@@@@f?J@@@@@@@@@@@@@@@@@@@@@@@@@@@@@@@@@? ?J@@@@@@@@@@@@@@@@@@@@@@@@@@@@@@ ?3@@@@@@@@@@@@@@@@@@@@@@5? ?@@H ?3@? ?@@@@@@?he?@@@@@@@@@ ?7@@@@@@@@@@@@@@@@ ?N@@ ?7@@H? 7@ @@@@@@@@@@@@L? 7@@@@@H?e@@@@e@@@@@@@@@@@@@@g?O2@@@@@@@1?f@@@@g?@@@L?e7@@@ 7@@@@@@@@0Y? ?@@@@@L? ?J@@@@ J@@@@@@@@@@@@@@@@@@@@@@@@@@@@L ?V40Y? J@hf@@ @@@? ?7@@@@@@@@@@@@e@@@@@@@@@@)Xe?@@@@@@@@1 @@@@@@@@@1 3@@@@@@@@@@@@@@@@@@@@@@@@@@@@@@@@@@@@@@@@@@@@@
?@LN@L ?@@@@@1? @@@@@@@@@H ?J@@@@@@@@fW&@@@@@@@@@(MW@@@@@@@@@@@@@@@@@@@@@? W&@@@@@@@@@@@@@@@@@@@@@@@@@@@@@@ ?N@@@@@@@@@@@@@@@@@@@@@@ ?@@? ?N@1 ?@@@@@@?he?@@@@@@@@@ ?3@@@@@@@@@@@@@@@@L? ?J@@ ?@@@ @@ @@@@@@@@@@@@1? @@@@@@e?J@@@@@@@@@@@@@@@@@@@@L?e?O2@@@@@@@@@@?f@@@@g?@@@)Xe@@@@ ?J@@@@@@0M ?@@@@@1? O&@@@@ 7@@@@@@@@@@@@@@@@@@@(MI'@@@@@1 75hf3@L? 3@@L ?@@@@@@@@@@@@5e@@@@@@@@@@@)X??@@@@@@@@@ 3@@@@@@@@@ V'@@@@@@@@@@@@@@@@@@@@@@@@@@@@@@@@@@@@@@@@@@@5
?@1?@1 ?3@@@@@? ?J@@@@@@@@@? ?7@@@@@@@@f7@@@@@@@@@0YW&@@@@@@(MeI'@@@@@@@@@? ?W&@@@@@@@@@@@@@@@@@@@@@@@@@@@@@@@ @@@@@@@@@@@@@@e@@@@@@@? J@@? @@ ?@@@@@@?he?@@@@@@@@@ ?N@@@@@@@@@@@@@@@@)X ?7@@ J@@5 @@L? @@@@@@@@@@@@@? @@@@@@e?7@@@@@@@@@@@@@@@@@@@@1??W2@@@@0M??@@@@?f@@@@g?@@@@)K?@@@@ ?7@@@@@? ?O2@@@@6K??O@Khf?O2@@@@@@@@? ?O@KO2@@@@@@L? @@@@@@@@@@@@?I'@@@@@H??V4@@@@@ @HhfN@1? N@@1 ?@@@@@@@@@@@@He@@@@@@@@@@@@)??3@@@@@@@@L? N@@@@@@@@@ ?N@@@@@@@@@@@@@@@@@@@?I'@@@@@@@@@@@@@@@@@@@@(Y
?3@?3@ ?N@@@@@? ?7@@@@@@@@@? ?@@@@@@@@5e?J@@@@@@(Me?W&@@@@@@0Y?e?N@@@@@@@@@? ?7@@@@@@@@@@@@@@@@@@@@@@@@@@@@@@@@ @@@@@@@@@@@@@@e@@@@@@H? ?W&@5? @@ ?@@@@@@?he?@@@@@@@@@ @@@@@@@@@@@@@@@@@1 ?@@@ 7@@H @@1? 3@@@@@@@@@@@@L ?J@@@@@@e?@@@@@@@@@@@@@@@@@@@@@@?O&@@@(M?e?@@@@?f@@@@g?@@@@@@@@@@5 ?@@@@@@? ?O2@@@@@@@@@@@@@@@@@@@@@@@@@@@@@@@@@@@@@@@@@@@@@@@@@@@@@@@@@@@@@@@@@@@@@)KO2@@@6?2@@@@@@@@@@@@@@@@@@eV'@@@@g@@@@ @?hf?@@? ?@@@ ?@@@@@@@@@@@@?e@@@@@@@@@@@@H??N@@@@@@@@1? ?@@@@@@@@@L? 3@@@@@@@@@@@@@@@@@5??N@@@@@@@@@@@@@@@@@@@@H?
?N@LN@L? @@@@@L ?@@@@@@@@@5? ?@@@@@@@@HeW&@@@@@(Y?eW&@@@@@(M?g@@@@@@@@@L J@@@@@@@@@@@@@@@@@@V4@0Y@@@@@@@@@@L? @@@@@@@@@@@@@5e@@@@@@ W&@@H? 3@L?hf?@@@@@@?he?@@@@@@@@@ @@@@@@@@@@@@@@@?@@L? J@@@ @@@? @@@? N@@@@@@@@@@@@1 ?7@@@@@5e?@@@@@@@@@@@@@@@@@@@@@@@@@@@0Y @@@@g?3@@@@@@@@@H ?@@@@@5? ?W2@@@@@@@@@@@@@@@@@@@@@@@@@@@@@@@@@@@@@@@@@@@@@@@@@@@@@@@@@@@@@@@@@@@@@@@@@@@@@@@@@@@@@@@@@@@@@@@@@@5e?N@@@@@@@@@@@@@@L? ?J@?hf?@@? ?@@@ ?@@@@@@@@@@@@?e@@@@@@@@@@@@f@@@@@@@@@? ?3@@@@@@@@1? V'@@@@@@@@@@@@@@@(Y?e3@@@@@@@@@@@@@@@@@@5
@1?@1? 3@@@@1 J@@@@@@@@@H? J@@@@@@@@??W&@@@@@@He?W&@@@@@@Hh@@@@@@@@@1 ?W&@@@@@@(Y@@@@@@@@@@?f3@@@@@@@@@1? 3@@@@@@@@@@@0Ye@@@@@@ 7@@5 N@@?hf?@@@@@@?he?@@@@@@@@@ @@@@@@@@@@@@@@@?3@1? 7@@@ ?J@@5? 3@@? ?@@@@@@@@@@@@@ J@@@@@@He?@@@@@@@@@@@@@@@@@@@@@@@@(M? @@@@g?V'@@@@@@@5? J@@@@@H? O&@@@@@@@@@@@@@@@@@@@@@@@@@@@@@@@@@@@@@@@@@@@@@@@@@@@@@@@@@@@@@@@@@@@@@@@@@@@@@@@@@@@@@@@@@@@@@@@@@@(Yf3@@@@@@@@@@@@@1? ?7@?hf?@@L ?@@@L? ?3@@@@@@@@@@@Le3@@@@@@@@@@@f3@@@@@@@@? ?N@@@@@@@@@? ?V4@@@@@@@@@@@@@0YfV'@@@@@@@@@@@@@@@@(Y
@@?3@? N@@@@@ 7@@@@@@@@@ ?W&@@@@@@@@??7@@@@@@5?e?7@@@@@@5?eW2@@@@@@@@@@@@@@L? ?7@@@@@@(Y?@@@@@@@(MgV@@@@@@@@@@? ?@@@@@@@(Mg@@@@@@ @@(Y ?W-Xf?@H?hf?@@@@@@?he?@@@@@@@@@ @@@@@@@(Y@@@@@@?N@@L @@@@ W&@@H? N@@? ?@@@@@@@@@@@@@ 7@@@@@@?e?3@@@@@@@@@@@@@@@@@@@@@@(Y @@@@hV'@@@@@(Y? 7@@@@@ W2@@@@@@@@@@@@@@@@@@@@@@@@@@@@@@@@@@@@@@@@@@@@@@@@@@@@@@@@@@@@@@@@@@@@@@@@@@@@@@@@@@@@@@@@@@@@@@@@@@@@H?fN@@@@@@@@@@@@@@?hf?W2@6X ?@5?hf?@@1 ?@@@1? ?V'@@@@@@@@@@)X?N@@@@@@@@@@5fN@@@@@@@@L @@@@@@@@@L ?O@K?O2@@@@@6X ?I4@@@@@@@@@0Mg?V'@@@@@@@@@@@@@@(Y?
3@LN@? ?@@@@@L? @@@@@@@@@5 W&@@@@@@@@@??@@@@@@@H?eJ@@@@@@(Y??W&@@@@@@@@@@@@@@@1? J@@@@@@(Y?J@@@@@@(Y?e?W2@@@@?@@@@@@@L ?W&?&@@@@@@(Y?f?J@@@@@@ ?O2@@(Y? ?*@)X?e?@ ?@@@@@@?he?@@@@@@@@@ ?J@@@@@@@HJ@@@@@5??@@1 @@@@ 7@@5 ?@@? ?@@@@@@@@@@@@@L? @@@@@@5?e?N@@@@@@@@@@@@@@@@@@@@@@H? @@@@L?g?N@@@@(Y @@@@@@ ?O&@@@@@@@@@@@@@@@@@@@@@@@@@@@@@@@@@@@@@@@@@@@@@@@@@@@@@@@@@@@@@@@@@@@@@@@@@@@@@@@@@@@@@@@@@@@@@@@@@@@@@g?3@@@@@@@@@@@@@?hf?7@@@1 J@H?hf?@@@ ?3@@@? V'@@@@@@@@@@)KC@@@@@@@@@0Yf?@@@@@@@@1 3@@@@@@@@1 ?O2@@@@@@@@@@@@1 ?I4@@@@@0MheV4@@@@@@@@@@@@0Y
N@1?@L ?3@@@@1? ?J@@@@@@@@@H 7@@@@@@@@@@?J@@@@@@5e?W&@@@@@(Ye?7@@@@@@@@@@@@@@@@@L 7@@@@@@H?W&@@@@@@HfW&@@@@@@@@@@@@@1 ?7@@@@@@@@@Hg?7@@@@@@ ?O2@@@(Y ?V'@)X ?@@@@@@?he?@@@@@@@@@ ?@@@@@@@@W&@@@@@H??3@@L? ?J@@@@ ?J@@@H ?@@? ?3@@@@@@@@@@@@1? @@@@@@H?f@@@@@@@@@@@@@@@@@@@@@@ @@@@1?h@@@0Y? @@@@@@ ?W2@@@@@@@@@@@@@@@@@@@@@@@@@@@@@@@@@@@@@@@@@@@@@@@@@@@@@@@@@@@@@@@@@@@@@@@@@@@@@@@@@@@@@@@@@@@@@@@@@@@@@@@@@6Xe?N@@@@@0M??@@@@?hf?@@@@@ ?W26X? 7@L?hf?@@@ ?N@@@? ?V'@@@@@@@@@@@@UI'@@@@(Mg?@@@@@@@@@ N@@@@@@@@@ O2@@@@@@@@@@@@@@@5 I4@0M?
?3@?@1 ?N@@@@@? ?7@@@@@@@@5? ?J@@@@@@@@@@@W&@@@@@(Ye?7@@@@@@H?eJ@@@@@@@@@@@@@@@@@@1 @@@@@@5??7@@@@@@5??O@?7@@@@@@@@@@@@@@@ J@@@@@@@@@@?g?@@@@@@@ @@@@@(Y? N@@1 ?@@@@@@?he?@@@@@@@@@ ?N@@@@@@@@@@@@@@e?N@@1? ?7@@@@ ?7@@5? ?@@? ?N@@@@@@@@@@@@@L ?J@@@@@@g@@@@@@@@@@@@@@@@@@@@@5 @@@@@? 3@@@@@ O&@@@@@@@@@@@@@@@@@@@@@@@@@@@@@@@@@@@@@@@@@@@@@@@@@@@@@@@@@@@@@@@@@@@@@@@@@@@@@@@@@@@@@@@@@@@@@@@@@@@@@@@@@@@)X?e@@@@X?e?3@@@?hf?@@@@@ ?7@@1? ?J@@)Xhf?3@@ @@@L V'@@@@@@@@@@@1?V4@@0Y?g?@@@@@@@@@ ?@@@@@@@@@L? O2@@@@@@@@@@@@@@@@@@0Y
?N@?3@ @@@@@? J@@@@@@@@@H? ?7@@@@@@@@@@@@@@@@@@H?eJ@@@@@@@f7@@@@@@@@@@@@@@@@@@@ @@@@@@H?J@@@@@@@H?@@@?@@@@@@@@@@@@@@@@ 7@@@@@@@@@@?g?@@@@@@5 ?J@@@@(Y ?3@@L? ?@@@@@@?he?@@@@@@@@@ @@@@@@@X?@@@@@f3@@L ?@@@@@ J@@(Y? ?@@? 3@@@@@@@@@@@@1 ?7@@@@@5g@@@@@@@@@@@@@@@@@@@@(Y @@@@@? ?@@@@@ W2@@@@@@@@@@@@@@@@@@@@@@@@0Mf?I4@0?40?4@@@@@@@@@@@@@@@@@@@@@@@@@@@@@@@@@@@@@@@@@@@@@@@@@@@@@@@@@@@@@@@@@@@@@@1?e@@@@1?e?N@@@LhfJ@@@@@L? ?@@@@? W&@@@)X?he?N@@ @@@1 ?N@@@@@@@@@@@@ ?3@@@@@@@@L? ?3@@@@@@@@1? ?O2@@@@@@@@@@@@@@@0M
@?N@ @@@@@L 7@@@@@@@@@ ?@@@@@@@@@@@@@@@@@@@L??W&@@@@@g@@@@@@@@@@@@@@@@@@@@ @@@@@5e7@@@@@@@e@@@?3@@@@@@@@@@@@@@@ @@@@@@@@@@@?gJ@@@@@@H O&@@@(Y? ?V'@1? ?@@@@@@?he?@@@@@@@@@ @@@@@@@)X@@@@@fN@@)X? ?@@@@@ ?W&@@H ?@@? V'@@@@@@@@@@@@L?hfJ@@@@@@Hg@@@@@@@@@@@@@@@@@@@@H? @@@@@? ?W&@@@@@ ?W&@@@@@@@@@@@@@@@@@@@@0M? @@@@@? @@@@@@@@@@@@@(M?e?I4@@@@0M?e?I4@@@@0?'@@@?e@@@@@?f@@@1he?W&@@@@@1? ?@@@@L 7@@@@@)Xhf@@L? @@@@ @@@@@@@@@@@@@@hf?N@@@@@@@@1? ?N@@@@@@@@@L ?O2@@@@@@@@@@@@@@@0M
@L?@L? 3@@@@1 @@@@@@@@@@ J@@@@@@@@@@@@@@@@@@@)KO&@@@@@5g3@@@@@@@@?e@@@@@@@@ ?J@@@@@H?J@@@@@@@@@@@@@?N@@@@@@@@@@@@@@@ W& @@@@@@@@@@@?g7@@@@@@?hfO2@@@@(Y V'@? ?@@@@@@?he?@@@@@@@@@ @@@@@@@@@@@@@@f?3@@)X ?@@@@@ W&@@5? ?@@? ?N@@@@@@@@@@@@1?hf7@@@@@@?g3@@@@@@@@@@@@@@@@@@@g?'@?hf@@@@@? O&@@@@@@ W&@@@@@@@@@@@@@@@0M? @@@@@? @@@@@@@@@@@@@? ?N@@@Le@@@@@?f@@@@L?hW&@@@@@@@L ?@@@@1 @@@@@@@1hf@@1? @@@@L? @@@@@@@@@@@@@@ 3@@@@@@@@L @@@@@@@@@1 @? ?O2@@@@@@@@@@@@@@@@0M?
31?@1? N@@@@@ @@@@@@@@@5 ?O&@@@@@@@@@@@@@@@@@@@@@@@@@@@@?gV'@@@@@@5?e@@@@@@@@ ?7@@@@@??7@@@@@@@@@@@@@??3@@@@@@@@@@@@@@L? 7@L? ?J@@@@@@@@@@@?f?J@@@@@@@?gO2@@@@@@@@@@H? ?V'? ?@@@@@@?he?@@@@@@@@@ @@@@@@@@@@@@@@f?N@@@1 J@@@@@ ?W&@@(Y? ?@@? ?)X?h@@@@@@@@@@@@@?hf@@@@@@@?gN@@@?@@@@@@@@@@@@@@@g?V'?hf@@@@@? O2@@@@@@@@@@@@@5 ?W&@@@@@@@@@@@@@@0M? @@@@@? ?J@@@@@@@@@@@@@1 @@@1e3@@@@Lf@@@@)Kg?O&@@@@@@@@)X? ?@@@@@hf?J@@@@@@@@L?h?J@@@L ?J@@@@1? ?J@@@@@@@@@@@@@@@6K?heN@@@@@@@@1 3@@@@@@@@@ ?O2@@@@@@@@@@@@@@0M?
N@?3@? ?@@@@@L? ?J@@@@@@@@@H @@@@@@@@@@@(M?@@@@@@@@@@@@@@@@@)X?f?V@@@@@0Y?e@@@@@@@@ ?@@@@@@??@@@@@@@@@@@@@@??N@@@@@@@@@@@@@@1? ?J@@@? ?7@@@@@@@@@@@Lf?7@@@@@@@?e?W2@@@@@@@@@@@@@ ?3@@@@@?he?3@@@@@@@@ ?J@@@@@@@@@@@@@@g3@@@ 7@@@@@ W&@@@H ?@@L ?@1?h3@@@@@@@@@@@@?hf@@@@@@@?g?@@@?@@@@@(M?@@@@@@@he?@@@6Kg@@@@@? W2@@@@@@@@@@@@@@@H O&@@@@@@@@@@@@0M @@@@@? ?7@@@@@@@@@@@@@@ @@@@eN@@@@1f@@@@@@@@@@@@@@@@@@@@@@@@1? J@@@@@hfO&@@@@@@@@)KeO26KeO&@@@)K? O&@@@@@? O2@@6Kh?O26K?O&@@@@@@@@@@@@@@@@@@@@h?@@@@@@@@@ N@@@@@@@@@ O2@@@@@@@@@@@@@@0M O2@@@@@@@6K? W2@@6X
?@LN@L ?3@@@@1? ?7@@@@@@@@@? ?J@@@@@@@@@@(Ye@@@@@@@@@@@@@@@@@@)K?O2@@@@@0Mg@@@@@@@@ ?@X@@@@@@??@@@@@@@@@@@@@@?e3@@(M?@@@@@@@@@? ?7@@H? ?@@@@@@@@@@@@1fJ@@@@@@@@?e?7@@@@@@@@@@e@@ @6X? ?N@@@@@?he?N@@@@@@@@ ?7@@@@@@@@@@@@@@gV'@@@@ @@@@@@ ?W&@@@5? ?@@1 ?@@?hN@@@@@@@@@@@@Lhe?J@@@@@@5?g?@@@@@@@@0Y??@@@@@@@hfI4@@@6K?e@@@@@? ?W&@@@@@@@@@@@@@@@@?hfW2@@@@@@@@@@@@0M @@@@@? ?3@@@@@@@@@@@@@@L? @@@5e?@@@@5f@@@@@@@@@@@@@@@@@@@@@@@@@? 7@@@@@?O2@@@@@@@@@@@@@@@@@@@@@@@@@@@@@@@@@@@@@@@@@@@@@@@@@@@@@@@@@@@@@@@@@@@@@@@@@@@@@@@@@@@@@@@@@@@@@@@@@@@@@@@@@@@@@@@@@@@@@@@@@@@@@@@@@@@@@@@@@@@@@@@@@@@@@@@@@@@@@@@@@@@@@@@@@@@@@@@@@@@@@@@@@@@L?gJ@@@@@@@@@ ?@@@@@@@@@L? ?O2@@@@@@@@@@@@@@0M? O2@@@@@@@@@@@6K? 7@@@@1
?@1?@1 ?N@@@@@L ?@@@@@@@@@5? ?7@@@@@@@@@@H??J@@@@@@@@@@@@@@@@@@@@@@@@@@@?f?O2@@@@@@@@@ ?@@@@@@@@??@@@@@@@@@@@@@@?eV40Ye3@@@@@@@@? ?@@@ ?3@@@@@@@@@@@@e?W&@@@@@@@5?e?@@@@@@@@@@@e3@ ?@@6X?heN@1? @@@@@?hf@@@@@@@@ ?3@@@@@@@@@@@@@@g?V'@@@ @@@@@@ W&@@@(Y? ?@@@ ?@@?h?@@@@@@@@@@@@)X?h?7@@@@@@H?g?3@@@@g?@@@@@ I4@@@@6X@@@@@L O&@@@@@@@@@@@@@@@@@?he?W&@@@@@@@@@@@0M @@@@@? ?N@@@@@@@@@@@@@@1? @@@He?@@@@Hf@@@@@@@@@@@@@@@@@@@@@@@@@? @@@@@@@@@@@@@@@@@@@@@@@@@@@@@@@@@@@@@@@@@@@@@@@@@@@@@@@@@@@@@@@@@@@@@@@@@@@@@@@@@@@@@@@@@@@@@@@@@@@@@@@@@@@@@@@@@@@@@@@@@@@@@@@@@@@@@@@@@@@@@@@@@@@@@@@@@@@@@@@@@@@@@@@@@@@@@@@@@@@@@@@@@@@@@@@@@@@@)Kf?O&@@@@@@@@@@@@? ?3@@@@@@@@1? O2@@@@@@@@@@@@@0M? W2@@@@@@@@@@@@@@@6X? @@@@@@L?
?3@?@@ @@@@@1 ?@@@@@@@@@H? ?@@@@@@@@@@5e?7@@@@@@@@@@@@@@@@@@@@@@@@@@@Le?O2@@@@@@@@@@@ ?@@@@@@@@@@@@@@@@@@@@@@@@?hN@@@@@@@@? J@@@ ?N@@@@@@@@@@@@L?W&@@@@@@@@H?e?@@@@@@@@@@@eV@ ?@@@)Xhe?3@? @@@@@?he?J@@@@@@@@L? ?N@@@@@@@@@@@@@@hV'@@@6X? @@@@@@ ?O&@@@(Y ?3@@ ?@@?h?@@@@@@@@@@@@@1?h?@@@@@@@h?N@@@@g?@@@@@ I4@@@@@@@@@)X?hfW2@@@@@@@@@@@@@@@@@@5?heW&@@@@@@@@@@(M @@@@@? @@@@@@@@@@@@@@@L @@@?e?@@@@?f@@@@@@@@@@@@@@@@@@@@@@@@@? I40MgI4@@@@@@@@@@@@@@@@@@@@@@@@@@@@@@@@@@@@@@@@@@@@@@@@@@@@@@@@@@@@@@@@@@@@@@@@@@@@@@@@@@@@@@@@@@@@@@@@@@@@@@@@@@@@@@@@@@@@@@@@@@@@@@@@@@@@@@@@@@@@@@@@@@@@@@@@@@@@@@@@@@@@@@@@@@@@@@@@@@@@@@@@@@@@@@@@@@@@@@@@@@@L ?N@@@@@@@@@? O2@@@@@@@@@@@@@@0M ?W&@@@@@@@@@@@@@@@@@)X @@@@@@1?
?N@W@@ 3@@@@@ ?@@@@@@@@@@@ ?@@@@@@@@@(Ye?@@@@@@@@@@@@@@@@@@@@@@@@@@@@)KO2@@@@@@@@@@@@@L?hf?@@@@@@@@@@@@@@@@@@@@@@@@Lh?@@@@@@@@? 7@@@L? @@@@@@@@@@@@)?&@@@@@@@@@he?I4@@@@@@@hf?@@@@6K?f?@@@@)X?h?V'L @@@@@Lhe?@@@@@@@@@1? @@@@@@@@@@@@@@h?V'@@@)K @@@@@@ ?W2@@@@0Y? ?N@@ ?@@Lh?3@@@@@@@@@@@@@Lh?@@@@@@5he3@@@gJ@@@@@ ?I'@@@@@@@)Khe?W&@@@@@@@@@@@@@@@0M?@H?h?W&@@@@@@@@@@0Y? O2@@@@@@@@@@@@@@@@@@@@@@@@@@@@@@@@@@@@6Ke?O2@@@@@@@@@@@@@@@@)K? ?J@@@?eJ@@@@?f@@@@eI4@@@@@@@@@@@@@@@@5? ?@@@@@@@@@@@@@@@@@@@@@@@@@@@@0?@M?hfI4@@@@@@@@@0M?I'@@@@he?I4@@@@@@@@@@0M? ?I@M I@M?h?I4@@@@@@@@@@@@@@@@@@@@@@@@@@@@@@@@@@@@@@)X? 3@@@@@@@@L ?O2@@@@@@@@@@@@@@@0M ?7@@@@@@@@@@@@@@@@@@@)X? @@@@@@@?
@@Y@L? N@@@@@L? ?3@@@@@@@@@5 ?3@@@@@@@@H?e?@@@@@@@@@@@@@@@@@@@@@@@@@@@@@@@@@@@@@@@@@@@@@)Xhf?@@@@@@@@@@?@@@@@@@@@@@@@)K?gJ@@@@@@@@? ?J@@@@1? @@@@@@@@@@@@@@@@@@@@@@@@hf?I'@@@@5hfJ@@@@@@6X?e?3@@@@)XheN)X? @@@@@1he?N@@@@@@@@@? @@@@@@@@@@@@@@heV4@@@@6Xhf@@@@@@ O&@@@(M? ?J@@ ?@@1h?N@@@@@@@@@@@@@1h?@@@@@@HheN@@@g7@@@@@ V4@@@@@@@@@@6Xg?7@@@@@(M?he?@heW&@@@@@@@@@0M? ?O2@@@@@@@@@@@@@@@@@@@@@@@@@@@@@@@@@@@@@@@@@@@@@@@@@@@@@@@@@@@@@@@@@@@@@@6K?fO2@@@@6KeO&@@@?e7@@@@@@@@@@@@5he?I'@@@@@@@H? ?@@@@@@@@@0Me?I@Mg@@@? ?V4@@@ ?I4@@@@@@@@@@@@@@@@@@@@@@@@@@@@@@@@@@@)K N@@@@@@@@1 O2@@@@@@@@@@@@@@@@0M J@@@@@@@@@@@@@@@@@@@@@)X @@@@@@@?
@@?@1? ?@@@@@1? ?N@@@@@@@@@H ?N@@@@@@@5f?@@@@@@@@@0Y@@@@@@@@@@@@@@@@@@@@@@@@@@@@@@@@@@@)X?he?@@@@@@@@@@@@@@@@@@@@@@@@@@@f?O&@@@@@@@@L O&@@@@@? 3@@@@@@@@@@@@@@@@@@@@@@@ V4@@0Yhe?O&@@@@@@@1?e?V'@@@@)X?h?@1? @@@@@@hf@@@@@@@@@? @@@@@@@@@@@@@@hfI'@@@)K?he@@@@@5 W2@@@@0Y ?7@@ ?@@@he3@@@@@@@@@@@@@L?gJ@@@@@@?he?3@5g@@@@@@ ?@@@@@@@@@@)X?f?@@@@@@H 7@@@@@@@@@hf?O2@@@@@@@@@@@@@@@@@@@@@@@@@@@@@@@@@@@@@@@@@@@@@@@@@@@@@@@@@@@@@@@@@@@@@@@@@@@@@@@@@@@@@@@@@@@@@@@@@@?e@@@@@@@@@@@@@HhfV'@@@@@@ ?@@@@@@0M? 3@@? ?I'@@@@@@@@@@@@@@@@@@@@@@@@@@@@@@@@@@@6X ?@@@@@@@@@ O2@@@@@@@@@@@@@@@0M? 7@@@@@@@@@@@@@@@@@@@@@@)X?hf@@@@@@@?
3@@@@? ?3@@@@@? @@@@@@@@@? @@@@@@@Hf?@@@@@@@@Xe@@@@@@@@@@@@@@@@@@@@@@@@@@@@@@@@@@@@)Khe?@@@@@@@@@@@@@@@@@@@@@@@@@@@e?W2@@@@@@@@@@)K? W2@@@@@@@L V'@@@@@@@@@@@@@@@@@@@@@@ ?@@@@@@(?'@@@?fN@@@@@1?h?3@? @@@@@@hf@@@@@@@@@? @@@@@@@@@@@@@@hf?V'@@@@6K?g?J@@@@@?hf?O&@@@(M ?@@@ ?@@@heN@@@@@@@@@@@@@)Xg7@@@@@@?he?V+Yg@@@@@@ ?@@@@@@@@@@@1?f?@@@@@@? ?J@@@@@@@@@5he?O2@@@@@@@@@@@@@@@@@@@@@@@@@@@@@@@@@@@@@@@@@@@@@@@@@@@@@@@@@@@@@@@@@@@@@@@@@@@@@@@@@@@@@@@@@@@@@@@@@@@5?e@@@@@@@@@@@@@?hf?V4@@@@@ ?@@(M? N@@L V4@@@@@@@@@@@@@@@@@@@@@@@@@@@@@@@@@@@)X? ?@@@@@@@@@L? O2@@@@@@@@@@@@@@@0M? ?J@@@@@@@@@@@@@@@@@@@@@@@@)Xhf@@@@@@@?
N@@?@? ?N@@@@@L @@@@@@@@@? @@@@@@@?fJ@@@@@@@@1e@@@@@@@@@@@@@@@@@@@@@@@@@@@@@@@@@@@@@@6KO@K?eO2@@@@@@@@@@@@@@@@@@@@@@@@@@@@eO&@@@@@@@@@@@@@6K? ?O@K?O&@@@@@@@@1 ?N@@@@@@@@@@@@@@@@@@@@@5 ?@@@@@(Y?V4@@?f?3@@@@@?h?N@L @@@@@@hf@@@@@@@@@? @@@@@@@@@@@@@@ V4@@@@@6K?f?7@@@@@1heO2@@@@@0Y? ?@@@ ?@@@he?@@@@@@@@@@@@@@1g@@@@@@@? @0Y@@@ ?O2@@@@@@@e?I4@@?f?@@@@@@? O&@@@@@@@@(Yh?O2@@@@@@@@@@@@@@@@@@@@@@@@@@@@@@@@@@@@@@@@@@@@@@@@@@@@@@@@@@@@@@@@@@@@@@@@@@@@@@@@@@@@@@@@@@@@@@@@@@@@@H??J@@@@@@@@@@@@@? ?I'@@@ W26Xhe?@@H ?@@1 I'@@@@@@@@@@@@@@@@@@@@@@@@@@@@@@@@@@)X ?3@@@@@@@@1? ?O2@@@@@@@@@@@@@@@0M ?7@@@@@@@@@@@@@@@@@@@@@@@@@1hf@@@@@@@?
?3@?@L @@@@@1 ?J@@@@@@@@@? @@@@@@@Le?W&@e@@@@@@e@@@@@@@@@@@@@@@@@@@@@@@@@@@@@@@@@@@@@@@@@@@@@@@@@@@@@@@@@@@@@@@@@@@@@@@@@@@@@@@@@@@@@@@@@@@@@@@@@@@@@@@@@@@@@@@@@@@@@@@@@@@@@@@6?@K?O2@@@@@@@@@6?2@@@@@@@6?2@@@@@@@@@@@@@@@@@@@@@@@@@@@@@@@@@@ @@@@@@@@@@@@@@@@@@@@@H ?@@@@@hf?N@@?I'@6Xh3)X?hf@@@@@@hf@@@@@@@@@? @@@@@@@@@@@@@@ I4@@@@@@6Ke?@@@@@@@g?O2@@@@@@0M? ?@@@ ?@@@he?3@@@@@@@?@@@@@@g@@@@@@@? ?@@@ ?O2@@@@@@@@@@@hf?@@@@@@? W2@@@@@@@@@(Y?g?W2@@@@@@@@@@@@@@@@@@@@@@@@@@@@@@@@@@@@@@@@@@@@@@@@@@@@@@@@@@@@@@@@@@@@@@@@@@@@@@@@@@@@@@@@@@@@@@@@@@@@@@5e?7@@@@@@@@@@@@@? N@@@ 7@@1he?@@? ?@@@ ?V4@@@@@@@@@@@@@@@@@@@@@@@@@@@@@@@@@@1 ?N@@@@@@@@@? ?O2@@@@@@@@@@@@@@@@0M? ?@@@@@@@@@@@@@@@@@@@@@@@@@@@L?he@@@@@@@?
?N@?31 3@@@@@ W&@@@@@@@@@? @@@@@@@)K?O&@@@@@@@@@@@@@@@@@@@@@@@@@@@@@@@@@@@@@@@@@@@@@@@@@@@@@@@@@@@@@@@@@@@@@@@@@@@@@@@@@@@@@@@@@@@@@@@@@@@@@@@@@@@@@@@@@@@@@@@@@@@@@@@@@@@@@@@@@@@@@@@@@@@@@@@@@@@@@@@@@@@@@@@@@@@@@@@@@@@@@@@@@@@@@@@@@@@@@@@@@@ @@@@@@@@@@@@@@@@@@@? ?@@@@@1?hf@@eV'@)X?gV'1?hf@@@@@@hf@@@@@@@@@? @@@@@@@@@@@@@@ I4@@@@@@@@@@@@@@@@e?O2@@@@@@@@0M? ?@@@ ?@@@he?N@@@@@@@?3@@@@@L?f@@@@@@5? ?@@@ ?O2@@@@@@@@@@@@@L?he?@@@@@@? ?W&@@@@@@@@@0YhO&@@@@@@@@@@@@@@@@@@@@@@@@@@@@@@@@@@@@@@@@@@@@@@@@@@@@@@0?@?@MI40?4@0MI4@@0MeI@M?I4@@@@@@@@@@@@@@@@@@@@0Ye?@@@@@@0?'@@@@5? ?3@@ @@@@L?h?@5? ?3@@ I4@@@@@@@@@@@@@@@@@@@@@@@@@@@@@@@@L? @@@@@@@@@L ?O2@@@@@@@@@@@@@@@0M J@@@@@@@@0M?fI4@@@@@@@@@@)Xhe@@@@@@@?
@LN@ N@@@@@L? 7@@@@@@@@@@L @@@@@@@@@@@@@@@@@@@@@@(?4@@@@@@@@@@@@@@@@@@@0Mf?@@@@@@@@@g?I40MI'@@@@@@@@@@@@@@@@@@@e?@@@@@@@@@@@@@@@@@@@@@@@@@@@@0M?I@?@?4@@@@@@0M?I4@@@@@@0M? ?I4@@@@@@0M?I4@@@@@@@@@@@@ 3@@@@@@@@@@@@@@@(M ?@@@@@@? ?V4@)Xg?N@Lhf@@@@@@hf@@@@@@@@@? @@@@@@@@@@@@@@ I4@@@@@@@@@@@@@@@@@@@@@@0M ?@@@L? J@@@L?he3@@@@@@LV'@@@@)Xf@@@@@@H? ?@@@hf?W2@@@@@@@@@@@@@@@1?he?@@@@@@? @?eW&@@@@@@@@(Mh@@@@@@@@@@@@@@@@@@(M ?@@@@@ I'@@@@@XgJ@@@@(M?e@@@@H? ?N@@ @@@@1?hJ@H? ?N@@ ?I4@@@@@@@@@@@@@@@@@@@@@@@@@@@@@)X 3@@@@@@@@1 ?O2@@@@@@@@@@@@@@@@0M? 7@@@@@@@heI'@@@@@@@@@1he@@@@@@@?
@1?3L? ?@@@@@1? @@@@@@@@@@@1 3@@@@@@@@@@@@@@@@@@@@@H??I'@@@@(M? ?@@@@@@@@@hfN@@@@@@@@@@@@@@@@@@@eJ@@??@@@@@@@@@@@@@@@@@ ?@@@@@@@@@@5 V'@@@@@@@@@@@@@@H? J@@@@@@L )Xe?I')X?g3)X?he@@@@@@hf@@@@@@@@5? @@@@@@@@@@@@@@ I4@@@@@@@@@@@@@@@@@0M? ?@@@)X ?W&@@@1?heN@@@@@@1?N@@@@@)X??J@@@@@@ ?@@@hfW&@@@@@@@@@@@@@@@@@Lhe?@@@@@@?hf?J@??W&@@@@@@@@(Y?g?J@@@@@@@@@@@@@@@@@0Y? ?@@@@@ ?V'@@@@)K?e?O&@@@@HeW&@@@@ @@L? @@@@@?h7@ @@ ?I4@@@@@@@@@@@@@@@@@@@@@@@@@@@@)X? N@@@@@@@@@L? ?O2@@@@@@@@@@@@@@@0M @@@@@@@5he?V'@@@@@@@@@L?h@@@@@@5?
3@?N1? ?3@@@@@? @@@@@@@@@@@@ V'@@@@@@@@@@@@@@@@@@@@fN@@@@H ?@@@@@@@@@hf?@@@@@@@@@@@@@@@@@@@L?7@@??@0Y@@@@@@@@@@@@@@ ?3@@@@@@@@(Y ?N@@@@@@@@@@@@@5 ?O&@@@@@@)X?hf3)X?eN@)XgN@1?he@@@@@@hf@@@@@@@@H? @@@@@@@@@@@@@@ ?I'@@@@@@0M? W2@@@@@)X? W&@@@@@?he?@@@@@@@L?3@@@@@)X?7@@@@@@ J@@@hf7@@@@@@@@@@@@@@@@@@)X?h?3@@@@@?hf?@@??7@@@@@@@@@HhW&@@@@@@@@@@@0M? ?@@@@@ N@@@@@@@@@@@@@@@@??O&@@@@5 @@1? @@@@@?h@@ @@L? I4@@@@@@@@@@@@@@@@@@@@@@)X ?@@@@@@@@@1? O2@@@@@@@@@@@@@@@@0M @@@@@@@HhfN@@@@@@@@@1?h@@@@@@H?
N@e@L ?N@@@@@L ?J@@@@@@@@@@@@ ?N@@@@@@@@@@@@@@@@@@@@f?@@@@? ?3@@@@@@@@hf?@@@@@@@@@@@@@@@@@@@1?@@@?f@@(Me@@@@@@@@ ?V'@@@@@@0Y? @@@@@@@@@@@@(Y ?W2@@@?@@@@@1?hfN@)Xe?3@)X?f?@@?he3@@@@@hf@@@@@@@@ @@@@@@@@@@@@@@ N@@(M? ?W&@@@@@@@)X 7@@@@@@?he?3@@@@@@1?V'@@@@@)X@@@@@@@ 7@@@L?h?J@@@@@@@@@@@@@@@@@@@@1?h?N@@@@@? @??@@@@@@@@@5?h7@@@@@@@@@@(M? ?@@@@@ ?3@@@@@@@@@@@@@@@@@@@@@@@H @@@? @@@@@?h@@ @@1? @@@@@@@@@@@@@@@@@)X? ?3@@@@@@@@@? ?O2@@@@@@@@@@@@@@@0M @@@@@@@?hf?3@@@@@@@@@Lh@@@@@@
?@L?@1 @@@@@1 ?7@@@@@@@@@@@@ @@@@@@@@@@@@@@@@@@@@fJ@@@@? ?N@@@@@@@@L?he?3@@@@@@@@@@@@@@@@@@@?@@@?f@@f@@@@@@@@L? N@@@(M ?O2@@@@@@@@@@@@0Y? O&@@@@?3@@@@@Lhf?3@1e?V'@)Xf?@@?heN@@@@@hf@@@@@@@@ @@@@@@@@@@@@@@ ?3@H W&@@@@@@@@@)K? ?J@@@@@@@@6Xh?N@@@@@@@??N@@@@@@@@@@@@@@ ?J@@@@)Xh?7@@@@@@(MfI'@@@@@@@?he@@@@@?hf?7@@@@@@@@@@@@H?h@@@@@@@@@@(Y ?@@@@@ ?V4@@@@@@@@@@@@@@@@@@@@@@? 3@@L 3@@@@?h@5 3@@? 3@@@@@@@@@@@@@@@@@1? ?N@@@@@@@@@L O2@@@@@@@@@@@@@0M? @@@@@@@?hf?N@@@@@@@@@1h@@@@@@
?@1?@@ 3@@@@@ ?@@@@@@@@@@@@@ 3@@@@@@@@@@@@@@@@@@@f7@@@@?hfO26?)Xe@@@@@@@@1?he?N@@@@@@@?I'@@@@@@@@@?@@@@@6X?@@1?e@@@@@@@@1? J@@@H? O2@@@@@@@@@@@@@0M? ?@@@@(M??N@@V'@)K?he?N@@L?eV'@)X? ?@@@@@hf@@@@@@@@ @@@@@@@@@@@@@@ ?V'? ?W&@@@@@@@@@@@@@@6K? O&@@@@@@@@@)K?e?O)Xe@@@@@@@Le3@@@@@@@@@@@@@ ?7@@@@@)X?g?@@@@@@(Y?f?N@@@@@@@?g?O2@@@@@@?hf?@@@@@@@@@@@@@he@@@@@@@@@(Y? ?@@@@@ ?I'@@@@@@@@@@@@@@@@@(M N@@1 N@@@@?g?J@H N@@? N@@@@@@@@@@@@@@@@@@? 3@@@@@@@@1 ?O2@@@@@@@@@@@@@@0M? @@@@@@@? 3@@@@@@@@@L?g@@@@@@L?
?@@W@@L? N@@@@@L? ?@@@@@@@@@@@@@ N@@@@@@@@@@@@@@@@@@@f@@@@@Lh?W2@@@@@@1e@@@@@@@@@Lhf@@@@@@@??N@@@@@@@@@?@@@@@@)X@@@?e3@@@@@@@@? 7@@5 ?O@K?O2@@@@@@@@@@@@@@0M? ?@@@0Yf@@?V'@@6X?he3@1?e?V'@1? ?@@@@@hf@@@@@@@@ ?O2@@@6K @@@@@@@@@@@@@@ ?7@@@@@@@@@@@@@@@@@@@@(? ?@@@@@@@@@@@@@@@@@@@@@@@@@@1e3@@@@@@1eN@@@@@@@@@@@@@ ?@@@@@@@1?g?@@@@@@Hh@@@@@@@Lg@@@@@@@@@?hfJ@@@@@@@@@@@@@h?J@@@@@@@@@? ?@@@@@ V4@@@@@@@@@@@@@@@@H? ?@@@ ?@@@@?g?7@? ?@@L ?@@@@@@@@@@@@@@@@? N@@@@@@@@@ ?O2@@@@@@@@@@@@@@0M? @@@@@@@? N@@@@@@@@@1?g@@@@@@1?
?3@@Y@1? ?@@@@@1? ?3@@@@@@@@@@@@ ?3@@@@@@@@@@@@@@@@@@f@@@@@1hW&@@@@@@@@L?@@@@@@@@@@hf@@@@@@@?e@@@@@@@@@?@@@@@@@@@@@?eN@@@@@@@@? @@@H O2@@@@@@@@@@@@@@@@@@@@@@@@@(M? @@L?V4@@1?heN@@LfV4@? ?@@@@@hf@@@@@@@@ @@@@@@@@@?hf@@@@@@@@@@@@@@ ?3@@@@@@@@@@@@@@@0?4@0Y? ?3@@@@@@@@@@@@@@@@@@@@@@@@@@eN@@@@@@@L??3@@@@@@@@@@@@ ?@@@@@@@@?g?@@@@@@?h@@@@@@@1g@@@@@@@@@Lhf7@@@@@@@@@@@@@h?7@@@@@@@@@1 ?@@@@@ I4@@@@@@@@@@@@@@ ?@@@ ?@@@@?g?@@? ?@@1 ?3@@@@@@@@@@@@@@@? ?@@@@@@@@@L? O2@@@@@@@@@@@@@@0M 3@@@@@@L ?3@@@@@@@@@Lf?J@@@@@@@?
?N@@?@@? ?3@@@@@? ?N@@@@@@@@@@@@ ?V'@@@@@@@@@@@@@@@@@f3@@@@@g?W&@@@@@@@@@1?@@@@@@@@@Hhf3@@@@@@Le@@@@@@@@@?3@@@@@@@@@@Le?@@@@@@@@? @@@? W2@@@@@@@@@@@@@@@@@@@@@@@@@@@@(Y @@1?e?I@?he?3@)X? ?@@@@@L?he@@@@@@@@ @@@@@@@@@Lhf@@@@@@@@@@@@@@ ?@f@? ?N@@@@@@@@@@@@(M ?V4@@@@@@@@@@@@@@@@@@@0Mg?@@@@@@@1??V'@@@@@@@@@@@ J@@@e@@@Lg?@@@@@@?h@@@@@@@@g3@@@@@@@@@he?J@@@@@@@@@@@@@@h?@@@@@@@@@@@ ?@@@@5 ?I4@@@@0M? ?@@@ ?@@@@?g?@@? ?3@@ ?N@@@@@@@@@@@@@@5? ?@@@@@@@@@1? O2@@@@@@@@@@@@0M N@@@@@@1 ?N@@@@@@@@@)X?e?7@@@@@@@?
@@@@@L ?N@@@@@L 3@@@@@@@@@@@ V4@@@@@@@@@@@@@@@@fN@@@@@g?7@@@@@@@@@@@?@@@@@@@@@LhfN@@@@@@1e@@@@@@@@@?N@@@@@@@@@@)X??@@@@@@@@? ?J@@5? 7@@@@@@@@@@@@@@@@@@@@@@@@@@@@0Y? 3@@? ?N@@1? ?@@@@@1?he@@@@@@@@ @@@@@@@@@1hf@@@@@@@@@@@@@@ J@L?e@? 3@@@@@@@@@@(Y? ?I4@@@@@@@@@@@(Mh?3@@@@@@@?eN@@@@@@@@@@@ O@K??O&@@5e@@@1g?@@@@@@?h@@@@@@@@gV'@@@@@@@Hhe?7@@@@@@@@@@@@@@h?@@@@@@@@@@@L? J@@@@H ?3@@L? ?3@@@LgJ@5? ?N@@ @@@@@@@@@@@@@@H? ?3@@@@@@@@@L O@?2@@@@@@@@@@@@@0M? ?@@@@@@@ 3@@@@@@@@@)Xe?@@@@@@@@?
3@@@@1 3@@@@1 N@@@@@@@@@@@ I4@@@@@@@@f?@@@@@gJ@@@@@@@@@@@@?3@@@@@@@@1hf?@@@@@@@e@@@@@@@@@??@@@@@@@@@@@)K?@@@@@@@@L ?7@@H? @@@@@@@@@@@@@@@@@@@@@@@@@@0M N@@? 3@@L ?@@@@@@?he@@@@@@@@L?hf@@@@@@@@@@hf@@@@@@@@@@@@@@ 7@1?e@L N@@@@@@@@@(Y ?I'@@@@@@@@(Y?h?V'@@@@@@Le?3@@@@@@@@@@ ?@@@@@@@@@@He3@@@g?@@@@@@Lh@@@@@@@@g?N@@@@@@@?he?3@@@@@@@@@@@@@@f?O2@@@@@@@@@@@@@1? 7@@@@? ?N@@1? ?N@@@1g7@H? @@ @@@@@@@@@@@@@@L? ?N@@@@@@@@@1 O2@@@@@@@@@@@@@@0M ?@@@@@@@@6K?hfV'@@@@@@@@@)X?J@@@@@@@@?
N@@@@@ N@@@@@ ?3@@@@@@@@@@ I'@@@@f?@@@@@g7@@@@@@@@@@@@LN@@@@@@@@@hf?@@@@@@@e@@@@@@@@@??@@@@@@@@@@@@@@@@@@@@@@@ ?@@@ @@@@@@@@@@@@@@@@@@@@@@@@(M ?@@? N@@1 ?@@@@@@?he@@@@@@@@1?hf@@@@@@@@@@hf@@@@@@@@@@@@@@ @@@?e@1 ?@@@@@@@@(Y? V4@@@@@@0YhfV'@@@@@1e?V'@@@@@@@@@ ?@@@@@@@@@5?eN@@@g?3@@@@@1h@@@@@@@@g?J@@@@@@@Lhe?N@@@@@@@@@@@@@@@@@@@@@@@@@@@@@@@@@@@? @@@@@? @@@? @@@@g@@ @@L? 3@@@@@@@@@@@@@@? 3@@@@@@@@@ ?O2@@@@@@@@@@@@@@0M? ?3@@@@@@@@@@@6K?h?N@@@@@@@@@@)?&@@@@@@@@?
?@@@@@ ?@@@@@L? ?N@@@@@@@@@@ ?V'@@@f?@@@@@L?f@@@@@@@@@@@@@1?@@@@@@@@@hf?@@@@@@@L?@@@@@@@@@??@@@@@@@@@@@@@@@@@@@@@@H ?@@@ @@@@@@@@@@@@@@@@@@@@@@@0Y? ?@@? ?@@@ ?@@@@@@?he@@@@@@@@@?hf@@@@@@@@@@hf@@@@@@@@@@@@@@ @@@?e@@ ?@@@@@@@0Y I4@@0M ?N@@@@@@fN@@@@@@@@@ ?@@@@@@@@(Y?e?@@@g?N@@@@@@h@@@@@@@5g?7@@@@@@@1hf@@@@@@@@@@@@@@@@@@@@@@@@@@@@@@@@@@@? @@@@@? @@@? @@@@g@@ 3@1? N@@@@@@@@@@@@@H? N@@@@@@@@@ ?O2@@@@@@@@@@@@@@@@0M? ?N@@@@@@@@@@@@@@@?h3@@@@@@@@@@@@@@@@@@@@?
?3@@@@L? ?3@@@@1? @@@@@@@@@@ N@@@f?3@@@@1?e?J@@@@@@@@@@@@@@?@@@@@@@@@hf?@@@@@@@)X@@@@@@@@@??@@@@@@@@@@@@@@@@@@@@@@L ?@@5 @@@@@@@@(?4@@@@@@@@@@0M? ?3@? ?3@@L? ?@@@@@@?he@@@@@@@@@?hf@@@@@@@@@@hf@@@@@@@@@@@@@@ @@@??J@@ ?3@@@@0M 3@@@@@L?e?3@@@@@@@@ ?@@@@@@@0Yf?@@@h@@@@@@L?f?J@@@@@@@HgJ@@@@@@@@@he?J@@@@@@@@@@@@@@@@@@@@@@@@@@@(?'@@@@@? @@@@@? @@@? 3@@@f?J@5 N@@? ?@@@@@@@@@@@@@ ?@@@@@@@@@L? ?O2@@@@@@@@@@@@@@@0M 3@@@@@@@@@@@@@@?hV'@@@@@@@@@@@@@@@@@@@?
?N@@@@1? ?N@@@@@? ?J@@@@@@@@@@ ?@@@f?N@@@@@?e?7@@@@@@@@@@@@@@@@@@@@@@@@hf?3@@@@@@@@@@@@@@@@@??@@@@@@@@@@@@@@@@@@@@@@1 ?@@H 3@@@@@@@gI40M ?N@L ?N@@1? ?@@@@@@?he@@@@@@@@@?hf@@@@@@@@@@hf@@@@@@@@@@@@@@ @@5??7@@ ?N@@@? N@@@@@)Xe?V4@@@@@@@ ?@@@@?h?@@@h3@@@@@)KfW&@@@@@@5?g@@@@@@@@@@heW&@@@@@@@@@@@@@@@@@@@@@@@@@@(Ye@@@@@? @@@@@? 3@@L N@@@f?7@H ?@@? ?3@@@@@@@@@@@@ ?@@@@@@@@@1? ?O2@@@@@@@@@@@@@@0M? N@@@@@@@@@@@@@@?h?V'@@@@@@@@@@@@@@@@@@?
@@@@@? @@@@@? ?7@@@@@@@@@@L? ?@@@L?f@@@@@?eJ@@@@@@@@@@@@@@@@@@@@@@@@@L?he?N@@@@@@@@@@@@@@@@@??@@@@@@@@@@@@@@@@@@@@@@@L? J@5? N@@@@@@@1? @1 @@@? ?@@@@@@?he@@@@@@@@@?hf@@@@@@@@@@hf@@@@@@@@@@@@@@ @0Y??@@@ @@@? ?3@@@@@1g@@@@@@ ?3@@@?h?@@@hV'@@@@@@6?@?&@@@@@@@H?gN@@@@@@@@@h?O&@@@@@@@@@@?I4@@@@@@@@@@@@@0Y?W&@@@@@L @@@@@? N@@1 ?@@@L?e?@@? ?@@L ?N@@@@@@@@@@@5 ?3@@@@@@@@@? ?O2@@@@@@@@@@@@@0M ?3@@@@@@@@@@@@@?heN@@@@@@@@@@@@@@@@@@?
3@@@@? @@@@@L ?3@@@@@@@@@@1? ?@@@1?f@@@@@?e7@@@@@@@@@@@@@@@@@@@@@@@@@1?hf@@@@@@@@@@@@@@@@@??@@@@@@@@@@@@@@@@@@@@@@@)X 7@H? ?@@@?W@@@? @@ 3@5? ?@@@@@@?he3@@@@@@@@?hf@@@@@@@@@@hf@@@@@@@@@@@@@@ ?@@@ ?J@@@? ?N@@@@@@g@@@@@@ ?N@@@?h?@@@h?N@@@@@@@@@@@@@@@@@@h?@0?'@@@@@eO2@@@@@@@@@@@@@@@@@?eI4@@@@@@@@@@e?W&@@@@@@1 @@@@@? ?@@@L? ?@@@1?e?@@? ?3@1 3@@@@@@@@@@H ?N@@@@@@@@@L O2@@@@@@@@@@@@@@0M ?V'@@@@@@@@@@@@?he?3@@@@@@@@@@@@@@@@@?
N@@@@L 3@@@@1 ?V'@@@@@@@@@@? ?@@@@?f@@@@@?e@@@@@@@@@@@@@@@@V'@@@@@@@@@?hf@@@@@@@@@@@@@@@@@??@@@@@@@@@@@@@@@@@@@@@@@@1 ?J@@ ?@@@W&@@5? @@ V+Y? ?@@@@@@?heN@@@@@@@@?he?J@@@@@@@@@@hf3@@@@@@@@@@@@@ ?3@@ ?7@@@? @@@@@@L?f@@@@@@ 3@@Lh?@@@he@@@@@@@@@@@@@@@@@5hfN@@@@@@@@@@@@@@@@@@@@@@@@@5?f?I4@@@@@@@L?W&@@@@@@@@L? @@@@@? ?3@@1? ?3@@@?eJ@5? ?N@@ N@@@@@@@@@@? @@@@@@@@@1 ?O2@@@@@@@@@@@@@0M V4@@@@@@@@@@@?he?V4@@@@@@@@@@@@@@@@?
?@@@@1 N@@@@@L? N@@@@@@@@@@L ?@@@@?f3@@@@?e@@@@@@@@@@@@@@@@?N@@@@@@@@@?hf@@@@@@@V'@@@@@@@@??3@@@@@@@@@@@@@@@@@@@@@@@@ ?7@5 ?@@@@@@@g?@@? @@ ?@@@@@@?he?@@@@@@@@?he?7@@@@@@@@@@hf?@@@@@@@@@@@@@ ?N@5 ?3@@@? 3@@@@@1?f@@@@@@ N@@1 ?I'@@@@@@@@@@@@@@Hhf?@@@@@@@@@@@@@@@@@@@@@@@@@H?hf@@)?&@@@@@@@@@1? @@@@@? ?N@@@? ?N@@@?e7(Y? @@ ?@@@@@@@@@5? 3@@@@@@@@@ O2@@@@@@@@@@@@@@0M I4@@@@@@@@@?hf?I4@@@@@@@@@@@@@@?
?@@@@@ ?@@@@@1? ?@@@@@@@@@@1 ?3@@@?fN@@@@?e@@@@@@@@@@@@@@@@e@@@@@@@@@Lhf@@@@@@@?N@@@@@@@@??N@@@@@@@@@@@@@@@@@@@@@@@@ ?@@H ?@@@@@@@,?f?@@? @@ @6X? ?@@@@@@?heJ@@@@@@@@?he?@@@@@@@@@@@hf@@@@@@@@@@@@@@ @H ?V'@5? N@@@@@@Lf@@@@@@ ?@@@ V4@@@@@@@@@@@@@?hf?@@@@@@@@@@@@@@@@@@@@@@@@@ @@@@@@@@@@@@@@@? ?J@@@@@? @@@? @@@?e(Y @@ W2@6X? ?@@@@@@@@@H? N@@@@@@@@@L? ?O2@@@@@@@@@@@@@0M I4@@@@@@@? ?I4@@@@@@@@@@@@?
?3@@@@L? ?3@@@@@? ?@@@@@@@@@@@L? ?N@@@?f?@@@@?e@@@@@@@@@@@@@@@@e@@@@@@@@@1hf@@@@@@5??@@@@@@@@??J@@@@@@@@@@@@@@@@@@@@@@@@ J@@? ?@@@@@@(Y?f?@@Lf@6X? 3@ @@)X ?@@@@@@?he7@@@@@@@@?he?@@@@@@@@@@@hf?@@@@@@@@@@@@@ @? V+Y? ?3@@@@@1f3@@@@@ ?@@@ ?I4@@@0?'@@@@?hf?3@@@@@@@@@@@@@@@@@@@@@@@@L?hf@@@@@@@@@@@@@@@? ?7@@@@@? @@@? @@@L @@L? 7@@@1? ?3@@@@@@@@ ?@@@@@@@@@1? O2@@@@@@@@@@@@@0M? I4@@@@@@@@@?
?N@@?@1? ?N@@@@@L ?@@@@@@@@@@@1? @@@Lf?@@@@?e@@@@@@@@@@@@@@@@e3@@@@@@@@@hf@@@@@@e?@@@@@@@@??7@@@@@@@@@@@@@@@@@@@@@@@@ 7@@? ?@@@@@@Hg?3@)K?e@@)X O2@6X?hV' @@@1 ?@@@@@@?he@@@@@@@@@Lhe?@@@@@@@@@@@hf7@@@@@@@@@@@@@ @? ?N@@@@@@L?eN@@@@@ ?@@@ N@@@@?hf?N@@@@@@@@@@@@@@@@@@@@@@@@)Kh?W2@@@@@@@@@@@@@@@@? ?@@@@@@? @@@? @@@1 @@1? @@@@@? ?N@@@@@@@@ ?3@@@@@@@@@? ?O2@@@@@@@@@@@0M
@@?@@? @@@@@1 ?@@@@@@@@@@@@L @@@1f?@@@@?e@@@@@@@@@@@@@@@@eN@@@@@@@@@hf@@@@@@1??@@@@@@@@??@@@@@@@@@@@@@@@@@@@@@@@@@ @@5? ?@@@@@@?g?V'@@6K?@@@)X? ?O2@@@@@1? ?J@@@@L? ?@@@@@@Lhe@@@@@@@@@1he?@@@@@@@@@@@hf@@@@@@@@@@@@@@ @? 3@@@@@)Xe?@@@@@L? J@@@ ?3@@@? 3@@@@@@@@@@@@@@@@@@@@@@@@@@6K?fO&@@@@@@@@@@@@@@@@@? ?@@@@@@? 3@@L @@@@ 3@@? 3@@@@? @@@@@@@@L? ?N@@@@@@@@@L O2@@@@@@@@@@@@@0M?
3@@@@L 3@@@@@ ?3@@@@@@@@@@@)X? @@@@f?@@@@Le@@@@@@@@@@@@@@@5e?@@@@@@@@@hf3@@@@@@??@@@@@@@@??@@@@@@@@@@@@@@@@@@@@@@@@@ @@H? ?@@@@@@?hV4@@@@@@@@)X ?W2@@@@@@@@? O&@@@@1? ?@@@@@@)K?h@@@@@@@@@@heJ@@@@@@@@@@@hf@@@@@@@@@@@@@@ N@@@@@@)X??@@@@@1?hf?W&@@5h?@K? ?N@@@?e?O2@@@@@fN@@@@@@@@@@@@@@@@@@@@@@@@@@@@@@@@@@@@@@@@@@@@@@@@@@@5? ?@@@@@@? N@@1 3@@@ N@@? N@@@@? @@@@@@@@1? 3@@@@@@@@1 O2@@@@@@@@@@@@0M
N@@?@1 N@@@@@L? ?N@@@@@@@@@@@@)X @@@@f?@@@@1e@@@@@@@@@@@@@@@He?@@@@@@@@@hfN@@@@@@??@@@@@@@@??@@@@@@@@@@@@@@@@@@@@@@@@5 ?J@@ ?@@@@@@?heI4@@@@@@@)K? W&@@@@@@0M O2@@@@@@5? ?@@@@@@@@@@@@@@@@@@@@@@@@@@@he7@@@@@@@@@@@hf@@@@@@@@@@@@@@ ?3@@@@@@1??@@@@@@?hf?&@@0Yh?@@6K? ?J@@@??O2@@@@@@@L?e?@@@@@@@@@@@@@@@@@@@@@@@@@@@@@@@@@@@@@@@@@@@@@@@@@@@H? ?@@@@@@? ?@@@ N@@@ ?@@L ?3@@@? 3@@@@@@@@? N@@@@@@@@@ O2@@@@@@@@@@@@0M
?@@?@@ ?@@@@@1? @@@@@@@@@@@@@)X? @@@@f?@@@@@e@@@@@@@@@@@@@@@?e?@@@@@@@@@hf?@@@@@@@@@@@@@@@@??@@@@@@@@@@@@@@@@@@@@@@@@H ?7@@ ?@@@@@@?hfI'@@@@@@@@6X ?W&@@0M? ?W2@0M?I4@@0Y? ?@@@@@@@@@@@@@@@@@@@@@@@@@@5he@@@@@@@@@@@@hf@@@@@@@@@@@@@@ ?V'@@@@@@L?@@@@@@? I'@6K? ?7@@@@@@@@@@@@@@)Kf?I4@0MI@MI4@@@@@@@@@@@@@@@@@@@@@@@@@@@@@@@@@@@@@@@ ?@@@@@@? ?@@@ ?@@@ ?@@1 ?N@@@? N@@@@@@@@? ?@@@@@@@@@ ?O2@@@@@@@@@@@@@0M
?3@W@@L? ?3@@@@@? 3@@@@@@@@@@@@@1? 3@@@f?3@@@@e@@@@@@@@@@@@@@@?e?@@@@@@@@@hf?@@@@@@@@@@@@@@@@??@@@@@@@@@@@@@@@@@@@@@@@@? J@@5 ?@@@@@@Lhf?V4@@@@@@@@)K? W&@(M? ?&0M ?@@@@@@@@@@@@@@@@@@@@@@@@@(Yhe@@@@@@@@@@@@hf3@@@@@@@@@@@@@ N@@@@@@)X@@@@@@L ?V4@@6K? ?@@@@@@@@@@@@@@@@@6X ?@@@@@@@@@@@@@@@@@@@@@@@@@@@@@@@@@@@@5 ?@@@@@@? ?@@@ ?@@@L? ?3@@ @@@L ?@@@@@@@@? ?3@@@@@@@@L? O2@@@@@@@@@@@@@0M?
?N@@Y@1? ?N@@@@@L N@@@@@@@@@@@@@@L N@@@L?e?N@@@@e3@@@@@@@@@@@@@@?e?3@@@@@@@@hf?@@@@@@@@@@@@@@@@??@@@@@@@@@@@@@@@@@@@@@@@@L 7@@H ?@@@@@@)X?hf?I'@@@@@@@@6K? ?W&@(Y ?@@@@@@@@@@@@@@@@@@@@@@@@@H?he@@@@@@@@@@@@hfN@@@@@@@@@@@@@ ?3@@@@@@@@@@@@@1 ?I4@@@6Kg?@@@@@@@@@@@@@@@@@0MI4@@@@@)K?hf?@@@@@@@@X?@@@@@@@@@@@@@@@@@@@@@@@@@@H ?@@@@@@? ?@@@L? ?@@@1? ?N@@ 3@@)X? ?3@@@@@@@L ?N@@@@@@@@1? O2@6?2@@@@@@@@@@@@0M
@@?@@? 3@@@@1 ?3@@@@@@@@@@@@@)X? ?@@@1?e?J@@@@eN@@@@@@@@@@@@@@?e?N@@@@@@@@L?he?3@@@@@@?@@@@@@@@L?@@@@@@@@@@@@@@@@@@@@@@@@1 @@5? ?@@@@@@@)X V@@@@@@@@@@@@6K? ?7@@H? @@ ?3@@@@@@@@@@@@@@@@@@@@@@@@hf@@@@@@@@@@@@hf?@@@@@@@@@@@@@ ?N@@@@@@@@@@@@@@ ?I4@@@@6K?e?@@@@@@@@@@@@@(MhI'@@@6K?he?@@@@@@@@)X@@@@@@@@@@@f@@@@@@@@@@@? ?@@@@@@? ?3@@1? ?@@@@? @@ N@@@1? ?N@@@@@@@1 @@@@@@@@@? O2@@@@@@@@@@@@0M
@@?@@L N@@@@@ ?V'@@@@@@@@@@@@@)X ?@@@@?e?7@@@@e?@@@@@@@@@@@@@@?f@@@@@@@@1?he?N@@@@@@?3@@@@@@@1?@@@@@@@@@@@@@@@@@@@@@@@@@ @@H? ?@@@@@@@@,h?@@@@@@@@@(MeI4@@@@@6K?hfJ@@5 ?J@5 ?N@@@@@@@@@@@@@@@@@@@@@@@5hf@@@@@@@@@@@@hf?@@@@@@@@@@@@@ 3@@@@@@@@@@@@@L? ?W2@ I4@@@6K??@@@@@@@@@@@@@H?h?V'@@@@6X?fW2@@@@@@@@@@@@@@@@@@@@@@@@?O2@@@@@@@@@@@5? J@@@@@5? ?N@@@? ?@@@@L @@L? ?@@@@? @@@@@@@@L? 3@@@@@@@@L ?O2@@@@@@@@@@@@@@0M?
3@@@@1 ?@@@@@L? N@@@@@@@@@@@@@@)X? ?@@@@?e?3@@@@L??@@@@@@@@@@@@@@?f@@@@@@@@@?hf@@@@@@?N@@@@@@@@?@@@@@@@@@@@@@@@@@@@@@@@@@ @@ ?@@@@@@@0Yh?@@@@@@@@@H?f?I'@@@@@6Xhe7@@H ?7(Y @@@@@@@@@@@@@@@@@@@@@@0Yhe?J@@@@@@@@@@@@hf?@@@@@@@@@@@@@ ?O2@@@@@@@@@@@6X V'@@@@@@@@@@@@)X ?7@@L? I4@@@@@@@@@?f@@@@hfV4@@@@)Xe?W&@@@@@@@@@@@@@@@@@@@@@@@@@@@@@@@@@@@@@@(Y? ?W&@@@@@H? @@@L ?@@@@1 @@1? ?@@@@L 3@@@@@@@1? N@@@@@@@@1 ?O2@@@@@@@@@@@@@@0M?
N@@@@@ ?@@@@@1? ?3@@@@@@@@@@@@@@)K ?@@@@?e?N@@@@1??3@@@@@@@@@@@@@?f@@@@@@@@@?hf@@@@@@e@@@@@@@@?@@@@@@@@@@@@@@@@@@@@@@@@@ @@ ?@@@@@@?he?@@@@@@@@5hV4@@@@@)K?h@@@? ?@H? ?J@@@@@@@@@@@@@@@@@@@0M?hf?7@@@@@@@@@@@@hf?@@@@@@@@@@@@@ O2@@@@@@@@@@@@@@@@@)X? ?V'@@@@@@@@@@@@1 J@@@1? I4@@@@@@@Lf@@@5 I'@@@)K?O&@@@@@@@@@@@@@@@@@@@@@@@@@@@@@@@@@@@@@@(Y W&@@@@@5 @@@1 ?3@@@@ 3@@? ?@@@@1 N@@@@@@@@? ?@@@@@@@@@ O2@@@@@@@@@@@@@0M?
?3@@@@L? ?3@@@@@? ?V4@@@@@@@@@@@@@@@6K ?@?@@@@?f@@@@@??N@@@@@@@@@@@@@?f@@@@@@@@@Lhf@@@@@@@@@@@@@@@@@@@@@@@@@@@@@@@@@@@@@@@@@@ ?J@5 ?@@@@@@?he?3@@@@@@0YhfI4@@@6K?f?J@@@? ?@ ?7@@@@@@(M ?@@@@@@@@@@@@@hf?@@@@@@@@@@@@@ W2@@@@@@@@@@@@@@@@@@@@)X N@@@@@@@@@@@@@h@@@6KO&@@@@? I4@@@@@)X?e@@@? ?V'@@@@@@@@@@@@@@@@@@@@@@@@@@@@@@@@@@@@@@@@@@@@0Y? ?W&@@@@@0Y @@@@ ?N@@@@ N@@L ?3@@@@ ?@@@@@@@@? ?3@@@@@@@@L? O2@@@@@@@@@@@@@@@0M?
?N@@@@1? ?N@@@@@L ?I4@@@@@@@@@@@@@@@@@@@6K ?@@@@Lf@@@@@?e@@@@@@@@@@@@@?f@@@@@@@@@1hf@@@@@@@@@@@@@@@@@?@@@@@@@@@@@@@@@@@@@@@@@@ ?7@H ?@@@@@@Lhe?V+M I4@@@6K?e?7@@5? ?3@@@@@@H? ?@@@@@@@@@@@@@hf?@@@@@@@@@@@@@ *@@@@@@@@@@@@@@@@@@@@@@)X? ?O26K? ?3@@@@@@@@@@@@L?g@@@@@@@@@@@? I4@@@@)Ke@@@1 N@@@@@@@@@@@@@@@@@@@@@@@@@@@@@@@@@@@@@@@@@@0M? ?7@@@@(M 3@@@ @@@@ ?@@1 ?N@@@@ ?3@@@@@@@L ?N@@@@@@@@1? ?O2@@@@@@@@@@@@@0M
@@?@@? 3@@@@1 ?I'@@@@@@@@@@@@@@@@@@@@@6K ?O2@6KeO2@@@@@1f@@@@@?e@@@@@@@@@@@@5?f3@@@@@@@@@hf@@@@@@@@@@@@@@@@@?@@@@@@@@@@@@@@@@@@@@@@@@ ?@@? ?@@@@@@1 I4@6K??@@@H? ?W&? ?N@@@@@@ ?@@@@@@@@@@@@@hf?@@@@@@@@@@@@@ ?@@@@@@@@@@@@@@@@@@@@@@@1? ?O2@@@@@@@@@@@6Kh?V40MI'@@@@@@@)Xg3@@@@@@@@@@? I4@@@@@@@@@@ J@@@@@@@@@@@@@@@@@@@@@@@@@@@@@@@@@@@@@@@@0M? @6K?gJ@@@@(Y? N@@@ 3@@@ ?@@@ 3@@@ ?N@@@@@@@1 @@@@@@@@@? ?O2@@@@@@@@@@@@@@0M?
@@@@@L N@@@@@ V'@@@@@@@@@@@@@@@@@@@@@@@@@@@@@6?@?26?2@@@@@@@@@@@@@@@f@@@@@?e3@@@@@@@@@@@H?fN@@@@@@@@@L?he@@@@@@@@@@@@@@@@@?@@@@@@@@@@@@@@@@@@@@@@@@L? J@5? ?@@@@@@@L? ?I'@@@@@ ?7@? @@@@@@ ?@@@@?@@@@@@@@hf?@@@@@@@@@@@@@ 7@@@@@@@@@@@@@@@@@@@@@@@@? ?O2@@@@@@@@@@@@@@@6KhfN@@@@@@@@)X?fV4@@@@@@@@5? ?I@M?@@@@@L?hf?O&@@@@@@@@@@@@@@@@@@@@@@@@@@@@@@@@@@@@@@(M? ?J@@@6X?e?W&@@@@H ?@@@ N@@@ ?@@@ N@@@ @@@@@@@@ 3@@@@@@@@? O2@@@@@@@@@@@@@@@0M?
3@@@@1 ?@@@@@L? ?V4@@@@@@@@@@@@@@@@@@@@@@@@@@@@@@@@@@@@@@@@@@@@@@@@@@@f3@@@@LeN@@@@@@@@@@@L?f?@@@@@@@@@1?he@@@@@@@@@@@@@@@@@?3@@@@@@@@@@@@@@@@@@@@@@@1? 7@H? J@@@@@@@)K V4@@@5 ?@@? @@@@@@ J@@@@?@@@@@@@@hf?@@@@@@@@@@@@@ @@@@@@@@@@@@@@@@@@@@@@@@@? W2@@@@@@@@@@@@@@@@@@@@@6X?h?3@@@@@@@@1?gI@?4@@@0Y? ?3@@@@)Khe@@@@@@@@@@@@@@@@@@@@@@@@@@@@@@@@@@@@@@@@@@(YeO@K?hfO@?&@@@@)KeW&@@@@@? ?@@@ ?@@@ ?3@@ ?3@@ 3@@@@@@@L? N@@@@@@@@L ?O2@@@@@@@@@@@@@0M
N@@@@@ ?3@@@@1? ?I'@@@@@@@@@@@@@@@@@@@@@@@@@@@@@@@@@@@@@@@@@@@@@@@@@fN@@@@1e?3@@@@@@@@@@1?f?@@@@@@@@@@?he@@@@@@@(Y@@@@@@@@?N@@@@@@@@@@@@@@@@@@@@@@@@? @@ 7@@@@@@@@@@@@@@@6K I40Y ?@@? @@@@@@ 7@@@@?@@@@@@@@hf?@@@@@@@@@@@@@ @@@@@@@@@@@@@@@@@@@@@@@@@? 7@@@@@@@@@@@@@@@@@@@@@@@1?h?N@@@@@@@@@L ?N@@@@@@@6X?g@@@@@@@@@@@@@@@@@@@@@@@@@@@@@@@@@@@@@@@@@@Y?O2@@@@6Xh?@@@@@@@@@@@6?&@@@(M ?@@@ ?@@@L? ?N@@ ?N@@L? N@@@@@@@1? ?@@@@@@@@1 O2@@@@@@@@@@@@@@@0M?
?3@@@@L? ?N@@@@@L V4@@@@@@@@@@@@@@@@@@@@@@@@@@@@@@@@@@@@@@@@@@@@@@@@f?@@@@@e?V'@@@@@@@@@@?f?@@@@@@@@@@?he3@@@@@@H?@@@@@@@@??3@@@@@@@@@@@@@@@@@@@@@@@L ?J@@ 3@@@@@@@@@@@@@@@@@@@@@@6X? ?@5? @@@@@@ ?J@@@@5?@@@@@@@@hf?@@@@@@@@@@@@@ @@@@@@@@@@@@@@@@@@@@@@@@@? @@@@@@@@@@@@@@@@@@@@@@@@@?he@@@@@@@@@)?@ 3@@@@@@@)Kf?J@@@@@@@@@@@@@@@@@@@@@@@@@@@@@@@@@@@@@@@@@@@@@@@@@@@)X?gJ@@@@@@@@@@@@@@@@(Y? ?3@@L? ?3@@1? @@ @@1? ?@@@@@@@@? ?3@@@@@@@@ O2@@@@@@@@@@@@@@0M
?N@@@@1? @@@@@1 I'@@@@@@@@@@@@@@@@@@@@@@@@@@@@@@@@@@@@@@@@@@@@@@L?e?@@@@@fV'@@@@@@@@@@@@e?@@@@@@@@@@?heN@@@@@@??@@@@@@@@L?N@@@@@@@@@@@@@@@@@@@@@@@1 ?7@5 N@@@@@@@@@@@@@@@@@@@@@@@)K ?@H? @@@@@@ ?7@@@@H?@@@@@@@@hf?@@@@@@@@@@@@@ ?I'@@@@@@@@@@@@@@@@@@@@@5? @@@@@@@@@@@@@@@@@@@@@@@@@?he3@@@@@@@@@@@ ?@6K N@@@@@@@@@6KeO&@@@@@@(MeI'@@@@@(Y@@@@@@@@@@@@@@@@@@@@@@@@@@@@@@@@@1?g7@@@@@@@@@@@@@@@(Y ?N@@1? ?N@@@?h?O2@@@@@@@6K @@L? 3@@? ?3@@@@@@@L ?N@@@@@@@@L? ?O2@@@@@@@@@@@@@@0M?
@@@@@? 3@@@@@ ?V'@@@@@@@@@@@@@@@@@@@@@@@@@@@@@@@@@@@@@@@@@@@@@1?e?3@@@@f?N@@@@@@@@@@@He?3@@@@@@@@@?he?@@@@@@L?@@@@@@@@1e@@@@@@@@@@@@(MI'@@@@@@@@ ?@@H ?3@@@@@@@@@@@@@@@@@@@@@@@@6X ?@ ?@ @@@@@@ ?@@@@@e@@@@@@@@hf?@@@@@@@@@@@@@ V4@@@@@@@@@@@@@@@@@@@0Y? ?J@@@@@@@@@@@@@@@@@@@@@@@@@?heN@@@@@@@@@@@L? ?3@@@? ?@@@@@@@@@@@@@@@@@@@@(Y?f@@@@@H?3@@@@@@@@@@@@@@@@@@@@@@@@@@@@@@@@@?g@@@@@@@@@@@@@@@(Y? @@@? @@@?f?O2@@@@@@@@@@@@@@6X?hf@@1? V4@? ?N@@@@@@@1 @@@@@@@@1? O2@@@@@@@@@@@@@@@@0M
@@@@@L N@@@@@L? V4@@@@@@@@@@@@@@@@@@@@@@@@@@@@@@@@@@@@@@@@@@@@@?e?N@@@@g3@@@@@@@@@@?e?N@@@@@@@@@Lhe?@@@@@@1?@@@@@@@@@L?@@@@@@@@@@@@H??N@@@@@@@@L? ?@@? ?V4@@@@@@@@@@@@@@@@@@@@@@@@)X? J@ J@ @@@@@@ ?@@@@@e3@@@@@@@hf?@@@@@@@@@@@@@ I4@@@@@0M? ?@@@@@@@@@@@@@@@@@@@@@@@@@@?he?@@@@@@@@@@@)K ?N@@@L ?@@@@@e?I'@@@@@@@@@0Yf?7@@@@5??N@@@@@@@@@@@@@@@@@@@@@@@@@@@@@@@@@Lg@@@@@@@@@@@@@@@H @@@?gO@K?he?O2@@@@@6K @@@?e?W2@@@@@@@@@@@@@@@@@)Xhf3@@? @@@@@@@@ 3@@@@@@@@? O2@@@@@@@@@@@@@@@0M?
3@@@@1 ?@@@@@1? I4@@@@@@@@@@@@@@@@@@@@@@@@@@@@@@@@@@@@@@@@@?f@@@@gV4@@@@@@0Mg@@@@@@@@@1he?@@@@@@@?@@@@@@@@@@?e@@@@@@@@@@f@@@@@@@@@? J@5? @@@@@@@@@@@@@@@@@@@@@@1? @@ 7@ @@@@@@ ?@@@@@e?@@@@@@@hf?@@@@@@@@@@@@@ ?N@@@@@@@@@@@@@@@@@@@@@@@@5?he?3@@@@@@@@@@@@6K 3@@)X? ?@@@@@fN@@@@@@@@?g?@@@@@H?e@@@@@@@@@@@@@@@@@@@@@@@@@@@@@@@@@1f?J@@@@@@@@@@@@@@@? 3@@?f?@@@@@@@@@@@@@@@@@@@@@@@@@6X @@@?eO&@@@@@@@@@@@@@@@@@@@)X?heN@@? @@@@@@@@ N@@@@@@@@L O2@@@@@@@@@@@@@@0M
N@@@@@ ?3@@@@@? ?I4@@@@@@@@@@@@@@@@@@@@@@@@@@@@@@@@@@@@?f@@@@L? @@@@@@@@@@he?@@@@@@@?@@@@@@@@@H?e@@@@@@@@@@f@@@@@@@@H? 7@H? 3@@@@@@@@@@@@@@@@@@@@@@L N@L? @@ @@@@@@ ?@@@@5e7@@@@@@@L?he?@@@@@@@@@@@@@ @@@@@@@@@@@@@@@@@@@@@@@@H?he?N@@@@@@@@@@@@@@6K V'@@)X ?@@@@@fJ@@@@@@@@?e?W2@@@@@@5f@@@@@@@@@@(Mh@@@@@@@@@@@@@@f?7@@@@@@@@@@@@@@@? N@@?f?@@@@@@@@@@@@@@@@@@@@@@@@@@)X?hf@@@L?@@@@@@@@@@@@@@@@@@@@@@@)Xhe?3@? 3@@@@@@@L? ?@@@@@@@@1 O2@@@@@@@@@@@@@@0M
?@@@@@L? ?N@@@@@L ?I4@@@@@@@@@@@@@@@@@@@@@@@@@@@@@@@@Lf@@@@1? @@@@@@@@@@he?@@@@@@@?3@@@@@@@@h@@@@@@f3@@@@@@@L? @@ V4@@@@0?4@@@@0M?I'@@@@@1 ?@1? @@ @@@@@@ ?@@@@He3@@@@@@@1?he?@@@@@@@@@@@@@ ?I4@@@@@@@@@@@@@@@@@@@@5 @@@@@@@@@@@@@@@@6Khf?V'@@)X? J@@@@@L??W&@@@@@(Mf?7@@@@@@@Yf@@@@@@@@@@H?g?J@@@@@(Y@@@@@@@fJ@@@@@@@@@@@@@@@@L ?@@LfJ@@@@@@@@@@@@@@@@@@@@@@@@@@@)Xhf3@@)X@@@@@@@@@@@@@@@@@@@@@@@@)K?h?V'? N@@@@@@@1? ?3@@@@@@@@L? ?O2@@@@@@@@@@@@@@0M?
?3@@@@1? @@@@@1 ?I4@0MeI4@@@@@@@@@@@@@@@@@@@@@@@1f@@@@@? @@@@@@@@@@he?3@@@@@@?N@@@@@@@@L?f@@@@@@@@fN@@@@@@@@? @5 ?V'@@@@@ ?3@L @5 W&K?hf@@@@@@ ?@@@@?eN@@@@@@@5?he?@@@@@@@@@@@@@ ?I4@@@@@@@@@@@@@@@@@(Y @@@@@@@@@@@@@@@@@@@6K?heV'@@1? 7@@@@@@?W&@@@@@(Y?f?@@@@@@@@@6Xe@@@@@@@@@@h?7@@@@@H?@@@@@@@f7@@@@@@@@@@@@@@@@1 ?@@1f7@@@@@@@@@@@@@@@@@@@@@@@@@@@@1hfN@@@@@@@@@@@@@@@@@@@@@@@@@@@@@@@@? ?@@@@@@@@? ?N@@@@@@@@1? ?O2@@@@@@@@@@@@@@@0M
?N@@@@@? 3@@@@@ ?I40MI4@@@@@@@@@@@@@f@@@@@? O2@6X?@@@@@@@@@@L?he@@@@@@e@@@@@@@@1?f3@@@@@@@L?e?@@@@@@@ ?J@H N@@@@@ ?N@)X? @H 7@@6X?he@@@@@@ ?@@@@?e?@@@@@@@H?he?@@@@@@@@@@@@@ ?W2@ I4@@@@@@@@@@@@@0Y? 3@@@@@@@@@@@@@@@@@@@@6K?h?N@@@L 3@@@@@YO&@@@@@(Yg?@@@@@@@@@@1e@@@@@@@@@@@6K?f?@@@@@5??3@@@@@@L??J@@@@@@@@@@@@@@@@@@ ?@@@f@@@@@@@@@@@@@@@@@@@@@@@@@@@@@@hf?@@@@@@@@@@@@@@@@@@@@@@@@@@@@@@@@L ?3@@@@@@@L @@@@@@@@@? O2@@@@@@@@@@@@@@@@@0M?
@@@@@L N@@@@@L? I'@@@@@@@@@@f@@@@@?he?W2@@@@@)X@@@@@@@@@@1?h?@@@@@@@@@@@@@@@@@@?fN@@@@@@@)XeJ@@@@@@@1? ?@@? ?@@@@@ 3@1? @? @@@@)Xhe@@@@@@ J@@@@?e?@@@@@@@L?he?@@@@@@@@@@@@@ W&@@L? N@@@@@@@@@@@e?I4@@@@@@@6Kh3@@1 N@@@@@@@@@@@@(Y?g?@@@@@@@@@@@e@@@@@@@@@@@@@@@6?2@@@@@@H??N@@@@@@1??7@@@@@@@@@@@@@@@@@@ ?3@@e?J@@@@@@@@@@@@@@@@@@@@@@@@@@@@@@hf?@@@@@@@@@@@@@@@@@@@@@@@@@@@@@@@@1 ?N@@@@@@@1 @@@@@@@@@L ?O2@@@@@@@@@@@@@@@@0M?
@@@@@1 ?3@@@@1? ?N@@@@@@@@@@f3@@@@Lhe?7@@@@@@@@@@@@@@@@@@@?h?N@@@@@@@@@@@@@@@@@Lf?@@@@@@@@1e7@@@@@@@@? ?@@@@@ V'@? @? @@@@@)X?h@@@@@@ 7@@@@?e?@@@@@@@@?he?3@@@@@@@@@@@@ 7@@@@? ?@@@@@@@@@@5gI4@@@@@@@6K?fN@@@ ?@@@@@@@@@@@(Yh?@@@@@@@@@@@e@@@@@@@@@@@@@@@@@@@@@@@5f@@@@@@@??@@@@@@@@@@@@@@@@@@@ ?N@@L?W&@@@@@@@@@@@@@@@@@@@@@@@@@@@@@@L?he?@@@@@@@@@@@@@@@@@@@@@@@@@@@@@@@@@ @@@@@@@@ 3@@@@@@@@1 ?O2@@@@@@@@@@@@@@@@@0M
3@@@@@ ?N@@@@@? @@@@@@@@@@fN@@@@1he?@@@@@@@@@@@@@@@@@@@@?he@@@@@@@@@@@@@@@@@1f?@@@@@@@@@e@@@@@@@@5? ?@@@@@ ?V'@@? @@@@@@)Xh@@@@@@ @@@@5?e?@@@@@@@H?he?N@@@@@@@@@@@@ @@@@H? ?3@@@@@@@@@?h?I4@@@@@@@@6K??@@@ ?@@@@@@@@@@@H?h?@@@@@@@@@@@L?e?I'@@@@@@@@@@@@@@@@@@Hf@@@@@@@@@@@@@@@@@@@@@@@@@@@@ @@)?&@@@@@@@@@@@0MfI4@@@@@@@@@@@@1?he?@@@@@@@@@@@@@@@@@@@e?I'@@@@@@@@@ @@@@@@@@L? N@@@@@@@@@he?O2@@@@@@@@@@@@@@@@0M?
N@@@@@L? @@@@@? 3@@@@@@@@@f?@@@@@L?hJ@@@@@@@@@@@@@@@@@@@@?he@@@@@@@@@@@@@@@@@@f?@@@@@@@@@?J@@@@@@@@H? J@@@@5 V'@LheW& ?J@@@@@@@,h@@@@@@ ?J@@@@H?e?@@@@@@@L?hf@@@@@@@@@@@@ 3@@5 ?N@@@@@@@@@1he?I4@@@@@@@@@@@@@ ?@@@@@@@@@@5he?3@@@@@@@@@@1?fV'@@@@@@@@@@@@@@@@@?e?J@@@@@@@@@@@@@@@@@@@@@@@@@0M? @@@@@@@@@@@@@@hfI'@@@@@@@@@?heJ@@@@@@@@@@@@@@@@@@@fV'@@@@@@@@ 3@@@@@@@1? ?3@@@@@@@@hO2@@@@@@@@@@@@@@0M
?@@@@@1? 3@@@@L N@@@@@@@@@f?@@@@@1?f@6X?7@@@@@@@@@@@@@@@@@@@@?he@@@@@@@@@@@@@@@@@@f?3@@@@@@@@W&@@@@@@@@ ?W&@@@@H ?V')X?g?W&5 ?@@6?&@@@@@@0Yh@@@@@@ ?7@@@@f?@@@@@@@1?hf@@@@@@@@@@@@ V40Y 3@@@@@@@@@ ?I4@@@@@@@@@ ?@@@@@@@@@(Yhe?N@@@@@@@@@@@?f?V'@@@@@@@@@@@@@@@@?eW&@@@@@@@@@@@@@@@@@@@@@@@0M? @@@@@@@@@@@@@@hf?N@@@@@@@@@?he7@@@@@@@@@@@@@@@@@@5f?V4@@@@@@@ N@@@@@@@@? ?N@@@@@@@@e?O2@@@@@@@@@@@@@@@@0M?
?3@@@@@? N@@@@1 ?@@@@@@@@@L?e?@@@@@@?f@@)X@@@@@@@@@@@@@@@@@@@@@?he@@@@@@@@@@@@@@@@@@f?V4@@@@@@@@@@@@@@@@@ @@@@6KhO&@@@@@? ?@@? V')Kg?7@H ?N@@@@@@ @@@@@@ ?@@@@@f?@@@@@@@@?hf@@@@@@@@@@@@ N@@@@@@@@@L? ?I4@@@@@@@ ?@@@@@@@@(Y?he?J@@@@@@@@@@@LgV4@@@@@@@@@@@@@@5??W&@@@@@@@@@@@@@@@@@@@@@@0M? 3@@@@@@@@@@@@@hf?J@@@@@@@@@?he@@@@@@@@@@@@@@@@@@@Hh@@@@@@ ?3@@@@@@@@6K @@@@@@@@@@@@@@@@@@@@@@@@0M
?N@@@@@? ?@@@@@ ?@@@@@@@@@1?e?@@@@@@?f@@@@@@@@@@@@@@@@@@@@@@@@@?he@@@@@@@@@@@@@@@@@@g?I4@@@@@@@@@@@@@@@ @@@@@@@@@@@@@@@@@@@@5? J@@? ?V'@6XfJ@5? 3@@@@@ @@@@@@L? ?@@@@@f?@@@@@@@@?hf@@@@@@@@@@@@ ?3@@@@@@@@)X ?@@@@@@@(Yhf?7@@@@@?@@@@@)X?hI4@@@@@@@0?(Y?O&@@@@@@@@@@@@@@@@@@@@@0M? N@@@@@@@@@@@@@hf?7@@@@@@@@@Lhe@@@@@@@@@@@@@@@@@@@?h@@@@@@L? ?N@@@@@@@@@@6K ?J@@@@@@@@@@@@@@@@@@@@@0M?
@@@@@L ?3@@@@L? ?@@@@@@@@@@?e?@@@@@@@@@@@@@@@@@@@@@@@@@@@@@@@@@@@@?he@@@@@@@@@@@@@@@@@@L?he@@@@@@@@@@@@ @@@@@@@@@@@@@@@@@@@@H? 7@@? V4@1e?O&(Y? N@@@@@L?hf@@@@@@1? ?@@@@@f?@@@@@@@@?hf@@@@@@@@@@@5 ?N@@@@@@@@@1 ?@@@@@@(Y?hf?@@@@@@W@@@@@@)X I@M?eW2@@@@@@@@@@@@@@@@@@@@@0M? ?@@@@@@@@@@@@@hf?3@@@@@@@@@1he@@@@@@@@@@@@@@@@@@5?h3@@@@@1? ?@@6X? @@@@@@@@@@@@@? O&@@@@@@@@@@@@@@@@0M
@@@@@1 ?N@@@@1? ?3@@@@@@@@@?e?@@@@@@@@@@@@@@@V'@@@@@@@@@@@@e@@@@@?he@@@@@@@@@@@@@@@@@@)Kh?J@@@@@@@@@@@@ @@@@@@@@ @@@?g?@@@@@@@@5 @@@?h?@@6X?heI@?@@@0Y ?@@@@@1?hf@@@@@@@? J@@@@@f?@@@@@@@@?hf@@@@@@@@@@@H 3@@@@@@@@@L? ?@@@@@@H ?@@@@@@@R'@@@@@)X? ?O&@@@@@@@@@@@@@@@@@@@@0M? ?@@@@@@@e@@@@hf?V'@@@@@@@@@L?g?J@@@@@@@@@@(MI4@@@0Y?hN@@@@@@? ?@@@1? @@@@@@@@@@@@@L ?O2@@@@@@@@@@@@@@@@0M?
3@@@@@ @@@@@? ?N@@@@@@@@@Le?@@@@@@@@@@@@@@@LV'@@@@@@@@@@@e@@@@@Lhe@@@@@@@@@@@@@@@@@@@@@@6KfO&@@@@@@@@@@@@ 3@@@@@@5 @@ W2@@@@@@@@@@@@@@@@@@@@(Y ?J@@@?hJ@@@)X J@@@@@@Lhf@@@@@@@? ?W&@@@@5f?@@@@@@@5?hf@@@@@@@@@@@? N@@@@@@@@@)X J@@@@@5? J@@@@@@@?N@@@@@@)Xhe?@@@@@@@@@@@@@@@@@@@@@@@@@@0M? ?@@@@@@@e3@@@L?hfN@@@@@@@@@)Xg?7@@@@@@@@@0Y? ?@@@@@@?h?@@? ?3@@@? 3@@@@@@@@@@@@)K?he?O2@@@@@@@@@@@@@@@@@@@
N@@@@@L? 3@@@@? ?J@@@@@@@@@1e?3@@@@@@@@@@@@@@)KV@@@@@@@@@@@@@@@@@@)X?h@@@@@@@@@@@@@@@@@@@@@@@@@@@@@@@@@@@@@@@@@@L? V@@@@@@Y @@L? ?W&@@@@@@@@@@@@@@@@@@@@0Y? O&@@5?h7@@@@)X? 7@(MI'@1hf@@@@@@@? ?7@@@@@Hf?@@@@@@@H?hf@@@@@@@@@@@? ?3@@@@@@@@@)X? ?W&@@@@@H? '@@@@@@@e3@@@@@@)K?h?@@@@@@@@@@@@@@@@@@@@@@@@0M? ?3@@@@@@eN@@@1?hf?3@@@@@@@@@1g?@@@@@(M ?@@@@@@?h?@@L ?N@@@? N@@@@@@@@@@@@@@6X?fO2@@@@@@@@@@@@@@@@@@@@@@@@L?
?@@@@@1? N@@@@L O&@@@@@@@@@@e?N@@@@@@@@@@@@@@@@@@@@@@@@@@@@@@@@@@@@)?2@@@6?2@@@@@@@@@@@@@@@@@@@@@@@@@@@@@@@@@@@@@@@@@@@)KO26K?O2@@@@@6?2@@@@@@@6K?O@KheO2@6K?O@KO26KO26KO2@@@@@@@@@@@@@@@@@@@@@6?@KO26?2@@@1? ?7@@@@@@@@@@@@@@@@@@@(M? W2@@@(Y?h@(?4@@)X ?J@@H??V'@L?he3@@@@@@? ?@@@@@@?f?@@@@@@@ @@@@@@@@@@@? ?V'@@@@@@@@@1? O&@@@@@@ V'@@@@@@L?V'@@@@@@@@@@6KeO2@@@@@@@@@@@@@@@@@@@@@@@(M? ?N@@@@@@e?@@@@?hf?N@@@@@@@@@@g?@@@@@H? ?@@@@@@Lh?@@1 @@@L ?@@@@@@@@@@@@@@@)KO2@@@@@@@@@@@@@@@@@0M?@@@@@@@@1?
?3@@@@@? ?@@@@1 ?'@@@@@@@@@@@@f@@@@@@@@@@@@@@@@@?@@@@@@@@@@@@@@@@@@@@@@@@@@@@@@@@@@@@@@@@@@@@@@@@@@@@@@@@@@@@@@@@@@@@@@@@@@@@@@@@@@@@@@@@@@@@@@@@@@@@@@@@@@@@@@@@@@@@@@@@@@@@@@@@@@@@@@@@@@@@@@@@@@@@@@@@@@@@@@@@@@@? J@@@@@@@@@@@@@@@@@@@0Y &@@@0Yhe@HeI'@)K? )Xh?7@5fN@1?heN@@@@@@? ?@@@@@@?f?@@@@@@@ @@@@@@@@@@@? N@@@@@@@@@@L W2@@@@@@@@ ?V'@@@@@1??N@@@@@@@@@@@@@@@@@@@@@@@@@@@@@@@@@@@@@@(Y @@@@@@e?@@@@L @@@@@@@@@@g?@@@@@hf?O2@@@@@@6K??@@@@@@1h?@@@ 3@@)X? ?@@@@@@@@@@@@@@@@@@@@@@@@@@@@@@@0Mg3@@@@@@@@?
?N@@@@@L ?3@@@@L? ?V4@@@@@@@@@@@f@@@@@@@@@@@@@@@@@?@@@@@@@@@@@@@@@@@@@@@@@@@@@@@@@@@@@@@@@@@@@@@@@@@@@@@@@@@@@@@@@@@@@@@@@@@@@@@@@@@@@@@@@@@@@@0?4@@@@@@@@@@@@@@@@@@@@@@@0MI4@@@@@@@@@@@@@@@@@@@@@@@@@@@@@@@@@@@@@@@@5? 7@@@@@@@@0M? ?J@?e?N@@@@@? @)hJ@@Hf?@@Lhe?@@@@@@? ?@@@@@5?f?@@@@@@@ @@@@@@@@@@5? ?@@? @6X? ?3@@@@@@@@@)X? W26Kh*@@@@@@@@@ N@@@@@@Le@@@@@@@@@@@@@@@@@@@@@@@@@@@@@@@@@@@@@(Y? @@@@@@e?@@@@1heO2@@@@@@@@@@@@L?f?@@@@@he?O2@@@@@@@@@@6X@@@@@@@h?@@@ N@@@1? ?3@@@@@@@@@@@@@@@@@@@@@@@@@@0MheN@@@@@@@@L
@@@@@1 ?N@@@@1? @@@@@@@@@@f3@@@@@@@@@@@@@@@@@@@@@@@@@@@@@@@@@@@@@@@@@@@0M?@@@@@@@@@@@@@@@@@@@@@@@@@@@@@@@@@@@@@@@@(M? @@@(M? I'@@@@H? @@@@@(M? ?@@?f3@@@@L 7@5?f?3@)X?h?@@@@@@? ?@@@@@H?f?@@@@@@@L?hf@@@@@@@@@@H? W2@@ ?@@? @@1? ?N@@@@@@@@@@)Xg?@@@@@@@6Ke?O&@@@@@@@@@eN@@@@@@@@@ ?@@@@@@)X?@@@@@@@@@@@@@@@@@@@@@@@@(Me@@@@@@@@0Y @@@@@@e?@@@@@fO2@@@@@@@@@@@@@@@@@@@?f?@@@@@h?O2@@@@@@@@@@@@@@@@@@@@@h?@@@L? ?@@@@? @@@@@@@@@@@@@@@@@@@@@@0M ?@@@@@@@@1
@@@@@@ @@@@@? @@@@@@@@@@fN@@@@@@@@@@@@@@@@@@@@@@@@@@@@@@@@@@@(Mh?@@@@@@@@@@@@@@@@@@@@@@0M?e?@@@@@@@@@@@@H @@(Y @@@5 @@@@@H N@@@@1 ?J@(Y?f?N@@1?hJ@@@@@@? ?@@@@@g?@@@@@@@1?hf@@@@@@@@@@ 7@@@ ?@@? @@@? 3@@@@@@@@@@)X?f?@@@@@@@@@@@@@@@@@@@@@@5e?@@@@@@@@@ ?3@@@@@@)X@@@@@@@@@@@@@@@@@@@@@@@@H??J@@@@@@@? @@@@@@e?3@@@@@@@@@@@@@@@@@@@@@@@@@@@@H?f?@@@@@@6X?e?W2@@@@@@@@@@@@@@@@@@@@@@@h?@@@1? ?@@@@? O&@@@@@@@@@@@@@@@@@@0M ?3@@@@@@@@
3@@@@@ @@@@@? @@@@@@@@@@L?e?@@@@@@@@@@@@@@@@@@@@@@@@@@@@@@@@@@0Y?h?3@@@@@@@@@@@@@@@@@@@0M?fJ@@@@@@@@@@@@? @@H? ?7@@@H @@@@@? ?@@@@@L? ?7@Hh@@@?h@@@@@@@? ?3@@@@g?@@@@@@@@?hf@@@@@@@@@@ @@@@ ?@@? @@@? V'@@@@@@@@@@)XgI4@@@@@@@@@@@@@@@@@@@?eJ@@@@@@@@@ ?V'@@@@@@@@@@@@?W@@@@@@@@@@@@@@@@@eW&@@@@@@@? @@@@@@e?N@@@@@@@@@@@@@@@@@@@@@@@@@@@@g?@@@@@@@1?e?7@@@@@@@@@@@@@@@@@@@@@@@@L?g?@@@@L ?3@@@? ?O2@@@@@@@@@@@@@@@@@@@ ?N@@@@@@@@
N@@@@@ 3@@@@? @@@@@@@@@@)T.??3@@@@@@@@@@@@@@@@@?@@@@@@@@@@@@@?hf?N@@@@@@@@@@@@@@@@@Xh7@@@@@@@@@@@@? ?J@@ ?@@@5? @@@@@L ?3@@@@)X J@5?h@@@?hN@@@@@@? @@@@g?@@@@@@@@?hf@@@@@@@@@@L? @@@@ J@@? @@@? ?V'@@@@@@@@@@)X? ?I4@@@@)KO&@@@@@@@@@ N@@@@@@@@@@@@@@Y?@eI4@0Y@@@@@@@?O&@@@@@@@@? ?J@@@@@@f@@@@@@@@@@@@@@@@@@@@@@@@@@@@g?@@@@@@@@LeJ@@@@@@@@@@@@@@@@@@@@@@@@@1?g?@@@@1 ?N@@@? O2@@@@@@@@@@@@@@@@@@@@@@@@L? @@@@@@@@L?
?@@@@@L? N@@@@L @@@@@@@@@@@(Y?e@@@@@@@@@@@@@@@@@@@@@@@@@@@@@@@? @@@@@@@@@@@@@@@@@1h@@@@@@@@@@@@5? ?7@5 ?@@@ @@@@@1 ?V4@@@@)X? ?O&@H?h@@@LhJ@@@@@@? ?@@@@@g?@@@@@@@5?hf@@@@@@@@@@1? @@@5 7@@? @@@? N@@@@@@@@@@@1? ?I'@@@@@@@@@@@@@@@ ?3@@@@@@@@@@@@@@@@gJ@@@@@@@@@@@@@@@@? ?7@@@@@@f@@@@@@@@@@@@@@@@@@@@@@@@@@@@g?3@@@@@@@)KO&@@@@@@0M??I4@@@@@@@@@@@@@@?g?@@@@@ @@@? O2@@@@@@@@@@@@@@@@@@@@@@@@@@@@1? 3@@@@@@@)X
?3@@@@1? ?3@@@1 3@@@@@@@@@@He?7@@@@@@@@@@@@@@@@@@@@@@@@@@@@@@5? @@@@@@@@@@@@@@@@@@g?J@@@@@@@@@@@@H? ?@@H J@@@)X 3@@@@@ ?I4@@@)X @@@5he3@@1h@@@@@@@? ?N@@@@g?@@@@@@@ @@@@@@@@@@@? @@@H 3@@L @@@? ?3@@@@@@@@@@@L V'@@@@@@@@@@@@@@ ?V'@@@@@@@@@@@@@@@f?O&@@@@@@@@@@@@@@@5? ?@@@@@@@f@@@@@@@(M??@@?g@@@@@@@@g?N@@@@@@@@@@@@@@@(M?f?I4@@@@@@@@@@@@?g?3@@@@ 3@@L ?O2@@@@@@@@@@@@@@@@@@@@@@@@@@@@@@@@@@? N@@@@@@@@1
?N@@@@@L ?N@@@@L? N@@@@@@@@@@?eJ@@@@@@@@@@@@@@@@@@@@@@@@@@@@@@@H? @@@@@@@@@@@@@@@@@@g?7@@@@@@@@@@@@ ?@@? 7@@@@1 N@@@@@L? @@@)K? @@@?heN@@@L?gN@@@@@@? @@@5g?@@@@@@@1?hf@@@@@@@@@@@? @@5? N@@1 @@@? ?V'@@@@@@@@@@)X? ?V'@@@@@@@@@@@@@ V'@@@@@@@@@@@@@@@@@@@@@@@@@@@@@@@@@@@(Y? ?@@@@@@5f@@@@@@@He?@@?g@@@@@@@5h@@@@@@@@@@@@@@(YheI4@@@@@@@@@?g?N@@@@ N@@1 ?O2@@@@@@@@@@@@@@@@@@@0Mf@@@@@@@@@@@@@@@? ?@@@@@@@@@
@@@@@1 @@@@1? ?@@@@@@@@@@??O&@@@@@@@@@@@@@@@@@@@@@@@@@@@@@@@ @@@@@@@@@@@@@@@@@5gJ@@@@@@@@@@@@5 J@5? @@@@@5 ?@@@@@1? 3@@@@@ ?J@@@1he?@@@1?g?@@@@@@? @@@Hg?@@@@@@@@?hf@@@@@@@@@@@? 3@H? J@@@ @@@? V'@@@@@@@@@@)X N@@@@@@@@@@@@@ ?V'@@@@@@@@@@@@@@@@@@@@@@@@@@@@@@@@@(Y ?@@@@@@Hf@@@@@@@Lhf@@@@@@@Hh@@@@@@@@@@@@@(Y?hf?@@@@@@@@?h@@@@ ?@@@ O2@@@@@@@@@@@@@@@@@@@0M?h3@@@@@@@@@@@@@@L ?3@@@@@@@@L?
3@@@@@ 3@@@@? ?@@@@@@@@@@@@@@@@@@@@@@@@0MI'@@@@@@@@@@@@@@@@5 @@@@@@@@@@@@@@@@@Hf?W&@@@@@@@@@@@@H 7@H? ?J@@@@0Y ?@@@@@@L ?@@6X?fV4@@@@ O&0?'@he?3@@@?g?@@@@@@? @@@Lg?@@@@@@@@?he?J@@@@@@@@@@@? ?@ 7@@@ @@@? ?V'@@@@@@@@@@)X? ?@@@@@@@@@@@@@L? V4@@@@@@@@@@@@@@@@@@@@@@@@@@@@@@@(Y? ?@@@@@@?f@@@@@@@)X?he@@@@@@@?h3@@@@@@@@@@@@H ?3@@@@@@@?h@@@@ ?@@@ ?O2@@@@@@@@@@@@@@@@@@@0MhfN@@@@@@@@@@@@@@1 ?N@@@@@@@@1?
N@@@@@L? N@@@@L ?3@@@@@@@@@@@@@@@@@@@@@?fV'@@@@@@@@@@@@@@(Y @@@@@@@@@@@@@@@@@LfO&@@@@@@@@@@@@5? @@ ?7@@(M ?@@@@@@)X? ?@@@)Xhe?@6KhfO2@<eV'he?N@@@Lg?@@@@@@? @@@1eW26K?@@@@@@@@?heW&@@@@@@@@@@@? 7@ ?J@@@@L? @@@? V'@@@@@@@@@@)X ?@@@@@@@(Y@@@@1? )Xg?@@@@@@@@@@@@@@@@@@@@@@@@@@@@@@? ?@@@@@@?f@@@@@@@@)Khe@@@@@@@?hN@@@@@@@@@@@5? ?V'@@@@@@Lh3@@@L? ?3@@L? O@?2@@@@@@@@@@@@@@@@@0M? ?@@@@@@@@@@@@@@@ @@@@@@@@@L
?@@@@@1? ?@@@@1 ?N@@@@@@@@@@@(MI'@@@@@5?f?V'@@@@@@@@@@@@@H? 3@@@@@@@@@@@@@@@@)K?O2@@@@@@@@@@@@@(Y? ?J@5 ?@@@H? ?@@@@@@@1? ?3@@@1heJ@@@@6K?gW2@@5? 3@@1gJ@@@@@@? @@@@e7@@@@@@@@@@@@@@@@@@@@6KO&@@@@@@@@@@@@? @@ W&@@@@)X @@@L ?N@@@@@@@@@@@)X? ?3@@@@@@H?@@@@@? @)X?f?@@@@@@@@@@@@@@@@@@@@@@@@@@@@@@1 J@@@@@@?f@@@@@@@@@@@?h@@@@@@@?h?@@@@@@@@@@@H? V'@@@@@1hN@@@1? ?N@@1? O2@@@@@@@@@@@@@@@@@@@@0M ?@@@@@@@@@@@@@@@ 3@@@@@@@@1
?3@@@@@? ?3@@@@ @@@@@@@@@@(YeN@@@@@h?@@@@@@@@@@@@@ V'@@@@@@@@@@@@@@@@@@@@@@@@@@@@@@@@@H ?7@H J@@@ ?@@@@@@@@? ?N@@@@L?g?W&@@@@@@@6Ke?O&@@@ N@@@g7@@@@@@? ?J@@@@e@@@@@@@@@@@@@@@@@@@@@@@@@@@@@@@@@@@@@? @@ ?W&@@@@@@)K? ?W2@@@@)X? 3@@@@@@@@@@@1? ?N@@@@@5e@@@@@? @@)KO2@@@@@@@@@@@@@@@@@@@@@@@@@@@@@@@@@@L? 7@@@@@@?e?J@@@@@@@@@@@?h@@@@@@@?h?@@@@@@@@@@@ ?N@@@@@@h?3@@5? @@@? ?O2@@@@@@@@@@@@@@@@@@@@0M? ?3@@@@@@@@@@@@@@ N@@@@@@@@@
?N@@@@@? ?N@@@@L? @@@@@@@@@@H?eJ@@@@@1?g7@@@@@@@@@@@@5 ?N@@@@@@@@@@@@@@@@@@@@@@@@@@@@@@@@@? ?@@? 7@@@ ?3@@@@@@@L 3@@@)XgW&@@@??I4@@@@@@@@@@@1? ?3@@g@@@@@@@? ?7@@@@e3@@@@@@@@@@@@@@@@0?4@@@@@@@@@@@@@@@@@? @@ W&@@@@@@@@@6X? W&@@@@@@)X V'@@@@@@@@@@@? @@@@@He@@@@@?hf@@@@@@@@@@@@@@@@@@@(M?I4@@@@0MI'@@@@@@@@@@@@1? @@@@@@@?e?7@@@@@@?I4@@?g?J@@@@@@@?h?@@@@@@@@@@@ 3@@@@@h?V40Y? @@@L ?O2@@@@@@@@@@@@@@@@@@@0M ?N@@@@@@@@@@@@@@ ?3@@@@@@@@
@@@@@L @@@@1? @@@@@@@@@@e?W&@@@@@@?f?J@@@@@@@@@@@@(Y 3@@@@@@@@@@@@@@@@@@@@@@@@@@@@@(M J@5? @@@@ ?V'@@@@@@)X? N@@V')K?e?O&@@@@?fI4@@0MeI'@L ?N@@g3@@@@@@? ?3@@@@eV4@@@@@@@@@@@(M?hI'@@@@@@@@@@@? @@ ?O&@@@@@@@@@@@1? ?O&@@@@@@@@)K??O26K? ?V'@@@@@@@@@@@6X @@@@@?e@@@@@?hf3@@@@@@@@@@@@@@@@@@Hhf@@@@@@@@@@@@@? @@@@@@@LeJ@@@@@@5hf?7@@@@@@@?h?3@@@@@@@@@@L? N@@@@@ @@@1 ?O2@@@@@@@@@@@@@@@@@@0M? @@@@@@@@@@@@@@ ?N@@@@@@@@
3@@@@1 3@@@@L @@@@@@@@@@e?*@@@@@@@?fW&@@@@@@@@@@@@H? V'@@@@@@@@@@@@@@@@@@@@@@@@@@@(Y? 7@H? @@@5 N@@@@@@@)X ?3@?V'@6KO2@@@(M ?N@)X? @@gN@@@@@@? ?N@@@@L?f?@@@@@@@@Hhe?N@@@@@@@@@@@? ?J@5 ?O2@@@@@@@@@@@@@@@@@@? ?W2@@@@@@@@@@@@@@@@@@@@@@@@@ V'@@@@@@@@@@@)X?heO2@@@@@@@@5?e@@@@@Lg/XfV'@@@@@@@@@@@@@@@@@?e?W&KfO&@@@@@@@@@@@@@@@6X? @@@@@@@1e7@@@@@@Hhf?@@@@@@@@?he@@@@@@@@@@)X ?@@@@@L? @@@@L? O2@@@@@@@@@@@@@@@@@@0M 3@@@@@@@@@@@@@ @@@@@@@@L?
N@@@@@ N@@@@1 @@@@@@@@@@e?V4@@@@@@?e?O&@@@@@@@@@@@@5 ?V'@@@@@@@@@@@@@@@@@@@@@@@@@0Y ?J@@ @@@H ?3@@@@@@@)X? ?N@L?N@@@@@@@0Y? 3@)X ?@@@@@@? @@@@1?f?3@@@@@@@?hf@@@@@@@@@@@? ?7@H @@@@@@@@@@@@@@@@@@@@@? ?*@@@@@@@@@@@@@@@@@@@@@@@@@@ ?V4@@@@@@@@@@@)XhW2@@@@@@@@@@H??J@@@@@@gV/f?N@@@@@@@@@@@@@@@@@@6X?*@@@??@@@@@@@@@@@@@@@@@@@1? ?J@@@@@@@@e3@@@@@@?hf?@@@@@@@@?hO&@@@@@@@@@@@1 ?@@@@@1? @@@@1? ?O2@@@@@@@@@@@@@@@@@0M N@@@@@@@@@@@@5 3@@@@@@@1?
?@@@@@L? ?@@@@@ @@@@@@@@@@L?f@@@@@??W2@@@@@@@@@@@@@(Y V'@@@@@@@@@@@@@@@@@@@@@@(M ?7@@ @@@? ?N@@@@@@@@)X @)K?@@@@@? V'@1 ?@@@@@@? @@@@@?f?N@@@@@@@?hf@@@@@@@@@@@? ?@@? @@@@@@@@@@@@@@@@@@@@@? ?V+MfI'@@@@@@@@@@@(M? ?I'@@@@@@@@@@)X?g7@@@@@@@@@@5e?@@@@@@H @@@@@@@@@@@@@@@@@@@)?V4@@?e?@@@@@@@@@@@@@@@@@@? ?7@@@@@@@@eN@@@@@@@@@@@@@@@@@@@@@@@@@@@@@@@@@@@@@@@@@@@@@@@@@@5 ?@@@@@@? @@@@@? ?O2@@@@@@@@@@@@@@@@@0M ?@@@@@@@@@@@(Y N@@@@@@@@L
?@@@@@1? ?@@@@@ 3@@@@@@@@@)Ke?J@@@@@?O&@@@@@@@@@@@@@0Y? ?V'@@@@@@@@@@@@@@@@@@@@0Y? ?@@5 ?J@@5? @@@@@@@@@)X? ?@@6X? @@@@@@@@@? ?V'@L? ?@@@@@@? @@@@@?g@@@@@@@?hf@@@@@@@@@@@? J@@? @@@@@@@@@@@@@@@@@@@@5? ?V'@@@@@@@@@(Y V'@@@@@@@@@@)KeO26X@@@@@@@@@@(Ye?N@@@@@? @@@@@@@@@@@@@@@@@@@Hh?@@@@@@@@@@@@@@@@@@? ?@@@@@@@@@e?@@@@@@@@@@@@@@@@@@@@@@@@@@@@@@@@@@@@@@@@@@@@@@@@@0Y ?@@@@@@? @@@@@? ?O2@@@@@@@@@@@@@@@@0M? ?@@@@@@@@@@(Y? ?@@@@@@@@1
?3@@@@@? ?3@@@@L? N@@@@@@@@@@@@6?&@@@@@@@@@@@@@@@@@@@(M? V4@@@@@@@@@@@@@@@@@(M? ?@@H ?7@@H? 3@@@@@@@@@)X ?3@@)K @@@@(?'@@? N@1? ?@@@@@@? @@@@5?g@@@@@@@?hf@@@@@@@@@@@? @@@? ?I4@@@@@@@@@@(Y? V'@@@@@@@0Y? ?V'@@@@@@@@@@@@@@@@@@@@@@@@@@(Y?f@@@@@L @@@@@@@@@@@@@@@@@@@?hJ@@@@@@@@@@@@@@@@@@L ?@@@@@@@@@e?@@@@@@@@@@@@@@@@@@@@@@@@@@@@@@@@@@@@@@@@@@@@@@@ ?3@@@@@? 3@@@@? ?@6Ke?O2@@@@@@@@@@@@@@@@0M? ?3@@@@@@@@(Y ?3@@@@@@@@ W2@@@@@@6K
?N@@@@@L ?N@@@@1? ?@@@@@@@@@@@@@@@@@@@@@@@@@@@@@@@@@(Y I4@@@@@@@@@@@@@@0Y ?@@? ?@@5 V'@@@@@@@@@)X? ?N@@@@6K ?O2@@@@@H?V'@L ?3@L ?@@@@@@? @@@@h@@@@@@@?hf@@@@@@@@@@@? N@5? ?@@@@@@@0Y ?V4@@@@0M? V'@@@@@@@@@@@@@@@@@@@@@@@@@Hg@@@@@1hf?J@@@@@@@@@@@@@@@@@@@@@6K?e?O&@@@@@@@@@@@@@@@@@@1 ?@@@@@@@@@L?J@@@@@@@@@@@@@@@@@@@@@@@@@@@@@@@@@@@@@@@@@@@@@@@ ?N@@@@@? N@@@@? J@@@@@@@@@@@@@@@@@@@0M ?N@@@@@@@@H? ?N@@@@@@@@L? 7@@@@@@@@@@6K?
@@@@@1 @@@@@? ?@@@@@@@@@@@@@@@@@@@@@@@@@@@@@@@@(Y? ?I'@@@@@@@@@0M J@5? J@@H ?V'@@@@@@@@@1? 3@@@@@6X ?O2@@@@@@@e?V'1 ?N@)X? ?@@@@@@? @@@@@?f?J@@@@@@@?hf@@@@@@@@@@@? ?(Y? ?3@@@@(M ?I40M? ?V'@@@@@@@@@@@@@@@@@@@@@@@@?f?J@@@@@@hfO&@@@@@@@@@@@@@@@@@@@@@@@6KO2@@@@@@@@@@@@@@@@@@@@@ J@@@@@@@@@)?&@@??@@@@@@@@@@@@@@@@@@@@@@@@@@@@@@@@@@@@@@@@@@@ @@@@@L ?@@@@? ?O&@@@@@@@@@@@@@@@@@0M @@@@@@@@L? @@@@@@@@1? @@@@@@@@@@@@@@6K
3@@@@@ 3@@@@L ?@@@@@@@@@@@@@@@@@@@@@@@@@@@@@@@(Y V4@@@@@0M? 7@H? 7@@? V'@@@@@@@@@? V'@@@@@)X?fW&K?e?O2@@@@@@0M??I'@L?eV' 3@)X ?@@@@@@? @@@@g?@@@@@@@@?hf@@@@@@@@@@@? ?N@@@@H? N@@@@@@@@@@@@@@@@@@@@@(Mg?7@@@@@@fO2@@@@@@@@@@@@@@@@@@@@@@@@@@@@@@@@@@@@@@@@@@@@@@@?I'@@@@@@ 7@@@@@@@@@@@@@5??@@@@@@@@@@@@@@@@@@@@@@@@@@@@@@@@@@@@@@@@@@@L? @@@@@1 ?3@@@L ?O2@@@@@@@@@@@@@@@@0M? 3@@@@@@@1? @@@@@@@@@? @@@@@@@@@@@@@@@@6K
N@@@@@L? N@@@@1 ?3@@@@@@@@@@@@@@@@@@@@@@@@@@@@@0Y? ?J@@ @@5? ?V'@@@@@@@@@6X ?N@@@@@@1?e?W&@@@@@@@@@@@@0M?fN@1? V'@)X? ?@@@@@@? @@@@1?f?N@@@@@@@?hf@@@@@@@@@@@? @@@@ J@@@@@@@@@@@@@@@@@@@@0Y?gJ@@@@@@@eO2@@@@@@@@@@@@@@@@@@@@@@@@@@@@@@@@@@@@@@@@@@@@@@@@@??N@@@@@@ @@@@@@@?@@@@@@eJ@@@@@@@@@@@@@0M @@@@@@?@@@@@@@1? @@@@@@ ?N@@@1 ?O2@@@@@@@@@@@@@@@@@0M N@@@@@@@@? 3@@@@@@@@? @@@@@@@@@@@@@@@@@@@6K?
?@@@@@1? ?@@@@@ ?V'@@@@@@@@@@@@@@@@@@@@@@@@@@0M? ?7@5 ?J@@H? V'@@@@@@@@@)X? 3@@@@@@?eO&@@@@@@@@@0M?h?@@L ?N@@1? ?3@@@@@? @@@@5?g@@@@@@@?hf@@@@@@@@@@@? ?I4@ 7@@@@@@@@@@@@@@@@@he?O&@@@@@@@@@@@@@@@@@@@@@@@@@@@@@@@@@@@@@@@@@@@@@@@@@@@@@@@@@@@@?e@@@@@@ @@@@@@@?3@@@@@)?&@@@@@0M @@@@@@@@@@@@@@@? 3@@@@@ @@@@ O2@@@@@@@@@@@@@@@@@@0M ?@@@@@@@@L N@@@@@@@@L @@@@@@@@@@@@@@@@@@@@@6K?
?@@@@@@? ?3@@@@L? V+?4@@@@@@@@@@@@@@@@@@@@@0M? J@@H ?7@@ ?V'@@@@@@@@@)K N@@@@@@@@@@@@@@@@@@0M?he?3@1 3@@L ?N@@@@@? @@@@H?g@@@@@@@?hf@@@@@?@@@@@L ?@ 3@@@@@@@@@@@@@@@@@?O2@@@@@@@@@@@@@@@@@@@@@@@@@@@@@@@@@@@@??@@@@@@@@@@@@@@@@@@@@@@@@@@@@@@@@?e@@@@@@L? @@@@@@@?N@@@@@@@@@@@@? 3@@@@@@@@@@@@@@? N@@@@@ @@@@ ?O2@@@@@@@@@@@@@@@@@@0M? ?3@@@@@@@1 ?3@@@@@@@1 @@@@@@@@@@@@@@@@@@@@@@@6K?
?3@@@@@L ?N@@@@1? I4@@@@@@@@@@@@@@@@(M 7@@? ?@@@ V'@@@@@@@@@@6Xhf?@@@@@@@@@@@@@@@0M ?N@@L? V'@1 ?J@@@@@? @@@@h@@@@@@@?he?J@@@@@@@@@@@1 N@@@@(?'@@@@@@@@@@@@@@@@@@@@@@@@@@@@@@@@@@@@@@@@@@@@@@@@5??@@@@@@@@@@@@@@@@@@@@@@@@@@@@@@@@?e@@@@@@1? @@@@@@@??@@@@@@@@@@@@? N@@@@@@@@@@@@@@? ?@@@@@L? 3@@@L? O2@@@@@@@@@@@@@@@@@@0M ?N@@@@@@@@ ?N@@@@@@@@L? @@@@@@@@@@@@@@@@@@@@@@@@@@6K
?N@@@@@1 3@@@@? I4@@@@@@@@@@@@@0Y? @@@? J@@5 ?V'@@@@@@@@@@)X?he?3@@@@@@@@@@@@@? 3@1? ?V4@ ?7@@@@@L @@@@h@@@@@@@?he?@@@@@@@@@@@@@ ?3@@@H?V'@@@@@@@@@@@@@@@@@@@@@@@@@@@@@@@@@@@@@@@@@@@@@@(Y??@@@@@@@@@@@@@@@@@@@@@@@@@@@@@@@5?e@@@@@@@L @@@@@@@??@@@@@(Y@@@@@? ?@@@@@@@@@@@@@@? ?@@@@@1? N@@@1?he?O2@@@@@@@@@@@@@@@@@@@@0M? @@@@@@@@L? @@@@@@@@1? @@@@@@@@@@@@@@@@@@@@@@@@@@@@6K
@@@@@@ N@@@@L ?I40?40M @@5? 7@@H V'@@@@@@@@@@1?he?V4@@@@X?@@?@@5? N@@L ?@@@@@@1 @@@@g?J@@@@@@@?he?N@@@@@@@@@@@5 ?N@@@LeV4@@@@@@@@@@@@@@@@@@@@@@@@@@@@@@@@@@@@@@@@@@@@@He?3@@@@@@@@@@@@@@@@@@@@@@@@@@@@@(Y?e@@@@@@@1 @@@@@@5??@@@@@H?@@@@@? ?3@@@@@@@@@@@@@? ?3@@@@@? ?@@@@?g?O2@@@@@@@@@@@@@@@@@@@@@0M 3@@@@@@@1? 3@@@@@@@@? @@@@@@@@@@@@@@@@@@@@@@@@@@@@@@6K
3@@@@@ ?@@@@1 ?J@@H? @@@? ?V4@@@@@@@@@@? I'@)T@@@@@H? ?3@1 ?@@@@@@@ @@@@g?@@@@@@@@?hf@@@@@@@@@@@H @@@)K?eI4@@@@@@@@@@@@@@@@@@@@@@@@@@@@@@@@@@@@@@@@@@@?e?N@@@@@@@@@@@@@@@@@@@@@@@@@@@@0Yf@@@@@@@@L? @@@@@@H??@@@@@e3@@@@?h?O2@@6K?h?N@@@@@@@@@@@@@L ?N@@@@@? ?@@@@?fO2@@@@@@@@@@@@@@@@@@@0M? ?W2@6X N@@@@@@@@? N@@@@@@@@L @@@@@@@?eI4@@@@@@@@@@@@@@@@@@@@@6K?
N@@@@@ ?@@@@@ ?7@@ @@5? @@@@@@@@@@6Khf?V4@@Y@@@@ ?N@@L? ?@@@@@@@ @@@@g?N@@@@@@@?hf@@@@@@@@@@@? @@@@@@f?@@@@@@@@@@@@@@@@@@@@@@@@@@@@@@@@@@@@@@@@@@?f@@@@@@@@@@@@@@@@@@@@@@@@@@@?g@@@@@@@@1? ?J@@@@@@e?@@@@5eN@@@@?g@@@@@@@@@@6Kg?J@@@@@@@@@@@@@1 @@@@@? J@@@@@@@@@@@@@@@@@@@@@@@@@@0M? ?7@@@1 ?@@@@@@@@? ?@@@@@@@@1 @@@@@@@?f?I4@@@@@@@@@@@@@@@@@@@@@6X
?@@@@@L? ?3@@@@L? ?@@@ ?J@@H? 3@@@@@@@@@@@6X @@@@@@ 3@1? ?@@@@@@@ @@@@g?J@@@@@@@?hf@@@@@@@@@@@? @@@@@5fJ@@@@@@@@@@@@@0?4@@@@@@@@@@@@@@@@@(MI'@@@@@?f@@@@@@@@@@@@@@@@@@@@@@@@@@5?g@@@@@@@@@? ?7@@@@@@e?@@@@He?@@@@?f?J@@@@@@@@@@@@6KfO&@@@@@@@@@@@@@@ @@@@@?heW2@? ?O&@@@@@@@@@@@@@@@@@@@@@@0M? ?@@@@@ ?3@@@@@@@L ?@@@@@@@@@ @@@@@@@?g?I4@@@@@@@@@@@@@@@@@@@@)K?
?3@@@@1? ?N@@@@1? J@@5 ?7@@ V4@@@@@@@@@@@)K?hf@@@@@5 N@@? ?@@@@@@@ @@@@g?7@@@@@@@?hf@@@@@@@@@@@? @@@@0Yf7@@@@@@@@@@@(Mg@@@@@@@@@@@@@@H??V'@@@@Lf@@@@@@@@V4@@@@@@@@@@@@@@@(Y?g@@@@@@@@@? ?@@@@@@5e?@@@@?e?3@@@?f?7@@@@@@@@@@@@@@@@@@@@@@@@@@@@@@@@@@ @@@@@Lh?W&@@L ?O2@@@@@@@@@@@@@@@@@@@@0M? ?@@@@@ ?N@@@@@@@1 ?3@@@@@@@@L? @@@@@@@?h?I4@@@@@@@@@@@@@@@@@@@@@6K
?N@@@@@? @@@@@? 7@@H ?@@5 I'@@@@@@@@@@@@6Khe?I4@0Y ?@@? ?@@@@@@@ @@@@g?@@@@@@@@?hf@@@@@@@@@@@? @@@?f?J@@@XfI'@@H?g@@@@@@@@@@@@@@L?eN@@@@1g?@@@@@f?@@@@@@@@@@?@Yh@@@@@@@@@L ?@@@@@@He?@@@@?e?N@@@Lf?@@@@@@@@@@@@@@@@@@@@@@@@@@@@@@@@@@@ @@@@@1h?7@@@1 O2@@@@@@@@@@@@@@@@@@@@@0M? ?@@@@@L? @@@@@@@@L? ?N@@@@@@@@1? @@@@@@@?hfI4@@@@@@@@@@@@@@@@@@@@@6X?
@@@@@L @@@@@L ?J@@@? ?@@H ?V'@@@@@@@@@@@@@@6K? ?3@@@@@@ @@@@g?@@@@@@@@?hf@@@@@@@@@@@? ?@ @@@?f?7@@@1f?V4@h@@@@@@?@@@@@@@1?e?@@@@@L?f?@@@@@?O2@@@@@@@@@@@@@@@6KO2@@@@@@@@@@@@@1 ?@@@@@@?e?@@@@?f3@@)X?eJ@@@@@@@@@@@@@@@@@@@@@@@@@@@@@@@@@@@ 3@@@@@h?@@@@@ O2@@@@@@@@@@@@@@@@@@0M ?@@@@@1? 3@@@@@@@1? @@@@@@@@@? ?J@@@@@@@? I4@@@@@@@@@@@@@@@@@@@@1?
@@@@@1 3@@@@1 ?'@@5? J@@? V4@@@@@@@@@@@@@@@@6K ?N@@@@@@ @@@@g?@@@@@@@@Lhf@@@@@@@@@@@? ?@ @@@?f?@@@@@L? @@@@@@?3@@@@@@@?e?3@@@@1?f?@@@@@@@@@@@@@@@@@@@@@@@@@@@@@@@@@@@@@@@@@ ?@@@@@@?e?@@@@LfN@@@)Xe7@@@@@@@@@@@@@@@@@@@@@@@@@@@@@@@@@@@L? N@@@@@h?@@@@@ ?O2@@@@@@@@@@@@@@@@@@@(M ?@@@@@@? N@@@@@@@@? 3@@@@@@@@? ?@@@@@@@@? ?I4@@@@@@@@@@@@@@@@@@?
3@@@@@ N@@@@@ ?V40Y? 7@5? I4@@@@@@@@@@@@@@@@6K @@@@@@ @@@@g?@@@@@@@@1hf@@@@@@@@@@@? J@ @@@?f?@@@@@1? @@@@@@?N@@@@@@@Le?N@@@@5?f?@@@@@@@@@@@@@@@@@@@@@@@@@@@@@@@@@@@@@@@@5 ?@@@@@@?e?@@@@1f?@@@@1?J@@@@@@@@@@@@@@@@@@@@@@@@@@@@@@@@@@@@1? ?@@@@@h?3@@@@ O2@@@@@@@@@@@@@@@@@@@@@@@@ J@@@@@@? ?@@@@@@@@? N@@@@@@@@L ?N@@@@@@@? ?I4@@@@@@@@@@@@@@@@?
N@@@@@L? ?@@@@@ @@H? I4@@@@@@@@@@@@@@@@@@6Khf?O26K? ?J@@@@@@ @@@@g?@@@@@@@@@hf@@@@@@@@@@@? 7@ @@@?fJ@@@@@@? @@@@@@e3@@@@@@1f3@@@H?fJ@@@@@@@@@@@@@@@@@@@@@@@@@@@@@@@@@@@@@@@@H ?@@@@@5?e?@@@@@f?@@@@@W&@@@@@@@@@@@@@@@@@@@@@@@@@@@@@@@@@@@@@? ?@@@@@L?g?N@@@@he?O2@@@@@@@@@@@@@@@@@0Mf?@@@1? 7@@@@@@? ?@@@@@@@@L ?3@@@@@@@1 @@@@@@@? I'@@@@@@@@@@@@@?
?@@@@@1? ?@@@@@L? ?J@@ I4@@@@@@@@@@@@@@@@@@@@@@@@@@@@@@@@@@@@@6K?gO26KO@K? O&@@@@@@ @@@@L?f?@@@@@@@@@hf@@@@@@@@@@@? @@L? @@@Lf7@@@@@@L @@@@@@L?N@@@@@@@fN@@@L?e?W&@@@@@@@@@@@@@@@@@@@@@@@@@@@@@@@@@@@@@@@@? ?@@@@@H?eJ@@@@@f?@@@@@@@@@@@@@@@@@@@@@@@@@@@@@@@@@@@@@@@@@@@@? ?@@@@@1?h3@@@L?f?O2@@@@@@@@@@@@@@@@0M?h?@@@@? @@@@@@@? ?3@@@@@@@1 ?N@@@@@@@@ @@@@@@5? ?V4@@@@@@@@@@@@?
?3@@@@@? ?3@@@@1? ?7@5 I4@@@@@@@@@@@@@@@@@@@@@@@@@@@@@@@@@@@@@@@@@@@@@@@@@@@@@@@@@@@@@@@@@@@@@@@@@@@@@@@@@@@@@@@@@@@@@@@@@@@@@@ @@@@1?f?@@@@@@@@@hf@@@@@@@@@@@? ?J@@1? @@@1e?J@@@@@@@1 @@@@@@1??@@@@@@@L?e?@@@1?e?7@@@@@@@@@@@@@@@@@@@@@@@@@@@@@@0Me@@@@@@@L J@@@@@f7@@@@@f?@@@@@@@@@@@@@@@@@@@@@@@@@@@@@@@@0M?e@@@@@@@L ?@@@@@@?hN@@@)KO2@@@@@@@@@@@@@@@@@0M?hf?3@@@? ?J@@e@@@? ?N@@@@@@@@ @@@@@@@@ @@@@@@H? I4@@@@@@@@@?
?N@@@@@L ?N@@@@@? J@@H I4@@@@@@@@@@@@@@@@@@@@@@@@@@@@@@@@@@@@@@@@@@@@@@@@@@@@@@@@@@@@@@@@@@@@@@@@@@@@@@@@@@@@@@@@@@@@@@@@@@@@ @@@@@?f?@@@@@@@@5hf@@@@@@@@@@@? ?7@@5? ?J@@@@e?7@@@@@@@@ @@@@@@@??3@@@@@@1?e?@@@@Le?@@@@@@@@@@@@@@@@@@@@@@@@@@@@0M?f@@@@@@@@ 7@@@@@f@@@@@@L?e?@@@@@@@@@@@eI'@@@@@@@@@@(Mhe@@@@@@@1hfW-X?g?3@@@@@?h?@@@@@@@@@@@@@@@@@@@@0M? ?N@@@? ?7@@e@@@L @@@@@@@@L? @@@@@@@@L? @@@@@@ I4@@@@@@@?
@@@@@1 3@@@@L 7@@? ?I4@@@@@@@@@@@@@@@@@@@@@@@@@@@@@@@@@@@@@@@@@@@@@@@@@@@@@@@@@@@@@@@@@@@@@@@@@@@@@@@@@@@@@@@@@@@@@@@@@ @@@@@?f?@@@@@@@(Yhf@@@@@@@@@@@? ?@@@H? ?7@@@@e?@@@@@@@@@heW2@@@@@@@@@L?N@@@@@@@?e?3@@@1e?@@@@@@@ @@@@@@@H @@@@@@f@@@@@@1?e?@@@@@@@@@@@e?V4@@@@@@@@@H?he3@@@@@@@hf7@1?g?N@@@@@?f?O2@@@@@@@@@@@@@@@@@@0M? @@@L ?@@5e@@@1 3@@@@@@@1? 3@@@@@@@1? ?J@@@@@@L? I4@@@@@?
@@@@@@ N@@@@1 @@@? ?I4@@@@@@@@@@@@@@@@@@@@@@@@@@@@@@@@@@@@@@@@@@@@@@@@@@@@@@@@@@@@@@@@@@@@@@@@@@@@@@@@@@@@@@@@@@@@@@@L? @@@@@?f?@@@@@@(Y?hf@@@@@?@@@@@? ?@@@ ?@@@@@e?@@@@@@@@@h?W&@@@@@@@@@@)X?@@@@@@@?e?N@@@@L?J@@@@@@@ @@@@@@@? @@@@@@f@@@@@@@?e?3@@@@@@@@@@f?I4@@@@@@@hfN@@@@@@@hf@@@?h@@@@@?eO2@@@@@@@@@@@@@@@@@0M? @@@1 ?@@He3@@@ N@@@@@@@@? V'@@@@@@@L ?@@@@@@@1? I4@@@?
3@@@@@ ?@@@@@ @@@? ?I4@@@@@@@@@@@@@@@@@@@@@@@@@@@@@@@@@@@@@@@@@@@@@@@@@@@@@@@@@@@@@@@@@@@@@@@@@@@@@@@@@@@@@@@@@@@1? @@@@@?f?@@@@@@H @@@@5?@@@@@? ?@@@ ?@@@@@e?@@@@@@@@@L?g?7@@@@@@@@@@@@)T@@@@@@@Lf@@@@1?7@@@@@@@ @@@@@@@? @@@@@@f@@@@@@@?e?N@@@@@@@@@@ ?@@@@@@@hf@@@Lh@@@@@@@@@@@@@@@@@@@@@@@@0M @@@@ J@@?eN@@@L? ?@@@@@@@@? ?N@@@@@@@1 ?N@@@@@@@?
N@@@@@L? ?@@@@@ ?J@@5? I'@@@@@@@@@@@@@@@@@@@@@@@@@@@@@@@@@@@@@@@@@@@@@@@@@@@@@@@@@@@@@@@@@@@@@@@@@@@@@@@@@@@@@@@@@? @@@@@?f?@@@@@5? @@@@H?@@@@@? ?@@@ ?@@@@@e?@@@@@@@@@1?gJ@@@@@@@@@@@@@@@Y@@@@@@1f3@@@@?@@@@@@@@ @@@@@@@? @@@@@@e?J@@@@@@@?f@@@@@@@@@@ ?@@@@@@@hf@@@1h@@@@@@@@@@@@@@@@@@@(M? @@@@L? 7@5?e?@@@1? ?3@@@@@@@L @@@@@@@@ @@@@@@5?
?@@@@@1? ?3@@@@L? ?7@@H? ?V4@@@@@@@@@@@@@@@@@@@@@@@@@@@@@@@@@@@@@@@@@@@@@@@@@@@@@@@@@@@@@@@@@@@@@@@@@@@@@@@@@@@@@@@5? @@@@@?f?@@@@@H?hf?J@@@@?J@@@@@? ?@@@L? ?@@@@@e?@@@@@@@@@@Lg7@@@@@@@@@@@@@@@?@@@@@@@L?eN@@@@@@@@@@@@@ @@@@@@@? @@@@@5e?7@@@??@@Lf3@@@@@@@@5 ?@@@@@@@L?he@@@@e?O2@@@@@@@@@@@@@@@@@0?'@@? 3@@@1? ?J@@Y?e?@@@@? ?N@@@@@@@1 @@@@@@@@L? @@@@@@H?
?3@@@@@? ?N@@@@1? ?@@@ ?I4@@@@@@@@@@@@@@@@@@@@@@@@@@@@@@@@@@@@@@@@@@@@@@@@@@@@@0MI4@@@@@@@@@@@@@@@@@@@@@@@@@@@0Y? @@@@@?fJ@@@@@ ?7@@@@W&@@@@@?hO@K?e?@@@)K ?O26K?f?@@@@@e?@@@@@@@@@@1f?J@@@@@@@@@@@@@@@@?3@@@@@@1?e?3@@@@@@@@@@@@ 3@@@@@@? ?J@@@@@He?@@@@??@@1fN@@@@@@@@H ?@@@@@@@1?h?J@@@@@@@@@@@@@@@@@@@@@0M?fN@@1 N@@@@? O&@@@@6K?@@@@? 3@@@@@@@L? O@K?f@@@@@@@@1? @@@@@@
?N@@@@@L @@@@@L J@@5 I4@0M? @@@@@?f7@@@@@ ?@@@@@@@@@@@@@@@@@@@@@@@@@@@@@@@@@@@@@@@@@@@@@@@@@@@@@@@@@@@@@@@@@@@@@@@@@@@@@@@@@@@@@@@@@@@@@@@@@@@@@@@@@@@@@@@@@@@@@@@@@@@@@@@@@@@@@@@@@@@@@@6?2@@@@@@@@@@@@@@@@@@@@@@@6?26?2@@6K?heO@K? O26?2@@6K??O2@6KO2@6K?gO@KO2@6?2@@@@@@@@@@@@@@@@@@@@@@@@@@@@@@@@@@@@@@@e?@@@@@@@@@@@f?@@@@@@@@@@@@@@@@@?N@@@@@@@?e?N@@@@@@@@@@@5 ?@@@@@@L ?7@@@@5?e?@@@@??@@@f?@@@@@@@@?eO2@6X? ?3@@@@@@@?hO&@@@@@@@@@@@@@@@@@@@?h?@@@ ?3@@@? O2@@@@@@@@@@@@@@@@6K N@@@@@@@)K W2@@@@@@@@@@@@@@@@@@@@@? 3@@@@5
@@@@@1 3@@@@1 7@@H @@@@@?f@@@@@@ ?@@@@@@@@@@@@@@@@@@@@@@@@@@@@@@@@@@@@@@@@@@@@@@@@@@@@@@@@@@@@@@@@@@@@@@@@@@@@@@@@@@@@@@@@@@@@@@@@@@@@@@@@@@@@@@@@@@@@@@@@@@@@@@@@@@@@@@@@@@@@@@@@@@@@@@@@@@@@@@@@@@@@@@@@@@@@@@@@@@@@@@@@@@@@@@@@@@@@@@@@@@@@@@@@@@@@@@@@@@@@@@@@@@@@@@@@@@@@@@@@@@@@@@@@@@@@@@@@@@@@@@@@@@@@@@@@@@@@@@@@@@@e?@@@@@@@@@@@f?N@@@@@@@@@@@@@@@5e3@@@@@@?f@@@@@@@@@@@H 7@@@@@@)?2@6X? ?@@@@@H?e?@@@@??3@@f?@@@@@@@@?W2@@@@)K @@@@@@@?f?O2@@@@@@@@@@@@@@@@@@@@@@?h?3@@ ?N@@@L O2@@@@@@@@@@@@@@@@@@@@6K ?@@@@@@@@@6Khf?W&@@@@@@@@@@@@@@@@@@@@@@L V4@@0Y
@@@@@@ N@@@@@ @@@? @@@@@?f@@@@@@ ?@@@@@@@@@@@@@@@@@@@@@@@@@@@@@@@@@@@@@@@@@@@@@@@@@@@@@@@@@@@@@@@@@@@@@@@@@@@@@@@@@@@@@@@@@@@@@@@@@@@@@@@@@@@@@@@@@@@@@@@@@@@@@@@@@@@@@@@@@@@@@@@@@@@@@@@@@@@@@@@@@@@@@@@@@@@@@@@@@@@@@@@@@@@@@@@@@@@@@@@@@@@@@@@@@@@@@@@@@@@@@@@@@@@@@@@@@@@@@@@@@@@@@@@@@@@@@@@@@@@@@@@@@@@@@@@@@@@@@@@@@@5e?@@@@@@@@@@@g3@@@@@@@@@@@@@@HeN@@@@@@Lf@@@@@@@@@@@? 3@@@@@@@@@@@)X ?@@@@@f?@@@@??N@@f?3@@@@@@@W&@@@@@@@@? O&@@@@@@@@6?2@@@@@@@@@@@@@@@@0M?I'@@@@@?h?N@@L? @@@1 ?@@@@@@@@@@@@@@@@@@@@@@@@@@@6X ?3@@@@@@@@@@6XheW&@@@@@@@@@@@@@@@@@@@@@@@1
3@@@@@L? ?@@@@@ ?J@@5? @@@@@?e?J@@@@@@ ?@@@@@@@@@@@@@@@@@@@@@@@@@@@@@@@@@@@@@@@@@@@@@@@@@@@@@@@@@@@@@@@@@@@@@@@@@@@@@@@@@@@@@@@@@@@@@@@@@@@@@@@@@@@@@@@@@@@@@@@@@@@@@@@@@@@@@@@@@@@@@@@@@@@@@@@@@@@@@@@@@@@@@@@@@@@@@@@@@@@@@@@@@@@@@@@@@@@@@@@@@@@@@@@@@@@@@@@@@@@@@@@@@@@@@@@@@@@@@@@@@@@@@@@@@@@@@@@@@@@@@@@@@@@@@@@@@@@@@@@@@@He?@@@@@V'@@@@L?fV'@@@@@@@@@@@@5?e?@@@@@@1f3@@@@@@@@@@? N@@@@@@@@@@@@1 ?@@@@@f?@@@5??J@@L?e?N@@@@@@@@@@@@@@@@@L W2@@@@@@@@@@@@@@@@@@@@@@@@0Mg?N@@@@@?he@@1? @@@@ J@@@@@@@@@@@@@@@@@@@@@@@@@@@@)K? ?N@@@@@@@@@@@1he7@@@@@@@@@@@@@@@@@@@@@@@@@h?O26K?gO@KO2@@@@@@@@@6K
N@@@@@1? ?3@@@@L? ?7@@H? @@@@@?e?7@@@@@@ ?@@@@@@@@@@@@@@@@@@@@@@@@@@@@@@@@@@@@@@@@@@@@@@@@@@@@@@@@@@@@@@@@@@@@@@@@@@@@@@@@@@@@@@@@@@@@@@@@@@@@@@@@@@@@@@@@@@@@@@@@@@@@@@@@@@@@@@@@@@@@@@@@@@@@@@@@@@@@@@@@@@@@@@@@@@@@@@@@@@@@@@@@@@@@@@@@@@@@@@@@@@@@@@@@@@@@@@@@@@@@@@@@@@@@@@@@@@@@@@@@@@@@@@@@@@@@@@@@@@@@@@@@@@@@@@@@@@@@@@@@@@?e?@@@@@?N@@@@1?f?V4@@@@@@@@@@(Y?e?3@@@@@@L?eN@@@@@@@@@@? ?@@@@@@@@@@@@@W26X ?@@@@@fJ@@@H??@@@1?f3@@@@@@@@@@@@@@@@)K?e?O2@@@6K?O&@@@@@@@@@@@@@@@@@@@@@0Mhf@@@@@?he@@@? 3@@@ 7@@@@@@@@@@@@@@@@@@@@@@@@@@@@@@6X? @@@@@@@@@@@@L?h@@@@@@@@@@@@@@@@@@@@@@@@@@@@@@@@@@@@@@@@@@@@@@@@@@@@@@@@@@@@@@@@@@@@@@@@@@@@@@@@@@@@@@@@@@@@@@@@@@@@@@@@@@@@@@@@@@@@@@@@@@@@@@@@@@@@@6K?O@KO26K?
?@@@@@@? ?N@@@@1? ?@@@ ?'@@ 3@@@@?e?@@@@@@5 ?@@@@@@@@@@@@@@0M?I4@@@@@@@@@@@@@@@@@@@@@@@@@@@@@@@@@@@@@@@@@@@@@@@@@@@@@@@@@@@@@@@@@@@@@@@@@@@@@@@@@@@@@@@@@@@@@@@@@@@@@@@@@@@@@@@@@@@@@@@@@@@@@@@@@@@@@@@@@@@@@@@@@@@@@@@@@@@@@@@@@@@@@@@@@@@@@@@@@@@@@@@@@@@@@@@@@@@@@@@@@@@@@@@@@@@@@@@@@@@@@@@@@@@@@@@@@@@@@@@@@@@@@@@@@@@@@@@@@@@@@@@?e?@@@@@e@@@@@?g?I4@@@@@@@(Yf?N@@@@@@1?e?@@@@@@@@@@? J@@@@@@@@@@@@@@@@)X? J@@@@@f7@@@e?N@@@?fN@@@@@@@@@@@@@@@@@@@@@@@@@@@@@@@@@@@@@@@@@@@@@@@@@0M @@@@@?he3@@? N@@@L? @@@@@@@@@@@@@@@@@@@@@@@@@@@@@@@@)X 3@@@@@@@@@@@)Xh@@@@@@@@@@@@@@@@@@@@@@@@@@@@@@@@@@@@@@@@@@@@@@@@@@@@@@@@@@@@@@@@@@@@@@@@@@@@@@@@@@@@@@@@@@@@@@@@@@@@@@@@@@@@@@@@@@@@@@@@@@@@@@@@@@@@@@@@@@@@@@@@@@@@@@@@@@@@@@@@@@@@@@@@@@@@@@@@@@@@@@@@@6K?O@?2@@6?@KhfO@?@K?eO26K
?3@@@@@? @@@@@? ?@@5 @@?V4@ ?@@@@?e?@@@@@@H ?3@@@@@@@@@(M?g?I40?4@@@@@@@@0MI4@@@@@@@@@@@@@@@@@@@@@@@@@@@@@@@@@@@@@@@@@@0MI4@@@@@@@@@@@@@@@@@@@@@@@@@@@@@@@@@@@@@@@@@@@@@@@@@@@@@@@@@@@@@@@@@@@@@@@@@@@@@@@@@@@@@@@@@@@@@@@@@@@@@@@@@@@@@@@@@@@@@@@@@@@@@@@@@@@@@@@@@@@@@@@@@@@@@@@@@@@@@@@@@@@@@@@@@@@@@@@@@@@@@@@@@@@@@@@@@@@@@@@?e?@@@@@e3@@@@Lhf?I40Y?g@@@@@@@?e?3@@@@@@@@@? @@@@@@@@@@@@@@@@@@1? 7@@@@@f@@@@f@@@?f?@@@@@@@@@@@@@@@@@@@@@@@@@@@@@@@@@@@@@@@@@@@(M @@@@@LheN@@L ?@@@1? ?J@@@@@@@@@@@@@@@@@@@@@@@@@@@@@@@@@)X? N@@@@@@@@@@@@1h@@@@@@@@@@@@@@@@@@@@@@@@@@@@@@@@@@@@@@@@@@@@@@@@@@@@@@@@@@@@@@@@@@@@@@@@@@@@@@@@@@@@@@@@@@@@@@@@@@@@@@@@@@@@@@@@@@@@@@@@@@@@@@@@@@@@@@@@@@@@@@@@@@@@@@@@@@@@@@@@@@@@@@@@@@@@@@@@@@@@@@@@@@@@@@@@@@@@@@@@@@@@@@@@@@@@@@@@@@@@@@@@@@@@@@@@@@@@@@@@@6K?
?N@@@@@? 3@@@@L ?@@H @5 7@@@@?e?@@@@@@? ?N@@@@@@@@(Y ?@@@ ?I@MI4@0M?eI@M?fI4@@@@0?4@@@@@@@@@@@@@@@@@@@@@@@@@@@@@@@@@@@@@@@@@@@@@@@@@@@@@@@@@@@@@@@@@@@@@@@@@@@@@@@@@@@@@@@@@@@@@@@@(M?@@@@@?e?@@@@@eN@@@@1 @@@@@@@?e?N@@@@@@@@@? V@@@@@@@@@@@@@@@@@@? @@@@@@f@@@5f@@@?f?@@@@@@@@@@@@@@@@@@@@@@@@@@@@@@@@@@@@@@@@@@@H? 3@@@@1he?@@1 ?@@@@? O&@@@@@@@@@@@0M?f?I'@@@@@@@@@@@@@1? ?@@@@@@@@@@@@@L?g3@@@@@@@@@@@@@@@@@@@@@@@@@@@@@@@@@@@@@@@@@@@@@@@@@@@@@@@@@@@@@@@@@@@@@@@@@@@@@@@@@@@@@@@@@@@@@@@@@@@@@@@@@@@@@@@@@@@@@@@@@@@@@@@@@@@@@@@@@@@@@@@@@@@@@@@@@@@@@@@@@@@@@@@@@@@@@@@@@@@@@@@@@@@@@@@@@@@@@@@@@@@@@@@@@@@@@@@@@@@@@@@@@@@@@@@@@@@@@@@@@@@@@@@@@@@6?2@6KhO2@@@6KO2@@@@6K?hf?O@K?O@?2@@@6K
@@@@@L N@@@@1 J@@? (Y @@@@@?eJ@@@@@@? @@@@@@@@H? ?@@@ ?I40M?I4@@@0MI@MI4@@@@@@@@@@@@@@@@@@@@@@@@0Ye@@@@5?eJ@@@@@e?3@@@@ @@@@@@@Lf@@@@@@@@@? W2@@@@@@@@@@@@@@@@@@@@@L @@@@@@f@@@Hf3@@Lf?@@@@@@@@@@@@@@@@@@@@@@@@@@@@@@@@@@@@@@@@@@@ N@@@@@he?@@@ ?3@@@? W2@@@@@@@@@0M?heN@@@@@@@@@@@@@@? ?@@@@@@@@@@@@@)XgV'@@@@@@@@@@@@@@@@@@@@@@@@@@@(MI4@@@@0M??I4@@0?@?4@@@@@@@@@@@@@@@0?40MI4@@@@@@@@@@@@@@@@@@@@@@@@@@@@@@@@@@@@@@@@@@@@@@@@@@@@@@@@@@@@@@@@@@@@@@@@@@@@@@@@@@@@@@@@@@@@@@@@@@@@@@@@@@@@@@@@@@@@@@@@@@@@@@@@@@@@@@@@@@@@@@@@@@@@@@@@@@@@@@@@@@@@@@@@@@@@@@@@@@@@@@@@@@@@@@@@@@@@@@@@@@@@@@@@@@@@@@@@@@@@@@@@@@@@@@@@@@@@@6X?
@@@@@1 ?@@@@@ 7@@? @@@@@?e7@@@@@@? ?J@@@@@@@@ ?@@@ ?J@@@@H?e@@@@@@e?N@@@@ 3@@@@@@1f@@@@@@@@@? W26?&@@@@@@@@@@@@@@@@@@@@@@1 @@@@@5f@@@?fN@@1f?@@@@@@@@@@@@@@@@@@@@@@@@@@@@@@@@@@0?'@@@@@@L? ?@@@@@he?@@@ ?N@@@L ?W&@@@@@@@@0M?hf?3@@@@@@@@@@@@@L ?3@@@@@@@@@@@@@)X?f?N@@@@@@@@@@@@@@@@e@@@@@@@@@H ?I@MI4@@@0M?I4@@@@@@@@@@@@@@@@0?4@@@@@@@@@@@@@@@@@@@@@@@@@@@@@@@@@@@@@@@@@@@@@@@@@@@@@@@@@@@@@@@@@@@@@@@@@@@@@@@@@@@@@@@@@@@@@@@@@@@@@@@@@@@@@@@@@@@@@@@@@@@@@@@@@@@@@@@@@@@@@@@@@@@@@@@@@@@@@@@@@1?
3@@@@@ ?3@@@@L? @@5? 3@@@@?e@@@@@@@? ?7@@@@@@@@ ?@@@ ?7@@@@fN@@@@@f@@@@L? N@@@@@@@L?e@@@@@@@@@L ?O&@@@@@@@@@@@@@@@@@@@@@@@@@@@ @@@@@He?J@@@?f?@@@f?3@@@@@@@@@@@@@@@@@@@@@@@@@@@@@0M?e?N@@@@@@1? ?@@@@@L?h?@@@ @@@1 ?7@@@@@@@0M? ?N@@@@@@@@@@@@@1 ?N@@@@@@@@@@@@@@1?g3@@@@@@@@@@@@@@5e@@@@@@@@@? ?I40?4@@@@@@@@@@@@@@@@@@@@@@@@@@@@@@@@@@@@@@@@@@@@@@@@@@@@@@@@@@@@@@@@@@@@@@@@@@@@@@@@@@@@@@@@@@@@@@@@@@@@@@@@@@@@@@@@@@@@@@@@@@@@@? W2@6K?
N@@@@@L? ?N@@@@1? W2@? ?J@@H? N@@@@?e@@@@@@@? ?@@@@@@@@@ ?@@@ J@@@@@f?@@@@@f@@@@1? ?@@@@@@@1?e@@@@@@@@@)KO2@@@@6KO2@@@@@@@@@@@@@@@@@@@@@V'@@@@@@@@@@@@@@ @@@@@?e?7@@@?f?@@@f?N@@@@@@@@@@@@@@@@@@@@@@0Mhf@@@@@@@? ?@@@@@1?h?3@@L? @@@@ J@@@@@@@ @@@@(?4@@@@@@@L? @@@@@@@@@@@@@@@?gV4@@@@@@@@@@@@(Ye@@@@@@@@@? ?I@Mf?I4@@@@@@@@@@@@@@@@@@@@@@@@@@@@@@@@@@@@@@@@@@@@@@@@@@@@@@@@@@@@@@@@@@@@@@@@@@@@@@@@@@? ?O2@@@6K 7@@@@6X?
?@@@@@1? @@@@@? 7@@? ?7@@ ?@@@@?e@@@@@@5? ?@@@@@@@@@ ?@@5 7@@@@@f?@@@@@f3@@@@? ?@@@@@@@@?e@@@@@@@@@@@@@@@@@@@@@@@@@@@@@@@@@@@@@@@@@@?N@@@@@@@@@@@@@@ @@@@@?e?@@@@?f?3@@L?f@@@@@@@@@@@@@@@@@@@0M? @@@@@@@? ?@@@@@@?h?N@@1? 3@@@ 7@@@@@@@ 3@@@H??I'@@@@@)X 3@@@@@@@@@@@@@@?hI4@@@@@@@@@(Y?e3@@@@@@@@? I40MfI4@@@@@@@@@@@@@@@@@? ?O2@@@@@@@@@@6K? @@@@@@1?
?3@@@@@? 3@@@@L @@@? ?@@@ ?@@@@?e@@@@@@H? J@@@@@@@@5 ?@@H @@@@@5f?@@@@@fN@@@@L ?3@@@@@@@?e@@@@@@@@@@@@@@@@@@@@@@@@@@@@@@@@@@@@@@@@@5e@@@@@@@@@@@@@@ ?J@@@@@?e?@@@@?g@@)KO2@@@@@@@@@@@@@@@@@0M? @@@@@@@? ?3@@@@@?he@@@? N@@@ ?J@@@@@@@@ N@@@L?eV'@@@@@)X? N@@@@@@@@@@@@@@?heI4@@@@@@0YfN@@@@@@@@L ?I4@@@0M ?W2@@@@@@@@@@@@@@6K? @@@@@@@?
?N@@@@@L N@@@@1 ?J@@@? J@@5 ?@@@@?e@@@@@@ 7@@@@@@@@H J@@? @@@@@Hf?@@@@@f?@@@@1 ?N@@@@@@@@@@@@@@@@@@@@@@@@@@@@@@@@@@@@@@@@@@@@@@@@@@0Ye@@@@@@@@@@@@@@ ?7@@@@5?e?@@@5?fO&@@@@@@@@@@@@@@@@@0M? @@@@@@@L ?N@@@@@?he@@@? ?@@@L? ?7@@@@@@@@@@@@@@@6K?he?@@@1?e?V'@@@@@1? ?@@@@@@@@@@@@@@? ?I@Mg?3@@@@@@@1 W&@@@@@@@@@@@@@@@@@6X? @@@@@@@?
@@@@@1 ?@@@@@L? ?7@@5? 7@@H ?@@@@Le@@@@@@ ?J@@@@@@@@@? 7@@L @@@@@?f?@@@@@f?@@@@@L? 3@@@@@@@@@@@@@@@@@@@@@@@@@@@@@@@@@@@@@@@@@@@@@@@(Mf@@@@@@@@@@@@@@L? ?@@@@@H?e?@@@Y?eO2@@@@@@@@@@@@@@@0M? ?J@@@@@@@1 3@@@@?he3@@L ?3@@1? ?3@@@@@@@@@@@@@@@@@6X?h?@@@@?fV'@@@@@L ?3@@@@@@@@@@@@@? ?N@@@@@@@@ ?W&@@@@@@@@@@@@@@@@@@@1? @@@@@@@?
3@@@@@ ?3@@@@1? ?@@@H? @@@? ?@@@@1?J@@@@@@ W&@@@@@@@@@@@@6Khf@@@)K? ?O2@@@@@@?f?@@@@@f?3@@@@1? N@@@@@@@@@@@@@@@@@@@@@@@@@@@@@@@@@@@@@@@@@@@@@@0Y?f3@@@@?eI'@@@@1? ?@@@@@fJ@@@@@@@@@@@@@@@@@@@@0M? O&@@@@@@@@ N@@@@LheN@@1 ?N@@@? ?N@@@@@@@@@@@@@@@@@@)Xh?@@@@?f?N@@@@@1 ?N@@@@@@@@@@@@@? @@@@@@@@L? ?7@@@@@@@@@@@@@@@@@@@@@? @@@@@@@?
N@@@@@L? ?N@@@@@? ?@@5 ?J@@5? W2@6K?h?@@@@5?7@@@@@@ 7@@@@@@@@@@@@@@@@@@@@@@@@@@@@@@@@@@@@@@@@@@@@@@@@@@@@@@@@@@@6?2@@@@@@@@@@@@@@@@@@@@@@@@@@@@@@@@@6Ke?O26K?heO26KfO@K?gO@K?eO2@@6Kg?O@Khe?O@KO26K O2@@@@@@@@@@@?f?@@@@@f?N@@@@@? ?3@@@@@@@@@@@@@@@@@@@@@@@@@@@@@@@@@@@@@@@@@@@0M?gN@@@@Le?V'@@@@? ?@@@@@e?O&@@@@@@@@@@@@@@@@@0M O2@@@@@@@@@@ ?@@@@1he?@@@ @@@L 3@@@@@@@@@@@@@@@@@@)X?g?3@@@Lg3@@@@@ @@@@@@@@@@@@@? 3@@@@@@@1? J@@@@@@@@@@@@@@@@@@@@@@@@?hf@@@@@@@?
?@@@@@1? @@@@@? J@@H ?7@@H? 7@@@@@h?@@@@??@@@@@@5 @@@@@@@@@@@@@@@@@@@@@@@@@@@@@@@@@@@@@@@@@@@@@@@@@@@@@@@@@@@@@@@@@@@@@@@@@@@@@@@@@@@@@@@@@@@@@@@@@@@@@@@@@@@@@@@@@@@@@@@@@@@@@@@@@@@@@@@@@@@@@@@@@@@@@@@@@@@@@@@@@@@@@@@@@@@@@@@@@@@@@@@@@@@@@@@@@@@@@@@@@@@@@@@@@@@@@@@@@@@@@@@@@@@@@@@@@@@@@@@@@@@@@@@@@@@@@@@@@@@@@@@@@@@@@@@@@@@@@@@@@@@?f?@@@@@g@@@@@L ?V'@@@@@@@@@@@@@@@@@@@@@@@@@@@@@@@@@@@@@@@(Mhe?@@@@1fV'@@@L J@@@@@@@@@@@@@@@@@@@@@@@@@ O2@@@@@@@@@@@@@@ ?@@@@@he?3@@ @@@1 V4@@@@@@@@@@@@@@@@@@)Xg?N@@@1gV'@@@@L? 3@@@@@@@@@@@@? N@@@@@@@@? 7@@@@@@@@@@@@@@@@@@@@@@@@Lhf@@@@@@@?
?@@@@@@? @@@@@L 7@@? ?@@@ ?J@@@@@@h?@@@@)X@@@@@@H ?I'@@@@@@@@@@@@@@@@@@@@@@@@@@@@@@@@@@@@@@@@@@@@@@@@@@@@@@@@@@@@@@@@@@@@@@@@@@@@@@@@@@@@@@@@@@@@@@@@@@@@@@@@@@@@@@@@@@@@@@@@@@@@@@@@@@@@@@@@@@@@@@@@@@@@@@@@@@@@@@@@@@@@@@@@@@@@@@@@@@@@@@@@@@@@@@@@@@@@@@@@@@@@@@@@@@@@@@@@@@@@@@@@@@@@@@@@@@@@@@@@@@@@@@@@@@@@@@@@@@@@@@@@@@@@@@@@@@@@@@@@?f?@@@@@g3@@@@1 V'@@@@@@@@@@@@@@@@@@@? I(Y?f?O2@@@@@@@@@f?N@@@1 ?W&@@@@@@@@@@@@@@@@0M?e?@@@ @@@@@@@@@@@@@@@@@@@@ ?@@@@@he?N@@L? @@@@ ?I4@@@@@@1h@@@@g?N@@@@1? N@@@@@@@@@@@5? ?@@@@@@@@L ?J@@@@@@@@@@@@@@@@@@@@@@@@@)X?he@@@@@@@?
?3@@@@@L 3@@@@1 ?J@@5? J@@5 ?7@@@@@@@6K?eO2@@@@@@@@@@@@@? V4@@@@@@@@@@@@@@@@@@@@@@@@@@@@@@@@@@@@@@@@@@@@@@@@@@@@@@@@@@@@@@@@@@@@@@@@@@@@@@@@@@@@@@@@@@@@@@@@@@@@@@@@@@@@@@@@@@@@@@@@@@@@@@@@@@@@@@@@@@@@@@@@@@@@@@@@@@@@@@@@@@@@@@@@@@@@@@@@@@@@@@@@@@@@@@@@@@@@@@@@@@@@@@@@@@@@@@@@@@@@@@@@@@@@@@@@@@@@@@@@@@@@@@@@@@@@@@@@@@@@@@@@@@@@@@@@@@@@@@@?fJ@@@@5gV'@@@@L? ?N@@@@@?hf@?f?O2@@6?2@@@6K?O2@@@@@@@@@@@@@@@@g@@@@ O&@@@@@@@@@@@@@@(Mg?@@@ ?J@@@@@@@@@@@@@@@@@@@@L? ?@@@@@L?he@@1? 3@@@ ?I'@@@@@L?g@@@@h@@@@@? ?@@@@@@@@@@@H? ?3@@@@@@@1 ?7@@@@@@@@0MeI4@@@@@@@@@@@@1?he@@@@@@@?
?N@@@@@1 N@@@@@ ?7@@H? 7@@H ?@@@@@@@@@@@@@@@@@@@@@@@@@@@@? ?@@@@@@@@@@@@@@@@@@@@@@@@@@@@@@@@@@@@@@@@@@@@@@@@@@@@@@@@@@@@@@@@@@@@@@@@@@@@@@@@@@@@@@@@@@@@@@@@@@@@@@@@@@@@@@@@@@@@@@@@@@@@@@@@@@@@@@@@@@@@@@@@@@@@@@@@@@@@@@@@@@@@@@@@@@@@@@@@@@@@@@@@@@@@@@@@@@@@@@@@@@@@@@@@@@@@@@@@@@@@@@@@@@@@@@@@@@@@@@@@@@@@@@@@@@@@@@@@@@@@@@@@@@@@@@@@@@@@@5?f7@@@@Hg?N@@@@)K @@@@@?hf@W26KO2@@@@@@@@@@@@@@@@@@@@@@@@@@@@@@@g3@@@L? O2@@@@@@@@@@@@@@@@@(Y?g?@@@L? W&@@@@@@@@@@@@@@@@@@@@@? ?@@@@@1?he@@@? N@@@L? V'@@@@1?g@@@@h@@@@@? ?3@@@@@@@@@5 ?N@@@@@@@@ ?@@@@@@@(Mg?I'@@@@@@@@@@Lhe@@@@@@@?
@@@@@@ ?3@@@@L? ?@@@ @@@? ?@@@@@@@@@@@@@@@@@@@@@@@@@@@@? ?@@@@@@@@@@@@@@@@@0?4@@@@@@@@@@@@@@@@@@@@@@@@@@@@@@@@@@@@@@@@@@@@@@@@@@@@@@@@@@@@@@@@@@@@@@@@@@@@@@@@@@@@@@@@@@@@@@@@@@@@@@@@@@@@@@@@@@@@@@@@@@@@@@@@@@@@@@@@@@@@@@@@@@@@@@@@@@@@@@@@@@@@@@@@@@@@@@@@@@@@@@@@@@@@@@@@@@@@@@@@@@@@@@@@@@@@@@@@@@@@@@@@@@@@@@@@@@@@@@@@@@@@@@@@@@@@@@@@@H?f@@@@@?h3@@@@@6X ?O2@@@@@@@@@@@@@@@@@@@@@@@@@@@@@@@@@@@@@@@@@@@@@@@@@@@@@@@@@gN@@@1? ?O2@@@@@@@@@@@@(M?e@@@Hh?@@@1? 7@@@@@@@@@@@@@@@@@@@@@H? ?3@@@@@?he@@@? ?@@@1? ?N@@@@@Lf?J@@@@L?g@@@@@? ?N@@@@@@@@@H 3@@@@@@@L? ?@@@@@@@H?hV'@@@@@@@@@1he@@@@@@@?
3@@@@@ ?N@@@@1? ?@@5 ?J@@@? ?@@@@@@@@@@@@@@@@@@@@@@@@@@@5? I@M? ?@@@(Me?I@Mf?I4@0Mf?I4@0?@M?I4@@@@@@@0Mh?I@MfI40M?I@MfI40MI4@0?4@@@0MI4@@@@@0?4@@0?4@@@@@@@@@@@@@@@@@0?4@@@@@@@@@@@@@@@@@@@@@@@@@@@@@@@@@@@@@@@@@@@@@@@@@@@@@@@@@@@@@@@@@@@@@@@@@@@@@@@@@@@@@@@@@@@@@@@@@@@@@@@@@@@@@@@@@@@@@@@@@@@@@@@@@@@@g@@@@@?hN@@@@@@)K??O2@@6?2@@@@@@@@@@@@@@@@@@@@@@@@@@@@@@@@@@@@@@@@@@@@@@@@@@@@@@@@@@@@@@@@@@@5g?@@@@? ?O2@@@@@@@@@@@@@@@@Hf@@@?h?@@@@? @@@@@@@@@@@@@@@@@@@@@@ ?N@@@@@?he3@@L ?3@@@? 3@@@@1fW&@@@@)Xg@@@@@? 3@@@@@@@@? N@@@@@@@1? ?@@@@@@5he?V'@@@@@@@@@L?h@@@@@@@?
N@@@@@L? @@@@@? ?@0Y ?7@@5? J@@@@@(Mg?I'@@@@@@@@@@@H? ?@@@H? ?I4@@@@@@@@@@@@@@@@@@@@@@@@@@@@@@@@@@@@@@@@@@@@@@@@@@@@@@@@@@@@@@@@@@@@@@@@@@@@@@@@@@@@@@@@@@@@@@@@@@@@@@@@@g@@@@@?h?@@@@@@@@@@@@@@@@@@@@@@@@@@@@@@@@@@@@@@@@@@@@@@@@@@@@@@@@@@@@@@@@@@@@@@@@@@@@@@@@@@@@Hg?@@@@L W2@@@@@@@@@@@@@@@@@@@@@?f@@@?h?3@@@? ?J@@@@@@@@@@@@@@@@@@@@@@ @@@@@?heN@@1 ?N@@@? N@@@@@L??W&@@@@@@)X?f@@@@@? N@@@@@@@@? ?@@@@@@@@L ?@@@@@@HhfV'@@@@@@@@)Xh@@@@@@@?
?@@@@@1? @@@@@L ?@@0Y? 7@@@@@H?hN@@@@@@@@@@@ ?@@5 ?I@M?I40M?g?I4@@@@@@@@@@@@@@@@@@@@@@@@@@@@@g@@@@@?h?@@@@@@@@@@@@@@@@@@@@@@@@@@@@@@@@@@@@@@@@@@@@@@@@@@@@@@@@@@@@@@@@@@@@@@@@@@@@@@@@@@@@?g?@@@@1 ?O&@@@@@@@@@0Mf?@@@@@@?f@@@?h?N@@@? ?7@@@@@@@@@@@@@@@@@@@@@@ 3@@@@Lhe?@@@ @@@L ?W2@@?g?3@@@@1?W&@@@@@@@@)Xf@@@@@? ?@@@@@@@@? ?@@@@@@@@1 ?@@@@@@?hf?N@@@@@@@@@1h@@@@@@@?
?@@@@@@? 3@@@@1 @@@@@@he?@@@@@@@@@@@ ?@@H ?I'@g@@@@@?h?@@@@@@@@@@@@@@@@@@@@@@@@@@@@@@@@@@@@@@@@@@@@@@@@@@@@@@@@@@@@@@@@@@@@@@@@@@@@@@@@@@@@Lg?@@@@@ ?O2@@@@@@@@@@@@0M?g?@@@@@@?f@@@?he@@@? ?@@@@@@@@@@@@@@@@@@@@@@@L? N@@@@1he?@@@ @@@1 ?7@@@?g?N@@@@@W&@@@@@@@@@@1f@@@@@? ?@@@@@@@@? ?3@@@@@@@@ J@@@@@@? 3@@@@@@@@@L?g@@@@@@@?
?3@@@@@? N@@@@@ @@@@@5he?@@@@@@@@@@@ J@@? ?@f?J@@@@@Lh?@@@@@@@@@@@@@@@@@@@@@@@@@@@@@@@@@@@@@@@@@@@@@@@@@@@@@@@@@@@@@@@@@@@@@@@@@@@0Me?@@@@1g?@@@@@L? O2@@@@@@@@@@@@@0M?h?@@@@@@?e?J@@@?he@@@L ?@@@@@@@@@@@@@@@@(?4@@@@)X ?@@@@@he?@@@L? 3@@@ ?@@@@?h3@@@@@@@@@@@@@@@@@L??J@@@@5? ?3@@@@@@@L ?N@@@@@@@@ '@@@@@@L N@@@@@@@@@)Xg@@@@@@@?
?N@@@@@L ?@@@@@L? @@@@@Hhe?@@?@@@@@@@5 7@@? @@f?7@@@@@1h?@@@@@@(M??I4@@@@@@@@@@@@@@@@@@@@@@@@@@@@@0MeI4@@@@@@0?@M?I40M? ?@@@@@g?@@@@@1? O2@@@@@@@@@0M? ?@@@@@5?e?7@@5?he@@@)K?eW2@? J@@@@@?@@@@@@@@@@HeI'@@@)X? ?@@@@@he?3@@1? N@@@L? ?@@@5?hN@@@@@@@@@@@@@@@@@)KO&@@@@H? ?N@@@@@@@1 @@@@@@@@L? V'@@@@@1 ?3@@@@@@@@@1g@@@@@@@?
3@@@@1 ?3@@@@1? @@@@@?he?@@@@@@@@@@H @@@? ?@@@@@@5h?@@@@@@H @@@@@(M? ?@@@@@g?@@@@@@? O2@@@@@@@@@@@0M? ?@@@@@H?e?@@@H?h?J@@@@@6KO&@@? 7@@@@@@@@@@@@@@@@Le?V4@@@)X ?@@@@@he?N@@@? ?@@@1? ?@@(Y?h?@@@@@@@@@@@@@@@@@@@@@@@@@ @@@@@@@@ 3@@@@@@@1? ?V'@@@@@ ?V'@@@@@@@@@g@@@@@@@?
N@@@@@L? ?N@@@@@? @@@@@?he?@@@@@@@@@@? @@@? ?@@@@@@Hh?@@@@@@? @@@@@H ?@@@@@g?@@@@@@? O2@@@@@@@@@@@@0M ?@@@@@f?@@@heW&@@@@@@@@@@@L ?J@@@@@@@@@@@@@@@@@1f?I'@@)X? ?@@@@@L?he@@@? ?@@@@? J@@Hhe?3@@@@@@@@@@@@@@@@@@@@@@@5 3@@@@@@@ N@@@@@@@@L V'@@@@L? N@@@@@@@@@@6X?e@@@@@@@?
?@@@@@1? @@@@@L ?J@@@@@?he?@@@@@@@@@@? @@@? ?@@@@@@Lh?@@@@@@? @@@@@? ?@@@@@g?@@@@@@? O2@@@@@@@@@@@0M? ?@@@@@f?@@@h?W&@@@@@@@@@@@@)X?hfO&@@@@@@@@@@@@@@@@@@gV'@@1? ?3@@@@1?he@@@? ?@@@@? 7@@?he?V'@@@@@@@@@@@@@@@@@@@@@@H N@@@@@@@L? ?3@@@@@@@1 @@@@)X ?3@@@@@@@@@@)Ke@@@@@@@?
?@@@@@@? 3@@@@1 ?7@@@@@?he?@@@@@@@@@@? @@@? ?@@@@@@1h?@@@@@@? @@@@@? ?@@@@@g?@@@@@@? O2@@@@@@@@@@0M J@@@@@f?@@@h?7@@@@@@@@@@@@@@)KhO2@@@@@@@@@@@@@@@@@@@@@@L?f?V4@@? ?N@@@@@?he@@@L ?3@@@L @@5?hfV'@@@@@@@@@@@@@@@@@@@@5? ?@@@@@@@1? ?N@@@@@@@@ W&@@@@@)K?hf?N@@@@@@@@@@@@@@@@@@@@@?
?3@@@@@L N@@@@@ ?@@@@@5?he?@@@@@@@@@@? @@@? ?@@@@@@5h?@@@@@@? ?J@@@@@? ?@@@@@g?@@@@@@? ?O2@@@@@@@@@@@@0M? 7@@@@@f?@@@hJ@@@@@@@@@@@@@@@@@@@@@@@@@@@@@@@@@@@@@@@@@@@@@@@@@1? @@@@@?he3@@1 ?N@@@1 @@H?hf?V'@@@@@@@@@@@@@@@@@@(Y? ?3@@@@@@@L @@@@@@@@ 7@@@@@@@@@@6K?he3@@@@@@@@@@@@@@@@@@@@?
?N@@@@@1 ?@@@@@L? ?@@@@@H?he?@@@@@@@@@5? ?J@@5? ?@@@@@@HhJ@@@@@@? ?7@@@@5? ?@@@@@g?@@@@@@? ?O2@@@@@@@@@@@@@0M @@@@@@fJ@@5eW2@@e7@@@@@@@@@@@@@@@@@@@@@@@@@@@@@@@@@@@@@@@@@@@@@@@@@@? @@@@@?heN@@@ @@@@ ?J@@ V'@@@@@@@@@@@@@@@@(Y ?N@@@@@@@1 3@@@@@@@L? @@@@@@@@@@@@@@@?hV'@@@@@@@@@@@@@@@@@@@?
@@@@@@ ?@@@@@1? ?@@@@@hf?@@@@@@@@@H? ?7@@ ?@@@@@@?h7@@@@@@? ?@@@@@H? ?@@@@@g?@@@@@@? O2@@@@@@@@@@@@0M @@@@@@f@@@He*@@@L?@@@@@@@@@@@@@@@@@@@@@@@@@@@@@@@@@@@@@@@@@@@@@@@@@@@?h?W2@g?@he3@@@@Lhe?@@@ @@@@L? ?7@@ ?V'@@@@@@@@@@@@@@(Y? 3@@@@@@@ N@@@@@@@1? 3@@@@@@@@@@@@@@?h?V'@@@@@@@@@@@@@@@@@@L
3@@@@@ ?3@@@@@L J@@@@@hf?@@@@@@@@@ ?@@@@? ?@@@@@@?h@@@@@@@? ?@@@@@ ?@@@@@g?@@@@@@? ?O2@@@@@@@@@@@@0M? @@@@@5f?@@?eN@@@1?eI'@@@@@@@@@@@@@@@@@@@@@@@@@@@@@@@@@@@@@@@@@@@@@@@?h?7@@g?@heN@@@@1he?@@@L? 3@@@1? J@@5 V4@@@@@@@@@@@@(Y N@@@@@@@L? ?@@@@@@@@L V'@@@@@@@@@@@@@?heV'@@@@@@@@@@@@@@@@@1
N@@@@@L? ?N@@@@@1 7@@@@@hf?@@@@@@@@@ ?@@@H? ?@@@@@@?h@@@@@@@? ?@@@@@ ?@@@@@g?@@@@@@? ?O2@@@@@@@@@@@@@0M @@@@@Hf7@@?e?@@@@?e?N@@@@@@@@@@@@@@@@hf@@@@@@@@@@@@@@@@@@@?h?@@@g?@L?h?@@@@@he?3@@1? N@@@@? 7@@H ?I'@@@@@@@@@H? ?@@@@@@@1? ?3@@@@@@@1 ?N@@@@@@@@@@@@@?he?V'@@@@@@@@@@@@@@@@@
?@@@@@1? 3@@@@@ @@@@@@hf?@@@@@@@@@ ?@@@ ?@@@@@@?h@@@@@@@? J@@@@5 ?@@@@@gJ@@@@@@? ?O2@@@@@@@@@@@0M @@@@@?f@@@?e?@@@@Lf@@@@@@@@@@@0?'@@L?he3@@@@@@@@@@@@@@@@@@?hJ@@@g?@1?h?@@@@@he?N@@@? ?@@@@? @@@? V4@@@@@@@@ ?@@@@@@@@L ?N@@@@@@@@ 3@@@@@@@@@@@@?hfV'@@@@@@@@@@@@@@@@
?@@@@@@L V'@@@@L? ?W2@@? @@@@@@hf?@@@@@@@@@ J@@@@@@@@6?2@6K?O2@@@@@@@@@@@@6K ?@@@@@@Lg?J@@@@@@@? 7@@@@H J@@@@@g7@@@@@@? O2@@@@@@@@@@@@0M ?J@@@@@?f@@@?e?@@@@1f?I4@@@@@0Mf@@1?heN@@@@@@@@@@@@@@@@@@?h7@@@g?3@?h?3@@@@L?he@@@? ?3@@@? @@5? ?I4@@@@@ ?3@@@@@@@)X? @@@@@@@@L? V4@@@@@@@@@@@?hf?V4@@@@@@@@@@@@@@@
?3@@@@@1 ?N@@@@1? ?7@@@? W26X ?J@@@@@@hf?@@@@@@@@@ 7@@@@@@@@@@@@@@@@@@@@@@@@@@@@@@@@@@@@@@@6K?O2@@6KO2@@@@6K?heO2@@@@@@@@@6K?e?O@K O26Ke?O@KeO26K J@@@@@@1g?7@@@@@@@L ?J@@@@@?e?O@K ?O&@@@@@g@@@@@@@? O2@@@@@@@@@@@@@0M? ?7@@@@@?f@@@?e?@@@@@ ?7@@@Lhe?@@@@@@@@@@@@@@@@@@?g?J@@@5g?N@?h?N@@@@1?he3@@L ?N@@@? ?J@@H? ?@@@ ?N@@@@@@@@)K 3@@@@@@@1? I4@@@@@@@@@? ?I4@@@@@@@@@@@@5
?N@@@@@@ 3@@@@? ?@@@@? 7@@1 ?7@@@@@@hf?@@@@@@@@5 @@@@@@@@@@@@@@@@@@@@@@@@@@@@@@@@@@@@@@@@@@@@@@@@@@@@@@@@@@@@@@@@@@@@@@@@@@@@@@@@@@@@@@@@@@@@@@@@@@@@@@@@@@@@@@@@@@@@@@@@@@@@@@@@@@@@@@@@@@6KO26?2@@@@@@@6?2@@@@@@@@@@@@@@@@@@@6?2@@@@@@@@6K?hO@KO2@@6K?fO2@@@6?2@6K?eO@KO@KhO26KheO2@@6Ke?O&@@@@@@@g?@@@@@@@@)K?h?O26?@K?O&@@@@@@@@@@@@@@@@@@@@@@@@@@@@@@@@@6KO2@@@@@@@@@@@@@@@@@@@@@@@@@@@@@@@@@@@@@@@6K ?O2@@@@@@@@@@@@0M? ?@@@@@@?f@@5?e?@@@@@ ?@@@@1he?@@@@@@@@@@@@@@@@@@?g?7@@@Hh@?he@@@@@?heN@@1 @@@? ?7@5 ?3@@ @@@@@@@@@@@6X? N@@@@@@@@? I4@@@@@@@? ?I4@@@@@@@@@0Y
@@@@@@ N@@@@L J@@@@? @@@@g?W2@@6X? O26Kh?@@@@@@5hf?@@@@@@@@H O2@@@@@@@@@@@@@@@@@@@@@@@@@@@@@@@@@@@@@@@@@@@@@@@@@@@@@@@@@@@@@@@@@@@@@@@@@@@@@@@@@@@@@@@@@@@@@@@@@@@@@@@@@@@@@@@@@@@@@@@@@@@@@@@@@@@@@@@@@@@@@@@@@@@@@@@@@@@@@@@@@@@@@@@@@@@@@@@@@@@@@@@@@@@@@@@@@@@@@@@@@@@@@@@@@@@@@@@@@@@@@@@@@@@@@@@@@@@@@@@@@@@@@@@@@@@@@@@@@@@@@@@@@@@@@@@@@@@@@@@@@@@@@@@@@@@@@@@@@@@@@@@@@@@@@@@@@@@@@@@@@@@@@@@@@@@@@@@@@@@@@@@@@@@@@@@@@@@@@@@@@@@@@@@@@@@@@@@@@@@@@@@@@@@@@@@@@@@@@@@@@@6Kf?O2@@@@@@@@@@@@0M? ?@@@@@@?f@@H?e?3@@@@ ?3@@@@he?@@@@@@@@@@@@@@@@@@?g?@@@5?h@?he@@@@@?he?@@@ @@@L ?@@H ?N@@ 3@@@@@@@@@@@)X ?3@@@@@@@L
3@@@@@ ?@@@@1 7@@@5? @@@5g?7@@@@)Ke?O2@@6?2@@@@@6?@K??O2@6?2@@@@@@6K??O2@@6?2@@@@@@@@@@@@6KO2@@@@@@@@@@@@@@@@@@6?@Kg?O@K O26KeO26KhO2@@@@@6KO2@@@@@@@@@@@@@@@@@@@@@@@@@@@@@@@@@@@@@6Xf?@@@@@@HhfJ@@@@@@@@? O2@@@@@@@@@@@@@@@@@@@@@@@@@@@@@@@@@@@@@@@@@@@@@@@@@@@@@@@@@@@@@@@@@@@@@@@@@@@@@@@@@@@@@@@@@@@@@@@@@@@@@@@@@@@@@@@@@@@@@@@@@@@@@@@@@@@@@@@@@@@@@@@@@@@@@@@@@@@@@@@@@@@@@@@@@@@@@@@@@@@@@@@@@@@@@@@@@@@@@@@@@@@@@@@@@@@@@@@@@@@@@@@@@@@@@@@@@@@@@@@@@@@@@@@@@@@@@@@@@@@@@@@@@@@@@@@@@@@@@@@@@@@@@@@@@@@@@@@@@@@@@@@@@@@@@@@@@@@@@@@@@@@@@@@@@@@@@@@@@@@@@@@@@@@@@@@@@@@@@@@@@@@@@@@@@@@@@@@@@@@@@@@@@@@@@@@@@@@@@@@@@@@@@@@@@@@@@@@@@@@@@@@(M? ?@@@@@@?e?J@@f?N@@@@ ?N@@@@he?@@@@@@@@@@@@@@@@@5?gJ@@@H? @@@@@?he?@@@ 3@@1 J@@? @@ N@@@@@@@@@@@@)X? ?N@@@@@@@1
N@@@@@L? ?@@@@@ @@@@H? @@@HgJ@@@@@@@@@@@@@@@@@@@@@@@@@@@@@@@@@@@@@@@@@@@@@@@@@@@@@@@@@@@@@@@@@@@@@@@@@@@@@@@@@@@@@@@@@@@@@@@@@@@@@@@@@@@@@@@@@@@@@@@@@@@@@@@@@@@@@@@@@@@@@@@@@@@@@@@@@@@@@@@@@@@@@@@@@@@@@@@@@@@@@@@@@@)K?e?@@@@@@?hf7@@@@@@@@? ?O2@@@@@@@@@@@@@@@@@@@@@@@@@@@@@@@@@@@@@@@@@@@@@@@@@@@@@@@@@@@@@@@@@@@@@@@@@@@@@@@@@@@@@@@@@@@@@@@@@@@@@@@@@@@@@@@@@@@@@@@@@@@@@@@@@@@@@@@@@@@@@@@@@@@@@@@@@@@@@@@@@@@@@@@@@@@@@@@@@@@@@@@@@@@@@@@@@@@@@@@@@@@@@@@@@@@@@@@@@@@@@@@@@@@@@@@@@@@@@@@@@@@@@@@@@@@@@@@@@@@@@@@@@@@@@@@@@@@@@@@@@@@@@@@@@@@@@@@@@@@@@@@@@@@@@@@@@@@@@@@@@@@@@@@@@@@@@@@@@@@@@@@@@@@@@@@@@@@@@@@@@@@@@@@@@@@@@@@@@@@@@@@@@@@@@@@@@@@@@@@@@@@@@@@@@@@@@@@@@@@@@@@@@0Y ?@@@@@5?e?7@@g@@@@ @@@@he?3@@@@@@@@@@@@@@@@H?g7@@@ @@@@@?he?@@@ N@@@ 7@5? ?@@@@@@@@@@@@@1? @@@@@@@@
?@@@@@1? ?3@@@@L? @@@@ ?J@@@?g7@@@@@@@@@@@@@@@@@@@@@@@@@@@@@@@@@@@@@@@@@@@@@@@@@@@@@@@@@@@@@@@@@@@@@@@@@@@@@@@@@@@@@@@@@@@@@@@@@@@@@@@@@@@@@@@@@@@@@@@@@@@@@@@@@@@@@@@@@@@@@@@@@@@@@@@@@@@@@@@@@@@@@@@@@@@@@@@@@@@@@@@@@@@@6X?J@@@@@@Lhf@@@@@@@@@? ?O2@@@@@@@@@@@@@@@@@@@@@@@@@@@@@@@@@@@@@@@@@@@@@@@@@@@@@@@@@@@@@@@@@@@@@@@@@@@@@@@@@@@@@@@@@@@@@@@@@@@@@@@@@@@@@@@@@@@@@@@@@@@@@@@@@@@@@@@@@@@@@@@@@@@@@@@@@@@@@@@@@@@@@@@@@@@@@@@@@@@@@@@@@@@@@@@@@@@@@@@@@@@@@@@@@@@@@@@@@@@@@@@@@@@@@@@@@@@@@@@@@@@@@@@@@@@@@@@@@@@@@@@@@@@@@@@@@@@@@@@@@@@@@@@@@@@@@@@@@@@@@@@@@@@@@@@@@@@@@@@@@@@@@@@@@@@@@@@@@@@@@@@@@@@@@@@@@@@@@@@@@@@@@@@@@@@@@@@@@@@@@@@@@@@@@@@@@@@@@@@@@@@@@@@@@@@@@@@@@@@@@@X ?@@@@@H?e?@@@g@@@@L? @@@@he?N@@@@@@@@@@@@@@@@g?J@@@5 3@@@@Lhe?@@@L? ?@@@ @@H? ?3@@@@@@@@@@@@@L @@@@@@@@
?@@@@@@? ?N@@@@1? @@@5 ?7@@5??O@Ke@@@@@@@@@@@@@@@@@@@@@@@@@@@@@@@@@@@@@@@@@@@@@@@@@@@@@@@@@@@@@@@@@@@@@@@@@@@@@@@@@@@@@@@@@@@@@@@@@@@@@@@@@@@@@@@@@@@@@@@@@@@@@@@@@@@@@@@@@@@@@@@@@@@@@@@@@@@@@@@@@@@@@@@@@@@@@@@@@@@@@@@@@@@@@@)?&@@@@@@)K?he@@@@@@@@5? ?O2@@@@@@@@@@@@@@@@@@@@@@@@@@@@@@@@@@@@@@@@@@@@@@@@@@@@@@@@@@@@@@@@@@@@@@@@@@@@@@@@@@@@@@@@@@@@@@@@@@@@@@@@@@@@@@@@@@@@@@@@@@@@@@@@@@@@@@@@@@@@@@@@@@@@@@@@@@@@@@@@@@@@@@@@@@@@@@@@@@@@@@@@@@@@@@@@@@@@@@@@@@@@@@@@@@@@@@@@@@@@@@@@@@@@@@@@@@@@@@@@@@@@@@@@@@@@@@@@@@@@@@@@@@@@@@@@@@@@@@@@@@@@@@@@@@@@@@@@@@@@@@@@@@@@@@@@@@@@@@@@@@@@@@@@@@@@@@@@@@@@@@@@@@@@@@@@@@@@@@@@@@@@@@@@@@@@@@@@@@@@@@@@@@@@@@@@@@@@@@@@@@@@@@@@@@@@@@@@@@@@@@@@)K? J@@@@@f?@@@g@@@@1? 3@@@hf3@@@@@@@@@@@@@@5g?7@@@H N@@@@1he?@@@1? ?@@@L? ?J@@ ?N@@@@@@@@@@@@@1 3@@@@@@@L?
?3@@@@@L @@@@@? ?J@@@H ?@@@H?@@@@@@@@@@@@@@@@@@@@@@@@@@@@@@@@@@@@@@@@@@@@@@@@@@@@@@@@@@@@@@@@@@@@@@@@@@@@@@@@@@@@@@@@@@@@@@@@@@@@@@@@@@@@@@@@@@@@@@@@@@@@@@@@@@@@@@@@@@@@@@@@@@@@@@@@@@@@@@@@@@@@@@@@@@@@@@@@@@@@@@@@@@@@@@@@@@@@@@@@@@@@@@@@@@@6K??O2@@@@@@@@@ @@@@@@@@@@@@@@@@@@@@@@@@@@@@@@@@@@@@@@@@@@@@@@@@@@@@@@@@@@@@@@@@@@@@@@@@@@@@@@@@@@@@@@@@@@@@@@@@@@@@@@@@@@@@@@@@@@@@@@@@@@@@@@@@@@@@@@@@@@@@@@@@@@@@@@@@@@@@@@@@@@@@@@@@@@@@@@@@@@@@@@@@@@@@@@@@@@@@@@@@@@@@@@@@@@@@@@@@@@@@@@@@@@@@@@@@@@@@@@@@@@@@@@@@@@@@@@@@@@@@@@@@@@@@@@@@@@@@@@@@@@@@@@@@@@@@@@@@@@@@@@@@@@@@@@@@@@@@@@@@@@@@@@@@@@@@@@@@@@@@@@@@@@@@@@@@@@@@@@@@@@@@@@@@@@@@@@@@@@@@@@@@@@@@@@@@@@@@@@@@@@@@@@@@@@@@@@@@@@@@@@@@@@@@@@6K 7@@@@@f?@@@g@@@@@? N@@@hfN@@@@@@@@@@@@@@Hg?@@@5? ?@@@@@he?3@@@L ?@@@1? ?7@5 @@@@@@@@@@@@@@ N@@@@@@@1?
?N@@@@@1 3@@@@? ?O2@@@@@@? ?7@@5? ?@@@e@@@@@@@@@@@@@@@@@@@@@@@@@@@@@@@@@@@@@@@@@@@@@@@@@@@@@@@@@@@@@@@@@@@@@@@@@@@@@@@@@@@@@@@@@@@@@@@@@@@@@@@@@@@@@@@@@@@@@@@@@@@@@@@@@@@@@@@@@@@@@@@@@@@@@@@@@@@@@@@@@@@@@@@@@@@@@@@@@@@@@@@@@@@@@@@@@@@@@@@@@@@@@@@@@@@@@@@@@@@@@@@@@@@? ?J@@@@@@@@@@@@@@@@@@@@@@@@@@@@@@@@@@@@@@@@@@@@@@@@@@@@@@@@@@@@@@@@@@@@@@@@@@@@@@@@@@@@@@@@@@@@@@@@@@@@@@@@@@@@@@@@@@@@@@@@@@@@@@@@@@@@@@@@@@@@@@@@@@@@@@@@@@@@@@@@@@@@@@@@@@@@@@@@@@@@@@@@@@@@@@@@@@@@@@@@@@@@@@@@@@@@@@@@@@@@@@@@@@@@@@@@@@@@@@@@@@@@@@@@@@@@@@@@@@@@@@@@@@@@@@@@@@@@@@@@@@@@@@@@@@@@@@@@@@@@@@@@@@@@@@@@@@@@@@@@@@@@@@@@@@@@@@@@@@@@@@@@@@@@@@@@@@@@@@@@@@@@@@@@@@@@@@@@@@@@@@@@@@@@@@@@@@@@@@@@@@@@@@@@@@@@@@@@@@@@@@@@@@@@@@@@6K @@@@@@f?@@@g3@@@@? ?@@@L?he?3@@@@@@@@@@@@@?gJ@@@H? ?@@@@@he?N@@@1 ?@@@@? J@@H 3@@@@@@@@@@@@@L? ?@@@@@@@@L
@@@@@@ N@@@@L O2@@@@@@@@@? ?@@@H? J@@5e3@@@@@@@@@@@@@@@@@@@@@@@@@@@@@@@@@@@@@@@@@@@@@@@@@@@@@@@@@@@@@@@@@@@@@@@@@@@@@@@@@@@@@@@@@@@@@@@@@@@@@@@@@@@@@@@@@@@@@@@@@@@@@@@@@@@@@@@@@@@@@@@@@@@@@@@@@@@@@@@@@@@@@@@@@@@@@@@@@@@@@@@@@@@@@@@@@@@@@@@@@@@@@@@@@@@@@@@@@@@@@@@@@H? O&@@@@@@@@@@@@@@@@@@@@@0?@M?e?I'@@(M?eI4@@@@@@@@@@@@@@@@@@@@@0?4@@@@@@@@@@@@@@@@@@@@@@@@@@@@@@@@@@@@@@@@@@@@@@@@@@@@@@@@@@@@@@@@@@@@@@@@@@@@@@@@@@@@@@@@@@@@@@@@@@@@@@@@@@@@@@@@@@@@@@@@@@@@@@@@@@@@@@@@@@@@@@@@@@@@@@@@@@@@@@@@@@@@@@@@@@@@@@@@@@@@@@@@@@@@@@@@@@@@@@@@@@@@@@@@@@@@@@@@@@@@@@@@@@@@@@@@@@@@@@@@@@@@@@@@@@@@@@@@@@@@@@@@@@@@@@@@@@@@@@@@@@@@@@@@@@@@@@@@@@@@@@@@@@@@@@@@@@@@@@@@@@@@@@@@@@@@@@@@@@@@@@@@@@@@@@@@@@@@@@@@@@@@@@@@@@@6K? @@@@@@f?@@5gN@@@@L ?3@@1?he?V'@@@@@@@@@@@@@@6K??W&@@@ ?@@@@@hf@@@@ ?3@@@? 7@5? N@@@@@@@@@@@@@1? ?@@@@@@@@1
3@@@@@L? ?@@@@1 O2@@@@@@@@@@@@@W26K? ?@@@ 7@@HeV4@@@@@@@@@@@@@@@@@@@@@@@@@@@@@@@@@@@@@@@@@@@@@@@@@@@@@@@@@@@@@@@@@@@@@@@@@@@@@@@@@@@@@@@@@@@@@@@@@@@@@@@@@@@@@@@@@@@@@@@@@@@@@@@@@@@@@@@@@@@@@@@@@@@@@@@@@@@@@@@@@@@@@@@@@@@@@@@@@@@@@@@@@@@@@@@@@@@@@@@@@@@@@@@@@@@@@@@@@@@@@@@@ O2@@@@@@@@@@@@@0M? V40Y I@M? I@M? I@M?f?I4@0MfI4@@@@@@@@@@@@@@@@@@@@@@@@@@@@@@@@@@@@@@@@0MI4@@@@@@@@@@@@@@@@@@@@@@@@@@@@@@@@@@@@@@@@@@@@@@@@@@@@@@@@@@@@@@@@@@@@@@@@@@@@@@@@@@@@@@@@@@@@@@@@@@@@@@@@@@@@6K @@@@@@fJ@@Hg?@@@@1 ?N@@@?hfV'@@@@@@@@@@@@@@@6?&@? ?@@@@@L?he@@@@ ?N@@@?hf?J@@H? ?@@@@@@@@@@@@@@? ?3@@@@@@@@
N@@@@@1? ?@@@@@ ?O2@@@@@@@@@@@@@@@@@@@@6X? J@@5 ?J@@@?g@@@@@@@@@@@@@@@@@@@@@@@@@@@@@@@@@@@@@@@@@@@@@@@@@@@@@@@@@@@@@@@@@@@@@@@@@@@@@@@@@@@@@@@@@@@@@@@@@@@@@@@@@@@@@@@@@@@@@@@@@@@@@@@@@@@@@@@@@@@@@@@@@@@@@@@@@@@@@@@@@@@@@@@@@@@@@@@@@@@@@@@@@@@@@@@@@@@@@@@@@@@@@@@@@@@@@@@@@@@@@@ W2@@@@@@@@@@@@@0M? ?@@@@@@@@@@@@@@@@@@@@@@@@@@0M?I4@@@@@@@@@@@@@@@@@@@@@@@@@@@@@@@@6K @@@@@@f7@@?g?@@@@@ @@@?hf?V'@@@@@@@@@@@@@@@@@@L ?3@@@@1?he3@@@L? @@@Lhf?7@@ ?@@@@@@@@@@@@@@? ?N@@@@@@@@L?
?@@@@@@? ?3@@@@ O2@@@@@@@@@@@@@@@@@@@@@@@@)X 7@@H ?7@@@?g@@@@@@@@@@@@@@@@@@@@@@@@@@@@@@@@@@@@@@@@@@@@@@@@@@@@@@@@@@@@@@@@@@@@@@@@@@@@@@@@@@@@@@@@@@@@@@@@@@@@@@@@@@@@@@@@@@@@@@@@@@@@@@@@@@@@@@@@@@@@@@@@@@@@@@@@@@@@@@@@@@@@@@@@@@@@@@@@@@@@@@@@@@@@@@@@@@@@@@@@@@@@@@@@@@@@@@@@(?40M? ?O&@@@@@@@@@@@@0M? ?@@@@@@@@@@@@@@@@@@@@0M?hf@@@@@@@@@@@@@@@@@@@@@@@@@@@@@@6K @@@@@5f@@@?g?@@@@@ @@@? V4@@@@@@@@@@@@@@@@@)K? ?N@@@@@?heN@@@1? 3@@1hfJ@@@ ?3@@@@@@@@@@@@@? 3@@@@@@@1?
?@@@@@@? ?N@@@@L? ?O2@@@@@@@@@@@@@@@@@@@@@@@@@@@@1 @@@? ?@@@5?g@@@@@@@@@@@@@@@@@(M?fI'@@@@@@@@@@@@@@@@0MI'@@@@@@@@fI40?4@@@@@@@@@@@@@@@@@@@0M?I40M?f?I@M?I4@0?4@0MeI40?4@@@0MI4@@@@@@@@@@@@@@@@@@@@@@@@@@@@@@@@@@@@@@@@@@@@@@@@@@@@@@@@@@@@@@@@@@@@@@@(?4@@@@@@@@@@@@@@@@@@@@H? ?W2@@@@@@@@@@@@(M? ?O2@@@@@@@@@@@@@@@@@0M 3@@@@@@@@@@@@@@@@@@@@@@@@@@@@@@@6X @@@@@Hf@@@?g?3@@@@ @@@? ?I4@@@@@@@@@@@@@@@6X @@@@@?he?@@@@L N@@@he?W&@@@ ?N@@@@@@@@@@@@@? N@@@@@@@@?
?3@@@@@? 3@@@1? O2@@@@@@@@@@@@@@@@@@@@@@@@@@@@@@@@ ?J@@5? ?@@@H?f?J@@@@@@@@@@@@@@@@@?g?N@@@@@@@@@@@@g?V@@@@@@@@L?heW@@@@@@@@@X? ?I'@@@@@@@@@@@@@@@@HeI4@@@@@@@@@@@@@@@@@@ ?7@@@@@@@@@@@@0Y O2@@@@@@@@@@@@@@@@0M V4@@@@@@@@@@@@@@@@@@@@@@@@@@@@@@@)X? @@@@@?e?J@@@?g?N@@@@ 3@@L ?I'@@@@@@@@1 @@@@@?he?@@@@1 ?@@@heW&@@@5 @@@@@@@@@@@@@? ?@@@@@@@@?
?N@@@@@L N@@@@L ?O2@@@@@@@@@@@@@@@@@@@@@@@@@@@@@@@@@@@@@ ?7@@H? J@@@g?7@@@@@@@@@@@@@@@@@1g?J@@@@@@@@@@@5f?W2@@@@@@@@@1?h?W&@@@@@@@@@1? V4@@@@@@@@@@@@@@@? J@@@@@@@@@(M ?O2@@@@@@@@@@@@@0M I'@@@@@@@@@@@@@@@@@@@@@@@@@@@@@@)X ?O26K? W2@@@@6Xe@@@@@?e?7@@@?h@@@@ N@@1 N@@@@@@@@@ 3@@@@?he?3@@@@ ?@@@he7@@@@H 3@@@@@@@@@@@5? ?@@@@@@@@L
@@@@@1 ?@@@@1 ?O2@@@@@@@@@@@@@@@@@@@@@@@@@@@@@@@@@@@@@@@ ?@@5 7@@5g?@@@@@@@@@@@e@@@@@@gW&@@@@@@@@@@@HfW&@@@@@@@@@@@LhW&@@@@@@@@@@@?g?W2@6XfO2@6K? ?O26X? ?@@@@@@@@@@@@@@? 7@@@@@@@@(Y? ?O2@@@@@@@@@@@@0M? ?N@@@@@@@@@@@@@@@@@@@@@@@@@@@@@@@)X? O2@@@@@@@6K? ?O&@@@@@@)K?@@@@@LeJ@@@@?h@@@@L? ?@@@ ?3@@@@@@@@ N@@@@Lhe?N@@@@ ?@@@L?h@@@@@? N@@@@@@@@@@@H? ?3@@@@@@@1
3@@@@@ ?@@@@@ O2@@@@@@@@@@@@@@@@@@@@@@@@@@@@@@@@@@@@@@@@@@ J@@H @@@Hg?@@@@@@@@@@@e@@@@@@g7@@@@@@@@@@@5?e?W&@@@@@@@@@@@@1g?W&@@@@@@@@@@@@?g?7@@@)K?O2@@@@@6K?hf@@@@1?hf?O26?26?@KO@K? ?@@@@@@@@@@@@@@? ?J@@@@@@@@@H W2@@@@6Kf?@@@@@@@@@@@@@@@@@@@0M 3@@@@@@@@@@@@@@@@@@@@@@@@@@@@@@@)X W2@@@@@@@@@@@@@@@@@6?@?2@@@@@@@@@@@@@@@@@@@@@@@@e@@@@@?h@@@@1? ?@@@ ?N@@@@@@@@ ?@@@@1hf@@@@L? ?@@@1?g?J@@@@@? ?@@@@@@@@@@@ ?N@@@@@@@@L?
N@@@@@L? ?3@@@@ O2@@@@@@@@@@@@@@@@@@@@@@@@@@@@@@@??W@@@@@@@@@@ 7@@? ?J@@@?gJ@@@@@@@@@@@e@@@?h@@@@@@@@@@@@H?e?7@@@@@@@@@@@@@@gW&@@@@@@@@@@@@5?gJ@@@@@@@@@@@@@@@@6K?he@@@@@Lhe?W2@@@@@@@@@@@@@@@fW2@@@6X? ?@@@@@@@@@@@@@@? ?7@@@@@@@@5? ?O&@@@@@@@@6K??@@@@@@@@@@@@@@@0M N@@@@@@@@@@@@@@@@@@@@@@@@@@@@@@@@1hf@?&@@@@@@@@@@@@@@@@@@@@@@@@@@@@@@@@@@@@@@@@@@@@@@HeN@@@@?h3@@@@? ?@@@L? @@@@@@@@ ?@@@@@hf@@@@)K @?e?@@@@?g?7@@@@5? ?3@@@@@@@@@@ @@@@@@@@1?
?@@@@@1? ?N@@@@L? ?O2@@@@@@@@@@@@@@@@@@@@@@@@@@@@@@@@@@@5??7@@@@@@@@@@ @@5? ?7@@5?g7@@@@@@@@@@5e@@@?g?J@@(Y@@@@@@@5f?@@@@@@@@@0?40M?g7@@@@@@@@@@@@0Y?g7@@@@@@@@@@@@@@@@@@@he@@@@@1heW&@@@@@@@@@@@@@@@@e?W&@@@@@1? ?@@@@@@@@@@@@@@? ?@@@@@@@@(Y? @@@@@@@@@@@@@@@@@@@@@@@@@@0M ?@@@@@@@@@V'@@@@@@@@@@@@@@@@@@@@@@L?he@@@@@@@@@@@@@@@@@@@@@@@@@@@@@@@@@@@@@@@@@@@@@@@@@?e?@@@@?hN@@@@? ?3@@1? @@@@@@@@L? ?@@@@@hf@@@@@@6KeO@K? @Le?@@@@?g?@@@@0Y? ?O)X ?N@@@@@@@@@5 3@@@@@@@@?
?3@@@@@? @@@@1? ?O2@@@@@@@@@@@@@@@@@@@@@@@@@@@@@@@@@@@@@@@H??@@@@@@@@@@@ @@H? J@@@H?f?J@@@@@@@@@@@H?J@@@?O@K?eW&@@H?@@@@@@@HfJ@@@@@@@hf?J@@@@@(M?hf?J@@@@@@@@@@@@@@@@@@@@L?g?J@@@@@@h?W&@@@@@@@@@@@@@@@@@eW&@@@@@@@? ?@@@@@@@@@@@@@@? ?@@@@@@@(Y @@@@@@@@@@@@@@@@@@@@@0M? ?@@@@@@@@@?V'@@@@@@@@@@@@@@@@@@@@@)Xh?J@@@@@@@@@@@@@@@@@@@@@@@@@@@@@@@@@@@@@@@@@@@@@@@?f?@@@@?h?@@@@L ?N@@@? @@@@@@@@1? ?@@@@@L?he@@@@@@@@@@@@@6KO26K? @)K??@@@@@@@@6K? @@@)X? @@@@@@@@@H N@@@@@@@@L
?N@@@@@L @@@@@? ?O2@@@@@@@@@@@@@@@@@@@@@@@@@@@@@@@@@@@@@@@@@e?@@@@@@@@@@@ ?J@@ @@@5g?7@@@@@@@@@@5??7@@@@@@@@e7@@5?J@@@@@@@?f7@@@@@@@hf?@@@@@@? ?7@@@@(M?@@@@@@@@@@@@@)Xg?7@@@@@@hW&@@@@@@@@@@@@@@@@@@e7@@@@@@@@? ?@@@@@@@@@@@@@@? J@@@@@@@H? ?J@@@@@@@@@@@@@@@@@@(M ?@@@@@@@@@L?V'@@@@@@@@@@@@@@@@@@@@@1h?7@@@@@@@@@@@@@@@@@@@@@@@@@@@@@@@@@@@@@@@@@@@@@@@Lf?@@@@?h?@@@@1 @@@? 3@@@@@@@@? ?3@@@@1?he@@@@@@@@@@@@@@@@@@@@@6K?hf@@@@@@@@@@@@@@@@6K ?O2@6KO)X??J@@@@1? 3@@@@@@@@? ?@@@@@@@@1
@@@@@1 3@@@@L ?O2@@@@@@@@@@@@@@@@@@@@@@@@@@@@@@@@@@@@@@0M?f?@@@@@@@@@@@ ?7@@ N@@Hg?@@@@@@@@@@@H??@@@@@@@@5?J@@(Y?7@@@@@@@?f@@@@@@@@@6K?h?N@@@@@)K?hfJ@@@@@H??@@@@@?I'@@@@@@1g?@@@@@@@?O@Kf7@@@@@@@0Me?I4@@0M?e@@@@@@@@@?heO2@@@@@@@@@@@@@@@@@@@@@? ?W&@@@@@@@ ?7@@@@@@@@@@@@@@@@@@H? ?@@@@@?@@@1??V'@@@@@@@@@@@@@@@@@@@@@h?@@@@@@@@@@@@@@@@@@@@@@@@@@@@@@@@@@@@@@@@@@@@@@@@)X?e?@@@@@@@@@@?e?@@@@@ @@@L N@@@@@@@@? ?N@@@@@?he@@@@@@@@@@@@@@@@@@@@@@@@@@@6K?e?O2@@@@@@@@@@@@@@@@@@@@@6K ?O26?26?2@@@@@@@@@)KO&@@@@@? N@@@@@@@@? ?3@@@@@@@@
3@@@@@ N@@@@1 ?O2@@@@@@@@@@@@@@@@@@@@@@@@@@@@@@@@@@@@@@@0MhJ@@@@@@@@@@@L? J@@5 ?@@?g?@@@@@@@@@@@e?@@@@@@@0Y?7@@H?J@@@@(M?g@@@@@@@@@@@@6Xh3@@@@@@@@@6Xg?W&@@@@5e?@@@@@eV@@@@@@@fW2@@@@@@@@@@@@@6X?@@@@@@(M @@@@@@@@@?fO2@@@@@@@@@@@@@@@@@@@@@@@@@@5? ?7@@@@@@@@ ?3@@@@@@@@@@@@@@@@@@ ?3@@@@?3@@@?eN@@@@@@@@@@@@@@@@@@@@@hJ@@@@@@@@@@@@@@@@@@@@@@@@@@@@@@@@@@@@@@@@0M??I'@@@1?eJ@@@@@@@@@5?e?3@@@@ @@@1 ?@@@@@@@@? @@@@@?he@@@@@@@@@@@@@@@@@@@@@@@@@@@@@@@@@@@@@@@@@@@@@@@@@@@@@@@@@@@@@@@6K?eO2@6?2@@@@@@@@@@@@@@@@@@@@@@@@@@@@@@@@@@@@@@@@@@@@@@@@@? ?@@@@@@@@? ?N@@@@@@@@L?
N@@@@@ ?3@@@@ ?O2@@@@@@@@@@@@@@@@@@@@@@@@@@@@@@@@@@@@@@0M?he7@@@@@@@@@@@1? 7@@H J@@@@@@@@@@@e?@@@@@0MeJ@@5?W&@@@(Yh@@@@@@@@@@@@@)X?gN@@@@@@@@@@1g?7@@@@(Ye?3@@@@@@@@@@@@@@L?e7@@@@@@@@@@@@@@@)X@@@@@@H? @@@@@@@@@??O2@@@@@@@@@@@@@@@@@@@@@@@@@@@@@H? J@@@@@@@@@ ?N@@@@@@@@@@@@@@@@@5 ?N@@@@LN@@@?e?@@@@@@@@@@@@@@@@@@@@@L?f?W&@@@@@@@@@@@@@@@@@@0M? V'@@@Le7@@@@@@@@(Y?e?N@@@@ @@@@ ?@@@@@@@@? @@@@@?h?J@@@@@@@@@@@@@@@@@@@@@@@@@@@@@@@@@@@@@@@@@@@@@@@@@@@@@@@@@@@@@@@@@@@@@@@@@@@@@@@@@@@@@@@@@@@@@@@@@@@@@@@@@@@@@@@@@@@@@@@@@@@? ?3@@@@@@@? 3@@@@@@@1?
?@@@@@L? ?N@@@@L? ?O2@@@@@@@@@@@@@@@@@@@@@@@@@@@@@@@@@@@@@@@0M @@@@@@@@@@@@@? @@5? 7@@@@@@@@@@5e?@@@(Me?W&@(YW&@@@@H?h@@@@@@@@@@@@@@)Kg?@@@@@@@@@@@g?@@@@(Y?e?N@@@@@@@@@@@@@@1?e@@@@@@@@@@@@@@@@@@@@@@@@ 3@@@@@@@@@@@@@@@@@@@@@@@@@@@@@@@@@@@@@@@@@ 7@@@@@@@@@ 3@@@@@@@@@@@@@@@@H @@@@1?@@@@6X?3@@@@@@@@@@@@@@@@@@@@1?fW&@@@@@@@@X? ?V'@@)K?@@@@@@@@(Yg@@@@L? 3@@@eO2@? ?3@@@@@@@? 3@@@@?h?7@@@@@@@@@@@@@@@@@@@@@@@@@@@@@@@@@@@@@@@@@@@@@@@@@@@@@@@@@@@@@@@@@@@@@@@@@@@@@@@@@@@@@@@@@@@@@@@@@@@@@@@@@@@@@@@@@@@@@@@@@@@? ?N@@@@@@@LheW&K? N@@@@@@@@?
?@@@@@1? @@@@1? O2@@@@@@@@@@@@@@@@@@@@@@@@@@@@@@@@@@@@@@@0M? @@@@@@@@@@@@@? @@H? @@@@@@@@@@@HeJ@@@H?e?7@@H?7@@@@5he@@@@@@@@@@@@@@@@@?fJ@@@@@@@@@@5gJ@@@@Hg3@@@@@@@@@@@@@@?e3@@@@@@@@@@@@@@@@@@@@@@@ V4@@@@@@@@@@@@@@@@@@@@@@@@@@@@@@@@@@@@@@@@ @@@@@@@@@5 V'@@@@@@@@@@@@@@@? @@@@@?@@@@@1?N@@@@@@@@@@@@@@@@@@@@@?f7@@@@@@@@@)X N@@@@@@@@@@@@(Y?g3@@@1? N@@@@@@@@? ?N@@@@@@@L N@@@@Lh?@@@@@@@@@@@@@@@@@@@@@@@@@@@@@@@@@@@@@@@@@@@@@@@@@@@@@@@@@@@@@@@@@@@@@@@@@@@@@@@@@@@@@@@@@@@@@@@@@@@@@@@@@@@@@@@@@@@@@@@@@@@@L @@@@@@@1he7@@@ ?@@@@@@@@?
?@@@@@@? @@@@@L O2@@@@@@@@@@@@@@@@@@@@@@@@@@@@@@@@@@@@@0M? ?J@@@@@@@@@@@@@? ?J@@ @@@@@@@@@@@?e7@@5fJ@@@e@@@@@HeW2@6X?e@@@@(MfI4@@@@@Le?W&@@@@@@@@@0Yg7@@@5?gV'@@@@@@@@@@@@@?eN@@@@@@@@@@@@@@@@@@@@@@@ @@@@@@@@@@@@@@@@@@@@@@@@@@@@@@@@@@@@L? @@@@@@@@@H ?V'@@@@@@@@@@@@@5? @@@@@?3@@@@@e@@?I'@@@@@@@@@@@@@@@@Lf@@@@@@@@@@@)X? ?3@@@@@@@@@@@HhN@@@@? ?@@@@@@@@? @@@@@@@1 ?@@@@1hJ@@@@@@@@@@@@@@@@@@@@@@@@@@@@@@@@@@@@@@@@@@(MI'@(Mhe?I4@@@@@@@@@@@@@@@@@@@@@@@@@@@@@@@@@@@@@@@@@@@@@@@@@@@@@@@@@@@@@@1 3@@@@@@@he@@@@ ?3@@@@@@@L
?3@@@@@? 3@@@@1 ?O2@@@@@@@@@@@@@@@@@@@@@@@@@@@@@@@@@@@@@@0M? ?7@@@@@@@@@@@@@? ?7@@ ?J@@@@@@@@@@@?e@@@Hf7@@@@@@@@@5?e7@@@1?e@@@@H?g?@@@@)X??7@@@@(Mhe?J@@@@H?g?V4@@@@0M?@@@@@?e?3@@@@e?@@@@@@@e@@@@@@ ?J@@@@@@@@@@@@@@@@@@?I'@@@@@e@@@@@@@@1? @@@@@@@@5? V'@@@@@@@@@@@(Y? @@@@@?N@@@@@e@@eN@@@@@@@@@@@@@@@@1f@@@@@@@@@@@@1? ?N@@@@@@@@@@@?h?@@@@? ?@@@@@@@5? @@@@@@@@ ?@@@@@g?W&@@@@@@@@@@@@@@@@@@@@@@@@@@@@@@@gI'@@@HeV+Y? I4@@@@@@@@@@@@@@@@@@@@@@@@@@@@@@@@@@@@@@@@@@@@@@@@@@@@@@@@@@@@ N@@@@@@@he@0?@ ?N@@@@@@@1
?N@@@@@L N@@@@@ O2@@@@@@@@@@@@@@@@@@@@@@@@@@@@@@@@@@@@@@0M ?@@@@@@@@@@@@@@? J@@@ ?7@@@@@@@@@@5?e@@@?e?J@@@@@@@@@@Y?e@@@@@?e@@@@h?@@@@@1?J@@@@(Y?heW&@@@5he?I40M?e@@@@@?e?N@@@@e?@@@@@@5e3@@@@@@6K?O@K?hf?7@@@@@@0Me?W@@@@@5e?@@@@@e@@@@@@@@@? @@@@@@@@ ?V4@@@@@@@@@0Y @@@@@??@@@@@e@@e?3@@@@@@@@@@@@@@@@e?J@@@@@@@@@@@@@L @@@@@@@@@@@?h?@@@@? ?3@@@@@0Y? @@@@@@@@ ?3@@@@g?7@@@@@@@@@@@@@@@@@@@@@@@@@@@@@@@@L?f?N@@@? ?I4@@@@@@@@@@@@@@@@@@@@@@@@@@@@@@@@@@@@@@@@@@@@@@@@@@@@@@@ ?@@@@@@@L? @@@@@@@@
3@@@@1 ?3@@@@L? ?O2@@@@@@@@@@@@@@@@@@@@@@@@@@@@@@@@@@@@0M? J@@@@@@@@@@@@@@? 7@@5 ?@@@@@@@@@@@H?e@@@?e?7@@@@@@@@@@@@@@@@@@@?e@@@@hJ@@@@@@?7@@@@Hhf7@@@@H @@@@@?f3@@5e?@@@@@(YeN@@@@@@@@@@@@@@?he?@@@@@(Mf?7@@@@@He7@@@@5e@@@@@@@@@? @@@@@@@@1? I4@@@@0M 3@@@@??@@@@@e3@e?N@@@@@@@@@@@@@@@@e?7@@@@@@@@@@@@@1 3@@@@@@@@@@?h?@@@@L ?N@@@(M? 3@@@@@@@ ?N@@@@L?fJ@@@@@@@@@@@@@@@@@@@@@@@@@@@@@@@@@)Xg@@@? I4@@@@@@@@@@@@@@@@@@@@@@@?f?I40M??I4@@@@@@@@@@@@@@@ ?3@@@@@@1?g@@ @@@@@@@@L?
N@@@@@ ?N@@@@1? O2@@@@@@@@@@@@@@@@@@@@@@@@@@@@@@@@@@@@@0M? 7@@@@@@@@@@@@@@? @@@H ?@@@@@@@@@@@f@@5?eJ@@@@@@@@@@@@@@@@@@@5?e@@@@L?g7@@@@@5?@@@@@Lhe?J@@@@5? ?J@@@@5?fV40YeJ@@@@@H?e?3@@@@@@@@@@@@@Lhe?@@@@(Y?f?@@@@@@?e@@@@@He@@@@@@@@@? ?J@@@@@@@@@? N@@@@??@@@@@eN@f@@@@@@@@@@@@@@@@e?3@@@@@@@@@@@@@@L? N@@@@@@@@@@?h?3@@@1 @@@H N@@@@@@@L? @@@@1?e?W&@@@@@@@@@@@@@@@@@@@@@@@@@@@@@@@@@@)X?f3@@L ?I4@0?4@@@@@@@@@@@@@@@@? @@@@@@@@@@@@@@L? ?N@@@@@@@?g@@e?@ 3@@@@@@@1?
?@@@@@L? @@@@@? O2@@@@@@@@@@@@@@@@@@@@@@@@@@@@@@@@@@@@@@0M @@@@@@@@@@@@@@@L @@@? J@@@@@@@@@@5f@0Y?e7@@V'@@@@@@@@@@@@@@(Y?e3@@@1?g@@@@@(Y?3@@@@)K?hW&@@@@H? ?7@@@@H?he7@@@@5f?V'@@@@@@@@@@@@1he?@@@@Hf?@@@@@@@5?e@@@@@?e@@@@@@@@@? ?7@@@@@@ ?@@@@@@@@@@@e?@L??J@@@@@@@@@@@@@@@@e?N@@@@@@@@@@@@@@1? ?@@@@@@@@@@Lh?N@@@@ 3@@?gO2@@ ?@@@@@@@1? @@@@@?e?7@@@@@@@@@@@@@@@@@@@@@@@@@@@@@@@@@@@@)KfN@@)KO2@6K I4@@@@@@@@@@@@@6X?he@@@@@@@@@@@@@@1? @@@@@@@L N@@@@@@@@?
?@@@@@1? @@@@@L ?O2@@@@@@@@@@@@@@@@@@@@@@@@@@@@@@@@@@@@0M? ?J@@@(Y@@@@@@@@@@1 ?J@@5? 7@@@@@@@@@@Hh?J@@5?V'@@@@@@@@@@@@0YfN@@@@?e?W2@@@@@0YeN@@@@@@@@(f?W&@@@@5 J@@@@5he?J@@@@@HgV4@@@@@@@@@@@5he?@@@@?fJ@@@@@@@H?e@@@@@?e@@@@@@@@@? ?@@@@@@@ ?@@@@@@@@@@@@6X@)KO&@@@@@@@@@@@@@@@@f@@@@@@@@@@@@@@@? ?@@@@@@@@@@1he@@@@ N@@?fO2@@@5 ?@@@@@@@@? @@@@@?e?@@@@@@@@@@@@@@@@@@@@@@@@@@@@@@@@@@@@@@@6Xe?@@@@@@@@@@@@@@6K? ?I4@@@@@@@@@@@)Khe?I'@@@@@@@@@@@@L @@@@@@@1 ?@@@@@@@@L
?3@@@@@? 3@@@@1 O2@@@@@@@@@@@@@@@@@@@@@@@@@@@@@@@@@@@@@0M? ?7@@@H?@@@@@@@@@@@ ?7@@H? @@@@@@@@@@@?h?7@@H??V4@@@@@@@@@0Mg?3@@@@6KO&@@@(M?f?3@@@@@@(YfW&@@@@(Y ?O&@@@@HheW&@@@@5?hI4@@@@@@@@@Hhe?@@@@?f7@@@@@@@f@@@@@?e@@@@@@@@@? ?@@@@@@@ ?@@@@@@@@@@@@@@@@@@@@@@@@@@@@@@@@@@@f3@@@@@@@@@@@@@@? ?@@@@@@@@@@@he@@@@ ?@@Le?@@@@@(Y ?@@@@@@@@? @@@@@LeJ@@@@@@@@@@@@?eI4@@@@@@@@@@@@@@@@@@@@@@@1e?@@@@@@@@@@@@@@@@@@@@6K? ?I4@@@@@@@@@@@6KheV'@@@@@@@@@@@1 3@@@@@@@ ?3@@@@@@@1
?N@@@@@L N@@@@@ O2@@@@@@@@@@@@@@@@@@@@@@@@@@@@@@@@@@@0M? J@@@@??@@@@@@@@@@@ ?@@5 ?J@@@@@@@@@@5?hJ@@5g?I@Mhf?V'@@@@@@@@@(Yg?V4@@@@0Y?e?O&@@@@(Y? ?O2@@@@@5?h?W&@@@@(Y?hf?@@@@@5?he?@@@@?f@@@@@@@5e?J@@@@5?e@@@@@@@@@? ?@@@@@@@ J@@@@@@@@@@@@@@@@@@@@@@@@@@@@@@@@@@@fV'@@@@@@@@@@@@5? ?@@@@@@@@@@@he@@@@L? ?@@1eJ@@@@0Y? ?3@@@@@@@? 3@@@@1e7@@@@@@@@@@@5?fI'@@@@@@@@@@@@@@@@@@@@@@e?3@@@@@@@@@@@@@@@@@@@@@@@@@@6K I4@@@@@@@@@@@6K?g?V'@@@@@@@@@@@ N@@@@@@@@6K? ?N@@@@@@@@L?
@@@@@1 ?@@@@@L? ?O2@@@@@@@@@@@@@@@@@@@@@@@@@@@@@@@@@@@@@0M 7@@@5??@@@@@@@@@@@ J@@H ?7@@@@@@@@@@H?h7@@H V'@@@@@@@0Y? @@@@@@(Y @@@@@@@0Y?h?7@@@@(Y ?@@@@@H?he?@@@@Lf@@@@@@@He?7@@@@H?e@@@@@@@@@? J@@@@@@@ O)X? 7@@@@@@@@@@@@@@@@@@@@@@@@@@@@@@@@@@@f?V4@@@@@@@@@@@H? J@@@@@e?@@@he3@@@1? ?@@@e@@@@ ?N@@@@@@@? N@@@@@?J@@@@@@@@@@@@H?f?N@@@@@@@@@@@@@@@@@@@@@5e?V'@@@@@@@@@@@@@@@@@@@@@@@@@@@@@@6K? I4@@@@@@@@@@6KgN@@@@@@@@@@@ ?3@@@@@@@@@6K? 3@@@@@@@1?
3@@@@@ ?3@@@@1? ?O2@@@@@@@@@@@@@@@@@@@@@@@@@@@@@@@@@@@0M @@@@H??@@@@@@@@@@@ 7@@? ?@@@@@@@@@@@h?J@@@? ?V4@@@@0M? @@@@@@H? @@@@@0M?he?@@@@@H??@@@@@6Kg?@@@@@hf?@@@@)X?e@@@@@@@?e?@@@@@f@@@@@@@@@? 7@@@@@@5 ?@@@)? @@@@@@@@@@@@@@@@@@@@@@@@@@@@@@@@@@@@g?I4@@@@@@@@@ 7@@@@@e?@@@heN@@@@? ?@@@eN@@@ @@@@@@@L ?@@@@@W&@@@@@@@@@@@@h3@@@@@@@@@@@@@@@@@@@@?fV4@@@@@?gI4@@@@@@@@@@@@@@@@@@@6X? I4@@@@@@@@@@@@@6X??@@@@@@@@@@@ ?N@@@@@@@@@@@6K? N@@@@@@@@?
N@@@@@L? ?N@@@@@? ?O2@@@@@@@@@@@@@@@@@@@@@@@@@@@@@@@@@@@@0M? @@@@e?3@@@@@@@@@@ @@@? ?@@@@@@@@@@@h?7@@5? @@@@@5 @@@0M?hf?@@@@5e?@@@@@@@@@@@@@@@@@@@hf?3@@@@)Ke@@@@@@@?e?@@@@@f@@@@@@@@@? @@@@@@@H 3@@@@@@@@@@@@@@@@@@@@@@@@@@@@@@@@@@@@6X?g@@@@@@@@@@@@6KfO@KO2@6KO@?@K?eO2@@@@6Xf@@@@@5e?@@@L?h?@@@@? ?3@@e?@@5 @@@@@@@1 ?@@@@@@@@@@@@@@@@@@5hV'@@@@@@@@@@@@@?@@@@@)X?fI'@@@?he?I4@@@@@@@@@@@@@@@)K I4@@@@@@@@@@@@)K?@@@@@@@@@@@L? @@@@@@@@@@@@@@ ?@@@@@@@@L
?@@@@@1? @@@@@L O2@@@@@@@@@@@@@@@@@@@@@@@@@@@@@@@@@@@@0M ?J@@@5e?N@@@@@@@@@@ ?J@@5? W2@@hJ@@@@@@@@@@5h?@@(Y? 3@@@(Y ?@@@0Ye?@@@@@@@@@@@@@@@@@@5hf?V'@@@@@@@@@@@@@@Le?@@@@5f@@@@@@@@@? @@@@@@@? N@@@@@@@@@@@@@@@@@@@@@@@@@@@@@@@@@@@@@)Xg@@@@@@@@@@@@@@@@@@@@@@@@@@@@@@@@@@@@@@@@@1f@@@@@He?3@@1?h?@@@@? ?N@@L??@@H @@@@@@@@ ?@@@@@@@@@@@@@@@@@@Hh?N@@@@@@@@@@@@@W@@@@@@)Xf?V'@@L I4@@@@@@@@@@@@@6K?f?W&KheI4@@@@@@@@@@@@@@@@@@@@@@@@1? 3@@@@@@@@@@@@@L? ?3@@@@@@@1
?@@@@@@? 3@@@@1 ?O2@@@@@@@@@@@@@@@@@@@@@@@@@@@@@@@@@@@0M ?7@@@Hf@@@@@@@@@@ ?7@@H? 7@@@h7@@@@@@@@@@Hh?@@H V4@0Y? ?@@@@@@@@@@@@@@@@@@H V'@@@@@@@@@@@@@1e?@@@@Hf@@@@@@@@@? @@@@@@@? ?@@@@@@@@@@@@@@@@@@@@@@@@@@@@@@@@@@@@@@1g@@@@@@@@@@@@@@@@@@@@@@@@@@@@@@@@@@@@@@@@@@?O2@@@@@@?e?N@@@?h?3@@@? @@1??@@? @@@@@@@@ ?@@@@@@@@@@@@@@@@@5?he3@@@@@@@@@@@@@>@@@@@@1gV'@1 I4@@@@@@@@@6K?eO&@@@?he?I4@@@@@@@@@@@@@@@@@@@@@@? N@@@@@@@@@@@@@)X ?N@@@@@@@@
?3@@@@@L N@@@@@L? O2@@@@@@@@@@@@@@@@@@@@@@@@@@@@@@@@@@@@0M J@@@@?f@@@@@@@@@@L? ?@@5 @@@@h@@@@@@@@@@@?h?@5? ?@@@@@@@@@@@@@@@@@@? ?V4@@@@@@@@@@@@@eJ@@@@?f@@@@@@@@@? ?J@@@@@@@? ?@@@@@@@@@@@@@@@@@@@@@@@@@@@@@@@(M?@@@@@f?J@@@@@@@@@@@@@@@@@@@@@@@@@@@@@@@@@@@@@@@@@@@@@@@@@@@?f@@@?h?N@@@L 3@@? 3@@@@@@@ ?3@@@@@@@@@@@@@@@@H?heN@@@@@@@@@@@@@@R'@@@@@L?f?N@@L? I4@@@@@@@@@@@@@@H?hf?I4@@@@@@@@@@@@@@@@@@@@? ?@@@@@@@@@@@@@@1 @@@@@@@@
?N@@@@@1 ?@@@@@1? O2@@@@@@@@@@@@@@@@@@@@@@@@@@@@@@@@@@0M 7@@@@?f@@@@@@@@@@1? ?@@H @@@@g?J@@@@@@@@@@@?h?(Y? ?@@0M? ?I4@@@@@@@@@@5e7@@@@?f@@@@@@@@@? ?7@@@@@@@? ?@@@@@@@@@@@@@@@@@@@@@@@@@@@@@@(Y??3@@@@f?7@@@@@@@@@@@@@@@@@@@@@@@@@@@@@@@@@@@@@@@@@@@@@@@@@@@?f@@@?he@@@1 N@@? N@@@@@@@L? ?N@@@@@@@@@@@@@@@5hf?@@@@@@@@@@@@@@LN@@@@@)Xg3@)X ?I4@@@@@@@@@@@ ?I@MeI'@@@@@@@@@@@@@? ?3@@@@@@@@@@@@@@L? 3@@@@@@@L?
@@@@@@ ?3@@@@@? O2@@@@@@@@@@@@@@@@@@@@@@@@@@@@@@@@@@@@0M @@@@5?f3@@@@@@@@@@? J@@? @@@5g?7@@@@@@@@@@5? ?I4@@@@@@@0Ye@@@@@?f@@@@@@@@@? ?@@@@@@@@? ?@@@@@@@@@@@@@@@@@@@@@@@@@@@@@0Ye?N@@@@f?3@@@@@@@@@@@@@@@@@@@@@@@@@@@@@@@@@@@@@@@@@@@@@0?'@@@?f@@@Lhe@@@@ ?@@? ?@@@@@@@1? @@@@@@@@@@@@@@@Hhf?@@@@@@@@@@@@@@1?3@@@@@1gV'@1 ?I4@@@@@@@@@ ?N@@@@@@@@@@@@@L ?N@@@@@@@@@@@@@@)X N@@@@@@@1?
3@@@@@L? ?N@@@@@? ?O2@@@@@@@@@@@@@@@@@@@@@@@@@@@@@@@@@@@0M ?J@@@@H?fN@@@@@@@@@@? 7@@? @@@Hg?@@@@@@@@@@@H? @@@@5?f@@@@@@@@@? ?@@@@@@@5? ?@@@@@V4@@@@@@@@@@@@@@@@@@@@0Mg@@@@f?N@@@@@@@@@@@@@@@@@@@@@@@@@@@@@@@@@@@@@@@@@@@(M??N@@@?f@@@1he@@@@ ?@@L ?3@@@@@@@? 3@@@@@@@@@@@@@@?hf?@@@@@@@@@@@@@@@?N@@@@@@L?f?N@@L? ?I'@@@@@@@ @@@@@@@@@@@@@1 @@@@@@@@@@@@@@@1 ?@@@@@@@@L
N@@@@@1? 3@@@@L O2@@@@@@@@@@@@@@@@@@@@@@@@@@@@@@@@@@@0M? ?7@@@5g?@@@@@@@@@@? @@@? @@5?g?@@@@@@@@@@@ @@@@H?f@@@@@@@@@? ?@@@@@@@H? ?3@@@@f?I4@@@@@@@@@@@@0M?h@@@@g@@@@@@@@@@@@@@@@@@@@@@@@@@@@@@@@@@@@@@@@@@@Hf@@@?f@@@@he3@@@ ?@@1 ?N@@@@@@@? N@@@@@@@@@@@@? ?@@@@@@@@@@@@@@5e3@@@@@1?g3@1? V4@@@@@@L? @@@@@@@@@@@@@@ 3@@@@@@@@@@@@@@@L? ?3@@@@@@@1
?@@@@@@? N@@@@1 ?O2@@@@@@@@@@@@@@@@@@@@@@@@@@@@@@@@@@0M? ?@@@@Hg?@@@@@@@@@@? ?J@@5? ?J@@H?gJ@@@@@@@@@@@ ?J@@@@g@@@@@@@@@?hf?W26K? ?@@@@@@@ @@@@ 3@@@g?I'@@@@@@@@@@@@@@@@@@@@@@@@@@@@@@@@@@@@@@@@?e?J@@5?f@@@@heN@@@L? ?@@@ @@@@@@@? ?@@@@@@@@@@@@? ?3@@@@@@@@@@@@@HeV'@@@@@LgN@@L ?O2@@6X?heI4@@@@)K ?O2@@@@@@@@@@@@@@@@@@@L? N@@@@@@@@@@@@@@@1? ?N@@@@@@@@
?3@@@@@? ?@@@@@hfO2@@@@@@@@@@@@@@@@@@@@@@@@@@@@@@@@@@@0M? J@@@@?g?@@@@@@@@@@? ?7@@H? ?7@@h7@@@@@@@@@@5 ?7@@@@g@@@@@@@@@?hfW&@@@@@6X? ?@@@@@@@ ?7@@@@ N@@@hV4@@@@@@@@@@@@@@@@@0?40?@?40?4@@@@@@@@@@@?e?7@@H?f@@@@he?@@@1? ?3@@ @@@@@@@L ?@@@@@@@@@@@@? @@@@@@@@@@@@@?e?V'@@@@1g?3@)X?he?W2@@@@@)Khf?I4@@@6K?O@KfO2@@@@@@@@@@@@@@@@@@@@@@@@1? ?@@@@@@@@@@@@@@@@L @@@@@@@@
?N@@@@@L ?@@@@@L?g?O2@@@@@@@@@@@@@@@@@@@@@@@@@@@@@@@@@@@0M 7@@@@?g?@@@@@@@@@@? J@@@ ?@@5h@@@@@@@@@@@H ?@@@@@g@@@@@@@@@?he?W&@@@@@@@)X ?@@@@@@@ ?@@@@@ ?@@@L?he?I4@@0?'@@@@ @@@@@@@?e?@@@g3@@@L?h?@@@@? ?N@@L? 3@@@@@@1 ?@@@@@@@@@@@@? ?7@@@@@@@@@@@@@?fN@@@@@L?f?N@@)XheW&@@@@@@@@@? @@@@@@@@@@@@@@@@@@@@@@@@@@@@@@@@@@@@@@@? ?@@@@@@@@@@@@@@@@1 3@@@@@@@L?
@@@@@1 ?3@@@@1?fO2@@@@@@@@@@@@@@@@@@@@@@@@@@@@@@@@@@@0M? @@@@5?g?@@@@@@@@@@? ?W&@@5 J@@Hh@@@@@@@@@@@? ?@@@@@g@@@@@@@@@LheW&@@@@@@@@@)X?hf?@@@@@@@ ?@@@@@ ?@@@1? ?V4@@@L? @@@@@@@?e?@@@gN@@@1?h?@@@@? @@1? N@@@@@@@ ?@@@@@@@@@@@@? ?@@@@@@@@@@@@@@?f?3@@@@1?g3@@1h?W&@@@@@@@@@@L @@@@@@@@@@@@@@@@@@@@@@@@@@@@@@@@@@@@@@@L ?3@@@@@@@@@@@@@@@@ N@@@@@@@1? O2@@@@@@@6K?
3@@@@@ ?N@@@@@?eO2@@@@@@@@@@@@@@@@@@@@@@@@@@@@@@@@@0M? ?J@@@@H?g?@@@@@@@@@@? W&@@@H 7@@?g?J@@@@@@@@@@@? ?@@@@@g3@@@@@@@@1h?W&@@@@@@@@@@@1?hf?@@@@@@@ ?@@@@@ ?@@@@? I4@? ?J@@@@@@@?e?@@@g?@@@@?h?3@@@L @@@? ?@@@@@@@ ?@@@@@@@@@@@@? ?@@@@@@@@@@@@@@?f?N@@@@@LgV'@@L?g?7@@@@@@@@@@@1 @@@@@@@@@@@@@@@@@@@@@@@@@@@@@@@@@@@@@@@1 ?N@@@@@@@@@@@@@@@@L? ?@@@@@@@@L W2@@@@@@@@@@@@@6K?
N@@@@@L? @@@@@@@@@@@@@@@@@@@@@@@@@@@@@@@@@@@@@@@@@0M? ?7@@@@h?@@@@@@@@@@? ?W&@@@@L @@@?g?7@@@@@@@@@@5? ?@@@@5gN@@@@@@@@@h?7@@@@@@@@@@@@@?hf?@@@@@@@ ?@@@@@ ?@@@@? ?7@@@@@@@?eJ@@@g?@@@@?h?N@@@1 @@@? ?@@@@@@@ ?3@@@@@@@@@@@? ?@@@@@@@@@@@@@5?g3@@@@)X?f?N@@)Xg?@@@@@@@@@@@@@hf?J@@@@@@@@@@@@@@@@@@@@@@@@@@@@@@@@@@@@@@@@ @@@@@@@@@@@@@@@@@? ?3@@@@@@@1 ?O2@@6X?h?W&@@@@@@@@@@@@@@@@6X?
?@@@@@1? ?J@@@@@@@@@@@@@@@@@@@@@@@@@@@@@@@@@@@@@0M? ?@@@@5h?@@@@@@@@@@L W&@@@@@1 @@@?g?@@@@@@@@@@@H? ?@@@@Hg?@@@@@@@@@h?@@@@@@@@@@@@@@?hf?@@@@@@@ ?@@@@@ ?3@@@L ?@@@@@@@@?e7@@@g?@@@@?he@@@@ 3@@? ?3@@@@@@ ?N@@@@@@@@@@@L ?@@@@@@@@@@@@@H?gN@@@@@1?g3@@)X?f?@@@@@@@@@@@@@@@@@@@@6K?eO&@@@@@@@@@@@@@@@@@@@@(M?I4@@@@@@@@@@@@@@@ 3@@@@@@@@@@@@@ ?N@@@@@@@@ ?W2@@@@@1?hW&@@@@@@@@@@@@@@@@@@)X
?@@@@@@? O&@@@@@@@@@@@@@@@@@@@@@@@@@@@@@@@@@@0M ?@@@@Hh?3@@@@@@@@@1 7@@@@@@@L? ?J@@5?g?@@@@@@@@@@@ J@@@@?gJ@@@@@@@@@h?@@@@@@@@@@@@@@?hf?@@@@@@@ ?@@@@@ ?N@@@1 ?@@@@@@@5?e@@@@g?@@@@?he@@@@ N@@L ?N@@@@@@ @@@@@@@@@@@)X?hf?@@@@@@@@@@@@@h?3@@@@@LgN@@@1?f?@@@@@@@@@@@@@@@@@@@@@@@@@@@@@@@@@@@@@@@@@@@@?@@Y?f@@@@@@@@@@@@@@L? N@@@@@@@@@@@@5 @@@@@@@@ W&@@@@@@5?g?W&@@@@@@@@@@@@@@@@@@@@)X?
?3@@@@@L ?O2@@@@@@@@@@@@@@@@@@@@@@@@@@@@@@@@@@0M? J@@@@?h?N@@@@@@@@@@ @@@@@@@@)K W&@@hJ@@@@@@@@@@@ 7@@@@?g7@@@@@@@@@h?@@@@@@@@@@@@@@?hf?@@@@@@5 O2@6K?g?O26K? ?@@@@@ @@@@ ?@@@@@@@H?e@@@@g?3@@@Lhe@@@@ ?@@1 @@@@@@L? @@@@@@@@@@@@1?fW2@?fJ@@@@@@@@@@@@@h?N@@@@@1g?3@@@Lf?@@@@@@@@@@@@@@@@@@@@@@@@@@@@@@@@@@@@@@@@@@@@@@@@@@@@@@@@@@@@@@@@@@@)K ?@@@@@@@@@@@@H 3@@@@@@@L? ?W&@@@@@@@hW&@@@@@@@@@@@@@@@@@@@@@@)X
?N@@@@@1 O2@@@@@@@@@@@@@@@@@@@@@@@@@@@@@@@@@@0M 7@@@5?he@@@@@@@@@@ ?J@@@@@@@@@@@@6KeO@?2@@@6KO&@@@)Kf?O&@@@@@@@@@@@ ?W2@@@@@@@@@6KeO26Ke?O2@@6K? O@K?e?O@KeO2@@@@@6K? @@@@@?g@@@@@@@@@@h?@@@@@@@@@@@@@5?hfJ@@@@@@HgO@?2@@@@@@@@@@@@@@@@@@@@@@@@@@@@@@@@@@@@@@@@@@@@6K ?@@@@@ @@@@ ?@@@@@@@f@@@5g?N@@@1he@@@@L? ?@@@ @@@@@@1? @@@@@@@@@@@@@?e?O&@@Lf7@@@@@@@@@@@@5he3@@@@@g?V'@@)X?e?@@@@@@@@@@@@@@@@@@@@@@@@@@@@@@@@@@@@@@@@@@@@@@@@@@@@@@@@@@@@@@@@@@@@@6KO@KO2@@@@@@@6K ?3@@@@@@@@@@5? N@@@@@@@1? W&@@@@@@@@1?f?W&@@@@@@@@@@@@@@@@@@@@@@@@1
@@@@@@ ?O2@@@@@@@@@@@@@@@@@@@@@@@@@@@@@@@@@@@0M ?J@@@@H?he@@@@@@@@@@ ?7@@@@@@@@@@@@@@@@@@@@@@@@@@@@@@@@@@@@@@@@@@@@@@@@@@@@@@@@@@@@@@@@@@@@@@@@@@@@6K W&@@@@@@@@@@@@@@@@@@@@@@@@@@@@@@@@@@@@@6?2@@@@@@@@@@@@@@@@@@@@@@@@@@@@@@@@@@@@@@@@@6X? @@@@@?g@@@@@@@@@@@@@@@@@@@@@@@@@@@@@@@@H?hf7@@@@@@?e?O2@@@@@@@@@@@@@@@@@@@@@@@@@@@@@@@@@@@@@@@@@@@@@@@@@@@@@@@6K ?@@@@@ ?J@@@5 ?@@@@@@5f@@@Hh@@@@he3@@@1? ?@@@ @@@@@@@? 3@@@@@@@@@@@@@@@@@@@@1e?J@@@@@@@@@@@@@HheN@@@@@hN@@@1?e?@@@@@@@@@@@@@@@(MhI@MI4@@@@@@@@@@@@@@@@@@@@@@@@@@@@@@@@@@@@@@@@@@@@@@@@@@@@@@@@@@@@@@@6K ?N@@@@@@@@@@H? ?@@@@@@@@L 7@@@@@@@@@@?f?7@@@@@@@@@@@@@@@@@@@@@@@@@@L?
@@@@@@ ?O2@@@@@@@@@@@@@@@@@@@@@@@@@@@@@@@@@0M ?7@@@@hf@@@@@@@@@@ ?@@@@@@@@@@@@@@@@@@@@@@@@@@@@@@@@@@@@@@@@@@@@@@@@@@@@@@@@@@@@@@@@@@@@@@@@@@@@@@@@@@@ 7@@@@@@@@@@@@@@@@@@@@@@@@@@@@@@@@@@@@@@@@@@@@@@@@@@@@@@@@@@@@@@@@@@@@@@@@@@@@@@@@@@@)Xh?@@@@@@@@@6?2@@@@@6Xhe@@@@@?f@@@@@@@@@@@@@@@@@@@@@@@@@@@@@@@@@@ @@@@@@@??O2@@@@@@@@@@@@@@@@@@@@@@@@@@@@@@@@@@@@@@@@@@@@@@@@@@@@@@@@@@@6K ?@@@@@hf?@@? ?7@@@H ?@@@@@@Hf@@@?h@@@@heN@@@@? ?3@@L? 3@@@@@@? N@@@@@@@@@@@@@@@@@@@@@eW&@@@@@@@@@@@@@?he?3@@@@h?3@@@?e?3@@@@@@@@@@@@@(Y? I@MI4@@@0M?I4@@@@@@@@@@@@@@@@@@@@@@@@@@@@@@@@@@@@@@@@@@@@@@@@@@@@@6K @@@@@@@@@5 ?3@@@@@@@1 @@@@@@@@@@5?f?@@@@@@@@@@@@@@@@@@@@@@@@@@@1?
3@@@@@L? ?O2@@@@@@@@@@@@@@@@@@@@@@@@@@@@@@@@@@0M? ?@@@@@hf@@@@@@@@@@ ?@@@@@@@@@@@@@(?@MI4@@@@@@@@@@@@@@@@@@@@@@@@@@@@@@@@@@@@@@@@@@@@@@@@@@@@@@@@@@@@@@@5 @@@@@@@@@@@@@@@@@@@@@@@@@@@@@@@@@@@@@0M?I4@@@@@@@@@@@@@@@@@@@@@@@@@@@@@@@@@@@@@@@@@@@1h?@@@@@@@@@@@@@@@@@@1h?J@@@@5?f@@@@@@@@@@@@@@@@@@@@@@@@@@@@@@@@@@ @@@@@@@@@@@@@@@@@@@@@@@@@@@@@@@@@@@@@@@@@@@@@@@@@@@@@@@@@@@@@@@@@@@@@@@@@? ?@@@@5hfJ@@? ?@@@@? J@@@@@@?e?J@@@?h@@@@he?@@@@? ?N@@1? N@@@@@@? ?@@@@@@@@@@@@@@@@@@@@@?O&@@@@@@@@@@@@@@?he?N@@@@L?g?V'@@@6X?V'@@@@@@@@@@@0Y I'@@@@@@@@@@@@@@@@@@@@@@@@@@@@@@@@@@@@@@@@@@@@@@@@@@@@@@@@@@@@6K @@@@@@@@@H ?N@@@@@@@@ ?J@@@@@@@@@0Y?fJ@@@@@@@@(M?g?I'@@@@@@@@?
N@@@@@1? O2@@@@@@@@@@@@@@@@@@@@@@@@@@@@@@@@@@0M ?@@@@5hf@@@@@@@@@@ ?3@@@@@??@@@@(Y?f?I4@@@@@@@@@@@@@@@@@@@@@@@@@@@(MI4@@@@@@@@@@@@@@@@@@@@@@@@@@@@0Y @@@0M? I40M?I@MI4@@@@@@@@@@@@@@h?3@@@@@@@@@@@@@@@@@@h?7@@@@H?f@@@@@@@@@@@@@@@@@@@@@@@@@@@@@@@@@@ @@@@@@@@@@@@@@@@@@@@@@@@@@@@@@@@@@@@@@@@@@@@@@@@@@@@@@@@@@@@@@@@@@@@@@@@@? ?@@@@Hhf7@5? ?@@@@? 7@@@@@@?e?7@@@?h@@@@L?h?@@@@? @@@? ?@@@@@@L ?@@@@@@@@@@@@@@@@@@@@@@@@@@@@@@@@@@@@@@?hf@@@@)XhV'@@@)X?V4@@@@@@@@(M ?N@@@@@@@@@@@@@@@@@@@@@@@@@@@@@@@@@@@@@@@@@@@@@@@@@@@@@@@@@@@@@@@@@@@@@@@@@@@@@@@@@@@@@? @@@@@@@@ ?7@@@@@@@(M?g7@@@@@@@(YheV'@@@@@@@L
?@@@@@@? ?O2@@@@@@@@@@@@@@@@@@@@@@@@@@@@@@@@@@0M? J@@@@Hhf@@@@@@@@@@L?hf?N@@@@@??@@@@Hhe?I'@@@h@@@@@@@@@@@@H? ?V4@@@0Me?I40?4@@@@h?@@@@@g?I'@@@@@@@@@(MgI'@@@@@@@@@@@@ @@@@@@@@@@@@@@@@@@@@@@@@@@@@@@@@@@@@@@@@@@@@@@@@@@@@@@@@@@@@@@@@@@@@@@@@@L O2@@6KO2@@@@@?hf@@H? ?@@@@? @@@@@@@?e?@@@@?h3@@@1?h?3@@@L @@@L ?3@@@@@1 ?@@@@@@@@@@@@@@@@@@@@@@@@@@@@@@@@@@@@@@?hf3@@@@1h?V'@@@1?eI4@@@@@0Y? @@@@@@@@@@@@@@@@ I4@@@@@@@@@@@@@@@@@@@@@@@@@@@@@@@@@@@@@@@@@@@@@@@@@@@@@@@@6K 3@@@@@@@L? ?@@@@@@@(Yh@@@@@@@(Y?he?V'@@@@@@1
?3@@@@@L O2@@@@@@@@@@@@@@@@@@@@@@@@@@@@@@@@@@@(M? 7@@@5?hf@@@@@@@@@@1? 3@@@@??@@@@?hfN@@5h@@@@@@@@@@@@ ?@@@@@hN@@@@@@@@@H?g?V'@@@@@@@@@@@ @@@@@@@@@@@@@@@@@@@@@@@@@@@@@@@@@@@@@@@@@@@@@@@@@@@@@@@@@@@@@@@@@@@@@@@@@)K? ?O2@@@@@@@@@@@@@5?he?J@5 ?@@@@? @@@@@@@?e?@@@5?hN@@@@?h?N@@@1 @@@1 ?N@@@@@@ ?3@@@@@@@@@@@@@@@@@@@@@@@@@@@@@@@@@@@@@?hfN@@@@@heV'@@@LfW@ @@@@@@@@@@@@@@@@ ?I4@@@@@@@@@@@@@@@@@@@@@@@@@@@@@@@@@@@@@@@@@@@@@@@@@@@@@@6K? ?@@@@@@@1? ?@@@@@@@H?h@@@@@@@H N@@@@@@@
?N@@@@@1 O2@@@@@@@@@@@@@@@@@@@@@@@@@@@@@@@@@@@@@@@H ?J@@@@H?hf3@@@@@@@@@@? N@@@@@@@@@@?hfJ@@Hh@@@@@@@@@@@@ ?@@@@5h?@@@@@@@@@heV'@@@@@@@@@@ @@@@@@@@@@@@@@@@@@@@@@@@@@@@@@@@@@@@@@@@@@@@@@@@@@@@@@@@@@@@@@@@@@@@@@@@@@@@@@@@@@6K?O@?@?@?2@@6K?O26KO@KO@?@K O2@6K? ?O@KhfO26KO2@@6?@K?O@KO26KO2@@@6K?O2@@6Kg?O@KO@K??O@KeO@K?gO2@@@@6Ke?O26K?O26?26KO26KO2@@@@@@@@@@@@@@@@@@@@@@@@@@@@@@@@@@@@@@6?2@@@@@@@@@@@@@@@@@@@@@@@@@@@@@@@@@@@@@@@@@@@@@@@@@@@@@@@@@@@@@@@@@@@@@@@@@@@@@@@@@@@@@@@@@@@@@@@@@@H?he?7@H ?@@@@? @@@@@@@?e?@@@H?h?@@@@?he@@@@ 3@@@ @@@@@@ ?N@@@@@@@@@@@@@@@@@@@@@@@@@@@@@@@@@@@@@?hf?@@@@@he?V'@@1e?W&@ 3@@@@@@@@@@@@@@@ ?I4@@@@@@@@@@@@@@@@@@@@@@@@@@@@@@@@@@@@@@@@@@@@@@@6Kg?O&@@@@@@@@L ?@@@@@@@he@@@@@@@? ?3@@@@@@
@@@@@@ O2@@@@@@@@@@@@@@@@@@@@@@@@@@@@@@@@@@@@@@@@@L ?7@@@@ N@@@@@@@@@@? ?3@@@@@@@@5?hf7@@?g?J@@@@@@@@@@@5 J@@@@Hh?@@@@@@@@@he?N@@@(M?@@@@ @@@@@@@@@@@@@@@@@@@@@@@@@@@@@@@@@@@@@@@@@@@@@@@@@@@@@@@@@@@@@@@@@@@@@@@@@@@@@@@@@@@@@@@@@@@@@@@@@@@@@@@@@@@@@@@@@@@@@@@@@@@@@@@@@@@@@@@@@@@@@@@@@@@@@@@@@@@@@@@@@@@@@@@@@@@@@@@@@@@@@@@@@@@@@@@@@@@@@@@@@@@@@@@@@@@@@@@@@@@@@@@@@@@@@@@@@@@@@@@@@@@@@@@@@@@@@@@@@@@@@@@@@@@@@@@@@@@@@@@@@@@@@@@@@@@@@@@@@@@@@@@@@@@@@@@@@@@@@@@@@@@@@@@@@@@@@@@@@@@@@@@@@@@@@@@@@@@@@@@@@@@@@@@@@@@@@@@@@@@@@@@@@@@@@@@@@@@@@@@@@@@@@@@@@@@@@@@@@@@@@@@@@@@@@@@@@@@@@@@@hf?@@? ?@@@@? @@@@@@@?e?@@@he?@@@@Lhe@@@@ N@@@ @@@@@@ @@@@@@@@@@@@@@@@@@@@@@@@@@@@@@@@@@@@@?hf?3@@@@L?heV@@@eO&@@L? ?@@@@@@@@@@@@@@@ I4@@@@@@@@@@@@@@@@@@@@@@@@@@@@@@@@@@@@@@@@@@@@@@@@@@@)K? ?@@@@@@@he@@@@@@@? ?N@@@@@@
3@@@@@L? ?O2@@@@@@@@@@@@@@@@@@@@@@@@@@@@@@@@@@0M??I'@@@@1 ?@@@@5 ?@@@@@@@@@@? ?V'@@@@@@0Y?hf@@5?g?7@@@@@@@@@@@H 7@@@@?h?@@@@@@@@@hf@@@He@@@@hf?J@@@@@@@@@@@@@@@@@@@@@@@@@@@@@@@@@@@@@@@@@@@@@@@@@@@@@@@@@@@@@@@@@@@@@@@@@@@@@@@@@@@@@@@@@@@@@@@@@@@@@@@@@@@@@@@@@@@@@@@@@@@@@@@@@@@@@@@@@@@@@@@@@@@@@@@@@@@@@@@@@@@@@@@@@@@@@@@@@@@@@@@@@@@@@@@@@@@@@@@@@@@@@@@@@@@@@@@@@@@@@@@@@@@@@@@@@@@@@@@@@@@@@@@@@@@@@@@@@@@@@@@@@@@@@@@@@@@@@@@@@@@@@@@@@@@@@@@@@@@@@@@@@@@@@@@@@@@@@@@@@@@@@@@@@@@@@@@@@@@@@@@@@@@@@@@@@@@@@@@@@@@@@@@@@@@@@@@@@@@@@@@@@@@@@@@@@@@@@@@@@@@@@@@@@@@@@@@@@@@@@@@@@@@@@@@@@@@@@@@@hfJ@5? ?@@@@? @@@@@@@?e?@@@he?@@@@1he3@@@ ?@@@ @@@@@@ 3@@@@@@@@@@@@@@@@@@@@@@@@@@@@@@@@@@@@?hf?N@@@@1?g?O2@@@@@@@@@@@)K ?O&@@@@@@@@@@@@@@@L? ?I'@@@@@@@@@@@@@@@@@@@@@@@@@@@@@@@@@@@@@@@@@@@@@@@@@@@@6K? ?@@@@@@@he3@@@@@@? @@@@@@
N@@@@@1? ?O2@@@@@@@@@@@@@@@@@@@@@@@@@@@@@@@@@@@0MgN@@@@@ ?@@@@H ?@@@@@@@@@@? V4@@@0M? @@H?g?@@@@@@@@@@@@? @@@@@?h?@@@@@@@@@hf@@@?e@@@@hf?7@@@@@@@@@@@@@@@@@@@@@@@@@@@@@@@@@@@@@@@@@@@@@@@@@@@@@@@@@@@@@@@@@@@@@@@@@@@@@@@@@@@@@@@@@@@@@@@@@@@@@@@@@@@@@@@@@@@@@@@@@@@@@@@@@@@@@@@@@@@@@@@@@@@@@@@@@0?4@@@@@@@@@@@@@@@@@@@@@@@@@@@@@@@@@@@@@@@@@@@@@@@@@@@@@@@@@@@@@@@@@@@@@@@@@@@@@@@@@@@@@@@@@@@@@@@@@@@@@@@@@@@@@@@@@@@@@@@@@@@@@@@@@@@@@@@@@@@@@@@@@@@@@@@@@@@@@@@@@@@@@@@@@@@@@@@@@@@@@@@@@@@@@@@@@@@@@@@@@@@@@@@@@@@@@@@@@@@@@@@@@@@@@@@@@@@@@@@@@@@@@@@@@@@@@@@@@@@@@@@@@@@@@@@@@@@@@@@@@@@@hf7@H? ?3@@@? @@@@@@5?e?@@@he?@@@@@heN@@@ ?@@@L? @@@@@@L? N@@@@@V'@@@@@@@@@@@@@@@@@@@@@@@@@@@@@? 3@@@@?f?W2@@@@@@@@@@@@@@@6Xg?W26X? O2@@@@@@@@@@@@@@@@@@1? N@@@@@@@@?gI4@@@@@@@@@@@@@@@@@@@@@@@@@@@@@@@@@@@@@@@@@@@@@@@@@@@6KO@K ?@@@@@@@heN@@@@@@? @@@@@@
?@@@@@@? ?O2@@@@@@@@@@@@@@@@@@@@@@@@@@@@@@@@@@0M?h?3@@@@L? J@@@@? ?@@@@@@@@@@? ?J@@h?@@@@@@@@@@@5? @@@@@?h?@@@@@@@@@hf@@@?e@@@@hf?@@@@@@@@@@@@@@@@@@@@@@@@@@@@@@@@@@@@@@@@@@@@@@@@@@@@@@@@@@@@@@@@@@@@@@@@@@@@@0M I40MfI4@@@0MI4@@0M?eI4@0MI@?@Me?I4@@@0?@?40MI@MfI@M?I@M?fI40M ?I4@@@0Mg?I@?4@@0?4@@@0M?I@M?I4@0M?hI4@@@@@@@@@@0MI4@@@@@@@@@@@@@@@@@@@@@@@@@@@@@@@@@@@@@@hf@@ ?N@@@L @@@@@@H?e?@@@he?3@@@@he?@@@L? ?@@@1? @@@@@@1? ?@@@@@?V'@@@@@@@@@@@@@@@@@@@@@@@@@@@@L N@@@@Lf?7@@@@@@@@@@@@@@@@@1g?7@@)K ?O2@@@@@@@@@@@@@@@@@@@@@@@@@@@@@@@@L ?@@@@@@@@?h?I@Me?I@?4@@@@@@@@@@@@@@@@@@@@@@@@@@@@@@@@@@@@@@@@@@@@@@@@@@@@6K? ?@@@@@@@he?@@@@@@? ?J@@@@@@
?3@@@@@L O2@@@@@@@@@@@@@@@@@@@@@@@@@@@@@@@@@@0Mhf?N@@@@1? 7@@@5? ?@@@@@@@@@@? ?7@@hJ@@@@@@@@@@@H? ?J@@@@@?h?@@@@@@@@@hf@@5?e@@@@hf?@@@@@@@@@@@@@@@@@@@@@@@@@@@@@@@@@@@@@@@@@@@@@@@@@@@@@@@@@@@@@@@@@@@@@@@@@@@ I'@@@@L?h?J@5 @@@1 @@@@@@f?@@@he?N@@@@he?@@@1? ?3@@@? 3@@@@@@? ?@@@@@eV'@@@@@@@@@@@@@@@@@@@@@@@@@@@1 ?@@@@1f?@@@@@@@@@@@@@@@@@@@g?@@@@@@@@@@@@@@6K?O2@@@@@@@@@@@@@@@@@@@@@@@@@@@@@@@@@@@)X? ?3@@@@@@@? ?@@@@@@@@@@@@@@@@@@@@@@@@@@@@@@@@@@@@@@@@@@@@@@@@6?2@6K? ?@@@@@@@he?3@@@@@? ?7@@@@@@
?N@@@@@1 ?O2@@@@@@@@@@@@@@@@@@@@@@@@@@@@@@@@@@0M? @@@@@? @@@@H? ?3@@@@@@@@@? ?@@5h7@@@@@@@@@@@ ?7@@@@5?h?@@@@@@@@@he?J@@H?e@@@@hf?@@@@@@@@@@@@@@@@@@@@@@@@@@@@@@@@@@@@@@@@@@@@@@@@@@@@@@@@@@@@@@@@@@@@@@@@@@@ ?N@@@@1?h?7@H @@@@ ?J@@@@@@fJ@@@hf@@@@L?h?@@@@? ?N@@@? N@@@@@@? ?@@@@@e?V'@@@@@@@@@@@@@@@@@@@@@@@@@@@ ?@@@@@f?3@@@@@@@@@@@@@@@@@@gJ@@@@@@@@@@@@@@@@@@@@@@@@@@@@@@@@@@@@@@@@@@@@@@@@@@@@@@@1? ?N@@@@@@@? ?3@@@@@@@@hI4@@@@@@@@@@@@@@@@@@@@@@@@@@@@@@@@@@@@@@@@@@@@@@@@@6K? ?@@@@@@@L?h?N@@@@@L J@@@@@@@
@@@@@@ ?O2@@@@@@@@@@@@@@@@@@@@@@@@@@@@@@@@@@@0M @@@@@L ?J@@@@ ?N@@@@@@@@@L ?@@Hh@@@@@@@@@@@5 ?@@@@@H?h?3@@@@@@@@he?7@@f@@@@hf?@@@@@@@@@@@@@@@@@@@@@@@@@@@@@@@@@@@@@@@@@@@@@@@@@@@@@@@@@@@@@@@@@@@@@@@@@@@ 3@@@@?h?@@? @@@@ ?7@@@@@@f7@@@hf@@@@1?h?3@@@? @@@L ?@@@@@@L ?@@@@@L?eV4@@@@@@@@@@@@@@@@@@@@@@@@@@ ?3@@@@f?V4@0Mh@@@@@@L?f7@@@@@@@@@@@@@@@@@@@@@@@@@@@@@@@@@@@@@@@@@@@@@@@@@@@@@@@@? @@@@@@@L ?N@@@@@@@@ I4@@@@@@@@@@@@@@@@@@@@@@@@@@@@@@@@@@@@@@@@@@@@@6K?fO@K? ?3@@@@@@)Xhe3@@@@)X?hf7@@@@@@@
3@@@@@L? ?O2@@@@@@@@@@@@@@@@@@@@@@@@@@@@@@@@@0M 3@@@@1 ?7@@@5 @@@@@@@@@1 J@@?h@@@@@@@@@@@H ?@@@@@he?N@@@@@@@@heJ@@@f@@@@hfJ@@@@@@@@@@@@@@@@@@@@@@@@@@@@@@@@@@@@@@@@@@@@@@@@@@@@@@@@@@@@@@@@@@@@@@@@@@@ N@@@@? @@@@ ?@@@@@@5f@@@5hf@@@@@?h?N@@@L @@@1 ?@@@@@@1 ?3@@@@1?hI@?'@@@@@@@@@@@@@@@@@@ ?N@@@@L? 3@@@@@1?f@@@@@@@@@@@@@@@@@@@@@@@@@@@@@@@@@@@@@@@@@@@@@@@@@@@@@@@@5? 3@@@@@@1 @@@@@@@@ ?I4@@@@@@@@@@@@@@@@@@@@@@@@@@@@@@@@@@@@@@@@@@@@@@@6K ?N@@@@@@@)K?hN@@@@@)Xhf@@@@@@@@
N@@@@@1? O2@@@@@@@@@@@@@@@@@@@@@@@@@@@@@@@@@0M? N@@@@@ ?@@@@H @@@@@@@@@@ 7@5?g?J@@@@@@@@@@@? ?@@@@@hf@@@@@@@@he7@@@f3@@@hf@@@@@@@@@@@@@@@@@@@@@@@@@@@@@@@@@@@@@@@@@@@@@@@@@@@@@@@@@@@@@@@@@@@@@@@@(M ?@@@@? @@@@ ?@@@@@@Hf@@@Hhf3@@@@?he@@@1 3@@@ ?@@@@@@@ ?N@@@@@?he?N@@@@@@@@@@@@@@@@@@ @@@@)X N@@@@@@?f@@@@@@@@@@@@@@@@@@@@@@@@@@@@@@@@@@@@@@@@@@@@@@@@@@@@@@@@H? N@@@@@@@ 3@@@@@@@L? I4@@@@@@@@@@@@@@@@@@@@@@@@@@@@@@@@@@@@@@@@@@@@@@@@@@6K @@@@@@@@@6K?gJ@@@@@@)K?gO2@@@@@@@@@5
?@@@@@@? ?O2@@@@@@@@@@@@@@@@@@@@@@@@@@@@@@@@@@@0M ?@@@@@ J@@@@? @@@@@@@@@@ ?J@@H?g?7@@@@@@@@@@5? ?@@@@@hf@@@@@@@@he@@@5fN@@@hf?@@@@@@@@@@@@@@@@@@@@@@@@@@@@@@@@@@@@@@@@@@@@@@@@@@@@@@@@@@@@@@@@@@@@@@(Y? ?@@@@? @@@@ ?@@@@@@?f@@@?hfN@@@@?he@@@@ N@@@ ?@@@@@@@ @@@@@?he?J@@@@@@@@@@@@@@@@@@ @@@@@1 J@@@@@@?e?J@@@@V40MheI4@@@@@@@@@@@@@@@@@@@@@@@@@@?@@@@@@@@@ ?@@@@@@@ N@@@@@@@1? ?I@?4@@@@@@@@@@@@@@@@@@@@@@@@@@@@@@@@@@@@@@@@@@@6KO2@@6K 3@@@@@@@@@@@@@6K?O&@@@@@@@@@@@@@@@@@@@@@@@@@@H
?@@@@@@? ?O2@@@@@@@@@@@@@@@@@@@@@@@@@@@@@@@@@@0M? ?3@@@@L? 7@@@5? @@@@@@@@@@ ?7@@h?@@@@@@@@@@@H? J@@@@@hf@@@@@@@@he@@@Hf?@@@hf7@@@@@@@@@@@@@@@@@@@@@@@0?@MI4@@@@@@0Mg?I4@@@@@@@@@@@@@@@@@@@@@@@0Y ?@@@@? @@@@ ?@@@@@@?f@@@?hf?@@@@Lhe3@@@ ?@@@L? ?3@@@@@@ 3@@@@?heW&@@@@@@@@@@@@@@@@@@ @@@@@@eO2@6K?g?O&@@@@@@?e?7@@@5 ?I4@@@@@@@@@@@@@@@@@@@?@@@@@@@@@L? ?@@@@@@@L? ?@@@@@@@@? I4@@@@@@@@@@@@@@@@@@@@@@@@@@@@@@@@@@@@@@@@@@@@@@6K N@@@@@@@@@@@@@@@@@@@@@@@@@@@@@@@@@@@@@@@@@@@5?
?3@@@@@L ?O2@@@@@@@@@@@@@@@@@@@@@@@@@@@@@@@@@@0M? ?N@@@@1? @@@@H? @@@@@@@@@@ ?@@@hJ@@@@@@@@@@@ 7@@@@5hf@@@@@@@@he@@@?f?@@@hf@@@@@@@@@@@@@@@@@@@0M? ?@@@@? @@@@ J@@@@@5?e?J@@@?f?O2@f?@@@@1heN@@@ ?@@@1? ?N@@@@@@L? N@@@@?h?W&@@@@@@@@@@@@@@@@@@@ ?J@@@@@@@@@@@@@@@@@@@@@@@@@@@@@?e?@@@@H W@@@@@?@@@@@@@@@1? ?3@@@@@@1? ?3@@@@@@@L ?I4@@@@@@@@@@@@@@@@@@@@@@@@@@@@@@@@@@@@@@@6KO26K ?3@@@@@@@@@@@@@@@@@@@@@@@@@@@@@@@@@@@@@@@@@(Y?
?N@@@@@1 ?O2@@@@@@@@@@@@@@@@@@@@@@@@@@@@@@@@@@0M? 3@@@@? ?J@@@@ @@@@@@@@@@ ?@@5h7@@@@@@@@@@@ @@@@@Hhf@@@@@@@@he@@@?f?@@@hf@@@@@@@@@@@@@@@@(M ?@@@@? @@@@ 7@@@@@H?e?7@@@?eW2@@@@f?@@@@@he?@@@L? ?@@@@? @@@@@@1? ?@@@@Lh?7@@@@@@@@@@@@@@@@@@@@ ?7@@@@@@@@@@@@@@@@@@@@@@@@@@@@@?e?@@@@L O@K?f7@@@@@@@@@@@@@@@@L ?N@@@@@@@L ?N@@@@@@@1 I4@@@@@@@@@@@@@@@@@@@@@@@@@@@@@@@@@@@@@@@@@@@@6?@K ?V'@@@@@@@@@@@@@@@@@@@@@@@@@@@@@@@@@@@@@@@(Y
@@@@@@ O2@@@@@@@@@@@@@@@@@@@@@@@@@@@@@@@@@@0M N@@@@L ?7@@@5 3@@@@@@@@@ ?@@Hh@@@@@@@@@@@5 @@@@@?hf@@@@@@@@h?J@@5?f?@@@hf@@@@@@@@@@@@@@@(Y? ?@@@@? 3@@@L? @@@@@@f?@@@5?e7@@@@5f?@@@@@he?@@@1? ?@@@@? @@@@@@@? ?@@@@1h?@@@@@@@@@@@@@@@@@@@@@L?hf?3@@@@@@@@@@@@@@@@@@@@@@@@@@@@@?e?3@@@)K? ?O2@@@@@@@e?J@@@@@@@@@@@@@@@@@1 3@@@@@@1 @@@@@@@@ I4@@@@@@@@@@@@@@@@@@@@@@@@@@@@@@@@@@@@@@@@@@@6KO@K V'@@@@@@@@@@@@@@@@@@@@@@@@@@@@@@@@@@@@@(Y?
3@@@@@ ?O2@@@@@@@@@@@@@@@@@@@@@@@@@@@@@@@@@@0M? ?@@@@1 ?@@@@H N@@@@@@@@@ J@5?g?J@@@@@@@@@@@H ?J@@@@@?hf@@@@@@@@h?7@@H?f?@@@hf@@@@@@@@@@@@@@@H ?@@@@? N@@@1? @@@@@@f?@@@H??J@@@@(Yf?3@@@@he?@@@@? ?3@@@? 3@@@@@@? ?3@@@@h?@@@@@@@@@@@@@@@@@@@@@1?hf?V'@@@@@@@@@@@@@@@@@@@@@@@@@@@@?e?V'@@>@@@@@@@@@@@@@6K?fO2@@@@@@@@@@e?7@@@@@@@@@@@@@@@@@@ N@@@@@@@ 3@@@@@@@L? ?I4@@@@@@@@@@@@@@@@@@@@@@@@@@@@@@@@@@@@@@@@@@@@@@@@@@6K? ?V4@@@@@@@@@@@@@@@@@@@@@@@@@@@@@@@@@@@(Y
N@@@@@L? O2@@@@@@@@@@@@@@@@@@@@@@@@@@@@@@@@@@0M ?@@@@@ ?@@@5? ?@@@@@@@@@L? 7@H?g?7@@@@@@@@@@@? ?7@@@@@?hf@@@@@@@@L?g?@@@g?@@@hf@@@@@@@@@@@@@@5? ?@@@@? ?@@@@? @@@@@@f?@@@e?7@@@(Y?f?N@@@@L?h?3@@@? ?N@@@L N@@@@@@? ?N@@@@L?g?@@@@@@@@@@@@@@@@@@@@@@L V'@@@@@@@@@@@@@@@@@@@@@0M?hV'>@@@@@@@@@@@@@@@@@@@@@@@@@@@@@@@@@eJ@@@@@@@@@@@@@@@@@@@L? ?@@@@@@@L? N@@@@@@@1? ?I4@0?4@@@@@@@@@@@@@@@@@@@@@@@@@@@@@@@@@@@@@@@@@@@@@@6?@K? ?I4@@@@@@@@@@@@@@@@@@@@@@@@@@@@@@@@0Y?
?@@@@@1? ?O2@@@@@@@@@@@@@@@@@@@@@@@@@@@@@@@@@@@0M ?3@@@@ J@@@H? ?@@@@@@@@@1? @@h?@@@@@@@@@@@@? ?@@@@@5?he?J@@@@@@@@1?gJ@@@g?@@@he?J@@@@@@@@@@@@@0Y? ?@@@@? ?@@@@? @@@@@@f?@@@eJ@@@(Yh@@@@1?h?N@@@Le?O26X?he@@@1 ?@@@@@@? @@@@1?g?@@@e@@@@@@@@@@@@@@@@@1 ?V'@@@@? ?N@@@@@@@@@@@@@@@@@@@@@@@@@@@@@@@@@@?W&@@@@@@@@@@@@@@@@@@@1? ?3@@@@@@)K ?@@@@@@@@? ?I4@@@@@@@@@@@@@@@@@@@@@@@@@@@@@@@@@@@@@@@@@@6?@K? ?I4@@@@@@@@@@@@@@@@@@@@@@@@@@@@0M?
?3@@@@@? ?O2@@@@@@@@@@@@@@@@@@@@@@@@@@@@@@@@@@@0M ?N@@@@L? 7@@@ ?@@@@@@@@@@? ?J@@h?@@@@@@@@@@@5? ?@@@@@H?he?7@@@@@@@@@?g7@@@g?@@@he?7@@@@@@@@@@(M ?@@@@L ?@@@@? ?J@@@@@@fJ@@@e7@@@H?h@@@@@?he@@@1?W2@@@1?he@@@@ ?@@@@@@? @@@@@?g?@@5e3@@@@@@@@@@@@@@@@@L? N@@@@? @@@@@@@@@@@@@@@@@@@@@@@@@@@@@@@@@5?7@@@@@?@@@@@@@@@@@@@@@? ?N@@@@@@@@6K ?@@@@@@@@L I@M??I4@@@@@@@@@@@@@@@@@@@@@@@@@@@@@@@@@@@@@@@@@@@@@@@@@@@6K I4@@@@@@@@@@@@@@@@@@@@@@@0M?
?N@@@@@L ?O2@@@@@@@@@@@@@@@@@@@@@@@@@@@@@@@@@@@@0M? @@@@1? ?J@@@5 ?@@@@@@@@@@? ?7@@hJ@@@@@@@@@@@H? ?@@@@@hf?@@@@@@@@@@?g@@@5g?@@@he?@@@@@@@@@@@H? ?3@@@1 ?@@@@? ?7@@@@@@f7@@@?J@@@5he3@@@@?he@@@@W&@@@@5?he3@@@ ?@@@@@@? @@@@@?g?@@HeN@@@@@@@@@@@@@@@@@1? ?@@@@? ?J@@@@@@@@@@@@@@@@@@@@@@@@@@@@@@@@0Y?@@@@@@?@@@@@@@@@@@@@@5? @@@@@@@@@@6X ?3@@@@@@@1 I4@@0?4@@@@@@@@@@@@@@@@@@@@@@@@@@@@@@@@@@@@@@@@@@@@@6K I4@@@@@@@@@@@@@@@@0M
@@@@@1 ?O2@@@@@@@@@@@@@@@@@@@@@@@@@@@@@@@@@@@0M 3@@@@? ?7@@@H ?@@@@@@@@@@? ?@@5h7@@@@@@@@@@@ ?@@@@@hf?@@@@@@@@@@?g@@@Hg?@@@he?@@@@@@@@@@5 ?N@@@@ ?@@@@L ?@@@@@@5f@@@@?7@@@HheN@@@@?he3@@@@@@@@(Y?heN@@@ ?3@@@@@L @@@@@?g?@@?e?3@@@@@@@@@@@@@@@@@L ?@@@@? ?W26?&@@@@@0M? I'@@@@@@f?@@@@@5?@@@@@@@@@@@@@@H? 3@@@@@@@@@@)X? ?N@@@@@@@@L? I4@@@@@@@@@@@@@@@@@@@@@@@@@@@@@@@@@@@@@@@@@@@@@@@@@@@@@@@@@@6K
3@@@@@ ?O2@@@@@@@@@@@@@@@@@@@@@@@@@@@@@@@@@@@@0M? N@@@@L ?@@@@? ?@@@@@@@@@@? J@@Hh@@@@@@@@@@@5 J@@@@5hfJ@@@@@@@@@@Lg@@@?g?@@@he?@@@@@@@@@(Y @@@@ ?@@@@1 ?@@@@@@Hf@@@@?@@@@?he?@@@@?heN@@@@@@@0Yhf?@@@L? ?N@@@@@1 @@@@@LgJ@@?e?N@@@@@@@@@@@@@@@@@1 ?@@@@? O2@6K?O&@@@@@@@? ?N@@@@@@f?@@@@@H?@@@@@@@@@@@@@5 N@@@@@@@@@@@)X 3@@@@@@@1? ?I4@0?4@@@@@@@@@@@@@@@@@@@@@@@@@@@@@@@@@@@@@@@@@@@@6X?
N@@@@@L? O2@@@@@@@@@@@@@@@@@@@@@@@@@@@@@@@@@@@@0M ?@@@@1 ?@@@5? ?@@@@@@@@@@? 7@5?h@@@@@@@@@@@H 7@@@@Hhf7@@@@@@@@@@1g@@@?g?@@@he?@@@@@@@@0Y? @@@@?O@K ?3@@@@ ?@@@@@@?f@@@@@@@@@?he?@@@@?he?@@@@@@? ?@@@1? @@@@@@ 3@@@@1g@@@?f@@@@@@@@@@@@@@@@@@ ?@@@@?hfW2@@@@@@@@@@@@@@@@@? @@@@@@f?@@@@@e@@@@@@@@@@@@@? ?@@@@@@@@@@@@)X? N@@@@@@@@? I40?4@@@@@@@@@@@@@@@@@@@@@@@@@@@@@@@@@@@)X
?@@@@@1?hfO2@@@@@@@@@@@@@@@@@@@@@@@@@@@@@@@@@@@0M? ?3@@@@ J@@@H? ?3@@@@@@@@@? @@H?g?J@@@@@@@@@@@? @@@@@?hf@@@@@@@@@@@5f?J@@@?g?@@@heJ@@@@@@@ @@@@@@@@@6K? ?N@@@@ ?@@@@@@?f@@@?@@@@@?he?@@@@Lhe?@@@@@5? ?3@@@? @@@@@@L? N@@@@@gN@@?f@@@@@@@@@@@@@@@@@@ ?@@@@Lhe?O&@@@@@@@@@@@@@@@@@5? @@@@@5fJ@@@@@?J@@@@@@@@@@@@@@ ?3@@@@@@@@@@@@)X ?@@@@@@@@L I4@@@@@@@@@@@@@@@@@@@@@@@@@)X?
?@@@@@@?hO2@@@@@@@@@@@@@@@@@@@@@@@@@@@@@@@@@@@@0M ?N@@@@L? 7@@@ ?N@@@@@@@@@? ?J@@hW&@@@@@@@@@@5? @@@@@?hf@@@@@@@@@@@Hf?7@@5?g?@@@he7@@@@@@5 @@@@@@@@@@@@@@@@@@6K @@@@ J@@@@@@?e?J@@@?3@@@@?he?@@@@1he?3@@@@H? ?N@@@? @@@@@@1? ?@@@@@gJ@@?f@@@@@@@@@@@@@@@@@@ ?@@@@1he@@@@@@@@@@@@@@@@@@@0Y? @@@@@Hf7@@@@@?7@@@@@@@@@@@@@H ?N@@@@@@@@@@@@@)X? ?3@@@@@@@1 ?I4@@@@@@@@@,?
?3@@@@@Lf?O2@@@@@@@@@@@@@@@@@@@@@@@@@@@@@@@@@@@@0M? @@@@1? @@@5 @@@@@@@@@? ?7@5h7@@@@@@@@@@@H? @@@@@?hf@@@@@@@@@@@?f?@@@H?g?@@@he@@@@@@@H @@@@@@@@@@@@@@@@@@@@@6K? @@@@ 7@@@@@@?e?7@@@?N@@@@?he?3@@@@he?N@@@@ @@@L 3@@@@@@? ?@@@@@g7@@?e?J@@@@@@@@@@@@@@@@@@ ?@@@@@h?J@@@@@@0MI4@@@@@@@? @@@@5?f@@@@@5?@@@@@@@@@@@@@@? @@@@@@@@@@@@@@)X ?N@@@@@@@@ ?I40Y? O26K
?N@@@@@)K?O2@@@@@@@@@@@@@@@@@@@@@@@@@@@@@@@@@@@@0M 3@@@@? ?J@@@H @@@@@@@@@? ?@@Hh@@@@@@@@@@@@ ?J@@@@5?he?J@@@@@@@@@@@?f?@@@h?@@@he@@@@@@@? @@@@@@@@@@@@@@@@@@@@@@@6K?hf@@@@ @@@@@@5?e?@@@@??3@@@?he?N@@@@hf@@@@ @@@1 N@@@@@@? ?@@@@@g@@@?e?7@@@@@@@@@@@@@@@@@@L?hf?@@@@@h?7@@@@0MfI'@@@@@? @@@@H?e@@@@@@@H?@@@@@@@@@@@@@5? 3@@@@@@@@@@@@@@1 @@@@@@@@ O2@@@@@@@@6K
@@@@@@@@@@@@@@@@@@@@@@@@@@@@@@@@@@@@@@@@@0M? N@@@@? ?7@@@? @@@@@@@@@L J@@?h@@@@@@@@@@@@ ?7@@@@H?he?7@@@@@@@@@@@?f?@@@h?@@@he@@@@@@@? 3@@@@@@@@@@@@@@@@@@@@@@@@6K?he@@@@ @@@@@@H?e?@@@@??N@@@?hf@@@@hf@@@@ @@@@ ?@@@@@@? ?@@@@@g@@@?eJ@@@@@@@@@@@@@@@@@@@1?hf?3@@@@hJ@@@(Mg?V'@@@@? ?J@@@5f@@@@@@@??@@@@@@@@@@@@@H? N@@@@@@@@@@@@@@@L? 3@@@@@@@L? ?W2@@@@@@@@@@@@@@6X? ?W2@6K
@@@@@@@@@@@@@@@@@@@@@@@@@@@@@@@@@@@@@@@0M? ?@@@@L ?@@@@? @@@@@@@@@1 7@5?g?J@@@@@@@@@@@5 ?@@@@@hf?@@@@@@@@@@@5?fJ@@5h?@@@he@@@@@@@? N@@@@@@@@@@@@@@@@@@@@@@@@@@@6Xh@@@@ ?J@@@@@@L?e?@@@@@@?@@@?hf@@@@L?he@@@@ @@@@ ?@@@@@@L ?3@@@@L?f@@@?e7@@@@@@@@@@@@@@@@?@@@Lhf?N@@@@L?g@@@@H?hN@@@@? ?7@@@Hf@@@@@@5?J@@@@@@@@@@@@5 ?@@@@@@@@@@@@@@@1? N@@@@@@@1? W&@@@@@@@@@@@@@@@@)X ?7@@@@6X
?O2@@@@@@@@@@@@@@@@@@@@@@@@@@@@@@@@@@@@@0M ?3@@@1 J@@@5? 3@@@@@@@@@ @@H?g?7@@@@@@@@@@@H ?@@@@@hf?@@@@@@@@@@@H?f7@@Hh?@@@he@@@@@@@? ?@@@@@@@@@@@@@@@@@@@@@@@@@@@@)X?g@@@@L? ?7@@@@@@1?e?@@@@@5?@@@?hf@@@@1?he3@@@ 3@@@ ?3@@@@@1 ?N@@@@1?e?J@@@??J@@@@@@@@@@@@@@@@@@@@@)X?hf@@@@1?gN@@5he?3@@@L ?@@@5?e?J@@@@@@H?7@@@@@@@@@@@@H ?3@@@@@@@@@@@@@@5? ?3@@@@@@@? ?W&@@@@@@@@@@@@@@@@@@)X?hf?@@@@@@1
O2@@@@@@@@@@@@@@@@@@@@@@@@@@@@@@@@@@@@@0M? ?N@@@@L? 7@@@H? N@@@@@@@@@ ?J@@h?@@@@@@@@@@@@? ?@@@@@hf?@@@@@@@@@@@g@@@?h?@@@h?J@@@@@@@? ?@@@@@@@@@@@@@@@@@@@@@@@@@@@@@)Kg@@@@1? ?3@@@@@@@?e?@@@@(Y?@@@?hf@@@@@?heN@@@ N@@@ ?N@@@@@@ @@@@@?e?7@@@?W&@@@@@@@@@@@@@@@@@@@@@@1?hf@@@@@?g?@@Hhe?N@@@)K? J@@@H?eW&@@@@@5e@@@@@@@@@@@@5? ?N@@@@@@@@@@@@@@H? ?N@@@@@@@L ?7@@@@@@@@@@@@@@@@@@@@)Xhf?@@@@@@@
O2@@@@@@@@@@@@@@@@@@@@@@@@@@@@@@@@@@@@@@0M @@@@1? @@@5 ?@@@@@@@@@ ?7@@hJ@@@@@@@@@@@5? ?@@@@5hfJ@@@@@@@@@@5g@@@?h?3@@h?7@@@@@@@? ?@@@@@@@@@@@@@@@@@@@@@@@@@@@@@@@6Kf@@@@@? ?N@@@@@@@?e?@@@@He@@@Lhf3@@@@Lhe?@@@ ?@@@L? @@@@@@ 3@@@@Le?@@@@T&@@@@@@@@@@@@@@@@@@@@@@@@Lhf@@@@@?g?@@?hf@@@@@6K? ?W&@@@f&@@@@@@He@@@@@@@@@@@@H? @@@@@@@@@@@@@@ @@@@@@@1 ?@@@@@@@@@@@@@@@@@@@@@@1hf?@@@@@@@
?O2@@@@@@@@@@@@@@@@@@@@@@@@@@@@@@@@@@@@@@0M? @@@@@? ?J@@@H ?@@@@@@@@@ ?@@5h7@@@@@@@@@@@H? J@@@@Hhf7@@@@@@@@@@Hg@@5?h?N@@h?@@@@@@@5? ?3@@@@@@@@@@@@@@@@@@@@@@@@@@@@@@@@@?e@@@@@? 3@@@@@@?eJ@@@5?e@@@1hfN@@@@1he?@@@ ?@@@1? @@@@@@ N@@@@1e?@@@V@@@@@@@@@@@@@@@@@@@@@@@@@@1hf3@@@@? @@@@@@@@ W&@@@@f?W@@@@@?e@@@@@@@@@@@@ 3@@@@@@@@@@@@@ @@@@@@@@L? ?@@@@@@@@@@@@@@@@@@@@@@@L?he?@@@@@@@
O2@@@@@@@@@@@@@@@@@@@@@@@@@@@@@@@@@@@@@0M? 3@@@@? ?7@@@? ?@@@@@@@@@ ?@@Hh@@@@@@@@@@@@ 7@@@@?hf@@@@@@@@@@@?f?J@@H?h?J@@h?@@@@@@@H? ?N@@@@eI4@@@@@@@@@@@@@@@@@@@@@@@@@Le@@@@@? N@@@@@@?e7@@@H??J@@@@hf?@@@@@he?@@@L? ?3@@@? @@@@@@L? ?@@@@@e?@@@@@@@@@@@@@@@@@@@@@@@@@@@@@@@L?heN@@@@L @@@@@@@@L?hf?O&@@@@@f?7@@@@@?e@@@@@@@@@@@@ N@@@@@@@@@@@@@ 3@@@@@@@1? J@@@@@@@@@@@@@@@@@@@@@@@)Xhe?@@@@@@@
O2@@@@@@@@@@@@@@@@@@@@@@@@@@@@@@@@@@@@0M N@@@@L ?@@@5? ?@@@@@@@@@ J@@?g?J@@@@@@@@@@@@ @@@@@?hf@@@@@@@@@@@?f?7@@he?7@@h?@@@@@@@ @@@@f?@@@@@@@@@@@@@@@@@@@@@@@@)X?@@@@@? ?3@@@@@?e@@@@e?7@@@@L?he?3@@@@he?@@@1? ?N@@@? @@@@@@@? ?@@@@@f?W@@@@@@@@@@@@@@@@@@@@@@@@@@@@)Xhe?@@@@1hW2@@6Xh@@@@@@@@1?gO2@@@@@@@@@@@@@@e?@@@@@@??J@@@@@@@@@@@5 ?@@@@@@@@@@@@@L? N@@@@@@@@? ?W&@@@@@@@@@@@@@@@@@@@@@@@@1he?@@@@@@@
O2@@@@@@@@@@@@@@@@@@@@@@@@@@@@@@@@@@@@@0M? ?3@@@1 ?@@@H? ?@@@@@@@@@ 7@5?g?7@@@@@@@@@@@5 ?J@@@@@?hf@@@@@@@@@@@?f?@@@he?3@@h?@@@@@@@ @@@@fJ@@@@@@@@@@@@@@@@@@@@@@@@@)X@@@@@? ?N@@@@@Le@@@@e?@@@@@1?he?N@@@@he?3@@@? @@@? 3@@@@@ ?@@@@@L?e?7@@@@@@@@@@@@@@@@@@@@@@@@@@@@@)X?h?3@@@@L?g7@@@@1h3@@@@@@@@W2@@@@@@@@@@@@@@@@@@@@5e?@@@@@5??7@@@@@@@@@@@H ?@@@@@@@@@@@@@@? ?@@@@@@@@? ?7@@@@@@@(M?e?I4@@@@@@@@@@@L?h?@@@@@@@L?
?O2@@@@@@@@@@@@@@@@@@@@@@@@@@@@@@@@@@@@@@@0M ?N@@@@ J@@@ ?3@@@@@@@@ @@H?g?@@@@@@@@@@@@H ?7@@@@5?hf@@@@@@@@@@5?f?@@@he?N@@h?@@@@@@@ @@@@f7@@@?I4@@@@@@@@@@@@@@@@@@@@@@@@@@? 3@@@@)X?@@@@e?@@@@@@?hf@@@@he?N@@@? @@@? N@@@@@1? ?3@@@@1?eJ@@@@@@@@@@@@@@@@@@@@@@@@@@@@@@@)Xh?N@@@@1?g@@@@@@L?gN@@@@@@@@@@@@@@@@@@@@@@@@@@@@@@?e?@@@@@H??@@@@@@@@@@@@? ?3@@@@@@@@@@@? ?3@@@@@@@L ?@@@@@@@(Yg?I4@@@@@@@@@1?h?@@@@@@@1?
@@@@@@@@@@@@@@@@@@@@@@@@@@@@@@@@@@@@@@@0M? @@@@L? 7@@5 ?N@@@@@@@@ ?J@@h?@@@@@@@@@@@@? ?@@@@@H?hf@@@@@@@@@@H?fJ@@@hf@@L?g?@@@@@@@ @@@@f@@@@f@@@@@@@@@@@@@@@@@@@@@@@@@? N@@@@@1?@@@5e?@@@@@@?hf@@@@L?he@@@L @@@L ?@@@@@@? ?N@@@@@?e7@@@@@@@@@@@(M?@@@@@@@@@@@@@@@@@@)X?h3@@@@Lg3@@@@@1?g?@@@@@@@@@@@@@@@@@@@@@@@@@@@@@@1e?@@@@@e?@@@@@@@@@@@@? ?N@@@@@@@@@@5? ?N@@@@@@@1 J@@@@@@(Y?he@@@@@@@@@Lh?3@@@@@@@?
?J@@@@@@@@@@@@@@@@@@@@@@@@@@@@@@@@@@@@@(M? @@@@1? ?J@@@H @@@@@@@@ ?7@5h?@@@@@@@@@@@5? ?@@@@@hf?J@@@@@@@@@@g7@@5hf@@1?g?@@@@@@@ @@@@f@@@@f@@@@@@@@@@@@@@@@@@@@@@@@@? ?@@@@@@?@@@He?@@@@@@?hf@@@@1?he3@@1 3@@1eO2@6X? ?@@@@@@L @@@@@??J@@@@@@@@@@@(Y??3@@@@@@@@@@@@@@@@@@1?hN@@@@1gN@@@@@@?g?3@@@@@@@@@@@@@@@@@@@@@@@@@@@@@@eJ@@@@5eJ@@@@@@@@@@@5? @@@@@@@@@@H? 3@@@@@@@L? 7@@@@@@Hhf3@@@@@@@@)X?g?N@@@@@@@?
?7@@@@@@@@@@@@@@@@@@@@@@@@@@@@@@@@@@@@@H 3@@@@? ?7@@@? @@@@@@@@L? ?@@Hh?@@@@@@@@@@@H? ?@@@@@hf?7@@@@@@@@@@g@@@Hhf@@@?g?@@@@@@@ @@@@L?e3@@@f@@@@@@@@@@@@@@@@@@@@@@@@@? ?3@@@@@@@@5?e?3@@@@@?hf3@@@@?heN@@@ N@@@W2@@@@1? ?@@@@@@1 @@@@@?O&@@@@@@@@@@(Ye?V'@@@@@@@@@@@@@@@@@@?h?3@@@@L?f?@@@@@@?g?N@@@@@@@@@0M?g?I'@@@@@@@@@L?7@@@@He7@@@@@@@@@@@H? 3@@@@@@@@@ N@@@@@@@1? @@@@@@@?hfV'@@@@@@@@1?h@@@@@@@?
?@@@@@@@@@@@@@@@@@@@@@@@@@@@@@@0M?@@@@@L N@@@@L J@@@5? @@@@@@@@1? ?@@?h?@@@@@@@@@@@ J@@@@@hf?@@@@@@@@@@@g@@@?hf@@@?g?@@@@@@@ 3@@@1?eN@@@f@@@@e@@@@@@@@@@@@@@@@@@@? ?N@@@@@@@@H?e?N@@@@@?hfN@@@@?he?@@@ ?@@@@@@@@@@? ?3@@@@@@ @@@@@@@@@@@@@@@@@(Y?fN@@@@@@@@@@@@@@@@@@Lh?N@@@@)Xf?3@@@@@Lh@@@@@@@?hfN@@@@@@@@@)X@@@@@?e@@@@@@@@@@@@ N@@@@@@@@@ ?@@@@@@@@L @@@@@@@?hf?N@@@@@@@@@Lh@@@@@@@?
?W26KO26X@@@@@@@@@@@@@@@@@@@@@@@@@@0M?f@@@@@1 ?3@@@1 7@@@H? @@@@@@@@@? J@@?h?@@@@@@@@@@@ 7@@@@@hf?@@@@@@@@@@@g@@@?hf@@@?gJ@@@@@@@ N@@@@?e?@@@f@@@@e3@@@@@@@@@@@@@@@@@@L 3@@@@@@@g@@@@@?hf?@@@@Lhe?@@@ ?@@@@@@@0M ?N@@@@@@ @@@@@@@@@@@@@@@@@Hg?@@@@@@@@@@@@@@@@@@1he3@@@@1f?N@@@@@1h@@@@@@@?hf?3@@@@@@@@@@@@@@@?e@@@@@@@@@@@@ ?3@@@@@@@@ ?3@@@@@@@1 @@@@@@@? 3@@@@@@@@1h@@@@@@@?
W&@@@@@@@@@@@@@@@@@@@@@@@@@@@@@@0Mh3@@@@@ ?N@@@@L? @@@@ @@@@@@@@@? 7@5?h?@@@@@@@@@@5 @@@@@5hf?@@@@@@@@@@@g@@@?hf@@@?g7@@@@@@@ ?@@@@?e?@@@f@@@@eN@@@@@@@@@@@@@@@@@@1 N@@@@@@@g@@@@@Lhf?@@@@)?26Xg?@@@ ?@@@@@(M @@@@@@ 3@@@@@@@@@@@@@@@5?g?3@@@@@@@@@@@@@@@@@@heV'@@@@L?f@@@@@@h3@@@@@@Lhf?N@@@@@@@@@@@@@@5?e@@@@@@@@@@@@ ?N@@@@@@@5 ?N@@@@@@@@ @@@@@@@? N@@@@@@@@@L?g@@@@@@@?
?W&@@@@@@@@@@@@@@@@@@@@@@@@@@@@0M?heN@@@@@L? @@@@1? ?J@@@5 @@@@@@@@@? @@H?hJ@@@@@@@@@@H @@@@@Hhf?@@@@@@@@@@@g@@@?hf@@@?g@@@@@@@5 ?@@@@?e?3@@f@@@@e?3@@@@@@@@@@@@@@@@@@ ?@@@@@@5g3@@@@1hf?@@@@@@@@1g?3@@L? ?3@@@(Y? @@@@@@L? N@@@@@@@@@@?@@@@H?g?V'@@@@@@@@@@@@@@@@@L?h?V'@@@)Xf3@@@@@hV'@@@@@1 3@@@@@@@@@@@@@H??J@@@@@@@@@@@5 @@@@@@@? @@@@@@@@ 3@@@@@@L ?3@@@@@@@@)Xg@@@@@@@?
W&@@@@@@@@@@@@@@@@@@@@@@@@@@0M ?@@@@@1? @@@@@? ?7@@@H @@@@@@@@@? ?J@@he7@@@@@@@@@@? @@@@@?hfJ@@@@@@@@@@5f?J@@5?hf@@@?g@@@@@@@H ?@@@@?e?N@@L?e3@@@e?N@@@@@@@@@@@@@@@@@@ ?3@@@@@HgN@@@@@hf?3@@@@@@@@g?N@@1? ?N@@@H @@@@@@1? ?@@@@@@@@@@@@@@@heN@@@@@@@@@@@@@@@@@1?heV'@@@)X?eN@@@@@h?N@@@@@@ V'@@@@@@@@@@@@e?7@@@@@@@@@@@H @@@@@@@1 3@@@@@@@L? N@@@@@@1 ?V'@@@@@@@@)X?f@@@@@@@?
7@@@@@@@@@@@@@@@@@@@@@@@@0M? ?3@@@@@? 3@@@@? ?@@@@? @@@@@@@@@L ?7@@h?J@@@@@@@@@@@? @@@@@?hf7@@@@@@@@@@Hf?7@@H?hf@@@?g@@@@@@@? ?@@@@?f3@,?eN@@@f@@@@@@@@@@@@@@@@@@ ?V4@@@@?g?@@@@@hf?N@@@@@@@@h@@@? @@@? 3@@@@@@? ?@@@@@@@@@@@@@@@he?@@@@@@@@@@@@@@@@@@?he?V'@@@)Xe?@@@@@L?h@@@@@@ ?N@@@@@@@@@@@@e?@@@@@@@@@@@@? 3@@@@@@@L? N@@@@@@@1? ?@@@@@@@L? N@@@@@@@@@1?f@@@@@@@?
?J@@@@@@@@@@@@@@@@@@@@@@0M ?N@@@@@? N@@@@L ?@@@@? 3@@@@@@@@1 J@@5h?7@@@@@@@@@@5? ?J@@@@@?hf@@@@@@@@@@@?f?@@@ @@@?g@@@@@@@? ?3@@@LfV'Y?e?@@@f@@@@@@@@@@@@@@@@@@L? ?I'@@?g?@@@@@ @@@@@@@@h@@@? @@@LfO)X? N@@@@@@? ?@@@@@@@@@@@@@@@he?3@@@@@@@@@@@@@@@@@?hfV'@@@)X??3@@@@1?h@@@@@@L? 3@@@@@@@@@@@eJ@@@@@@@@@@@@? N@@@@@@@1? ?@@@@@@@@? ?@@@@@@@)K ?3@@@@@@@@@?e?J@@@@@@@?
?7@@@@@@@@@@@@@@@@@@@0M? @@@@@? ?@@@@1 J@@@5? N@@@@@@@@@ 7@@Hh?@@@@@@@@@@@H? ?7@@@@5?hf@@@@@@@@@@5?f?@@@ @@@?g@@@@@@@? ?N@@@)K?hJ@@@f@@@@@@@@@@@@@@@@@@1? ?@@?g?3@@@@ @@@@@@@@L?g3@@L 3@@1?W2@@@1? ?@@@@@@? ?3@@@@@@@@@@@@@@he?N@@@@@@@@@@@@@@@@@?hf?N@@@@)K?V@@@@@?h3@@@@@1? N@@@@@@@@@@@e7@@@@@@@@@@@@? ?@@@@@@@@? ?3@@@@@@@L ?3@@@@@@@@6Khf?V'@@@@@@@@@6KO&@@@@@@@?
J@@@@@@@@@@@@@@@@@@0M? @@@@@L ?3@@@@ 7@@@H? ?@@@@@@@@@ @@@?h?@@@@@@@@@@@ ?@@@@@H?hf@@@@@@@@@@H?f?@@5 @@@?g@@@@@@@? @@@@@@@@@@@6KO&@@@?O2@@@@@@@@@@@@@@@@@@@@? 7@@?g?N@@@@ 3@@@@@@@1?gN@@1 N@@@W&@@@@5? ?3@@@@@? ?N@@@@@@@@@@@@@@hf@@@@@@@@@@@@@@@@@? 3@@@@@@@@@@@@?hN@@@@@@? ?3@@@@@@@@@@e@@@@@@@@@@@@5? ?3@@@@@@@? ?N@@@@@@@1 ?N@@@@@@@@@@@@@6X?hN@@@@@@@@@@@@@@@@@@@@?
7@@@@@@@@@@@@@@@@0M? 3@@@@1 ?N@@@@L? ?J@@@@ ?@@@@@@@@@ ?J@@@?hJ@@@@@@@@@@@ ?@@@@@ @@@@@@@@@5g?@@H @@@?g@@@@@@@? ?J@@@@@@@@@@@@@@@@@@@@@@@@@@@@@@@@@@@@@@@@@L @@@?h@@@@L?hfN@@@@@@@@?g?@@@ ?@@@@@@@@(Y? ?N@@@@@L @@@@@@@@@@@@@@hf3@@@@@@@@@@@@@@@@? V'@@@@@@@@@@@Lh?@@@@@@L ?N@@@@@@@@@@@@@@@@@@@@@@@@H? ?N@@@@@@@? 3@@@@@@@ @@@@@@@@@@@@@@1?h?3@@@@@@@@@@@@@@@@@@@?
@@@@@@@@@@@@(M N@@@@@L? @@@@1? ?7@@@5 ?@@@@@@@@@ ?7@@5?h7@@@@@@@@@@5 ?@@@@@ @@@@@@@@@Hg?@@? @@@?g@@@@@@5? ?@@@@@@@@@@@@@@@@@@@@@@@@@@@@@@@@@@@@@?@@@@1 @@@?h@@@@1?hf?@@@@@@@@?g?@@@ ?@@@@@@@(Y @@@@@1 3@@@@@@@@@@@@@hfN@@@@@@@@@@@@@@@@? ?V4@@@@@@@@@@1h?3@@@@@)X? 3@@@@@@@@@@@@@@@@@@@@@@@ 3@@@@@@? N@@@@@@@L? 3@@@@@@@@@@@@@@?h?V'@@@@@@@@@@@@@@@@@@?
?J@@@@@@@@@@@(Y? ?@@@@@1? 3@@@@? ?@@@@H ?@@@@@@@@@L? ?@@@H?h@@@@@@@@@@@H ?@@@@@hf?J@@@@@@@@@?gJ@@? @@@?g@@@@@@H? ?N@@@@@@@@@@@@@@@@@@@@@@@@@@@@@@@@@@@@?@@@@@ @@@?h@@@@@?hf?@@@@@@@@?g?@@@ ?@@@@@@@H? @@@@@@ N@@@@@@@@@@@@@hf?@@@@@@@@@@@@@@@@L @@@@@@@@@@h?N@@@@@@1? N@@@@@@@@@@@@@@@@@@@@@@@ N@@@@@@L ?@@@@@@@1? V'@@@@@@@@@@@@@?heN@@@@@@@@@@@@@@@@@@?
?7@@@@@@@@@@@H ?3@@@@@? N@@@@? ?@@@@? ?@@@@@@@@@1? J@@@he@@@@@@@@@@@? J@@@@@hf?7@@@@@@@@@?g7@5? @@@Lf?J@@@@@@ @@@@@@@@@@@@@@@@@@@@@@@@@@@@@@@@@@@@?3@@@@ @@@?h3@@@@?hf?@@@@@@@@?g?3@@L? ?@@@@@@5 @@@@@@ ?@@@@@@@@@@@@@hf?@@@@@@@@@@@@@@@@1 @@@@@@@@@@L?h@@@@@@@L ?@@@@@@@@@@@@@@@@@@@@@@5 ?@@@@@@1 ?3@@@@@@@? ?V'@@@@@@@@@@@@?he?3@@@@@@@@@@@@@@@@@?
J@@@@@@@@@@@@? ?N@@@@@? ?@@@@L J@@@5? ?@@@@@@@@@@? 7@@@h?J@@@@@@@@@@@? 7@@@@5hf?@@@@@@@@@@?g@@H?heW2@@@@@1f?7@@@@@@ @@@@@@@@@@@@@@@@@@@@@@@@@@@@@@@@@@@@?N@@@@ @@@?hN@@@@?hf?@@@@?@@@?g?N@@1? ?3@@@@@H @@@@@@L? ?@@@@@@@@@@@@@L?he?@@@@@@@@@@@?@@@@@ ?@@@@@1?h@@@@@@@1 ?@@@@@@@@@@@@@@@@@@@@@(Y ?@@@@@@@L? ?N@@@@@@@L V'@@@@@@@@@@@?he?V4@@@@@@@@@@@@@@@5?
7@@@@@@@@@@@5? @@@@@L ?3@@@1 7@@@H? ?3@@@@@@@@@? ?J@@@@h?7@@@@@@@@@@5? @@@@@Hhf?@@@@@@@@@5?f?J@@he?W&@@@@@@@L?e?3@@@@@@ 3@@@@@@@@@@@@@@@@@@@@@@@@@@@@@@@@@@5e@@@@ ?J@@5?h?@@@@Lhf?3@@@W@@@Lh@@@? ?N@@@@5? @@@@@@1? ?@@@@@@@@@@@@@1?heJ@@@@@@@@@@@?@@@@@ ?3@@@@@?h3@@@@@@@ ?@@@@@@@@@@@@@@@@@@@@(Y? ?3@@@@@@1? @@@@@@@1 ?V4@@@@@@@@@@?hf?I'@@@@@@@@@@@@0Y?
?'@? ?J@@@@@@@@@@@@H? @@@@@1 ?N@@@@L? @@@5 ?N@@@@@@@@@? O&@@@@L?g?@@@@@@@@@@@H? @@@@@?hfJ@@@@@@@@@H?f?7@@heW&@@@@@@@@1?e?N@@@@@@ N@@@@@@@@@@@@@@@@@@@@@@@@@@@@@@@@@@He@@@@ ?7@@H?h?@@@@1hf?N@@@@Y@@1h@@@? @@@@H? 3@@@@@@? ?@@@@@@@@@@@@@@?he7@@@@@@@@@@5?@@@@@ ?N@@@@@?hN@@@@@@@ ?3@@@@@@@@@@@@@@@@@@(Y ?N@@@@@@@W)X 3@@@@@@@ ?I4@@@@@@@5? V4@@@@@@@@@@
?V'? ?7@@@@@@@@@@@5 3@@@@@ @@@@1? ?J@@@H @@@@@@@@@?hfO2@@@@@@)KgJ@@@@@@@@@@@ @@@@5?hf7@@@@@@@@@g?@@@he7@@@@@@@@@@Lf@@@@@@ ?@@@@@@@@@@@@@@@@@@@@@@@@@@@@@@@@@5?e@@@@L? ?@@@he?@@@@@ @@@@?@@@h@@@? @@@@ N@@@@@@? ?@@@@@@@@@@@@@@Lhe@@@@@@@@@@@H?@@@@5 @@@@@Lh?@@@@@@@ ?V4@@@@@@@@@@@@@@@@(Y? @@@@@@@@@1 N@@@@@@@L? I@?(Y? ?I4@@@@@@@
J@@@@@@@@@@@@H N@@@@@ 3@@@@? ?7@@@? @@@@@@@@@?he?@@@@@@@@@@@6Xf7@@@@@@@@@@5 ?J@@@@H?hf@@@@@@@@@@g?@@5he@@@@@@@@@@@1f@@@@@@ ?@@@@@@@@@@@@@@@@@@@@@@@@@@@@@@@@(Y?e3@@@1? ?@@@he?@@@@@ @@@@@@@@h3@@L @@@@ ?@@@@@@? ?3@@@@@@@@@@@@@)X?h@@@@@@@@@@@??@@@(Y @@@@@1h?@@@@@@@ ?I4@@@@@@@@@@@@@@H 3@@@@@@@@@ ?@@@@@@@1?
7@@@@@@@@@@@@? ?@@@@@L? N@@@@? ?@@@5? @@@@@@@@@?heJ@@@@@@@@@@@@1f@@@@@@@@@@@H ?7@@@@ @@@@@@@@@@g?@@Hhe@@@@@@@@@@@@f@@@@@5 ?@@@@@@@@@@@@@@@@@@@@@@@@@@@@@@@(YfN@@@@? J@@@he?@@@@@L?hf@@@@@@@@hN@@1 3@@@e?W2@@? ?@@@@@@? ?N@@@@@@@@@@@@@@)Xg?J@@@@@@@@@@@??@@@H? @@@@@@h?@@@@@@@ ?@@@@@@@5? N@@@@@@@@@@6X? ?3@@@@@@@L
?J@@@@@@@@@@@@5? ?@@@@@1? ?@@@@L J@@@H? @@@@@@@@@?he7@@@@@@@@@@@@@f@@@@@@@@@@5? ?@@@@@hf?J@@@@@@@@@@gJ@@?h?J@@@@@@@@@@@@f@@@@@H ?@@@@@@@@@@@@@@@@@@@@@@@@@@@@@@0Y?f?@@@@L @@@@he?3@@@@1?hf3@@@@@@@h?@@@ N@@@L?W&@@@? ?3@@@@@? @@@@@@@@@@@@@@@)K?f?7@@@@@@@@@@@?J@@5 3@@@@@h?3@@@@@@ ?@@0MI40Y? ?@@@@@@@@@@@)K ?N@@@@@@@1
?7@@@@@@@@@@@(Y? ?3@@@@@? ?3@@@1 7@@@ @@@@@@@@@?he@@@@@@@@@@@@@@L??J@@@@@@@@@@ J@@@@@L?he?7@@@@@@@@@@f?O&@@?hO&@@@@e@@@@@@f@@@@@? ?@@@@@@@@@@@@@@@@@@@@@@@@@@@0Mh?3@@@1 N@@@he?N@@@@@?hfN@@@@@@@h?@@@ ?@@@)?&@@@@? ?N@@@@@L @@@@@@@@@@@@@@@@@@f?@@@@@@@@@@@@W&@@H N@@@@@L?g?N@@@@@@L? ?3@@@@@@@@@@@@@@6X @@@@@@@@
J@@@@@@@@@@@@H ?N@@@@@? ?N@@@@ @@@5 @@@@@@@@@?he@@@@@@@@@@@@@@)KO&@@@@@@@@@@)KeO26Khe?O@KO@K?fO2@6K?O26K ?O2@@6K?f?O&@@@@@)?@KO26?26K??@@@@@@@@@@@@@@@@@@@@@6?2@@@@@@@@@@@e@@@@@@f@@@@@? ?3@@@@?I4@@@@@@@@@@@@@@@@0M?he?N@@@@ J@@@hf@@@@@?hf?@@@@@@@h?@@@ ?@@@@@@@@@5? @@@@@1 @@@@@@@@@@@@@@@@@@fJ@@@@@@@@@@@@@@@@? ?@@@@@1?h@@@@@@1? ?N@@@@@@@@@@@@@@@1 @@@@@@@@L?
7@@@@@@@@@@@5? @@@@@L @@@@L? ?J@@@H 3@@@@@@@@Lhe@@@@@@@@@@@@@@@@@@@@@@@@@@@@@@@@@@@@@@@@@@@@@@@@@@@@@@@@@@@@@@@@@@@@@@@@@@@@@@@@@@@@@@@@@6?2@@@@@6?2@@@@@@@@@6?2@@@@@@@@@@@@@@@@@@@@@6?26Kf?O@K ?@?2@@@@@@6X @@@@@@@@@@@@@@@@@@@@@@@@@@@@@@@@@@@@@@@@@@@@@@@@@@@@@@@@@@@@@@@@@@@@@@@@@@@5f3@@@@? O@K?O2@@@@@@@@@@@@@@@@@@@@@6KO2@@6K? ?N@@@@heI@M? @@@@L? 7@@@hf@@@@@?hf?@@@@@@@L?g?3@@L? ?@@@@@@@@0Y? @@@@@@ 3@@@@@@@@@@@@@@@@@@6KO&@@@@@@@@@@@@@@@@? ?3@@@@@?h3@@@@@@? @@@@@@@@@@@@@@@@L? 3@@@@@@@1?
@@@@@@@@@@@@H? 3@@@@1 3@@@1? ?7@@@? N@@@@@@@@1he@@@@@@@@@@@@@@@@@@@@@@@@@@@@@@@@@@@@@@@@@@@@@@@@@@@@@@@@@@@@@@@@@@@@@@@@@@@@@@@@@@@@@@@@@@@@@@@@@@@@@@@@@@@@@@@@@@@@@@@@@@@@@@@@@@@@@@@@@@@@@@@@@@6Xhf?3@@@@@@@@@1 @@@@@@@@@@@@@@@@@@@@@@@@@@@@@@@@@@@@@@@@@@@@@@@@@@@@@@@@@@@@@@@@@@@@@@@@@@@HfN@@@@? O2@@@@@@@@@@@@@@@@@@@@@@@@@@@@@@@@@@@@@@@@@@@@@@6KO)X? @@@@ 3@@@1? @@@@hf3@@@@?hf?3@@@@@@1?g?N@@1? ?3@@@@@(M? @@@@@@ N@@@@@@@@@@@@@@@@@@@@@@@@@@@@@@@@@@@@@@? ?N@@@@@?hN@@@@@@? @@@@@@@@@@@@@@@@1? N@@@@@@@@?
?J@@@@@@@@@@@5 N@@@@@ N@@@@? ?@@@@? ?@@@@@@@@@he3@@@@@@@@@@@@@@@@@@@@@@@@@@@@@@0?4@@0Mh?I@MI4@0M?heI@M? ?I@MeI4@@@@0Mf?I40M??I4@@@0?4@@@@@@@@,hf?V4@@@@@@@@@ @@@@@@@@@@@@@@@@@@@@@@@@@@@@@0M?@@@@@@@@@@@(?4@@@@@@@@@@@@@@@@@@@@@@@@@@@@5?f?@@@@?h?O2@@@@@@@@@@@@@@@@@@@@@@@@@@@@@@@@@@@@@@@@@@@@@@@@@@@@@@@)X @@@@ N@@@@? @@@@hfN@@@@Lhf?N@@@?@@@?h@@@? ?N@@@@(Y 3@@@@@ ?@@@@@@@@@@@@@@@@@@@@@@@@@@@@@@@@@@@@@@? 3@@@@Lh?@@@@@@? 3@@@@@@@@@@@@@@@@L ?@@@@@@@@?
?7@@@@@@@@@@@H ?@@@@@L? ?@@@@L J@@@5? ?@@@@@@@@@heV4@@@@@@@@0Mf@@@@@@@@@@@? ?I4@0Y ?I4@0M @@@@@?hf3@@@@@@@@@(Yf?@@@he?I'@@@@@@@@@H?e?@X@@@@?f?O2@@@@@@@@@@@@@@@@@@@@@@@@@@@@@@@@@@@@@@@@@@@@@@@@@@@@@@@@@@@@1 @@@@ ?@@@@? @@@@hf?@@@@1 @@@?@@@?h@@@? @@@@H? N@@@@@ ?@@@@@@@@@@@@@@@@@@@@@@@@@@@@@@@@@@@@@@? N@@@@1h?3@@@@@L N@@@@@@@@@@@@@@@@)X? ?3@@@@@@@L
J@@@@@@@@@@@5? ?@@@@@1? ?@@@@1 7@@@H? ?@@@@@@@@@hf?I4@@0M?g@@@@@@@@@@@? @@@@@?hfN@@@@@@@@@H?f?@@5hfV'@@@@@@@5f?@@@@@@??O2@@@@@@@@@@@@@@@@@@@@@@@@@@@@@@@@@@@@@@@@@@@@@@@@@@@@@@@@@@@@@@@@5 @@@@ ?@@@@? @@@@hf?@@@@@ @@@@@@@?h@@@L @@@@ ?@@@@@L? ?3@@@@@@@@@@@@@@@@@@@@@@@@@@@@@@@@@@@@@? ?@@@@@h?N@@@@@1 ?@@@@@@@@@@@@@@@@@1? ?N@@@@@@@1
7@@@@@@@@@@@H? ?3@@@@@? ?3@@@@ @@@@ ?@@@@@@@@@ ?J@@@@@@@@@@@? @@@@5?hf?@@@@@@@@@g?@@Hhf?V4@@@@@@Hf?@@@@@@@@@@@@@@@@@@@@@@@@@@@@@@@@@@@@@@@@@@@@@@@@@@@@@@@@@@@@@@@@@@@@@@@@@@H @@@@ ?@@@@L @@@@hf?@@@@@ @@@@@@@?h@@@1 3@@@ ?@@@@@1? ?N@@@@@@@@@@@@@@@@@@@@@@@@@@@@@@@@@@@@@? ?@@@@@he@@@@@@ ?@@@@@@@@@@@@@@@@@@L 3@@@@@@@L?
?J@@@@@@@@@@@5 ?N@@@@@? ?N@@@@L? ?J@@@5 ?@@@@@@@@@ ?7@@@@@@@@@@@? ?J@@@@H?hfJ@@@@@@@@@g?@@? ?I4@@@@?f?@@@@@@@@@@@@@@@@@@@@@@@@@@@@@@@@@@@@@@@@@@@@@@@@@@@@@@@@@@@@@@@@@@@@@@@@@@? @@@@L? ?@@@@1 ?J@@@@hf?@@@@@ 3@@@?@@@@@g3@@@ N@@@ ?@@@@@@? @@@@@@@@@@@@@@@@@@@@@@@@@@@@@@@@@@@@@? ?@@@@@L?h@@@@@@ ?3@@@@@@@@@@@@@@@@@1 N@@@@@@@1?
?7@@@@@@@@@@@H @@@@@L @@@@1? ?7@@@H ?@@@@@@@@@L? ?@@@@@@@@@@@5? ?7@@@5 7@@@@@@@@@gJ@5? @@@?f?@@@@@@@@@@@@@@@@@@@@@@@@@@@@@@@@@@@@@@@@@@@@@@@@@@@@@@@@@@@@@@@@@@@@@@@@@@L @@@@1? ?3@@@@ ?7@@@@L?he?@@@@@ N@@@@@@@@@gN@@@ ?@@@ ?3@@@@@L @@@@@@@@@@@@@@@@@@@@@@@@@@@@@@@@@@@@@? ?3@@@@1?h@@@@@@L? ?V'@@@@@@@@@@@@@@@@@ ?@@@@@@@@L
?@@@@@@@@@@@@? 3@@@@1 3@@@@? J@@@5? ?@@@@@@@@@1? J@@@@@@@@@@@H? ?@@@@H @@@@@@@@@5g7@H? 3@@?f?3@@@@@@@@@@@@@@@@@@@@@@@@@@@@@@@@@@@@@@@@@@@@@@@@@@@@@@@@@@@@@@@@@@@@@@@@@)K?fO26Kf?O@KO26K ?O@Kg?O@K ?O@K?O@Kf?O26K? O@K??O26K?eO@KO2@6K?O@Khf?O26K?@@@@@? W2@?he?N@@@@ ?@@@@@)KO26?2@6?2@@@@@@@L?hf?@@@@@@@@5g?@@@ ?@@@L? ?N@@@@@1 3@@@@@@@@@@@@@@@@@@@@@@@@@@@@@@@@@@@@? ?N@@@@@?h@@@@@@1? N@@@@@@@@@@@@@@@@@L? ?3@@@@@@@1
J@@@@@@@@@@@5? N@@@@@ N@@@@L 7@@@H? ?@@@@@@@@@@? 7@@@@@@@@@@@ ?@@@@L @@@@@@@@@Hg@@ N@@Lf?N@@@@@@@@@@@@@@@@@@@@@@@@@@@@@@@@@@@@@@@@@@@@@@@@@@@@@@@@@@@@@@@@@@@@@@@@@@@@@@@@@@@@@@@@@@@@@@@@@@@@@@@@@@@@@@6?2@@@@@@@@@@@@@@@@@@@@6?2@@@@@@6?@?2@@@@@@@@@@@@@@@@@@@@@@@@@@@@@@@@@@@@@@@@@@@@@@@@@@@@@@@@@@@@@@@@@@@@@@@@@@@@@@@@@@@@@@@@@@@@@@@@@@@@@@@@@@@@@@@@@@@@@@@@@@@@@@@@@@@@@@@@@@@@@@@@@@@@@@@@@@@@@@@@@@@@@@@@@@@@@@@@@@@@@@@@@@@@@@@@@@@@@@@@@@@@@@@@@@@@@@@@@@@@@@@@@@@@@@@@@@@@@@@@@@@@@@@@@@@@@@@@@@@@@@@@@@@@@@@@@@@@@@@@@@@@@@@@@@@@@@@@@@@@@@@@@@@@? ?W&@@?hf@@@@ ?@@@@@@@@@@@@@@@@@@@@@@@1?hf?@@@@@@@(Yg?@@@ ?@@@1? @@@@@@ N@@@@@@@@@@@@@@@@@@@@@@@@@@@@@@@@@@@@? @@@@@?h@@@@@@@? ?@@@@@@@@@@@@@@@@@1? ?N@@@@@@@@
7@@@@@@@@@@@H? ?@@@@@ ?@@@@1 @@@@ ?@@@@@@@@@@? @@@@@@@@@@@5 ?@@@@1 @@@@@@@@@?g@@ ?@@1f@X@@@@@@@@@@@@@@@@@@@@@@@@@@@@@@@@@@@@@@@@@@@@@@@@@@@@@@@@@@@@@@@@@@@@@@@@@@@@@@@@@@@@@@@@@@@@@@@@@@@@@@@@@@@@@@@@@@@@@@@@@@@@@@@@@@@@@@@@@@@@@@@@@@@@@@@@@@@@@@@@@@@@@@@@@@@@@@@@@@@@@@@@@@@@@@@@@@@@@@@@@@@@@@@@@@@@@@@@@@@@@@@@@@@@@@@@@@@@@@@@@@@@@@@@@@@@@@@@@@@@@@@@@@@@@@@@@@@@@@@@@@@@@@@@@@@@@@@@@@@@@@@@@@@@@@@@@@@@@@@@@@@@@@@@@@@@@@@@@@@@@@@@@@@@@@@@@@@@@@@@@@@@@@@@@@@@@@@@@@@@@@@@@@@@@@@@@@@@@@@@@@@@@@@@@@@@@@@@@@@@@@@@@@@@@@@@@@@@@@@@@@@@@@@@@@@@@@@? ?7@@5?hf@@@@ ?@@@@@@@@@@@@@@@@(?'@@@@@?hf?@@@@@@@H?g?3@@L? ?3@@@? @@@@@@ ?@@@@@@@@@@@@@@@@@@@@@@@@@@@@@@@@@@@@? 3@@@@?h3@@@@@@? ?@@@@@@@@@@@@@@@@@@? @@@@@@@@
?J@@@@@@@@@@@5 ?3@@@@L? ?3@@@@ @@@@ ?@@@@@@@@@@? ?J@@@@@@@@@@@H ?@@@@@ @@@@@@@@@?g@@ ?@@@f@@@@@@@@@@@@@@@@@@@@@@@@@@@@@@@@@@@@@@@@@@@@@@@@@@@@@@@@@@@@@@@@@@@@@@@@@@@@@@@@@@@@@@@@@@@@@@@@@@@@@@@@@@@@@@@@@@@@@@@@@@@@@@@@@@@@@@@@@@@@@@@@@@@@@@@@@@@@@@@@@@@@@@@@@@@@@@@@@@@@@@@@@@@@@@@@@@@@@@@@@@@@@@@@@@@@@@@@@@@@@@@@@@@@@@@@@@@@@@@@@@@@@@@@@@@@@@@@@@@@@@@@@@@@@@@@@@@@@@@@@@@@@@@@@@@@@@@@@@@@@@@@@@@@@@@@@@@@@@@@@@@@@@@@@@@@@@@@@@@@@@@@@@@@@@@@@@@@@@@@@@@@@@@@@@@@@@@@@@@@@@@@@@@@@@@@@@@@@@@@@@@@@@@@@@@@@@@@@@@@@@@@@@@@@@@@@@@@@@@@@@@@@@@@@@@@@@@@@L J@@(Y?hf@@@@ J@@@@@@@@@@@@@@@0Y?N@@@@@?hf?@@@@@@@h?N@@1? ?N@@@? @@@@@@ ?@@@@@?I4@@@@@@@@@@@@@@@@@@@@@@@@@@@@? N@@@@LhN@@@@@@L ?3@@@@@@@@@@@@@@@@@? 3@@@@@@@L?
?7@@@@@@@@@@@H ?N@@@@1? ?N@@@@L? ?J@@@5 ?3@@@@@@@@@? ?7@@@@@@@@@@@? J@@@@5hf?J@@@@@@@@@?g@@ J@@@e?J@@@@@@@@@@@@@@@@@@@@@@@@@@@@@@@@@@@@@@@@@@@@@@@@@@@@@@@@@@@@@@@@@@@@@@@@@@@@(MfI4@0M?gI@M? ?I4@0M?I@M?I4@@@@@@@@@0M?I4@@@0?@MI@M?hf?I40M?eI40M ?I4@@@@@@@@@@@0M?I@M?I4@0?4@0M?I4@@@@@0Me?I4@@@@@@@@@@@@0MI4@@@@@@@@@@@@@@@@@@@@@@@@@@@@@@@@@@@@@@@@@@@@@@@@@@@@@@@@@@@@@@@@@@@@@0Me@@@1 7@@H @@@@ ?W&@@@@@?I4@@0M?g3@@@@?hf?3@@@@@5he@@@? @@@L 3@@@@@ ?3@@@@L?e?I4@@@@@@@@@@@@@@@@@@@@@@@@? ?@@@@1h?3@@@@@1 ?N@@@@@@@@@@@@@@@@@? N@@@@@@@1?
J@@@@@@@@@@@5? @@@@@? @@@@1? ?7@@@H ?N@@@@@@@@@? ?@@@@@@@@@@@5? 7@@@@Hhf?7@@@@@@@@5?f?J@@ 7@@@L??7@@@@@@@@@@@@@@@@@@@@@@@@@@@@@@@@@@@@@@@@@@@@@@@@@@@@@@@@@@@@@@@@@@@@@@@@@@@@H? @@@@ @@@? @@@@L? ?7@@@@@@ N@@@@Lhf?N@@@@@Hhe3@@? 3@@1 N@@@@@L? ?N@@@@1?hf@@@@@@@@@@@@@@@@@? ?@@@@@h?N@@@@@@ 3@@@@@@@@@@@@@@@@? ?3@@@@@@@L
7@@@@@@@@@@@H? @@@@@L 3@@@@? ?@@@@? @@@@@@@@@? ?@@@@@@@@@@@H? @@@@@?hf?@@@@@@@@@H?f?7@@ @@@@1??@@@@@@@@@@@@@@@@@@@@@@@@@@@@@@@@@@@@@@@@@@@@@@@@@@@@@@@@@@@@@@@@@@@@@@@@@@@@@ @@@@ @@@? @@@@1? ?@@@@@@@ ?@@@@1 @@@@5?heN@@? N@@@ ?@@@@@1? @@@@@?hf@@@@@@@@@@@@@@@@@? ?3@@@@he@@@@@@ N@@@@@@@@@@@@@@@5? ?N@@@@@@@1
@@@@@@@@@@@5 3@@@@1 N@@@@L J@@@5? @@@@@@@@@? J@@@@@@@@@@@ @@@@@?hf?@@@@@@@@@g?@@5 @@@@@??@@@@@@@@@@@@@@@@@@@@@@@@@@@@@@@@@@@@@@@@@@@@@@@@@@@@@@@@@@@@@@@@@@@@@@@@@@@@@ @@@@ @@@? 3@@@@? ?3@@@@@@L?hf?@@@@@ @@@@H?he?@@L ?@@@ ?@@@@@@? @@@@@?hf@@@@@@@@@@@@@@@@@? ?N@@@@he@@@@@@L? ?@@@@@@@@@@@@@@@H? @@@@@@@@
?J@@@@@@@@@@@H N@@@@@ ?@@@@1 7@@@H? @@@@@@@@@L 7@@@@@@@@@@@ @@@@@?hfJ@@@@@@@@@g?@@H ?J@@@@@??3@@@@@@@@@@@@@@@@@@@@@@@@@@@@@@@@@@@@@@@@@@@@@@@@@@@@@@@@@@@@@@@@@@@@@@@@@@@@ @@@@ ?J@@5? N@@@@? ?N@@@@@@1?hf?3@@@@L?hf@@@@hf?@@1 ?@@@ ?@@@@@@L 3@@@@?hf@@@@@@@@@@@@@@@? @@@@L?h3@@@@@1? ?3@@@@@@@@@@@@@@ 3@@@@@@@L?
?7@@@@@@@@@@5? ?@@@@@L? ?3@@@@ @@@@ @@@@@@@@@1 @@@@@@@@@@@5 ?J@@@@5?hf7@@@@@@@@@g?@@? ?7@@@@5??N@@@@@@@@@@@@@@@@@@@@@@@@@@@@@@@@@@@@@@@@@@@@@@@@@@@@@@@@@@@@@@@@@@@@@@@@@@@@ 3@@@ ?7@@H? ?@@@@? 3@@@@@@Lhf?N@@@@1?hf@@@@hf?@@@ ?@@@L? ?@@@@@@1 N@@@@Lhf@@@@@@@@@@@@@@@? @@@@1?hN@@@@@@? ?N@@@@@@@@@@@(M? N@@@@@@@1?
J@@@@@@@@@@@H? ?@@@@@1? ?N@@@@L? ?J@@@5 3@@@@@@@@@ ?J@@@@@@@@@@@H ?7@@@@H?hf@@@@@@@@@@gJ@@? ?@@@@(Y?e3@@@@@@@@@@@@@@@@@@@@@@@@@@@@@@@@@@@@@@@@@@@@@@@@@@@@@@@@@@@@@@@@@@@@@@@0M N@@@L?hf?@@@ ?@@@@? V'@@@@@1 @@@@@?hf3@@@hf?@@@ ?3@@1? ?3@@@@@@ ?@@@@1hf@@@@@@@@@@@@@@@@@6X? @@@@@?h?@@@@@@? @@@@@@@@@@(Y ?@@@@@@@@?
7@@@@@@@@@@5 ?3@@@@@? @@@@1? ?7@@@H N@@@@@@@@@ ?7@@@@@@@@@@@? ?@@@@@ @@@@@@@@@@g7@5? ?@@@@HfN@@@@@@@@@@@@@@@@@@@@@0M ?I4@@@@0MI@?4@@@@@@@@@@@0M ?@@@1?hf?@@@ ?@@@@? ?N@@@@@@ @@@@@?hfN@@@L?he?3@@L? ?N@@@? ?N@@@@@@ ?@@@@@hf@@@@@@@@@@@@@@@@@@1? 3@@@@Lh?@@@@@@L 3@@@@@@@@0Y? ?3@@@@@@@L
@@@@@@@@@@@H ?N@@@@@? 3@@@@? ?@@@@? ?@@@@@@@@@ ?@@@@@@@@@@@@? ?@@@@@ @@@@@@@@@5g@@H? ?@@@@?f?@@@@@@@@@@@@@@@@@@0M? ?@@@@?hf?@@@ ?@@@@? @@@@@@L?hf@@@@@?hf?@@@1?he?N@@1? @@@? @@@@@@ ?@@@@@hf@@@@@@@@@@@@@@@@@@@L N@@@@1h?@@@@@@1 N@@@@@@@ ?N@@@@@@@1
?J@@@@@@@@@@5? @@@@@L N@@@@L ?@@@5? ?@@@@@@@@@ J@@@@@@@@@@@5? ?@@@@@ @@@@@@@@@Hg@@ ?@@@@?fJ@@@@@@@@@@@@@@@ ?@@@@?hf?@@@ ?@@@@? 3@@@@@)Khf@@@@@?hf?3@@@?hf@@@? @@@L @@@@@@ ?3@@@@he?J@@@@@@@@@@@@@@@@@@@)K? ?@@@@@h?3@@@@@@ ?@@@@@@@ @@@@@@@@L?
?7@@@@@@@@@@H? 3@@@@1 ?@@@@1 J@@@H? ?@@@@@@@@@L? 7@@@@@@@@@@@H? ?@@@@@hf?J@@@@@@@@@?f?J@@ ?@@@5?f7@@@@@@@@@@@@@@@ ?@@@@?hf?@@@ ?@@@@? N@@@@@@@@@@@@@@@6Xe@@@@@?hf?N@@@?hf@@@? @@@1 3@@@@@L? ?N@@@@L?h?7@@@@@@@@@@@@@@@@@@@@@@6X ?@@@@@h?N@@@@@@L? ?3@@@@@@L? 3@@@@@@@1?
J@@@@@@@@@@5 N@@@@@ ?3@@@@ 7@@@ ?@@@@@@@@@1? @@@@@@@@@@@@ ?@@@@@hf?7@@@@@@@@@?f?7@5 ?@@@H?f@@@@@@@@@@@@@0M? ?3@@@?hf?@@@ ?@@@@? ?@@@@@@@@@@@@@@@@1e@@@@@? @@@?hf3@@? 3@@@ N@@@@@1? @@@@1?h?@@@@@@@@@@@@@@@@@@@@@@@@1 ?3@@@@he@@@@@@1? ?N@@@@@@1? N@@@@@@@@?
7@@@@@@@@@@H ?@@@@@L? ?N@@@@L? @@@@ ?@@@@@@@@@@? ?J@@@@@@@@@@@@ ?@@@@5hf?@@@@@@@@@@?f?@@H J@@@g@@@@@@@@@@@(M? ?N@@@?hf?@@@ ?@@@@? ?@@@@@@@@@@@@@@@@@e@@@@@L @@@LhfN@@L N@@@ ?@@@@@@? @@@@@?h?@@@@@@@@@@@@@@@@@@@@@@@@@L? ?N@@@@he@@@@@@@? @@@@@@@? ?@@@@@@@@L
@@@@@@@@@@5? ?3@@@@1? @@@@1? ?J@@@5 ?@@@@@@@@@@? ?7@@@@@@@@@@@5 J@@@@Hhf?@@@@@@@@@5?f?@@? 7@@@g@@@@@@@@@@0Y @@@?hf?3@@ ?@@@@? ?@@@@@@@@@@@@@@@@@@@@@@@@1 @@@1hf?@@1 ?@@@ ?@@@@@@? 3@@@@?h?@@@@@@@@@@@@@@@@@@@@@@@@@1? @@@@L?h3@@@@@@? 3@@@@@@? ?3@@@@@@@1
?J@@@@@@@@@@H? ?N@@@@@? 3@@@@? ?7@@@H ?@@@@@@@@@@? ?@@@@@@@@@@@@H 7@@@@?hf?@@@@@@@@@H?f?@@? @@@@f?J@@@@@@@@@? @@@?hf?N@@ ?@@@@? ?@@@@@@@@@@@@@@@@@@@@@@@@@?O2@@?h@@@@hf?@@@ ?@@@ ?@@@@@@? N@@@@?h?@@@@@@@@@@@@@@@@@@@@@@@@@@L @@@@1?hN@@@@@@? N@@@@@@L ?N@@@@@@@@
?7@@@@@@@@@5 @@@@@L N@@@@? J@@@@? ?3@@@@@@@@@? ?@@@@@@@@@@@@? @@@@@?hf?@@@@@@@@@g?@@? @@@@f?7@@@@@@@@@? @@@L 3@ ?@@@@L ?3@@@@@@@@@@@@@@@@@@@@@@@@@@@@@?h@@@@hf?@@@ ?3@@L? ?@@@@@@? ?@@@@Lh?@@@@@@@@@@@@@@@@@@@@@@@@@@1 @@@@@?h?@@@@@@L ?@@@@@@1 @@@@@@@@L?
J@@@@@@@@@@H 3@@@@1 ?@@@@L 7@@@5? ?N@@@@@@@@@? J@@@@@@@@@@@5? @@@@5?hfJ@@@@@@@@@gJ@@? ?J@@@5f?3@@@@@? @@@1 V' ?3@@@1 @@@@@0M?he?@@@@@@@@@@?h3@@@hf?3@@L? ?N@@1? ?3@@@@@L ?@@@@1h?@@@@@@@@@@@@@@@@@@@@@@@@@@@L? 3@@@@Lh?@@@@@@1 ?@@@@@@@ 3@@@@@@@1?
7@@@@@@@@@@? N@@@@@ ?@@@@1 @@@@H? @@@@@@@@@L 7@@@@@@@@@@@H? ?J@@@@H?hf7@@@@@@@@@g7@5? ?7@@@Hf?N@@@@5? @@@@L? ?N@@@@ ?7@@@? ?3@@@@@(M?heN@@@hf?N@@)?2@6X @@@? ?N@@@@@1 ?@@@@@h?@@@@@@@@@@@@@@@@@@@@@@@@@@@1? N@@@@1h?@@@@@@@ ?3@@@@@@L? N@@@@@@@@?
?J@@@@@@@@@@5? ?@@@@@ ?3@@@@L? ?J@@@5 @@@@@@@@@1 @@@@@@@@@@@@ ?7@@@@ @@@@@@@@@5g@@H? ?@@@@?f?J@@@@H? @@@@)K?O26K? @@@@ ?@@@@? ?N@@@@@Hhf?@@@ @@@@@@@1 @@@? @@@@@@ ?3@@@@h?@@@@@@@@@@@@@@@@@@@@@@@@@@@@L ?@@@@@h?3@@@@@@ ?N@@@@@@1? ?@@@@@@@@L
?7@@@@@@@@@@H? ?@@@@@L? ?N@@@@1? ?7@@@H @@@@@@@@@@ @@@@@@@@@@@5 ?@@@@@hf?J@@@@@@@@@Hg@@ ?@@@@?f?7@@@5 @@@@@@@@@@@@6KO@ @@@@ ?@@@@? @@@@@?hf?@@@L?hf@@@@@@@@ @@@? @@@@@@ ?N@@@@hJ@@@@@@@@@@@@@@@@@@@@@@@@@@@@)K? ?@@@@@h?N@@@@@@L? @@@@@@@? ?@@@@@@@@1
?@@@@@@@@@@5 ?3@@@@1? @@@@@? ?@@@@? @@@@@@@@@@hf?J@@@@@@@@@@@H ?@@@@5hf?7@@@@@@@@@?f?J@@ ?@@@5?f?@@@@H 3@@@@@@@@@@@@@@@ @@@@ ?@@@@? @@@@@W2@@@h?3@@1?hf3@@@@0M? 3@@L @@@@@@ @@@@h7@@@@@@@@@@@@@@@@@@@@@@@@@@@@@@6K? ?@@@@@he3@@@@@1? @@@@@@@L ?3@@@@@@@@
J@@@@@@@@@@H ?N@@@@@? 3@@@@L J@@@5? 3@@@@@@@@@hf?7@@@@@@@@@@@? ?@@@@Hhf?@@@@@@@@@@?f?7@5 J@@@H?f?@@@@? N@@@@@@@@@@@@@@@@@@6K? @@@@ J@@@5? 3@@@@@@@@5h?N@@@?hfN@@@ N@@1 @@@@@@ @@@@L?g@@@@@@@@@@@@@@@@@@@@@@@@@@@@@@@@@@ ?3@@@@L?hN@@@@@@? 3@@@@@@1 ?N@@@@@@@@L?
?W&@@@@@@@@@5? @@@@@L N@@@@1 7@@@H? N@@@@@@@@@hf?@@@@@@@@@@@@? J@@@@?hf?@@@@@@@@@@?f?@@H 7@@@g?@@@@? ?@@@@@@@@@@@@@@@@@@@@@6K @@@@L? 7@@@H? N@@@@@@@(Yhe@@@?hf?@@@ ?@@@ 3@@@@@L? @@@@1?g@@@@@@@@@@@@@@@@@@@@@@@@@@@@@@@@@@L? ?N@@@@1?h?@@@@@@L N@@@@@@@L? 3@@@@@@@1?
?7@@@@@@@@@@H? 3@@@@1 ?@@@@@ @@@@ ?@@@@@@@@@L?he?@@@@@@@@@@@@? 7@@@@?hf?@@@@@@@@@@?f?@@? @@@@L?f?@@@@? ?@@@@@@@@@@@@@@@@@@@@@@@@6K?he@@@@1? @@@@he?W&KfJ@@@@@@(Y?he@@@Lhf?@@@ ?@@@ N@@@@@1? @@@@@?g@@@@@@@@@@@@@@@@@@@@@@@@@@@@@@@@@@1? @@@@@?h?@@@@@@1 ?3@@@@@@1? N@@@@@@@@?
J@@@@@@@@@@5 N@@@@@ ?3@@@@L? ?J@@@5 ?@@@@@@@@@1?heJ@@@@@@@@@@@5? @@@@@?hf?@@@@@@@@@@?fJ@@? ?J@@@@1?fJ@@@5? ?@@@@@@@@@@@@@@@@@@@@@@@@@@@6Kh3@@@@? @@@@heO&@@@@6?&@@@@@@Hhf@@@1hf?@@@e?O26X?he?@@@ ?@@@@@@? 3@@@@?g@@@@@@@@@@@@@@@@@@@@@@@@@@@@@@@@@@@L 3@@@@?h?@@@@@@@ ?N@@@@@@@L ?@@@@@@@@L
7@@@@@@@@@@H ?@@@@@ ?N@@@@1? ?7@@@H ?@@@@@@@@@@?he7@@@@@@@@@@@H? @@@@@?hfJ@@@@@@@@@5?f7@@?hfO2@@@??7@@@@@?f7@@@H? ?@@@@@@@@@@@@@@@@@@@@@@@@@@@@@6KgN@@@@? ?J@@@@@6?2@@6KO2@@@@@@@@@@@@@@@?hf@@@@hf?@@@?O2@@@1?he?3@@ ?3@@@@@? N@@@@Lg@@@@@@@@@@@@@@@@@@@@@@@@@@@@@@@@@@@1 N@@@@?h?@@@@@@@ @@@@@@@1 ?3@@@@@@@1
?J@@@@@@@@@@5? ?3@@@@L? 3@@@@? ?@@@@? ?@@@@@@@@@@?he@@@@@@@@@@@@ @@@@@?hf7@@@@@@@@@H?f@@@?f?O2@@@@@@@@@@??@@@@@@?f@@@@ ?3@@@@@@@@@@@@@@@@@@@@@@@@@@@@@@6Xf?@@@@? ?7@@@@@@@@@@@@@@@@@@@@@@@@@@@@@?hf3@@@hf?3@@@@@@@@5?he?N@@L? ?N@@@@@Lhf?W2@@?h?@@@@1g@@@@@@@@@@@@@@@@@@@@@@@@@@@@@@@@@@@@ ?@@@@Lh?3@@@@@@ @@@@@@@@ ?N@@@@@@@@L?
?7@@@@@@@@@@H? ?N@@@@1? N@@@@L J@@@@? ?@@@@@@@@@@?h?J@@@@@@@@@@@5 @@@@5?hf@@@@@@@@@@g@@5??W2@@@@@@@@@@@@@@@@@@@@@@?f@@@@ ?N@@@@@@@@@@@@@@@@@@@@@@@@@@@@@@@)X?e?3@@@L ?@@@@@@@@@@@@@@@@@@@@@@@@@@@@@@?hfN@@@hf?N@@@@@@@(Y?hf@@1? @@@@@1hf?*@@@?h?@@@@@g@@@@@@@@@@@@@@@@@@@@@@@@@@@@@@@@@@@@ ?@@@@1h?N@@@@@@L? 3@@@@@@@L? @@@@@@@@1?
J@@@@@@@@@@5 @@@@@? ?@@@@1 7@@@5? ?@@@@@@@@@@?h?7@@@@@@@@@@@H ?J@@@@H?hf@@@@@@@@@@f?J@@H??7@@@@@@@@@@@@@@@@@@@@@@@?f@@@@ @@@@@@@@@@@@@@@@@@@@@@@@@@@@@@@@)Xe?N@@@1 ?@@@@@@@@@@@@@@@@@@@@@@@@@@@@@@?hf?@@@L?hf@@@@@@(Y @@@? @@@@@@hf?N@@@?h?3@@@@f?J@@@@@@@@@@@@@@@@@@@@@@@@@@@@@@@@@@@@ ?3@@@@he@@@@@@1? N@@@@@@@)K @@@@@@@@@L
7@@@@@@@@@@H @@@@@? ?@@@@@L? @@@@H? ?@@@@@@@@@@?h?@@@@@@@@@@@@? ?7@@@@ @@@@@@@@@@f?7@@e?@@@@@@@@@@@@@@@@@@@@@@@@?e?J@@@@ @@@@@@@@@@@@@@@@@@@@@@@@@@@@@@@@@)X?e@@@@ ?3@@@@@@@@@@@@@@@@@@@@@@@@@@@@@@@@@?h?@@@1?hf3@@@@(Y? @@@? @@@@@@ 3@@?h?N@@@@f?7@@@@@@@@@@@@@@@@@@@@@@@@@@@@@@@@@@@@L? ?N@@@@L?h@@@@@@@? ?@@@@@@@@@@@@@6K 3@@@@@@@@1
?J@@@@@@@@@@5? 3@@@@L ?3@@@@1? ?J@@@@ ?@@@@@@@@@@?h?@@@@@@@@@@@5? ?@@@@@ @@@@@@@@@5f?@@@@@@@@@@@@@@@@@@@@@@@@@@@@@@?e?7@@@@ @@@@@@@@@@@@@@@@@@@@@@@@@@@@@@@@@@)Xe@@@@ ?V'@@@@@@@@@@@@@@@@@@@@@@@@@@@@@@@@?h?@@@@?hfN@@@(Y @@@? @@@@@@ N@@?he@@@@fJ@@@@@@@@@@@?@@@@@@@@@@@@@@@@@@@@@?@@@1? @@@@1?h3@@@@@@L ?3@@@@@@@@@@@@@@@? N@@@@@@@@@L?
?7@@@@@@@@@@H? N@@@@1 ?N@@@@@? ?7@@@5 ?3@@@@@@@@@?hJ@@@@@@@@@@@H? ?@@@@@ @@@@@@@@@Hf?@@@@@@@@@@@@@@@@@@@@@@@@@@@@@@?eJ@@@@5 @@@@@@@@@?@@@@@@@@@@@@@@@@@@@@@@@@@)K?@@@@ V4@0M? @@@@@@@@5?h?@@@@?hf?@@@H? @@@? 3@@@@@ ?@@?he@@@@f7@@@@@@@@@@@@@@@@@@@@@@@@@@@@@@@@5?3@@@? 3@@@@?hN@@@@@@1 ?N@@@@@@@@@@@@@@@L ?@@@@@@@@@1?
J@@@@@@@@@@5 ?@@@@@ @@@@@? ?@@@@H ?N@@@@@@@@@Lh7@@@@@@@@@@@ ?@@@@5hf?J@@@@@@@@@?f?@@@@@@@@@@@@@@@@@@@@@@@@@@@@@@?e7@@@@H @@@@@@@@5?@@@@@@@@@@@@@@@@@@@@@@@@@@@@@@@@ 3@@@@@@@H?h?3@@@?hf?@@5 3@@L N@@@@@L?hf?@@?he@@@@L?e@@@@@@@@@@@@@@@@@@@@@@@@@@@@@@@@@H?N@@@? N@@@@?h?@@@@@@@ 3@@@@@@@@@@@@@@1 ?3@@@@@@@@@?
7@@@@@@@@@@H ?@@@@@L? 3@@@@L J@@@@? @@@@@@@@@1h@@@@@@@@@@@@ ?@@@@Hhf?7@@@@@@@@@?f?@@@@@@@@@@@@@@@@@@@@@@@@@@@@@@Le@@@@@? @@@@@@@@H?@@@??@@@@@@@@@@@@@@@@@@@@@@@@@@@L? N@@@@@@5he?N@@@Lhf?@@? N@@1 ?@@@@@1?hf?3@?he@@@@)X?J@@@@@@@@@@@@@@@@@@@@@@@@@@@@@@@@@Le@@@L ?@@@@Lh?@@@@@@@ N@@@@@@@@@@@@@@@L? ?V'@@@@@@@@?
@@@@@@@@@@5? ?3@@@@1? N@@@@1 7@@@5? @@@@@@@@@@g?J@@@@@@@@@@@5 J@@@@?hf?@@@@@@@@@@?fJ@@@@@@@@@@@@@@@@@@@@@@@@@@@@@@@?J@@@@@? @@@@@@@@e@@@??@@@@@@@@@@@@@@@@@@@@@@@@@@@1? ?@@@@@@Hhf@@@1hf?@@1?W2@6Xhf?@@@ ?@@@@@@?hf?N@?he@@@@@1?7@@@@@@@@@@@@@@@(M??I4@@@@@@@@@@@@)X?@@@1 ?@@@@1h?3@@@@@@ ?@@@@@@@@@@@@@@@)X N@@@@@@@@L
?J@@@@@@@@@@H? ?N@@@@@? ?@@@@@ @@@@H? @@@@@@@@@@g?7@@@@@@@@@@@H 7@@@@?hf?@@@@@@@@@@?f7@@@(Me?@@@@@@@@@@@@@@@@@@@@@@H?7@@@@@? @@@@@@@@e@@@??3@@@@@@@@@@@@@@@@@@@@@@@@@@@? ?@@@@@@?hf@@@@hf?3@@W&@@@1hf?@@@ ?@@@@@@? @Lhe@@@@@@?@@@@@@@@@@@@@@@(Yf?I'@@@@@@@@@@@)T@@@@ ?3@@@@h?N@@@@@@ ?3@@@@@@@@@@@@@@@)X? ?@@@@@@@@1
?7@@@@@@@@@5 @@@@@L ?3@@@@L? @@@@ @@@@@@@@@@gJ@@@@@@@@@@@@? @@@@@?hfJ@@@@@@@@@5?f@@@(Y?e?@@@@@@@@@@@@@@@@@@@@@5??@@@@@@? 3@@@@@@@L?@@@??N@@XI'@@@@@@@@@@@@@@@@@@@@@5? ?@@@@@5?hf@@@@hf?N@@@@@@@5hf?@@@ ?3@@@@@? @1he3@@@@@@@@@@@@@@@@@@@@@H?gV'@@@@@@@@@@@@Y@@@ ?N@@@@he3@@@@@L? ?N@@@@@@@@@@@@@@@@1? ?@@@@@@@@@
J@@@@@@@@@@H @@@@@1 ?N@@@@1? ?J@@@5 @@@@@@@@@@g7@@@@@@@@@@@5? @@@@5?hf7@@@@@@@@@H?e?J@@@Hf?3@@@@@@@@@@@@@@@@@@@@e?@@@@@5? N@@@@@@@1?@@@?e@@1?V'@@@@@@@@@@@@@@@@@@@@H? ?@@@@@H?hf3@@@ @@@@@@0Yhf?3@@L? ?N@@@@@L @@heN@@@@@@@@@@@@@@@@@@@@5h?N@@@@@@@@@@@@?@@@ @@@@L?hN@@@@@1? @@@@@@@@@@@@@@@@@L ?3@@@@@@@@L?
7@@@@@@@@@@? 3@@@@@ @@@@@? ?7@@@H 3@@@@@@@@@g@@@@@@@@@@@@H? ?J@@@@H?hf@@@@@@@@@@f?7@@@?f?N@@@@@@@@@@@@@@@@@@@@@??@@@@@H? ?@@@@@@@@?@@@?e@@@??N@@@@@@@@@@@@@@@@@@@5 ?3@@@@ N@@@ @@@@0M ?N@@1? @@@@@1 3@he?@@@@@@@@@@@@@@@@@@@@Hhe3@@@@@@@@@@@@@@@ 3@@@1?h?@@@@@@? 3@@@@@@@@@@@@@@@@1 ?N@@@@@@@@1?
?J@@@@@@@@@@5? N@@@@@ 3@@@@L ?@@@@? N@@@@@@@@@g@@@@@@@@@@@@ ?7@@@@hf?J@@@@@@@@@@f?@@@@?g@@@@@@@@@@@@@@@@@@@@e?3@@@@ ?@@@@V'@5?@@@?e@@@Le@@@@@@@@@@@@@@@@@@@? ?N@@@@L?hf?@@@L?hf@@@? @@@? @@@@@@ N@he?@@@@@@@@@@@@@@@@@@@5?heN@@@@@@@@@@@@@@@ N@@@@?h?@@@@@@? N@@@@@@@@@@@@@@@@@ 3@@@@@@@@L
?7@@@@@@@@@@H? ?@@@@@L? N@@@@1 J@@@5? ?@@@@@@@@@f?J@@@@@@@@@@@@ ?@@@@@hf?7@@@@@@@@@@f?@@@5?g@@@@@@@@@@@@@@@@@@@@1??N@@@@ ?@@@@?V+Y?@@@?e@@@1e@@@@@@@@@@@@@@@@@@@1 @@@@1?hf?@@@1?hf3@@? @@@? @@@@@@ ?@L?h?@@@@@@@@@@@@@@@@@@@H?he?@@@@@@@@@@@@@@@ ?@@@@?h?@@@@@@L ?@@@@@@@@@@@@@@@@@ N@@@@@@@@1
J@@@@@@@@@@5 ?3@@@@1? ?@@@@@L? 7@@@H? ?@@@@@@@@@L?e?7@@@@@@@@@@@@ ?@@@@@hf?@@@@@@@@@@@fJ@@@h@@@@@@@@@@@@@@@@@@@@@??J@@@@ ?@@@@?f3@@?e3@@@?J@@@@@@@@@@@@@@@@@@@@ @@@@@?hf?@@@@?hfN@@L @@@L?W2@@? @@@@@@L?hf?@1?h?3@@@@@@@@@@@@@@@@@@hf?3@@@@@@@@@@@@@@L? ?@@@@Lh?@@@@@@1 ?3@@@@@@@@@@@@@@@@ ?@@@@@@@@@L?
7@@@@@@@@@@H ?N@@@@@? ?3@@@@1? @@@@ ?@@@@@@@@@1?e?@@@@@@@@@@@@5 ?@@@@@g?@@@@@@@@@@@@@@@@@@6KO&@@@)?2@@@@@@@@@@@@@@@@@(Y@@@@@@@??7@@@@ ?@@@@?fV4@?eV4@@T&@@@@@@@@@@@@@@@@@@@@ @@@@@?hf?3@@@?hf?@@1 3@@)?&@@@? 3@@@@@1?hf?3@?h?N@@@@@@@@@@@@@@@@@5hf?N@@@@@@@@@@@@@@1? ?@@@@1h?3@@@@@@ ?N@@@@@@@@@@@@@@@@ ?3@@@@@@@@1?
?J@@@@@@@@@@5? @@@@@L ?N@@@@@? ?J@@@5 ?@@@@@@@@@@?e?@@@@@@@@@@@@H ?@@@@@g?@@@@@@@@@@@@@@@@@@@@@@@@@@@@@@@@@@@@@@@@@@@@0Y?3@@@@@@??@@@@@ ?3@@@?hf?S@@@@@@@@@@@@@@@@@@@@@@ 3@@@@?hf?N@@@?hf?@@@ N@@@@@@@@? N@@@@@@?hf?N@?he@@@@@@@@@@@@@@@@@H @@@@@@@@@@@@@@@? ?@@@@@h?N@@@@@@L? @@@@@@@@@@@@@@@@ ?N@@@@@@@@@?
?7@@@@@@@@@@H? 3@@@@1 3@@@@L ?7@@@H ?@@@@@@@@@@?eJ@@@@@@@@@@@@? J@@@@5g?@@@@@@@@@@@@@@@@(M?I'@@@@@?e?I4@@@@@@(M?gN@@@@@@??@@@@@ ?N@@@?hfW&@@@@@@@@@@@@@@@@@@@@@@ N@@@@L @@@@6Xhe?3@@ ?@@@(M ?@@@@@@? @Lhe@@@@@@@@@@@@@@@@@? @@@@@@@@@@@@@@@? ?3@@@@he@@@@@@1? 3@@@@@@@@@@@@@@5 @@@@@@@@@?
?@@@@@@@@@@5 N@@@@@ N@@@@1 ?@@@5? ?3@@@@@@@@@?e7@@@@@@@@@@@5? 7@@@@Hg?@@0MI'@@@@@@@@@@He?V'@@@@?g@@@@@Hh?@@@@@@??@@@@5 @@@@@@@@@6K?e?O&@@@@@@@@@@@@@@@@@@@@@@5 ?@@@@1 @@@@@1he?N@@ ?@@@H? ?@@@@@@? @1he3@@@@@@@@@@@@@@@5? @@@@@@@@@@@@@@@? ?N@@@@L?h@@@@@@@? N@@@@@@@@@@@@@(Y 3@@@@@@@@L
J@@@@@@@@@(Y ?@@@@@L? ?@@@@@ J@@@H? ?N@@@@@@@@@Le@@@@@@@@@@@@H? @@@@@?hf?@@@@@@@@@@?fN@@@5?f?J@@@@5?h?3@@@@@??@@@@H @@@@@@@@@@@@@@@@@@@@@@@@@@@@@@@@@@@@@@@H ?@@@@@ @@@@@@hf@@L? ?@@@ ?@@@@@@? @@heN@@@@@@@@@@@@@@@H? @@@@@@@@@@@@@@5? @@@@1?h3@@@@@@? ?@@@@@@@@@@@@(Y? N@@@@@@@@1
7@@@@@@@@@H? ?3@@@@1? ?@@@@@L? 7@@@ @@@@@@@@@1?J@@@@@@@@@@@@ @@@@@?hf7@@@@@@@@@5?f?@@@H?f?@@@@@H?h?N@@@@@@@@@@@? @@@@@@@@@@@@@@@@@@@@@@@@@@@@@@@@@@@@@@@? ?@@@@@ @@@@?@hf@@1? ?@@@ ?3@@@@@? @@he?@@@@@@@@@@@@@@@ @@@@@@@@@@@@@@H? 3@@@@?hN@@@@@@? ?@@@@@@@@@@@(Y ?@@@@@@@@@ O2@@@@@@@@@6K?
?J@@@@@@@@@@ ?N@@@@@? ?3@@@@1? @@@@ @@@@@@@@@@W&@@@@@@@@@@@@ @@@@@?hf@@@@@@@@@@H?f?@@@g?N@@@@L?he@@@@@@@@@@@? @@@@@@@@@@@@@@@@@@@@@@@@@@@@@@@@@@@@@@@? ?@@@@@L?hf3@@@@@L?he@@@? ?3@@L?e?O@K ?N@@@@@L 3@he?@@@@@@@@@@@@@@@ @@@@@@@@@@@@@@ N@@@@?h?@@@@@@? ?3@@@@@@@@@@H? ?3@@@@@@@@L? ?O2@@@@@@@@@@@@@@6K?
?7@@@@@@@@@5 @@@@@? ?N@@@@@? @@@5 @@@@@@@@@@@@@@@@@@@@@@@@ ?J@@@@5?hf@@@@@@@@@@g?@@@h@@@@1?h?J@@@@@@@@@@@? @@@@@@@@@@@@@@@@@@@@@@@@@@@@@@@@@@@@@@@L ?@@@@@1?hfN@@@@@1?he3@@? ?N@@1?W2@@@@6X @@@@@1 N@L?h?@@@@@@@@@@@@@@@ @@@@@@@@@@@@@@ ?@@@@?h?@@@@@@L ?N@@@@@@@@@@ ?N@@@@@@@@1? ?W2@@@@@@@@@@@@@@@@@@@6X
J@@@@@@@@@@H @@@@@L 3@@@@? @@@H @@@@@@@@@@@@@@@@@@@@@@@5 ?7@@@@H?hf@@@@@@@@@@g?@@@L?g@@@@@?hW&@@@@@@@@@@@? @@@@@@@@@@@@@@@@@@@@@@@@@@@@@@@@@@@@@@@1 ?3@@@@@?hf?@@@@@@?heN@@? @@@W&@@@@@@1 @@@@@@ ?@1?h?3@@@@@@@@@@@@@@L? @@@@@@@@@@@@@@ ?@@@@Lh?3@@@@@1 3@@@@@@@@5 @@@@@@@@@L ?@@@@@6XheW&@@@@@@@@@@@@@@@@@@@@@)X?
7@@@@@@@@@5? 3@@@@1 N@@@@L ?J@@@? @@@@@@@@@@@@@@@@@@@@@@@H ?@@@@@ @@@@@@@@@@g?@@@1?e?W2@@@@@@?g?W&@@@@@@@@@@@@? @@@@@@@@@@@@@@@@@@@@@@@@@@@@@@@@@@e@@@@ ?N@@@@@?hf?@@@@@@?he?@@L @@@@@@@@@@@@ 3@@@@@ ?@@?h?N@@@@@@@@@@@@@@1? @@@@@@@@@@@@@@ ?3@@@1h?N@@@@@@ N@@@@@@@@H 3@@@@@@@@1 ?@@@@@@1h?W&@@@@@@@@@@@@@@@@@@@@@@@)X
?J@@@@@@@@@@H? N@@@@@ ?@@@@1 ?7@@5? @@@@@@@@@@@@@@@@@@@@@@5? ?@@@@@hf?J@@@@@@@@@5g?@@@5?e?7@@@@@@@?gO&@@@@@@@@@@@@@? @@@@@@@@@@@@@@@@@@@@@@@@@@@@@@@@@5e@@@@ @@@@@?hf?@@@@@@?he?@@1 3@@@@@(M N@@@@@ ?3@?he@@@@@@@@@@@@@@@?hf?J@@@@@@@@@@@@@5 ?N@@@@he@@@@@@ ?@@@@@@@@? N@@@@@@@@@L? ?@@@@@@5h?7@@@@@@@@@@@@@@@@@@@@@@@@@)X?
?7@@@@@@@@@5 ?@@@@@L? ?3@@@@ J@@@H? @@@@@@@@@@@@@@@@@@@@@@H? J@@@@5hf?7@@@@@@@@@Hg?@@@H?e?@@@@@@@@?f@@@@@@@@@@@@@@@@@? @@@@@@@@@@@@@@@@@@@@@@@@@@@@@@@@(Ye3@@@ @@@@@?hf?@@@@@@Lhe?@@@ N@@@@(Y? ?@@@@@ ?N@?he@@@@@@@@@@@@@@@@6Xhe?7@@@@@@@@@@@@@H @@@@he@@@@@@ ?@@@@@@@@? ?3@@@@@@@@1? ?@@@@@@Hh?@@@@@@@@@@@@@@@@@@@@@@@@@@@1?
J@@@@@@@@@@H ?3@@@@1? ?N@@@@L? 7@@@ @@@@@@@@@@@@@@@@@@@@@@ 7@@@@Hhf?@@@@@@@@@@?g?@@@L?e?@@@@@@@@?f@@@@@@@@@@@@@@@@@? @@@@@@@@@@@@@@@@@@@@@@@@@@@@@@@(Y?eN@@@L? @@@@@Lhf?3@@@@@1he?@@@ ?@@@(Y ?@@@@@L? @?h?J@@@@@@@@@@@@@@@@@)K?h?@@@@@@@@@@@@@@? @@@@L?g?J@@@@@@ ?@@@@@@@@? ?N@@@@@@@@@? ?@@@@@@Lh?3@@@@@@@@@@@@@@@@@@@@@@@@@@@L
7@@@@@@@@@@? ?N@@@@@? @@@@1? @@@5 @@@@@@@@@@@@@@@@@@@@@@ @@@@@?hf?@@@@@@@@@@?g?@@@1?e?@@@@@@@@?f@@@@@@@@@@@@@@@@5? ?O2@@6K?O2@@@@@@@@@6K? @@@@@@@@@@@@@@@@@@@@@@@@@@@@@@@Hf?@@@1? @@@@@1hf?N@@@@@@he?@@@ ?@@@H? ?@@@@@1? @?h?7@@@@@@@@@@@@@@@@@@@6X?fO2@@@@@@@@@@@@@@@? 3@@@1?g?7@@@@@@L? ?3@@@@@@@L @@@@@@@@@? ?@@@@@@1h?V'@@@@@@@@@@@@@@@@@@@@@@@@@@1
?J@@@@@@@@@@5? @@@@@L 3@@@@L ?J@@@H @@@@@@@@@@@@@@@@@@@@@5 @@@@@?hf?@@@@@@@@@@?g?@@@@?e?3@@@@@@@?f@@@@@@@@@@@@@@@@H?g?O2@@@@@@@@@@@@@@@@@@@@@@@@@@@@@@@@@@@@@@@@@@@@@@@@@@@@@@@@6K? 3@@@@@@@@@@@@@@@@@@@@@@@@@@@@@@?fJ@@@@? @@@@@@ @@@@@@he?3@@ ?@@@ ?@@@@@@? @Lh?3@@@@@@@@@@@@@@@@@@@@)KeO2@@@@@@@@@@@@@@@@@? N@@@@?g?@@@@@@@1? ?N@@@@@@@1 @@@@@@@@@? ?@@@@@@@heN@@@@@@0M?g?I4@@@@@@@@@
?7@@@@@@@@@@H? @@@@@1 N@@@@1 ?7@@@? 3@@@@@@@@@@@@@@@@@@@@H @@@@@?hf?@@@@@@@@@@?g?@@@@?e?N@@@@@@@?e?J@@@@@@@@@@@@@@@@gO2@@@@@@@@@@@@@@@@@@@@@@@@@@@@@@@@@@@@@@@@@@@@@@@@@@@@@@@@@@@@@@ N@@@@?hI4@@@@@@@@@@@@@@@?f'@@@@L @@@@@@ @@@@@@he?N@@L? ?3@@ ?3@@@@@L @1h?N@@@@@@@@@@@@@@@@@@@@@@@@@@@@@@@@@@@@@@@@@@@? ?@@@@?g?3@@@@@@@? 3@@@@@@@ @@@@@@@@@L ?@@@@@@5heJ@@@@(M?he?I'@@@@@@5
J@@@@@@@@@@5 3@@@@@ ?@@@@@ ?@@@@? N@@@@@@@@@@@@@@@@@@@@? @@@@@?hf?@@@@@@@@@@?g?@@@@?f@@@@@@@?e?7@@@0M?I4@@@@@@@@fO2@@@@@@@@@@@@@@@@@@@@@@@@@@@@@@@@@@@@@@@@@@@@@@@@@@@@@@@@@@@@@@@@ ?@@@@? ?I'@@@@?fV'@@@1 @@@@@@ 3@@@@@hf@@1? ?N@@L?fO2@? ?N@@@@@1 3@he@@@@@@@@@@@@@@@@@@@@@@@@@@@@@@@@@@@@@@@@@@@? ?@@@@?g?V'@@@@@@? N@@@@@@@ O2@@@@@@6?2@@@@@@@@@@1 ?@@@@@@Hh?O&@@@(Y V'@@@@@H
7@@@@@@@@@@H N@@@@@ ?@@@@@L? J@@@5? ?@@@@@@@@@@@@@@@@@@@@? ?J@@@@@?hfJ@@@@@@@@@5?g?@@@@?f@@@@@@@?e?@@@hI4@@@@eW2@@@@@@@@@@@@@@@@@@@@@@@@@@@@@@@@@@@@@@@@@@@@@@@@@@@@@@@@@@@@@@@@@5 ?@@@@? ?@@@@?f?N@@@@ 3@@@@@ N@@@@@hf@@@? @@1?eO2@@@? @@@@@@ N@he3@@@@@@@@@@@@@@@@@@@@@@@@@@@@@@@@@@@@@@@@@5? ?@@@@LhN@@@@@@? ?@@@@@@@ O2@@@@@@@@@@@@@@@@@@@@@@@@ ?@@@@@@Lg?@@@@@@@H? ?N@@@@5?
@@@@@@@@@@5? ?@@@@@@6K? ?3@@@@1? 7@@@H? ?@@@@@@@@@@@@@@@@@@@5? ?7@@@@5?hf7@@@@@@@@@H?g?@@@@?f@@@@@@@?eJ@@5he?@@@?O&@@@@@@@@@@@@@@@@@@@@@@@@@@@@@@@@@@@@@@@@@@@@@@@@@@@@@@@@@@@@@@@@@@H ?@@@@? 7@@@5?g3@@@L? N@@@@@L?hf?@@@@@L?he@@@? @@@?W2@@@@5? @@@@@@ ?@heN@@@@@@@@@@@@@@@@@@@@@@@@@@@@@@@@@@@@@@@@@H? ?3@@@1h?@@@@@@L ?3@@@@@@L? ?W2@@@@@@@@@@@@@@@@@@@@@@@@@@@L? ?@@@@@@1g?@@@@@@5 3@@@H?
?J@@@@@@@@@@H? J@@@@@@@@@6X ?N@@@@@? @@@@ ?@@@@@@@@@@@@@@@@@@@H? ?@@@@@H?hf@@@@@@@@@@h?@@@@?f@@@@@@@??W&@@Hhe?@@@@@@@@@@@@@@@@@@@@@@@@@@@@@@@@@@@@@@@@@@@@@@@@@@@@@@@@@@@@@@@@@@@@@@@@? ?@@@@? @@@@H?gN@@@1? ?@@@@@1?hf?@@@@@1?he3@@L @@@W&@@@@(Y? @@@@@@L?hf?@L?h?3@@@@@@@@@@@@@@@@@@@@@@@@@@@@@@@@@@@@@@@@ ?N@@@@h?3@@@@@1 ?N@@@@@@1? O&@@@@@@@@@@@@@@@@@@@@@@@@@@@@1? ?@@@@@@5g?@@@@@@H N@@@
?7@@@@@@@@@5 7@@@@@@@@@@)X? @@@@@L ?J@@@5 ?3@@@@@@@@@@@@@@@@@@ ?@@@@@ @@@@@@@@@@h?@@@@?f@@@@@@@L?7@@@Lhe?@@@@@@@@@@@@@@@@@@@@@@@@@@@@@@@@@@@@@@@@@@@@@@@@@@@@@@@@@@@@@@@@@@@@@@@@? ?3@@@L ?J@@@5h?3@@@L ?@@@@@@Lhf?@@@@@@?heN@@1 3@@@@@@@(Y @@@@@@1?hf?@1?h?N@@@@@@@@@@@@@@@@@@@@@@@@@@@@@@@@@@@@@@@@ @@@@h?N@@@@@@ @@@@@@@?he?W2@@@@@@@@@@@@@@@@@@@@@@@@@@@@@@@@L ?@@@@@@Hg?@@@@@@? ?@@@@@
J@@@@@@@@@@H @@@@@@@@@@@@1? 3@@@@1 ?7@@@H ?N@@@@@@@@@@@@@@@@@5 ?@@@@@hf?J@@@@@@@@@@h?@@@@?f@@@@@@@)X@@@@1hW2@@@@@@@@@@@@@@@@@@@@@@@@@@@@@@@@@@@@@@@@@@@@@@@@@@@@@@@@@@@@@@@@@@@@@@@@@L ?N@@@1 ?7@@@Hh?N@@@)X? ?3@@@@@1hf?@@@@@@?he?@@@ N@@@@@@(Y? 3@@@@@@?hf?3@?he@@@@@@@@@@@@@@@@@@@@@@@@@@@@@@@@@@@@@@@@ @@@@L?h@@@@@@ 3@@@@@@LheW&@@@@@@@@@@@@@@@@@@@@@@@@@@@@@@@@@)X? ?@@@@@@?g?@@@@@@? J@@@@@
7@@@@@@@@@@? ?J@@@@@@@@@@@@@L N@@@@@ ?@@@@? @@e@@@@@@@@@@@@@H ?@@@@@hf?7@@@@@@@@@5h?@@@@?f@@@@@@@@@@@@@@h7@@@@@@@@@@@@@@@@@@@@@@@@@@@@@@@@@@@@@@@@@@@@@@@@@@@@@@@@@@@@@@@@@@@@@@@@@@)?2@@6KfO@K? @@@@ J@@@5?he3@@@1? ?N@@@@@@hf?3@@@@@?he?@@@ ?@@@@@(Y N@@@@@@?hf?N@?he3@@@@@@@@@@@@@@@@@@@@@@@@@@@@@@@@@@@@@@@ @@@@1?h@@@@@@L? N@@@@@@1h?W&@@@@@@(M?eW@@@@@@@@@@@@@@@@@@@@@@@1? ?@@@@@@Lg?3@@@@@? 7@@@@@L?
?J@@@@@@@@@@5? ?7@@@@@@@@@@@@@1 ?@@@@@L? J@@@5? @@e@@@@@@@@@@@@@? ?@@@@5hf?@@@@@@@@@@Hh?@@@@?f@@@@@@@@@@@@@@h@@@@@@@@@@@@@@@@@@@@@@@@@@@@@@@@@@@@@@@@@@@@@@@@@@@@@@@@@@@@@@@@@@@@@@@@@@@@@@@@@@@@@@@@@@@@@@@@@@@@@@@@@@@@6KO2@@@6K?O2@@@@@6?2@@@6?26KhO2@6K?hO@K? ?O@K?O26K?eO26KeO2@@@@@6K? O@K?f@@@@ 7@@@H?heV'@@@L @@@@@@hf?N@@@@@Lhe?@@@ ?@@@@(Y? ?@@@@@@? @?heN@@@@@@@@@@@@@@@@@@@@@@@@@@@@@@@@@@@@@@@ 3@@@@?h@@@@@@1? ?@@@@@@@hW&@@@@@@0Ye?O&@@@@@@@@@@@@@@@@@@@@@@@5? ?@@@@@@@g?N@@@@@L @@@@@@1?
?7@@@@@@@@@@H? ?@@@@@@@@@@@@@@@ ?3@@@@1? 7@@@H? @@?J@@@@@@@@@@@@@? J@@@@Hhf?@@@@@@@@@@?h?@@@@?f@@@@@@@@@@@@@@h@@@@@@@@@@@@@@@@@@@@@@@@@@@@@@@@@@@@@@@@@@@@@@@@@@@@@@@@@@@@@@@@@@@@@@@@@@@@@@@@@@@@@@@@@@@@@@@@@@@@@@@@@@@@@@@@@@@@@@@@@@@@@@@@@@@@@@@@@@@@@@@@@@@@@@@@@@@@@@@@@@@@@@@@@@@@@@@@@@@@@@@@@@@@@@@@@@@@@@@@@@@@@@@@@@@@@@@@@@@@@@@@@@@@@@@@@@@@@@@@@@@@@@@@@@@@@@@@@@@@@@@@@@@@@@@@@@@@@@@@@@@@@@@@@@@@@@@@@@@@@@@@@@@@@@@@@@@@@@@@@@@@@@@@@@@@@@@@@@@@@@@@@@@@@@@@@@@@@@@@@@@@@@@@@@@@@@@@@@@@@@@@@@@@@@@@@@@@@@@@@@@@@@@@@@@@@@@@@@@@@@@@@@@@@@@@@@@@@@@@@@@@@@@@@@@@@@@@@@@@@@@@@@@@@@@@@@ @@@@hf?N@@@)X? @@@@@@ @@@@@)K?h?3@@L? ?@@@@H ?@@@@@@? @Lhe?@@@@@@@@@@@@@@@@@@@@@@@@@@@@@@@@@@@@@@@ N@@@@?h@@@@@@@? ?@@@@@@@L?f?W&@@@@(M??O2@@@@@@@@@@@@@@@@@@@@@@@@@@@H? ?@@@@@@?h@@@@@1 ?J@@@@@@@?
?@@@@@@@@@@5 ?@@@@@@@@@@@@@@@ ?N@@@@@? @@@@ @@W&@@@@@@@@@@@@5? 7@@@@?hf?@@@@@@@@@@?h?@@@@?f3@@@@@@@@@@@@@g?J@@@@@@@@@@@@@@@@@@@@@@@@@@@@@@@@@@@@@@@@@@@@@@@@@@@@@@@@@@@@@@@@@@@@@@@@@@@@@@@@@@@@@@@@@@@@@@@@@@@@@@@@@@@@@@@@@@@@@@@@@@@@@@@@@@@@@@@@@@@@@@@@@@@@@@@@@@@@@@@@@@@@@@@@@@@@@@@@@@@@@@@@@@@@@@@@@@@@@@@@@@@@@@@@@@@@@@@@@@@@@@@@@@@@@@@@@@@@@@@@@@@@@@@@@@@@@@@@@@@@@@@@@@@@@@@@@@@@@@@@@@@@@@@@@@@@@@@@@@@@@@@@@@@@@@@@@@@@@@@@@@@@@@@@@@@@@@@@@@@@@@@@@@@@@@@@@@@@@@@@@@@@@@@@@@@@@@@@@@@@@@@@@@@@@@@@@@@@@@@@@@@@@@@@@@@@@@@@@@@@@@@@@@@@@@@@@@@@@@@@@@@@@@@@@@@@@@@@@@@@@@@@@@@@@@@@@@L? @@@@ 3@@@)K @@@@@@ @@@@@@@@h?N@@1? ?3@@5? ?3@@@@@L 31he?@@@@@@@@@@@@@@@@@@@@@@@@@@@@@@@@@@@@@@@ ?@@@@Lh3@@@@@@L ?3@@@@@@1?fW&@@@@@Y?O2@@@@@@@@@@@@@@@@@@@@@@@@@@@@@ ?@@@@@@1h3@@@@@ W&@@@@@@@?
J@@@@@@@@@(Y ?@@@@@@@@@@@@@@@ 3@@@@L ?J@@@5 @@@@@@@@@@@@@@@@H? @@@@@?hf?@@@@@@@@@5?h?@@@@?fN@@@@@@@@@@@@@g?7@@@@@@@@@@@@@@@@@@@@@@@@@@@@@@@@@@@@@@@@@@@@@@@@@@@@@@@@@@@@@@@@@@@@@@@@@@@0?4@@@@@@@@@@@@@@@@@@@@@@@@@@@@@@@@@@@0?4@@0?4@0Mg?I@Mh?I4@@@@@0?4@@@@@@@@@@@@@@@0MI@M? ?I@?@Mf?I@M?I4@@@0MfI40?4@@0MI@MfI4@@@0M?e?I4@@@@@@@0MeI@?40MI@M?eI4@0?4@@@@@@@@@@@@@@@0?4@@@0?@MI4@@0MI@M?I4@0?4@@@@@@@@@@@@@@@@@@@@@@@@@@@@0?4@@@@@@@@@@@@@@@@@@@@@@@@@@@@@@@@@@@@@@@@@@@@@@@@@@@@@@@@@@@@@@@@@@@@@@@@@@@@@@@@@@@@@@@@@@@@@@@@@@1? ?J@@@@ V'@@@@@? 3@@@@@ @@@@@@@5he@@@? ?N@@ ?N@@@@@1 N@he?@@@@@@@@@@@@@@@@@@@@@@@@@@@@@@@@@@@@@@@ ?@@@@1hV'@@@@@1 ?N@@@@@@@Le?W&@@@(Y@@@@@@@@@@@@@@@@@@@@@@@@@@@@@@@@@@ ?@@@@@@@hV@@@@@@6X?he?O&@@@@@@@5?
7@@@@@@@@@H? ?@@@@@@@@@@@@@@5 N@@@@1 ?7@@@H 3@@@@@@@@@@@@@@@ @@@@@?hf?@@@@@@@@@H?h?@@@@?f?@@@@@@@@@@@@@g?@@@@@@@@@@@@@@@@@@@@@@@@@@@@@@@@@@@@@@@@@@@@@@@@@@@@@@@@@@@@@@@@@@@@@@@@@@@ I4@0M??I4@@@@@@@@@@@@@@@@@@@@? ?7@@@5 ?V'@@@@? N@@@@@ 3@@@@@(Yhe@@@? @@1? @@@@@@ ?@he?3@@@@@@@@@@@@@@@@@@@@@@@@@@@@@@@@@@@@@@ ?3@@@@h?N@@@@@@ 3@@@@@@1eW&@@@(YJ@@@@@@@@@@@@@@@@@@@@@@@@@@@@@@@@@@ J@@@@@@@@@@@@@@@@@@@@@@@1?h?O2@@@@@@@@@H?
?J@@@@@@@@@@ ?3@@@@@@@@@@@@(Y ?@@@@@L? J@@@@? V'@@@@@@@@@@@@@5 @@@@@?hfJ@@@@@@@@@he?@@@@?f?@@@@@@@@@@@@@g?@@@@@@@@@@@@@@@@@@@@@@@@@@@@@@@@@@@@@@@@@@@@@@@@@@@@@@@@@@@@@@@@@@@@@@@@@@5 ?I'@@@@? ?@@@@H V'@@@@6X ?@@@@@ N@@@@@H?he@@@? @@@? @@@@@@ ?@he?N@@@@@@@@@@@@@@@@@@@@@@@@@@@@@@@@@@@@@@ ?N@@@@he@@@@@@ N@@@@@@@?O&@@@(YW&@@@@@@@@@@@@@@@@@@@@@@@@@@@@@@@@@@ 7@@@@@@@@@@@@@@@@@@@@@@@@?g?W2@@@@@@@@@@5
?7@@@@@@@@@5 ?N@@@@@@@@@@@@H? ?3@@@@1? 7@@@5? ?N@@@@@@@@@@@@@H @@@@5?hf7@@@@@@@@@he?3@@@?f?@@@@@@@@@@@@@g?@@@@@@@@@@@@@@@@@@@@@@@@@@@@@@@@@@@@@@@@@@@@@@@@@@@@@@@@@@@@@@@@@@@@@@@@@(Y N@@@@? ?@@@@? ?V'@@@@)K? ?@@@@@ ?@@@@@L?he3@@L @@@? @@@@@@ ?@hf@@@@@??I4@@@@@@@@@@@@@@@@@@@@@@@@@@@@@ @@@@L?h@@@@@@ ?@@@@@@@@@@@@(YW&@@@@@@@@@@@@@@@@@@@@@@@@@@@@@@@@@@@L? @@@@@@@@@@@@@@@@@@@@@@@@@?g?7@@@@@@@@@@@H
J@@@@@@@@@(Y 3@@@@@@@@@@@ ?N@@@@@? @@@@H? @@@@@@@@@@@@5? ?J@@@@H?hf@@@@@@@@@@he?N@@@?f?@@@@?@@@@@@@@g?@@@@@@@@@@@@@@@@@@@@@@@@@@@@@@@@@@@@@@@@@@@@@@@@@@@@@@@@@@@@@@@@@@@@@@@@0Y? ?@@@@? ?@@@@? V'@@@@@6X? ?3@@@@L?hf?@@@@@1?heN@@1 @@@L @@@@@@ ?@hf@@@@@?fI4@@@@@@@@@@@@@@@@@@@@@@@@@@ @@@@1?h3@@@@@L? ?3@@@@@@@@@@@H?7@@@@@@@@@@@@@@@@@@@@@@@@@@@@@@@@@@@@1? @@@@@@@@@@@@@@@@@@@@@@@@@?g?@@@@@@@@@@@5?
7@@@@@@@@@H? V4@@@@@@@0M? @@@@@L @@@@ @@@@@@@@@@@@H? ?7@@@@ @@@@@@@@@5he?J@@@?f?@@@@@@@@@@@@@g?@@@@@@@@@@@@@@@@@@@(?4@@0?@M? ?I4@@@@@@@@@@@@@@@@0?4@@@0M? ?@@@@? ?@@@@? ?V4@@@@@)X ?N@@@@1?hf?@@@@@@?he?@@@ 3@@1 3@@@@@ @@@@@LhI4@@@@@@@@@@@@@@@@@@@@@@ 3@@@@?hN@@@@@1? ?N@@@@@@@@@@5?J@@@@@@@@@@@@@@@@@@@@@@@@@@@@@@@@@@@@@5? @@@@@@@@@@@@@@@@@@@@@@@@@?g?@@@@@@@@@@(Y?
?J@@@@@@@@@5 I4@@@0M? @@@@@1 ?J@@@5 ?J@@@@@@@@@@@@ ?@@@@@hf?J@@@@@@@@@Hhe?7@@@?f?@@@@@@@@@@@@@gJ@@@@@@@@@@@@@@@@@@0Y? ?@@@@L ?@@@@? ?I'@@@@)K? @@@@@?hf?@@@@@@?he?3@@ N@@@ N@@@@@L? 3@@@@1 @@@@@@@@@@@@@@L? N@@@@?h?@@@@@@? @@@@@@@@@@H?7@@@@@@@@@@@@@@@@@@@@@@@@@@@@@@@@@@@@@H? @@@@@@@@@@@@@@@@@@@@@@@@@?g?@@@@@@@@@0Y
?7@@@@@@@@@H 3@@@@@ ?7@@@H ?7@@@@@@@@@@@5 ?@@@@@hf?7@@@@@@@@@?he?3@@@?f?@@@@@@@@@@@@@g7@@@@@@@@@@@@@@0M? ?3@@@1 ?@@@@? V4@@@@@6K? @@@@@?hf?3@@@@@?he?N@@ ?@@@ ?@@@@@1? N@@@@@ ?J@@@@@@@@@@@@@@)X ?@@@@?h?@@@@@@? 3@@@@@@@@@e@@@@@@@@@@@@@@@@@@@@@@@@@@@@@@@@@@@@@5 @@@@@@@@@@@@@@@@@@@@@@@@@?g?@@@@@0M
J@@@@@@@@@@? N@@@@@L? ?@@@@? ?@@@@@@@@@@@@H J@@@@5hf?@@@@@@@@@@?he?N@@@?f?@@@@??@@@@@@@L?f@@@@@@@@@@@@@(M? ?N@@@@ ?@@@@? I'@@@@@@6K @@@@@Lhf?N@@@@@?hf@@ ?@@@ ?@@@@@@? ?@@@@@ W&@@@@@@@@@@@@@@@1 ?@@@@Lh?@@@@@@L N@@@@@@@@5?J@@@@@@@@@@@@@@@@@@@@@@@@@@@@@@@@@@@@(Y 3@@@@@@@@@@@@@@@@@@@@@@@5?g?@@@(M
?W&@@@@@@@@@5? ?@@@@@1? J@@@5? ?@@@@@@@@@@@@? 7@@@@Hhf?@@@@@@@@@@?hf@@@?f?@@@@??@@@@@@@)Xf3@@@@@@@@@@@(Y @@@@ ?@@@@? ?V'@@@@@@@@6K? @@@@@1 @@@@@Lhf@@L? ?@@@ ?@@@@@@? ?@@@@@ 7@@@@@@@@@@@@@@@@@L? ?3@@@1h?3@@@@@1 ?@@@@@@@@H?7@@@@@@@@@@@@@@@@@@@@@@@@@@@@@@@@@@@@H? V4@@@0M?I4@@@@@@@@@@@@@0Y?g?@@0Y?
?7@@@@@@@@@@H? ?3@@@@@? 7@@@H? ?@@@@@@@@@@@5? @@@@@?hf?@@@@@@@@@@?hf@@@?f?@@@@L?@@@@@@@@1fN@@@@@@@@@@(Y? @@@@ ?3@@@? V4@@@@@@@@@@@@6K @@@@@@ @@@@@1hf@@1? ?3@@L? ?3@@@@@? ?@@@@@ @@@@@@@@@@@@@@@@@@)X ?N@@@@h?N@@@@@@ ?@@@@@@@@??@@@@@@@@@@@@@@@@@@@@@@@@@@@@@@@@@@@@5
?@@@@@@@@@@5 ?N@@@@@L ?J@@@@ ?@@@@@@@@@@0Y? @@@@@?hf?@@@@@@@@@5?hf@@@?f?@@@@1?@@@@@@@@@f?@@@@@@@@@(Y @@@@L?hf?N@@@L I4@@@@@@@@@@@@@@@@@@@@@@@@@@@@@@@@@@@@@(e@@@@@@ @@@@@@L?he3@@? ?N@@1? ?N@@@@@? ?@@@@@L? @@@@@@@@@@@@@@@@@@@)X? @@@@he@@@@@@ ?@@@@@@@@??@@@@@@@@@@@@@@@@@@@@@@@@@@@@@@@@@@@@H
J@@@@@@@@@@H @@@@@1 ?7@@@@ J@@@@@eI@M? @@@@5?hf?@@@@@@@@@H?hf@@@?f?@@@@@?3@@@@@@@@fJ@@@@@@@@(Y? @@@@1? @@@1 ?I4@@@@@@@@@@@@@@@@@@@@@@@@@@@@@@@@@0Ye@@@@@@ 3@@@@@)XheN@@? @@@? @@@@@L ?3@@@@1? @@@@@@@@@@@@@@@@@@@@)X @@@@he3@@@@@ ?3@@@@@@@L?@@@@@@@@@@@@@@@@@@@@@@@@@@@@@@@@@@@5?
7@@@@@@@@@@? 3@@@@@ ?@@@@5 7@@@@5 ?J@@@@H?hfJ@@@@@@@@@ @@@?f?@@@@5?N@@@@@@@@e?O&@@@@@@@0Y 3@@@@? 3@@@ ?I4@@@@@@@@@@@@@@@@@@@@@@@@@@@@@0Mf3@@@@@L?hfN@@@@@@1he?@@? @@@? @@@@@1 ?N@@@@@? @@@@@@@@@@@@@@@@@@@@@1 @@@@L?hN@@@@@L? ?N@@@@@@@)X@@@@@@@@@@@@@@@@@@@@@@@@@@@@@@@@@@@H?
?J@@@@@@@@@@5? N@@@@@L? J@@@@H ?J@@@@@H ?7@@@@ 7@@@@@@@@@ @@@?f?@@@@He@@@@@@@@@@@@@@@@@@@? N@@@@@@@@@@@6KgV4@@ I4@@@@@@@@@@@0M?heN@@@@@1?hf?@@@@@@5he?@@L @@@? @@@@@@ @@@@@? @@@@@@@@@@@@@@@@@@@@@@ 3@@@1?h?@@@@@1? @@@@@@@@@@@@@@@@@@@@@@@@@@@@@@@@@@@@@@@@@@@5
?7@@@@@@@@@(Y? ?@@@@@1? 7@@@@? ?7@@@@@? ?@@@@@ @@@@@@@@@@ @@@?f?@@@@Le3@@@@@@@@@@@@@@@@@5? ?@@@@@@@@@@@@@@@6K ?@@@@@@?hf?@@@@@@Hhe?@@1 3@@L @@@@@@L? 3@@@@?hf?J@@@@@@@@@@@@@@@@@@@@@@ N@@@@?h?@@@@@@? @@@@@@@@@@@@@@@@@@@@@@@@@@@@@@@@@@@@@@@@@@(Y ?O2@@6K?
J@@@@@@@@@@H ?3@@@@@?hf?J@@@@5? ?@@@@@5? ?@@@@@ @@@@@@@@@@ @@@?f?@@@@1eN@@@@@@@@@@@@@@@@(Y? ?@@@@@@@@@@@@@@@@@6K ?@@@@@@?hf?@@@@@@?he?@@@ N@@1 3@@@@@1? N@@@@Lhf?7@@@@@@@@@@@@@@@@@@@@@@ ?@@@@Lh?@@@@@@? 3@@@@@@@@@@@@@@@@@@@@@@@@@@@@@@@@@@@@@@@@(Y? ?O2@@@@@@@@@@6K?
7@@@@@@@@@5? ?N@@@@@?hf?7@@@@H? ?@@@@@H? ?@@@@@ @@@@@@@@@5 @@@?f?@@@@@e?@@@@@@@@@@@@@@@@H ?@@@@@@@@@@@@@@@@@@@6K ?3@@@@@?hf?@@@@@@?he?3@@ ?@@@ N@@@@@@? ?@@@@1hf?@@@@@@@@@@@@@@@@@@@@@@@ ?@@@@1h?@@@@@@L V4@@@@@@@@@@@@@@@@@@@@@@@@@@@@@@@@@@@@@@@H ?O2@@@@@@@@@@@@@@6X? ?W2@@@@?
?J@@@@@@@@@@H? @@@@@Lhf?@@@@@ ?@@@@@ ?@@@@5hf?J@@@@@@@@@H @@@?f?@@@@@e?@@@@@@@@@@@@@@@@? ?@@@@@@@@@@@@@@@@@@@@@@6X? ?N@@@@@?hf?3@@@@@Lhe?N@@ ?@@@ ?@@@@@@? ?3@@@@hf?@@(Y@@@@@@@@@@@@@@@@@@@L? ?3@@@@h?3@@@@@1 ?@@@@@@@@@@@@@@@@@@@@@@@@@@@@@@@@@@@@@5? ?W2@@@@@@@@@@@@@@@@@)X ?7@@@@@L
?7@@@@@@@@@5 3@@@@1hfJ@@@@5 J@@@@@ J@@@@Hhf?7@@@@@@@@@? @@@?f?@@@@@e?@@@@@@@@@@@@@@@@? ?@@@@@@@@@@@@@@@@@@@@@@@)K @@@@@?hf?N@@@@@)K?he@@L? ?3@@ ?@@@@@@? @@@@hf?@@H?@@@@@@@@@@@@@@@@@@@)X ?N@@@@h?N@@@@@@ ?3@@@@@@@@@@@@@@@@@@@@@@@@@@@@@@@@@@@(Y? ?7@@@@@@@@@@@@@@@@@@@)X?he@??@@@@@@1
J@@@@@@@@@@H N@@@@@L?he7@@@@H 7@@@@5 7@@@@?hf?@@@@@@@@@@? @@@?f?@@@@@L?eI4@@@@@@@@@@@@@? ?3@@@@@@@@@@@@@@@@@@@@@@@@@6K? @@@@@L @@@@@@@@he@@1? ?N@@ ?@@@@@@L ?@@@@@L?he?@@??3@@@@?@@@@@@@@@@@@@@)X? @@@@he3@@@@@ ?N@@@@@@@@@@@@@@@@@@@@@@@@@@@@@@@@@@(Y J@@@@@@@@@@@@@@@@@@@@@)Xhf?@@@@@@@
7@@@@@@@@@@? ?@@@@@1?he@@@@@? ?J@@@@@H @@@@@?hf?@@@@@@@@@@? @@@?f?@@@@@)Xhe@@@@@@@? ?N@@@@@@@@@@@@@@@@@@@@@@@@@@@@6X @@@@@1 @@@@@@@@he@@@? @@L? ?3@@@@@1 ?N@@@@1?heJ@@??N@@@@?@@@@@@@@@@@@@@@1? @@@@L?hN@@@@@L? @@@@@@@@@@@@@@@@@@@@@@@@@@@@@@@@@(Y? ?W&@@@@@@@@@@@@@@@@@@@@@@)X?he?@@@@@@@
@@@@@@@@@@5? ?3@@@@@?he@@@@5? O&@@@@@? @@@@@?hf?@@@@@@@@@@? @@@?f?@@@@@@)he3@@@@@5? @@@@@@@@@@@@@@@@@@@@@@@@@@@@@)X? @@@@@@ @@@@@@@@he@@@? @@1? ?N@@@@@@ @@@@@?he7@@?e@@@@?@@@@@@@@@@@@@@@@L @@@@1?h?@@@@@1? 3@@@@@@@@@@@@@@@@@@@@@@@@@@@@@@@0Y ?7@@@@@@@@@@@@@@@@@@@@@@@@1?he?@@@@@@@
?J@@@@@@@@@@H? ?N@@@@@Lhe@@@@H? O2@@@@@@5? @@@@@?hf?@@@@@@@@@@? @@@?f?@@@@@@HheN@@@@@H? @@@@@@@@@@@@@@@@@@@@@@@@@@@@@@)X 3@@@@@ @@@@@(M?he3@@L @@@? @@@@@@ @@@@@?he@@@?e@@@@@@@@@@@@@@@@@@@@@)X? 3@@@@?h?@@@@@@? V4@@@@@@@@@@@@@@@@@@@@@@@@@@@0M? J@@@@@@@@@@@@@@@@@@@@@@@@@@Lhe?@@@@@@@
W&@@@@@@@@@5 @@@@@1h?J@@@@ ?O2@@@@@@@@@H? ?J@@@@5?hfJ@@@@@@@@@5? @@@?f?@@@@@@?he?@@@@@ 3@@@@@@@@@@@@@@@@@@@@@@@@@@@@@@)K? ?@@@@@ 3@@@@?hfN@@1 3@@? @@@@@@ ?@hf@@@@@Lhe@@@??J@@@@@@@@@@@@@@@@@@@@@@1? N@@@@?h?@@@@@@? I4@@@@@@@@@@@@@@@@@@@@@@@0M? O2@6X?f7@@@@@@@@@@@@@@@@@@@@@@@@@@1he?@@@@@@@
7@@@@@@@@@@H 3@@@@@h?7@@@5 ?O2@@@@@@@@@@@ ?7@@@@H?hf7@@@@@@@@@H? @@@?f?@@@@@@?heJ@@@@@ N@@@@@@@@@@@@@@@@@@@@@@@@@@@@@@@@6K? @@@@@@ N@@@@@hf?@@@?W.? N@@L @@@@@@L?hf?3L?he3@@@@1he@@5??7@@@@@@@@@@@@@@@@@@@@@@@L ?@@@@Lh?3@@@@@L I4@@@@@@@@@@@@@@@@@0M? O2@@@@,?f@@@@@@@@@0M?fI'@@@@@@@@@@L?h?@@@@@@@
?J@@@@@@@@@@@? N@@@@@L?g?@@@@H ?O2@@@@@@@@@@@@@@@ ?@@@@@ @@@@@@@@@@ @@@?f?@@@@@@?he7@@@@@ ?@@@@@@@@@@@@@@@@@@@@@@@@@@@@@@@@@@@ N@@@@@L?hf?@@@ ?@@@W&H? ?@@1 3@@@@@1?hf?N1?heN@@@@@h?J@@H?J@@@@@@@@@@@@@@@@@@@@@@@@)X? ?@@@@1h?N@@@@@1 ?I4@@@@0M? ?O2@@@@@@@@@@(Y?f@@@@@@@(M?g?V'@@@@@@@@@1?h?@@@@@@@
?7@@@@@@@@@@5? ?3@@@@1?gJ@@@@? O2@@@@@@@@@@@@@@@@@5 ?@@@@@ @@@@@@@@@@ @@@?f?@@@@@@?f@@@?e@@@@@@ ?3@@@@@@@@@@@@@@@@@@@@@@@@@@@@@@@@@@L? ?@@@@@1?hf?@@@L?hf?@@@@5 ?@@@ N@@@@@@? @?he?@@@@@h?7@@?W&@@@@@@@@@@@@@@@@@@@@@@@@@1? ?3@@@@he@@@@@@ ?O2@@@@@@@@@@@(Yg@@@@@@@HheV'@@@@@@@@@Lh?@@@@@@@
?@@@@@@@@@@(Y? ?N@@@@@?g7@@@5? O2@@@@@@@@@@@@@@@@@@@@@H ?@@@@5hf?J@@@@@@@@@@ ?J@@@Lf?@@@@@@?f3@@?e@@@@@5 ?N@@@@@@@@@@@@@@@@@@@@@@@@@@@@@@@@@@1? ?@@@@@@?hf?@@@)Xhf?@@@@H ?@@@ ?@@@@@@? @?he?@@@@@h?@@@W&@@@@@@@@@@@@@@@@@@@@@@@@@@@L ?N@@@@he@@@@@@ ?O2@@@@@@@@@@@@(Y?g@@@@@@5?he?V'@@@@@@@@1h?@@@@@@@
J@@@@@@@@@@H @@@@@Lg@@@@H? O2@@@@@@@@@@@@@@@@@@@@@@@@@? J@@@@Hhf?7@@@@@@@@@@e?O26K?gO&@@@)K?e?@@@@@@?fN@@Le@@@@@H @@@@@@@@@@@@@@@@@@@@@@@@@@@@@@@@@@@L ?3@@@@@@@6X?h?@@@@)hf?3@@@? ?3@@ ?@@@@@@? @Lhe?@@@@@L?gJ@@@@@@@@@@@@@@@@@@@@@@@@@@@@@@@@1 @@@@he@@@@@@ ?O2@@@@@@@@@@@@@0Yh@@@@@@H?hfN@@@@@@@@@L?g?@@@@@@@
7@@@@@@@@@5? @@@@@1f?J@@@@ ?O2@@@@@@@@@@@@@@@@@@@0?'@@@@@@? 7@@@@?hf?@@@@@@@@@@@@@@@@@@@@@@@@@@@@@@@@@@??3@@@@@?f?@@1e@@@@@? @@@@@@@??I'@@@@@@@@@@@@@@@@@@@@@@@@)X? ?N@@@@@@@@1?h?3@@@Yhf?N@@@? ?N@@ ?@@@@@@? @1he?3@@@@1?g7@@@@@@@@@@@@@@@@@@@@@@@@@@@@@@@@@L? @@@@L?h3@@@@@L? O2@@@@@@@@@@@@0Mhf@@@@@@ ?3@@@@@@@@1?g?@@@@@@@
?J@@@@@@@@@@H? 3@@@@@f?7@@@5 ?O2@@@@@@@@@@@@@@@@@@0M?f?@@@@@5? @@@@@?hf?@@@@@@@@@@@@@@@@@@@@@@@@@@@@@@@@@@??N@@@@@@@@@@@@@@e@@@@@? ?J@@@@@@@?eN@@@@@@@@@@@@@@@@@@@@@@@@@)X @@@@@@@@@?h?N@@@@@?hf@@@??W2@@@@?he@@L? ?@@@@@@L @@he?N@@@@@?g3@@@@@@@@@@@@@@@@@@@@@@@@@@@@@@@@@)X 3@@@1?hN@@@@@1? O2@@@@@@@@@@@@0Mhf?J@@@@@@ ?N@@@@@@@@@LgJ@@@@@@@
?7@@@@@@@@@5 N@@@@@fJ@@@@H O2@@@@@@@@@@@@@@@@@0M?h7@@@@@H? @@@@@?hf?@@@@@@@@@@@@@@@@@@@@@@@@@@@@@@@@@@?e@@@@@@@@@@@@@@@@@@@@@? ?7@@@@@@@?e?@@@@@@@@@@@@@@@@@@@@@@@@@@1 @@@@@@(Mhf@@@@@?hf@@@?O&@@@@@?he@@1? ?@@@@@@1 3@hf@@@@@?gN@@@@@@@@@@@@@@@@@@@@@@@@@@@@@@@@@@1 N@@@@?h?@@@@@@? O2@@@@@@@@@@@@0M ?@@@@@@@ 3@@@@@@@@)X?f7@@@@@@@
J@@@@@@@@@@H ?@@@@@L?e7@@@@? O2@@@@@@@@@@@@@@@@@@0Mhe?J@@@@@5 @@@@@?hf?@@@@@@@@@@(M?I4@@0MI40M?I'@@@@@@?f@@@@@@@@@@@@@@@@@@@@@? J@@@@@@@@?e?@@@?I4@@@@@@@@@@@@@@@@@@@@@ @@@@@@H?hf@@@@@?hf3@@@@@@@@@@?he@@@? ?3@@@@@@ N@hf@@@@@?g?@@@@@@@@@@@@@@@@@@@@@@@@@@@@@@@@@@@L? ?@@@@Lh?@@@@@@? O2@@@@@@@@@@@0M? ?N@@@@@@L? N@@@@@@@@@1?f@@@@@@@@
7@@@@@@@@@5? ?@@@@@1?e@@@@@? O2@@@@@@@@@@@@@@@@@@0M ?7@@@@@H ?J@@@@5?hfJ@@@@@@@@@@H V'@@@@@?f@@@@@@@@@@@@@@@@@@@@@? ?O&@@@(?'@@Le?@@@e?I4@@@@@@@@@@@@@@@@@@@ @@@@@@ @@@@@?hfN@@@@@@@0Mhf@@@? ?N@@@@@@@@hf?@hf@@@@@?g?@@@@@@@@@@@@@@@@@@@@@@@@@@@@@@@@@@@1? ?@@@@1h?3@@@@@? O2@@@@@@@@@@@0M? @@@@@@)X ?3@@@@@@@@@Lf@@@@@@@@
?J@@@@@@@@@@H? ?3@@@@@??J@@@@5? ?O2@@@@@@@@@@@@@@@@@@0M? ?3@@@@@? ?7@@@@H?hf7@@@@@@@@@@? ?N@@@@@?f@@@@@@@@@@@@@@@@@@@@@? ?O2@@@@@H?N@@1e?@@@f?I4@@@@@@@@@@@@@@@@@ 3@@@@@ 3@@@@Lhf?@@@@@(M 3@@? @@@@@@@@hf?@L?he3@@@@LfW2@@@@@@@@@@@@@@@@@@@@@@@@@@@@@@@@@@@@@L ?@@@@@h?N@@@@@L O2@@@@@@@@@@@0M? @@@@@@@)X?hf?N@@@@@@@@@)X?e@@@@@@@@
?7@@@@@@@@@@ ?N@@@@@L?7@@@@H? ?O2@@@@@@@@@@@@@@@@@@@0M ?N@@@@@? ?@@@@@ @@@@@@@@@@5? 3@@@@?f@@@@@@@@@@@@@@@@@@@@@? ?O2@@@@@@5e?@@@e?3@@g?I'@@@@@@@@@@@@@@@ N@@@@@L?hfN@@@@1hf?@@@@@H? N@@? @@@@@@@@hf?@1?heN@@@@1f7@@@@@@@@@@@@@@@@@@@@@@@@@@@@@@@@@@@@@@)X? ?3@@@@he@@@@@1 O2@@@@@@@@@@@0M? @@@@@@@@)K 3@@@@@@@@@)Ke@@@@@@@@
J@@@@@@@@@@5 @@@@@)X@@@@5 O2@@@@@@@@@@@@@@@@@@0M ?J@@@@5? ?@@@@@ @@@@@@@@@@H? N@@@@?f@@@@@@@@@@@@@@@@@@@@5? W2@@@@@@@@0Ye?@@@e?N@@hV'@@@@@@@@@@@@@@ ?@@@@@1?hf?@@@@@hf?3@@@@ ?@@L 3@@@@@@5hf?3@?he?@@@@@e?J@@@@@@@@@@@@@@@@@@@@@@@@@@@@@@@@@@@@@@@@1? ?N@@@@he@@@@@@ O2@@@@@@@@@@0M 3@@@@@@@@@@6K?heN@@@@@@@@@@@@@@@@@@@@@
7@@@@@@@@@@H 3@@@@@@@@@@H O2@@@@@@@@@@@@@@@@@@@0M? ?7@@@@H? J@@@@@ @@@@@@@@@@ ?@@@@@6Ke@@@@@@@@@@@@@@@@@@@@H? 7@@@@@@@(Mf?@@@f3@h?V'@@@@@@@@@@@@@ ?@@@@@@?hf?@@@@@hf?N@@@5 ?3@1 N@@@@@@Hhf?N@?he?@@@@@L?W&@@@@@@@@@@@@@@@@@@(Me@@@@@@@@@@@@@@@@@@@? @@@@he@@@@@@ ?O2@@@@@@@@@@@0M N@@@@@@@@@@@@@@@h?3@@@@@@@@@@@@@@@@@@@@
?J@@@@@@@@@@5? N@@@@@@@@@@? O2@@@@@@@@@@@@@@@@@@@@0M J@@@@@ 7@@@@5hf?J@@@@@@@@@@ ?@@@@@@@@@@@@@@@@@@@@@@@@@@@@@ @@@@@@@@H?f?@@@L?eV'heV'@@@@@@@@@@@@ ?@@@@@@@@@he?@@@@@L?hf@@@H ?N@@ ?@@@@@@? @?he?3@@@@1?7@@@@@@@@@@@@@@@@@@(Y?e@@@@@@@@@@@@@@@@@@@? @@@@L?h3@@@@@L? O2@@@@@@@@@@@@0M ?3@@@@@@@@@@@@@@h?V'@@@@@@@@@@@@@@@@@@@
?7@@@@@@@@@@H? ?@@@@@@@@@5? O2@@@@@@@@@@@@@@@@@@@0M? 7@@@@5 @@@@@Hhf?7@@@@@@@@@@ ?@@@@@@@@@@@@@@@@@@@@@@@@@@@@@ 3@@@@@@@g?@@@1? ?N@@@@@@@@@@@@L? ?@@@@@@@@@he?@@@@@1?hf@@@?e?@@@hf@@ ?@@@@@@? @Lhe?N@@@@@?@@@@@@@@@@@@@@@@@@(Yf?I'@@@@@@@@@@@@@@@@? @@@@1?hN@@@@@1? O2@@@@@@@@@@@@0M ?N@@@@@@@@@@@@@@heV'@@@@@@@@@@@@@@@@@@
J@@@@@@@@@@5 ?3@@@@@@@@H? ?O2@@@@@@@@@@@@@@@@@@0M? @@@@@H @@@@@?hf?@@@@@@@@@@@ J@@@@@@@@@@@@@@@@@@@@@@@@@@@@@ V'@@@@@@L?eO2@@@@@? @@@@@@@@@@@@1? ?3@@@@@@@5he?3@@@@@?hf@@@?eJ@@@hf@@ ?@@@@@@? @1hf@@@@@?@@@@@@@@@@@@@@@@@(Y?gN@@@@@@@@@@@@@@@@? 3@@@@?h?@@@@@@? O2@@@@@@@@@@@@0M 3@@@@@@@@@@@@@he?V'@@@@@@@@@@@@@@@@@
7@@@@@@@@@@H ?N@@@@@@@@ ?O2@@@@@@@@@@@@@@@@@@0M? ?J@@@@@? @@@@@?hfJ@@@@@@@@@@5 '@@@@@@@@@@@@@@@@@@@@(M?@@@@@@ ?V'@@@@@)KO2@@@@@@@@@6K?he?J@@@@@@@@@@@@@? ?N@@@@@@(Yhe?N@@@@@?hf3@@?e7@@@hf@@L? ?@@@@@@L 3@hf@@@@@@@@@@@@@@@@@@@@@@@Hh?3@@@@@@@@@@@@@@@? N@@@@?h?@@@@@@? O2@@@@@@@@@@@(M? V'@@@@@@@@@@@@hfV'@@@@@@@@@@@@@@@@
?J@@@@@@@@@@5? @@@@@@@5 O2@@@@@@@@@@@@@@@@@@@@0M ?7@@@@5? @@@@@?hf7@@@@@@@@@@H V4@@@@@@@@@@@@@@@@@@(Ye@@@@@@ V'@@@@@@@@@@@@@@@@@@@@@@@6K?fO&@@@@@@@@@@@@@? @@@@@@H?hf@@@@@?hfN@@L?J@@@5hf3@1? ?3@@@@@1 N@hf@@@@@@@@@@@@@@@@@@@@@@5?h?V'@@@@@@@@@@@@@@? ?@@@@Lh?@@@@@@L O2@@@@@@@@@@@@0Y ?V4@@@@@@@@@@@hf?V'@@@@@@@@@@@@@@@
?7@@@@@@@@@@H? 3@@@@@@HhfO2@@@@@@@@@@@@@@@@@@@0M? ?@@@@@H? ?J@@@@@?he?J@@@@@@@@@@@? I4@@@@@@@@@@@@@@@(Y?e@@@@@5 ?V'@@@@@@@@@@@@@@@@@@@@@@@@@@@@@@@@@@@@@@@@@@@@? @@@@@@ @@@@@?hf?@@)?&@@(YhfN@@? ?N@@@@@@ ?@L?he@@@@@@@@@@@@@@@@@@@@@@H?heN@@@@@@@@@@@@@@? ?@@@@1h?@@@@@@1 ?W2@@@@@@@@@@@@0M? ?I'@@@@@@@@@ V4@@@@@@@@@@@@@@
J@@@@@@@@@@5 N@@@@@@?hO2@@@@@@@@@@@@@@@@@@@0M? ?@@@@@ ?7@@@@5?he?7@@@@@@@@@@@? I4@@@@@@@@@@@@(Yf@@@@@H V'@@@@@@@@@@@@@@@@@@@@@@@@@@@@@@@@@@@@@@@@@@@? @@@@@@ @@@@@Lhf?@@@@@@(Y?hf?@@? @@@@@@ ?@1?he@@@@@@@@@@@@@@@@@@@@@5hf?3@@@@@@@@@@@@@? ?3@@@@h?3@@@@@@ O&@@@@@@@@@@@0M? V4@@@@@@@5 I4@@@@@@@@@@@5
7@@@@@@@@@@H ?@@@@@@?fW2@@@@@@@@@@@@@@@@@@0M ?@@@@@ ?@@@@@H?he?@@@@@@@@@@@@? ?I4@@@@@@@@@Y?f@@@@@? ?V'@@@@@@@@@@@@@@@@@@@@@@@@@@@@@@@@@@@@@@@@@@? 3@@@@@ 3@@@@1hf?@@@@@(Y ?@@? 3@@@@@ ?@@?he3@@@@@@@@@@@@@@@@@@@@Hhf?N@@@@@@@@@@@@@? ?N@@@@h?N@@@@@@ O2@@@@@@@@@@@0M? I4@@0Y I4@@@@@@@@0Y
?J@@@@@@@@@@5? ?@@@@@@Le?O&@@@@@@@@@@@@@@@@0M? J@@@@5 ?@@@@@hf?@@@@@@@@@@@5? ?I'@@@@@@@@@f@@@@@? V'@@@@@@@@@@@@@@@@@@@@@@@@@@@@@@@@@@@@@@@@@? N@@@@@ N@@@@@hf?3@@@0Y? ?@@L N@@@@@ ?@@?heN@@@@@@@@@@@@@@@@@@@5? @@@@@@@@@@@@@? @@@@he@@@@@@L? O2@@@@@@@@@@@0M?
?7@@@@@@@@@@H? ?@@@@@@1?W2@@@@@@@@@@@@@@0M? 7@@@@H ?@@@@@hf?@@@@@@@@@@@H? V4@@0Mg?J@@@@@? ?N@@@@@@@@@@@@@@@@@@@@@@@@@@@@@@@@@@@@@@@@@? ?@@@@@?O2@@@h?@@@@@hf?N@@X? ?3@1 ?@@@@@L?hf?3@?he?@@@@@@@@@@@@@@@@@@(Y? @@@@@@@@@@@@@L @@@@L?h3@@@@@1? ?O2@@@@@@@@@@0M?
?@@@@@@@@@@@ ?@@@@@@@W&@@@@@@@@@@@@@(M? ?J@@@@@? ?@@@@@hf?@@@@@@@@@@@ ?7@@@@@? 3@@@@@@@@@@@@@@@@@@@@@@@@@@@@@@@@@@@@@@@5? ?@@@@@@@@@@5h?@@@@@ @@1? ?N@@ ?@@@@@1?hf?N@?he?@@@@@@@@@@@@@@@@@(Y @@@@@@@@@@@@@1 @@@@1?hN@@@@@@? ?W2@@@@@@@@@@(M?
J@@@@@@@@@@5 ?@@@@@@@@@@@@@@@@@@@@@0Y ?7@@@@5? J@@@@@hf?@@@@@@@@@@@ ?@@@@@@? N@@@@@@@@@@@@@@@@@@@@@@@@@@@@@@@@@@@@@@@H? ?@@@@@@@@@(Yh?@@@@@ @@@? @@ ?@@@@@@? @Lhe?@@@@@@@@@@@@@@@@@H? @@@@@@@@@@@@@@ 3@@@@?h?@@@@@@? O&@@@@@@@@@@0Y
?W&@@@@@@@@@@H J@@@@@@@@@@@@@@@@0M? ?@@@@@H? 7@@@@5hf?@@@@@@@@@@@ ?@@@@@@? ?@@@@@@@@@@@@@@@@@@@@@@@@@@@@@@@@@@@@@@5 ?3@@@@@@@(Y?h?@@@@@L?hf3@@? @@ ?@@@@@@? @1he?3@@@@@@@@@@@@@@@@ @@@@@@@@@@@@@5 N@@@@?h?@@@@@@L ?W2@@@@@@@@@@@0M
?7@@@@@@@@@@5? 7@@@@@@@@@@@@0M? J@@@@@ @@@@@Hhf?@@@@@@@@@@5 ?@@@@@5? ?@@@@@@@@@@@@@@@@@@@@@@@@@@@@@@@@@@@@@@H ?N@@@@@@@Hhe?@@@@@1?hfN@@? 3@L? ?@@@@@@L @@he?N@@@@@@@@@@@@@@@@ @@@@@@@@@@@@@H ?@@@@Lh?3@@@@@1 O&@@@@@@@@@0M?
?@@@@@@@@@@@H? ?J@@@@@@@@@@ 7@@@@@ @@@@@?hfJ@@@@@@@@@@H ?@@@@@H? ?@@@@@@@@@@@@@@@@@@@@@@@@@@@@@@@@@@@@@5? @@@@@@@?he?3@@@@@?hf?@@? N@1? ?3@@@@@1 3@hf@@@@@@@@@@@@@@@5 @@@@@@@@@@@@@? ?@@@@1h?N@@@@@@ ?O2@@@@@@@@@@0M?
J@@@@@@@@@@5 ?7@@@@@@@@@@ @@@@@5 @@@@5?hf7@@@@@@@@@@? J@@@@@ ?@@@@@@@@@@@@@@@@@@@@@@@@@@@@@@@@@@@@(Y? @@@@@@@?he?N@@@@@?hf?@@? ?@@? ?N@@@@@@ N@hf@@@@@@@@@@@@@@@? @@@@@@@@@@@@@? ?@@@@@he@@@@@@ ?O2@@@@@@@@@@0M?
7@@@@@@@@@@H ?@@@@@@@@@@@ @@@@@H @@@@H?hf@@@@@@@@@@@? 7@@@@@ ?@@@@(MI4@@@@@@@@@@@@@@@@@@@@@@@@@@@(Y @@@@@@5?hf@@@@@?hf?@@L ?@@? @@@@@@ ?@L?he@@@@@@@@@@@@@@@1 ?J@@@@@@@@@@@@@? ?3@@@@he@@@@@@ ?O2@@@@@@@@@0M
?J@@@@@@@@@@5? ?@@@@@@@@@@@ ?J@@@@@? ?J@@@@ @@@@@@@@@@@? @@@@@@ ?3@@@Hf?I4@@@@@@@@@@@@@@@@@@@@@@0Y? 3@@@@@H?hf@@@@@Lhf?@@1 ?@@? @@@@@@L?hf?@1?he@@@@@@@@@@@@@@@@ ?7@@@@@@@@@@@@@? ?N@@@@he@@@@@@L? O2@@@@@@@@@@0M
?7@@@@@@@@@@H? J@@@@V'@@@@@L? ?7@@@@5? ?7@@@@ @@@@@@@@@@@? @@@@@@ ?N@@@?heI40Mg?I4@@@@0M? N@@@@@ @@@@@1hf?3@@ ?@@L @@@@@@1?hf?@@?he3@@@@@@@@@@@@@@@L? ?@@@@@@@@@@@@@@? @@@@L?h3@@@@@1? O2@@@@@@@@@@0M
J@@@@@@@@@@5 7@@@5?N@@@@@1? ?@@@@@H? ?@@@@@ @@@@@@@@@@@? @@@@@@ @@@? ?@@@@@ 3@@@@@hf?N@@L? ?@@1 3@@@@@@?hf?@@?heN@@@@@@@@@@@@@@@)X J@@@@@@@@@@@@@@? @@@@1?hN@@@@@@? O2@@@@@@@@@@0M
7@@@@@@@@@@H @@@@H??@@@@@@? ?@@@@@ ?@@@@@ @@@@@@@@@@@? @@@@@@ O26K @@@? ?W2@ ?@@@@@ N@@@@@ @@1? ?3@@ N@@@@@@?hf?3@?he?@@@@@@@@@@@@@@@@)X?hf7@@@@@@@@@@@@@@? @@@@@?h?@@@@@@? O2@@@@@@@@@0M? ?W&?e
@@@@@@@@@@5? @@@@e?@@@@@@? J@@@@@ ?@@@@@hf?J@@@@@@@@@@5? @@@@@@he?O2@@@@@@@@@6?2@@@@@@@@@@@@@@@@@@@@6K??O@K?O2@@@@6K? @@@? ?7@@ ?@@@@@ ?@@@@@ @@@? ?N@@ ?@@@@@@?hf?N@?he?@@@@@@@@@@@@@@@@@)Khf@@@@@@@@@@@@@@@? 3@@@@?h?@@@@@@? O2@@@@@@@@@(M? ?*@?e
?J@@@@@@@@@@H? ?J@@@@e?@@@@@@@@? 7@@@@5 J@@@@5hf?7@@@@@@@@@@H? @@@@@5f?O2@@@@@@@@@@@@@@@@@@@@@@@@@@@@@@@@@@@@@@@@@@@@@@@@@@@@@@@@@@@@@ @@@L ?@@@ ?@@@@@L?hf?@@@@@ @@@? @@ ?@@@@@@? @?he?@@@@@@@@@@@e@@@@@@6Kh@X@@@@@@@@@@@@@@@? N@@@@Lh?3@@@@@L O2@@@@@@@@@@0Y ?V'?e
?7@@@@@@@@@5 ?7@@@5e?@@@@@@@@? @@@@@H 7@@@@Hhf?@@@@@@@@@@@ @@@@@?e?O2@@@@@@@@@@@@@@@@@@@@@@@@@@@@@@@@@@@@@@@@@@@@@@@@@@@@@@@@@@@@@@@L? @@@1 J@@@ ?@@@@@1?hf?3@@@@ 3@@? @@L?e?W2@@@@? ?@@@@@@? @Lhe?3@@@@@@@@@@@@@@@@@@@@6Kg@@@@@@@@@@@@@@@@@L ?@@@@1h?N@@@@@1 O2@@@@@@@@@@0M
J@@@@@@@@@@H ?@@@@He?@@@@@@@@? ?J@@@@@? @@@@@?hf?@@@@@@@@@@@ ?J@@@@@)?2@@@@@@@@@@@@@@@@@@@@@@@@@@@@@@@@@@@@@@@@@@@@@@@@@@@@@@@@@@@@@@@@@@1? @@@@ ?W&@@@ ?3@@@@@?hf?N@@@@ N@@? @@1?eW&@@@@5? ?@@@@@@? @1he?N@@@@@@@@@@@@@@@@@@@@@@@@@@@@@@@@@@@@@@@@@@@@@1 ?@@@@@he@@@@@@ ?O2@@@@@@@@@0M
?W&@@@@@@@@@5? J@@@@Le?@@@@@@@@L ?7@@@@5? @@@@@?hf?@@@@@@@@@@@ ?7@@@@@@@@@@@@@@@@@@@@@@@@@@@@@@@@@@@@@@@@@@@@@@@@@@@@@@@@@@@@@@@@@@@@@@@@@@@? @@@5 ?7@@@@ ?N@@@@@? @@@@ ?@@L 3@@??W&@@@@0Y? ?@@@@@@L @@hf@@@@@@@@@@@@@@@@@@@@@@@@@@@@@@@@@@@@@@@@@@@@@@ ?3@@@@he@@@@@@ O2@@@@@@@@@0M?
?7@@@@@@@@@@H? 7@@@@@e?3@@@@@@@1 ?@@@@@H? @@@@5?hfJ@@@@@@@@@@5 ?@@@@@@@@@@@@@@@@@@@@@@@@@@@@@@@@@@@@@@@@@@@@@@@@@@@@@@@@@@@@@@@@@@@@@@@@@@@@? @@@? J@@@@@ @@@@@? @@@@L?hf?@@1 N@@??7@@(M ?3@@@@@1 @@hf@@@@@@@@@@@@@@@@@@@@@@@@@@@@@@@@@@@@@@@@@@@@@@ ?N@@@@he@@@@@@ O2@@@@@@@@@0M?
?@@@@@@@@@@@ ?J@@@@@He?N@@@@@@@@ J@@@@@ ?J@@@@H?hf7@@@@@@@@@@H ?@@@@@@@@@@@@@@?f@@@@@@@@@@@@@@@@@@@@@@@@@@@@@@@@@@@@@@@@@@@@@@@@@@@@@@@@@L @@@1 7@@@@@@6X? @@@@@? @@@@1?hf?@@@ ?@@??@@(Y? ?N@@@@@@ @@L?he@@@@@@@@@@@@@@@@@@@@@@@@@@@@@@@@@@@@@@@@@@@@@@ @@@@L?h3@@@@@L? O2@@@@@@@@@0M?
J@@@@@@@@@@5 ?7@@@@@?f@@@@@@@@ 7@@@@@ ?7@@@@ @@@@@@@@@@@? J@@@@@@@@@@@@@@?f@@@@@@@@@@@@@@@@@@@@@@@@@@@@@@@@@@@@@@@@@@@@@@@@@@@@@@@@@)X? @@@@ @@@@@@@@)X @@@@@L @@@@@?hf?@@@ ?@@??@@H @@@@@@ @@1?he3@@@@@@@@@@@@@@@@@@@@@@@@@@@@@@@@@@@@@@@@@@@@@ @@@@1?hN@@@@@1? ?O2@@@@@@@@@@0M?
7@@@@@@@@@(Y ?@@@@@@?f@@@@@@@@L? @@@@@5 ?@@@@@ @@@@@@@@@@@? 7@@@@@@@@@@@@@@?O@K?@@@@@@@@@@@@@@@@@@@@@@@@@@@@@@@@@@@@@@@@@@@@@@@@@@@@@@@@@@)K @@@@ ?J@@@@@@@@@)X? @@@@@1 @@@@@?hf?@@@ ?@@@@@5? @@@@@@ 3@@?heN@@@@@@@@@@@@@@@@@@@@@@@@@@@@@@@@@@@@@@@@@@@@@ @@@@@?h?@@@@@@? ?O2@@@@@@@@@@0M?
?J@@@@@@@@@@H? J@@@@@5?f@@@@@@@@1? @@@@@H ?@@@@@ @@@@@@@@@@@? @@@@@@@@@@@@@@@@@@@@@@@@@@@@@@@@@@@@@@@@@@@@@@@@@@@@@@@@@@@@@@@@@@@@@@@@@@@@@@@@@@@@@@@@@@@@@@@@@@@@@@@@@@@@@@@@@@@@@6?2@@@@@@@6K?O26Kf?O26K? O@?2@6K? @@@@ ?7@@@@@@@@@@)X 3@@@@@ 3@@@@?hf?3@@L? ?3@@V(Y? @@@@@@ N@@?he?@@@@@@@@@@@@@@@@@@@@@@@@@@@@@@@@@@@@@@@@@@@@5 3@@@@?h?@@@@@@? ?O2@@@@@@@@@0M
?7@@@@@@@@@5 7@@@@(Y?f?I'@@@@@@? ?J@@@@5? ?@@@@@hf?J@@@@@@@@@@@? @@@@@@@@@@@@@@@@@@@@@@@@@@@@@@@@@@@@@@@@@@@@@@@@@@@@@@@@@@@@@@@@@@@@@@@@@@@@@@@@@@@@@@@@@@@@@@@@@@@@@@@@@@@@@@@@@@@@@@@@@@@@@@@@@@@@@@@@@@@@@@@@@@@@@@@@@@@@@@@@@@@@@@@@@@@@@@@@@@@@@@@@@@@@@@@@@@@@@@@@@@@@@@@@@@@@@@@@@@@@@@@@@@@@@@@@@@@@@@@@@@@@@@@@@@@@@@@@@@@@@@@@@@@@@@@@@@@@@@@@@@@@@@@@@@@@@@@@@@@@@@@@@@@@@@@@@@@@@@@@@@@@@@@@@@@@@@@@@@@@@@@@@@@@@@@@@@@6K?gO2@6KO2@6Ke?O2@@@@@@@@@@6?2@@@@@@@@@@@@@@@@@@@@@@@@@@@@@@@@@@@@@@@@@@@@@@@@@@@@6?2@@6K?e?O26K?f?O26K?e?O@K?O2@@@@@6X@@@@ ?@@@@@?I'@@@@)K? N@@@@@ N@@@@Lhf?N@@1? ?N@@ @@@@@@L?hf?@@?he?@@@@@@@@@@@@@@@@@@@@@@@@@@@@@@@@@@@@@@@@@@@(Y N@@@@?h?@@@@@@? ?O2@@@@@@@@@0M
J@@@@@@@@@@H @@@@(YhN@@@@@@? ?7@@@@H? ?@@@@@hf?7@@@@@@@@@@5? @@@@@@@@@@@@@@@@@@@@@@@@@@@@@@@@@@@@@@@@@@@@@@@@@@@@@@@@@@@@@@@@@@@@@@@@@@@@@@@@@@@@@@@@@@@@@@@@@@@@@@@@@@@@@@@@@@@@@@@@@@@@@@@@@@@@@@@@@@@@@@@@@@@@@@@@@@@@@@@@@@@@@@@@@@@@@@@@@@@@@@@@@@@@@@@@@@@@@@@@@@@@@@@@@@@@@@@@@@@@@@@@@@@@@@@@@@@@@@@@@@@@@@@@@@@@@@@@@@@@@@@@@@@@@@@@@@@@@@@@@@@@@@@@@@@@@@@@@@@@@@@@@@@@@@@@@@@@@@@@@@@@@@@@@@@@@@@@@@@@@@@@@@@@@@@@@@@@@@@@@@@@@@@@@@@@@@@@@@@@@@@@@@@@@@@@@@@@@@@@@@@@@@@@@@@@@@@@@@@@@@@@@@@@@@@@@@@@@@@@@@@@@@@@@@@@@@@@@@@@@@@@@@@@@@@@@@@@@@@@@@@@@@@@@@ ?@@@@5eV'@@@@@6X? ?@@@@@ ?@@@@1 @@@? @@ 3@@@@@1?hf?@@?he?@@@@@?I'@@@@@@@@@@@@@@@@@@@@@@@@@@@@@@@@@@@H? ?@@@@Lh?3@@@@@L ?O2@@@@@@@@@0M
7@@@@@@@@@5? @@@@H?h?@@@@@@? ?@@@@@ J@@@@5hf?@@@@@@@@@@@H? @@@@@@@@@@@@@@@@@@@@@@@@@@@@@@@@@@@@@@@@@@@@@@@@@@@@@@@@@@@@@@@@@@@@@@@@@@@@@@@@@@@@@@@@@@@@@@@@@@@@@@@@@@@@@@@@@@@@@@@@@@@0?4@@@@@@@@@@@@@@0?40?@MI4@@0M?gI4@0M?heI40MgI4@@@@0Me?I40?@M?I@M?I@?4@@0MI40MI@?4@@@@@@@@@@@@@@@@@@@@@@@@@@@@@@@@@@@@@@@@@@@@@@@@@@@@0?4@@@@@@@@@@@@@@@@@@@@@@@@@@@@@@@@@@@@@@@@@@@@@@@@@@@@@@@@@@@@@@@@@@@@@@@@@0?4@@@@@@@@0?4@@@@@@@@@@@@@@@@@@@@@@@@@@@@@@@@@@@@@@@@@@@@@@@@@@@@@@@@@@@@@@@@@@@@@@@@@@@@@@@@@@@@@@@@@@@@@@@@@@@@@@@@@@@@@@@@@@@@@@@@@@@@ J@@@@He?V4@@@@@)K ?@@@@@ ?@@@@@L?hf3@@? @@gW2@@ N@@@@@@?hf?@@?he?3@@@@eV4@@@@@@@@@@@@@@@@@@@@@@@@@@@@@@@@@@ ?@@@@1h?N@@@@@1 ?O2@@@@@@@@@0M
@@@@@@@@@@H? ?J@@@@he?@@@@@@L J@@@@@ 7@@@@Hhf?@@@@@@@@@@@ @@@@@@@@@@@@@@@@@@@@@@@@@@@@@@@@@@@@@@@@@@@@@@@@@@@@@@@@@@@@@@@@@@@@@@@@@@@@@@(M I@MI4@@@@@@@@@@@@@@@@@@@@@@@0?4@@@@0?4@@@@@@@0?4@@@@@@@@@@@@@@@@@@ 7@@@@?f?I'@@@@@@6K? ?@@@@@L?hf?@@@@@)XhfN@@? 3@L?f*@@@ ?@@@@@@?hf?3@Lhe?N@@@@L?eI4@@@@@@@@@@@@@@@@@@@@@@@@@@@@@@@5 ?@@@@@he@@@@@@ ?O2@@@@@@@@@0M
?J@@@@@@@@@5 ?7@@@@he?3@@@@@1 7@@@@5 @@@@@?hfJ@@@@@@@@@@@ @@@@@@@@@@@@@@@@@@@@@@@@@@@@@@@@@@@@@@@@@@@@@@@@@@@@@@@@@@@@@@@@@@@@@@@@@@@@@@H? ?I40MI'@@@ @@@@@?gV4@@@@@@@6X? ?@@@@@1?hf?@@@@@@)hf?@@L N@1?fV+M? ?@@@@@@Lhf?N@1hf@@@@1?fI4@@@@@@@@@@@@@@@@@@@@@@@@@@@@(Y ?@@@@@he@@@@@@ O2@@@@@@@@@0M?
?7@@@@@@@@@H J@@@@5he?N@@@@@@ @@@@@H ?J@@@@@?hf7@@@@@@@@@@@ @@@@@@@@@@@@@@@@@@@@@@@@@@@@@@@@@@@@@@@@@@@@@@@@@@@@@@@@@@@@@@@@@@@@@@@@@@@@@@ N@@@L? @@@@@?hI4@@@@@@)K ?3@@@@@?hf?3@@@@@Hhf?@@1 ?@@? ?@@@@@@1 @@hf@@@@@?gI4@@@@@@@@@@@@@@@@@@@@@@@@@@H? ?3@@@@he3@@@@@L? O2@@@@@@@@@0M?
J@@@@@@@@@@? 7@@@@Hhf3@@@@@L? @@@@@? ?7@@@@5?hf@@@@@@@@@@@@ ?J@@@@@@@@@@@@@@@@@@@@@@@@@@@@@@@@@@@@@@@@@@@@@@@@@@@@@@@@@@@@@@@@@@@@@@@@@@@@@@ ?@@@)KO@K? @@@@@?heI4@@@@@@@@@@@6K? ?N@@@@@?hf?N@@@@@?hf?@@@ ?@@? ?3@@@@@@ @@hf@@@@@? I'@@@@@@@@@@@@@@@@L? ?N@@@@L?hN@@@@@1? O2@@@@@@@@@0M?
7@@@@@@@@@5? @@@@5?hfN@@@@@1? ?J@@@@5? ?@@@@@H?hf@@@@@@@@@@@@ ?7@@@@@@@@@@@@@@@@@@@@@@@@@@@@@@@@@@@@@@@@@@@@@@@@@@@@@@@@@@@@@@@@@@@@@@@@@@@@@5 ?@@@@@@@@6K? @@@@@?hfI4@@@@@@@@@@@6K? ?J@@@@@? @@@@@?hf?@@@ ?@@? ?N@@@@@@ @@hf@@@@@L ?N@@@@@@@@@@@@@@@@1? @@@@1?h?@@@@@@? O2@@@@@@@@@0M?
?J@@@@@@@@@@H? ?J@@@@H?hf?3@@@@@? ?7@@@@H? ?@@@@@ @@@@@@@@@@@@ @? ?@@@@@@@@@@@@@@@@@@@@@@@@@@@@@@@@@@@@@@@@@@@@@@@@@@@@@@@@@@@@@@@@@@@@@@@@@@@@@(Y ?@@@@@@@@@@@6Khf@@@@@? ?I4@@@@@@@@@@@@@@6?@K? ?@@@@@@? @@@@@?hf?3@@ ?3@L @@@@@@ @@hf3@@@@1 @@@@@@@@@@@@@@@@@? @@@@@?h?@@@@@@? O2@@@@@@@@@0M?
?7@@@@@@@@@5 ?7@@@@ ?N@@@@@? ?@@@@@ ?@@@@@ @@@@@@@@@@@@ @L ?@@@@@@@@@@@@@@@@@@@@@@@@@@0M?heI4@@@@@@@@@@@@@@@@@@@@@@@@@@@@@@@@@@@0Y? ?@@@@@@@@@@@@@6Khe@@@@5? I4@@@@@@@@@@@@@@@@6?@K O2@@@@6Xe?N@@@@@L 3@@@@?hf?N@@L? ?N@1 @@@@@@ @@L?heN@@@@@ @@@@@@@@@@@@@@@@@L 3@@@@Lh?3@@@@@? O2@@@@@@@@@0M?
J@@@@@@@@@@H ?@@@@@ @@@@@L J@@@@@ ?@@@@@heW2@@@@@@@@@@@@@@f?O26KO@Kf?J@1 ?@@@@@@@@@@@@@@@@@@0M? ?I4@@0M? ?3@@@@@@@@@@@@@@@@6Xg@@@@H? ?I4@@@@@@@@@@@@@@@@@@@@@@@@@@@@@@@@@@@@@@@@@@,f3@@@@1 N@@@@? @@1? @@ @@@@@@ 3@1?he?@@@@@ @@@@@@@@@@@@@@@@@1 N@@@@1h?N@@@@@L ?W2@@@@@@@@@(M
7@@@@@@@@@5? J@@@@5 @@@@@1 7@@@@5 ?@@@@5he7@@@@@@@@@@@@@@@@@@@@@@@@@@@@6X??7@@ ?@@@@@@@@@@@@@@@@0M? ?N@@@@@@@@@@@@@@@@@)K?f@@@@L? I4@@@@@@@@@@@@@@@@@@@@@@@@@@@@@@@@@@@@0YfN@@@@@ ?@@@@L @@@? @@ @@@@@@ N@@?he?@@@@@ ?J@@@@@@@@@@@@@@@@@@L? ?@@@@@he@@@@@1 O&@@@@@@@@@0Y?
?J@@@@@@@@@@H? 7@@@@H 3@@@@@ @@@@@H J@@@@Hhe@@@@@@@@@@@@@@@@@@@@@@@@@@@@@@)K?@@@ J@@@@@@@@@@@@@(M @@@@@@@@@@@@@@@@@@@6K?e@@@@1? I4@@@@@@@@@@@@@@@@@@@@@@@@@@0Mh?@@@@@ ?@@@@1 3@@? @@L? 3@@@@@L?hf?@@?he?@@@@@ ?7@@@@@@@@@@@@@@@@@@1? ?@@@@@he@@@@@@ ?W2@@@@@@@@@0M
?7@@@@@@@@@5 @@@@5? N@@@@@L? @@@@@? 7@@@@?he3@@@@@@@@@@@@@@@@@@@@@@@@@@@@@@@@@@@L? 7@@@@@@@@@@@@(Y? @@@@@@@@@@@@@@@@@@@@@@@@@@@@@? ?I4@@@@@@@@@@@@@@@@0M?he?@@@@@ ?@@@@@L?hfN@@? @@1? N@@@@@1?hf?@@?he?3@@@@L? ?@@@@@@@@@@@@@@@@@@@@L ?3@@@@he@@@@@@ O&@@@@@@@@0M
?W2@ J@@@@@@@@@@H ?J@@@@H? ?@@@@@1? ?J@@@@5? @@@@@?heV'@@@@@@@@@@@@@@@@@@@@@@@@@@@@@@@@@@1? @@@@@@@@@@@@0Y @@@@?@@@@@@@@@@@@@@@@@@@@@@@@? ?@@@@@L?hf?@@@@@1?hf?@@L 3@@? ?@@@@@@?hf?3@Lhe?N@@@@1? J@@@@@@@@@@@@@@@@@@@@1 ?N@@@@L?h3@@@@@L? O2@@@@@@@@@@0M
W&@@L? 7@@@@@@@@@5? ?7@@@@ ?3@@@@@? ?7@@@@H? @@@@@?he?N@@@@@@@@@@@@@@@@@@@@@@@@@@@@@@@@@@@? @@@@@@@@@@(M @@@@?@@@@@@@@@@@@@@@@@@@@@@@@??O@K ?3@@@@1?hf?@@@@@@?hf?@@1 N@@? ?@@@@@@?hf?N@1hf@@@@@? 7@@@@@@@@@@@@@@@@@@@@@ @@@@1?hN@@@@@1? O2@@@@@@@@@0M?
?W&@@@)X ?J@@@@@@@@@@H? ?@@@@5 ?N@@@@@? J@@@@@ ?J@@@@5?hf@@@@@@@@@@@@@@@@@@@@@@@@@@@@@@@@@@@? @@@@@@@@@(Y? @@@@?3@@@@@@@@@@@@@@@@@@@@@@@@@@@@@? ?N@@@@@?hf?3@@@@5?hf?@@@ ?@@? ?@@@@@@? @@hf@@@@@? @@@(Y@@@@@@@@@@@@@@@@@ @@@@@?h?@@@@@@? O2@@@@@@@@@0M?
O&@@@@@1 ?7@@@@@@@@@5 J@@@@H @@@@@L 7@@@@@ ?7@@@@H?hf@@@@@(M?hf?@@@@@@@@@@@@@@? @@@@@@@@(Y @@@@?N@@@@@@@@@@@@@@@@@@@@@@@@@@@@@? @@@@@?hf?N@@@@ ?@@@ ?@@? ?@@@@@@? @@hf@@@@@? @@@H?@@@@@@@@@@@@@@@@@ 3@@@@?h?@@@@@@? O2@@@@@@@@0M
@@@@@@@@@@L? J@@@@@@@@@@H 7@@@@? 3@@@@1 @@@@@5 ?@@@@@ @@@@@H ?@@@@@@@@@@@@@@? @@@@@@@(Y? 3@@@e3@@@@@@@@@@@@@@@@@@@@@@@@@@@@@6X @@@@@? @@@@1?hf?3@@ ?@@? ?@@@@@@? @@L?he3@@@@? @@5??@@@@@@@@@@@@@@@@@ N@@@@Lh?@@@@@@L O2@@@@@@@@0M
?J@@@@@@@@@@1? 7@@@@@@@@@5? @@@@@? N@@@@@ ?J@@@@@H ?@@@@@ @@@@@? ?@@@@@@@@@@@@@@L @@@@@@(Y N@@@eV4@@@@@@@@@@@@@@@@@@@@@@@@@@@@@)X? @@@@@? 3@@@@?hf?N@@ ?3@L ?3@@@@@? @@1?heN@@@@L @@H??@@@@@@@@@@@@@@@@@L? ?@@@@1h?3@@@@@1 ?O2@@@@@@@@@0M
?7@@@@@@@@@@@? ?J@@@@@@@@@@H? @@@@5? ?@@@@@L? ?7@@@@@? ?@@@@@ @@@@@? ?@@@@@@@@@@@@@@1 @@@@@@H? ?@@@f?@@@@@@@@@@@@@@@@@@@@@@@@@@@@@)X @@@@@L N@@@@L @@L? ?N@1 ?N@@@@@L @@@?he?@@@@1 @@e?@@@@@@@@@@@@@@@@@1? ?@@@@@h?N@@@@@@ ?O2@@@@@@@@@0M
J@@@@@@@@@@@@? ?7@@@@@@@@@@ ?J@@@@H? ?@@@@@1? ?@@@@@5? ?@@@@@ @@@@5? ?3@@@@@@@@@@@@@@ @@@@@5 ?@@@f?@@@@@@@@@@@@@@@@@@@@@@@@@@@@@@)X? 3@@@@1 ?@@@@1 @@1? @@ @@@@@1 @@@?he?@@@@@hf?J@@e?@@@@@@@@@@@@@@@@@@L ?@@@@@he@@@@@@ ?O2@@@@@@@@0M?
7@@@@@@@@@@@@L J@@@@@@@@@@5 ?7@@@@ ?3@@@@@L ?@@@@@H? ?@@@@5 @@@@H? ?V'@@@@@@@@@@@@@ ?J@@@@@H ?@@@f?@@@@?I'@@@@@@@@@@@@@@@@@@@@@@@@)X N@@@@@ ?@@@@5 @@@? @@ @@@@@@ @@@?he?@@@@@hf?7@@e?@@@@@@@@@@@@@@@@@@1 ?3@@@@he3@@@@@ ?O2@@@@@@@@0M?
?J@@@@@@@@@@@@@1 7@@@@@@@@@@H ?@@@@@ ?N@@@@@1 J@@@@@ J@@@@H @@@@ V'M??@@@@@@@@@ ?7@@@@@? ?@@@f?@@@@??V4@@@@@@@@@@@@@@@@@@@@@@@@1 ?@@@@@ ?@@@@H @@@? @@L? @@@@@@ 3@@?he?@@@@@L?he?@@@e?@@@@@@@@@@@@@@@@@@@ ?N@@@@L?hN@@@@@L? ?O2@@@@@@@@0M?
W&@@@@@@@(?'@@@@ ?J@@@@@@@@@@5? J@@@@5 3@@@@@ 7@@@@5 7@@@@?hf?J@@@@ ?@@@@@@@@@ ?@@@@@@? ?@@@L?e?@@@5?fI'@@@@@@@@@@@@@@@@@@@@@@L? ?@@@@@ ?@@@@? 3@@L 3@1? @@@@@@ N@@Lhe?3@@@@1?he?@@@e?@@@@@@@@@@@@@@@@@@@L? @@@@1?h?@@@@@1? W2@@@@@@@@@0M?
7@@@@@@@(Y?N@@@@ ?7@@@@@@@@@@H? 7@@@@H N@@@@@ @@@@@H @@@@@?hfO&@@@@ ?O@Ke?@@@@@@@@@ ?@@@@@@? ?@@@1?e?@@@H?f?V4@@@@@@@@@@@@@@@@@@@@@)X ?@@@@@L?hf?@@@@L N@@1 N@@? 3@@@@@ ?@@1he?N@@@@@?he?@@@e?@@@@@@@@@@@@@@@@@@@1? @@@@@?h?@@@@@@? ?O&@@@@@@@@0M?
?J@@@@@@@@H?e@@@@ J@@@@@@@@@@5 @@@@5? ?@@@@@L? @@@@@? @@@@@?h?@@@@@@@@@@@@@@@@@@@@@@@@@@@@@@6X@@@@@@@@@ ?@@@@@@? ?3@@@?e?@@@L?g?I4@@@@@@@@@@@@@@@@@@@@)X? ?@@@@@1?hf?@@@@1 ?@@@ ?@@? N@@@@@ ?@@@hf@@@@@?heJ@@@eJ@@@@@@@@@@@@@@@@@@@@L 3@@@@?h?@@@@@@? O2@@@@@@@@0M
?@6X ?7@@@@@@@@f@@@@L? 7@@@@@@@@@@H @@@@H? ?@@@@@1? ?J@@@@@? @@@@@?h?@@@@@@@@@@@@@@@@@@@@@@@@@@@@@@@@@@@@@@@@@ ?@@@@@@? ?N@@@?e?@@@1?f?@@??I'@@@@@@@@@@@@@@@@@@@1? ?@@@@@@?hf?3@@@@ ?3@@ ?@@? ?@@@@@ ?@@@hf@@@@@?he7@@@?O&@@@@@@@@@@@@@@@@@@@@1 N@@@@?h?3@@@@@L O2@@@@@@@@0M
?@@1 ?@@@@@@@@5f@@@@1? ?J@@@@@@@@@@5? ?J@@@@ ?3@@@@@? ?7@@@@5? ?J@@@@5?h?@@@@@@@@@@@@@@@@@@@@@@@@@@@@@@@@@@@@@@@@@ ?@@@@@5? @@@?e?@@@5?fJ@@LeN@@@@@@@@@@@@@@@@@@@@? ?3@@@@@?hf?N@@@@ ?N@@ ?@@L ?@@@@@L?hf?@@@hf@@@@@?h?J@@@@@@@@@@@@@@@@@@@@@@@@@@@@L? ?@@@@Lh?N@@@@@1 O2@@@@@@@@0M
?@@@L? J@@@@@@@@Hf3@@@@L ?7@@@@@@@@@@H? ?7@@@@ ?N@@@@@L ?@@@@@H? ?7@@@@H?h?@@@@@@@@@@@@@@@@@0MI4@@@@@@@@@0Y@@@@@@@@@ ?@@@@@H? @@@?e?3@(Y?f7@@1e?@@V'@@@@@@@@@@@@@@@@? ?N@@@@@? @@@@ @@L? ?@@1 ?3@@@@1? 3@@@@Lh?'@@@@@@@@@@@@@@@@@@@@@@@@@@@@1? ?@@@@1he@@@@@@ ?O2@@@@@@@@@0M
?3@@1? 7@@@@@@@5?fN@@@@1 J@@@@@@@@@@5 J@@@@5 3@@@@1 J@@@@@ ?@@@@@ @@@@@? ?3@@@@@@@@ ?@@@@@ @@@?e?V+Yf?J@@@5e?@@?V4@@@@@@@@@@@@@@@? @@@@@? @@@@ @@1? ?3@@ ?N@@@@@? N@@@@1h?V'@@@@@@@@@@@@@@@@@@@@@@@@@@@@L ?@@@@@he@@@@@@ ?O2@@@@@@@@@0M ?@@@@@@?
?N@@@? ?J@@@@@@@@H?f?@@@@@L? 7@@@@@@@@@@H 7@@@@H N@@@@@L? 7@@@@@ ?@@@@@ @@@@@? ?N@@@@@@@@ J@@@@@ @@@?he?7@@@?e?@@LeI'@@@@@@@@@@@@@? @@@@@L 3@@@L? @@@? ?N@@ @@@@@? ?@@@@@heN@@@@@@@@@@@@@@@@@@@@@@@@@@@@)X? ?@@@@@he3@@@@@L? ?O2@@@@@@@@@0M J@@@@@@?
@@@? ?7@@@@@@@5g?@@@@@1? ?J@@@@@@@@@@5? @@@@@? ?@@@@@1? @@@@@5 ?@@@@@ @@@@@? @@@@@@@@ 7@@@@@ @@@Le?O@Kf?@@@@1e?@@1e?N@@@@@@@@@@@@@L 3@@@@1 N@@@1? 3@@? @@ @@@@@? ?@@@@@heJ@@@@@@@@@@@@@@@@@@@@@@@@@@@@@1? ?3@@@@L?hN@@@@@1? ?O2@@@@@@@@0M? 7@@@@@@?
3@@? J@@@@@@@(Yg?3@@@@@? ?7@@@@@@@@@@H? @@@@5? ?@@@@@@? @@@@@H J@@@@@ @@@@5? @@@@@@@@ @@@@@@ 3@@)?2@@@@@@@@@@@@@@e?@@@L?e@@@@@@@@@@@@@1 N@@@@@ ?@@@@? N@@? @@L? @@@@@L ?@@@@@h?W&@@@@@@@@@@@@@@@@@@@@@@@@@@@@@@L ?N@@@@1?h?@@@@@@? ?O2@@@@@@@@0M? @@@@@@@L
N@@L 7@@@@@@@H?g?N@@@@@L J@@@@@@@@@@5 ?J@@@@H? ?3@@@@@? ?J@@@@@? 7@@@@5 @@@@H? @@@@@@@@ @@@@@@ N@@@@@@@@@@@@@@@@@@@e?@@@)X?J@@@@@@@@@@@@@@ ?@@@@@ ?@@@@? ?@@? @@1? @@@@@1 ?@@@@@hW&@@@@@@@@@@@@@@@@@@@@@@@@@@@@@@@)X? @@@@@?h?@@@@@@? ?O2@@@@@@@@0M? @@@@@@@)K?
?@@1 ?J@@@@@@@5he@@@@@1 7@@@@@@@@@@H ?7@@@@ ?N@@@@@? ?7@@@@5? @@@@@Hhf?J@@@@ W2@@@@@@@@@@ @@@@@5 ?@@@@@@@@@@@@@@@@@@@@@@@@@@)?&@@@@@@@@@@@@@@ ?@@@@@ ?@@@@? ?@@L @@@? @@@@@@ ?3@@@@L?f?W&@@@@@@@@@@@@@@@@@@@@@@@@@@@@@@@@@1? 3@@@@?h?@@@@@@? ?O2@@@@@@@@0M? ?O26K?O26?2@@@@@@@@@@@@@@@6?26X?
?3@@ ?7@@@@@@@Hhe@@@@@5 ?J@@@@@@@@@@5? J@@@@5 @@@@@L ?@@@@@H? @@@@@?hf?7@@@@ 7@@@@@@@@@@@ @@@@@H ?@@@@@@@@@@@@@@@@@@@@@@@@@@@@@@@@@@@@@@@@@@@ ?@@@@@L?hf?3@@@? ?@@1 3@@? O2@@@@@@@@L? ?N@@@@1?fW&@@@@@@@@@@@@@@(M?I'@@@@@@@@@@@@@@@@L N@@@@Lh?3@@@@@L ?O2@@@@@@@@(M? ?@@@@@@@@@@@@@@@@@@@@@@@@@@@@@@@@@@@@@@@@@@@1?
?N@@ J@@@@@@@5?he@@@@@Y ?7@@@@@@@@@@H? 7@@@@H 3@@@@1 J@@@@@ @@@@5?hf?@@@@@ @@@@@@@@@@@@ @@@@@? ?@@@@@@@@@@@@@@@@@@@@@@@@@@@@@@@@@@@@@@@@@@@ ?3@@@@1?hf?N@@@L ?@@@e@? N@@? ?O2@@@@@@@@@@@1? @@@@@?e?W&@@@@@@@@@@@@@@(Y?eN@@@@@@@@@@@@@@@@1 ?@@@@1h?N@@@@@1 ?O2@@@@@@@@@0Y ?@@@@@@@@@@@@@@@@@@@@@@@@@@@@@@@@@@@@@@@@@@@@?
@@L? 7@@@@@@@H?he@@@@@@@@6Khe?O2@6Kh?O2@@@6X ?@@@@@@@@@@5 @@@@5? N@@@@@L? 7@@@@5 @@@@H?hf?@@@@5 @@@?@@@@@@@@ @@@@@? ?@@@@@@@@@@@@@@@@@@@@@@@@@@@@@@@@@@@@@@@@@@@ ?N@@@@@? @@@1 ?3@@e@? ?@@L ?O2@@@@@@@@@@@@@@? @@@@@?e?7@@@@@@@@@@@@@@(Yf?3@@@@@@@@@@@@@@@@ ?@@@@@he@@@@@@ ?O2@@@@@@@@0M? ?@@@@@@@@@@@@@@@@@@@@@@@@@@@@@@@@@@@@@@@@@@@@?
@@1? ?J@@@@@@@5hf@@@@@@@@@@@@@@@@@@@@@@@@@@@@@@@@@@@@@@@@@) J@@@@@@@@@@H ?J@@@@H? ?@@@@@1? @@@@@H @@@@ ?@@@@H @@@?@@@@@@@@ @@@@5? ?@@@@@@@@@@@@@@@@@@@@@@@@@@@@@@@@@@@@@@@@@@5 @@@@@? @@@@ ?N@@ ?@@1 O2@@@@@@@@@@@@@@@@@? 3@@@@?eJ@@@@@@@@@@@@@@(Y?f?V'@@@@@@@@@@@@@@@ ?@@@@@he@@@@@@ ?O2@@@@@@@@0M? ?@@@@@@@@@@@@@@@@@@@@@@@@@@@@@@@@@@@@@@@@@@@@?
@@@? ?7@@@@@@@Hhf3@@@@@@@@@@@@@@@@@@@@@@@@@@@@@@@@@@@@@@@@H 7@@@@@@@@@5? ?7@@@@ ?3@@@@@? @@@@@? ?J@@@@ ?@@@@? @@5?3@@@@@@@ @@@@H? ?@@@@@@@@@@@@@@@@@@@@@@@@@@@@@@@@@@@@@@@@@@H @@@@@? @@@@ @@L? ?3@@hfO2@@@@@@@@@@@0?'@@@@@? N@@@@Le7@@@@@@@@@@@@@@HhV'@@@@@@@@@@@@@@ ?3@@@@he3@@@@@L? ?O2@@@@@@@@0M? J@@@@@@@@@@@@@@@@@@@@@@@@@@@@@@@@@@@@@@@@@@@@?
3@@L ?@@@@@@@5?hfN@@@@@@@@@@@@@@@@@@@@@@@@@@@@@@@@@@@@@@@@? ?J@@@@@@@@@@H? ?@@@@@ ?N@@@@@L @@@@5? ?7@@@@ ?@@@@? @@H?N@@@@@@@ ?J@@@@ ?@@@@@@@@@@@@@@@@@@@@@@@@@@@@@@@@@@@@@@@@@@? 3@@@@? 3@@@ @@1? ?N@@he?@@@@@@@@@@@@0M??N@@@@@? ?@@@@1?J@@@@@@@@@@@@@@5?h?N@@@@@@@@@@@@@@ ?N@@@@L?hN@@@@@1? ?O2@@@@@@@@0M? @@@@@@@@@@@@@@@@@@@@@@@@@@@@@@@@@@@@@@@@@@@@@?
N@@1 J@@@@@@@H?hf?@@@@@@@@@@@@@@@@@@@@@@@@@@@@@@@@@@@@@@@@L ?7@@@@@@@@@5 ?@@@@5 3@@@@1 ?J@@@@H? ?@@@@@ J@@@@? ?J@@e?@@@@@@@ ?7@@@@ ?3@@@@@@@@@@@@@@@@@@@@@@@@@@@@@@@@@@@@@@@@5? N@@@@?O2@@@@hN@@@ @@@?e?O26X?he@@heJ@@@@@@@@0M?g@@@@@? ?@@@@@W&@@@@@@@@@@@@@(Y?he@@@@@@@@@@@@@@ @@@@1?h?@@@@@@? ?O2@@@@@@@@0M? N@@@@@@@@@@@@@@@@@@@@@@@@@@@@@@@@@@@@@@@@@@@@?
?3@@ ?W&@@@@@@5 ?@@@@@@@0Mf?I@MfI@MI@MgI4@@@@@)X? J@@@@@@@@@@H J@@@@H N@@@@@ ?7@@@@ ?@@@@@ 7@@@@? ?7@@e?@@@@@@@ ?@@@@@ ?N@@@@@@@@@@@@@@@@@@@@@@@@@@@@@@@@@@@@@@@@H? ?@@@@@@@@@@5h?@@@L? 3@@??W2@@@1?he@@h?W&@@@@@@0M?h@@@@@L ?@@@@@@@@@@@@@@@@@@@@Hhf?I'@@@@@@@@@@@L? 3@@@@?h?@@@@@@? ?O2@@@@@@@0M ?@@@@@@@@@@@@@@@@@@@@@@@@@@@@@@@@@@@@@@0M?
?N@@L? ?7@@@@@@@H J@@(M? ?@@@@@1? 7@@@@@@@@@@? 7@@@@? ?@@@@@ J@@@@@ ?@@@@5 @@@@5? ?@@@e?@@@@@@@ ?@@@@@ @@@@@@@@@@@@@@@@@@@@@@@@@@@@@@@@@@@@@@@@ ?@@@@@@@@@0Yh?@@@1? N@@L?7@@@@@?he@@L?gO&@@@@@(M?he@@@@@1 ?@@@@@@@@@@@@@@@@@@@5? N@@@@@@@@@@@1? N@@@@?h?3@@@@@? O2@@@@@@@@0M ?@@@@@@@@@@@(M @@@@@@@(M?
@@1? J@@@@@@@5? 7@@H ?@@@@@@? ?J@@@@@@@@@@5? @@@@5? ?@@@@@L? 7@@@@@ J@@@@H @@@@H? ?@@@e?@@@@@@@ ?@@@@@ @@@@@@@@@@@@@@@@@@@@@@@@@@@@@@@@@@@@@@@@ ?@@@@@@(M?he?@@@@? ?@@)X@@@(Mhf3@1?f?@@@@@@@0Yhf3@@@@@ ?3@@@@@@@@@@@@@?W@@@H? ?@@@@@@@@@@@@? ?@@@@Lh?N@@@@@L W2@@@@@@@@(M ?@@@@@@@@@@@ @@@@@@@H
3@@? 7@@@@@@@H?hf?J@@5? J@@@@@5? ?7@@@@@@@@@@H? ?J@@@@H? ?3@@@@1? @@@@@5 7@@@@? @@@@ J@@@e?@@@@@@@L? ?@@@@@ @@@?e?I4@@@@@@@@@@@@@@@@@@@@@@@@@@@@@@@ ?@@@@@@Hhf?3@@@? ?@@@@@@@H?hfN@@?fJ@@@@@(M N@@@@@ ?N@@@@@@@@@@@@@?7@@@ ?@@@@@@@@@@@@L ?@@@@1he@@@@@1 ?O&@@@@@@@@0Y? ?3@@@@@@@@@@)K @@@@@@@?
N@@L ?J@@@@@@@5 ?7@@H? 7@@@@@H? J@@@@@@@@@@5 ?7@@@@ ?N@@@@@L @@@@@H @@@@@? @@@@ 7@@@e?@@@@@@@1? ?@@@@@ 3@@?f?I4@@@@@@@@@@@@@@@@@@@@@@@@@@@@@ ?@@@@@@?hf?N@@@L ?3@@@@@5 ?@@?f7@@@@(Y? ?@@@@@ @@@@@@@@@@@@@?@@@@ J@@@@@@@@@@@@1 ?@@@@@he@@@@@@ O2@@@@@@@@0M ?V'@@@@@@@@@@@6Xhf@@@@@@@?
?@@1 ?7@@@@@@@H J@@5 ?J@@@@@@ 7@@@@@@@@@@H ?@@@@5 @@@@@1 ?J@@@@@? @@@@@?hf?J@@@@ @@@@e?@@@@@@@@? ?@@@@@ N@@Lh?I4@@@@@@@@@@@@@@@@@@@@@@@@@ ?@@@@@@? @@@1 ?N@@@@0Y ?@@?e?J@@@@(Y ?@@@@@L? @@@@@@@@@@@@@@@@@@ 7@@@@@@@@@@@@@ ?3@@@@he@@@@@@L? O2@@@@@@@@0M V4@@@@@@@@@@@)K?he@@@@@@@?
?@@@ J@@@@@@@5? 7@@H W&@@@@@@ ?J@@@@@@@@@@5? J@@@@H 3@@@@@ ?7@@@@@? @@@@5?hf?7@@@5 @@@@e?@@@@@@@@? ?@@@@@ ?@@1 ?I4@@@@@@@@@@@@@@@@@@@ ?3@@@@@? @@@@ @@@? ?@@Le?7@@@@H? ?@@@@@1? @@@@@@@@@@@@@@@@@@ @@@@@@@@@@@@@5 ?N@@@@he3@@@@@1? O2@@@@@@@@0M I'@@@@@@@@@@@6X?h@@@@@@@?
?3@@ 7@@@@@@@H?hf?J@@5? 7@@@@@@5 ?7@@@@@@@@@(Y? 7@@@@? N@@@@@ ?@@@@@5? ?J@@@@H?hf?@@@@H @@@5e?@@@@@@@@? ?@@@@@ ?@@@ I4@@@@@@0Y@@@@@@ ?N@@@@@? @@@@ @@@? ?@@1eJ@@@@5 ?@@@@@@? 3@@@@@@@@@@@@@@@@@ @@@@@@@@@@@@@H @@@@L?hN@@@@@@? O2@@@@@@@0M? ?V4@@@@@@@@@@@)Kh@@@@@@@?
?N@@L? ?J@@@@@@@5 W&@(Y? ?J@@@@@@(Y J@@@@@@@@@@H @@@@5? ?@@@@@L? ?@@@@@H? ?7@@@@ ?@@@@? @@@He?@@@@@@@@? J@@@@5 ?@@@ @@@@@@L? @@@@@L 3@@@ 3@@?eW2@@he?@@@L?7@@@@H ?3@@@@@L N@@@@@@@@@@@@@@@@@L? @@@@@@@@@@@@@? @@@@1?h?@@@@@@? ?O2@@@@@@@@0M? ?I'@@@@@@@@@@@6Xg@@@@@@@?
@@1? ?7@@@@@@@H 7@@H ?7@@@@@(Y? ?W&@@@@@@@@@5? ?J@@@@H? ?3@@@@1? ?@@@@5 ?@@@@@ ?@@@@? @@@?e?@@@@@@@@? 7@@@@H ?@@@ @@@@@@1? @@@@@)?2@6X?hN@@@L? N@@?e7@@@he?@@@)X@@@@5? ?N@@@@@1 ?@@@@@@@@@@@@@@@@@1? @@@@@@@@@@@@@? 3@@@@Lh?@@@@@@L O2@@@@@@@@@0M? V4@@@@@@@@@@@)K?f@@@@@@@?
@@@? J@@@@@@@5? @@@? J@@@@@(Y ?7@@@@@@@@@@H? ?7@@@@ ?N@@@@@? ?@@@@H ?@@@@@ J@@@@? ?J@@@?e?3@@@@@@@? @@@@@? ?@@@ @@@@@@@? 3@@@@@@@@@1?h?@@@1? ?@@Le@@@5he?3@@@@@@@@H? ?J@@@@@@ ?@@@@@@@@@@@@?@@@@@L @@@@@@@@@@@@@? N@@@@1h?@@@@@@1 W2@@@@@@@@(M I'@@@@@@@@@@@6X?e@@@@@@@?
3@@L 7@@@@@@@H?hf?J@@5? 7@@@@@H? J@@@@@@@@@@@ ?@@@@5 @@@@@L J@@@@? ?@@@@@ 7@@@@? ?7@@@?e?N@@@@@@@? @@@@@? ?@@@ ?J@@@@@@@L N@@@@@@@@@5?h?@@@@? ?@@1e@@0Yhe?N@@@@@@@@ O&@@@@@@ ?@@@@@@@@@@@@?3@@@@)K?he?J@@@@@@@@@@@@@? ?@@@@@h?3@@@@@@ ?O&@@@@@@@@0Y? ?V4@@@@@@@@@@@)Ke@@@@@@@?
N@@1 ?J@@@@@@@@ W&@@H? @@@@@@ 7@@@@@@@@@@5 ?@@@@H 3@@@@1 7@@@@? J@@@@@ @@@@@? ?@@@@?f@@@@@@@?hf?J@@@@@? ?@@@L? ?7@@@@@@@1 ?@@@@@@@@0Y?h?@@@@? ?@@@e@M @@@@@@@@he?W2@6KeO2@@@@@@@@L?hf@@6Xhe?@@@@@@@@@@@@?V'@@@@@@6KgO@?7@@?@@@@@@@@@@L ?@@@@@h?N@@@@@@ O2@@@@@@@@0M ?I'@@@@@@@@@@@@@@@@@@@@?
?@@@ W&@@@@@@@5 7@@5 ?J@@@@@5 ?J@@@@@@@@@@@H J@@@5? N@@@@@ ?J@@@@5? 7@@@@@@6X?e'@6Xe?J@@@@@? ?@@@@?f@@@@@@@?hf?7@@@@@? ?@@@1? J@@@@@@@@@ ?@@@@@@(M?he?@@@@? ?3@@ @@@@@@@@heW&@@@@@@@@@@@@@@@@1?hf@@@1he?@@@@@@@@@@@@??N@@@@@@@@@@@@@@@5?@@@?@@@@@@@@@@1 ?3@@@@he@@@@@@L? O2@@@@@@@@0M V4@@@@@@@@@@@@@@@@@@@?
?3@@ 7@@@@@@@(Yhf?J@@(Y W&@@@@(Y ?7@@@@@@@@@@5? 7@@@H? ?@@@@@L? ?7@@@@H? @@@@@@@@)XeV4@)e?7@@@@@? ?@@@@?f@@@@@@@?hf?@@@@@@? ?@@@@? 7@@@@@@@@@L? ?@@@@@@Hhf?3@@@? ?N@@W@ @@@@@@@@h?W&@@@@@@@@@@@@@@@@@@?hf@@@@he?3@@@@@@@@@@@L?J@@@@@@@@@@@@@@(Y?@@@?@@@@@@@@@@@ ?N@@@@L?h3@@@@@1? ?W2@@@@@@@@(M? I'@@@@@@@@@@@@@@@@@?
?N@@L? ?J@@@@@@@@H?hf?7@@H? 7@@@@@H? J@@@@@@@@@@@H? @@@@ ?3@@@@1? J@@@@@ @@@@@@@@@)h?@@@@@@@@@@@6Kg?O@KeO2@@@@@?f@@@@@@@?hf?@@@@@@? ?@@@@? ?J@@@@@@@@@@1? ?@@@@@@?hf?N@@@? @@@@ @@@@@@@@hW&@@@@@@@@@@@@@@@@@@@?hf3@@@he?N@@@@@@@@@@@)?&@@@@@@@@@@@@@(Y??@@@?@@@@@@@@@@@ @@@@1?hN@@@@@@? O&@@@@@@@@0Y ?V4@@@@@@@@@@@@@@@@?
@@1? ?7@@@@@@@5 J@@5 ?J@@@@@@ W2@@@6K?e?O26KO2@@@@@@@6Ke?O&@@@@@@@@@@5 @@@5 ?N@@@@@? 7@@@@@ @@@@@?h?W2@@@@@@@@@@@@@@@@@@@@@@@@@@@@@@@@@5?f@@@@@@@?hf?@@@@@@?fO2@@@@6?@Ke?O2@@@@@@@@@@@@@@@@@@@@@@@@@@@@@@@@@@@@@@@@@@@@@@@@6X? ?@@@@? W&@@@@?I'@@@@L ?@@@@@@? @@@? @@@5 @@@@@@@@g?W&@@@@@@@@@@@@@@@@@@@@?hfV'@5hf@@@@@@@@@@@@@@@@@@@@@@@@@@@?e?@@@?@@@@@@@@@@@ @@@@@?h?@@@@@@? ?O2@@@@@@@@@0M ?I'@@@@@@@@@@@@@@?
3@@L J@@@@@@@@H 7@@H ?7@@@@@5 ?W&@@@@@@@@@@@@@@@@@@@@@@@@@@@@@@@@@@@@@@@@H ?J@@@H @@@@@L @@@@@5 @@@@5?h?*@@@@@@@@@@@@@@@@@@@@@@@@@@@@@@@@@@H?f@@@@@@@Lhf?@@@@@@?O2@@@@@@@@@@@@@@@@@@@@@@@@@@@@@@@@@@@@@@@@@@@@@@@@@@@@@@@@@@@@@@@@@@)X ?3@@@? 7@@@@5eN@@@@1 ?@@@@@@? @@@L @@@H 3@@@@@@5g?7@@@@@@@@@@@@@@?@@@@@@Lhf?V+Yhf3@@@@@?@@@@@@@@@@@@@@@@@@@@)K??@@@@@@@@@@@@@@@ @@@@@?h?@@@@@@? ?O2@@@@@@@@0M? V4@@@@@@@@@@@@@?
N@@1 7@@@@@@@5?hf?J@@5? J@@@@@@H O&@@@@@@@@@@@@@@@@@@@@@@@@@@@@@@@@@@@@@@@@5? ?7@@@? 3@@@@1 @@@@@H @@@@H?h?N@@@@@@@@@@@@@@@@@@@@@@@@@@@@@@@@@@g@@@@@@@1hf?@@@@@@@@@@@@@@@@@@@@@@@@@@@@@@@@@@@@@@@@@@@@@@@@@@@@@@@@@@@@@@@@@@@@@@@@@@@@1 ?N@@@? ?J@@@@@He?3@@@@L? ?3@@@@@? 3@@1 @@@? N@@@@@@?g?@@@@@@@@@@@@@@@?@@@@@@1 N@@@@@?@@@@@@@@@@@@@@@@@@@@@@@@@@@@@@@@@@@@@@@ 3@@@@Lh?3@@@@@L ?O2@@@@@@@@0M? I'@@@@@@@@@@@?
?@@@ ?J@@@@@@@@H?hf?7@@H? 7@@@@@@? W2@??W2@@@@@@@@@@@@@@@@@@@@@@@@@@@@@@@@@@@@@@@@@@@H? J@@@@? N@@@@@ ?J@@@@@? ?J@@@@hf@@@@@@@@@@@@@@@@@@@@@@@@@@@@@@@@@@g@@@@@@@@hf?@@@@@@@@@@@@@@@@@@@@@@@@@@@@@@@@@@@@@@@@@@@@@@@@@@@@@@@@@@@@@@@@@@@@@@@@@@@@@ @@@? ?7@@@@5?e?N@@@@)X ?N@@@@@L?W2@@@hN@@@ 3@@L ?@@@@@@1g?@@@@@@@@@@@@@@@?@@@@@@@ ?@@@@@@@@@@@@@@@@@@@@@@@@@@@@@@@@@@@@@@@@@@@@@ N@@@@1h?N@@@@@1 ?O2@@@@@@@@0M? O2@? ?V'@@@@@@@@@@?
?3@@L? ?7@@@@@@@@ J@@5 @@@@@@5? ?O&@@?O&@@@@@@@@@@@@@@@@@@@@@@@@@@@@@@@@@@@@@@@@@@@5 7@@@@? ?3@@@@L? ?7@@@@@? ?7@@@@hf3@@@@@@@@@@@@@@@@@@@@@@@@@@@@@@@@@g@@@@@@@@hf?@@@@@@@@@@@@@@@@@@@@@@@@@@@@@@@@@@@@@@@@@@@@@@@@@@@@@@@@@@@@@@@@@@@@@@@@@@@@@ @@@? J@@@@@H?f@@@@@)X? @@@@@)?&@@@@h?@@@ N@@1 I'@@@@g?@@@@@@@@@@@@@@@@@@@@@@@ ?@@@@@@@@@@@@@@@@@@@@@@@@@@@@@@@@@@@@@@@@@@@@@ ?@@@@@he@@@@@@ ?O2@@@@@@@@0M? ?O2@@@@? V4@@@@@@@@@?
?N@@1? J@@@@@@@@5 7@@H ?J@@@@@@H? ?O2@@@@@@@@@@@@@@@@@@@@@@@@@@@@@@@@@@@@@@@@@@@@@@@@@@H @@@@@? ?N@@@@1? ?@@@@@5? ?@@@@@hfN@@@@@@@@@@@@@@@@@@@@@@@@@@@@@@@@@g@@@@@@@@hfJ@@@@@@@@@@@@@@@@@@@@@@@@@@@@@@@@@@@@@@@@@@@@@@@@@@@@@@@@@@@@@@@@@@@@@@@@@@@@@L? @@@? ?W&@@@@5g3@@@@@)X @@@@@@@@@@@@h?@@@L? ?@@@ ?N@@@@g?@@@@@@@@@@@@@@@@@@@@@@@L? ?@@@@@@@@@@@@@@@@@@@@@@@@@@@@@@@@@@@@@@@@@@@@@L? ?@@@@@he@@@@@@ ?O2@@@@@@@@0M? ?O2@@@@@@?
@@@? 7@@@@@@@(Yhf?J@@5? ?7@@@@@5 ?W2@@@@@@@@@@@@@@@@@@@@@@@@@@@@@@@@@@@@@@@@@@@@@@@@@@@5? ?J@@@@5? @@@@@? ?@@@@@H? ?@@@@5hf?3@@@@@(M?he?I4@@@@@@@@@@@g@@@@@@@@hf7@@@@@@@@@@@@@@@@@@@@@@@@@@@@@@@@@@@@@@@@@@@@@@@@@@@@@@@@@@@@@@@@@@@@@@@@@@@@@1? @@@L ?7@@@@(YgV'@@@@@)X? @@@@@@@@@(M?h?@@@1? ?@@@ @@@@g?@@@@@@@@@@@@(?'@@@@@@@@1? ?@@@@@@@@@@@@@@@@@@@@@@@@@@@@@@@@@@@@@@@@@@@@@1? ?3@@@@L?h@@@@@@L? ?O2@@@@@@@0M O2@@@@@@@@5?
3@@L ?J@@@@@@@@H?hf?7@@H? J@@@@@@H W&@@@@@@@@@@@@@@@@@@@@@@@@@@@@@@@@@@@@@@@@@@@@@@@@@@@@H? ?7@@@@H? @@@@@L J@@@@@ ?@@@@Hhf?N@@@@(Y ?@@@@@g@@@@@@@@hf@@@@@@@@@@@@@@@@@@@@@@@@@@@@@@@@@@@@@@@@@@@@@@@@@@@@@@@@@@@@@@@@@@@@@@@@@@@@@@@?O@K?e?O@K @@@1 J@@@@@H?g?V'@@@@@)K 3@@@@@@@(Yhe?@@@@? ?3@@ @@@@g?@@@@@@?I4@@0Y?N@@@@@@@@@L ?3@@@@@@@@@@@@@@@@@@@@@@@@@@@@@@@@@@@@@@@@@@@@@? ?N@@@@1?h@@@@@@1? O2@@@@@@@@0M W2@@@@@@@@@@H?
N@@1 ?7@@@@@@@5 J@@5 7@@@@@5? ?W&@@@@@@@@@@@@@@@@@@@@@@@@@@@@@@@@@@@@@@@@@@@@@@@@@@@@5 ?@@@@5 3@@@@1 7@@@@@ ?@@@@? @@@@H? ?@@@@@g@@@@@@@@hf3@@@@@@@@@@@@@@@@@@@@@@@@@@@@@@@@@@@@@@@@@@@@@@@@@@@@@@@@@@@@@@@@@@@@@@@@@@@@@@@@@@@@@@@@@@@@@@@@@@@@@@@@@@@@@@@@@@@@@@@@@@@@@@@@6?2@6KO26KO2@6KO2@6?2@@@@@6?26?2@@@6?26KO26?2@@@@@@6K ?O@K O@?26K?O2@@6?2@@6Ke?O2@@@@@@@@@@@@@@@@@@@@@6?2@@@@6?26KO2@@@@6KO2@@@6?@K? ?O@K @@@@ 7@@@@5heV'@@@@@@6X N@@@@@@@H?he?3@@@? ?N@@ 3@@@L?f?@@@@@@?h@@@@@@@@@1 ?N@@@@@@@@@@@@@@@@@@@@@@@@@@@@@@@@@@@@@@@@@@@@@? @@@@@?h3@@@@@@? O2@@@@@@@@0M ?O&@@@@@@@@@@@
?@@@L? J@@@@@@@@H 7@@H ?J@@@@@@H? W&@@@@@@@@@@@@@@@0MI4@@@@@@@@@@@@@@@@@@@@@@@@@@@@@@@@@@H ?@@@@H N@@@@@L? @@@@@5 J@@@@? @@@@ ?@@@@@g@@@@@@@5hf?@@@@@@@@@@@@@@@@@@@@@@@@@@@@@@@@@@@@@@@@@@@@@@@@@@@@@@@@@@@@@@@@@@@@@@@@@@@@@@@@@@@@@@@@@@@@@@@@@@@@@@@@@@@@@@@@@@@@@@@@@@@@@@@@@@@@@@@@@@@@@@@@@@@@@@@@@@@@@@@@@@@@@@@@@@@@@@@@@@@@@@@@@@@@@@@@@@@@@@@@@@@@@@@@@@@@@@@@@@@@@@@@@@@@@@@@@@@@@@@@@@@@@@@@@@@@@@@@@@@@@@@@@@@@@@@@@@@@@@@@@@@@@@@@@@@@@@@@@@@@@@@@@@@@@@@@@@@@@@@@@@@@@@@@@@@@@@@@@@@@@@@@@@@@@@@@@@@@@@@@@@@@@@@@@@@@@@@@@@@@@@@@@@@@@@@@@@@@@@@@@@@@@@@@@@@@@@@@@@@@@@@@@@@@@@@@@@@@@@@@@@@@@@@@@@@@@@@@@@@@@@@@@@@@@@@@@@@@@@@@@@@@@@@@@@@@@6?2@@@@@@@@@ @@@@@Hhe?V'@@@@@@)K? ?@@@@@@@hf?N@@@? @@ N@@@)Xf?@@@@@5?g?J@@@@@@@@@@ @@@@@@@@@@@@@@@@@@@@@@@@@@@@@@@@@@@@@@@@@@@@@L @@@@@LhN@@@@@@? O2@@@@@@@@(M ?O2@@@@@@@@@@@@0M?
?@@@)K 7@@@@@@@5?hf?J@@5? ?7@@@@@5 ?O&@@@@@@@@@@@@@@(M?e?I4@@@@@@@@@0?4@@@@@@@@@@@@@@@@@@@5? J@@@@? ?@@@@@1? ?J@@@@@H 7@@@@?hf?J@@@@ ?@@@@5g@@@@@@@?hf7@@@@@@@@@@@@@@@@@@@@@@@@@@@@@@@@@@@@@@@@@@@@@@@@@@@@@@@@@@@@@@@@@@@@@@@@@@@@@@@@@@@@@@@@@@@@@@@@@0MI4@@@@@@@0M?I4@@@@@0MI@?@?4@@@@@@0?4@@@@@0MI40?4@@@@@@@@@@@@@@@@@@@@@@@@@@@@@@@@@@@@@@@@@@@@@@@@@@@@@@@@@@@@@@@@@@@@@@@@@@@@@@@@@@@@@@@@@@@@@@@@@@@@@@@@@@@@@@@@@@@@@@@@@@@@@@@@@@@@@@@@@@@@@@@@@@@@@@@@@@@@@@@@@@@@@@@@@@@@@@@@@@@@@@@@@@@@@@@@@@@@@@@@@@@@@@@@@@@@@@@@@@@@@@@@@@@@@@@@@@@@@@@@@@@@@@@@@@@@@@@@@@@@@@@@@@@@@@@@@@@@@@@@@@@@@@@@@@@@@@@@@@@@@@@@@@@@@@@@@@@@@@@@@@@@@@@@@@@@@@@@@@@@@@@@@@@@@@@@@@@@@@ ?J@@@@5?hfV'@@@@@@@6X? ?@@@@@@@ @@@? @@ ?3@@@1fJ@@@@@H?g?7@@@@@@@@@@ 3@@@@@@@@@@@@@@@@@@@@@@@@@@@@@@@@@@@@@@@@@@@@1 @@@@@1h?@@@@@@L O2@@@@@@@@@0Y? ?O2@@@@@@@@@@0M? O2@@@@6K ?W2@@@6X
?@@@@@@@@6X? ?J@@@@@@@@H?hf?7@@H? J@@@@@@H ?W2@@@@@@@@@@@@@@@0Y ?@@@@@@@H? 7@@@@? ?3@@@@@? ?7@@@@@? @@@@@?hf?7@@@5 ?@@@@Hg3@@@@@@@hf@@@@@@@@@@@@@@@@@@@@@@@@@@@@@@@@@@@@@@@@@@@@@@@@@@@@@@@@@@@@@@@@@@@@@@@@@@@@@@@(M? ?I@?4@@@@@@@@@0MfI4@@0?@MeI4@0M?I4@@@@@@0M?I4@@0MI4@0MI4@@@@@@@0MI40?4@@@@@@@@@@@@@@@@@@@@@@@@@@@@@@@@@@@@@@@@@@@@@@@@@@@@@@@@@@@@@@@@@@@@@@@@@@@@@@@@@@@@@@@@@@@@@@@@@@@@@@@@@@@@@@@@@@@@@@@@@@@@@@@@@@@@@@@@@@@@@@@@@@@@@@@@@@@@@@@@@@@@@@@@@@@@@@@@@@@@ ?7@@@@H?hf?V4@@@@@@@)X ?3@@@@@5 @@@L @@L? ?N@@@@L?e7@@@@@h?@@@@@@@@@@@ N@@@@@fI4@@@@@@@@@@@@@@@@@@@@@@@@@@@@@@@@@@ 3@@@@@h?@@@@@@1 ?W2@@@@@@@@@0M ?O2@@@@@@@@0M? W2@@@@@@@@@@@6K? ?7@@@@@1
?@@@@?e?@)X ?7@@@@@@@5 J@@5 7@@@@@5? W&@@@@@@@@@@@@@@0M ?@@@@@@5 @@@@5? ?N@@@@@L ?@@@@@5? @@@@5?hf?@@@@H ?@@@@?gN@@@@@@Hhf@@@@@@@@@@@@@@@@@@@@@@@@@@@@@@@@@@@@@@@@@@@@@@@@@@@@@@@@@@@@@@@@@@@@@@@@@@@@@@@H ?I@?@MI@?@MI4@@@0M?I40?4@@@0M?eI@?40M?I4@@@@0M?I4@0?40M?I@MI4@@@@@@@@@@@@@@@@@@ ?@@@@@ ?I'@@@@@@)K? ?N@@@@@H @@@1 3@1? 3@@@)Ke@@@@@@h?@@@@@@@@@@@ ?@@@@@hI4@@@@@@@@@@@@@@@@@@@@@@@@@@@@@@ N@@@@@h?3@@@@@@ O&@@@@@@@@0M O2@@@@@@@@@0M? ?O&@@@@@@@@@@@@@@6X? ?@@@@@@@
?3@@@?e?@@1 J@@@@@@@@Hhf?W&@@H ?J@@@@@@H? ?W&@@@@@@@@@@@@@0M ?@@@@@@H ?J@@@@H? @@@@@1 ?@@@@@H? @@@@H?hf?@@@@? ?@@@@?g?@@@@@@?hf@@@@@@@@@@@@@@@@@@@@@@@@@@@@@@@@@@@@@@@@@@@@@@@@@@@@@@@@@@@@@@@@@@@@@@@@@@@@@@@? I4@@@@@@ J@@@@5 V4@@@@@@@@6K @@@@@? @@@@ N@@? N@@@@@@@@@@@@@hJ@@@@@@@@@@@ ?@@@@@he?I4@@@@@@@@@@@@@@@@@@@@@@@@@@@ ?@@@@@L?g?N@@@@@@ O2@@@@@@@@0M ?O2@@@@@@@@@@0M? ?W2@@@@@@@@@@@@@@@@@)X ?@@@@@@@
?N@@@@@@@@@@L? 7@@@@@@@5?hf?7@@5? ?7@@@@@5 W&@@@@@@@@@@@@(M J@@@@@5? ?7@@@5 3@@@@@ J@@@@@ @@@@ ?@@@@? J@@@@?g?@@@@@@?he?J@@@@@@@@@@@@@@@@@@@@@@@@@@@@@@@@@@@@@@@@@@@@@@@@@@@@@@@@@@@@@@@@@@@@@@@@@@@@@@5? ?@@@ 7@@@@H I4@@@@@@@@@6K? ?J@@@@@? @@@@ ?@@? ?3@@@@@@@@@@@5h7@@@@@@@@@@@ ?@@@@@L?hf?I4@@@@@@@@@@@@@@@@@@@@@@@L? ?@@@@@1?h@@@@@@L? ?O2@@@@@@@@0M? ?O2@@@@@@@@@0M ?7@@@@@@@@@@@@@@@@@@@)X?hf?@@@@@@@
@@@@@@@@@@)X ?J@@@@@@@@H?hf?@@@H? J@@@@@@H ?O&@@@@@@@@@@@@0Y? 7@@@@@H? ?@@@@H N@@@@@ 7@@@@@ @@@@ J@@@5? 7@@@@?g?@@@@@@?he?7@@@@@@@@@@@@@@@@@@@@@@@@@@@@@@@@@@@@@@@@@@@@@@@@@@@@@@@@@@@@@@@@@@@@@@@@@@@@@(Y? ?@@@ @@@@@? I'@@@@@@@@@@6K O&@@@@@? 3@@@ ?@@? ?V'@@@@@@@@@@Hh@@@@@?@@@@@@ ?@@@@@1? ?I'@@@@@@@@@@@@@@??@@@1? ?3@@@@@?h@@@@@@1? ?O2@@@@@@@@0M? ?O2@@@@@@@@@0M J@@@@@@@@@@@@@@@@@@@@@)Xhf?@@@@@@@
@@@@@@@@@@@)K? ?7@@@@@@@5 J@@5 7@@@@@5? ?W2@@@@@@@@@@@@(M? @@@@@5 J@@@@? ?@@@@@L? @@@@@@ @@@@ 7@@@H? @@@@@?gJ@@@@@@?he?@@@@@@@@@@@@@@@@@@@@@@@@@@@@@@@@@@@@@@@@@@@@@@@@@@@@@@@@@@@@@@@@@@@@@@@@@@@@@0Y ?@@@ @@@@@? ?V4@@@@@@@@@@@@6K? O2@@@@@@@? N@@@ ?@@L V'@@@@@@@@5?g?J@@@@@?3@@@@@ ?3@@@@@? V4@@@@@@@@@@@@@L?@@@@? ?N@@@@@?h3@@@@@@? W2@@@@@@@@@0M? O2@@@@@@@@@0M? ?W&@@@@@@@@@@@@@@@@@@@@@@1hf?@@@@@@@
?J@@@@@@@@@@@@@6X? J@@@@@@@@H 7@@H ?J@@@@@(Y? O&@@@@@@@@@@@@(Y ?J@@@@@H 7@@@@? ?3@@@@1? @@@@@5 ?J@@@5 @@@@ @@@@5?g7@@@@@@?he?@@@@@@@@@@@@@@@@@@@@@@@@@@@@@@@@@@@@@@@@@@@@@@@@@@@@@@@@@@@@@@@@@@@@@@@@@@@0M ?@@@L? @@@@@? I4@@@@@@@@@@@6K? O2@@@@@@@@@L ?@@@L? ?@@1 ?N@@@@@@@@H?g?7@@@@5?N@@@@@L? ?N@@@@@? ?W-Xe?@@@@@@@@@@@@1?@@@@L @@@@@?hN@@@@@@? ?O&@@@@@@@0M ?O2@@@@@@@@@0M ?7@@@@@@@@@@@@@@@@@@@@@@@@L?he?@@@@@@@
W&@@@@@@@@@@@@@@)K ?W&@@@@@@@5?hf?J@@5? ?7@@@@@H ?W2@@@@@@@@@@@@@@(Y? W&@@@@@? @@@@5? ?N@@@@@? ?J@@@@@H ?7@@@Hhf?J@@@@ @@@@H?g@@@@@@@?he?@@@@@@@@@@@@@@@@@@@@@0?4@@0M??I4@@@@@@@@@@@@@@@@@@@@@0M ?@@@1??O26K?he@@@@@? I4@@@@@@@@@@@@@6?@K? ?O2@@@@@@@@@@@@1 ?@@@1? ?3@@ @@@@@@@@hJ@@@@@H??@@@@@1? 3@@@@L W&@1e?3@@@@@@@@@@@@?@@@@)X? @@@@@?h?@@@@@@L ?O2@@@@@@@0M O2@@@@@@@@@@0M ?@@@@@@@@@@@@@@@@@@@@@@@@@)Xhe?@@@@@@@
?O&@@@@@@@@@@@@@@@@@@@ ?7@@@@@@@@H?hf?7@(Y? J@@@@@5? W&@@@@@@@@@@@@@@(Y 7@@@@@5? ?J@@@(Y? 3@@@@L ?7@@@@@? ?@@@@?hf?7@@@@ @@@@h@@@@@@5?he?@@@@@@@@@@@@@@@@@@0M? ?3@@@?@@@@@6K?h@@@@5? ?I4@@@@@@@@@@@@@6K O2@@@@@@@@0?'@@@@@L?hf?@@@@? ?N@@ @@@@@@h7@@@@5e?@@@@@@? N@@@@1 7@@5e?V'@@@@@@@@@@@@@@@@@1? 3@@@@Lh?@@@@@@1 ?O2@@@@@@@@@0M O2@@@@@@@@@@0M ?@@@@@@@@@@0MI4@@@@@@@@@@@@1he?@@@@@@@
?@@@@@@@@@@@@@@@@@@@@@@@?O@? ?@@@@@@@@5 J@@H 7@@@@@H? 7@@@@@@@@@@@@@@(Y? ?J@@@@@@H? ?7@@@H N@@@@1 J@@@@@5? ?@@@@?hf?@@@@@ @@@@h@@@@@@H?he?@@@@@@@@@@@@0M? ?N@@@?@@@@@@@@@6K?f@@@@H? ?I4@@@@@@@@@@@@@@@@@@@@@@@@@@@@@@@@@@@@@0MeN@@@@@1?hf?@@@@? @@L? @@@@@5h@@@@@He?@@@@@@? ?@@@@@ @@@HfV'@@@@@@@@@@@@@@@@@L N@@@@1h?3@@@@@@L? ?O2@@@@@@@@@0M ?O2@@@@@@@@@(M J@@@@@@@(Mg?I'@@@@@@@@@L?h?@@@@@@@
?@@@@@@@@@@@@@@@@@@@@@@@@@@L J@@@@@@@@H 7@5? ?J@@@@@@ @@@@@@@@@@@@@@(Y ?7@@@@@5 ?@@@@? ?@@@@@ 7@@@@@H? ?@@@@?hf?@@@@@ ?J@@@@h@@@@@@hf?@@@@@@@@@@(M? @@@@@@@@@@@@@@@@6Ke@@@@ I4@@@@@@@@@@@@@@@@@@@@@@@@@@@@@@@@0Mf?@@@@@@?hf?@@@@? @@1? @@@@@Hh@@@@@?e?@@@@@@L @6X?he?@@@@@ @@5?f?N@@@@@@@@@@@@@@@@@1 ?@@@@@h?N@@@@@@1? O2@@@@@@@@@0M? ?O2@@@@@@@@@@0Y? 7@@@@@@(Y?hN@@@@@@@@@1?hJ@@@@@@@
?@@@@@@@@@@@@@@@@@@@@@@@@@@)X? 7@@@@@@@5?hf?J@@H? ?7@@@@@5 3@@@@@@@@@@@@@H? J@@@@@(Y ?@@@@? ?@@@@@L? @@@@@@ J@@@@?hf?@@@@5 ?7@@@@h@@@@@@hf?@@@@@@@@@(Y @@@@@@@@@@@@@@@@@@@@@@@@L? ?I4@@@@@@@@@@@@@@@@@@@@@@@@@@@(Mg?@@@@@@?hf?3@@@? @@@? @@@@@?h@@@@@?e?3@@@@@1 @@)Xhe?@@@@@ @@H?g3@@@@@@@@@@@@@@@@@L? ?@@@@@he@@@@@@@? W2@@@@@@@@@0M? O2@@@@@@@@@@(M @@@@@@@Hhe?3@@@@@@@@@Lh7@@@@@@@
?@@@@@@@@@@@@@@@@@@@@@@@@@@@1? ?J@@@@@@@@H?hfW&@5 J@@@@@@H ?@@@@@@@@@@@@5 7@@@@@H? J@@@@? ?@@@@@1? @@@@@@ 7@@@5?hf?@@@@H ?@@@@@h@@@@@@hfJ@@@@@@@@(Y? @@@@@@@@@@@@@@@@@@@@@@@@)K I4@@@@@@@@@@@@@@@@@@@@@@@0Y?g?3@@@@@?hf?N@@@L @@@? ?J@@@@@?h@@@@@?e?N@@@@@@ @@@1he?@@@@@ @@hN@@@@@@@@@@@@@@@@@1? ?3@@@@L?h@@@@@@@? ?O&@@@@@@@@0M? O2@@@@@@@@@@@0Y? @@@@@@@?he?V'@@@@@@@@1h@@@@@@@@
?@@@@@@@@@@@@@@(?'@@@@@@@@@@@? W&@@@@@@@5 7@@H 7@@@@@5? 7@@@@@@@@@@@(Y ?J@@@@@5 7@@@5? ?3@@@@@? ?J@@@@@5 @@@@H?hfJ@@@@? ?@@@@5g?J@@@@@@hf7@@@@@@@(Y @@@@@@@@@@@@@@@@@@@@@@@@@@6K ?I4@@@@@@@@@@@@0M?he?N@@@@@L @@@1 @@@? ?7@@@@@?h@@@@@?f@@@@@@ @@@@he?@@@@@L?he?J@@h?3@@@@@@@@@@@@@@@@@L ?N@@@@1?h@@@@@@@? O2@@@@@@@@@0M? O2@@@@@@@@@0M? @@@@@@@?hfN@@@@@@@@@L?g@@@@@@@@
?@@@@@@@@@@@@@(Y?N@@@@@@@@@@@L 7@@@@@@@@Hhf?J@@5? ?J@@@@@(Y? @@@@@@@@@@@@H? ?7@@@@@H @@@@H? ?N@@@@@L ?7@@@@@H @@@@ 7@@@@? ?@@@@Hg?7@@@@@5hf@@@@@@@(Y? @@@@@@@@@@@@@@@@@@@@@@@@@@@@6K @@@@@1 @@@@ 3@@? ?@@@@@@?h@@@@@?f@@@@@@ 3@@@he?3@@@@1?he?7@@h?N@@@@@@@@@@@@@@@@@1 @@@@@?h3@@@@@@? ?W2@@@@@@@@@@0M? ?O2@@@@@@@@@@0M? @@@@@@@?hf?3@@@@@@@@1?g@@@@@@@@
?@@@@@@@@@@@@0Y??J@@@@@@@@@@@1 @@@@@@@@5?hf?7@@H? ?7@@@@@H ?J@@@@@@@@@@@5 J@@@@@5? ?J@@@@ 3@@@@1 ?@@@@@@? @@@@ @@@@@? ?@@@@?g?@@@@@@Hhf@@@@@@(Y @@@@@@@@@@@@@@@@@@@@@@@@@@@@@@@@6X @@@@@@ @@@@ N@@L ?@@@@@5?h@@@@@?f@@@@@@L?hfN@@@he?N@@@@@?he?@@@he3@@@@@@@@@@@@@@@@@L? @@@@@?hN@@@@@@L O&@@@@@@@@(M W2@@@@@@@@@@0M @@@@@@@?hf?N@@@@@@@@@Lg@@@@@@@5
?@@@@@@@@@@0M?eO&@@@@@@@@@@@@L? ?J@@@@@@@(Y?hfJ@@@ J@@@@@@? W&@@@@@@@@@@(Y 7@@@@@H? ?7@@@5 N@@@@@ ?@@@@@5? ?J@@@@ @@@@5? ?@@@@?g?@@@@@@?hf@@@@@(Y? @@@@@@@@@@@@@@@@@@@@@@@@@@@@@@@@@)K? @@@@@@ 3@@@ ?@@1 J@@@@@H?h@@@@@?f3@@@@@1?hf?3@@hf@@@@@Lhe?@@@heN@@@@@@@@@@@@@@@@@1? @@@@@?h?@@@@@@1 O2@@@@@@@@@0Y? ?O&@@@@@@@@0M? @@@@@@@? 3@@@@@@@@1g@@@@@@@H
J@@@@@g?W2@@@@@@@@@@@@@@@1? ?7@@@@@@@H 7@@5 7@@@@@5? ?W&@@@@@@@@@@(Y? ?J@@@@@5 J@@@@H ?3@@@@L? J@@@@@H? ?7@@@5 @@@@H? J@@@@?g?@@@@@@Lhf@@@@@H 3@@@@@@@@@@@@@@@@@@@@@@@@@@@@@@@@@@@6K @@@@@@ N@@@L??W-Xhe?3@@ 7@@@@@he@@@@@?fN@@@@@@?hf?N@@hf@@@@@1he?3@@he?3@@@@@@@@@@@@@@@@@? 3@@@@Lh?3@@@@@@ O2@@@@@@@@0M O2@@@@@@@@@0M? @@@@@@@L N@@@@@@@@@L?f@@@@@@@L
7@@@@@g?7@@@@@@@@@@@@@@@@@? J@@@@@@@5?hf?J@@@H ?J@@@@@@H? W&@@@@@@@@@@(Y ?7@@@@@H 7@@@@? ?N@@@@1? 7@@@@@ ?@@@@H @@@@ 7@@@@?g?@@@@@@1hf@@@@@? N@@@@@@@@@@@@@@@@@@@@@@@@@@@@@@@@@@@@@6K @@@@@@L?hf?@@@1??7@)he?N@@ @@@@@@h?J@@@@@?f?@@@@@@? @@hf@@@@@@hf@@he?N@@@@@@@@@@@@@@@@@? N@@@@1h?N@@@@@@ ?O2@@@@@@@@@0M O2@@@@@@@@@0M? @@@@@@@)X?hf?3@@@@@@@@)Xf@@@@@@@1
@@@@@@g?3@@@@@@@@@@@@@@@@@? 7@@@@@@@H?hf?7@@5? ?7@@@@@5 ?W&@@@@@@@@@@@H? J@@@@@@? @@@@5? @@@@@? @@@@@5 ?@@@@? @@@@ @@@@@?g?@@@@@@@he?J@@@@@? ?@@@?I4@@@@@@@@@@@@@@@@@@@@@@@@@@@@@@@@@6K @@@@@@1?hf?@@@@??@@Hhf@@ @@@@@@h?7@@@@@?f?@@@@@@? @@hf3@@@@@he?7@@hf@@@@@@@@@@@@@@@@@L ?@@@@@he@@@@@@L? ?O2@@@@@@@@@0M O2@@@@@@@@@0M? 3@@@@@@@)Khf?V'@@@@@@@@)K?e@@@@@@@@
?J@@@@@@L?g@@@@@@@@@@@@@@@@5? ?J@@@@@@@@ J@@@H? J@@@@@(Y ?7@@@@@@@@@@@5 ?W&@@@@@5? @@@@H? @@@@@Lhf?J@@@@@H ?@@@@? @@@@ @@@@@?g?@@@@@@5he?7@@@@@? ?@@@e?I'@@@@@@@@@@@@@@@@@@@@@@@@@@@@@@@@@6X 3@@@@@@?hf?@@@@@@@@?hf@@L? @@@@@@h?@@@@@@Lf?@@@@@@L 3@L?heN@@@@@L?h?@@@hf3@@@@@@@@@@@@@@@@1 ?3@@@@L?h@@@@@@1? W2@@@@@@@@@0M? ?O2@@@@@@@@@0M N@@@@@@@@@@6K?heN@@@@@@@@@@6K?@@@@@@@@
?7@@@@@@)XfO&@@@@@@@@@@@@@@@@H? W&@@@@@@@5 7@@5 7@@@@@H? J@@@@@@@@@@@(Y ?7@@@@@@H? ?J@@@@ 3@@@@1hf?7@@@@@? J@@@@?hf?J@@@@ @@@@@?gJ@@@@@@Hhe?@@@@@@? ?@@@fN@@@@??I4@@@@@@@@@@@@@@@@@@@@@@@@@@)X? N@@@@@@?hf?@@@@@@@5?hf@@1? ?J@@@@@@h?@@@@@@1f?3@@@@@1 N@1?he?@@@@@1?h?@@@hfN@@@@@@@@@@@@@@@@@L? ?N@@@@1?h3@@@@@@? ?O&@@@@@@@@0M? O2@@@@@@@@@@0M ?@@@@@@@@@@@@@@@h?3@@@@@@@@@@@@@@@@@@@5
?@@@@@@@@)?2@@@@@@@@@@@@@@@@@@@@ 7@@@@@@@@Hhf?J@@(Y ?J@@@@@5 7@@@@@@@@@@@H? ?@@@@@@5 ?7@@@5 N@@@@@L?he?@@@@@@? 7@@@@?hf?7@@@@ @@@@@?g7@@@@@@?he?@@@@@@? ?@@@f?@@@@?f?I4@@@@@@@@@@@@@@@@@@@@@@@)X ?@@@@@@?hf?3@@@@@@H?hf@@@? O&@@@@@@h?@@@@@@@f?N@@@@@@ ?@@Lhe?3@@@@@?h?@@@hf?3@@@@@@@@@@@@@@@@1? @@@@@?hN@@@@@@L O2@@@@@@@@@0M? O2@@@@@@@@(M ?3@@@@@@@@@@@@@@h?N@@@@@@@@@@@@@@@@@@@H
?@@@@@@@@@@@@@@@@@@@@@@@@@@@@@@5 @@@@@@@@5?hf?7@@H? ?7@@@@@H ?J@@@@@@@@@@@5 J@@@@@(Y ?@@@@H ?@@@@@1?he?@@@@@5? @@@@5?hf?@@@@5 @@@@5?g@@@@@@@?he?@@@@@5? ?@@@f?@@@@?g?I4@@@@@@@@@@@@@@@@@@@@@@)X? ?@@@@@@?hf?N@@@@@@ 3@@? ?O2@@@@@@@@5h?@@@e@@g@@@@@@ ?@@1he?N@@@@@?h?@@@L?he?N@@@@@@@@@@@@@@@@@L @@@@@?h?@@@@@@1 O2@@@@@@@@@0M? O2@@@@@@@@@0Y? ?V'@@@@@@@@@@@@@he3@@@@@@@@@@@@@@@@@@?
?@@@@@@@@@@@@@@@@@@@@@@@@@@@@@@H ?J@@@@@@@@H?hfJ@@5 J@@@@@5? W&@@@@@@@@@@(Y 7@@@@@H? J@@@@? ?@@@@@@?heJ@@@@@H? @@@@H?hf?@@@@H @@@@H?g@@@@@@@?he?@@@@@H? ?@@@f?3@@@Lh?I'@@@@@@@@@@@@@@@@@@@@@1? ?3@@@@@? @@@@ N@@?hf?W2@@@@@@@@@(YhJ@@@e@@L?f@@@@@@ ?@@@hf@@@@@Lh?@@@@?hf3@@@@@@@@@@@@@@@@1 3@@@@Lh?@@@@@@@ O2@@@@@@@@0M O2@@@@@@@@@@0M V'@@@@@@@@@@@@heV'@@@@@@@@@@@@@@@@@?
?@@@@@@@@@@@@@@@@@@@@@@@@@@@@@5? ?7@@@@@@@5 7@@H 7@@@@@H? 7@@@@@@@@@@@H? ?J@@@@@@ 7@@@@? ?3@@@@@?he7@@@@@ @@@@ ?@@@@? @@@@h@@@@@@@?he?@@@@@ ?@@@f?N@@@1heN@@@@@@@@@@@@@@@@@@@@@@L ?N@@@@@L @@@@ ?@@LhfO&@@@@@@@@@@H?g?O&@@5e@@1?f@@@@@@L?hf?3@@hf@@@@@1h?@@@H?hfN@@@@@@@@@@@@@@@@@L? N@@@@1h?@@@@@@@ ?O2@@@@@@@@@0M O2@@@@@@@@@@0M ?N@@@@@@@@@@@@he?V'@@@@@@@@@@@@@@@@?
?@@@@@@@@@@@@@@@@@@@@@@@@@@@@@H? J@@@@@@@@H @@5? @@@@@5 ?J@@@@@@@@@@@@ ?7@@@@@5 @@@@5? ?N@@@@@Lhe@@@@@5 ?J@@@@ J@@@@? @@@@h@@@@@@@?he?@@@@@ ?@@@L?f3@@@fO)X?e?@@@?I4@@@@@@@@@@@@@@@@1 @@@@@1 @@@@ ?@@1heO2@@@@@@@@@@@@h@@@@@He3@@?f@@@@@@1?hf?N@@hf@@@@@@h?@@@ ?@@@@@@@@@@@@@@@@@1? ?@@@@@h?3@@@@@@ ?O2@@@@@@@@@0M O2@@@@@@@@@@0M 3@@@@@@@@@@@hfV'@@@@@@@@@@@@@@@?
?3@@@@@@@@@@@@@@@@@@@@@@@@@@@5 7@@@@@@@5?hf?J@@H? ?J@@@@@H ?7@@@@@@@@@@@5 J@@@@@@H ?J@@@@H? 3@@@@1h?J@@@@@H ?7@@@@ 7@@@@? @@@@h@@@@@@@?heJ@@@@@ ?@@@1?fN@@@L??@@@)Xe?@@@e?I'@@@@@@@@@@@@@@@L? @@@@@@ 3@@@ ?@@@h?@@@@@@@@@@@@@@5h3@@@@?eN@@?f3@@@@@@? @@hf@@@@@@h?@@@L?hf?@@@@@@@@@@@@@@@@@@? ?@@@@@h?N@@@@@@ ?O2@@@@@@@@0M? ?O2@@@@@@@@@@@0M V4@@@@@@@@@@hf?V'@@@@@@@@@@@@@@?
?N@@@@@@@@@@@@@@@@@@@@@@@@@@(Y ?J@@@@@@@@H?hfW&@5 W&@@@@@? J@@@@@@@@@@@(Y 7@@@@@5? ?7@@@@ N@@@@@h?7@@@@@? ?@@@@5 @@@@5? @@@5h@@@@@@@?he7@@@@@ ?3@@@?f?@@@1??@@@@1e?@@@fV'@@@@@@@@@@@@@@1? @@@@@@ N@@@fW2@@@?g?3@@hJ@@@@@@0M?@@@@@HhN@@@@?e?@@?fN@@@@@@? @@hf@@@@@@h?3@@,?hf?3@@@@@@@@@@@@@@@@@L ?@@@@@he@@@@@@ ?O2@@@@@@@@0M? ?O2@@@@@@@@@0M I4@@@@@@@5 V4@@@@@@@@@@@@@?
@@@@@@@@@@@@@@@@@@@@@@@@@0Y? ?7@@@@@@@5 7@@H 7@@@@@5? ?W&@@@@@@@@@@@H? ?J@@@@@@H? ?@@@@5 ?@@@@@L?g?@@@@@@? ?@@@@H @@@@H? @@@Hh@@@@@@5?he@@@@@@ ?N@@@?f?3@@5??3@@@@e?@@@f?N@@@@@@@@@@@@@@@? 3@@@@@ ?@@@L??W&@@@5?g?N@@g?O&@@@@(M?e@@@@@?h?@@@@?e?@@?f?@@@@@@? @@L?he3@@@@@L?g?V40Y?hf?N@@@@@@@@@@@@@@@@@1 ?3@@@@L?h@@@@@@L? ?O2@@@@@@@@@@0M? O2@@@@@@@@@@0M ?I4@@@0Y I4@@@@@@@@@@@?
?I'@@@@@@@@@@@@@@@@@@@@(M? J@@@@@@@@Hhf?J@@5? ?J@@@@@(Y? ?7@@@@@@@@@@@5 ?7@@@@@5 J@@@@H ?@@@@@1?gJ@@@@@5? ?@@@@? @@@@ @@@?g?J@@@@@@H?he@@@@@5 @@@?f?V40Y??N@@@@e?@@@L?f3@@@@@@@@@@@@@@L N@@@@@ ?@@@1?W&@@@(Y?h@@g@@@@@@(Yf@@@@@?h?@@@@Le?@@Lf?@@@@@@? 3@@?heN@@@@@1? ?J@@@@@@@@@@@@@@@@@@ ?N@@@@1?h3@@@@@1? ?O2@@@@@@@@@@0M? O2@@@@@@@@@0M? ?I4@@@@@@@@?
V'@@@@@@@@@@@@@@@@@@(Y 7@@@@@@@5?hf?7@@H? ?7@@@@@H J@@@@@@@@@@@(Y J@@@@@(Y 7@@@@? ?3@@@@@Lg7@@@@@H? J@@@@?hf?J@@@@ ?J@@@?g?7@@@@@@hf@@@@@H @@@?hf3@@@L??3@@@?fV'@@@@@@@@@@@@@1 ?@@@@@L?hf?@@@@W&@@@(Yhe@@L?e?J@@@@@(Y?f@@@@@?h?@@@@)X??@@1f?3@@@@@L N@hf?@@@@@@? W2@6?&@@@@@@@@@@@@@@@@@@L? @@@@@?hN@@@@@@? ?O2@@@@@@@@@@0M? ?O2@@@@@@@@@@0M?
?V4@@@@@@@@@@@@@@@@(Y? ?J@@@@@@@@H?hfJ@@5 J@@@@@5? ?W&@@@@@@@@@@@H? 7@@@@@H? @@@@5? ?N@@@@@1g@@@@@@ 7@@@@?hf?7@@@@ ?7@@@?g?@@@@@@5hf@@@@@? @@@?hfN@@@1??N@@H?f?N@@@@@@@@@@@@@@ ?@@@@@1?hf?3@@@@@@@(Y?he@@1?e?7@@@@(Yg@@@@5?h?@@@@@)X?@@@f?N@@@@@1 ?@1?he?3@@@@@? 7@@@@@@@@@@@@@@@@@@@@@@@)X @@@@@?h?@@@@@@? W2@@@@@@@@@@0M ?O2@@@@@@@@@0M
?I'@@@@@@@@@@@@@@H ?7@@@@@@@5 7@@H 7@@@@@H? ?7@@@@@@@@@@@5 ?J@@@@@5 @@@@H? @@@@@@g@@@@@5 @@@@5?hf?@@@@@ ?@@@@?g?@@@@@@Hhe?J@@@@@? @@@?hf?@@@@?e@@h@@@@@@@@@@@@@@ ?3@@@@@?hf?N@@@@@@@Hhf@@@?eJ@@@@(Y?g@@@@H?hJ@@@@@@)X@@@g@@@@@@ ?@@?he?N@@@@@? ?J@@@@@@@@@@@@@@@@@@@@@@@@@1 @@@@@Lh?@@@@@@Lhf?O&@@@@@@@@@0M ?O2@@@@@@@@@0M
V4@@@@@@@@@@@@@? J@@@@@@@(Yhf?J@@5? ?J@@@@@5 J@@@@@@@@@@@(Y ?7@@@@@H ?J@@@5 3@@@@@f?J@@@@@H @@@@H?hf?@@@@5 ?@@@@?g?@@@@@@?he?7@@@@@? @@@L?W26K?g?3@@@?he?J@@@@@@@@@@@@@@ ?N@@@@@? @@@@@@5?hf@@@?e7@@@(Yg?J@@@@he7@@@@@@@@@@@g@@@@@@ ?@@Lhf@@@@@? ?7@@@@@@@@@@@@@@@@@@@@@@@@@@ 3@@@@1h?3@@@@@1heO2@@@@@@@@@@0M O2@@@@@@@@@0M?
?@@@@? 7@@@@@@@H?hf?7@(Y? ?7@@@@@H 7@@@@@@@@@@(Y? ?@@@@@5? ?7@@@H N@@@@@L?e?7@@@@@? ?J@@@@ ?@@@@H ?@@@@?g?@@@@@@?he?@@@@@@? @@@)?&@@@@@6K?e?V@@@?he?7@@@@@@@@@@@@@@ @@@@@? @@@@@(Y?hf@@@Le@@@@H?g?7@@@@he@@@@@@@@@@@@g3@@@@@ ?@@1hf@@@@@? J@@@@@@@@@@@@@@@@@@@@@@@@@@@L? N@@@@@he@@@@@@hO2@@@@@@@@@@0M ?O2@@@@@@@@@0M
?@@@@L ?J@@@@@@@5 J@@H J@@@@@5? ?J@@@@@@@@@@@H J@@@@@H? ?@@@@? ?@@@@@1?e?@@@@@5? ?7@@@@ ?@@@@? ?@@@@?gJ@@@@@@?he?@@@@@@? @@@@@@@@@@@@@@@@@@@@@?he?@@@@@@@@@@@@@@@ @@@@@? @@@@(Y 3@@1?J@@@@h?@@@@@he@@@?I'@@@@@@gN@@@@@L?hf?3@@hf@@@@@L ?W&@@@@@@@@@@@@@@@@@@@@@@@@@@@)X ?@@@@@hW&@@@@@@gO2@@@@@@@@@(M? O2@@@@@@@@@0M?
?3@@@1 ?7@@@@@@@H 7@@? 7@@@@@H? W&@@@@@@@@@@5? ?W&@@@@5 J@@@@? ?3@@@@@?e?@@@@@H? ?@@@@@ J@@@@? ?@@@@?g7@@@@@@?he?@@@@@@? @@@@@@@@@@@@@@@@@@@@@@@6K?f?@@@@@@@@@@@@@@@@@ @@@@@? @@@@H? N@@@?7@@@@h?@@@@5fW&K??J@@@??N@@@@@@L?f?@@@@@1?hf?N@@hf@@@@@1 ?7@@@@@@@@@@@@@@@@@@@@@@@@@@@@@1 ?@@@@@L?f?O&@@@@@@@L?eO2@@@@@@@@@@@H O2@@@@@@@@0M
?N@@@@ J@@@@@@@5?hf?J@@5? ?J@@@@@5 7@@@@@@@@@@@H? ?7@@@@@H 7@@@5? ?N@@@@@LeJ@@@@@ ?@@@@5 7@@@@? ?@@@5?g@@@@@@@?he?@@@@@@? @@@@@@@@@@@@@@@@@@@@@@@@@@6Ke?@@@@@@@@@@@@@@@@@ @@@@@? @@@@ ?@@@?@@@@5hJ@@@@He?O&@@6?&@@@?e3@@@@@1?f?@@@@@@? @@hf@@@@@@ J@@@@@@@@@@@@?@@@@@@@@@@@@@@@@@@ ?3@@@@1?eO2@@@@@@@@@@)?2@@@@@@@@@@@@@@? O2@@@@@@@@(M
@@@@ 7@@@@@@@H?hf?7@@H? ?7@@@@@H ?J@@@@@@@@@@@5 J@@@@@5? @@@@H? @@@@@1e7@@@@5 ?@@@@H @@@@@? ?@@@H?g@@@@@@@?he?@@@@@5? 3@@@@@@@@@@@@@@@@@@@@@@@@@@@@@@@@@@@@@@@@@@@@@@@ @@@@@L @@@@L? ?@@@@@@@@Hh7@@@@??W2@@@@@@@@@@?eN@@@@@@?f?@@@@@@? @@hf3@@@@@ ?W&@@@@@@@@@@@@@@@@@@@@@@@@@@@@@@@L? ?N@@@@@W2@@@@@@@@@@@@@@@@@@@@@@@@0M? ?O2@@@@@@@@@@0Y?
3@@@ ?J@@@@@@@5 ?@@5 J@@@@@5? ?7@@@@@@@@@@@H 7@@@@@H? ?J@@@@ 3@@@@@e@@@@@H ?@@@@? @@@@5? J@@@h@@@@@@5?he?@@@@@H? N@@@@@@@@@@@@@@@@@@@@@@@@@@@@@@@@@@@@@@@@@@@@@@@ 3@@@@1 3@@@1?f?W2@6Xf?@@@@@@@@?h@@@@@?W&@@@@@@@@@@5?e?@@@@@@?f?@@@@@@L @@L?heN@@@@@ W&@@@@@@@@@@@@@@@@@@@@@@@@@@@@@@@@1? @@@@@@@@@@@@@@@@@@@@@@@@@@@@@0M? O2@@@@@@@@@0M?
N@@@L? ?7@@@@@@@H J@@H 7@@@@@H? J@@@@@@@@@@@5? ?J@@@@@5 ?7@@@5 N@@@@@e@@@@@? ?@@@@?hf?J@@@@H? 7@@@h@@@@@@H?he?@@@@@ ?@@@@@@@@@@@@@@@@@@@@@@@@@@@@@@@@@@@@@@@@@@@@@@@ N@@@@@ N@@@@?fW&@@@)f?@@@@@@@@?h@@@@@W&@@@@@@@@@@@H?e?3@@@@@?f?@@@@@@1 3@1?he?@@@@@L?he?W&@@@@@@@@@@@@@@@@@@@@@@@@@@@@@@@@@@? @@@@@@@@@@@@@@@@@@@@@@@@@@@0M? ?W2@@@@@@@@@@0M?
?@@@1? J@@@@@@@@?hf?W&@5? @@@@@@ 7@@@@@@@@@@@H? ?7@@@@@H ?@@@@H ?@@@@@@@@@@@5? J@@@@?hf?7@@@@ @@@@h@@@@@@hfJ@@@@@ ?@@@@@@@@@@@@@@@@@@@@@@@@@@@@@@@@@@@@@@@@@@@@@@5 ?@@@@@ ?@@@@?e?W&@@@@Hf?@@@@@@@@?g?J@@@@@@@@@@@@@@@@@@f?N@@@@@?f?3@@@@@@ N@@?he?@@@@@1?heO&@@@@@@@@@@@@@@@@0?'@@@@@@@@@@@@@@@@? @@@@@@@@@@@@@@@@@@@@@@@@@0M? O&@@@@@@@@0M
?@@@@L 7@@@@@@@5?hfW&@@H? ?J@@@@@5 ?J@@@@@@@@@@@5 ?@@@@@@? J@@@5? ?3@@@@@@@@@@H? 7@@@@?hf?@@@@@ @@@@h@@@@@@hf7@@@@@ ?3@@@@@@@@@@@@@@@@@@@@@@@@@@@@@@@@@@@@@@@@@@@@@H ?@@@@@ ?@@@@?e?7@@@@5?f?3@@@@@@@?g?7@@@@?@@@@@@@@@@@@@g@@@@@?f?N@@@@@@ ?@@?he?@@@@@@?h?@@@@@@@@@@@@@@@@@0MeN@@@@@@@@@@@@@@@@L 3@@@@@@@@??@@@@@@@@@@@(M ?O2@@@@@@@@@0M
?3@@@1 ?J@@@@@@@@H?hf7@@5 ?7@@@@@H ?7@@@@@@@@@@(Y J@@@@@5? 7@@@H? ?N@@@@@@@@@@ @@@@5?hf?@@@@5 @@@@h@@@@@@hf@@@@@@ ?N@@@@@@@@@@@@@@@@@@@@@@@@@@@@@@@@@@@@@@@@@@@@5? ?@@@@@L?hf?3@@@?e?@@@@(Y?f?N@@@@@@@?g?@@@@@?@@@@@@@@@@@@5g@@@@@Lg@@@@@@ ?@@Lhe?@@@@@@?hJ@@@@@@@@@@@@@@@(Mf?@@@@@@@@@@@@@@@@1 N@@@@@@@@??@@@@@@@@@@@H? ?O2@@@@@@@@@0M
?N@@@@ ?7@@@@@@@5 @@@H J@@@@@5? J@@@@@@@@@@@H? ?W&@@@@@H? @@@@ @@@@@@@@@@ @@@@H?hf?@@@@H @@@@h@@@@@@hf@@@@@@ @@@@@@@@@@@@@@@@@@@@@@@@@@@@@@@@@@@@@@@@@@@(Y? ?3@@@@1?hf?N@@@?e?@@@(Yh3@@@@@@?g?@@@@@@@@@@@@@@@@@@Hf?J@@@@@@g@@@@@@L?hf?@@1he?@@@@@@Lg?W&@@@@@@@@@@@@@@(Y?f?3@@@@@@@@@@@@@@@5 ?@@@@@@@@??@@@@@@@@@@@ ?O2@@@@@@@@0M?
@@@@ J@@@@@@@@Hhf?J@@5? ?W&@@@@(Y? 7@@@@@@@@@@5 ?7@@@@@5 @@@@ 3@@@@@@@@@ @@@@ ?@@@@? ?J@@@5h@@@@@5hf@@@@@@ @@@@@@@@@@@@@@@@@@@@@@@@@@@@@@@@@@@@@@@@@@(Y ?N@@@@@? @@@Le?@@@H?hV4@@@@@?g?@@@@@@@@@@@@@@@@@@?fW&@@@@@?g@@@@@@1?hf?3@@he?3@@@@@1gW&@@@@@@@@@@@@@@(Yg?N@@@@@@@@@@@@@@@H ?3@@@@@@@@@@@@@@@@@@@@L? O2@@@@@@@@@0M?
3@@@L? 7@@@@@@@5?hf?7@@H? ?7@@@@@H ?J@@@@@@@@@@@H ?@@@@@(Y ?J@@@5 N@@@@@@@@5 ?J@@@@ J@@@@? ?7@@@Hg?J@@@@@Hhf@@@@@@ @@@@@@@@@@@@@@@@@@@@@@@@@@@@@@@@@@@@@@@@@(Y? @@@@@? @@@1e?@@5hf?@@@@?g?@@@@@@@@@@@@@@@@@@?f7@@@@@@1g@@@@@@@?hf?N@@he?N@@@@@@g7@@@@@@@@@@@@@@(Y?h@@@@@@@@@@@@@@@? ?N@@@@@@@@@@@@@@@@@@@@1? ?W2@@@@@@@@@0M
N@@@1? ?J@@@@@@@@H?hfJ@@5 ?@@@@@5? ?7@@@@@@@@@@5? J@@@@@H? ?7@@@H ?@@@@@@@@H ?7@@@@ 7@@@@? ?@@@@?g?7@@@@@?hf@@@@@5 @@@@@@@@@@@@@@@@@@@@@@@@@@@@@@@@@@@@@@@@(Y @@@@@? @@@@e?@0Yhf?@@@@?gJ@@@@(?'@@@@@@@@@@@?e?J@@@@@@@5g3@@@@@@? @@hf@@@@@@f?J@@@@@@@@@@@@@@(Yhe3@@@@@@@@@@@@@@? @@@@@@@@@@@@@@@@@@@@@? O&@@@@@@@@0M
?@@@@? ?7@@@@@@@5 7@@H J@@@@@H? J@@@@@@@@@@@H? 7@@@@5 J@@@@? ?3@@@@@@5? ?@@@@5 @@@@@? ?@@@@?g?@@@@@@?he?J@@@@@H @@@@f?I4@@@@@@@@@@@@@@@@@@@@@@@@@@@@0Y? @@@@@L @@@@ ?@@@@?g7@@@@H?N@@@@@@@@@@5?eW&@@@@@@(YgN@@@@@@? @@hf@@@@@@f?7@@@@@@@@@@@@@(Y?heN@@@@@@@@@@@@@@? @@@@@@@@@@@@@@@@@@@@@? O2@@@@@@@0M?
?3@@@L J@@@@@@@@Hhf?J@@5? 7@@@@@ 7@@@@@@@@@@5 ?J@@@@@H 7@@@5? ?N@@@@@@H? ?@@@@H @@@@@? ?@@@@?g?@@@@@@?he?7@@@@@? 3@@@he?I4@@@@@@@@@@@@@@@@@@@@(M? @@@@@1 3@@@ ?3@@@Lg@@@@@?e3@@@@@@@@@H?e7@@@@@@@H?g?@@@@@@? @@L?he@@@@@@fJ@@@@@@@@@@@@@(Yhf?@@@@@@@@@@@@@@? 3@@@@@@@@@@@@@@@@@@@@? O2@@@@@@@@0M
?N@@@1 7@@@@@@@5?hf?7@@H? ?J@@@@@5 ?J@@@@@@@@@@@H ?7@@@@@? @@@@H? @@@@@@ ?@@@@? @@@@5? ?@@@@?g?@@@@@@?he?@@@@@@? N@@@ I4@@@@@@@@@@@@@@(Y 3@@@@@ N@@@L? ?N@@@1g@@@@@?eV4@0M??@@@e?J@@@@@@@5h?3@@@@@L 3@1?he3@@@@@L?e7@@@@@@@@@@@@@H?hf?@@@@@@@@@@@@@@? N@@@@@@@@@@@0M?@@@@@@L ?O2@@@@@@@@@0M
@@@@L? ?J@@@@@@@@H?hfJ@@5 ?7@@@@(Y W&@@@@@@@@@@5? J@@@@@5? @@@@ @@@@@@ J@@@@? @@@@H? ?@@@5?g?@@@@@@?he?@@@@@@? ?@@@L? ?I4@@@@@@@@@H? N@@@@@ ?@@@1? @@@@L?e?J@@@@5?h?@@@eO&@@@@@@(Yh?N@@@@@1 N@@?heN@@@@@1?e@@@@@@@@@@@@@5 ?@@@@@@@@@@@@@5? ?@@@@@@@@0M?e?3@@@@@1 ?O2@@@@@@@@0M?
3@@@1? ?7@@@@@@@5 7@@H J@@@@@H? 7@@@@@@@@@@@H? 7@@@@@H? ?J@@@@ @@@@@@L? 7@@@5? @@@@ ?@@@H?g?@@@@@@?he?@@@@@5? ?@@@1? ?I'@@@@@@@ ?@@@@@ ?@@@@? 3@@@1?e?7@@@@H?hJ@@@W2@@@@@@@(Y?he@@@@@@ ?@@?he?@@@@@@??J@@@@@@@@@@@@(Y ?@@@@@@@@@@@@@H? ?@@@@@h?N@@@@@@ ?O2@@@@@@@@0M?
N@@@@? J@@@@@@@(Yhf?J@@5? 7@@@@@ @@@@@@@@@@@5 ?J@@@@@5 ?7@@@5 ?J@@@@@@1? @@@@H?hf?J@@@@ J@@@h?@@@@@5?he?@@@@@H? ?@@@@? N@@@@@@@L? ?@@@@@ ?@@@@? V'@@@?e?@@@@@he7@@@@@@@@@@@@Hhf@@@@@@ ?@@?he?@@@@@@??7@@@@@@@@@@@@H? ?@@@@@@@@@@@@@ ?@@@@@he@@@@@@L? ?O2@@@@@@@0M
?@@@@? 7@@@@@@@H?hf?7@@H? ?J@@@@@5 ?J@@@@@@@@@@@H ?7@@@@@H ?@@@@H ?7@@@@@@@? @@@@ ?7@@@@ 7@@@h?@@@@@H?he?@@@@@ ?3@@@? ?3@@@@@@1? ?3@@@@L?hf?@@@@? ?V'@@@@@@@@@@@he@@@@@@@@@@@@@?hf@@@@@@ ?3@?he?@@@@@@?J@@@@@@@@@@@@5 ?@@@@@@@@@@@@@ ?@@@@@L?h@@@@@@1? O2@@@@@@@@0M
?3@@@L ?J@@@@@@@@ J@@5 W&@@@@(Y W&@@@@@@@@@@5? J@@@@@5? J@@@5? ?@@@@@@@@L @@@@ ?@@@@5 @@@@h?@@@@@hfJ@@@@@ ?N@@@? ?V'@@@@@@L ?N@@@@1?hf?3@@@L V'@@@@@@@@@5h?J@@@@@@@@@0M? 3@@@@@L?hf?N@?he?3@@@@@W&@@@@@@@@@@@@H ?@@@@@@@@@@@@@ ?3@@@@1?h3@@@@@@? ?O2@@@@@@@@0M?
?N@@@1 W&@@@@@@@5 7@@H 7@@@@@H? 7@@@@@@@@@@@H? 7@@@@@H? 7@@@H? ?@@@@@@@@1 ?J@@@5 J@@@@H @@@@h?@@@@@hf7@@@@@ @@@? V'@@@@@1 @@@@@?hf?N@@@1 ?V4@@@@@@@@Hh?7@@@@@@0M N@@@@@1? @Lhe?N@@@@@@@@@@@@@@@@@@@? ?@@@@@@@@@@@@@ ?N@@@@@?hN@@@@@@? O2@@@@@@@@0M
@@@@ 7@@@@@@@(Yhf?J@@5? ?J@@@@@@ ?J@@@@@@@@@@@@ ?J@@@@@5 @@@@ ?@@@@@@@@@ ?7@@@? 7@@@@? @@@@h?@@@@@hf@@@@@@ @@@? ?V'@@@@@L? @@@@@? @@@@ ?I4@@@@@@?h?@@@@@0M ?@@@@@@? @1hf@@@@@@@@@@@@@@@@@@@? J@@@@@@@@@@@@@ @@@@@?h?@@@@@@? O2@@@@@@@@0M
3@@@L? ?J@@@@@@@@H?hf?7@@H? ?7@@@@@5 ?7@@@@@@@@@@@5 ?7@@@@(Y ?J@@@5 J@@@@@@@@@ ?@@@@@ @@@@@? @@@5h?@@@@@hf@@@@@5 @@@? N@@@@@)X @@@@@? @@@@ @@@@@?h?@@@@? ?@@@@@@? @@hf@@@@@@@@@@@@@@@@@@@L 7@@@@@@@@@@@@@ 3@@@@Lh?@@@@@@L ?O2@@@@@@@@@0M
N@@@1? ?7@@@@@@@5 J@@5 J@@@@@(Y ?@@@@@@@@@@@@H J@@@@@H? ?7@@@H 7@@@@@@@@@L? ?@@@@H @@@@@? @@@Hh?@@@@@hf@@@@@H @@@? J@@@@@@)X? @@@@@? @@@@ @@@@@?h?@@@5? ?@@@@@@L 3@hf3@@@@@@@@@@@@@@@@@@)X?hf?J@@@@@@@@@@@@@@ N@@@@1h?3@@@@@1 W2@@@@@@@@@0M?
?@@@@? J@@@@@@@@H 7@@H 7@@@@@H? J@@@@@@@@@@@5? 7@@@@@ J@@@@? @@@@@@@@@@1? ?@@@@? @@@@5? @@@?hJ@@@@@hf@@@@@? @@@L ?W&@@@@@@@)X 3@@@@? @@@@ ?J@@@@@?h?@@@H? ?@@@@@@1 N@hfN@@@@@@@@@@@@@@@@@@@)KhfO&@@@@@@@@@@@@@@ ?@@@@@h?N@@@@@@ ?O&@@@@@@@@0M?
?3@@@L 7@@@@@@@5?hf?J@@5? ?J@@@@@5 7@@@@@@@@@@@H? ?J@@@@@5 7@@@5? ?J@@@@@@@@@@@? ?@@@@? @@@@H? @@@?h7@@@@5hf@@@@@? 3@@1 ?7@@@@@@@@@)K? N@@@@@@@@@he@@@@L? ?7@@@@@?gW2@@@@ ?3@@@@@@ ?@L?he?@@@@@@@@@@@@@@@@@@@@@@6K?gO2@@@@@@@@@@@@@@@@ ?@@@@@he@@@@@@L? ?O2@@@@@@@@0M?
?N@@@1 ?J@@@@@@@@H?hf?7@@H? ?7@@@@@H ?J@@@@@@@@@@@5 ?7@@@@@H @@@@H? ?7@@@@@@@@@@@L J@@@5? @@@@ ?J@@@?h@@@@@Hhf@@@@@? N@@@ J@@@?I'@@@@@@6X? ?@@@@@@@@5he3@@@1? ?@@@@@5?g7@@@@@ ?N@@@@@@ ?@1?he?@@@@@@@@@@@@@@@@@@@@@@@@@6KeO2@@@@@@@@@@@@@@@@@@ ?3@@@@he3@@@@@1? O2@@@@@@@@0M
3@@@ ?7@@@@@@@5 J@@5 J@@@@@5? ?7@@@@@@@@@@@H J@@@@@5? @@@@ ?@@@@@(?'@@@@1 7@@@H? @@@@ ?7@@@?h@@@@@?hf@@@@@? ?@@@ ?W&@@5eV'@@@@@@)K ?@@@@@@@(YheN@@@@? ?@@@@@H?g@@@@@5 @@@@@@ ?@@?he?@@@@@@@@@@@@@@@@@@@@@@@@@@@@@@@@@@@@@@@@@@@@@@@@@ ?N@@@@L?hN@@@@@@? ?O2@@@@@@@@@0M
N@@@ J@@@@@@@@H 7@@H 7@@@@@H? ?@@@@@@@@@@@5? 7@@@@@H? ?J@@@@ J@@@@@H?N@@@@@L? @@@@ ?J@@@@ ?@@@@?h@@@@@?he?J@@@@@? ?@@@ ?7@@@He?V4@@@@@@@6K ?@@@@@@(Y?he?@@@@? ?@@@@@h@@@@@H @@@@@@ ?@@?he?3@@@@@@@@@@@@@@@@@@@@@@@@@@@@@@@@@@@@@@@@@@@@@@@@ @@@@1?h?@@@@@@? ?O2@@@@@@@@@0M
?@@@L?hf7@@@@@@@5?hf?J@@5? @@@@@@ J@@@@@@@@@@@H? ?J@@@@@5 ?7@@@5 7@@@@@e?@@@@@1? @@@@ ?7@@@5 ?@@@@?h@@@@@?he?@@@@@@? O2@@@@@@@@@@@@@@@@@6KO2@@6K? ?@@@L? J@@@5?f?I4@@@@@@@6K ?@@@@@@Hhf?@@@@? J@@@@@h@@@@@? 3@@@@@L?hf?3@?he?N@@@@@@@@@@@@@@@@@@@@@@@@@@@@@@@@@@@@@@@@@@@@@@@@L? @@@@@?h?@@@@@@? ?O2@@@@@@@@@0M
?@@@1?he?J@@@@@@@@H?hf?7@@H? ?J@@@@@5 7@@@@@@@@@@@ ?7@@@@@H ?@@@@H @@@@@5e?3@@@@@? @@@@ ?@@@@H ?@@@@?h@@@@@?hf@@@@@?hf?O@KeO26KO2@@@@@@@@@@@@@@@@@@@@@@@@@@@@@@@@@@@@@@@@@@@@@@@@6X ?3@@1? 7@@@H?g?I'@@@@@@@@6K? ?@@@@@@?hf?3@@@L 7@@@@@h3@@@@? N@@@@@1?hf?N@Lhf@@@@@@@@@@@@@@@@@@@@@@@@@@@@@@@@@@@@@@@@@@@@@@@@1? @@@@@?h?3@@@@@? O2@@@@@@@@@0M?
?3@@@?he?7@@@@@@@5 J@@5 ?7@@@@(Y @@@@@@@@@@@5 J@@@@@5? J@@@@? ?J@@@@@He?N@@@@@? ?J@@@@ ?@@@@? ?@@@5?h@@@@@?he?7@@@@@?g?O2@@@@@@@@@@@@@@@@@@@@@@@@@@@@@@@@@@@@@@@@@@@@@@@@@@@@@@@@@@@@@@@@1 ?N@@@? @@@@heV4@@@@@@@@@6K? ?@@@@@@?hf?N@@@1 @@@@@@hN@@@5? ?@@@@@@? @1hf@@@@@@@@@@@@@@@@@@@@@@@@@@@@@@@@@@@@@@@@@@@@@@@@@? 3@@@@Lh?N@@@@@? O2@@@@@@@@0M
?N@@@LheJ@@@@@@@@Hhf?W&@@H J@@@@@H? ?J@@@@@@@@@@@H 7@@@@@H? 7@@@5? ?7@@@@@?f3@@@@L ?7@@@@ J@@@@? ?@@@H?h@@@@@?he?@@@@@@?f?O2@@@@@@@@@@@@@@@@@@@@@@@@@@@@@@@@@@@@@@@@@@@@@@@@@@@@@@@@@@@@@@@@@@@ @@@? ?J@@@@hfI4@@@@@@@@@@@6K? ?@@@@@@? @@@@ @@@@@5h?@@@H? ?@@@@@@? @@hf@@@@@@@@@@@@@@@@@@@@@@@@@@@@@@@@@@@@@@@@@@@@@@@@@? N@@@@1he@@@@@L ?O2@@@@@@@@@0M
3@@1he7@@@@@@@5?hf?7@@5? 7@@@@@ ?7@@@@@@@@@@5? ?J@@@@@5 @@@@H? ?@@@@@5?fN@@@@1 ?@@@@5 7@@@@? J@@@h?J@@@@5?he?@@@@@@??W2@@@@@@@@@@@@@@@@@@@@@@@@@@@@@@@@@@@@@@@@@@@@@@@@@@@@@@@@@@@@@@@@@@@@@@5 @@@L ?7@@@5 I4@@@@@@@@@@@@@6K? O2@@6X?3@@@@@L?W2@@@@?g@@@@ @@@@@Hh?@@@ ?@@@@@@? 3@hf3@@@@@@@@@@@@@@@@@@@@@@@@@@@@@@@@@@@@@@@@@@@@@@@@? ?@@@@@he@@@@@1 ?O2@@@@@@@@@0M
N@@@he@@@@@@@@H?hf?@@@H? ?J@@@@@5 ?@@@@@@@@@@@H? ?7@@@@@H ?J@@@@ ?@@@@@H?f?@@@@@L? ?@@@@H @@@@@? 7@@@h?7@@@@H?he?@@@@@@?O&@@@@@@@@@@@@@@@@@@@@@@@@@@@@@@@@@@@@@@@@@@@@@@@@@@@@@@@@@@@@@@@@@@@@@@@? @@@1 ?@@@@H I4@@@@@@@@@@@6K? O2@@@@@@@@@)?N@@@@@)?&@@@@@?g@@@@ @@@@@?h?@@@ ?@@@@@@L N@hfN@@@@@@V4@@@@@@@@@@@@@@@@@@@@@@@@@@@@@@@@@@@@@@@@? ?3@@@@he@@@@@@ O2@@@@@@@@@@0M
?@@@L?g?J@@@@@@@@ J@@5 ?7@@@@@H J@@@@@@@@@@5 J@@@@@5? ?7@@@5 J@@@@@g?@@@@@1? ?@@@@? @@@@@? @@@@h?@@@@@hf?@@@@@@@@@@@@@@@@@@@@@@@@@@@@@@@@@@@@@@@@@@@@@@@@@@@@@@@@@@@@@@@@@@@@@@@@@@@@@@@@)K? O2@@@@@@@@@@ ?@@@@? ?I4@@@@@@@@@@@@@@@@@@6K? O2@@@@@@@@@@@@@0M?e3@@@@@@@@@@@5?g@@@@L? ?J@@@@5?h?@@@L? ?3@@@@@1 ?@L?he?@@@@@@??I'@@@@@@@@@@@@@@@@@@@@@@@@@@@@@@@@@@@@@@? ?N@@@@he3@@@@@ O2@@@@@@@@@0M?
?@6X ?@@@1?gW&@@@@@@@5 7@@H J@@@@@5? ?W&@@@@@@@@@@H 7@@@@@H? ?@@@@H 7@@@@@g?3@@@@@? J@@@@? @@@@5? @@@@h?@@@@@hf?@@@@@@@@@@@@@@@@@@@@@@@@@@@@@@@@@@@@@@@@@@@@@@@@@@@@@@@@@@@@@@@@@@@@@@@@@@@@@@@@@@@@@@@@6?2@6?2@@@6?@K?gO@K? O2@@@6K??O@Kg?O2@@@6KO2@@@@@@@@@@@@@@@@@@@@@@@@@@L? ?@@@@? ?I4@@@@@@@@@@@@@@@@@@@@@@@@@@@@@@@@@@@@@@@@@@@@@@0M?fN@@@@@@@@@@0Y?g@@@@1? ?7@@@@he?@@@1? ?N@@@@@@ ?@1?he?@@@@@@?eV'@@@@@@@@@@@@@@@@@@@@@@@@@@@@@@@@@@@@@? @@@@L?hN@@@@@L? O2@@@@@@@@@0M?
?@@1 ?3@@@?g7@@@@@@@(Yhf?J@@5? 7@@@@@H? ?7@@@@@@@@@@@? @@@@@@ J@@@@? @@@@@5g?N@@@@@L 7@@@@? @@@@H? @@@@h?@@@@@hf?@@@@@@@@@@@@@@@@@@@@@@@@@@@@@@@@@@@@@@@@@@@@@@@@@@@@@@@@@@@@@@@@@@@@@@@@@@@@@@@@@@@@@@@@@@@@@@@@@@@@@@@@@@@@@@@@@@@@@@@@@@@@@@@@@@@@@@@@@@@@@@@@@@@@@@@@@@@@@@@@@@@@@@@@@@6?2@@@@@6?2@@@@@@@@@@@@@@6?2@6?@?2@@6K??O26?2@@@@@@6Ke?O@KeO2@6?2@@@@@@@6?2@@@@@@@@@@6?26K?e?O26K?O@K?O@KO26K?fO@K?eO@?2@6K??O26?2@@@@6?@KO26KO2@@@@@@@6K??O@K?O@KfO2@@@6?@?2@@@@@@@@@6KO2@6?2@@@@@@@@@@@@@@@@@@@@@@@@@@@@@@@@@@@@@@@@@@@@@@@@@@@@@@@@@@@@@@@@@@@@@@@@@@@@@@@@@@@@@@@@@@@@@@@@@@@@@@@@@@@@@@@@@@@@@@@@@@@@@@@@@@@@@@@@@@@@@@@@@@@@@@@@@@@1? J@@@5? ?I4@@@@@@@@@@@@@@@@@@@@@@@@@@@@@@@@@@@@@@@@0M?h?@@@@@@@@(M?h3@@@@? ?@@@@@1?hJ@@@@? @@@@@@ ?@@?he?3@@@@@?e?V4@@@@@@@@@@@@@@@@@@@@@@@@@@@@@@@@@@@@? @@@@1?h?@@@@@1? ?W2@@@@@@@@(M?
?@@@L? ?N@@@Lf?J@@@@@@@@H?hf?7@@H? ?J@@@@@5 ?@@@@@@@@@@@5? ?J@@@@@5 7@@@5? @@@@@Hh@@@@@1 @@@@5?hf?J@@@@ @@@5h?@@@@@hfJ@@@@@@@@@@@@@@@@@@@@@@@@@@@@@@@@@@@@@@@@@@@@@@@@@@@@@@@@@@@@@@@@@@@@@@@@@@@@@@@@@@@@@@@@@@@@@@@@@@@@@@@@@@@@@@@@@@@@@@@@@@@@@@@@@@@@@@@@@@@@@@@@@@@@@@@@@@@@@@@@@@@@@@@@@@@@@@@@@@@@@@@@@@@@@@@@@@@@@@@@@@@@@@@@@@@@@@@@@@@@@@@@@@@@@@@@@@@@@@@@@@@@@@@@@@@@@@@@@@@@@@@@@@@@@@@@@@@@@@@@@@@@@@@@@@@@@@@@@@@@@@@@@@@@@@@@@@@@@@@@@@@@@@@@@@@@@@@@@@@@@@@@@@@@@@@@@@@@@@@@@@@@@@@@@@@@@@@@@@@@@@@@@@@@@@@@@@@@@@@@@@@@@@@@@@@@@@@@@@@@@@@@@@@@@@@@@@@@@@@@@@@@@@@@@@@@@@@@@@@@@@@@@@@@@@@@@@@@@@@@@@@@@@@@@@@@@@@@@@@@@@@@@@@@@@@@@@@@@@@@@@@@@@? 7@@@H? ?I4@@@@@@@@@@@@@@@@@@@@@@@@@@@@@0Mhf?@@@@@@@(YheN@@@@? ?@@@@@5?h7@@@@? 3@@@@@ ?3@?he?N@@@@@LgI4@@@@@@@@@@@@@@@@@@@@@@@@@@@@@@@@@? @@@@@?h?@@@@@@? O&@@@@@@@@0Y
?3@@1? 3@@1f?7@@@@@@@5 J@@5 ?7@@@@@H J@@@@@@@@@@@H? W&@@@@@H @@@@H? ?J@@@@@?h3@@@@@ @@@@H?hf?7@@@@ @@@Hh?@@@@@hf7@@@@@@@@@@@@@@@@@@@@@@@@@@@@@@@@@@@@@@@@@@@@@@@@@@@@@@@@@@@@@@@@@@@@@@@@@@@@@@@@@@@@@@@@@@@@0M?I4@@@@@@0MI4@0MI40M?e?I4@@0M??I@MI@M? I@M??I@?@M?I4@@0M?I4@@@@@@@@@@@@@@@@@@@@@@@@@@@@@@@@@@@@@@@@@@@@@@@@@@@@@@@@@@@@@@@@@@@@@@@@@@@@@@@@@@@@@@@@@@@@@@@@@@@@@@@@@@@@@@@@@@@@@@@@@@@@@@@@@@@@@@@@@@@@@@@@@@@@@@@@@@@@@@@@@@@@@@@@@@@@@@@@@@@@@@@@@@@@@@@@@@@@@@@@@@@@@@@@@@@@@@@@@@@@@@@@@@@@@@@@@@@@@@@@@@@@@@@@@@@@@@@@@@@@@@@@@@@@@@@@@(Y@@@@? @@@@ I4@@@@@@@@@@@@@@@0M? ?@@@@@@(Y?he?@@@@? J@@@@@H?h@@@@@L N@@@@@L?hf?N@?hf@@@@@1h?I4@@@@@@@@@@@@@@@@@@@@@@@@@@@@@@? 3@@@@?h?3@@@@@? O2@@@@@@@@@0M?
?V'@@? N@@@fJ@@@@@@@@H 7@(Y J@@@@@5? ?W&@@@@@@@@@@5 7@@@@@5? ?J@@@5 ?7@@@@5?hN@@@@@ @@@@ ?@@@@5 ?J@@@?h?@@@@@hf@@@@@@@@@@@@@@@@@@@@@@@@@@@@@@@@@@@@@@@@@@@@@@@@@@@@@@@@@@@@@@@@@@@@@@@@@@@@@@@@@(M? I@M? I40M I@M? I4@@@@0Y?@@@@? @@@@ ?@@@@@@Hhf?@@@@L 7@@@@@h?J@@@@@1 ?@@@@@1? @?hf@@@@@@ ?I4@@@@@@@@@@@@@@@@@@@@@@? N@@@@Lh?N@@@@@? ?O2@@@@@@@@0M?
N@@? ?@@@L?e7@@@@@@@5?hf?J@@H? 7@@@@@H? ?7@@@@@@@@@@@H ?J@@@@@@H? ?7@@@H ?@@@@@H?h?@@@@@L? ?J@@@@ ?@@@@H ?7@@@?h?@@@@@hf@@@@@@@@@@@@@@@@@@@@@@@@@@@@@@@@@@@@@@@@@@@@@@@@@@@@@@@@@@@@@@@@@@@@@@@@@@@@@@@@@H ?3@@@? @@@@ ?@@@@@@Le?W2@@@f?@@@@1 ?J@@@@@5h?7@@@@@@ J@@@@@@? @Lhf@@@@@@ I4@@@@@@@@@@@@@@@@@? ?@@@@1he@@@@@L O2@@@@@@@@@0M?
?@@? ?@@@1??J@@@@@@@@H?hf?7@5 ?J@@@@@5 ?@@@@@@@@@@@5? ?7@@@@@5 ?@@@@? J@@@@@he?3@@@@1? ?7@@@@ ?@@@@? ?@@@@?hJ@@@@5hf@@@@@@@@@@@@@@@@@@@@@@@@@@@@@@@@@@@@@@@@@@@@@@@@@@@@@@@@@@@@@@@@@@@@@@@@@@@@@@@@@? ?N@@@? @@@@ ?3@@@@@1eW&@@@@f?3@@@@ O&@@@@@Hh?@@@@@@@ ?W&@@@@@@? @1hf@@@@@@ ?@@@@@@@@@@@@@@L ?3@@@@he@@@@@1 O2@@@@@@@@@0M?
?3@L ?3@@@??7@@@@@@@5 J@@H ?7@@@@@H J@@@@@@@@@@@H? ?@@@@@(Y J@@@5? 7@@@@@he?N@@@@@L ?@@@@5 J@@@@? ?@@@@?h7@@@@Hhf@@@@@@@@@@@@@@@@@@@@@@@@@@@@@@@@@@@@@@@@@@@@@@@@@@@@@@@@@@@@@@@@@@@@@@@@@@@@@@@@@? @@@? @@@5 ?N@@@@@@?O&@@@@5f?N@@@@hW2@@@@@@@@@@@@@?h?@@@@@@@ W&@@@@@@@? 3@hf3@@@@@L? W2@@@@@@@@@@@@@@@1 ?N@@@@he3@@@@@ O2@@@@@@@@0M
?N@1 ?N@@@??@@@@@@@@H 7@@? J@@@@@5? 7@@@@@@@@@@@ J@@@@@H? 7@@@H? @@@@@5hf@@@@@1 ?@@@@H 7@@@@? ?@@@@?h@@@@@?he?J@@@@@@@@@@@@@@@@@@@@@@@@@@@@@@@@@@@@@@@@@@@@@@@@@@@@@@@@@@@@@@@@@@@@@@@@@@@@@@@@@? @@@? @@@H @@@@@@@@@@@@(Yg@@@@L?f?O&@@@@@@@@@@@@@@?h?@@@e@@L? ?W&@@@@@@@@? N@hfN@@@@@1? 7@@@@@@@@@@@@@@@@@ @@@@L?hN@@@@@ ?O2@@@@@@@@@0M
@@ 3@@@@@@@@@@@5?hf?J@@5? 7@@@@@H? @@@@@@@@@@@5 ?W&@@@@@ @@@@ ?J@@@@@Hhf3@@@@@ ?@@@@? @@@@5? ?@@@@?h@@@@@?he?7@@@@@@@@@@@@@@@@@@@@@@@@@@@@@@@@@@@@@@@@@@@@@@@@@@@@@@@@@@@@@@@@@@@@@@@@@@@@@@@@@? @@@L @@@? @@@@@@@@@@@0Y?g@@@@1?e?O2@@@@@@@@@@@@@@@@?h?@@@e@@1? ?7@@@@@@@@@L ?@hf?@@@@@@? ?J@@@(Y@@@@@@@@@@@@@ @@@@1?h?@@@@@L? ?O2@@@@@@@@@0M
@@L? N@@@@@@@@@@@H?hf?7@@H? ?J@@@@@5 ?J@@@@@@@@@@@H ?7@@@@@5 @@@@ ?7@@@@@?hfN@@@@@L? J@@@@? @@@@H? ?@@@@?h@@@@@?he?@@@@@@@@@@@@@@@@@@@@@@@@@@@@@@@@@@@@@@@@@@@@@@@@@@@@@@@@@@@@@@@@@@@@@@@@@@@@@@@@@5? @@@1 @@@? 3@@@@@@@@@he@@@@@??W2@@@@@@@@@@@@@@@@@@?h?@@@L?@@@? ?@@@@@@@@@@1 ?@hf?3@@@@@? ?7@@@H?3@@@@@@@@@@@@ @@@@@?h?@@@@@1? ?O2@@@@@@@@0M?
3@1? ?@@@@@@@@@@5 J@@5 ?7@@@@@H ?7@@@@@@@@@@@? ?@@@@@(Y ?J@@@5 ?@@@@@@?hf?@@@@@1? 7@@@@? @@@@ ?@@@5?g?J@@@@@?he?@@@@@@@@@@@@@@@@@@@@@@@@@@@@@@@@@@@@@@@@@@@@@@@@@@@@@@@@@@@@@@@@@@@@@@@@@@@@@@@@(Y? @@@@ @@@? N@@@@@@@@@he@@@@@?O&@@@@@@@0M?e?@@@@@@?hJ@@@)X@@@? ?@@@@@@@@@@@ ?3L?he?N@@@@@? ?@@@5??N@@@@@@@@@@@@L? 3@@@@?h?3@@@@@? ?O2@@@@@@@@0M?
N@@? ?3@@@@@@@@@H 7@(Y J@@@@@5? ?@@@@@@@@@@@5? J@@@@@H? ?7@@@H ?@@@@@5?hf?3@@@@@? @@@@5?hf?J@@@@ ?@@@H?g?7@@@@@?he?@@@@@@@@@@@@@@@@@@@@@@@@@0MI4@@@0M??I4@@@@@@@@@@@@@@@@@@@@@@0MI@M?I@MI4@@@@@@@@0Y 3@@@ @@@? ?@@@@@@@@@L?h@@@@@@@@@@@@@(M?fJ@@@@@5?h7@@@@@@@@L J@@@@@@@@@@@ ?N1?hf@@@@@? ?@@@H?e@@@@@@@@@@@@1? N@@@@Lh?N@@@@@? O2@@@@@@@@0M
?@@L ?N@@@@@@@@5?hf?J@@H? 7@@@@@H? J@@@@@@@@@@@H? 7@@@@5 ?@@@@? J@@@@@H?hf?N@@@@@L @@@@H?hf?7@@@5 J@@@h?@@@@@@?he?@@@@@@@@@@@@@@@@@@@@@0M N@@@@6K?hf@@@? ?@@@@@@@@@1?h3@@@@@@@@@@@(Yg7@@@@@H?h@@@@@@@@@1 ?W&@@@@@@@@@@@ @Lhf@@@@@L ?@@5f@@@@@@@@@@@@@? ?@@@@1he@@@@@L ?O2@@@@@@@@@0M
?3@1 ?J@@@@@@@@H?hf?7@5 ?J@@@@@5 ?W&@@@@@@@@@@@ ?J@@@@@H ?@@@5? 7@@@@@ @@@@@1 @@@@ ?@@@@H 7@@@h?@@@@@5?he?@@@@@@@@@@@@@@@@@0M ?@@@@@@@6Khe@@@? ?@@@@@@@@@@?hN@@@@@@@@@@0Y?g@@@@@@he@@@@@@@@@@ ?7@@@@@@@@@@@@L? @1hf3@@@@1 ?@@?f@@@@@@@@@@@@@? ?@@@@@he@@@@@1 ?O2@@@@@@@@@0M
?N@@ ?7@@@@@@@5 J@@H W&@@@@@H ?7@@@@@@@@@@@5 ?7@@@@@? ?@@@H? @@@@@5 3@@@@@ @@@@ ?@@@@? @@@@h?@@@@@H?he?@@@@@@@@@@@@@@(M? ?3@@@@@@@@@6K?g@@@? ?@@@@@@@@@5?h?@@@@@@@@(M?h@@@@@@he@@@V'@@@@@ J@@@@@@@@@@@@@1? @@hfN@@@@@ ?@@1f@@@@@@@@@@@@@L ?@@@@@he@@@@@@ ?O2@@@@@@@@0M?
@@L? J@@@@@@@@Hhf?W&@5? 7@@@@@5? ?@@@@@@@@@@@@H J@@@@@5? ?@@@ ?J@@@@@H N@@@@@ @@@@ ?@@@@? @@@@h?@@@@@hfJ@@@@@@@@@@@@@0Y ?N@@@@@@@@@@@@6Kf@@@? ?3@@@@@@@@H?h?@@@@@@@(Yhe@@@@@5h?J@@5?V'@@@@ ?W&@@@@@(M?@@@@@@? @@hf?@@@@@ ?@@@f3@@@@@@@@@@@@1 ?3@@@@he3@@@@@ O2@@@@@@@@@0M?
3@1? 7@@@@@@@5?hf?7@@H? @@@@@@H? ?@@@@@@@@@@@5? ?W&@@@@@H? J@@5 ?7@@@@@? ?@@@@@L? ?J@@@@ ?@@@@? @@@@h?@@@@@hf7@@@@@@@@@@@0M @@@@@@@@@@@@@@@@@@@@@? ?N@@@@@@@5he?@@@@@@(Y?h?J@@@@@Hh?7@@H??N@@@@L? ?7@@@@@(Y??@@@@@@L @@hf?@@@@@ ?@@@fN@@@@@@@@@@@@@ ?N@@@@L?hN@@@@@L? O2@@@@@@@@0M
N@@? @@@@@@@@H?hf?@@5 ?J@@@@@5 J@@@@@@@@@@@H? ?7@@@@@5 ?W&@@H ?@@@@@5? ?3@@@@1? ?7@@@5 ?@@@@? @@@@hJ@@@@@hf@@@@@@@@@@0M @@@@@@@@@@@@@@@@@@@@@? @@@@@@@Hhe?@@@@@@Hhe?7@@@@@?h?@@@f3@@@1? J@@@@@@He?@@@@@@1 3@L?he?@@@@@L? ?@@@f?@@@@@@@@@@@@@ @@@@1?h?@@@@@1? O2@@@@@@@@0M
?@@L ?J@@@@@@@@ J@@H ?7@@@@@H 7@@@@@@@@@@@ ?@@@@@@H ?7@@@? ?@@@@@H? ?N@@@@@L ?@@@@H J@@@@? @@@5h7@@@@@hf@@@@@@@@(M @@@@@@@@@@@@@@@@@@@@@@@@6K @@@@@@5?he?3@@@@@?he?@@@@@@Lh?@@@fN@@@5? ?W&@@@@@5?e?3@@@@@@ N@1?he?3@@@@1? ?@@@f?3@@@@@@@@@@@@L? 3@@@@?h?@@@@@@? ?O2@@@@@@@@(M?
?3@1 W&@@@@@@@@ 7@@? J@@@@@@? @@@@@@@@@@@5 J@@@@@5? ?@@@5? J@@@@@ @@@@@1 ?@@@@? 7@@@5? @@@Hh@@@@@@hf@@@@@@@(Y? ?O2@@@6KO@K? @@@@@@@@@@@@@@@@@@@@@@@@@@6K @@@@@@H?he?N@@@@5?he?@@@@@@)K?gJ@@@f?@@@H? W&@@@@@(Y?e?N@@@@@@ ?@@?he?N@@@@@? ?@@@f?N@@@@@@@@@@@@1? N@@@@?h?3@@@@@L O2@@@@@@@@@@0Y
?N@@ 7@@@@@@@@@hf?J@@5? 7@@@@@5? ?J@@@@@@@@@@@H 7@@@@@H? J@@@H? 7@@@@@ 3@@@@@ J@@@@? @@@@H? ?J@@@?h@@@@@@he?J@@@@@@(Y ?W2@@@@@@@@@@@@@ @@@@@@@@@@@@@@@@@@@@@@@@@@@@6X 3@@@@@ @@@@H?he?@@@@@@@@@@@@6X?7@@@f?3@@ 7@@@@@@Hg@@@@@@ ?@@?hf@@@@@? ?3@5g@@@@@@@@@@@@@L ?@@@@Lh?N@@@@@1 O2@@@@@@@@@0M?
@@L? ?J@@@@@@@@@@L?he?7@@H? ?J@@@@@(Y? ?7@@@@@@@@@@@? ?J@@@@@5 7@@@ @@@@@5 N@@@@@L? 7@@@@? @@@@ ?7@@@?h@@@@@5he?7@@@@@(Y? ?7@@@@@@@@@@@@@@ 3@@@@@@@@@@@@@@@@@@@@@@@@@@@@)K? N@@@@@L?he?J@@@@hfJ@@@@@@@@@@@@@)X@@@5g@@ ?J@@@@@@5?g3@@@@@ ?@@Lhf@@@@@? @Hg@@@@@@@@@@@@@)X? ?@@@@1he@@@@@@ O2@@@@@@@@@0M?
3@1? ?7@@@@@@@@@@1?heJ@@5 W&@@@@@H J@@@@@@@@@@@5? ?7@@@@@H ?J@@@5 @@@@@H ?@@@@@1? @@@@5? @@@@ ?@@@@?h@@@@@Hhe?@@@@@@H ?@@@@@@@@@@@@(M? N@@@@@@@@@@@@@@@@@@@@@@@@@@@@@@@6K ?@@@@@1?he?7@@@@hf7@@@@@@@@@@@@@@@@@@Hf?7@@ O&@@@@@(Y?gN@@@@@L?hf?@@1hf@@@@@L ?@@?f?J@@@@@@@@@@@@@@)X ?@@@@@he@@@@@@ O2@@@@@@@@@0M?
N@@? J@@@@@@@@@@@@?he7@@H 7@@@@@@? 7@@@@@@@@@@@H? J@@@@@5? ?7@@@H ?J@@@@@? ?3@@@@@? @@@@H?hf?J@@@@ ?@@@@?h@@@@@?he?@@@@@@? ?3@@@@@@@@@@(Y ?@@@@@@@@@@@@@@@@@@@@@@@@@@@@@@@@@6K ?@@@@@@?he?@@@@@hf@@@@@@@@@@@@@@@@@@@?f?@@@hfW2@@@@@@(Yh?@@@@@1?hf?@@5hf3@@@@1 ?7@@@@@@@@@@@@@@@1 ?3@@@@L?h@@@@@@L? ?O2@@@@@@@@@@0M?
?@@L 7@@@@@@@@@@@@Lh?J@@5? ?J@@@@@@5? ?J@@@@@@@@@@@@ 7@@@@@H? ?@@@@? ?7@@@@5? ?N@@@@@? @@@@ ?7@@@@ ?@@@@?h@@@@@?he?@@@@@@? ?V'@@@@@@@@0Y? ?@@@@@@@@@@@@@@@@@@@@@@@@@@@@@@@@@@@6X ?@@@@@@?he?@@@@@hf@@@@@@@@@@@@@@@@@@@?f?@@@hf7@@@@@@(Y?h?@@@@@@?hf?@@HhfN@@@@@L? J@@@@@@@@@@@@@@@@@ ?N@@@@1?h3@@@@@1? ?O2@@@@@@@@@@0M?
?3@1 ?J@@@@@@@@@@@@@1h?7@(Y? ?7@@@@@@H? ?7@@@@@@@@@@@@ @@@@@5 J@@@5? ?@@@@@H? @@@@@L ?J@@@@ ?@@@@5 ?@@@5?h@@@@@?he?@@@@@@? V'@@@@@0M? ?@@@@@@@@@@@@@@@@@@@@@@@@@@@@@@@@@@@@)?)X? ?3@@@@@Lhe?@@@@@he?J@@@@@@@@@@@@@@@@@@5?f?@@@he?J@@@@@@(Yhe?3@@@@@?hf?3@?hf?@@@@@1? ?W&@@@@@@@@@@@@@@@@@L? @@@@@?hN@@@@@@? O2@@@@@@@@@@@0M?
?N@@ ?7@@@@@@@@@@@@@@hJ@@H J@@@@@@5 ?@@@@@@@@@@@@5 ?J@@@@@H 7@@@H? J@@@@@ 3@@@@1 ?7@@@@ ?@@@@H ?@@@H?h@@@@@?he?@@@@@@? ?V4@@0M? ?@@@@@@@@@@@@@@@@@@@@@@@@@@@@@@@@@@@@@@@)X ?N@@@@@1he?@@@@@he?@@@@@@@@@@@@@@@@@@@H?f?@@@heW&@@@@@(Y?he?N@@@@@Lhf?V'?hf?@@@@@@? W&@@@@@@@@@@@@@@@@@@1? @@@@@?h?3@@@@@? O2@@@@@@@@@@@0M?
@@L? J@@@@@@@@@@@@@@@h7@5? 7@@@@@@H ?@@@@@@@@@@@@H ?7@@@@5? @@@@ 7@@@@5 N@@@@@ ?@@@@5 ?@@@@? J@@@h?J@@@@@?he?@@@@@@? ?@@@@@@@@@@@@@@@@@@@@@@@@@@@@@@@@@@@@@@@@)X? @@@@@@he?3@@@@hf@@@@@@@@@@@@@@@@@@gJ@@@h?W&@@@@@(Y @@@@@1 ?@@@@@@? 7@@@@@@@@@@@@@@@@@@@@L 3@@@@?h?N@@@@@? W2@@@@@@@@@@@0M?
@@1? 7@@@@@@@@@@@@@@@L?f?J@@H? ?J@@@@@@5? ?@@@@@@@@@@@5? J@@@@@H? ?J@@@5 @@@@@H ?@@@@@L? ?@@@@H ?@@@@? 7@@@h?7@@@@@?heJ@@@@@@? ?3@@@@@@@@@@@@@@@@@@@@@@@@@@@@@@@@@@@@@@@@1? @@@@@@he?N@@@@he?7@@@@@@@@@@@@@@@@@@g7@@@hW&@@@@@@H? @@@@@@ ?3@@@@@L ?J@@@@@@@@@@@@@@@@@@@@@1 N@@@@Lhe@@@@@L ?O&@@@@@@@@@@0M?
3@@? ?J@@@@@@@@@@@@@@@@1?f?7@@ ?7@@@@@@H? ?@@@@@@@@@@@H? 7@@@@5 ?7@@@H ?J@@@@@? ?3@@@@1? ?@@@@? J@@@@? @@@@h?@@@@@5?he7@@@@@@? ?N@@@@?@@@@@@@@@@@@@@@@@@@@@@@@@@@@@@@@@@@@L @@@@@@hf@@@@L?h?@@@@@@@@@@@@@@@@@@@f?J@@@5g?W&@@@@@@5 @@@@@@ ?N@@@@@1 W&@@@@@@@@@@@@@@@@@@@@@@L? ?@@@@1he@@@@@1 O2@@@@@@@@@@0M
N@@L ?7@@@@@@@@@@@@@@@@@LfJ@@5 J@@@@@@5 ?@@@@@@@@@@@ ?J@@@@@H ?@@@@? ?7@@@@@? ?N@@@@@? J@@@@? 7@@@@? @@@@h?@@@@@H?he@@@@@@5? @@@@?@@@@@@@?@@@@@@@@@@@@@@@@@@@@@@@@@@@@1 3@@@@@L?he3@@@1?h?@@@@@@?I4@@@@@@@@@5fW&@@@HgW&@@@@@@0Y @@@@@@ @@@@@@ ?W&@@@@@@@@@@@@@@@@@@@@@@@)X ?@@@@@he@@@@@@ O2@@@@@@@@@0M?
?3@1 J@@@@@@@@@@@@@@@@@@1f7@@H 7@@@@@@H ?@@@@@@@@@@@ ?7@@@@@? ?@@@@? ?@@@@@@? @@@@@L 7@@@@? @@@@@? @@@@h?@@@@@hf@@@@@@H? 3@@@@@@@@@@@@@@@@?I4@@@@@@@@@@@@@@@@@@@@@@L? N@@@@@1?heN@@@@Lh?@@@@@5?h@@@Hf7@@@5?f?W&@@@@@@? @@@@@@ @@@@@@L? W&@@@@@@@@@@@@@@@@@@@@@@@@@1 ?3@@@@he3@@@@@ ?O2@@@@@@@@@@0M?
?N@@L? 7@@@@@@@(M?I'@@@@@@@L??J@@5? ?J@@@@@@5? ?@@@@@@@@@@5 J@@@@@5? J@@@5? ?@@@@@5? 3@@@@1 @@@@@? @@@@5? @@@@h?@@@@@hf@@@@@@ N@@@@@@@@@@@@@@@@?e?I'@@@@@@@@@@@@@@@@@@@1? ?@@@@@@?he?@@@@1hJ@@@@@H?h@@@?e?J@@@(Y?fW&@@@@@@5? 3@@@@@L? @@@@@@)X 7@@@@@@@@@@@@@@@@@@@@@@@@@@@ ?N@@@@L?hN@@@@@L? O2@@@@@@@@@@@0M?
@@1? ?J@@@@@@@@H?eV'@@@@@@)KO&@@H? ?7@@@@@@H? ?@@@@@@@@@@H 7@@@@@H? 7@@@H? J@@@@@H? N@@@@@ @@@@@? @@@@H? @@@5h?@@@@@hf@@@@@@ ?@@@@@@@@@@@@@@@@?fV'@@@@@@@@@@@@@@@@@@@? ?@@@@@@?he?3@@@@L?g7@@@@@he@@@?e?7@@(Yf?W&@@@@@@(Y? N@@@@@1? 3@@@@@@1 ?J@@@@@@@@@@@@@@@@@@@@@@@@@@@@ @@@@1?h?@@@@@1? ?O2@@@@@@@@@@@0M
@@@? ?7@@@@@@@5f?V4@@@@@@@@@@5 ?@@@@@@5 J@@@@@@@@@@? ?J@@@@@5 ?J@@@@ 7@@@@5 ?@@@@@L? @@@@5? @@@@ @@@HhJ@@@@@hf@@@@@@ ?@@@@@@@@@V'@@@@@?f?V'@@@@@@@@@@@@@@@@@@L ?@@@@@@?he?V'@@@)Xg@@@@@@he@@@?e?@@@H?fW&@@@@@@(Y ?@@@@@@? N@@@@@@5 W&@@@@@@@@@@@@@@@@@@@@@@@@@@@@L? @@@@@?h?@@@@@@? ?O2@@@@@@@@@@0M?
3@@L J@@@@@@@@Hh@@@@@@@@@H J@@@@@@H 7@@@@@@@@@@? ?7@@@@@H ?7@@@5 @@@@@H ?3@@@@1? ?J@@@@H?hf?J@@@@ @@@?h7@@@@@hf@@@@@5 ?@@@@?@@@@?V'@@@@?gN@@@@@@@@@@@@@@@@@@1 ?@@@@@@?hfN@@@@)X?f@@@@@5he@@5??@@@@5f?W&@@@@@@0Y? ?@@@@@@? ?@@@@@@H 7@@@@@@@@@@@@@@@@@@@@@@@@@@@@@)X @@@@@?h?@@@@@@? ?O2@@@@@@@@@@0M?
N@@1 7@@@@@@@@?h3@@@@@@@5? 7@@@@@5? @@@@@@@@@@5? J@@@@@5? ?@@@@H ?J@@@@@? ?N@@@@@? ?7@@@@ ?7@@@5 ?J@@@Lh@@@@@@hf@@@@@H ?@@@@@@@@@eN@@@@?g?@@@@@@@@@@@@@@@@@@@ ?3@@@@@Lhf?3@@@@)Ke?J@@@@@Hh?J@@H?J@@@(YfW&@@@@@(M? ?@@@@@@? ?@@@@@@?hf?J@@@@@@@@@@@@@@@@@@@@@@@@@@@@@@@)X? 3@@@@Lh?@@@@@@L O2@@@@@@@@@@0M
?@@@L? ?J@@@@@@@@5?hN@@@@@@@H? ?J@@@@@@H? ?J@@@@@@@@@@H? 7@@@@@H? J@@@@? ?7@@@@@? @@@@@L ?@@@@@ ?@@@@H ?7@@@@h@@@@@@he?J@@@@@? ?3@@@@@@@5e?3@@@?gJ@@@@@@@@@@@@@@@@@@@L? ?N@@@@@1hf?V'@@@@@6KO&@@@@@?h?7@@e@@@0Y?e?W&@@@@@@H ?@@@@@@L ?@@@@@@?hfO&@@@@@@@@@@@@@@@@@@@@@@@@@@@@@@@@1? N@@@@1h?3@@@@@1 ?O2@@@@@@@@@@0M?
?3@@1? ?7@@@@@@@(Y?h?3@@@@@5 ?7@@@@@@ ?7@@@@@@@@@@ ?J@@@@@5 7@@@5? ?@@@@@5? 3@@@@1 ?@@@@@ ?@@@@? ?@@@@Hh@@@@@@he?7@@@@@? ?N@@@@@@@He?N@?h7@@@@@@@@@@@@@@@@@@@1? @@@@@@ V4@@@@@@@@@@@@@?h?@@@heW&@@@@@@5? ?3@@@@@1 ?@@@@@@?he?@@@@@@@@@@@@@@@@@@@@@@@@@@@@@@@@@@@@? ?@@@@@h?N@@@@@@ W2@@@@@@@@@@@0M?
?N@@@? J@@@@@@@@Hhe?N@@@@@H J@@@@@@5 ?@@@@@@@@@@@ ?7@@@@@H @@@@H? J@@@@@H? N@@@@@ ?@@@@5 ?@@@@? ?@@@@?h@@@@@5he?@@@@@@? @@@@@@@?f@Lh@@@@@@@@@@@@@@@@@@@@@? @@@@@@ I4@@@@@@@@@@@?h?@@@h?W&@@@@@@(Y? ?N@@@@@@ ?3@@@@@?heJ@@@@@@@@@@@@@@V4@@@@@@@@@@@@@@@@@@@@? ?@@@@@he@@@@@@L? ?O&@@@@@@@@@@0M?
@@@? 7@@@@@@@@?hf@@@@@? 7@@@@@@H ?@@@@@@@@@@5 J@@@@@5? ?J@@@@ 7@@@@@ ?@@@@@L? J@@@@H J@@@@? ?@@@@?h@@@@@Hhe?@@@@@@? @@@@@?g@1h@@@@@@@@@@@@@@@@@@@@@? @@@@@@ I4@@@@@@@@5?hJ@@5hO&@@@@@@(Y @@@@@@ ?N@@@@@?h?W&@@@@@@@@@@@@@5??I'@@@@@@@@@@@@@@@@@@? ?3@@@@he@@@@@@1? O2@@@@@@@@@@@0M?
@@@L ?J@@@@@@@@5?hf@@@@@? @@@@@@5? J@@@@@@@@@@H 7@@@@@H? ?7@@@5 @@@@@5 ?3@@@@1? 7@@@@? 7@@@5? ?@@@@?h@@@@@?he?@@@@@@? @@@@@@6Kf@@L?g@@@@@@@@@@@@@@@@@@@@5? 3@@@@@ I'@@@@@@H?h7@@HgW2@@@@@@@0Y? @@@@@@ @@@@@LhW&@@@@@@@@@@@@@(Y?eV'@@@@@@@@@@@@@@@@@? ?N@@@@L?h3@@@@@@? ?O2@@@@@@@@@@@0M
3@@1 ?7@@@@@@@@H?hf@@@@@? ?J@@@@@(Y? 7@@@@@@@@@@? @@@@@5 ?@@@@H @@@@@H ?N@@@@@? @@@@@? @@@@H? ?@@@5?h@@@@@?he?@@@@@@? @@@@@@@@@6K?@@)?@KO2@@@@@@@@@@@@@@@@@@@@@@H? N@@@@@L? ?N@@@@@@he@@@?f?O&@@@@@@(M? 3@@@@@L? @@@@@1g?W&@@@@@@@@@@@@@(Yf?V'@@@@@@@@@@@@@@@@? @@@@1?hN@@@@@@? O2@@@@@@@@@@@0M?
N@@@ J@@@@@@@@5 @@@@@L W&@@@@@H @@@@@@@@@@5? ?J@@@@@H J@@@@? ?J@@@@@? @@@@@L @@@@@? @@@@ J@@@H?g?J@@@@@?heJ@@@@@5? @@@@@@@@@@@@@@@@@@@@@@@@@@@@@@@@@@@@@@@@@@ ?@@@@@1? @@@@@@he@@@?e?O2@@@@@@@(Y N@@@@@1? @@@@@@g?7@@@@@@@@@@@@@(Y?gV'@@@@@@@@@@@@@@@? @@@@@?h?@@@@@@L O2@@@@@@@@@@@0M?
?@@@L? 7@@@@@@@(Yhf?J@@@@@1 7@@@@@5? @@@@@@@@@@H? ?7@@@@5? 7@@@5? ?7@@@@@? 3@@@@1 @@@@5?hf?J@@@@ 7@@@h?7@@@@@?he7@@@@@H? @@@@@@@@@@@@@@@@@@@@@@@@@@@@@@@@@@@@@@@@@5 ?@@@@@@? @@@@@@he@@@??O2@@@@@@@@0Y? ?@@@@@@? 3@@@@@gJ@@@@@@@@@@@@@(Yh?V'@@@@@@@@@@@@@@? 3@@@@?h?@@@@@@1 O2@@@@@@@@@@0M
?@@@1? ?J@@@@@@@@H?hfW&@@@@@@L? ?J@@@@@@H? ?J@@@@@@@@@@ J@@@@@H? @@@@H? ?@@@@@5? N@@@@@ ?J@@@@H?hf?7@@@@ @@@@h?@@@@@5?he@@@@@@ @@@@@@@@@@@@@@@@@@@@@@@@@@@@@@@@@@@@@@@@(Y ?@@@@@@? @@@@@5h?J@@@W2@@@@@@@@(M? ?@@@@@@? N@@@@@g7@@@@@@@@@@@@(Y?heN@@@@@@@@@@@@@@? N@@@@Lh?@@@@@@@hf?O2@@@@@@@@@@0M?
?3@@@? ?7@@@@@@@5 7@@@@@@@1? W&@@@@@5 ?7@@@@@@@@@@ 7@@@@5 ?J@@@@ J@@@@@H? ?@@@@@L? ?7@@@@ ?@@@@@ @@@@h?@@@@@H?he@@@@@@ @@@@@@@@@@@@@@@@@@@@@@@@@@@@@@@@@@@@@@@@H? ?@@@@@@? ?J@@@@@Hh?7@@@@@@@@@@@@0Y ?@@@@@@? @@hf?@@@@@L?e?J@@@@@@@@@@@@(Yhf?@@@@@@@@@@@@@@? ?@@@@1h?3@@@@@@hO2@@@@@@@@@@@@@0M?
@@@?W2@@@6X? J@@@@@@@@H @@(?'@@@@LfO2@@@6K? 7@@@@@@H ?@@@@@@@@@@5 ?J@@@@@H ?7@@@5 7@@@@@ ?3@@@@1? ?@@@@@ ?@@@@@ @@@@h?@@@@@hf@@@@@@ @@@@@@@@@@@@@@@@@@@@@@@@@@@@@@@@@@@@@@@@ ?3@@@@@L ?7@@@@@?h?@@@@@@@@@@@(M ?@@@@@@? 3@hf?@@@@@1?e?7@@@@@@@@@@@@H?hf?3@@@@@@@@@@@@@? ?@@@@@h?N@@@@@@gW2@@@@@@@@@@@@@0M?
?@@@@W&@@@@@)X 7@@@@@@@5?hf?J@@H?N@@@@)KO2@@@@@@@@@6Xhf?J@@@@@@5? ?@@@@@@@@@@H W&@@@@5? ?@@@@H @@@@@5 ?N@@@@@? ?@@@@5 ?@@@@5 ?J@@@@h?@@@@@hf@@@@@@ @@@@@@@@@@@@@@@@@@@@@@@@@@@@@@@@@@@@@@@5 ?N@@@@@1 ?@@@@@@?h?@@@@@@@@@@(Y? ?3@@@@@L N@hf?@@@@@@?eJ@@@@@@@@@@@@5 ?N@@@@@@@@@@@@@? ?3@@@@L?h@@@@@@L?e?O&@@@@@@@@@@0M?
W@@@@@@@@@@)X? ?J@@@@@@@@H?hfW&@5e?3@@@@@@@@@@@@@@@@@)X?he?7@@@@@@H? J@@@@@@@@@@? ?W&@@@@@H? J@@@@? @@@@@H @@@@@L ?@@@@H ?@@@@H ?7@@@@hJ@@@@@hf@@@@@@ @@@@@@@@@@@@@@@@@@@@@@@@@@@@@@@@@@@@@@@H @@@@@@ J@@@@@@?h?@@@@@@@@@(Y ?N@@@@@1 ?@hf?3@@@@@?e7@@@@@@@@@@@@H @@@@@@@@@@@@@L ?N@@@@1?h@@@@@@)?2@@@@@@@@@@@@0M?
?O&@@@@@@@@@@@1? W&@@@@@@@5 7@@He?N@@@@@@@(M?e?I'@@@1?he?@@@@@@5 7@@@@@@@@@@? ?7@@@@@5 7@@@5? ?J@@@@@? 3@@@@1 ?@@@@? J@@@@? ?3@@@5h7@@@@@hf@@@@@5 ?J@@@@@@@@@@@@@@@@@@@@@@@@@@@@@@@@@@@@@@5? @@@@@@ 7@@@@@@?hJ@@@V4@@@0Y? @@@@@@ ?N@@@@@?e@@@@@@@@@@@@@? 3@@@@@@@@@@@@1 @@@@@?h3@@@@@@@@@@@@@@@@@@0M? O26K
?O2@@@@@@@@@@@@@@? ?W&@@@@@@@@H @@5?f@@@@@@(YgN@@@@?heJ@@@@@@H @@@@@@@@@@5? J@@@@@@H @@@@H? ?7@@@@5? N@@@@@ J@@@@? 7@@@@? ?N@@@Hh@@@@@@he?J@@@@@H ?'@@@@@@@@@@@@@@@@@@@@@@@@@@@@@@@@@@@@@@H? @@@@@@ @@@@@@5?h7@@@eI@M? @@@@@@ @@@@@Le@@@@@@@@@@@@5? ?@@@@@@@@@@@@@ @@@@@?h?@@@@@@@@@@@@@@@0M ?O2@@@@6K?heO2@@@@@@@@@6X?
@@@@@@@@@@@@@@@@@@@@6X W&@@@@@@@@5?hf?J@@H?f@@@@@(Y?gJ@@@5?he7@@@@@5? ?J@@@@@@@@@@H? 7@@@@@@? ?J@@@@ ?@@@@@H? ?@@@@@L? 7@@@@? @@@@5? ?J@@@?h@@@@@5he?7@@@@@? ?V'@@@@@@@@@@@@@@@@@@@@@@@@@@@@@@@@@@@@5 3@@@@@L? @@@@@@H?h@@@@ 3@@@@@ @@@@@1e@@@@@@@@@@@@H? @@@@@@@@@@@@@@ 3@@@@?g?W&@@@@@@@@@@@@@0M W2@@@@@@@@@@6XgW2@@@@@@@@@@@@)K
?J@@@@@@@@@@@@@@@@@@@@@)K? 7@@@@@@@@@H?hfW&@5g@@@@@Hg?W&@@@H?h?J@@@@@@H? ?7@@@@@@@@@@ @@@@@@5? ?7@@@5 J@@@@@ ?3@@@@1? @@@@@? @@@@H? ?7@@@?h@@@@@Hhe?@@@@@@? N@@@@@@@@@@@@@@@@@@@@@@@@@@@@@@@@@@@0Y N@@@@@1? @@@@@@he@@@@@6X? N@@@@@L? @@@@@@e@@@@@@@@@@@@ N@@@@@@@@@@@@@ N@@@@LgO&@@@@@@@@@@@@0M ?W&@@@@@@@@@@@@)X?f7@@@@@@@@@@@@@@@6X
?7@@@@@@@@@@@@@@@@@@@@@@@6X? ?J@@@@@@@@@5 7@@Hg@@@@@Lg?7@@@@he?7@@@@@@ ?@@@@@@@@@@@ ?J@@@@@@H? ?@@@@H 7@@@@@ ?N@@@@@? @@@@5? @@@@ ?@@@@?h@@@@@?he?@@@@@@? ?3@@@@@@@@@@@@@@@@@@@@@@@@@@@@@@@@(M ?@@@@@@? @@@@@@he@@@@@@1? ?@@@@@1? @@@@@@?J@@@@@@@@@@@@ ?@@@@@@@@@@@@@ ?@@@@1e?O2@@@@@@@@@@@@0M? W&@@@@@@@@@@@@@@)Xe?J@@@@@@@@@@@@@@@@@1
J@@@@@@@@@@@@@@@@@@@@@@@@@)X ?7@@@@@@@@@Hhf?J@@5?f?J@@@@@)K?f?@@@@@he?@@@@@@@ ?@@@@@@@@@@@L? W&@@@@@5 J@@@@? @@@@@5 @@@@@L @@@@H? @@@@ ?@@@@?h@@@@@?he?@@@@@@? ?N@@@@@@@@@@@@@@@@@@@@@@@@@@@@@@@@H? ?@@@@@@?h?O2@@@6X@@@@@@h?J@@@@@@@? ?@@@@@@? 3@@@@@W&@@@@@@@@@@@@ ?@@@@@@@@@@@@@L? ?@@@@@?O2@@@@@@@@@@@@@ ?W&@@@@@@@@@@@@@@@@)X?W&@@@@@@@@@@@@@@@@@@
7@@@@@@@@@@@@@@@@@@@@@@@@@@)X? ?@@@@@@@@@5?hf?7@@H?f?7@@@@@@@@@@@@@@@@@@@@@@@@@6?2@@@@@@@@@6?2@@@@6?2@@@6KeO2@@@@@@@@@@@@@@@@@@)KO@K?O@K?O@?26K ?O&@@@@@@Hh?W&?2@he?W2@@@6KO@KO@KO2@@@@@@@@@6K?O2@@@@@6K?fO2@@6?@Kg?O2@@@@6KO2@@@@@@@@6K?e?O@K ?W&@@@@? ?J@@@@@H 3@@@@1 ?J@@@@ ?J@@@@ ?@@@@?h@@@@@?he?@@@@@@? @@@@fI4@@@@@@@@@@@@@@@@@@@@@@L? ?@@@@@@LgW2@@@@@@@@@@@@@@h?7@@@@@@@? ?@@@@@@? N@@@@@@@@@@@@@@@@@@@ ?@@@@@@@@@@@@@1? ?@@@@@@@@@@@@@@@@@@@@@L? ?7@@@@@@@@@@@@@@@@@@)?&@@@@@@@@@@@@@@@@@@@
@@@@@@@@@@@@@@@@@@@@@@@@@@@@1? ?@@@@@@@@(Y?hfJ@@5gJ@@@@@@@@@@@@@@@@@@@@@@@@@@@@@@@@@@@@@@@@@@@@@@@@@@@@@@@@@@@@@@@@@@@@@@@@@@@@@@@@@@@@@@@@@@@@@@@@@@@@@@@@@@@@@@@@@@@@@5?h?*@@@@he?7@@@@@@@@@@@@@@@@@@@@@@@@@@@@@@@@@@@@@@@@@@@@@@@@@@@@@@@@@@@@@@@@@@@@@@@@@@@@@@@@@@@@6Xh?@@@6Khe?W2@@@@@@@@@@@@@@@@@@@@@@@@@@@@@@@@@@@@@@@@@@@@@@@@@@@@@@@@@@@@@@@@@@@@@@@@@@6?2@@@@@@@@@@@@@@@6X? W&?@K? ?O@KhO&@@@@@? ?7@@@@@? N@@@@@ ?7@@@@ ?7@@@@ J@@@@?h@@@@@?he?@@@@@@? @@@@g?I4@@@@0M?@@@@?I'@@@@@)X ?@@@@@@1f?O&@@@@@@@@@@@@@@5h?@@@@@@@@? ?3@@@@@? ?@@@@@@@@@@@@@@@@@@@ ?@@@@@@@@@@@@@@? ?@@@@@@@@@@@@@@@@@@@@@1? J@@@@@@@@@@@@@@@@@@@@@@@@@@@@@@@@@@@@@@@@@
?J@@@@@@@@@@@@@@@@@@@@@@@@@@@@@L ?@@@@@@@@H 7@@Hf?W&@@@@@@@@@@@@@@@@@@@@@@@@@@@@@@@@@@@@@@@@@@@@@@@@@@@@@@@@@@@@@@@@@@@@@@@@@@@@@@@@@@@@@@@@@@@@@@@@@@@@@@@@@@@@@@@@@@@@@H?h?V'@@@he?@@@@@@@@@@@@@@@@@@@@@@@@@@@@@@@@@@@@@@@@@@@@@@@@@@@@@@@@@@@@@@@@@@@@@@@@@@@@@@@@@@@@@@,h?@@@@@@@@?g?7@@@@@@@@@@@@@@@@@@@@@@@@@@@@@@@@@@@@@@@@@@@@@@@@@@@@@@@@@@@@@@@@@@@@@@@@@@@@@@@@@@@@@@@@@@@@@@)KfO2@@he7@@@@@@@@@6Khf?W2@@@@@@@@@@@@@@@@@@@@@@@@@@@@@@@@@@@@@@@@@@@@@@@@@@@@@@@@@@@@@@@@@@@@6K? ?@@@@@5? ?@@@@@L? ?@@@@5 ?@@@@@ 7@@@@?h@@@@@?he?@@@@@@? @@@@ @@@@eV4@@@@@1 ?@@@@@@@e?W2@@@@@@@@@@@@@@@@Hh?@@@e@@@? ?N@@@@@L ?@@@@@@@@@@@@@@@@@@@ ?@@@@@@@@@@@@@@? ?@@@@@@@@@@@@0MI'@@@@@@? 7@@@@@@@@@@@@@@@@@@@@@@@@@@@@@@@@@@@@@@@@@L?
?7@@@@@@@@@@@@@@@@@@@@@@@@@@@@@1 J@@@@@@@@?hf?J@@5?f?7@@@@@@@@@@@@@@@@@@@@@@@@@@@@@@@@@@@@@@@@@@@@@@@@@@@@@@@@@0M?eI'@@@@@@@@@@@(M?fI@MI4@@@@@@@@@@@@@@@@@@@@@@@@@@@@@@5hfV4@@hfI4@@@@@@@@0MI4@@@@@@@@@0M??I4@0?@M ?I@MhfI@?@?4@@@@@@@@0Yh?@@@@@@@@?g?@@@0M?I4@@@@@@@@@@@@@@@@@@@@@@@@@@@@@@@@@@@@@@@@@@@@@@@@@@@@@@@@@@@@@@@@@@@@@@@@@@@@@@@@@@@@@@@@@@@@@@@@@he3@@@@@@@@@@@@?@?h?&@@@@@@@@@@@@@@@@@@@@@@@@@@@@@@@@@@@@@@@@@@@@@@@@@@@@@@@@@@@@@@@@@@@@@@@@@@@? J@@@@@H? ?3@@@@1? ?@@@@H ?@@@@5 @@@@@?g?J@@@@@?he?@@@@@5? @@@@L? @@@5fI'@@@@L? ?3@@@@@@eW&@@@@@@@@@@@@@@@@@?hJ@@@e@@@? @@@@@1 ?3@@@@@@@@@@@@@@@@@@L? ?3@@@@@@@@@@@@@? O2@@@@@@@@@@0MfN@@@@@@? @@@@@@@@@@@@@@@@@@@@@@@@@@@@@@@@@@@@@@@@@@)X
?@@@@@@@@@@@@@@@@@@@@@@@@@@@@@@@ 7@@@@@@@5?hf?7@@H?fJ@@@@@@@@@@@@@@@@@0Mh?@@@@@@@(M ?N@@@@@@@@@@(Y @@@@@@@H V40Me?I4@0M ?I4@0?4@0?4@@@@@@@@@@@0?4@@@@@@@@@@@@@@@@@@@@@@@@@@@@@@@@@@@@@@@@@@@@@@@@@@L 7@@@@@ ?N@@@@@? ?@@@@? ?@@@@H @@@@5?g?7@@@@5?heJ@@@@@H? @@@@1?hf?J@@@Hf?N@@@@1? ?N@@@@@@?W&@@@@@@0M?e?@@@@@@?h7@@@e3@@L @@@@@@ ?N@@@@@@@@@@@@@@@@@@1? ?N@@@@@@@@@@@@@? ?O2@@@@@@@@@@@0Mg?@@@@@@? @@@@@@@(M?fI4@@@@@@@@@@@(M?f?I'@@@@@@1
J@@@@@@@@@@@@@@(M??I'@@@@@@@@@@@ ?J@@@@@@@@H?hfJ@@5g7@@@(?'@@@e?W@@@?he?@@@@@@(Y? @@@@@@@@@@H? @@@@@@5? @@@@@? I'@@@1 @@@@@@ @@@@@L J@@@@? J@@@@? @@@@H?g?@@@@@H?he7@@@@@ @@@@@?hf?7@@@?g3@@@@L @@@@@@W&@@@@@(M?fJ@@@@@@?h@@@5eN@@1 @@@@@@ @@@@@@@@@@@@@@@@@@@L @@@@@@@@@@@@@? ?O2@@@@@@@@@@@@?h?3@@@@@L ?J@@@@@@(Yh?@@@@@@@@@(YhV'@@@@@@L?
7@@@@@@@@@@V@?(YfN@@@@@@@@@@5 ?7@@@@@@@5 7@@Hf?J@@@(Y?N@@@e?7@@5?he?@@@@@@H ?J@@@@@@@@@@ ?J@@@@@@H? @@@@@? ?V'@@@ @@@@@5 @@@@@1 7@@@@? 7@@@@? @@@@h?@@@@@hf@@@@@@ @@@@@?hf?@@@@?gN@@@@)X? 3@@@@@@@@@@@(Yg7@@@@@@?h@@@He?@@@ @@@@@@ @@@@@@@@@@@@@@@@@@@1 @@@@@@@@@@@@@? O2@@@@@@@@@@@@@@@Lh?N@@@@@1 ?7@@@@@@H?h?3@@@@@@@@H?h?V'@@@@@)X
@@@@@@@??@@?h?@@@@@@@@@@H J@@@@@@@(Y @@5?f?7@@@He?3@@L?J@@@H?heJ@@@@@5? ?7@@@@@@@@@@ ?7@@@@@5 ?J@@@@5? N@@@ @@@@@H 3@@@@@L? @@@@@? @@@@@? ?J@@@@h?@@@@@hf@@@@@@ O2@@@@@6?2@@@@@6K?hf?O26K?fO2@6K? ?J@@@@@?hfJ@@@@?g?3@@@@)X N@@@@@@@@@@(Y?g@@@@@@@?h@@@?eJ@@@ @@@@@@L? @@@@@@@@@@@@@@@@@@@@L? @@@@@@@@@@@@@LhfO2@@@@@@@@@@0?'@@@@1he@@@@@@ ?@@@@@@@he?N@@@@@@@@hfV'@@@@@1
?J@@@@@@@@@@@?hJ@@@@@@@@@@? 7@@@@@@@H?hf?J@@H?fJ@@@5?e?N@@)?&@@5hf7@@@@@H? ?@@@@@@@@@@@ J@@@@@@H ?7@@@@H? ?@@@ ?J@@@@@? N@@@@@1? @@@@@? @@@@@? ?7@@@@h?@@@@@hf@@@@@@ O2@@@@@@@@@@@@@@@@@@@@@@@@@@@@@@@@@@@@@@@@@@@@@@@@@@@@6X O&@@@@@?hf7@@@@?g?V'@@@@)X? ?@@@@@@@@@(Yh@@@@@@5?h@@@?e7@@@ 3@@@@@1? @@@@@@@@@@@@@@@@@@@@)X 3@@@@@@@@@@@@1heO2@@@@@@@@@@0MeN@@@@@he@@@@@@ ?@@@@@@5hf3@@@@@@@hf?N@@@@@@
?7@@@@@@@@@@@?g?O&@@@@@@@@@5? ?J@@@@@@@5 W&@5g7@@@H?f@@@@@@@Hhe?J@@@@@5 ?@@@@@@@@@@5 7@@@@@5? ?@@@@5 ?3@@ ?7@@@@5? ?3@@@@@? @@@@5? @@@@5? ?@@@@@hJ@@@@@hf@@@@@@hf?O2@@@@@@@@@@@@@@@@@@@@@@@@@@@@@@@@@@@@@@@@@@@@@@@@@@@@@@@@@@)X? ?W2@@@@@@@@@5?hf@@@@5?hV4@@@@)K ?@@@@@@@@(Y?h@@@@@@H?g?J@@@?e@@@@ N@@@@@@? 3@@@@@@@@@@@@@@@@@@@@)K? ?@@@@@@@@@@@@@hO2@@@@@@@@@@0Mf?3@@@@he3@@@@@L? ?@@@@@@HhfN@@@@@@5 @@@@@@
?@@@@@@?@@@@@W)Xe?O2@@@@@@@@@@@H? ?7@@@@@@@H 7@@Hf?J@@@5g@@@@@@5?he?7@@@@@H ?@@@@@@@@@@H @@@@@@H? J@@@@H ?N@@ ?@@@@@H? ?N@@@@@L ?J@@@@H?hf?J@@@@H? ?@@@@@h7@@@@@hf@@@@@5gO2@@@@@@@@@@@@@@@@@@@@@@@@@@@@@@@@@@@@@@@@@@@@@@@@@@@@@@@@@@@@@@@@@@)X W&@@@@@@@@@(Y?hf@@@@H?heI'@@@@6X ?@@@@@@@@Hh?J@@@@@@h?7@@5?e@@@@L? ?@@@@@@? N@@@@@@@@@@@@@@@@@@@@@@@6KO2@6K?f?O&@@@@@@@@@@@@@L?eO2@@@@@@@@@@0Mh?N@@@@heN@@@@@1? ?@@@@@@?hf?@@@@@@H @@@@@@
'@@@@@@@@@@@@@@@@)KO2@@@@@@@@@@@@5 J@@@@@@@@?hf?J@@5?f?7@@@Hg@@@@@@H?heJ@@@@@@? J@@@@@@@@@@? ?J@@@@@5 7@@@@? @@L? J@@@@@ @@@@@1 ?7@@@@ ?7@@@@ ?@@@@5h@@@@@@hf@@@@@He?W2@@@@@@@@@@@@@@@@@@@@@@@@@@@@@@@@@@@@@@@@@@@@@@@@@@@@@@@@@@@@@@@@@@@@@@)X? ?O&@@@@@@@@@(Y @@@@hf?V'@@@@)X? ?@@@@@@@5?h?7@@@@@@h?@@@H?e@@@@1? ?@@@@@@? ?@@@@@@@@@@@@@@@@@@@@@@@@@@@@@@@@@@@@@@@@@@@@@@@@@@@)?2@@@@@@@@@@@0Mhf@@@@L?h?@@@@@@? ?@@@@@@?hfJ@@@@@@?hf?J@@@@@5
V'@@@@@@@@@@@@@@@@@@@@@@@@@@@@@@(Y 7@@@@@@@5?hfW&@@H?fJ@@@5?h@@@5hf7@@@@@5? 7@@@@@@@@@@? W&@@@@@H @@@@@? @@1? 7@@@@@ 3@@@@@ ?@@@@@ ?@@@@@ ?@@@@Hh@@@@@@he?J@@@@@?eW&@@@@@@@@@@@@@@@@@@@@@@@@@@@@@@@@@@@@@@@@@@@@@@@@@@@@@@@@@@@@@@@@@@@@@@@@1? O@KO26KO26?2@@@@@@@@@@@@@@@@@@H? @@@@ V'@@@@)K ?@@@@@@@H?h?@@@@@@@h?@@@f3@@@@? @@@?g?3@@@@@? ?@@@@@@@@@@@@@@@@@@@@@@@@@@@@@@@@@@@@@@@@@@@@@@@@@@@@@@@@@@@@@@@0M @@@@1?h?@@@@@@? ?@@@@@@Lhf7@@@@@@?hf?7@@@@@H
?V'@@@@@@@@@@@@@@@@@@@@@@@@@@@@(Y? @@@@@@@@H?hf7@@5g7@@@H?g?J@@@Hhe?J@@@@@(Y? @@@@@@@@@@@? 7@@@@@5? @@@@5? @@@L @@@@@5 V'@@@@L? ?@@@@@ ?@@@@@ ?@@@@?h@@@@@5he?7@@@@@??O&@@@@@@@@@@@@@@@@@@@@@@@@@@@@@@@@@@@@@@@@@@@@@@@@@@@@@@@@@@@@@@@@@@@@@@@@@@? ?O26KO@Ke?O2@6Ke?O26K?f?O26?2@@@@@@@@@@@@@@@@@@@@@@@@@@@@@@@@@@@@@@@@@@@@@@@@@@@@@@@@@@@@@@@@@@@@@6K? ?O@K O@K?eO2@6K?f?O2@@@@6KO2@6KO2@@@6K?g?O@KeO@K?fO@K? O2@6K?fO26KhfO2@@@@6?2@@@@@@@@@@@@@@@@@@@@@@@@@@@@@@@@@@@@@@@@@@@@@@@@@ @@@@ ?V'@@@@@6K ?3@@@@@@he?@@@@@@@W26Kf?@@@fN@@@@? @@@?g?N@@@@@? ?@@@@@@@@@@@@@@@@@@@@@@@@@@@@@@@@@@@@@@@@@@@@@@@@@@@@@@@@@@@@0M? 3@@@@?h?@@@@@@? ?@@@@@@1hf3@@@@@@?hf?@@@@@@?
N@@@@@@@@@@@@@@@@@@@@@@@@@@@(Y ?J@@@@@@@5 @@@Hg@@@@h?7@@5?he?7@@@@@H @@@@@@@@@@5? @@@@@@H? ?J@@@@H? @@@1 @@@@@H ?V'@@@)K ?@@@@5 ?@@@@5 ?@@@@?h@@@@@Hhe?@@@@@@@@@@@@@@@@@@@@@@@@@@@@@@@@@@@@@@@@@@@@@@@@@@@@@@@@@@@@@@@@@@@@@@@@@@@@@@@@@@@@@6?2@@@@@@@@@@@@@@@@@@@@@@@@@@@@@@@@@@@@@@@@@@@@@@@@@@@@@@@@@@@@@@@@@@@@@@@@@@@@@@@@@6?2@@@@@@@6KO2@@@@@@@@@@6?2@@@@@@@@@@@@@@@@@6?2@@@@@@@@@@@@@@@@@@@@@@@@@@@@@@@@@@@@@@@@@@@@@@@@@@@@@@@@@@@@@@@@@@@@@@@@@@@@@@@@@@@@@@@@@@@@@@@@@@@@@@@@@@@@@@@@@@@@@@@@@@@@@@@@@@@@@@@@@@@@@@@@@@@@@@@@@@@@@@@@@@@@@@@@@@@@@@@@@@@@@@@@@@@@@@@@@@@@@@@@@@@@@@@@@@@@@@@@@@@@@@@@@@@@@@@@@@@@@@@@@@@@@@@@@@@@@@@@@@@@@@@@@@@@@@@@@@@@@@@@@@@@@@@@@@@@@@@@@@@@@@@@@@@@@@@@@@@@@@@@@@@@@@@ @@@@ V'@@@@@@6K ?N@@@@@5heJ@@@@@@@@@@@6Xe?@@@fJ@@@5? ?J@@@@@?g@@@@@? ?@@@@@@@@@@@@@@@@@@@@@@@@@@@@@@@@@@@@@@@@@@@@@@@@@@@@@@@@@@0M? N@@@@Lh?@@@@@@L ?@@@@@@@L?heN@@@@@@?hfJ@@@@@@?
?@@@@@@@@@@@@@@@@@@@@@@@@@@(Y? ?7@@@@@@@Hhf?J@@5?f?J@@@5hJ@@@H?heJ@@@@@5? @@@@@@@@@@H? ?J@@@@@5 ?7@@@5 @@@@ ?J@@@@@? N@@@@@6K J@@@@H ?@@@@H ?@@@@?h@@@@@?he?@@@@@@@@@@@@@@@@@@@@@@@@@@@@@@@@@@@@@@@@@@@@@@@@@@@@@@@@@@@@@@@@@@@@@@@@@@@@@@@@@@@@@@@@@@@@@@@@@@@@@@@@@@@@@@@@@@@@@@@@@@@@@@@@@@@@@@@@@@@@@@@@@@@@@@@@@@@@@@@@@@@@@@@@@@@@@@@@@@@@@@@@@@@@@@@@@@@@@@@@@@@@@@@@@@@@@@@@@@@@@@@@@@@@@@@@@@@@@@@@@@@@@@@@@@@@@@@@@@@@@@@@@@@@@@@@@@@@@@@@@@@@@@@@@@@@@@@@@@@@@@@@@@@@@@@@@@@@@@@@@@@@@@@@@@@@@@@@@@@@@@@@@@@@@@@@@@@@@@@@@@@@@@@@@@@@@@@@@@@@@@@@@@@@@@@@@@@@@@@@@@@@@@@@@@@@@@@@@@@@@@@@@@@@@@@@@@@@@@@@@@@@@@@@@@@@@@@@@@@@@@@@@@@@@@@@@@@@@@@@@@@@@@@@@@@@@@@@@@@@@@@@@@@@@@@@@@@@@@@@@@@@@@@@@@@@@@@@@@@@@@@L? @@@@ ?V4@@@@@@@6K @@@@@Hhe7@@@@@@@@@@@@1eJ@@5f7@@@H? W.M?he@@@@@L W2@?he?3@@@@@@@@@@@@@@@@@@@@@@@@@@@@@@@@@@@@@@@@@@@@@@@@@@@@@@@0M? ?@@@@1h?3@@@@@1 ?@@@@@@@)Xhe?@@@@@@?he?W&@@@@@@?
I'@@@@@@@@@@@@@@@@@@@@@@(Y J@@@@@@@5?hf?7@@H?f?7@@@Hh7@@5hf7@@@@@H? @@@@@@@@@@ ?7@@@@@H ?@@@@H 3@@@ ?7@@@@5? J@@@@@@@6K 7@@@@? J@@@@? ?@@@@?h@@@@@?he?@@@@@@@@@@@@@@@@@@@@@@@@@@@@@@@@@@@@@@@@@@@@@@@@@@@@@@@@@@@@@@@@@@@@@@@@@@@@@@@@@@@@@@@@@@@@@@@@@@@@@@@@@@@@@@@@@@@@@@@@@@@@@@@@@@@@@@@@@@@@@@@@@@@@@@@@@@@@@@@@@@@@@@@@@@@@@@@@@@@@@@@@@@@@@@@@@@@@@@@@@@@@@@@@@@@@@@@@@@@@@@@@@@@@@@@@@@@@@@@@@@@@@@@@@@@@@@@@@@@@@@@@@@@@@@@@@@@@@@@@@@@@@@@@@@@@@@@@@@@@@@@@@@@@@@@@@@@@@@@@@@@@@@@@@@@@@@@@@@@@@@@@@@@@@@@@@@@@@@@@@@@@@@@@@@@@@@@@@@@@@@@@@@@@@@@@@@@@@@@@@@@@@@@@@@@@@@@@@@@@@@@@@@@@@@@@@@@@@@@@@@@@@@@@@@@@@@@@@@@@@@@@@@@@@@@@@@@@@@@@@@@@@@@@@@@@@@@@@@@@@@@@@@@@@@@@@@@@@@@@@@@@@@@@@@@@@@@@@@@@@@@)X @@@@ ?I4@@@@@@@@@6K ?W2@@@@@@@@?he@@@@@@@@@@@@@@L?7@@Hf@@@5 .Yhf@@@@@1 7@@Lhe?N@@@@@@@@@@@@@@@@@@@@@@@@@@@@@@@@@@@@@@@@@@@@@@@@@@@@(M ?@@@@@h?N@@@@@@ ?3@@@@@@@)K? O&@@@@@@@?
?V'@@@@@@@@@@@@@@@@@@@@@H? ?W&@@@@@@(Y?hfJ@@5gJ@@@5?g?J@@@Hhe?J@@@@@5 @@@@@@@@@@ J@@@@@5? ?@@@@? N@@@ ?@@@@@H? 7@@@@@@@@@6X @@@@@? 7@@@@? ?@@@@?h@@@@@?he?@@@@@@@@@@@@@@@@@@@@@@@@@@@@@@@@@@@@@@@@@@@@@@@@@@@@@@@@@@@@@@@@@@@@@@@@@@@@@@@@@@@@@@@@@@@@@@@@@@@@@@@@@@@@@@@@@@@@@@@@@@@@@@@@@@@@@@@@@@@@@@@@@@@@@@@@@@@@@@@@@@@@@@@@@@@@@@@@@@@@@@@@@@@@@@@@@@@@@@@@@@@@@@@@@@@@@@@@@@@@@@@@@@@@@@@@@@@@@@@@@@@@@@@@@@@@@@@@@@@@@@@@@@@@@@@@@@@@@@@@@@@@@@@@@@@@@@@@@@@@@@@@@@@@@@@@@@@@@@@@@@@@@@@@@@@@@@@@@@@@@@@@@@@@@@@@@@@@@@@@@@@@@@@@@@@@@@@@@@@@@@@@@@@@@@@@@@@@@@@@@@@@@@@@@@@@@@@@@@@@@@@@@@@@@@@@@@@@@@@@@@@@@@@@@@@@@@@@@@@@@@@@@@@@@@@@@@@@@@@@@@@@@@@@@@@@@@@@@@@@@@@@@@@@@@@@@@@@@@@@@@@@@@@@@@@@@@@@@@@@@@@@1 @@@@ ?I'@@@@@@@@@@@6K O&@@@@@@@@@?h?J@@@@@@@@@@@@@@)X@@@?f@@@H @@@@@@hf?J@@@1hf@@@@@@@@@@@@@@@@@@@@@@@@@@@@@@@@@@@@@@@@@@@@@@@@@@@@H? ?3@@@@he@@@@@@ ?N@@@@@@@@@@6X ?O2@@@@@@@@@5?
N@@@@@@@@@@@@@@@@@@@@5 ?7@@@@@@@H 7@(Yg7@@(Y?g?7@@5?he?7@@@@@H ?J@@@@@@@@@@ ?W&@@@@@H? J@@@5? ?@@@ J@@@@@ ?J@@@@@@@@@@@)X? @@@@@? @@@@@? ?@@@@?h@@@@@?he?@@@@@@@@@@@@@@@@@@@@@@@@@@@@@@@@@@@@@@@@@@@@@@@@@@@@@@@@@@@@@@@@@@@@@@@@@@@@@@@@@@@@@@@@@@@@@@0M?g?I@M?I40MI4@@@@0MI4@@@@@0?@?4@@0M?eI4@@@@@@@@@@@@@@@@@@@@@0MI@MgI@M?hI@M?gI4@0M??I4@@0?4@@0MI4@@@@0MI4@@@@@@@@@@@0M?g?I@MfI4@@@@@@@@@@@@@@@@@@@0?4@@@@@@@@@@@@0?4@@@0M?I4@@@@@@@@@@@@@@@@@@@@@@@@@@@@@@@@@0MeI40?4@@@0?@MfI4@@0MI4@@@@@@@@@@@@@@@@@@@@@@@@@@@@@@@@@@@@@@@@@@@@@@@@@@@@@@@@@@@@@@@@@@@@@@@@@@@@@@@@@@@@@@@@@@@@@@@@@@@@@@@@@@@@@@@@@@@@@@@@@@@@@@@@@@@@@@@@@@@@@@@@@@@@@@@@@@@@@@@@@@@@@@@@@@@@@@@@@@@@@@@@@@ @@@@ V4@@@@@@@@@@@@@6K? ?O2@@@@@@@@@@@@Lh?7@@@@@@@@@@@@@@@@@@@?f@@@? @@@@@@hf?@@@@@hf@@@@@@@@@@@@@@@@@@@@@@@@@@@@@@@@@@@@@@@@@@@@@@@@@@@@ ?N@@@@L?h3@@@@@ @@@@@@@@@@@1 @@@@@@@@@@@0Y?
?@@@@@@@@@@@@@@@@@@@(Y J@@@@@@@5?hf?J@@H?f?J@@@HhJ@@@H?heJ@@@@@5? ?7@@@@@@@@@@ ?7@@@@@5 7@@@H? ?@@@ 7@@@@5 W&@@@@@@@@@@@@)X @@@@@? @@@@5? ?@@@@?g?J@@@@@?heJ@@@@@@@@@@@@@@@@@@@@@@@@@@@@@@@@@@@@@@@@@@@@@@@@@@@@@@@@@@@@@@@@@@@@@@@@@@@@@@@@@@@ I@M? ?I@M?I40M?I4@@@0?4@@@@@@@@@@@@@@@@@@@@@@@@ @@@@ I4@@@@@@@@@@@@@@@6K? O2@@@@@@@@0M?@@@@1h?@@@@@@@@@@@@@@@@@@@@?e?J@@@? 3@@@@@hf?N@@@@hf3@@@@@?I'@@@@@@@@@@@@@@@@@@@@@@@@@@@@@@@@@@@@@@@@@@@ @@@@1?hN@@@@@L? 3@@@@@@@@@@@ @@@@@@@@@(M?
I4@@@@@@@@@@@@@@@@H? 7@@@@@@@H?hf?7@@g?7@@5?h7@@5he?W&@@@@@H? ?@@@@@@@@@@5 J@@@@@@H ?J@@@@ ?@@@ @@@@@H 7@@@@@@@@@@@@@@1 @@@@5? @@@@H? ?@@@@?g?7@@@@@?he7@@@@@@@@@@@@@@@@@@@@@@@@@@@@@@@@@@@@@@@@@@@@@@@@@@@@@@@@@@@@@@@@@@@@@@@@@@@@@@@@@@@ I4@@@@@@ @@@@ I4@@@@@@@@@@@@@@6K ?O2@@@@@@@@@0Me?3@@@@h?3@@@@@@@@@@@@@@@@@@@?e?7@@5? N@@@@@ @@@@hfN@@@@@eV'@@@@@@@@@@@@@@@@@@@@@@@@@@@@@@@@@@@@@@@@@@ @@@@@?h?@@@@@1? V'@@@@@@@@@@ @@@@@@@@@H
I4@0M?e@@@@ ?J@@@@@@@@ J@@5gJ@@@H?g?J@@@Hhe?7@@@@@5 ?@@@@@@@@@@H 7@@@@@@? ?7@@@@ ?@@@ @@@@@? @@@@@@@@@@@@@@@@L? ?J@@@@H? @@@@ J@@@@?g?@@@@@@?he@@@@@@@@@@@@@@@@@@@@@@@@@@@@@@@@@@@@@@@@@@@@@@@@@@@@@@@@@@@@@@@@@@@@@@@@@@@@@@@@@@@@ I'@@@@ 3@@@ ?I4@@@@@@@@@@@@@@@@@@6K? ?O2@@@@@@@@@@@0Mf?N@@@@h?V'@@@@@@@@@@@@@@@@@5?eJ@@(Y? ?@@@@@L?hf@@@@hf?@@@@@L??V'@@@@@@@@@@@@@@@@@@@@@@@@@@@@@@@@@@@@@@@@@ @@@@@?h?@@@@@@? ?V'@@@@@@@@@ @@@@@@@@@?
?W2@@@@@@@@@6K ?W2@@@@@ 3@@@ ?7@@@@@@@5 7@(Yg7@@5h?7@@5?he?@@@@@@H ?@@@@@@@@@@? @@@@@@5? ?@@@@5 ?3@@L? ?J@@@@@? @@@@@@@@@@@@@@@@1? ?7@@@@ ?J@@@@ 7@@@5?g?@@@@@@?he@@@@@@@@@@@@@@@@@@@@@@@@@@@@@@@@@@@@@@@@@@@@@@@@@@@@@@@@@@@@@@@@@@@@@@@@@@@@@@@@@@@@ ?N@@@@ N@@@ I4@@@@@@@@@@@@@@@@@@@@@@@@@@@@@@@@@@@@@@@@@@@@0Mh@@@@L?hN@@@@@@@@@@@@@@@@@H??W&@@H ?@@@@@1? @@hf?@@@@@1?eN@@@@@@@@@@@@@@@@@@@@@@@@@@@@@@@@@@@@@@@@@L? 3@@@@?h?@@@@@@? V'@@@@@@@@ @@@@@@@@5?
O&@@@@@@@@@@@@@6X? ?7@@@@@@ N@@@L? ?@@@@@@@@Hhf?J@@H?f?J@@@HhJ@@@H?heJ@@@@@5? J@@@@@@@@@@? ?J@@@@@@H? J@@@@H ?N@@1? ?7@@@@5? @@@@@@@@@@@@@@@@5? ?@@@@@ ?7@@@5 @@@@H?g?@@@@@5?he@@@@@@@@@@@@@@@@@@@@@@@@@@@@@@@@@@@@@@@@@@@@@@@@@@@@@@@@@@@@@@@@@@@@@@@@@@@@@@@@@@@5 @@@@ ?@@@L? I4@@@@@@@@@@@@@@@@@@@@@@@@@@@@@@@@@@@@@@@@0Mhe3@@@1?h?3@@@@@@@@@@@@@@@5eW&@@5? O2@6K?e?@@@@@@? @@hf?@@@@@@?e?3@@@@@@@@@@@@@@@@@@@@@@@@@@@@@@@@@@@@@@@@1? N@@@@Lh?3@@@@@L ?V4@@@@@@@ @@@@@@@(Y?
W2@@@@@@@@@@@@@@@@)X ?@@@@@@@ ?3@@1? J@@@@@@@5?hf?7@@g?7@@5?h7@@5hf7@@@@@H? 7@@@@@@@@@@? ?7@@@@@5 7@@@5? @@@? ?@@@@@H? @@@@@@@@@@@@@@@@H? ?@@@@@ ?@@@@H @@@@h?@@@@@H?he@@@@@@@@@@@@@@@@@@@@@@@@@@@@@@@@@@@@@@@@@@@@@@@@@@@@@@@@@@@@@@@@@@@@@@@@@@@@@@@@@@@H @@@@ ?@@@1? I4@@@@@@@@@@@@@@@@@@@@@@@@@@@@@@@@@0M?hfN@@@@?h?N@@@@@@@@@@@@@@@H?W&@@(Y? O2@@@@@6X??3@@@@@? @@hf?@@@@@@?f@@@@@@@@@@@@@@@@@@@@@@@@@@e@@@@@@@@@@@@@? ?@@@@1h?N@@@@@1 ?I4@@@@5 @@@@@@(Y
7@@@@@@@@@@@@@@@@@@)X?hf?3@@@@@@ ?N@@@L 7@@@@@@@H?hfJ@@5gJ@@@H?g?J@@(Yhe?J@@@@@5 @@@@@@@@@@@? J@@@@@(Y @@@@H? @@@? J@@@@@ @@@@@@@@@@@@@@@5 ?@@@@5 ?@@@@? @@@@h?@@@@@hf@@@@@@@@@@@@@@@@@@@@@@@@@@@@@@@@@@@@@@@@@@@@@@@@@@@@@@@@@@@@@@@@@@@@@@@@@@@0M??I4@@? @@@@ ?@@@@? ?I4@@@@@@@@@@@@@@@@@@@@@@@@@@@@0M? ?3@@@@6Xh@@@@@@@@@@@@@@@?W&@@(Y W2@@@@@@@@1??N@@@@@? @@hf?3@@@@@?eW&@@@@@@@@@@@@@@@@@@@@@@@@@5e@@@@@@@@@@@@@L ?@@@@@he@@@@@@ ?I4@0Y 3@@@@0Y?
?J@@@@@@@@@@@@@@@@@@@@)Xhf?N@@@@@@ @@@1 ?J@@@@@@@5 7@(Yg7@@@h?7@@H?heW&@@@@@H @@@@@@@@@@5? 7@@@@@H? ?J@@@@ @@@? 7@@@@@ 3@@@@@@@@@@@@@@H J@@@@H ?@@@@? @@@@h?@@@@@he?J@@@@@@@@@@@@@@@@@@@@@@@@@@@@@@@@@0M?eI@M?hf?I@M @@@@ ?@@@@? ?I@?4@@@@@@@@@@@0M ?V'@@@@)X?hI'@@@@@@@@@@@W&@@@H? ?W&@@@@@@@@@@?e@@@@@L 3@L?he?N@@@@@L?W&@@@@@@@@@@@@@@@@@@@(Me@@@He@@@@@@@@@@@@@1 ?3@@@@he@@@@@@ V+M?
?7@@@@@@@@@@@@@@@@@@@@@1 @@@@@@ @@@@ ?7@@@@@@(Yhf?J@@H?f?J@@@5hJ@@5hf7@@@@@5? @@@@@@@@@@H? ?J@@@@@@ ?7@@@5 @@@L @@@@@5 N@@@@@@@@@@@@@5? 7@@@@? ?@@@@? @@@@hJ@@@@@he?7@@@@@@@@@@@@@@@@@@@@@@@@@0M? 3@@@ ?@@@@? ?I4@@@@0M? V'@@@@)Kh?V4@@@@@@@@@@@@@@5 ?7@@@@@@@@@@5?e@@@@@1 N@1?hf@@@@@)?&@@@@@@@@@@@@@@@@@@@(Y?e@@@?e@@@@@@@@@@@@@@ ?N@@@@L?h3@@@@@L?
J@@@@@@@@@@@@@@@@@@@@@@@L?hf@@@@@@ 3@@@L? J@@@@@@@H?hfW&@5g?7@@(Yh7@(Yhe?J@@@@@(Y? ?J@@@@@@@@@@ ?7@@@@@5 ?@@@@H @@@1 @@@@@H ?@@@@@@@@@@@@0Y? @@@@@? J@@@@? ?J@@@5h7@@@@5he?@@@@@@@@@@@@@@@@@@@@@0M N@@5 ?3@@@? ?V4@@@@@6KhfW@@@@@@@@@(Y J@@@@@@@@@@0Y?e@@@@@@ ?@@?hf3@@@@@@@@@@@@@@@@@@@@@@@@@(Yf@@@?e@@@@@@@@@@@@@@L? @@@@1?hN@@@@@1?
7@@@@@@@@@@@@@@@@@@@@@@@)Xhf@@@@@@ N@@@1? ?W&@@@@@@5 7@@Hg?@@@H?g?J@@H?he?7@@@@@H ?7@@@@@@@@@@ J@@@@@@H J@@@@? 3@@@ ?J@@@@@? I4@@@@@@@0M? @@@@@? 7@@@5? ?7@@@Hh@@@@@Hhe?@@@@@@@@@@@@@@@@@(M ?@@H ?N@@@L ?I'@@@@@6Kh?O&@@@@@@@@0Y? ?W&@@@@@(Mh@@@@@@ ?@@?hfN@@@@@@@@@@@@@@@e?@@@@@@@H?f@@@?e@@@@@@@@@@@@@@)X @@@@@?h?@@@@@@? W2@@
?J@@@@@@@@@@0?4@@@@@@@@@@@@1he?J@@@(M? ?@@@@? ?7@@@@@@@Hhf?J@@5?gJ@@5h?7@5hfJ@@@@@5? ?@@@@@@@@@@@ 7@@@@@5? 7@@@@? N@@@ ?7@@@@5? ?I4@0M @@@@5? @@@@H? ?@@@@?h@@@@@?he?@@@@@@@@@@@@@@@@0Y? ?@@L @@@1 V'@@@@@@6Kf?O2@@@@@@@@0M? W&@@@@@(Y?h@@@@@@ ?3@?hf?@@@@@@@@@@@@@@@L?J@@@@@@@g@@@?e@@@@@@@@@@@@@@@1 @@@@@?h?@@@@@@L ?O&@@@
?7@@@@@@@(M?f?I'@@@@@@@@@L?h?7@@@Y ?3@@@? J@@@@@@@5?hf?7@@H?f?W&@@HhJ@@Hhf7@@@@@H? ?@@@@@@@@@@@ ?J@@@@@@H? @@@@@? ?@@@ ?@@@@@H? ?J@@@@H? @@@@ ?@@@@?h@@@@@?he?@@@@@@@@@@@@@@0M? ?@@1 3@@@ ?V4@@@@@@@@@@@@@@@@@@@@0M? 7@@@@@(Yhe3@@@@@hf@??N@Lhf?@@@@@@@@@@@@@@@)?&@@@@@@5g@@@?e@@@@@@@@@@@@@@@@L? 3@@@@Lh?@@@@@@1 ?O2@@@@5
?@@@@@@@(YhV'@@@@@@@@1?h?@@@@@6X ?N@@@L 7@@@@@@@H?hfJ@@5g?7@@5?h7@5?he?J@@@@@5 ?@@@@@@@@@@@ ?7@@@@@5 @@@@5? ?@@@L? J@@@@5 ?7@@@@ ?J@@@@ ?@@@@?h@@@@@?he?@@@@@@@@@@@@(M? ?@@@ N@@@ ?I'@@@@@@@@@@@@@@@@0M? ?J@@@@@(Y?heN@@@@@L? @1hf?@@@@@@@@@@@@@@@@@@@@@@@@Hg@@@Le@@@@@@@@@@@@@@@@)X N@@@@1h?3@@@@@@ ?O2@@@@@0Yhe?O2@@@@6K? ?@@@@@@?
?@@@@@@@H?h?V'@@@@@@@@Lh?@@@@@@1 @@@1 @@@@@@@@ 7@@HgJ@@@H?g?J@@H?he?7@@@@@H ?@@@@@@@@@@5 J@@@@@@H ?J@@@@H? ?3@@1? 7@@@@H ?@@@@@ ?7@@@@ ?@@@@?h@@@@@?he?@@@@@@@@@@@(Y ?@@@@6X?hf?@@@L? V4@@@@@@@@@@@@0M ?7@@@@(Yhf?@@@@@1? @@hf?@@@@@@@@@@@@@@@@@@@@@@@5?g@@@1e@@@@@@@@@@@@@@@@@1 ?@@@@@L?g?N@@@@@@ ?W2@@@@(M?heO2@@@@@@@@@@@6X? ?@@@@@@L
?@@@@@@5hfN@@@@@@@@)X?g?@@@@@@@ 3@@@ ?J@@@@@@@5hf?J@@5?g7@@5h?7@5hfJ@@@@@5? ?@@@@@@@@@@H 7@@@@@5? ?7@@@5 ?N@@@? @@@@@? ?@@@@@ ?@@@@@ ?@@@@?g?J@@@@@?he?@@@@@@@@@@(Y? ?@@@@@)Khf?3@@1? I4@@@0MI40M? J@@@@@H?hf?@@@@@@?heW.e@@hf?@@@@@@@@@@@@@@@@@@@@@@(Y?g@@@@e@@@@@@@@@@@@@@@@@@ ?@@@@@1?h@@@@@@L? O&@@@@@HheW2@@@@@@@@@@@@@@)K ?@@@@@@1
?@@@@@@Hhf?3@@@@@@@@1?g?@@@@@@@ N@@@L? W&@@@@@@(Yhf?7@@H?f?J@@(YhJ@@Hhf7@@@@@H? ?@@@@@@@@@@? ?J@@@@@(Y? ?@@@@H @@@? @@@@@? ?@@@@@ ?@@@@5 J@@@@?g?7@@@@@?he?@@@@@@@@@0Y J@@@@@@@6Khe?N@@@L 7@@@@5 ?3@@@@@?he.Ye@@hf?3@@@@@@@@@@@@@@@@@@@@(Yh@@@@L?@@@@@@@@@@@@@@@@@@ ?3@@@@@?h@@@@@@1? O2@@@@@@@?h?W&@@@@@@@@@@@@@@@@@6X ?@@@@@@@
?@@@@@@?hf?N@@@@@@@@@?g?@@@@@@@ ?3@@1? 7@@@@@@@H?hfJ@@5g?7@@H?g?W&@5?he?J@@@@@5 ?@@@@@@@@@@? ?7@@@@@H J@@@@? @@@?g?@6X ?J@@@@@? J@@@@5 ?@@@@H 7@@@@?g?@@@@@@?heJ@@@@@@@@? 7@@@@@@@@@6?@Kh@@@1 @@@@@H ?N@@@@@L @@L?he?N@@@@@@?@@@@@@@@@@@@(Y?h@@@@)X@@@@@@@@@@@@@@@@@@ ?N@@@@@?h3@@@@@@? O2@@@@@@@@5?hW&@@@@@@@@@@@@@@@@@@@1 ?@@@@@@@
?@@@@@@? 3@@@@@@@@Lg?@@@@@@5 ?N@@@? @@@@@@@5 7@@HgJ@@@h?7@@H?he?7@@@@@H J@@@@@@@@@@? J@@@@@@? 7@@@5? @@@?g?@@) ?7@@@@5? 7@@@@H J@@@@? @@@@5?g?@@@@@@?he7@@@@@@@5? @@@@@@@@@@@@@@6Kg3@@@ ?J@@@@@? @@@@@1 3@1?hf@@@@@@?@@@@@@@@@@@0Yhe3@@@@@@@@@@@@@@@@@@@@@@@L? @@@@@?hN@@@@@@? W2@@@@@@@@@0Y?h7@@@@@@@@@@@@@@@@@@@@@ ?@@@@@@5
?@@@@@@? N@@@@@@@@)X?f?@@@@@@? @@@L ?J@@@@@@@Hhf?J@@5?g7@@5hJ@@5hfJ@@@@@5? 7@@@@@@@@@@? 7@@@@@5? @@@@H? @@@Lg?@@H ?@@@@@H? @@@@@? 7@@@@? @@@@H?g?@@@@@@?he@@@@@@@(Y? @@@@@@@@@@@@@@@@@@6KeN@@5 ?7@@@@5? @@@@@@ N@@?hf@@@@@@eI@M?I40M N@@@@@@@@@@@@@@@@@@@@@@@1? @@@@@?h?@@@@@@L ?O&@@@@@@@@0M?h?J@@@@@@@@@@@@@@@@@@@@@@@@hf?@@@@@@?
?@@@@@@L ?3@@@@@@@@1?f?@@@@@@1 3@@1 W&@@@@@@5?hfW&@@H?f?J@@@Hh7@@Hhf7@@@@@H? @@@@@@@@@@@? @@@@@@H? ?J@@@@ @@@1gJ@@? J@@@@@ @@@@@? @@@@@? @@@@h?@@@@@5?he@@@@@@@H @@@@@@@@@@@@@@@@@@@@6K?@@H ?@@@@@H? @@@@@@ ?@@?hf@@@@@@ ?@@@@@@@@@@@@@@@@@@@@@@@@? 3@@@@?h?@@@@@@1 ?O2@@@@@@@@(M?he?7@@@@@@@@@@@@@@@@@@@@@@@@L?he?@@@@@@1
?@@@@@@)X?hf?N@@@@@@@@@Lf?@@@@@@@ N@@@ 7@@@@@@@H?hf7@@5g?7@@5?g?J@@5?he?J@@@@@5 @@@@@@@@@@@? ?J@@@@@5 ?7@@@5 3@@@g7@5? 7@@@@5 @@@@@? @@@@5? @@@@h?@@@@@H?he@@@@@@5? @@@@@@@@@@@@@@@@@@@@@@@@@? ?@@@@@ @@@@@@ ?3@?hf3@@@@@ ?@@@@@@@@@@@@@@@@@@@@@@@@? N@@@@?h?@@@@@@@ O2@@@@@@@@@@0Yhf?@@@@@@@@@@@@@@@@@@@@@@@@@1?heJ@@@@@@@
?@@@@@@@)K 3@@@@@@@@)X?e?@@@@@@@ ?@@@L? @@@@@@@5 @@@HgJ@@(Y?g?7@@H?he?7@@@@@H @@@@@@@@@@@? W&@@@@@H ?@@@@H ?@@@L?e?J@@H? @@@@@H @@@@5? @@@@H? @@@@h?@@@@@he?J@@@@@@H? @@@@@@@@@@@@@@@@@@@@@@@@@@@@6K J@@@@5 3@@@@@L?hf?N@LhfN@@@@@ ?@@@@@@@@@@@@@@@@@@@@@@@@@6X ?@@@@?h?3@@@@@@ W2@@@@@@@@@@@0M? J@@@@@@@@@@@@@@@@@@@@@@@@@@Lhe7@@@@@@@
?3@@@@@@@@6KhfN@@@@@@@@@)KeJ@@@@@@@ ?3@@1? ?J@@@@@@@Hhf?J@@5?g7@@HhJ@@5hfJ@@@@@5? @@@@@@@@@@5? 7@@@@@5? J@@@@? 7@@@)KeO&@@ ?J@@@@@? ?J@@@@H?hf?J@@@@ @@@@hJ@@@@@he?7@@@@@@ @@@@@@@@@@@@@@@@@@@@@@@@@@@@@@6K 7@@@@H N@@@@@1? @1hf?@@@@@ ?@@??@@@@@@@@@@@@@@@@@@@@@@1 ?@@@@Lh?N@@@@@@ ?O&@@@@@@@@@@0M? 7@@@@@@@(Mf?I4@@@@@@@@@@)X?h@@@@@@@@
?N@@@@@@@@@@@@6Xh?3@@@@@@@@@@6?&@@@@@@@ ?N@@@L W&@@@@@@5?hf?7@(Y?f?J@@@?h7@@Hhf7@@@@@H? @@@@@@@@@@H? @@@@@@H? 7@@@5? @@@@@@@@@@@@ ?7@@@@@? ?7@@@@ ?7@@@@ @@@@h7@@@@@he?@@@@@@@ @@@@@@@@@@@@@@@@@@@@@@@@@@@@@@@@6X @@@@@? ?@@@@@@? @@hf?@@@@@L? ?@@L?3@@@@@@@@@@@@@@@@@@@@@@ ?3@@@1he@@@@@@L? ?O2@@@@@@@@@@0M? @@@@@@@(Y?g?I'@@@@@@@@@1?h3@@@@@@@
@@@@@@@@@@@@@1h?V'@@@@@@@@@@@@@@@@@@@ @@@1 7@@@@@@@H?hfJ@@Hg?7@@5?g?J@@5?he?J@@@@@5 ?J@@@@@@@@@@ ?J@@@@@5 @@@@H? ?W2@@@@@@@@@@@@@ ?@@@@@5? ?@@@@5 ?@@@@@ @@@@h@@@@@@he?@@@@@@@ @@@@@@@@@@@@@@@@@@@@@@@@@@@@@@@@@)K? @@@@@? ?@@@@@@? @5hf?@@@@@1? ?@@@?N@@@@@@@@@@@@@@@@@@@@@@ ?N@@@@he@@@@@@1? ?O2@@@@@@@@@@0M? @@@@@@@HheV'@@@@@@@@@Lh?@@@@@@5
3@@@@@@@@@@@@@L?hV'@@@@@@@@@@@@@@@@@@ 3@@@ @@@@@@@5 7@5?gJ@@(Y?g?7@@H?he?7@@@@@H ?7@@@@@@@@@@ ?7@@@@@H @@@@ ?7@@@@@@@@@@@@@@ ?@@@@@H? ?@@@@? ?@@@@@ @@@@h@@@@@@he?@@@@@@@ @@@@@@@@@@@@@@@@@@@@@@@@@@@@@@@@@@@@@6X? @@@@@? ?@@@@@@? (Yhf?3@@@@@? ?@@He@@@@@@@@@@@@@@@@@@@@@@ @@@@he3@@@@@@? @@@@@@@@@@@(M? @@@@@@@?he?N@@@@@@@@@1h@@@@@@@H
V'@@@@@@@@@@@@1?h?V'@@@@@@@@@@@@@@@@@ N@@@L? ?J@@@@@@@Hhf?J@@H?f?W&@@HhJ@@5hfJ@@@@@5? ?@@@@@@@@@@@ J@@@@@5? ?J@@@5 ?@@@@@@@@@@@@@@@ ?@@@@@ ?@@@@@ ?@@@@5 ?J@@@5h@@@@@@he?@@@@@@5 @@@@@@@@@@@@@@@@@@@@@@@@@@@@@@@@@@@@@@)K @@@@@? ?3@@@@@? ?N@@@@@? J@@?e@@@@@@@@@@@@@@@@@@@@@@ @@@@L?hN@@@@@@? @@@@@@@@@@0Y @@@@@@@?hf3@@@@@@@@@L?g?@@@@@@L
?V'@@@@@@@@@@@@?heV'@@@@@@@@@@@@@@@@ ?@@@1? W&@@@@@@5?hfW&@5g?7@@5?h7@@Hhf7@@@@@H? ?@@@@@@@@@@@ ?W&@@@@@H? ?7@@@H ?@@@@@@@@@@@@@@@@@ J@@@@5 J@@@@H ?@@@@H ?7@@@Hh@@@@@@he?@@@@@@H @@@@@@@@@@@@@@@@@@@@@@@@@@@@@@@@@@@@@@@@6K?O)X ?J@@@@@? ?N@@@@@? @@@@@? 7@@?e@@@@@@@@@@@@@@@@@@@@@@L? @@@@1?h?@@@@@@? O2@@@@@@@@@0M? @@@@@@@?hfV'@@@@@@@@1?g@@@@@@@1
V'@@@@@@@@@@@?he?V'@@@@@@@@@@@@@@@ ?3@@@L 7@@@@@@@H?hf7@@Hg?@@@H?g?J@@5?he?J@@@@@5 ?@@@@@@@@@@@ ?7@@@@@5 J@@@@? ?3@@@@@@@@@@@@@@@@ 7@@@@H 7@@@@? J@@@@? ?@@@@?h@@@@@5he?@@@@@@? @@@@V'@@@@@@@@@@@@@@@@@@@@@@@@@@@@@@@@@@@@@@@)X? W&@@@@@? @@@@@L @@@@@L @@5??J@@@@@@@@@@@@@@@@@@@@@@1? 3@@@@?h?3@@@@@L O2@@@@@@@@@0M? @@@@@@@?hf?N@@@@@@@@@Lg?@@@@@@5
?V4@@@@@@@@@5?hfV'@@@@@@@@@@@@@@ ?N@@@1hf?J@@@@@@@5hf?J@@5?gJ@@5hW&@(Y?he?7@@@@@H ?@@@@@@@@@@@ J@@@@@@H 7@@@5? ?N@@@@@@@@@@@@@@@@ @@@@@? @@@@@? 7@@@@? ?@@@@?h@@@@@Hhe?@@@@@@? 3@@@?V4@@@@@@@@@@@@@@@@@@@@@@@@@@@@@@@@@@@@@@@1? 7@@@@@@? @@@@@1 @@@@@1 @0Y??7@@@@@@@@@@@@@@@@@@@@@@@L N@@@@Lh?N@@@@@1 ?O2@@@@@@@@@@0M? @@@@@@@? 3@@@@@@@@)X?f7@@@@@@?
?I4@@@@@@@H?hf?V4@@@@@@@@@@@@@ @@@@hf?7@@@@@@(Yhf?7@@H?g7@@Hh7@@HhfJ@@@@@5? ?@@@@@@@@@@@ 7@@@@@5? @@@@H? @@@@@@@@@@@@@@@@L? @@@@@? @@@@@? @@@@@? ?@@@@?h@@@@@?he?@@@@@@? N@@@gI4@@@@@@@@@@@@@@@@@@@@@@@@@@@@@@@@@@@? @@@@@@@? @@@@@@ @@@@@@ ?@@@@@@@@@@@@@@@@@@@@@@@@1 ?@@@@1he@@@@@@ ?W2@@@@@@@@@@0M? @@@@@@@? N@@@@@@@@@1?f@@@@@@@1
I4@@@@ ?I4@@@@@@@@@@5 3@@@hfJ@@@@@@@H?hf?@@5g?J@@5?h@@5?hf7@@@@@H? J@@@@@@@@@@@ ?J@@@@@@H? @@@@ @@@@@@@@@@@@@@@@1? ?J@@@@5? @@@@5? @@@@5? ?@@@@?h@@@@@?he?@@@@@@? ?@@@heI4@@@@@@@@@@@@@@@@@@@@@@@@@@@@@@@L ?W2@@@@@@@@? 3@@@@@ 3@@@@@L? W2@@@@@@@@@@@@@@@@@@@@@@@@@@L? ?@@@@@he@@@@@@L? O&@@@@@@@@@0M? @@@@@@@L ?3@@@@@@@@@Lf@@@@@@@@
?I4@@@@@0Y N@@@L?he7@@@@@@@ J@@Hg?7@@H?g?J@@H?he?J@@@@@5 7@@@@@@@@@@@ ?7@@@@@@ ?J@@@@ @@@@@@@@@@@@@@@@@? ?7@@@@H? @@@@H? @@@@H? ?@@@@?g?J@@@@@?he?@@@@@@? ?@@@L?he?I4@@@@@@@@@@@@@@@@@@@@@@@@@@@@)X? W&@@@@@@@@@? N@@@@@ N@@@@@1? ?W&@@@@@@@@@@@@@@@@@@@@@@@@@@@1? ?3@@@@he@@@@@@1? ?W2@@@@@@@@@@0M? @@@@@@@)X?hf?N@@@@@@@@@)X?e@@@@@@@@
?@@@1?h?J@@@@@@@5 7@5?gJ@@5h?7@@hf?7@@@@@H @@@@@@@@@@@5 J@@@@@@5 ?7@@@5 3@@@@@@@@@@@@@@@@? J@@@@@ @@@@ @@@@ J@@@@?g?7@@@@@?he?@@@@@@? ?@@@1? I'@@@@@@@@@@@@@@@@@@@@@@@@@@)X ?W&@@@@@@@@@@? ?@@@@@ ?@@@@@@? W&@@@@@@@@@@@@@@@@@@@@@@@@@@@@@L ?N@@@@he3@@@@@@? O&@@@@@@@@@0M? 3@@@@@@@)K 3@@@@@@@@@)Ke@@@@@@@5
?3@@@Lh?7@@@@@@(Yhf?J@@H?g7@@HhJ@@5hfJ@@@@@5? @@@@@@@@@@@H 7@@@@@@H J@@@@H N@@?f@@@@@@@@@? 7@@@@@ ?J@@@@ ?J@@@@ 7@@@@?g?@@@@@@?he?@@@@@@? ?@@@@? ?N@@@@@@@@@@@@@@@@@@@@@@@@@@@)X? W&@@@@@@@@@@@? ?@@@@@L? ?@@@@@@? ?W&@@@@@@@@@@@@@@@@@@@@@@@@@@@@@@)X? @@@@L?hN@@@@@@? O2@@@@@@@@@0M? N@@@@@@@@@@6K?heV'@@@@@@@@@@@@@@@@@@@H
?N@@@1hJ@@@@@@@H?hfW&@5g?J@@5?g?W&@@Hhf7@@@@@H? @@@@@@@@@@@? @@@@@@5? 7@@@5? ?@@Lf@@@@@@@@@? @@@@@5 ?7@@@@ ?7@@@5 @@@@5?g?@@@@@@?heJ@@@@@@? ?@@@@?eW26Xh?J@@@@@@@@@@@@@@@@@@@@@@@@@@@@)X ?W&@@@@@@(M?@@@L ?@@@@@1? ?@@@@@@? W&@@@@@@@@@@@@@@@@@@@@@@@@@@@@@@@@1? @@@@1?h?@@@@@@? O2@@@@@@@@@(M? ?3@@@@@@@@@@@@@@h?N@@@@@@@@@@@@@@@@@@@?
@@@@h7@@@@@@5 7@@Hg?7@@H?g?7@@5?he?J@@@@@5 @@@@@@@@@@@? ?J@@@@@@H? @@@@H? ?@@1e?J@@@@@@@@@? @@@@@H ?@@@@@ ?@@@@H @@@@H?g?@@@@@@?he7@@@@@5? ?@@@@?e7@@)KO2@@?e?7@@@@@@@@@@@@@@@@@@@@@@@@@@@@@)X? W&@@@@@@(Y?J@@@1 ?@@@@@@? ?3@@@@@? ?O&@@@@@@@@@@@@@@@@@@@@@@@@@@@@@@@@@@? 3@@@@?h?@@@@@@L ?O2@@@@@@@@@@@0Y ?N@@@@@@@@@@@@@@he3@@@@@@@@@@@@@@@@@@?
3@@@g?J@@@@@@@Hhf?J@@5?gJ@@5h?@@(Y?he?7@@@@@H @@@@@@@@@@@? ?7@@@@@5 ?J@@@@ ?@@@e?7@@@@@@@@@L ?J@@@@@? ?@@@@5 ?@@@@? @@@@h?@@@@@5?he@@@@@@H? ?3@@@?e@@@@@@@@@?e?3@@@(MI4@@@@@@@@@@@@@@@@@@@@@@@)X ?W&@@@@@@(Y??7@@@@ ?@@@@@@? ?N@@@@@? ?W2@@@@@@@@@@@@@@@@@@@@@@@@@@@@@@@@@@@@L N@@@@?h?@@@@@@1 ?O2@@@@@@@@@@@0M 3@@@@@@@@@@@@@heV'@@@@@@@@@@@@@@@@@?
N@@@L?f?7@@@@@@@?hf?7@@H?g7@@HhJ@@HhfJ@@@@@5? @@@@@@@@@@@? J@@@@@@H ?7@@@5 ?@@@e?@@@@@@@@@@1 ?7@@@@5? ?@@@@H ?@@@@? @@@@h?@@@@@H?he@@@@@@ ?N@@@?e@@@@@@@@@?e?N@@@He?I'@@@@@@@@@@@@@@@@@@@@@@1 W&@@@@@@(Ye?@@@@@ ?@@@@@@? @@@@@L W&@@@@@@@@@@@@@@@@@@@@@@@@@@@@@@@@@@@@@1 ?@@@@?h?3@@@@@@ ?W2@@@@@@@@@@@0M V'@@@@@@@@@@@@he?N@@@@@@@@@@@@@@@@@?
?W2@@6K? ?@@@1?fJ@@@@@@@5?hfJ@@5g?J@@5?g?W&@@?hf7@@@@@H? @@@@@@@@@@@? 7@@@@@5? ?@@@@H ?3@@e?@@??@@@@@@@ ?@@@@@H? ?@@@@? ?@@@@? @@@@h?@@@@@hf@@@@@@ @@@?e@@@@@@@@@?f@@@LfV4@@@@@@@@@@@@@@@@@@@@@@ ?W&@@@@@@(Y?eJ@@@@@ ?3@@@@@L @@@@@1 7@@@@@@@@@@@@@@@@@@@@@@@@@@@@@@@@@@@@@@@ ?@@@@Lh?N@@@@@@ O&@@@@@@@@@@0M ?V'@@@@@@@@@@@hf3@@@@@@@@@@@@@@@@L
?7@@@@@@ ?3@@@?f7@@@@@@(Y?hf7@@Hg?7@@H?g?7@@5?he?J@@@@@5 @@@@@@@@@@5? @@@@@@H? J@@@@? ?N@@L?J@@??@@@@@@@ ?@@@@@ J@@@@? J@@@@? @@@@h?@@@@@hf@@@@@@ @@@Le3@@@@@@@@?f3@@1g?@@@@@@@@@@@@@@@@@@@@@ W&@@@@@@(Yf7@@@@@ ?N@@@@@1 @@@@@@ @@@@@@@@@@@@@@@@@@@@@@@@@@@@@@@@@@@@@@@@ ?@@@@1he@@@@@@L? O2@@@@@@@@@@0M V'@@@@@@@@@@hfV4@@@@@@@@@@@@@@@@
?@@@@@@@ ?N@@@Le?J@@@@@@@Hhf?J@@5?gJ@@5h?@@(Y?heW&@@@@@H @@@@@@@@@@H? ?J@@@@@5 7@@@5? @@1?7@@??3@@@@@@L? J@@@@@ 7@@@@? 7@@@5? ?J@@@@hJ@@@@@he?J@@@@@@ @@@1eN@@@@@@@@?fN@@@g?3@@@@@@@@@@@@@@@@@@@@ ?O&@@@@@@(Y?e?J@@@@@@ @@@@@@ @@@@@@hf@@@@@@@@@@@@@@@@@@@@@@@@@@@@@@@@@@@@@@@@@@ ?3@@@@he@@@@@@1? O2@@@@@@@@@0M? ?V4@@@@@@@@@ I4@@@@@@@@@@@@@H
?@@@@@@@ @@@1e?7@@@@@@5?hf?7@@H?g7@@HhJ@@Hhf7@@@@@5? ?J@@@@@@@@@@L? W&@@@@@H @@@@H? @@@?@@5??N@@@@@@1? 7@@@@@ @@@@5? @@@@H? ?7@@@@h7@@@@@he?7@@@@@@ @@@@e?@@@@@@@@Lf?@@@h@@@@@@@@@@@@@@@@@@@@ @@@@@@@@(Yf?7@@@@@@ @@@@@@ 3@@@@@he?J@@@@@@@@@@@@@@@@@@@@@@@@@@@@@@@@@@@@@@@@@@ ?N@@@@he@@@@@@@? O2@@@@@@@@@(M? ?I4@@@@@@5 I4@@@@@@@@@@5?
?@@@@@@@ 3@@@L?J@@@@@@@H?hfJ@@5g?J@@5?g?W&@5?hf@@@@@@H? ?7@@@@@@@@@@@? 7@@@@@5? @@@@ @@@@@@H?e@@@@@@@? @@@@@5 @@@@H? @@@@ ?@@@@5h@@@@@@he?@@@@@@5 @@@@e?3@@@@@@@1f?@@@g?@@@@@@@@@@@@@@@@@@@@@ @@@@@@@0Y?f?@@@@@@@ 3@@@@@ N@@@@@L?hW&@@@@@@@@@@@@@@@@@@@@?I'@@@@@@@@@@@@@@@@@@@ @@@@L?h3@@@@@@? O2@@@@@@@@@@0Y ?I4@0Y I4@@@@@@@0Y?
O2@@@@@@@@@@@@@@@6KO26X? N@@@)?&@@@@@@@ 7@@Hg?7@@H?g?7@@H?he?J@@@@@5 ?@@@@@@@@@@@H?hf?J@@@@@@H? ?J@@@5 ?J@@@@@@f@@@@@@@L @@@@@H ?J@@@@ @@@@ ?@@@@Hh@@@@@5he?@@@@@@H @@@@e?V+MI'@@@@L?e?3@@g?N@@@@@@@@@@@@@@@@@@@@ ?W2@@@@@@(M?g?@@@@@@@ N@@@@@ ?@@@@@1?h7@@@@@@@@@@@@@@@@@@@@@eV4@@@@@@@@@@@@@@@@@@@@@? @@@@1?hN@@@@@@L W2@@@@@@@@@0M?
@@@@@@@@@@@@@@@@@@@@@@@@@@@@@@@@@@@@@@@@@@)X ?@@@@@@@@@@@@5hf?J@@5?gJ@@5hJ@@5hfW&@@@@@H ?@@@@@@@@@@@ ?7@@@@@5 ?7@@@H @@@6?2@@@@6?@KO&@@@@@@@@@@@@@@@@@1 ?J@@@@@? ?7@@@@ ?J@@@@ ?@@@@?h@@@@@Hhe?@@@@@@? @@@@g?N@@@@1?e?N@@L?g@@@@@@@@@@@@@@@@@@@@L? O&@@@@@@(Yh?@@@e@@ ?@@@@@ ?3@@@@@?g?J@@@@@@@@@@@@@@@@@@@@@5f?I'@@@@@@@@@@@@@@@@@@L 3@@@@?h?@@@@@@1 ?O&@@@@@@@@0M?
@@@@@@@@@@@@@@@@@@@@@@@@@@@@@@@@@@@@@@@@@@@1 ?3@@@@@@@@@@(Yhf?7@@H?g7@@Hh7@@Hhf7@@@@@5? ?@@@@@@@@@@@ ?@@@@@@H ?@@@@? @@@@@@@@@@@@@@@@@@@@@@@@@@@@@@@@@@ ?7@@@@5? ?@@@@@ ?7@@@@ ?@@@@?h@@@@@?he?@@@@@@? @@@@h3@@@@?f@@1?g@@@@@@@@@@@@@@@@@@@@@? ?@@@@@@@@(Y?hJ@@@e@@L? ?@@@@@L? ?N@@@@@?g?7@@@@@@@@@@@@@@@@@@@@0YgV'@@@@@@@@@@@@@@@@@1 N@@@@?h?@@@@@@@ ?O2@@@@@@@@0M?
?J@@@@@@@@@@@@@@@@@@@@@@@@@@@@@@@@@@@@@@@@@@@@ ?N@@@@@@@@@@H?hfJ@@5g?J@@5?g?J@@@?he?J@@@@@(Y? ?@@@@@@@@@@@ J@@@@@5? J@@@5? I4@@@@@@@@@@@@@@@@@5 J@@@@@H? ?@@@@5 ?@@@@5 ?@@@@?h@@@@@?he?@@@@@@? ?J@@@@hN@@@@?f3@5?g@@@@@@@@@@@@@@@@@@@@H? ?@@@@@@@(Yhe7@@5e@@1? ?@@@@@1? @@@?hf@@@@@?gJ@@@@@@@@@@@@@@@@@@@(Mh?V'@@@@@@@@@@@@@@@@@L? ?@@@@Lh?3@@@@@@ ?O2@@@@@@@@0M?
?7@@@@@@@@@@@@@@@@@@@@@@@@@@@@@@@@@@@@@@@@@@@5 @@@@@@@@@5 7@@Hg?7@@H?gW&@@5?he?7@@@@@H ?@@@@@@@@@@@hf?W&@@@@@H? 7@@@H? ?@@@@@@@@@@@@@@@@H 7@@@@@ ?@@@@H ?@@@@H ?@@@@?g?J@@@@@?he?@@@@@@? ?@@@@@@6K?f?@@@@?fV+Y?g@@@@@@@@@@@@@@@@@@@@ O2@@@@@@@0Y?he@@@He@@@? ?@@@@@@? @@@?hf@@@@@Lg7@@@@@@@@@@@@@@@@@@(Y?heV'@@@@@@@@@@@@@@@@1? ?@@@@1h?N@@@@@@L? ?O2@@@@@@@@0M?
?@@@@@@@@@@@@@@@@@@@@@@@@@@@@@@@@@@@@@@@@@@@(Y @@@@@@@@@Hhf?J@@5?gJ@@5h7@@@H?heJ@@@@@5? ?@@@@@@@@@@@hf?7@@@@@5 ?J@@@@ ?@@@@@@@@@@@@@@@5? @@@@@5 ?@@@@? ?@@@@? J@@@@?g?7@@@@@?he?@@@@@@? ?N@@@@@@@@@6K??@@@5?hf?J@@@@@@@@@@@@@@@@?@@@ ?W2@@@@@@@@(M?hf@@@?e3@@? ?3@@@@@? @@@?hf@@@@@1f?J@@@@@@@@@@@@@@@@@@(Yhf?V'@@@@@@@@@@@@@@@@? ?@@@@@he@@@@@@1? ?O2@@@@@@@@0M?
?@@@@@@@@@@@@@@@@@@@@@@@@@@@@@@@@@@@@@@@@@@(Y? @@@@@@@@5?hf?7@(Y?f?W&@@Hg?J@@@5hf7@@@@@H? ?@@@@@@@@@@@hfJ@@@@@@H ?7@@@5 ?@@@@@@@@@@@@@@(Y? @@@@@H J@@@@? J@@@@? 7@@@@?g?@@@@@@?he?@@@@@@? 3@@@@@@@@@@6X@@@ W&@@@@@@@@@@@@@@@@@@@@ W&@@@@@@@@(Y @@@?eN@@? ?N@@@@@? 3@@?hf@@@@@@f?7@@@@@@@@@@@@@@@@@@H? N@@@@@@@@@@@@@@@5? ?3@@@@he@@@@@@@? W2@@@@@@@@@0M?
?@@@@@@@@@@@@@@@@@@@@@@@@@@@@@@@@@@@@@@@@@@H @@@@@@@@H?hfJ@@Hg?7@@5?g?7@@@Hhe?J@@@@@@ ?@@@@@@@@@@@hf7@@@@@5? ?@@@@H ?@@@@@@@@@@@@@(Y ?J@@@@@? 7@@@@? 7@@@@? @@@@@?g?@@@@@@?heJ@@@@@5? N@@@@@@@@@@@@@@@)Khe?O&@@@@@@@@@@@@@@@@@@@@@ ?O&@@@@@@@@0Y?hf?J@@@?e?@@L @@@@@L N@@?hf3@@@@@f?@@@@@@@@@@@@@@@@@@5 ?@@@@@@@@@@@@@@@H? ?N@@@@L?h3@@@@@@? ?O&@@@@@@@@0M?
?@@@@@@@@@@@@@@@@@@@@@@@@@@@@@@@@@@@@@@@@@@? ?'@@6X @@@@@@@5 7@5?gJ@@@H?gJ@@@5?he?7@@@@@5 ?@@@@@@@@@@@he?J@@@@@0Y? J@@@@? ?@@@@@@@@@@@@0Y? ?7@@@@@? @@@@5? @@@@5? @@@@5?g?@@@@@@?he7@@@@@H? ?@@@@@@@@@@@@@@@@@@@@@6K?O2@@@@@@@@@@@@@@@@@@@@@@@@@ ?W2@@@@@@@@0M? ?7@@@?e?@@1 @@@@@1 ?@@?hfN@@@@@f?@@@@@@@@@@@@@@@@@(Y ?3@@@@@@@@@@@@@@ @@@@1?hN@@@@@@L ?O2@@@@@@@@0M?
?@@@@@@@@@@@@@0MfI@MI@M?I'@@@@@@@@0M? ?V'@@)K? ?J@@@@@@@Hhf?J@@H?g7@@5h7@@@H?heJ@@@@@@H ?@@@@@@@@@@@he?7@@@@X? 7@@@5? ?@@@@@@@@@@0M? ?@@@@@5? @@@@H? @@@@H? @@@@H?g?@@@@@5?he@@@@@@ ?@@@@@@@@@@@@@@@@@@@@@@@@@@@@@@@@@@@@@@@@@@@@@@@@@@5 O&@@@@@@@(M? ?@@@5?e?3@@ 3@@@@@ ?@@Lhf?@@@@@L?eJ@@@@@@@@@@@@@@@@@H? ?N@@@@@@@@@@@@@@ 3@@@@?h?@@@@@@1 W2@@@@@@@@@0M?
?@@@@@@@@@@@@? N@@@@@@@ V4@@@6X? W&@@@@@@5?hf?7@@g?J@@@Hg?J@@@5hf7@@@@@5? ?@@@@@@@@@@@he?@@@@@1? @@@@H? J@@? J@@@@@H? ?J@@@@ @@@@ @@@@h?@@@@@H?he@@@@@@ ?@@@@@@@@@@@@@@@@@@@@@@@@@@@@@@@@@@@@@@@@@@@@@@@@@@H O2@@@@@@@@@@0Y J@@@H?e?N@@ N@@@@@ ?3@1hf?@@@@@1??W&@@@@@@@@@@@@@@@@5 @@@@@@@@@@@@@@ N@@@@?h?@@@@@@@ ?O&@@@@@@@@0M?
?@@@@@@@@@@@@? ?@@@@@@@ I4@@)K 7@@@@@@@ J@@5g?7@@5?g?7@@@Hhe?J@@@@@(Y? ?@@@@@@@@@@@hf?I'@@? ?J@@@@ 7@@? 7@@@@@ ?7@@@@ ?J@@@@ @@@@h?@@@@@hf@@@@@@ ?@@@@@@@@@@@@@@@@@@@@@@@@@@@@@@@@@@@@@@@@@@@@@@@@@@? O2@@@@@@@@@@0M 7@@@g@@ ?@@@@@L?hf?N@@hf?@@@@@@??7@@@@@@@@@@@@@@@@@H @@@@@@@@@@@@@@L? ?@@@@?h?@@@@@@@ ?O2@@@@@@@@0M?
I'@@@@@@@@@@6Xhf?@@@@@@@ I'@@6K ?J@@@@@@@@1?hf7@@Hg?@@@H?gJ@@@5?he?7@@@@@H J@@@@@@@@@@@ N@@@6K ?7@@@5 @@5? @@@@@5 ?@@@@@ ?7@@@@ @@@@hJ@@@@@he?J@@@@@@ ?@@@@@@@@@@@@@@@@@@@@@@@@@@@@@@@@@@@@@@@@@@@@@@@@@@? O2@@@@@@@@@0M? @@@@g@@L? ?@@@@@1? @@hf?3@@@@@L?@@@@@@@@@@@@@@@@@@? @@@@@@@@@@@@@@1? ?@@@@Lh?3@@@@@@L? W2@@@@@@@@@(M?
?V'@@@@@@@@@@)K?he?@@@@@@@ ?V'@@@6X ?7@@@@@@@@@?he?J@@5?gJ@@5h7@@(Y?heJ@@@@@5? 7@@@@@@@@@@@ ?@@@@@@@6K ?@@@@H @@H? @@@@@H ?@@@@@ ?@@@@@ @@@@h7@@@@@he?7@@@@@@ ?@@@@@@@@@@@@@@@@@@@@@@@@@@@@@@@@@@@@@@@@@@@@@@@@@@L O2@@@@@@@@@0M? ?J@@@@g@@1? ?@@@@@@? @@hf?N@@@@@@?@@@@@@@@@@@@@@@@@@? ?J@@@@@@@@@@@@@@@? ?@@@@1h?N@@@@@@1? ?O&@@@@@@@@@0Y
V'@@@@@@@@@@@6X?h?@@@@@@@ V4@@@)K? J@@@@@@@@@@Lhe?7@@H?g7@@Hg?J@@@Hhf7@@@@@H? @@@@@@@@@@@@hf?@@@@@@@@@@@6K J@@@@? ?J@@ ?J@@@@@? ?@@@@5 ?@@@@5 ?J@@@@h@@@@@@he?@@@@@@@ ?@@@@@@@@@@@@@@@@@@@@@@@@@@@@@@@@@@@@@@@@@@@@@@@@@@)X? O2@@@@@@@@@0M? ?7@@@@g@@@? ?@@@@@@? @@ @@@@@??@@@@@@@@@@@@@@@@@5? ?7@@@@@@@@@@@@@@@L ?3@@@@he@@@@@@@? ?O2@@@@@@@@(M?
?V4@@@@@@@@@@@)Kh?@@@@@@@ I4@@@6K? 7@@@@@@@@@@1heJ@@5g?J@@5?g?7@@@?he?J@@@@@@ @@@@@@@@@@@@hf?3@@@@@@@@@@@@6X 7@@@@? ?7@@ ?7@@@@@? ?@@@@H ?@@@@H ?7@@@@h@@@@@@he?@@@@@@@ ?@@@@@@@@@@@@@@@@@@@@@@@@@@@@@@@@@@@@@@@@@@@@@@@@@@@)K O2@@@@@@@@@(M? ?@@@@@g3@@? ?@@@@@@L @@@@@)X@@@@@@@@@@@@@@@@@H? J@@@@@@@@@@@@@@@@)X? ?N@@@@he@@@@@@@? ?O2@@@@@@@@@0Y
?I'@@@@@@@@@@@6Kg?@@@@@@@ I4@@@6K? ?J@@@@@@@@@@@@he7@(Yg?7@@H?g?@@@5?he?7@@@@@5 @@@@@@@@@@@@hf?N@@@@@@@@@@@@@)K? @@@@5? ?@@5 ?@@@@@5? J@@@@? ?@@@@? ?@@@@5h@@@@@@he?@@@@@@@ ?@@@@@@@@@@@@@@@@@@@@@@@@@@@@@@@@@@@@@@@@@@@@@@@@@@@@@6K ?W2@@@@@@@@@@@0Y J@@@@@L?fN@@L ?3@@@@@1 @@@@@@@@@@@@@@@@@@@@@@@@ 7@@@@@@@@@@@@@@@@@1? @@@@L?h3@@@@@@L ?O2@@@@@@@@@0M
V4@@@@@@@@@@@@6Xf?@@@@@@@ I'@@@6X? ?7@@@@@@@@@@@@L?g?J@@H?gJ@@5hJ@@(Y?heJ@@@@@@H @@@@@@@@@@@5 @@@@@@@@@@@@@@@6X? ?J@@@@H? J@@H ?@@@@@H? 7@@@@? J@@@@? ?@@@@Hh@@@@@@he?@@@@@@@ ?3@@@@@@@@@@@@@@@@@@@@@@@@@@@@@@@@@@@@@@@@@@@@@@@@@@@@@@6X O&@@@@@@@@@0M? ?W&@@@@@1?f?@@1 ?N@@@@@@ 3@@@@@@@@@@@@@@@@@@@@@@@ ?J@@@@@@@@@@@@@@@@@@@? @@@@1?hN@@@@@@1 ?O2@@@@@@@@(M?
I'@@@@@@@@@@@)X?e?@@@@@@@ ?V4@@@)X J@@@@@@@(?'@@@1?g?7@5g?W&@@Hh7@@Hhf7@@@@@5? @@@@@@@@@@@H @@@@@@@@@@@@@@@@)K ?7@@@5 7@@? J@@@@@ @@@@@? 7@@@@? ?@@@@?h@@@@@5heJ@@@@@@5 ?N@@@@@@@@@@@@@@@@@@@@@@@@@@@@@@@@@@@@@@@@@@@@@(MI4@@@@@@)X? ?O2@@@@@@@@@@0M? W&@@@@@@5?f?@@@ @@@@@@ N@@@@@@@@@@@@@@@@@@@@@@@ ?7@@@@@@@@@@@@@@@@@@@? 3@@@@?h?@@@@@@@ ?O2@@@@@@@@@0Y
?V'@@@@@@@@@@@)KeJ@@@@@@@ ?I4@@)K? 7@@@@@@@H?N@@@@?gJ@@Hg?7@@5?g?J@@5?he?J@@@@@(Y? @@@@@@@@@@@? @@@@@@@@@@@@@@@@@@6K ?@@@@H @@@? 7@@@@@ @@@@@? @@@@5? ?@@@@?h@@@@@Hhe7@@@@@@H @@@@@@@@@@@@@@@@@@@@@@@@@@@@@@@@@@@@@@@@@@@@(Ye?I'@@@@@)K O2@@@@@@@@@@@0M? 7@@@@@@(Y?f?@@@ @@@@@@ ?@@@@@@@@@@@@@@@@@@@@@@@L? J@@@@@@@@@@@@@@@@@@@@? N@@@@?h?@@@@@@@ ?O2@@@@@@@@(M?
V4@@@@@@@@@@@@6?&@@@@@@@ ?I'@@6K? ?J@@@@@@@5e?@@@@Lg7@5?g?@@@H?gW&@@H?he?7@@@@@H @@@@@@@@@@@? @@@@@@@@@@@@@@@@@@@@6K J@@@@? @@5? @@@@@5 @@@@5? @@@@H? ?@@@@?h@@@@@?he@@@@@@@? @@@@@@@@@@@@@@@@@@@@@@@@@@@@@@@@@@@@@@@@@@@0Y?fV'@@@@@@@6K? O2@@@@@@@@@@@@@0M? @@@@@@@Hg?@@@ @@@@@@ ?3@@@@@@@@@@@@@@@@@@@@@@1? ?W&@@@@@@@@@@@@@@@@@@@@? ?@@@@?h?3@@@@@@L? O2@@@@@@@@@@0Y
I4@@@@@@@@@@@@@@@@@@@@ V4@@@6K? W&@@@@@@@He?3@@@1f?J@@H?gJ@@5h7@@5hfJ@@@@@5? @@@@@@@@@@@? @@@@@@@@@@@@@@@@@@@@@@6K 7@@@5? @0Y? @@@@@H ?J@@@@H? @@@@ ?@@@@?g?J@@@@@?he@@@@@@@? @@@@@@@@@@@@@@@@@@@@@@@@@@@@@@@@@@@@@@@@@0M?g?V4@@@@@@@@6K? O2@@@@@@@@@@@@@@0M @@@@@@5?g?3@@L? 3@@@@@L? @?hf?N@@@@@@@@@@@@@@@@@@@@@@@L ?7@@@@@@@@@@@@@@@@@@@@@? ?@@@@Lh?N@@@@@@1? O2@@@@@@@@@@0M
I4@@@@@@@@@@@@@@@@@@ ?I'@@6K? 7@@@@@@@5?e?N@@@@fW&@5h7@@Hg?J@@@Hhf7@@@@@H? @@@@@@@@@@@? 3@@@@@X??I4@@@@@@@@@@@@@6K @@@@H? ?J@@@@@? ?7@@@@ @@@@ ?@@@@?g?7@@@@@?he@@@@@@@? @@@@@@@@@@@@@@@@@@@@@@@@@@@@@@@@@@@@@@0Mhf?I'@@@@@@@@@@@@6K? O2@@@@@@@@@@@@@@@0M? ?J@@@@@(Y?g?N@@1? N@@@@@1? @? @@@@@@@@@@@@@@@@@@@@@@@)K?hfJ@@@@@@@@@@@@@@@@@@@@@5? ?@@@@1he@@@@@@@? W2@@@@@@@@@0M?
I'@@@@@@@@@@@@@@@@ V'@@@6X? @@@@@@@(Y?f@@@@L?e7@@Hg?J@@5?g?7@@5?he?J@@@@@@ @@@@@@@@@@@? N@@@@@1?e?I4@@@@@@@@@@@@@@6X? ?J@@@@ ?7@@@@5? ?@@@@@ ?J@@@@ J@@@@?g?@@@@@@?he@@@@@@@? @@@@fI4@@@@@@@@@@@@@@@@@@@@@@@@@@0M V4@@@@@@@@@@@@@@@@@6K? O2@@@@@@@@@@@@@@@@0M ?7@@@@(Yhe@@@? ?@@@@@@? @@@@@@@@@@@@@@@@@@@@@@@@@6K?h?O&@@@@@@@@@@@@@@@@@@@@(Y? ?3@@@@he@@@@@@@? ?O&@@@@@@@@(M?
?V'@@@@@@@@@@@@@@5 ?V4@@@)K ?J@@@@@@@Hg3@@@1??J@@5?gW&@(Y?gJ@@@H?he?7@@@@@5 @@@@@@@@@@@? ?3@@@@@?f?I4@@@@@@@@@@@@@)K ?7@@@@ ?@@@@@H? ?@@@@@ ?7@@@@ 7@@@@?g?@@@@@@?he@@@@@@@? @@@@gI4@@@@@@@@@@@@@@@@@@@@@@@? ?I4@@@@@@@@@@@@@@@@@6K ?O2@@@@@@@@@@@@@@@@@@@@@@0?@M? J@@@@@H?he@@@? ?@@@@@@? @@@@@@@@@@@@@@@@@@@@@@@@@@@@@@@@@@@@@@@@@@@@@@@@@@@@@@@@@@@H ?N@@@@he3@@@@@@L ?O2@@@@@@@@@0Y
V4@@@@@@@@@@@@@H ?I4@@@6K ?7@@@@@@5?gN@@@@?O&@@H?g7@@Hh7@@5hfJ@@@@@@H @@@@@@@@@@@L ?N@@@@@?g?I4@@@@@@@@@@@@@6K ?@@@@5 ?@@@@@ ?@@@@5 ?@@@@5 @@@@@?g?@@@@@5?he@@@@@@@? @@@@he?I40MI4@@@@@@@@@0?'@5? I4@@@@@@@@@@@@@@@6?2@@@6K?eO2@@@@@@@@@@@@@@@@@@@@@@@@@@@0M? 7@@@@5hf3@@? ?@@@@@@? ?@ 3@@@@@@@@@@@@@@@@@@@@@@@@@@@@@@@@@@@@@@@@@@@@@@@@@@@@@@@@@@? @@@@L?hN@@@@@@1 ?O2@@@@@@@@@0M
I'@@@@@@@@@@@? ?I4@@@6X J@@@@@@@H?g?@@@@@@@@5g?J@@5?g?J@@(Yhf7@@@@@5? @@@@@@@@@@@1 @@@@@LheI4@@@@@@@@@@@@6K J@@@@H J@@@@@ ?@@@@H ?@@@@H @@@@5?g?@@@@@H?he@@@@@@5? @@@@ ?I4@0MfN@H? ?I4@@@@@@@@@@@@@@@@@@@@@@@@@@@@@@@@@@@@@@@@@@@@@@@@@@0M? @@@@(YhfN@@? ?3@@@@@L ?@L?hfN@@@@@@@@@@@@@@@@@@@@@@@@@@@@@@@@@@@@@@@@@@@@@@@@@@@@@@@@@@? @@@@1?h?@@@@@@@ ?O2@@@@@@@@(M?
?V4@@@@@@@@@@? ?I'@@)K? 7@@@@@@5h?3@@@@@@@Hg?7@@H?g?7@@H?he?J@@@@@@H? @@@@@@@@@@@@ @@@@@1hfI4@@@@@@@@@@@@6K 7@@@5? 7@@@@5 ?@@@@? ?@@@@? @@@@H?g?@@@@@he?J@@@@@@H? 3@@@ ?@ ?I4@@@@@@@@@@@@@@@@@@@@@@@@@@@@@@@@@@@@0M? ?J@@@@H?hf?@@? ?N@@@@@1 ?@@?hf?@@@@@@@@@@@@@@@@@@@@@@@@@@@@@@@@@@@@@@@@@@@@@@@@@@@@@@@@@@L @@@@@?h?@@@@@@@ ?O2@@@@@@@@@0Y
?I4@@@@@@@@? V'@@@6X? ?J@@@@@@@Hh?N@@@@@@5?gJ@@5hJ@@5hf?7@@@@@5 @@@@@@@@@@@@ @@@@@@ I'@@@@@@@@@@@@6X ?J@@@@H? @@@@@H J@@@@? J@@@@? @@@@h?@@@@@he?7@@@@@@ N@@@ ?@ ?I4@@@@0?4@@@@0MI4@0M??I@M ?7@@@5 ?@@L @@@@@@ ?@@@@@?I'@@@@@@@@@@@@@@@@@@@@@@@@@@@@@@@@@@@@@@@@@@@@@@@@@@1 3@@@@?h?@@@@@@@L? ?O2@@@@@@@@@0M
?V4@@@)K ?7@@@@@@5?he@@@@@@H?g7@@Hh7@@HhfJ@@@@@(Y @@@@@@@@@@@@ 3@@@@@ ?V4@@@@@@@@@@@@)K? ?7@@@@ ?J@@@@@? 7@@@@? 7@@@@? @@@@hJ@@@@@he?@@@@@@@ ?@@@ ?@@@ J@@@@H ?@@1 @@@@@@ ?@@@@@eN@@@@@@@@@@@@@@@@@@@@@@@@@@@@@@@@@@@@@@@@@@@@@@@@@@@ N@@@@?h?3@@@@@@1? O2@@@@@@@@(M
?I4@@@6K J@@@@@@@H?he3@@@@@g?J@@5?g?J@@5?hf7@@@@@H? @@@@@@@@@@@@ N@@@@@L? ?I4@@@@@@@@@@@@6K? ?@@@@5 ?7@@@@5? @@@@5? @@@@5? ?J@@@@h7@@@@@he?@@@@@@@ ?@@@L? ?@@@L? 7@@@@? ?@@@ 3@@@@@ ?@@@@@L??3@@@@@@@@@@@@@@@@@@@@@@@@@@@@@@@@@@@@@@@@@@@@@@@@@@ ?@@@@Lh?N@@@@@@@? O2@@@@@@@@@0Y?
I'@@6K ?W&@@@@@@5hfN@@@@@g?7@@H?g?7@@H?hf@@@@@5 @@@@@@@@@@@@ ?3@@@@1? I'@@@@@@@@@@@6X? J@@@@H ?@@@@@H? @@@@H? @@@@H? ?7@@@@h@@@@@@he?@@@@@@@ ?@@@1? ?@@@1? @@@@5? ?@@@ N@@@@@L? @?hf?@@@@@1??N@@@@@@@@@@@@@@@@@@@@@@@@@@@@@@@@@@@@@@@@@@@@@@@@@@ ?3@@@1he@@@@@@@? O2@@@@@@@@@0M?
?V'@@@6X ?7@@@@@@@Hhf?@@@@@gJ@@5hJ@@@hf?J@@@@@H @@@@@@@@@@@@ ?N@@@@@? ?V4@@@@@@@@@@@)K 7@@@@? J@@@@@ ?J@@@@ @@@@ ?@@@@5h@@@@@@he?@@@@@@5 ?3@@@? J@@@@? @@@@H? ?3@@ ?@@@@@1? 3Lhf?@@@@@@?e@@@@@@@@@@@@@@@@@@@@@@@@@@@@@@@@@@@@@@@@@@@@@@@@@@ ?N@@@@he@@@@@@@L O2@@@@@@@@(M
V4@@@)X? J@@@@@@@5?hf?@@@@@g7@@Hh7@@5hfW&@@@@@? @@@@@@@@@@@@ @@@@@? I'@@@@@@@@@@6K @@@@@? 7@@@@5 ?7@@@@ ?J@@@@ ?@@@@Hh@@@@@@he?@@@@@@H ?N@@@? 7@@@@? @@@@ ?N@@ ?@@@@@@? N1hf?3@@@@@?e3@@@@@@@@@@@@@@@@@@@@@@@@@@@@@@@@@@@@@@@@@@@@@@@@@L? @@@@he3@@@@@@1 O2@@@@@@@@@0Y?
I'@@)K 7@@@@@@@H?hfJ@@@@@f?J@@5?g?J@@(Yhf7@@@@@5? @@@@@@@@@@@@ @@@@@L ?V4@@@@@@@@@@@6K @@@@5? @@@@@H ?@@@@@ ?7@@@5 ?@@@@?g?J@@@@@5he?@@@@@@? ?O@Kf?O26?26K?O@KgO2@@@@@@@6?@K?eO26K?O@K @@@? @@@@@? @@@@ @@L? ?@@@@@@? ?@hf?N@@@@@?eN@@@@@@@@@@@@@@@@@@@@@@@@@@@@@@@@@@@@@@@@@@@@@@@@@1? @@@@L?hN@@@@@@@ O2@@@@@@@@@0M?
?V4@@@6K ?J@@@@@@@5 7@@@@@L?e?7@@H?g?7@@H?he?J@@@@@(Y? @@@@@@@@@@@@ @@@@@1 ?I4@@@@@@@@@@@@6X? ?J@@@@H? ?J@@@@@? ?@@@@@ ?@@@@H ?@@@@?g?7@@@@@HheJ@@@@@@?hf?O2@@@@@@@@@@@@@@@@@@@@@@@@@@@@@@@@@@@@@@@@@@@@@@@@@@@@@6K?O@K @@@? @@@@@? @@@@ @@1? ?@@@@@@? ?@ @@@@@Le?@@@@@@@@@@@@@@@@@@@@@@@@@@@@@@@@@@@@@@@@@@@@@@@@@@? @@@@1?h?@@@@@@@ W2@@@@@@@@(M
?I4@@@6K ?7@@@@@@@Hhf?J@@@@@@1?eJ@@5hJ@@5hf?7@@@@@H @@@@@@@@@@@@ 3@@@@@ ?I4@@@@@@@@@@@)K ?7@@@5 ?7@@@@@? ?@@@@5 ?@@@@? J@@@@?g?@@@@@@?he7@@@@@@?heO2@@@@@@@@@@@@@@@@@@@@@@@@@@@@@@@@@@@@@@@@@@@@@@@@@@@@@@@@@@@@@@6X @@@? @@@@@? @@@@ @@@? ?@@@@@@L ?@ @@@@@1e?@@@?I4@@@@@@@@@@@@@@@@@@@@@@@@@@@@@@@@@@@@@@@@@@@@? 3@@@@?h?@@@@@@@L? ?O&@@@@@@@@0Y?
I'@@6X J@@@@@@@5?hf?7@@@@@@@Le7@@Hh7@@HhfJ@@@@@5? @@@@@@@@@@@@ N@@@@@L? ?I4@@@@@@@@@@@6K ?@@@@H ?@@@@@5? J@@@@H ?@@@@? 7@@@@?g?@@@@@@?he@@@@@@@?gO2@@@@@@@@@@@@@@@@@@@@@@@@@@@@@@@@@@@@@@@@@@@@@@@@@@@@@@@@@@@@@@@@@@@1 @@@L @@@@@? @@@@ @@@? ?3@@@@@1 ?3L?hf3@@@@@e?@@@e?I4@@@@@@@@@@@@@@@@@@0M?@@@@@@@@@@@@@@@@@@@@@? N@@@@?h?@@@@@@@1? W2@@@@@@@@0M
?V4@@)K? 7@@@@@@@H?hfJ@@??@@@@1?J@@@?g?J@@@?hf7@@@@@H? @@@@@@@@@@@@ ?@@@@@1? ?I4@@@@@@@@@@@6K J@@@@? ?@@@@@H? 7@@@@? ?@@@@? 3@@@@?g?@@@@@@?he@@@@@@@?fO2@@@@@@@@@@@@@@@@@@@@@@@@@@@@@@@@@@@@@@@@@@@@@@@@@@@@@@@@@@@@@@@@@@@@@@ @@@1 ?J@@@@5? @@@@ 3@@? ?N@@@@@@ ?N1?hfN@@@@@e?@@@gI4@@@@@@@@@@@@0Mf3@@@@@@@@@@@@@@@@@@@@? ?@@@@Lh?3@@@@@@@? ?O&@@@@@@@(M
?I'@@6X? ?J@@@@@@@5 7@5??@@@@@W&@@5?g?7@@5?he?J@@@@@5 @@@@@@@@@@@@ ?@@@@@@? ?I'@@@@@@@@@@@6X 7@@@5? J@@@@@ @@@@@? J@@@@? ?@@@@?g?@@@@@@?he@@@@@@@?eO2@@@@@@@@@@@@@@@@@@@@@@@@@@@@@@@@@@@@@@@@@@@@@@@@@@@@@@@@@@@@@@@@@@@@@@@@ @@@@ ?7@@@@H? @@@@ N@@L @@@@@@ @?hf?@@@@@L??3@@hf?I40M?hN@@@@@@@@@@@@@@@@@@@@L ?@@@@1h?N@@@@@@@? W2@@@@@@@@@0Y?
V4@@)K W&@@@@@@@H @@H??3@@@@@@@@H?gJ@@@H?he?7@@@@@H @@@@@@@@@@@@ ?3@@@@@? V4@@@@@@@@@@@)K? @@@@H? 7@@@@@ @@@@@? 7@@@@? 7@@@5?g?@@@@@5?he@@@@@@@?O2@@@@@@@@@@@@@@@@@@@@@@@@@@@@@@@@@@@@@@@@@@@@@@@@@@@@@@@@@@@@@@@@@@@@@@@@@@ @@@@ ?@@@@@ @@@@ ?@@1 @@@@@@ @?hf?@@@@@1??N@@ ?@@@@@@@@@@@@@@@@@@@@)X? ?@@@@@he@@@@@@@? ?W&@@@@@@@@0M?
I'@@6K 7@@@@@@@@?hf?J@@e?V'@@@@@@5h7@@5hfJ@@@@@5? @@@@@@@@@@@@ ?N@@@@@? I4@@@@@@@@@@@@6X ?J@@@@ @@@@@5 @@@@5? @@@@5? @@@@H?g?@@@@@H?he@@@@@@@@@@@@@@@@@@@@@@@@@@@@@@@@@@@@@@@@@@@@@@@@@@@@@@@@@@@@@@@@@@@@@@@@@@@@@@@@@@@@ @@@@ ?@@@@@ @@@@ ?@@@ 3@@@@@L? @?hf?@@@@@@?e@@L? ?@@@@@@@@@@@@@@@@@@@@@1? ?3@@@@he@@@@@@@? O&@@@@@@@0M?
?V4@@@6K @@@@@@@@5?hfW&@5fV'@@@@(Yg?J@@(Yhf7@@@@@H? 3@@@@@@@@@@@ 3@@@@L I4@@@@@@@@@@@)K? ?7@@@5 ?J@@@@@H ?J@@@@H? @@@@H? @@@@hJ@@@@@hf@@@@@@@@@@@@@@@@@@@@@@@@@@@@@@@@@@@@@@@@@@@@@@@@@@@@@@@@@@@@@@@@@@@@@@@@@@@@@@@@@@@@@@@@@@@@@@@@@@@@@@@@@@@@@@@@@@@@@@@@@@@@@@@@@@@@@@@@@@@@@@@@@@@@@@@@@@@@@@@@@@@@@@@@@@@@@@@6KO2@@6?2@6K?O2@@@@@@@@@@@@@@@@@@@@@@@@@@@@@@@@@@@@@@@@@@@@@@@@@@@@@@@@@@@@@6?2@@@@@6?2@@@@@@@@@@@@@@@@@@@@@@@@@@@@@@@@@@@@@@@@6K O@?2@@@6?2@@@@@@@@@@@@@@@@@@@@@@@@@@@@@@@@@@@@@@@@@@@@@@@@@@@@@@@@@@@@@@@@@@@@@@@@@@@@@@@@@@@@@@@@@@@@@@@@@@@@@@@@@@@@@@@@@@@@@@@@@@@@@@@@@@@@@@@@@@@@@@6Ke?O@KhfO@K??O2@@@@@@@@@@@@@@@@@@@@@@@@@@@@@@@ ?@@@@5 @@@@L? ?@@@ N@@@@@1? 3Lhf?3@@@@@Le@@1? ?@@@@@@@@@@@@@@@@@@@@@@L ?N@@@@L?h3@@@@@@L ?O2@@@@@@@@0M?
I'@@6X ?J@@@@@@@(Y?he?W&@(Yf?N@@@@H?gW&@@H?he?J@@@@@5 N@@@@@@@@@@@ N@@@@1 ?I4@@@@@@@@@@@6K ?@@@@H ?7@@@@@? ?7@@@@ ?J@@@@ @@@@h7@@@@@he?J@@@@@@@@@@@@@@@@@@@@@@@@@@@@@@@@@@@@@@@@@@@@@@@@@@@@@@@@@@@@@@@@@@@@@@@@@@@@@@@@@@@@@@@@@@@@@@@@@@@@@@@@@@@@@@@@@@@@@@@@@@@@@@@@@@@@@@@@@@@@@@@@@@@@@@@@@@@@@@@@@@@@@@@@@@@@@@@@@@@@@@@@@@@@@@@@@@@@@@@@@@@@@@@@@@@@@@@@@@@@@@@@@@@@@@@@@@@@@@@@@@@@@@@@@@@@@@@@@@@@@@@@@@@@@@@@@@@@@@@@@@@@@@@@@@@@@@@@@@@@@@@@@@@@@@@@@@@@@@@@@@@@@@@@@@@@@@@@@@@@@@@@@@@@@@@@@@@@@@@@@@@@@@@@@@@@@@@@@@@@@@@@@@@@@@@@@@@@@@@@@@@@@@@@@@@@@@@@@@@@@@@@@@@@@@@@@@@@@@@@@@@@@@@@@@@@@@@@@@@@@@@@@@@@@@@@@@@@@@@@@@@@@@@@@@@@@@@@@@@@@@@@@@@@@@@@@@@@@@@@@@@@@@@@@@@@@@@@@@@@@@@@@@@@@@@@@@@@@@@@@@ J@@@@H @@)X ?3@@f?W-X ?@@@@@@? N1hf?N@@@@@1e@@@? ?3@@@@@@@@@@@@@@@@@@@@@@ @@@@1?hN@@@@@@1 ?O2@@@@@@@0M
?V4@@)K? W&@@@@@@@Hhf?7@@H?f?J@@@5h7@@5hf?7@@@@@H ?@@@@@@@@@@@ ?@@@@@ ?I'@@@@@@@@@@@6K J@@@5? ?@@@@@@? ?@@@@@ ?7@@@@ @@@@h@@@@@@he?7@@@@@@@@@@@@@@@@@@@@@@@@@@@@@@@@@@@@@@@@@@@@@@@@@@@@@@@@@@@@@@@@@@@@@@@@@@@@@@@@@@@@@@@@@@@@@@@@@@@@@@@@@@@@@@@@@@@@@@@@@@@@@@@@@@@@@@@@@@@@@@@@0?4@@@@@@@@@@@@@@@@@@@@@@@@@@@@@@@@@@@@@@@@@@@@@@@@@@@@@@@@@@@@@@@@@@@@@@@@@@@@@@@@@@@@@@@@@@@@@@@@@@@@@@@@@@@@@@@@@@@@@@@@@@@@@@@@@@@@@@@@@@@@@@@@@@@@@@@@@@@@@@@@@@@@@@@@@@@@@@@@@@@@@@@@@@@@@@@@@@@@@@@@@@@@@@@@@@@@@@@@@@@@@@@@@@@@@@@@@@@@@@@@@@@@@@@@@@@@@@@@@@@@@@@@@@@@@@@@@@@@@@@@@@@@@@@@@@@@@@@@@@@@@@@@@@@@@@@@@@@@@@@@@@@@@@@@@@@@@@@@@@@@@@@@@@@@@@@@@@@@@@@@@@@@@@@@@@@@@@@@@@@@@@@@@@@@@@@@@@@@@@@@@@@@@@@@@@@@@@@ 7@@@@? ?J@@@1 ?N@@L?e?7@) ?@@@@@@? ?@ @@@@@@e@@@? ?N@@@@@@@@@@@@@@@@@@@@@? @@@@@?h?@@@@@@@L? W2@@@@@@@@(M
?I4@@6K? 7@@@@@@@5?hf?@@5g?7@@@Hg?J@@@HhfJ@@@@@@? ?@@@@@@@@@@@ ?@@@@@L? V4@@@@@@@@@@@@6K 7@@@H? ?@@@@@5? ?@@@@@ ?@@@@5 @@@@h@@@@@@he?@@@@@@@@@@@@@@@@@@@@@@@@@@@@@@@@@@@@@@@@@@@@@@@@@@@@@@@@@@@@@@@@@@@@@@@@@@@@@@@@@@@@@@@@@0MI40Mh?I4@0M ?I@MI4@0M??I40MI4@@0M?I40MI4@0?4@@@@@@@@@@@@@@@@@@@@@@@@@@@@@@@@@@@@@@@@@@@@@@@@@@@@@@@@@@@@@@@@@@@@@@@@@@@@@@@@@@@@@@@@@@@@@@@@@@@@@@@@@@@@@@@@@@@@@@@@@@@@@@@@@@@@@@@@@@@@@@@@@@@@@@@@@@@@@@@@@@@@@@@@@@@@@@@@@@@@@@@@@@@@@@@@@@@@@@@@@@@@@@@@@@@@@@@@@@@@@@@@@@@@@@@@@@@@@@@@@@@@@@@@@@@@@@@@@@@@@@@@@@@@@@@@@@@@@@@@@@@@@@@@@@@@@@@@@@@@@@@@@@@@@@@@@@@@@@@@@@@@@@@@@@@@@@@@@@@@L? @@@@@? ?7@@@@ @@1?eJ@@H ?3@@@@@? ?@ @@@@@@e@@@? @@@@@@@@@@@@@@@@@@@@@1 3@@@@Lh?@@@@@@@1? ?O&@@@@@@@@0Y?
?I4@@6K? @@@@@@@@H?hfJ@@Hg?@@@@?gO&@@@?he?W&@@@@@@? ?@@@@@@@@@@@L? ?@@@@@1? ?@@@@@@@@@@@@@6K ?J@@@@L? J@@@@@H? ?@@@@5 ?@@@@H @@@@h@@@@@@he?@@@@@@@@@@@@@@@@@@@@@@@@@@@@@@@@@@@@@@@@@@@@@@@@@@@@@@@@@@@@@@@@@@@@@@@@@@@@@@@@@@@@@@? I4@@@@@@0?4@@0M? I40MeI4@@@@@@@@@@@@@@@@@@@@@@@0MI4@@0?4@@@@@@@@@0M??I4@@@@@0MeI4@@@@@@@@@@@@@@@@@@@@@@@@@@@@@@@@@@@@@@@@@@@@@@@@@@@@@@@@@@@@@@@@@@@@@@@@@@@@@@@@@@@@@@@@@@@@@@@@@@@@@@@@@@@@@@@@@@@@@@@@@@@@@@@@@@@@1? @@@@@? ?3@@@@ @@@??W&@5? ?N@@@@@L ?@L?hf@@@@@@e@@@? @@@@@@@@@@@@@@@@@@@@@@ N@@@@1h?3@@@@@@@? ?O2@@@@@@@@0M?
?I'@@6K? ?J@@@@@@@@ 7@5?gJ@@@@T2@@@@@@@@@@@@6?@KO2@6KO&@@@@@@@? ?@@@@@@@@@@@)K J@@@@@@? W&K? ?@@@@@@@@@@@@@@@6K O&@@@@)K 7@@@@@ ?@@@@H ?@@@@? ?J@@@@h@@@@@@he?@@@@@@@@@@@@@@@@@@@@@@@@@@@@@@@@@@@@@@@@@@@@@@@@@@@@@@@@@@@@@@@@@@@@@@@@@@@@@@@@@@@@@@? I@M?eI40?@M I4@@@@@@@@@@@@@@@@@? @@@@@? ?N@@@@ @@@?O&@0Y? @@@@@1 ?31?hf@@@@@@L?@@@L @@@@@@@@@@@@@@@@@@@@@@ ?@@@@@h?N@@@@@@@? ?O2@@@@@@@@0M?
V'@@@6X? ?7@@@@@@@5hf?J@@H?g7@@@V'@@@@@@@@@@@@@@@@@@@@@@@@@@@@@@@@@@@@@@@@@@@@@@@@@@@@@@@@@@@@@@@@@@@@@@@@@@@@@@@@@@@@@@@@@@@@@@@@@@@@@@@@@@@@@@@@@@@@@@@@@6K?O2@@6Kf?O&@@@@@@@@@@@@@6?2@f7@@6X?hO2@@@@@@@@@@@@@@@@@@@@@@@@@@@@@@@@@@@@@@@@@@@@@@@@@@@@@@@@@@@@@@@@@@@@6KO2@@@@@@@@@@@@@@@@@@@@@@@6K??O)X O@K?hf@@@@@@@@6?2@@@6?2@@@@@@@@@@@@@@@@@@@@@@@@@@@@@@@@@@@@@@@@@@@@@@@@@@@6?2@@@@@@@@@6KO2@6X?he@@@@h?W2@@@@@@@@@@@@@@@6?2@@@@@@@@@@@@@@@@@@@@@@@@@@@@@@@@@@@@@@@@@@@@@@@@6K? @@@@@5 J@@@@? J@@@@? ?7@@@@h@@@@@@he?@@@@@@@@@@@@@@@@@@@@@@@@@@@@@@@@@@@@@@@@@@@@@@@@@@@@@@@@@@@@@@@@@@@@@@@@@@@@@@@@@@@@@@? I'@@@? @@@@@? @@@@L? @@@@@0M? @@@@@@ ?N@?hf3@@@@@1?@@@1 @@@@@@@@@@@@@@@@@@@@@@ ?@@@@@he@@@@@@@? ?O2@@@@@@@(M
?V4@@@)X J@@@@@@@(YhfW&@5h@@@@?V'@@@@@@@@@@@@@@@@@@@@@@@@@@@@@@@@@@@@@@@@@@@@@@@@@@@@@@@@@@@@@@@@@@@@@@@@@@@@@@@@@@@@@@@@@@@@@@@@@@@@@@@@@@@@@@@@@@@@@@@@@@@@@@@@@@@@@@@@@@@@@@@@@@@@@@@@@f3@@@,?g?@@@@@@@@@@@@@@@@@@@@@@@@@@@@@@@@@@@@@@@@@@@@@@@@@@@@@@@@@@@@@@@@@@@@@@@@@@@@@@@@@@@@@@@@@@@@@@@@@@@@@@@@,hf?@@@@@@@@?h3@@@@@@@@@@@@@@@@@@@@@@@@@@@@@@@@@@@@@@@@@@@@@@@@@@@@@@@@@@@@@@@@@@@@@@@@@@@@@@@@@@@@@)?he@@@@h?7@@@@@@@@@@@@@@@@@@@@@@@@@@@@@@@@@@@@@@@@@@@@@@@@@@@@@@@@@@@@@@@@@@@@@@ @@@@@H 7@@@@? 7@@@5? ?@@@@5g?J@@@@@5he?@@@@@@@@@@@@@@@@@@@@@@@@@@@@@@@@@@@@@@@@@@@@@@@@@@@@@@@@@@@@@@@@@@@@@@@@@@@@@@@@@@@@@@? ?N@@@? @@@@@? @@@@1? 3@@@ @@@@@@ @?hfN@@@@@@?@@@@ @@@@@@@@@@@@@@@@@@@@@@ ?3@@@@he@@@@@@@? ?O2@@@@@@@@0Y?
I'@)K? 7@@@@@@@H?hf7@@Hg?J@@@@eV'@@@@@@@@@@@@@@@@@@@@@@@@@@@@@@@@@@@@@@@@@@@@@@@@@@@@@@@@@@@@@@@@@@@@@@@@@@@@@@@@@@@@@@@@@@@@@@@@@@@@@@@@@@@@@@@@@@@@@@@@@@@@@@@@@@@@@@@@@@@@@@@@@@@@@@@@fV4@0Y?g?@@@@@@@@@@@@@@@@@@@@@@@@@@@@@@@@@@@@@@@@@@@@@@@@@@@@@@@@@@@@@@@@@@@@@@@@@@@@@@@@@@@@@@@@@@@@@@@@@@@@@@@0Y I@M??I@?hV'@@@@@@@@@@@@@@@@@@@@@@@@@@@@@@@@@@@@@@@@@@@@@@@@@@@@@@@@@@@@@@@@@@@@@@@@@@@@@@@@0M @@@@h?3@@@@@@@@@@@@@@@@@@@@@@@@@@@@@@@@@@@@@@@@@@@@@@@@@@@@@@@@@@@@@@@@@@@@@@L? ?J@@@@@? @@@@5? @@@@H? ?@@@@Hg?7@@@@@HheJ@@@@@@@@@@@@@@@@@@@@@@@@@@@@@@@@@@@@@@@@@@@@@@@@@@@@@@@@@@@@@@@@@@@@@@@@@@@@@@@@@@@@@@? @@@? @@@@@? @@@@@? N@@@ @@@@@@L? @?hf?3@@@@@?@@@@L? @@@@@@@@@@@@@@@@@@@@@@L? ?N@@@@L?h3@@@@@@L ?O2@@@@@@@@0M?
?V4@@6K? ?J@@@@@@@5 @@5?g?7@@@@L??V'@@@@@@@@@@@@@@@@@@@@@@@@@@@@@@@@@@@@@@@@@@@@@@@@@@@0?4@@@@@@@@@@@@@@@@@@@0?40MI4@@@@@@@@@@@@@@@@@@@@@@@@@@@@@@@@@@(M?I@MI@?4@@@@@@@@@@@@@@@@@@@0M ?I4@@@@@@@@@@@@@@@@@@@@@@@@@@@@@@@@@@@@@X? ?V4@0?@M ?V4@@@@@@@0?@M ?@@@@@(Me?I@M?I4@0Mg?I@?4@@@@@@@@@1? ?7@@@@5? @@@@H? @@@@ ?@@@@?g?@@@@@@?he7@@@@@@@@@@@@@@@@@@@@@@@@@@@@@@@@@@@@@@@@@@@@@@@@@@@@@@@@@@@@@@@@@@@@@@@@@@@@@@@@@@@@@@? @@@? @@@@@? ?J@@@@@? ?@@@ 3@@@@@1? @?hf?N@@@@@?@@@@1? 3@@@@@@@@@@@@@@@@@@@@@)X @@@@1?hN@@@@@@1 W2@@@@@@@@@0M?
?I4@@6K? ?7@@@@@@@Hhf?J@@H?gJ@@@@@1?eV'@@@(M?fI4@0M?@@@@@@(M I'@@@@@@@@@@@H ?@@@@@@? I4@@@@@@@@@@@@)X ?@@@@@H? @@@@@? ?@@@@@H? @@@@ @@@@ ?@@@@?g?@@@@@@?he@@@@@@@@@@@@@@@@@@@@@@@@@@@@@@@@@@@@@@@@@@@@@@@@@@@@@@@@@@@@@@@@@@@@@@@@@@@@@@@@@@@@@@@? @@@? @@@@@? ?7@@@@@? ?@@@ N@@@@@@? @? @@@@@@@@@@@? N@@@@@@@@@@@@@@@@@@@@@@1 @@@@@?h?@@@@@@@ ?O&@@@@@@@@0M?
?I4@@6K? J@@@@@@@@?hfW&@5g?W&@@@@@@?f@@@Hhf@@@@@@H? ?N@@@@@@@@@@@? ?3@@@@@? I'@@@@@@@@@@@)K? ?@@@@5 3@@@@? J@@@@@ ?J@@@@ ?J@@@@ ?@@@@?g?@@@@@@?he@@@@@@@@@@@@@@@@@@@@@@@@@@@@@@@@@@@@@@@@@@@@@@@@@@@@@@@@@@@@@@@@@@@@@@@@@@@@@@@@@@@@@@@? @@@? @@@@@? ?@@@@@@? ?3@@eO26X ?@@@@@@? @@@@@@@@@@@? J@@@@@@@@@@@@@@@@@?@@@@@ @@@@@?h?@@@@@@@L? ?O2@@@@@@@@(M?
?I'@@6X? 7@@@@@@@5?hf7@@Hg?7@@@??@@?e?7@@5?hf@@@@@@ @@@@@@@@@@@? ?N@@@@@? ?V4@@@@@@@@@@@@6X? ?@@@@H N@@@@? 7@@@@@ ?7@@@@ ?7@@@@ J@@@@?g?@@@@@@?he@@@@@@@@@@@@@@@@@@@@@@@@@@@@@@@@@@0MeI4@@0MgI4@0MI4@@@@@@@@@@@@@@@@@@@@@@@@@@0M? @@@L 3@@@@? ?@@@@@@? ?N@@@@@@@, ?@@@@@@? ?@ @@@@@@@@@@@? 7@@@@@@@@@@@@@@@@@@@@@@@L? @@@@@?h?@@@@@@@1? O2@@@@@@@@@@0Y
V4@@)K ?J@@@@@@@(Y?he?J@@5?gJ@@@5??3@LeJ@@@H?he?J@@@@@5 @@@@@@@@@@@? @@@@@L I'@@@@@@@@@@)K ?@@@@? ?@@@@? @@@@@5 ?@@@@@ ?@@@@@ 7@@@@?g?@@@@@@?he@@@@@@@@@@@@@@@@@@@@@@@@@@@0?40M @@@1 N@@@@L ?@@@@@@L @@@@@@(Y ?3@@@@@? ?@ @@@@@@@@@@@? @@@@@@@@@@@@@@@@@@@@@@@@1? @@@@@Lh?3@@@@@@@? O2@@@@@@@@@0M?
I4@@6K W&@@@@@@@Hhf?7@@H?g7@@@H??N@1?W&@@5hfW&@@@@(Y @@@@@@@@@@@? @@@@@1 ?V4@@@@@@@@@@@@6X? J@@@@? ?@@@@? ?J@@@@@H ?@@@@@ ?@@@@5 @@@@@?gJ@@@@@@?he@@@@@@@@@@@@@@@@@@@@@0M? @@@@ ?@@@@1 ?@@@@@@1 @@@@@0Y? ?N@@@@@L ?@ 3@@@@@@@@@5? @@@@@@@@@@@@@@@@@@@@@@@@@? 3@@@@1h?N@@@@@@@? O2@@@@@@@@0M @@@@@@
I'@@6K 7@@@@@@@5?hfJ@@5g?J@@@5f@@W&@@@Hhf7@@@@@H? @@@@@@@@@@@? 3@@@@@ ?I4@@@@@@@@@@@)K 7@@@@? ?3@@@? ?7@@@@@? ?@@@@5 ?@@@@H @@@@@?g7@@@@@@?h?J@@@@@@@@@@@@@@@@@@@0M? 3@@@ ?@@@@@ J@@@@@@@ @@@(M? @@@@@1 ?3L?hfN@@@@@@@@0Y? @@@@@@@@@@@@@@@@@@@@@@@@@? V'@@@@he@@@@@@@? O2@@@@@@@@(M ?O2@@@@@@@@6K? @@@@@@
?V4@@@6K ?J@@@@@@@@H?hf7@@Hg?7@@(Yf3@@@@@5?hf@@@@@5 @@@@@@@@@@@L N@@@@@L? ?I4@@@@@@@@@@@6K @@@@5? ?N@@@? ?@@@@@5? J@@@@H ?@@@@? @@@@@?g3@@@@@@?h?7@@@@@@@@@@@@@@@@@0M? N@@@ ?@@@@@ 7@@@@@@@ @@@He?W2@6X @@@@@@ ?N1?hf?@@@@@@? ?J@@@@@@@@@@@@@@@@@@@@@@@@@? ?N@@@@L?h@@@@@@@L W2@@@@@@@@@0Y? ?O2@@@@@@@@@@@@6K? @@@@@@L?
?I4@@@6K ?7@@@@@@@5 @@5?gJ@@@H?fN@@@@@H?he?J@@@@@H @@@@@@@@@@@1 ?@@@@@1? ?I4@@@@@@@@@@@@6K? ?J@@@@H? @@@L ?@@@@@H? 7@@@@? J@@@@? @@@@@?gN@@@@@5?h?@@@@@@@@@@@@@@@@0M? ?@@@ ?3@@@@ @@@?@@@@ @@@LeW&@@@1 @@@@@@ @?hf?@@@@@@? ?7@@@@@@@@@@@@@@@@@@@@@@@@@? @@@@1?h3@@@@@@1 ?O&@@@@@@@(M @@@@@@@@@@@@@@@@@6X? @@@@@@@?
?I4@@@6K J@@@@@@@@Hhf?J@(Y?g7@@@g?@@@@5hf?7@@@@5? @@@@@@@@@@@@ ?3@@@@@? ?I4@@@@@@@@@@@@6K? ?7@@@@ @@@1 J@@@@@ @@@@@? 7@@@@? @@@@5?gJ@@@@@H?h?@@@@@@@@@@@@@@(M? ?@@@ ?N@@@@L? @@5?@@@@ 3@@1e7@@@@5 3@@@@@L? ?3@@@@@? ?@@@@@@@@@@@@@@@@@@@@@@@@@@? @@@@@?hN@@@@@@@ ?O2@@@@@@@@0Y? @@@@@@@@@@@@@@@@@@)X @@@@@@H?
?I'@@@6X 7@@@@@@@5?hfW&@Hg?J@@@5g?@@@@HhfJ@@@@@H? 3@@@@@@@@@@@ ?N@@@@@? ?I'@@@@@@@@@@@@6X? J@@@@5 3@@@ 7@@@@@ @@@@@? @@@@5? ?J@@@@H?g7@@@@@he?@@@@@@@@@@@@@(Y ?@@@ @@@@1? @@H?3@@@ N@@@?J@@@@0Y N@@@@@1? ?N@@@@@? J@@@@@@@@@@@@@@@@@@@@@@@@@@L 3@@@@?h?@@@@@@@ ?O2@@@@@@@@0M? @@@@@@@@@@@@@@@@@@@@@1 @@@@@@L?
V4@@@)K?he?J@@@@@@@@H?hf7@5?gW&@@@Hg?@@@5?hf7@@@@5 N@@@@@@@@@@@ @@@@@L V4@@@@@@@@@@@@)K 7@@@@H N@@@ @@@@@5 @@@@@? @@@@H? ?7@@@@h@@@@@@he?@@@@@@@@@@@@(Y? ?@@@L? 3@@@@L ?J@@eN@@@ ?@@@W&@(M? ?@@@@@@? @@@@@L 7@@@@@@@@@@@@@@@@@@@@@@@@@@1 N@@@@?h?@@@@@@@L? ?O2@@@@@@@@0M? ?J@@@@@@@@@@@@@@@@@@@@@@ @@@@@@1?
I4@@@6K?h?7@@@@@@@5hf?J@@H?g7@@@5?g?@@@H?he?J@@@@@H ?@@@@@@@@@@@ @@@@@1 ?I4@@@@@@@@@@@6K @@@@@? ?@@@ @@@@@H ?J@@@@5? @@@@ ?@@@@@h@@@@@@he?@@@@@@@@@@@(Y ?@@@1? N@@@@1 ?7@@e?@@@L? ?@@@@@0Y ?@@@@@@? @@@@@1 3@@@@@@@@@@@@@@@@@@@@@@@@@@@ ?@@@@?h?3@@@@@@1? W2@@@@@@@@(M ?7@@@@@@@@@@@@@@@@@@@@@@ @@@@@@@?
I4@@@6K?gJ@@@@@@@@Hhf?7@@g?J@@@@H?gJ@@5hf?7@@@@5? ?@@@@@@@@@@@ 3@@@@@ ?I'@@@@@@@@@@@6K @@@@5? ?@@@ ?J@@@@@? ?7@@@@H? @@@@ ?@@@@@h@@@@@@heJ@@@@@@@@@@(Y? ?@@@@? ?@@@@@ J@@@@@@@@@1? ?@@@@? ?@@@@@@? @@@@@@ N@@@@@@@@@@@@@@@@@@@@@@@@@@@L? ?@@@@?h?N@@@@@@@? ?O&@@@@@@@@0Y? J@@@@@@@@@@@@@@@@@@@@@@@L?hf@@@@@@@?
I'@@@6X?e?W&@@@@@@@5?hfJ@@5g?7@@@5h7@@HhfJ@@@@@H? ?@@@@@@@@@@@L? N@@@@@ V4@@@@@@@@@@@@6K ?J@@@@H? ?@@@ ?7@@@@@? ?@@@@@ ?J@@@@ ?@@@@5h@@@@@@he7@@@@@@@@@(Y ?@@@5? ?3@@@@L? 7@@@@@@@@@@? ?3@@@? ?3@@@@@? @@@@@@ ?3@@@@@@@@@@@@@@@@@@@@@@@@@@)X ?@@@@Lhe@@@@@@@? ?O2@@@@@@@@0M? 7@@@@@@@@@@@@@@@@@@@@@@@)Khf3@@@@@5?
?V4@@@)Ke?7@@@@@@@@H?hf7@@HgJ@@@@Hg?J@@5?hf7@@@@5 ?@@@@@@@@@@@1? ?@@@@@ I4@@@@@@@@@@@@6K ?7@@@@ ?3@@L? ?@@@@@5? ?@@@@5 ?7@@@5 ?@@@@Hh@@@@@5he@@@@@@@@@(Y? ?@@@H? ?N@@@@1? @@@@@@?@@@@? ?N@@@? ?N@@@@@L 3@@@@@L? ?N@@@@@@@@@@@@@@@@@@@@@@@@@@@)X? ?3@@@)X?h3@@@@@@L ?O2@@@@@@@@0M? @@@@@@@@@@0MeI4@@@@@@@@@@6Xhe?@@@@@H?
?I'@@@@6X@@@@@@@@5hf?J@@5?g7@@@5?g?7@@H?he?J@@@@@H ?@@@@@@@@@@@@? ?@@@@@L? I4@@@@@@@@@@@@6K ?@@@@5 ?N@@1? ?@@@@@H? ?@@@@H ?@@@@H ?@@@@?h@@@@@Hhe@@@@@@@@@H ?@@@ 3@@@@? ?J@@@@@5?3@@@? @@@? @@@@@1 N@@@@@1? ?J@@@@@@@@@@@@@@@@@@@@@@@@@@@@1? ?N@@@@1?hN@@@@@@1 W2@@@@@@@@0M ?J@@@@@@@(M?gI'@@@@@@@@@1he7@@@@@
V4@@@@@@@@@@@@@Hhf?7@(Y?f?J@@@@H?gJ@@5hf?7@@@@5? ?@@@@@@@@@@@@? ?3@@@@1? I4@@@@@@@@@@@@6X J@@@@H @@@? J@@@@@ J@@@@? ?@@@@? ?@@@@?g?J@@@@@?he@@@@@@@@5? ?3@@ N@@@@L W&@@@@0Y?N@@@? @@@? @@@@@@ ?@@@@@@? ?@6KO&@@@@@@@@@@@@@@@@@@@@@@@@@@@@@L @@@@@?h?@@@@@@@ ?O&@@@@@@@0M ?7@@@@@@@Hh?V'@@@@@@@@@L?h@@@@@@
I'@@@@@@@@@@5?hfJ@@Hg?7@@@5h7@@HhfJ@@@@@H? ?@@@@@@@@@@@@? ?N@@@@@? I4@@@@@@@@@@@)K? 7@@@@? @@@? 7@@@@5 7@@@@? J@@@@? ?@@@@?g?7@@@@@?he@@@@@@@(Y? ?N@@L? ?3@@@1 @@f?O&@@@@?f@@@? @@@? @@@@@@ ?@@@@@@? J@@@@@@@@@@@@@@@@@@@@@@@@@@@@@@@@@@1 @@@@@?h?@@@@@@@ O2@@@@@@@@0M ?@@@@@@@5?heV'@@@@@@@@1?h@@@@@@
?V'@@@@@@@@@H?hf7@@?gJ@@@@Hg?J@@5?hf7@@@@5 ?@@@@@@@@@@@@? @@@@@L I4@@@@@@@@@@@6K? @@@@5? @@@? ?J@@@@@H @@@@@? 7@@@@? ?@@@@?g?@@@@@@?he@@@@@@@H @@1? ?N@@@@L? @@?@?W2@@@@@5?f@@@L 3@@L @@@@@@ @?hf?3@@@@@? 7@@@@@@@@@@@@@@@@@@@@@@@@@@@@@@@@@@@ @@@@@?h?@@@@@@@ O2@@@@@@@@0M ?@@@@@@@H?he?N@@@@@@@@@Lh@@@@@@
?@@@@@@@@@L?he?J@@5?f?W&@@@5?gW&@@H?he?J@@@@@H ?@@@@@@@@@@@@? @@@@@1 I4@@@@@@@@@@@6K? ?J@@@@H? @@@L ?7@@@@@? @@@@@? @@@@@? J@@@@?g?@@@@@@?he@@@@@@@? @@@? 3@@@)X ?7@@@@@0Y?f3@@1 N@@1 3@@@@@L? @?hf?N@@@@@L ?J@@@@@@@@@@@@@@@@@@@@@@@@@@@@@@@@@@@@L? 3@@@@Lh?3@@@@@@L? O2@@@@@@@@0M ?@@@@@@@ 3@@@@@@@@1h@@@@@@L?
7@@@@@@@@@)Xhe?7@(Y?f?7@@@@H?g7@@5hfW&@@@@5? ?3@@@@@@@@@@@? 3@@@@@ I4@@@@@@@@@@@@6K ?7@@@@ 3@@1 ?@@@@@5? @@@@5? @@@@5? 7@@@@?g?@@@@@@?he@@@@@@@? @@@? N@@@@1 ?@@@@(M?gN@@@ ?@@@ N@@@@@1? @@@@@1 ?7@@@@@@@@@@@@@@@@@@@@@@@@@@@@@@@@@@@@1? N@@@@1h?N@@@@@@1? W2@@@@@@@@0M ?@@@@@@@ N@@@@@@@@@L?g@@@@@@1?
?J@@@@@@@@@@@)K?hJ@@Hg?@@@@@g?J@@@Hhf7@@@@@H? ?N@@@@@@@@@@@L N@@@@@ ?I'@@@@@@@@@@@6X ?@@@@5 N@@@ ?@@@@@H? @@@@H? @@@@H? @@@@@?g?@@@@@@?h?J@@@@@@5? @@@L ?@@@@@ W2@@@@(Yh?@@@ ?@@@ ?@@@@@@? ?@ @@@@@@ ?@@@@@@@@@@@@@@@(Y@@@@@@@@@@@@@@@@@@@@@? ?@@@@@he@@@@@@@? ?O&@@@@@@@0M ?@@@@@@@ ?3@@@@@@@@)Xg@@@@@@@?
?7@@@@@@@@@@@@@6X?g7@5?g?@@@@5gW&@@5?he?J@@@@@5 @@@@@@@@@@@1 ?@@@@@ V4@@@@@@@@@@@)K? ?@@@@H ?@@@ ?@@@@@ ?J@@@@ ?J@@@@ @@@@5?g?@@@@@5?h?7@@@@@@H? @@@)X?W2@6X? ?3@@@@L? 7@@@@(Y?h?@@@ ?3@@ ?@@@@@@? ?@ @@@@@@ J@@@@@@@@@@@@@@(Y?3@@@@@@@@@@@@@@@@@@@@? ?@@@@@he@@@@@@@? O2@@@@@@@@0M ?@@@@@@@L?hf?N@@@@@@@@@1g@@@@@@@?
J@@@@@@@@(?4@@@@)Kf?J@@H?g?3@@@Hg7@@@H?he?7@@@@@H @@@@@@@@@@@@ ?@@@@@L? I4@@@@@@@@@@@@6X J@@@@? ?@@@L? J@@@@@ ?7@@@5 ?7@@@@ @@@@H?g?@@@@@H?h?@@@@@@@ @@@@)?&@@@)X ?N@@@@1? ?J@@@@(Yhe?@@@ ?N@@L? ?3@@@@@? ?@ 3@@@@@ 7@@@@@@@@@@@@@@HeV+MI'@@@@@@@@@@@@@@@@? ?3@@@@L?h@@@@@@@L O2@@@@@@@@0M ?@@@@@@@1? 3@@@@@@@@@L?e?J@@@@@@@?
7@@@@@@@(YeI4@@@@6XeW&@5he@@@?g@@@5hfJ@@@@@5? @@@@@@@@@@@@ ?3@@@@1? I4@@@@@@@@@@@)K? 7@@@5? ?@@@1? 7@@@@5 ?@@@@H ?@@@@@ @@@@hJ@@@@@he?@@@@@@@ @@@@@@@@@@@)K? 3@@@@L W&@@@@H?he?@@@L? @@1? ?N@@@@@? ?@ N@@@@@ @@@@@@@@@@@@@@@?gN@@@@@@@@@@@@@@@@? ?N@@@@1?h3@@@@@@1 O2@@@@@@@@(M ?3@@@@@@@L V'@@@@@@@@)Ke?7@@@@@@@?
?J@@@@@@@@H?fI4@@@)KO&@@HhW&@@@?f?J@@@Hhf7@@@@@H? @@@@@@@@@@@@ ?N@@@@@? I4@@@@@@@@@@@6K? ?J@@@(Y? ?@@@@? ?J@@@@@H ?@@@@? ?@@@@@ @@@@h7@@@@@he?@@@@@@@ @@@@@@@@@@@@@@@6K? N@@@@)X? 7@@@@5hf?3@@1? @@@? @@@@@L ?3L?hf?@@@@@L? ?J@@@@@@@@@@@@@@@?gJ@@@@@@@@@@@@@@@@L @@@@@?hN@@@@@@@ ?W2@@@@@@@@@@0Y? ?N@@@@@@@)K?hf?N@@@@@@@@@@6K?@@@@@@@@?
W&@@@@@@@5hI4@@@@@@@?g?W&@@@@?f?7@@5?he?J@@@@@5 @@@@@@@@@@@@ @@@@@L I4@@@@@@@@@@@6K? ?7@@@H ?3@@@? ?7@@@@@? J@@@@? ?@@@@5 ?J@@@@h@@@@@@heJ@@@@@@@ 3@@@@@@@@@@@@@@@@6K?hf?3@@@@)X ?J@@@@(Yhf?N@@@? @@@L @@@@@1 ?N1?hf?@@@@@1? W&@@@@@@@@@@@@@@@?g7@@@@@@@@@@@@@@@@1 3@@@@?h?@@@@@@@ O&@@@@@@@@0M @@@@@@@@@@@6K?he3@@@@@@@@@@@@@@@@@@@@?
7@@@@@@@@HheI'@@@@@LgO&@@@@@?fJ@@@H?he?7@@@@(Y 3@@@@@@@@@@@ @@@@@1 I4@@@@@@@@@@@6K? ?@@@@? ?N@@@? ?@@@@@5? 7@@@@? J@@@@H ?7@@@@h@@@@@@he7@@@@@@@ N@@@@@@@@@@@@@@@@@@@@@6Kh?V'@@@@)X? ?7@@@@H? @@@?f?O26X?h@@@1 3@@@@@ @?hf?@@@@@@?hf?W&@@@@@@@@@@@@@@@5?g3@@@@@@@@@@@@@@@@@ N@@@@?h?@@@@@@@L? ?O2@@@@@@@@0M? 3@@@@@@@@@@@@@@@hV'@@@@@@@@@@@@@@@@@@@?
?J@@@@@@@@5?he?N@@@@@)K?eO2@@@@@@@Lf7@@5hfJ@@@@@H? N@@@@@@@@@@@L? 3@@@@@ I4@@@@@@@@@@@6K? J@@@@? @@@L J@@@@@H? @@@@@? 7@@@@? ?@@@@@h@@@@@@he@@@@@@@5 ?@@@@@@@@@@@@@@@@@@@@@@@6KhV'@@@@)X J@@@@5 @@@?e?W2@@@1?h3@@@ N@@@@@ @?hf?3@@@@@?hfW&@@@@@@@@@@@@@@@(Y?gV'@@@@@@@@@@@@@@@@L? ?@@@@?h?3@@@@@@1? ?W2@@@@@@@@0M? N@@@@@@@@@@@@@@@h?N@@@@@@@@@@@@@@@@@@@?
?7@@@@@@@@H?he?J@@@@@@@6?2@@@@@@@@@)X?e@@(Yhf7@@@@5 ?@@@@@@@@@@@1? N@@@@@L? I4@@@@@@@@@@@@6K 7@@@@? @@@1 7@@@@@ @@@@5? @@@@@? ?@@@@5h@@@@@5he@@@@@@@H ?@@@@@@@@@@@@@@@@@@@@@@@@@6Kg?N@@@@@1 7@@@@H @@@?e?7@@@@@?hN@@@ ?@@@@@L? @Lhf?N@@@@@Lhe?W&@@@@@@@@@@@@@@@@Hh?V'@@@@@@@@@@@@@@@1? ?@@@@Lh?N@@@@@@@? O&@@@@@@@0M? ?3@@@@@@@@@@@@@@he3@@@@@@@@@@@@@@@@@@?
J@@@@@@@@5hf?7@@@@@@@@@@@@@@@@@@@@)Ke@@H?he?J@@@@@H ?@@@@@@@@@@@@? ?@@@@@1? I4@@@@@@@@@@@@6K @@@@5? 3@@@ @@@@@5 @@@@H? @@@@@? ?@@@@Hh@@@@@Hhe@@@@@@@? ?@@@@@@@@@@@@@@@@@@@@@@@@@@@@6K?f@@@@@@L? @@@@5? 3@@LeJ@@@@@5?h?@@@ ?@@@@@1? 31 @@@@@1he?7@@@@@@@@@@@@@@@@5?heN@@@@@@@@@@@@@@@@? ?@@@@1he@@@@@@@? ?W2@@@@@@@@0M? ?@ ?V'@@@@@@@@@@@@@heV'@@@@@@@@@@@@@@@@@?
7@@@@@@@@Hhf?@@(M?e@@@@@@@@@@@@@@@@@@@5hf?7@@@@5? ?@@@@@@@@@@@@? ?3@@@@@? I4@@@@@@@@@@@@6X @@@@H? N@@@ @@@@@H ?J@@@@ @@@@5? ?@@@@?g?J@@@@@?he@@@@@@@? ?@@@@@@@@@@@@@@@@@@@@@@@@@@@@@@6?2@@@@@@@@)X @@@@H? N@@1?W&@@0?(Y?h?@@@ ?@@@@@@? N@ @@@@@@heJ@@@@@@@@@@@@@@@@(Y?he?@@@@@@@@@@@@@@@@? ?3@@@@he3@@@@@@L O&@@@@@@@0M? V'@@@@@@@@@@@@he?V4@@@@@@@@@@@@@@@@?
?J@@@@@@@@5?hfJ@@Hf3@@@@@@@@@@@@@@@@@(YhfJ@@@@@H? ?@@@@@@@@@@@@? ?N@@@@@? I4@@@@@@@@@@@)K? ?J@@@5 ?@@@ ?J@@@@@? ?7@@@@ ?J@@@@H? ?@@@@?g?7@@@@@?he@@@@@@@? ?@@@@@@@@@@@@@@@@@@@@@@@@@@@@@@@@@@@@@@@@@@)X? ?J@@@@ ?@@@W&@@ ?@@@L? ?3@@@@@? ?@ @@@@@@h?W&@@@@@@@@@@@@@@@@Hhf?@@@@@@@@@@@@@@@@@6X ?N@@@@L?hN@@@@@@1 O2@@@@@@@0M? ?V'@@@@@@@@@@@hf?I'@@@@@@@@@@@@@@?
?7@@@@@@@@H?hf7@5?fN@@@@@@@@@@@@@@@@0Y?hf7@@@@5 ?@@@@@@@@@@@@L @@@@@L I'@@@@@@@@@@@6K? ?7@@@H ?@@@ ?7@@@@@? ?@@@@@ ?7@@@@ ?@@@@?g?@@@@@@?he@@@@@@@? ?@@@@@@@@@@@@@@@@@@@@@@@@@@@@@@@@@@@@@@@@@@@)K ?7@@@@ ?@@@@@@5 ?@@@1? ?N@@@@@? ?@L?hf3@@@@@h?7@@@@@@@@@@@@@@@@5?hf?3@@@@@@@@@@@@@@@@@1 @@@@1?h?@@@@@@@ ?O2@@@@@@@@0M? V4@@@@@@@@@5 V4@@@@@@@@@@@@5?
J@@@@@@@@5hf?J@@H?f?@@@@@@@@@@@@@@@ ?J@@@@@H ?3@@@@@@@@@@@1 @@@@@1 ?V4@@@@@@@@@@@@6K? J@@@@? ?@@@L? ?@@@@@@? ?@@@@@ ?@@@@@ ?@@@@?g?@@@@@@?he@@@@@@@? ?@@@@@@@@@@@@@@@@@@@@@@@@@@@@@@@@@@@@@@@@@@@@@@? ?@@@@@ ?@@@@@(Y ?@@@@? @@@@@L ?@1?hfN@@@@@L?gJ@@@@@@@@@@@@@@@@@H?hf?N@@@@@@@@@@@@@@@@@5 @@@@@?h?@@@@@@@ ?W2@@@@@@@@0M? I40?4@@@0Y I4@@@@@@@@@0Y?
7@@@@@@@@Hhf?7@5g?@@@@@@@@@@@@@@5 ?7@@@@5? ?N@@@@@@@@@@@@ 3@@@@@ ?I4@@@@@@@@@@@@6K? 7@@@@? ?@@@1? ?@@@@@5? ?@@@@5 ?@@@@@ ?@@@@?g?@@@@@@?h?J@@@@@@5? ?@@@@@@@@@@@@@@@@@@@@@@@@@@@@@@@@@@@@@@@@@@@@@@L ?@@@@5 ?3@@@(Y? ?3@@@? @@@@@1 ?3@?hf?@@@@@1?g7@@@@@@@@@@@@@@@@5 @@@@@@@@@@@@@@@@@H 3@@@@?h?3@@@@@@ O&@@@@@@@0M?
?J@@@@@@@@5?hfJ@@Hg?@@@@@@@@@@@@@@H J@@@@@H? 3@@@@@@@@@@@ N@@@@@ ?I4@@@@@@@@@@@@6K? @@@@5? ?@@@@? J@@@@@H? ?@@@@H ?@@@@@ J@@@@?g?@@@@@@?h?7@@@@@@H? ?@@@@@@@@@@@@@@@@@@@@@@@@@@@@@@@@@@@@@@@@@@@@@@)X? ?@@@@H ?N@@@H ?N@@@L @@@@@@ ?N@?hf?3@@@@@?g@@@@@@@@@@@@@@@@(Y @@@@@@@@@@@@@@@@@L N@@@@?h?N@@@@@@L? O2@@@@@@@(M?
?7@@@@@@@@H?hf7@5?g?3@@@@@@@@@@@@@? 7@@@@5 N@@@@@@@@@@@ ?@@@@@ ?I4@@@@@@@@@@@@6X? ?J@@@@H? ?3@@@? 7@@@@@ J@@@@? ?@@@@5 7@@@@?g?@@@@@@?h?@@@@@@@ ?@@@@@@@@@@@@@@@@@@@@@@@@@@@@@@@@@@@@@@@@@@@@@@@)X ?@@@@? @@@? @@@1 3@@@@@ @Lhf?N@@@@@?f?J@@@@@@@@@@@@@@@@H? 3@@@@@@@@@@@@@@@@1 ?@@@@Lhe@@@@@@1? O2@@@@@@@@0Y
J@@@@@@@@5hf?J@@H?g?N@@@@@@@@@@@@5?hf?J@@@@@H ?@@@@@@@@@@@ ?3@@@@L? ?I4@@@@@@@@@@@)K ?7@@@5 ?N@@@L @@@@@5 7@@@@? J@@@@H @@@@@?g?@@@@@@?h?@@@@@@@ ?3@@@@@@@@@@@@@@@@@@@@@@@@@@@@@@@@@@@@@@@@@@@@@@@)X? ?@@@@? @@@? @@@@ N@@@@@ @1 @@@@@Lf?7@@@@@@@@@@@@@@@5 N@@@@@@@@@@@@@@@@@ ?3@@@1he@@@@@@@? ?W2@@@@@@@@(M?
7@@@@@@@@Hhf?7@5he3@@@@@@@@@@(Y?hf?7@@@@@? ?@@@@@@@@@@@L? ?N@@@@1? ?I4@@@@@@@@@@@@6X? ?@@@@H @@@1 @@@@@H @@@@@? 7@@@@? @@@@5?g?@@@@@5?h?@@@@@@@ ?N@@@V'@@@@@@@@@@@@@@@@@@@@@@@@@@@@@@@@@@@@@@@@@@@)X ?@@@@? @@@L 3@@@ ?@@@@@L? @@ @@@@@1f?@@@@@@@@@@@@@@@@H ?@@@@@@@@@@@@@@@@@L? ?N@@@@he@@@@@@@? O&@@@@@@@@0Y
?J@@@@@@@@5?hfJ@@HheV4@@@@@@@@(Y J@@@@@5? ?@@@@@@@@@@@1? @@@@@? ?I4@@@@@@@@@@@)K J@@@@? @@@@ ?J@@@@@? @@@@5? @@@@@? @@@@H?g?@@@@@H?h?@@@@@@@ @@@?V'@@@@@@@@@@@@@@@@@@@@@@@@@@@@@@@@@@@@@@@@@@@)K? ?@@@@? 3@@1fW2@6X?hN@@@ ?@@@@@1? @@ @@@@@@f?@@@@@@@@@@@@@@@@? ?@@@@@@@@@@@@@@@@@)X @@@@he3@@@@@@? O2@@@@@@@@0M
?7@@@@@@@@H?he?W&@5?hf?I4@@@@0Y? 7@@@@@H? ?3@@@@@@@@@@@? @@@@@L ?I4@@@@@@@@@@@6K 7@@@5? ?J@@@@?O)X ?7@@@@@? @@@@H? @@@@@? @@@@h?@@@@@he?@@@@@@@ @@@??N@@@@@@@@@@@@@@@@@@@@@@@@@@@@@@@@@@@@@@@@@@@@@@@6X? ?@@@@? N@@@e?W&@@@,?h?@@@ ?3@@@@@? 3@ 3@@@@@fJ@@@@@@@@@@@@@@@@? ?3@@@@@@@@@@@@@@@@@)X? @@@@L?hN@@@@@@L W2@@@@@@@@0M
J@@@@@@@@5hf?7@@H? ?J@@@@@5 ?N@@@@@@@@@@@L 3@@@@1 ?I'@@@@@@@@@@@6K @@@@H? W&@@@@@@@)X? ?@@@@@5? @@@@ @@@@5? @@@@hJ@@@@@he?@@@@@@@ @@@?e@@@@@@@@@@@@@@@@@@@@@@@@@@@@@@@@@@@@@@@@@@@@@@@@)K ?@@@@? ?@@@eW&@@@(Y?h?@@@L? ?N@@@@@? N@L?hfN@@@@@f7@@@@@@@@@@@@@@@5? ?N@@@@@@@@@@@@@@@@@@1? @@@@1?h?@@@@@@1 ?O&@@@@@@@0M
7@@@@@@@@Hhf?@@@ ?7@@@@@H @@@@@@@@@@@1 N@@@@@ V4@@@@@@@@@@@@6K ?J@@@@ ?W&@@@@@@@@@)K J@@@@@H? ?J@@@@ @@@@H? @@@@h7@@@@@he?@@@@@@@ @@@?e3@@@@@@@@@@@@@@@@@@@@@@@@@@@@@@@@@@@@@@@@@@@@@@@@@6K ?O)Xe?3@@@L ?@@@?W&@@@0Yhe?3@@1? @@@@@? ?@1?hf?@@@@@f@@@@@@@@@@@@@@@@H? @@@@@@@@@@@@@@@@@@@? 3@@@@?h?@@@@@@@ ?O2@@@@@@@0M
?J@@@@@@@@5?hfJ@@5 J@@@@@5? @@@@@@@@@@@@ ?@@@@@ I4@@@@@@@@@@@@6K ?7@@@@ W&@@@@@@@@@@@@6X 7@@@@@ ?7@@@@ @@@@ ?J@@@@h@@@@@@heJ@@@@@@5 3@@?eN@@@(MeI4@@@@@@@@@@@@@@@@@@@@@@@@@@@@@@@@@@@@@@@@@@@6X? ?W2@@@@,e?N@@@1 ?@@@W&@@(Mhf?N@@@? @@@@@L ?@@?hf?@@@@@L?e@@@@@@@@@@@@@@@@ @@@@@@@@@@@@@@@@@@@? N@@@@?h?@@@@@@@ O2@@@@@@@@0M ?W2@@@ O2@@@@@@6K @@@@@6X?
?7@@@@@@@@H?hf7@(Y 7@@@@@H? @@@@@@@@@@@@ ?3@@@@L? I4@@@@@@@@@@@@6X ?@@@@@ ?W&@@@@@@@@@@@@@@1 @@@@@5 ?@@@@@ ?J@@@@ ?7@@@@h@@@@@@he7@@@@@@H ?@@?e?@@@H?f?I4@@@@@@@@@@@@@@@@@@@@@@@@@@@@@@@@@@@@@@@@@)K O&@@@@0Yf@@@@ ?3@@@@@(Y? @@@? @@@@@1 ?@@?hf?@@@@@1?e@@@@@@@@@@@@@@@@ @@@@@@@@@@@@@@@@@@5? ?@@@@Lh?3@@@@@@L? O2@@@@@@@@0M W&@@@@ W2@@@@@@@@@@@@@6K? @@@@@@1?
J@@@@@@@@5hf?J@@H? ?J@@@@@5 @@@@@@@@@@@@ ?N@@@@1? I4@@@@@@@@@@@)K? J@@@@5 ?7@@@(M?@@@@@@@@@@ ?J@@@@@H ?@@@@@ ?7@@@@ ?@@@@@h@@@@@@he@@@@@@@? 7@@?e?3@@heI4@@@@@@@@@@@@@@@@@@@@@@@@@@@@@@@@@@@@@@@@6K O2@@@@@@0Mg@@@@ ?N@@@@0Y @@@? 3@@@@@ ?3@?hf?@@@@@@??J@@@@@@@@@@@@@@@5 3@@@@@@@@@@@@@@@@@H? ?@@@@1h?N@@@@@@1? O2@@@@@@@@0M ?O&@@@@@ ?W&@@@@@@@@@@@@@@@@6X? @@@@@@@?
7@@@@@@@@Hhf?7@5 W&@@@@(Y @@@@@@@@@@@@L? @@@@@? I4@@@@@@@@@@@6K? 7@@@@H ?@@@@??J@@@@@@@@@@ ?7@@@@@? J@@@@5 ?@@@@@ ?@@@@@h@@@@@@he@@@@@@@? 3@@?e?N@@hf?I4@@@@@@@@@@@@@@@@@@@@@@@@@@XeI4@@@@@@@@@@@@6K O2@@@@@@@@(Mh3@@@L? @@@? @@@L N@@@@@ ?N@Lhf?@@@@@@??7@@@@@@@@@@@@@@@H N@@@@@@@@@@@@@@@@5 ?@@@@@he@@@@@@@? ?O2@@@@@@@@(M? ?O2@@@@@@@@(hfW&@@@@@@@@@@@@@@@@@@)X @@@@@@@?
?J@@@@@@@@5?hfJ@(Y 7@@@@@H? 3@@@@@@@@@@@1? 3@@@@L I4@@@@@@@@@@@@6X @@@@5? ?@@@@)?&@@@@@@@@@@ ?@@@@@@? 7@@@@H ?@@@@5 ?@@@@5h@@@@@5he@@@@@@@? N@@Lf@@ ?I4@@@@@@@@@@@@@@@@@@@@@@@@1fI4@@@@@@@@@@@@@6K? ?O2@@@@@@@@@@0Y?hN@@@)K @@@? @@@1 ?@@@@@ @1hf?@@@@@@L?@@@@@@@@@@@@@@@@? ?@@@@@@@@@@@@@@@@H ?3@@@@he@@@@@@@L ?O2@@@@@@@@@0Y ?O2@@@@@@@@@(Yhe?W&@@@@@@@@@@@@@@@@@@@@1 @@@@@@@?
?7@@@@@@@@H?hf7@H? @@@@@@ N@@@@@@@@@@@@? N@@@@1 I4@@@@@@@@@@@)K? @@@@H? ?@@@@@@@@@@@@@@@@@ ?@@@@@5? @@@@@? J@@@@H ?@@@@Hh@@@@@Hhe@@@@@@@? ?@@1f@@L? ?I'@@@@@@@@@@@@@@@@@@@@@@@L?f?I4@@@@@@@@@@@@@@6K? ?O2@@@@@@@@@@@@@@@0Mhf?@@@@@@? @@@?fO2@?he3@@@ ?@@@@@L? @@hf?3@@@@@1?@@@@@@@@@@@@@@@@? ?@@@@@@@@@@@@@@@@? ?N@@@@he@@@@@@@1 ?O2@@@@@@@@0M? O2@@@@@@@@@@@0Y?heW&@@@@@@@@@@@@@@@@@@@@@@L?hf@@@@@@@?
J@@@@@@@@5hf?J@@ ?J@@@@@5 ?@@@@@@@@@@@@? ?@@@@@ I4@@@@@@@@@@@6X? @@@@ ?@@@@@@@@@@@@@@@@@ ?@@@@@H? @@@@@? 7@@@@? ?@@@@?h@@@@@?h?J@@@@@@@? ?@@@f@@1?h?@@6X?eV'@@@@@@@@@@@@@@@@@@@@@@1?g?I4@@@@@@@@@@@@@@@@@@@@@@@@@@@6KeW&K?heO2@@@@@@@@@@@@@@@@@@@@@(M? ?3@@@@@? @@@?eW2@@@?heN@@@ ?@@@@@1? @@hf?N@@@@@@?@@@@@@@@@@@@@@@@? ?@@@@@@@@@@@@@@@@? @@@@L?h3@@@@@@@hf?W2@@@@@@@@(M? ?@@@@@@@@@@@@? 7@@@@@@@@@@@@@@@@@@@@@@@1?hf@@@@@@@?
7@@@@@@@@Hhf?7@5 W&@@@@(Y ?@@@@@@@@@@@@? ?@@@@@ I4@@@@@@@@@@)K ?J@@@@ ?@@@@@@@@@@@@@@@@@ J@@@@@ @@@@@? @@@@@? ?@@@@?g?J@@@@@?h?7@@@@@@5? ?@@@f3@@?h?@@@)Xe?V'@@@@@@@@@@@@@@@@@@@@@@Lhe?I4@@@@@@@@@@@@@@@@@@@@@@@@@6?&@@@@@@@@@@@@@@@@@@@@@@@@@@@@@@@@@@@0Y ?N@@@@@? 3@@??O&@@@@?he?@@@ ?@@@@@@? @@ @@@@@@?@@@@@@@@@@@@@@@@? ?3@@@@@@@@@@@@@@@? @@@@1?hN@@@@@@@hfO&@@@@@@@@0Y ?@@@@@@@@@@@@? @@@@@@@@@@@@@@@@@@@@@@@@@Lhf@@@@@@5?
?J@@@@@@@@5?hfJ@@H 7@@@@@H? ?3@@@@@@@@@@@L ?3@@@@L? I4@@@@@@@@@@@6X? ?7@@@5 ?@@@@@@@@@@@@@@@@@L? 7@@@@5 @@@@@? @@@@@? ?@@@@?g?7@@@@@?h?@@@@@@@ ?@@@fN@@?h?3@@@1fS@@@@@@@@@@@@@@@@@@@@@@1 ?I4@@@@@@@@@@@@@@@@@@@@@@@@@@@@@@@@@@@@@@@@@@@@@@@@@@@@@@@0M @@@@@? V'@@@@@@@@@?he?@@@L? ?3@@@@@? 3@ 3@@@@@@@@@@@@@@@@@@@@@@? ?N@@@@@@@@@@@@@@@L 3@@@@?h?@@@@@@@h?O2@@@@@@@@0M? O2@@@@@@@@@@0M @@@@@@@@@@@@@@@@@@@@@@@@@)X?he@@@@@@H?
?7@@@@@@@@H?hf7@5? @@@@@5 ?N@@@@@@@@@@@1 ?N@@@@1? I4@@@@@@@@@@)K J@@@@H ?@@@@@@@@@@??@@@@@1? @@@@@H @@@@5? @@@@@? ?@@@@?g?@@@@@@?h?@@@@@@@@? ?3@@f?@@Lh?N@@@@e?W&<I'@@@@@@@@@@@@@@@@@@@@L? I4@@@@@@@@@@@@@@@@@@@@@@@@@@@@@@@@@@@@@@@@@@@0?@M? @@@@@? ?N@@@@@@0Mhf?3@@1? ?N@@@@@? N@L?hfN@@@@@@@@@@@@@@@@@@@@@@L @@@@@@@@@@@@@@@1 N@@@@Lh?3@@@@@@L?f?O2@@@@@@@@0M? O2@@@@@@@@@@0M ?J@@@@@@@@@0M?eI4@@@@@@@@@@)Xhe@@@@@@
J@@@@@@@@5hf?J@@H? ?J@@@@@H @@@@@@@@@@@@ @@@@@? ?I'@@@@@@@@@@6K? 7@@@@? ?@@@@@e?I@??@@@@@@? ?J@@@@@? @@@@H? @@@@5? ?@@@@?g?@@@@@@?h?@@@@@@@H? @@f?@@@he@@@5eW&@??N@@@@@@@@@@@@@@@@@@@@1? ?I@?4@0M 3@@@@? @@@@@? ?N@@@? @@@@@L ?@1?hf?@@@@@@@@@@@@@@@@@@@@@@)K? @@@@@@@@@@@@@@@@ ?@@@@1h?N@@@@@@1?e?O2@@@@@@@@0M? O2@@@@@@@@@(M? ?7@@@@@@@0M?gI'@@@@@@@@@1he@@@@@@
7@@@@@@@@Hhf?7@5 ?7@@@@5? @@@@@@@@@@@@ @@@@@? V4@@@@@@@@@@@6K? @@@@5? ?3@@@@g?@@@@@@L ?7@@@@5? ?J@@@@ ?J@@@@H? J@@@@?g?@@@@@5?h?@@@@@@@ ?@@@f?@@Hhe@@@He7@@?e3@@@@@@@@@@@@@@@@@@@@? N@@@@L @@@@@? @@@? @@@@@1 ?@@?hf?@@@@@@@@@@@@@@@@@@@@@@@@6K? @@@@@@@@@@@@@@@@ ?@@@@@he@@@@@@@??O2@@@@@@@@0M? O2@@@@@@@@@@0Y ?@@@@@@@he?V'@@@@@@@@@h?J@@@@@@
?J@@@@@@@@5?hfJ@@H J@@@@@H? @@@@@@@@@@@@L? 3@@@@L I4@@@@@@@@@@@6K? ?J@@@@H? ?N@@@@g?@@@@@@1 ?@@@@@H? ?7@@@@ ?7@@@5 7@@@@?g?@@@@@H?h?@@@@@@@ ?N@@f?@@Lhe3@@?e@@@?eV'@@@@@@@@@@@@@@@@@@@L ?@@@@1 @@@@5? @@@? @@@@@@ ?@@Lhf?3@@@@@@@@@@@@@@@@@@@@@@@@@@@6K? @@@@@@@@@@@@@@@@ ?@@@@@he@@@@@@@@@@@@@@@@@0M? O2@@@@@@@@@@0M ?@@@@@@5hfN@@@@@@@@@L?g?@@@@@@@
?7@@@@@@@(Y?hf7@5? ?W&@@@@5 @@@@@@@@@@@@1? N@@@@1 ?I'@@@@@@@@@@6K? ?7@@@5 @@@@g?@@@@@@@ J@@@@@ ?@@@@5 ?@@@@H @@@@5?g?@@@@@he?@@@@@@@ @@f?@@1heV4@?e@@@?e?N@@@@@@@@@@@@@@@@@@@1 ?@@@@@ @@@(Y? 3@@?eW2@@6X 3@@@@@ ?@@1hf?N@@@@@@@@@@@@@@@@@@@@@@@@@@@@@@6K @@@@@@@@@@@@@@@@ ?3@@@@L?h@@@@@@@@@@@@@@@0M? O2@@@@@@@@@@0M ?@@@@@@Hhf?3@@@@@@@@)Xg?N@@@@@@L?
J@@@@@@@@Hhf?J@@H? ?7@@@@@H 3@@@@@@@@@@@@? ?@@@@@ V4@@@@@@@@@@@6X? ?@@@@H 3@@@L?fJ@@@@@@@ 7@@@@@ ?@@@@H ?@@@@? @@@@H?gJ@@@@@heJ@@@@@@@ @@f?@@@ @@@?f@@@@@@@@@@@@@@@@@@@@ ?3@@@5 @@@H N@@L?W&@@@@1 N@@@@@ ?3@@ @@@@@@@@@@@@@@@@@@@@@@@@@@@@@@@@@@@@@@6KO@KO2@@@@@@@@@@@@@@@@@ ?N@@@@1?h@@@@@@@@@@@@@0M? O2@@@@@@@@@(M? ?@@@@@@?hf?V'@@@@@@@@1g?J@@@@@@1?
7@@@@@@@5?hfW&@5 ?@@@@@5? N@@@@@@@@@@@@L ?3@@@@L? I4@@@@@@@@@@)K J@@@@? N@@@1?f7@@@@@@@ @@@@@5 ?@@@@? ?@@@@? @@@@h7@@@@@he7@@@@@@@ @@f?@@@f@@@?h@@@?f3@@@@@@@@@@@@@@@@@@@ ?N@@@H 3@@? ?@@)?&@@@@@@ ?@@@@@ ?N@@ @@@@@@@@@@@@@@@@@@@@@@@@@@@@@@@@@@@@@@@@@@@@@@@@@@@@@@@@@@@@@@L? @@@@@?g?J@@@@@@@@@@0M W2@@@@@@@@@@(Y ?@@@@@@L N@@@@@@@@@L?f?@@@@@@@@?
?J@@@@@@@@H?hf7@@H J@@@@@H? ?@@@@@@@@@@@@1 ?N@@@@1? I4@@@@@@@@@@@6K? 7@@@@? ?@@@@?e?J@@@@@@@@ @@@@@H J@@@@? J@@@5? @@@@h@@@@@@he@@@@@@@5 @@L?e?3@5e?J@@@?h@@@?fN@@@@@@@@@@@@@@@@@@@ @@@L N@@L ?@@@@@@@@0M? ?@@@@@L? @@ @@@@@@@@@@@@@@@@@@@@@@@@@@@@@@@@@@@@@@@@@@@@@@@@@@@@@@@@@@@@@@@? @@@@@?gW&@@@@@@@@(M ?W&@@@@@@@@@@0Y? ?@@@@@@1 ?3@@@@@@@@)Xf?N@@@@@@@?
?7@@@@@@@5hf?J@@5? 7@@@@5 ?@@@@@@@@@@@@@ @@@@@? I4@@@@@@@@@@@6K? @@@@5? ?@@@@?e?7@@@@@@@@L? ?J@@@@@? 7@@@@? 7@@@H? @@@@h@@@@@@he@@@@@@@H @@1?e?V+Ye?7@@@?h3@@?f?@@@@@@@@@@@@@@@@@@5 @@@1 ?@@1 ?@@@@@@? ?@@@@@1? @@ @@@@@@?@@@@@@@@@@@@@@@@@@@@@@@@@@@@@@@@@@@@@@@@@@@@@@@@@@@@@@@H? 3@@@@Lf?O&@@@@@@@@@H? W&@@@@@@@@@0M? ?@@@@@@@ ?N@@@@@@@@@1g@@@@@@@?
J@@@@@@@@Hhf?7@(Y? ?J@@@@@H ?@@@@@@@@@@@@@ @@@@@L I4@@@@@@@@@@@6X? ?J@@@@H? J@@@@LeJ@@@@@@@@@1? ?7@@@@5? @@@@@? @@@@ @@@@h@@@@@@he@@@@@@@? @@@?h?@@@@?hV4@?f?@@@@@@@@@@@@@@@@@@H 3@@@ ?@@@ ?3@@@@5? ?@@@@@@? 3@L?hf@@@@@@?3@@@@@@@@@@@@@@@@@@@@@@@@@@@@@@@@@@@@@@@@@@@@@@@@@@@@@@L? N@@@@)K??O2@@@@@@@@@@@L? ?O&@@@@@@@(M ?@@@@@@@L? 3@@@@@@@@@L?f@@@@@@@?
7@@@@@@@5?hfJ@@H ?7@@@@5? ?3@@@@@@@@@@@@ 3@@@@1 I4@@@@@@@@@@)K ?7@@@@ ?O&@@@@)KO&@@@@@@@@@@? ?@@@@@H? @@@@5? @@@@ ?J@@@@h@@@@@5he@@@@@@@? @@@Lh?@@@@? ?@@@@@@@@@@@@@@@@@@? ?@@@ ?@@@ ?N@@@(Y? ?@@@@@@? N@1?hf3@@@@@LV'@@@@@@@@@@@@@@@@@@@@@@@@@@@@@@@@@@@@@@@@@@@@@@@@@@@@@1? ?@@@@@@@@@@@@@@@@@@@@@1? ?O2@@@@@@@@0Y? ?3@@@@@@)X N@@@@@@@@@)Xe?J@@@@@@@?
?J@@@@@@@@H?hf7@5? J@@@@@H? ?N@@@@@@@@@@@@L? N@@@@@ I'@@@@@@@@@@6K ?@@@@5 ?W2@@@@@@@@@@@@@@@@@@@@@@@@@@@@@@@@6X? ?@@@@@ @@@@H? @@@@ ?7@@@@h@@@@@Hhe@@@@@@@? @@@1h?@@@5? J@@@@@@@@@@@@@@@@@@? 7@@@ ?@@@ @@@H ?3@@@@@? ?@@?hfN@@@@@1?V'@@@@@@@@@@@@@@@@@@@@@@@@@@@@@@@@@@@@@@@@@@@@@@@@@@@@@? ?@@@@@@@@@@@@0M?@@@@@@@? ?O2@@@@@@@@(M? ?N@@@@@@@)K?hf?3@@@@@@@@@)K?O&@@@@@@@?
?7@@@@@@@@ @@H? 7@@@@5 @@@@@@@@@@@@1? ?@@@@@ ?V4@@@@@@@@@@@6X J@@@@H ?7@@@@@@@@@@@@@@@@@@@@@@@@@@@@@@@@@@,? J@@@@5 @@@@ ?J@@@@ ?@@@@@g?J@@@@@?he@@@@@@@? O26KhO26K 3@@@h?@@(Y? 7@@@@@@@@@@@@@@@@@@? @@@@L? ?@@@ @@@? ?N@@@@@L ?@@?hf?@@@@@@??V'@@@@@@@@@@@@@@@@@@@@@@@@@@@@@@@@@@@@@@@@@@@@@@@@@@@5? ?@@@@@@@@@@0M?e@@@@@@@? ?O2@@@@@@@@@0Y @@@@@@@@@@@6X?h?V'@@@@@@@@@@@@@@@@@@@@?
J@@@@@@@@5hf?J@5 ?J@@@@@H 3@@@@@@@@@@@@L ?@@@@@ ?I4@@@@@@@@@@)K? 7@@@@? ?@@@@@0?4@@@@@@@@@@@@@@@@@@@@@@@(?40Y? 7@@@@H ?J@@@@ ?7@@@@ ?@@@@5g?7@@@@@?h?J@@@@@@5? ?O2@@@@@@@@@@@@@@@@@@@@@@@@@@@@@@@@@@@@@@@@@@@@@@@@@6K N@@@h?@@H ?J@@@@@@@@@@@@@@@@@@@? @@@@1? ?3@@ @@@?eO2@@6X @@@@@1 ?@@?hf?@@@@@@?eN@@@@@@@@@@@@@@@@@@@@@@@@@@@@@@@@@@@@@@@@@@@@@@@@@@@H? ?@@@@@@@@(M?f3@@@@@@? ?O2@@@@@@@@(M? 3@@@@@@@@@@@)KheN@@@@@@@@@@@@@@@@@@@@?
7@@@@@@@@HhfW&@H ?7@@@@5? N@@@@@@@@@@@@1 ?3@@@@L? ?I4@@@@@@@@@@@6X ?J@@@@@? I'@@@@@@@@@@@@@@@@@(Y? ?J@@@@@? ?7@@@@ ?@@@@5 ?@@@@Hg?@@@@@@?h?7@@@@@@H? O2@@@@@@@@@@@@@@@@@@@@@@@@@@@@@@@@@@@@@@@@@@@@@@@@@@@@@@@@@@@@@? ?@@@@@@@@@@6X@@? W&@@@@@@@@@@@@@@@@@@5? @@@@@? ?N@@ @@@?O2@@@@@1 @@@@@@L?hf?@@?hf?3@@@@@?e?@@@@@@@@@@@@@@@@@@@@@@@@@@@@@@@@@@@@@@@@@@@@@@@@@@@ O2@@@@@@@@0YgN@@@@@@? ?W2@@@@@@@@@(Y N@@@@@@@@@@@@@@?h?3@@@@@@@@@@@@@@@@@@@?
?J@@@@@@@@5?hf7@5? J@@@@@H? ?@@@@@@@@@@@@@ ?N@@@@1? ?I4@@@@@@@@@@)K? ?7@@@@5? @@@@@@@@@@@@@@@@(Y ?7@@@@@? ?@@@@5 ?@@@@H ?@@@@?g?@@@@@@?h?@@@@@@@ O2@@@@@@@@@@@@@@@@@@@@@@@@@@@@@@@@@@@@@@@@@@@@@@@@@@@@@@@@@@@@@@@@@? ?@@@@@@@@@@@@@@@@6?@K?h?O&@@@@@@@@@@@@@@@@@@@H? ?J@@@@@? @@ 3@@@@@@@@@@@ 3@@@@@1?hf?@@Lhf?N@@@@@Le?@@@@@@@@@@@@@@@@@@@@@@@@@@@@@@@@@@@@@@@@@@@@@@@@@@@ O2@@@@@@@@@?h?@@@@@@? O&@@@@@@@@@0Y? ?3@@@@@@@@@@@@@?h?V'@@@@@@@@@@@@@@@@@5?
?7@@@@@@@@H?he?J@@H? 7@@@@5 ?@@@@@@@@@@@@@ @@@@@? ?I4@@@@@@@@@@@6X ?@@@@@H? ?7@@@@@@@@@@@@@@@@H? ?@@@@@5? ?@@@@H ?@@@@? J@@@@?g?@@@@@@?h?@@@@@@@hf?O2@@@@@@@@@@@@@@@@@@@@@@@@@@@@@@@@@@@@@@@@@@@@@@@@@@@@@@@@@@@@@@@@@@@@? ?@@@@@@@@@@@@@@@@@@@@6K?f?O2@@@@@@@@@@@@@@@@@@@@@ ?7@@@@@L @@L? N@@@@@@@0M N@@@@@@Lhf?3@1 @@@@@1e?@@@@@@@@@@@@@@@@@@@@@@@@@@@@@@@@@@@@@@@@@@?@@@@@@@@ ?O2@@@@@@@@@@@@?h?@@@@@@L W2@@@@@@@@@0M? ?V'@@@@@@@@@@@@?heV'@@@@@@@@@@@@@@@(Y?
J@@@@@@@@5hf?7@5 ?J@@@@@H ?@@@@@@@@@@@@@ @@@@@? ?I4@@@@@@@@@@)K? J@@@@@ ?@@@@@@@@@@@@@@@@@ ?@@@@@H? ?@@@@? J@@@@? 7@@@@?g?@@@@@@?h?@@@@@@@heO2@@@@@@@@@@@@@@@@@@@@@@@@@@@@@@@@@@@@@@@@@@@@@@@@@@@@@@@@@@@@@@@@@@@@@@@? O26K?O2@@@@6K??O@K ?O2@6K ?@@@@@@@@@@@@@@@@@@@@@@@@@@@@@@@@@@@@@@@@@@@@@@@@@@5 ?@@@@@@1 @@1? ?@@@@(M? ?@@@@@@1hf?N@@ @@@@@@e?3@@V'@@@@@@@@@@@@@@@@@@@@@@@@@@@@@@@@@@@@@@@@@@@@@@hf?O2@@@@@@@@@@@@@@Lh?3@@@@@1 ?O&@@@@@@@(M V'@@@@@@@@@@@?he?V'@@@@@@@@@@@@@@H
7@@@@@@@(YhfJ@@H ?7@@@@5? ?3@@@@@@@@@@@@L? 3@@@@L ?I4@@@@@@@@@@6K? 7@@@@5 ?3@@@@@@@@@@@@@0M? J@@@@@ J@@@@? 7@@@@? @@@@@?g?@@@@@@?h?@@@@@@@hO2@@@@@@@@@@@@@@@@@@@@@@@@@@@@@@@@@@@@@@@@@@@@@@@@@@@@@@@@@@@@@@@@@@@@@@@@@@@@@@@@@@@@@@@@@@@@@@@@@@@@@@@@@@@@@@@@@@@@@@@@@@@@@@@@@@@@@@@@@@@@@@@@@@@@@@@@@@@@@@@@@@@@@@@@@@@@@@@@@@@@@@@@@@@@@@@@@@@@@@@@@@@@@@@@@@@@@@@@@@@@@@@@@@@@@@@@@@@@@@@@@@@@@@@@6?@?2@@6KO@Ke?O26K?hfO@KO2@6?2@6KO@?2@@@6?2@@@@@@@@@@@@@@@@@@@@@@@@@@@@@@@@@@@@@@@@@@@@@@@@@@@@@@@@@@@@@@@@@@@@@@@@@@@@@@@@@@@@@@@@@@@@@@@@@@@@@@@@@@@@@@@@@@@@@@@@@@@@@@@@@@@@@@@@6K O@K?O@K?h?O@KgO@K?e?O2@@@@@@@@6KO@KhO26Kf?O@?26KO2@@@@@@@@@@@@@@@@@@@@@@@@@@@@6K??@@@@@@@@@@@@@@@@@@@@@@@@@@@@@@@@@@@@@@@@@@@@@@@@@@H ?@@@@@@@ 3@@? ?@@@(Y ?@@@@@@@ @@L?hf3@@@@@e?N@@?V'@@@@@@@@@@@@@@@@@@@@@@@@@@@@@@@@@@@@@@@@@@@@@he?O2@@@@@@@(Me?@@@@1h?N@@@@@@ ?O2@@@@@@@@(Y? ?V'@@@@@@@@@@?hfV'@@@@@@@@@@@@@L
?J@@@@@@@@H?hf7@5? J@@@@@H? ?N@@@@@@@@@@@@1? N@@@@1 ?I4@@@@@@@@@@@6K @@@@@H ?V'@@@@@@@@@@0M? 7@@@@@ 7@@@@? @@@@@? @@@@@?g?@@@@@@?h?@@@@@@@gO2@@@@@@@@@@@@@@@@@@@@@@@@@@@@@@@@@@@@@@@@@@@@@@@@@@@@@@@@@@@@@@@@@@@@@@@@@@@@@@@@@@@@@@@@@@@@@@@@@@@@@@@@@@@@@@@@@@@@@@@@@@@@@@@@@@@@@@@@@@@@@@@@@@@@@@@@@@@@@@@@@@@@@@@@@@@@@@@@@@@@@@@@@@@@@@@@@@@@@@@@@@@@@@@@@@@@@@@@@@@@@@@@@@@@@@@@@@@@@@@@@@@@@@@@@@@@@@@@@@@@@@@@@@@@@@@@@@@@@@@@@@@@@@@@@@@@@@@@@@@@@@@@@@@@@@@@@@@@@@@@@@@@@@@@@@@@@@@@@@@@@@@@@@@@@@@@@@@@@@@@@@@@@@@@@@@@@@@@@@@@@@@@@@@@@@@@@@@@@@@@@@@@@@@@@@@@@@@@@@@@@@@@@@@@@@@@@@@@@@@@@@@@@@@@@@@@@@@@@@@@@@@@@@@@@@@@@@@@@@@@@@@@@@@@@@@@@@@@@@@@@@@@@@@@@@@@@@@@@@@@@@@@@@@@@@@@@@@@@@@@@@@@@@@@@@@@@@@@@@@@@@@@@@@@@@@@@@@@@@@@@@@@@@@@@@@@@@@@@@@@@@@@@@@@@@@@@? ?@@@@@@@L? N@@? ?3@@ ?3@@@@@@ @@1?hfN@@@@@f@@eV4@@@@@@@@@@@@@@@@@@@@@@@@@@@@@@@@@@@@@@@@@@@@h?O2@@@@@@@@0Y?e?@@@@@he@@@@@@ ?O2@@@@@@@@@0Y V4@@@@@@@@@?hf?V4@@@@@@@@@@@@1
W&@@@@@@@5hf?J@@H? 7@@@@5 3@@@@@@@@@@@@? ?@@@@@ ?I4@@@@@@@@@@@6K @@@@@? V'@@@@@@0M @@@@@5 @@@@@? @@@@5? @@@@@?g?@@@@@5?h?@@@@@@@fO2@@@@@@@@@@@@@@@@@@@@@@@@@@@@@@@@@@@@@@@@@@@@@@@@@@@@@@@@@@@@@@@@@@@@@@@@@@@@@@@@@@@@@@@@@@@@@@@@@@@@@0?4@@@0MI4@@@@@@@@@@@@@@@@@@@@@@@@@@@@@@@@@@@@@@@@@@@@@@@@@0?@M?I4@@@@@@@@@@@@@@@@@@@@@@@@@@@@@@@@@@@@@@@@@@@@@@@@@@@@@@@@@@@@@@@@@@@@@@@@@@@@@@@@@@@@@@@@@@@@@@@@@@@@@@@@@@@@@@@@@@@@@@@@@@@@@@@@@@@@@@@@@@@@@@@@@@@@@@@@@@@@@@@@@@@@@@@@@@@@@@@@@@@@@@@@@@@@@@@@@@@@@@@@@@@@@@@@@@@@@@@@@@@@@@@@@@@@@@@@@@@@@@@@@@@@@@@@@@@@@@@@@@@@@@@@@@@@@@@@@@@@@@@@@@@@@@@@@@@@@@@@@@@@@@@@@@@@@@@@@@@@@@@@@@@@@@@@@@@@@@@@@@@@@@@@@@@@@@@@@@@@@@@@@@@@@@@@@@@@@@@@@@@@@@@@@@@@@@@@@@@@@@@@@@@@@@@@@@@@@@@@@@@@@@@@@@@@@@@@@@@@@@@@@@@@@@@5? ?@@@@@@@1? ?@@? ?N@@)KO2@@6X ?N@@@@@@ @@@?hf?@@@@@L?e@@f?I4@@@@@@@@@@@@@@@@@@@@@@@@@@@@@@@@@@@@@@@@@g?O2@@@@@@@@0M?f?@@@@@L?h@@@@@@L? ?O2@@@@@@@@(M? ?I4@@@@@5? ?I4@@@@@@@@@@5
7@@@@@@@@Hhf?7@5 ?J@@@@@H N@@@@@@@@@@@@L ?3@@@@L? ?I4@@@@@@@@@@@6K ?J@@@@5? ?V'@@@ @@@@@H @@@@@? @@@@H? @@@@5?gJ@@@@@H?hJ@@@@@@@eO2@@@@@@@@@@@@@@@@@@@@@@@@@@@@@@@@@@@@@@@@@@@@@@@@@@@@@@@@@@@@@@@@@@@@@@@@@@@@@@@? ?I40M?f?I4@@0M?he?I@?@?40MI@MfI4@@0Mf?I@?4@@@@@@@0?4@@@@@@@@@@@@@@@@@@@@@@@@@@@@@@@@@@@@@@@@@@@@@@@@@@@@@@@@@@@@@@@@@@@@@@@@@@@@@@@@@@@@@@@@@@@@@@@@@@@@@@@@@@@@@@@@@@@@@@@@@@@@@@@@@@@@@@@@@@@@@@@@@@@@@@@@@@@@@@@@@@@@@@@@@@@@@@@@@@@@@@@@@@@@@@@@@@@@@@@@@@@@@@@@@@@@@@@@@@@@@@@@@@@@@@@@@@@@@@@@@@@@@@@@@@@@@@@@@@@@@@@@@@@@@@@@@@@@@@@@@@@@@@@@@@@@@@@@@@@@@@@@@@@@@@@@@@@@@@@@@H? J@@?@@@@@? ?@@L @@@@@@@@@1 @@@@@@ @@@?hf?@@@@@1?e@@g?I4@@@@@@@@@@@@@@@@@@@@@@@@@@@@@@@@@@@@@@@L?e?O2@@@@@@@@0M?g?3@@@@1?h@@@@@@1? ?O2@@@@@@@@@0Y I(Y? ?I4@@@@@0Y
?J@@@@@@@@5?hfJ@@H ?7@@@@5? ?3@@@@@@@@@@@1 ?N@@@@1? ?I4@@@@@@@@@@@@6X? ?7@@@@H? N@@5 ?J@@@@@? ?J@@@@5? @@@@ @@@@H?g7@@@@@he7@@@@@@@W2@@@@@@@@@@@@@@@@@@@@@@@@@@@@@@@@@@@@@@@@@@@@@@@@@@@@@@@@@@@@@@@@@@@@@@@@@@@@@@@@@? I@M? ?I4@@@0Mg?I4@@@0M?I40M? ?I40M?I@MI4@@0M?e?I40MI4@@@@@@@@@@@@@@@@0M?I4@@@@0?4@0MI4@@@@@@@0?4@@@0?4@@@@@@@@@@@@@@@@@@@@@@@@@@@@@@@@@@@@@@@@@@@@@@@@@@@@@@@@@@@@@@@@@@@@@@@@@@@@@@@@@@@@@0?4@@@@@@@@@@@@@@@@@@@@@@@@@@@@@@@@@@@@@@@@@@@@@@@@@@@5 7@5?@@@@@? ?@@1 @@@@@@@@@@ @@@@@@ @@@Lhf?3@@@@@?e@@he?I4@@@@@@@@@@@@@@@@@@@@@@@@@@@@@@@@@@@1??O2@@@@@@@@(M?h?N@@@@@?h@@@@@@@? ?O2@@@@@@@@@0M
?7@@@@@@@@H?hf7@5? J@@@@(Y? ?N@@@@@@@@@@@@ @@@@@L ?I4@@@@@@@@@@@)X ?@@@@@ ?@@H ?7@@@@5? ?7@@@@H? @@@@ @@@@h@@@@@@he@@@@@@@@@@@@@@@@@@@@@@@@@@@@@@@@@@@@@@@@@@@@@@@@@@@@@@@@@@@@@@@@@@@@@@@@@@@@@@@@@@@@@@@@@@@? I'@@@@@@@@@@@@@@@@@@@@@@@@@@@@@@@@@@@@@@@@@@@@@@@H @@H?3@@@@? ?@@@ @@@@@@@(M? @@@@@@L?hf3@@1hf?N@@@@@?e@@ ?I4@@@@@@@@@@@@@@@@@@@@@@@@@@@@W2@@@@@@@@@0Yhf@@@@@?h3@@@@@@? ?O2@@@@@@@@@(M
J@@@@@@@@5 @@H? 7@@@@H @@@@@@@@@@@@L? 3@@@@1 ?I4@@@@@@@@@@)K? J@@@@5 ?@@? ?@@@@@H? ?@@@@@ ?J@@@@ @@@@h@@@@@@he@@@@@@@@@@@@@@@@@@@@@@@@@@@@@@@@@@@@@@@@@@@@@@@@@@@@@@@@@@@@@@@@@@@@@@@@@@@@@@@@@@@@@@@@@@@? ?N@@@@@@@@@@@@@@@@@@@@@@@@@@@@@@@@@@@@@@@@?@@@@@5? @@eN@@@@? ?@@@ @@@@@@(Y 3@@@@@1?hfN@@@ @@@@@Le@@ ?I4@@@@@@@@@@@@@@@@@@@@@@@@@@@@@@0M? @@@@@?hN@@@@@@L ?W2@@@@@@@@@@0Y?
7@@@@@@@@Hhf?J@5 ?J@@@@@? 3@@@@@@@@@@@1? N@@@@@ ?I'@@@@@@@@@@@6K 7@@@@H J@5? J@@@@@ ?@@@@@ ?7@@@5 ?J@@@@h@@@@@@he@@@@@@@@@@@@@@@@@@@@@@@@@@@@@@@@@@@@@@@@@@@@@@@@@@@@@@@@@@@@@@@@@@@@@@@@@@@@@@@@@@@@@@@@@@@? @@@@@@@@@@@@@@@@@@@@@@@@@@@@@@@@@@@@@@@@@@@@@@H? ?J@@e?@@@@L ?3@@L? @@@@@(Y? N@@@@@@?hf?@@@ @@@@@1e@@L? @@@@@@@@@@@@@@@@@@@@@@@@@@@(M? 3@@@@Lh?@@@@@@1 O&@@@@@@@@@0M?
?J@@@@@@@@5?hfW&@H ?7@@@@5? N@@@@@@@@@@@@? ?@@@@@ V4@@@@@@@@@@@@6K @@@@@? 7@H? 7@@@@@ ?@@@@5 ?@@@@H ?7@@@@h@@@@@@he@@@@@@@@@@@@@@@@@@@@@@@@@@@@@@@@@@@@@@@@@@@@@@@@@@@@@@@@@@@@@@@@@@@@@@@@@@@@@@@@@@@@@@@@@@5? 3@@@@@@@@@@@@@@@@@@@@@@@@@@@@@@@@@@@@@@@@@@@@5 ?7@@e?@@@@1 ?N@@1? 3@@@(Y ?@@@@@@?hf?@@@ @@@@@@e@@1? @@?I'@@@@@@@@@@@@@@@@@@@@@0Y N@@@@1h?3@@@@@@ O2@@@@@@@@@0M?
?7@@@@@@@@H?he?W&@5? J@@@@@H? ?3@@@@@@@@@@@L ?3@@@@ I4@@@@@@@@@@@@6K ?J@@@@5? ?J@@ @@@@@5 ?@@@@H ?@@@@? ?@@@@@h@@@@@@he@@@@@@@@@@@@@@@@@@@@@@@@@@@@@@@@@@@@@@@@@@@@@@@@@@@@@@@@@@@@@@@@@@@@@@@@@@@@@@@@@@@@@@@@@@H? N@@@@@@@@@@@@@@@@@@@@@@@@@@@@@@@@@@@@@@@@@@@(Y ?@@5e?@@@@@ @@@? N@@@H? ?@@@@@@?hf?@@@ @@@@@@e@@@? @@eN@@@@@@@@@@@@@@@@@@@0M ?@@@@@h?N@@@@@@ O2@@@@@@@@@0M?
J@@@@@@@@5hf?7@@H? ?W&@@@@5 ?N@@@@@@@@@@@1 ?N@@@@L? ?I'@@@@@@@@@@@6K ?7@@@@H? ?7@@ @@@@@H J@@@@? J@@@@? ?@@@@@h@@@@@@he@@@@@@@@@@@@@@@@@@@@@@@@@@@@@@@@@@@@@@@@@@@@@@@@@@@@@@@@@@@@@@@@@@@@@@@@@@@@@@@@@@@@@@@@@@ ?@@@@@@@@@@@@@@@@@@@@@@@@@@@@@@@@@@@@@@@@@@@H? ?@@He?@@@@@ @@@? ?@@@ ?@@@@@@? 3@@@@@L?@@@? ?J@@e?3@@@@@@@@@@@@@@@@(M ?@@@@@he@@@@@@ O2@@@@@@@@@0M?
7@@@@@@@@Hhf?@@5 ?7@@@@@H @@@@@@@@@@@@ @@@@1? V4@@@@@@@@@@@@6K ?@@@@@ ?@@@ @@@@@? 7@@@@? 7@@@@? ?@@@@@h@@@@@5he@@@@@@@@@@@@@@@@@@@@@@@@@@@@@@@@@@@@@@@@@@@@@@@@@@@@@@@@@@@@@@@@@@@@@@@@@@@@@@@@@@@@@@@@@5 ?@@@@@@@@@@@@@@@@@@@@@@@@@@@@@@@@@@@@@@@@@@@ J@@?e?@@@@@ @@@? ?@@@ ?3@@@@@? N@@@@@1?@@@? ?@@@e?N@@@@@@@@@@@@@@@(Y? ?3@@@@he@@@@@@L? W2@@@@@@@@@(M?
@@@@@@@@5?hfJ@@H J@@@@@5? 3@@@@@@@@@@@L? @@@@@? I4@@@@@@@@@@@@6X ?@@@@@ ?@@5 ?J@@@@5? @@@@@? @@@@@? ?@@@@5h@@@@@Hhe@@@@@@@@@@@@@@@@@@@@@@@@@@@@@@@@@@@@@@@@@@@@@@@@@@@@@@@@@@@@@@@@@@@@@@@@@@@@@@@@@@@@@@@@0Y ?3@@@@@@@@@@@@@@@@@@@@@@@@@@@@@@@@@@@@@@@@@5 7@@?e?3@@@@ @@@? ?@@@ ?N@@@@@? ?@@@@@@?@@@? ?N@@f@@@@@@@@@@@@@@@H ?N@@@@he3@@@@@1? ?W&@@@@@@@@@0Y
?J@@@@@@@@H?he?W&@@? 7@@@@@H? N@@@@@@@@@@@1? @@@@@L I4@@@@@@@@@@@)K? J@@@@5 ?@@H ?7@@@@H? @@@@5? @@@@5? ?@@@@Hg?J@@@@@?h?J@@@@@@@@@@@@@@@@@@@@@@@@@@@@@@@@@@@@@@@@@@@@@@@@@@@@@@@@@@@@@0?@?40M ?N@@@V4@@@@@@@@@@@@@@@@@@@@@@@@@@@@@@@@@@@@H @@5?e?N@@@@L? 3@@? ?3@@ @@@@@L ?@@@@@@?@@@? @@f@@@@@@@@@@@@@@@? @@@@L?hN@@@@@@? O&@@@@@@@(M?
W&@@@@@@@5hf?7@@5? ?J@@@@@5 ?@@@@@@@@@@@@? 3@@@@1 I4@@@@@@@@@@@@6X 7@@@@H J@@? J@@@@@ @@@@H? @@@@H? ?@@@@?g?7@@@@@?h?7@@@@@@@@@@@@@@@@@@@@@@@@@@@@@@@@@@@@@@@@@@0M @@@?e?I4@@@@@@@@@@@@@@@@@@@@@@@@@@@@@@@5? @@H?f@@@@1? N@@? ?N@@ @@@@@1 ?3@@@@@?@@@? ?J@@W2@@@@@@@@@@@@@@@@@? @@@@1?h?@@@@@@? O2@@@@@@@@0Y
7@@@@@@@@Hhf?@@(Y? ?7@@@@@H ?3@@@@@@@@@@@L N@@@@@ I4@@@@@@@@@@@)K? ?J@@@@@? 7@5? 7@@@@5 ?J@@@@ ?J@@@@ ?@@@@?g?@@@@@@?h?@@@@@@@@@@@@@@@@@@@@@@@@@@@@@@@0M @@@? ?I4@@@@@@@@@@@@0M?@@@@H? @@g@@@@@? ?@@L @@ @@@@@@ ?N@@@@@@@@@L ?7@@@@@@@@@@@@@@@@@@@@@L @@@@@?h?@@@@@@L ?W2@@@@@@@@@0M
?J@@@@@@@@5?hfJ@@H J@@@@@5? ?N@@@@@@@@@@@1 ?@@@@@L? ?)X? I4@@@@@@@@@@@6K? ?7@@@@@? 3@H? @@@@@H ?7@@@@ ?7@@@@ J@@@@?g?@@@@@@?h?@@@@@@@@@@@@@@@@@@@@@@@@@@@@0M? @@@? ?I@Mf@@@@ @@@@@@@@@@@@@? ?@@1 @@L? @@@@@@ @@@@@@@@@)X? J@@@@@@@@@@@@@@@@@@@@@@1 @@@@@?h?@@@@@@1 O&@@@@@@@(M?
?7@@@@@@@@H?he?W&@5? 7@@@@@H? 3@@@@@@@@@@@ ?3@@@@1? J@)X I4@@@@@@@@@@@6K? J@@@@@5? V' ?J@@@@@? ?@@@@@ ?@@@@5 7@@@@?g?@@@@@@?h?@@@@@@@@@@@@@@@@@@@@@@@@@0M @@@? @@@@@5 ?J@@@@@@@@@@@@@? ?3@@ @@1? @@@@@@ @@@@@@@@@@)X ?W&@@@@@@@@@@@@@@@@@@@@@@@ 3@@@@Lh?3@@@@@@ O2@@@@@@@@(Y
J@@@@@@@@5hf?7@@H? ?J@@@@@5 V'@@@@@@@@@@L? ?N@@@@@? 7@@1 I'@@@@@@@@@@@6K? 7@@@@@H? ?7@@@@@? ?@@@@5 ?@@@@H @@@@5?g?@@@@@5?hJ@@@@@@@@@@@@@@@@@@@@@@@(M @@@? @@@@@H ?7@@@@@(MI'@@@@? ?N@@ @@@? @@@@@@ 3@@@@@@@@@@1 O&@@@@@@@@@@@@@@@@@@@@@@@@ N@@@@1h?N@@@@@@ W2@@@@@@@@@0Y?
7@@@@@@@(Yhf?@@5 ?7@@@@(Y ?N@@@@@@@@@@1? @@@@@? ?J@@@@L? ?V4@@@@@@@@@@@@@6X @@@@@@ ?@@@@@5? ?@@@@H ?@@@@? @@@@H?g?@@@@@H?h7@@@@@@@@@@@@@@@@@@@@@@0Y? @@@? @@@@@? J@@@@@(YeN@@@@L @@ 3@@? 3@@@@@L? N@@@@@@@@@@@ ?O2@@@@@@@@@(?'@@@@@@@@@@@@@@@ ?@@@@@he@@@@@@L? ?O&@@@@@@@(M
@@@@@@@@H?hfJ@@H J@@@@@H? @@@@@@@@@@@L 3@@@@L ?7@@@@)X ?I4@@@@@@@@@@@@)K? ?J@@@@@@ J@@@@@H? ?@@@@? J@@@@? @@@@h?@@@@@he@@@@@@@@@@@@@@@@@@@@0M @@@? @@@@@? 7@@@@(Y?e?@@@@1 @@ N@@L N@@@@@1? ?@@@@@@@@@@@ ?O2@@@@@@@@@@(Y??@@@@@@@@@@@@@@@ ?@@@@@L?h@@@@@@1? ?O2@@@@@@@@(Y?
?J@@@@@@@5 7@5? 7@@@@5 3@@@@@@@@@@1 N@@@@1 ?@@@@@@1 ?I4@@@@@@@@@@@@6K? ?7@@@@@@ 7@@@@5 J@@@@? 7@@@@? @@@@hJ@@@@@he@@@@@@@@@@@@@@@@@@(M @@@? @@@@5? ?J@@@@(Yf?@@@@@ @@L? ?@@1 ?@@@@@@? ?@@@@@(?'@@@hf?W2@@@@@@@@@@@@He7@@@@@@@@@@@@@@@L? ?3@@@@1?h@@@@@@@? ?O2@@@@@@@@@0Y
?7@@@@@@@Hhf?J@@H? ?J@@@@@H N@@@@@@@@@@@ ?@@@@@ J@@@@@@@L? ?I4@@@@@@@@@@@@6K? J@@@@@@@ @@@@@H 7@@@5? @@@@@? @@@@h7@@@@@he@@@@@@@@@@@@@@@@@0Y? 3@@? ?J@@@@H? W&@@@(Y?f?@@@@@ @@1? ?@@@ ?@@@@@@? ?@@@@@eN@@@hfO&@@@@@@@@@@@@5?e@@@@@@@@@@@@@@@@1? ?N@@@@@?h3@@@@@@? ?W2@@@@@@@@@0M
J@@@@@@@@?hfW&@5 ?7@@@@@? ?3@@@@@@@@@@L? ?@@@@@ 7@@@@@@@)X ?I4@@@@@@@@@@@@6K? 7@@@@@@@@6K? ?J@@@@@? @@@@H? @@@@5? @@@@h@@@@@@he@@@@@@@@@@@@@@@0M? N@@? ?7@@@@ 7@@@(Yg?@@@@@ @@@? ?@@@ ?@@@@@@? ?3@@@@1??@@@heO2@@@@@@@@0Me@@H?e@@@@@@@@@@@@@@@@@? @@@@@?hN@@@@@@? O&@@@@@@@@0M
?W&@@@@@@@5?hf7@@H J@@@@@5? ?N@@@@@@@@@@1? ?@@@@@ ?J@@@@@@@@@1 ?I4@@@@@@@@@@@@6K? @@@@@@@@@@@@6K ?7@@@X @@@@ @@@@H? @@@@h@@@@@@he@@@@@@@@@@@@@0M? ?@@L ?@@@@@ ?J@@@(Y?g?@@@@@ 3@@? ?3@@ ?3@@@@@? ?N@@@@@?hfO2@@@@@@@@(Mf@@L?e@@@@@@@@@@@@@@@@@? 3@@@@Lh?@@@@@@L ?W2@@@@@@@@@0M
?7@@@@@@@(Y?hf@@5? 7@@@@(Y? 3@@@@@@@@@@? ?3@@@@L? ?7@@@@@?e@@L? ?I'@@@@@@@@@@@@6K? @@@@@@@@@@@@@@@6K? ?@@@@1 @@@@ @@@@ @@@@h@@@@@@he@@@@@@@@@@@(M? ?@@1 ?@@@@5 W&@@@Hh?@@@@@@@@@@? N@@? ?N@@ ?N@@@@@L @@@@@LheO2@@@@@@@@@0Y?f@@1??J@@@@@@@@@@@@@@@@@? N@@@@1h?@@@@@@1 O&@@@@@@@@0M
J@@@@@@@@Hhf?J@@H? ?J@@@@@H V'@@@@@@@@@L ?N@@@@1? ?@@@@@@?e3@)X V4@@@@@@@@@@@@@6K? @@@@@@@@@@@@@@@@@@6K J@@@@@L? ?J@@@@ ?J@@@@ @@@5h@@@@@5h?J@@@@@@@@@@(Y ?@@@ J@@@@H 7@@@5?h?3@@@@@@@@5? ?@@? @@L? @@@@@1 @@@@@1g?W2@@@@@@@@@@0M?g@@@?W&@@@@@@@@@@@@@@@@@? ?@@@@@h?@@@@@@@ O2@@@@@@@@(M
7@@@@@@@5?hfW&@5 ?7@@@@5? ?N@@@@@@@@@1 @@@@@? J@@@@@@?eV'@1 ?I'@@@@@@@@@@@@@6Xhf?J@@@@@@@@@@@@@@@@@@@@@@@@6K 7@@@@@1? ?7@@@@ ?7@@@@ @@@Hh@@@@@Hh?7@@@@@@@@@@H? ?@@@ 7@@@@? ?J@@@@H?h?N@@@@@@@(Y? ?@@L @@1? @@@@@@ @@@@@@gO&@@@@@@@@@(M?h@@@W&@@@@@@@@@@@@@@@@@@? ?@@@@@h?3@@@@@@ W2@@@@@@@@@(Y?
?J@@@@@@@@H?hf7@@H J@@@@@H? @@@@@@@@@@ 3@@@@L 7@@@@@@?e?V'@L? V4@@@@@@@@@@@@@)K?he?7@@@@@@@@@@@@@@@@@@@@@@@@@@6K 3@@@@@@? ?@@@@@ ?@@@@5 ?J@@@?h@@@@@?h?@@@@@@@@@@5 ?@@@L? @@@@@? ?7@@@5hf@@@@@@0Y ?@@1 @@@? @@@@@@ @@@@@@fO2@@@@@@@@@@0Yhe@@@@@@@@@@@@@@@@@@@@@@@L ?@@@@@h?N@@@@@@L? ?O&@@@@@@@@@0Y
?7@@@@@@@5 @@5? 7@@@@5 @@@@@@@@@@ N@@@@1 @@@@@@@?fV'1? I4@@@@@@@@@@@@@6K?h?@@@@@@@@@@@@@@@@@@@@@@@@@@@@@@@@6K? V'@@@@@@@6K? J@@@@@ ?@@@@H ?7@@@?g?J@@@@@?h?@@@@@@@@@(Y ?@@@1? @@@@@? ?@@@(Yhf@@@@@? ?3@@ @@@? 3@@@@@ @@@@@@eO2@@@@@@@@@@0Mhf@@@@@@@@@@@@@@@@@@@@@@@1 ?@@@@@L?h@@@@@@1? ?O2@@@@@@@@0M?
J@@@@@@@@Hhf?J@@H? ?J@@@@@H 3@@@@@@@@@L? ?@@@@@ ?J@@@@@@5?f?N@L I'@@@@@@@@@@@@@@6KgJ@@@@@(MI4@@@@@@@@@@@@@@@@@@@@@@@@@@@6K? ?N@@@@@@@@@@@@@@@@@@@@@@@@@@@@@@@@@@@@@@@@@@@@@@@@@@@@@6K??O2@@@@@@@@6K?O@K? ?O2@@6K?f?O&@@@@@ J@@@@? ?@@@@?g?7@@@@@?h?@@@@@@@@(Y? ?@@@@? 3@@@@? J@@@H?hf3@@@@? ?N@@ 3@@? N@@@@@ @@@@@@@@@@@@@@@@@0M? @@@@@@@@@@@@@@@@@@@@@@@@L? ?3@@@@1?h3@@@@@@? ?W2@@@@@@@@(M?
7@@@@@@@5?hfW&@5 ?7@@@@5? N@@@@@@@@@1? ?@@@@@ ?7@@@@@(Y?g@1 ?V4@@@@@@@@@@@@@@@6Kf7@@@@@H?gI4@@@@@@@@@@@@@@@@@@@@@@@@@6K? '@ @@@@@@@@@@@@@@@@@@@@@@@@@@@@@@@@@@@@@@@@@@@@@@@@@@@@@@@@@@@@@@@@@@@@@@@@@@@@@@@@@@@@@@@@@@@@@@@@@@@@@@@@@@@@@@@@@@@@@@@@@@@@@@@@@@@@@@@@@@@@@@@@@@@@@@@@@@@@@@@@@@@@@@@@6Ke?O2@@@@@@@@@@@@@@@@@@@@@@@@@@@@@@@@@@@@@@@@@@@@@@@@@@@@@@@@@@@@@@@@@@@@@@@@@@@ 7@@@@? ?@@@@?g?@@@@@@?h?@@@@@@@(Y ?@@@5? ?@@@@? 7@@5 N@@@@L @@ N@@? ?@@@@@L? ?W.?h3@@@@@@@@@@@@@@0M? @@@@@@@@@@@@@@@@@@@@@@@@)X ?N@@@@@?hN@@@@@@L O&@@@@@@@@0Y
?J@@@@@@@@H?hf7@(Y J@@@@@H? ?3@@@@@@@@@L ?3@@@@ J@@@@@@Hh3@L? ?I4@@@@@@@@@@@@@6X?J@@@@@5hfI4@@@@@@@@@@@@@@@@@@@@@@@@@6K? V' @@@@@@@@@@@@@@@@@@@@@@@@@@@@@@@@@@@@@@@@@@@@@@@@@@@@@@@@@@@@@@@@@@@@@@@@@@@@@@@@@@@@@@@@@@@@@@@@@@@@@@@@@@@@@@@@@@@@@@@@@@@@@@@@@@@@@@@@@@@@@@@@@@@@@@@@@@@@@@@@@@@@@@@@@@@@@@@@@@@@@@@@@@@@@@@@@@@@@@@@@@@@@@@@@@@@@@@@@@@@@@@@@@@@@@@@@@@@@@@@@@@@@@@@@@ @@@@@? ?@@@@?g?@@@@@@?hJ@@@@@@@H? ?@@@H? 7@@@5? @@@H ?@@@@1 @@ ?@@L ?@@@@@1? O&Y?h?@@@@@@@@@@@@(M? 3@@@@@@@@@@@@@@@@@@@@@@@@1 @@@@@?h?@@@@@@1 O2@@@@@@@@0M
?7@@@@@@@5hf?J@@H? 7@@@@5 ?N@@@@@@@@@1 ?N@@@@L? 7@@@@@5?hN@1? ?I4@@@@@@@@@@@@)?&@@@@@H I4@@@@@@@@@@@@@@@@@@@@@@@@6K @@@@@@@@@@@@@@@@@@@@@@@@@@@@@@@@@@@@@@@@@@@@@@@@@@@@@@@@@@@@@@@@@@@@@@@@@@@@@@@@@@@@@@@@@@@@@@@@@@@@@@@@@@@@@@@@@@@@@@@@@@@@@@@@@@@@@@@@@@@@@@@@@@@@@@@@@@@@@@@@@@@@@@@@@@@@@@@@@@@@@@@@@@@@@@@@@@@@@@@@@@@@@@@@@@@@@@@@@@@@@@@@@@@@@@@@@@@@@@@@@@@@@@@@@@ @@@@5? ?@@@@?g?@@@@@5?h7@@@@@@5 ?@@@L? @@@@ @@@? ?@@@@@ @@L? ?@@1 ?@@@@@@? ?O2@@@@@6Kf?O&@@@@@@@@@@@0Y ?@@@@@@@@@@@@@@@@@@@@@@@@@L? @@@@@Lh?@@@@@@@ ?W2@@@@@@@@@(M
J@@@@@@@@Hhf?7@5 ?J@@@@@H 3@@@@@@@@@L? @@@@1? @@@@@@H?h?3@? ?I4@@@@@@@@@@@@(Y@@@5? I4@@@@@@@@@@@@@@@@@@@@@@@@@@6K 3@@@@@@@@@@@@@@@@@@@@@@@@@@@@@@@@@@@@@@@@@@@@@@@@@@@@0MI@MI4@@@@@@@@@@@@@@@@@@@@@@@@@@@@@@@@@@@@@@@@@@@@@@@@@@@@@@@@@@@@@@@@@@@@@@@@@@@@@@@@@@@@@@@@@@@@@@@@@@@@@@@@@@@@@@@@@@@@@@@@@@@@@@@@@@@@@@@@@@@@@@@@@@@@@@@@@@@@@@@@@@@@@@@@@@@@@@@@@@@@@@@@@@@@@@ @@@@H? ?@@@@?g?@@@@@H?h@@@@@@@H ?@@@1? @@@@1? @@@? ?@@@@@eW2@@@?hf@@1? ?@@@ ?@@@@@@?hf?W2@@@@@@@@@6K?O2@@@@@@@@@@@0M 7@@@@@@@@@@@@@@@@@@@@@@@@@1? 3@@@@1h?@@@@@@@ O&@@@@@@@@@0Y?
?W&@@@@@@@5?hfJ@@H W&@@@@5? V'@@@@@@@@1? @@@@@? @@@@@@he?N@L ?I'@@@@@@@@@(Y?@@@H? ?I'@@@@@@@@@@@@@@@@@@@@@@@@6K? N@@@@@@@0?40M? ?I4@@@@@@@@@@@@@@@@@@@hf?J@@@@ J@@@5?g?@@@@@he@@@@@@@? ?@@@@? @@@@@? @@@? ?@@@@@e7@@@@?hf@@@? ?3@@ ?@@@@@@?hfW&@@@@@@@@@@@@@@@@@@@@@@@@(M ?J@@@@@@@@@@@@@@@@@@@@@@@@@@@L N@@@@@h?3@@@@@@ O2@@@@@@@@@?
?7@@@@@@@@H?he?W&@5? 7@@@@@H? ?V'@@@@@@@@L 3@@@@L ?J@@@@@5hf3)X? V4@@@@@@@@e?@@@ V4@@@@@@@@@@@@@@@@@@@@@@@@@@@6K? ?@@@@@(M ?I4@@@@@hf?7@@@@ 7@@@H?g?@@@@@he@@@@@@5? ?@@@@? @@@@@? @@@? ?3@@@@?J@@@@5?hf3@@? ?N@@ ?3@@@@@Lhe?W&@@@@@@@@@@@@@@@@@@@@@@@@@H? ?7@@@@@@@@@@@@@@@@@@@@@@@@@@@)X? ?@@@@@h?N@@@@@@L? O2@@@@@@@@@@@?
J@@@@@@@@@hf?7@@H? @@@@@5 N@@@@@@@@)X? N@@@@1 ?7@@@@@HhfV')X ?I4@@@1?J@@5 I4@@@@@@@@@@@@@@@@@@@@@@@@@@6Kh?@@? ?@@@@@H? ?@@@hf?@@@@@ @@@@hJ@@@@@he@@@@@@H? ?@@@@? @@@@@? ?J@@@? ?N@@@@W&@@@0Y?hfN@@? @@ ?N@@@@@1he?7@@@@@@@@@@@@@@@@@@@@@@@@@@ ?@@@@@@@@@@@@@@@@@@@@@@@@@@@@@1? ?@@@@@he@@@@@@1? W2@@@@@@@@@(M?
7@@@@@@@@5hfJ@@5 ?J@@@@@H ?3@@@@@@@@)X ?@@@@@ J@@@@@5?hf?V'1 ?I'T&@@? ?I4@@@@@@@@@@@@@@@@@@@@@@@@@@6?@K?e?@@? ?@@@@@ ?@@@hf?@@@@@ @@@@h7@@@@@he@@@@@@ ?@@@@? @@@@@? ?7@@@? @@@@@@@(M? ?@@? @@L? @@@@@@heJ@@@@@@@@@@@@@@@@@@@@@@@@@@@ ?@@@@@@@@@@@@@@@@@@@@@@@@@@@@@@@@L ?@@@@@L?h@@@@@@@? ?W&@@@@@@@@@(Y
?J@@@@@@@@(Yhf7@@H ?7@@@@5? ?N@@@@@@@@@)X? ?@@@@@ 7@@@@@H? V'L? N@@@@1 ?I4@@@@@@@@@@@@@@@@@@@@@@@@@@6K??@@? ?@@@@@ ?@@@hf?@@@@@ @@@@h@@@@@@h?J@@@@@@ ?@@@@? @@@@@? ?@@@@? @@@@@@(Y ?@@??O2@@@ @@1? @@@@@@he7@@@@@@@@@@@@@@@@@@@@@@@@@@@ J@@@@@@@@@@@@@@@@@@@@@@@@@@@@@@@@)X?W26X ?3@@@@1?h@@@@@@@? O&@@@@@@@@@0Y?
?7@@@@@@@@H?he?J@@5? J@@@@@H? 3@@@@@@@@@)X ?3@@@@ @@@@@@ ?N1? ?@@@@@ I4@@@@@@@@@@@@@@@@@@@@@@@@@@@? ?@@@@@ ?@@@hf?@@@@@ @@@@h@@@@@@h?7@@@@@@ ?@@@@? 3@@@@? ?@@@@? @@@@@@H? ?@@@@@@@@5 @@@? @@@@@@he@@@@@@@@@@@@@@@@@@(Me@@@@@@ ?W&@@@@@@@@@@@@@@@@@@@@@@@@@@@@@@@@@)?&@@1 ?N@@@@@?h@@@@@@@L O2@@@@@@@@@0M?
J@@@@@@@@5hf?7@@H? ?W&@@@@5 V'@@@@@@@@@)X? ?N@@@@L? ?J@@@@@5 @L ?@@@@@ ?I4@@@@@@@@@@@@@@@@@@@@@@@@@6K ?@@@@@L? ?@@@hfJ@@@@5 @@@@h@@@@@@h?@@@@@@@ ?@@@@? N@@@@? ?@@@@? @@@@@@ ?@@@@@@@0Y 3@@? 3@@@@@L?h@@@@@@@@@@@@@@@@@@H?e3@@@@@L? ?7@@@@@@@@@@@@@@e@@@@@@@@@@@@@@@@@@@@@@@@ @@@@@Lh3@@@@@@1 O2@@@@@@@@@0M?
7@@@@@@@@Hhf?@@5 ?7@@@@@H ?V'@@@@@@@@@)K @@@@1? ?7@@@@@H 31 ?@@@@@ ?I4@@@@@@@@@@@@@@@@@@@@@@@@@6K ?@@@@@1? ?@@@hf7@@@@H @@@@h@@@@@@h?@@@@@@@ ?@@@@? ?@@@@? ?@@@@L 3@@@@@ ?3@@@@0M N@@? N@@@@@1?h3@@@@@@@@@@@@@@@@@fN@@@@@1? ?@@@@@@@@@@@@@@5e3@@@@@@@@@@@@@@@@@@@@@@@ 3@@@@1hN@@@@@@@ W2@@@@@@@@@0M?
?J@@@@@@@@@?hfJ@@H ?@@@@@@? N@@@@@@@@@@@6X 3@@@@L ?@@@@@@? N@L? ?@@@@@ I4@@@@@@@@@@@@@@@@@@@@@@@@@@@6K? ?@@@@@@? ?3@@hf@@@@@? ?J@@@@h@@@@@5h?@@@@@@@ ?3@@@? ?@@@@L ?@@@@1 N@@@@5 ?N@@@? ?@@? ?@@@@@@?hN@@@@@@@@@@@@@@@@5f?@@@@@@? J@@@@@@@@@@@@@(YeN@@@@@@@@@@@@@@@@@@@@@@@ N@@@@@h?@@@@@@@L? ?O&@@@@@@@@(M?
?7@@@@@@@@5?hf7@5? J@@@@@5? ?3@@@@@@@@@@@)K? N@@@@1 J@@@@@5? ?@1? ?3@@@@L? ?I4@@@@@@@@@@@@@@@@@@@@@@@@@@@6Khf?@@@@@@? ?N@@hf@@@@@? ?7@@@@h@@@@@Hh?@@@@@@@ ?N@@@? ?@@@@1 ?@@@@@ ?@@@@HeW26X @@@? ?@@L ?@@@@@@?h?3@@@@@@@@@@@@@@(Yf?3@@@@@? ?W&@@@@@@@@@@@@@H?e?3@@@@@@@@@@@@@@@@@@@@@@ ?@@@@@h?3@@@@@@1? ?O2@@@@@@@@@0Y
J@@@@@@@@@H?he?J@@H? ?W&@@@@(Y? ?N@@@@@@@@@@@@@6?26Khf?@@@@@ 7@@@@@H? ?3@L ?N@@@@1? I4@@@@@@@@@@@@@@@@@@@@@@@@@@6Kh?@@@@@@L @@hf@@@@@? ?@@@@5h@@@@@?h?@@@@@@5 @@@? ?@@@@@ ?@@@@@ ?@@@@??W&@@1 @@@? ?@@1 ?3@@@@@?h?N@@@@@@@@@@@@@@H?f?N@@@@@? W&@@@@@@@@@@@@@@f?V'@@@@@@@@@@@@@@@@@@@@@ ?@@@@@h?N@@@@@@@? ?O2@@@@@@@@@0M
7@@@@@@@@5hf?7@5 ?7@@@@@H 3@@@@@@@@@@@@@@@@@@@6Kh?@@@@@ @@@@@@ ?V')X? @@@@@? ?I4@@@@@@@@@@@@@@@@@@@@@@@@6K?f?@@@@@@)X? @@hf@@@@5? ?@@@@Hh@@@@@?h?@@@@@@H @@@? ?3@@@@ ?@@@@@L? ?3@@@L?7@@@5 @@@? ?@@@ ?N@@@@@Lhe3@@@@@@@@@@@@@h@@@@@L ?W&@@@@@@@@@@@@@@@gN@@@@@@@@@@@@@@@@@@@@@ ?@@@@@L?h@@@@@@@? ?W2@@@@@@@@@(M
@@@@@@@@@HhfJ@@H ?@@@@@5? V'@@@@@@@@@@@@@@@@@@@@@@6Kf?@@@@@L? ?J@@@@@5 V'1? @@@@@? ?O2@6X ?I'@@@@@@@@@@@@@@@@@@@@@@@@@@@6K?@@@@@@@1? @@L?he@@@@H? ?@@@@?h@@@@@?hJ@@@@@@? @@@L ?N@@@@ ?3@@@@)K ?N@@@)X@@@(Y @@@? ?@@@ @@@@@1heV4@@@@@@@@@(M?h@@@@@1 ?7@@@@@@@@@@@@@@@5g?3@@@@@@@@@@@@@@@@@@@@L? ?@@@@@1?h@@@@@@@? O&@@@@@@@@@0Y?
?J@@@@@@@@5?hf7@5? J@@@@@H? ?V'@@@@@@@@@@@@@@@@@@@@@@@@@@@@@@@@@1? ?7@@@@@H ?V'L 3@@@@L ?O2@@@@)KO2@@@6K N@@@@@@@@@@@@@@@@@@@@@@@@@@@@@@@@@@@@@@? @@1?he@@@@ ?@@@@?g?J@@@@@?h7@@@@@@? 3@@1 @@@@L? ?N@@@@@@@? @@@@@@@(Y? 3@@? ?3@@ @@@@@@hfI4@@@@@@0Yhe3@@@@@ ?@@@@@@@@@@@@@@@(Yg?V'@@@@@@@@@@@@@@@@@@@1? ?3@@@@@?h@@@@@@@L ?W2@@@@@@@@@@(M?
W&@@@@@@@@H?he?J@@H? 7@@@@5 V4@@@@@@@@@@@@@@@@@@@@@@@@@@@@@@@@@? ?@@@@@@? N)X? N@@@@1hfO2@@@@@@@@@@@@@@@@@@@@@6K? ?3@@@@@@@@@@@@@@@@@@@@@@@@@@@@@@@@@@@@@? @@@?h?J@@@@ ?@@@@?g?7@@@@@?h@@@@@@@? N@@@ @@@@1? @@@@@@@? @@@@@@@H N@@??O26X?hf?N@@L? @@@@@@ I4@@0MhfN@@@@@ J@@@@@@@@@@@@@@@H?hN@@@@@@@@@@@@@@@@@@@@? ?N@@@@@?h3@@@@@@1 O&@@@@@@@@@@0Y
?W&@@@@@@@@5hf?7@5 ?J@@@@@H I'@@@@@@@@@@@@@@@@@@@@@@@@@@@@@@@L J@@@@@5? ?31? ?@@@@@h?O2@@@@@@@@@@@@@@@@@@@@@@@@@@@6K ?N@@@@@@@@@@@@@@@@@@@@@@@@@@@@@@@@@@@@@L @@@?h?7@@@@ ?@@@@?g?@@@@@@?h@@@@@@@? ?@@@ 3@@@@? @@@@@@@? @@@@@@@? ?@@@@@@@1? @@1? @@@@@@ ?@@@@@ 7@@@@@@@@@@@@@@@he?3@@@@@@@@@@@@@@@@@@@? @@@@@LhN@@@@@@@ ?@@@@@@@@@@(M?
W&@@@@@@@@(YhfJ@@H ?7@@@@5? ?V4@@@@@@@@@@@@@@@@@@@@@@@@@@@@@@1 7@@@@@H? ?V'? ?@@@@@gO2@@@@@@@@@@@@@@@@@@@@@@@@@@@@@@@@@6K? @@@@@@@@@(MI4@@@@@@@@@@@@@@@@@@@@@@@@1 @@@?h?@@@@5 ?@@@@?g?@@@@@@?h@@@@@@5? ?@@@ N@@@@L 3@@@@@@? 3@@@@@5? ?@@@@@@@5? @@@? 3@@@@@L? ?@@@@@L?hf@@@@@@@@@@@@@@@5he?N@@@@@@@@@@@@@@@@@@@? @@@@@1h?@@@@@@@ ?@@@@@@@@@0Y
?W&@@@@@@@@@H?hf7@5? J@@@@@H? ?I4@@@@@@@@@@@@@@@@@@@@@@@@@@@@@ @@@@@@ ?@@@@@@@@@@@@@@@@@@@@@@@@@@@0Mf?I4@@@@@@@@@@@@@@6K? @@@@@@@@@?gI4@@@@@@@@@@@@@@@@@@@@ @@@?hJ@@@@H ?@@@5?g?@@@@@5?h@@@@@@H? ?@@@ ?@@@@1 N@@@@@@? N@@@@@H? ?@@@@@@0Y? @@@? N@@@@@1? ?@@@@@1?he?J@@@@@@@@@@@@@@@Hhf@@@@@@@@@@@@@@@@@@@? 3@@@@@h?@@@@@@@ ?O2@@@@@@@@@0M
?7@@@@@@@@@@hf?J@@H? ?W&@@@@5 I'@@@@@@@@@@@@@@@@@@@@@@@@@@ ?J@@@@@5 ?/X? ?@@@@@@@@@@@@@@@@@@@@@@@0MhfI4@@@@@@@@@@@@@@@@6K ?J@@@@@@@@@1hI4@@@@@@@@@@@@@@@@@@L? @@@?h7@@@@? J@@@H?g?@@@@@H?h@@@@@@ ?@@@ ?@@@@@ ?@@@@@@? ?@@@@@ ?@@@(M 3@@? ?@@@@@@? ?@@@@@@?he?7@@@@@@@@@@@@@@5?hf@@@@@@@@@@@@@@@@@@@L N@@@@@h?3@@@@@@L? ?O2@@@@@@@@@0M
J@@@@@@@@@@5hf?7@5 ?7@@@@@H ?V'@@@@@@@@@@@@@@@@@@@@@@@@@L? ?7@@@@@H ?N1? ?3@@@@@@@@@@@@@@@@@@@0M? I4@@@@@@@@@@@@@@6K ?7@@@@@@@@@@L?hI@M?I4@@@@@@@@@@@@1? @@@?h@@@@@? 7@@@h?@@@@@h?J@@@@@@ ?@@@ ?3@@@@ ?@@@@@@? ?@@@@@ ?@@@H? N@@? ?@@@@@@? ?3@@@@@?he?@@@@@@@@@@@@@@@H?hf@@@@@@@@@@@@@@@@@@@1 ?@@@@@L?g?N@@@@@@1? W2@@@6K? ?W2@@@@@@@@@0M
?W&@@@@@@@@@@HhfJ@@H J@@@@@5? V'@@@@@@@@@@@@@@@@@@@@@@@@1? J@@@@@5? @L ?N@@@@@@@@@@@@@@@0M? I4@@@@@@@@@@@@@@@6K?hf?@@@@@@@@@@@1? ?I4@@@@@@@@@@? @@@?h@@@@@? @@@@h?@@@@@h?7@@@@@@ ?@@@ ?N@@@@L? ?@@@@@@? ?@@@@5 ?@@@ ?@@? ?@@@@@@? ?N@@@@@?heJ@@@@@@@@@@@@@@5 @@@@@@@@@@@@@@@@@@@@L? ?3@@@@1?h@@@@@@@L 7@@@@@@6X? O&@@@@@@@@0M
?7@@@@@@@@@@5?hf7@5? 7@@@@@H? ?V4@@@@@@@@@@@@@@@@@@@@@@@@? 7@@@@@H? 31 @@@@@@@@@@@0M? ?I4@@@@@@@@@@@@@@@@@6KhJ@@@@@@@@@@@@? ?@@@@@@@@? @@@?h@@@@@? @@@@hJ@@@@@h?@@@@@@@ ?@@@ 3@@@1? ?@@@@@@? ?@@@@H ?3@@ ?@@L ?@@@@@@? @@@@@Lhe7@@@@@@@@@@@@@@H @@@@@@@@@@@@@@@@@@@@)X ?N@@@@@?h3@@@@@@1 @@@@@@@@1? O2@@@@@@@@(M
J@@@@@@@@@@@H?he?J@(Y? @@@@@5 I4@0MI4@@@@@@@@@@@@@@@@L @@@@@@ V'L? @@@@@@@@@0M? ?I4@@@@@@@@@@@@@@@@6K?e?O&@@@@@@@@@@@@? ?@@@@@@@@? @@@?g?J@@@@@? @@@@h7@@@@@h?@@@@@@@ ?@@@ N@@@@L ?@@@@@@? ?@@@@? ?N@@ ?@@1 ?@@@@@@? @@@@@1he@@@@@@@@@@@@@@@? @@@@@@@@@@@@@@@@@@@@@1 @@@@@?hN@@@@@@@ @@@@@@@@@L O2@@@@@@@@@0Y?
7@@@@@@@@@@5hf?7@H ?J@@@@@H I'@@@@@@@@@1 ?J@@@@@5 ?N)X 3@@@@@ ?I4@@@@@@@@@@@@@@@@@@@@@@@@@@@@@@@@? ?@@@@@@@@? @@@?g?7@@@@@? @@@@h@@@@@@h?@@@@@@@ ?@@@L? ?@@@@1 ?3@@@@@? ?3@@@? @@L? ?@@@ ?3@@@@@L @@@@@@h?J@@@@@@@@@@@@@@5? @@@@@@@@@@@@@@@@@@@@@@ @@@@@?h?@@@@@@@ @@@@@@@@@1 O2@@@@@@@@@0M?
?J@@@@@@@@@@(YhfJ@5? ?7@@@@5? ?N@@@@@@@@@@ ?7@@@@@H @) N@@@@@ I4@@@@@@@@@@@@@@@@@@@@@@@?@@@@5? ?@@@@@@@@L @@@?g?@@@@@5? ?J@@@@h@@@@@@h?@@@@@@5 ?3@@1? ?3@@@@L? ?N@@@@@? ?N@@@? @@1??O2@@?hf?3@@ ?N@@@@@1 @@@@@@h?7@@@@@@@@@@@@@@H? @@@@@@@@@@@@@@@@@@@@@@ 3@@@@Lh?@@@@@@@ ?@@@@@@@@@@@@@@@ O2@@@@@@@@@0M?
W&@@@@@@@@@@H?hf7@H? J@@@@@H? @@@@@@@@@@ ?@@@@@@? ?@@@@@ ?@@6X?h?I'@@@@@@@@@@@@@@@@@@?@@@@H? ?3@@@@@@@1 @@@?g?@@@@@H? ?7@@@5h@@@@@5h?@@@@@@H ?N@@@? ?N@@@@1? @@@@@? @@@? @@@W2@@@@?hf?N@@ @@@@@@ @@@@@@h?@@@@@@@@@@@@@@5 @@@@@@@@@@@@@@@@@@@@@@ N@@@@1h?@@@@@@@ ?N@@@@@@@@@@@@@@ W2@@@@@@@@@(M?
7@@@@@@@@@@@hf?J@5 7@@@@5 @@@@@@@@@@ J@@@@@5? '6X? ?@@@@@ ?@@@1?heV4@@@@@@@@@@@@@@@@@?@@@5 ?N@@@@@@@@ @@@?g?@@@@@ ?@@@@Hh@@@@@Hh?@@@@@@? @@@?eW2@@6K @@@@@? @@@@@? @@@? 3@@@@@@@5? @@ @@@@@@ 3@@@@@hJ@@@@@@@@@@@@@@H 3@@@@@@@@@@@@@@@@@@@@@ ?@@@@@h?3@@@@@@L? 3@@@@@@@@@@@@@ ?O&@@@@@@@@@0Y
?J@@@@@@@@@@@5hfW&@H ?J@@@@@H @@@@@@@@@@L? 7@@@@@H? V'1? ?@@@@@L? ?3@@@? I4@@@@@@@@@@@@@@@@(Y @@@@@@@@ @@@?gJ@@@@@ ?@@@@?h@@@@@?h?@@@@@@? @@@??W&@@@@@6K 3@@@@L @@@@@? 3@@L N@@@@@@0Y? @@ @@@@@@ N@@@@@h7@@@@@@@@@@@@@@? N@@@@@@@@@@@@@@@@@@@@@ ?@@@@@L?g?N@@@@@@1? N@@@@@@@@@@@@@L? ?O2@@@@@@@@@0M
?7@@@@@@@@@@@Hhf7@@? ?7@@@@5? @@@@@@@@@@1? @@@@@@ ?V'L ?@@@@@1? ?N@@@? ?I'@@@@@@@@@@@@0Y? @@@@@@@@ @@@?g7@@@@@ ?@@@@?h@@@@@?h?@@@@@@? @@@L?7@@@@@@@@@6K? N@@@@1 @@@@@L N@@1 ?@@@@(M? @@L? @@@@@@L? ?@@@@@h@@@@@@@@@@@@@@5? ?@@@@@@@@@@@@@@@@@@@@@ ?@@@@@1?h@@@@@@@? J@@@@@e@@@@@@1? ?@@@@@@@@@@@0M
J@@@@@@@@@@@5?he?J@@5? J@@@@@H? 3@@@@@@@@@@? ?J@@@@@5 N1 ?@@@@@@? @@@L V'@@@@@@@@@(M? @@@@@@@@L? @@@?g@@@@@@ ?@@@@?h@@@@@?hJ@@@@@@? @@@)X@@@@@@@@@@@@@@@6Khf?3@@@@L? @@@@@1 ?@@@ ?@@@(Y @@1? 3@@@@@1? ?@@@@@L?g@@@@@@@@@@@@@@H? ?@@@@@@@@@@@@@@@@@@@@@ ?3@@@@@?h@@@@@@@? 7@@@@@e@@@@@@@L ?@@@@@@@@@0M
7@@@@@@@@@@@H?he?7@@H? 7@@@@5 N@@@@@@@@@@L ?7@@@@@H ?3L? ?@@@@@@? @@@)K? @@@@@@@@0Y @@@@@@@@1? @@@?g@@@@@5 ?@@@@?h@@@@@?h7@@@@@@? @@@@@@@@@@@@@@@@@@@@@@6Khe?N@@@@1? @@@@@@ ?@@@ ?@@@H? 3@@? N@@@@@@? ?@@@@@1?g@@@@@@@@@@@@@@ ?@@@@@@@@@@@@@@@@@@@@5 ?N@@@@@Lh@@@@@@@L @@@@@@@@@@@@@@@1 ?O2@@@@@@@@@(M
?J@@@@@@@@@@@5hf?@@5 ?J@@@@@H ?@@@@@@@@@@1 ?@@@@@5? ?V/? ?@@@@@@? ?@6KfO2@@@@@@@@@6K? ?7@@@@@@@? @@@@@@@@@? @@@?f?J@@@@@H ?@@@@?g?J@@@@@?h@@@@@@@? @@@@@@@@@@@@@@@@@@@@@@@@6Khe3@@@@L @@@@@@ ?@@@ ?@@@ N@@? ?@@@@@@? ?@@@@@@?g@@@@@@@@@@@@@@ ?@@@@@@@@@@@@@@@@@@@@H @@@@@1h@@@@@@@1 O2@@@@@@@@@@@@@@@@@@@@ ?O2@@@@@@@@@@0Y?
?7@@@@@@@@@@@HhfJ@@H W&@@@@@? ?@@@@@@@@@@@ ?@@@@@H? ?3@@@@@L ?@@@@@@@@@@@@@@@@@@@@6X?hf?@@@@@@@@? @@@@@@@@@? @@@Lf?7@@@@@? ?@@@@?g?7@@@@@?h@@@@@@@? @@@@@@@@@@@@@@@@@@@@@@@@@@@@6KgN@@@@)X? @@@@@@ ?@@@ ?@@@ ?@@??O2@@@ ?@@@@@@? ?3@@@@@?g@@@@@@@@@@@@@@ ?3@@@@@@@@@@@@@@@@@@@L @@@@@@h3@@@@@@@ W2@@@@@@@@@@@@@@@@@@@@@@L? ?W2@@@@@@@@@@0M?
?@@@@@@@@@@@5?hf7@5? 7@@@@@5? ?3@@@@@@@@@@ J@@@@5 ?)X? ?N@@@@@1 I4@@@@@@@@@@@@@@@@@@1?hf?@@@@@@@@? 3@@@@@@@@? @@@1f?@@@@@@? ?@@@@?g?@@@@@@?h@@@@@@5? @@@@@@@@@@@@@@@@@@@@@@@@@@@@@@6Xf?@@@@@1? @@@@@@ ?@@@ ?@@@ ?@@@@@@@@5 ?@@@@@@? ?N@@@@@Lg@@@@@@@@@@@@@@ ?N@@@@@@@@@@@@@@@@@@@1 @@@@@@hN@@@@@@@ ?W&@@@@@@@@@@@@@@@@@@@@@@@)K O&@@@@@@@@@(M?
J@@@@@@@@@@@H?he?J@@H? ?J@@@@@(Y? ?N@@@@@@@@@@L? ?W&@@@@H ?31? @@@@@@ ?I4@@@@@@@@@@@@@@Lhf?@@@@@@@@? N@@@@@@@@? 3@@@f?@@@@@@? J@@@5?g?@@@@@5?h@@@@@@H? 3@@@@@@@@@@@@@@@@@@@@@@@@@@@@@@)K?e?@@@@@@L @@@@@@ ?3@@ ?3@@ ?@@@@@@@0Y ?3@@@@@? @@@@@1g@@@@@@@@@@@@@@ @@@@@@@@@@@@@@@@@@@@ 3@@@@@L?g?3@@@@@@ W&@@@@@@@@@@@@@@@@@@@@@@@@@@6X W2@@@@@@@@@@0Y
7@@@@@@@@@@@hf?7@5 ?7@@@@@H @@@@@@@@@@1? ?7@@@@@? ?N@L @@@@@@ I'@@@@@@@@@@@)K?h?@@@@@@@@@@? ?@@@@@@@@L N@@@f?@@@@@5? 7@@@h?@@@@@H?h@@@@@@ N@@@@@@@@@@@@@@@@@@@@@@@@@@@@@@@@@@6X@@@@@@1 @@@@@@L? ?N@@L? ?N@@ ?@@@@@(M ?N@@@@@L W26X 3@@@@@f?J@@@@@@@@@@@@@@ @@@@@@@@@@@@@@@@@@@@ N@@@@@1?g?N@@@@@@L? ?O&@@@@@@@@@@@@@@@@@@@@@@@@@@@@)X? ?O&@@@@@@@@@0M
?J@@@@@@@@@@@@hfJ@@? J@@@@@5? @@@@@@@@@@@? J@@@@@@? 31 @@@@@@ ?V'@@@@@@@@@@@@6X?h@@@@@@@@@? ?@@@@@@@@1 ?@@@f?@@@@@H? @@@@1?g?@@@@@he@@@@@@ J@@@@@@@@@@@@@@@@@@@@@@@@@@@@@@@@@@@@@@@@@@@ @@@@@@1? @@1? @@L? ?@@@@@H? @@@@@1 7@@1 N@@@@@f?7@@@@@@@@@@@@@@ @@@@@@@@@@@@@@@@@@@@ ?@@@@@@?h@@@@@@1? ?O2@@@@@@@@@@@@@@@@@@@@@@@@@@@@@@@)K ?O2@@@@@@@@@(M
O&@@@@@@@@@@@@he?O&@@)K? 7@@@@@H? 3@@@@@@@@@@? 7@@@@@5? V' 3@@@@@ V'@@@@@@@@@@@@)?g?7@@@@@@@@@L ?@@@@@@@@@ ?@@@f?@@@@@ @@@@5?g?@@@@@h?J@@@@@@ 7@@@@@@@@@@@@@@@@@@@@@@@@@@@@@@@@@@@@@@@@@@@@6X? 3@@@@@@? @@@? @@1? ?3@@@5 @@@@@@ 3@@@ ?@@@@@f?@@@@@@@@@@@@@@@ @@@@@@@@@@@@@@@@@@@@ ?3@@@@@?h@@@@@@@? ?W2@@@@@@@@@@@@@@@@@@@@@@@@@@@@@@@@@@@@6X? O2@@@@@@@@@@@0Y?
W2@6KO2@@@@@@@@@@@@@@@@@@@@@@@@@@@@@@@@@@@6?2@@@@@@@@@@@@@@@@@@@@6?2@@@@@@@@@@@@@@@@@@@@@@@@@@@@@@@@@@@@@@@@@@@@@@@@@@@@@@@@@@@@@@@@@@@@@@@@@@@@@@@@@@@@ ?J@@@@@@ N@@@@@@@@@@? @@@@@@H? N@@@@@ ?V'@@@@@ J@@@@@@@@@@)X? ?@@@@@@@@@ ?@@@fJ@@@@@ @@@@H?gJ@@@@@h?7@@@@@@ 3@@@@@@@@@@@@@@@@@@@@@@@@@@@@@@@@@@@@@@@@@@@@@1? N@@@@@@? @@@? @@@? ?N@@@H @@@@@@ N@@@ ?@@@@@L?e?@@@@@@@@@@@@@@@ @@@@@@@@@@@@@@@@@@@@ ?N@@@@@?h@@@@@@@L ?7@@@@@@@@@@@@@@@?h?@@@@@@@@@@@@@)XhfW2@@@@@@@@@@@0M?
7@@@@@@@@@@@@@@@@@@@@@@@@@@@@@@@@@@@@@@@@@@@@@@@@@@@@@@@@@@@@@@@@@@@@@@@@@@@@@@@@@@@@@@@@@@@@@@@@@@@@@@@@@@@@@@@@@@@@@@@@@@@@@@@@@@@@@@@@@@@@@@@@@@@@@@@ ?7@@@@@5 ?@@@@@@@@@@L @@@@@@ ?/X? ?@@@@@L? V4@@@@hf?W&@@@@@@@@@@@)X ?3@@@@@@@@ ?@@@f7@@@@@ @@@@h7@@@@@h?@@@@@@@ N@@@@@@@@@@@@@@@@@@@@@@@@@@@@@@@@@@@@@@@@@@@@@@L ?@@@@@@? 3@@? @@@? @@@? 3@@@@@ ?3@@ ?@@@@@1?e?@@@@@@@@@@@@@@@L? @@@@@@@@@@@@@@@@@@@@ @@@@@Lh3@@@@@@1 ?@@@@@@@@@@@@@@@5?h?3@@@@@@@@@@@@@)X?h?O&@@@@@@@@@(M
@@@@@@@@@@@@@@@@@@@@@@@@@@@@@@@@@@@@@@@@@@@@@@@@@@@@@@@@@@@@@@@@@@@@@@@@@@@@@@@@@@@@@@@@@@@@@@@@@@@@@@@@@@@@@@@@@@@@@@@@@@@@@@@@@@@@@@@@@@@@@@@@@@@@@@@@@@6K J@@@@@(Y ?3@@@@@@@@@1hf?J@@@@@5 ?N1? ?3@@@@1? ?@@@hf?*@@@@@@@@@@@@@)X? ?N@@@@@@@@ ?@@@f@@@@@@ @@@@h@@@@@@h?@@@@@@@ ?@@@(?4@@@@@@@@@@@@@@@@@@@@@@@@@@@@@@@@@@@@@@@@)K? ?@@@@@@? N@@? 3@@? @@@? N@@@@@L?hf?N@@ ?@@@@@@?e?@@@@@@@@@@@@@@@1? @@@@@@@@@@@@@@@@@@@@L? @@@@@1hN@@@@@@@ J@@@@@@@@@0MW@@@H?h?N@@@@V4@@@@@@@@)Xg?W2@@@@@@@@@@(Y?
?J@@@@@@@@@@@@@@@@@@@@@@@@@@@@@@@@@@@@@@@@@@@@@@@@@@@@@@@@@@@@@@@@@@@@@@@@@@@@@@@@@@@@@@@@@@@@@@@@@@@@@@@@@@@@@@@@@@@@@@@@@@@@@@@@@@@@@@@@@@@@@@@@@@@@@@@@@@@@@6X? 7@@@@@H? ?N@@@@@@@@@@hf?7@@@@@H 3L ?N@@@@@? ?@@@hf?N@@@@@@@@@@@@@@1? @@@@@@@@ ?@@@f@@@@@5 @@@@h@@@@@@h?@@@@@@5 ?@@@H??I4@@@@@@@@@@@@@@@@@@@@@@@@@@@@@@@@@@@@@@@@6K? ?@@@@@@? ?@@L N@@? 3@@??W26K? ?@@@@@1? @@ ?@@@@@@?e?@@@@@@@@@@@@@@@@L ?J@@@@@@@@@@@@@@@@@@@@1? @@@@@@h?@@@@@@@ 7@@@@@@@0Me7@@@hf@@@@eI'@@@@@@@1gO&@@@@@@@@@@0Y
?7@@@@@@@@@@@@@@@@@@@@@@@@@@@@@@@@@@@@@@@@@@@@@@@@@@@@@@@@@@@@@@@@@@@@@@@@@@@@@@@@@@@@@@@@@@@@@@@@@@@@@@@@@@@@@@@@@@@@@@@@@@@@@@@@@@@@@@@@@@@@@@@@@@@@@@@@@@@@@@)X @@@@@5 3@@@@@@@@@L?he?@@@@@5? N)X? @@@@@? ?@@@ @@@@@@@@@@@@@@@? @@@@@@@@L? ?@@@f@@@@@H @@@@h@@@@@@h?@@@@@@H ?@@@h?I4@@@@@@@@@@@@@@@@@@@@@@@@@@@@@@@@@@@@6X? ?@@@@@@? ?@@1 ?@@? N@@?O&@@@@@@ ?@@@@@@? @@L?hf?3@@@@@Le?@@@@@@@@@@@@@@@@1 W&@@@@@@@@@@@@@@@@@@@@@? 3@@@@@h?@@@@@@@L? @@@@@@@?f@@@@hf3@@@L??V'@@@@@@@L?eO2@@@@@@@@@@(M
?@@@@@@@@@@@@@@@@@@@@@@@@@@@@@@@@@@@@@@@@@@@@@@@@@@@@@@@@@@@@@@@@@@@@@@@@@@@@@@@@@@@@@@@@@@@@@@@@@@@@@@@@@@@@@@@@@@@@@@@@@@@@@@@@@@@@@@@@@@@@@@@@@@@@@@@@@@@@@@@@)X?he?J@@@@@H N@@@@@@@@@1?he?@@@@@H? ?31? @@@@@? ?@@@ @@@@@@@@@@@@@@@L @@@@@@@@1? ?@@@L??J@@@@@? @@@@h@@@@@5h?@@@@@@? ?@@@hfI'@@@@@@@@@@@@@@@@@@@@@@@@@@@@@@@@@@)X ?3@@@@@? ?@@@ ?@@L ?@@@@@@@@@@@ ?@@@@@@? 3@1?hf?N@@@@@1e?@@@@@@@@@@@@@@@@@ ?W&@@@@@@@@@@@@@@@@@@@@@@? N@@@@@h?@@@@@@@1? @@@@@@@@6?2@@@@@hfN@@@)XeV'@@@@@@)KO2@@@@@@@@@@@0Y?
?@@@@@@@@@@@@@@@@@@@@@@@@@@@@@@@@@@@@@@@@@@@@@@@@@@@@@@@@@@@@@@@@@@@@@@@@@@@@@@@@@@@@@@@@@@@@@@@@@@@@@@@@@@@@@@@@@@@@@@@@@@@@@@@@@@@@@@@@@@@@@@@@@@@@@@@@@@@@@@@@@)XheW&@@@@5? ?@@@@@@@@@@?heJ@@@@@ ?N@L 3@@@@L ?@@@ @@@@@@@@@@@@@@@1 @@@@@@@@@? ?@@@1??7@@@@@? @@@@h@@@@@Hh?@@@@@@? ?@@@hf?V'@@@@@@@@@@@@@@@@@@@@@@@@@@@@@@@@@@)K? ?N@@@@@L ?3@@ ?@@1 ?@@@@@@@0M ?@@@@@@? N@@? @@@@@@e?@@@@@@@@@@@@@@@@@@6X?heO&@@@@@@@@@@@@@@@@@@@@@@@? ?@@@@@L?g?3@@@@@@@? @@@@@@@@@@@@@@@@hf?@@@@)X??V'@@@@@@@@@@@@@@@@@@0M?
?@@@@@@@@@@@@@@@@@@@@@@@@@@@@@@@@@@@@@@@@@@@@@@@@@@@@@@@@@@@@@@@@@@@@@@@@@@@@@@@@@@@@@@@@@@@@@@@@@@@@@@@@@@@@@@@@@@@@@@@@@@@@@@@@@@@@@@@@@@@@@@@@@@@@@@@@@@@@@@@@@@1he7@@@@@H? ?3@@@@@@@@@?he7@@@@5 31 N@@@@1 ?@@5 @@@@@@@@@@@@@@@@ 3@@@@@@@@? ?@@@@??@@@@@@? ?J@@@@h@@@@@?h?@@@@@@? ?@@@L?hfV'@@@@@@@@@@@@@@@@@@@@@@@@@@@@@@@@@@@6X? @@@@@1 ?N@@ ?@@@ ?@@@@(M? ?3@@@@@? ?@@? @@@@@@e?@@@@@@@@@@@@@@@@@@@)Kg?O2@@@@@@@@@@@@@@@@@@@@@@@@@@? ?@@@@@1?g?N@@@@@@@? @@@@@@@@@@@@@@@@hf?@@@@@1?eN@@@@@@@@@@@@@@@0M
?3@@@@@@@@@@@@@@@@@@@@@@@@@@@@@@@@@@@@@@@@@@@@@@@@@@@@@@@@@@@@@@@@@@@@@@@@@@@@@@@@@@@@@@@@@@@@@@@@@@@@@@@@@@@@@@@@@@@@@@@@@@@@@@@@@@@@@@@@@@@@@@@@@@@@@@@@@@@@@@@@@@h?J@@@@@5 ?N@@@@@@@@@?he@@@@@H V'L? ?@@@@@ ?@@Hhf?J@@@@@@@@@@@@@@@@ N@@@@@@@@? J@@@@??@@@@@@? ?7@@@5g?J@@@@@?hJ@@@@@@? ?@@@1?hf?S@@@@@@@@@@@@@@@@@@@@@@@@@@@@@@@@@@@@)K @@@@@@ @@L? ?@@@ ?@@@(Y ?N@@@@@? ?@@? 3@@@@@e?@@@@@@@@@@@@@@@@@@@@@@@@@@@@@@@@@@@@@@@@@@@@@@@@@@@@@@@@? ?@@@@@@?h@@@@@@@L @@@@@@@@@@@@@@@@@@6Kh?3@@@@@Le?@@@@@@@@@@@@@0M
?V'@@@@@@@@(M?eI@M?eI40Mf?I4@0MhI@?@?4@0?4@@@@@@@@@@@@@@@@@0?4@@@@@0MI4@@@@@@@@@@@@@@@@@@@@@@@@@@@@@@@@@@@@@@@@@@@@@@@@@@@@@@@@@@@@@@@@@@@@@@@@@@@@@@@@@L?g?7@@@@@H 3@@@@@@@@Lh?J@@@@@? ?N)X ?@@@@@ ?@@?hf?7@@@@@@@@@@@(M? ?@@@@@@@@L W2@@@6?@K? ?O&@@@@@@@@@@@5? ?@@@@Hg?7@@@@@?h7@@@@@5? ?3@@@?hf@@U??@@@@@@@@@@@@@@@@@@@@@@@@@@@@@@@@@@@@6K? @@@@@@ @@1? ?3@@ ?@@@H? @@@@@L ?@@? N@@@@@L??@@@@@@@@@@@@@@@@@@@@@@@@@@@@@@@@@@@@@@@@@@@@@@@@@@@@@@@@@@? ?3@@@@@?h3@@@@@@1 @@@@@@@@@@@@@@@@@@@@@@g?N@@@@@1eJ@@@@@@@@@@@0M
V'@@@@@@@H ?I'@@? I4@@@@@@@@1?gJ@@@@@5? N@@@@@@@@1h?7@@@@5? 3)X? ?@@@@@L? ?@5?hfJ@@@@@@@@@@@0Y ?@@@@@@@@1 ?O&@@@@@@@@@@@@@@@@@@@@@@@@@@@@@@@@@@@@@@@@@@@@@@@@@@@@@@@@@@0Y? ?@@@@?g?@@@@@@?h@@@@@@H? ?N@@@?f?@6Xe?J@@1??@@@?I4@@@@@@@@@@@@@@@@@@@@@@@@@@@@@@@@@6K @@@@@@f?W2@he@@@? ?N@@ ?3@@ @@@@@1 ?@@L ?@@@@@1??@@@@@@@@@@@@@@@@@@@@@@@@@@@@@@@@@@@@@@@@@@@@@@@@@@@@@@@@@@? ?N@@@@@?hN@@@@@@@ 3@@@@@@@@@@@@@@@@@@@@@L?g@@@@@@?O&@@@@@@@@@(M
?N@@@@@@@L ?W-X ?@5? ?@@@@@@@@?g7@@@@@H? ?@@@@@@@@@L?gJ@@@@@H? V'1? ?@@@@@1? J@H?hf7@@@@@@@@@0M ?3@@@@@@@@ ?O2@@@@@@@@@@@@@@@@@@@@@@@@@@@@@@@@@@@@@@@@@@@@@@@@@@@@@@@@@@@ ?@@@@?g?@@@@@@?h@@@@@@ O@K?O2@@@@6X @@@Lf?@@1e?7@@@?J@@@e?I4@@@@@@@@@@@@@@@@@@@@@@@@@@@@@@@@@6K @@@@@@fW&@@he@@@? @@ ?N@@L? @@@@@@ ?@@1 ?@@@@@@??@@@@@@@@@@@@@@@@@@@@@@@@@@@@@@@@@@@@@@@@@@@@@@@@@@@@@@@@@@? @@@@@Lh?@@@@@@@ V4@@0Me?@@@@@@@@@@@@@1?g@@@@@@@@@@@@@@@@@(Y?
@@@@@@@1 ?*@1eW& 7@H? ?@@@@@@@@?f?J@@@@@5 ?@@@@@@@@@1?g7@@@@@ ?V'L ?3@@@@@? 7@ @@@@@@@@@? ?N@@@@@@@@ O2@@@@@@@@@@@@@@@@@@@@@@@@@@@@@@@@@@@@@@@@@@@@@@@@@@@@@@@@@@@@@@ ?@@@@?g?@@@@@@?h@@@@@@ ?O2@@@@@@@@@@@@@@@@@@@@@@@@@@@@@@@@@@@@@@@@)K? @@@1f?@@@e?@@@@?7@@5f?I'@@@@@@@@@@@@@@@@@@@@@@@@@@@@@@@@@6K 3@@@@@f7@@@he@@@? @@L? @@)KO2@6X? @@@@@@ ?3@@ ?3@@@@@??3@@@@@@@@@@@@@@@@@@@@@@@@@@@@@@@@@@@@@@@@@@@@@@@@@@@@@@@@5? @@@@@1h?@@@@@@@L? ?@@@(M?I4@@@@@@Lg@@@@@@@@@@@@@@@@@H W2@@@@@@@@@@@@@@6KO2@@@@@@@@@@@@@@@@@@@6X?
3@@@@@@@ ?N@@e7@ ?J@5 ?3@@@@@@@Lf?7@@@@@H ?@@@@@@@@@@?g@@@@@5 N)X? ?N@@@@@? ?J@5hf?J@@@@@@@@5? @@@@@@@@ ?O2@@@@@@@@@@@@@@@@@@@@@@@@@@@@@@@@@@@@@@@@@@@@@@@@@@@@@@@@@@@@@@0M? ?@@@@?g?@@@@@@?h@@@@@@ ?O2@@@@@@@@@@@@@@@@@@@@@@@@@@@@@@@@@@@@@@@@@@@@@@@@@@@@@@@6X ?J@@@@f?@@@e?@@@5?@@@HgV4@@@@@@@@@@@@@@@@@@@@@@@??I4@@@@@@@6K N@@@@@L??J@(M?he3@@? @@1? @@@@@@@@1? @@@@@@ ?N@@ ?N@@@@@??N@@@@@@@@@@@@@@@@@@@@@@@@@@@@@@@@@@@@@@@@@@@@@@@@@@@@@@@@H? @@@@@@h?@@@@@@@1? J@@@H?f@@@@@)X?f@@@@@@@@@@@@@@@@@? ?W&@@@@@@@@@@@@@@@@@@@@@@@@@@@@@@@@@@@@@@@)K
N@@@@@@@L? @6X? @@L?3@ W&@H ?N@@@@@@@1f?@@@@@5? ?3@@@@@@@@@?g@@@@@H ?31? @@@@@? ?7@Hhf?7@@@@@@@@H? @@@@@@@@ ?W2@@@@@@@@@@@@@@@@@@@@@0MgI@M? ?@@@@?g?@@@@@5?g?J@@@@@@ ?O2@@@@@@@@@@@@@@@@@@@@@@@@@@@@@@@@@@@@@@@@@@@@@@@@@@@@@@@@@@1 ?7@@@@f?@@@e?@@@H?@@@?hI'@@@@@@@@@@@@@@@@@@@@@?fI4@@@@@@@@ ?@@@@@1?W&@HhfN@@? @@@? @@@@@@@@@? @@@@@@ @@ @@@@@?e3@@@@@@@@@@@@@@@@@@@@@@@@@@@@@@@@@@@@@@@@@@@@@@@@@@@@@@@ 3@@@@@h?@@@@@@@@? 7@@5g@@@@@@1?f@@@@@@@@@@@@@@@@@? ?7@@@@@@@@@@@@@@@@@@@@@@@@@@@@@@@@@@@@@@@@@@@?
?@@@@@@@1? @@)X @@1?N@L? 7@5? @@@@@@@@fJ@@@@(Y? ?N@@@@@@@@@Lf?J@@@@5? ?V'L @@@@@? ?@@?hf?@@@@@@@@@ @@@@@@@@L? O&@@@@@@@@@@@@?I'@@@@(M? ?@@@@?g?@@@@@H?g?7@@@@@@ ?O2@@@@@@@@@@@@@@@@@@@@@@@@@@@@@@@@@@@@@@@@@@@@@@@@@@@@@@@@@@@@@L? ?@@@@@f?@@@e?@@@e3@@?f?W&??V'@@@@@@@@@@@@@@@@@@@@?gI'@@@@@@ ?@@@@@@W&@5?hf?@@L 3@@? @@@@@@0M 3@@@@@ @@ @@@@@LeV'@@@@@@@@@@@@@@@@@@@@@@@@@@@@@@@@@@@@@@@@@@@@@@@@@@@@@@ N@@@@@L?g?3@@@@@@@? @@@Hh@@@@@Lf@@@@@@@@@0M?@@@@@? ?@@@@@@@@@@@@@@@@@@@@@@@@@@@@@@@@@@@@@@@@@@@@L
?3@@@@@@@L ?J@@@)X? @@@??@1?hf?J@@H? @@@@@@@@L?e7@@@@H @@@@@@@@@1f?7@@@@H? N)X? @@@@@? ?@5?hf?@@@@@@@@@ @@@@@@@@1? ?@@@@@@@@@@@@(?@eV40?(Y J@@@5?g?@@@@@h?@@@@@@@ O2@@@@@@@@@@@@@@@@@@@@@@@@@@@@@@@@@@@@@@@@@@@@@@@@@@@@@@@@@@@@@@@@@@@? ?@@@@@f?@@@e?3@@eN@@?f?7@LeV4@@@@@@@@@@@@@@@@@@@Lg?V4@@@@@@@@6K? ?@@@@@@@@(Y?hf?@@1 N@@? @@@@(M N@@@@@L? 3@ @@@@@1e?N@@@@@@@@@@@@@@@@@@@@@@@@@@@@@@@@@@@@@@@@@@@@@@@@@@@@@@ ?@@@@@1?g?N@@@@@@@L @@@?h3@@@@1e?J@@@@@@@@f@@@@5? ?@@@@@@@@@@@@@@@@@@@@@@@@@@@@@@@@@@@@@@@@@@@@1
?N@@@@@@@1 W&@@@@)K 3@@??@@?hf?7@5 @@@@@@@@1??J@@@@@? 3@@@@@@@@@f?@@@@5 ?3)X 3@@@@L ?@H?hfJ@@@@@@@X? 3@@@@@@@@? J@@@@@@@@@@@(Y 7@@@H?g?@@@@@h?@@@@@@@he?O2@@@@@@@@@@@@@@@@@@@@@@@@@@@@@@@@@@@@@@@@@@@@@@@@@@@@@@@@@@@@@@@@@@@@@H? ?@@@@@f?@@@e?V4@e?@@?f?@@1fI'@@@@@@@@@@@@@@@@@1h?I4@@@@@@@@@@@6K ?@@@@@@@(Y ?@@@ ?@@? @@@@H? ?@@@@@1? N@L? @@@@@@f3@@@@@@@@@@@@@@@@@@@@@@@@@@@@@@@@@@@@@@@@@@@@@@@@@@@@@ ?@@@@@@?h3@@@@@@1 ?J@@@?hN@@@@@e?7@@@@@@@@L?e@@@@H? ?@@@@@@@@@@@@@@@@@@@@@@@@@@@@@@@@@@@@@@@@@@@@@
@@@@@@@@L? 7@@@@@@@6K N@@??@@?hf?@(Y 3@@@@@@@@?O&@@@@5? N@@@@@@@@@fJ@@@@H ?V')X? N@@@@1 ?@ 7@@@@@@V1?g?'@? N@@@@@@@@? ?W&@@@@@@@@@@@H? @@@@h?@@@@@h?@@@@@@@g?O2@@@@@@@@@@@@@@@@@@@@@@@@@@@@@@@@@@@@@@@@@@@@@@@@@@@@@@@@@@@@@@@@@@@@@@@@@ ?@@@@@f?3@@h?@@?f?@@@f?N@@@@@@@@@@@@@@@@@@he?I4@@@@@@@@@@@@@@6K? ?@@@@@@(Y??W26X?h?@@@ ?@@L 3@@@ ?3@@@@@? ?@1? 3@@@@@fN@@@@@@@@@@@@@@@@@@@@@@@@@@@@@@@@@@@@@@@@@@@@@@@@@@@@@ ?@@@@@@?hN@@@@@@@ ?7@@5?h?3@@@@e?@@@@@@@@@1?e@@@@ ?@@@@@@@@@@@@@@@@@@@@@@@@@@@@@@@@@@@@@@@@@@@@5
3@@@@@@@1?hf?J@@@@@@@@@@6K ?@@? ?@H? N@@@@@@@@@@@@@@@H? ?@@@@@@@@@f7@@@@? N@1? ?@@@@@ J@ @@@@@@@@@?g?V'? ?@@@@@@@@? ?7@@@@@@@0?4@@ @@@@hJ@@@@@h?@@@@@@@f?O2@@@@@@@@@@@@@@@@@@@@@@@@@@@@@@@@@@@@@@@@@@@@@@@@@@@@@@@@@@@@@@@@@@@@@@@@@@@L? ?@@@@5f?N@@L?g?@@?f?@@@g@@@@@@@@@@@@@@@@@@L?hf?I4@@@@@@@@@@@@@@6K? J@@@@@@He?7@@1?h?@@@ ?@@1 N@@@ ?N@@@@@? ?@@? N@@@@@f?3@@@@@@@@@@@@@@@@@@@@@@@@@@@@@@@@@@@@@@@@@@@@@@@@@@@@ ?3@@@@@?h?@@@@@@@ J@@@H?h?N@@@@L?J@@@@@@@@@@?e@@@@ ?@@@@@@@@@@@@@@@@@@@@@@@@@@@@@@@@@@@@@@@@@@@@H
N@@@@@@@@?hfO&@@@@@@@@@@@@6K ?@ ?3@@@@@@@@@@@@@5 ?@@@@@@@@@L??J@@@@@? ?3@L ?@@@@@ 7@ @@@@@@?W@? ?@@@@@@@@? ?@@@@@@(M? @@@@h7@@@@@h?@@@@@@@?@@@@@@@@@@@@@@@@@@@@@@@@@@@@@@@@@@@@@0Me?I4@@@@0M? I4@@@@@@@@@@)K ?3@@@Hg@@)Kg?@@?f?@@@g3@@@@@@@@@@@@@@@@@1? ?I4@@@@@@@@@@@@@@@@6K? ?O&@@@@@@?eJ@@@@?h?@@@L? ?@@@ ?@@@ @@@@@? ?@@? ?@@@@@f?V'@@@@@@@@@@@@@@@@@@@@@@@@@@@@@@@@@@@@@@@@@@@@@@@@@@@L? ?N@@@@@?h?@@@@@@@L? 7@@@hf@@@@)?&@@@@@@@@@@Le3@@@L? ?3@@@@@@@@@@@@@@@@@@@@@@@@@@@@@@@@@@@@@@@@@@@?
?@@@@@@@@Lh@@@@@@@@@@@@@@@@@@@@@@6K ?N@@@@@@@@@@@@(Y ?@@@@@@@@@@?W&@@@@5? ?V'1 ?@@@@@ @5hf?J@@@@@5?7@? ?@@@@@@@@L ?@@@@@@H @@@@h@@@@@@h?@@@@@@5?@@@@@@@@@@@@@@@@@@@@0M? I'@@@@@@@@@@@6X? ?N@@@?g@@@@6Kf?@@?f?@@@g?@@@@@@@@@@@@@@@@@@? I4@@@@@@@@@@@@@@@@@@6K ?O@Ke?O2@@@@@@@@@@@@??W&@@@5?h?@@@1? ?@@@ ?3@@ @@@@@? ?@@? ?@@@@@L?fV'@@@@@@@@@@@@@@@@@@@@@@@@@@@@@@@@@@@@@@@@@@@@@@@@@@1? @@@@@Lh?@@@@@@@1? @@@5hf@@@@@@@@@@@@@@@@@1eN@@@1? ?V'@@@@@@@@@(M
?3@@@@@@@1h3@@@@@@@@@@@@@@@@@@@@@@@@? @@@@@@@@@@@@H? ?3@@@@@@@??W&@@@@@H? V'L? ?3@@@@L? ?J@Hhf?7@@@@@H?@5? ?3@@@@@@@1 ?@@@@@@? @@@@h@@@@@@h?@@@@@@H?@@@@@@@@@@@@@@@@@0M ?N@@@@@@@@@@@@)KeO2@@@@@@@@@6K? O@K??O@K O2@6K? ?J@@@Lg@@@@@@6KeJ@@Lf?@@@g7@@@@@@@@@@@@@@@@@@? I4@@@@@@@@@@@@@@@@@@@@@@@@@@@@@@@@@@@@@@@@@@@@@@@@@@@@@@@??7@@@(Y?h?3@@@? ?@@@ ?N@@ @@@@@L ?@@? ?@@@@@1?f?V'@@@@@@@@@@@@@@@@@@@@@@@@@@@@@@@@@@@@@@@@@@@@@@@@@@L @@@@@1h?@@@@@@@@? @@@Hhf3@@@@@@@@@@@@@@@@@e?@@@5? V'@@@@@@@@
?N@@@@@@@@hV'@@@@@@@@@@@@@@@@@@@@@@@? W& 3@@@@@@@@@@@ ?N@@@@@@5??7@@@@@@ ?N1? ?N@@@@1? ?7@?hf?@@@@@@??@H? ?N@@@@@@@@ J@@@@@5? @@@5h@@@@@5h?@@@@@@?eI'@@@@@@@@@@@0M? @@@@@@@@@@@@@@@@@@@@@@@@@@@@@@@@@@@@@@@@@@@@@@@@@@@@@@@@@@@@@6KO2@@@@@@@@@@@@@@@@@@@@@@@@@@@@@@@@@@@@@@@@@@@@@@@@@@@@@@@@@@@6K?O2@@6?26?2@6KgO2@@@6K? ?O26K? O&@@@)X?f@@@@@@@@6?&@@1f?@@@g@@@@@@@@@@@@@@@@@@@? I4@@@@@@@@@@@@@@@@@@@@@@@@@@@@@@@@@@@@@@@@@@@@@@@@@??@@@(Yhe?N@@@? ?3@@ @@ 3@@@@1 ?3@L ?@@@@@@?gV'@@@@@@@@@@@@@@@@@@@@@@@@@@@@@@@@@@@@@@@@@@@@@@@@@1 3@@@@@h?3@@@@@@@L @@@?hfN@@@@@?@@@@@@@@@@5eJ@@@H? ?V'@@@@@@@)X
3@@@@@@@L?g?V'@@@@@@@V'@@@@@@@@@0M? @6X??@he75 N@@@@@@@@@@5 @@@@@@H??@@@@@@5 3L @@@@@? J@@?hfJ@@@@@5?J@ @@@@@@@@ ?W&@@@@(Y? ?J@@@Hh@@@@@HhJ@@@@@@?e?V@@@@@@@@0M @@@@eI'@@@@@@@@@@@@@@@@@@@@@@@@@@@@@@@@@@@@@@@@@@@@@@@@@@@@@@@@@@@@@@@@@@@@@@@@@@@@@@@@@@@@@@@@@@@@@@@@@@@@@@@@@@@@@@@@@@@@@@@@@@@@@@@@@@@@@@@@@@@@@@@@@@@@@@@@@@@@@@@@@@@@@@@@@@@@@@@@@@@@@@@@@@@@@@@@@@@@@@@@@@@@@@6?2@@@@@@@@@@@@@@@@@@@@@@@@@@6KO2@@@6KO2@@@@@@@@@@@@@@@@@@@@6?2@@@@@@@@@@@@@6?2@@@@@@@@@@@@@@@@@@@@@@@@@@@@@@@@@@@@@@@@@@@@@@@@@@@@@@@@@@@@@@@@@@@@@@@@@@@@@@@@@@@@@@@@@@@@@@@@@@@@@@@@@@@@@@@@@@@@@@@@@@@@@@@@@@@@@@@@@@@@6?2@@@@@@@@@@@@@@@@@@@@@@@@@@@@@@@@@@@@@@@@@@@@@@@@6?@?2@@6KO2@6KeO26?2@@@@@@@@@@@@@@@)Xf@@@@@@@@@@@@@@f?@@@g@@@@@@@@@@@@@@@@@@5? ?I4@@@@@@@@@@@@@@@@@@@@@@@@@@@@@@@@@@@@@0M?I'@@@@@@@@(Y?hf@@@? ?N@@ @@ N@@@@@ ?N@1 ?3@@@@@?g?N@@@@@@@@@@@@@@@@@@@@@@@@0MfI'@@@@@@@@@@@@@@@@@@ N@@@@@L?g?N@@@@@@@1 J@@@@@@@@@@@@@@@(Ye7@@@ V'@@@@@@@)X?
N@@@@@@@1?hN@@@@@@@?V@@@@@@@(M? @@1??@L?g?J@H ?@@@@@@@@@@H @@@@@@L??@@@@@@H N1 @@@@@? 7@5?hf7@@@@@H?7@ @@@@@@@@ ?7@@@@@H ?7@@@?h@@@@@?h7@@@@@@??W2@@@@@@0M? ?J@@@@e?N@@@@@@@@@@@@@@@@@@@@@@@@@@@@@@@@@@@@@@@@@@@@@@@@@@@@@@@@@@@@@@@@@@@@@@@@@@@@@@@@@@@@@@@@@@@@@@@@@@@@@@@@@@@@@@@@@@@@@@@@@@@@@@@@@@@@@@@@@@@@@@@@@@@@@@@@@@@@@@@@@@@@@@@@@@@@@@@@@@@@@@@@@@@@@@@@@@@@@@@@@@@@@@@@@@@@@@@@@@@@@@@@@@@@@@@@@@@@@@@@@@@@@@@@@@@@@@@@@@@@@@@@@@@@@@@@@@@@@@@@@@@@@@@@@@@@@@@@@@@@@@@@@@@@@@@@@@@@@@@@@@@@@@@@@@@@@@@@@@@@@@@@@@@@@@@@@@@@@@@@@@@@@@@@@@@@@@@@@@@@@@@@@@@@@@@@@@@@@@@@@@@@@@@@@@@@@@@@@@@@@@@@@@@@@@@@@@@@@@@@@@@@@@@@@@@@@@@@@@@@@@@@@@@@@@@@@@@@@@@@@@@@@@@@@@@@@@@@@@@@@@@@@@@@@@@@@1f3@@@@@@@@@?@@@f?@@@f?J@@@@@@@@@@@@@@@@@@H? ?I4@@@@@@@@@@@@@@@@@@@@@@@@0M?hN@@@@@@@@H @@@? @@L? @@L? ?@@@@@ @@ ?N@@@@@?h3@@@@@@@@@@@@@@@@@@@0Mh?N@@@@@@@@@@@@@@@@@@ ?@@@@@1?h@@@@@@@@ 7@@@@@@Xe?I40?(Y?e@@@5 ?V'@@@@@@@1?
?@@@@@@@@Lh?3@@@@@@@@@@@@@@(Y @@@??@1?gW&5? ?3@@@@@@@@5? 3@@@@@)K?@@@@@@? ?3L? @@@@@? 3@H?hf@@@@@@e@@ @@@@@@@@L? J@@@@@5? ?@@@@?g?J@@@@@?h@@@@@@@?O&@@@@@(M? ?7@@@5f@@@@@@@@@@@0?4@@@@0Mf?I'@@@@@@@@@@@@@@@@@@@@@@@@@@@@@@@@@@@@@@@@@@@@@@@@@@@@@@@@@0?4@@@@0M?fI40M ?I@M ?I4@0MI40MeI@?4@@@@@@@0M??I4@@0?4@@@@@@@@@@@@@@@@@@@@@0?4@@@@@@@@@@@@@@@@@@@@@@@@@@@@@@@@@@@0?4@@@@@@0?4@@@@@@@@@@@@@@@@@@@@@@@@@@@@@@@@@@@@@@@@@@@@@@@@@@@@@@@@0?4@@@@@@@@@@@@@@@@@@@@@@@@@@@@@@@@@@@@@@@@@@@@@@@@@@@@@@@@@@@@@@@@@@@@@@@@@@@@@@@@@@@@@@@@@@@@@@@@@@@@@@@@@@@@@@@@@@@@@@@@@@@@@@@@@@@@@@@@@@@@@@@@@@@@@@@@@@@@@@@@@@@@@@@@@5fV4@@@@@@@@?@@@L?e?@@@f?7@@@@@@@@@@@@@@@@@@ ?@@@@@@@5? @@@? @@1? @@1? ?@@@@@ @@ @@@@@?hN@@?fI4@@@@@0?@M?hf3@@@@@@@@@@@@@@@@@L? ?@@@@@@?h3@@@@@@@ @Y@@@@@)X?h@@@@(Y V'@@@@@@@L
?@@@@@@@@1h?V4@@@@@@@@@@@@(Y? 3@@??@@?g7@H? ?N@@@@@@@@H? N@@@@@@@@@@@@@5? ?N)X @@@@@? V'hf?J@@@@@5e@5 @@@@@@@@1? 7@@@@@ ?@@@@?g?7@@@@@?h@@@@@@@@@@@@@@(Y ?@@@@Hf@@@@@@@@@0M? V4@@@(M?I4@0M?hfI@M? ?I4@0?@Me?I@M ?I@MfI@MI4@@@@0M?I4@@@@@@@@@Hg?@@@@@@5?@@@1?eJ@@@fJ@@@@@@@@@@@@@@@@@@@ ?@@@@@@(Y? 3@@L 3@@? @@@? ?@@@@@L? 3@ @@@@@Lh?@@? N@@@@@@@@@@@@@@@@@1? ?3@@@@@?hN@@@@@@@L? ?O)X 3@@@@@)Kg?J@@@@H? ?V'@@@@@@1
?3@@@@@@@@he?I4@@@@@@@@@(Y N@@??@@?f?J@5 @@@@@@@@ ?3@@@@@@@@@@@@H? 3)X? 3@@@@? ?7@@@@@H?J@H @@@@@@@@@? @@@@@@1? ?@@@@?g?@@@@@@?h@@@@@@@@@@@@@(Y? ?@@@@??O2@@@@@@@@@ ?@@Y ?@@@@@@?g?@@@@@@H?@@@5?e7@@@e?W&@@@@@@@@@@@@@@@@@@@ ?@@@@@@H N@@1 N@@? 3@@L ?@@@@@1? N@L? @@@@@1h?@@? ?3@@@@@@@@@@@@@@@@@L ?N@@@@@?h?@@@@@@@1? @@@1 V'@@@@@@6KfO&@@@5 V'@@@@@@L?
?N@@@@@@@@ I4@@@@@@H? ?@@L?3@?f?7@H @@@@@@@@ ?N@@@@@@@@@@@5 N@1? N@@@@L ?@@@@@@??7@? 3@@@@@@@@? ?J@@@@@@@? ?@@@@?g?@@@@@@?h@@@@@@@@@@@@(Y J@@@@@@@@@@@@@@@@@@@@@6?2@@@6?2@@@@@@@@@@@@@@@@@@@@@6?2@@@@6K??O2@@@@@@@@@@@@@6KO26?@KO26KO2@@6K?O2@6KgO@K? O2@@@@@@@@@@@@@@6KheO2@6K?g?O26K? O@?@K?eO26KO26K?@@@@@@W@Kf?@@@@@5??@@@H?e3@@5eW&@@@@@@@@@@@@@@@@@@@5 ?3@@@@@? ?@@@ ?@@? N@@1 ?@@@@@@? ?@1? @@@@@@h?@@? ?N@@@@@@@@@@@@@@@@@1 @@@@@Lh?@@@@@@@@? ?J@@@@L? ?V'@@@@@@@@@@@@@@@(Y ?V'@@@@@)X
3@@@@@@@L? ?I'@@@ ?3@@?V'?fJ@5? @@@@@@@@L? @@@@@@@@@@@H ?3@L ?@@@@1 ?@@@@@5??@@? N@@@@@@@@? ?7@@@@@? J@@@@?g?@@@@@@?h@@@@@@@@@@@(Y? ?O&@@@@@@@@@@@@@@@@@@@@@@@@@@@@@@@@@@@@@@@@@@@@@@@@@@@@@@@@@@@@@@@@@@@@@@@@@@@@@@@@@@@@@@@@@@@@@@@@@@@@@@@@@@@@@@@@@@@@@@@@@@@@@@@@@@@@@@@@@@@@@@@6KO2@@@@@@@@@@@@@@@@@6?@?2@@@@@@@@@@@@@@@@@@@@@@@@@@@@@@6?2@@@@@@6K?eO@K?O@K?h?O26?2@@@@@6?2@@@6KO2@6KgO@K? ?O@KgO@K?e?O26K?O2@@@@6KO@K?f?O2@6KO@K??O2@6KeO2@6?2@@@@@@@@@@@@6KO@KO@KO2@@@@@@@6K?O2@@@@@@@@@@6?2@@@@@@@@@@@@@@6?2@@@@@@@@@@@@@@@@@@@@@@@@@@@@@@@@@@@@@@@@@@@@@@@@@@@@@@@@@@@@@@@@@@@@@@@@@@@@@@@@@@@@@@@@@@@@@@@@@@@@@@@@@@@@@@@@H??@@@fV40Y?W&@@@@@@@@@@@@@@@@@@@@H ?N@@@@@?eW2@@@?h?@@@ ?@@L ?@@@ ?3@@@@@? ?@@? @@@@@@h?@@? @@@@@@@@@@@@@@@@@@L? @@@@@1h?@@@@@@@@L ?7@@@@1? V4@@@@@@@@@@@@@0Y? V4@@@@@)
N@@@@@@@1? V'@@ ?N@?g?W&@H? @@@@@@@@1? @@@@@@@@@@@? ?V')X? ?@@@@@ J@@@@@H?J@5? ?@@@@@@@@? J@@@@@@? 7@@@5?g?@@@@@5?g?J@@@@@@@@@@(Y @@@@@@@@@@@@@@@@@@@@@@@@@@@@@@@@@@@@@@@@@@@@@@@@@@@@@@@@@@@@@@@@@@@@@@@@@@@@@@@@@@@@@@@@@@@@@@@@@@@@@@@@@@@@@@@@@@@@@@@@@@@@@@@@@@@@@@@@@@@@@@@@@@@@@@@@@@@@@@@@@@@@@@@@@@@@@@@@@@@@@@@@@@@@@@@@@@@@@@@@@@@@@@@@@@@@@@@@@@@@@@@@@@@@@@@@@@@@@@@@@@@@@@@@@@@@@@@@@@@@@@@@@@@@@@@@@@@@@@@@@@@@@@@@@@@@@@@@@@@@@@@@@@@@@@@@@@@@@@@@@@@@@@@@@@@@@@@@@@@@@@@@@@@@@@@@@@@@@@@@@@@@@@@@@@@@@@@@@@@@@@@@@@@@@@@@@@@@@@@@@@@@@@@@@@@@@@@@@@@@@@@@@@@@@@@@@@@@@@@@@@@@@@@@@@@@@@@@@@@@@@@@@@@@@@@@@@@@@@@@@@@@@@@@@@@@@@@@@@@@@@@@@@@@@@@@@@@@@@@@@@@@@@@@@@@@@@@@@@ W&@@@@@@@@@@@@@@@@@@@@@? @@@@@??W&@@@5?h?@@@ ?@@1 ?@@@ ?N@@@@@? ?@@? 3@@@@@L?g?@@? ?J@@@@@@@@@@@@@@@@@@1? @@@@@@h?3@@@@@@@1 ?@@@@@5? I4@@@@@@@@(M
?3@@@@@@@L ?V4@ @1e)Xe?7@5 ?J@@@@@@@@@? 3@@@@@@@@@5? V')X ?@@@@@ 7@@@@@e7@H? ?@@@@@@@@? 7@@@@@5? @@@@H?g?@@@@@H?g?7@@@@@@@@@(Y? @(MI4@@@@@@@@@@@@@@@@@@@@@@@@@@@@@@@@@@@@@@@@@@@@@@@@@@@@@@@@@@@@@@@@@@@@@@@@@@@@@@@@0M?I@?4@@@@@0MI4@@@@@@@@@@@@@@@@@@@@@@0M?I4@@0?4@@@@0?@MI4@@@0?4@0M?I4@@@@@@@@@@@@@@@@@@@@@@@@@@@@@@@@@@@@@@@@@@@@@@@@@@@@@@@@@@@@@@@@@@@@@@@@@@@@@@@@@@@@@@@@@@@@@@@@@@@@@@@@@@@@@@@@@@@@@@@@@@@@@@@@@@@@@@@@@@@@@@@@@@@@@@@@@@@@@@@@@@@@@@@@@@@@@@@@@@@@@@@@@@@@@@@@@@@@@@@@@@@@@@@@@@@@@@@@@@@@@@@@@@@@@@@@@@@@@@@@@@@@@@@@@@@@@@@@@@@@@@@@@@@@@@@@@@@@@@@@@@@@@@@@@@@@@@@@@@@@@@@@@@@@@@@@@@@@@@@@@@@@@@@@@@@@@@@@@@@@@@@@@@@@@@@@@@@@@@@@@@@@@@@@@@@@@@@@@@@@@@@@6?@K?fO@KO&@@@@@@@@@@@@@@@@@@@@@5? @@@@@??7@@@(Y?h?@@@ ?@@@ ?@@@ @@@@@? ?@@? N@@@@@1?g?@@? ?7@@@@@@@@@@@@@@@@@@@L 3@@@@@h?N@@@@@@@@ J@@@@(Y? ?I4@@@@0Y?
?N@@@@@@@1 @@L?@1e?@@H ?7@@@@@@@@@L N@@@@@@@@@H? ?V'1 ?3@@@@ @@@@@@e@@ ?@@@@@@@@? @@@@@@H? @@@@h?@@@@@h?@@@@@@@@@(Y (Ye?I@MfI@?4@@0MeI4@@@0M? I@MI40M??I4@@@@@@@@@@@@@@@@@@@0MeI40M?I4@@@@@@@@0M?hI4@0?4@@@@@0M?gI4@0M?I4@0MI4@@@@@@@@@@@@0M?I40MeI@M?gI4@@@0?40MeI4@@@@@@@@0?@?4@@@@@@@@0MI4@@@@@@@@@@@@@@@@@@@@@@@@@@@@@@@@@@@@@@@@@@@@@@@@@@@@@@@@@@@@@@@@@@@@@@@@@@@@@@@@@@@@@@@@@@@@@@@@@@@@@@@@@@@@@@@@@@@@@@@@@@@@@@@@@@@@@@@@@@@@@@@@@@@@@@@@@@@@@@@@@@@@@@@@@@@@@@@@@@@@@@@@@@@@@@@H? @@@@@?J@@@@Hhe?@@@ ?@@@ ?@@@ @@@@@L ?@@L ?@@@@@@?g?@@? J@@@@@@@@@@@@@@@@@@@@1 N@@@@@L?h@@@@@@@@ 7@@@(Y
@@@@@@@@ @@1?@@e?@5? J@@@@@@@@@@1 ?@@@@@@@@5 N@ ?N@@@@L? ?J@@@@@5e@@ ?@@@@@@@@L @@@@@5 @@@@h?@@@@@h?@@@@@@@@@H? I40M?I@M I'@@@@@@@@@@@@@@@@@@@@@@@@@@@@@@@@@@@@@@@@@@@@@@@@@@@@@@ @@@@@W&@@@5?he?@@@L? ?@@@ ?@@@ @@@@@1 ?@@1 ?@@@@@@?g?@@? 7@@@@@@@@@@@@@@@@@@@@@ ?@@@@@1?h@@@@@@@@ @@@(Y?
3@@@@@@@L? @@@?3@@@@@H? 7@@@@@@@@@@@ ?@@@@@@@@H ?3L? @@@@1? ?7@@@@@H?J@@ ?@@@@@@@@1 @@@@@H @@@@hJ@@@@@h?@@@@@@@@5 ?N@@@@@@@@@@@@@@@@@@@@@@@@@@@@@@@@@@@@@@@@@@@@@@@@@@@@@@ @@@@@@@@@@H?he?@@@1?e?W2@6Xhe?@@@ ?3@@L? 3@@@@@ ?3@@ ?@@@@@@?g?@@? @@@@@@@@@@@@@@@@@@@@@@ ?@@@@@@?h@@@@@@@@ @@0Y
N@@@@@@@1? @@@?N@@@@@ ?J@@@@@@@@@@@@L? ?3@@@@@@@? ?N)X @@@@@? ?@@@@@5??7@5 ?3@@@@@@@@ @@@@@? @@@@h7@@@@@h?@@@@@@@(Y 3@@@@@@@@@@@@@@@@@@@@@@@@@@@@@@@@@@@@@@@@@@@@@@@@@@@@@ 3@@@@@@@@@hf?@@@@?eW&@@@,he?@@@ ?N@@1? N@@@@@ ?N@@ ?3@@@@@Lg?@@? @@@@@@@@@@@@@@@@@@@@@@L? ?@@@@@@?h@@@@@@@@ O2@@6K O2@@@@@6K? W2@@@@
?@@@@@@@@? @@@L?@@@@5 W&@V'@@@@@@@@@1? ?N@@@@@@5? @1 @@@@@? ?W&?hf?@@@@@H??@@H ?N@@@@@@@@ @@@@5? @@@@h@@@@@@h?@@@@@@@H? N@@@@@@@@@@@@@@@@@@@@@@@@@@@@@@@@@@@@@@@@@@@@@@@@@@@@@ N@@@@@@@@5hf?3@@@??W&@@@(Yhe?3@@L? @@@? ?@@@@@ @@ ?N@@@@@1g?@@L @@@@@@@@@@@@@@@@@@@@@@)K ?@@@@@@@@@@@@@@@@@@@@@@@ O2@@@@@@@6X? @@@@@@@@@@@@6X ?W&@@@@@
?3@@@@@@@L @@@1?@@@@H 7@5??@@@@@@@@@@? @@@@@@H? 3@L? 3@@@@? ?7@?hfJ@@@@5e?@@? @@@@@@@@ ?J@@@@H? ?J@@@@h@@@@@@hJ@@@@@@@ ?@@@@@@@@@@@@@@@@@@@@@@@@@@@@@@@@@@@@@@@@@@@@@@@@@@@@@ ?@@@@@@@@?hf?N@@@?O&@@@(Y?he?N@@1? @@@? ?@@@@@ @@ @@@@@@g?@@1 ?J@@(Y@@@@@@@@@@@@@@@@@@@@@? ?3@@@@@@@@@@@@@@@@@@@@@@@@@@6K ?O)Xe?W2@6X O2@@@@@@@@@@,? @@@@@@@@@@@@@)K? ?7@@@@@@
?N@@@@@@@1 @@@@?@@@@L @0Y?7@@@@@@@@@@? @@@@@@ V'1? N@@@@? ?@5?hf7@@@@He?@5? @@@@@@@@ ?7@@@@ ?7@@@@h@@@@@@h7@@@@@@5 ?3@@@@@@@@@@@@@@@@@@@@@@@@@@@@@@@@@@@@@@@@@@@@@@@@@@@@ ?@@@@@@@@1 @@@@@@@@0Y @@@? 3@@? ?@@@@@ 3@L? @@@@@@g?@@@ ?7@@H?3@@@@@@@@@@@@@@@@@@@@L @@@@@@@@@@@@@@@@@@@@@@@@@@@@@@@@@@@@@@@@@@@@@)K?O&@@@)K? O2@@@@@@@@@@@0Y?heW2@@@@@@@@@@@@@@@@@6X?hf?@@@@@@@
@@@@@@@@ @@@@@@@@@)K? ?J@(Y@@@@@@@@? @@@@@5 ?V'? ?@@@@L ?@H?hf@@@@@?e?@H? @@@@@@@@ ?@@@@@ ?@@@@@h@@@@@@h@@@@@@@H ?N@@@@@@@@@@@@@@@@@@@@@@@@@@@@@@@@@@@@@@@@@@@@@@@@@@@5 ?@@@@@@@@@ @@@@@@(M @@@? N@@L ?3@@@@L? N@1? @@@@@@g?@@@ ?@@@eN@@@@@@@@@@@@@@@@@@@@1 ?7@@@@@@@@@@@@@@@@@@@@@@@@@@@@@@@@@@@@@@@@@@@@@@@@@@@@@@@6K? ?O2@@@@@@@@@@@0Mhf?W&@@@@@@@@@@@@@@@@@@@)Xhf?@@@@@@@
3@@@@@@@L? @@@@@@@@@@@@@@@@@@@@g@@(?@? W&@H?3@@@@@@@L ?J@@@@@H ?@@@@1 J@hf?J@@@@@?eJ5 @@@@@@@@L? J@@@@@ ?@@@@@h@@@@@5h@@@@@@@? ?J@@@@@@@@@@@@@@@@@@@@@@@@@@@@@@@@@@@@@@@@@@@@@@@@@@0Y ?@@@@@@@@@ @@@@@@H? @@@? ?@@1 ?N@@@@1? ?@@? 3@@@@@g?@@@ ?@@5e?@@@@@@@@@@@@@@@@@@@@@ ?@@@@@@@@@@@@@@@@@@@@@@@@@@@@@@@@@@@@@@@@@@@@@@@@@@@@@@@@@@@@6K? ?O2@@@@@@@@@@@@@0M W&@@@@@@@@@@@@@@@@@@@@@1hf?@@@@@@@
N@@@@@@@1? 3@@@@V4@@@@@@0?4@@@@g@0Y?f@?@@@@@?f7@5??N@@@@@@@1 ?7@@@@@? ?@@@@@ 75hf?7@@@@@?e7H @@@@@@@@1? 7@@@@@ ?@@@@5h@@@@@Hh@@@@@@5? W&@@@@@@@@@@@@@@@@@@@@@@@@@@@@@@@@@@@@@@@@@@@@@@@@@? ?@@@@@@(M? @@@@@5 @@@? ?@@@ @@@@@? ?@@? N@@@@@L?f?@@@ ?@@He?@@@@@@@@@@@@@@@@@@@@5 J@@@@@@@@@@@@@@@@@@@@@@@@@@@@@@@@@@@@@@@@@@@@@@@@@@@@@@@@@@@@@@@6K W2@@@@@@@@@@@@0M 7@@@@@@@@@@@@@@@@@@@@@@@hf?@@@@@@@
?@@@@@@@@? N@@@@? @@H?e@@@@@@@@ J@@@@@5? )X ?3@@@@ @Hhf?@@@@@5?e@? 3@@@@@@@@? @@@@@@ ?@@@@Hh@@@@@?h@@@@@@H? 7@@@@@@@@@@@@@@@@@@@@@@@@@@@@@@@@@@@@@@@@@@@@@@@@@5? ?@@@@@@H 3@@@@H 3@@? ?@@@ @@@@@? ?@@? ?@@@@@1?f?@@@ ?@@?e?@@@@@@@@@@@@@@@@@@@0Y 7@@@@@@@@@@@@@@@@@@@@@@@@@@@@@@@@@@@@@@@@@@@@@@@@@@@@@@@@@@@@@@@@@6K ?O&@@@@@@@@@@@0M ?J@@@@@@@@@@@@@@@@@@@@@@@@L?he?@@@@@@@
?3@@@@@@@L ?@@@5? ?J@5f3@@@@@@@L? 7@@@@@H? @1 ?N@@@@ @?hfJ@@@@@H?e@? N@@@@@@@@? @@@@@@ ?@@@@?g?J@@@@@?g?J@@@@@@ @@@@@@@@@@@@@@@@@@@@@@@@@@@@@@@@@@@@@@@@@@@@@@@@@@H? ?3@@@@@? N@@@5?eW2@6X?heN@@? ?@@@ @@@@@? ?@@L ?@@@@@@?f?@@@ ?@@?e?@@@@@@@@@@@@@@@@@@? ?J@@@@@@@@@@@0M?fI'@(M?f?I4@@@@@@@@@@@@@@@@@@@@@@@@@@@@@@@@@@@@@6K O2@@@@@@@@@@@0M? ?7@@@@@@@@@@@@@@@@@@@@@@@@)Xhe?@@@@@@@
?N@@@@@@@1 I(Y? ?O2@@6X?e@6K?fW&@HfN@@@@@@@1? @@@@@@ 3@L? @@@@ ?J@?hf7@@@@5e?J5? ?@@@@@@@@? @@@@@5 ?@@@@?g?7@@@@@?g?7@@@@@@ 3@@@@@@@@@@@@@@@@@@@@@@@@@@@@@@@@@@@@@@@@@@@@@@@@@ ?N@@@@@? ?@@@H??W&@@@1?he?@@L ?@@@ @@@@@L ?3@1 ?3@@@@@?f?@@@ ?@@?e?@@@@@@@@@@@@@@@@@@L ?7@@@@(?'@@(M?g?V+Yhf?I'@@@hfI'@@@@@@@@@@@@@@@@@6K? ?O2@@@@@@@@@@0M? ?@@@@@@@@@0Me?I4@@@@@@@@@@)X?h?@@@@@@@
@@@@@@@@ ?@@@@@@@(?gW2@@@@@@@@1?eN@@@@@6?&@5?f?@@@@@@@@? ?J@@@@@@ V')X @@@@L? ?75?hf@@@@@He?7H? ?@@@@@@@@L @@@@@H ?@@@@?g?@@@@@@?g?@@@@@@@ V'@@@@@@@@@@@@@@@@@@@@@@@@@@@@@@@@@@@@@@@@@@@@@@@@ @@@@@? ?@@@L?W&@@@@5?he?@@1 ?@@@ 3@@@@1 ?N@@ ?N@@@@@?f?@@5 ?@@?e?3@@@@@@@@@@@@@@@@@1 ?@@@@(Y?N@@? ?@@@hf?V4@@@@@@@@@@@@@@@@@@@6K ?O2@@@@@@@@@0M ?@@@@@@@(Mg?I'@@@@@@@@@)Xh?@@@@@@@
3@@@@@@@L? J@@@@@@(Y?f?O&@@@@@@@@@@?e?3@@@@@@@0Y?f?3@@@@@@@L ?7@@@@@@ ?V'1 @@@@1? ?@H?he?J@@@@5?e?@ ?@@@@@@@@1 ?J@@@@@? J@@@5?g?@@@@@5?g?@@@@@@@ ?N@@@@@@@@@@@@@@@@@@@@@@@@@@@@@@@@@@@@@@@@@@@@@@@5 @@@@@? ?@@@)?&@@@@0Y?he?@@@ ?3@@ N@@@@@ @@ @@@@@Lf?@@H ?@@?e?N@@@@@@@@@@@@@@@@@@ J@@@(Ye?@@)K? ?O&@@@L? I4@@@@@@@@@@@@@@@@@@@6K? O2@@@@@@@@@@0M ?@@@@@@@H?hV4@@@@@@@@@1h?@@@@@@@
N@@@@@@@1? )X ?W&@@@@@@Hf?W2@@@@@@@@@@@5?e?V4@@@@0M?g?N@@@@@@@1 J@@@@@@@ N@L? 3@@@@? J@hf?7@@@@H?e?@ ?3@@@@@@@@ ?7@@@@@? 7@@@H?g?@@@@@H?g?@@@@@@@ @@@@@@@@@@@@@@@@@@@@@@@@@@@@@@@@@@@@@@@@@@@@@@@H @@@@@? ?@@@@@@@@(M?hf?@@@fO@K?hf?N@@L? ?@@@@@ @@ @@@@@1f?@@? ?@@?f@@@@@@@@@@@@@@@@@@L?hf?W&@@@H?eJ@@@@@@@@@6KO@K?heO2@@@@@@1? ?I4@@@@@@@@@@@@@@@@@@@6K ?@6X ?O2@@@@@@@@@0M J@@@@@@5hf?@@@@@@@@@L?g?@@@@@@@
?@@@@@@@@? @1 W&@@@@@@@?f?*@@@@@@@@@@@@H? @@@@@@@@ 7@@@@@@5 ?@1? N@@@@@@6K? 7@hf?@@@@@fJ@ ?N@@@@@@@@ ?@@@@@@? @@@@h?@@@@@h?@@@@@@@ O2@@@@@6K?e?O@K ?O26K? @@@@(MeI4@@@@@@@@@@@@@@@@@@@@@@@@@@@@@@@@@@@@5? @@@@@? ?@@@@@@@(Y ?@@@eO2@@@@ @@1? ?@@@@@ @@ @@@@@@ J@@?f@@@@@@@@@@@@@@@@@@1?hfO&@@@5f7@@@@@@@@@@@@@@@6?2@@@@@@@@@@@@@@@@? I4@@@@@@@@@@@@@@@@@@6K O@K?gJ@@1 O2@@@@@@@@@@0M 7@@@@@@Hhf?3@@@@@@@@1?g?@@@@@@@
?3@@@@@@@L @@L? *@@@@@@@@?f?V4@@@@@@@@@@@ @@@@@@@@L? @@@@@@(Y ?3@? ?@@@@@@@@@@@@@6K @5hf?@@@@@f75 @@@@@@@@ ?@@@@@5? @@@@h?@@@@@h?@@@@@@@ O2@@@@@@@@@@@@@@@@@@@@@@@@@@@@@@@@@@@@@@@@@@@@@@@@@@@@@@@@@@@@@@@@@@@@@@6KO@K? @@@@hI4@@@@@@@@@@@@@@@@@@@@0M?W@@@@@@@@H? @@@@@? ?@@@@@@@H? ?3@@@@@@@@@5 @@@? ?@@@@@L? 3@ @@@@@@ 7@@?f@@@@@@@@@@@@@@@@@@@?h?W2@@@@@@Hf@@@@@@@@@@@@@@@@@@@@@@@@@@@@@@@@@@@@@@@@@@6?2@6KhfI'@@@@@@@@@@@@@@@@@@@6X?hfO2@@@@@6K??O&@@@L? ?O2@@@@@@@@@@0M? @@@@@@@?hf?N@@@@@@@@@?g?@@@@@@@
?N@@@@@@@1 3@1? V4@@@@0M 3@@@@@@@1? ?J@@@@@@H? ?V'L ?3@@@@@@@@@@@@@@@6K?h?J@Hhf?@@@@5f@H @@@@@@@@ J@@@@@H? @@@@hJ@@@@@h?@@@@@@5 ?O2@@@@@@@@@@@@@@@@@@@@@@@@@@@@@@@@@@@@@@@@@@@@@@@@@@@@@@@@@@@@@@@@@@@@@@@@@@@@@@@@@@@6K 3@@@1?hI4@@@@@@@@@@@@@@@@0MeW&@@@@@@@5 @@@@@? ?3@@@@@@e?O@Khe?N@@@@@@@@0Y 3@@? ?@@@@@1? N@L? @@@@@@ @@@?f@@@@@@@@@@@@@@@@@@@LhO&@@@@@@5?f@@@@@@@@@@@@@@@@@@@@@@@@@@@@@@@@@@@@@@@@@@@@@@@@6Khe?V4@@@@@@@@@@@@@@@@@@@)KheW2@@@@@@@@@@@@@@@@1? ?O2@@@@@@@@@@0M? @@@@@@@? 3@@@@@@@@Lg?@@@@@@@
3@@@@@@@L? N@@? N@@@@@@@@? ?7@@@@@5 N)X? ?N@@@@@@@@@@@@@@@@@@@@@@6KeO&@?hfJ@@@@Hf@? @@@@@@@@L? 7@@@@@ @@@@h7@@@@@h?@@@@@@H O2@@@@@@@@@@@@@@@@@@@@@@@@@@@@@@@@@@@@@@@@@@@@@@@@@@@@@@@@@@@@@@@@@@@@@@@@@@@@@@@@@@@@@@@@@@@@@@@@6K N@@@@?hfI4@@@@@@@@0Mg7@@@@@@@@H @@@@@? ?N@@@@e?W2@@@6Xhe@@@@@@(M N@@L ?3@@@@@? ?@1? @@@@@@L? @@@?f@@@@@@@@@@@@@@@@@@@1g@@@@@@@@@@H?e?J@@(M ?I4@@@@@@@@@@@@@@@@@@@@@@@@@@@6KhfI4@@@@@@@@@@@@@@@@@@@@6Kf?W&@@@@@@@@@@@@@@@@@@W@K O2@@@@@@@@@@0M @@@@@@@? N@@@@@@@@)X?f?@@@@@@@
N@@@@@@@1? ?@@? ?@@@@@@@@? ?@@@@@@H ?31? @@@@fI4@@@@@@@@@@@@@@@@@@@?hf7@@@@?f@? 3@@@@@@@1? @@@@@@ @@@@h@@@@@@hJ@@@@@@? ?W2@@@@@@@@@@@@@@@@@@@@@@@@@@@@@@@@@@@@@@@@@@@@@@@@@@@@@@@@@@@@@@@@@@@@@@@@@@@@@@@@@@@@@@@@@@@@@@@@@@@@@6K ?O26K? ?@@@@? @@@@@@@@@? 3@@@@? @@@@eW&@@@@@,he@@@@@0Y? ?@@1 ?N@@@@@? ?@@? 3@@@@@1? @@@?f@@@@@@@@@@@@@@@@@@@@L?f@@@@@@@@@5f?7@@H? ?I'@@@@@@@@@@@@@@@@@@@@@@@@@6KhfI4@@@@@@@@@@@@@@@@@@@@@@6KO&@@@@@@@@@@@@@@@@@@@@@@6X O2@@@@@@@@@@0M @@@@@@@L ?3@@@@@@@@)Xf?@@@@@@@
?@@@@@@@@? ?3@? ?3@@@@@@@L ?@@@@@@? ?V'L @@@@hI4@@@@@@@@@@@@@@@Lhe?J@@@@5?f@? N@@@@@@@@? @@@@@@ ?J@@@5h@@@@@5h7@@@@@@? W&@@@@@@@@@@@@@@@@@@@@@@@@@@@@@@@@@@@@@@@@@@@@@@@@@@@@@@@@@@@@@@@@@@@@@@@@@@@@@@@@@@@@@@@@@@@@@@@@@@@@@@@@@6K? ?O2@@@@@@@@@@@@6K?hO2@@@@@@@@6?@KeO2@6?2@@@@@@@@@@@6K?O@K? O2@@6K O2@@@@@@@@@@@@@@@@@@@@@@@6K? ?@@@@? 3@@@@@@@@? N@@@@L @@@@?W&@@@@@0Yhe@@@(M? ?@@@ @@@@@? ?@@? N@@@@@@? @@@?f@@@@@@@@@@@@@@@@@@@@1?e?J@@@@@@@@@Hf?@@5 ?@@@(Mg?I4@@@@@@@@@@@@@6?@KhfI4@@@@@@@@@@@@@@@@@@@@@@@@@@@@@@@@@@@@@@@@@@@@@) ?O2@@@@@@@@@@@0M 3@@@@@@)X?hf?N@@@@@@@@@)X?e?@@@@@@@
?@@@@@@@@? ?V@@@6K? ?N@@@@@@@1 J@@@@@5? N)X? @@@@ ?I4@@@@@@@@)K?h?7@@@@H? ?@@@@@@@@? @@@@@5 ?7@@@Hh@@@@@Hh@@@@@@@? ?O&@@@@@@@@@@@@@@@@@@@@@@@@@@@@@@@@@@@@@@@@@@@@@@@@@@@@@@@@@@@@@@@@@@@@@@@@@@@@@@@@@@@@@@@@@@@@@@@@@@@@@@@@@@@@@6K ?O2@@@@@@@@@@@@@@@@@@@@@@@@@@@@@@@@@@@@@@@@@@@@@@@@@@@@@@@@@@@@@@@@@@@@@@@@@@@@@@@@@@@@@@@@@@@@@@@@@@@@@@@@@@@@@@@@@@@@@@@@@@@@@@@@@@@@@@@@@@@@@@@@@@@@@@@@@@@@@@@@@@@@@@@@@@@@@@@@@@@@@@@@@@@@@@@@@@@@@@@@@@@@@@@@@@@@@@@@@@@@@@@@@@@@@@@@@@@@@@@@@@@@@@@@@@@@@@@@@@@@@@@@@@@@@@@@6?2@@@@@@@@@@@@@@@@@@@@@@@@@@@6KO2@@@@@@@@@@@@@@@@@@@@@@@@@@@@@@@@@@@@6X??W26K? ?@@@@? N@@@@@@@5? ?@@@@1 @@@@W&@@@0M?hf@@@H ?@@@ @@@@@? ?@@? ?@@@@@@? @@@?f3@@@@@@@@@@@@@@@@@@@@Le?@@@@@@@@@5?fJ@@He?O2@@@6X 7@@@H? ?I'@@@@@@@6XhfI4@@@@@@@@@@@@@@@@@@@@@@@@@@@@@@@@@@@@@@@@@@@H W2@@@@@@@@@@@@@@0M N@@@@@@@)X 3@@@@@@@@@)Xe?@@@@@@@
?3@@@@@@@L ?O2@@@@@@@@6K? @@@@@@@@ 7@@@@@H? ?31? @@@@ I4@@@@@@@6K?g?@@@@@ ?@@@@@@@@? ?J@@@@@H ?@@@@?g?J@@@@@?h@@@@@@5? @@@@@@@@@@@@@@@@@@@@@@@@@@@@@@@@@@@@@@@@@@@@@@@@@@@@@@@@@@@@@@@@@@@@@@@@@@@@@@@@@@@@@@@@@@@@@@@@@@@@@@@@@@@@@@@@@@6X ?O2@@@@@@@@@@@@@@@@@@@@@@@@@@@@@@@@@@@@@@@@@@@@@@@@@@@@@@@@@@@@@@@@@@@@@@@@@@@@@@@@@@@@@@@@@@@@@@@@@@@@@@@@@@@@@@@@@@@@@@@@@@@@@@@@@@@@@@@@@@@@@@@@@@@@@@@@@@@@@@@@@@@@@@@@@@@@@@@@@@@@@@@@@@@@@@@@@@@@@@@@@@@@@@@@@@@@@@@@@@@@@@@@@@@@@@@@@@@@@@@@@@@@@@@@@@@@@@@@@@@@@@@@@@@@@@@@@@@@@@@@@@@@@@@@@@@@@@@@@@@@@@@@@@@@@@@@@@@@@@@@@@@@@@@@@@@@@@@@@@@@@@@@@1?W&@@@@6K ?@@@@? J@@@@@@@H? ?@@@@@ @@@@@@@(M? 3@@?f?O2@6Xhe?@@@ @@@@@L ?@@? ?@@@@@@? @@@?f?@@@@@@@@@@@@@@@@@@@@1e?N@@@@@@@@H?f7@@??O2@@@@@@,hf?J@@@@ V'@@@@@@@)K?hf?I4@@@@@@@@@@@@@@@@@@@@@@@@@@@@@@@@@@@@@@@@L ?O&@@@@@@@@@@@0M ?@@@@@@@@)K?hfV'@@@@@@@@@)K??@@@@@@@
?N@@@@@@@1 ?O2@@@@@@@@@@@@@@@6K 3@@@@@@@L? @@@@@5 ?N@? @@@@L? I4@@@@@6X?fJ@@@@@ ?@@@@@@@@? ?7@@@@@? ?@@@@?g?@@@@@@?h@@@@@@H? ?J@@@@@@@@@@@@@@@@@@@@@@@@@@@@@@@@@@@@@@@@@@@@@@@@@@@@@@@@@@@@@@@@@@@@@@@@@@@@@@@@@@@@@@@@@@@@@@@@@@@@@@@@@@@@@@@@@@@)X? ?W2@@@@@@@@@@@@@@@@@@@@@@@@@@@@@@@@@@@@@@@@@@@@@@@@@@@@@@@@@@@@@@@@@@@@@@@@@@@@@@@@@@@@@@@@@@@@@@@@@@@@@@@@@@@@@@@@@@@@@@@@@@@@@@@@@@@@@@@@@@@@@@@@@@@@@@@@@@@@@@@@@@@@@@@@@@@@@@@@@@@@@@@@@@@@@@@@@@@@@@@@@@@@@@@@@@@@@@@@@@@@@@@@@@@@@@@@@@@@@@@@@@@@@@@@@@@@@@@@@@@@@@@@@@@@@@@@@@@@@@@@@@@@@@@@@@@@@@@@@@@@@@@@@@@@@@@@@@@@@@@@@@@@@@@@@@@@@@@@@@@@@@@@@@@@W&@@@@@@@@@6K ?@@@@? 7@@@@@@5 ?@@@@@ @@@@@@(Y N@@Lf@@@@@1he?@@@ @@@@@1 ?3@? ?@@@@@@? @@@?f7@@@@@@@@@@@@@@@@@@@@@L?e3@@@@@@5f?J@@5?@@@@@@@@(Yhf?7@@@5 ?V4@@@@@@@@@@6K?he?I4@@@@@@@@@@@@@@@@@@@@@@@@@@@@@@@@@@@@@@1 O2@@@@@@@@@@@@0M ?3@@@@@@@@@@@6K?h?N@@@@@@@@@@@@@@@@@@@@
3@@@@@@@ ?W2@@@@@@@@@@@@@@@@@@@6K N@@@@@@@1? ?J@@@@@H 3L @@@@1? ?I'@@@)Xf7@@@@@f?@6K ?@@@@@@@@? ?@@@@@@? ?@@@@?h@@@@@?h@@@@@@ W&@@@@@@@@@@@@@@@@@@@@@@@@@@@@@@@@@@@@@@@@@@@@@@@@@@@@@@@@@@@@@@@@@@@@@@@@@@@@@@@@@@@@@@@@@@@@@@@@@@@@@@@@@@@@@@@@@@@@)X W&@@@@@@@@@@@@@@@@@@@@@@@@@@@@@@@@@@@@@@@@@@@@@@@@@@@@@@@@@@@@@@@@@@@@@@@@@@@@@@@@@@@@@@@@@@@@@@@@@@@@@@@@@@@@@@@@@@@@@@@@@@@@@@@@@@@@@@@@@@@@@@@@@@@@@@@@@@@@@@@@@@@@@@@@@@@@@@@@@@@@@@@@@@@@@@@@@@@@@@@@@@@@@@@@@@@@@@@@@@@@@@@@@@@@@@@@@@@@@@@@@@@@@@@@@@@@@@@@@@@@@@@@@@@@@@@@@@@@@@@@@@@@@@@@@@@@@@@@@@@@@@@@@@@@@@@@@@@@@@@@@@@@@@@@@@@@@@@@@@@@@@@@@@@@@@@@@@@@@@@@@@6X ?@@@@? ?J@@@@@@@H ?@@@@@ @@@@@@H? ?@@1f@@@@@5he?@@@ @@@@@@ ?N@L ?@@@@@@L @@@?f@@@@@@@@@@@@@@@@@@@@@@1?eN@@@@@@HfW&@@H?@@@@@@@@H?hf?@@@@H ?I4@@@@@@@6KhfI4@@@@@@@@@@@@@@@@@@@@@@@@@@@@@@@@@@@@ O2@@@@@@@@@@@@0M ?N@@@@@@@@@@@@@@@?h3@@@@@@@@@@@@@@@@@@@L?
N@@@@@@@L? W&@@@@@@@@@@@@@@@@@@@@@@6X ?@@@@@@@@? ?7@@@@@? V/X? 3@@@@? N@@@@1f@@@@@5fJ@@@@6K? ?3@@@@@@@L ?@@@@@5? ?@@@@?g?7@@@@@?h@@@@@@ 7@@@@@@@@@@@@@@@@@@@@@@@@@@@@@@@@@@@@@@@@@@@@@@@@@@@@@@@@@@@@@@@@@@@@@@@@@@@@@@@@@@@@@@@@@@@@@@@@@@@@@@@@@@@@@@@@@@@@@@)X? ?W&@@@@@@@@@@@@@@@@@@@@@@@@@@@@@@@@@@@@@@@@@@@@@@@@@@@@@@@@@@@@@@@@@@@@@@@@@@@@@@@@@@@@@@@@@@@@@@@@@@@@@@@@@@@@@@@@@@@@@@@@@@@@@@@@@@@@@@@@@@@@@@@@@@@@@@@@@@@@@@@@@@@@@@@@@@@@@@@@@@@@@@@@@@@@@@@@@@@@@@@@@@@@@@@@@@@@@@@@@@@@@@@@@@@@@@@@@@@@@@@@@@@@@@@@@@@@@@@@@@@@@@@@@@@@@@@@@@@@@@@@@@@@@@@@@@@@@@@@@@@@@@@@@@@@@@@@@@@@@@@@@@@@@@@@@@@@@@@@@@@@@@@@@@@@@@@@@@@@@@@@@@@@)K? ?3@@@? ?7@@@@@@5? ?@@@@@ 3@@@@5 ?@@@?W2@@@@@(Yhe?@@@L? @@@@@@ @1 ?3@@@@@1 @@@?f@@@@@@@@@@@@@@@@@@@@@@@?e?@@@@@@Lf7@@5e@@@@@@@@ ?@@@@? I4@@@@@@@@6KheI4@@@@@@@@@@@@@@@@@@@@@@@@@@@@@@@@@@L? ?O2@@@@@@@@@@@@@0M 3@@@@@@@@@@@@@@?hV'@@@@@@@@@@@@@@@@@@@?
?@@@@@@@1? 7@@@@@@@@@@@@@V4@@@@@@@@@1 ?@@@@@@@@? J@@@@@5? ?N1? N@@@@? ?@@@@@f@@@@@He?O&@@@@@@@@@@@6K ?N@@@@@@@1 ?@@@@@H? ?@@@@?g?@@@@@@?h@@@@@@ @@@@@@@@@@@@@@@@@@@@@@@@@@@@@@@@@@@@@@@@@@@@@@@@@@@@@@@@@@@@@@@@@@@@@@@@@@@@@@@@@@@@@@@@@@@@@@@@@@@@@@@@@@@@@@@@@@@@@@@@1? W&@@@@@@@@@@@@@@@@@@@@@@@@@@@@@@@@@@@@@@@@@@@@@@@@@@@@@@@@@@@@@@@@@@@@@@@@@@@@@@@@@@@@@@@@@@@@@@@@@@@@@@@@@@@@@@@@@@@@@@@@@@@@@@@@@@@@@@@@@@@@@@@@@@@@@@@@@@@@@@@@@@@@@@@@@@@@@@@@@@@@@@@@@@@@@@@@@@@@@@@@@@@@@@@@@@@@@@@@@@@@@@@@@@@@@@@@@@@@@@@@@@@@@@@@@@@@@@@@@@@@@@@@@@@@@@@@@@@@@@@@@@@@@@@@@@@@@@@@@@@@@@@@@@@@@@@@@@@@@@@@@@@@@@@@@@@@@@@@@@@@@@@@@@@@@@@@@@@@@@@@@@@@@@@@@6X?he?N@@@L J@@@@@@@H? ?3@@@@L? N@@@@H ?@@@W&@@@@@0Y?he?3@@1? @@@@@@ @@ ?N@@@@@@ ?J@@@?f@@@@@@@@@@@@@@@@@@@@@@@@@??@@@@@@1e?J@@(Ye@@@@@@@@ J@@@5? I4@@@@@@@6KO@KgI4@@@@@@@@@@@@@@@@@@@@@@@@@@@@@@@@1? O2@@@@@@@@@@@@@0M? N@@@@@@@@@@@@@@?h?N@@@@@@@@@@@@@@@@@@H?
?@@@@@@@@? @@@@@@@@0?4@@@e?I'@@@@@@@L? ?3@@@@@@@L 7@@@@@H? @? ?@@@@? ?@@@@@e?J@@@@5??W2@@@@@@@@@@@@@@@6K @@@@@@@@ J@@@@@ ?@@@@?g?@@@@@@?g?J@@@@@@ @@@@@@@@@@@@@@@@@@@@@@@@@@@@@@@@@@@@@@@@@@@@@@@@@@@@@@@@@@@@@@@@@@@@@@@@@@@@@@@@@@@@@@@@@@@@@@@@@@@@@@@@@@@@@@@@@@@@@@@@@L ?W&@@@@@@@@@@@@@@@@@@@@@@@@@@@@@@@@@@@@@@@@@@@@@@@@@@@@@@@@@@@@@@@@@@@@@@@@@@@@@@@@@@@@@@@@@@@@@@@@@@@@@@@@@@@@@@@@@@@@@@@@@@@@@@@@@@@@@@@@@@@@@@@@@@@@@@@@@@@@@@@@@@@@@@@@@@@@@@@@@@@@@@@@@@@@@@@@@@@@@@@@@@@@@@@@@@@@@@@@@@@@@@@@@@@@@@@@@@@@@@@@@@@@@@@@@@@@@@@@@@@@@@@@@@@@@@@@@@@@@@@@@@@@@@@@@@@@@@@@@@@@@@@@@@@@@@@@@@@@@@@@@@@@@@@@@@@@@@@@@@@@@@@@@@@@@@@@@@@@@@@@@@@@@@@@@@@1?hf@@@1 7@@@@@@@ ?N@@@@1? ?@@@@? ?@@@@@@@(M ?N@@@? 3@@@@@ @@ @@@@@@ ?7@@@?f@@@@@@@@@@@@@@@@@@@@@@@@@L?@@@@@@@e?7@@H?e3@@@@@@@L?hf7@@@H? I'@@@@@@@@@@6KgI4@@@@@@@@@@@@@@@@@@@@@@@@@@@@@@@? ?O2@@@@@@@@@@@@@0M ?3@@@@@@@@@@@@@?he3@@@@@@@@@@@@@@@@@
?3@@@@@@@? @@@@@@(Mf@@fV4@@@@@@)X ?N@@@@@@@1 @@@@@@ @L ?@@@@L ?@@@@@L??7@@@@H??7@@@@@@@@@@@@@@@@@@@? @@@@@@@@ 7@@@@@ ?@@@@?g?@@@@@5?g?7@@@@@@ @@@@@@@@@@@@@@@@@@@@@@@@@@@@@@@@@@@@@@@@@@@@@@@@@@@@@@@@@@@@@@@@@@@@@@@@@@@@@@@@@@@@@@@@@@@@@@@@@@@@@@@@@@@@@@@@@@@@@@@@@)X? W&@@@@@@@@@@@@@@@@@@@@@@@@@@@@@@@@@@@@@@@@@@@@@@@@@@@@@@@@@@@@@@@@@@@@@@@@@@@@@@@@@@@@@@@@@@@@@@@@@@@@@@@@@@@@@@@@@@@@@@@@@@@@@@@@@@@@@@@@@@@@@@@@@@@@@@@@@@@@@@@@@@@@@@@@@@@@@@@@@@@@@@@@@@@@@@@@@@@@@@@@@@@@@@@@@@@@@@@@@@@@@@@@@@@@@@@@@@@@@@@@@@@@@@@@@@@@@@@@@@@@@@@@@@@@@@@@@@@@@@@@@@@@@@@@@@@@@@@@@@@@@@@@@@@@@@@@@@@@@@@@@@@@@@@@@@@@@@@@@@@@@@@@@@@@@@@@@@@@@@@@@??I'@@@@@@@@?hf@@@@ @@@@@@@@ @@@@@? ?3@@@? ?@@@@@@(Y? @@@? N@@@@@ @@L? 3@@@@@ ?@@@5?e?J@@@@@@@@@@@@@@@@@@@@@@@@@1?@@@@@@@L?J@@5fV'@@@@@@1?hf@@@@ ?V4@@@@@@@@@@@6Kg?I4@@@@@@@@@@@@@@@@@@@@@@@@@@@@L ?O2@@@@@@@@@@@@0M? ?V'@@@@@@@@@@@@?heV'@@@@@@@@@@@@@@@5
?N@@@@@@@L ?J@@@@@@H?f@@L?fI'@@@@@1 @@@@@@@@ @@@@@@ 3)X? ?@@@@1 ?@@@@@1?J@@@@@e?@@@@@(MI4@@@@@@@@@@@L @@@@@@@@ @@@@@@ J@@@@?g?@@@@@H?g?@@@@@@@ @@@@@@@@@@@@@@@@@@@@@@@@@@@@@@@@@@@@@@@@@@@@@@@@@@@@@@@@@@@@@@@@@@@@@@@@@@@@@@@@@@@@@@@@@@@@@@@@@@@@@@@@@@@@@@@@@@@@@@@@@@)X ?W&@@@@@@@@@@@@@@@@@@@@@@@@@@@@@@@@@@@@@@@@@@@@@@@@@@@@@@@@@@@@@@@@@@@@@@@@@@@@@@@@@@@@@@@@@@@@@@@@@@@@@@@@@@@@@@@@@@@@@@@@@@@@@@@@@@@@@@@@@@@@@@@@@@@@@@@@@@@@@@@@@@@@@@@@@@@@@@@@@@@@@@@@@@@@@@@@@@@@@@@@@@@@@@@@@@@@@@@@@@@@@@@@@@@@@@@@@@@@@@@@@@@@@@@@@@@@@@@@@@@@@@@@@@@@@@@@@@@@@@@@@@@@@@@@@@@@@@@@@@@@@@@@@@@@@@@@@@@@@@@@@@@@@@@@@@@@@@@@@@@@@@@@@@@@@@@@@@@@@@@@@@?eV4@@@@@@@@@?he@@@@ ?J@@@@@@@5 @@@@@? @@@? ?3@@@@@H @@@? ?@@@@@ 3@1? N@@@@@ ?@@@H?eW&@@@@@@@@@@@@@@@@@@@@@@@@@@W@@@@@@@)?&@@Hf?V'@@@@@@?he?J@@@5 ?I4@@@@@@@@@@@@6X?gI'@@@@@@@@@@@@@@@@@@@@@@@@@)X? ?O2@@@@@@@@@@@@0M? V4@@@@@@@@@@@?he?V4@@@@@@@@@@@@@@H
@@@@@@@1 W&@@@@@@g3@1?f?V'@@@@@ 3@@@@@@@ ?J@@@@@5 N@)X ?3@@@@ ?@@@@@@?7@@@@5e?3@@@(Y?e?I4@@@@@@@@1 @@@@@@@@ @@@@@@ 7@@@@?g?@@@@@h?@@@@@@@ 3@@@@@@@@@@@@@@@@@@@@@@@@@@@@@@@@@@@@@@@@@@@@@@@@@@@@@@@@@@@@@@@@@@@@@@@@@@@@@@@@@@@@@@@@@@@@@@@@@@@@@@@@@@@@@@@@@@@@@@@@@@)X? ?7@@@@@@@@@@@@@@@@@@@@@@@@@@@@@@@@@@@@@@@@@@@@@@@@@@@@@@@@@@@@@@@@@@@@@@@@@@@@@@@@@@@@@@@@@@@@@@@@@@@@@@@@@@@@@?e?@@@@@@@@@@@@@@@@@@@@@@@@@@@@@@@@@@@@@@@@@@@@@@@@@@@@@@@@@@@@@@@@@@@@@@@@@@@@@@@@@@@@@@@@@@@@@@@@@@@@@@@@@@@@@@@@@@@@@@@@@@@@@@@@@@@@@@@@@@@@@@@@@@@@@@@@@@@@@@@@@@@@@@@@@@@@@@@@@@@@@@@@@@@@@@@@@@@@@@@@@@@@@@@@@@@@@@@@@@@@@@@@@@@@@@@@@@@@@@@@@@@@@@@@@@?fI'@@@@@@@Lhe@@@@L? ?7@@@@@@@H @@@@@? ?7@@@L ?N@@@@5? @@@L ?@@@@@L? N@@? ?@@@@@L? ?@@@f7@@@@@@@@@@@@@@@@@@@@@@@@@@@@R'@@@@@@@@@5?gV'@@@@@?he?7@@@H W2@@6Khf?I4@@@@@@@@@)Kh@@@@@@@@@@@@@@@@@@@@@@@@@@1? ?O2@@@@@@@@@@@@0M? I4@@@@@@@@@?hf?I'@@@@@@@@@@@@?
@@@@@@@@ 7@@@@@@@gN@@?gV'@@@@@@ N@@@@@@@L? ?7@@@@(Y ?3@)K? ?N@@@@ ?@@@@@@?@@@@@He?N@@@HhI'@@@@@@ 3@@@@@@@L? @@@@@5 @@@@5?g?@@@@@h?@@@@@@@ N@@@@@@@@@@@@@@@@@@@@@@@@@@@@@@@@@@@@@@@@@@@@@@@@@@@@@@@@@@@@@@@@@@@@@@@@@@@@@@@@@@@@@@@@@@@@@@@@@@@@@@@@@@@@@@@@@@@@@@@@@@@)X ?@@@@@@@@@@@@@@@@@@@@@@@@@@@@@@@@@@@@@@@@@@@@@@@@@@@@@@@@@@@@@@@@@@@@@@@@@@@@@@@@@@@@@@@@@@@@@@@@@@@@@@@@@@@@@@?e?@@@@@@@@@@@@@@@@@@@@@@@@@@@@@@@@@@@@@@@@@@@@@@@@@@@@@@@@@@@@@@@@@@@@@@@@@@@@@@@@@@@@@@@@@@@@@@@@@@@@@@@@@@@@@@@@@@@@@@@@@@@@@@@@@@@@@@@@@@@@@@@@@@@@@@@@@@@@@@@@@@@@@@@@@@@@@@@@@@@@@@@@@@@@@@@@@@@@@@@@@@@@@@@@@@@@@@@@@@@@@@@@@@@@@@@@@@@@@@@@@@@@@@@@@@?f?V'@@@@@@)X?h@@@@1? ?@@@@@@@@? @@@@@? ?@@@@1 @@@(Y?e?O2@6Khe@@@1 ?@@@@@1? ?@@? ?@@@@@1? ?3@@e?J@@@@@@@@@@@@@@@@@@@@@@@@@@@@@LV'@@@@@@@@H?g?V'@@@@?heJ@@@5? *@@@@@6Khf?I4@@@@@@@@@@6K?e?'@@@@@@@@@@@@@@@@@@@@@@@@@@@? ?O2@@@@@@@@@@@@@0M I4@@@@@@5? V4@@@@@@@@@@5?
3@@@@@@@L? @@@@@@@@g?@@?g?V@@@@@@L? ?@@@@@@@1? ?@@@@@H? ?V'@@@ @@@@ ?@@@@@@@@@@@@?f@@@?h?V'@@@@@L? N@@@@@@@1? @@@@@H @@@@H?gJ@@@@@h?@@@@@@@ ?@@@@@@@@@@@@@@@@@@@@@@@@@@@@@@@@@@@@@@@@@@@@@@@@@@@@@@@@@@@@@@@@@@@@@@@@@@@@@@@@@@@@@@@@@@@@@@@@@@@@@@@@@@@@@@@@@@@@@@@@@@@@)X? J@@@@@@@@@@@@@@@@@@@@@@@@@@@@@@@@@@@@@@@@@@@@@@@@@@@@@@@@@@@@@@@@@@@@@@@@@@@@@@@@@@@@@@@@@@@@@@@@@@@@@@@@@@@@@@@@@@@@@@@@@@@@@@@@@@@@@@@@@@@@@@@@@@@@@@@@@@@@@@@@@@@@@@@@@@@@@@@@@@@@@@@@@@@@@@@@@@@@@@@@@@@@@@@@@@@@@@@@@@@@@@@@@@@@@@@@@@@@@@@@@@@@@@@@@@@@@@@@@@@@@@@@@@@@@@@@@@@@@@@@@@@@@@@@@@@@@@@@@@@@@@@@@@@@@@@@@@@@@@@@@@@@@@@@@@@@@@@@@@@@@@@@@@@@@@@@@@@@@@@@@@@@?gN@@@@@@@)Xh3@@@@? ?@@@@@@@5? 3@@@@L ?@@@@@ @@@He?W2@@@@@@?h3@@@fO26X ?3@@@@@? ?@@? ?3@@@@@? ?V4@e?7@@@@@@@@@@@@@@@@@@@@@@@@@@@@@)KV@@@@@@@@heV@@@@?he7@@@H? ?@@@@@@@@6X?hfI4@@@@@@@@@@@6KS@@@@@@@@@@@@@@@@@@@@@@@@@@@? ?O2@@@@@@@@@@@@@0M ?I4@@0Y? I4@@@@@@@0Y?
N@@@@@@@1?he?@@@@@@@@@@@@@@@@@@6?2@@@@@@@@@@@@@@@@@@@@1? ?@@@@@@@@? J@@@@@ V'@@ @@@@ ?@@@@@@@@@@@@?f@@@?heN@@@@@1? ?@@@@@@@@? @@@@@? @@@@h7@@@@@h?@@@@@@5 ?@@@@@@@@@@@@@@@@@@@@@@@@@@@@@@@@@@@@@@@@@@@@@@@@@@@@@@@@@@@@@@@@@@@@@@@@@@@@@@@@@@@@@@@@@@@@@@@@@@@@@@@@@@@@@@@@@@@@@@@@@@@@@)X 7@@@@@@@@@@@@@@@@@@@@@@@@@@@@@@@@@@@@@@@@@@@@@@@@@@@@@@@@@@@@@@@@@@@@@@@@@@@@@@@@@@@@@@@@@@@@@@@@@@@@@@@@@@@@@@@@@@@@@@@@@@@@@@@@@@@@@@@@@@@@@@@@@@@@@@@@@@@@@@@@@@@@@@@@@@@@@@@@@@@@@@@@@@@@@@@@@@@@@@@@@@@@@@@@@@@@@@@@@@@@@@@@@@@@@@@@@@@@@@@@@@@@@@@@@@@@@@@@@@@@@@@@@@@@@@@@@@@@@@@@@@@@@@@@@@@@@@@@@@@@@@@@@@@@@@@@@@@@@@@@@@@@@@@@@@@@@@@@@@@@@@@@@@@@@@@@@@@@@@@@@@@@?g?3@@@@@@@1hN@@@@? ?@@@@@@@H? N@@@@1 ?3@@@@ @@@LeO&@@@@@@@?hN@@@@@@@@@@1 ?N@@@@@? ?@@L ?N@@@@@? J@@@@@@@@@@@@@@@@@@@@@@@@@@@@@@@@@@@@@@@@@@@@@@@@@@@@@@@@?h?J@@@@L?heW&K?he?O&@@@@@@@@@1? I4@@@@@@@@@@@@Y@@@@@@@@@@@@@@@@@@@@@@@@@@? ?O2@@@@@@@@@@@@0M?
?@@@@@@@@?he?@@@@@@@@@@@@@@@@@@@@@@@@@@@@@@@@@@@@@@@@@@L ?3@@@@@@@L 7@@@@5 ?V4@@6K? @@@@L? ?@@@@@@@@@@@5?f@@@?he?@@@@@@? ?@@@@@@@@? ?J@@@@@? @@@@h@@@@@@h?@@@@@@H ?@@@@@@@@@@@@@@@@@@@@@@@@@@@@@@@@@@@@@@@@@@@@@@@@@@@@@@@@@@@@@@@@@@@@@@@@@@@@@@@@@@@@@@@@@@@@@@@@@@@@@@@@@@@@@@@@@@@@@@@@@@@@@@)X? @@@@@@@@@@@@@@@@@@@@@@@@@@@@@@@@@@@@@@@@@@@@@@@@@@@@@@@@@@@@@@@@@@@@@@@@@@@@@@@@@@@@@@@@@@@@@@@@@@@@@@@@@@@@@@@@@@@@@@@@@@@@@@@@@@@@@@@@@@@@@@@@@@@@@@@@@@@@@@@@@@@@@@@@@@@@@@@@@@@@@@@@@@@@@@@@@@@@@@@@@@@@@@@@@@@@@@@@@@@@@@@@@@@@@@@@@@@@@@@@@@@@@@@@@@@@@@@@@@@@@@@@@@@@@@@@@@@@@@@@@@@@@@@@@@@@@@@@@@@@@@@@@@@@@@@@@@@@@@@@@@@@@@@@@@@@@@@@@@@@@@@@@@@@@@@@@@@@@@@@@@@@@?g?V4@@@@@@@L?g?@@@@? J@@@@@@@ ?@@@@@ ?N@@@@ @@@)?2@@@@@@@@@?h?@@@@@@@@@@@ @@@@@? ?3@1 @@@@@? 7@@@@@@@@@@@@@@@@@@@@@@@@@@@@@@@@V'@@@@@@@@@@@@@@@@@@@@@@@@@@6K?eO&@@@@)KO2@@6Ke?O&@@6K?O2@@@@@@@@@@@@@@@@@@@L I4@@@@@@@@@@@@@@@@@@@@@(M?@@@@@@@@@@@@@? ?O2@@@@@@@@@@@0M
?3@@@@@@@L I'@@@@@@gI4@@@?I@MI4@@@@@@@@@ ?N@@@@@@@1 ?J@@@@@H ?I'6K? @@@@1? ?3@@@@@@@@@@H?f@@@Lhe?@@@@@@? ?@@@@@@@@? ?7@@@@@? @@@@h@@@@@@h?@@@@@@? ?@@@@@@@@@@@@@@@@@@@@@@@@@@@@@@@@@@@@@@@@@@@@@@@@@@@@@@@@@@@@@@@@@@@@@@@@@@@@@@@@@@@@@@@@@@@@@@@@@@@@@@@@@@@@@@@@@@@@@@@@@@@@@@@1? ?J@@@@@@@@@@@@@@@@@@@@@@@@@@@@@@@@@@@@@@@@@@@@@@@@@@@@@@@@@@@@@@@@@@@@@@@@@@@@@@@@@@@@@@@@@@@@@@@@@@@@@@@@@@@@@@@@@@@@@@@@@@@@@@@@@@@@@@@@@@@@@@@@@@@@@@@@@@@@@@@@@@@@@@@@@@@@@@@@@@@@@@@@@@@@@@@@@@@@@@@@@@@@@@@@@@@@@@@@@@@@@@@@@@@@@@@@@@@@@@@@@@@@@@@@@@@@@@@@@@@@@@@@@@@@@@@@@@@@@@@@@@@@@@@@@@@@@@@@@@@@@@@@@@@@@@@@@@@@@@@@@@@@@@@@@@@@@@@@@@@@@@@@@@@@@@@@@@@@@@@@@@@@@?heI'@@@@1?g?@@@@L 7@@@@@ ?@@@@@ 3@@@ 3@@@@@@@@0?4@@@?h?@@@@@@@@@@@ @@@@@? ?N@@ @@@@@L ?J@@@@@@@@@@@@@@@@@@@@@@@@@@@@@@@@5?V4@@@@@@@@@@@@@@@@@@@@@@@@@@@@@@@@@@@@@@@@@@@@@@@@@@@@@@@@@@@@@@@@@@@@@@@@@@@)K? ?I4@@@@@@@@@@@@@@@@@@He@@@@@@@@@@@@@L O2@@@@@@@@@@@@0M
?N@@@@@@@1 ?N@@@@@@h?@@?gW@@@@@@H @@@@@@@@ ?7@@@@@? V4@@6K @@@@@? ?V'@@@@@@@@@g3@@1he?@@@@@@? ?3@@@@@@@? ?@@@@@@? @@@@h@@@@@5hJ@@@@@@? J@@@@@@@@@@@@@@@@@@@@@@@@@@@@@@@@@@@@@@@@@@@@@@@@@@@@@@@@@@@@@@@@@@@@@@@@@@@@@@@@@@@@@@@@@@@@@@@@@@@@@@@@@@@@@@@@@@@@@@@@@@@@@@@@? ?7@@@@@@@@@@@@@@@@@@@@@@@@@@@@@@@@@@@@@@@@@@@@@@@@@@@@@@@@@@@@@@@@@@@@@@@@@@@@@@@@@@@@@@@@@@@@@@@@@@@@@@@@@@@@@@@@@@@@@@@@@@@@@@@@@@@@@@@@@@@@@@@@@@@@@@@@@@@@@@@@@@@@@@@@@@@@@@@@@@@@@@@@@@@@@@@@@@@@@@@@@@@@@@@@@@@@@@@@@@@@@@@@@@@@@@@@@@@@@@@@@@@@@@@@@@@@@@@@@@@@@@@@@@@@@@@@@@@@@@@@@@@@@@@@@@@@@@@@@@@@@@@@@@@@@@@@@@@@@@@@@@@@@@@@@@@@@@@@@@@@@@@@@@@@@@@@@@@@@@@@@@@@@?he?V'@@@@?g?@@@@1 @@@@@@ ?@@@@@ N@@@ N@@@@@(M ?3@@@@@@0M @@@@@L @@ @@@@@1 W&@@@@@@@@@@@@@@@@@@@@@@@@@@@@@@@@H?eI4@@@@@@@@@@@@@@@@@@@@@@@@@@@@@@@@@@@@@@@@@@@@@@@@@@@@@@@@@@@@@@@@@@@@@@@@@@@6K? ?I4@@@@@@@@@@@@@@@5?e3@@@@@@@@@@@@1 ?O2@@@@@@@@@@@@@0M
@@@@@@@@ 3@@@@@L?g?@@Lg7@@@@@@? 3@@@@@@@L? ?@@@@@5? ?I4@@@6K 3@@@@? N@@@@@@@@@gN@@@he?3@@@@@? ?N@@@@@@@? ?@@@@@5? @@@@h@@@@@Hh7@@@@@@? 7@@@@@@@@@@@@@@@@@@@@@@@@@@@@@@@@@@@@@@@@@@@@@@@@@@@@@@@@@@@@@@@@@@@@@@@@@@@@@@@@@@@@@@@@@@@@@@@@@@@@@@@@@@@@@@@@@@@@@@@@@@@@@@@@? ?@@@@@@@@@@@@@@@@@@@@@@@@@@@@@@@@@@@@@@@@@@@@@@@@@@@@@@@@@@@@@@@@@@@@@@@@@@@@@@@@@@@@@@@@@@@@@@@@@@@@@@@@@@@@@@@@@@@@@@@@@@@@@@@@@@@@@@@@@@@@@@@@@@@@@@@@@@@@@@@@@@@@@@@@@@@@@@@@@@@@@@@@@@@@@@@@@@@@@@@@@@@@@@@@@@@@@@@@@@@@@@@@@@@@@@@@@@@@@@@@@@@@@@@@@@@@@@@@@@@@@@@@@@@@@@@@@@@@@@@@@@@@@@@@@@@@@@@@@@@@@@@@@@@@@@@@@@@@@@@@@@@@@@@@@@@@@@@@@@@@@@@@@@@@@@@@@@@@@@@@@@@@@@?hfN@@@@Lg?3@@@@ @@@@@@ ?@@@@@ ?@@@L? ?@@@@@H? ?N@@@@(M 3@@@@1 @@ @@@@@@ ?O&@@@@@@@@@@@@@@@@@@@@@@@@@@@@@@@@@ I4@@@@@@@@@@@@@@@@@@@@@@@@@@@@@@@@@@@@@@@@@@@@@@@@@@@@@@@@@@@@@@@@@6X? I'@@@@@@@@@@@@f?@@@@@@@@@@@@@ ?O2@@@@@@@@@@@@0M?
3@@@@@@@ N@@@@@)Kg?@@1f?J@@@@@@@? N@@@@@@@1? J@@@@@H? I4@@6K N@@@@? ?3@@@@@@@5gJ@@@he?N@@@@@L @@@@@@@L J@@@@@H? ?J@@@5h@@@@@?h@@@@@@@? @@@@@@@@@@@@@@@@@@@@@@@@@@@@@@@@@@@@@@@@@@@@@@@@@@@@@@@@@@@@@@@@@@@@@@@@@@@@@@@@@@@@@@@@@@@@@@@@@@@@@@@@@@@@@@@@@@@@@@@@@@@@@@@@@? ?@@@@@@@@@@@@@@@@@@@@@@@@@@@@@@@@@@@@@@@@@@@@@@@@@@@@@@@@@@@@@@@@@@@@@@@@@@@@@@@@@@@@@@@@@@@@@@@@@@@@@@@@@@@@@@@@@@@@@@@@@@@@@@@@@@@@@@@@@@@@@@@@@@@@@@@@@@@@@@@@@@@@@@@@@@@@@@@@@@@@@@@@@@@@@@@@@@@@@@@@@@@@@@@@@@@@@@@@@@@@@@@@@@@@@@@@@@@@@@@@@@@@@@@@@@@@@@@@@@@@@@@@@@@@@@@@@@@@@@@@@@@@@@@@@@@@@@@@@@@@@@@@@@@@@@@@@@@@@@@@@@@@@@@@@@@@@@@@@@@@@@@@@@@@@@@@@@@@@@@@@@@@@5?hf?@@@@1g?N@@@@ ?J@@@@@@ ?@@@@@ ?@@@1? ?@@@@5 @@@@H? N@@@@@ ?J@@L? @@@@@@L? @@@@@@@@@@@@@@@@@@@@@@@@@@@@@@@@@@@@L? I'@@@?e?I'@@@@@@@@@@@@@@@@@@@@@@@@@@@@@@@@@@@@@@@@@@??I4@@@@@)X ?V4@@@@@@@@@@@)K?O&@@@@@@@@@@@@@ O2@@@@@@@@@@@@@@0M
N@@@@@@@L? ?3@@@@@@6Kf?@@@fO&@@@@@@@? ?@@@@@@@@? 7@@@@5 I4@@@@6K?O26X? ?@@@@? ?N@@@@@@@Hg7@@5hf@@@@@1 @@@@@@@1 7@@@@@ ?7@@@Hh@@@@@?h@@@@@@5? ?J@@@@@@@@@@@@@@@@@@@@@@@@@@@@@@@@@@@@@@@@@@@@@@@@@@@@@@@@@@@@@@@@@@@@@@@@@@@@@@@@@@@@@@@@@@@@@@@@@@@@@@@@@@@@@@@@@@@@@@@@@@@@@@@@@? J@@@@@@@@@@@@@@@@@@@@@@@@@@@@@@@@@@@@@@@@@@@@@@@@@@@@@@@@@@@@@@@@@@@@@@@@@@@@@@@@@@@@@@@@@@@@@@@@@@@@@@@@@@@@@@@@@@@@@@@@@@@@@@@@@@@@@@@@@@@@@@@@@@@@@@@@@@@@@@@@@@@@@@@@@@@@@@@@@@@@@@@@@@@@@@@@@@@@@@@@@@@@@@@@@@@@@@@@@@@@@@@@@@@@@@@@@@@@@@@@@@@@@@@@@@@@@@@@@@@@@@@@@@@@@@@@@@@@@@@@@@@@@@@@@@@@@@@@@@@@@@@@@@@@@@@@@@@@@@@@@@@@@@@@@@@@@@@@@@@@@@@@@@@@@@@@@@@@@@@@@@@@@H?hf?3@@@@L?g3@@@ ?7@@@@@@ ?3@@@@ ?@@@@? ?3@@@H @@@@ ?@@@@@ ?@@@1? 3@@@@@1? ?J@@@@@@@@@@@@@@@@@@@@@@@@@@@@@@@@@@@@)X ?N@@@?fN@@@@@h?I4@@@@@@@@@@@@@@@@@@@@@@@@@@?e?I'@@@@)K? ?I4@@@@@@@@@@@@@@@@@@@@@@@@@@@ O2@@@@@@@@@@@@@0M?
?@@@@@@@1? ?V'@@@@@@@@@@@@@@@@@@@@@@@@@@@@? ?3@@@@@@@L ?J@@@@@H I4@@@@@@)X ?3@@@L @@@@@@@?g@@@Hhf@@@@@@ @@@@@@@@ @@@@@@ ?@@@@?g?J@@@@@?h@@@@@@H? ?7@@@@@@@@@@@@@@@@@@@@@@@@@@@@@@@@@@@@@@@@@@@@@@@@@@@@@@@@@@@@@@@@@@@@@@@@@@@@@@@@@@@@@@@@@@@@@@@@@@@@@@@@@@@@@@@@@@@@@@@@@@@@@@@@@? 7@@@@@@@@@@@@@@@@@@@@@@@@@@@@@@@@@@@@@@@@@@@@@@@@@@@@@@@@@@@@@@@@@@@@@@@@@@@@@@@@@@@@@@@@@@@@@@@@@@@@@@@@@@@@@@@@@@@@@@@@@@@@@@@@@@@@@@@@@@@@@@@@@@@@@@@@@@@@@@@@@@@@@@@@@@@@@@@@@@@@@@@@@@@@@@@@@@@@@@@@@@@@@@@@@@@@@@@@@@@@@@@@@@@@@@@@@@@@@@@@@@@@@@@@@@@@@@@@@@@@@@@@@@@@@@@@@@@@@@@@@@@@@@@@@@@@@@@@@@@@@@@@@@@@@@@@@@@@@@@@@@@@@@@@@@@@@@@@@@@@@@@@@@@@@@@@@@@@@@@@@@@@@ ?N@@@@1?gN@@@ ?@@@@@@@ ?N@@@@L? ?@@@@? ?N@@@? @@@5 ?3@@@@ ?N@@@? N@@@@@@? O&@@@@@@@@@@@@@@@@@@@@@@@@@@@@@@@@@@@@@1 3@@Lf?@@@@5 I'@@@@@@@?f?I40M?hV4@@@@@@6K I4@@@@@@@@@@@@@@@@@@@@@@@@ ?O2@@@@@@@@@@@@@@0M?
?3@@@@@@@L V'@@@@@@@@@@@@@@@@@@@@@@@@@@5? ?N@@@@@@@1 ?7@@@@@? I'@@@1 ?N@@@1 @@@@@@@@@@@@@@@@5?hf@@@@@@ @@@@@@@@ @@@@@5 ?@@@@?g?7@@@@@?h@@@@@@ ?@@@@@@@@@@@@@@@@@@@@@@@@@@@@@@@@@@@@@@@@@@@@@@@@@@@@@@@@@@@@@@@@@@@@@@@@@@@@@@@@@@@@@@@@@@@@@@@@@@@@@@@@@@@@@@@@@@@@@@@@@@@@@@@@@@? @@@@@@@@@@@@@@@@@@@@@@@@@@@@@@@@@@@@@@@@@@@@@@@@@@@@@@@@@@@@@@@@@@@@@@@@@@@@@@@@@@@@@@@@@@@@@@@@@@@@@@@@@@@@@@@@@@@@@@@@@@@@@@@@@@@@@@@@@@@@@@@@@@@@@@@@@@@@@@@@@@@@@@@@@@@@@@@@@@@@@@@@@@@@@@@@@@@@@@@@@@@@@@@@@@@@@@@@@@@@@@@@@@@@@@@@@@@@@@@@@@@@@@@@@@@@@@@@@@@@@@@@@@@@@@@@@@@@@@@@@@@@@@@@@@@@@@@@@@@@@@@@@@@@@@@@@@@@@@@@@@@@@@@@@@@@@@@@@@@@@@@@@@@@@@@@@@@@@@@@@@@@@@ @@@@@?g?@@@ ?@@@@@@@ @@@@1? ?3@@@? @@@? 3@@H ?N@@@@L? 3@@? ?@@@@@@? W2@@@@@@@@@@@@@@@@@(M?e@@@@@@@@@@@@@@@@@@ N@@1f?@@@@H ?N@@@@@@@L I'@@@@@@6K ?I4@@@@@@@@@@@@@@@@@@@@@L? ?O2@@@@@@@@@@@@@@@0M
?N@@@@@@@1 ?N@@@@@@@@@@@@@@@@@@@@@@@@@0Y? @@@@@@@@ ?@@@@@5? ?N@@@5 @@@@h?@@? @@@@@@@@@@@@@@@(Y?hf@@@@@@ @@@@@@@@L? ?J@@@@@H ?@@@@?g?@@@@@@?g?J@@@@@@ ?@@@@@@@@@@@@@@@@@@@@@@@@@@@@@@@@@@@@@@@@@@@@@@@@@@@@@@@@@@@@@@@@@@@@@@@@@@@@@@@@@@@@@@@@@@@@@@@@@@@@@@@@@@@@@@@@@@@@@@@@@@@@@@@@@@L @@@@@@@@@@@@@@@@@@@@@@@@@@@@@@@@@@@@@@@@@@@@@@@@@@@@@@@@@@@@@@@@@@@@@@@@@@@@@@@@@@@@@@@@@@@@@@@@@@@@@@@@@@@@@@@@@@@@@@@@@@@@@@@@@@@@@@@@@@@@@@@@@@@@@@@@@@@@@@@@@@@@@@@@@@@@@@@@@@@@@@@@@@@@@@@@@@@@@@@@@@@@@@@@@@@@@@@@@@@@@@@@@@@@@@@@@@@@@@@@@@@@@@@@@@@@@@@@@@@@@@@@@@@@@@@@@@@@@@@@@@@@@@@@@@@@@@@@@@@@@@@@@@@@@@@@@@@@@@@@@@@@@@@@@@@@@@@@@@@@@@@@@@@@@@@@@@@@@@@@@@@@@5 3@@@@?g?@@@L? J@@@@@@5 @@@@@? ?N@@@? @@@? N@@? @@@@1? N@@? ?@@@@@@? 7@@@@@@@@@@@@@@@@@(Yf3@@@@@@@@@@@@@@@@@L? ?@@@L?eJ@@@5? 3@@@@@@1 ?V4@@@@@@@6K ?I'@@@@@@@@@@@@@@@@@1? O2@@@@@@@@@@@@@@0M
@@@@@@@@ @@@@@@@@@@@@@@@@@@@@@@@(M? 3@@@@@@@ J@@@@@H? @@@H @@@@L?gJ@@? @@@@@@@@@@@@@@(Y @@@@@@ 3@@@@@@@1? ?7@@@@@? ?@@@@?g?@@@@@@?g?7@@@@@@ ?@@@@@@@@@@@@@@@@@@@@@@@@@@@@@@@@@@@@@@@@@@@@@@@@@@@@@@@@@@@@@@@@@@@@@@@@@@@@@@@@@@@@@@@@@@@@@@@@@@@@@@@@@@@@@@@@@@@@@@@@@@@@@@@@@@1 @@@@@@@@@@@@@@@@@@@@@@@@@@@@@@@@@@@@@@@@@@@@@@@@@@@@@@@@@@@@@@@@@@@@@@@@@@@@@@@@@@@@@@@@@@@@@@@@@@@@@@@@@@@@@@@@@@@@@@@@@@@@@@@@@@@@@@@@@@@@@@@@@@@@@@@@@@@@@@@@@@@@@@@@@@@@@@@@@@@@@@@@@@@@@@@@@@@@@@@@@@@@@@@@@@@@@@@@@@@@@@@@@@@@@@@@@@@@@@@@@@@@@@@@@@@@@@@@@@@@@@@@@@@@@@@@@@@@@@@@@@@@@@@@@@@@@@@@@@@@@@@@@@@@@@@@@@@@@@@@@@@@@@@@@@@@@@@@@@@@@@@@@@@@@@@@@@@@@@@@@@@@(Y N@@@@?g?@@@1? 7@@@@@(Y @@@@@? @@@? @@@? ?@@L @@@@@? ?@@L ?@@@@@@? ?J@@@@@@@@@@@@@@@@@@H?fN@@@@@@@@@@@@@@@@@1? ?@@@1?e7@@@H? V'@@@@@@hf?W2@@?f?I'@@@@@@@@6K? V4@@@@@@@@@@@@@@@@@L ?O2@@@@@@@@@@@@@@0M?
3@@@@@@@ ?I4@@@@@@@@@@@@@@@@@@@(Y N@@@@@@@L? 7@@@@@ 3@@? @@@@1?g7@@? @@@@@@@@@@@@@0Y? @@@@@@ N@@@@@@@@? ?@@@@@@? ?@@@@?g?@@@@@@?g?@@@@@@@ ?@@@@@@@@@@@@@@@@@@@@@@@@@@@@@@@@@@@@@@@@@@@@@@@@@@@@@@@@@@@@@@@@@@@@@@@@@@@@@@@@@@@@@@@@@@@@@@@@@@@@@@@@@@@@@@@@@@@@@@@@@@@@@@@@@@5 @@@@@@@@@@@@@@@@@@@@@@@@@@@@@@@@@@@@@@@@@@@@@@@@@@@@@@@@@@@@@@@@@@@@@@@@@@@@@@@@@@@@@@@@@@@@@@@@@@@@@@@@@@@@@@@@@@@@@@@@@@@@@@@@@@@@@@@@@@@@@@@@@@@@@@@@@@@@@@@@@@@@@@@@@@@@@@@@@@@@@@@@@@@@@@@@@@@@@@@@@@@@@@@@@@@@@@@@@@@@@@@@@@@@@@@@@@@@@@@@@@@@@@@@@@@@@@@@@@@@@@@@@@@@@@@@@@@@@@@@@@@@@@@@@@@@@@@@@@@@@@@@@@@@@@@@@@@@@@@@@@@@@@@@@@@@@@@@@@@@@@@@@@@@@@@@@@@@@@@@@@@(Y? ?@@@@?g?@@@@? @@@@@@H? @@@@@? @@@? @@@? ?@@1 @@@@@? ?@@1 ?@@@@@@L W&@@@@@@@@@@@@@@@@@5g?@@@@@@@@@@@@@@@@@@? ?@@@@?e@@@@ ?N@@@@@@hf?7@@@?gV'@@@@@@@@@@@6X? I4@@@@@@@@@@@@@@@1 O2@@@@@@@@@@@@@@@0M?
N@@@@@@@L? ?I'@@@@@@@@@@@@@@@@(Y? ?@@@@@@@1? @@@@@5 N@@? 3@@@@?f?J@@@?hf?J@@@@@(M? 3@@@@@ ?@@@@@@@@? ?@@@@@@? J@@@@?g?@@@@@5?g?@@@@@@@ J@@@@@@@@@@@@@@@@@@@@@@@@@@@@@@@@@@@@@@@@@@@@@@@@@@@@@@@@@@@@@@@@@@@@@@@@@@@@@@@@@@@@@@@@@@@@@@@@@@@@@@@@@@@@@@@@@@@@@@@@@@@@@@@@@@H 3@@@@@@@@@@@@@@@@@@@@@@@@@@@@@@@@@@@@@@@@@@@@@@@@@@@@@@@@@@@@@@@@@@@@@@@@@@@@@@@@@@@@@@@@@@@@@@@@@@@@@@@@@@@@@@@@@@@@@@@@@@@@@@@@@@@@@@@@@@@@@@@@@@@@@@@@@@@@@@@@@@@@@@@@@@@@@@@@@@@@@@@@@@@@@@@@@@@@@@@@@@@@@@@@@@@@@@@@@@@@@@@@@@@@@@@@@@@@@@@@@@@@@@@@@@@@@@@@@@@@@@@@@@@@@@@@@@@@@@@@@@@@@@@@@@@@@@@@@@@@@@@@@@@@@@@@@@@@@@@@@@@@@@@@@@@@@@@@@@@@@@@@@@@@@@@@@@@@@@@@@(Y ?@@@@?g?@@@@? 3@@@@@ @@@@@? @@@L @@@? ?@@@eO2@@@@@? @@@@@? ?@@@ ?3@@@@@1 ?W&@@@@@@@@@@@@@@@@@0Yg?@@@@@@@@@@@@@@@@@@? ?@@@@@@@@@@@ 3@@@@@hf?@@@@?g?V4@@@@@@@@@@@1? I'@@@@@@@@@@@@@@ O2@@@@@@@@@@@@@@0M
?@@@@@@@1? V4@@@@@@@@@@@@@@0Y ?@@@@@@@@L ?J@@@@@H ?@@L N@@@@??W&KO&@@@Lhf?7@@@@@H N@@@@@ ?@@@@@@@@L J@@@@@@? 7@@@@?g?@@@@@H?g?@@@@@@@ 7@@@@@@@@@@@@@@@@@@@@@@@@@@@@@@@@@@@@@@@@@@@@@@@@@@@@@@@@@@@@@@@@@@@@@@@@@@@@@@@@@@@@@@@@@@@@@@@@@@@@@@@@@@@@@@@@@@@@@@@@@@@@@@@@@@? N@@@@@?I4@@@@@@@@@@@@@@@@@@@@@@@@@@@@@@@@@@@@@@@@@@@@@@@@@@@@@@@@@@@@@@@@@@@@@@@@@@@@@@@@@@@@@@@@@@@@@@@@@@@@@@@@@@@@@@@@@@@@@@@@@@@@@@@@@@@@@@@@@@@@@@@@@@@@@@@@@@@@@@@@@@@@@@@@@@@@@@@@@@@@@@@@@@@@@@@@@@@@@@@@@@@@@@@@@@@@@@@@@@@@@@@@@@@@@@@@@@@@@@@@@@@@@@@@@@@@@@@@@@@@@@@@@@@@@@@@@@@@@@@@@@@@@@@@@@@@@@@@@@@@@@@@@@@@@@@@@@@@@@@@@@@@@@@@@@@@@@@@@@@@@@@@@@@@@@@@(Y? J@@@@?g?@@@@? N@@@@@ 3@@@@L 3@@1 @@@? ?@@@@@@@@@@@@? 3@@@@L ?@@@ ?N@@@@@@ W&@@@@@@@@@@@@@@@(M?h?3@@@@@@@@@@@@@@@@@? ?3@@@@@@@@@5 N@@@@@hf?@@@@?h?I4@@@@@@@@@@? ?N@@@@@@@@@@@@@@ ?O2@@@@@@@@@@@@@@@0M
?3@@@@@@@? ?I4@@@@@@@0M ?3@@@@@@@1 ?7@@@@@? ?@@1 ?@@@@??*@@@@@@@1hfJ@@@@@5? ?@@@@@L? ?@@@@@@@@1 7@@@@@5? @@@@5?g?@@@@@h?@@@@@@@ @@@@@@@@@@@@@@@@@@@@@@@@@@@@@@@@@@@@@@@@@@@@@@@@@@@@@@@@@@@@@@@@@@@@@@@@@@@@@@@@@@@@@@@@@@@@@@@@@@@@@@@@@@@@@@@@@@@@@@@@@@@@@@@@@@5? ?3@@@@L?f@@@@@@@@@@@@@@@@@@@@@@@@@@@@@@@@@@@@@@@@@@@@@@@@@@@@@@@@@@@@@@@@@@@@@@@@@@@@@@@@@@@@@@@@@@@@@@@@@@@@@@@@@@@@@@@@@@@@@@@@@@@@@@@@@@@@@@@@@@@@@@@@@@@@@@@@@@@@@@@@@@@@@@@@@@@@@@@@@@@@@@@@@@@@@@@@@@@@@@@@@@@@@@@@@@@@@@@@@@@@@@@@@@@@@@@@@@@@@@@@@@@@@@@@@@@@@@@@@@@@@@@@@@@@@@@@@@@@@@@@@@@@@@@@@@@@@@@@@@@@@@@@@@@@@@@@@@@@@@@@@@@@@@@@@@@@@@@@@@@@@@@@@@@@(Y 7@@@@?g?3@@@? ?3@@@@ N@@@@1 N@@@ @@@? ?@@@@@@@@@@@@? N@@@@1 @@@@@@ 7@@@@@@@@@@@@@@@@Hhe?N@@@@@@@@@@@@@@@@@? ?N@@@@@@@@@H ?@@@@@hf?@@@@?he?I4@@@@@@@@@@@@@@@6K @@@@@@@@@@@@@@ O2@@@@@@@@@@@@@@0M
?N@@@@@@@L I40M ?N@@@@@@@@ ?@@@@@5? ?@@@ ?@@@@??V4@@@@@@@W2@6X?g7@@@@@H? ?@@@@@1? ?3@@@@@@@@ @@@@@@H? @@@@H?g?@@@@@h?@@@@@@5 @@@@@@@@@@@@@@@@@@@@@@@@@@@@@@@@@@@@@@@@@@@@@@@@@@@@@@@@@@@@@@@@@@@@@@@@@@@@@@@@@@@@@@@@@@@@@@@@@@@@@@@@@@@@@@@@@@@@@@@@@@@@@@@@@@H? ?N@@@@1?f3@@@@@@@@@@@@@@@@@@@@@@@@@@@@@@@@@@@@@@@@@@@@@@@@@@@@@@@@@@@@@@@@@@@@@@@@@@@@@@@@@@@@@@@@@@@@@@@@@@@@@@@@@@@@@@@@@@@@@@@@@@@@@@@@@@@@@@@@@@@@@@@@@@@@@@@@@@@@@@@@@@@@@@@@@@@@@@@@@@@@@@@@@@@@@@@@@@@@@@@@@@@@@@@@@@@@@@@@@@@@@@@@@@@@@@@@@@@@@@@@@@@@@@@@@@@@@@@@@@@@@@@@@@@@@@@@@@@@@@@@@@@@@@@@@@@@@@@@@@@@@@@@@@@@@@@@@@@@@@@@@@@@@@@@@@@@@@@@@@@@@@@@@@(Y? @@@@5?g?N@@@? ?N@@@@ ?@@@@@ ?@@@ 3@@L ?3@@@@@@@@0M ?@@@@@ @@@@@@ ?J@@@@@@@@@@@@@@@@5?hf@@@@@@@@@@@@@@@@@? @@@@@@@@5? ?@@@@@hf?3@@@? W@@@@@@@@@@@@@@@@@@@@@@@@@@@@@@@@@@@@@@@@@L? O2@@@@@@@@@@@@@0M?
@@@@@@@1 @@@@@@@@ J@@@@@H? J@@@ ?@@@@LfI4@@@@@@@@,?g@@@@@@ ?@@@@@@? ?N@@@@@@@@ @@@@@@ @@@@h?@@@@@h?@@@@@@H ?J@@@@@@@@@@@@@@@@@@@@@@@@@@@@@@@@@@@@@@@@@@@@@@@@@@@@@@@@@@@@@@@@@@@@@@@@@@@@@@@@@@@@@@@@@@@@@@@@@@@@@@@@@@@@@@@@@@@@@@@@@@@@@@@@@@ @@@@@LfV4@@@@@0M?hfI@?4@@@@@@@@@@@@@@0MfI@MI@MI@M?hfI@MI@Mg?I4@0MhfI4@0M? I40Mh?I4@@0M?eI@M?I4@0M?eI40?4@0?4@@0?4@@0?4@@0?40MI@MI4@@0?4@@@0?@?4@@@@@@@@@@@@@@@@@@@@@@@@@@@@@@@@@@@@@@@@@@@@@@@@@@@@@@@@@@@@@@@@@@@@@@@@@@@@@@@@@@@@@@@@@@@@@@@@@@@@@@@@@@@@@@@@@@@@@@@@@@@@@@@@@@@@@@(Y @@@@H?h@@@? ?J@@@@ ?@@@@@ ?@@@ N@@1 ?N@@@@@(M? ?@@@@@ @@@@@@L? ?7@@@@@@@@@@@@@@@@H?hf3@@@@@@@@@@@@@@@@? 3@@@@@@@H? ?@@@@@@@6Xhe@@@L ?W&@@@@@@@@@@@@@@@@@@@@@@@@@@@@@@@@@@@@@@@@@1?heO2@@@@@@@@@@@@0M
3@@@@@@@ 3@@@@@@@L? 7@@@@@ 7@@@ ?@@@@1h@@@@@(Y?g@@@@@@ ?@@@@@@? @@@@@@@@ @@@@@@ @@@@hJ@@@@@h?@@@@@@? ?7@@@@@@@@@@@@@@@@@@@@@@@@@@@@@@@@@@@@@@@@@@@@@@@@@@@@@@@@@@@@@@@@@@@@@@@@@@@@@@@@@@@@@@@@@@@@@@@@@@@@@@@@@@@@@@@@@@@@@@@@@@@@@@@@@@ @@@@@1 ?I@Me?I40?40M I@M? ?I'@@@@0Y? ?J@@@@he@@@L ?7@@@@L? ?@@@@@ ?@@@ ?@@@ @@@@@H ?@@@@@ 3@@@@@1? J@@@@@@@@@@@@@@@@5 N@@@@@@@@@@@@@@@@? N@@@@@@5 ?@@@@@@@@)K??O26K?O&@@@)X?hf?7@@@@@@@@@@@@@@@@@@@@@@@@@@@@@@@@@@@@@@@@@@@?hO2@@@@@@@@@@@@0M
N@@@@@@@L? W& N@@@@@@@1? ?J@@@@@5 @@@@ ?3@@@@L?g@@@@0Yg?J@@@@@@ ?3@@@@@? @@@@@@@@ @@@@@@ @@@@h7@@@@@h?@@@@@@? ?O2@6K ?@@@@@@@@@@@@@@@@@@@@@@@@@@@@@@@@@@@@@@@@@@@@@@@@@@@@@@@@@@@@@@@@@@@@@@@@@@@@@@@@@@@@@@@@@@@@@@@@@@@@@@@@@@@@@@@@@@@@@@@@@@@@@@@@@@5 3@@@@@ V4@0M? ?7@@@5he@@@)X? ?@@@@@1? ?@@@@@ ?@@@L? ?@@@ @@@@5? ?@@@@@ N@@@@@@? 7@@@@@@@@@@@@@@@@H ?@@@@@@@@@@@@@@@@? ?@@@@@@H ?@@@@@@@@@@@@@@@@@@@@@@@)Khf?@@@@(M?I4@@@@@@@@@@@@@@@@@@@@@@@@@@@@@@@@@@@LgO2@@@@@@@@@@@0M?
?@@@@@@@1? *@L? ?@@@@@@@@? ?7@@@@@H @@@@ ?N@@@@)Kg@@@Xh?7@@@@@@f@6X? ?N@@@@@? @@@@@@@@ @@@@@5 @@@@h@@@@@@hJ@@@@@@? O2@@@@@@@@@6X? ?@@@@@@@@@@@@@@@@@@@@@@@@@@@@@@@@@@@@@@@@@@@@@@@@@@@@@@@@@@@@@@@@@@@@@@@@@@@@@@@@@@@@@@@@@@@@@@@@@@@@@@@@@@@@@@@@@@@@@@@@@@@@@@@@@@H N@@@@@L? J@@@@Hhe3@@@1? ?@@@@@5? ?@@@@@ ?@@@1? ?@@@L? @@@@H? ?@@@@@L? ?@@@@@@? ?J@@@@@@@@@@@@@@@@5? ?3@@@@@@@@@@@@@@@L ?@@@@@@? ?@@@@@@@@@@@@@@@@@@@@@@@@@@@6Kh?@@@@HfI4@@@@@@@@@@@@@@@@@@@@@@@@@@@@@@@@@1e?O2@@@@@@@@@@@0M
?3@@@@@@@L N@1? ?@@@@@@@@L ?@@@@@5? 3@@@L? @@@@@@6?@Ke@@@)K?g?@@@@@@@f@@)X @@@@@? @@@@@@@@L? ?J@@@@@H @@@@h@@@@@5h7@@@@@@? W2@@@@@@@@@@@@)X ?@@@@@@@@@@@@@@@@@@@@@@@@@@@@@@@@@@@@@@@@@@@@@@@@@@@@@@@@@@@@@@@@@@@@@@@@@@@@@@@@@@@@@@@@@@@@@@@@@@@@@@(?'@@@@@@@@@@@@@@@@@@@@@@@@5? ?3@@@@)K 7@@@5?heN@@@@? ?@@@@@H? ?3@@@@fW2@6X?h?3@@@? ?@@@1? @@@@ ?3@@@@1? ?@@@@@@? W&@@@@@@@@@@@@@@@@H? ?N@@@@@@@@@@@@@@@1 ?@@@@@5? ?@@@@@@@@@@@@@@@@@@@@@@@@@@@@@@?g?3@@@?hI4@@@@@@@@@@@@@@@@@@@@@@@@@@@@@@?O2@@@@@@@@@@@0M
?N@@@@@@@1 ?@@? ?3@@@@@@@1 J@@@@@H? N@@@1? @@@@@@@@@@@@@@@@@@6Kf?@@@@@@@@@@@@@@1 @@@@@L 3@@@@@@@1? ?7@@@@@? ?J@@@5h@@@@@Hh@@@@@@@? 7@@@@@@@@@@@@@@)K? ?@@@@@@@@@@@@@@@@@@@@@@@@@@@@@@@@@@@@@@@@@@@@@@@@@@@@@@@@@@@@@@@@@@@@@@@@@@@@@@@@@@@@@@@@@@@@@@@@@@@@@@Y?V@@@@@@@@@@@@@@@@@@@@@@@@H? ?V'@@@@@@? ?J@@@@H?he?@@@@? ?@@@@@ ?N@@@@e?W&@@@,?h?N@@@? ?3@@@? @@@@ ?N@@@@@? ?3@@@@@? 7@@@@@@@@@@@@@@@@5 @@@@@@@@@@@@@@@@heO2@6K?g?@@@@@H? ?@@@@@?I4@@@@@@@@@@@@@@@@@@@@@@?g?N@@@?he?I4@@@@@@@@@@@@@@@@@@@@@@@@@@@@@@@@@@@@@@0M?
@@@@@@@@ ?3@? ?N@@@@@@@@ 7@@@@@ ?@@@@? 3@@@@@@@@@@@@@@@@@@@@6?2@@@@@@@@@@@@@@@@ @@@@@1 N@@@@@@@@? ?@@@@@@? ?7@@@Hh@@@@@?h@@@@@@@? @@@@@@@@@@@@@@@@@@ J@@@@@@@@@@@@@@@@@@@@@@@@@@@@@@@@@@@@@@@@@@@@@@@@@@@@@@@@@@@@@@@@@@@@@@@@@@@@@@@@@@@@@@@@@@@@@@@@@@@@@@@@@@@@@@@@@@@@@@@@@@@@@@@@@ V'@@@@@? ?7@@@5hf?3@@@L ?@@@@@ @@@@L??7@@@(Y?he@@@? ?N@@@? 3@@@ @@@@@? ?N@@@@@?hf?J@@@@@@@@@@@@@@@@@H @@@@@@@@@@@@@@@@h?@@@@@@6K?f?@@@@@ ?@@@@@hf?I4@@@@@@@@@@@6Xf?J@@@? I4@@@@@@@@@@@@@@@@@@@@@@@@@@@@@@0M
3@@@@@@@L? ?N@L @@@@@@@@ @@@@@@ ?3@@@? N@@@@@@@@@@@@@@@@@@@@@@@@@@@@@@V'@@@@@@@@@@? @@@@@@ ?@@@@@@@@? ?@@@@@@? ?@@@@?h@@@@@?h@@@@@@@? @@@@@@@@@@@@@@@@@@ 7@@@@@@@@@@@@@@@@@@@@@@@@@@@@@@@@@@@@@@@@@@@@@@@@@@@@@@@@@@@@@@@@@@@@@@@@@@@@@@@@@@@@@@@@@@@@@@@@@@@@@@@@@@@@@@@@@@@@@@@@@@@@@@@@5 ?N@@@@@@6X ?@@@@Hhf?N@@@1 ?3@@@@ @@@@1?J@@@(Yhf@@@? @@@? N@@@ @@@@@? @@@@@Lhf?7@@@@@@@@@@@@@@@@@? 3@@@@@@@@@@@@@@@h?@@@@@@@@@@@@@@@@@@@L? J@@@@@ ?I4@@@@@@@@@@)X?e?7@@@? ?I4@@@@@@@@@@@@@@@@@@@@0M?
N@@@@@@@1? @1 3@@@@@@@L? ?J@@@@@5 ?N@@@? ?@@@@?I4@@@@@@@@@@@@@@@@@@@@@@@?V@@@@@@@@@@? @@@@@@ ?@@@@@@@@? ?@@@@@5? ?@@@@?h@@@@@?h@@@@@@5? @@@@@@@@@@@@@@@@@@ @@@@@@@@@@@@@@@@@@@@@@@@@@@@@@@@@@@@@@@@@@@@@@@@@@@@@@@@@@@@@@@@@@@@@@@@@@@@@@@@@@@@@@@@@@@@@@@@@@@@@@@@@@@@@@@@@@@@@@@@@@@@@@@@(Y @@@@@@@)K? W2@@@@5? @@@@ ?N@@@@ @@@@@W&@@(Y?hf@@@? @@@? ?3@@ @@@@@? @@@@@1hf?@@@@@@@@@@@@@@@@@5? N@@@@@@@@@@@@@@@h?@@@@@@@@@@@@@@@@@@@)K 7@@@@@L? ?I'@@@@@@@@@)Xe?@@@@? ?W@@@@@@@@@@@@@@@0M?
?@@@@@@@@? @@ N@@@@@@@1? W&@@@@@Hhe@? 3@@? ?@@@@?e?I4@@@@@@@@@@@@@@@@@@@@@@@@@@@@@@@5? 3@@@@@ ?@@@@@@@@? J@@@@@H? ?@@@@?g?J@@@@@?g?J@@@@@@H? @@@@@?W@@@@@@@@@@@ @@@@@@@@@@@@@@@@@@@@@@@@@@@@@@@@@@@@@@@@@@@@@@@@@@@@@@@@@@@@@@@@@@@@@@@@@@@@@@@@@@@@@@@@@@@@@@@@@@@@@@@@@@@@@@@@@@@@@@@@@@@@@@@@H? ?I4@@@@@@6K? ?O&@@@@0Y? @@@@ @@@@ @@@@@@@@0Y 3@@? @@@? ?N@@fO2@@@? 3@@@@L @@@@@@hfJ@@@@@@@@@@@@@@@@(Y? ?@@@@@@@@@@@@@@@L?g?@@@@@(Me?I40?4@@@@@@@@@@6K @@@@@@)K V4@@@@@@@@@)K??3@@@? O&@@@@@@@@@@@@@@
?3@@@@@@@L 3@L? ?@@@@@@@@L 7@@@@@5?h?J@? N@@? ?@@@@?h?I4@@@@@@@@@@@@@@@@@@@@@@@@@ N@@@@@ ?3@@@@@@@L 7@@@@@ ?@@@@?g?7@@@@@?g?7@@@@@@ @@@@@W&@@(?'@@@@@@ @@@@@@@@@@@@@@@@@@@@@@@@@@@@@@@@@@@@@@@@@@@@@@@@@@@@@@@@@@@@@@@@@@@@@@@@@@@@@@@@@@@@@@@@@@@@@@@@@@@@@@@@@@@@@@@@@@@@@@@@@@@@@@@@ ?I'@@@@@@6X? O2@@@@@@ @@@@L? @@@@ 3@@@@@@? N@@L @@@L @@L?@@@@@@@? N@@@@1 3@@@@@hf7@@@@@@@@@@@@@@@@H ?@@@@@@@@@@@@@@@1?g?@@@@@H? I4@@@@@@@@@@@@@@@@@@@@@@@@@@@6X?f?W&?gI'@@@@@@@@@6XN@@@? ?W2@@@@@@@@@@@@@@@@@
?N@@@@@@@1 N@1? ?@@? ?3@@@@@@@)X? @@@@@@H?hW&@? ?@@? ?3@@@?hfI4@@@@@@@@@@@@@@@@@@@@@@)K ?@@@@@ ?N@@@@@@@1 @@@@@@ ?@@@@?g?@@@@@5?g?@@@@@@@ @@@@@@@@(Ye@@@@@@ @@@@@@@@@@@@@@@@@@@@@@@@@@@@@@@@@@@@@@@@@@@@@@@@@@@@@@@@@@@@@@@@@@@@@@@@@@@@@@@@@@@@@@@@@@@@@@@@@@@@@@@@@@@@@@@@@@@@@@@@@@@@@@@5 V'@@@@@@)KheW26Kf?O2@6K ?O@K O2@@6Kh?O@KgO@K??O@K ?O2@6K O26KeO2@6?2@@@@@@@@ 3@@@1? @@@@ N@@@@@5? ?@@1 3@@1 @@)X@@@@@@5? ?@@@@@ N@@@@@he?J@@@@@@@@@@@@@@@@5? ?3@@@@@@@@@@@@@@@?g?3@@@5 ?I4@@@@@@@@@@@@@@@@@@@@@@@@@)KfW&@?g?V'@@@@@@@@@)X@@@? O&@@@@@@@@@@@@@@@@@@
@@@@@@@@ ?@@? ?@@? ?N@@@@@@@@1? @@@@@5he7@@? ?@@? ?N@@@? @@@@@@@@@@@@@@@@@@@@@@@@6Khf?@@@@@L? @@@@@@@@ @@@@@@ ?@@@@?g?@@@@@H?g?@@@@@@@ @@@@@@@(Y?W&@@@@@@ @@@@@@@@@@@@@@@@@@@@@@@@@@@@@@@@@@@@@@@@@@@@@@@@@@@@@@@@@@@@@@@@@@@@@@@@@@@@@@@@@@@@@@@@@@@@@@@@@@@@@@@@@@@@@@@@@@@@@@@@@@@@@@@H ?V'@@@@@@@@@6?2@@@6?&@@@@@@@@@@@@@@@@@@@@@@@@@@@@@@@@@@@@@@@@@@@@@@@@@@@@@@@@@@@@@@@@@@@@@@@@@@@@@@@@@@@@@@@@@@@@@@@@@@@@@@@@@@@@@@@@@@@@@@@@@@@@@@@@@@@@@@@@@@@@@@@@@@@@@@@@@@@@@@@@@@@@@@@@@@@@@@@@@@@@@@@@@@@@@@@@@@@@@@@@@@@@@@@@@@@@@@@@@@@@@@@@@@@@@@@@@@@@@@@@@@@@@@@@@@@@@@@@@@@@@@@@@@@@@@@@@@@@@@@@@@@@@@@@@@@@@@@@@@@@@@@@@@@@@@@@@@@@@@@@@@@@@@@@@@@@@@@@@@@@@@@@@@(M? N@@@@? 3@@@L? ?@@@@@H? ?@@@ N@@@ @@@@@@@@@(Y? ?@@@@@ ?@@@@@L?h?7@@@@@@@@@@@@@@@@H? ?N@@@@@@@@@@@@@@@?g?N@@@H ?I4@@@@@@@@@(M?@@@@@@@@@6Ke7@@?hV'@@@@@@@@@@@@@L ?O2@@@@@@@@@@@@@@@@@@@@@
3@@@@@@@L? ?3@L ?3@? @@@@@@@@@? ?J@@@@@Hh?J@@@? ?@@L @@@L @@@@@@@@@@@@@@@@@@@@@@@@@@6Khe?@@@@@1? @@@@@@@@ @@@@@@ J@@@5?g?@@@@@h?@@@@@@@ ?J@@@@@@0Ye7@@@@@@5hf?J@@@@@@@@@@@@@@@@@@@@@@@@@@@@@@@@@@@@@@@@@@@@@@@@@@@@@@@@@@@@@@@@@@@@@@@@@@@@@@@@@@@@@@@@@@@@@@@@@@@@@@@@@@@@@@@@@@@@@@@@@@@@@@@? V4@@@@@@@@@@@@@@@@@@@@@@@@@@@@@@@@@@@@@@@@@@@@@@@@@@@@@@@@@@@@@@@@@@@@@@@@@@@@@@@@@@@@@@@@@@@@@@@@@@@@@@@@@@@@@@@@@@@@@@@@@@@@@@@@@@@@@@@@@@@@@@@@@@@@@@@@@@@@@@@@@@@@@@@@@@@@@@@@@@@@@@@@@@@@@@@@@@@@@@@@@@@@@@@@@@@@@@@@@@@@@@@@@@@@@@@@@@@@@@@@@@@@@@@@@@@@@@@@@@@@@@@@@@@@@@@@@@@@@@@@@@@@@@@@@@@@@@@@@@@@@@@@@@@@@@@@@@@@@@@@@@@@@@@@@@@@@@@@@@@@@@@@@@@@@@@@@@@@@@@@@@0Y ?@@@@? N@@@1? ?@@@@@ ?@@@ ?@@@ @@@@@@@@0Y ?@@@@@L? ?@@@@@1?h?@@@@@@@@@@@@@@@@@ @@@@@@@@@@@@@@@Lh@@@? I4@0Y??3@@@@@@@@@@6X@@@?h?V'@@@@@@@@@@@@)K? ?O2@@@@@@@@@@@@@@@@@@@@@@@L?
N@@@@@@@1? ?N@1 ?N@L 3@@@@@@@@? ?7@@@@@?h?7@@@? ?@@1 @@@1 @@@(M?e?I4@@@@@@@@@@@@@@@@@@@@6K?f?@@@@@@? @@@@@@@@ ?J@@@@@5 7@@@H?g?@@@@@h?@@@@@@@ ?7@@@@(Mf@@@@@@@Hhf?7@@@@@@@@@@@@@@@@@@@@@@@@@@@@@@@@@@@@@@@@@@@@@@@@@@@@@@@@@@@@@@@@@@@@@@@@@@@@@@@@@@@@@@@@@@@@@@@@@@@@@@@@@@@@@@@@@@@@@@@@@@@@@@5? ?I4@@@@@@@@@@@@@@@@@@@@@@@@@@@@@@@@@@@@@@@@@@@@@@@@@@@@@@@@@@@@@@@@@@@@@@@@@@@@@@@@@@@@@@@@@@@@@@@@@@@@@@@@@@@@@@@@@@@@@@@@@@@@@@@@@@@@@@@@@@@@@@@@@@@@@@@@@@@@@@@@@@@@@@@@@@@@@@@@@@@@@@@@@@@@@@@@@@@@@@@@@@@@@@@@@@@@@@@@@@@@@@@@@@@@@@@@@@@@@@@@@@@@@@@@@@@@@@@@@@@@@@@@@@@@@@@@@@@@@@@@@@@@@@@@@@@@@@@@@@@@@@@@@@@@@@@@@@@@@@@@@@@@@@@@@@@@@@@@@@@@@@@@@@@@@@@@@@@0M ?3@@@? ?@@@@? ?@@@@@e?W2@@?he?@@@ ?@@@ @@@@@@(M ?@@@@@1? ?@@@@@@?h?@@@@@@@@@@@@@@@@@ 3@@@@@@@@@@@@@@1h@@@L ?N@@@@@V4@@@@@@@@LheV'@@@@@@@@@@@@@6X?heO2@@@@@@@@@@@@@@@@@@@@@@@@@@)X
?3@@@@@@@? 3@ 31 N@@@@@@@@L J@@@@@5?h?@@@5? ?@@@ @@@@ @@0YheI4@@@@@@@@@@@@@@@@@@@6?@?@@@@@@? @@@@@@@@ ?7@@@@@H @@@@h?@@@@@h?@@@@@@5 J@@@@@H?f@@@@@@@?hf?@@@@@@@@@@@@@@@@@@@@@@@@@@@@@@@@@@@@@@@@@@@@@@@@@@@@@@@@@@@@@@@@@@@@@@@@@@@@@@@@@@@@@@@@@@@@@@@@@@@@@@@@@@@@@@@@@@@@@@@@@@@@@@@H? I4@@@@@@@@@@@@@@@@@@@@@@@@@@@@@@@@@@@@@@@@@@@@@@@@@@@@@@@@@@@@@@@@@@@@@@@@@@@@@@@@@@@@@@@@@@@@@@@@@@@@@@@@@@@@@@@@@@@@@@@@@@@@@@@@@@@@@@@@@@@@@@@@@@@@@@@@@@@@@@@@@@@@@@@@@@@@@@@@@@@@@@@@@@@@@@@@@@@@@@@@@@@@@@@@@@@@@@@@@@@@@@@@@@@@@@@@@@@@@@@@@@@@@@@@@@@@@@@@@@@@@@@@@@@@@@@@@@@@@@@@@@@@@@@@@@@@@@@@@@@@@@@@@@@@@@@@@@@@@@@@@@@@@@@@@@@@@@@@@@@@@@@@@@@@@@0M ?N@@@? J@@@@? ?@@@@@eW&@@@?he?3@@ ?@@@L? @@@@@@H? ?3@@@@@? ?@@? ?3@@@@@?h?@@@@@@@@@@@@@@@@5 N@@@@@@@@@@@@@@@h@@@1 @@@@@??I4@@@@@@1he?V'@@@@@@@@@@@@@)XgO2@@@@@@@@@@@@@@@0M?@@@@@@@@@@@@@1
?N@@@@@@@L N@L? N@ ?@@@@@@@@1 7@@@@@H?h?@@@H? ?@@@L? @@@@ I4@@@@@@@@@@@@@@@@@5?@@@@@@? 3@@@@@@@L? ?@@@@@@? @@@@hJ@@@@@h?@@@@@@H 7@@@@5g3@@@@@@?hf?@@@@@@@@@@@@@@@@@@@@@@@@@@@@@@@@@@@@@@@@@@@@@@@@@@@@@@@@@@@@@@@@@@@@@@@@@@@@@@@@@@@@@@@@@@@@@@@@@@@@@@@@@@@@@@@@@@@@@@@@@@@@@@@ I'@@@@@@@@@@@@@@@@@@@@@@@@@@@@@0M?I4@@@0?40M?I40?@?4@@0Mh?I40?40MhI@M?h?I4@@@@@@@@@@@@@@@@@@0MI@MI@?4@@@0MI@?4@@@@0?4@@@@@@@@@@@@@@@@@@@@@@@@@@@@@@@@@@@@@@@@@@@@@@@@@@@@@@@@@@@@@@@@@@@@@@@@@@@@@@@@@@@@@@@@@@@@@@@@@@@@@@@@@@@@@@@@@@@@@@@@@@@@@@@@@@@@@@@@@@@@@@@@@@@@@@@@@@@@@@@@@@@@@@@@@@@@@@@@@@@@@@@@@@@@@@@@@@@@@@@@@@@@(M @@@? ?W&@@@@? ?@@@@@?O&@@@5?he?N@@L? ?@@@1? @@@@@5 ?N@@@@@? ?@@? ?N@@@@@?hJ@@@@@@@@@@@@@@@@H ?@@@@@@@@@@@@@@@h@@@@ @@@@@?e?I4@@@@@hfN@@@@@@@@@@@@@@)K?eO2@@@@@@@@@@@@@@0Mf3@@@@@@@@@@@@@
@@@@@@@1 ?@1? ?@L? ?@@@@@@@@@ @@@@@@he?@@@ ?3@@1? 3@@@ ?I4@@@@@@@@@@@@@@H?@@@@@@L N@@@@@@@1? ?@@@@@@? @@@@h7@@@@@h?@@@@@@? @@@@@HgN@@@@@@?hf?@@@@@@@@@@@@@@@@@@@@@@@@@@@@@@@@@@@@@@@@@@@@@@@@@@@@@@@@@@@@@@@@@@@@@@@@@@@@@@@@@@@@@@@@@@@@@@@@@@@@@@@@@@@@@@@@@@@@@@@@@@@@@@5 ?V4@@@0M I40M I40MeI4@0MI@?4@@@@0Y? @@@? ?7@@@@@? ?3@@@@@@@@@(Y?hf@@1? ?@@@@? @@@@(Y @@@@@? ?@@? @@@@@Lh7@@@@@@@@@@@@@@@5? ?@@@@@@@@@@@@@@@L?g@@@@@6K? @@@@@Lg@@@5hf?@@@@@@@@@@@@@@@@@@@@@@@@@@@@@@@@(M?gN@@@@@@@@@@@@@L?
3@@@@@@@ ?@@? ?@1? ?3@@@@@@@@ ?J@@@@@5he?@@5 @@@L N@@@L? I4@@@@@@@@@??@@@@@@1 ?@@@@@@@@? ?@@@@@5? @@@@h@@@@@@h?@@@@@@? @@@@@?g?@@@@@@?hfJ@@@@@@@@@@@@@@@@@@@@@@@@@@@@@@@@@@@@@@@@@@@@@@@@@@@@@@@@@@@@@@@@@@@@@@@@@@@@@@@@@@@@@@@@@@@@@@@@@@@@@@@@@@@@@@@@@@@@@@@@@@@@@@H @@@L ?@@@@@@? ?N@@@@@@@@0Y @@@? ?3@@@? 3@@@H? @@@@@L @@@@@1h@@@@@@@@@@@@@@@(Y? ?@@@@@@@@@@@@@@@1?g3@@@@@@@@@@@6K ?O@Ke@@@@@1g@@@Hh?O2@@@@@@@@@@@@@@@@@@@@@@@@@@@@@@@@@0Yh?@@@@@@@@@@@@@1?
N@@@@@@@L? ?3@L ?3@? ?N@@@@@@@@L? ?7@@@@@HheJ@@H ?7@@@)X? ?@@@1? ?I4@@@@@@@@@@@@@@5 ?@@@@@@@@? ?@@@@@H? @@@@h@@@@@@h?@@@@@@? @@@@@?g?@@@@@@?hf7@@@@@@@@@@@@@@@@@@@@@@@@@@@@@@@@@@@@@@@@@@@@@@@@@@@@@@@@@@@@@@@@@@@@@@@@@@@@@@@@@@@@@@@@@@@@@@@@@@@@@@@@@@@@@@@@@@@@@@@@@@@@@@? @@@)X? ?@@@@@@? @@@@@@(M @@@? ?N@@@? V'@@ 3@@@@1 @@@@@@h@@@@@@@@@@@@@@@H ?@@@@@@@@@@@@@@@@?gV'@@@@@@@@@@@@@@@@@@@@@@@@@@@@@6K?O@KO2@@@@@@@@@@@@@g@@5?g?W2@@@@@@@@@@@@@@@@@@@@@@@@@@@@@@@@@X?he?@@@@@@@@@@@@@@L
?@@@@@@@1? ?N@1 ?N@L @@@@@@@@1? ?@@@@@5?he7@5? ?@@@@@1? ?@@@@? I4@@@@@@(?(Y ?@@@@@@@@? J@@@@@ @@@@h@@@@@5h?@@@@@@? @@@@@?g?@@@@@@?hf@@@@@@@@@@@@@@@@@@@@@@@@@@@@@@@@@@@@@@@@@@@@@@@@@@@@@@@@@@@@@@@@@@@@@@@@@@@@@@@@@@@@@@@@@@@@@@@@@@@@@@@@@@@@@@@@@@@@@@@@@@@@@@5? @@@@1? ?3@@@@@? @@@@@@H? @@@? @@@? ?N@@ N@@@@@ @@@@@@h@@@@@@@@@@@@@@@? ?3@@@@@@@@@@@@@@@?g?V'@@@@@@@@@@@@@@@@@@@@@@@@@@@@@@@@@@@@@@@@@@@@@@@@@g@@H?gO&@@@@@@@@@@@@@@@@@@@@@@@@@@@@@@@@@@)Khe?@@@@@@@@@@@@@@1
?3@@@@@@@? @@ ?J@)X? 3@@@@@@@@? J@@@@@H?he@@H? J@@@@@@L ?3@@@? I4@@@(Y? ?3@@@@@@@? 7@@@@@ @@@@h@@@@@HhJ@@@@@@? @@@@@?g?@@@@@5?hf@@@@@@@@@@@@@@@@@@@@@@@@@@@@@@@@@@@@@@@@@@@@@@@@@@@@@@@@@@@@@@@@@@@@@@@@@@@@@@@@@@@@@@@@@@@@@@@@@@@@@@@@@@@@@@@@@@@@@@@@@@@@@@H? @@@@@? ?V4@@@@L 3@@@@@ 3@@? 3@@L @@L? ?@@@@@ 3@@@@@L?g@@@@@@@@@@@@@@@? ?N@@@@@@@@@@@@@@@LhV4@@@@@@@@@@@@@@@@@@@@@@@@@@@@@@@@@@@@@@@@@@@@@@@@g@@L?f?@@@@@@@@@@@@@@@@@@@@@@@@@@@@@@@@@@@@@@@@@@@@@@@@@@@@@@@@@@@@@@@@@
?N@@@@@@@L ?J@@@@@@@6K? W&@@)K N@@@@@@@@? 7@@@@@he?J@@ 7@@@e@)X? ?N@@@? ?I(Y ?N@@@@@@@L @@@@@@ @@@5h@@@@@?h7@@@@@@? @@@@@?g?@@@@@H?he?J@@@@@@@@@@@@@@@@@@@@@@@@@@@@@@@@@@@@@@@@@@@@@@@@@@@@@@@@@@@@@@@@@@@@@@@@@@@@@@@@@@@@@@@@@@@@@@@@@@@@@@@@@@@@@@@@@@@@@@@@@@@@@5 @@@@@? @@@1 N@@@@@ N@@? N@@1 @@1? ?@@@@@L? N@@@@@1?g@@@@@@@@@@@@@@@? @@@@@@@@@@@@@@@1hfI'@@@@@@@@@@@@@@@@@@@@@@@@@@@@@@@@@@@@@@@@@@@@g@@1?fJ@@@@@@@@@@@@@@@@@@@@@@@@@@@@@@@@@@@@@@@@@@@@@@@@@@@@@@@@@@@@@@@@@L?
@@@@@@@1 W&@@@@@@@@@6X? ?W&@@@@@@@6?@K ?@@@@@@@@L ?J@@@@@@he?7@5 @@@5e3@)K @@@L @@@@@@@1 @@@@@@ ?J@@@Hh@@@@@?h@@@@@@@? @@@@@?g?@@@@@hf?7@@@@@@@@@@@@@@@@@@@@@@@@@@@@@@@@@@@@@@@@@@@@@@@@@@@@@@@@@@@@@@@@@@@@@@@@@@@@@@@@@@@@@@@@@@@@@@@@@@@@@@@@@@@@@@@@@@@@@@@@@@@@@H 3@@@@? @@@@ ?@@@@5 ?@@L ?@@@ @@@? ?@@@@@1? ?@@@@@@?g@@@@@@@@@@@@@@@? @@@@@@@@@@@@@@@@hf?V4@@@0?@?@MI4@@@@@@@@0MI4@@@@@@@@@@@@@?e@@@@f?J@@@?f7@@@@@@@@@@@@@@@@@@@@@@@@@@@0MfI4@@@@@@@@@@@@@@@@@@@@@@@@@@@@@@1?
3@@@@@@@ ?W&@@@@@@@@@@@)X W&@@@@@@@@@@@@@? ?@@@@@@@@1 ?7@@@@@5heJ@@H ?J@@@HeN@@@6X @@@1 @@@@@@@@ @@@@@5 ?7@@@?h@@@@@?h@@@@@@5? ?J@@@@@?g?@@@@@hf?@@@@@@@@@@@@@@@@@@@@@@@@@@@@@@@@@@@@@@@@@@@@@@@@@@@@@@@@@@@@@@@@@@@@@@@@@@@@@@@@@@@@@@@@@@@@@@@@@@@@@@@@@@@@@@@@@@@@@@@@@@@@@@? N@@@@L @@@@L? ?@@@@? ?@@1 ?@@@ @@@? ?@@@@@@? ?@@@@@@?g@@@@@@@@@@@@@@@? @@@@@@@@@@@@@@@@L? ?I4@@@@0?4@?e@@@@f?7@@5?f@@@@@@@@@@@@@@@@@@@@@@@@0M I4@@@@@@@@@@@@@@@@@@@@@?
N@@@@@@@L?hf?7@@V'@Xe?I'@@1 7@@@@@@@?I4@@@@L ?3@@@@@@@@ J@@@@@@Hhe7@5? ?7@@@?e?3@@@)X? @@@@ @@@@@@@@ @@@@@H ?@@@@?g?J@@@@@?h@@@@@@H? ?7@@@@@Lg?@@@@@hf?@@@@@@@@@@@@@@@@@@@@@@@@@@@@@@@@@@@@@@@@@@@@@@@@@@@@@@@@@@@@@@@@@@@@@@@@@@@@@@@@@@@@@@@@@@@@@@@@@@@@@@@@@@@@@@@@@@@@@@@@@@@@@5? ?@@@@1 @@@@1? ?@@@@1eW2@@@@he?@@@ ?@@@ @@@? ?3@@@@@? ?@@@@@@?f?J@@@@@@@@@@@@@@@? 3@@@@@@@@@@@@@@@1? @@@@f?@@@H?f@@@@@@@@@@@@@@@@@@@@@0M? I'@@@@@@@@@@@@@?
?3@@@@@@1?hf?@@@?N@)K?eV@@@ @@@@V'@@f@@@1 ?N@@@@@@@@L? 7@@@@@5?he@@H? ?@@@5?e?V'@@@1? @@@@ @@@@@@@@ ?J@@@@@? ?@@@@?g?7@@@@@?g?J@@@@@@ ?3@@@@@)KO26K??@@@@@hf?@@@@@@@@@@@@@@@@@@@@@@@@@@@@@@@@@@@@@@@@@@@@@@@@@@@@@@@@@@@@@@@@@@@@@@@@@@@@@@@@@@@@@@@@@@@@@@@@@@@@@@@@@@@@@@@@@@@@@@@@@@@@@H? ?@@@@@ 3@@@@? ?@@@@@?W&@@@@5he?3@@ ?@@@ 3@@? ?N@@@@@? ?3@@@@@Lf?@@@@@@@@@@@@@@@@L N@@@@@@@@@@@@@@@@? @@@@f?@@@L?f@@@@@@@@@@@@@@@@@@(M ?N@@@@@@@@@@@@5?
?N@@@@@@@Lhf?@@@e@@@@@@@@@@@@ ?W2@6Kg@@@@?V@@f@@@@ 3@@@@@@@1? @@@@@@H?h?J@@ ?@@@H?fV'@@@L @@@@L?h@@@6K? @@@@@@@@ ?7@@@@@? ?@@@@?g?@@@@@5?g?7@@@@@@ @@@@@@@@@@@@@@@@@@hfJ@@@@@@@@@@@@@@@@@@@@@@@@@@@@@@@@@@@@@@@@@@@@@@@@@@@@@@@@@@@@@@@@@@@@@@@@@@@@@@@@@@@@@@@@@@@@@@@@@@@@@@@@@@@@@@@@@@@@@@@@@@@@5 ?@@@@@@@6K N@@@@? ?@@@@@W&@@@@(Yhe?N@@ ?@@@ N@@? @@@@@L ?N@@@@@1f?N@@@@@@@@@@@@@@@1 ?@@@@@@@@@@@@@@@@? @@@@L?e?@@@)Xf@@@@@@@@@@@@@@@@@(Y? @@@@@@@@@@@@H?
@@@@@@@1g?'@@@@@@@@@@@@@@@@@@@@@5 ?*@@@@@@@@@@@@@@@@@@@@@@@@@@@@ N@@@@@@@@? @@@@@5he?7@5 ?@@5g?N@@@1 3@@@1?g?J@@@@@@ @@@@@@@@L? ?@@@@@@? ?@@@@?g?@@@@@h?@@@@@@@ ?7@@@@@@@@@@@@@@@@@@hf7@@@@@@@@@@@@@@@@@@@@@@@@@@@@@@@@@@@@@@@@@@@@@@@@@@@@@@@@@@@@@@@@@@@@@@@@@@@@@@@@@@@@@@@@@@@@@@@@@@@@@@@@@@@@@@@@@@@@@@@@@@@@H ?@@@@@@@@@6Khf?3@@@? ?@@@@@@@@@@0Y?hf@@ ?@@@ ?@@L @@@@@1 @@@@@@f?J@@@@@@@@@@@@@@@@ ?@@@@@@@@@@@@@@@@? ?O2@@6K?fO@KO2@6Khf@@@@1?e?@@@@1f@@@@@@@@@@@@@@@@@H @@@@@@@@@@@@
3@@@@@@@g?V4@@@@@@@@@@@@@@@@@@@(Y ?V4@@@@@@@@@@@@@@@@@@@@@@@@@@@ ?@@@@@@@@L ?J@@@@@Hhe?@@H ?@@Hh@@@@ N@@@@?g?7@@@@@5 3@@@@@@@1? ?@@@@@5? ?@@@@?g?@@@@@1?g?@@@@@@@ ?@@@@@@@@@@@@@@@@@@@hf@@@@@@@@@@@@@@@@@@@@@@@@@@@@@@@@@@@@@@@@@@@@@@@@@@@@@@@@@@@@@@@@@@@@@@@@@@@@@@@@@@@@@@@@@@@@@@@@@@@@@@@@@@@@@@@@@@@@@@@@@@@@@?hf?O2@@6X? ?@@@@@@@@@@@@@@@@@6Kf?N@@@? ?3@@@@@@(M @@L? ?3@@ ?@@1 3@@@@@ @@@@@@f?@@@@@@@@@@@@@@@@@ J@@@@@@@@@@@@@@@@L ?W2@@@@@@@@@@@@@@@@@@@@@@@6?2@@@@@@@@@@?e?3@@@@f@@@@@@@@@@@@@@@@5? @@@@@@@@@@@@
N@@@@@@@L?he?@@@@@@@@@@@@@@(Y? ?I40M?fI'@@@@@@@@@@@@@(M? ?@@@@@@@@1 ?7@@@@@?heJ@@? ?@@?h@@@@ ?@@@@?g?3@@@@@H N@@@@@@@@? ?@@@@@H? ?@@@5?g?@@@@@5?g?@@@@@@@ ?@@@@@@@@@@@@@@@@@@@hf@@@@@@@@@@@@@@@@@@@@@@@@@@@@@@@@@@@@@@@@@@@@@@@@@@@@@@@@@@@@@@@@@@@@@@@@@@@@@@@@@@@@@@@@@@@@@@@@@@@@@@@@@@@@@@@@@@@@@@@@@@@@5?heO2@@@@@@1? ?@@@@@@@@@@@@@@@@@@@6Kf@@@L ?N@@@@@(Y? @@1? ?N@@L? ?@@@ N@@@@@ @@@@@@f?N@@@@@@@@@@@@@@@@ ?W&@@@@@@@@@@@@@@@@1 W&@@@@@@@@@@@@@@@@@@@@@@@@@@@@@@@@@@@@@?e?N@@@@?@@@@@@@@@@@@@@@@@@@H? @@@@@@@@@@@@
?@@@@@@@1?he?@@@@@@@@@@@@@(Y ?V'@@@@@@@@@@@(Y ?3@@@@@@@@ ?@@@@@5?he7@5? J@5?h@@@5 ?@@@@?g?V'@@@@? ?@@@@@@@@? ?@@@@@ J@@@H?g?@@@@@H?g?@@@@@@5 ?@@@@@@@@(M?I'@@@@@@hf@@@@@@@@@@@@@@@@@@@@@@@@@@@@@@@@@@@@@@@@@@@@@@@@@@@@@@@@@@@@@@@@@@@@@@@@@@@@@@@@@@@@@@@@@@@@@@@@@@@@@@@@@@@@@@@@@@@@@@@@@@@@H?gW2@@@@@@@@@@@L ?@@@@@@@@@@@@@@@@@@@@@6Ke@@@)X? @@@@@H @@@? @@1? ?3@@ ?@@@@@ 3@@@@@g@@@@@@@@@@@@@@@@L? ?7@@@@@@@@@@@@@@@@@@ ?W&@@@@@@@@@@@@@@@@@@@@@@@@@@@@@@@@@@@@@5?f3@@5?3@@@@@@@@@@@@@@@@@5 @@@@@@@@@@@@
?3@@@@@@@?he?3@@@@@@@@@@@(Y? V'@@@@@@@@@0Y? ?N@@@@@@@@ J@@@@@H?he@@H? ?W&(Y?h@@@H ?@@@@?hN@@@5? ?@@@@@@@@? J@@@@@ 7@@@h?@@@@@h?@@@@@@H ?@@@@@@@@He?V'@@@@@he?J@@@@@@@@@@@@@@@@@@@@@@@@@@@@@@@@@@@@@@@@@@@@@@@@@@@@@@@@@@@@@@@@@@@@@@@@@@@@@@@@@@@@@@@@@@@@@@@@@@@@@@@@@@@@@@@@@@@@@@@@@@@@h7@@@@@@@@@@@@)X? ?@@@@@@@@@@@@@@@@@@@@@@@6X@@@@)K @@@@@? @@@? @@@? ?N@@L? ?@@@@@L? @@@? N@@@@@L?f@@@@@@@@@@@@@@@@)X J@@@@@@@@@@@@@@@@@@@he?W2@6KO&@@@@@@@0MI4@@@@@@@@@@@@@@@@@@@@@@@@@@0Y?fV40Ye@@?I4@@@@@@@@@@@@H ?J@@@@@@@@@@@5
?N@@@@@@@Lhe?V4@@@@@@@@@0Y ?V4@@@@@@(M? @@@@@@@@L? 7@@@@5he?J@5 ?7@Hh?J@@5? ?3@@@Lh?@@@H? ?@@@@@@@@? 7@@@@@ @@@@h?@@@@@h?@@@@@@? J@@@@@@@@?f?@@@@@he?7@@@@@@@@@@@@@@@@@@@@@@@@@@@@@@@@@@@@@@@@@@@@@@@@@@@@@@@@@@@@@@@@@@@@@@@@@@@@@@@@@@@@@@@@@@@@@@@@@@@@@@@@@@@@@@@@@@@@@@@@@@@5h@@@@@@@@@@@@@@1? ?3@@@@@@@@@@@@@@@@@@@@@@@@@@@@@@6K 3@@@@? @@@LeW2@@@@hf@@@? @@1? ?@@@@@1? @@@? ?@@@@@1?f@@@@@@@@@@@@@@@@@1 ?W&@@@@@@@@@@@@@@@@@@@he?*@@@@@@@@@(M? ?7@5e?I4@@@@@@@@@5? ?7@@@@@@@@@@@H
@@@@@@@1hf?I4@@@@@@? ?I'@@H 3@@@@@@@1? ?J@@@@@Hhe?7@H ?@@?h?7@@H? ?N@@@1h?3@@ ?@@@@@@@@? @@@@@@ @@@@hJ@@@@@hJ@@@@@@? @@@@@@@@@Le?W&@@@@@he?@@@@@@@@@@@@@@@@@@@@@@@@@@@@@@@@@@@@@@@@@@@@@@@@@@@@@@@@@@@@@@@@@@@@@@@@@@@@@@@@@@@@@@@@@@@@@@@@@@@@@@@@@@@@@@@@@@@@@@@@@@@@Hh@@@@@@@@@@@@@@@? ?N@@@@@@@@@@@@@@@@@@@@@@@@@@@@@@@@@? N@@@@? @@@)KO&@@@@@hf@@@L @@@? ?3@@@@@? @@@? ?@@@@@@?f@@@@@@@@@@@@@@@@@@L? O&@@@@@@@@@@@@@@@@@@@@he?V'@@@@@@@0Y ?@@? ?@@?f?I4@@@@@@0Y? ?@@@@@@@@@@@@?
3@@@@@@@L? ?@@? V'@? N@@@@@@@@? ?7@@@@@?heJ@@? ?@5?h?@@5 @@@@h?V4@ ?3@@@@@@@L ?J@@@@@5 @@@@h7@@@@@h7@@@@@@? N@@@@@@@@)K?O&@@@@@5he?@@@@@@@@@@@@@@@@@@@@@@@@@@@@@@@@@@@@@@@@@@@@@@@@@@@@@@@@@@@@@@@@@@@@@@@@@@@@@@@@@@@@@@@@@@@@@@@@@@@@@@@@@@@@@@@@@@@@@@@@@@@5?g?J@@@@@@@@@@@@@@@? @@@@@@@@@@@@@@@@@@@@@@@@@@@@@@@@@? ?@@@@? 3@@@@@@@@0M?hf3@@1 @@@? ?N@@@@@? 3@@? ?@@@@@@Lf3@@@@@@@@@@@@@@@@@1? W2@@@@@@@@@@@@@@@@@@@@@@hfV4@@0MheO@K?f?@@? ?@@)X?f?I4@@0M? J@@@@@@@@@@@5?
N@@@@@@@1? ?3@L ?N@L ?@@@@@@@@L ?@@@@@5?he7@5? J@H?h?@(Y @@@@ ?N@@@@@@@1 ?7@@@@@H @@@@h@@@@@@h@@@@@@@? ?@0Y@@@@@@@@@@@@@@(Yhe?@@@@@@@@@@@@@@@@@@@@@@@@@@@@@@@@@@@@@@@@@@@@@@@@@@@@@@@@@@@@@@@@@@@@@@@@@@@@@@@@@@@@@@@@@@@@@@@@@@@@@@@@@@@@@@@@@@@@@@@@@@@H?g?7@@@@@@@@@@@@@@@? @@@@@@@@@@@@@@@@@@@@@@@@@@@@@@@@@? ?@@@@? N@@@@@@0M? N@@@ 3@@L @@@@@? N@@? ?3@@@@@1fN@@@@@@@@@@@@@@@@@@L ?W&@@@@@@@@@@@@@@@@@@@@0M?h?O)X W2@@@@@@6X?@@? ?@)X ?O)X 7@@@@@@@@@@@H?
?3@@@@@@@L ?N@1 @1 ?3@@@@@@@1 J@@@@@H?he@@H? 7@heJ@H? @@@@L? @@@@@@@@ ?@@@@@@? ?J@@@5h@@@@@5h@@@@@@@? 3@@@@@@@@@@@@(Y?he?@@@@@@@@@@@@@@@@@@@@@@@@@@@@@@@@@@@@@@@@@@@@@@@@@@@@@@@@@@@@@@@@@@@@@@@@@@@@@@@@@@@@@@@@@@@@@@@@@@@@@@@@@@@@@@@@@@@@@@@@@@@hJ@@@@@@@@@@@@@@@@? 3@@@@@@@@@@@@@@@@@@@@@@@@@@@@@@@@@6X ?@@@@? ?@@@@@ ?@@@ N@@1 @@@@@? ?@@? ?N@@@@@@f?@@@@@@@@@@@@@@@@@@1 W&@@@@@@@@@@@@@@@@@@@0M?h?@@@@1hf?W&@@@@@@@@)X@@L ?W2@@@@@@@@@@@@)K?heO2@@@6K?fO2@@@@@)K? ?J@@@@@@@@@@@@
?N@@@@@@@)K? @@e?O@K @@L? @@@@@@@@ 7@@@@@he?J@5 ?J@5he7@ 3@@@1? @@@@@@@@ ?@@@@@@? ?7@@@Hh@@@@@Hh@@@@@@@? V'@@@@@@@@@@@HhfJ@@@@@@@@@@@@@@@@@@@@@@@@@@@@@@@@@@@@@@@@@@@@@@@@@@@@@@@@@@@@@@@@@@@@@@@@@@@@@@@@@@@@@@@@@@@@@@@@@@@@@@@@@@@@@@@@@@@@@@@@@@5h7@@@@@@@@@@@@@@@@? N@@@@@@@@@@@@@@@@@@@@@@@@@@@@@@@@@@)K? ?@@@@L ?@@@@5 ?@@@ ?@@@ @@@@@? ?3@L @@@@@@f?@@@@@@@@@@@@@@@@@@@L?hf?W&@@@@@@@@@@@@@@@@@@0M?he?@@@@@L?heW&@@@@@@@@@@@@@)X? W&@@@@@@@@@@@@@@@@@@@@@@@@@@@@@@@@@@@@@@@@@@@@@@@6X??W2@@@@?f?7@@@@@@@@@@@@
@@@@@@@@@@@@@@@@@@@@@@@@@@@@@@@@@@@@@@@@@@@@@@@@@@@@@6KO2@6K @@)K O&@@@@@@@@L? ?J@@@@@@he?7@H ?7(Yhe@@ N@@@@? @@@@@@@@ ?@@@@@@? ?@@@@?h@@@@@?h@@@@@@@? ?V'@@@@@@@@@5?hf7@@@@@@@@@@@@@@@@@@@@@@@@@@@@@@@@@@@@@@@@@@@@@@@@@@@@@@@@@@@@@@@@@@@@@@@@@@@@@@@@@@@@@@@@@@@@@@@@@@@@@@@@@@@@@@@@@@@@@@@@@@Hg?J@@@@@??W@@@@@@@@@? ?@@@@@@@@@@@@@@@@@@@@@@@@@@@@@@@@@@@@6X? ?@@@@1 ?@@@@H ?@@@ ?@@@ @@@@@L ?N@1 @@@@@@f?3@@@@@@@@@@@@@@@@@@1?hfW&@@@@@@@@@@@@@@@@@(M?hf?@@@@@1?he7@@@@@@@@@@@@@@@)X 7@@@@@@@@@@@@@@@@@@@@@@@@@@@@@@@@@@@@@@@@@@@@@@@@@1??7@@@@5?f?@@@@@@@@@@@@5
3@@@@@@@@@@@@@@@@@@@@@@@@@@@@@@@@@@@@@@@@@@@@@@@@@@@@@@@@@@@@@@@@@@@@@@@@@@@@@@@@@@@@@@@@@@@@@@@@@@@@@@@@@@@@@@@@@@@@@@@@@@@@@@@@@@@@@@@@@@@@@@@@@@@@@@@@@@@1? ?7@@@@@5heJ@@? ?@H?h?J@5 ?@@@@? @@@@@@@@ ?@@@@@@? ?@@@@?h@@@@@?h@@@@@@@? V'@@@@@@@0Y?hf@@@@@@@@@@@@@@@@@@@@@@@@@@@@@@@@@@@@@@@@@@@@@@@@@@@@@@@@@@@@@@@@@@@@@@@@@@@@@@@@@@@@@@@@@@@@@@@@@@@@@@@@@@@@@@@@@@@@@@@@@@5?g?7@@@@@?O&@@@@@@@@@? ?@@@@@@@@@@@@@@@@@@@@@@@@@@@@@@@@@@@@@)K ?3@@@@ ?@@@@? ?3@@L? ?@@@ 3@@@@1 @@ @@@@@@f?V'@@@@@@@@@@@@@@@@@@Lhe?W&@@@@@@@@@@@@@@@@@0Y ?@@@@@@Lhe@@@@@@@@@@@@@@@@@)X?hf3@@@@@@@@@@@@@@@@@@@@@@@@@@@@@@@@@@@@@@@@@@@@@@@@@@??@@@@@H?f?@@@@@@@@@@@@H ?O2@@@@@@@@@@@@@@@6K
N@@@@@@@@@@@@@@@@@@@@@@@@@@@@@@@@@@@@@@@@@@@@@@@@@@@@@@@@@@@@@@@@@@@@@@@@@@@@@@@@@@@@@@@@@@@@@@@@@@@@@@@@@@@@@@@@@@@@@@@@@@@@@@@@@@@@@@@@@@@@@@@@@@@@@@@@@@@@? ?@@@@@@Hhe7@5? J@he?7@H ?@@@@? @@@@@@@@L? ?@@@@@@? ?@@@@?g?J@@@@@?h@@@@@@5? ?V4@@@0M ?J@@@@@@@@@@@@@@@@@@@@@@@@@@@@@@@@@@@@@@@@@@@@@@@@@@@@@@@@@@@@@@@@@@@@@@@@@@@@@@@@@@@@@@@@@@@@@@@@@@@@@@@@@@@@@@@@@@@@@@@@@@H?g?@@@@@@@@@@@@@@@@@@? ?@@@@@@@@@@@@@@@@@@@@@@@@@@@@@@@@@@@@@@@6K ?N@@@@ ?3@@@? ?N@@1? ?@@@ N@@@@@L? @@ 3@@@@@L?fN@@@@@@@@@@@@@@@@@@1heW&@@@@@@@@@@@@@@@@(M ?3@@@@@)X?h@@@@@@@@@@@@@@@@@@)XhfV4@0M? I@M??I'@@@@@@@@@@@@@@?J@@@@@gJ@@@@@@@@@@@@? ?O2@@@@@@@@@@@@@@@@@@@@@@@6K
?@@@@@@@@@@@@@@@@@@@@@@@@@@@@@@@@@@@@@@@@@@@@@@@@@@@@@@@@@@@@@@@@@@@@@@@@@@@@@@@@@@@@@@@@@@@@@@@@@@@@@@@@@@@@@@@@@@@@@@@@@@@@@@@@@@@@@@@@@@@@@@@@@@@@@@@@@@@@? ?@@@@@5?he@@H? 75heJ@@? ?@@@@? 3@@@@@@@1? J@@@@@5? ?@@@@?g?7@@@@@?h@@@@@@H? ?7@@@@@@@@@@@@@@@@@@@@@@@@@@@@@@@@@@@@@@@@@@@@@@@@@@@@@@@@@@@@@@@@@@@@@@@@@@@@@@@@@@@@@@@@@@@@@@@@@@@@@@@@@@@@@@@@@@@@@@@@@@h?@@@@@@@@@@@@@@@@@5? ?3@@@@@@@@@@@@@@@@@@@@@@@@@@@@@@@@@@@@@@@@@6K? @@@@ ?N@@@? @@@? ?3@@ ?@@@@@1? @@ N@@@@@1?fJ@@?@@@@@@@@@@@@@@@@L?g?W&@@@@@@@@@@@@@@@@(Y? ?V'@@@@@1?g?J@@@@@@@@@@@@@@@@@@@1 N@@@@@@?h7@@@@5g7@@@@@@@@@@@@? ?O2@@@@@@@@@@@@@@@@@@@@@@@@@@@6K
?3@@@@@@@@@@@@@@@@@@@@@@@@@@@@@@@@@@@@@@@@@@@@@@@@@@@@@@@@@@@@@@@@@@@@@@@@@@@@@@@@@@@@@@@@@@@@@@@@@@@@@@@@@@@@@@@@@@@@@@@@@@@@@@@@@@@@@@@@@@@@@@@@@@@@@@@@@@@? J@@@@@H?h?J@5 @Hhe7@5? ?@@@@L N@@@@@@@@? 7@@@@@H? ?@@@@?g?@@@@@@?g?J@@@@@@ ?@@@@@@@@@@@@@@@@@@@@@@@@@@@@@@@@@@@@@@@@@@@@@@@@@@@@@@@@@@@@@@@@@@@@@@@@@@@@@@@@@@@@@@@@@@@@@@@@@@@@@@@@@@@@@@@@@@@@@@@@@@5h?@@@@@@@@@@@@@@@@@H? ?N@@@@@@@@@@@@@@@@@@@@@@@@@@@@@@@@@@@@@@@@@@@6K? @@@@ @@@? @@@? ?N@@L? ?@@@@@@? 3@L? ?@@@@@@?f7@@?@@@@@@@@@@@@@@@@1?gW&@@@@@@@@@@@@@@@@(Y V'@@@@@Lg?7@@@@@@(?'@@@@@@@@@@@L? ?@@@@@@?h3@@@@Hg@@@@@@@@@@@@5? ?O2@@@@@@@@@@@@@@@@@@@@@@@@@@@@@@@6X
?N@@@@@@@@@@@@@@@@@@@@@@@@@@@@@@@@@@@@@@@@@@@@@@@@@@@@@@@@@@@@@@@@@@@@@@@@@@@@@@@@@@@@@@@@@@@@@@@@@@@@@@@@@@@@@@@@@@@@@@@@@@@@@@@@@@@@@@@@@@@@@@@@@@@@@@@@@@5? 7@@@@@he?7@H ?J@?he@@H? ?3@@@1 ?@@@@@@@@? @@@@@@ ?@@@@?g?@@@@@5?g?7@@@@@@ ?@@@@@@@@@@@@@@@@@@@@@@@@@@@@@@@@@@@@@@@@@@@@@@@@@@@@@@@@@@@@@@@@@@@@@@@@@@@@@@@@@@@@@@@@@@@@@@@@@@@@@@@@@@@@@@@@@@@@@@@@@@Hh?@@@@@@@@@@@@@@@@@ @@@@@@@@@@@@@@@@@@@@@@@@@@@@@@@@@@@@@@@@@@@@@6X? @@@@ @@@? @@@? @@1? ?@@@@@@? N@1? ?@@@@@@?f@@@?@@@@@@@@@@@@@@@@@Lf?W&@@@@@@@@@@@@@@@@(Y? ?V'@@@@)X?f?@@@@@@(Y?V'@@@@@@@@@@1? J@@@@@5?hN@@@5?g@@@@@@@@@@@@H? ?W2@@@@@@@@@@@@@@@@@@@@@@@@@@@@@@@@@@)K?
3@@@@@@@@@@@@@@@@@@@@@@@@@@@@@@@@@@@@@@@@@@@@@@@@@@@@@@@@@@@@@@@@@@@@@@@@@@@@@@@@@@@@@@@@@@@@@@@@@@@@@@@@@@@@@@@@@@@@@@@@@@@@@@@@@@@@@@@@@@@@@@@@@@@@@@@@0Y? ?J@@@@@5he?@@? ?75?he@@ ?N@@@@ ?@@@@@@@@? @@@@@@ ?@@@5?g?@@@@@H?g?@@@@@@@ J@@@@@@@@@@@@@@@@@@@@@@@@@@@@@@@@@@@@@@@@@@@@@@@@@@@@@@@@@@@@@@@@@@@@@@@@@@@@@@@@@@@@@@@@@@@@@@@@@@@@@@@@@@@@@@@@@@@@@@@@@@?h?@@@@@@@@@@@@@@@@@ @@@@@@@@@@@@@@@@@@@@@@@@@@@@@@@@@@@@@@@@@@@@@@)X @@@@L? @@@? @@@? @@@? ?@@@@@@? ?@@? ?@@@@@@?f@@@?3@@@@@@@@@@@@@@@@1fW&@@@@@@@@@@@@@@@@(Y V'@@@@)XfJ@@@@@@?e?N@@@@@@@@@@@? 7@@@@@H?h?@@@H?g@@@@@@@@@@@@ W&@@@@@@@@@@@@@@@@@@@@@@@@@@@@@@@@@@@@@6X?
V4@@@@@0?4@@@@@@@@@@@@@@@@@@@@@@@@@@@@@@@@@@@@@@@@@@@@@@@@@@@@@@@@@@@@@@@@@@@@@@@@@@@@@@@@@@@@@@@@@@@@@@@@@@@@@@@@@@@@@@@@@@@@@@@@@@@@@@@@@@@@@@@@@@@@@(M? ?7@@@@@HheJ@5? J@H?h?J@5 @@@@ ?@@@@@@@@? @@@@@@ J@@@H?g?@@@@@h?@@@@@@@ 7@@@@@@@@@@@@@@@@@@@@@@@@@@@@@@@@@@@@@@@@@@@@@@@@@@@@@@@@@@@@@@@@@@@@@@@@@@@@@@@@@@@@@@@@@@@@@@@@@@@@@@@@@@@@@@@@@@@@@@@@@5?h?@@@@@@@@@@@@@@@@@ @@@@@(MI4@0?4@@@@@@@@@@@@@@@@@@@@@@@@@@@@@@@@@@)X? @@@@1? 3@@? @@@? @@@? ?@@@@@@L ?@@? ?3@@@@@?f@@@?N@@@@@@@@@@@@@@@@@L?e7@@@@@@@@@@@@@@@@(Y? ?N@@@@@1f7@@@@@@1f3@@@@@@@@@@? ?O2@@@@@6Khf@@@@@5he?@@@h@@@@@@@@@@@@ 7@@@@@@@@@@@@@@@@@@@@@@@@@@@@@@@@@@@@@@@1?
I4@@@@@@@@@@@@@@@0M?eI@?4@@@@@@@@@@@@@0MI40MI4@0M I40MI4@@0M ?I4@0MI4@0MI@?4@@@0?'@@H ?@@@@@5?he7@H? 7@he?7@H @@@@L? ?@@@@@@@@L ?J@@@@@@ 7@@@h?@@@@@h?@@@@@@@ @@@@@@@@@@@@@@@@@@@@@@@@@@@@@@@@@@@@@@@@@@@@@@@@@@@@@@@@@@@@@@@@@@@@@@@@@@@@@@@@@@@@@@@@@@@@@@@@@@@@@@@@@@@@@@@@@@@@@@@@@@H?h?3@@@@@@@@@@@@@@@@ @@@@@?hI4@@@@@@@@@@@@@@@@@@@@@@@@@@@@@@@@)X @@@@@? N@@Lf?W2@6Xhe3@@L @@@? ?3@@@@@1 ?3@L ?N@@@@@Lf@@5??3@@@@@@@@@@@@@@@@1??J@@@@@@@@@@@@@@@@(Y 3@@@@@L?e@@@@@@@@fN@@@@@@@@@@? ?O2@@@@@@@@@@@@@@@@@6?2@@@@@@@@@@HheJ@@@h@@@@@@@@@@@@ ?J@@@@@@@@@@@@@@@@@@@@@@@@@@@@@@@@@@@@@@@@@L
V'@? J@@@@@H?he@@ ?J@@he?@@? 3@@@1? ?@@@@@@@@1 ?@@@@@@@ @@@@h?@@@@@h?@@@@@@@ @@@@@@@@@@@@@@@@@@@@@@@@@@@@@@@@@@@@@@@@@@@@@@@@@@@@@@@@@@@@@@@@@@@@@@@@@@@@@@@@@@@@@@@@@@@@@@@@@@@@@@@@@@@@@@@@@@@@@@@@@5he?N@@@@@@@@@@@@@@@@ @@@@@1he?I'@@@@@@@@@@@@@@@@@@@@@@@@@@@@@@)X? 3@@@@? ?@@1fO&@@@)heN@@1 3@@? ?N@@@@@@ ?N@1 @@@@@1f@@H??N@@@@@@@@@@@@@@@@@?O&@@@@@@@@@@@@@@@0Y? V'@@@@1?e3@@@@@@5f?3@@@@@@@@@L ?W2@@@@@@@@@@@@@@@@@@@@@@@@@@@@@@@@?he7@@5h@@@@@@@@@@@@ W&@@@@@@@@@@@@@@@@@@@@@@@@@@@@@@@@@@@@@@@@@)X?
?V'? 7@@@@@he?J@5 ?7@5heJ@5? N@@@@? ?@@@@@@@@@ @@@@@@ @@@@h?@@@@@h?@@@@@@5 @@@@@@@@@@@@@@@@@@@@@@@@@@@@@@@@@@@@@@@@@@@@@@@@@@@@@@@@@@@@@@@@@@@@@@@@@@@@@@@@@@@@@@@@@@@@@@@@@@@@@@@@@@@@@@@@@@@@@@@@@Hhf@@@@@@@@@@@@@@@@ @@@@@@hfV4@@@@@@@@@@@@@@@@@@@@@@@@@@@@@@1? N@@@@? ?@@@eW2@@@@@Hhe?@@@eO2@6K? N@@L @@@@@@ @@ @@@@@@f@@f3@@@@@@@@@@@@@@@@@@@@@@@@@@@@@@@@(M? ?N@@@@@LeN@@@@@@?f?N@@@@@@@@@1 W&@@@@@@@@@@@@@@@@@@@@@@@@@@@@@@@@@?he@@@Hg?J@@@@@@@@@@@5 7@@@@@@@@@@@@0M? I4@@@@@@@@@@@@1?
@@@@@5he?7@H ?@@Hhe7@H? ?@@@@? ?@@@@@@@@@ ?7@@@@@5 @@@@hJ@@@@@h?@@@@@@H ?J@@@@@@@@@@@@@@@@@@@@@@@@@@@@@@@@@@@@@@@@@@@@@@@@@@@@@@@@@@@@@@@@@@@@@@@@@@@@@@@@@@@@@@@@@@@@@@@@@@@@@@@@@@@@@@@@@@@@@@@@@?hf@@@@@@@@@@@@@@@@hf?O2@@6K? @@@@@@ ?I'@@@@@@@@@@@@@@@@@@@@@@@@@@@@? ?@@@@? ?@@@?O&@@@@@@?he?@@@W2@@@@@@ ?@@1 @@@@@@ @@ @@@@@@f@@fN@@@@@@@@@@@@@@@@@@@@@@@@@@@@@@@(Y 3@@@@1e?3@@@@@1g@@@@@@@@@@ 7@@@@@@@@@@@@@@@@@@@@@@@@@@@@@@@@@@Lhe@@@?g?7@@@@@@@@@@@H @@@@@@@@@@0M ?I4@@@@@@@@@@?
?J@@@@@Hhe?@@? ?@@?h?J@@ ?@@@@? ?3@@@@@@@@ ?@@@@@@H @@@@h7@@@@5hJ@@@@@@? ?7@@@@@@@@@@@@@@@@@@@@@@@@@@@@@@@@@@@@@@@@@@@@@@@@@@@@@@@@@@@@@@@@@@@@@@@@@@@@@@@@@@@@@@@@@@@@@@@@@@@@@@@@@@@@@@@@@@@@@@@@5?hf@@@@@@@@@@@@@@@@hO2@@@@@@@@@@@@@@@@@@@@@@@@@@@@6?2@@@@@@@@@@@@6KO2@6K O2@@6K O2@@@6K? @@@@@@L? V4@@@@@@@@@@@@@@@@@@@@@@@@@@@L ?@@@@? ?3@@@@@@@0M?hf?@@@@@@@@@@@ ?@@@ @@@@@@ @@ 3@@@@@f@@f?3@@@@@@@@@@@@@@@@@@@@@@@@@@@@@(Y? N@@@@@L??N@@@@@@g@@@@@@@@@@ ?J@@@@@@@@@@@@@@@@@@@@@@@@@@@@@@@@@@@)X?g?J@@5?g?@@@@@@@@@@@@? ?J@@@@@@@(M? ?I4@@@@@@@@?
?7@@@@@?heJ@5? J@@?h?7@5 ?@@@@L ?N@@@@@@@@L? ?@@@@@@? @@@5h@@@@@Hh7@@@@@@? ?@@@@@@@@@@@@@@@@@@@@@@@@@@@@@@@@@@@@@@@@@@@@@@@@@@@@@@@@@@@@@@@@@@@@@@@@@@@@@@@@@@@@@@@@@@@@@@@@@@@@@@@@@@@@@@@@@@@@@@@@@H?hf@@@@@@@@e@@@@@@gO2@@@@@@@@@@@@@@@@@@@@@@@@@@@@@@@@@@@@@@@@@@@@@@@@@@@@@@@@@@@@@@@@@@@@@@@@@@@@@@@@@@@@@@@@@@@@@@@@@@@@@@@@@@6K?O2@@@@@@@6KO2@6K?f?O2@6?26KO@KO@K? O2@@6KO2@@@6?2@@@@@@@@@@@6KO2@@@@@@@@@@@@@@@@6K??O26K? 3@@@@@1? I'@@@@@@@@@@@@@@@@@@@@@@@@@)K? ?@@@@L ?N@@@@@(M? ?3@@@@@@@@@@ ?@@@ 3@@@@@ @@L? N@@@@@L?e@@L?e?V'@@@@@@@@@@@@@@@@@@@@@@@@@@@0Y ?3@@@@1?e3@@@@@g3@@@@@@@@@ ?7@@@@@@@@@@@@@@@@@@@@@@@@@@@@@@@@@@@@)Xg?7@@hJ@@@@@@@@@@@@? ?7@@@@@@(Y ?I'@@@@@@L
J@@@@@5?he7@H? 7@5?h?@(Y ?@@@@)X? @@@@@@@@1? J@@@@@5? @@@Hh@@@@@?h@@@@@@@? ?@@@@@@@@@@@@@@@@@@@@@@@@@@@@@@@@@@@@@@@@@@@@@@@@@@@@@@@@@@@@@@@@@@@@@@@@@@@@@@@@@@@@@@@@@@@@@@@@@@@@@@@@@@@@@@@@@@@@@@@@@ 3@@@@@@5e@@@@@@e?W2@@@@@@@@@@@@@@@@@@@@@@@@@@@@@@@@@@@@@@@@@@@@@@@@@@@@@@@@@@@@@@@@@@@@@@@@@@@@@@@@@@@@@@@@@@@@@@@@@@@@@@@@@@@@@@@@@@@@@@@@@@@@@@@@@@@@@@@@@@@@@@@@@@@@@@@@@@@@@@@@@@@@@@@@@@@@@@@@@@@@@@@@@@@@@@@@@@@@@@@@@@@@@@@@@@@@@@@@@@@@@@@@@@@@@@@@@@@@@@@@@@@@@@@@@@@@@@@@@@@@@@@@@@@@@@@@@@@@@@@@@@@@@@@@@@@@@@@@@@@@@@@@@@@@@@@@@@@@@@@@@@@@@@@@@@@@@@@@@@@@@@@@@@@@@@@@@@? N@@@@@5??W-Xhf?V4@@@@@@@@@@@@@@@@@@@@@@@@@@@6X ?@@@@1 @@@@@H ?N@@@@ ?@@@ N@@@@@ 3@1? ?@@@@@1?e@@1?fN@@@@@@@@@@@@@@@@@@@@@@X@@0M ?N@@@@@LeN@@@@@gN@@@@@@@@@L?hfJ@@@@@@@@@@@@@@@@@@@@@@@@@@@@@@@@@@@@@@)X?f?@@@1?g7@@@@@@@@@@@@? ?@@@@@@@H? N@@@@@@1
7@@@@@H?he@5 @@H?hJ@H? ?@@@@@)K @@@@@@@@@? 7@@@@@H? @@@?h@@@@@?h@@@@@@@? ?@@@@@@@@@@@@@@@@@?@@@@@@@@@@@@@@@@@@@@@@@@@@@@@@@@@@@@@@@@@@@@@@@@@@@@@@@@@@@@@@@@@@@@@@@@@@@@@@@@@@@@@@@@@@@@@@@@@@@@@@5 N@@@@@@?e@@@@@@eO&@@@@@@@@@@@@@@@@@@@@@@@@@@@@@@@@@@@@@@@@@@@@@@@@@@@@@@@@@@@@@@@@@@@@@@@@@@@@@@@@@@@@@@@@@@@@@@@@@@@@@@@@@@@@@@@@@@@@@@@@@@@@@@@@@@@@@@@@@@@@@@@@@@@@@@@@@@@@@@@@@@@@@@@@@@@@@@@@@@@@@@@@@@@@@@@@@@@@@@@@@@@@@@@@@@@@@@@@@@@@@@@@@@@@@@@@@@@@@@@@@@@@@@@@@@@@@@@@@@@@@@@@@@@@@@@@@@@@@@@@@@@@@@@@@@@@@@@@@@@@@@@@@@@@@@@@@@@@@@@@@@@@@@@@@@@@@@@@@@@@@@@@@@@@@@@@@@@? ?@@@@@H??7@)X?f?W2@f?I'@@@@@@@@@@@@@@@@@@@@@@@@@@)X? ?3@@@@ @@@@5? @@@5 ?3@@ ?@@@@@L? N@@? ?@@@@@@?e@@5?f?3@@@@@@@@@@@@@@@@@@@(R40M 3@@@@1e?@@@@@L?f?@@@@@@@@@1?he?W&@@@@@@@@@@@@(MI4@@@@@@@@@@@@@@@@@@@@@@@1?fJ@@@@?g@@@@@@@@@@@@5? ?@@@@@@5 ?3@@@@@@
@@@@@5he?J@H ?J@5he7@ ?@@@@@@@6K 3@@@@@@@@? @@@@@@ ?J@@@?h@@@@@?h@@@@@@@? ?@@@@@@@@@@@@@@@@@@@@@@@@@@@@@@@@@@@@@@@@@@@@@@@@@@@@@@@@@@@@@@@@@@@@@@@@@@@@@@@@@@@@@@@@@@@@@@@@@@@@@@@@@@@@@@@@@@@@@@@@H ?3@@@@@1e@@@@@@W2@@@@@@@@@@@@@@@@@@@@@@@@@@@@@@@@@@@@@@@@@@@@@@@@@@@@@@@@@@@@@@@@@@@@@@@@@@@@@@@@@@@@@@@@@@@@@@@@@@@@@@@@@@@@@@@@@@@@@@@@@@@@@@@@@@@@@@@@@@@@@@@@@@@@@@@@@@@@@@@@@@@@@@@@@@@@@@@@@@@@@@@@@@@@@@@@@@@@@@@@@@@@@@@@@@@@@@@@@@@@@@@@@@@@@@@@@@@@@@@@@@@@@@@@@@@@@@@@@@@@@@@@@@@@@@@@@@@@@@@@@@@@@@@@@@@@@@@@@@@@@@@@@@@@@@@@@@@@@@@@@@@@@@@@@@@@@@@@@@@@@@@@@@@@@@@@@@@@@T2@@6K? ?@@@@@e?@@@1?fW&@@gV'@@@@@@@@@@@@@@@@@@@@@@@@@@1? ?N@@@@ @@@@H? @@@H ?N@@L? ?@@@@@1? ?@@? ?@@@@@@?e@@g?N@@@@@@@@@@@@@@@@@@0Y N@@@@@L??@@@@@1?f?@@@@@@@@@@?heW&@@@@@@@@@@?I(Yh?I@MI4@@@@@@@@@@@@@Le?W&@@@@?f?J@@@@@@@@@@@@H? ?@@@@@@H ?N@@@@@@
?J@@@@@Hhe?7@? ?7@Hh?J@@ ?@@@@@@@@@6X N@@@@@@@@? @@@@@@ ?7@@@?h@@@@@?h@@@@@@@? J@@@@@@@@@@@@@@@@@@@@@@@@@@@@@@@@@@@@@@@@@@@@@@@@@@@@@@@@@@@@@@@@@@@@@@@@@@@@@@@@@@@@@@@@@@@@@@@@@@@@@@@@@@@@@@@@@@@@@@@5? ?N@@@@@@e@@@@@@@@@@@@@@@@@@@@@@@@@@@@@@@@@@@@@@@@@@@@@@@@@@@@@@@@@@@@@@@@@@@@@@@@@@@@@@@@@@@@@@@@@@@@@@@@@@@@@@@@@@@@@@@@@@@@@@@@@@@@@@@@@@@@@@@@@@@@@@@@@@@@@@@@@@@@@@@@@@@@@@@@@@@@@@@@@@@@@@@@@@@@@@@@@@@@@@@@@@@@@@@@@@@@@@@@@@@@@@@@@@@@@@@@@@@@@@@@@@@@@@@@@@@@@@@@@@@@@@@@@@@@@@@@@@@@@@@@@@@@@@@@@@@@@@@@@@@@@@@@@@@@@@@@@@@@@@@@@@@@@@@@@@@@@@@@@@@@@@@@@@@@@@@@@@@@@@@@@(M?I'@@@@@6X? ?@@@@@e?@@@@?f7@@@g?V4@@@@@@@@@@@@@@@@@@@@@@@@@@L @@@@ 3@@@ @@@? @@1? ?@@@@@@? ?@@? ?@@@@@@L?J@@@?g3@@@@@@@@@@@@@@@(M ?3@@@@1??@@@@@@LeO2@@@@@@@@@@@?h?W&@@@@@@@@@@@ @@@@@@@@@1e?7@@@@5?f?7@@@@@@@@@@@@ ?@@@@@@? @@@@@@
?@ ?7@@@@@?heJ@5? ?@5?h?7@5 ?@@@@@@@@@@)K? ?@@@@@@@@? @@@@@@ ?@@@@?g?J@@@@@?h@@@@@@@? 7@@@@@@@@@@@@@@@@@@@@@@@@@@@@@@@@@@@@@@@@@@@@@@@@@@@@@@@@@@@@@@@@@@@@@@@@@@@@@@@@@@@@@@@@@@@@@@@@@@@@@@@@@@@@@@@@@@@@@@@H? 3@@@@@@@@@@@@@@@@@@@@@@@@@@@@@@@@@@@@@@@@@@@@@@@@@@@@@@@@@@@@@@@@@@@@@@@@@@@@@@@@@@@@@@@@@@@@@@@@@@@@@@@@@@@@@@@@@@@@@@@@@@@@@@@@@@@@@@@@@@@@@@@@@@@@@@@@@@@@@@@@@@@@@@@@@@@@@@@@@@@@@@@@@@@@@@@@@@@@@@@@@@@@@@@@@@@@@@@@@@@@@@@@@@@@@@@@@@@@@@@@@@@@@@@@@@@@@@@@@@@@@@@@@@@@@@@@@@@@@@@@@@@@@@@@@@@@@@@@@@@@@@@@@@@@@@@@@@@@@@@@@@@@@@@@@@@@@@@@@@@@0M?hI40Mg?I4@@@0Ye?N@@@@@@)K ?@@@@@L??@@@@?f@@@@h?I4@@@@@@@@@@@@@@@@@@@@@@@@1 @@@@L? N@@5 3@@? @@@? ?3@@@@@? ?3@? ?3@@@@@)?&@@H?gV'@@@@@@@@@@@@@@H? ?N@@@@@??3@@@@@)?2@@@@@@@@@@@@@Lh?7@@@@@@@@(MI@ 3@@@@@@@@@L??@@@@@H?fJ@@@@@@@@@@@@@ ?@@@@@@? @@@@@@
?@ ?@@@@@5?he7@H? ?(Y?h?@@H ?@@@@@@@@@@@@@6K ?3@@@@@@@L ?J@@@@@@ ?@@@@?g?7@@@@@?h@@@@@@5? @@@@@@@@@@@@@@@@@@@@@@@@@@@@@@@@@@@@@@@@@@@@@@@@@@@@@@@@@@@@@@@@@@@@@@@@@@@@@@@@@@@@@@@@@@@@@@@@@@@@@@@@@@@@@@@@@@@@@@@@ N@@@@@@@@@@@@@@@@@@@@@@@@@@@@@@@@@@@@@@@@@@@@@@@@@@@@@@@@@@@@@@@@@@@@@@@@@@@@@@@@@@@@@@@@@@@@@@@@@@@@@@@@@@@@@@@@@@@@@@@@@@@@@@@@@@@@@@@@@@@@@@@@@@@@@@@@@@@@@@@@@@@@@@@@@@@@@@@@@@@@@@@@@@@@@@@@@@@@@@@@@@@@@@@@@@@@@@@@@@@@@@@@@@@@@@@@@@@@@@@@@@@@@@@@@@@@@@@@@@@@@@@@@@@@@@@@@@@@@@@@@@@@@@@@@@@@@@@@@@@@@@@@@@@@@@@@@@@@@@@@@@@@@@@@@@@@@@@@@@@X? 3@@@@@@@6X ?@@@@@1??3@@@?f@@@@he?I'@@@@@@@@@@@@@@@@@@@@@@@ @@@@1? ?@@H N@@?fO2@6X?hf@@@? ?N@@@@@? ?N@L ?N@@@@@@@@@@h?N@@@@@@@@@@@@@5 @@@@@L?N@@@@@@@@@@@@@@@@@@@@@1hJ@@@@@@@@@H? N@@@@@@@@@)K?@@@@@g7@@@@@@@@@@@@5 ?@@@@@@? ?J@@@@@@
?@ J@@@@@H?he@@ ?@5? ?@@@@@@@@@@@@@@@6K ?N@@@@@@@1 ?7@@@@@5 J@@@@?g?@@@@@@?h@@@@@@H? @@@@@@@@@@@@@@@@@@@@@@@@@@@@@@@@@@@@@@@@@@@@@@@@@@@@@@@@@@@@@@@@@@@@@@@@@@@@@@@@@@@@@@@@@@@@@@@@@@@@@@@@@@@@@@@@@@@@@@@5 ?3@@@@@@@@@@@@@@@@@@@@@@@@@@@@@@@@@@@@@@@@@@@@@@@@@@@@@@@@@@@@@@@@@@@@@@@@@@@@@@@@@@@@@@@@@@@@@@@@@@@@@@@@@@@@@@@@@@@@@@@@@@@@@@@@@@@@@@@@@@@@@@@@@@@@@@@@@@@@@@@@@@@@@@@@@@@@@@@@@@@@@@@@@@@@@@@@@@@@@@@@@@@@@@@@@@@@@@@@@@@@@@@@@@@@@@@@@@@@@@@@@@@@@@@@@@@@@@@@@@@@@@@@@@@@@@@@@@@@@@@@@@@@@@@@@@@@@@@@@@@@@@@@@@@@@@@@@@@@@@@@@@@@@@@@@@@@@@@@@@)X V4@@@@@@@)K? ?@@@@@@??N@@@Lf3@@@hfV'@@@@@@@@@@@@@@@@@@@@@@ @@@@@? ?@@L ?@@?eO2@@@@,?hf3@@? @@@@@? @1 @@@@@@@@@@he3@@@@@@@@@@@(Y 3@@@@1e@@@@@@@@@@@@@@@@@@@@@@h7@@@@@@@@5 ?@@@@@@@@@@@@@@@@@f?J@@@@@@@@@@@@@H ?@@@@@@L ?7@@@@@@
7@@@@5he?J@5 @?heJ@H? J@@@@@@@@@@@@@@@@@6K @@@@@@@@ ?@@@@@@H 7@@@5?g?@@@@@5?g?J@@@@@@ ?J@@@@@@@@@@@@@@@@@@@@@@@@@@@@@@@@@@@@@@@@@@@@@@@@@@@@@@@@@@@@@@@@@@@@@@@@@@@@@@@@@@@@@@@@@@@@@@@@@@@@@@@@@@@@@@@@@@@@@@@H ?N@@@@@@@@@@@@@@@@@@@@@@@@@@@@@@@@@@@@@@@@@@@@@@@@@@@@@@@@@@@@@@@@@@@@@@@@@@@@@@@@@@@@@@@@@@@@@@@@@@@@@@@@@@@@@@@@@@@@@@@@@@@@@@@@@@@@@@@@@@@@@@@@@@@@@@@@@@@@@@@@@@@@@@@@@@@@@@@@@@@@@@@@@@@@@@@@@@@@@@@@@@@@@@@@@@@@@@@@@@@@@@@@@@@@@@@@@@@@@@@@@@@@@@@@@@@@@@@@@@@@@@@@@@@@@@@@@@@@@@@@@@@@@@@@@@@@@@@@@@@@@@@@@@@@@@@@@@@@@@@@@@@@@@@@@@@@@@@@@@@1 I'@@@@@@@6X? ?@@@@@@?e@@@1fV+M?hf?V'@@@@@V'@@@@@@@@@@@@@@ 3@@@@? ?@@1 ?@@L?@@@@@@(Y?hfN@@L @@@@@L @@ 3@@@@@@@@@heV'@@@@@@@@@(Y? N@@@@@e3@@@@@@@@@@@@@@@@@@@@@g?J@@@@@@@@@H ?3@@@@@@@@@@@@@@@5f?7@@@@@@@@@@@@@? ?@@@@@@)X? J@@@@@@@
@? @@@@@Hhe?7@H @?he7@ 7@@@@@@@@@@@@@@@@@@@6X @@@@@@@@ ?@@@@@@? @@@@H?g?@@@@@H?g?7@@@@@@ ?7@@@@@@@@@@@@@@@@@@@@@@@@@@@@@@@@@@@@@@@@@@@@@@@@@@@@@@@@@@@@@@@@@@@@@@@@@@@@@@@@@@@@@@@@@@@@@@@@@@@@@@@@@@@@@@@@@@@@@@@? @@@@@@@@@@@@@@@@@@@@@@@@@@@@@@@@@@@@@@@@@@@@@@@@@@@@@@@@@@@@@@@@@@@@@@@@@@@@@@@@@@@@@@@@@@@@@@@@@@@@@@@@@@@@@@@@@@@@@@@@@@@@@@@@@@@@@@@@@@@@@@@@@@@@@@@@@@@@@@@@@@@@@@@@@@@@@@@@@@@@@@@@@@@@@@@@@@@@@@@@@@@@@@@@@@@@@@@@@@@@@@@@@@@@@@@@@@@@@@@@@@@@@@@@@@@@@@@@@@@@@@@@@@@@@@@@@@@@@@@@@@@@@@@@@@@@@@@@@@@@@@@@@@@@@@@@@@@@@@@@@@@@@@@@@@@@@@@@@@@@ ?V4@@@@@@@)X ?3@@@@@?e@@@@ V4@@@@?N@@@@@@@@@@@@@5 N@@@@? ?@@@ ?@@)X@@@@@0Y ?@@1 3@@@@1 @@ N@@@@@@@@5he?N@@@@@@@@@H ?@@@@@L?N@@@@@@@@@@@@@@@@@@@@@g?7@@@@@@@@5? ?N@@@@@@@@@@@@@@@HfJ@@@@@@@@@@@@@@? ?@@@@@@@1? 7@@@@@@@
3L ?J@@@@@?heJ@5? ?J@5 @@@@@@@@V4@@@@@@@@@@@)K? @@@@@@@@ ?@@@@@@? @@@@h?@@@@@h?@@@@@@@ ?@@@@@@@@@@@@@@@@@@@@@@@@@@@@@@@@@@@@@@@@@@@@@@@@@@@@@@@@@@@@@@@@@@@@@@@@@@@@@@@@@@@@@@@@@@@@@@@@@@@@@@@@@@@@@@@@@@@@@@@5? @@@@@@@@@@@@0Y@@@@@@@@@@@@@@@@@@@@@@@@@@@@@@@@@@@@@@@@@@@@@@@@@@@@@@@@@@@@@@@@@@@@@@@@@@@@@@@@@@@@@@@@@@@@@@@@@@@@@@@@@@@@@@@@@@@@@@@@@@@@@@@@@@@@@@@@@@@@@@@@@@@@@@@@@@@@@@@@@@@@@@@@@@@@@@@@@@@@@@@@@@@@@@@@@@@@@@@@@@@@@@@@@@@@@@@@@@@@@@@@@@@@@@@@@@@@@@@@@@@@@@@@@@@@@@@@@@@@@@@@@@@@@@@@@@@@@@@@@@@@@@@@@@@@@@@@@@@@@@@@@@@@@@@@@@@@@@@@@@@@@@heW26K ?I'@@@@@@)X? ?N@@@@@Le@@@@f?W26X?g@6X?fI4@@?J@@@@@@@@@@@@@H ?@@@@? ?@@@ ?3@@@@@@0M ?@@@ N@@@@@ 3@L? ?@@@@@@@(Yhf@@@@@@@@5? ?@@@@@@??@@@@@@@@@@@V'@@@@@@@5gJ@@@@@@@@@H? @@@@@@@@@@@@@@@?f7@@@@@@@@@@@@@5? ?@@@@@@@@? @@@@@@@5
?@ N1 ?7@@@@5?he7@H? W&@H @@@@@@@5eI4@@@@@@@@@@@6K? @@@@@@@@L? J@@@@@@? @@@@h?@@@@@h?@@@@@@@ ?@@@@@@@@@@@@@@@@@@@@@@@@@@@@@@@@@@@@@@@@@@@@@@@@@@@@@@@@@@@@@@@@@@@@@@@@@@@@@@@@@@@@@@@@@@@@@@@@@@@@@@@@@@@@@@@@@@@@@@@H? @@@@@@@@@@@?e@@@@@@@@@@@@@@@@@@@@@@@@@@@@@@@@@@@@@@@@@@@@@@@@@@@@@@@@@@@@@@@@@@@@@@@@@@@@@@@@@@@@@@@@@@@@@@@@@@@@@@@@@@@@@@@@@@@@@@@@@@@@@@@@@@@@@@@@@@@@@@@@@@@@@@@@@@@@@@@@@@@@@@@@@@@@@@@@@@@@@@@@@@@@@@@@@@@@@@@@@@@@@@@@@@@@@@@@@@@@@@@@@@@@@@@@@@@@@@@@@@@@@@@@@@@@@@@@@@@@@@@@@@@@@@@@@@@@@@@@@@@@@@@@@@@@@@@@@@@@@@@@@@@@@@@@@@@@@@@@@@@@@@he7@@@@? V4@@@@@@)X @@@@@1e3@@5f?7@@1?g@@1?hW&@@@@@@@@@@@@@? ?@@@@L ?3@@ ?N@@@@(M ?@@@ ?@@@@@ N@1? ?@@@@@@@H? @@@@H? ?3@@@@e?@@@@@@@@@@5?N@@@@@@(Yg7@@@@@@@@5 3@@@@@@@@@@@@@@?f@@@@@@@@@@@@@@H? ?3@@@@@@@@@6X? ?O2@@@@@@@@H
?@ ?@@@@@H?he@@ ?@he7@@? @@@@@@@Hf?I4@@@@@@@@@@@6K @@@@@@@@1? 7@@@@@5? @@@@h?@@@@@h?@@@@@@@ ?@@@@@@@@@@@@@@@@@@@@@@@@@@@@@@@@@@@@@@@@@@@@@@@@@@@@@@@@@@@@@@@@@@@@@@@@@@@@@@@@@@@@@@@@@@@@@@@@@@@@@@@@@@@@@@@@@@@@@@5 @@@@@@@@@@5?e@@@@@@@@@@@@@@@@@@@@@@@@@@@@@@@@@@@@@@@@@@@@@@@@@@@@@@@@@@@@@@@@@@@@@@@@@@@@@@@@@@@@@@@@@@@@@@@@@@@@@@@@@@@@@@@@@@@@@@@@@@@@@@@@@@@@@@@@@@@@@@@@@@@@@@@@@@@@@@@@@@@@@@@@@@@@@@@@@@@@@@@@@@@@@@@@@@@@@@@@@@@@@@@@@@@@@@@@@@@@@@@@@@@@@@@@@@@@@@@@@@@@@@@@@@@@@@@@@@@@@@@@@@@@@@@@@@@@@@@@@@@@@@@@@@@@@@@@@@@@@@@@@@@@@@@@@@@@@@@@@@@@@@he@@@@@? I'@@@@@)X? 3@@@@@eV40Yf?@@@@?g@@@?h7@@@@@@@@@@@@@@L ?@@@@1 ?N@@ @@@@H? ?3@@ ?@@@@@L? ?@@? ?@@@@@@@ @@@5 ?N@@@@1??3@@@@@@@@@He@@@@@@H?g@@@@@@@@@H N@@@@@@@@@@@@@5?f@@@@@@@@@@@@@@ ?N@@@@@@@@@@)K ?O2@@@@@@@@@5?
@? ?@ J@@@@@he?J@5 ?@he@@5? @@@@@@@Lg?I4@@@@@@@@@@@6K 3@@@@@@@@? @@@@@@H? @@@@hJ@@@@@h?@@@@@@@ J@@@@@@@@@@@@@@@@@@@@@@@@@@@@@@@@@@@@@@@@@@@@@@@@@@@@@@@@@@@@@@@@@@@@@@@@@@@@@@@@@@@@@@@@@@@@@@@@@@@@@@@@@@@@@@@@@@@@@@H @@@@@@@@@@H?e@@@@@@@@@@@@@@@@@@@@@@@@@@@@@@@@@@@@@@@@@@@@@@@@@@@@@@@@@@@@@@@@@@@@@@@@@@@@@@@@@@@@@@@@@@@@@@@@@@@@@@@@@@@@@@@@@@@@@@@@@@@@@@@@@@@@@@@@@@@@@@@@@@@@@@@@@@@@@@@@@@@@@@@@@@@@@@@@@@@@@@@@@@@@@@@@@@@@@@@@@@@@@@@@@@@@@@@@@@@@@@@@@@@@@@@@@@@@@@@@@@@@@@@@@@@@@@@@@@@@@@@@@@@@@@@@@@@@@@@@@@@@@@@@@@@@@@@@@@@@@@@@@@@@@@@@@@@@@@@@@@@@@@he@@@@@? ?V'@@@@@)X N@@@@@heJ@@@@?g@@@?h@@@@@@@@@@@@@@@1 J@@@@@ @@L? @@@5 ?N@@ ?@@@@@1? ?@@? ?3@@@@@@ ?J@@@H @@@@@??N@@@@@@@@5??J@@@@@@h@@@@@@@@@? ?3@@@@@@@@@@@@H?e?J@@@@@@@@@@@@@@ 3@@@@@@@@@@@@@@@@6K?g?O2@@@@@@@@@@@@@@@H?
?3L? 7@@@@@he?7@H @@H? ?J@@@@@@@1heI'@@@@@@@@@@6K N@@@@@@@@L @@@@@@ @@@@h7@@@@@h?@@@@@@@ 7@@@@@@@@@@@@@@@@@@@@@@@@@@@@@@@@@@@@@@@@@@@@@@@@@@@@@@@@@@@@@@@@@@@@@@@@@@@@@@@@@@@@@@@@@@@@@@@@@@@@@@@@@@@@@@@@@@@@@@? @@@@@@@@@5f@@@@@@@@@@@@@@@@@@@@@@@@@@@@@@@@@@@@@@@@@@@@@@@@@@@@@@@@@@@@@@@@@@@@@@@@@@@@@@@@@@@@@@@@@@@@@@@@@@@@@@@@@@@@@@@@@@@@@@@@@@@@@@@@@@@@@@@@@@@@@@@@@@@@@@@@@@@@@@@@@@@@@@@@@@@@@@@@@@@@@@@@@@@@@@@@@@@@@@@@@@@@@@@@@@@@@@@@@@@@@@@@@@@@@@@@@@@@@@@@@@@@@@@@@@@@@@@@@@@@@@@@@@@@@@@@@@@@@@@@@@@@@@@@@@@@@@@@@@@@@@@@@@@@@@@@@@@@@@@@@@@@@@he@@@@@? V'@@@@@1 ?@@@@@he@@@@@?g@@@Lh@@@@@@@@@@@@@@@@ 7@@@@@ @@1? @@@H @@L? ?@@@@@@? ?@@L ?N@@@@@@ ?7@@5? @@@@@?e3@@@@@@@e?7@@@@@@h@@@@@@@@5? ?N@@@@@@@@@@@@L?eO&@@@@@@@@@@@@@@ N@@@@@@@@@@@@@@@@@@@@@@@@@@@@@@@@@@@@@@@@@@@
?N1? ?J@@@@@5he?@@? @5 ?7@@@@@@@@he?V4@@@@@@@@@@@6K ?@@@@@@@@1 @@@@@@ @@@@h@@@@@@h?@@@@@@5 @@@@@@@@@@@@@@@@@@@@@@@@@@@@@@@@@@@@@@@@@@@@@@@@@@@@@@@@@@@@@@@@@@@@@@@@@@@@@@@@@@@@@@@@@@@@@@@@@@@@@@@@@@@@@@@@@@@@@@5? @@@@@@@@@Hf@@@@@@@@@@@@@@@@@@@@@@@@@@@@@@@@@@@@@@@@@@@@@@@@@@@@@@@@@@@@@@@@@@@@@@@@@@@@@@@@@@@@@@@@@@@@@@@@@@@@@@@@@@@@@@@@@@@@@@@@@@@@@@@@@@@@@@@@@@@@@@@@@@@@@@@@@@@@@@@@@@@@@@@@@@@@@@@@@@@@@@@@@@@@@@@@@@@@@@@@@@@@@@@@@@@@@@@@@@@@@@@@@@@@@@@@@@@@@@@@@@@@@@@@@@@@@@@@@@@@@@@@@@@@@@@@@@@@@@@@@@@@@@@@@@@@@@@@@@@@@@@@@@@@@@@@@@@@@@@@@@@@@@he@@@@@? ?V'@@@@@L? ?@@@@@@@@6X?fN@@@@?g@@@1h3@@@@@@@@@@@@@@@ @@@@@@ @@@? @@@? @@1? ?@@@@@@? ?@@1 @@@@@@ ?@@@H? @@@@@?eV'@@@@@@)K?@@@@@@@g?J@@@@@@@@H? 3@@@@@@@@@@@)KO2@@@@@@@@@@@@@@@@ ?3@@@@@@@@@@@@@@@@@@@@@@@@@@@@@@@@@@@@@@@@@5
@? ?7@@@@@HheJ@5? ?W.?h?J@H ?@@@@@@@@@L?he?I4@@@@@@@@@@@6K ?@@@@@@@@@ @@@@@@ @@@@h@@@@@@h?@@@@@@H @@@@@@@@@@@@@@@@@@@@@@@@@@@@@@@@@@@@@@@@@@@@@@@@@@@@@@@@@@@@@@@@@@@@@@@@@@@@@@@@@@@@@@@@@@@@@@@@@@@@@@@@@@@@@@@@@@@@@@H? @@@@@@@@@?f@@@@@@@@@@@@@@@@@@@@@@@@@@@@@@@@@@@@@@@@@@@@@@@@@@@@@@@@@@@@@@@@@@@@@@@@@@@@@@@@@@@@@@@@@@@@@@@@@@@@@@@@@@@@@@@@@@@@@@@@@@@@@@@@@@@@@@@@@@@@@@@@@@@@@@@@@@@@@@@@@@@@@@@@@@@@@@@@@@@@@@@@@@@@@@@@@@@@@@@@@@@@@@@@@@@@@@@@@@@@@@@@@@@@@@@@@@@@@@@@@@@@@@@@@@@@@@@@@@@@@@@@@@@@@@@@@@@@@@@@@@@@@@@@@@@@@@@@@@@@@@@@@@@@@@@@@@@@@@@@@@@@@5he@@@@@? N@@@@@1? ?3@@@@@@@@)Kf?@@@@?g@@@@hN@@@@@@@@@@@@@@@ 3@@@@@ 3@@? 3@@? @@@? ?3@@@@@? ?@@@ @@@@@@ J@@@ @@@@@Le?N@@@@@@@@@@@@@@@@g?7@@@@@@@5 N@@@@@@@@@@@@@@@@@@@@@@@@@@@@@@@ ?V'@@@@@@@@@@@@@@@@@@@@@@@@@@@@@@@@@@@@@@@(Y
3L ?@@@@@5?he7@H? ?7H?h?7@? J@@@@@@@@@1? I4@@@@@@@@@@6K ?@@@@@@@@@ @@@@@@ @@@5h@@@@@5h?@@@@@@? @@@@@@@@@@@@@@@@@@@@@@@@@@@@@@@@@@@@@@@@@@@@@@@@@@@@@@@@@@@@@@@@@@@@@@@@@@@@@@@@@@@@@@@@@@@@@@@@@@@@@@@@@@@@@@@@@@@@@@ @@@@@@@@5?f@@@@@@@@@@@@@@@@@@@@@@@@@@@@@@@@@@@@@@@@@@@@@@@@@@@@@@@@@@@@@@@@@@@@@@@@@@@@@@@@@@@@@@@@@@@@@@@@@@@@@@@@@@@@@@@@@@@@@@@@@@@@@@@@@@@@@@@@@@@@@@@@@@@@@@@@@@@@@@@@@@@@@@@@@@@@@@@@@@@@@@@@@@@@@@@@@@@@@@@@@@@@@@@@@@@@@@@@@@@@@@@@@@@@@@@@@@@@@@@@@@@@@@@@@@@@@@@@@@@@@@@@@@@@@@@@@@@@@@@@@@@@@@@@@@@@@@@@@@@@@@@@@@@@@@@@@@@@@@@@@@@@@Hhe@@@@@? ?3@@@@@L ?N@@@@@@@@@@6Ke?@@@@?g@@@5h?@@@@@@@@@@@@@@@ V'@@@@ N@@? N@@L @@@? ?N@@@@@? ?3@@ @@@@@@ 7@@5 @@@@@1f@@@@@@@@@@@@@@@@g?@@@@@@@@H ?3@@@@@@@@@@@@@@@@@@@@@@@@@@@@@@ V'@@@@@@@@@@@@@@@@@@@@@@@@@@@@@@@@@@@@@(Y?
N1 J@@@@@H?he@@ ?@he?@5? 7@@@@@@@@@@? I4@@@@@@@@@@6K ?3@@@@@@@@ ?J@@@@@@ @@@Hh@@@@@Hh?@@@@@@? ?J@@@@@@@@@@@@@@@@@@@@@@@@@@@@@@@@@@@@@@@@@@@@@@@@@@@@@@@@@@@@@@@@@@@@@@@@@@@@@@@@@@@@@@@@@@@@@@@@@@@@@@@@@@@@@@@@@@@@@5 @@@@@@@@H?f@@@@@@@@@@@@@@@@@@@@@@@@@@@@@@@@@@@@@@@@@@@@@@@@@@@@@@@@@@@@@@@@@@@@@@@@@@@@@@@@@@@@@@@@@@@@@@@@@@@@@@@@@@@@@@@@@@@@@@@@@@@@@@@@@@@@@@@@@@@@@@@@@@@@@@@@@@@@@@@@@@@@@@@@@@@@@@@@@@@@@@@@@@@@@@@@@@@@@@@@@@@@@@@@@@@@@@@@@@@@@@@@@@@@@@@@@@@@@@@@@@@@@@@@@@@@@@@@@@@@@@@@@@@@@@@@@@@@@@@@@@@@@@@@@@@@@@@@@@@@@@@@@@@@@@@@@@@@@@@@@@@@@?he@@@@5? ?N@@@@@1 @@@@@@@@@@@@@@@@@@@?g@@@Hh?@@@@@@@@@@@@@@@L? ?N@@@@ ?@@? ?@@1 @@@L @@@@@L ?N@@ 3@@@@@ @@(Y 3@@@@@f3@@@@@@@@@@@@@@5g?@@@@@@@@? @? ?V'@@@@@@@@@@@@@@@@@@@@@@@@@@@@5 ?V'@@@@@@@@@@@@@@@@@@@@@@@@@@@@@@@@@@@(Y
?@ 7@@@@@he?J@5 J@he?@H? ?J@@@@@@@@@@@? I4@@@@@@@@@@6K ?N@@@@@@@@ ?7@@@@@5 ?J@@@?g?J@@@@@?hJ@@@@@@? ?7@@@@@@@@@@@@@@@@@@@@@@@@@@@@@@@@@@@@@@@@@@@@@@@@@@@@@@@@@@@@@@@@@@@@@@@@@@@@@@@@@@@@@@@@@@@@@@@@@@@@@@@@@@@@@@@@@@@@@H @@@@@@@@g3@@@@@@@@@@@@@@@@@@@@@@@@@@@@@@@@@@@@@@@@@@@@@@@@@@@@@@@@@@@@@@@@@@@@@@@@@@@@@@@@@@@@@@@@@@@@@@@@@@@@@@@@@@@@@@@@@@@@@@@@@@@@@@@@@@@@@@@@@@@@@@@@@@@@@@@@@@@@@@@@@@@@@@@@@@@@@@@@@@@@@@@@@@@@@@@@@@@@@@@@@@@@@@@@@@@@@@@@@@@@@@@@@@@@@@@@@@@@@@@@@@@@@@@@@@@@@@@@@@@@@@@@@@@@@@@@@@@@@@@@@@@@@@@@@@@@@@@@@@@@@@@@@@@@@@@@@@@@@@@@@@@@?he@@@@H? 3@@@@@ @@@@@@@@@@@@@@@@@@@?g@@@?h?3@@@@@@@@@@@@@@1? @@@@L? ?@@L ?@@@ 3@@1 @@@@@1 @@ N@@@@@L? @@H? N@@@@@fV'@@@@@@@@@@@@(Yg?@@@@@@@@? V4@@@@@@@@@@@@@@@@@@@@@@@@@@@H V4@@@@@@@@@@@@@@@@@@@@@@@@@@@@@@@@@0Y?
?3L? ?J@@@@@5he?7@H 75heJ@ ?7@@@@@(Y@@@@L I4@@@@@@@@@@@6K? @@@@@@@@L? ?@@@@@@H ?7@@@?g?7@@@@@?h7@@@@@@? ?@@@@@@@@@@@@@@@@@@@@@@@@@@@@@@@@@@@@@@@@@@@@@@@@@@@@@@@@@@@@@@@@@@@@@@@@@@@@@@@@@@@@@@@@@@@@@@@@@@@@@@@@@@@@@@@@@@@@@@? @@@@@@@@gN@@@@@@@@@@@@@@@@@@@@@@@@@@@@@@@@@@@@@@@@@@@@@@@@@@@@@@@@@@@@@@@@@@@@@@@@@@@@@@@@@@@@@@@@@@@@@@@@@@@@@@@@@@@@@@@@@@@@@@@@@@@@@@@@@@@@@@@@@@@@@@@@@@@@@@@@@@@@@@@@@@@@@@@@@@@@@@@@@@@@@@@@@@@@@@@@@@@@@@@@@@@@@@@@@@@@@@@@@@@@@@@@@@@@@@@@@@@@@@@@@@@@@@@@@@@@@@@@@@@@@@@@@@@@@@@@@@@@@@@@@@@@@@@@@@@@@@@@@@@@@@@@@@@@@@@@@@@@@@@@@@@@?he@@@@ N@@@@@L? @@@@@@@@@@@@@@@@@@@? @@@@@@@@@@@@@@@? 3@@@1? ?@@1 ?@@@e?W2@@@@?hfN@@@fO)X? @@@@@@ @@L? ?@@@@@1? @@ ?@@@@@f?V4@@@@@@@@@@0Y?g?@@@@@@@5?h?@ I4@@@@@@@@@@@@@@@@@@@@@@@@5? O)X?heI4@@@@@@@@@@@@@@@@@@@@@@@@@@@@@0M?
?N1? ?7@@@@@Hhe?@5? ?J@Hhe7@ ?@@@@@@H?3@@@1 I4@@@@@@@@@@@6K? @@@@@@@@1? ?@@@@@@? ?@@@@?g?@@@@@@?h@@@@@@@? ?@@@@@@@@@@@@@@@@@@@@@@@@@@@@@@@@@@@@@@@@@@@@@@@@@@@@@@@@@@@@@@@@@@@@@@@@@@@@@@@@@@@@@@@@@@@@@@@@@@@@@@@@@@@@@@@@@@@@@5? @@@@@@@@g?3@@@@@@@@@@@@@@@@@@@@@@@@@@@@@@@@@@@@@@@@@@@@@@@@@@@@@@@@@@@@@@@@@@@@@@@@@@@@@@@@@@@@@@@@@@@@@@@@@@@@@@@@@@@@@@@@@@@@@@@@@@@@@@@@@@@@@@@@@@@@@@@@@@@@@@@@@@@@@@@@@@@@@@@@@@@@@@@@@@@@@@@@@@@@@@@@@@@@@@@@@@@@@@@@@@@@@@@@@@@@@@@@@@@@@@@@@@@@@@@@@@@@@@@@@@@@@@@@@@@@@@@@@@@@@@@@@@@@@@@@@@@@@@@@@@@@@@@@@@@@@@@@@@@@@@@@@@@@@@@@@@5?he@@@@ ?3@@@@1? @@@@@@@@@@@@@@@@@@@@@@6K ?7@@@@@@@@@@@@@@@? N@@@@? ?@@@ ?@@@e?7@@@@@?hf?@@@?O2@@@1? 3@@@@@ @@1? ?@@@@@@? ?@@@@@g?I4@@@@@@0M?hJ@@@@@@@H? I'@@@@@@@@@@@@@@@@@@@@@@H? ?O@KfO2@@1?hfI4@@@@@@@@@@@@@@@@@@@@@@@@@0M?
3L ?@@@@@@?heJ@H? ?7@?he@5 ?@@@@@5??N@@@@ I'@@@@@@@@@@@@6X @@@@@@@@@? ?@@@@@@? ?@@@@?g?@@@@@@?h@@@@@@@? J@@@@@@@@@@@@@@@@@@@@@@@@@@@@@@@@@@@@@@@@@@@@@@@@@@@@@@@@@@@@@@@@@@@@@@@@@@@@@@@@@@@@@@@@@@@@@@@@@@@@@@@@@@@@@@@@@@@@@H? @@@@@@@@L?f?V'@@@@@@@@@@@@@@@@@@@@@@@@@@@@@@@@@@@@@@@@@@@@@@@@@@@@@@@@@@@@@@@@@@@@@@@@@@@@@@@@@@@@@@@@@@@@@@@@@@@@@@@@@@@@@@@@@@@@@@@@@@@@@@@@@@@@@@@@@@@@@@@@@@@@@@@@@@@@@@@@@@@@@@@@@@@@@@@@@@@@@@@@@@@@@@@@@@@@@@@@@@@@@@@@@@@@@@@@@@@@@@@@@@@@@@@@@@@@@@@@@@@@@@@@@@@@@@@@@@@@@@@@@@@@@@@@@@@@@@@@@@@@@@@@@@@@@@@@@@@@@@@@@@@@@@@@@@@@@@@@@H?he@@@@ ?N@@@@@? @@@@@@@@@@@@@@@@@@@@@@@@6Xhf?@@@@@@@@@@@@@@@@? ?@@@@? ?@@@ ?@@@L?J@@@@@@?hf?@@@@@@@@@5? N@@@@@ @@@? ?@@@@@@L ?@@@@@he?I40M?he7@@@@@@@ ?V'@@@@@@@@@@@@@@@@@@@@5 ?W2@@@@@@@@@@@@? ?I4@@@@@@@@@@@@@@@@@@0M?
@? N1 ?@@@@@5?he7@ ?@5?h?J@H J@@@@@H?e@@@@ ?N@@@@@@@@@@@@@)K? @@@@@@@@@? ?@@@@@@? ?@@@@?g?@@@@@@?h@@@@@@@? 7@@@@@@@@@@@@@@@@@@@@@@@@@@@@@@@@@@@@@@@@@@@@@@@@@@@@@@@@@@@@@@@@@@@@@@@@@@@@@@@@@@@@@@@@@@@@@@@@@@@@@@@@@@@@@@@@@@@@@ ?J@@@@@@@@1?gV'@@@@@@@@@@@@@@@@@@@@@@@@@@@@@@@@@@@@@@@@@@@@@@@@@@@@@@@@@@@@@@@@@@@@@@@@@@@@@@@@@@@@@@@@@@@@@@@@@@@@@@@@@@@@@@@@@@@@@@@@@@@@@@@@@@@@@@@@@@@@@@@@@@@@@@@@@@@@@@@@@@@@@@@@@@@@@@@@@@@@@@@@@@@@@@@@@@@@@@@@@@@@@@@@@@@@@@@@@@@@@@@@@@@@@@@@@@@@@@@@@@@@@@@@@@@@@@@@@@@@@@@@@@@@@@@@@@@@@@@@@@@@@@@@@@@@@@@@@@@@@@@@@@@@@@@@@@@@@@@@hf@@@@ O26Xhf@@@@@? 3@@@@@@@@@@@@@@@@@@@@@@@@)K?f?O2@@@@@@@@@@@@@@@@@@@5? J@@@@? ?3@@ ?3@@)?&@@@@@@?hf?@@@@@@@@(Y? ?@@@@@L? @@@? ?3@@@@@1 @@6X ?@@@@@ @@@@@@@@ V'@@@@@@@@@@@@@@@@@@(Y O&@@@@@@@@@@@@@? ?I4@@@@@0M
@? ?@ J@@@@@H?he@5 J@H?h?7@? 7@@@@@f@@@@ @@@@@@@@@@@@@@@6K? ?J@@@@@@@@@? ?@@@@@5? ?@@@@?g?@@@@@@?h@@@@@@@? @@@@@@@@@@@@@@@@@@@@@@@@@@@@@@@@@@@@@@@@@@@@@@@@@@@@@@@@@@@@@@@@@@@@@@@@@@@@@@@@@@@@@@@@@@@@@@@@@@@@@@@@@@@@@@@@@@@@@5 ?7@@@@@@@@@?g?V'@@@@@@@@@@@@@@@@@@@@@@@@@@@@@@@@@@@@@@@@@@@@@@@@@@@@@@@@@@@@@@@@@@@@@@@@@@@@@@@@@@@@@@@@@@@@@@@@@@@@@@@@@@@@@@@@@@@@@@@@@@@@@@@@@@@@@@@@@@@@@@@@@@@@@@@@@@@@@@@@@@@@@@@@@@@@@@@@@@@@@@@@@@@@@@@@@@@@@@@@@@@@@@@@@@@@@@@@@@@@@@@@@@@@@@@@@@@@@@@@@@@@@@@@@@@@@@@@@@@@@@@@@@@@@@@@@@@@@@@@@@@@@@@@@@@@@@@@@@@@@@@@@@@@@@@@@@@@@@@hf@@@@ ?O2@@@@)X?he@@@@@? N@@@@@@@@@@@@@@@@@@@@@@@@@@6K??W2@@@@@@@@@@@@@@@@@@@@@H? 7@@@@L ?N@@L? ?N@@@@@@@@@@@?hf?3@@@@@@0Y ?@@@@@1? 3@@L ?N@@@@@@ @@@)X? ?@@@@@ @@@@@@@@ ?V4@@@@@@@@@@@@@@@@0Y? W2@@@@@@@@@@@@(M
3L ?@L? 7@@@@@he?J@H 7@heJ@5? @@@@@5f@@@@ ?I4@@@@@@@@@@@@6X? ?7@@@@@@@@@? J@@@@@H? J@@@@?g?@@@@@@?h@@@@@@5? @@@@@@@@@@@@@@@@@@@@@@@@@@@@@@@@@@@@@@@@@@@@@@@@@@@@@@@@@@@@@@@@@@@@@@@@@@@@@@@@@@@@@@@@@@@@@@@@@@@@@@@@@@@@@@@@@@@@@H ?@@@@@@@@@@?hV4@@@@@@@@@@@@@@@@@@@@@@@@@@@@@@@@@@@@@@@@@@@@@@@@@@@@@@@@@@@@@@@@@@@@@@@@@@@@@@@@@@@@@@@@@@@@@@@@@@@@@@@@@@@@@@@@@@@@@@@@@@@@@@@@@@@@@@@@@@@@@@@@@@@@@@@@@@@@@@@@@@@@@@@@@@@@@@@@@@@@@@@@@@@@@@@@@@@@@@@@@@@@@@@@@@@@@@@@@@@@@@@@@@@@@@@@@@@@@@@@@@@@@@@@@@@@@@@@@@@@@@@@@@@@@@@@@@@@@@@@@@@@@@@@@@@@@@@@@@@@@@@@@@@@@@@@@@@@@@hf@@@@hf?W2@@@@@@@)?@Kh@@@@@L ?3@@@@@@@@@@@@@@@@@@@@@@@@@@@6?&@@@@@@@@@@@@@@@@@@@@@@L? @@@@@1 @@1? @@@@@@@@@@@@@?he?N@@@@(M ?@@@@@@? N@@1 @@@@@@ 3@@@)X ?@@@@@ @@@@@@@@ ?I4@0M ?W&@@@@@@@@@@@@(Y?
N1 ?31? @@@@@5he?7@? @5he7@H? @@@@@Hf@@@@L? I4@@@@@@@@@@)K ?3@@@@@@@@@? 7@@@@@ 7@@@5?g?@@@@@5?g?J@@@@@@H? @@@@@@@@@@@@@@@@@@@@@@@@@@@@@@@@@@@@@@@@@@@@@@@@@@@@@@@@@@@@@@@@@@@@@@@@@@@@@@@@@@@@@@@@@@@@@@@@@@@@@@@@@@@@@@@@@@@@@@@@@? ?@@@@@@@@@@?he?I'@@@@@@@@@@@@@@@@@@@@@@@@@@@@@@@@@@@@@@@@@@@@@@@@@@@@@@@@@@@@@@@@@@@@@@@@@@@@@@@@@@@@@@@@@@@@@@@@@@@@@@@@@@@@@@@@@@@@@@@@@@@@@@@@@@@@@@@@@@@@@@@@@@@@@@@@@@@@@@@@@@@@@@@@@@@@@@@@@@@@@@@@@@@@@@@@@@@@@@@@@@@@@@@@@@@@@@@@@@@@@@@@@@@@@@@@@@@@@@@@@@@@@@@@@@@@@@@@@@@@@@@@@@@@@@@@@@@@@@@@@@@@@@@@@@@@@@@@@@@@@@@@@@@@@@@@@@@hf@@@@hfW&@@@@@@@@@@@@@?g3@@@@1 ?N@@@@@@@@@@@@@@@@@@@@@@@@@@@@@@@@@@@@@@@@@@@@@@@@@@@@1? 3@@@@@ @@@? @@@@@@@0M?I4@?hf@@@@H? ?3@@@@@? ?@@@ @@@@@@ V'@@@1 ?@@@@@ @@@@@@@@ O&@@@@@@@@@@@@@H
?@ ?N@? ?J@@@@@Hhe?@5? @Hhe@5 @@@@@?f3@@@1? ?I4@@@@@@@@@@6K? ?N@@@@@@@@@L @@@@@@ @@@@H?g?@@@@@H?g?@@@@@@@ @Y@@@@@@@@@@@@@@@@@@@@@@@@@@@@@@@@@@@@@@@@@@@@@@@@@@@@@@@@@@@@@@@@@@@@@@@@@@@@@@@@@@@@@@@@@@@@@@@@@@@@@@@@@@@@@@@@@@@@@@@? ?@@@@@@@@@@?hfV4@@@@@@@0?4@@@@@@@@@@@@@@@@@@@@@@@@@@@@@@@@@@@@@@@@@@@@@@@@@@@@@@@@@@@@@@@@@@@@@@@@@@@@@@@@@@@@@@@@@@@@@@@@@@@@@@@@@@@@@@@@@@@@@@@@@@@@@@@@@@@@@@@@@@@@@@@@@@@@@@@@@@@@@@@@@@@@@@@@@@@@@@@@@@@@@@@@@@@@@@@@@@@@@@@@@@@@@@@@@@@@@@@@@@@@@@@@@@@@@@@@@@@@@@@@@@@@@@@@@@@@@@@@@@@@@@@@@@@@@@@@@@@@@@@@@@@@@@@@@@@@@@@@@@@@@@@@L?he@@@@hf7@@@@@(?'@@@@@@LgN@@@@@ 3@@@@@@@@@@@@@@@@@@@@@@@@@@@@@@@@@@@@@@@@@@@@@@@@@@@@? N@@@@@ @@@? @@@@@(M? @@@@ ?N@@@@@? ?@@@ @@@@@@ ?N@@@@ ?@@@@@ @@@@@@@@ O2@@@@@@@@@@@@@@@? @@@@@?
?@L? @? ?7@@@@@?heJ@H? ?J@?he@H ?J@@@@@?fN@@@@? ?I4@@@@@@@@@@6X? @@@@@@@@@1 @@@@@@ @@@@hJ@@@@@he@@@@@@ @@@@@@@@@@@@@@@@@@@@@@@@@@@@@@@@@@@@@@@@@@@@@@@@@@@@@@@@@@@@@@@@@@@@@@@@@@@@@@@@@@@@@@@@@@@@@@@@@@@@@@@@@@@@@@@@@@@@@@5? ?@@@@@@@@@@L I'@@@@@@@@@@@@@@@@@@@@@@@@@@@@@@@@@@@@@@@@@@@@@@@@@@@@@@@@0?4@0MI4@@@@@@@@@@@@@@@@@@@@@@@@@@@@@@@@@@@@@@@@@@@@@@@@@@@@@@@@@@@@@@@@@@@@@@@@@@@@@@@@@@@@@@@@@@@@@@@@@@@@@@@@@@@@@@@@@@@@@@@@@@@@@@@@@@@@@@@@@@@@@@@@@@@@@@@@@@@@@@@@@@@@@@@@@@@@@@@@@@@@@@@@@@@@@@@@@@@@@@@@@@@@@@@@@@@@@@@@@@@@@@@@@@@@@@@@@@@@@@)Xhe@@@@hf@@@@@@H?V'@@@@@1g?@@@@@ N@@@@@@@@@@@@@@@@@@@@@@@@@@@@@@@@@@@@@@@@@@@@@@@@@@@@? ?3@@@@ @@@? @@@@(Y @@@@ @@@@@L ?@@@ 3@@@@@L? 3@@@L? ?@@@@@ @@@@@@@@ O2@@@@@@@@@@@@@@0M ?O2@@@@6K? ?J@@@@@L
?31? J@@@@@5?he7@ ?75?h?J@? ?7@@@@@?f?@@@@? I4@@@@@@@@)K @@@@@@@@@@ @@@@@5 @@@@h7@@@@@h?7@@@@@@ @@@@@@@@@@@@@@@@@@@@@@@@@@@@@@@@@@@@@@@@@@@@@@@@@@@@@@@@@@@@@@@@@@@@@@@@@@@@@@@@@@@@@@@@@@@@@@@@@@@@@@@@@@@@@@@@@@@@@@H? ?@@@@@@@@@@)X? ?V4@@@@@@@@@@@@@@@@0M?I40Me?I@Me?I@?4@0?@M I@M?f?I40?4@@0Mhe?I@Mf?I4@@@@@@@0MI4@@@@@@@0MI4@@0M?I4@@@@0MI@M?e?I4@@@@@@@@0?4@@@@@@@@@@@@@@@@@@@@@@@@@@@@@@@@@@@@@@@@@@@@@@@@@@@@@@@@@@@@@@@@@@@@@@@@@@@@@@@@@@@@@@@@@@@@@@@@@@@@@@@@@@@@@@@@@@@@0MfI@MI'@@)X?h@@@@hf@@@@@@e?N@@@@@@L?f?@@@@5 ?@@@@@@@@@@@@@@@@@@@@@@@@@@@@@@@@@@@@@@@@@@@@@@@@@@@@? ?N@@@@eO2@@ 3@@? 3@@@H? @@@5 @@@@@1 N@@@@@1? N@@@1? ?@@@@@ @@@@@@@@L? O2@@@@@@@@@@@@0M ?O2@@@@@@@@@@@@6X? W&@@@@@1
?N@L ?@ 7@@@@@H?he@5 ?@H?h?75? ?@@@@@5?f?@@@@? ?I'@@@@@@@@6K? 3@@@@@@@@@ ?J@@@@@H @@@@h@@@@@@h?@@@@@@@ @@@@@@@@@@@@@@@@@@@@@@@@@@@@@@@@@@@@@@@@@@@@@@@@@@@@@@@@@@@@@@@@@@@@@@@@@@@@@@@@@@@@@@@@@@@@@@@@@@@@@@@@@@@@@@@@@@@@@5 ?@@@@@@@@@@@1? V4@@)Xh@@@@ @@@@L?e@@@@@@1?fJ@@@@H ?@@@@@@@@@@@@@@@@@@@@@@@@@@@@@@@@@@@@@@@@@@@@@@@@@@@@? @@@@W2@@@5 N@@? N@@@ 3@@?gO26X @@@@@@ ?@@@@@@?e?@he?3@@@? ?@@@@@ @@@@@@@@)X ?O2@@@@@@@@@@@@0M? ?W2@@@@@@@@@@@@@@@)K 7@@@@@@5
31 ?@ @@@@@5he?J@H J5heJ@H? J@@@@@H?f?@@@@? V4@@@@@@@@@6K? N@@@@@@@@@ ?7@@@@@? @@@@h@@@@@@h?@@@@@@@ @@@@@@@@@@@@@@@@@@@@@@@@@@@@@@@@@@@@@@@@@@@@@@@@@@@@@@@@@@@@@@@@@@@@@@@@@@@@@@@@@@@@@@@@@@@@@@@@@@@@@@@@@@@@@@@@@@@@@H ?@@@@@V'@@@@@L ?@@)X?g@@@@L?hf@@@@1?e3@@@@@@?f7@@@@? ?@@@@@@@@@@@@@@@@@@@@@@@@@@@@@@@@@@@@@@@@@@@@@@@@@@@@? @@@@@@@@(Y ?@@L ?@@@ N@@1fO2@@@)X?hf@@@@@@ ?@@@@@@? ?N@@@L ?@@@@@ 3@@@@@@@@1 ?O2@@@@@@@@@@@0M W&@@@@@@@@@@@@@@@@@@6X @@@@@@@H
N@ ?3L? ?J@@@@@Hhe?75? 7Hhe7@ 7@@@@5g?@@@@L ?I'@@@@@@@@6K? ?@@@@@@@@@ ?@@@@@@? @@@@h@@@@@@h?@@@@@@@ @@@@@@@@@@@@@@@@@@@@@@@@@@@@@@@@@@@@@@@@@@@@@@@@@@@@@@@@@@@@@@@@@@@@@@@@@@@@@@@@@@@@@@@@@@@@@@@@@@@@@@@@@@@@@@@@@@@@@? ?@@@@5?V'@@@@1 ?3@@1?g@@@@1?hf@@@@@?eN@@@@@@Lf@@@@@? I4@@@@@@@@@@@@@@@@@@@@@@@@@@@@@@@@@@@@@@@@@@@@@@@@@? @@@@@@@(Y? ?@@1 ?@@@ ?@@@eW2@@@@@@,?hf3@@@@@ ?@@@@@@? @@@1 ?3@@@@ N@@@@@@@@@ O2@@@@@@@@@@@0M? ?W&@@@@@@@@@@@@@@@@@@@@)X?hf@@@@@@@?
?@L? ?N1? ?7@@@@@?heJ@H? ?J@?h?J@5 @@@@@Hg?3@@@1 V4@@@@@@@@@6K? ?3@@@@@@@@L? ?@@@@@@? @@@5h@@@@@5h?@@@@@@@ 3@@@@@@@@@@@@@@@@@@@@@@@@@@@@@@@@@@@@@@@@@@@@@@@@@@@@@@@@@@@@@@@@@@@@@@@@@@@@@@@@@@@@@@@@@@@@@@@@@@@@@@@@@@@@@@@@@@@5? ?@@@@HeN@@@@@L? ?V'@@?g@@@@@?he?J@@@@@?e?@@@@@@1e?J@@@@5? I4@@@@@@@@@@@@@@@@@@@@@@@@@@@@@@@@@@@@@@@@@@@@@? @@@@@@(Y ?@@@ ?@@@ ?@@@e7@@@@@@0Y?hfN@@@@@ ?@@@@@@Lf)Xhe3@@@ ?N@@@@L? ?@@@@@@@@@ ?O2@@@@@@@@@@@0M W&@@@@@@@@@@@@@@@@@@@@@@1?hf@@@@@@@?
?31? @? ?@@@@@5?he7@ ?7@?h?7@H @@@@@?g?N@@@@ ?I4@@@@@@@@@6K ?N@@@@@@@@1? ?@@@@@@? @@@Hh@@@@@Hh?@@@@@@@ V4@0?'@@@@@@@@@@@@@@@@@@@@@@@@@@@@@@@@@@@@@@@@@@@@@@@@@@@@@@@@@@@@@@@@@@@@@@@@@@@@@@@@@@@@@@@@@@@@@@@@@@@@@@@@@@@@@@H? ?@@@@?e?3@@@@)X V'@@6Xf@@@@@?he?7@@@@@?e?@@@@@@@e?7@@@@H? I'@@@@@@@@@@@@@@@@@@@@@@@@@@@@@@@@@@@@@@@@@@@? @@@@@@H? ?@@@ ?@@@L? ?@@@e@@@@@0M? ?@@@@@L? ?3@@@@@1f31heN@@@L? @@@@1? ?@@@@@@@@@L? O2@@@@@@@@@@@@0M 7@@@@@@@@@@@@@@@@@@@@@@@@Lhf@@@@@@@?
?N@? @L J@@@@@H?he@5 ?@5?h?@@? ?J@@@@@?h@@@@ ?I4@@@@@@@@@6K @@@@@@@@@? J@@@@@5? ?J@@@?h@@@@@?hJ@@@@@@5 ?N@@@@@@@@@@@@@@@@@@@@@@@@@@@@@@@@@@@@@@@@@@@@@@@@@@@@@@@@@@@@@@@@@@@@@@@@@@@@@@@@@@@@@@@@@@@@@@@@@@@@@@@@@@@@@5 J@@@@?e?V'@@@@)X? ?V'@@1f@@@@@?he?@@@@@@Le?@@@@@@@L?J@@@@5 ?V4@@@@@@@@@@@@@@@@@@@@@@@@@@@@@@@@@@@@@@@@@@L 3@@@@5 ?@@@ ?@@@1? ?@@@@@@@@? ?@@@@@1? ?N@@@@@@fN@he?3@@1? @@@@@? ?3@@@@@@@@1? O2@@@@@@@@@@@0M? ?J@@@@@@@@@@@@@@@@@@@@@@@@@)X?he@@@@@@@L
@L 31 7@@@@@he?J@H J@H?hJ@5? ?7@@@@5?h@@@@L? ?I4@@@@@@@@@@6K? @@@@@@@@@? @@@@@@H? ?7@@@?g?J@@@@@?h7@@@@@@H 3@@@@@@@@@@@@@@@@@@@@@@@@@@@@@@@@@@@@@@@@@@@@@@@@@@@@@@@@@@@@@@@@@@@@@@@@@@@@@@@@@@@@@@@@@@@@@@@@@@@@@@@@@@@@H 7@@@@?fV'@@@@1? V'@@f@@@@@?he?3@@@@@1e?3@@@@@@)?&@@@@H ?I4@@@@@@@@@@@@@@@@@@@@@@@@@@@@@@@@@@@@@@1 N@@@@H ?3@@L? ?@@@@? ?3@@@@@@5? ?3@@@@@? @@@@@@f?3L?h?N@@@? @@@@@? ?N@@@@@@@@@? O2@@@@@@@@@@@@0M ?7@@@@@@@@@@@@@@@@@@@@@@@@@@)Xhe@@@@@@@1
31 ?@@@ N@ ?J@@@@@5he?7@? 75he7@H? ?@@@@@H?h@@@@1? ?I4@@@@@@@@@@6K? @@@@@@@@@? N@@@@@ ?@@@@?g?7@@@@@?h@@@@@@@? V'@@@@@@@@@@@@@@@@@@@@@@@@@@@@@@@@@@@@@@@@@@@@@@@@@@@@@@@@@@@@@@@@@@@@@@@@@@@@@@@@@@@@@@@@@@@@@@@@@@@@@@@@@@@? @@@@@?f?V'@@@@L ?V'@@6X?@@@@@?he?N@@@@@@e?N@@@@@@@@@@@@5? ?I4@@@@@@@@@@@@@@@@@@@@@@@@@@@@@@@@@@@@@ ?@@@@? ?N@@1? ?3@@@? ?N@@@@@(Y? ?N@@@@@? @@@@@@L?e?N)Xhe@@@? @@@@@? @@@@@@@@@? ?O2@@@@@@@@@@@@0M? ?@@@@@@@@@@@@@@@@@@@@@@@@@@@@1he@@@@@@@@
N@L? ?@@@L? ?@ ?7@@@@@Hhe?@5? ?J@Hh?J@@ J@@@@@he3@@@@? ?I4@@@@@@@@@@6K? 3@@@@@@@@? J@@@@@ ?@@@@?g?@@@@@@?h@@@@@@@? ?V'@@@@@@@@@@@@@@@@@@@@@@@@@@@@@@@@@@@@@@@@@@@@@@@@@@@@@@@@@@@@@@@@@@@@@@@@@@@@@@@@@@@@@@@@@@@@@@@@@@@@@@@@@5? @@@@@?gN@@@@)X? V'@@)X@@@@@?hf@@@@@@f@@@@@@@@@@@@H? ?I4@@@@@@@@@@@@@@@@@@@@@@@@@@@@@@@@@@@ ?@@@@?fO26Xhf@@@? ?N@@@? @@@@(Y @@@@@? @@@@@@1?f@1he3@@L 3@@@@? @@@@@@@@@? ?O2@@@@@@@@@@@0M ?@@@@@@@@@0MgI'@@@@@@@@@@L?h@@@@@@@@
?@1? ?@@@1? ?@L? ?@@@@@@?heJ@H? ?7@?h?7@5 7@@@@@heN@@@@? I4@@@@@@@@@@6X N@@@@@@@@L 7@@@@@ ?@@@@?g?@@@@@@?h@@@@@@@? V4@@@@@@@@@@@@@@@@@@@@@@@@@@@@@@@@@@@@@@@@@@@@@@@@@@@@@@@@@@@@@@@@@@@@@@@@@@@@@@@@@@@@@@@@@@@@@@@@@@@@@@@@H? @@@@@?g?3@@@@)X ?V'@@@@@@@@?hf@@@@@@L?e3@@@@@@@@@@5 ?I4@@@@@@@@@@@@@@@@@@@@@@@@@@@@@@@@@L? ?@@@@LeW2@@@1hf@@@? @@@? @@@(Y? @@@@@L @@@@@@@?f3@heN@@1 N@@@@L 3@@@@@@@@L ?O2@@@@@@@@@@@@0M? ?@@@@@@@(Mh?V'@@@@@@@@@1?h@@@@@@@@
?3@? ?3@@@? ?31? J@@@@@5?he75 ?@5?h?@@H @@@@@5he?@@@@? I4@@@@@@@@@)K? ?@@@@@@@@1 @@@@@5 ?@@@@?g?@@@@@5?h@@@@@@@? I4@@@@@@@@@@@@@@@@@@@@@@@@@@@@@@@@@@@@@@@@@@@@@@@@@@@@@@@@@@@@@@@@@@@@@@@@@@@@@@@@@@@@@@@@@@@@@@@@@@@@@5 @@@@@?g?V4@@@@)X? N@@@@@@@@?hf@@@@@@1?eN@@@@@@@@@(Y ?I4@@@@@@@@@@@@@@@@@@@@@@@@@@@@@@@)K ?@@@@)KO&@@@@@hf@@@? @@@L 3@@H @@@@@1 @@@@@@@?fN@L?h?@@@ ?@@@@1 N@@@@@@@@1 ?O2@@@@@@@@@@@0M ?@@@@@@@H?heN@@@@@@@@@@Lh@@@@@@@@
?N@? ?@@@ ?N@@@? ?N@? 7@@@@@H?h?J@H J@H?h?@5? ?J@@@@@Hhe?@@@@? I4@@@@@@@@@@6K ?@@@@@@@@@ ?J@@@@@H J@@@@?g?@@@@@H?h@@@@@@5? I'@@@@@@@@@@@@@@@@@@@@@@@@@@@@@@@@@@@@@@@@@@@@@@@@@@@@@@@@@@@@@@@@@@@@@@@@@@@@@@@@@@@@@@@@@@@@@@@@@@@H @@@@@?h?I4@@@)X ?3@@@@@@@?he?J@@@@@@@?e?@@@@@@@@(Y? I4@@@@@@@@@@@@@@@@@@@@@@@@@@@@@@@6K? ?@@@@@@@@@@@@5hf@@@? @@@1 N@@L @@@@@@ @@@@@@@?f?@1?h?@@@ ?3@@@@ ?@@@@@@@@@ ?O2@@@@@@@@@@@0M ?@@@@@@@hf?3@@@@@@@@@1h@@@@@@@@
3L ?@@@L? 3@@L @L @@@@@5he?75? 7@heJ@H? ?7@@@@@?he?@@@@L I4@@@@@@@@@@6X ?3@@@@@@@@ ?7@@@@@? 7@@@5?g?@@@@@he@@@@@@H? ?V4@@@@@@@@@@@@@@@@@@@@@@@@@@@@@@@@@@@@@@@@@@@@@@@@@@@@@@@@@@@@@@@@@@@@@@@@@@@@@@@@@@@@@@@@@@@@@@@@@@? @@@@5?he?I'@@)K? ?V'@@@@@@?he?7@@@@@@@?e?@@@@@@@(Y I4@@@@@@@@@@@@@@@@@@@@@@@@@@@@@@@@@? ?3@@@@@@@@@@(Yhf3@@? 3@@@ ?@@1 3@@@@@ 3@@@@@@?f?3@Lh?3@@ ?N@@@@L? ?3@@@@@@@@ ?O2@@@@@@@@@@@@0M? ?@@@@@@@hf?V'@@@@@@@@@L?g3@@@@@@@
N1 ?@@@1? N@@1 31 ?J@@@@@Hhe?@H? @5he7@ ?@@@@@5?he?@@@@1 I4@@@@@@@@@)K? ?N@@@@@@@@ ?@@@@@@? @@@@H?g?@@@@@he@@@@@@ I4@@@@@@@@@@@@@@@@@@@@@@@@@@@@@@@@@@@@@@@@@@@@@@@@@@@@@@@@@@@@@@@@@@@@@@@@@@@@@@@@@@@@@@@@@@@@@@5? @@@@H?hfV'@@@6K? N@@@@@@Lhe?@@@@@@@@@@@@@@@@@@@H? ?I4@@@@@@@@@@@@@@@@@@@@@@@@@@@@@@? ?N@@@@@@@@@(Y?hfN@@? N@@@ ?@@@e?O2@@@ N@@@@@ @@6X N@@@@@@Lf?N@1h?N@@L? @@@@1? ?N@@@@@@@@ O2@@@@@@@@@@@@0M ?@@@@@@@ N@@@@@@@@@1?gN@@@@@@@
?@ ?3@@@? ?@@@ N@ ?7@@@@@?heJ@ ?J@Hhe@5 J@@@@@H?he?3@@@@ I4@@@@@@@@@@6K @@@@@@@@ ?@@@@@@? @@@@hJ@@@@@h?J@@@@@@ I4@@@@@@@@@@@@@@@@@@@@@@@@@@@@@@@@@@@@@@@@@@@@@@@@@@@@@@@@@@@@@@@@@@@@@@@@@@@@@@@@@@@@@@@@@@@@H? @@@@ ?V'@@@@@@@@@@@@@6KO2@@6K?O26K?he?O26K?e?O@Ke?O@K ?O@K?O2@@@@@@6?@?2@@@6K?fO2@@@@@6K?O2@6K?hf?O2@6K ?O2@@@6Kf?O2@@6K?O2@@@@@@@@@@@@@@@@@@@@@@@@@@@@@@@@@@@@@6?2@@6KO26Ke?O2@@6K??O2@@@@@@@6?2@@6KO26?2@@6K?O26KO@KfO26KeO26K?O2@6Ke?O@K?@@@@@@)K?O2@@@@@@@@@@@@@@@@@@@@@@@@@@ ?I4@@@@@@@@@@@@@@@@@@@@@V'@@@@@L @@@@@@@@(Y ?@@L ?@@@ ?@@@?O2@@@@@ ?@@@@@ @@@1 ?@@@@@@1g3@L?h@@1? @@@@@L @@@@@@@@ O2@@@@@@@@@@@@@@(M ?@@@@@@@ ?3@@@@@@@@@Lg?@@@@@@@
?@L? ?N@@@L ?3@@L? ?@ J@@@@@@?he7@ ?7@?h?J@H 7@@@@@hf?N@@@@ I4@@@@@@@@@@6K @@@@@@@@L? ?@@@@@5? @@@@h7@@@@@h?7@@@@@@ I4@@@@@@@@@@@@@@@@@@@@@@@@@@@@@@@@@@@@@@@@@@@@@@@@@@@@@@@@@@@@@@@@@@@@@@@@@@@@@@@@@@@@@@@@@@ @@@@ V'@@@@@@@@@@@@@@@@@@@@@@@@@@@@@@@@@@@@@@@@@@@@@@@@@@@@@@@@@@@@@@@@@@@@@@@@@@@@@@@@@@@@@@@@@@@@@@@@@@@@@@@@@@@@@@@@@@@@@@@@@@@@@@@@@@@@@@@@@@@@@@@@@@@@@@@@@@@@@@@@@@@@@@@@@@@@@@@@@@@@@@@@@@@@@@@@@@@@@@@@@@@@@@@@@@@@@@@@@@@@@@@@@@@@@@@@@@@@@@@@@@@@@@@@@@@@@@@@@@@@@@@@@@@@@@@@@@@@@@@@@@@@@@@@@@@@@@@@@@@@@@@@@@@@@@@@@@@@@@@@@@@@@@@@@@@@@@@@@@@@@@@@@@@@@@@@@@@@@@@@@@@@@@L? ?I4@@@@@@@@@@@@@@@@@@@?N@@@@@)K? @@@@@@@(Y? ?@@1 ?@@@ ?@@@@@@@@@@5 ?@@@@@L? @@@@ ?@@@@@@@gN@1?h@@@? O@?2@6?2@@@@@@@@6Khe3@@@@1 3@@@@@@@L? ?O2@@@@@@@@@@@@@@@@0Y? ?@@@@@@@ ?V'@@@@@@@@1g?@@@@@@@
?31? @@@1 ?N@@1? 7@@@@@5?he@5 ?@5?h?75? @@@@@@ @@@@ I'@@@@@@@@@@6K @@@@@@@@1? ?@@@@@H? @@@@h@@@@@@h?@@@@@@@ I'@@@@@@@@@@@@@@@@@@@@@@@@@@@@@@@@@@@@@@@@@@@@@@@@@@@@@@@@@@@@@@@@@@@@@@@@@@@@@@@@@@@@@@@5 @@@@ ?V4@@@@@@@@@@@@@@@@@@@@@@@@@@@@@@@@@@@@@@@@@@@@@@@@@@@@@@@@@@@@@@@@@@@@@@@@@@@@@@@@@@@@@@@@@@@@@@@@@@@@@@@@@@@@@@@@@@@@@@@@@@@@@@@@@@@@@@@@@@@@@@@@@@@@@@@@@@@@@@@@@@@@@@@@@@@@@@@@@@@@@@@@@@@@@@@@@@@@@@@@@@@@@@@@@@@@@@@@@@@@@@@@@@@@@@@@@@@@@@@@@@@@@@@@@@@@@@@@@@@@@@@@@@@@@@@@@@@@@@@@@@@@@@@@@@@@@@@@@@@@@@@@@@@@@@@@@@@@@@@@@@@@@@@@@@@@@@@@@@@@@@@@@@@@@@@@@@@@@@@@@@@@@1? ?I'@@@@@@@@@@@@@@@@5e@@@@@@@6K? @@@@@@(Y ?@@@ ?@@@ ?3@@@@@@@@0Y ?3@@@@1? 3@@@ ?3@@@@@@g?@@Lh3@@L ?O2@@@@@@@@@@@@@@@@@@@@@@@@@@6K?fN@@@@@ N@@@@@@@1? ?O2@@@@@@@@@@@@@@0M? ?@@@@@@@ N@@@@@@@@@L?f?@@@@@@@
?N@? 3@@@ @@@? @? @@@@@@H?h?J@H J@H?h?@H? @@@@@5 @@@@L? ?V4@@@@@@@@@@@@@6Xhe3@@@@@@@@? J@@@@@ @@@@h@@@@@@h?@@@@@@@ ?V4@@@@@@@@@@@@@@@@@@@@@@@@@@@@@@@@@@@@@@@@@@@@@@@@@@@@@@@@@@@@@@@@@@@@@@@@@@@@@@@@@@@@@@H @@@@ ?I4@@@@@@@@@@@@@@@@@@@@@@@@@@@@@@@@@@@@@@@@@@@@@@@@@@@@@@@@@@@@@@@@@@@@@@@@@@@@@@@@@@@@@@@@@@@@@@@@@@@@@@@@@@@@@@@@@@@@@@@@@@@@@@@@@@@@@@@@@@@@@@@@@@@@@@@@@@@@@@@@@@@@@@@@@@@@@@@@@@@@@@@@@@@@@@@@@@@@@@@@@@@@@@@@@@@@@@@@@@@@@@@@@@@@@@@@@@@@@@@@@@@@@@@@@@@@@@@@@@@@@@@@@@@@@@@@@@@@@@@@@@@@@@@@@@@@@@@@@@@@@@@@@@@@@@@@@@@@@@@@@@@@@@@@@@@@@@@@@@@@@@@@@@@@@@@@@@@@@@@@@@@@? V4@@@@@@@@@@@@@@@He?I4@@@@@@6X? @@@@@@H? ?@@@ ?@@@L? ?N@@@@@0M? ?N@@@@@? N@@@ ?N@@@@@@g?3@1hN@@1 O2@@@@@@@@@@@@@@@@@@@@@@@@@@@@@@@@6Ke?@@@@@@6X? ?@@@@@@@@? ?O2@@@@@@@@@@@@@@0M? ?@@@@@@@L? ?3@@@@@@@@)XfJ@@@@@@@
3L N@@@ 3@@? @? ?J@@@@@5he?7@? 75heJ@ ?J@@@@@H @@@@1? I4@@@@@@@@@@@)K?hN@@@@@@@@? 7@@@@@ @@@@h@@@@@5h?@@@@@@@ ?I'@@@@@@@@@@@@@@@@@@@@@@@@@@@@@@@@@@@@@@@@@@@@@@@@@@@@@@@@@@@@@@@@@@@@@@@@@@@@@@@@@@@@? ?J@@@@ ?I4@@0M?eI4@@0M ?I4@@@0Mhe?I4@0M ?I4@@@0Mhf?I@MheI4@@@@0MI4@@@0M?I@MI4@0Mf?I4@0Me?I4@@@@@0M?I40MI4@0MI@M?f?I4@@@@@@@@0M?I4@@0Mhf?I@M ?I@Me?I40?4@@@@@@@@@@@@@@@@@0?4@@@@@@@@@@@@0?4@@@@@@@@@@@@@@@@@@@@@@@@0?4@@@@@@@@@@@@@@@@@@@@@@@@(MI'@@@@@L I'@@@@@@@@@@@@@?f?I'@@@@@)K @@@@@@ ?3@@L? ?@@@1? @@@@ @@@@@? ?3@@ @@@@@@g?N@@h?@@@ O2@@@@@@@@@@@@@@@@0?4@@@@@@@@@@@@@@@@@@6X@@@@@@@1? ?3@@@@@@@L ?O2@@@@@@@@@@@@@0M ?@@@@@@@)X ?N@@@@@@@@@)K?e7@@@@@@@
N)X? ?3@@L? N@@L ?7@@@@@Hhe?@5? @Hhe75 ?7@@@@@? 3@@@@? I4@@@@@@@@@@@6K?g?@@@@@@@@? @@@@@@ @@@@h@@@@@?h?@@@@@@@ V'@@@@@@@@@@@@@@@@@@@@@@@@@@@@@@@@@@@@@@@@@@@@@@@@@@@@@@@@@@@@@@@@@@@@@@@@@@@@@@@@@@5? ?7@@@@ I@?@?4@@@@@@@@Y??N@@@@@1 ?V4@@@@@@@@@@@@LgV4@@@@@@@6K? 3@@@@5 ?N@@1? ?3@@@? @@@@ @@@@@? ?N@@ @@@@@@h@@L?g?@@@hfO2@@@@@@@@@@@0M?hfI'@@@@@@@@@@@@@@@@@@@@@@@? ?N@@@@@@@1 ?O2@@@@@@@@@@@@@0M ?3@@@@@@@)K? 3@@@@@@@@@@6K?@@@@@@@@
?@1? ?N@@1? ?@@1 ?@ ?@@@@@@?heJ@H? @?h?J@H ?@@@@@@? N@@@@? I4@@@@@@@@@@@6K?f?@@@@@@@@? @@@@@@ ?J@@@@h@@@@@@h?@@@@@@5 ?V'@@@@@@@@@@@@@@@@@@@@@@@@@@@@@@@@@@@@@@@@@@@@@@@@@@@@@@@@@@@@@@@@@@@@@@@@@@@@@@@@@H? ?@@@@@ ?@@@@@@@@6X?3@@@@@L? @@@@@@@@@@@1hI4@@@@@@@@@@@@6K N@@@@H @@@?fW2@@he?N@@@? @@@@ @@@@@L @@ @@@@@@L?g3@1?g?@@@heO2@@@@@@@@@0M? ?N@@@@@@@@@@@@@@@@@@@@@@@@@? 3@@@@@@@ O2@@@@@@@@@@@@@@0M ?N@@@@@@@@@6K?hfN@@@@@@@@@@@@@@@@@@@@@
?3@? @@@? ?3@@ ?@ J@@@@@5?he7@ ?J@?h?7@? ?@@@@@5? ?@@@@? I4@@@@@@@@@@@@6Ke?@@@@@@@@? @@@@@5 ?7@@@@h@@@@@Hh?@@@@@@H V'@@@@@@@@@@@@@@@@@@@@@@@@@@@@@@@@@@@@@@@@@@@@@@@@@@@@@@@@@@@@@@@@@@@@@@@@@@@@@@@5 ?@@@@@ ?@@@@@@@@@1?V'@@@@1? @@@@@@@@@@@@heI4@@@@@@@@@@@@@6K? ?@@@@? @@@?e?W&@@@hf@@@? @@@@ @@@@@1 @@ @@@@@@1?gN@@?g?@@@L?gW2@@@@@@@0M? ?J@@@@@@@@@@@@@@@@@@@@@@@@@L N@@@@@@@ ?O2@@@@@@@@@@@@@@0M? @@@@@@@@@@@@@@6Xh?3@@@@@@@@@@@@@@@@@@@@
?N@L 3@@? ?N@@L? 7@@@@@H?he@5 ?75?h?@@? J@@@@@H? ?@@@@? I4@@@@@@@@@@@@@6X@@@@@@@@L ?J@@@@@H ?@@@@5g?J@@@@@?hJ@@@@@@? ?V'@@@@@@@@@@@@@@@@@@@@@@@@@@@@@@@@@@@@@@@@@@@@@@@@@@@@@@@@@@@@@@@@@@@@@@@@@@@@@@H ?@@@@@ ?@@@@@@@@@@??N@@@@@? @@@@@@@@@5hfI4@@@@@@@@@@@@@@6K ?@@@@LeW2@6X?hf@@@?e?7@@@5hf@@@? @@@@ 3@@@@@ 3@L? 3@@@@@@?g?@@Lg?3@@1?f?O&@@@@@0M O&@@@@@@@@@@@@@@@@@@@@@@@@@)X? ?@@@@@@@ O2@@@@@@@@@@@@@@@0M? 3@@@@@@@@@@@@@@1h?V'@@@@@@@@@@@@@@@@@@@
@1 N@@L @@1? ?J@@@@@@he?J@H J@H?hJ@5? 7@@@@@ ?@@@@L I4@@@@@@@@@@@@@@@@@@@@@1 ?7@@@@@? ?@@@@Hg?7@@@@@?h7@@@@@@? V'@@@@@@@@@@@@@@@@@@@@@@@@@@@@@@@@@@@@@@@@@@@@@@@@@@@@@@@@@@@@@@@@@@@@@@@@@@@@@? ?@@@@@ ?3@@@@@@@@5?e@@@@@? 3@@@@@@@@H I4@@@@@@@@@@@@@@@6K? J@@@@1?W&@@@1?hf@@@LeJ@@@(Yhf@@@L 3@@@ N@@@@@ N@1? N@@@@@@?g?3@1g?N@@@?e?O2@@@@@0MhfO2@@@@@@@@@@@@@@@@@@@@@@@@@@@@@@@@@@@@@@@@1? ?@@@@@@@L? O2@@@@@@@@@@@@@@@0M? V'@@@@@@@@@@@@@@heV'@@@@@@@@@@@@@@@@@@
@@ ?@@1 3@@L /X ?7@@@@@5he?75? 7@he7@H? @@@@@@ ?@@@@1 I'@@@@@@@@@@@@@@@@@@@@ ?@@@@@@? ?@@@@?g?@@@@@@?h@@@@@@@? ?V'@@@@@@@@@@@@@@@@@@@@@@@@@@@@@@@@@@@@@@@@@@@@@@@@@@@@@@@@@@@@@@@@@@@@@@@@@@@5? ?@@@@@ ?N@@@@@@@@e?J@@@@5? V'@@@@@@@? I'@@@@@@@@@@@@@@@6X? ?W&@@@@@W&@@@@5?hf@@@)KO&@@0Y?hf3@@1 N@@@ ?@@@@@ ?@@? ?@@@@@@Lg?N@@h@@@??W2@@@@@0MheO2@@@@@@@@@@@@@@@@@@@@@@@@@@@@@@@@@@@@@@@@@@@@@? ?3@@@@@@1? O2@@@@@@@@@@@@@@@0M? ?N@@@@@@@@@@@@@@he?V'@@@@@@@@@@@@@@@@@
3@L? ?3@@L? N@@1 N1 ?@@@@@@HheJ@H? @5he@@ ?J@@@@@5 ?@@@@@ ?N@@@@@@@@@@@@@@@@@@@@ ?@@@@@@? ?@@@@?g?@@@@@@?h@@@@@@@? V'@@@@@@@@@@@@@@@@@@@@@@@@@@@@@@@@@@@@@@@@@@@@@@@@@@@@@@@@@@@@@@@@@@@@@@@@@@H? ?@@@@@ 3@@@@@@@)KO&@@@@H? ?V4@@(M? ?V4@@@@@@@@@@@@@@@)K W&@@@@@@@@@@@(Y?hf3@@@@@@(M? N@@@ ?@@@ ?@@@@@L? ?@@? ?@@@@@@1h@@h@@@?O&@@@@0MhO2@@@@@@@@@@@@@@@@@@@@@@@@@@@@@@@@@@@@@@@@@@@@@@@@@@6X ?V'@@@@@@? ?O2@@@@@@@@@@@@@@@0M 3@@@@@@@@@@@@@hfN@@@@@@@@@@@@@@@@@
V'1? ?N@@1? ?@@@ ?@L? J@@@@@5?he75 ?J@Hh?J@5 ?7@@@@@H ?3@@@@ @@@@@@@@@@@@@@@@@@@@ J@@@@@5? ?@@@@?g?@@@@@@?h@@@@@@@? ?V'@@@@@@@@@@@@@@@@@@@@@@@@@@@@@@@@@@@@@@@@@@@@@@@@@@@@@@@@@@@@@@@@@@@@@@@@5 ?@@@@5 V4@@@@@@@@@@@@@5 ?I(Y I4@@@@@@@@@@@@@@@6K? O26?&@@@@@@@@@@@0Y N@@@@@(Y ?@@@ ?@@@ ?@@@@@1? ?@@? ?@@@@@@@h@@h@@@@@@@@0MhO2@@@@@@@@@@@@@@@@@@@@@@@@@@@@@@@@@@@@@@@@@@@@@@@@@@@@@)K? N@@@@@@L ?O2@@@@@@@@@@@@@@0M? V4@@@@@@@@@@@@hf?@@@@@@@@@@@@@@@@@
?N@? 3@@? ?3@@L? ?31? 7@@@@@H?he@H ?7@?h?7@H ?@@@@@@? ?N@@@@ @@@@@@@@@@@@@@@@W@@@L? 7@@@@@H? ?@@@@?g?@@@@@5?h@@@@@@@? N@@@@@@@@@@@@@@@@@@@@@@@@@@@@@@@@@@@@@@@@@@@@@@@@@@@@@@@@@@@@@@@@@@@@@@@@H ?@@@@H ?I'@@@@@@@@@0Y ?I4@@@@@@@@@@@@@@@@@@6?26KO@K? O2@@@@@@@@@@@@@@@@@@(M ?@@@@(Y? ?@@@ ?@@@ ?@@@@@@? ?@@? ?@@@@@@@ @@@@@@(Mg?O2@@@@@@@@@@@0Mhe?I40M?I4@@@@@@@@@@@@@@@@@@@@@@@@@@@@ ?@@@@@@1 O2@@@@@@@@@@@@@@@0M? ?I4@@@@@@@@@ I'@@@@@@@@@@@@@@
@L N@@L ?N@@1? ?N@? @@@@@5he?J@? ?@5?h?@@? J@@@@@5? @@@@L? @@@@@@@@@@@@@@@@@Y@@1? @@@@@@ ?@@@@?g?@@@@@H?h@@@@@@@? ?3@@@@@@@@@@@@@@@@@@@@@@@@@@@@@@@@@@@@@@@@@@@@@@@@@@@@@@@@@@@@@@@@@@@@@@@? ?@@@@? V4@@@@@@0M I4@@@@@@@@@@@@@@@@@@@@@@@@@@@@@@@@@@@@@@@@@@@@@@@@@@@@@@@@@@@(Y? ?@@@(Y ?@@@ ?@@@L? ?@@@@@@? ?@@L ?3@@@@@@ ?J@@@@@0Y?f?O2@@@@@@@@@0M I4@@@@@@@@@@@@@@@@@@@@@@@@ ?3@@@@@@ ?O2@@@@@@@@@@@@@@0M? ?I'@@@@@@5 ?V4@@@@@@@@@@@@5
31 ?@@1 @@@? @L ?J@@@@@Hhe?75? J@H?hJ@5? 7@@@@@H? @@@@1? @@@@@@@@@@@@@@@@@@@@@? @@@@@@ J@@@@?g?@@@@@he@@@@@@@? ?O2@@@@@@@@@@@@@@@@@@6K? ?N@@@@@@@@@@@@@@@@@@@@@@@@@@@@@@@@@@@@@@@@@@@@@@@@@@@@@@@@@@@@@@@@@@@@@@@? ?@@@@? ?I@M ?W2@ I4@@@@@@@@@@@@@@@@@@@@@@@@@@@@@@@@@@@@@@@@@@@@@@@@@@@@@@@@@H ?@@@ ?@@@ ?3@@1? ?3@@@@@? ?3@1 ?N@@@@@@ W&@@@(M?f?O2@@@@@@@0M ?I4@@@@@@@@@@@@@@@@@@@@6X? ?N@@@@@@ O2@@@@@@@@@@@@@@@0M? V4@@@@0Y ?I4@@@@@@@0Y
N@L? ?3@@ 3@@L 31 ?7@@@@@?heJ@H? 7@he7@H? @@@@@@ 3@@@@? ?J@@@@@@@@@@@@@@@@@@@@@? @@@@@@ 7@@@@?gJ@@@@@h?J@@@@@@@? O2@@@@@@@@@@@@@@@@@@@@@@@@@6K? 3@@@@@@@@@@@@@@@@@@@@@@@@@@@@@@@@@@@@@@@@@@@@@@@@@@@@@@@@@@@@@@@@@@@@@5? ?@@@@? W&@5 I4@@@@@@@@@@@@@@@@@@@@@@@@@@@@@@@@@@@@@@@@@@@0M?e@@@@@? ?@@@1?fW2@@@?h?@@@L? ?N@@@? ?N@@@@@? ?N@@ @@@@@@ ?W&@@@(Yf?O2@@@@@@@0M I4@@@@@@@@@@@@@@@@@@)X @@@@@@L? ?O2@@@@@@@@@@@@@@@@0M?
?@1? ?N@@ N@@1 N@ J@@@@@@?he7@ @5he@5 @@@@@5 N@@@@? ?7@@@@@@@@@@@@@@@@@@@@@? @@@@@@ @@@@5?g7@@@@@h?7@@@@@@@? ?O2@@@@@@@@@@@@@@@@@@@@@@@@@@@@@@@@6K? V'@@@@@@@@@@@@@@@@@@@@@@@@@@@@@@@@@@@@@@@@@@@@@@@@@@@@@@@@@@@@@@@@@@@@H? ?@@@@? ?W&@@H I4@@@@@@@@@@@@@@@@@@@@@@@@@@@@@@@@0Mg@@@@@? ?@@@@?e?O&@@@@?h?3@@1? @@@? @@@@@L @@ @@@@@@L?hfW&@@@(Y?e?W2@@@@@@0M? ?I4@@@@@@@@@@@@@@@@)X? 3@@@@@1? O2@@@@@@@@@@@@@@@0M?
?3@? @@L? ?@@@ ?@L? 7@@@@@5?he@5 ?J@Hhe@H ?J@@@@@H ?@@@@? ?@@@@@@@@@@@@@@@@@@@@@@? @@@@@5 @@@@H?g@@@@@@h?@@@@@@@5? O2@@@@@@@@@@@@@@@@@@0M?I4@@@@@@@@@@@@@@@6K ?N@@@@@@@@@@@@@@@@@@@@@@@@@@@@@@@@@@@@@@@@@@@@@@@@@@@@@@@@@@@@@@@@@@@5 J@@@@? O&@@5? I@?4@@@@@@@@@@@@@@@0?4@@0Mhe@@@@@? ?@@@@?e@@@@@@5?h?N@@@? @@@? @@@@@1 @@ @@@@@@1?he?W&@@@(YfO&@@@@@0M? ?I4@@@@@@@@@@@@@@@)K N@@@@@@? O2@@@@@@@@@@@@@@@@@(M?
?N@L @@1? ?@@@ ?31? @@@@@@H?h?J@H ?75?h?J@? ?7@@@@@? ?@@@@L J@@@@@@@@@@@@@@@@@@@@@@? ?J@@@@@H @@@@h@@@@@@h?@@@@@@@H?hf?O2@@@@@@@@@@0M? W@@@@@@@@@@@@@@6X? 3@@@@@@@@@@@@@@@@@@@@@@@@@@@@@@@@@@@@@@@@@@@@@@@@@@@@@@@@@@@@@@@@@@H 7@@@@? @@@@@(Y? 3@@@@? ?@@@@??J@@@@@0Y?he@@@? @@@? @@@@@@ @@ @@@@@@@?he?7@@@(Y?eW2@@@@@0M? ?I4@@@@@@@@@@@@@@@@?hf?@@@@@@L O2@@@@@@@@@@@@@@@@@@0Y
@1 3@@? ?3@@L? ?N@? @@@@@5he?75? ?@H?h?75? ?@@@@@@? ?@@@@1 7@@@@@@@@@@@@@@@@@@@@@@L ?7@@@@@? @@@@h@@@@@@h?@@@@@@@hf?O2@@@@@@@@@0M ?W&@@@@@@@@@@@@@@@)K N@@@@@@@@@@@@@@@@@@@@@@@@@@@@@@@@@@@@@@@@@@@@@@@@@@@@@@@@@@@@@@@@@@? @@@@@? ?J@@@@(Y N@@@@? J@@@@?O&@@@0M?hf@@@? 3@@L @@@@@@ @@ 3@@@@@@?heJ@@@(Ye?W&@@@@(M? ?I4@@@@@@@@@@@@@@Lhf?@@@@@@1 O2@@@@@@@@@@@@@@@@@@0M
3@ N@@L ?N@@1? @L ?J@@@@@Hhe?@H? J@he?@H? J@@@@@5? ?3@@@@ @@@@@@@@@@@@@@@@@@@@@@@1 ?@@@@@@? ?J@@@@h@@@@@5h?@@@@@@@he?W2@@@@@@@@0M? W&@@@@@@@@@@@@@@@@@@6X ?3@@@@@@@@@@@@@@@@@@@@@@@@@@@@@@@@@@@@@@@@@@@@@@@@@@@@@@@@@@@@@@@@@? @@@@@? W&@@@@H? ?@@@@L @@@@@@@@@(M? @@@L N@@1 @@@@@@ 3@L? N@@@@@@?h?W&@@@H?eO&@@@@0Y ?I'@@@@@@@@@@@@)X?he?@@@@@@@ ?O2@@@@@@@@@@@@@@@@@0M
V' ?3@1 @@@? 31 ?7@@@@@?heJ@ 7@heJ@ 7@@@@@H? ?N@@@@ @@@@@@@@@@@@@@@@@@@@@@@@ ?@@@@@@? ?7@@@@h@@@@@Hh?@@@@@@@heO&@@@@@@(M ?W&@@@@@@@@@@@@@@@@@@@@)K? ?V'@@@@@@@@@@@@@@@@@@@@@@@@@@@@@@@@@@@@@@@@@@@@@@@@@@@@@@@@@@@@@@@5? @@@@@? 7@@@@5 ?@@@@1 N@@@@@@@(Y 3@@1 ?@@@ 3@@@@@ N@1? ?@@@@@@LhW&@@@5e?@@@@@(M V4@@@@@@@@@@@@)Xhe?3@@@@@@L? O2@@@@@@@@@@@@@@@@(M
?N@@L? 3@@L N@ ?@@@@@5?he7@ @5he75 @@@@@5 @@@@ @@@@@@@@@@@@@@@@@@@@@@@@ ?@@@@@@? ?@@@@@g?J@@@@@?hJ@@@@@@@hW2@@@@@@@0Y? W&@@@@@@@@@@@@@@@@@@@@@@@6K? V'@@@@@@@@@@@@@@@@@@@@@@@@@@@@@@@@@@@@@@@@@@@@@@@@@@@@@@@@@@@@@@H? @@@@@? ?J@@@@(Y ?@@@@@ ?@@@@@@@H? N@@@ ?@@@ N@@@@@L? ?@@? ?@@@@@@1h7@@@@HeJ@@@@(Y? I'@@@@@@@@@@@1he?N@@@@@@1? ?O2@@@@@@@@@@@@@@@@@@0Y?
@? @@1? N@@1 ?@L? J@@@@@H?he@5 ?J@Hhe@H @@@@@H @@@@ ?J@@@@@@@@@@@@@@@@@@@@@@@@ J@@@@@5? ?@@@@@g?7@@@@@?h7@@@@@@@g?W&@@@@@0M O26?&@@@@@@@@@@@@@@@@@@@@@@@@@@6X? ?V'@@@@@@@@@@@@@@@@@@@@@@@@@@@@@@@@@@@@@@@@@@@@@@@@@@@@@@@@@@@@@ @@@@5? W&@@@(Y? ?@@@@@ ?3@@@@@@ ?@@@ ?@@@ ?@@@@@1? ?@@? ?@@@@@@@g?J@@@@@??O&@@@(Y ?V'@@@@@@@@@@@L?he@@@@@@@L ?O2@@@@@@@@@@@@@@@@0M?
@? 3@@? ?@@@ ?@1? 7@@@@@he?J@H ?7@?h?J@? ?J@@@@@? @@@@L? ?7@@@@@@@@@@@@@@@@@@@@@@@@ 7@@@@@H? ?@@@@@g?@@@@@@?h@@@@@@@@gW&@@@@(M ?O2@@@@@@@@@@@@@@@@@@@@@@@@@@@@@@@@@@@@@@@)X V4@@@@@@@@@@@@@@@@@@@@@@@@@@@@@@@@@@@@@@@@@@@@@@@@@@@@@@@@@@@5 @@@@H? ?W&@@@(Y ?@@@@@ ?N@@@@@@ ?@@@ ?3@@ ?@@@@@@? ?@@? ?@@@@@@@g?7@@@??W2@@@@(Y? V'@@@@@@@@@@)Xhe@@@@@@@1 O2@@@@@@@@@@@@@@@@@0M?
@L N@@L ?3@@L? ?3@? ?J@@@@@5he?7@? ?@5?hW&@? ?7@@@@@? @@@@1? ?@@@@@@@@@@@@(Y@@@@@@@@@@@L? @@@@@@ ?@@@@5g?@@@@@@?h@@@@@@@@f?W&@@@@0Y?hO2@@@@@@@@@@@@@@@@@@@@@@@@@@@@@@@@@@@@@@@@@@@@@@@)K? I4@@@@@@@@@@@@@@@@@@@@@@@@@@@@@@@@@@@@@@@@@@@@@@@@@@@@@@@@(Y @@@@ ?7@@@(Y? ?@@@@@ @@@@@5 ?@@@ ?N@@ ?3@@@@@? ?3@L ?3@@@@@@gJ@@@5?W&@@@@0Y ?N@@@@@@@@@@@1he@@@@@@@@ ?O2@@@@@@@@@@@@@@@@0M?
31 ?@@1 ?N@@1? ?N@L ?7@@@@@HheJ@5? J@H?h7@5? ?@@@@@5? @@@@@? J@@@@@@@@@@@@H?@@@@@@@e@@1? @@@@@@ ?@@@@Hg?@@@@@@?h@@@@@@@5fW&@@@(M?g?O2@@@@@@@@@@@@@@0MI4@@@@@@@@@@@@@@@@@@@@@@@@@@@@@@@@@@@ ?I4@@@@@@@@@@@@@@@@@@@@@@@@@@@@@@@@@@@@@@@@@@@@@@@@@@@@0Y? @@@@ J@@@@H ?3@@@@ @@@@@H ?@@@ @@L? ?N@@@@@L ?N@1 ?N@@@@@@f?W&@@@HW&@@@(M O2@@@@@@@@@@@@@6K? 3@@@@@@@@@@@L?h@@@@@@@@ O2@@@@@@@@@@@@@@@@0M
N@L? ?3@@ @@@? @1 ?@@@@@@?he7@H? 7@he@@H? ?@@@@@H? 3@@@@? 7@@@@@@@@@@@5??@@@@@@@e@@@? ?J@@@@@@ ?@@@@?g?@@@@@@?h@@@@@@@He?W&@@@(Yg?O2@@@@@@@0M I4@@@@@@@@@@@@@@@@@@@@@@@@@@ I4@@@0M?fI4@@@@0?4@@@@@@@@@@@@@@@@@@@@@@@@@@@@0M? @@@@ ?W&@@@5? ?N@@@@L? @@@@@? ?@@@L? @@1? @@@@@1 @@ @@@@@@L?eW&@@@@T&@@@(Y? O2@@@@@@@@@@@@@@@@@@@@6K N@@@@@@@@@@@1?h3@@@@@@@ O2@@@@@@@@@@@@@@0M
?31? ?N@@L? 3@@L 3@ J@@@@@5?he@5 ?J@5he@5 ?@@@@@ N@@@@? @@@@@@@@@@@(Y??3@@@@@@e@@@? ?7@@@@@@ ?@@@@?g?@@@@@5?h@@@@@@@?eW&@@@(Y?fO2@@@@@0M? ?I4@@@@@@@@@@@@@@@@@@@@@@6X? ?I40M? @@@@ ?7@@@(Y? @@@@1? @@@@@?gO)X?h?3@@1? @@@? @@@@@@ @@ @@@@@@1?e7@@@@V@@@@@H O2@@@@@@@@@@@@@@@@@@@@@@@@@@6K ?3@@@@@@@@@@@LhN@@@@@@@ ?O2@@@@@@@@@@@@@@0M?
?N@? @@1? N@@1 V'L? 7@@@@@H?h?J@H ?7@Hh?J@H J@@@@5 ?@@@@? @@@@@@@@@@(Ye?N@@@@@@e@@@? ?@@@@@@5 ?@@@@?g?@@@@@H?h@@@@@@@?e7@@@(YfO2@@@@(M I4@@@@@@@@@@@@@@@@@@@@)X @@@@ J@@@@H @@@@@? @@@@@?fW2@@1?h?N@@@? @@@? @@@@@@ @@ @@@@@@@?e@@@@@@@@@@5? ?O2@@@@@@@@@@@@@@@@@@@@@@@@@@@@@@@@@6X ?V4@@@@@@@@@@1h?@@@@@@@L? ?O2@@@@@@@@@@@@@0M W&
3L 3@@? ?3@@ ?N1? @@@@@5he?7@? ?@@?h?7@? 7@@@@H ?@@@@? ?J@@@@@@@@@@H?f@@@@@@@@@@@? ?@@@@@@H J@@@@?g?@@@@@he@@@@@@@??J@@@(Y?eW2@@@@@0Y? I4@@@@@@@@@@@@@@@@@@@)X? ?J@@@@ ?W&@@@@? @@@@@? 3@@@@?e?W&@@@@?he@@@? @@@L @@@@@@ @@L? @@@@@@@??J@@@@@@@@@(Y? ?W2@@@@@@@@@@@@@@@@@@@@@@@@@@@@@@@@@@@@@@)X? ?I'@@@@@@@@@L?g?@@@@@@@1? ?O2@@@@@@@@@@@@@@@0M &@
N1 N@@? ?N@@L? @? ?J@@@@@Hhe?@5? J@5?hJ@5? ?J@@@@@? ?3@@@L ?7@@@@@@@@@@g@@@@@@@@@@@L ?@@@@@@? @@@@@?g?@@@@@he@@@@@@@?W&@@(Ye?O&@@@@0M? ?I4@@@@@@@@@@@@@@@@@)X ?7@@@@ ?7@@@@5? @@@@@? N@@@@LeW&@@@@5?he@@@L 3@@1 @@@@@@L? 3@1? @@@@@@@L?7@@@@@@@@@H ?7@@@@@@@@@@@@@@@@@@@@@@@@@@@@@@@@@@@@@@@@)K N@@@@@@@@@)Xg?3@@@@@@@L ?O2@@@@@@@@@@@@@0M
?@ ?@@L @@1? @L ?7@@@@@?heJ@H? 7@H?h7@H? ?7@@@@@? ?N@@@1 ?@@@@@@@@@@@g3@@@@@@@@@@1 ?@@@@@@? ?@@@5?gJ@@@@@he@@@@@@@W&@@(Y??W2@@@@0M? ?I'@@@@@@@@@@@@@@@@)X? ?@@@@@ J@@@@@H? @@@@@? ?@@@@)KO&@@@@0Y?he@@@1 N@@@ 3@@@@@1? N@@? 3@@@@@@)X@@@@@@@@@5? ?@@@@@@@@@@@@@@@@@@@@@@@@@@@@@@@@@@@@@@@@@@@6X ?3@@@@@@@@@1g?N@@@@@@@1 W2@@@@@@@@@@@@@@@@(M
?@L? ?3@1 3@@? 31 ?@@@@@5?he75 @@he@@ ?@@@@@5? @@@@ ?@@@@@@@@@@5gN@@@@@@@@@@@ ?@@@@@@? 7@@@H?g7@@@@@he@@@@@@@@@@@HeO&@@@(M? O@K? V4@@@@@@@@@@@@@@@@)X ?@@@@@ 7@@@@5 @@@@@L ?@@@@@@@@@@0M?hf@@@@ ?@@@ N@@@@@@? ?@@? N@@@@@@@@@@@@@@@@(Y? J@@@@@@@@@@@@@@@@@@@@@@@@@@@@@@@@@@@@@@@@@@@@)X? ?V'@@@@@@@@@h@@@@@@@@ ?O&@@@@@@@@@@@@@@@@(Y?
?31? ?N@@ N@@? N@ J@@@@@H?he@H @5h?J@5 J@@@@@H? @@@@ ?@@@@@@@@@@Hg?@@@@@@@@@@@ ?@@@@@@? @@@@h@@@@@@h?J@@@@@@@@@@@?O2@@@@0Y ?O2@@@@@@@@@@6K? I'@@@@@@@@@@@@@@@)X? ?@@@@@ ?J@@@@@H 3@@@@1 ?@@@@@@@@(M? @@@@ ?@@@ ?@@@@@@? ?@@? ?@@@@@@@@@@@@@@@@H ?O&@@@@@@@@@@@@@@@@@@@@@@@@@@@@@@@@@@@@@@@@@@@@@)K V'@@@@@@@@L?g@@@@@@@@L? ?O2@@@@@@@@@@@@@@@@@@@0Y
?N@? @@L? ?@@L ?@ ?W&@@@@@he?J5? ?J@Hh?7@H 7@@@@5 @@@@ J@@@@@@@@@@?g?@@@@@@@@@@@ J@@@@@@? @@@@h@@@@@5h?7@@@@@@@@@@@@@@@@(M ?O2@@@@@@@@@@@@@@@@@@@6Xhf?V4@@@@@@@@@@@@@@@)X J@@@@@ W&@@@@@? N@@@@@ ?@@@@@@@(Y @@@@ ?@@@ ?@@@@@@? ?@@? ?@@@@@@@@@@@@@@@5? ?W2@@@@@@@@@@@@@@@@@@@@@@@@@@@@@@@@@@@@@@@@@@@@@@@@@6X ?N@@@@@@@@1?g@@@@@@@@@? O2@@@@@@@@@@@@@@@@0M
@? 3@1? ?@@1 ?@L? ?7@@@@@5he?7H? ?75?h?@5? @@@@@H @@@@L? 7@@@@@@@@@@?g?3@@@@@@@@@@ 7@@@@@@? ?J@@@@h@@@@@Hh?@@@@@@@@@@@@@@@@(Y? O2@@@@@@@@@@@@@@@@@@@@@@@)K?hf?I4@@@@@@@@@@@@@@1 ?O&@@@@@@@@@6K 7@@@@? ?@@@@@ ?3@@@@@(Y? 3@@@ ?@@@ ?@@@@@@? ?3@? ?3@@@@@@@@@@@@@@H? W&@@@@@@@@@@@@@@@@@@@@@@@@@@@@@@@@@@@@@@@@@@@@@@@@@@@)X? 3@@@@@@@@?g3@@@@@@@H? O2@@@@@@@@@@@@@@@(M?
3L N@@L ?3@@L? ?31? ?@@@@@@Hhe?@ ?@H?hJ@H? @@@@@? 3@@@1? @@@@@@@@@@@?g?N@@@@@@@@@@L? @@@@@@@? ?7@@@@h@@@@@?h?@@@@@@@@@@@@@@@(Y ?O2@@@@@@@@@@@@@@@@@@@@@@@@@@@@@6Khf?I'@@@@@@@@@@@@@L? O2@@@@@@@@@@@@@@@@@@@@@@@@@@@@@@@@@@@@@@@@@@@@@@@@@@@@@@@@@@@@@@@@@@@@@@@@@@@@@@@@@@@@@@@@@@@@@@@@6?2@6K?O26K?O@?@?@?2@@@@@@@@@@@6KO2@6?@?2@@@6K?O@KeO2@6?2@@@@@@@@@@@@@6K? ?O@?@KhO@K? ?J@@@@@? ?@@@@@ ?N@@@@@H N@@@ ?@@@L? ?3@@@@@? ?N@? ?N@@@@@@@@@@@@@5 ?W&@@@@@@@@@@@@@@@@@@@@@@@@@@@@@@@@@@@@@@@@@@@@@@@@@@@@@)X N@@@@@@@@?gN@@@@@@@ ?O2@@@@@@@@@@@@@@@@@0Y
N1 ?@@1 ?N@@1? ?N@? ?@@@@@@?he?@ J@he7@ ?J@@@@@? N@@@@? @@@@@@@@@@@?h@@@@@@@@@@1? @@@@@@@? ?@@@@@h@@@@@?h?@@@@@@@@@@@@@@(Y?hf?O2@@@@@@@@@@@@@@@@@@@@@@@@@@@@@@@@@6KhfV'@@@@@@@@@@@@1? ?O2@@@@@@@@@@@@@@@@@@@@@@@@@@@@@@@@@@@@@@@@@@@@@@@@@@@@@@@@@@@@@@@@@@@@@@@@@@@@@@@@@@@@@@@@@@@@@@@@@@@@@@@@@@@@@@@@@@@@@@@@@@@@@@@@@@@@@@@@@@@@@@@@@@@@@@@@@@@@@@@@@@@@@@@@@@@@@@@@@@@@@@@@@@@@@@@@@@@@@@@@@@@@@@@@@@@@@@@@@@@@@@@@@@@@@@@@@@@@@@@@@@@@@@@@@@@@@6?2@@@@@@@@@@6?@?2@@@@@@@@@@@@@@@@@@@@@@@@@@@@@@@@@@@@@@@@@@@@@@@@@@@@@@@@@@@@@6?2@@@@@@@@@@@@@@@@@@@@@@@@@@@@@@@6X? ?7@@@@5? ?@@@@@ @@@@@? ?@@@L? ?3@@1? ?N@@@@@? @? @@@@@@@@@@@@(Y ?7@@@@@@@@@@@@@@@@@@@@@@@@@@@@@@@@@@@@@@@@@@@@@@@@@@@@@@@1 ?@@@@@@@@?g?@@@@@@@ O2@@@@@@@@@@@@@@@@@@0M
?@ ?3@@ 3@@? @? J@@@@@5? 7@he@5 ?7@@@@@? ?@@@@? ?J@@@@@@@@@@@?h@@@@@@@@@@@? @@@@@@@? ?@@@@@h@@@@@?h?@@@@@@@@@@@@@(Yhf?W2@@@@@@@@@@@@@@@@@@@@@@@@@@@@@@@@@@@@@6Xhe?V'@@@@@@@@@@@@L ?W2@@@@@@@@@@@@@@@@@@@@@@@@@@@@@@@@@@@@@@@@@@@@@@@@@@@@@@@@@@@@@@@@@@@@@@@@@@@@@@@@@@@@@@@@@@@@@@@@@@@@@@@@@@@@@@@@@@@@@@@@@@@@@@@@@@@@@@@@@@@@@@@@@@@@@@@@@@@@@@@@@@@@@@@@@@@@@@@@@@@@@@@@@@@@@@@@@@@@@@@@@@@@@@@@@@@@@@@@@@@@@@@@@@@@@@@@@@@@@@@@@@@@@@@@@@@@@@@@@@@@@@@@@@@@@@@@@@@@@@@@@@@@@@@@@@@@@@@@@@@@@@@@@@@@@@@@@@@@@@@@@@@@@@@@@@@@@@@@@@@@@@@@@@@@@@@@@@@@@@@@@@@@@@@@@)X J@@@@@H? ?@@@@@L? @@@@@? ?@@@1? ?N@@@? @@@@@L @? @@@@@@@@@@@@H? J@@@@@@@@@@@@@@@@@@@@@@@@@@@@@@@@@@@@@@@@@@@@@@@@@@@@@@@@@L? ?3@@@@@@@Lg?@@@@@@@ ?O2@@@@@@@@@@@@@@@@@@0M?
?N@@L? N@@L 7@@@@@H? @5h?J@H ?@@@@@5? ?@@@@L ?7@@@@@@@@@@5?h@@@@@@@@@@@? @@@@@@@? ?@@@@@h@@@@@?h?@@@@@@@@@@@@(Y?hfW&@@@@@@@@@@@@@@@@@@@@@@@@@@@@@@@@@@@@@@@)K?heV'@@@@@@@@@@@1 O&@@@@@@@@@@@@@@@@@@@@@@@@@@@@@@@@@@@@@@@@@@@@@@@@@@@@@@@@@@@@@@@@@@@@@@@@@@@@@@@@@@@@@@@@@@@@@@@@@@@@@@@@@@@@@@@@@@@@@@@@@@@@@@@@@@@@@@@@@@@@@@@@@@@@@@@@@@@@@@@@@@@@@@@@@@@@@@@@@@@@@@@@@@@@@@@@@@@@@@@@@@@@@@@@@@@@@@@@@@@@@@@@@@@@@@@@@@@@@@@@@@@@@@@@@@@@@@@@@@@@@@@@@@@@@@@@@@@@@@@@@@@@@@@@@@@@@@@@@@@@@@@@@@@@@@@@@@@@@@@@@@@@@@@@@@@@@@@@@@@@@@@@@@@@@@@@@@@@@@@@@@@@@@@@@@@)X? 7@@@@5 ?@@@@@1? @@@@@? ?@@@@? @@@? @@@@@1 @@@@@@@@@@@@ 7@@@@@@@@@@@@@@@@@@@@@@@@@@@@@@@@@@@@@@@@@@@@@@@@@@@@@@@@@)X ?N@@@@@@@1g?@@@@@@@ O2@@@@@@@@@@@@@@@@@0M?
@? 3@1? ?@@1 @@@@@5 ?J@Hh?7@? J@@@@@H? ?3@@@1 ?@@@@@@@@@@@H?h@@@@@@@@@@@? ?J@@@@@@@? ?@@@@@g?J@@@@@?hJ@@@@@@@@@@@(Yhf?W&@@@@@@@@@@@@@@@@@@@@@@@@@@@@@@@@@@@@@@@@@@6X?h?V'@@@@@@@@@@@L? W2@@@@@@@@@@@@@@@@@@@@@@@@@@@@@@@@@@@@@@@@@@@@@@@@@@@@@@@@@@@@@@@@@@@@@@@@@@@@@@@@@@@@@@@@@@@@@@@@@@@@@@@@@@@@@@@@@@@@@@@@@@@@@@@@@@@@@@@@@@@@@@@@@@@@@@@@@@@@@@@@@@@@@@@@@@@@@@@@@@@@@@@@@@@@@@@@@@@@@@@@@@@@@@@@@@@@@@@@@@@@@@@@@@@@@@@@@@@@@@@@@@@@@@@@@@@@@@@@@@@@@@@@@@@@@@@@@@@@@@@@@@@@@@@@@@@@@@@@@@@@@@@@@@@@@@@@@@@@@@@@@@@@@@@@@@@@@@@@@@@@@@@@@@@@@@@@@@@@@@@@@@@@@@@@@@@@@@)K ?J@@@@@H ?3@@@@@? 3@@@@? ?@@@@? @@@? @@@@@@ @@@@@@@@@@@5 ?J@@@@@@@@@@@@@@@@@@@@@@@@@@@@@@@@@@@@@@@@@@@@@@@@@@@@@@@@@@@1 3@@@@@@@g?@@@@@@@ ?O2@@@@@@@@@@@@@@@@@@0M? @?
@L N@@? ?@@@ ?J@@@@@H ?7@?h?@5? 7@@@@@ ?N@@@@ ?@@@@@@@@@@5he3@@@@@@@@@@? ?7@@@@@@@? ?@@@@5g?7@@@@@?h7@@@@@@@@@@(Y?hfW&@@@@@@@@@@@@@@@@@@@@@@@@@@@@@@@@@@@@@@@@@@@@)KheN@@@@@@@@@@@1? ?W&@@@@@@@@@@@@@@@@@@@@@@@@@@@@@@@@@@@@@@@@@@@@@@@@@@@@@@@@@@@@@@@@@@@@@@@@@@@@@@@@@@@@@@@@@@@@@@@@@@@@@@@@@@@@@@@@@@@@@@@@@@@@@@@@@@@@@@@@@@@@@@@@@@@@@@@@@@@@@@@@@@@@@@@@@@@@@@@@@@@@@@@@@@@@@@@@@@@@@@@@@@@@@@@@@@@@@@@@@@@@@@@@@@@@@@@@@@@@@@@@@@@@@@@@@@@@@@@@@@@@@@@@@@@@@@@@@@@@@@@@@@@@@@@@@@@@@@@@@@@@@@@@@@@@@@@@@@@@@@@@@@@@@@@@@@@@@@@@@@@@@@@@@@@@@@@@@@@@@@@@@@@@@@@@@@@@@@@@@6X W&@@@@@? ?N@@@@@? N@@@@? ?3@@@? @@@? @@@@@@ @@@@@@@@@@@H ?7@@@@@@@@@@@@@@@@@@@@@@@@@@@@@@@@@@@@@@@@@@@@@@@@@@@@@@@@?@@@L? N@@@@@@@L?f?@@@@@@@he?O2@@@@@@@@@@@@@@@@@@@0M
31 ?@@L ?3@@L? @? ?7@@@@@? ?@5?hJ@H? @@@@@5 @@@@ ?@@@@@@@@@@HheN@@@@@@@@@@L ?@@@@@@@@L ?@@@@Hg?@@@@@@?h@@@@@@@@@@@Hhf?W&@@@@@@@@@@@@@@@@@@@@@@@@@@@@@@@@@@@@@@@@@@@@@@@@?h?3@@@@@@@@@@@L ?7@@@@@@@@@@@@@@@@@@@@@@@@@@@@@@@@@@@@@@@@@@@@@@@@@@@@@@@@@@@@@@@@@@@@@@@@@@@@@@@@@@@@@@@@@@@@@@@@@@@@@@@@@@@@@@@@@@@@@@@@@@@@@@@@@@@@@@@@@@@@@@@@@@@@@@@@@@@@@@@@@@@@@@@@@@@@@@@@@@@@@@@@@@@@@@@@@@@@@@@@@@@@@@@@@@@@@@@@@@@@@@@@@@@@@@@@@@@@@@@@@@@@@@@@@@@@@@@@@@@@@@@@@@@@@@@@@@@@@@@@@@@@@@@@@@@@@@@@@@@@@@@@@@@@@@@@@@@@@@@@@@@@@@@@@@@@@@@@@@@@@@@@@@@@@@@@@@@@@@@@@@@@@@@@@@@@@@@@@@@)X? 7@@@@? @@@@@? ?@@@@L ?N@@@L 3@@L @@@@@@L? 3@@@@@@@@@@? J@@@@@@@@@@@@@@@@@@@@@@@@@@@@@@@@@@@@@@@@@@@@@@@@@@@@@@@@@@@@@1? ?@@@@@@@1?f?@@@@@@@h?W2@@@@@@@@@@@@@@@@@0M
N@ ?@@1 ?N@@1? @? J@@@@@5? ?@H?h7@ ?J@@@@@H @@@@ ?@@@@@@@@@@?he?@@@@@@@@@@1 ?@@@@@@@@1 ?@@@@?g?@@@@@@?h@@@@@@@@@@5?hfW&@@@@@@@@@@@@@@@@@@@@@@@V'@@@@@@@@@@@@@@@@@@@@@@@@?h?N@@@@@@@@@@@1 J@@@@@@@@@@@@@@@@@@@@@@@@@@@@@@@@@@@@@@@@@@@@@@@@@@@@@@@@@@@@@@@@@@@@@@@@@@@@@@@@@@@@@@@@@@@@@@@@@@@@@@@@@@@@@@@@@@@@@@@@@@@@@@@@@@@@@@@@@@@@@@@@@@@@@@@@@@@@@@@@@@@@@@@@@@@@@@@@@@@@@@@@@@@@@@@@@@@@@@@@@@@@@@@@@@@@@@@@@@@@@@@@@@@@@@@@@@@@@@@@@@@@@@@@@@@@@@@@@@@@@@@@@@@@@@@@@@@@@@@@@@@@@@@@@@@@@@@@@@@@@@@@@@@@@@@@@@@@@@@@@@@@@@@@@@@@@@@@@@@@@@@@@@@@@@@@@@@@@@@@@@@@@@@@@@@@@@@@@@@@@)X @@@@5? @@@@@? ?3@@@1 @@@)KO2@6X N@@1 @@@@@@1? N@@@@@@@@@@? 7@@@@@@@@@@@@@@@@@@@@@@@@@@@@@@@@@@@@@@@@@@@@@@@@@@@@@@@@@@V'@@L ?3@@@@@@@?f?@@@@@@@L?gO&@@@@@@@@@@@@@@@0M?
?@ ?3@@ 3@@? @? 7@@@@@H? J@he@@ ?7@@@@@? @@@@ J@@@@@@@@@@?he?@@@@@@@@@@@ ?3@@@@@@@@ ?@@@@?g?@@@@@@?h@@@@@@@@@@H?he?W&@@@@@@@@@@@@@@@@@@@@@@@@?N@@@@@@@@@@@@@@@@@@@@@@@@@6Xh3@@@@@@@@@@@L? 7@@@@@@@@@@@@@@@@@@@@@@@@@@@@@@@@@@@@@@@@@@@@@@@@@@@@@@@@@@@@@@@@@@@@@@@@@@@@@@@@@@@@@@@@@@@@@@@@@@@@@@@@@@@@@@@@@@@@@@@@@@@@@@@@@@@@@@@@@@@@@@@@@@@@@@@@@@@@@@@@@@@@@@@@@@@@@@@@@@@@@@@@@@@@@@@@@@@@@@@@@@@@@@@@@@@@@@@@@@@@@@@@@@@@@@@@@@@@@@@@@@@@@@@@@@@@@@@@@@@@@@@@@@@@@@@@@@@@@@@@@@@@@@@@@@@@@@@@@@@@@@@@@@@@@@@@@@@@@@@@@@@@@@@@@@@@@@@@@@@@@@@@@@@@@@@@@@@@@@@@@@@@@@@@@@@@@@V4@@@@@@)X? ?J@@@@H? @@@@@? ?N@@@@ @@@@@@@@@1 ?@@@ @@@@@@@? ?@@@@@@@@@@? ?J@@@@@@@@@@@@@@@@@@@@@@@@@@@@@@@@@@@@@@@@@@@@@@@@@@@@@@@@@@@?N@@1 ?N@@@@@@@?f?@@@@@@@)Xe?O2@@@@@@@@@@@@@@@0M
?N@@L? N@@L @@@@@5 75h?J@5 ?@@@@@@? 3@@@L? 7@@@@@@@@@@?he?@@@@@@@@@@@ ?V'@@@@@@@L? ?@@@@?g?@@@@@5?h@@@@@@@@@5hfW&@@@@@@@@@@@@@@@@@@@@@@@@@??@@@@@@@@@@@@@@@@@@@@@@@@@@)X?gN@@@@@@@@@@@)X @@@@@@@@@@@@@@@@@@@@@@@@@@@@@@@@@@@@@@@@@@@@@@@@@@@@@@@@@@@@@@@@@@@@@@@@@@@@@@@@@@@@@@@@@@@@@@@@@@@@@@@@@@@@@@@@@@@@@@@@@@@@@@@@@@@@@@@@@@@@@@@@@@@@@@@@@@@@@@@@@@@@@@@@@@@@@@@@@@@@@@@@@@@@@@@@@@@@@@@@@@@@@@@@@@@@@@@@@@@@@@@@@@@@@@@@@@@@@@@@@@@@@@@@@@@@@@@@@@@@@@@@@@@@@@@@@@@@@@@@@@@@@@@@@@@@@@@@@@@@@@@@@@@@@@@@@@@@@@@@@@@@@@@@@@@@@@@@@@@@@@@@@@@@@@@@@@@@@@@@@@@@@@@@@@@@@@@??I4@@@@@)X W&@@@@ @@@@@L @@@@ @@@@@@@@@@ ?@@@L? 3@@@@@@? ?@@@@@@@@@5? ?7@@@@@@@@@@@@@@@@@@@@@@@@@@@@@@@@@@@@@@@@@@@@@@@@@@@@@@@@@@@??3@@L? @@@@@@@?f?@@@@@@@@)KO2@@@@@@@@@@@@@@0M?
@@1? ?@@1 ?J@@@@@H @Hh?7@H ?@@@@@5? N@@@1? @@@@@@@@@@5?he?@@@@@@@@@@@ V'@@@@@@1? J@@@@?g?@@@@@H?h@@@@@@@@@Hhe?W&@@@@@@@@@@@@@@@@@@@@@@@@@5??3@@@@@@@@@@@@@@@@@@@@@@@@@@)Xg?3@@@@@@@@@@@1 ?J@@@@@@@@@@@@@@@@@@@@@@@@@@@@@@@@@@@@@@@@@@@@@@@@@@@@@@@@@@@@@@@@@@@@@@@@@@@@@@@@@@@@@@@@@@@@@@@@@@@@@@@@@@@@@@@@@@@@@@@@@@@@@@@@@@@@@@@@@@@@@@@@@@@@@@@@@@@@@@@@@@@@@@@@@@@@@@@@@@@@@@@@@@@@@@@@@@@@@@@@@@@@@@@@@@@@@@@@@@@@@@@@@@@@@@@@@@@@@@@@@@@@@@@@@@@@@@@@@@@@@@@@@@@@@@@@@@@@@@@@@@@@@@@@@@@@@@@@@@@@@@@@@@@@@@@@@@@@@@@@@@@@@@@@@@@@@@@@@@@@@@@@@@@@@@@@@@@@@@@@@@@@@@@@@@@@@@@?e?I'@@@@)X? 7@@@@5 @@@@@1 @@@@ 3@@@@@0M ?@@@1? N@@@@@@? ?3@@@@@@@@H? ?@@@@@@@@@@@@@@@@@@@@@@@@@@@@@@@@@@@@@@@@@@@@@@@@@@@@@@@@@@@@??N@@1? 3@@@@@@?f?@@@@@@@@@@@@@@@@@@@@@@@@0M?
3@@L ?@@@ ?)X? ?7@@@@@? @?h?@5? J@@@@@H? ?@@@@? @@@@@@@@@@H?he?3@@@@@@@@@@ ?N@@@@@@@L 7@@@@?gJ@@@@@he@@@@@@@@5?he?7@@@@@@@@@@@@@@@@@@@@@@@@@@H??N@@@@@@@@@@@@@@@@@@@@@@@@@@@1g?N@@@@@@@@@@@@ ?7@@@@@@@@@@@@@@@@@@@@@@@@@@@@@@@@@@@@@@@@@@@@@@@@@@@@@@@@@@@@@@@@@@@@@@@@@@@@@@@@@@@@@@@@@@@@@@@@@@@@@@@@@@@@@@@@@@@@@@@@@@@@@@@@@@@@@@@@@@@@@@@@@@@@@@@@@@@@@@@@@@@@@@@@@@@@@@@@@@@@@@@@@@@@@@@@@@@@@@@@@@@@@@@@@@@@@@@@@@@@@@@@@@@@@@@@@@@@@@@@@@@@@@@@@@@@@@@@@@@@@@@@@@@@@@@@@@@@@@@@@@@@@@@@@@@@@@@@@@@@@@@@@@@@@@@@@@@@@@@@@@@@@@@@@@@@@@@@@@@@@@@@@@@@@@@@@@@@@@@@@@@@@@@@@@@@@@@?fV'@@@@)X ?J@@@@(Y 3@@@@@ @@@@L? N@@@@? ?@@@@? ?@@@@@@? ?N@@@@@@@@ ?@@@@@@@@@@@@@@@@@@@@@@@@@@@@@@@@@@@@@@@@@@@@@@@@@@@@@@@@@@@@?e@@@? N@@@@@@?f?@@@@@@@@@@@@@@@@@@@@@0M
N@@1 ?3@@L? ?31? ?@@@@@5? J@H? 7@@@@5 ?@@@@? ?J@@@@@@@@@@hf?N@@@@@@@@@@L? @@@@@@@1 @@@@5?g7@@@@@h?J@@@@@@@@H?heJ@@@@@@@@@@@@@@@@@@@@@@@@@@@f@@@@@@@@@@@@@@@@@@@@@@@@@@@@L?g3@@@@@@@@@@@ J@@@@@@@@@@@@@@@@@@@@@@@@@@@@@@@@@@@@@@@@@@@@@@@@@@@@@@@@@@@@@@@@@@@@@@@@@@@@@@@@@@@@@@@@@@@@@@@@@@@@@@@@@@@@@@@@@@@@@@@@@@@@@@@@@@@@@@@@@@@@@@@@@@@@@@@@@@@@@@@@@@@@@@@@@@@@@@@@@@@@@@@@@@@@@@@@@@@@@@@@@@@@@@@@@@@@@@@@@@@@@@@@@@@@@@@@@@@@@@@@@@@@@@@@@@@@@@@@@@@@@@@@@@@@@@@@@@@@@@@@@@@@@@@@@@@@@@@@@@@@@@@@@@@@@@@@@@@@@@@@@@@@@@@@@@@@@@@@@@@@@@@@@@@@@@@@@@@@@@@@@@@@@@@@@@@@@@@@?f?V'@@@@1 ?7@@@@H? N@@@@@ @@@@1? ?@@@@?f?O@?hf?@@@@? ?@@@@@@? @@@@@@@@ ?@@@@@@@@@@@@@@@@@@@@@@@@@@@@@@@@@@@@@@@@@@@@@@@@@@@@@@@@@@@5?e3@@? ?@@@@@@Lf?@@@@@@@@@@@@@@@@@@0M?
?@@@ ?N@@1? ?N@? J@@@@@H? ?@he7@ @@@@@H ?@@@@? ?7@@@@@@@@@@ @@@@@@@@@@1? 3@@@@@@@ @@@@H?g@@@@@@h?7@@@@@@@@hf7@@@@@@@@@@@@@@@@@@@@@@@@@@@f@@@@@@@@@@@@@@@@@@@@@@@@@@@@1?gN@@@@@@@@@@@ 7@@@@@@@@@@@@@@@@@@@@@@@@@@@@@@@@@@@@@@@@@@@@@@@@@@@@@@@@@@@@@@@@@@@@@@@@@@@@@@@@@@@@@@@@@@@@@@@@@@@@@@@@@@@@@@@@@@@@@@@@@@@@@@@@@@@@@@@@@@@@@@@@@@@@@@@@@@@@@@@@@@@@@@@@@@@@@@@@@@@@@@@@@@@@@@@@@@@@@@@@@@@@@@@@@@@@@@@@@@@@@@@@@@@@@@@@@@@@@@@@@@@@@@@@@@@@@@@@@@@@@@@@@@@@@@@@@@@@@@@@@@@@@@@@@@@@@@@@@@@@@@@@@@@@@@@@@@@@@@@@@@@@@@@@@@@@@@@@@@@@@@@@@@@@@@@@@@@@@@@@@@@@@@@@@@@@@@@@?gN@@@@@L? J@@@@@ ?@@@@@ @@@@@? ?@@@@?e?O2@@?hf?@@@@? ?@@@@@@? @@@@@@@@ J@@@@@@@@@@@@@@@@@@@@@@@@@@@@@@@@@@@@@@@@@@@@@@@@@@@@@@@@@@@H?eN@@?g?O@KO26K?@@@@@@)KO2@@@@@@@@@@@@@@@@@0M
?3@@L? 3@@? 3L 7@@@@@ J@h?J@5 @@@@@? ?@@@@L ?@@@@@@@@@@@ @@@@@@@@@@@? N@@@@@@@ @@@@h@@@@@@h?@@@@@@@@5he?J@@@@@@@@@@@@@@@@@@@@@@@@@@@5f@@@@@@@@@@@@@@@@@@@@@@@@@@@@@Lg?3@@@@@@@@@@ ?J@@@@@@@@@@@@@@@@@@@@@@@@@@@@@@@@@@@@@@@@@@@@@@@@@@@@@@@@@@@@@@@@@@@@@@@@@@@@@@@@@@@@@@@@@@@@@@@@@@@@@@@@@@@@@@@@@@@@@@@@@@@@@@@@@@@@@@@@@@@@@@@@@@@@@@@@@@@@@@@@@@@@@@@@@@@@@@@@@@@@@@@@@@@@@@@@@@@@@@@@@@@@@@@@@@@@@@@@@@@@@@@@@@@@@@@@@@@@@@@@@@@@@@@@@@@@@@@@@@@@@@@@@@@@@@@@@@@@@@@@@@@@@@@@@@@@@@@@@@@@@@@@@@@@@@@@@@@@@@@@@@@@@@@@@@@@@@@@@@@@@@@@@@@@@@@@@@@@@@@@@@@@@@@@@@@@@@@@@?g?3@@@@1? 7@@@@5 ?@@@@@ 3@@@@? ?3@@5??W2@@@5?hf?3@@@L ?3@@@@@? @@@@@@@@ 7@@@@@@@@@@@@@@@@@@@@@@@@@@@@@@@@@@@@@@@@@@@@@@@@@@@@@@@@@@@f?@@Le?O2@@@@@@@@@@@@@@@@@@@@@@@@@@@@@@@@@@0M?
?N@@1? N@@L N1 @@@@@5 75h?7@H ?J@@@@5? ?@@@@1 J@@@@@@@@@@5 @@@@@@@@@@@? ?3@@@@@@ @@@@h@@@@@@h?@@@@@@@@Hhe?7@@@@@@@@@@@@@@@@@@@@@@@@@@(Yf@@@@@@@@@@@@@@@0Y@@@@@@@@@@@@1g?V'@@@@@@@@@ ?7@@@@@@@@@@@@@@@@@@@@@@@@@@@@@@@@@@@@@@@@@@@@@@@@@@@@@@@@@@@@@@@@@@@@@@@@@@@@@@@@@@@@@@@@@@@@@@@@@@@@@@@@@@@@@@@@@@@@@@@@@@@@@@@@@@@@@@@@@@@@@@@@@@@@@@@@@@@@@@@@@@@@@@@@@@@@@@@@@@@@@@@@@@@@@@@@@@@@@@@@@@@@@@@@@@@@@@@@@@@@@@@@@@@@@@@@@@@@@@@@@@@@@@@@@@@@@@@@@@@@@@@@@@@@@@@@@@@@@@@@@@@@@@@@@@@@@@@@@@@@@@@@@@@@@@@@@@@@@@@@@@@@@@@@@@@@@@@@@@@@@@@@@@@@@@@@@@@@@@@@@@@@@@@@@@@@@@@@@?g?N@@@@@? ?J@@@@@H ?@@@@@ N@@@@? ?V40Y?W&@@@(Y?hf?N@@@1 ?N@@@@@L @@@@@@@5 @@@@@@@@@@@@@@@@@@@@@@@@@@@@@@@@@@@@@@@@@@@@@@@@@@@@@@@@@@@@f?@@1?W2@@@@@@@@@@@@@@@@@@@@@@@@@@@@@@@@@0M
@? @@@? ?@@1 ?@L? ?J@@@@@H ?J@Hh?@@? ?7@@@@H? ?3@@@@ 7@@@@@@@@@@H 3@@@@@@@@@@? ?V'@@@@@L? @@@@h@@@@@@h?@@@@@@@5?heJ@@@@@@@@@@@@@@@@@@@@@0?4@@0Y?hf?I@MfJ@@@@@@@@@@@@@hN@@@@@@@@@L? ?@@@@@@@@@@@@@@@@@@@@@@@@@@@@@@@@@@@@@@@@@@@@@@@@@@@@@@@@@@@@@@@@@@@@@@@@@@@@@@@@@@@@@@@@@@@@@@@@@@@@@@@@@@@@@@@@@@@@@@@@@@@@@@@@@@@@@@@@@@@@@@@@@@@@@@@@@@@@@@@@@@@@@@@@@@@@@@@@@@@@@@@@@@@@@@@@@@@@@@@@@@@@@@@@@@@@@@@@@@@@@@@@@@@@@@@@@@@@@@@@@@@@@@@@@@@@@@@@@@@@@@@@@@@@@@@@@@@@@@@@@@@@@@@@@@@@@@@@@@@@@@@@@@@@@@@@@@@@@@@@@@@@@@@@@@@@@@@@@@@@@@@@@@@@@@@@@@@@@@@@@@@@@@@@@@@@@@@@@@?h@@@@@? ?7@@@@@? ?@@@@@L? ?@@@@? 7@@@0Y @@@5 @@@@@1 3@@@@@@H ?J@@@@@@@@@@@@@@@@@@@@@@@@@@@@@@@@@@@@@@@@@@@@@@@@@@@@@@@@@@@5f?@@@W&@@@@@@@@@@@@@@@@@@@@@@@@@@@@@@@@@?
3L 3@@L ?@@@ ?31? ?7@@@@@? ?7@?h?@5? ?@@@@@ ?N@@@@ @@@@@@@@@@@? N@@@@@@@@@@L N@@@@@1? @@@@h@@@@@@h?@@@@@@@H?he7@@@@@@@@@@@@@@@@@@@(M 7@@@@@@@@@@@@@L?g?3@@@@@@@@1? ?@@@@@@@@@@@@@@@@@@@@@@@@@@@@@@@@@@@@@@@@@@@@@@@@@@@@@@@@@@@@@@@@@@@@@@@@@@@@@@@@@@@@@@@@@@@@@@@@@@@@@@@@@@@@@@@@@@@@@@@@@@@@@@@@@@@@@@@@@@@@@@@@@@@@@@@@@@@@@@@@@@@@@@@@@@@@@@@@@@@@@@@@@@@@@@@@@@@@@@@@@@@@@@@@@@@@@@@@@@@@@@@@@@@@@@@@@@@@@@@@@@@@@@@@@@@@@@@@@@@@@@@@@@@@@@@@@@@@@@@@@@@@@@@@@@@@@@@@@@@@@@@@@@@@@@@@@@@@@@@@@@@@@@@@@@@@@@@@@@@@@@@@@@@@@@@@@@@@@@@@@@@@@@@@@@@@@@@@@5?h3@@@@? ?@@@@@5? ?@@@@@@? ?@@@@? @0M? @@@? @@@@@@ ?@@@@@@L W&@@@@@@@@@@@@@@@@@@@@@@@@@@@@@@@@@@@@@@@@@@@@@@@@@@@@@@@@@@@Hf?@@@@@@@@@@@@@@@@@@@@@@@@@@@@@@@@@@@@@5?
N1 N@@1 ?3@@L? ?N@? J@@@@@@? ?@@?h?@H? ?@@@@@ @@@@ @@@@@@@@@@@? ?@@@@@@@@@@1 ?@@@@@@? @@@@g?J@@@@@5h?@@@@@@@hf@@@@@@@@@@@@@@@@@@@@ O@KO@X@@@@@@@@@@@@@@1?g?N@@@@@@@@@? ?@@@@@@@@@@@@@@@@@@@@@@@@@@@@@@@@@@@@@@@@@@@@@@@@@@@@@@@@@@@@@@@@@@@@@@@@@@@@@@@@@@@@@@@@@@@@@@@@@@@@@@@@@@@@@@@@@@@@@@@@@@@@@@@@@@@@@@@@@@@@@@@@@@@@@@@@@@@@@@@@@@@@@@@@@@@@@@@@@@@@@@@@@@@@@@@@@@@@@@@@@@@@@@@@@@@@@@@@@@@@@@@@@@@@@@@@@@@@@@@@@@@@@@@@@@@@@@@@@@@@@@@@@@@@@@@@@@@@@@@@@@@@@@@@@@@@@@@@@@@@@@@@@@@@@@@@@@@@@@@@@@@@@@@@@@@@@@@@@@@@@@@@@@@@@@@@@@@@@@@@@@@@@@@@@@@@@@@@@H?hN@@@@L ?@@@@@H? ?@@@@@H? ?@@@@? @@@1 @@@@@@ @@@@@@@1hf?W&@@@@@@@@@@@@@@@@@@@@@@@@@@@@@@@@@@@@@@@@@@@@@@@@@@@@@@@@@@@5?f?@@@@@@@@@@@@@@@@@@@@@@@@@@@@@@@@@@@@@H? W&
?3L? ?@@@ ?N@@1? @? 7@@@@@5? ?@5?hJ@ J@@@@@ 3@@@L? ?J@@@@@@@@@@@? ?@@@@@@@@@@@ ?@@@@@@? ?J@@@5g?7@@@@@Hh?@@@@@@@he?J@@@@@@@@@@@@@@@@@@@@)K O2@@@@@@@@@@@@@@@@@@@@@?h3@@@@@@@@L ?@@@@@@@@@@@@@@@@@@@@@@@@@@@@@@@@@@@@@@@@@@@@@@@@@@@@@@@@@@@@@@@@@@@@@@@@@@@@@@@@@@@@@@@@@@@@@@@@@@@@@@@@@@@@@@@@@@@@@@@@@@@@@@@@@@@@@@@@@@@@@@@@@@@@@@@@@@@@@@@@@@@@@@@@@@@@@@@@@@@@@@@@@@@@@@@@@@@@@@@@@@@@@@@@@@@@@@@@@@@@@@@@@@@@@@@@@@@@@@@@@@@@@@@@@@@@@@@@@@@@@@@@@@@@@@@@@@@@@@@@@@@@@@@@@@@@@@@@@@@@@@@@@@@@@@@@@@@@@@@@@@@@@@@@@@@@@@@@@@@@@@@@@@@@@@@@@@@@@@@@@@@@@@@@@@@@@@@@@he?@@@@1 ?@@@@5 ?@@@@@ ?@@@@L @@@@ @@@@@@ N@@@@@@@hf?7@@@@@@@@@@@@@@@@@@@@@@@@@@@@@@@@@@@@@@@@@@@@@@@@@@@@@@@@@@@@H?f?@@@@@@@@@@@@@@@@@@@@@@@@@@@@@@@@@@@@@ *@
?N1? ?3@@L? @@@? @L @@@@@@H? J@H?h75 7@@@@5 N@@@1? ?7@@@@@@@@@@5? ?@@@@@@@@@@@ ?3@@@@@L ?7@@@Hg?@@@@@@?h?3@@@@@@he?7@@@@@@@@@@@@@@@@@@@@@@@@6?@KgO2@@@@@@@@@@@@@@@@@@@@@@@@@@@@@?hN@@@@@@@@)X? ?@@@@@@@@@@@@@@@@@@@@@@@@@@@@@@@@@@@@@@@@@@@@@@@@@@@@@@@@@@@@@@@@@@@@@@@@@@@@@@@@@@@@@@@@@@@@@@@@@@@@@@@@@@@@@@@@@@@@@@@@@@@@@@@@@@@@@@@@@@@@@@@@@@@@@@@@@@@@@@@@@@@@@@@@@@@@@@@@@@@@@@@@@@@@@@@@@@@@@@@@@@@@@@@@@@@@@@@@@@@@@@@@@@@@@@@@@@@@@@@@@@@@@@@@@@@@@@@@@@@@@@@@@@@@@@@@@@@@@@@@@@@@@@@@@@@@@@@@@@@@@@@@@@@@@@@@@@@@@@@@@@@@@@@@@@@@@@@@@@@@@@@@@@@@@@@@@@@@@@@@@@@@@@@@@@@@@@@@@he?@@@@@ ?@@@@H ?@@@@@L? ?@@@@1 3@@@ @@@@@@L? ?@@@@@@@hf?3@@@@@@@@@@@@@@@@@@@@@@@@@@@@@@@@@@@@@@@@@@@@@@@@@@@@@@@@@@@5g?@@@@@@@@@@@@@@@@@@@@@@@@@@@@@@@@@@@@@ V'
@? ?N@@1? 3@@L 31 ?J@@@@@5 75h?J@H @@@@@H J@@@@? ?@@@@@@@@@@@H? ?@@@@@@@@@@@ ?N@@@@@1 ?@@@@?g?@@@@@@?h?N@@@@@@he?@@@@@@@@@@@@@@@@@@@@@@@@@@@@@@@e?@@@@@@@@@@@@@@@@@@@@@@@@@@@@@@@@?h?3@@@@@@@@1? ?@@@@@@@@@@@@@@@@@@@@@@@@@@@@@@@@@@@@@@@@@@@@@@@@@@@@@@@@@@@@@@@@@@@@@@@@@@@@@@@@@@@@@@@@@@@@@@@@@@@@@@@@@@@@@@@@@@@@@@@@@@@@@@@@@@@@@@@@@@@@@@@@@@@@@@@@@@@@@@@@@@@@@@@@@@@@@@@@@@@@@@@@@@@@@@@@@@@@@@@@@@@@@@@@@@@@@@@@@@@@@@@@@@@@@@@@@@@@@@@@@@@@@@@@@@@@@@@@@@@@@@@@@@@@@@@@@@@@@@@@@@@@@@@@@@@@@@@@@@@@@@@@@@@@@@@@@@@@@@@@@@@@@@@@@@@@@@@@@@@@@@@@@@@@@@@@@@@@@@@@@@@@@@@@@@@@@@@@5he?@@@@@ ?@@@@? ?@@@@@1? ?@@@@@ ?O26K?heN@@@ @@@@@@1? ?@@@@@@@hf?N@@@@@@@@@@@@@@@@@@@@@@@@@@@@@@@@@@@@@@@@@@@@@@@@@@@@@@@@@@@Hg?@@@@@@@@@@@@@@@@@@@@@@@@(M??@@@@@@@@@
@@@? N@@1 N@ ?7@@@@(Y ?J@Hh?7@? ?J@@@@@? @@@@@? ?@@@@@@@@@@@ ?3@@@@@@@@@@L? @@@@@@ ?@@@@?g?@@@@@@?he@@@@@@he?@@@@@@@@@@@@@@@@@@@@@@@@@@@@@@@L?J@@@@@@@@@@@@@@@@@@@@@@@@@@@@@@@@Lh?N@@@@@@@@@L ?@@@@@@@@@@@@@@@@@@@@@@@@@@@@@@@@@@@@@@@@@@@@@@@@@@@@@@@@@@@@@@@@@@@@@@@@@@@@@@@@@@@@@@@@@@@@@@@@@@@@@@@@@@@@@@@@@@@@@@@@@@@@@@@@@@@@@@@@@@@@@@@@@@@@@@@@@@@@@@@@@@@@@@@@@@@@@@@@@@@@@@@@@@@@@@@@@@@@@@@@@@@@@@@@@@@@@@@@@@@@@@@@@@@@@@@@@@@@@@@@@@@@@@@@@@@@@@@@@@@@@@@@@@@@@@@@@@@@@@@@@@@@@@@@@@@@@@@@@@@@@@@@@@@@@@@@@@@@@@@@@@@@@@@@@@@@@@@@@@@@@@@@@@@@@@@@@@@@@@@@@@@@@@@@@@@@@@@@Hhe?@@@@@ J@@@@? ?3@@@@@? ?@@@@@ O2@@@@@@@@@@@6X?h?@@@L? 3@@@@@@? ?3@@@@@@ 3@@@@@@@@@@@@@@@@@@@@@@@@@@@@@@@@@@@@@@@@@@@@@@@@@@@@@@@@@5?g?@@@@@@@@@@@@@@@@@@@@@@@@He?@@@@@@@@@
?@ 3@@L ?3@@ ?@L? ?@@@@@H? ?7@?h?@@? ?7@@@@5? N@@@@L J@@@@@@@@@@@ ?N@@@@@@@@@@1? 3@@@@@L? ?@@@@?g?@@@@@@?he@@@@@@he?@@@@@@@@@@@@@@@@@@@@@@@@@@@@@@@1?7@@@@@@@@@@@@@@@@@@@@@@@@@@@@@@@@1he3@@@@@@@@1 J@@@@@@@@@@@@@@@@@@@@@@@@@@@@@@@@@@@@@@@@@@@@@@@@@@@@@@@@@@@@@@@@@@@@@@@@@@@@@@@@@@@@@@@@@@@@@@@@@@@@@@@@@@@@@@@@@@@@@@@@@@@@@@@@@@@@@@@@@@@@@@@@@@@@@@@@@@@@@@@@@@@@@@@@@@@@@@@@@@@@@@@@@@@@@@@@@@@@@@@@@@@@@@@@@@@@@@@@@@@@@@@@@@@@@@@@@@@@@@@@@@@@@@@@@@@@@@@@@@@@@@@@@@@@@@@@@@@@@@@@@@@@@@@@@@@@@@@@@@@@@@@@@@@@@@@@@@@@@@@@@@@@@@@@@@@@@@@@@@@@@@@@@@@@@@@@@@@@@@@@@@@@@@@@@@@@@@@5?he?@@@@5 7@@@5? ?N@@@@@? ?@@@@@hfW26KO2@@@@@@@@@@@@@@@@@@)Xh?@@@1? N@@@@@@? ?N@@@@@@L?hfV'@@@@@@@@@@@@@@@@@@@@@@@@@@@@@@@@@@@@@@@@@@@@@@@@@@@@@@@@H?gJ@@@@@@@@@@@@@@@@@@@@@@@@?eJ@@@@@@@@@
?@ N@@1 ?N@@L? ?31? J@@@@@ ?@5?h?@5? ?@@@@@H? ?@@@@1 7@@@@@@@@@@5 @@@@@@@@@@@? N@@@@@1? ?@@@@?g?@@@@@@?he@@@@@@he?@@@@@@@@@@@@@@@@@@@@@@@@@@@@@@@5?@@@@@@@@@@@@@@@@@@@@@@@@@@@@@@@@@@heN@@@@@@@@@ 7@@@@@@@@@@@@@@@@@@@@@@@@@@@@@@@@@@@@@@@@@@@@@@@@@@@@@@@@@@@@@@@@@@@@@@@@@@@@@@@@@@@@@@@@@@@@@@@@@@@@@@@@@@@@@@@@@@@@@@@@@@@@@@@@@@@@@@@@@@@@@@@@@@@@@@@@@@@@@@@@@@@@@@@@@@@@@@@@@@@@@@@@@@@@@@@@@@@@@@@@@@@@@@@@@@@@@@@@@@@@@@@@@@@@@@@@@@@@@@@@@@@@@@@@@@@@@@@@@@@@@@@@@@@@@@@@@@@@@@@@@@@@@@@@@@@@@@@@@@@@@@@@@@@@@@@@@@@@@@@@@@@@@@@@@@@@@@@@@@@@@@@@@@@@@@@@@@@@@@@@@@@@@@@@@@@@@@(Y?he?@@@@H ?J@@@(Y? @@@@@@@@@6X?hf?@@@@@he?W&@@@@@@@@@@@@@@@@@@@@@@@@)X?g?@@@@? ?@@@@@@? @@@@@@1?hf?V'@@@@@@@@@@@@@@@@@@@@@@@@@@@@@@@@@@@@@@@@@@@@@@@@@@@@@@@h7@@@@@@@@@@@@@@@@@@@@@@@5??W&@@@@@@@@5
?@L? ?@@@ 3@1? ?N@? 7@@@@@ ?@H?hJ@H? J@@@@@ ?@@@@@ @@@@@@@@@@@H @@@@@@@@@@@? ?@@@@@@L J@@@5?g?@@@@@5?he@@@@@@he?@@@@@@@@@@@@@@@@@@@@@@@@@@@@@@@Y?@@@@@@@@@@@@@@@@@@@@@@@@@@@@@@@@@@he?@@@@@@@@5 @@@@@@@@@@@@@@@@@@@@@@@@@@@@@@@@@@@@@@@@@@@@@@@@@@@@@@@@@@@@@@@@@@@@@@@@@@@@@@@@@@@@@@@@@@@@@@@@@@@@@@@@@@@@@@@@@@@@@@@@@@@@@@@@@@@@@@@@@@@@@@@@@@@@@@@@@@@@@@@@@@@@@@@@@@@@@@@@@@@@@@@@@@@@@@@@@@@@@@@@@@@@@@@@@@@@@@@@@@@@@@@@@@@@@@@@@@@@@@@@@@@@@@@@@@@@@@@@@@@@@@@@@@@@@@@@@@@@@@@@@@@@@@@@@@@@@@@@@@@@@@@@@@@@@@@@@@@@@@@@@@@@@@@@@@@@@@@@@@@@@@@@@@@@@@@@@@@@@@@@@@@@@@@@@@@@@@0Yhf?@@@@? ?7@@@H @@@@@@@@@@1?hf?@@@@@heW&@@@@@@@@@@@@@@@@@@@@@@@@@@)Kg?3@@@? J@@@@@@? ?W2@@? @@@@@@@? V'@@@@@@@@@@@@@@@@@@@@@@@@@@@@@@@@@@@@@@@@@@@@@@@@@@@(M?h@@@@@@@@@@@@@@@@@@(Y@@@(Y??7@@@@@@@@@H
?31? ?3@@ N@@? @L @@@@@5 J@he75 7@@@@5 ?@@@@@ @@@@@@@@@@@? @@@@@@@@@@@? ?@@@@@@1 7@@@H?g?@@@@@H?he3@@@@@he?@@@@@@@@@@@@@@@@@@@@@@@@@@@@@@@@@@@@@@@@@@@@@@@@@@@@@@@@@@@@@@@@@@@he?@@@@@@@@H 3@@@@??I'@@@@@@@@@@@@@@@@@@@@@@@@@@@@@@@@@@@@@@@@@@@@@@@@@@@@@@@@@@@@@@@@@@@@@@@@@@@@@@@@@@@@@@@@@@@@@@@@@@@@@@@@@@@@@@@@@@@@@@@@@@@@@@@@@@@@@@@@@@@@@@@@@@@@@@@@@@@@@@@@@@@@@@@@@@@@@@@@@@@@@@@@@@@@@@@@@@@@@@@@@@@@@@@@@@@@@@@@@@@@@@@@@@@@@@@@@@@@@@@@@@@@@@@@@@@@@@@@@@@@@@@@@@@@@@@@@@@@@@@@@@@@@@@@@@@@@@@@@@@@@@@@@@@@@@@@@@@@@@@@@@@@@@@@@@@@@@@@@@@@@@@@@@@@@@@@@@@@@@@@@@@0M ?@@@@? ?3@@5? @@@@@@(MI4@?hf?3@@@@he7@@@@@@@@@X?hf?@@@@@6Kf?N@@@? ?O&@@@@@@@@@6Xhe?7@@@? @@@@@@@? ?N@@@@@@@@@@@@@@@@@@@@@@@@@@@@@@@@@@@@@@@@@@@@@@@@@@(Yhe@@@@@@@@@@@@@@@@@@H?@@@He?@@@@@@@@@@?
?N@? ?V'@L? ?@@? 31 ?J@@@@@Hhe?@ 7@h?J@H @@@@@H ?@@@@@ ?J@@@@@@@@@@5? 3@@@@@@@@@@? ?3@@@@@@ @@@@h?@@@@@hfN@@@@@he?@@@@@@@@@@@@@@@@@@@@@@@@@@@@@@@@@@@@@@@@@@@@@@@@@@@@@@@@@@@@@@@@@@@he?@@@@@@@@? N@@@@LeV'@@@@@@@@@@@@@@@@@@@@@@@@@@@@@@@@@@@@@@@@@@@@@@@@@@@@@@@@@@@@@@@@@@@@@@@@@@@@@@@@@@@@@@@@@@@@@@@@@@@@@@@@@@@@@@@@@@@@@@@@@@@@@@@@@@@@@@@@@@@@@@@@@@@@@@@@@@@@@@@@@@@@@@@@@@@@@@@@@@@@@@@@@@@@@@@@@@@@@@@@@@@@@@@@@@@@@@@@@@@@@@@@@@@@@@@@@@@@@@@@@@@@@@@@@@@@@@@@@@@@@@@@@@@@@@@@@@@@@@@@@@@@@@@@@@@@@@@@@@@@@@@@@@@@@@@@@@@@@@@@@@@@@@@@@@@@@@@@@@@@@@@@@@@@@@@@@@@@@@@@0M ?@@@@? ?V40Y? @@@@@@H? ?N@@@@h?J@@@@@@@@@@1?hf?3@@@@@@6Xf@@@?he?O@Ke?O2@@@@@@@@@@@@@@1he?@@@@? @@@@@@@? 3@@@@@@@@@@@@@@@@@@@@@@@@@@@@@@@@@@@@@@@@@@@@@@@@(Y?h?J@@@@@@@@@@@@@@@@@5e@@@?e?@@@@@@@@@@?
@L N@1? ?@@L N@ ?7@@@@5?heJ5 ?J@5h?75? @@@@@? ?3@@@@ ?7@@@@@@@@@@H? N@@@@@@@@@@? ?N@@@@@@ @@@@hJ@@@@@hf?@@@@@he?@@@@@@@@@@@@@@@@@@@@@@@@@@@@@@@@@@@@@@@@@@@@@@@@@@@@@@@@@@@@@@?W@@@he?3@@@@@@5? ?@@@@1e?V4@@@@@@@@@@@@@@@@@@@@@@@@@@@@@@@@@@@@@@@@@@@@@@@@@@@@@@@@@@@@@@@@@@@@@@@@@@@@@@@@@@@@@@@@@@@@@@@@@@@@@@@@@@@@@@@@@@@@@@@@@@@@@@@@@@@@@@@@@@@@@@@@@@@@@@@@@@@@@@@@@@@@@@@@@@@@@@@@@@@@@@@@@@@@@@@@@@@@@@@@@@@@@@@@@@@@@@@@@@@@@@@@@@@@@@@@@@@@@@@@@@@@@@@@@@@@@@@@@@@@@@@@@@@@@@@@@@@@@@@@@@@@@@@@@@@@@@@@@@@@@@@@@@@@@@@@@@@@@@@@@@@@@@@@@@@@@@@@@@@@@@@@@@@@@@? J@@@@? @@@@@@L? ?J@@@@hW&@@@(?'@@@@@?hf?V'@@@@@@)X?e@@@?hW2@@@@@@@@@@@@@@@@@@@@@@@@L?h?@@@5? 3@@@@@@? N@@@@@@@@@@@@@@@@@@@@@@@@@@@@@@@@@@@@@@@@@@@@@@@(Yhe?7@@@V4@@@@@@@@@@@0Ye@@@?f?@@@@@@@@?
31 ?@@L ?3@1 ?3L? ?@@@@@H?he7H ?7@HhJ@H? @@@@5? ?N@@@@L? ?@@@@@@@@@@@ ?@@@@@@@@@@L @@@@@@L? @@@@h7@@@@@hf?@@@@@he?@@@@@@@@@@@@@@@@@@@@@@@@@@@@@@@?@@@@@@@@@@@@@@@@@@@@@@@@@@@@@5?7@@@he?N@@@@@@H? ?3@@@@hI4@@@@@@@@@@@@@@@@@@@@@@@@@@@@@@@@@@@@@@@@@@@@@@@@@@@@@@@@@@@@@@@@@@@@@@@@@@@@@@@@@0M?I4@0M?I4@@0MeI40M?I4@@@@0?4@@@@0MI4@0?4@@@@@@@@0?4@@@0?4@@@@@@@@@@@@@@@@@@@@@@@@@@@@@@@@@@@@@@@@@@@0MI40?4@0?4@@@@0MI4@0MI4@0?40Mh?I@M?I@Me?I4@0MfI@MI40M?fI4@@@@@@@@@@@@@@@@@@@@@@@@@@@@@@@@@@@@@@@@@@@@@@@@@@@@@@@@@@@@@@@@@@@@@@@@@@@@@@@@@@@@@@@@@? 7@@@@? @@@@@@1? ?7@@@@L?f?O&@@@@H?V'@@@@@6XhfN@@@@@@@1?e@@@?g?W&@@@@@@@@@@@@@@@@@@@@@@@@@1?heI(Y? N@@@@@@L ?3@@@@@@@@@@@@@@@@@@@@@@@@@@@@@@@@@@@@@@@@@@@@@(Y?he?@@@5??I'@@@@@@@(Mf@@@?f?@@@@@@@5?
N@ ?@@1 ?N@@ ?N1? J@@@@5hf@? ?@@?h7@ ?J@@@@H? @@@@1? ?@@@@@@@@@@@ ?@@@@@@@@@@1 3@@@@@1? @@@@h@@@@@@hf?@@@@@he?@@@@@@@@@@@@@@@@@@@@@@@@@@@@@@@@@@@@@@@@@@@@@@@@@@@@@@@@@@@@@H?3@@@he?J@@@@@@ ?N@@@@he?@@(?4@@@@@0?4@0M??I@M I@M? @@@@@? @@@@@@@? ?@@@@@)?2@@@@@@@@@@?eV'@@@@@)X?he?3@@@@@@@Le@@@?gW&@@@@@@@@@@@@@@@@@@@@@@@@@@@? ?@@@@@@1 ?N@@@@@@@@@@@@@@@@@@@@@@@@@@@@@@@@@@@@@@@@@@@@(YhfJ@@@H?eV4@@@@@0Y?f@@5?fJ@@@@@@@H?
?@ ?@@@ @@L? @? 7@@@@H J@5?h@@ ?7@@@@ @@@@@? ?@@@@@@@@@@5 ?@@@@@@@@@@@ N@@@@@@? @@@@h@@@@@@hf?3@@@@he?@@@@@@@@@@@@@@@@@@@@@@@@@@@@@@@@@@@@@@@@@@@@@@@@@@@@@@@@@@@@5e?@@@he?7@@@@@@ @@@@L?h?@(Y @@@@5? ?O2@@@@@@@@@@@@@@@@@@@@@@@@@@@@@@@@@@@@@@@@@@@@@@@@@@@@@@@@@@@@@@@@@@@@@@@@@@@@@@@@@@@6?2@@@@6KO@K?O@?2@@@@@@@@6?2@@@@@@@@@@@@@@@@@@@@@@@@@@@@@@@@@@@@@@@@@@@@@@@Le?V'@@@@@)Xhf@@@@@@@1e3@@Lf?W&@@@@@@@@@@@@@@@@@@@@@@@@@@@@? ?@@@@@@@ 3@@@@@@@@@@@@@@@@@@@@@@@@@@@@@@@@@@@@@@@@@@0Y?hf7@@5 ?J@@H?f7@@@@@@@
?3L? ?3@@ @@1? @? ?J@@@@@?he?@ 7@H?g?J@5 ?@@@@@ 3@@@@? ?@@@@@@@@@@H ?@@@@@@@@@@@ ?@@@@@@L @@@@h@@@@@@hf?N@@@@L?h?3@@@@@@@@@@@@@@@@@@@@@@@@@@@@@@@@@@@@@@@@@@@@@@@@@@@@@@@@@@(Ye7@@@heJ@@@@@@5 3@@@1?h?@H? ?J@@@@H? ?O@?2@6K?O2@@@@@@@@@@@@@@@@@@@@@@@@@@@@@@@@@@@@@@@@@@@@@@@@@@@@@@@@@@@@@@@@@@@@@@@@@@@@@@@@@@@@@@@@@@@@@@@@@@@@@@@@@@@@@@@@@@@@@@@@@@@@@@@@@@@@@@@@@@@@@@@@@@@@@@@@@@@@@@@@)X?eV@@@@@@)K?hO&@@@@@@@@eN@@1f?7@@@@@@@@@@@@@@@@@(M??@@@@? ?3@@@@@@L? V'@@@@@@@@@@@@@@@@@@@@@@@@@@@@@@@@@@@@@@@0M?hf?J@@@H ?7@@f?J@@@@@@@@
?N1? ?N@@L? 3@@? 3L ?7@@@@5? @@h?7@H J@@@@5 N@@@@? J@@@@@@@@@@? ?3@@@@@@@@@@ ?3@@@@@1 ?J@@@@h@@@@@@ @@@@1?h?N@@@@@@@@@@@@@@@@@@@@@@@@@@@@@@@@@@@@@@@@@@@@@@@@@@@@@@@@@@H?e@@@@he7@@@@@@H N@@@@Lh?@L? ?7@@@@ ?W2@@@@@@@@@@@@@@@@@@@@@@@@@@@@@@@@@@@@@@@@@@@@@@@@@@@@@@@@@@@@@@@@@@@@@@@@@@@@@@@@@@@@@@@@@@@@@@@@@@@@@@@@@@@@@@@@@@@@@@@@@@@@@@@@@@@@@@@@@@@@@@@@@@@@@@@@@@@@@@@@@@@@@@@@@@@@@)KO2@@@@@@@@@@@@@@@6?2@@@@@@@@@@L??@@@f?@@@@@@@@@@@@@@@@@(Ye?@@@@? ?N@@@@@@1? ?N@@@@@@@@@@@@@@@@@@@@@@@@@@@@@@@@@@@@@(M? ?7@@@? ?@@5f?7@@@@@@@@
@L @@1? N@@L N1 ?@@@@@H?he@? ?J@5h?@@? 7@@@@H ?@@@@? 7@@@@@@@@@@? ?N@@@@@@@@@@L? ?N@@@@@@ ?7@@@@h@@@@@5 @@@@@?he3@@@@@@@@@@@@@@@@@@@@@@@@@@@@@@@@@@@@@@@@@@@@@@@@@@@@@@@@@f@@@5he@@@@@@@? ?3@@@1h?@1? J@@@@5 ?W2@6KeO&@@@@@@@@@@@@@@@@@@@@@@@@@@@@@@@@@@@@@@@@@@@@@@@@@@@@@@@@@@@@@@@@@@@@@@@@@@@@@@@@@@@@@@@@@@@@@@@@@@@@@@@@@@@@@@@@@@@@@@@@@@@@@@@@@@@@@@@@@@@@@@@@@@@@@@@@@@@@@@@@@@@@@@@@@@@@@@@@@@@@@@@@@@@@@@@@@@@@@@@@@@@@@@1??@@@f?@@@@(Y@@@@@@@@@@@H?e?@@@@? @@@@@@@? 3@@@@?I4@@@@@@@@@@@@@@@@@@@@@@@@@@@@(Y J@@@5? J@@Hf?@@@@@@@@5
31 3@@? ?@@1 ?@L? ?@@@@@hf@? ?7@HhJ@5? ?J@@@@@? ?@@@@? @@@@@@@@@@@? @@@@@@@@@@1? @@@@@@L? ?@@@@5h@@@@@H @@@@@LheN@@@@@@@@@@@@@@@@@@@@@@@@@@@@@@@@@@@@@@@@@@@@@@@@@@@@@@@@@f@@@Hhe@@@@@@@? ?N@@@@hJ@5? ?W&@@@@H O&@@@@@@@@@@@@@@@@@@@@@@@@@@@@@@@@@@@@@@@@@@@@@@@@@@@@@@@@@@@@@@@@@@@@@@@@@@@@@@@@@@@@@@@@@@@@@@@@@@@@@@@@@@@@@@@@@@@@@@@@@@@@@@@@@@@@@@@@@@@@@@@@@@@@@@@@@@@@@@@@@@@@@@@@@@@@@@@@@@@@@@@@@@@@@@@@@@@@@@@@@@@@@@@@@@@@@@@??@@@fJ@@@@H?@@@@@@@@@@@L?e?3@@@L @@@@@@@L N@@@@LeI4@@@@@@@@@@@@@@@@@@@@@@V4@0Y? ?W&@@@H? 7@@?f?@@@@@@@@H
N@L? N@@L ?3@@ ?31? J@@@@@he?J5? J@@?h7@H? ?7@@@@5? ?@@@@L ?J@@@@@@@@@@@? @@@@@@@@@@@? 3@@@@@1? ?@@@@Hg?J@@@@@? @@@@@1he?@@@@@@@@@@@@@@@@@@@@@@@@@@@@@@@@@@@@@@@@@@@@@@?@@@@@@(Mf?J@@@?he@@@@@@@? 3@@@@6X?f7@ W&@@@@5? O2@@@@@@@@@@@@@@@@@@@@@@@@@@@@@@@@@@@@@@@@@@@@@@@@@@@@@@@@@@@@@@@@@@@@@@@@@@@@@@@@@@@@@@@@@@@@@@@@@@@@@@@@@@@@@@@@@@@@@@@@@@@@@@@@@@@@@@@@@@@@@@@@@@@@@@@@@@@@@@@@@@@@@@@@@@@@@@@@@@@@@@@@@@@@@@@@?I'@@@@@@@@@@@@@@@@@@@@@@??@@@f7@@@5?J@@@@@@@@@@@1?e?N@@@1 @@@@@@@)X? ?@@@@)X?fI4@@@@@@@@@@@@@@@@@5 W&@@@5 @@@?fJ@@@@@@@@?
?@1? ?@@1 ?N@@L? ?N@? 7@@@@5he?7H? 7@@?h@@ ?@@@@@H? ?@@@@1 ?7@@@@@@@@@@5? @@@@@@@@@@@? N@@@@@@? ?@@@@?g?7@@@@@? @@@@@@he?@@@@@@@@@@@@@@@@@@@@@@@@@@@@@@@@@@@@@@@@@@@@@@?@@@@@@H?f?7@@@?h?J@@@@@@@? N@@@@@)Xf@@1? ?O&@@@@@H? O2@@@@@@@@@@@@@@@@@@@@@@@@@@@@@@@@@@@@@@@@@@@@@@@@@@@@@@@@@@@@@@@@@@@@@@@@@@@@@@@@@@@@@@@@@@@@@@@@@@@@@@@@@@@@@@@@@@@@@@@@@@@@@@@@@@@@@@@@@@@@@@@@@@@@@@@@@@@@@@@@@@@@@@@@@@@@@@@@@@@@@@@@@@@@@@(?'@@@eV'@@@@@@@@@@@@@@@@@@@@@L?3@@L??J@@@@H?7@@@@@@@@@@@@Lf@@@@ @@@@@@@@1? ?@@@)Khf?I@?4@@@@@@? ?W&@@@@H ?J@@5?f7@@@@@@@@? W2@@@6X?
?3@? ?3@@ @@1? @L ?J@@@@@Hhe?@ @@5?h@5 ?@@@@@ ?3@@@@ ?@@@@@@@@@@@H? @@@@@@@@@@@? ?@@@@@@L ?@@@@?g?@@@@@@? @@@@@@L?h?@@@@@@@@@@@@@@@@@@@@@@@@@@@@@@@@@@@@@@@@@@@@@@@@@@@@@gJ@@@5?h?7@@@@@@5? ?@@@@@@)X?e@@@L ?O2@@@@@@5 W2@@@@@@@@@@@@@@@@@@@@@@@@@@@@@@@@@@@@@@@@@@@@@@@@@@@@0?4@@@@@@@@@@@@@@@@0M? ?I@?4@@@0M?I40MI@MI4@@0?40M?g?I@?@MI4@@@@@@@@@@@@@@@@@@@(Y?N@@@e?N@@@@(MgI'@@@@@@@1?N@@1??7@@@@e@@@@@@@@@@@@@1f3@@@ 3@@@@@@@@L ?@@@@@@? @@@@@1 W&@@@@5? ?7@@H?e?J@@@@@@@@5? O2@@@@@@6K 7@@@@@1?
?N@? ?N@@L? 3@@? @1 ?7@@@@5?heJ5 ?J@@H?g?J@H J@@@@5 ?N@@@@ ?@@@@@@@@@@@ @@@@@@@@@@@? ?3@@@@@1 ?@@@@?g?@@@@@@? 3@@@@@)Xh?3@@@@@@@@@@@@@@@@@@@@@@@@@@@@@@@@@@@@@@@@@@@@@@@@@(M?g7@@@H?h?@@@@@@@H? I'@@@@)Ke@@@1 ?W2@@@@@@@(Y ?O&@@@@@@@@@@@@@@@@@@@@@0M W@@@@@@@@@@X ?I@Me?I(Ye?@@@f@@@@H?g?N@@@@@@@@e@@@??@@@@5e@@@@@@@@@@@@@@fV'@@ N@@@@@@@@1 ?3@@@@@L @@@@@@ ?W&@@@@@H? J@@@f?7@@@@@@@@H? W2@@@@@@@@@@@@6K @@@@@@@?
3L @@1? N@@L 3@L? J@@@@@H?he7H ?7@@h?7@? 7@@@@H @@@@L? J@@@@@@@@@@5 @@@@@@@@@@@? ?N@@@@@@ J@@@@?g?@@@@@@? N@@@@@@1h?N@@@@@@@@@@@@@@@@@@@@@@@@@@@@@@@@@@@@@@@@@@@@@@@@0Yg?J@@@5heJ@@@@@@5 ?N@@@@@@@@@@@@ W&@@@@@@@(Y? ?O2@@@@@@@@@@@@@@@@@@@@@(M 7@@@@@@@@@@)X? ?@@@L?e@@@@he@@@@@@@@e@@@??@@@@H?J@@@@(?4@@@@@@@L?e?V4@ ?@@@@@@@@@L? ?V'@@@@)X? @@@@@@ O&@@@@@5 ?W&@@5fJ@@@@@@@@@ ?W&@@@@@@@@@@@@@@@6X @@@@@@@?
N1 3@@? ?3@1 N@1? 7@@@@@he?J@? ?@@@hJ@5? @@@@@? @@@@1? 7@@@@@@@@@@H @@@@@@@@@@@L @@@@@@L? 7@@@@?g?@@@@@5? ?@@@@@@@L?h3@@@@X?I'@@@@@@@@@@@@@@@@@@@@@@@@@@@@@@@@@@@@@(Mh?7@@@Hhe7@@@@@(Y @@@@@@@@@@@@@6K? ?O@K O2@6K?eO@K??O2@@6?2@@@@6K ?O@KhO@K?O@?26KeO@K?hO@K?O@K??O2@6KO2@@@@@@@@@@@@@@@@@@@@@@@@@@@@@@@6KO2@@6K?O2@@@@@@6K?O&@@@@@@@0Y ?W2@@@@@@@@@@@@@@@@@@@@@@(Y? ?J@@@@@@@@@@@@)X ?@@@1?e@@@@he@@@@@@@@e@@@L?@@@@??7@@@@H?e@@@@@@1? ?@@@@@@@@@)X V'@@@@)K 3@@@@@ O2@@@@@@(Y ?7@@@Hf7@@@@@@@@5 W&@@@@@@@@@@@@@@@@@)X? @@@@@@@?
?@ N@@L ?N@@ ?@@? ?J@@@@@5he?7@? J@@5h7@H? @@@@@? @@@@@? @@@@@@@@@@@? 3@@@@@@@@@@1 3@@@@@1? @@@@@?gJ@@@@@H? ?@@@@@@@)XhV'@@@1eV4@@@@@@@@@@@@@@@@@@@@@@@@@@@@@@@@@@@0Y?hJ@@@5?he@@@@@0Y? ?I4@@@@@@@@@@@@@@@@@@@@@@@@@@@@@@@@@6?2@@@6?2@@@@@@@@@@@@@@@@@@@@@@@@@@6KO2@@@6?2@6K?O2@@@6?2@@@@@@@@@@@@6?26?2@@6?2@@6K?O2@@@@@@@@@@@@@@@@@@@@@@@@@@@@@@@@@@@@@@@@@@@@6KO2@@@@@@@@@@@@@@@@@@@@@@@@@@@@@@@@@@@@@@@@@@@@@@@@@@@@@@@@@@@@@@@@@@@@@@@@@@@@@@@@@@@@@@@@@@@@@@@@@@@@@@@@@@@@@@@@@@@@@@@@@@@@@@@@@@@@@@@@@@@@@@@@@@@@@@@@@@@@@@@@@@@@@@@@@@@@@@@@@@@@@@@@@@@@@@@@@@@@@@@@@@@@@0M W&@@@@@@@@@@@@@@@@@@@@@@0Y ?7@@@@@@@@@@@@@1 ?@@@@?e@@@@he@@@@@@@@e@@@1?@@@@??@@@@@f@@@@@@@L ?O2@ ?@@@@@@@@@@)X? ?V'@@@@@6KhfN@@@@@L?heW2@@@@@@@(Y? J@@@5?e?J@@@@@@@@@H ?W&@@@@@@@@@@@@@@@@@@@)X @@@@@@@?
O2@@6KhfO2@@@@@@6K ?3L? ?@@1 @@L? ?3@? ?7@@@@@Hhe?@5? 7@@Hh@@ @@@@5? 3@@@@? @@@@@@@@@@@? N@@@@@@@@@@@ N@@@@@@? @@@@@?g7@@@@@ ?@@@@@@@@1h?V'@@@L?e?I4@@@@@@@@@@@@@@@@@@@@@@@@@@@@@@0M?he7@@@H?h?J@@@(M? I4@@@@@@@@@@@@@@@@@@@@@@@@@@@@@@@@@@@@@@@@@@@@@@@@@@@@@@@@@@@@@@@@@@@@@@@@@@@@@@@@@@@@@@@@@@@@@@@@@@@@@@@@@@@@@@@@@@@@@@@@@@@@@@@@@@@@@@@@@@@@@@@@@@@@@@@@@@@@@@@@@@@@@@@@@@@@@@@@@@@@@@@@@@@@@@@@@@@@@@@@@@@@@@@@@@@@@@@@@@@@@@@@@@@@@@@@@@@@@@@@@@@@@@@@@@@@@@@@@@@@@@@@@@@@@@@@@@@@@@@@@@@@@@@@@@@@@@@@@@@@@@@@@@@@@@@@@@@@@@@@@@@@@@@@@@@@@@@@@@@@@@@@@@@@@@@@@@@@@@@@@@@@@@@@(M ?O&@@@@@@@@@@@@@@@0M ?@@@@@@@@@@@@@@@L? ?3@@@?e@@@@he@@@@@@@@e@@@@?@@@@??@@@@@f@@@@@@@1 @@@@ ?@@@@@@@@@@@)X V4@@@@@@6Khe?@@@@@1?h?O&@@@@@@@(Y ?W&@@(Y?e?7@@@@@@@@@? ?7@@@@@@@@@@@@@@@@@@@@@)X?hf@@@@@@@?
W2@@@@@@@@6KhW2@@@@@@@@@@6K ?N1? ?3@@L? @@1? ?N@L ?@@@@@@?heJ@H? @@@?g?J@5 ?J@@@@H? N@@@@? @@@@@@@@@@5? ?@@@@@@@@@@@ ?@@@@@@L @@@@5?g@@@@@@ ?3@@@@@@@@L?hV'@@)Xf?I4@@@@@@@@@@@@@@@@@@@@@@@@@@0M?he?J@@@5heW&@@@H I'@@@@@@@@@@@@@@@@@@@@@@@@@@@@@@@@@@@@@@@@@@@@@@@@@@@@@@@@@@@@@@@@@@@@@@@@@@@@@@@@@@@@@@@@@@@@@@@@@@@@@@@@@@@@@@@@@@@@@@@@@@@@@@@@@@@@@@@@@@@@@@@@@@@@@@@@@@@@@@@@@@@@@@@@@@@@@@@@@@@@@@@@@@@@@@@@@@@@@@@@@@@@@@@@@@@@@@@@@@@@@@@@@@@@@@@@@@@@@@@@@@@@@@@@@@@@@@@@@@@@@@@@@@@@@@@@@@@@@@@@@@@@@@@@@@@@@@@@@@@@@@@@@@@@@@@@@@@@@@@@@@@@@@@@@@@@@@@@@@@@@@@@@@@@@@@@@@@@@@@@@@@@@0Y? ?O2@@@@@@@@@@@@@@@0M ?@@@@@@@@@@@@@@@1? ?N@@@?e@@@@he@@@@@@@@e3@@@@@@@@?J@@@@@f@@@@@@@@ ?J@@@@ ?3@@@@@@@@@@@1 I4@@@@@@@6K?gJ@@@@@@?g?O2@@@@@@@@0Y? W&@@(YfJ@@@@@@@@@5? J@@@@@@@@@@@@@@@@@@@@@@@)Xhf@@@@@@@?
?W&@@@@@@@@@@@6Xf?W&@@@@@@@@@@@@@6X @L ?N@@1? 3@@? @1 J@@@@@5?he7@ ?J@@5?g?7@H W&@@@@ ?@@@@L ?J@@@@@@@@@@H? ?@@@@@@@@@@@ ?3@@@@@1 @@@@H?g@@@@@@ ?N@@@@@@@@1?h?V'@@)X?gI4@@@@@@@@@@@@@@@@@@@@0M W&@@(Yhe7@@@5? ?N@@@?e?I'@@@@@@@@@@@@@@@@@@@@@@@@@@@@@@@@@@@@@@@@@@@@@@@@@@@@@@@@@@@@@@@@@@@@@@@@@@@@@@@@@@@@@@@@@@@@@@@@@@@@@@@@@@@@@@@@@@@@@@@@@@@@@@@@@@@@@@@@@@@@@@@@@@@@@@@@@@@@@@@@@@@@@@@@@@@@@@@@@@@@@@@@@@@@@@@@@@@@@@@@@@@@@@@@@@@@@@@@@@@@@@@@@@@@@@@@@@@@@@@@@@@@@@@@@@@@@@@@@@@@@@@@@@@@@@@@@@@@@@@@@@@@@@@@@@@@@@@@@@@@@@@@@@@@@@@@@@@@@@@@@@@@@@@@@@@@@@@@@@@@@@@@@@@@@@@@@@(M? @@@@@@@@@@@@@@@@0M ?@@@@@@@@@?@@@@@@? @@@?e@@@@L?h3@@@@@@@eN@@@@@@@@?7@@@@@f@@@@@@@@L? W&@@@5 ?N@@@@@@@@@@@@L? ?I4@@@@@@@6Ke?O&@@@@@@??O2@@@@@@@@@@@(M ?W&@@@H?f7@@@@@@@@@H? ?W&@@@@@@@@@@@@@@@@@@@@@@@@1hf@@@@@@@?
W&@@@@@@@@@@@@@)X?eW&@@@@@@@@@@@@@@@)X? @1 3@@? N@@L 3@ 7@@@@@H?h?J@5 ?7@@H?g?@@? 7@@@@5 ?@@@@1 ?7@@@@@@@@@@ ?@@@@@@@@@@@ ?N@@@@@@ @@@@h@@@@@@ @@@@@@@@@LheV'@@)Xh?I4@@@@@@@@@@@@(M? ?W&@@0Y?h?J@@@@H? @@@?fV4@@0MeI@M?h?I@MheI4@@@0M?hfI@M? I@M?gI4@@@@@@@@@@@0?4@0MI@MfI4@0M? ?I@?40MI4@@@@@@@@@@@@0MI4@@@0M?I4@@@@0M?e?I4@@@@@@@@@@@@@@@@@@@0MI@M? I4@@@@@0?4@@@0?4@@@@@@@@@@0MI4@@@@0M?I40?4@0?@?4@@@@@@@@@@@@@@@@@@@@@@@@@@@@@@@@@@@@@@@@@@@@@@@@@@@@@@@@@@0Y @@@@@@@@@@@@@@(M ?@@@@@@@@@@@@@@@@? @@@?e@@@@1?hN@@@@@@@e?@@@@@@@@?@@@@@@L??J@@@@@@@@1?hf?W&@@@(Ye@@6X @@@@@@@@@@@@)X ?I4@@@@@@@@@@@@@@@@@@@@@@@@@@@@@@@@0Y? ?7@@@5g@@@@@@@@@5 ?7@@@@@@@@@@@@@@@@@@@@@@@@@@L?he@@@@@@@?
?W&@@@@@@@@@@@@@@@)X?W&@@@@@@@@@@@@@@@@@)X 3@ N@@L ?@@1 N@ ?J@@@@@@he?7@H ?@@@h?@5? @@@@@H ?@@@@@ ?@@@@@@@@@@5 ?@@@@@@@@@@@L? @@@@@@ @@@@h@@@@@5 3@@@@@@@@)X?h?V'@@)X? @@(Y W&@@hfW&@@@5 @@5? ?I40M? ?W2@@@@@@@@@@@@@@(Y? ?@@@@@@@@@@@@@@@@? ?J@@@?e@@@@@?h?@@@@@@@e?@@@@@@@@?@@@@@@)KO&@@@@@@@@5?hfW&@@@(Y?e@@@1 @@@@@@@V'@@@@)X? ?I4@@@@@@@@@@@@@@@@@@@@@@@@@@@@0M? J@@@(Yf?J@@@@@@@@@H ?@@@@@@@@@(MfI'@@@@@@@@@@)Xhe@@@@@@@?
W&@@@@@@@@@@@@@@@@@)?&@@@@@@@@@@@@@@@@@@@1 N@L? ?@@1 ?3@@ ?@L? ?7@@@@@@he?@5? J@@@hJ@H? @@@@@? ?@@@@@ J@@@@@@@@@@H ?3@@@@@@@@@@1? @@@@@@L? @@@@h@@@@@H N@@@@@@@@@)XheV'@@)K @@H? ?O&@@@he?W&@@@(Y ?J@@H? W&@@@@@@@@@@@@@@(Y ?@@@@@@@@@@@@@@@5? ?7@@@?e@@@@@?h?@@@@@@@e?@@@@@@@@?@@@@@@@@@@@@@@@@@@H?he?W&@@@(Yf@@@@ @@@@@@@?V'@@@@)X I4@@@@@@@@@@@@@@@@@@@@@0M? ?W&@@@H?f?7@@@@@@@@5? ?@@@@@@@@(Y?f?V4@@@@@@@@@@1he@@@@@@@?
7@@@@@@@@@@@@@@@@@@@@@@@@@@@@@@@@@@@@@@@@@L? ?@1? ?3@@ ?N@@L? ?31? ?@@@@@@5heJ@H? 7@@5h7@ ?J@@@@5? ?3@@@@ 7@@@@@@@@@@? ?N@@@@@@@@@@@? 3@@@@@1? ?J@@@@h@@@@@? ?@@@@@@@@@@)X?h?V'@@@6X @@ ?O2@@@hf?7@@@@H? ?7@@L? ?W&@@@@@@@@@@@@@@0Y? ?3@@@@@@@@@@@@@@H? J@@@@?e@@@@5?h?@@@@@@@e?3@@@@@@@@@@@@@@@@@@@@@@@@@@hfW&@@@(Y?f@@@@ @@@@@@@??V'@@@@)X? I4@@@@@@@@@@@@@@@0M? W&@@@5g?@@@@@@@@@H? ?@@@@@@@(Yh?I'@@@@@@@@@L?h@@@@@@@?
@@@@@@@@@@@@@@@@@@@@@@@@@@@@@@@@@@@@@@@@@@1? ?3@? ?N@@L? @@1? ?N@? J@@@@@@Hhe7@ @@@Hg?J@@ ?7@@@@H? ?N@@@@L? @@@@@@@@@@@? @@@@@@@@@@@? N@@@@@@? ?7@@@@h@@@@@? ?@@@@@@@@@@@1?heV'@@@)X? @@ ?O2@@@@@hfJ@@@@5 ?@@@1? ?7@@@@@@@@@@@@@(M? ?N@@@@@@@@@@@@@5 7@@@@?e@@@@he?@@@@@@@e?N@@@@@@@@@@@@@@@@@@@@@@@@@@hf7@@@(Yg3@@5 3@@@@@@LeV'@@@@)X I'@@@@@@(M ?W&@@@(YgJ@@@@@@@@5 ?@@@@@@(Y?heN@@@@@@@@@1?h@@@@@@@?
@@@@@@@@@@@@@@@@@@@@@@@@@@@@@@@@@@@@@@@@@@@? ?N@L @@1? 3@@? 3L 7@@@@@5?he@5 ?J@@@?g?7@5 ?@@@@@ @@@@1? @@@@@@@@@@@? @@@@@@@@@@@? ?@@@@@@L ?@@@@@h@@@@@? ?3@@@@@@@@@@@Lhe?V'@@@)K @@hf?O2@@@@(M?he?W&@@@(Y ?@@@@? ?@@@@@@@@@@@@@(Y 3@@@@@@@@@@@(Y ?J@@@@5?e@@@@@?h?@@@@@@@f@@@@@@@@@@@@@@@@@@@@@@@@@@he?J@@@0Y?gN@@? N@@@@@@1e?V'@@@@)K? ?V'@@@@@ W&@@@(Y?g7@@@@@@@@H ?@@@@@@Hhf?3@@@@@@@@@Lh@@@@@@@?
?J@@@@@@(Mf?I4@@@@@@@@@@@(MgI'@@@@@@@? 31 3@@? N@@L N1 ?J@@@@@@H?h?J@H ?7@@5?g?@@H J@@@@@ 3@@@@? ?J@@@@@@@@@@5? 3@@@@@@@@@@L ?3@@@@@1 ?@@@@@h@@@@@? ?N@@@@@@@@@@@)X?heV4@@@@@@6Kh?J@@he?O2@@@@@0YhfW&@@@(Y? ?@@@@? W2@@@@@@@@@@@@@(Y? ?@@@@@@@@@@(Y? W&@@@@H?e3@@@heJ@@@@@@@f@@@@@@@@@@@@@@@@@@@@@@@@@@heW&@(M?h?@@1 ?@@@@@@@fV4@@@@@6K? N@@@@@1? ?O&@@@(Yg?J@@@@@@@@5? ?@@@@@@?hf?N@@@@@@@@@1h@@@@@@@?
?7@@@@@@H?h@@@@@@@@@(Y?g?V'@@@@@@L N@L? N@@? ?@@1 ?@L? ?7@@@@@@he?7@? ?@@@H?gJ@@? 7@@@@5 V'@@@? ?7@@@@@@@@@@H? N@@@@@@@@@@1 ?N@@@@@@ ?@@@@@g?J@@@@@? @@@@@@@?I'@@)KhfI4@@@@@@6Kg?7@@h?O2@@@@@(Mhf?O&@@@@H ?@@@@? ?O&@@@@@@@@@@@@@(Y O2@@6KeO2@@@@6K ?O&@@@@@@@@@@Y O2@6K? ?W&@@@@@fV'@@)Kg?O&@@@@@@5f3@@@?@@@@@@@@@@@@@@@@@@@@@h?W&@@Hhe?3@@ ?@@@@@@@gI'@@@@@6X? ?@@@@@@? ?O2@@@@(Y?g?7@@@@@@@@H? ?@@@@@@? 3@@@@@@@@@L?g@@@@@@@?
?@@@@@@5he3@@@@@@@@HheV'@@@@@1 ?31? ?@@L ?3@@L? ?@1? ?@@@@@@@he?@5? J@@5h7@@? @@@@@H @@@? ?@@@@@@@@@@@ ?@@@@@@@@@@@ @@@@@@L? ?@@@@5g?7@@@@@? @@@@@@@L?V4@@@6KhfI4@@@@@@@@@@@6X@@@@6K??O2@@@@@@@@0Y?he?W2@@@@@5? ?@@@@? @@@@@@@@@@@@@@@0Y? W2@@@@@@@@@@@@@@@@@@@@@@@@@@@@@@@@@@@@@@@@@@@@@@@@@@@@@@@@@@6?2@@@@@@@@@@@@@6KO2@@@@@@@@@@@@@@@@@@@@@@@@@@@@@6?2@@@@@@@@@@@@@@@@@@@@@@@@@@@@@@@@@@6KeO26KO2@6K?eO26KfO&@@@@@@f?N@@@@@@@@6?2@@@@@@@@HfN@@@?3@@@@@@@@@@@@@@@@@@@@hO&@@5?he?N@@ ?3@@@@@@g?V'@@@@@)X ?@@@@@@? W2@@@@@@0YhJ@@@@@@@@@ ?@@@@@@? V'@@@@@@@@1?g@@@@@@@?
?@@@@@@HheN@@@@@@@5?he?N@@@@@@ ?N@? ?3@1 ?N@@1? ?3@? J@@@@@@5heJ@H? 7@@Hh@@@? @@@@@? ?7@@@L ?@@@@@@@@@@@ ?@@@@@@@@@@@ 3@@@@@1? ?@@@@Hg?@@@@@@? @@@@@@@1e?I'@@@6XhfI4@@@@@@@@@@@@@@@@@@@@@@@@@@@0M?hfW&@@@@@(Y? ?@@@@? ?J@@@@@@@@@@@@@(M? ?O&@@@@@@@@@@@@@@@@@@@@@@@@@@@@@@@@@@@@@@@@@@@@@@@@@@@@@@@@@@@@@@@@@@@@@@@@@@@@@@@@@@@@@@@@@@@@@@@@@@@@@@@@@@@@@@@@@@@@@@@@@@@@@@@@@@@@@@@@@@@@@@@@@@@@@@@@@@@@@@@@@@@@@@@@@@@@@@@@@g@@@@@@@@@@@@@@@@@@@?f?@@@?V'@@@@@@@@@@@@@@@@@@@@@@@6KO2@@@@H?hf@@ ?N@@@@@@hV'@@@@@)K? ?@@@@@@L ?W&@@@@@(Mhe7@@@@@@@@5 ?@@@@@@L ?N@@@@@@@@@?g@@@@@@@?
?@@@@@@?he?@@@@@@@H?hf@@@@@@ @? ?N@@L? @@@? ?N@? 7@@@@@@Hhe75 ?J@@@?f?@@@@@@L ?J@@@@5? ?@@@@1 ?@@@@@@@@@@5 ?@@@@@@@@@@@ N@@@@@@? ?@@@@?g?@@@@@@? 3@@@@@@@fN@@@@)X?hf?I4@@@@@@@@@@@@@@@@@@@@@0M ?W&@@@@@(Y ?@@@5? W&@@@@@@@@@@@@(Y ?O2@@@@@@@@@@@@@@@@@@@@@@@@@@@@@@@@@@@@@@@@@@@@@@@@@@@@@@@@@@@@@@@@@@@@@@@@@@@@@@@@@@@@@@@@@@@@@@@@@@@@@@@@@@@@@@@@@@@@@@@@@@@@@@@@@@@@@@@@@@@@@@@@@@@@@@@@@@@@@@@@@@@@@@@@@@@@@@@@@@5e?W2@@@@@@@@@@@@@@@@@@@@?f?@@@eV'@@@@@@@@@@@@@@@@@@@@@@@@@@@@@@ @@ @@@@@@h?V'@@@@@@6K? ?3@@@@@1 W&@@@@@(Y?he@@@@@@@@@H ?O2@6Kg?@@@@@@1 @@@@@@@@@Lg@@@@@@@?
?@@@@@@?he?3@@@@@@ @@@@@@ 3L @@1? 3@@? @L ?J@@@@@@@?h?J@H ?7@@@?f?@@@@@@)X? ?7@@@@H? ?@@@@@ J@@@@@@@@@@H ?3@@@@@@@@@@L? ?3@@@@@L ?@@@@?g?@@@@@@? N@@@@@@@f?@@@@@)K I4@@@@@@@@@@@@@@0M W&@@@@@0Y? ?@@@H? 7@@@@@@@@@@@@0Y? ?O2@@@@@@@@@@@@@@@@@@@@@@@@@@@@@@@@@@@@@@@@@@@@@@@@@@@@@@@@@@@@@@@@@@@@@@@@@@@@@@@@@@@@@@@@@@@@@@@@@@@@@@@@@@@@@@@@@@@@@@@@@@@@@@@@@@@@@@@@@@@@@@@@@@@@@@@@@@@@@@@@@@@@@@@@@@@@@@@@@@@0Ye?7@@(?40?4@@@@@@@@@@@@5?f?@@@e?V'@@@@@@@@@@@@@@@@@@@@@@@@@@@ @@ @@@@@@L?hV4@@@@@@@6K? ?N@@@@@@ ?O&@@@@@(Yhe?J@@@@@@@@5? ?W2@@@@@(?f?@@@@@@@L? 3@@@@@@@@)X?e?J@@@@@@@? ?@
?@@@@@@?he?N@@@@@@ @@@@@@ N1 3@@? N@@L 31 ?7@@@@@@5?h?7@? ?@@@@?f?@@@@@@@)X J@@@@@ ?@@@@@ 7@@@@@@@@@@? ?N@@@@@@@@@@1? ?N@@@@@1 J@@@@?g?@@@@@5? ?@@@@@@@gI'@@@@6X ?I'@@@@@0M ?O&@@@@(M? ?@@@ ?J@@@@@@@@@@@(M? W2@@@@@@@@@@@@@@@@@@@@@@@@@@@@@@@@@@@@@@@@@@@@@@@@@@@@@@@@@@@@@@@@@@@@@@@@@@@@@@@@@@@@@@@@@@@@@@@@@@@@@@@@@@@@@@@@@@@@@@@@@@@@@@@@@@@@@@@@@@@@@@@@@@@@@@@@@@@@@@@@@@@@@@@@@@@@@@@@@@@@(MfJ@@@H?he@@@@@@H?f?@@@L?eV'@@@@@@@@@@@@@@@@@@@@@@@@@5 @@ @@@@@@1?heI4@@@@@@@6K? @@@@@@ ?O2@@@@@@@@@H?heW&@@@@@@@@H? O&@@@@@(Y?f?@@@@@@@)X V'@@@@@@@@)Ke?7@@@@@@@? ?@
?@@@@@@?hf@@@@@@ @@@@@@ ?@ N@@L ?@@1 N@L? ?@@@@@@@H?h?@5? J@@@5?f?@@@@@@@@)X? 7@@@@@ ?3@@@@L? @@@@@@@@@@@? @@@@@@@@@@@? 3@@@@@ 7@@@@?g?@@@@@H? ?@@@@@@@L?f?V'@@@@)K? N@@(M? ?W2@@@@@(Y ?@@@ ?7@@@@@@@@@@(Y ?W&@@@@@@@@@@@@@@@@@@@@@@@@@@@@@@@@@@@@@@@@@@@@@@@@@@@@@@@@@@@@@@@@@@@@@@@@@@@@@@@@@@@@@@@@@@@@@@@@@@@@@@@@@@@@@@@@@@@@@@@@@@@@@@@@@@@@@@@@@@@@@@@@@@@@@@@@@@@@@@@@@@@@@@@@@@@@@@@@@@@@0Y?f7@@5hf@@@@@5g?@@@1?e?V'@@@@@@@@@@@@@@@@@@@@@@@@H 3@ 3@@@@@@?hfI'@@@@@@@6K? W2@@@@@@@@gO@K?e?O2@@@@@@@@@@@he?O&@@@@@@@@@ W-X? ?O2@@@@@@@(Yg?@@@@@@@@)K?hf?N@@@@@@@@@@6K?@@@@@@@@?
?@@@@@@?hf@@@@@@ @@@@@@ ?@L? ?@@1 ?3@@ ?31? J@@@@@@5he?@H? 7@@@H?f?@@@@@@@@@)K @@@@@5 ?N@@@@1? ?J@@@@@@@@@@@? @@@@@@@@@@@? N@@@@@ @@@@@?g?@@@@@ ?3@@@@@@1?gV4@@@@@6X? ?@@H O&@@@@@0Y? ?@@@ J@@@@@@@@@@(Y? O&@@@@@@@@@@@@@@@@@@@@0Mhe?I@MI4@@0MeI40Me?@@@@@@? I4@@@@@(M?hf?I'@@@@@@@@@(Mh?J@@@Hhe?J@@@@(Yg?3@@@?fV4@@@@@@@@@@@@@@@@@@@@@@@? N@L? N@@@@@@?hf?V4@@@@@@@@@@6K?he?W&@@@@@@@@@@@@@@@@@@@@@@@@@@@@@@@@@@@@@@@@@@@@@@@@@@@@@@@@@@@@@@@@@@@@@@@@@@@@@@@@@@6KO@KfO2@6K? ?W&@)X ?O2@@@@@@@@0Y?g?3@@@@@@@@@@@@6Khe3@@@@@@@@@@@@@@@@@@@@?
?@@@@@@?hf@@@@@@ @@@@@@ ?31? ?3@@ ?N@@L? ?N@? 7@@@@@@HheJ5 @@@5g?@@@@@@@@@@@6X ?J@@@@(Y @@@@@? ?7@@@@@@@@@@5? @@@@@@@@@@@? ?@@@@@L? @@@@@?gJ@@@@@ ?N@@@@@@@?hI'@@@@)K ?@@? O2@@@@(M ?@@@ 7@@@@@@@@@(Y ?W2@@@@@@@@@@@@@@@@@@@0M ?@@@@@@? W@@@@H ?@@@@@@@@@heW&@@5?heW&@@@(Y?g?N@@@?gI'@@@@@@@@@@@@@@@@@@@@@? ?@1? ?@@@@@@L ?I4@@@@@@@@@@6K?h?7@@@@@@@@@@@@@@@@@@@@@@@@@@@@@@@@@@@@@@@@@@@@@@@@@@@@@@@@@@@@@@@@@@@@@@@@@@@@@@@@@@@@@@@@@@@@@@@@@@@@@@@@@@@@@@@@@@@@@@@@@@@6?&@@@1 ?O2@@@@@@@@0M?h?N@@@@@@@@@@@@@@@?hN@@@@@@@@@@@@@@@@@@@@?
?@@@@@@Lhf@@@@@@hf?J@@@@@@ ?N@L ?N@@L? 3@1? @L @@@@@@5?he7H ?J@@@Hg?@@@@@@@@@@@@)K? ?'@@@(Y? @@@@@? ?@@@@@@@@@@@H? 3@@@@@@@@@@? ?3@@@@1? @@@@@?g7@@@@@ @@@@@@@?h?V4@@@@@@6K?hf?@@? ?O2@@@@@@0Y? W2@@@@@@@@@6K? J@@@ ?J@@@@@@@@@(Y? O&@@@@@@@@@@@@@@@@0M ?3@@@@@? 7@@@5? 7@@@@@@@@@)Xg?W&@@(Y?h?W&@@@@Hhe@@@?g?V4@@@@@@@@@@@@@@@@@@@@L ?@@L ?3@@@@@1 ?I4@@@@@@@@@@6K?g?@@@@@@@@@@@@@@@@@@@@@@@@@@@@@@@@@@@@@@@@@@@@@@@@@@@@@@@@@@@@@@@@@@@@@@@@@@@@@@@@@@@@@@@@@@@@@@@@@@@@@@@@@@@@@@@@@@@@@@@@@@@@@@@@@@@ ?O2@@@@@@@@0M?hf3@@@@@@@@@@@@@@?h?3@@@@@@@@@@@@@@@@@@@?
?@@@@@@)X?he@@@@@@hfW&@@@@@@ @1 @@1? N@@? @1 ?J@@@@@@H?h?J@? ?7@@@?gJ@@@@@@@@@@@@@@@6X ?V4@0Y @@@@@? ?@@@@@@@@@@@ N@@@@@@@@@@? ?N@@@@@L @@@@5?g@@@@@@ @@@@@@@?he?I4@@@@@@@@6K?hJ@@? O2@@@@@@@0M? ?W&@@@@@@@@@@@@@@@@@@@@6K? 7@@@ ?7@@@@@@@@0Y W2@@@@@@@@@@@@@@@0M? ?N@@@@@? @@@(Y? @@@@@@@@@@@)X?fW&@@(Yhe?7@@@@5?he@@@Lh?I4@@@@@@@@@@@@@@@@@@@ ?3@1 ?N@@@@@@ I4@@@@@@@@@@@@@@@@@@@@@@@@@@@@@@@@@@@@@@@@@@@@@@@(M?hf?@@@@@@@@@@(M? ?I@?4@@@@@@@@0M?eI4@@0M?I@?40M?I4@@@0?'@@@@ ?O2@@@@@@@0M V'@@@@@@@@@@@@@?h?V'@@@@@@@@@@@@@@@@@@?
?@@@@@@@)KhfI@M?he?W&@@@@@@@ 3@ 3@@? ?@@L 3@ ?7@@@@@@he?75? ?@@@5?g7@@@@@@@@@@@@@@@@)X? @@@@@? ?@@@@@@@@@@5 ?@@@@@@@@@@L @@@@@1 @@@@H?g@@@@@@ @@@@@@@? I4@@@@@6K?f?O&@@?hfO2@@@@@@@0M? W&@@@@@@@@@@@@@@@@@@@@@@@@@@@@@@@@@@@@@@@@@@6?2@@@6K 3@@@ J@@@@@@@@? ?O&@@@@@@@@@@@@@0M @@@@@? ?J@@(Y 3@@@@@@@@@@@)Xe?W&@@(Y?heJ@@@@(Y?he@@@1 @@@@@H ?N@@ @@@@@@ I4@@@@@@@@@@@@@@@@@@@@@@@@@@@@@@@@@@@@@@@@@@@@(Y ?@@@@@@@@@(Y ?N@@@@ ?O2@@@@@@@0M ?N@@@@@@@@@@@@@?heV'@@@@@@@@@@@@@@@@@?
?3@@@@@@@@6K O&@@@@@@@5 N@L? N@@L ?@@1 N@L? J@@@@@@5heJ@H? J@@@H?f?J@@@@@@@@@@@@@@@@@@)K 3@@@@L J@@@@@@@@@@H ?@@@@@@@@@@1 @@@@@@ @@@@h@@@@@5 @@@@@@@? I4@@@@@@@@@@@@@@@@6?2@@@@@@@@@@@@@@@0M ?W&@@@@@@@@@@@@@@@@@@@@@@@@@@@@@@@@@@@@@@@@@@@@@@@@@@@@6K? ?@@@ ?W&@@@@@@@@? ?W2@@@@@@@@@@@@@0M @@@@@L W&@@H? N@@@@@?I4@@@@)X?W&@@(Yhe?W&@@@0Yhf3@@@ @@@@@L @@ @@@@@@L? ?I4@@@@@@@@@@@@@@@@@@@@@@@@@@@@@@@@@@@@@@@@0Y? J@@@@@@@@(Y? @@@@ O2@@@@@@@@0M @@@@@@@@@@@@@?he?V'@@@@@@@@@@@@@@@@?
?N@@@@@@@@@@@? O2@@@@@@@@@H ?3)X ?@@1 ?3@@ ?@1? 7@@@@@@Hhe7@ 7@@5g?7@@@@@@@@@@@@@@@@@@@@6K N@@@@1 7@@@@@@@@@@? ?@@@@@@@@@@@ 3@@@@@L? ?J@@@@h@@@@@H @@@@@@@L ?I4@@@@@@@@@@@@@@@@@@@@@@@@@@@@0M? O&@@@@@@@@@@@@@@@@@@@@@@@@@@@@@@@@@@@@@@@@@@@@@@@@@@@@@@@6X? 7@@@ ?7@@@@@@@? O&@@@@@@@@@@@(M? @@@@@1 7@@@ ?@@@@@f@@@@)?&@@@g?O2@@?W&@@@? N@@@ @@@@@1 @@ @@@@@@1? I4@@@@@@@@@@@@@@@@@@0Mg@@@@@(M? ?W&@@@@@@@@H @@@@@@L? O2@@@@@@@@0M ?I4@@@@@@@@@@?hfV'@@@@@@@@@@@@@@5?
3@@@@@@@@@@? ?@@@@@@@@@@@5? ?N@1 ?3@@ ?N@@L? ?3@? @@@@@@@?he@5 @@@Hg?@@@@@@@@@@@@@@@@@@@@@@@6X ?@@@@@ @@@@@@@@@@@? ?@@@@@@@@@@@ N@@@@@1? ?7@@@@h@@@@@? 3@@@@@@1 I4@@@@@@@@@@@@@@@@@@@@@0M? W2@@@@@@@@@@@@@@@@@@@@@@@@@@@@@@@@@@@@@@@@@@@@@@@@@@@@@@@@@@)K @@@@ J@@@@@@@5? W2@@@@@@@@@@@@0Y @@@@@@ @@@@L? ?3@@@@f3@@@@@@@@@)Ke?O2@@@@W&@@@@? ?@@@L? 3@@@@@L? @@L? @@@@@@@? ?I4@0Mh?J@@@@@H ?7@@@@@@@@5? ?J@@@@@@1? O2@@@@@@@@0M ?I@?4@@@@@@?hf?V4@@@@@@@@@@@@(Y?
N@@@@@@@@@@? ?@@@@@@@@@@@H? @@ ?N@@L? @@1? ?N@? ?J@@@@@@5?he@H ?@@@@@@6X? ?J@@@?gJ@@@@@@@@@@@@@@@@@@@@@@@@)K? ?@@@@@ @@@@@@@@@@5? ?@@@@@@@@@@@ ?@@@@@@? ?@@@@@h@@@@@? N@@@@@@@ I'@@@@@@@0M? ?W&@@@@@@@@@@@@@@@@@@@@@@@@@@@@@@@@@@@@@@@@@@@@@@@@@@@@@@@@@@@@@6X @@@@ ?W&@@@@@@(Y? ?W&@@@@@@@@@@@(M @@@@@@ @@@@1? ?N@@@@fV4@@@@@@@@@@@@@@@@@@@@@@@@@? ?@@@1? N@@@@@1? @@1? 3@@@@@@? W&@@@@@? J@@@@@@@@(Y? ?7@@@@@@@? W2@@@@@@@@0M ?I4@@@@? ?I4@@@@@@@@@(Y
?3@@@@@@@@@? ?@@@@@@@@@@5 3@ @@1? 3@@? @? ?7@@@@@@H?h?J5? J@@@@@@@)X ?7@@@?g7@@@@@(MI4@@@@@@@@@@@@@@@@@6K? ?@@@@@ @@@@@@@@@@H? ?3@@@@@@@@@@ ?3@@@@@L ?@@@@@g?J@@@@@? ?3@@@@@@L? ?N@@ W&@@@@@@@@@@@@@@@@@@@@@@@@@@@@@@@@@@@@@@@@@@@@@@@@@@@@@@@@@@@@@@@)X? @@@5 W&@@@@@@(Y ?7@@@@@@@@@@@0Y? @@@@@@ @@@@@? @@@@g?I'@@@@@@@@@@@@@@@@@@@@@5? ?@@@@? ?@@@@@@? 3@@? N@@@@@@? 7@@@@@5? ?W&@@@@@@@@H ?@@@@@@@@@6KO@K? ?O&@@@@@@@0M I4@@@@@0Y?
?V'@@@@@@@@? ?@@@@@@@@@@H N@ 3@@L N@@? 3L ?@@@@@@@he?7H? ?W&@@@@@@@@)X? J@@@5?f?J@@@@@@H?eI'@@@@@@@@@@@@@@@@@6K? ?@@@@@ ?J@@@@@@@@@@ ?N@@@@@@@@@@L? ?N@@@@@1 ?@@@@@g?7@@@@@? ?N@@@@@@1? @@ ?W&@@@@@@@@@@@@@@@@@@@@@@@@@@@@@@@@@@@@@@@@@@@@@@@@@@@@@@@@@@@@@@@@@1? @@@H ?W&@@@@@@@H? ?@@@@@@@@@@@ W2@6X? @@@@@@ @@@@@? @@@@L?gV'@@@@@@@@@@@@@@@@@@@(Y? ?@@@@? ?@@@@@@L N@@? ?@@@@@@L ?J@@@@@@H? ?7@@@@@@@@@? W2@@@@@@@@@@@@@@@@@@@@@@@@@@6K ?O2@@@@@@@@0M?
V4@@@@@@@? ?@@@@@@@@@5? ?@L? N@@1 ?@@L N1 J@@@@@@5heJ@ ?7@@@@@@@@@@1? 7@@@H?f?7@@@@@5f?V4@@@@@@@@@@@@@@@@@@6X? ?@@@@@ ?7@@@@@@@@@@ @@@@@@@@@@1? 3@@@@@ ?@@@@5g?@@@@@@? @@@@@@@? ?J@@ ?7@@@@@@@@@@@@@@@@@@@@@@@@@@@@@@@@@@@@@@@@@@@@@@@@@@@@@@@@@@@@@@@@@@@L @@@? ?7@@@@@@@@ J@@@@@@@@@@@ 7@@@1? 3@@@@@ @@@@@? 3@@@1?W2@@e?V'@@@@@@@@@@@@@@@@@(Y ?@@@@L ?@@@@@@1 ?@@L ?@@@@@@1 W&@@@@@5 J@@@@@@@@@5? ?O&@@@@@@@@@@@@@@@@@@@@@@@@@@@@@6K ?O2@@@@@@@@0M?
I4@@@@@? ?@@@@@@@@(Y? ?@)X ?@@@ ?@@1 J@L? ?W&@@@@@@?he7@ J@@@@@@@@@@@@? @@@@g?@@@@@@Hg?I'@@@@@@@@@@@@@@@@@)K ?3@?@@L? J@@@@@@@@@@5 @@@@@@@@@@@? N@@@@@L? ?@@@@Hg?@@@@@@? @@@@@@@? ?7@@ J@@@@@@@@@@@@@@@@@@@@@@@@@@@@@@@@@@@@@@@@@@@@@@@@@@@@@@@@@@@@@@@@@@@@1 @@@? ?@@@@@@@@5 7@@@@@@@@@@@ @@@@@? N@@@@@ 3@@@@? N@@@@W&@@5fV4@0MI4@@@@@@@@@@0Y? ?3@@@1 ?@@@@@@@ ?@@1 ?@@@@@@@ 7@@@@@(Y ?W&@@@@@@@@0Y? O2@@@@@@@@@@@@@@@@@@@@@@@@@@@@@@@@@@@@@6X? ?O2@@@@@@@@0M?
I4@@@? ?@@@@@@@0Y O26?@?@K ?@@)K? ?@@@ ?@@@ ?O&@)K ?O26K? O&@@@@@@@)K?h@@ ?O&@@@@@@@@@@@@L @@@5gJ@@@@@@?hV4@@@@@@@@@@@@@@@@@@6X ?N@?@@1? 7@@@@@@@@@@H @@@@@@@@@@@? ?@@@@@1? ?@@@@?g?@@@@@@? @@@@@@@? J@@@L? ?W&@@@@@0Me@@@@@@@@@@@@@@@@@@@@@@@@@@@@@@@@@@@@@@@@@@@@@@@@@@@@@@@@@@@@L? @@@? J@@@@@@@@H ?J@@@@@@@@(M @@@@@? ?@@@@@ N@@@@? ?@@@@@@@@Hhf?@@@@@@(M? ?N@@@@ ?3@@@@@@ ?@@@ ?@@@@@@@L? @@@@@@H? ?7@@@@@@@(M? O2@@@@@@@@@@@@@@@@@@@@@@@@@@@@@@@@@@@@@@@@)K O2@@@@@@@@@0M?
?@@@@@0M @@@@@@@@@@@@@@@@@@@@@@@@@@@@@@@@@@@@@@@@@@@@@@@@@@@@@@@@@@@@@@6KO2@@@@@@@@@@@@@@@@@@@@@@@@@@@@@@@@@@@@@@@@@@@@@@@@@@@@@@@@@@@@@@@@@@@@@@@@@@@@@@@@@@@@@@@@@@@@@@@@@@@@@@@@@@@@@@@@@@@@@@@@@@@@@@@@@@@@@@@@@@@@@@@@@@@@@@@@@@@@@@@@@@@@@@@@@@@@@@@@@@@@@@@@@@@@@@@@@@@@@@@@@@@@@@@@@@@@@@@@@@@@@@@@@@@@@@@@@@@@@@@@@@@@@@@@@@@@@@@@@@@@@@@@@1 @@@Hg7@@@@@@?heI4@@@@@@@@@@@@@@@@@)K? @?3@@? @@@@@@@@@@@? 3@@@@@@@@@@? ?3@@@@@L ?@@@@?g?@@@@@@? @@@@@@@? ?O&@@@)KeO2@@@@@@@@@6K?gO2@6K??O2@@@6Xh?7@@@@(Mf@Y@@@@@@@@@@@@@@@@@@@@@@@@@@@@@@@@@@@@@@@@@@@@@@@@@@@@@@@@@@1? @@@? 7@@@@@@@5? W&@@@@@@@(Y? @@@@@? ?@@@@@ ?@@@@? ?@@@@@@@@?hf?@@@@@@H @@@@ ?N@@@@@@ ?@@@ ?@@@@@@@1? ?J@@@@@5 J@@@@@@@(Y W2@@@@@@@@@@@@@@@@@@@@@@@@@@@@@@@@@@@@@@@@@@@@6X O2@@@@@@@@0M
3@@@@@@@@@@@@@@@@@@@@@@@@@@@@@@@@@@@@@@@@@@@@@@@@@@@@@@@@@@@@@@@@@@@@@@@@@@@@@@@@@@@@@@@@@@@@@@@@@@@@@@@@@@@@@@@@@@@@@@@@@@@@@@@@@@@@@@@@@@@@@@@@@@@@@@@@@@@@@@@@@@@@@@@@@@@@@@@@@@@@@@@@@@@@@@@@@@@@@@@@@@@@@@@@@@@@@@@@@@@@@@@@@@@@@@@@@@@@@@@@@@@@@@@@@@@@@@@@@@@@@@@@@@@@@@@@@@@@@@@@@@@@@@@@@@@@@@@@@@@@@@@@@@@@@@@@@@@@@@@@@@@@@@@@@@@ ?J@@@?g@@@@@@@?hfI'@@@@@@@@@@@@@@@@@6X? ?@@? @@@@@@@@@@@? N@@@@@@@@@@L ?N@@@@@1 ?@@@@?g?@@@@@5? 3@@@@@@L @@@@@@@@@@@@@@@@@@@@@@@@@@@@@@@@@@@@@@@@@@@1h?@@?@@h@@@@@@@@@@@@@@@@@@@@@@@@@@@@@@@@@@@@@@@@@@@@@@@@@@@@@@@@@@@? @@@? )X @@@@@@@@H? ?W&@@@@@@@(Y @@@@@? ?@@@@@ ?@@@@? ?@@@@@(M ?3@@@@@? @@@@ 3@@@@@ ?3@@ ?3@@@@@@@? ?7@@@@(Y ?W&@@@@@@@H? ?O&@@@@@@@@@@@@@@@@@@@@@@@@@@@@@@@@@@@@@@@@@@@@@@)X? ?O2@@@@@@@@@0M
V40MI40M ?I'@@(M?h?I4@@0M?hI@MI@Mhe?I4@@@@@@@@@@@@@@@0MfI4@@@@@@@@@@@@0M ?I'@(M I@M?hI4@0M?I4@@@@@@0?4@@@@@@@@@@@@@@@0MI@MI4@@@@@@@@@@@@@@@@@@@@@@0MI40M?eI4@@@0M?I4@@0?4@@@@@@@@@@@@@@@@@@@@@@@@@ ?7@@5?f?J@@@@@@5?hf?V4@@@@@@@@@@@@@@@@@)X ?W&@@L @@@@@@@@@@5? ?@@@@@@@@@@1 @@@@@@ J@@@@?g?@@@@@H? N@@@@@@)X? @@@@@@@@@@@@@@@@@@@@@@@@@@@@@@@@@@@@@@@@@@@@gW2@@@@@@)Kf?J@@e?@@@@@@@@@@@@@@@@@@@@@@@@@@@@@@@@@@@@@@@@@@@@@@@@@@@@@@L @@@? @) @@@@@@@5 ?7@@@@@@@(Y? 3@@@@? ?@@@@@L? ?3@@@? ?@@@@@H? ?N@@@@@? 3@@@ N@@@@@ ?N@@ ?N@@@@@@@? J@@@@@H? W&@@@@@@@@ W2@@@@@@@@@@@@@@@@@@@@@@@@@@@@@@@@@@@@@@@@@@@@@@@@@@)X O2@@@@@@@@@@0M
V'@H ?@@@ I'@@ N@ @@@@@@@?he@@ ?I'@@@@@@@@@@@@5 ?@@@H?f?7@@@@@@H? ?I4@@@@@@@@@@@@@@@@)K? ?7@@@1 ?J@@@@@@@@@@H? ?@@@@@@@@@@@ @@@@@@L? 7@@@@?g?@@@@@ ?@@@@@@@1? @@@@@@@@@@@@@@@@@@@@@@@@@@@@@@@@@@@@@@@@@@@@g7@@@@@@@@@6XeO&@@@@@@@@@@@@@@@@@@@@@@@@@@@@@@@@@@@@@@@@@@@@@@@@@@@@@@@@@@@1 ?J@@@? @@@@@@@H J@@@@@@@@H N@@@@L ?@@@@@1? ?N@@@@6X ?3@@@@ 3@@@@? N@@@ ?@@@@@ ?J@@ @@@@@@@? 7@@@@5 ?W&@@@@@@@@@ ?W&@@@@@@@@@@@@@@@@@@@@@@@@@@?h?I4@@@@@@@@@@@@@@1 O2@@@@@@@@@@0M
?N@? ?@@@ ?N@@L? ?31? ?J@@@@@@@?he@5 V'@@@@@@@@@@(Y J@@@g?@@@@@@@ ?I'@@@@@@@@@@@@@@@@6K? ?@@@@@ ?7@@@@@@@@@@ ?@@@@@@@@@@@ 3@@@@@1? @@@@@?g?@@@@@ ?@@@@@@@@L @@@@@@@@@@@@@0?40MeI@M?I40MI4@@@@@@0?4@@@@@f?J@@@@@@@@@@@)?2@@@@@@@@@@@@@@@@@@@@@@@@@@@@@@@@@@@@@@@@@@@@@@@@@@@@@@@@@@@@@@ ?7@@@? ?J@@@@@@5? ?W&@@@@@@@5? ?3@@@1 ?3@@@@@? @@@@@1 ?N@@@@ N@@@@? ?@@@ ?@@@@@ W&@@@@@6K?he@@@@@@@L ?J@@@@@H ?7@@@@@@@@@@ W&@@@@@@@@@@@@@@@@@@@@@@@@@@@?hfI4@@@@@@@@@@@@L? O2@@@@@@@@@0M?
@L ?3@@L? @@1? ?N@? ?7@@@@@@5?h?J@H ?V4@@@@@@@@0Y? 7@@@gJ@@@@@@5 V4@@@@@@@@@@@@@@@@@@6X W-X? ?@@@@@ ?@@@@@@@@@@@ ?@@@@@@@@@@@ N@@@@@@L @@@@@?gJ@@@@@ ?3@@@@@@@1 @@@? @@@@fO&@@@@@@@@@@@@@@@@@@@@@@@@@@@@@@@@@@@@@@@@@@@@@@@@@@@@@@@@@@@@@@@@@@@@@@@@@@@@L? ?@@@@? O2@@@@@@@@@@@6KO2@@@6?2@6K?O@K ?7@@@@@(Y? W&@@@@@@@(Y? ?N@@@@ ?N@@@@@? @@@@@@ @@@@ ?@@@@L ?3@@L? ?@@@@@ ?O&@@@@@@@@@@@@@@6K?e@@@@@@@1 ?7@@@@@? J@@@@@@@@@@@ ?O&@@@@@@@@@@@@@@@@@@@@@@@@@@@@@@?hf?I'@@@@@@@@@)K ?O2@@@@@@@@@@0M?
31 ?N@@1? 3@@? @? ?@@@@@@@H?h?75? ?I4@@@@0M? @@@@g7@@@@@@H I'@@@@@@@@@@@@@@@@@)X? 7@1? ?@@@@@ ?@@@@@@@@@@5 ?3@@@@@@@@@@L? ?@@@@@@1 @@@@@?g7@@@@@ ?N@@@@@@@5 @@@? @@@@@6?2@@@@@@@@@@@@@@@@@@@@@@@@@@@@@@@@@@@@@@@@@@@@@@@@@@@@@@@@@@@@@@@@@@@@@@@@@@@@@@1? ?@@@@? W2@@@@@@@@@@@@@@@@@@@@@@@@@@@@@@@@@@@@@@@@@@@@@@@@@@@@@@@@@@@@@@@@@@@@@@@@@@@6KO2@@@@@@@@@@@@@@@@@@@@@@@@@@@@@@@@@@@@@@@@@@@@@@@@@@@@@@@@@@@@@@@@@@@@@@@@@@@@@@@@@@@@@@@@@@@@@@@@@@@@@@@@@@@@@@@@@@@@@@@@@@@@@@@@@@@@@@@@@@@@@6KO2@@@@@@6KO@?@?2@6K?O2@@@6?2@@@@@@@@@@@@@@@@@@@@6?26?2@6K?fO2@@@@6?2@@@6?@KheO2@@@@6K?O26KO2@@@@@@@6K J@@@@@@H ?W&@@@@@@@@H @@@@ @@@@@? @@@@@@ @@@@gW2@?h?@@@@1 ?N@@1? ?3@@@@L?heW2@@@@@@@@@@@@@@@@@@@6K?@@@@@@@@ J@@@@@5?hf?W&@@@@@@@@@@5 ?W2@@@@@@@@@@@@@(Y@@@@@(MI'@@@@@@@5?e?@heV'@@@@@@@@@@6X ?O2@@@@@@@@@0M
?@@@@@@? N@L? @@@? N@@? @? ?@@@@@@5heJ@H? ?J@@@5f?J@@@@@@@? ?V'@@@@@@@@@@@@@@@@@)X @@5? ?@@@@@ J@@@@@@@@@@H ?N@@@@@@@@@@1? ?3@@@@@@ @@@@@?g@@@@@@ @@@@@@@H @@@? @@@@@@@@@@@@@@@@@@@@@@@@@@@@@@@@@@@@@@@@@@@@@@@@@@@@@@@@@@@@@@@@@@@@@@@@@@@@@@@@@@@@@@@? ?@@@@? ?O&@@@@@@@@@@@@@@@@@@@@@@@@@@@@@@@@@@@@@@@@@@@@@@@@@@@@@@@@@@@@@@@@@@@@@@@@@@@@@@@@@@@@@@@@@@@@@@@@@@@@@@@@@@@@@@@@@@@@@@@@@@@@@@@@@@@@@@@@@@@@@@@@@@@@@@@@@@@@@@@@@@@@@@@@@@@@@@@@@@@@@@@@@@@@@@@@@@@@@@@@@@@@@@@@@@@@@@@@@@@@@@@@@@@@@@@@@@@@@@@@@@@@@@@@@@@@@@@@@@@@@@@@@@@@@@@@@@@@@@@@@@@@@@@@@@@@@@@@@@@@@@@@@@@@@@@@@@@@@@@@@@@@@@@@@@@@@@@6X 7@@@@@@? ?7@@@@@@@@5? 3@@@L? @@@@@? @@@@@@ 3@@@f?W&@@?h?@@@@@ @@@? ?N@@@@1?h?O&@@@@@@@@@@@@@@@@@@@@@@@@@@@@@@@ 7@@@@(Y?hfW&@@@@@@@@@@0Y W&@@@@@@@@@@@@@0Y?3@@@0YeV'@@@@@@H? ?V4@@@@@@@@@@)X? ?O2@@@@@@@@@0M
?@@@@@@L ?@1? 3@@L ?@@L J@@@@@@Hhe7@ ?7@@@Hf?7@@@@@@5? V4@@@@@@@@@@@@@@@@@)K? ?W2@@@H? ?@@@@@ 7@@@@@@@@@@? @@@@@@@@@@@? ?N@@@@@@ @@@@5?g@@@@@@ @@@@@@@L @@@? 3@@@@@@@@@@@@@@@@@@@@@(M?@@@@@@@@@@@@@@@@@@@@@@@@@@@@@@@@@@@@@@@@@@@@@@@@@@@@@@@@@@@@@@L ?@@@@? ?O2@@@@@@@@@@@@@@@@@@@@@@@@@@@@@@@@@@@@@@@@@@@@@@@@@@@@@@@@@@@@@@@@@@@@@@@@@@@@@@@@@@@@@@@@@@@@@@@@@@@@@@@@@@@@@@@@@@@@@@@@@@@@@@@@@@@@@@@@@@@@@@@@@@@@@@@@@@@@@@@@@@@@@@@@@@@@@@@@@@@@@@@@@@@@@@@@@@@@@@@@@@@@@@@@@@@@@@@@@@@@@@@@@@@@@@@@@@@@@@@@@@@@@@@@@@@@@@@@@@@@@@@@@@@@@@@@@@@@@@@@@@@@@@@@@@@@@@@@@@@@@@@@@@@@@@@@@@@@@@@@@@@@@@@@@@@@@@@@@@)?)X? ?J@@@@@@@? ?@@@@@@@@(Y? N@@@1? ?J@@@@@? 3@@@@@ N@@@fW&@@5?h?3@@@@ @@@? @@@@@?gO2@@@@@@@@@@@@@@@@@@@@@@@@@@@@@@@@@@L? ?J@@@@@H 7@@@@@@@(M ?W&@@@@@@@@@@@@0M?eV40Mf?N@@@@@@ ?I'@@@@@@@@@1? O2@@@@@@@@@0M?
?@@@@@@1 ?3@? N@@1 ?3@1 ?@ 7@@@@@@?he@5 ?@@@5?f?@@@@@@@H? I4@@@@@@@@@@@@@@@@@6K? ?7@@@@ ?3@@@@L? @@@@@@@@@@5? @@@@@@@@@@@? @@@@@@L? ?J@@@@H?g@@@@@@ @@@@@@@1 @@@? N@@@@@@@@@@@@@@@@@@@@@H??@@?@@@@@@@@@@@@@@@@@@@@@@@@@@@@@@@@@@@@@@@@@@@@@@@@@@@@@@@@@@@1 ?@@@@? W2@@@@@@@@@@@@@@@@@@@@@@@@@@@@@@@@@@@@@@@@@@@@@@@@@@@@@@@@@@@@@@@@@@@@@@@@@@@@@@@@@@@@@@@@@@@@@@@@@@@@@@@@@@@@@@@@@@@@@@@@@@@@@@@@@@@@@@@@@@@@@@@@@@@@@@@@@@@@@@@@@@@@@@@@@@@@@@@@@@@@@@@@@@@@@@@@@@@@@@@@@@@@@@@@@@@@@@@@@@@@@@@@@@@@@@@@@@@@@@@@@@@@@@@@@@@@@@@@@@@@@@@@@@@@@@@@@@@@@@@@@@@@@@@@@@@@@@@@@@@@@@@@@@@@@@@@@@(Mg?I4@@@@@@@@@@@@@@@@@@@)X ?@@@@@@@@? ?@@@@@@@@H ?@@@@? ?@@@@@@? N@@@@@ ?@@@L??W&@@(Y?h?N@@@@L? @@@L 3@@@@LfW2@@@@@@@@@@@@@@@@@@@@@@@@@@@@@@@@@@@@1? ?7@@@@@?hf?J@@@@@@@(Y? W&@@@@@@@@@@@(M? @@?@@@ V4@@@@@@@@@L ?O2@@@@@@@@@@0M?
?@@@@@@@L? ?N@L ?@@@ ?N@@ @@@@@@5?he@H J@@@H?fJ@@@@@@@ I'@@@@@@@@@@@@@@@@@@6X ?@@@@@ ?N@@@@1? @@@@@@@@@@H? @@@@@@@@@@@? 3@@@@@1? ?7@@@@h@@@@@@ @@@@@@@@ ?J@@@? ?@@@@@@@@@@@@@@@@@@@@5e?@@@@@@@@@@@@@@@@@@@@@@@@@@@@@@@@@@@@@@@@@@@@@@@@@@@@@@@@@@@@@@@L? ?@@@@? ?W&@@@@@@@@@@@@@@@@@@@@@@@@@@@@@@@@@@@@@@@@@@@@@@@@@@@@@@@@@@@@@@@@@@@@@@@@@@@@@@@@@@@@@@@@@@@@@@@@@@@@@@@@@@@@@@@@@@@@@@@@@@@@@@@@@@@@@@@@@@@@@@@@@@@@@@@@@@@@@@@@@@@@@@@@@@@@@@@@@@@@@@@@@@@@@@@@@@@@@@@@@@@@@@@@@@@@@@@@@@@@@@@@@@@@@@@@@@@@@@@@@@@@@@@@@@@@@@@@@@@@@@@@@@@@@@@@@@@@@@@@@@@@@@@@@@@@@@@@@@@@@@@@@@@@@@@@@@@hf@@@@@?g?I'@@@@)K? @@@@@@5? ?@@@@@@@@? ?3@@@L ?N@@@@@? ?@@@@@L? ?@@@1?W&@@(Yhf@@@@1? @@@1 N@@@@1e?W&@@@@@@@@0M?I'@@@?fI4@@@@@@@@@@@@@@@? J@@@@@5?hf?7@@@@@@@H 7@@@@@@@@@@@(Y @@@@@@ I'@@@@@@@1 ?O2@@@@@@@@@@0M?
?@@@@@@@)KO26KO)X? 31 ?3@@L? @@L? ?J@@@@@@H?h?J5? 7@@@g7@@@@@@@ ?V4@@@@@@@@@@@@@@@@@@)K? J@@@@5 @@@@@? @@@@@@@@@@ @@@@@@@@@@@? N@@@@@@? ?@@@@@h@@@@@5 3@@@@@@@ ?7@@@? ?@@@@@@@@@@@@@@@@@@@@He?@@@@@@@@@@@@@@@@@@@@@@@@@@@@@@@@@@@@@@@@@@@@@@@@@@@@@@@@@@@@@@@1? ?@@@@? W&@@@@@@@@@@@@@@@@@@@@@@@@@@@@@@@@@@@@@@@@@@@@@@@@@@@@@@@@@@@@@@@@@@@@@@@@@@@@@@@@@@@@@@@@@@@@@@@@@@@@@@@@@@@@@@@@@@@@@@@@@@@@@@@@@@@@@@@@@@@@@@@@@@@@@@@@@@@@@@@@@@@@@@@@@@@@@@@@@@@@@@@@@@@@@@@@@@@@@@@@@@@@@@@@@@@@@@@@@@@@@@@@@@@@@@@@@@@@@@@@@@@@@@@@@@@@@@@@@@@@@@@@@@@@@@@@@@@@@@@@@@@@@@@@@@@@@@@@@@@@@@@@@@@@@@@@@@@@1?he@@@@@?hN@@@@@@@@@@6X? ?7@@@@@@H? ?@@@@@@@@? ?N@@@1 @@@@@L ?@@@@@1? ?@@@@W&@@(Y?hf@@@@@? 3@@@ ?@@@@@eW&@@@@@@(Mf?N@@@?hI4@@@@@@@@@@@L 7@@@@@H?hfJ@@@@@@@5? ?J@@@@@@@@@@@0Y? @@@@@@@6K?hf?@@@e?V'@@@@@@@L? ?O2@@@@@@@@@0M
@@@@@@@@@@@@@@@@@@@@@@@@@@@@@@@@@@@@@@@@@@1? N@ ?N@@1? @@1? @? ?7@@@@@@he?7H? @@@5g@@@@@@@5 ?I4@@@@@@@@@@@@@@@@@@6K? 7@@@@H @@@@@? ?J@@@@@@@@@@ @@@@@@@@@@@L ?@@@@@@L ?@@@@@g?J@@@@@H N@@@@@@@ ?@@@5? J@@@@@@@@@@@@@@@@@@@@?e?@@@@@@@@@@@@@@@@@@@@@@@@@@@@@@@@@@@@@@@@@@@@@@@@@@@@@@@@@@@@@@@@L ?@@@5? 7@@@@@@@@@@@@@@@@@@@@@@@@@@@@@@@@@@@@@@@@@@@@@@@@@@@@@@@@@@@@@@@@@@@@@@@@@@@@@@@@@@@@@@@@@@@@@@@@@@@@@@@@@@@@@@@@@@@@@@@@@@@@@@@@@@@@@@@@@@@@@@@@@@@@@@@@@@@@@@@@@@@@@@@@@@@@@@@@@@@@@@@@@@@@@@@@@@@@@@@@@@@@@@@@@@@@@@@@@@@@@@@@@@@@@@@@@@@@@@@@@@@@@@@@@@@@@@@@@@@@@@@@@@@@@@@@@@@@@@@@@@@@@@@@@@@@@@@@@@@@@@@@@@@@@@@@@@@@@@?he@@@@@?h?@@@@@@@@@@@)K J@@@@@@@ J@@@@@@@@? 3@@@L? @@@@@1 ?@@@@@@? ?@@@@@@@(Y @@@@@? N@@@ ?@@@@@?W&@@@@@@0Y?g@@@?he?I'@@@@@@@@1 ?J@@@@@5hf?W&@@@@@@(Y? O&@@@@@@@@@(M? ?O2@@@@@@@@@@@6?2@@6X?f?@@@fV'@@@@@@)X ?O2@@@@@@@@@0M
@@@@@@@@@@@@@@@@@@@@@@@@@@@@@@@@@@@@@@@@@@@L ?@ 3@@? 3@@? J@@@@@@5heJ5 ?J@@@Hf?J@@@@@@@H ?I'@@@@@@@@@@@@@@@@@@6X? @@@@@? @@@@@? ?7@@@@@@@@@@ 3@@@@@@@@@@1 ?3@@@@@1 ?@@@@@g?7@@@@@? ?@@@@@@@L? ?3@@H? ?W&@@@@@@@@@@@@@@@@@@@@?e?@@@@@@@@@@@@@@@@@@@@@@@@@@@@@@@@@@@@@@@@@@@@@@@@@@@@@@@@@@@@@@@@1 ?@@@H? ?J@@@@@@@@@@@@@@@@@@@@@@@@@@@@@@@@@@@@@@@@@@@@@@@@@@@@@@@@@@@@@@@@@@@@@@@@@@@@@@@@@@@@@@@@@@@@@@@@@@@@@@@@@@@@@@@@@@@@@@@@@@@@@@@@@@@@@@@@@@@@@@@@@@@@@@@@@@@@@@@@@@@@@@@@@@@@@@@@@@@@@@@@@@@@@@@@@@@@@@@@@@@@@@@@@@@@@@@@@@@@@@@@@@@@@@@@@@@@@@@@@@@@@@@@@@@@@@@@@@@@@@@@@@@@@@@@@@@@@@@@@@@@@@@@@@@@@@@@@@@@@@@@@@@@@@@@@@@@@@5?he@@@@@?heI4@@@@@@@@@@6X 7@@@@@@@@@ 7@@@@@@@5? N@@@1? @@@@@@ ?@@@@@@? ?@@@@@@(Y? @@@@@? ?@@@L? ?@@@@@W&@@@@@(M?h@@@?hfN@@@@@@@@@ ?7@@@@@Hhf?7@@@@@@(Y ?@@@@@@@@@@@(YhfW2@@@@@@@@@@@@@@@@@@@@@@)Kf?@@@L?e?N@@@@@@@)X? ?W2@@@@@@@@@@0M?
@@@@@@@@@@@@@@@@@@@@@@@@@@@@@@@@@@@@@@@@@@@1 ?3L? N@@L N@@L 7@@@@@@Hhe7H ?7@@@?f?7@@@@@@5? V4@@@@@@@@@@@@@@@@@@)K @@@@5? @@@@@? ?@@@@@@@@@@5 N@@@@@@@@@@@ ?N@@@@@@L? ?@@@@@g?@@@@@@? ?@@@@@@@1? ?N@5 O&@@@@@@@@@@@@@@@@@@@@@?e?@@@@@@@@@@@@@@@@@@@@@@@@@@@@@@@@@@@@@@@@@@@@@@@@@@@@@@@@@@@@@@@@@L? ?@@@ W&@@@@@@@@@@@@@@@@@@@@@@@@@@@@@@@@@@@@@@@@@@@@@@@@@@@@@@@@@@@@@@@@@@@@@@@@@@@@@@@@@@@@@@@@@@@@@@@@@@@@@@@@@@@@@@@@@@@@@@@@@@@@@@@@@@@@@@@@@@@@@@@@@@@@@@@@@@@@@@@@@@@@@@@@@@@@@@@@@@@@@@@@@@@@@@@@@@@@@@@@@@@@@@@@@@@@@@@@@@@@@@@@@@@@@@@@@@@@@@@@@@@@@@@@@@@@@@@@@@@@@@@@@@@@@@@@@@@@@@@@@@@@@@@@@@@@@@@@@@@@@@@@@@@@@@@@@@@@@@H?he@@@@5?hf?I4@@@@@@@@)X? ?J@@@@@@@@@@ @@@@@@@@H? ?@@@@L @@@@@@ ?@@@@@@? ?3@@@@(Y 3@@@@? ?@@@1? ?@@@@@@@@@@@(Yhe@@@?hf?3@@@@@@@@ ?@@@@@5?hfJ@@@@@@(Y? J@@@@@@@@@@0Y?he?O&@@@@@@@@@@@@@@@@@@@@@@@@@6Ke?3@@1?f3@@@@@@@1? O&@@@@@@@@@0M?
@@@@@@@@@@@@@@@@@@@@@@@@@@@@@@@@@@@@@@@@@@@@ ?N1? ?@@1 ?3@1 ?@ @@@@@@5?he@? ?@@@5?fJ@@@@@@@H? I4@@@@@@@@@@@@@@@@@@6K ?J@@@@H? 3@@@@L J@@@@@@@@@@H ?@@@@@@@@@@@ @@@@@@1? ?@@@@5g?@@@@@@? ?@@@@@@@@? (Y O2@@@@@@@@@@@@@@@@@@@@@@@@@@@?e?@@@@@@@@@@@@@@@@@@@@@@@@@@@@@@@@@@@@@@@@@@@@@@@@@@@@@@@@@@@@@@@@@1? ?@@@ 7@@@@@@@@@@@@@@@@@@@@@@@@@@@@@@@@@@@@@@@@@@@@@@@@@@@@@@@@@@@@@@@@@@@@@@@@@@@@@@@@@@@@@@@@@@@@@@@@@@@@@@@@@@@@@@@@@@@@@@@@@@@@@@@@@@@@@@@@@@@@@@@@@@@@@@@@@@@@@@@@@@@@@@@@@@@@@@@@@@@@@@@@@@@@@@@@@@@@@@@@@@@@@@@@@@@@@@@@@@@@@@@@@@@@@@@@@@@@@@@@@@@@@@@@@@@@@@@@@@@@@@@@@@@@@@@@@@@@@@@@@@@@@@@@@@@@@@@@@@@@@@@@@@@@@@@@@@@@@@@hf@@@@H? ?I4@@@@@@@)X ?7@@@@@@@@@5 ?J@@@@@@@@ ?3@@@1 @@@@@@ ?3@@@@@? ?N@@@@H?eW26XheN@@@@? ?@@@@? ?@@@@@@@@@@@H?h?J@@@Lhf?N@@@@@@@@ J@@@@@H?hf7@@@@@@H 7@@@@@@@@(M?heO2@@@@@@@@@@@@@@@@@@@@@@@@@@@@@@6X?V'@@LfV'@@@@@@@? ?O2@@@@@@@@@@0M?
@@@@@@@@@@@@@@@@@@@@@@@@@@@@@@@@@@@@@@@@@@@@ @L ?3@@L? ?N@@ ?@ ?J@@@@@@H?h?J5? J@@@H?f7@@@@@@@ I'@@@@@@@@@@@@@@@@@@6X ?7@@@5 N@@@@1 7@@@@@@@@@@? ?@@@@@@@@@@@ 3@@@@@@? ?@@@@Hg?@@@@@@? ?3@@@@@@@? O2@@@@@@@@@@@@@@@@@@@@@@@@@@@@@?e?3@@@@@@@@@@@@@@@@@@@@@@@@@@@@@@@@@@@@@@@@@@@@@@@@@@@@@@@@@@@@@@@@@? J@@@ ?J@@@@@@@@@@@@@@@@@@@@@@@@@@@@@@@@@@@@@@@@@@@@@@@@@@@@@@@@@@@@@@@@@@@@@@@@@@@@@@@@@@@@@@@@@@@@@@@@@@@@@@@@@@@@@@@@@@@@@@@@@@@@@@@@@@@@@@@@@@@@@@@@@@@@@@@@@@@@@@@@@@@@@@@@@@@@@@@@@@@@@@@@@@@@@@@@@@@@@@@@@@@@@@@@@@@@@@@@@@@@@@@@@@@@@@@@@@@@@@@@@@@@@@@@@@@@@@@@@@@@@@@@@@@@@@@@@@@@@@@@@@@@@@@@@@@@@@@@@@@@@@@@@@@@@@@@@@@@@@@@hf@@@@ ?I4@@@@@@)X? ?@@@@@@@@@(Y ?7@@@@@@@@ ?N@@@@L? @@@@@@ ?N@@@@@? @@@@e?W&@@1he?@@@@? ?3@@5? ?3@@@@@@@@@5heO&@@@)K?hf@@@@@@@5 7@@@@5hf?J@@@@@@5?f?W2@@@6K?O2@@@@6X? @@@@@@@@@Hh?W2@@@@@@@@@@@@@@@@@@@@@@@@@@@@@@@@@@)K?N@@)X?e?N@@@@@@@? O2@@@@@@@@@@0M
@@@@@@@@@@@@@@@@@@@@@@@@@@@@@@@@@@@@@@@@@@@@ 31 ?N@@1? @@L? ?7@@@@@@he?7H? 7@@@g@@@@@@@@ ?V4@@@@@@@@@@@@@@@@@@)K? ?@@@(Y ?@@@@@ @@@@@@@@@@@? ?@@@@@@@@@@@L? N@@@@@@L ?@@@@?g?@@@@@@? ?N@@@@@@@? O2@@@@@@@@@@@@@@@@@@@@@@@@@@@@@@@?e?N@@@@@@@@@@@@@@@@@@@@@@@@@@@@@@@@@@@@@@@@@@@@@@@@@@@@@@@@@@@@@@@@@? 7@@@ ?7@@@@@@@@@@@@@@@@@@@@@@@@@@@@@@@@@@@@@@@@@@@@@@@@@@@@@@@@@@@@@@@@@@@@@@@@@@@@@@@@@@@@@@@@@@@@@@@@@@@@@@@@@@@@@@@@@@@@@@@@@@@@@@@@@@@@@@@@@@@@@@@@@@@@@@@@@@@@@@@@@@@@@@@@@@@@@@@@@@@@@@@@@@@@@@@@@@@@@@@@@@@@@@@@@@@@@@@@@@@@@@@@@@@@@@@@@@@@@@@@@@@@@@@@@@@@@@@@@@@@@@@@@@@@@@@@@@@@@@@@@@@@@@@@@@@@@@@@@@@@@@@@@@@@@@@@@@@@@@@@hf@@@@ ?I'@@@@@)X ?@@@@@@@@@H? J@@@@@@@@@ 3@@@1? @@@@@@ @@@@@? @@@@eW&@@@5he?@@@@L ?N@@ ?N@@@@@@@@@Hh@@@@@@@@@@@@he@@@@@@@H ?J@@@@@HhfW&@@@@@(Y?f?7@@@@@@@@@@@@@@)X ?J@@@@@@@@5?h?7@@@@@@@@@@@@@@@@@@@@@@@@@@@@@@@@@@@@@6T@@@1?f3@@@@@@? O2@@@@@@@@@@0M
@@@@@@@@@@@@@@@@@@@@@@@@@@@@@@@@@@@@@@@@@@@5 N@L? @@@? @@1? @? J@@@@@@5he?@ @@@5g@@@@@@@5 ?I'@@@@@@@@@@@@@@@@@@6X? ?@@0Y? ?@@@@@ @@@@@@@@@@5? ?3@@@@@@@@@@1? ?3@@@@@1 ?@@@@?g?@@@@@5? @@@@@@@L W2@@@@@@@@@@@@@@@@@@@@@@@@@@@@@@@@@?f@@@@@@@@@@@@@@@@@@@@@@@@@@@@@@@@@@@@@@@@@@@@@@@@@@@@@@@@@@@@@@@@@L @@@@ J@@@@@@@@@@@@@@@@@@@@@@@@@@@@@@@@@@@@@@@@@@@@@@@@@@@@@@@@@@@@@@@@@@@@@@@@@@@@@@@@@@@@@@@@@@@@@@@@@@@@@@@@@@@@@@@@@@@@@@@@@@@@@@@@@@@@@@@@@@@@@@@@@@@@@@@@@@@@@@@@@@@@@@@@@@@@@@@@@@@@@@@@@@@@@@@@@@@@@@@@@@@@@@@@@@@@@@@@@@@@@@@@@@@@@@@@@@@@@@@@@@@@@@@@@@@@@@@@@@@@@@@@@@@@@@@@@@@@@@@@@@@@@@@@@@@@@@@@@@@@@@@@@@@@@@@@@@@@@@@@@hf@@@@ V'@@@@@)X? J@@@@@@@@5 7@@@@@@@@@ N@@@@? @@@@@@ @@@@@L 3@@@e7@@@0Yhe?3@@@)?2@@@6X? @@1? @@@@@@@@@?g?J@@@@@@@@@@@@L?h@@@@@@@? W&@@@@@?hf7@@@@@(Yg?@@@@@@@@@@@@@@@@)X? ?7@@@@@@@@H?hJ@@@@@@@@@@@@@@@@@@@@@@@@@@@@@@@@@@@@@@@@>@@@LfN@@@@@@LheO2@@@@@@@@@@@@0M
@@@@@@@@@@@@@@@@@@@@@@@@@@@@@@@@@@@@@@@@@@0Y ?@1? 3@@L 3@@L @L 7@@@@@@HheJ5 ?J@@@Hf?J@@@@@@@H V4@@@@@@@@@@@@@@@@@@)K ?3@@@@L? ?J@@@@@@@@@@H? ?N@@@@@@@@@@@? ?N@@@@@@ J@@@@?g?@@@@@H? @@@@@@@1 ?O&@@@@@@@@@@@@@@@@@@@@@@@@@@@@@@@@@@?f@@@@@@@@@@@@@@@@@@@@@@@@@@@@@@@@@@@@@@@@@@@@@@@@@@@@@@@@@@@@@@@@@1 @@@@ 7@@@@??@@@@@@@@@@@@@@@@@@@@@@@@@@@@@@@@@@@@@@@@@@@@@@@@@@@@@@@@@@@@@@@@@@@@@@@@@@@@@@@@@@@@@@@@@@@@@@@@@@@@@@@@@@@@@@@@@@@@@@@@@@@@@@@@@@@@@@@@@@@@@@@@@@@@@@@@@@@@@@@@@@@@@@@@@@@@@@@@@@@@@@@@@@@@@@@@@@@@@@@@@@@@@@@@@@@@@@@@@@@@@@@@@@@@@@@@@@@@@@@@@@@@@@@@@@@@@@@@@@@@@@@@@@@@@@@@@@@@@@@@@@@@@@@@@@@@@@@@@@@@@@@@@@@@@@@@@@@hf@@@@ ?V'@@@@@1? ?O&@@@@@@@@H ?J@@@@@@@@@5 ?3@@@L @@@@@@ @@@@@1 N@@@?J@@ ?N@@@@@@@@@@,? @@@? 3@@@@@@@@?g?7@@@@@@@@@@@@1?h@@@@@@@? 7@@@@@@?he?J@@@@@@H?e?@@@@@@@@@@@@@@@@@@@@@)X J@@@@@@@@5h?W&@@@@@@@@@@@@@@@0?'@@V'@g?I'@@@@@@@@@Y@@)X?e?@@@@@@)X?gO2@@@@@@@@@@@@0M
@@@@@@@@@@@@0Mhe?I'@@@@@@@(M ?@@? N@@1 N@@1 31 @@@@@@@?he.Y ?7@@5?f?7@@@@@@5? I4@@@@@@@@@@@@@@@@@@6K ?N@@@@1? ?7@@@@@@@@@5 @@@@@@@@@@@? @@@@@@L? 7@@@@?gJ@@@@@ @@@@@@@@ ?O2@@@@@@@@@@@@@@@@@@@@@@@@@@@@@@@@@@@@?f@@@@@@@@@@@@@@@@@@@@@@@@@@@@@@@@@@@@@@@@@@@@@@@@@@@@@@@@@@@@@@@@@@ @@@@ @@@@5??@@@@@@@@@@@@@@@@@@@@@@@@@@@@@@@@@@@@@@@@@@@@@@@@@@@@@@@@@@@@@@@@@@@@@@@@@@@@@@@@@@@@@@@@@@@@@@@@@@@@@@@@@@@@@@@@@@@@@@@@@@@@@@@@@@@@@@@@@@@@@@@@@@@@@@@@@@@@@@@@@@@@@@@@@@@@@@@@@@@@@@@@@@@@@@@@@@@@@@@@@@@@@@@@@@@@@@@@@@@@@@@@@@@@@@@@@@@@@@@@@@@@@@@@@@@@@@@@@@@@@@@@@@@@@@@@@@@@@@@@@@@@@@@@@@@@@@@@@@@@@@@@@@@@@@@@@@5hf@@@@ V'@@@@@? W2@@@@@@@@@@@? W&@@@@@@@@@H ?V'@@)X? @@@@@@ @@@@@@L? ?@@@W&@@ @@@@@@@@@0Y? @@@L ?@@@@@@@5?g?@@@@@@@@@@@@@5?h@@@@@@@? ?J@@@@@@@@@@6KgO&@@@@@5fJ@@@@@@@@@@@@@@@@@@@@@@1 ?W&@@@@@@@(YhW&@@@@@@@@@@0MgN@@LN@L?gV4@@@@@@@@W@@@)Ke?3@@@@@@)XfO2@@@@@@@@@@@@0M
@@@@@@@@@@@X N@@@@@@@H? ?3@L ?@@@ ?3@@ N@ ?J@@@@@@5? ?@@@H?fJ@@@@@@@H? I4@@@@@@@@@@@@@@@@@@6X @@@@@? ?@@@@@@@@@@H @@@@@@@@@@@? @@@@@@1? @@@@@?g7@@@@@ 3@@@@@@@ W2@@@@@@@@@@@@@@@@@@@@@@@@@@@@@@@@@@@@@@@T&?e@@@@@@@@@@@@@@@@@@@@@@@@@@@@@@@@@@@@@@@@@@@@@@@@@@@@@@@@@@@@@@@@@@ @@@5 @@@@H?eI'@@@@@@@@@@@@@@@@@@@@@@@@@@@@@@@@@@@@@@@@@@@@@@@@@@@@@@@@@@@@@@@@@@@@@@@@@@@@@@@@@@@@@@@@@@@@@@@@@@@@@@@@@@@@@@@@@@@@@@@@@@@@@@@@@@@@@@@@@@@@@@@@@@@@@@@@@@@@@@@@@@@@@@@@@@@@@@@@@@@@@@@@@@@@@@@@@@@@@@@@@@@@@@@@@@@@@@@@@@@@@@@@@@@@@@@@@@@@@@@@@@@@@@@@@@@@@@@@@@@@@@@@@@@@@@@@@@@@@@@@@@@@@@@@@@@@@@@@@@@@@@@@@@@@@@@Hhe?J@@@@ ?N@@@@@L ?W&@@@@@@@@@@@@? 7@@@@@@@@@@? N@@@1? 3@@@@@L? 3@@@@@1? ?@@@@@ @@@@@(M? @@@1 7@@@@@@@h?@@@@@@@@@@@@@H?g?J@@@@@@@? W&@@@@@@@@@@@@@@@@@@@@@@@@(Yf7@@@@@@@@@@@@@@@@@@@@@@@L? ?7@@@@@@@@H?g?W&@@@@@@0M?he?@@1?@1?hI4@@@@@@@<?@@@6Xe@@@@@@@)?2@@@@@@@@@@@@0M
3@@@@@@@@@@)X?hf?@@@@@@@ ?N@1 ?3@@L? ?N@@L? ?3L? ?7@@@@@@H?h?@ J@@@g7@@@@@@@ I'@@@@@@@@@@@@@@@@@)X? @@@@@? ?@@@@@@@@@@? @@@@@@@@@@@? 3@@@@@@? @@@@@?g@@@@@@ N@@@@@@@ ?W&@@@@@@@@@@@@@@@@@@@@@@@@@@@@@@@@@@@@@@@V@@Le@@@@@@@@@@@@@@@@@@@@@@@@@@@@@@@@@@@@@@@@@@@@@@@@@@@@@@@@@@@@@@@@@@L?hf@@@H @@@@f?V4@@@@@@@@@@@@@@@@@@@@@@@@@@@@@@@@@@@@@@@@@@@@@@@@@@@@@@@@@@@@@@@@@@@@@@@@@@@@@@@@@@@@@@@@@@@@@@@@@@@@@@@@@@@@@@@@@@@@@@@@@@@@@@@@@@@@@@@@@@@@@@@@@@@@@@@@@@@@@@@@@@@@@@@@@@@@@@@@@@@@@@@@@@@@@@@@@@@@@@@@@@@@@@@@@@@@@@@@@@@@@@@@@@@@@@@@@@@@@@@@@@@@@@@@@@@@@@@@@@@@@@@@@@@@@@@@@@@@@@@@@@@@@@@@@@@@@@@@@@@@@@@@@@@@@@Lhe?7@@@@hf?O2@@@h@@@@@1 O&@@@@@@@@@@@@@? @@@@@@@@@@@? ?3@@@L N@@@@@1? N@@@@@@? ?@@@@@ @@@@@H 3@@@ 3@@@@@@@1?g?3@@@@@@@@@@@5hW&@@@@@@@? 7@@@@@@@@@@@@@@@@@@@@@@@@@H?f@@@@@@@@@@@@@@@@@@@@@@@@1? ?@@@@@@@@5hW&@@@@@0M?hf?3@@?@@Lhe?@@@@@@L?3@@@)?&@@@@@@@@@@@@@@@@@@@@0M
V'@@@@@@@@@@)Xhf?@@@@@@@ 3@L? ?N@@1? @@1? ?N1? J@@@@@@@heJ@ 7@@5g@@@@@@@5 ?V'@@@@@@@@@@@@@@@@@)K @@@@@? ?@@@@@@@@@@? @@@@@@@@@@@L N@@@@@@L @@@@5?g@@@@@@ ?@@@@@@@L? W&@@@@@@@@@@@@@@@@@@@@@@@@@@@@@@@@@@@@@@@@@@@@e@@@@@@@@@@@@@@@@@@@@@@@@@@@@@@@@@@@@@@@@@@@@@@@@@@@@@@@@@@@@@@@@@@1?hf@@@? ?J@@@@g?I4@@@@@@@@@@@@@@@@@@@@@@@@@@@@@@@@@@@@@@@@@@@@@@@@@@@@@@@@@@@@@@@@@@@@@@@@@@@@@@@@@@@@@@@@@@@@@@@@@@@@@@@@@@@@@@@@@@@@@@@@@@@@@@@@@@@@@@@@@@@@@@@@@@@@@@@@@@@@@@@@@@@@@@@@@@@@@@@@@@@@@@@@@@@@@@@@@@@@@@@@@@@@@@@@@@@@@@@@@@@@@@@@@@@@@@@@@@@@@@@@@@@@@@@@@@@@@@@@@@@@@@@@@@@@@@@@@@@@@@@@@@@@@@@@@@@@@@@@@@@@@@@@@@@@1he?@@@@@he?W2@@@@@h3@@@@@ W2@@@@@@@@@@@@@@5? @@@@@@@@@@@? ?N@@@1 ?@@@@@@? ?@@@@@@? ?3@@@5 3@@@5? N@@@ N@@@@@@@@?g?V'@@@@@@@@@(Yg?W&@@@@@ ?J@@@@@(MI'@@@@@@@@@@@@@@@@5f?J@@@@@@@@@@@@@@@@@@@@@@@@@? J@@@@@@@@Hg?W&@@@@(M? ?N@@@@@1he?@@@@@@1?N@@@@@@@@@@@@@@@@@@@@@@0M
?V4@@@@@@@@@@)K?he?3@@@@@@ N@1? 3@@? 3@@? @? 7@@@@@@5he75 @@@Hf?J@@@@@@@H V4@@@@@@@@@@@@@@@@@@6K 3@@@@? J@@@@@@@@@@? 3@@@@@@@@@@1 ?@@@@@@1 @@@@H?g@@@@@@ ?@@@@@@@1? ?W&@@@@@@@@@@@@@@@@@@@@@@@@@@@@@@@@@@@@@@@@@@@@He@@@@@@@@@@@@@@@@@@@@@@@@@@@@@@@@@@@@@@@@@@@@@@@@@@@@@@@@@@@@@@@@@@@Lhf@@@? ?7@@@@he?I4@@@@@@@@@@@@@@@@@@@@@@@@@@@@@@@@@@@@@@@@@@@@@@@@@@@@@0?40?4@@@@@@@@@@@@@@@@@@@@@@@@@@@@@@@@@@@@@@@@@@@@@@@@@@@@@@@@@@@@@@@@@@@@@@@@@@@@@@@@@@@@@@@@@@@@@@@@@@@@@@@@@@@@@@@@@@@@@@@@@@@@@@@@@@@@@@@@@@@@@@@@@@@@@@@@@@@@@@@@@@@@@@@@@@@@@@@@@@@@@@@@@@@@@@@@@@@@@@@@@@@@@@@@@@@@@@@@@@@@@@@@@@@@@@@@@@@@@@@@@@@@@@L?h?@@@@@heW&@@@@@5h?@@@@@hf?W&@@@@@@@@@@@@@@@H? @@@@@@@@@@@? 3@@@L? ?@@@@@5? ?@@@@@@? ?N@@@? N@@@ ?@@@L? ?3@@@@@@@LhV4@@@@@@@@H?gW&@@@@@5 ?7@@@@@HeV4@@@@@@@@@@@@@@(Yf?7@@@@@@@@@@@@@@@@@@@@@@@@@L 7@@@@@@@5?g?7@@@@(Y @@@?@@hfI'@@@@e@@@@@@@@@@@@@@@@@@@@0M
?I'@@@@@@@@@@6X?h?N@@@@@@ ?@@? N@@L N@@L @? @@@@@@@Hhe(Y ?J@@@?f?7@@@@@@@? I'@@@@@@@@@@@@@@@@@@6X N@@@@L 7@@@@@@@@@@? N@@@@@@@@@@@ ?3@@@@@@ @@@@h@@@@@@ ?3@@@@@@@? W&@@@@@@@@@@@@@@@@@@@@@@@@@@@@@@@@@@@@@@@@@@@@@?e@@@@@@@@@@@@@@@@@@@@@@@@@@@@@@@@@@@@@@@@@@@@@@@@@@@@@@@@@@@@@@@@@@@1hf@@@? ?@@@@@hf?I4@@@@@@@@@@@0MfI@M?eI4@@@0M?e?I40M? ?I@M ?I4@@0M?f?I@Mg?I@M ?I4@@@@@@@@0?40?40?40MI@M??I@MeI4@@@@@@0MI40MI4@@@@@@@@@0?40MI40MI4@@0?4@@@@@@@@@@@@@@@@@@@@@@@@@@@@@@@@@@@@@@@@@@@@@@@@@@@@@@@@@@@@@@@@@@@@@@@@@@@@@1?h?@@@@@h?W&@@@@@0Yh7@@@@@L?he?7@@@@@@@@@@@@@@@@ @@@@@@@@@@@L N@@@1? ?@@@@@ ?@@@@@@? @@@1 ?@@@1? ?@@@1? ?N@@@@@@@)X?hI4@@@@@@g?W&@@@@@(Y ?@@@@@5?g@@@@@@@@@@@@H?f?@@@@@@@@@@@@@@@@@@@@@@@@@@1 @@@@@@@(Y?g?@@@@(Y? @@@?@@hf?N@@@@@@@@@@@@@@@@@@@@@@@@(M
V4@@@@@@@@@@)Khe@@@@@@ ?@@? ?@@1 ?@@1 @@@@@@@? ?7@@5?f?@@@@@@@5? ?V4@@@@@@@@@@@@@@@@@@)K? ?3@@@1 @@@@@@@@@@5? ?@@@@@@@@@@@ ?N@@@@@@L? @@@@h@@@@@5 ?N@@@@@@@? 7@@@@@@@@@@@@@@@@@@@@@@@@@@@@@@@@@@@@@@@@@@@@@@??J@@@@@@@@@@@@@@@@@@@@@@@@@@@@@@@@@@@@@@@@@@@@@@@@@@@@@@@@@@@@@@@@@@@@L?he@@@? ?@@@@@ I4@@@@@Lh?@@@@@hW&@@@@(Mhe@@@@@@1?heJ@@@@@@@@@@@@@@@@@ ?J@@@@@@@@@@@)K? ?3@@@L ?@@@@@1? ?3@@@@@? @@@@ ?3@@@? ?3@@@? 3@@@@@@@)XheI'@@@@gO&@@@@@(Y? J@@@@@H?g@@@@@@@@@@@5g?@@@@@@@@@@@g?I'@@@@@@@ ?J@@@@@@@Hg?@@@@@@H @@@?@@L?hf3@@@@@@@@@@@@@@@@@@@@@@0Y?
I'@@@@@@@@@@6Xh@@@@@@ ?3@L ?3@@ ?3@@ ?@ ?J@@@@@@5? J@@@H?fJ@@@@@@@H? ?I4@@@@@@@@@@@@@@@@@@6K? @@@@ @@@@@@@@@@H? ?@@@@@@@@@@@ @@@@@@1? ?J@@@@h@@@@@H @@@@@@@L @@@@@@@@@@@@@@@@@@@@@@@@@@@@@@@@@@@@@@@@@@@@@@@??7@@@@@@@@@@@@@@@@@@@@@@@@@@@@@@@@@@@@@@@@@@@@@@@@@@@@@@@@@@@@@@@@@@@@1?he@@@? ?@@@@@ I'@@@)X?g?3@@@@h7@@@@(Y?he@@@@@@@?h?W&@@@@@@@@@@@@@@@@5 ?7@@@@@@@@@@@@@6X? ?V'@@)X? ?@@@@@@? ?N@@@@@? @@@@ ?N@@@? ?N@@@? N@@@@@@@@)X?h?N@@@@fO2@@@@@@@H 7@@@@5g?J@@@@@@@@@@@Hg?@@@@@@@@@@5hN@@@@@@@L? ?7@@@@@@5?gJ@@@@@@? 3@@@@@1?hfN@@@@@@@@@@@@@@@@@@@@?
?V'@@@@@@@@@@)K?g@@@@@@ ?N@1 ?N@@L? ?N@@L? ?@L? ?7@@@@@@H? 7@@5g7@@@@@@5 ?I4@@@@@@@@@@@@@@@@@@6X? ?7@@@@ ?J@@@@@@@@@@ ?@@@@@@@@@@@ 3@@@@@@? ?7@@@@g?J@@@@@? @@@@@@@1 3@@@@@@@@@@@@@@@@@@@@@@@@@@@@@@@@@@@@@@@@@@@@@@??@@@@@@@@@@@@@@@@@@@@@@@@@@@@@@@@@@@@@@@@@@@@@@@@@@@@@@@@@@@@@@@@@@@@@@?h?J@@@? ?@@@@5 ?V'@@@)Xg?N@@@@h@@@@@He?W&Kg@@@@@@@?h?7@@@@@@@@@@@@@@@@(Y ?@@@@@@@@@@@@@@@1? O2@6K?heN@@@1? ?3@@@@@? @@@@@L @@@@ @@@?O2@@@@ @@@? ?3@@@@@@@@)Khe@@@@@@@@@@@@@@@@@? @@@@@Hg?7@@@@@@@@@@5?g?@@@@@@@@@@??@g?3@@@@@@1? ?@@@@@@@H?g7@@@@@@L N@@@?@@?hf?@@@@@@@@@@@@@@@@@@@@?
V4@@@@@@@@@@@6X?e?J@@@@@@ 3@ @@1? @@1? ?31? J@@@@@@5 @@@Hg@@@@@@@H ?I'@@@@@@@@@@@@@@@@@)K ?@@@@@ ?7@@@@@@@@@@ ?@@@@@@@@@@@L? N@@@@@@L ?@@@@@g?7@@@@@? @@@@@@@@ ?@@@@@@@@@@@@@@@@@@@@@@@@@@@@@@@@@@@@@@@@@@@@@@??@@@@@@@@@@@@@@@@@@@@@@@@@@@@@@@@@@@@@@@@@@@@@@@@@@@@@@@@@@@@@@@@@@@@@@Lh?7@@@? ?@@@@H V'@@@)X?g@@@@h@@@@@?eW&@@6Xe?J@@@@@@@?h?@@@@@@@@@@@@@@@@@H?he@?e?@@@@@@@@@@@@@@@@L ?W2@@@@@@6X?h?3@@@L @@@@@? @@@@@1 3@@@ @@@@@@@@@5 @@@? ?N@@@@@@@@@@@@@@6?@?2@@@@@@@@@@@@@@@@? ?J@@@@5?g?@@@@@@@@@@@H?gJ@@@@@@@@@@1?@g?N@@@@@@@L ?@@@@@@@g?J@@@@@@@, ?@@@?@@?hf?@@@@@@@@@@@@@@@@@@@@?
I'@@@@@@@@@@)Xe?7@@@@@@ N@L? @@@? @@@? ?N@? 7@@@@@@H @@@?f?J@@@@@@@? V4@@@@@@@@@@@@@@@@@@6K ?3@@@@L? ?@@@@@@@@@@5 ?3@@@@@@@@@@1? ?@@@@@@1 ?@@@@5g?@@@@@@? 3@@@@@@@ 7@@@@@@@@@@@@@@@@@@@@@@@@@@@@@@@@@@@@@@@@@@@@@@??@@@@@@@@@@@@@@@@@@@@@@@@@@@@@@@@@@@@@@@@@@@@@@@@@@@@@@@@@@@@@@@@@@@@@@1h?@@@@? ?@@@@L ?N@@@@)Xg@@@@g?J@@@@@?e7@@@@1e?7@@@@@@@?h?@@@@@@@@@@@@@@@@@L?he@?e?@@@@@@@@@@@@@@@@1 W&@@@@@@@@)Xh?N@@@1 ?@@@@@@? @@@@@@ N@@@ @@@@@@@@0Y @@@L @@@@@@@@@@@@@@@@@@@@@@@@@@@@@@@@@@5? ?7@@@@H?g?@@@@@@@@@@@L?g7@@@@@@@@@@@?@h@@@@@@@1 ?@@@@@@5g?7@@@@@@(Y ?@@@@@@Lhf?@@@@@@@@@@@@@@@@@@@@?
?V4@@@@@@@@@@)K??@@@@@@@ ?31? 3@@L 3@@? @L ?J@@@@@@5? ?J@@@?f?7@@@@@@@? I'@@@@@@@@@@@@@@@@@@6X ?@@@@? ?N@@@@1? ?@@@@@@@@@@H ?N@@@@@@@@@@@? ?3@@@@@@ ?@@@@Hg?@@@@@@? N@@@@@@@ @@@@@@@@@@@@@@@@@@@@@@@@@@@@@@@@@@@@@@@@@@@@@@@L?@@@@@@@@@@@@@@@@@@@@@@@@@@@@@@@@@@@@@@@@@@@@@@@@@@@@@@@@@@@@@@@@@@@@@@@h?@@@@? ?@@@@1 3@@@@)X?f@@@@g?7@@@@@?e@@@@@@L??@@@@@@@5?h?@@@@@@@(?@Me?@@@1?he@?e?@@@@@@@@@@@@@@@@@L?hf7@@@@@@@@@@)X?h3@@@L? ?N@@@@@? @@@@@@ ?@@@ @@@@@@0M 3@@1 ?I4@@@@@@@@@@@@@@@@@@@@@@@@@@@@@@(Y? J@@@@5h?@@@@@@@@@@@)Xg@@@@@(Y@@@@@?@h@@@@@@@@ ?@@@@@@Hg?@@@@@@@H? ?3@@@@@1hf?3@@@@@@@@@@@@@@@@@@@?
?I'@@@@@@@@@@@@@@@@@@@ ?N@L N@@1 N@@L 31 ?7@@@@@@H? ?7@@5?fJ@@@@@@@5? ?V4@@@@@@@@@@@@@@@@@@)X? J@@@@L @@@@@? J@@@@@@@@@@? @@@@@@@@@@@? ?N@@@@@@L? ?@@@@?g?@@@@@@? ?@@@@@@@L? ?J@@@@@@@@@@@@@@@@@@@@@@@@@@@@@@@@@@@@@@@@@@@@@@@)X@@@@@@@@@@@@@@@@@@@@@@@@@@@@@@@@@@@@@@@@@@@@@@@@@@@@@@@@@@@@@@@@@@@@@@@L?g?@@@@? ?3@@@@ V'@@@@)Xf@@@@g?3@@@@5?e@@@@@@1??@@@@@@@H?h?@@@@@@@H?f?@@@@? ?@@@@@@@@?e@@@@@@)Xhf@@@@@@@@@@@@1?hV'@@)X @@@@@? 3@@@@@ ?@@@ 3@@@@? N@@@ ?I4@@@@@@@@@@@@@@@@@@@@@@@@@@@0Y 7@@@@Hh?@@@@@@@@@@@@)X?e?J@@@@@H?@@@@@@@L?g3@@@@@@@L? ?@@@@@@?gJ@@@@@@@ ?V4@@@@@hf?N@@@@@@@@@@@@@@@@@@@?
V4@@@@@@@@@@@@@@@@@@ @1 ?@@@L? ?3@1 N@ ?@@@@@@@ J@@@H?f7@@@@@@@H? ?I'@@@@@@@@@@@@@@@@@)K 7@@@@1 @@@@@? 7@@@@@@@@@@? @@@@@@@@@@@? @@@@@@1? ?@@@@?g?@@@@@@? ?@@@@@@@1? ?7@@@@@@@@@@@@@@@@@@@@@@@@@@@@@@@@@@@@@@@@@@@@@@@V@@@@@@@@@@@@@@@@@@@@@@@@@@@@@@@@@@@@@@@@@@@@@@@@@@@@@@@@@@@@@@@@@@@@@@@@1?g?@@@@? ?V'@@@L? ?V'@@@@)X??J@@@@g?N@@@@f3@@@@@@??@@@@@@@he?@@@@@@@g?@@@@? J@@@@@@@5?e3@@@@@@)X?h?J@@@@@@@@@@@@@Lh?V'@@)X? @@@@@? N@@@@@ ?3@@ N@@@5? ?@@@ ?I4@@@@@@@@@@@@@@@@@@@@@@@0M ?J@@@@5?h?@@@@@@@@@@@@@)Xe?7@@@@@??3@@@@@@1?gN@@@@@@@1? J@@@@@5?g7@@@@@@@L? @@L?hf@@@@@@@@@@@@@@@@@@@?
I'@@@@@@@@@@@@@@@@ @@ ?3@@1? ?N@@L? ?@L? ?@@@@@@5 7@@5f?J@@@@@@@5 V4@@@@@@@@@@@@@@@@@@6X @@@@@5 @@@@@? @@@@@@@@@@5? @@@@@@@@@@@? 3@@@@@@? ?@@@@?g?@@@@@5? ?3@@@@@@@? ?@@@@@@@@@@@@@@@@@@@@@@@@@@@@@@@@@@@@@@@@@@@e@@@@@@@@@@@@@@@@@@@@@@@@@@@@@@@@@@@@@@@@@@@@@@@@@@@@@@@@@@@@@@@@@@@@@@@@@@@@@?g?@@@5? N@@@)X V'@@@@)KO&@@@@h@@@@1?eN@@@@@@@@@@@@@@5he?@@@@@@@g?@@@@@@@6Kh?W&@@@@@@(Y?eN@@@@@@@1?hW&@@@@e?@@@@@@1heN@@@)X @@@@@? ?@@@@@L? ?N@@L? ?@@@H? ?@@@L? ?I4@@@@@@@@@@@@@@@@@0M ?7@@@@H?h?3@@@@@@@@@@@@@)K??@@@@@@??N@@@@@@@?g?3@@@@@@@L @@@@@@H?f?J@@@@@@@@)K @@1?he?J@@@@V'@@@@@@@@@@@@@?
?V'@@@@@@@@@@@@@@@ 3@L? ?N@@@? @@1? ?31? J@@@@@@Hhe@? @@@Hf?7@@@@@@@H I'@@@@@@@@@@@@@@@@@)K? @@@@@H 3@@@@L @@@@@@@@@@H? 3@@@@@@@@@@? N@@@@@@? J@@@@?gJ@@@@@H? ?N@@@@@@@? ?@@@@@@@@@@@@@@@@@@@@@@@@@@@@@@@@@@@@@@@@@@@e@@@@@@@@@@@@@@@@@@@@@@@@@@@@@@@@@@@@@@@@@@@@@@@@@@@@@@@@@@@@@@@@@@@@@@@@@@@@@Lg?@@@H? ?@@@@)X? ?V'@@@@@@@@@@@h@@@@@?e?@@@@@@@@@@@@@@Hhe?@@@@@@@L?f?3@@@@@@@@@@6?2@6KO&@@@@@@(Yf?@@@@@@@5?h7@@@@@e?@@@@@@@he?3@@@)X? @@@@@? ?@@@@@1? @@1? ?3@@ ?@@@1? I40?4@@0M? J@@@@@he?N@@@@@@@@@@@@@@@@@@@@@@@?e3@@@@@@?g?N@@@@@@@1 N@@@@@gW&@@@@@@@@@@@? 3@@?heW&@@@@?N@@@@@@@@@@@@@L
V4@@@@@@@@@@@@@@ N@1? @@@L 3@@? ?N@? 7@@@@@@?h?J@? ?J@@@?fJ@@@@@@@@? ?V4@@@@@@@@@@@@@@@@@@6X? @@@@@? N@@@@1 ?J@@@@@@@@@@ N@@@@@@@@@@? ?3@@@@@L 7@@@@?g7@@@@@ @@@@@@@? ?3@@@@@@@@@@@@@@@@@@@@@@@@@@@@@@@@@@@@@@@@@@e@@@@@@@@@@@@@@@@@@@@@@@@@@@@@@@@@@@@@@@@@@@@@@@@@@@@@@@@@@@@@@@@@@@@@@@@@@@@@1g?@@@ ?3@@@@)X V'@@@@@@@@@@h3@@@@?e?@@@@@@@@@@@@@@?he?@@@@@@@)Xf?N@@@@@@@@@@@@@@@@@@@@@@@@H?f?3@@@@@@H?h@@@@@5e?@@@@@@@L?h?V'@@@1? @@@@@L ?@@@@@@? @@@? ?N@@L? ?@@@@? 7@@@@5hf3@@@@@@@@@@@@@@@@@@@@@@?eV'@@@@@?h@@@@@@@@ ?@@@@@f?O&@@@@@@@@@@@@? N@@?h?O&@@@@@e3@@@@@0M?@@@@,
I'@@@@@@@@@@@@ ?@@? 3@@1 N@@L 3L ?J@@@@@@@?h?7@? ?7@@5?f7@@@@@@@@? ?I'@@@@@@@@@@@@@@@@@)K ?J@@@@@? ?@@@@@ ?7@@@@@@@@@@ ?@@@@@@@@@@L ?N@@@@@1 @@@@@?g@@@@@@ @@@@@@@? ?N@@@@@@@@@@@@@@@@@@@@@@@@@@@@@@@@@@@@@@@@@@e@@@@@@@@@@@@@@@@@@@@@@@@@@@@@@@@@@@@@@@@@@@@@@@@@@@@@@@@@@@@@@@@@@@@@@@@@@@@@@g?@@@ ?V'@@@@)X? ?V'@@@@@@@@@hN@@@@?e?3@@@@@@@@@@@@5?he?@@@@@@@@)X?f3@@@@@@@@@@@@@@@@@@@@@@5g?N@@@@@@he@@@@@?e?@@@@@@@1?heV'@@@L @@@@@1 ?@@@@@@? @@@? @@1? ?3@@@?W2@@@6X? ?J@@@@@HhfV'@@@@@@@@@@@@@@@@@@@@@@@??N@@@@@?h3@@@@@@@L? J@@@@@e?W2@@@@@@@@@@@@@@? ?@@Lg?O2@@@@@@@eN@@@f?@@@(Y
?V4@@@@@@@@@@@ ?3@L N@@@ ?@@1 N1 ?7@@@@@@5?h?@5? ?@@@H?f@@@@@@@@5? V4@@@@@@@@@@@@@@@@@@6X ?7@@@@5? ?@@@@@ ?@@@@@@@@@@5 ?@@@@@@@@@@1 @@@@@@L? @@@@5?g@@@@@@ @@@@@@@L @@@@@@@@@@@@@@@@@@@@@@@@@@@@@@@@@@@@@@@@@@e@@@@@@@@@@@@@@@@@@@@@@@@@@@@@@@@@@@@@@@@@@@@@@@@@@@@@@@@@@@@@@@@@@@@@@@@@@@@@@L?f?@@@ N@@@@@)K V'@@@@@@@@h?@@@@Le?N@@@@@@@@@@@@H?he?@@@@@@@@@1?fV'@@@@@@@@@@@@@@@@@@@@(Yf@?e@@@@@@he@@@@@1e?3@@@@@@@?he?V'@@)X? @@@@@@ ?3@@@@@? @@@? @@@??O2@@@ ?N@@@W&@@@@@)X ?7@@@@@?hf?V'@@@@@@@@@@@@@@@@@@@@@@?e@@@@@?hN@@@@@@@)X @@@@@@e?7@@@@@@@@@@@@@@@? ?@@1fW2@@@@@@@@@5e?@@@fJ@@@H?
?I4@@@@@@@@5 ?N@1 ?3@@L? ?@@@ ?@ ?@@@@@@@H?hJ@H? J@@@g@@@@@@@@H? I4@@@@@@@@@@@@@@@@@)K? ?@@@@@H? ?@@@@@L? ?@@@@@@@@@@H ?@@@@@@@@@@@ @@@@@@1? @@@@H?g@@@@@@ 3@@@@@@1 @@@@@@@@@@@@@@@@@@@@@@@@@@@@@@@@@@@@@@@@@@?J@@@@@@@@@@@@@@@@@@@@@@@@@@@@@@@@@@@@@@@@@@@@@@@@@@@@@@@@@@@@@@@@@@@@@@@@@@@@@@1?fJ@@@ ?3@@@@@@@6K? ?N@@@@@@@@h?@@@@1f@@@@@@@@@@@5hfJ@@@@@@@@@@?f?V'@@@@@@@@@@@@@@@@@@(Y?f@?e@@@@@5he@@@@@@e?N@@@@@@@?hfN@@@)X 3@@@@@ ?N@@@@@? 3@@L @@@@@@@@@@ @@@@@@@@@@@1 J@@@@@5? V'@@@@@@@@@@@@@@he@@@@@Lh?@@@@@@@@1 N@@@@@e?@@@@@@@@@@@@@@@@L ?@@@L??O&@@@@@@@@@@He?@@@f7@@@
?I4@@@@@0Y 3@ ?N@@1? ?3@@L? ?@L? J@@@@@@5he75 7@@5g@@@@@@@@ I'@@@@@@@@@@@@@@@@@6X? J@@@@@ ?@@@@@@? J@@@@@@@@@@? ?@@@@@@@@@@@ 3@@@@@@? @@@@h@@@@@@ N@@@@@@@ ?J@@@@@@@@@@@@@@@@@@@@@@@@@@@@@@@@@@@@@@@@@@?7@@@@@@@@@@@@@@@@@@@@@@@@@@@@@@@@@@@@@@@@@@@@@@@@@@@@@@@@@@@@@@@@@@@@@@@@@@@@@@@Lf7@@@ ?V'@@@@@@@@6K?fO2@@@6K?heO26K ?J@@@@@@@@L?g?@@@@@f@@@@@@@@@@@Hhf7@@@@@@@@@@?gV'@@@@@@@@@@@@@@@@0Yg@L?J@@@@@?he@@@@@@f@@@@@@@Lhf?3@@@)X? N@@@@@ @@@@@? N@@1 @@@@@@@@@5 3@@@@@@(MI4@ 7@@@@@H? ?V4@@@@@@@@@@@@@L?g?J@@@@@1h?@@@@@@@@@ ?@@@@@eJ@@@@@@@@@@@@@@@@1 ?@@@)?2@@@@@@@@@@@@?eJ@@@e?J@@@@
N@L? @@@? ?N@@1? ?31? 7@@@@@@Hh?J@H @@@Hf?J@@@@@@@5 ?V4@@@@@@@@@@@@@@@@@)K 7@@@@@ ?3@@@@ 7@@@@@@@@@@? ?3@@@@@@@@@@ N@@@@@@L @@@@h@@@@@@ ?@@@@@@@ ?7@@@@@@@@@@@@@@@@@@@@@@@@@@@@@@@@@@@@@@@@@@?@@@@@@@@@@@@@@@@@@@@@@@@@@@@@@@@@@@@@@@@@@@@@@@@@@@@@@@@@@@@@@@@@@@@@@@@@@@@@@@@1f@@@@ V4@@@@@@@@@@@6?2@@@@@@@@@@@@@@@@@@@@@@@@@@@@@@@@@@@@@@6KO@K?hO26K?O2@6KeO@K?O@K?hO@K?e?O2@@@6?2@@6K?O26KO2@@@@@@@@@@@@6?26?@?26KO@?@K?eO@K?eO2@6K? ?O@K O2@6K??O2@@@@@@@@@6K O&@@@@@@@@)?2@@@@@@@@@@@f@@@@@@@@@@5?hf@@@@@@@@@@@?g?V4@@@@@@@@@@@@@0Mg?J@)?&@@@@@@he@@@@@@L?e@@@@@@@1hf?V'@@@)X ?@@@@@ @@@@@L ?@@@ @@@@@@@@0Y N@@@@@0Y ?J@@@@@5 ?I4@@@@@@@@@@@)Kg?7@@@@@@h?3@@@@@@@@ ?@@@@@L?7@@?I'@@@@@@@@@@@@L? J@@@@@@@@@@@@@@@@@@=?O&@@@eW&@@@@
?3)X 3@@L @@@L ?N@L ?J@@@@@@@?h?75? ?J@@@?f?7@@@@@@@H ?I4@@@@@@@@@@@@@@@@@6K @@@@@@ ?N@@@@1? @@@@@@@@@@5? ?N@@@@@@@@@@ ?@@@@@@1 ?J@@@@h@@@@@5 ?@@@@@@@ ?@@@@@@@@@@@@@@@@@@@@@@@@@@@@@@@@@@@@@@@@@@@@@@@@@@@@@@@@@@@@@@@@@@@@@@@@@@@@@@@@@@@@@@@@@@@@@@@@@@@@@@@@@@@@@@@@@@@@@@@@@@@@@L?e3@@@ ?I'@@@@@@@@@@@@@@@@@@@@@@@@@@@@@@@@@@@@@@@@@@@@@@@@@@@@@@@@@@@@@@@@@@@@@@@@@@@@@@@@@@@@@@@@@@@@@@@@@@@@@@@@@@@@@@@@@@@@@@@@@@@@@@@@@@@@@@@@@@@@@@@@@@@@@@@@@@@@@@@@@@@@@@@@@@@@@@@@@@@@@@@@@@@@@@@@@@@@@@@@@@@@@@@@@@@@@@@@@@@@@@@@@@@@@@@@@@@@@@@@@@@@@@@@@@@@@@@@@@@@@@@@@@@@@@@@@@@@@@@@@@@@@@@@@@@@@@@@@@@@@@@@@@@@@@@@@@@@@@@@@@@@@@@@@@@@@@@@@@@@@@@f@@@@@@@@@0Y?hf@@@@@@@@@@@Lh?I4@@@@@@@@0M?h?7@@@@@@@@@Hhe3@@@@@1??J@@@@@@@@ V'@@@)X? ?@@@@@ @@@@@1 ?@@@ @@@@@(M? ?@@@(M ?7@@@@(Y ?I'@@@@@@@@@@@@@@?e?@@@@@@@h?N@@@@@@@@L? ?@@@@@)X@@@??V'@@@@@@@@@@@)X ?W&@@@@@@@@@@@@@@@@@V@@@@@@5e7@@@@5
?N@1 N@@1 3@@1 31 ?7@@@@@@5?h?@H? ?7@@5?fJ@@@@@@@5? ?I'@@@@@@@@@@@@@@@@@6K @@@@@5 @@@@@? @@@@@@@@@@H? @@@@@@@@@@L? ?3@@@@@@L? ?7@@@@h@@@@@H ?@@@@@@@ ?3@@@@@@@@@@@@@@@@@@@@@@@@@@@@@@@@@@@@@@@@@@@@@@@@@@@@@@@@@@@@@@@@@@@@@@@@@@@@@@@@@@@@@@@@@@@@@@@@@@@@@@@@@@@@@@@@@@@@@@@@@@@@1?e?@@@ V4@@@@@@@@@@@@@@@@@@@@@@@@@@@@@@@@@@@@@@@@@@@@@@@@@@@@@@@@@@@@@@@@@@@@@@@@@@@@@@@@@@@@@@@@@@@@@@@@@@@@@@@@@@@@@@@@@@@@@@@@@@@@@@@@@@@@@@@@@@@@@@@@@@@@@@@@@@@@@@@@@@@@@@@@@@@@@@@@@@@@@@@@@@@@@@@@@@@@@@@@@@@@@@@@@@@@@@@@@@@@@@@@@@@@@@@@@@@@@@@@@@@@@@@@@@@@@@@@@@@@@@@@@@@@@@@@@@@@@@@@@@@@@@@@@@@@@@@@@@@@@@@@@@@@@@@@@@@@@@@@@@@@@@@@@@@@@@@@@@@@@@L?e@@@@@@@@ @@@@@@@@@@@)X?he?I'@@?hf?@@@@@@@@@@LheN@@@@@@?O&@@@@@@@@ ?V'@@@)X ?@@@@@ @@@@@@ ?@@@ 3@@@(Y ?@@@H? ?W2@6X J@@@@@H? V4@@@@@@@@@@@@@?e?@@@@@@@L?h@@@@@@@@1? ?@@@@@@@@@@?eV'@@@@@@@@@@@)K? O&@@@@@@@@@@@@@@@@@@@@@@@@0Ye@@@@(Y
@@ ?@@@ N@@@ N@ ?@@@@@@@H?hJ@ J@@@H?f7@@@@@@@H? V4@@@@@@@@@@@@@@@@@@6Xhf?J@@@@(Y @@@@@? ?J@@@@@@@@@@ @@@@@@@@@@1? ?N@@@@@@1? ?@@@@@h@@@@@? ?3@@@@@@L? ?N@@@@@@@@@@@@@@@@@@@@@@@@@@@@@@@@@@@@@@@@(?'@@@@@@@@@@@@@@@@@@@@@@@@@@@@@@@@@@@@@@@@@@@@@@@@@@@@@@@@@@@@@@@@@@@@@@@@@@@@@@@@@@?e7@@@ I40Mf?I4@@@@@@@@@@@@@@@@@@@@@@@@@@@@@@@@@@@@@@@@@@@@@@@@@@@@@@@@@@@@@@@@@@@@@@@@@@@@@@@@@@@@@@@@@@@@@@@@@@@@@@@@@@@@@@@@@@@@@@@@@@@@@@@@@@@@@@@@@@@@@@@@@@@@@@@@@@@@@@@@@@@@@@@@@@@@@@@@@@@@@@@@@@@@@@@@@@@@@@@@@@@@@@@@@@@@@@@@@@@@@@@@@@@@@@@@@@@@@@@@@@@@@@@@@@@@@@@@@@@@@@@@@@@@@@@@@@@@@@@@@@@@@@@@@@@@@@@@@@@@@@@@@@@@@@@@@@@@@@@@@@@@@@@@@@@)Xe@@@@@@@@ @@@@@@@@@@@@)KhfN@@?hfJ@@@@@@@@@@1he?3@@@@@@@@@@@@@@@@L? V'@@@)X? ?@@@@@ 3@@@@@ ?3@@L? N@@@H? ?@@@ W&@@@1 ?W&@@@@5 ?I4@@@@@@@5?eJ@@@@@@@1?h3@@@@@@@@? ?3@@@@@@@@@Le?N@@@@@@@@@@@@@@@6K?heO2@@@@@@@@@@@@@@@@@@@@(?'@@(M?e?J@@@@H?
@@ ?3@@L? ?3@@L? ?@L? J@@@@@@5he75 7@@5g@@@@@@@@ I4@@@@@@@@@@@@@@@@@)X?he?7@@@@H? 3@@@@L ?7@@@@@@@@@@ @@@@@@@@@@@? @@@@@@@? ?@@@@@g?J@@@@@? ?N@@@@@@1? ?J@@@@@@@@@@@@@@@@@@@@@@@@@@@@@@@@@@@@@@@@H?N@@@@@@@@@@@@@@@@@@@@@@@@@@@@@@@@@@@@@@@@@@@@@@@@@@@@@@@@@@@@@@@@@@@@@@@@@@@@@@@@@@?e@@@@ I'@@@@@@@@@@@@@@@@@@@@@@@@@@@@@@@@@@@@@@@@@@@@@@@@@@@@@@@@@@@@@@@@@@@@@@@@@@@@@@@@@@@@@@@@@@@@@@@@@@@@@@@@@@@@@@@@@@@@@@@@@@@@@@@@@@@@@@@@@@@@@@@@@@@@@@@@@@@@@@@@@@@@@@@@@@@@@@@@@@@@@@@@@@@@@@@@@@@@@@@@@@@@@@@@@@@@@@@@@@@@@@@@@@@@@@@@@@@@@@@@@@@@@@@@@@@@@@@@@@@@@@@@@@@@@@@@@@@@@@@@@@@@@@@@@@@@@@@@@@@@@@@@@@@@@@@@@@@@@@@@@@@@@@@)K?@@@@@@@@ 3@@@@@@@@@@@@@6Xhe?@@?he?O&@@@@@@@@@@@he?N@@@@@@@@@@@@@@@@1? ?V'@@@)X ?@@@@@ N@@@@@ ?N@@1? ?@@@L? ?3@@ *@@@@@ ?7@@@@@H I4@@@0Y?e7@@@@@@@@LhN@@@@@@@@L ?N@@@@@@@@@1f3@@@@@@@@@@@@@@@@6K?gO2@@@@@@@@@@@@@@@@@@@@@(Y??@@HfW&@@@@
3@L? ?N@@1? ?N@@1? ?@1? 7@@@@@@Hhe@H @@@Hf?J@@@@@@@5 I'@@@@@@@@@@@@@@@@)Khe?@@@@5 N@@@@1 ?@@@@@@@@@@5 @@@@@@@@@@@? 3@@@@@@? ?@@@@@g?7@@@@@? @@@@@@@? ?7@@@@@@@@@@@@@@@@@@@@@@@@@@@@@@@@@@@@@@@5e?@@@@@@@@@@@@@@@@@@@@@@@@@@@@@@@@@@@@@@@@@@@@@@@@@@@@@@@@@@@@@@@@@@@@@@@@@@@@@@@@@@Le@@@@ ?V4@@0M?e?@@@@@@@@@@@@@@@@@@@@@@@@@@@@@@@@@@@@@@@@@@@@@@@@@@@@@@@@@0?4@@@@@@0M??I@?4@@0M?eI4@@@0M?I4@@@@@@@@@@@@@@@@@@@@@0MI40?4@0MI40MI4@@@@@@@@@@@@@@@@@@@@@@0MI4@@@@@@@@@@@@@@@@@@@@@@@@@@0MI4@@@@0M?eI40MI4@@@@@@@@0MI4@@0?4@@@@@0MI4@@@@@@@@@@@@@@@@@@@@@@@@@@@@@@@@@@@@@@@@@@@@@@@@@@@@@@@@@@@@@@@@@@@@@@@@@@@@@@@@@@@@@@@@@@@@@@@@@@@@@@@@ N@@@@@@@@@@@@@@)X?h?@@?g?O@?2@@@@@@@@@@@@@hf@@@@@@@@@@@@@@@@@L V'@@@)X?hf?3@@@@ ?@@@@@L? @@@? ?@@@1? ?N@@ N@@@@@ J@@@@@5? I@M?e?J@@@@@@@@@1h?@@@@@@@@1 3@@@@@@@@@fN@@@@@@@@@@@@@@@@@@@@@@@@@@@@@@@@@@@@@@@(MW@@@@@(Ye7@@?f7@@@@5
N@1? @@@L @@@? ?3@? @@@@@@5?h?J@? @@@?f?7@@@@@@@H ?V4@@@@@@@@@@@@@@@@@@6X?gJ@@@@H ?@@@@@ J@@@@@@@@@@H 3@@@@@@@@@@? N@@@@@@L ?@@@@5g?@@@@@@? @@@@@@@? ?@@@@@@@@@@@@@@@@@@@@@@@@0?4@0M?gI40Yg?@@@@@@@@@@@@@@@@@@@@@@@@@@@@@@@@@@@@@@@@@@@@@@@@@@@@@@@@@@@@@@@@@@@@@@@@@@@@@@1e@@@@ ?@@@@@0Mf?I@MfI@M? ?I@MI@M? ?I4@@@@@@@@@@@@@@@@@@@@@@@ ?@@@@@@@@@@@@@@@)K?O2@@@@@@@@@@@@@@@@@@@@@@@@@@@@@@@@5hf3@@@@@@@@@@@@@@@@1 ?V4@@@)Xhf?N@@@@ ?@@@@@1? @@@? ?3@@@? @@ ?@@@@@ 7@@@@@H? ?7@@@(Y@@@@@L?g?3@@@@@@@@ V'@@@@@@@5f?@@@@@@@@@@@@@@@@@@@@@@@@@@@@@@@@@@@@@@@YO&@@@@(Y?e@@@?e?J@@@@@H
?3@L 3@@1 3@@L ?N@L ?J@@@@@@H?h?75? ?J@@@?f?@@@@@@@@? ?I4@@@@@@@@@@@@@@@@@)Kg7@@@@? ?@@@@@ 7@@@@@@@@@@? N@@@@@@@@@@? ?@@@@@@1 ?@@@@Hg?@@@@@@? 3@@@@@@L ?@@@@@@@@@@@@@@@@@@@@? ?3@@@@@@@@@@@@@@@@@@@@@@@@@@@@@@@@@@@@@@@@@@@@@@@@@@@@@@@@@@@@@@@@@@@@@@@@@@@@@@e@@@@ I40M @@@@@@@@@@@@@@@@L? ?@@@@@@@@@@@@@@@@@@@@@@@@@@@@@@@@@@@@@@@@@@@@@@@@@@@@HhfN@@@@@@@@?I'@@@@@@ @@@)X?hf@@@@ ?@@@@@@? @@@? ?N@@@? @@L?e?O26K? ?3@@@@ ?J@@@@@5 J@@@@H?3@@@@1?g?N@@@@@@@@ ?V'@@@@@(Yf?3@@@@@@@@@@@@@@@@@@@@@@@@@@@@@@@@@@@@@@@@@@@@@Hf@@@?e?7@@@@@?
?N@1 N@@@ N@@1 @1 ?7@@@@@@heJ@H? ?7@@5?fJ@@@@@@@@? ?I'@@@@@@@@@@@@@@@@@6Xf@@@@@? ?@@@@@ @@@@@@@@@@5? ?@@@@@@@@@@L ?3@@@@@@ ?@@@@?g?@@@@@@? ?@@@@@@1 J@@@@@@@@@@@@@@@@@(?@? ?N@@@@@@@@@@@@@@@@@@@@@@@@@@@@@@@@@@@@@@@@@@@@@@@@@@@@@@@@@@@@@@@@@@@@@@@@@@@@@@@@@@@5 @@@@@@@@@@@@@@@@1? ?@@@@@@@@@(?'@@@@@@@@@@@@@@@@@@@@@@@@@@@@@@@@@@@@@@@@Lhf?3@@@@@@@??V@@@@@@ @@@@)Xhf@@@@ ?@@@@@@? @@@? @@@? @@1??O2@@@@@ ?N@@@@ ?7@@@@@H 7@@@@??N@@@@@Lh@@@@@@@@L? N@@@@@g?N@@@@@@@@@@@@@@@@@@@@@@@@@@@@@@@@@@@@@@@@@@@@5?f@@@?e?@@@@@5?
3@ ?3@@L? ?@@@L? 3@ ?@@@@@@@he75 J@@@H?f7@@@@@@@@? V4@@@@@@@@@@@@@@@@@)X??J@@@@5? ?@@@@@ @@@@@@@@@@H? ?@@@@@@@@@@1 ?N@@@@@@L? J@@@@?g?@@@@@@? @@@@@@@@ @@@@@@@@@@@@@@@@@(Y? @@@@@@@@@@@@@@@@@@@@@@@@@@@@@@@@@@@@@@@@@@@@@@@@@@@@@@@@@@@@@@@@@@@@@@@@@@@@@@@@@@@H @@@@@@@@@@@@@@@@@? ?@@@@@@@@(Y?V'@@@@@@@@@@@@@@@@@@@@@@@@@@@@@@@@@@@@@@@1hf?N@@@@@@@@@@@@@@@5 ?I'@@)X?he@@@@ ?@@@@@@? 3@@L @@@? @@@W2@@@@@@@ @@@@ J@@@@@5? @@@@@?e3@@@@1h@@@@@@@@1? ?3@@@@1?g@@@@@@@@@@@@@@@@@@@@@@@@@@@@@@@@@@@@@@@@@@@(Y?heJ@@@@@H?
N@L? ?N@@1? ?3@@1? N@L? J@@@@@@5he@H 7@@5g@@@@@@@@5? I'@@@@@@@@@@@@@@@@)KO&@@@@H? ?3@@@@L? @@@@@@@@@@ ?@@@@@@@@@@@ @@@@@@1? 7@@@@?g?@@@@@5? N@@@@@@@ N@@@@@@@@@@@@@@@@Hhe@? 3@@@@@@@@@@@@@@@@@@@@@@@@@@@@@@@@@@@@@@@@@@@@@@@@@@@@@@@@@@@@@@@@@@@@@@@@@@@@@@@@@@? @@@@@@eI'@@@@@@@? ?@@@@@@@(Ye?V'@@@@@@@@@@@@@@@@@@@@@@@@@@@@@@@@@@@@@@@ 3@@@@@@@@@@@@@@H V'@@)Khe@@@@ ?3@@@@@L N@@1 @@@L 3@@@@@@@@@@@ @@@@ 7@@@@@H? ?J@@@@5?eN@@@@@h3@@@@@@@@? ?N@@@@@?g?I'@@@@@@@@@@@@@@@@@@@@@@@@@@@@@@@@@@@@@@@@Hhf7@@@@5
?@1? @@@? ?N@@@? ?31? 7@@@@@@Hh?J@? @@@Hg@@@@@@@(Y? ?V4@@@@@@@@@@@@@@@@@@@@@@@ ?N@@@@1? ?J@@@@@@@@@@ ?@@@@@@@@@@@ 3@@@@@@L @@@@@?g?@@@@@H? ?@@@@@@@ ?@@@@@@@@@@@@@@@5?he@? N@@(?@?'@@@@@@@@@@@@@@@@@@@@@@@@@@@@@@@@@@@@@@@@@@@@@@@@@@@@@@@@@@@@@@@@@@@@@@@@@@@? @@@@@@e?V'@@@@@@? ?3@@@@@@H?fN@@@@@@@@@@@@@@@@@@@@@@@@@@@@@@@@@@@@@@@ V'@@@@@@@@@@@@5? ?V'@@@6Xh@@@@L? ?N@@@@@1 ?@@@ @@@1 N@@@@@(M 3@@@L? ?J@@@@@5 ?7@@@@H?e?@@@@@L?gN@@@@@@@@L 3@@@@@@?gV'@@@@@@@@@@@@@@@@@@@@@@@@@@@@@@@@@@@@@@5?he?J@@@@(Y
?@@L 3@@L @@@L ?N@L @@@@@@@?h?7@? ?J@@@?f?J@@@@@@@H ?I'@@@@@@@@@@@@@@@@@@@@@ @@@@@? ?7@@@@@@@@@5 ?3@@@@@@@@@@ N@@@@@@1 @@@@@?gJ@@@@@ ?@@@@@@@L? ?@@@@@@@@@@@@@@@H?he@L ?@@?e?N@@@@@@@@@@@@@@@@@@@@@@@@@@@@@@@@@@@@@@@@@@@@@@@@@@@@@@@@@@@@@@@@@@@@@@@@@@@? O2@6K? ?J@@@@@@fN@@@@@@? ?N@@@@@@L?f?@@@@@@@@@@@@@@@@@@@@@@@@@@@@@@@@@@@@@@5 ?V'@@@@@@@@@@(Y? V'@@@)X?g@@@@1? @@@@@@ ?@@@ 3@@@ ?@@@@@H? N@@@1? W&@@@@(Y ?@@@@@f?@@@@@1?g?@@@@@@@@1 N@@@@@@Lg?V'@@@@@@@@@@@@@@@@@@@@@@@@@@@@@@@@@@@@@H?heW&@@@@H?
?3@1 N@@1 @@@1 @1 ?J@@@@@@5?h?@5? ?7@@@?f?7@@@@@@@? V4@@@@@@@@@@@@@@@@@@@@L? 3@@@@? ?@@@@@@@@@@H ?N@@@@@@@@@@ ?@@@@@@@ @@@@@?g7@@@@@ ?3@@@@@@1? ?@@@@@@@@@@@@@@@g@?f@1e?O26K?hf?@@1f@@@@@@@@@@@@@@@@@@@@@@@@@@@@@@@@@@@@@@@@@@@@@@@@@@@@@@@@@@@@@@@@@@@@@@@@@@@?he?W2@@@@@@@6K ?@@@@@@@f?@@@@@@? @@@@@@1?f?@@@@@@@@@@@@@@@@@@@@@@@@@@@@@@@@@@@@@(Y V4@@@@@@@@0Y ?V'@@@)Kg@@@@@? @@@@@@ ?@@@ N@@@ ?@@@@@ @@ ?@@@@? ?W&@@@@@H? ?@@@@@f?3@@@@@Lg?@@@@@@@@@ ?3@@@@@)X?gV'@@@@@@@@@@@@@@@@@@@@@@@@@@@@@@@@@@@5he?W&@@@@5
?V'@ ?@@@L? 3@@@ 3@ ?7@@@@@@H?hJ@H? ?@@@5?fJ@@@@@@@5? I4@@@@@@@@@@@@@@@@@@)X ?@@@@? ?@@@@@@@@@@? @@@@@@@@@@L? ?3@@@@@@L? @@@@@?g@@@@@@ ?N@@@@@@@? ?3@@@@@@@@@@@@h@?f@@W2@@@@@6K?he?@@@L?e?I'@@@@@@@@@@@@@@@@@@@@@@@@@@@@@@@@@@@@@@@@@@@@@@@@@@@@@@@@@@@@@@@@@@@@@@@@?heW&@@@@@@@@@@@@@@ ?N@@@@@@L?e?@@@@@5? 3@@@@@@Lf?@@@@@fI'@@@@@@@@@@@@@@@@@@@@@@@@@0Y? I4@@0M V4@@@@6Xf@@@@@? @@@@@@ ?@@@L? ?@@@ ?3@@@5 ?@@@@? ?7@@@@@5 ?@@@@@f?N@@@@@)X?f?3@@@@@@@@ ?N@@@@@@)Kg?V'@@@@@@@@@@@@@@@@@@@@@@@@@@@@@@@@@@HheW&@@@@(Y
N@L? W-X? ?@@@1? N@@@L? N@L? ?@@@@@@@he75 J@@@H?f7@@@@@@@H? I'@@@@@@@@@@@@@@@@@)K? 7@@@@L J@@@@@@@@@@? @@@@@@@@@@1? ?N@@@@@@1? @@@@5?g@@@@@@ @@@@@@@? ?N@@@@@@@@@@@@g?J@@@@@@@@@@@@@@@@@@@@@?g?@@@)XfV'@@@@@@@@@@@@@@@@@@@@@@@@@@@@@@@@@@@@@@@@@@@@@@@@@@@@@@@@@@@@@@@@@@@@@@@?h?W&@@@@@@@@@@@@@@@ @? 3@@@@@)Ke?@@@@@H? V'@@@@@)K?e?@@@@@f?N@(M?g?@@@@@@@@@@@@(M? I'@@@)X?e3@@@@? @@@@@@ ?3@@1? ?@@@ ?N@@@H ?@@@@L J@@@@@@H ?@@@@5g3@@@@@)Xf?N@@@@@@@@L? 3@@@@@@@6XgV'@@@@@@@@@@@@@@@@@@@@@@@@@@@@@@@@@?h?O&@@@@(Y?
?@1? 7@)K ?@@@@? ?3@@1? ?@1? J@@@@@@5he@H 7@@5g@@@@@@@@ ?V4@@@@@@@@@@@@@@@@@@6K? 3@@@@1 7@@@@@@@@@5? @@@@@@@@@@@? 3@@@@@@? @@@@H?g@@@@@@ @@@@@@@? 3@@@@@@@@@h?7@@@@@@@@@@@@@@@@@@@@@?g?@@@@)X?e?V'@@@@@@@@@@@@@@@@@@@@@@@@@@@@@@@@@@@@@@@@@@@@@@@@@@@@@@@@@@@@@@@@@@@@@@?h?7@@@@@@@@@@@@@@@@ V'@@@@@@@@@@@@@5 ?V4@@@@@@6K??@@@@5g@Hh?@@@@@@@@@@@0Y ?V'@@@)KeN@@@@? @@@@@@L? ?N@@@? ?@@@ 3@@? ?3@@@1 ?W&@@@@@5? J@@@@HgN@@@@@@)X?f@@@@@@@@1? V'@@@@@@@)X?f?N@@@@@@@@@@@@@@@@@@@@@@@@@@@@@@@@@?O2@?e?W2@@@@@(Y
?3@? @@@@@@@@@@@6?2@@@@@@@@@@@@@@@L ?N@@@W2@@@@@@@@@@@@@@@@@@@@@@@@@6X ?3@L 7@@@@@@Hh?J@? @@@Hg@@@@@@@5 ?I'@@@@@@@@@@@@@@@@@@6X? N@@@@@ @@@@@@@@@@H? @@@@@@@@@@@? N@@@@@@? ?J@@@@h@@@@@@ @@@@@@@L N@@@@@@@@5hJ@@@@@@@@@@@@@@@@@@@@@@?eW2@@@@@@@@1?fV'@@@@@@@@@@@@@@@@@@@@@@@@@@@@@@@@@@@@@@@@@@@@@@@@@@@@@@@@@@@@@@@@@@@@@?h?@@@@@(M?I'@@@@@@@ ?V'@@@@@@@@@@@(Y ?I'@@@@@@@@@@@@Hf?J@?h?@@@@@@@@@0M V4@@@@6K?@@@@? @@@@@@1? @@@? ?@@@L? N@@? ?N@@@@ W&@@@@@(Y? 7@@@@?g?@@@@@@@1?f@@@@@@@@@? ?N@@@@@@@@)KO@K?e@@@@@@@@@@@@@@@@@@@@@@@@0?'@@@@@@@@@@?eW&@@@@@(Y?
?N@L @@@@@@@@@@@@@@@@@@@@@@@@@@@@@, @@@@@@@@@@@@@@@@@@@@@@@@@@@@@@@) ?N@1 @@@@@@@?h?7@? @@@?g@@@@@@@H V4@@@@@@@@@@@@@@@@@@)K ?@@@@@ @@@@@@@@@@ 3@@@@@@@@@@? ?@@@@@@L ?7@@@@h@@@@@@ 3@@@@@@1 ?@@@@@@@(Yh7@@@@@@@@@@@@@@@@@@@@@@Le7@@@@@@@@@@Lf?N@@@@@@@@@@@@@@@@@@@@@@@@@@@@@@@@@@@@@@@@@@@@@@@@@@@@@@@@@@@@@@@@@@@@@?hJ@@@@@H?eN@@@@@@@ V4@@@@@@@@@(Y? V'@@@@@@@@@@@?f?7@?h?@@@@@@@(M I'@@@@@@@@@? 3@@@@@@? @@@? ?3@@1? ?@@? @@@@L? ?W&@@@@@(Yhf?O26X? @@@@5?g?@@@@@@@5?f@@@@@@@@@? 3@@@@@@@@@@@@@@@@@@@@@@@@@@@@@@@@0M?gN@@@@@@@@@5??W&@@@@@(Y
@1 3@@@@@@@@@@@@@@@@@@@@@@@@@@@(Y ?I'@@@@@@@@@@@@@@@@@@@@@@@@@@H @@ ?J@@@@@@@?hJ@5? ?J@@5?f?J@@@@@@@? I4@@@@@@@@@@@@@@@@@@6K ?@@@@@ @@@@@@@@@@ N@@@@@@@@@@? ?@@@@@@1 ?@@@@@h@@@@@@ N@@@@@@@ ?'@??@@@@@@@H?g?J@@@@@@@@@@@@@@@@@@@@@@@1?J@@@@@@@@@@@1g3@@@@@@@@@@@@@@@@@@@@@@@@@@@@@@@@@@@@@@@@@@@@@@@@@@@@@@@@@@@@@@@@@@@@?h7@@@@@f?3@@@@@@ I4@@@@@@0Y ?N@@@@@@@@@@@@@@6K?@@?eO26Ke?@@@@@@(Y? ?V'@@@@@@@@? N@@@@@@? @@@L ?N@@@? ?@@? @@@@1? ?7@@@@@(Y?heW2@@@@,? @@@@H?g?@@@@@@@Y?f@@@@@@@@@? V4@@@@@@@@@@@@@@@(M?I4@@@@@@@@@(M?h?@@@@@@@@@H?W&@@@@@(Y?
3@ V'@@@@@?f?I4@@@@@@@@@@@@0Y?g@@ V4@@@@0MhfI'@@@@@? 3@L? ?7@@@@@@5?h7@H? ?7@@H?f?7@@@@@@5? I'@@@@@@@@@@@@@@@@@@6X ?@@@@@ ?J@@@@@@@@@@ ?@@@@@@@@@@L ?3@@@@@@ ?@@@@@h@@@@@5 ?@@@@@@@ ?V'??@@@@@@@hO&@@@@@@@@@@@@@@@@@@@@@@@@?7@@@@@@@@@@@@L?fN@@@@@@@@@@@@@@@@@@@@@@@@@@@@@@@@@@@@@@@@@@@@@@@@@@@@@@@@@@@@@@@@@@@@?g?J@@@@@@f?N@@@@@@ 3@@@@@@@@@@@@@@@@@@@@@@@@@6K?@@@@@(Y V'@@@@@@@L ?@@@?@@? 3@@1 @@@? ?@@? @@@@@? J@@@@@@Hhe?O&@@@@0Y? @@@@h?3@@@@@@@@@@@@@@@@@@@@@L I'@@@@@@@@@@@@@Hg?I4@@@0YheJ@@@@@@@@@?O&@@@@@(Y
N@L? ?V'@@@@? N@ ?N@@@? N@1? J@@@@@@@H?h@@ J@@@gJ@@@@@@@H? ?N@@@@@@@@@@@@@@@@@@@)K? ?3@@@@ ?7@@@@@@@@@5 ?@@@@@@@@@@1 ?N@@@@@@L? ?@@@@@g?J@@@@@H ?@@@@@@@ ?@@@@@@@g?@@@@@@@@@@@@@@@@@@@@@@@@@@@?@@@@@@@@@@@@@1?f?@@@@@@@@@@@@@@@@@@@@@@@@@@@@@@@@@@@@@@@@@@@@@@@@@@@@@@@@@@@@@@@@@@@@?g?@@@@@@5g@@@@@@ V'@@@@@@@@@@@@@@@@@@@@@@@@@@@@@@@(Y? ?V4@@@@@@1 ?@@@?@@@@? N@@@ @@@? ?@@?eW2@@@? 3@@@@? ?W&@@@@@5?he@@@@@0M?W-X? @@@@h?N@@@@@@@@@@@@@@@@@@@@@1 ?V'@@@@@@@@@@@@? 7@@@@@@@@@@@@@@@@@H?
?31? N@@@@L ?@ @@@? ?@@? 7@@@@@@@he@5 7@@5g7@@@@@@@ @@@@@@@@@@@@@@@@@@@@@6K? ?N@@@@L? ?@@@@@@@@@@H ?@@@@@@@@@@@ 3@@@@@1? ?@@@@5g?7@@@@@? ?3@@@@@@ ?@@@@@@@g?@@@@@@@@@@@@@@@@@@@@@@@@@@@?3@@@@@@@@@@@@@?f?@@@@@@@@@@@@@@@@@@@@@@@@@@@@@@@@@@@@@@@@@@@@@@@@@@@@@@@@@@@@@@@@@@@@?g?N@@@@(Yg@@@@@@ ?V'@@@@@@@@@@@@@@@@@@@@@@@@@@@@@(Y ?I'@@@@@ ?@@@?@@@@L ?@@@L? 3@@L ?@@L?W&@@@@? N@@@@? W&@@@@@(Y?e?W26X??J@@@0M??W&@)X @@@@he3@@@@@@@@@@@@@@@@@@@@5 V'@@@@@@@@@@@? @@@@@@@@@@@@@@@@@@
?N@L ?3@@@)X? @@@? ?3@L @@@@@@@5h?J@H @@@Hg@@@@@@@5 @@@@@@@@@@@@@@@@@@@@@@@6X? @@@@1? J@@@@@@@@@@? ?@@@@@@@@@@@ N@@@@@@L ?@@@@Hg?@@@@@@? ?N@@@@@@L? ?@@@@@@@g?@@@@@@@@@@@@@@@@@@@@@@@@@@@?V'@@@@@@@@@@@@?f?3@@@@@@@@@@@@@@@@@@@@@@@@@@@@@@@@@@@@@@@@@@@@@@@@@@@@@@@@@@@@@@@@@@@?h@@@@H?g3@@@@@ V'@@@@@@@@@@@@@@@@@@@@@@@@@@@@H? N@@@@@@6K? ?3@@@@@@@, ?@@@1? N@@1 ?3@)?&@@@@5? ?@@@@? 7@@@@@(Yf?7@@1??'@(M?e?*@@@1 ?J@@@5heN@@@@@@@@@@@@@@@@@@@@H ?V4@@@@@@@@@@? 3@@@@@@@@@@@@@@0M?
@1 ?V'@@@1? ?J@@@? ?N@1 ?J@@@@@@@Hh?7@? ?J@@@?g@@@@@@@H ?J@@@@@@@@@@@@@@@@@@@@@@@@)K @@@@@? 7@@@@@@@@@@? ?@@@@@@@@@@@ ?@@@@@@)X? ?@@@@?g?@@@@@@? @@@@@@1? ?@@@@@@@g?@@@@@@@@@@@@@@@@@@@@@@@@@@5eV'@@@@@@@@@@@Lf?V'@@@@@@@@@@@@@@@@@@@@@@@@@@@@@@@@@@@@@@@@@@@@@@@@@@@@@@@@@@@@@@@@@@Lh@@@@L?gN@@@@@ ?V'@@@@@@@@@@@@@@@@@@@@@@@@@@@ ?3@@@@@@@6K? ?N@@@@@@(Y ?@@@@? ?@@@ ?N@@@@@@@0Y? ?3@@@L @@@@@(Y?f?3@@@L?V+Yf?N@@@@ ?7@@@Hhe?@@@@@@@@@@@@@@@@@@@5? ?I'@@@@@@@@? N@@@@@@@@@@@@0M?
3@ V'@@@L ?7@@@? @@ ?7@@@@@@@?hJ@5? ?7@@5?f?J@@@@@@@? ?7@@@(M?I'@@@@@@@@@@@@@@@@@@6X @@@@@? @@@@@@@@@@5? ?3@@@@@@@@@@ ?3@@@@@@)X ?@@@@?g?@@@@@5? 3@@@@@@? ?@@@@@@5g?@@@@@@@@@@@@@@@@@@@@@@@@@@He?N@@@@@@@@@@@1gN@@@@@@@@@@@@@@@@@@@@@@@@@@@@@@@@@@@@@@@@@@@@@@@@@@@@@@@@@@@@@@@@@@1h3@@@1?g?@@@@@L? V4@@@@@@@@@@@@@@@@@@@@@@@@@5 ?N@@@@@@@@@6K? @@@@@@H? ?@@@@? ?@@@ @@@@0M ?N@@@1 @@@@@@(Yg?N@@@)X?h@@@@ ?@@@@?he?@@@f?@@@@@@@@@@@H? V4@@@@@@@@@@@@@6K? ?@@@@@@@@@@(M?
N@L? ?N@@@1 ?@@@@? 3@L? ?@@@@@@@5?h7@H? ?@@@H?f?7@@@@@@5? J@@@@He?V4@@@@@@@@@@@@@@@@@@)K? 3@@@@L @@@@@@@@@@H? ?N@@@@@@@@@@L? ?N@@@@@@@)X? J@@@@?g?@@@@@H? N@@@@@@? ?@@@@@@Yg?@@@@@@@@@@@@@@@@@@@@@@@@@@?f@@@@@@@@@@@@g?3@@@@@@@@@@@@@@@@@@@@@@@@@@@@@@@@@@@@@@@@@@@@@@@@@@@@@@@@@@@@@@@@@@L?gN@@@@?g?@@@@@1? I4@@@@@@@@@@@@@@@@@@@@0Y @@@@@@@@@@@@6K @@@@@@ ?@@@@? ?@@@ @@@? @@@@hf?J@@@@@(Y?h@@@@)Xh3@@@ J@@@@?he?@@@f?@@@@@@@@@@@ I4@@@@@@@@@@@@@@@@6Kh?O2@@@@@@@@@@@(Y
?@1? @@@@L? ?@@@@? N@1? J@@@@@@@H?h@5 J@@@g?@@@@@@@H? 7@@@@?f?I4@@@@@@@@@@@@@@@@@@@6X N@@@@1 @@@@@@@@@@ @@@@@@@@@@1? @@@@@@@@1? 7@@@@?gJ@@@@@ ?@@@@@@L ?@@@@@@@@?f?@@@@@@@@@@@@@@@@@@@@@@@@@@?f@@@@@@@@@@@@L?f?N@@@@@@@@@@@@@@@@@@@@@@@@@@@@@@@@@@@@@@@@@@@@@@@@@@@@@@@@@@@@@@@@@@1?gJ@@@@@@@@@@@@@@@@@@? O2@@6X @@@@@@@@@(M? @@@@?I4@@@@@@@6X @@@@@@ ?@@@@? ?3@@ @@@? @@@@hfW&@@@@(Yhe@@@@@1hN@@@L? 7@@@@?heJ@@5f?@@@@@@@@@@@ I4@@@@@@@@@@@@@@@@6KfO2@@@@@@@@@@@@@@
?3@L 3@@@)X ?@@@@L ?@@L 7@@@@@@@h?J@H 7@@5gJ@@@@@@@ @@@@@?g?I'@@@@@@@@@@@@@@@@@@)X? ?@@@@@ ?J@@@@@@@@@@ @@@@@@@@@@@? @@@@@@@@@L @@@@@?g7@@@@@ ?@@@@@@1 ?@@@@@@V@?eO2@@@@@@@@@@@@@@@@@@@@@@@@@@@?f@@@@@@@@@@@@1?g@@@@@@@@@@@@@@@@@@@@@@@@@@@@@@@@@@@@@@@@@@@@@@@@@@@@@@@@@@@@@@@@@@@?g@@@@@@@@@@@@@@@@@@@? O2@@@@@@@@@)K? ?O@K?O2@6X @@@@@@@@0Y @@@@e?I4@@@@@@)K? 3@@@@@ ?3@@@? ?N@@L? 3@@? 3@@@hf7@@@@(Y?he3@@@@@L?g?@@@1? @@@@@?he7@@Hf?@@@@@@@@@@5 ?I'@@@@@@@@@@@@@@@@@@@@@@@@@@@@@@@@@@@1?
?N@1 V'@@@1 ?@@@@1 ?3@1 @@@@@@@@h?7@? @@@Hg7@@@@@@@ ?J@@@@@?hV'@@@@@@@@@@@@@@@@@@)K ?@@@@@ ?7@@@@@@@@@5 @@@@@@@@@@@? @@@@@@@@@)X? @@@@@?g@@@@@@ ?@@@@@@@ ?@@@@@5?e?@@@@@@@@@@@@@@@@@@@@@@@@@@@@@@?f3@@@@@@@@@@@@?g@@@@@@@@@@@@@@@@@@@@@@@@@@@@@@@@@@@@@@@@@@@@@@@@@@@@@@@@@@@@@@@@@@@Lg?@@@@@@@@@@@@@@@@@@? ?O2@@@@@@@@@@@@@@@@@6KhO2@@@@@@@@@@@@@@@@@@@@@@@@@@@6?2@@@@@@@6KO@?@KO2@@@@@@@@@@@@@@@@@@@@@@@@@@@@@@@@@@@@@@@@6?@KgO@?@K?e?O2@6?2@@6K??O2@@6K?O@K?g?O26?26KO@?@K?eO26?@?2@@@@@6K ?O@KO26K O26Kh?O26K?eO@K? ?O2@@@@@@@6?2@@@@@@@@@@@@@@@@@@1 @@@@@@(M @@@@f?I4@@@@@@@6K N@@@@@L? ?N@@@? @@1? N@@? N@@@L?h?J@@@@(YhfN@@@@@1?g?@@@@? @@@@5?he@@@?fJ@@@@@@@@@@H V4@@@@@@@@@@@@@@@@@@@@@@@@@@@@@@@@@@@?
@@L? ?V'@@@L? ?@@@@@ ?N@@L? @@@@@@@5h?@5? ?J@@@?f?J@@@@@@@5 ?7@@@@5?h?V4@@@@@@@@@@@@@@@@@@@6X ?@@@@@ J@@@@@@@@@@H @@@@@@@@@@@? 3@@@@@@@@@)X @@@@@?g@@@@@@ ?@@@@@@@ ?@@@@@H?e?@@@@@@@@@@@@@@@@@@@@@@@@@@@@@5?fN@@@@@@@@@@@@?g@@@@@@@@@@@@@@@@@@@@@@@@@@@@@@@@@@@@@@@@@@@@@@@@@@@@@@@@@@@@@@@@@@@1g7@@@@@@@@@@@@@@@@@@? @@@@@@@@@@@@@@@@@@@@@@@@@@@@@@@@@@@@@@@@@@@@@@@@@@@@@@@@@@@@@@@@@@@@@@@@@@@@@@@@@@@@@@@@@@@@@@@@@@@@@@@@@@@@@@@@@@@@@@@@@@@@@@@@@@@@@@@@@@@@@@@@@@@@@@@@@@@@@@@@@@@@@@@@@@@@@@@@@@@@@@@@@@@@@@@@@@@@@@@@@@@@@@@@@@@@@@@@@@@@@@@@@@@@@@@@@@@@@@@@@@@@@@@@@@@@@@@@@@@@@@@@@@@@@@@@@@@@@@@@@@@@@@@@@@@@@@@@@@@@@@@@@@@@@@@@@@@@@@@@@@@@@@@@@@@@@@@@@@L? @@@@@(Y? @@@@g?I4@@@@@@@6K ?@@@@@1? @@@L @@@? ?@@? ?@@@1?hW&@@@(Y?hf?@@@@@@?g?@@@@? @@@@H?he@@@?f7@@@@@@@@@5? ?I4@@@@@@@@@@@@@@@@@@0M?e@@@@@@@?
3@1? N@@@)X ?@@@@5 @@1? ?J@@@@@@(YhJ@H? ?7@@5?f?7@@@@@@@H ?@@@@@H?he?I4@@@@@@@@@@@@@@@@@@)K? ?3@@@@ 7@@@@@@@@@@? 3@@@@@@@@@@L N@@@@@@@@@@)X? @@@@@?g@@@@@@ ?3@@@@@@L? ?3@@@@e?@@@@@@@@@@@@@@@@@@@@@@@@@@@@@@@H?f?@@@@@@@@@@@@?g3@@@@@@@@@@@@@@@@@@@@@@@@@@@@@@@@@@@@@@@@@@@@@@@@@@@@@@@@@@@@@@@@@@@L?f@@@@@@@@@@@@@@@@@@5? ?J@@@@@@@@@@@@@@@@@@@@@@@@@@@@@@@@@@@@@@@@@@@@@@@@@@@@@@@@@@@@@@@@@@@@@@@@@@@@@@@@@@@@@@@@@@@@@@@@@@@@@@@@@@@@@@@@@@@@@@@@@@@@@@@@@@@@@@@@@@@@@@@@@@@@@@@@@@@@@@@@@@@@@@@@@@@@@@@@@@@@@@@@@@@@@@@@@@@@@@@@@@@@@@@@@@@@@@@@@@@@@@@@@@@@@@@@@@@@@@@@@@@@@@@@@@@@@@@@@@@@@@@@@@@@@@@@@@@@@@@@@@@@@@@@@@@@@@@@@@@@@@@@@@@@@@@@@@@@@@@@@@@@@@@@@@@@@@@@@@1? @@@@@H @@@@h?I4@@@@@@@@6K? ?@@@@@@??O)X 3@@1 @@@? ?@@? ?@@@@?g?W&@@@@H ?3@@@@5?g?@@@@? @@@@he?J@@@?e?J@@@@@@@@@@H? @@@@@@@?
N@@? ?3@@@1 ?@@@@H 3@@? ?7@@@@@@H?g?W&@ J@@@H?f?@@@@@@@5? ?@@@@@ ?I'@@@@@@@@@@@@@@@@@@@6X ?N@@@@ @@@@@@@@@@@? N@@@@@@@@@@1 ?@@@@@V4@@@@)K @@@@5?g@@@@@@ ?N@@@@@@1? ?N@@@@e?@@@@@@@@@@@@@@@@@@@@@@@@@@@@@@@g?@@@@@@@@@@@@?gN@@@@@@@@@@@@@@@@@@@@@@@@@@@@@@@@@@@@@@@@@@@@@@@@@@@@@@@@@@@@@@@@@@@1?f@@@@@@@@@@(?'@@@@@H? W&@@@@@@@@@@@@@@@@@@@@@@@@@@@@@@@@@@@@@@@@@@@@@@@@@@@@@@@@@@@@@@@@@@@@@@@@@@@@@@@@@@@@@@@@@@@@@@@@@@@@@@@@@@@@@@@@@@@@@@@@@@@@@@@@@@@@@@@@@@@@@@@@@@@@@@@@@@@@@@@@@@@@@@@@@@@@@@@@@@@@@@@@@@@@@@@@@@@@@@@@@@@@@@@@@@@@@@@@@@@@@@@@@@@@@@@@@@@@@@@@@@@@@@@@@@@@@@@@@@@@@@@@@@@@@@@@@@@@@@@@@@@@@@@@@@@@@@@@@@@@@@@@@@@@@@@@@@@@@@@@@@@@@@@@@@@@@@@@@@@L @@@@5? @@@@L?heI4@@@@@@@6K? ?@@@@@@@@@@)X? N@@@ 3@@? ?@@L ?@@@@LgW&@@@@5? ?N@@@@H?g?3@@@L ?J@@@@he?7@@5?e?7@@@@@@@@@@ 3@@@@@@?
?3@? ?V'@@@L? ?@@@@? N@@L J@@@@@@@h?7@@ 7@@@gJ@@@@@@@H? J@@@@5 V4@@@@@@@@@@@@@@@@@@@)K? @@@@L?hf@@@@@@@@@@5? ?@@@@@@@@@@@ ?3@@@@eI'@@@@6K ?J@@@@H?g@@@@@@ @@@@@@@? @@@@e?3@@0M?@@@@@@@@@@@@@@@@@@@@@@@@@g?@@@@@@@@@@@@Lg?@@@@@@@@@@@@@@@@@@@@@@@@@@@@@@@@@@@@@@@@@@@@@@@@@@@@@@@@@@@@@@@@@@@@?f@@@@@@@@@@H?N@@@@@ ?W&@@@@@@@@@@@@@@@@@@@@@@@@@@@@@@@@@@@@@@@@@@@@@@@@@@@@@@@@@@@@@@@@@@@@@@@@@@@@@@@@@@@@@@@@@@@@@@@@@@@@@@@@@@@@@@@@@@@@@@@@@@@@@@@@@@@@@@@@@@@@@@@@@@@@@@@@@@@@@@@@@@@@@@@@@@@@@@@@@@@@@@@@@@@@@@@@@@@@@@@@@@@@@@@@@@@@@@@@@@@@@@@@@@@@@@@@@@@@@@@@@@@@@@@@@@@@@@@@@@@@@@@@@@@@@@@@@@@@@@@@@@@@@@@@@@@@@@@@@@@@@@@@@@@@@@@@@@@@@@@@@@@@@@@@@@@@@@@@@@@@)K? @@@@H? @@@@1?hfI4@@@@@@@@6K ?@@@@@@@@@@@,? ?@@@ N@@? ?3@1 ?@@@@1f?W&@@@@(Y? @@@@h?N@@@1 ?7@@@5he?@@@H?e?@@@@@@@@@@@ N@@@@@@L
?N@L V'@@)X ?@@@@? ?@@1 7@@@@@@@hJ@@5 @@@5g7@@@@@@5 7@@@@H I4@@@@@@@@@@@@@@@@@@@6K? @@@@1?hf@@@@@@@@@@H? ?@@@@@@@@@@@ ?N@@@@e?V'@@@@@@6K? ?7@@@@h@@@@@@ @@@@@@@? @@@@f@Xe?@@@@@@@@@@@@@@@@@@@@@@@@@g?@@@@@@@@@@@@)K?f?@@@@@@@@@@@@@@@@@@@@@@@@@@@@@@@@@@@@@@@@@@@@@@@@@@@@@@@@@@@@@@@@@@@@Lf3@@@@@@@@@L??@@@@5 W&@@@@@@@@@@@@@@@@@@@@@@@@@@@@@@@@@@@@@@@@@@@@@@@@@@@@@@@@@@@@@@@@@@@@@@@@@@@@@@@@@@@@@@@@@@@@@@@@@@@@@@@@@@@@@@@@@@@@@@@@@@@@@@@@@@@@@@@@@@@@@@@@@@@@@@@@@@@@@@@@@@@@@@@@@@@@@@@@@@@@@@@@@@@@@@@@@@@@@@@@@@@@@@@@@@@@@@@@@@@@@@@@@@@@@@@@@@@@@@@@@@@@@@@@@@@@@@@@@@@@@@@@@@@@@@@@@@@@@@@@@@@@@@@@@@@@@@@@@@@@@@@@@@@@@@@@@@@@@@@@@@@@@@@@@@0Y@@@@@@@@@@@6?)X? ?J@@@@ @@@@@? I4@@@@@@@@@@6K ?@@@@@@@@@@(Y? ?3@@ ?@@L ?N@@ ?3@@@@fW&@@@@(Y @@@@he@@@@ ?@@@@?he?@@@f?@@@@@@@@@@@ ?@@@@@@1
3)X? ?V'@@)X? ?@@@@? ?3@@ @@@@@@@5h7@@H ?J@@@Hg@@@@@@@H @@@@@? I4@@@@@@@@@@@@@@@@@@@6K? 3@@@@?hf@@@@@@@@@@ ?@@@@@@@@@@@ 3@@@L?eV'@@@@@@@6X? ?@@@@@g?J@@@@@@ @@@@@@@? @@@@L??7@)K??@@@@@@@@@@@@@@@@@@@@@@@@5g?3@@@@@@@@@@@@@@@6K??@@@@@@@@@@@@@@@@@@@@@@@@@@@@@@@@@@@@@@@@@@@@@@@@@@@@@@@@@@@@@@@@@@@@1fN@@@@@@@@@1?J@@@@H 7@@@@@@@@@@@@@@@@@@@@@@@@@@@@@@@@@@@@@@@@@@@@@@@@@@@@@@@@@@@@@@@@@@@@@@@@@@@@@@@@@@@@@@@@@@@@@@@@@@@@@@@@@@@@@@@@@@@@@@@@@@@@@@@@@@@@@@@@@@@@@@@@@@@@@@@@@@@@@@@@@@@@@@@@@@@@@@@@@@@@@@@@@@@@@@@@@@@@@@@@@@@@@@@@@@@@@@@@@@@@@@@@@@@@@@@@@@@@@@@@@@@@@@@@@@@@@@@@@@@@@@@@@@@@@@@@@@@@@@@@@@@@@@@@@@@@@@@@@@@@@@@@@@@@@@@@@@@@@@@@@@@@@@@@@@?e@@@@@@@@@@@@@@)X ?7@@@@ @@@@@? ?I4@@@@@@@@@6?@K ?3@@@@@@@@0Y @@ ?@@1 3@ ?N@@@@e?O&@@@@(Y? 3@@@L?h3@@@L? ?@@@@)X?h?@@5fJ@@@@@@@@@@@ ?@@@@@@@
N@1? N@@@1? ?@@@@? ?N@@L? ?J@@@@@@@Hh@@@? ?7@@@?f?J@@@@@@@? ?J@@@@5? I'@@@@@@@@@@@@@@@@@@@6X? N@@@@?he?J@@@@@@@@@5 ?3@@@@@@@@@@ N@@@1?e?V'@@@@@@@)K ?@@@@@g?7@@@@@5 3@@@@@@L @@@@)K?@@@@6X@@@@@@@@@@@@@@@@@@@@@@@0Yg?V'@@@@@@@@@@@@@@@@@@@@@@@@@@@@@@@@@@@@@@@@@@@@@@@@@@@@@@@@@@@@@@@@@@@@@@@@@@@@@@@@@@@@@@@L?e?3@@@@@@@@@W&@@@@? ?J@@@@@@@@@@@@@@@@@@@@@@@@@@@@@@@@@@@@@@@@@@@@@@@@@@@@@@@@@@@@@@@@@@@@@@@@@@@@@@@@@@@@@@@@@@@@@@@@@@@@@@@@@@@@@@@@@@@@@@@@@@@@@@@@@@@@@@@@@@@@@@@@@@@@@@@@@@@@@@@@@@@@@@@@@@@@@@@@@@@@@@@@@@@@@@@@@@@@@@@@@@@@@@@@@@@@@@@@@@@@@@@@@@@@@@@@@@@@@@@@@@@@@@@@@@@@@@@@@@@@@@@@@@@@@@@@@@@@@@@@@@@@@@@@@@@@@@@@@@@@@@@@@@@@@@@@@@@@@@@@@@@@@@@@@@@@@@@@@@@@@@@@@@@@@)X? ?@@@@5 3@@@@? ?I4@@@@@@@@@@@6K ?N@@@@@@(M ?7@@L? ?@@@ N@ 3@@@@@@@@@@@@?gO26Khe?@@@1?hN@@@1? ?@@@)XhJ@@Hf7@@@@@@@@@@5 ?3@@@@@@
?@@? ?3@@@L ?@@@@? 3@1? ?7@@@@@@@?g?J@@5? J@@@@?f?7@@@@@@@? ?7@@@@H? ?V4@@@@@@@@@@@@@@@@@@@)X ?@@@@?he?7@@@@@@@@@H ?N@@@@@@@@@@ ?@@@@?fV'@@@@@@@@6X ?@@@@@g?@@@@@@H N@@@@@@1 @@@@@@@@@@@@@@@@@@@@@@@@@@@@@@0M ?@@@@@@@@@@@@@@@@@@@@@@@@@@@@@@@@@@@@@@@@@@@@@@@@@@@@@@@@@@@@@@@@@@@@@@@@@@@@@@@@@@@@@@@1?e?V'@@@@@@@@@@@@@5? ?7@@@@@@@@@@@@@@@@@@@@@@@@@@@@@@@@@@@@@@@@@@@@@@@@@@@@@@@@@@@@@@@@@@@@@@@@@@@@@@@@@@@@@@@@@@@@@@@@@@@@@@@@@@@@@@@@@@@@@@@@@@@@@@@@@@@@@@@@@@@@@@@@@@@@@@@@@@@@@@@@@@@@@@@@@@@@@@@@@@@@@@@@@@@@@@@@@@@@@@@@@@@@@@@@@@@@@@@@@@@@@@@@@@@@@@@@@@@@@@@@@@@@@@@@@@@@@@@@@@@@@@@@@@@@@@@@@@@@@@@@@@@@@@@@@@@@@@@@@@@@@@@@@@@@@@@@@@@@@@@@@@@@@@@@@@@@@@@@@@@@@@@@@@@@@@1? ?@@@@H N@@@@? I4@@@@@@@@@@@@@6K? O2@6K?@@@@@@H? ?3@@1? ?@@@ ?@L? N@@@@@@@@@@@@)K??O2@@@@@@@@@@@6K?O&@@@@?h?@@@@? ?@@@@1h7@@?f@@@@@@@@@@@H ?N@@@@@@
?3@L ?N@@@)X? ?@@@@? N@@L ?@@@@@@@@?g?7@@H? 7@@@5?f?@@@@@@@5? ?@@@@@ ?I'@@@@@@@@@@@@@@@@@@)X? ?@@@@LheJ@@@@@@@@@@? @@@@@@@@@@L? ?@@@@?f?V4@@@@@@@@)K? ?@@@@@g?@@@@@@? ?@@@@@@@ @@@@@@@@@@@@@@@@@@@@@@@@@@@@@? ?O&@@@@@@@@@@@@@(M?I'@@@@@@@@@@@@@@@@@@@@@@@@@@@@@@@@@@@@@@@@@@@@@@@@@@@@@@@@@@@@@@@@@@@@@@?fN@@@@@@@@@@@@(Y? J@@@@@@@@@@@@@@@@@@@@@@@@@@@@@@@@@@@@@@@@@@@@@@@@@@@@@@@@@@@@@@@@@@@@@@@@@@@@@@@@@@@@@@@@@@@@@@@@@@@@@@@@@@@@@@@@@@@@@@@@@@@@@@@@@@@@@@@@@@@@@@@@@@@@@@@@@@@@@@@@@@@@@@@@@@@@@@@@@@@@@@@@@@@@@@@@@@@@@@@@@@@@@@@@@@@@@@@@@@@@@@@@@@@@@@@@@@@@@@@@@@@@@@@@@@@@@@@@@@@@@@@@@@@@@@@@@@@@@@@@@@@@@@@@@@@@@@@@@@@@@@@@@@@@@@@@@@@@@@@@@@@@@@@@@@@@@@@@@@@@@@@@@@@@@@@@L ?@@@@? ?@@@@? I4@@@@@@@@@@@@@@@@6K ?O2@@@@@@@@@@@@@@@@@ ?N@@@?O2@@@?hf?@@@ ?@1? ?@@@@@@@@@@@@@@@@@@@@@@@@@@@@@@@@@@@@@@Lh?@@@@??W2@@@6Khf?@@@@@h@@5?f@@@@@@@@@@5? @@@@@@L?
?N@1 3@@@1? ?@@@@L ?@@1 J@@@@@@@5?g?@@@ @@@@H?fJ@@@@@@@H? J@@@@5 V4@@@@@@@@@@@@@@@@@@)K ?@@@@1he7@@@@@@@@@@? @@@@@@@@@@1? ?3@@@?g?I'@@@@@@@@6X? ?@@@@@g?@@@@@@? ?@@@@@@@ ?J@@@@@@@@@@@@@@@@@@@@@@@@@@@@@@@6?2@@6Xf?@@@@@@@@@@@@@@@@(Y?@KV@@@@@@@@@@@@@@@@@@@@@@@@@@@@@@@@@@@@@@@@@@@@@@@@@@@@@@@@@@@@@@@@@@@@@@Lf?3@@@@@@@@@@(Y 7@@@@@@@@@@@@@@@@@@@@@@@@@@@@@@@@@@@@@@@@@@@@@@@@@@@@@@@@@@@@@@@@@@@@@@@@@@@@@@@@@@@@@@@@@@@@@@@@@@@@@@@@@@@@@@@@@@@@@@@@@@@@@@@@@@@@@@@@@@@@@@@@@@@@@@@@@@@@@@@@@@@@@@@@@@@@@@@@@@@@@@@@@@@@@@@@@@@@@@@@@@@@@@@@@@@@@@@@@@@@@@@@@@@@@@@@@@@@@@@@@@@@@@@@@@@@@@@@@@@@@@@@@@@@@@@@@@@@@@@@@@@@@@@@@@@@@@@@@@@@@@@@@@@@@@@@@@@@@@@@@@@@@@@@@@@@@@@@@@@@@@@@@@@@@@@@)X? ?@@@@? ?@@@@? I4@@@@@@@@@@@@@@@@@@@6K? ?O2@@@@@@@@@@@@@@@@@@@L? @@@@@@@@@?hf?@@@ ?@@? ?3@@@@@@@@@@@@@@@@@@@@@@@@@@@@@@@@@@@@@1h?@@@@??7@@@@@@@@@@@@@@@@@@@@@@@@L?f?J@@H?e?J@@@@@@@@@@H? @@@@@@1?
3@L? V'@@@L ?@@@@1 ?3@@ 7@@@@@@@H?gJ@@@ ?J@@@@g7@@@@@@@ 7@@@@H I4@@@@@@@@@@@@@@@@@@6X ?@@@@@he@@@@@@@@@@@? @@@@@@@@@@@? ?N@@@LhV4@@@@@@@@)X ?@@@@5g?@@@@@@? ?3@@@@@@ O&@@@@@@@@@@@@@@@@@@@@@@@@@@@@@@@@@@@@@)f?@@@@@@@@@@@@@@@(Ye@@@@@@@@@@@@@@@@@@@@@@@@@@@@@@@@@@@@@@@@@@@@@@@@@@@@@@@@@@@@@@@@@@@@@@@@@1f?V4@@@@@@@@0Y? @@@@@@@@@@@@@@@@@@@@@@@@@@@@@@@@@@@@@@@@@@@@@@@@@@@@@@@@@@@@@@@@@@@@@@@@@@@@@@@@@@@@@@@@@@@@@@@@@@@@@@@@@@@@@@@@@@@@@@@@@@@@@@@@@@@@@@@@@@@@@@@@@@@@@@@@@@@@@@@@@@@@@@@@@@@@@@@@@@@@@@@@@@@@@@@@@@@@@@@@@@@@@@@@@@@@@@@@@@@@@@@@@@@@@@@@@@@@@@@@@@@@@@@@@@@@@@@@@@@@@@@@@@@@@@@@@@@@@@@@@@@@@@@@@@@@@@@@@@@@@@@@@@@@@@@@@@@@@@@@@@@@@@@@@@@@@@@@@@@@@@@@@@@@@@@@@@1? ?@@@@? ?@@@@? I4@@@@@@@@@@@@@@@@@@@@@@@@@@@@6?26?2@@@@@@@@@@@@@@@@@@@@@@@@@@1? 3@@@@(M? ?3@@L? ?3@? ?N@@@?I@MI'@@@@@@@@@@@@@@@@@@@@@@@@@@@@@h?3@@@L?@@@@@@@@@@@@@@@@@@@@@@@@@1?f?7@@f?7@@@@@@@@@@ @@@@@@@?g?@@?
N@1? ?V'@@)X? ?@@@@5 ?N@@L? @@@@@@@@g?O&@@@ W&@@@@g@@@@@@@5 @@@@@? I'@@@@@@@@@@@@@@@@@)K? ?@@@@@he@@@@@@@@@@5? @@@@@@@@@@@? @@@1heI'@@@@@@@)K? J@@@@Hg?@@@@@@? ?N@@@@@@L? O2@@@@@@@@@@@@@@@@@@@@@@@@@@@@@@@@@@@@@@@@@Hf?@@@@@@@@@@@@@@@H?e3@@@@@@@@@@@@@@@@@@@@@@@@@@@@@@@@@@@@@@@@@@@@@@@@@@@@@@@@@@@@@@@@@@@@@@@@@h@@@@@0M? @@@@@@@@@@@@@@@@@@@@@@@@@@@@@@@@@@@@@@@@@@@@@@@@@@@@@@@@@@@@@@@@@@@@@@@@@@@@@@@@@@@@@@@@@@@@@@@@@@@@@@@@@@@@@@@@@@@@@@@@@@@@@@@@@@@@@@@@@@@@@@@@@@@@@@@@@@@@@@@@@@@@@@@@@@@@@@@@@@@@@@@@@@@@@@@@@@@@@@@@@@@@@@@@@@@@@@@@@@@@@@@@@@@@@@@@@@@@@@@@@@@@@@@@@@@@@@@@@@@@@@@@@@@@@@@@@@@@@@@@@@@@@@@@@@@@@@@@@@@@@@@@@@@@@@@@@@@@@@@@@@@@@@@@@@@@@@@@@@@@@@@@@@@@@@@@@@@L ?@@@@? ?@@@@? I4@@@@@@@@@@@@@@@@@@@@@@@@@@@@@@@@@@@@@@@@@@@@@@@@@@@@@@@@@W2@@6X? N@@@(Y ?N@@1? ?N@? @@@LfN@@@@@@@@@@?e?I4@@@@@@@@@@@@@h?N@@@1?3@@@@@@@@@@@@@@@@0?@M?@@@@Lf?@@@f?@@@@@@@@@@@ 3@@@@@@?g?@@?
?@@? N@@@)X ?@@@@H 3@1?hf?J@@@@@@@5f@@@@@@@@@@@@@@@@@@@@6K ?W&@@@@@L?e?J@@@@@@@H @@@@@? ?V4@@@@@@@@@@@@@@@@@@6K? ?@@@@@h?J@@@@@@@@@@H? 3@@@@@@@@@@? 3@@@L?h?V4@@@@@@@@@@@@6K?f?O2@6KfO26KeO2@@@@@@@@@@@@6?&@@@@?g?@@@@@@? @@@@@@1? O2@@@@@@@@@@@@@@@@@@@@@@@@@@@@@@@@@@@@@@@@@@@@@@@?f?@@@@@@@@@@@@@@5fN@@@@@@@@@@@@@@@@@@@@@@@@@@@@@@@@@@@@@@@@@@@@@@@@@@@@@@@@@@@@@@@@@@@@@@@@@L?g3@@@ @@@@@@@@@@@@@@@@@@@@@@@@@@@@@@@@@@@@@@@@@@@@@@@@@@@@@@@@@@@@@@@@@@@@@@@@@@@@@@@@@@@@@@@@@@@@@@@@@@@@@@@@@@@@@@@@@@@@@@@@@@@@@@@@@@@@@@@@@@@@@@@@@@@@@@@@@@@@@@@@@@@@@@@@@@@@@@@@@@@@@@@@@@@@@@@@@@@@@@@@@@@@@@@@@@@@@@@@@@@@@@@@@@@@@@@@@@@@@@@@@@@@@@@@@@@@@@@@@@@@@@@@@@@@@@@@@@@@@@@@@@@@@@@@@@@@@@@@@@@@@@@@@@@@@@@@@@@@@@@@@@@@@@@@@@@@@@@@@@@@@@@@@@@@@@@@@@@1 J@@@@? ?@@@@? I4@@@@@@@@@@@@@@@@@@@@@@@@@@@@@@@@@@@@@@@@@@0Y@@@@@@@@@@@@)? ?@@@H? @@@? @L @@@1f?3@@@(?'@@@?hf?I'@@@he@@@@?V4@@@@0M?hf?3@@@)X?e?@@@f?@@@@@@@@@@5 N@@@@@@L ?O2@@@@@@@@@@@@6K?
?3@L ?3@@@1 ?@@@@L N@@Lhf?7@@@@@@@He?J@@@@@@@@@@@@@@@@@@@@@@@@@@@@@@@@@@@@@@@@@@@@@@@@@@@@@@@@@@@@@@@@@@@@@@@@@@@@@@@@@@@@@@@@@@@@@@@@6KO2@@@6K??O2@@6K?O@KO@?2@6K O&@@@@@@1?e?7@@@@@@@? ?J@@@@5? ?I'@@@@@@@@@@@@@@@@@@@6X ?3@@@@L?g?7@@@@@@@@@@ N@@@@@@@@@@L N@@@)Xhe?I4@@@@@@@@@@@@@@@@@@@@@@@@@@@@@@@@@@@@@@@@@@@@@@@@@@@@@@?g?@@@@@5? @@@@@@@?h?O2@@@@@@@@@@@@@@@@@@@@@@@@@@@@@@@@@@@@@@@@@@@@@@@@@@@@?f?@@@@@@@@@@@@@@Hf?@@@@@@@@@@@@@@@@@@@@@@@@@@@@@@@@@@@@@@@@@@@@@@@@@@@@@@@@@@@@@@@@@@@@@@@@@1?gN@@@ ?J@@@@@@@@@@@@@@@@@@@@@@@@@@@@@@@@@@@@@@@@@@@@@@@@@@@@@@@@@@@@@@@@@@@@@@@@@@@@@@@@@@@@@@@@@@@@@@@@@@@@@@@@@@@@@@@@@@@@@@@@@@@@@@@@@@@@@@@@@@@@@@@@@@@@@@@@@@@@@@@@@@@@@@@@@@@@@@@@@@@@@@@@@@@@@@@@@@@@@@@@@@@@@@@@@@@@@@@@@@@@@@@@@@@@@@@@@@@@@@@@@@@@@@@@@@@@@@@@@@@@@@@@@@@@@@@@@@@@@@@@@@@@@@@@@@@@@@@@@@@@@@@@@@@@@@@@@@@@@@@@@@@@@@@@@@@@@@@@@@@@@@@@@@@@@@@@@@@@L? 7@@@@? ?@@@@L ?I4@@@@@@@@@@@@@@@@@@@@0?4@@@@@0M?g3@@@@@@@@@@@H? ?@@@ @@@L @1 3@@@f?N@@@H?V'@@? N@@@L?h@@@@L? ?N@@@@1?eJ@@5f?@@@@@@@@@@H ?@@@@@@1 O2@@@@@@@@@@@@@@@@@@@@@@6K
?N@1 ?V'@@@L? ?@@@@1 ?@@1hfJ@@@@@@@@?e?7@@@@@@@@@@@@@@@@@@@@@@@@@@@@@@@@@@@@@@@@@@@@@@@@@@@@@@@@@@@@@@@@@@@@@@@@@@@@@@@@@@@@@@@@@@@@@@@@@@@@@@@@@@@@@@@@@@@@@@@@@@@@@@@@@@@@@@@@@@@@@@@@@@@@@@@@@@@@@@@@@?eJ@@@@@@@5? ?7@@@@H? V4@@@@@@@@@@@@@@@@@@@)K? ?N@@@@1?g?@@@@@@@@@@@ ?@@@@@@@@@@1 ?3@@@)X?hfI4@@@@@@@@@@@@@@@@@@@@@@@@@@@@@@@@@@@@@@@@@@@@@@@@@@@?gJ@@@@@H? ?J@@@@@@@?eO2@@@@@@@@@@@@@@@@@@@@@@@@@@@@@@@@@@@@@@@@@@@@@@@@@@@@@@@@@@@?f?@@@@@@@@@@@@@5?f?@@@@@@@@@@@@@@@@@@@@@@@@@@@@@@@@@@@@@@@@@@@@@@@@@@@@@@@@@@@@@@@@@@@@@@@@@@?g?@@@ ?7@@@@@@@@@@@@@@@@@@@@@@@@@@@@@@@@@@@@@@@@@@@@@@@@@@@@@@@@@@@@@@@@@@@@@@@@@@@@@@@@@@@@@@@@@@@@@@@@@@@@@@@@@@@@@@@@@@@@@@@@@@@@@@@@@@@@@@@@@@@@@@@@@@@@@@@@@@@@@@@@@@@@@@@@@@@@@@@@@@@@@@@@@@@@@@@@@@@@@@@@@@@@@@@@@@@@@@@@@@@@@@@@@@@@@@@@@@@@@@@@@@@@@@@@@@@@@@@@@@@@@@@@@@@@@@@@@@@@@@@@@@@@@@@@@@@@@@@@@@@@@@@@@@@@@@@@@@@@@@@@@@@@@@@@@@@@@@@@@@@@@@@@@@@@@@@@@@@@1? @@@@5? ?@@@@@ I4@@0M N@@@@@@@@@@5 ?@@@ @@@1 @@ N@@@g@@@?eN@@L ?@@@1?fW2@@@@@@)X 3@@@@Le7@@HfJ@@@@@@@@@@? ?@@@@@@@ ?O2@@@@@@@@@@@@@@@@@@@@@@@@@@@@6K?
@@ N@@@)X ?@@@@@ ?3@@hf7@@@@@@@5?e?3@@@@@@@@@@@@@@@@@@@@@@@@@@@@@@@@@@@@@@@@@@@@@@@@@@@@@@@@@@@@@@@@@@@@@@@@@@@@@@@@@@@@@@@@@@@@@@@@@@@@@@@@@@@@@@@@@@@@@@@@@@@@@@@@@@@@@@@@@@@@@@@@@@@@@@@@@@@@@@@@@Le7@@@@@@@H? ?@@@@@ I4@@@@@@@@@@@@@@@@@@@6K? @@@@@?g?@@@@@@@@@@5 ?@@@@@@@@@@@ ?V'@@@)X I4@@0M?I4@0Mh?I4@@0M??I4@@@@@0MI4@@@@@@@@@?g7@@@@@L? O&@@@@@@@@@@@@@@@@@@@@@@@@@@@@@@@@@@@@@@@@@@@@@@@@@@@@@@@@@@@@@@@@@@@@@@@?f?@@@@@@@@@@@@@H?fJ@@@@@@@@@@@@@@@@@@@@@@@@@@@@@@@@@@@@@@@@@@@@@@@@@@@@@@@@@@@@@@@@@@@@@@@@@@Lg?@@@ ?@@@@@@@@@@@@@@@@@@@@@@@@@@@@@@@@@@@@@@@@@@@@@@@@@@@@@@@@@@@@@@@@@@@@@@@@@@@@@@@@@@@0MI@M? ?I40MI@M I@M? I40M ?I4@@@@@@@@0M?eI@MI4@@@@@@@@@@@@@@@@@@@@@@@@@@@@@@@@@@@@@@0?4@0?4@@@@@@@0?4@0?40?'@@@@@@@@@@@@@@@@@@@@@@@@@@@@? @@@@H? ?3@@@H ?@@@@@@@@@0Y ?@@@ 3@@@ @@ ?@@@g3@@?e?@@1 ?@@@@?e?W&@@@@@@@@1 N@@@@)K?@@@?f7@@@@@@@@@@? ?3@@@@@@ ?W2@@@@@@@@@@@@@@@@@@@@@@@@@@@@@@@@6K?
3@L? ?3@@@1 ?@@@@5 ?N@@L?he@@@@@@@@H?e?V4@@@@@@@@@@@@@@@@@@@0?4@@@0M?I@MfI40Mh?I40?40Mh?I4@@@@@@@@@@@@@@@@@@@@@@@@@@@@@@@@@@@@@@@@@@@@@@@@@@@@@@@@@@@@@@@@@@@@@@@@@@@@@@@@@@@@@@@@@@@@@@)K?@@@@@@@5 ?@@@@@ I'@@@@@@@@@@@@@@@@@@@6X? @@@@@?gJ@@@@@@@@@@H ?@@@@@@@@@@@ N@@@@)X? @@@@@?g@@@@@@1? ?O2@@@@@@@@@@@@@@@@@@@@@@@@@@@@@@@@@@@@@@@@@@@@@@@@@@@@@@@@@@@@@@@@@@@@@@@@@@@@?f?@@@@@@@@@@@@5g7@@@@@@@@@@@@@@@@@@@@@@@@@@@@@@@@@@@@@@@@@@@@@@@@@@@@@@@@@@@@@@@@@@@@@@@@@@1g?@@@ ?@@@@@V'@@@@@@@@@@@@@@@@@@@@@@@@@@@@@@@@@@@@@@@@@@@@@@@@@@@@@@@@@@@@@@@@@@0M N@@@gI4@@@@@@@@@@@@@@@@5? @@@@ ?N@@@L J@@@@@@@(M ?@@@L? N@@@ @@L? ?@@@L?fN@@Le?3@@L?hf?3@@@?eW&@@@@@@@@@@L? ?3@@@@@@@@5?f@@@@@@@@@@@? ?N@@@@@@L? W&@@@@@@@@@@@@@@@@@@@@@@@@@@@@@@@@@@@6X?
N@1? ?V'@@@L? ?@@@@H @@1?he@@@@@@@@hI'@@@@ I'@@@@@@@@@@@@@@@@@@@H J@@@@5 ?V4@@@@@@@@@@@@@@@@@@@)K @@@@@?g7@@@@@@@@@@? ?3@@@@@@@@@@ ?3@@@@1? ?J@@@@@Lg@@@@@@@L ?O2@@@@@@@@@@@@@@@@@@@@@@@@@@@@@@@@@@@@0M?f?I'@@@@@@@@@@@@@@@@@@@@@@@@@@@@@@@@@5?f?@@@@@@@@@@@(Yg@@@@@@@@@@@@@@@@@@@@@@@@@@@@@@@@@@@@@@@@@@@@@@@@@@@@@@@@@@@@@@@@@@@@@@@@@@@@g?@@@ ?@@@@@?N@@@@@@@@@@@@@@@@@@@@@@@@@@@@@@@@@@@@@@@@@@@@@@@@@@@@@@@@@@@@@@@@0M ?3@@hI4@@@@@@@@@@@@@@H? @@@@ @@@1 @@@@@@@(Y? ?3@@1? ?@@@ 3@1? ?@@@1?f?@@1e?N@@1?hf?N@@@L?W&@@@@@@@@@@@1? ?N@@@@@@@@H?f@@@@@@@@@@5? @@@@@@1? ?W&@@@@@@@@@@@@@@@@@@@@@@@@@@@@@@@@@@@@@)X
?3@? N@@@)X ?@@@@? @@@Lh?J@@@@@@@5h?V'@@@ ?V'@@@@@@@@@@@@@@@@@@? 7@@@@H ?I'@@@@@@@@@@@@@@@@@@@6K 3@@@@?g@@@@@@@@@@@? ?N@@@@@@@@@@ ?V'@@@@L W&@@@@@1g3@@@@@@@ O2@@@@@@@@@@@@@@@@@@@@@@@@@@@@@@@@@@0M V'@@@@@@@@0MI'@@@@@@@@@@@@@@@@@@@@H?f?@@@@@@@@@@@H?f?J@@@@@@@@@@@@@@@@@@@@@@@@@@@@@@@@@@@@@@@@@@@@@@@@@@@@@@@@@@@@@@@@@@@@@@@@@@@@g?@@@ ?@@@@@e3@@@@@@@@@@@@@@@@@@@@@@@@@@@@@@@@@@@@@@@@@@@@@@@@@@@@@@@@@@@0M ?O2@@@@6X??W-X ?V'@@6K?O2@@eI4@@@@@@@@@@@@ @@@@ @@@@ N@@@@@@H ?N@@@? ?@@@L? N@@? ?3@@@?f?@@@f@@@? @@@1?7@@@(M??@@@@@@? 3@@@@@@@f?J@@@@@@@@@@H? 3@@@@@@? W&@@@@@@@@@@@@@@@@@@@@@@@@@@@@@@@@@@@@@@@)X?
?N@L ?3@@@1 ?@@@@? 3@@,h?7@@@@@@@HheN@@@ N@@@@@@@@@@@@@@@@@5? ?J@@@@5? V4@@@@@@@@@@@@@@@@@@@@6X N@@@@Lg@@@@@@@@@@5? @@@@@@@@@@L? V'@@@)X? 7@@@@@@5g?@e@@ O2@@@@@@@@@@@@@@@@@@@@@@@@@@@@@@@@@@@(M? ?V'@@@@?f?V'@@@@@@@@@@@@@@@@@@@gJ@@@@@@@@@@5gW&@@@@@@@@@@@@@@@@@@@@@@@@@@@@@@@@@@@@@@@@@@@@@@@@@@@@@@@@@@@@@@@@@@@@@@@@@@@5g?@@@ ?@@@@@eN@@@@@@@@@@@@@@@@@@@@@@@@@@@@@@@@@@@@@@@@@@@@@@@@@@@@@@@0M ?W2@@@@@@@)KO&@1 O2@@ N@@@@@@@@@fI'@@@@@@@@@@ ?J@@@@ @@@@ ?W2@@@@6K??@@@@@@? @@@?eO2@@hf?@@@1? ?@@? ?N@@@?f?@@@L?e3@@L @@@@?@@@(Ye?3@@@@@L N@@@@@@@f?7@@@@@@@@@@ N@@@@@@? ?W&@@@@@@@@@@@@@@@@@@@@@@@@@@@@@@@@@@@@@@@@@1?
@1 ?V'@@@L? ?@@@@? V40Yh?@@@@@@@5?he?@@@L? ?@@@@@@@@@@@@@@@@(Y? ?7@@@@H? I4@@@@@@@@@@@@@@@@@@@)K? ?@@@@1f?J@@@@@@@@@@H? @@@@@@@@@@1? ?N@@@@)X @@@@@@(Yg7@@@@@ ?O2@@@@@@@@@@@@@@@@@@@@@@@@@@@@@@@@0?'@@@@@@@H N@@@@?gV'@@@@@@@@@@@@@@@@@@g7@@@@@@@@@(Yg7@@@@@@@@@@@@@@@@@@@@@@@@@@@@@@@@@@@@@@@@@@@@@@@@@@@@@@@@@@@@@@@@@@@@@@@@@@@@Hg?@@@ ?@@@@@e?3@@@@@@@@@@@@@@@@@@@@@@@@@@@@@@@@@@@@@@@@@@@@@@@@@@@@0M W&@@@@@@@@@@@@@@ ?O2@@@@@@@ @@6X J@@@@@@@@@f?V4@@@@@@@@5 ?7@@@@ @@@@ ?7@@@@@@@@@@@@@@@? @@@?O2@@@5hf?@@@@? ?@@L @@@Lf?3@@1?eN@@)X?hf3@@@@@@@H?e?V'@@@@1 ?3@@@@@@f?@@@@@@@@@@@ ?@@@@@@L ?7@@@@@@@@@@@@@@@@@@@@@@@@@@@@@@@@@@@@@@@@@@@L
3@ V'@@)X ?@@@@? J@@@@@@@H?heJ@@@)K ?@@@@@@@@@@@@@@@@H ?@@@@@ I'@@@@@@@@@@@@@@@@@@@@6X ?@@@@@f?7@@@@@@@@@@ @@@@@@@@@@@? @@@@@)K??O2@@? @@@@H?g@@@@@@ ?O2@@@@@@@@@@@@@@@@@@@@@@@@@@@@@@@0Mg?N@@@@@@@? ?3@@@Lg?V4@@@@@@@@@@@@@@@@@f?J@@@@@@@@@(Y?g@@@@@@@@@@@@@@@@@@@@@@@@@@@@@@@@@@@@@@@@@@@@@@@@@@@@@@@@@@@@@@@@@@@@@@@@@@@@@?g?@@@ ?3@@@@e?N@@@@@@@@@@@@@@@@@@@@@@@@@@@@@@@@@@@@@@@@@@@@@@@@@0M? ?W&@@@@@@@@@@@@@@@ ?W2@@@@@@@@@@@ O2@? ?J@@@1 ?O&@@@@@@@@@g?I'@@@@@@H ?@@@@@ @@@@ ?O@K J@@@@@@@@@@@@@@@@@@@@@6X @@@@@@@@(Yhf?@@@@? ?@@1 @@@1f?N@@@Le?3@@1?hfN@@@@@@@gV'@@@@ ?V'@@@@@f?@@@@@@@@@@5 ?@@@@@@1 ?@@@@@@@@@@@@@0MI4@@@@@@@@@?f?I4@@@@@@@@@@1
N@L? ?N@@@1 ?@@@@? 7@@@@@@@he?W&@@@@@6K ?@@@@@@@@@@@@@@@5? J@@@@@ ?V4@@@@@@@@@@@@@@@@@@@@)K? ?@@@@@f?@@@@@@@@@@@ @@@@@@@@@@@? 3@@@@@@@@@@@@? @@@@h@@@@@@L?gO2@@@@@@@@@@@@@@@@@@@@@@@@@@@@@@@0M? @@@@@@@? ?N@@@1h?I'@@@@@@@@@@@@@@@L?e?7@@@@@@@@0Yh@@@@@@@@@@@@@@@@@@@@@@@@@@@@@@@@@@@@@@@@@@@@@@@@@@@@@@@@@@@@@@@@@@@@@@@@@@@@5?g?@@@ ?N@@@@L?e@@@@@@@@@@@@@@@@@@@@@@@@@@@@@@@@@@@@@@@@@@@@@@@(M? W&@@@@@@@@@@@@@@@@ W2@6K?gW&K?hf?7@@@@@@0M ?O2@@@@? W&@@@@ ?O2@@@@@@@@@heV'@@@@@? ?@@@@5 @@@@ ?O2@@@@@@@@@@@@@6Xhf?O&@@@@@@@@@@@@@@@@@@@@@@)K? @@@@@@@0Y?hf?@@@@? ?3@@ 3@@@g@@@1e?N@@@Lhf?@@@@@@@g?N@@@@ N@@@@5fJ@@@@@@@@@@H ?@@@@@@@ J@@@@@@@@0M?g?I'@@@@@@?hI'@@@@@@@@
?3)X 3@@@L? ?@@@@? ?J@@@@@@@@he?7@@@@@@@@@@@@@@@@@@@@@@@@@@@@@@@@@@@@@@@@@@@@@@@@@@@@@@@@@@@@@@@@@@@@@@@@@@@@@@@@@@@@@@@@@@@@@@@@@@@@@@@@@@@@@@@@@@@@@@@@@@@@@@@@@@@@@@@@@@@@@@@@@@@@@@@@@@@@@@@@@@@(Y? 7@@@@5 ?I'@@@@@@@@@@@@@@@@@@@@6K? ?3@@@@L?e?@@@@@@@@@@@ @@@@@@@@@@@? V'@@@@@@@@@@@? @@@@h@@@@@@)KO2@@@@@@@@@@@@@@@@@@@@@@@@@@@@0M @@@@@@@? 3@@@heV4@@@@@@@@@@@@@@)Xe?@@@@@@0M?gW2@@@@@@@@@@@@@@@@@@@@@@@@@@@@@@@@@@@@@@@@@@@@@@@@@@@@@@@@@@@@@@@@@@@@@@@@@@@@@@H?g?@@5 @@@@)XfI'@@@@@@@@@@@@@@@@@@@@@@@@@@@@@@@@@@@@@@@@@@0Y 7@@@@@@@@@@@@@@@@@L? &@@@@6K?f*@@@@6X?hJ@@(M? O2@@@@@@@LgO2@? ?O&@@@@@L? ?O2@@@@@@0M?I'@@he?V'@@@@? ?@@@@H @@@@ O2@@@@@@@@@@@@@@@@@)X?hW2@@@@@@@@@@@@@@@@@@@@@@@@@@@@@?hf@@@@@(M? ?3@@@L ?N@@ N@@@g@@@@f@@@1hf?@@@@@@@@@@?e?J@@@@ ?@@@@Hf7@@@@@@@@@5? ?3@@@@@@ 7@@@@@@(M?heV'@@@@@Lh?V'@@@@@@@L?
?N@1 N@@@)X ?@@@@? ?7@@@@@@@5he?@@@@@@@@@@@@@@@@@@@@@@@@@@@@@@@@@@@@@@@@@@@@@@@@@@@@@@@@@@@@@@@@@@@@@@@@@@@@@@@@@@@@@@@@@@@@@@@@@@@@@@@@@@@@@@@@@@@@@@@@@@@@@@@@@@@@@@@@@@@@@@@@@@@@@@@@@@@@@@@@@@@@H @@@@@H V4@@@@@@@@@@@@@@@@@@@@@@ ?N@@@@1?e?@@@@@@@@@@5 @@@@@@@@@@@L ?V'@@@@@@@@@@@@@6X @@@@f?O2@@@@@@@@@@@@@@@@@@@@@@@@@@@@@@@0M @@@@@@@? V'@@@@heI'@@@@@@@@@@@@@1e?@@@@(M?h7@@@@@@@@@@@@@@@@@@@@@@@@@@@@@@@@@@@@@@@@@@@@@@@@@@@@@@@@@@@@@@@@@@@@@@@@@@@@@@5h?@@H 3@@@@1f?V4@@@@@@@@@@@@@@@@@@@@@@@@@@@@@@@@@@@@@@(M? ?J@@@@@@@@@@@@@@@@@@)X I4@@@@@@6KV@@@@@)Xh7@(Y ?O2@@@@@@@@@@@@)?2@@@@@@@? ?W2@@@@@@@@@@@@@@@@@@@1? ?@@@@@@@@0M?e?V'@@6X?hV'@@@L ?@@@@? @@@@L? ?O2@@@@@@@@@@@@@@@@@@@@@)Kh7@@@@@@@@@@@@@@@@@@@@@@@@@@@@@5?hf3@@@(Y ?N@@@1 @@ ?@@@g3@@@L?e3@@@hf?@@@@?I'@@@?e?7@@@@ ?@@@@?f@@@@@@@@@@H? ?N@@@@@@ @@@@@@@Hhf?V'@@@@1heV'@@@@@@1?
@@ ?3@@@1 ?@@@@? ?@@@@@@@@Hhe?3@@@@@@@@@@@@@@@@@@@@@@@@@@@@@@@@@@@@@@@@@@@@@@@@@@@@@@@@@@@@@@@@@@@@@@@@@@@@@@@@@@@@@@@@@@@@@@@@@@@@@@@@@@@@@@@@@@@@@@@@@@@@@@@@@@@@@@@@@@@@@@@@@@@@@@@@@@@@@@@@@@@? ?J@@@@@? I4@@@@@@@@@@@@@@@@@@@@ @@@@@?eJ@@@@@@@@@@H @@@@@@@@@@@)K? V4@@@@@@@@@@@@@)KO2@6KeO26KeO@K? ?O2@@@@@@@@@@@@@@@@@@@@@@@@@@@@@@@@@@@@@@@@0M? 3@@@@@@? ?N@@@@L?h?V4@@@@@@@@@@@@@e?@@@(Yh?J@@@@@@@@@@@@@@@@@@@@@@@@@@@@@@@@@@@@@@@@@@@@@@@@@@@@@@@@@@@@@@@@@@@@@@@@@@@@@@(Yh?@@? V'@@@@L?g?I@?@Mhf?I40M?f@@@@@@@@0Y ?7@@@@@@@@@@@@@@@@@@@1h?O2@@6X? I4@@@@@@@@@@@@@)K?g@@H? ?O2@@@@@@@@@@@@@@@@@@@@@@@@? ?7@@@@@@@@@@@@@@@@@V4@@L ?@@@@@0MhV'@@)Xh?V'@@1 ?@@@@? @@@@1? O2@@@@@@@@@@@@@@@@@@@@@@@@@@@@g@@@@@@@@@@@@@@@@@@@@@@@@@@@@@@H?hfN@@@H? @@@@ @@ ?@@@L?fN@@@)XeV'@@L?he?3@@@??N@@@?e?@@@@5 ?@@@@?e?J@@@@@@@@@@ @@@@@@L? ?J@@@@@@@? N@@@@@L?h?N@@@@@@@?
3@L? ?V'@@@L? ?@@@@? J@@@@@@@5?he?N@@@@@@@@@@@@@@@@@@@@@@@@@@@@@@@@@@@@@@@@@@@@@@@@@@@@@@@@@@@@@@@@@@@@@@@@@@@@@@@@@@@@@@@@@@@@@@@@@@@@@@@@@@@@@@@@@@@@@@@@@@@@@@@@@@@@@@@@@@@@@@@@@@@@@@@@@@@@@@@@@@5? ?7@@@@@? I4@@@@@@@@@@@@@@@@@@@@6K @@@@@?e7@@@@@@@@@@? @@@@@@@@@@@@@@ I4@@@@@@@@@@@@@@@@@@@@@@@@@@@@@@@@@@@@@@@@@@@@@@@@@@@@@@@@@@@@@@@@@@@@@@@@@@@@@@@@@0M? N@@@@@@L 3@@@)Xhe?I4@@@@@@@@@@@@@@@@(Y?hW&@@@@@@@@@@@@@@@@@@@@@@@@@@@@@@@@@@@@@@@@@@@@@@@@@@@@@@@@@@@@@@@@@@@@@@@@@@@@@(Y?h?@@? ?N@@@@)X ?J@@@@@@(M ?@@@@@@@@@@@@@@@@@@@@@g?O2@@@@@)K I'@@@@@@@@@@@@@@6Xe?J@@ W2@@@@@@@@@@@@@@@@@@@@@@@0M? ?O2@@@hf?3@@@@@@@@@@e?W@@@L?I'1 ?V'@@1heN@@@ ?@@@@? @@@@@? ?O2@@@@@@@@@@@@@@@@@@@@@@@@@@@@@@@f?J@@@@@@@@@@@@@@@@@@@@@@@@@@@@@@L?hf?@@@ 3@@@ 3@ ?3@@1?f?@@@@1e?N@@1?he?N@?e?J@@@@@@@@@@@H W&g?3@@@?e?7@@@@@@@@@@ 3@@@@@1? ?7@@@@@@5? ?@@@@@1?he3@@@@@@?
N@1? V'@@)X ?@@@@? 7@@@@@@@H?hf@@@@@@@@@@@@@@@@@@@@@@@@@@@@@@@@@@@@@@@@@@@@@@@@@@@@@@@@@@@@@@@@@@@@@@@@@@@@@@@@@@@@@@@@@@@@@@@@@@@@@@@@@@@@@@@@@@@@@@@@@@@@@@@@@@@@@@@@@@@@@@@@@@@@@@@@@@@@@@@@@(Y? J@@@@@5? I'@@@@@@@@@@@@@@@@@@@@6X @@@@@?e@@@@@@@@@@5? @@@@@@@@@@@@@5 I4@@@@@@@@@@@@@@@@@@@@@@@@@@@@@@@@@@@@@@@@@@@@@@@@@@@@@@@@@@@@@@@@@@@@@@@@0M ?@@@@@@1 N@@@@)X?he?I4@@@@@@@@@@@@@@Hh?O&@@@@@@@@@@@@@@@@@@@@@@@@@@@@@@@@@@@@@@@@@@@@@@@@@@@@@@@@@@@@@@@@@@@@@@@@@@@@@0Yhe?@@? @@@@@)K? ?7@@@@@(Y? ?3@@@@@@@@@@@@@@@@@@@@e?W2@@@@@@@@@@@6X ?N@@@@@@@@@@@@@@@1e?7@5 7@@@(M I4@0M? O2@@@@@@hf?V4@@@@@@@@@eO&@@@1eV'fW2@? V'@@L?h?@@@L? ?@@@5? @@@@@? ?O2@@@@@@@@@@@@@@@@@@@@@@@@@@@@@@@@@@@f?7@@@@@@@@@@@@@@@@@@@@@@@@@@@@@@)?)Xhe?@@@f?O@KhfN@@@ N@ ?N@@@?f?@@@@@f@@@?W2@6K?g@@6KO&@@@@@@@@@@@? ?O&@g?V@@5?e?@@@@@@@@@@@ N@@@@@@? ?@@@@@@@H? ?@@@@@@?heN@@@@@@?
?3@L ?N@@@)X? ?@@@@? ?J@@@@@@@@ @@@@@@@@@@@@@@@@@@@@@@@@@@@@@@@@@@@@@@@@@@@@@@@@@@@@@@@@@@@@@@@@@@@@@@@@@@@@@@@@@@@@@@@@@@@@@@@@@@@@@@@@@@@@@@@@@@@@@@@@@@@@@@@@@@@@@@@@@@@@@@@@@@@@@@@@@@@@@@@@(Y 7@@@@@H? ?V4@@@@@@@@@@@@@@@@@@@@)K? @@@@@L?J@@@@@@@@@@ 3@@@@@@@@@@@@H I4@@@@@@@@@@@@@@@@@@@@@@@@@@@@@@@@@@@@@@@@@@@@@@@@@@@@@@@@@@@@@@@@@@@@@? ?@@@@@@@ ?3@@@@)Xhf?I@Mg@@@@@?g?O2@@@@@@@@@@@@@@@@@@@@@@@@@@@@@@@@@@@@@@@@@@@@@@@@@@@@@@@@@@@@@@@@@@@@@@@@@@@@@0Mhf?@@? 3@@@@@@6X? J@@@@@(Y ?N@@@@@@@@@@@@@@@@@@@@eW&@@@@0M?I'@@@@, @@e?I4@@@@@@@@5e?@@H ?J@@@(Y? W2@@@@@@@5 ?I4@@@@@@@@@@@h7@@? ?V'@)Xh?@@@1? J@@@H? 3@@@@? O2@@@@@@@@@@@@@@@@@@@@@@@@@@@@@@@@@@@@@@f?@@@@?I@?4@@@@@@@@@@@@@@@@@@@@@@@@@1he?@@@L??W2@@@@?he?@@@ ?@L? 3@@?f?@@@@@f@@@W&@@@@@@@@@@@@@@@@@@@@@@@@@@@@@@@@@@@@@@@@@@@@@@@@@@@@@@@@@f?@@@@@@@@@@5 ?@@@@@@? ?@@@@@@@ ?@@@@@@?he?@@@@@@?
?N@1 3@@@1? ?@@@@? ?7@@@@@@@5 @@@@@@@@@@@@@@@@@@@@@@@@@@@@@@@@@@@@@@@@@@@@@@@@@@@@@@@@@@@@@@@@@@@@@@@@@@@@@@@@@@@@@@@@@@@@@@@@@@@@@@@@@@@@@@@@@@@@@@@@@@@@@@@@@@@@@@@@@@@@@@@@@@@@@@@(?40M?I40Y? @@@@@@ ?I4@@@@@@@@@@@@@@@@@@@@6K? ?J@@@@@)?&@@@@@@@@@@)K N@@@@@@@@@@@@? ?I4@@@@@@@@@@@@@@@@@@@@@@@@@@@@@@@@@@@@@@@@@@@@@@@@@@@@@g?@@@@@@? ?@@@@@@@ ?N@@@@@)X? @@0Mg?W2@@@@@@@@@@(?4@@@@@@@@@@@@@@@@@@@@@@@@@@@@@@@@@@@@@@@@@@@@@@@@@@@@@@@@@@@@@@@@0M J@@? V4@@@@@@)K ?W&@@@@(Y? ?O2@@? 3@@@@@@@@@@@@@@@@@@5?W&@@@0MfV4@@(Y @@he?I(Ye?@@? ?@@@(Y &@@@@@@@0Y ?I4@@@@@@@@@g?J@@5? V'@1h?@@@@? 7@@@ N@@@@? ?O2@@@@@@@@@@@@@@@@@@@@@@@@@@@@@@@@@@@@@@@@@f?@@@@?hf?I4@0?4@@@@@@@@@@@he?3@@1?W&@@@@H?he?@@@fW2@@ ?@1? N@@?f?@@@@5e?J@@@@@@@@@@@@@@@@@@@@@@@@@@@@@@@@@@@@@@@@@@@@@@@@@@@@@@@@@@@@@@1?e?@@@@@@@@@@H ?@@@@@@L ?@@@@@@@ ?@@@@@@?heJ@@@@@@?
@@ V'@@@L ?@@@@? ?@@@@@@@@Hhf?J@@@@@?I4@@@@@@@@@@@@@@@@@@@@@@@@@@@@@@@@@@@@@@@@@@@@@@0MI4@@@@@@@@@0MI4@@@@@@@@@@@@@@@@@@@@@@@@@@@@@@@@@@@@@@@@@@@@@@@@@@@@@@@@@@0?4@@@@@@@@@@@@@@@@@@0Y ?J@@@@@5 ?I'@@@@@@@@@@@@@@@@@@@@6K? ?7@@@@@@@@@@@@@@@@@@@@@? ?@@@@@@@@@@@@? @@@?@@@@@@@@@@@@@@@@@@@@@@@@@@@@@@@@@@@@0Mf@@g?@@@@@@? ?@@@@@@@L? 3@@@@@)X W&@@@@@@@@@@@HfI4@@@@@@@@@@@@@@@@@@@@@@@@@@@@@@@@@@@@@@0MfI@M?f?@@@@@(M 7@@? I'@@@@@@6X W&@@@@(Y O2@@@@5? V'@@@@@@@@@@@@@@@@0YW&@@(MhI(Y? ?@@? ?N@@H? O2@? ?I4@@@@@@5g?7@@H? ?V4@h?3@@@? @@@@ ?@@@@? O2@@@@@@@@@@@@@@@@@@@@@@@@@@@@@@@@0Mf?I'@@@@@f?@@@@? ?I4@@@@@@@@@he?N@@@W&@@@@@hf?@@@L??W&@@5 ?@@? ?@@LfJ@@@(Ye?7@@@@@@@@@@@@@@@@@@@@@@@@@@@@@@@@@@@@@@@@@@@@@@@@@@@@@@@@@@@@@@@?eJ@@@@@@@@@5? ?@@@@@@1 ?@@@@@@@L? ?@@@@@@?he7@@@@@@?
3@L? ?N@@@1 ?@@@@? J@@@@@@@@?hf?7@@@@5? ?7@@@@@H V4@@@@@@@@@@@@@@@@@@@@@@6X ?3@@@@@@@@@@@@@@@@@(M? ?3@@@@@@@@@@@? @@@@@@@@@@@@@@@@@@@@@@@@@@@@@@@0M?hf@@gJ@@@@@5? ?@@@@@@@)X ?@@6X?heV'@@@@@)K? ?W&@@@@@@@@@@@@? I4@@@@@0?@?@M? ?@@@@@H? @@@? ?V'@@@@@@)K? ?W&@@@@@H? O2@@@@@@@@@@@@@@Y? ?N@@@@@@@@@@@@@@@??W&@@@H? J@@? @5 W2@U ?W@@@@@?gJ@@@L? ?N@@@?heO2@@@@@@@@@@@@L? ?@@@@? W2@@@@@@@@@@@@@@@@@@@@@@@@@@@@@@0MheV'@@@@fJ@@@@? I4@@@@@@hf@@@@@@@0M?hf?3@@1??7@@@H ?3@L ?@@1f7@@@H?eJ@@@@@@@@@@@@@@@@@@@@@@@0?40M??I4@@@@@@@@@@@@@@@@@@@@@@@@@@@0Mg7@@@@@@@@@H? ?3@@@@@@L? ?@@@@@@@1? J@@@@@@?he@@@@@@@?
N@1? 3@@@L? ?@@@@? 7@@@@@@@5?hf?@@@@@H? ?@@@@@@? I4@@@@@@@@@@@@@@@@@@@@@)X? ?V'@@@@@@@@@@@@@@@@H ?N@@@@@@@@@@@? ?O2@@@@@@@@@@@@@@@@@@@@@@@@@@@0M @@g7@@@@@H? ?3@@@@@@@1 ?@@@)Xhe?V'@@@@@@6X? O&@@@@@@@@@@(M ?@@@@@ @@@? V'@@@@@@@6K?he?O26K?eO&@@@@@5 ?O2@@@@@@@@@@@@@@@@@@@@6?2@@@6K?g?O@Ke@@@@@@@@@@@@@@@?O&@@@@ ?O&@@? @Y ?O&@@)KO2@@6KO2@@6K?g?O@KO2@@@@6?2@6KO&@@@@@)KO@K?O&@@@)?2@@@6K @@@?g?W2@@@@@@@@@@@@@@@)X ?@@@@? ?O&@@@@@@@@@@@@@@@@@@@@@@@@@@@0M ?N@@@@f7@@@5?eO@K? @@@@hf@@@@@(M? ?N@@@?J@@@5? ?N@1 ?@@@f@@@5f7@@@@? @@@@@@@@@@ ?N@@@@@@)K ?3@@@@@@@L 7@@@@@@?h?J@@@@@@@?
?@@? N@@@)X ?@@@@? @@@@@@@@H?hfJ@@@@@ ?@@@@@@? @@@@@@@@@@@@@@@@@@@@)K N@@@@@@@@@@@@@@@@? @@@@@@@@@@@? ?O2@@@@@@@@@@@@@@@@@@@@@@@@0M? @@g@@@@@@ ?N@@@@@@@@L? ?@@@@1hfV4@@@@@@)K O2@@@@@@@@@@@(Y? ?@@@@@ @@@? ?V4@@@@@@@@6K?eO2@@@@@@@@@@@@@@@@@@(Y ?O2@@@@@@@@@@@@@@@@@@@@@@@@@@@@@@@@@@@@@@@@@@@@@@@@@@@@@@@@@@@@@@@@@@@@@@@@@@@@@@@@@@@@@@@@@@@@@@@@@@@@@@@@@@@@@@@@@@@@@@@@@@@@@@@@@@@@@@@@@@@@@@@@@@@@@@@@@@@@@@@@@@@@@@@@@@@@@@@@@@@@@@@@@@@@@@@@@@@@@@@@@@@@@@@@@@@@@@@@@@@@@@@@@@@@@@@@@@@@@@@@@@@@@@@@@@@@@@@@@@@@@@@@@@@@@@@@@@@@@@@6Xhe@@@?gO&@@@@@@@@@@@@@@@@@)K? ?@@@@?hf?O2@@@@@@@@@@@@@@@@@@@@@@@@@@@@@@? @@@@f@@@@H??@@@@6K? @@@5hf@@@@@H @@@W&@@(Y? @@ ?3@@L??J@@@Hf@@@@@? @@@@@@@@@@ ?J@@@@@@@@@@@6K?O@K? ?N@@@@@@@)X?hf@@@@@@@?hW&@@@@@@5?
?3@L ?3@@@1 ?@@@@? ?J@@@@@@@@ 7@@@@5 J@@@@@5? @@@@@@@@@@@@@@@@@@@@@@@? ?3@@@@@@@@@@@@@@@? 3@@@@@@@@@@? ?O@?2@@@@@@@@@@@@@@@@@@@@@@@0M @@g@@@@@@ 3@@@@@@@1? ?@@@@@ I'@@@@@@@@@@6X O2@@@@@@@@@@@@(Y ?@@@@@ @@@? ?I4@@@@@@@@@@@@@@@@@@@@@@@@@@@@@@(Y? @@@@@@@@@@@@@@@@@@@@@@@@@@@@@@@@@@@@@@@@@@@@@@@@@@@@@@@@@@@@@@@@@@@@@@@@@@@@@@@@@@@@@@@@@@@@@@@@@@@@@@@@@@@@@@@@@@@@@@@@@@@@@@@@@@@@@@@@@@@@@@@@@@@@@@@@@@@@@@@@@@@@@@@@@@@@@@@@@@@@@@@@@@@@@@@@@@@@@@@@@@@@@@@@@@@@@@@@@@@@@@@@@@@@@@@@@@@@@@@@@@@@@@@@@@@@@@@@@@@@@@@@@@@@@@@@@@@@@@@@@@@)X?h@@@LfO2@@@@@@@@@@@@@@@@@@@@@6X? ?@@@@?g?W2@6?2@@@@@@@@@@@@@@@@@@@@@@@0Me?@@@@?hW2@@g@@@@L?e@@@@e?N@@@@@@gW2@@g?J@@@Hhf@@@@@? @@@@@@@H @@ ?N@@1??7@@@?e?J@@@@5? ?J@@@@@@@@@@ W&@@@@@@@@@@@@@@@@@@6K @@@@@@@@)Kh?O2@@@@@@@@?g?O&@@@@@@@H?
?N@1 ?V'@@@L? ?@@@@? ?7@@@@@@@5hf?J@@@@@H 7@@@@@H? ?I'@@@@@@@@@@@@@@@@@@@@? ?N@@@@@@@@@@@@@@@? N@@@@@@@@@@? ?O2@@@@@@@@@@@@@@@@@@@@@@0M? ?J@@g@@@@@@ N@@@@@@@@? ?@@@@@L?hf?V4@@@@@@@@@@)K??O@Ke?O2@@@@@@@@@@@@@@@@(Y? ?@@@@@ @@5? ?I'@@@@@@@@@@@@@@@@@@@@@@@@@@@@H @@@@@@@@@@@@@@@@@@@@@@@@@@@@@@@@@@@@@@@@@@@@@@@@@@@@@@@@@@@@@@@@@@@@@@@@@@@@@@@@@@@@@@@@@@@@@@@@@@@@@@@@@@@@@@@@@@@@@@@@@@@@@@@@@@@@@@@@@@@@@@@@@@@@@@@@@@@@@@@@@@@@@@@@@@@@@@@@@@@@@@@@@@@@@@@@@@@@@@@@@@@@@@@@@@@@@@@@@@@@@@@@@@@@@@@@@@@@@@@@@@@@@@@@@@@@@@@@@@@@@@@@@@@@@@@@@@@@@@@@@@@@)Kh@@@1eW2@@@@@@@@@@@@@@@@@@@@@@@@)X ?@@@@?gO&@@@@@@@@@@@@@@@@@@@@@0M?h?@@@@?h7@@@g@@@@)Ke@@@@f@@@@@@L?e?W&@@@L?fW&@@@?hf@@@@@? @@@@@@@? @@ @@@??@@@@?e?7@@@@H? ?7@@@@@@@@@5 ?O&@@@@@@@@@@@@@@@@@@@@@6K 3@@@@@@@@@6Kf?O2@@@@@@@@@5?fW2@@@@@@@@@@
@@L? N@@@)X ?@@@5? J@@@@@@@@Hhf?7@@@@@? @@@@@@ V4@@@@@@@@@@@@@@@@@@@@6K @@@@@@@@@@@@@@5? ?@@@@@@@@@@L O2@@@@@@@@@@@@@@@@@@@@@@@0M? ?7@@L?f@@@@@@ ?@@@@@@@@@@?hf?@@@@@1? ?I'@@@@@@@@@@@@@@@@@@@@@@@@@@@@@@@@@@@0Y ?@@@@@ @@H? V4@@@@@@@@@@@@@@@@@@@@@@@@@@5? @@@@@@@@@@@@@@@@@@@@@@@@@@@@@@@@@@@@@@@@@@@@@@@@@@@@@@@@@@@@@@@@@@@@@@@@@@@@@@@@@@@@@@@@@@@@@@@@@@@@@@@@@@@@@@@@@@@@@@@@@@@@@@@@@@@@@@@@@@@@@@@@@@@@@@@@@@@@@@@@@@@@@@@@@@@@@@@@@@@@@@@@@@@@@@@@@@@@@@@@@@@@@@@@@@@@@@@@@@@@@@@@@@@@@@@@@@@@@@@@@@@@@@@@@@@@@@@@@@@@@@@@@@@@@@@@@@@@@@@@@@@@@@6Kg@@@@?W&@@@@@@@@@@@@@f?@@@@@@@@)X? ?@@@@?fW2@@@@@@@@@@@@@@@@@@@@0MhfJ@@@@?h@@@@f?J@@@@@@@@@@@@@@@@@@@@@@)KeO&@@@@1?f7@@@@?hf3@@@@? @@@(M? @@ @@@??@@@5?e?@@@@@ ?@@@@@@@@@@H ?W2@@@@@@@@@@@@@@@@@@@@@@@@@6K N@@@@@@@@@@@@@@@@@@@@@@@@@@@H?f7@@@@@@@@@@@
3@1? ?3@@@1 ?@@@ 7@@@@@@@5?hf?@@@@@5? ?J@@@@@5 I4@@@@@@@@@@@@@@@@@@@@6Xhf3@@@@@@@@@@@@@H? ?@@@@@@@@@@1 O2@@@@@@@@@@@@@@@@@@@@@@0M ?@@@1?f@@@@@@ ?3@@@@@@@@@Lhf?@@@@@@? V4@@@@@@@@@@@@@@@@@@@@@@@@@@@@@@@0M? ?@@@@@ @@L? I4@0MI4@@@@@@@@@@@@@@(Y? O2@@@@@@@@@@@@@@@@@@@@@@@@@@@@@@@@@@@@@@@@@@@@@@@@@@@@@@@@@@@@@@@@@@@@@@@@@@@@@@@@@@@@@@@@@@@@@@@@@@@@@@@@@@@@@@@@@@@@@@@@@@@@@@@@@@@@@@@@@@@@@@@@@@@@@@@@@@@@@@@@@@@@@@@@@@@@@@@@@@@@@@@@@@@@@@@@@@@@@@@@@@@@@@@@@@@@@@@@@@@@@@@@@@@@@@@@@@@@@@@@@@@@@@@@@@@@@@@@@@@@@@@@@@@@@@@@@@@@@@@@@@@@@@@@@@@@@@@@@@@@W&@@@@@@@@@@@@@@@6K??@@(?'@@@@1? ?@@@@?e?W&@@@@@@@@@@@@@@@@@0M 7@@@5?h@@@@f?7@@@@@@@@@@@@@@@@@@@@@@@@@@@@@@@@5?f@@@@@?hfN@@@@? 3@@H @@L? 3@@??@@0Y?eJ@@@@5 ?@@@@@@@@@@? O&@@@@@@@@@@@@@@@@@@@@@@@@@@@@6K ?3@@@@@@@@@@@@@@@@@@@@@@@@@5g@@@@@@@@@@@5
N@@L ?V'@@@L? ?@@@1? @@@@@@@@H?hfJ@@@@@H? ?7@@@@@H I'@@@@@@@@@@@@@@@@@@@)K?heN@@@@@@@@@@@@@ ?@@@@@@@@@@@ ?O26?2@@@@@@@@@@@@@@@@@@@@@0M? ?@@@@?e?J@@@@@@ ?V'@@@@@@@@1hf?@@@@@@? @@@@@@@@@@@@@@@@@@@@@@@@@@@(M? ?@@@@5 @@@? ?@@@@@@H ?@@@@@@@@@@@@@@@@@@@@@@@@@@@@@@@@@@@@@@@@@@@@@@@@@@@@@@@@@@@@@@@@@@@@@@@@@@@@@@@@@@@@@@@@@@@@@@@@@@@@@@@@@@@@@@@@@@@@@@@@@@@@@@@@@@@@@@@@@@@@@@@@@@@@@@@@@@@@@@@@@@@@@@@@@@@@@@@@@@@@@@@@@@@@@@@@@@@@@@@@@@@@@@@@@@@@@@@@@@@@@@@@@@@@@@@@@@@@@@@@@@@@@@@@@@@@@@@@@@@@@@@@@@@@@@@@@@@@@@@@@@@@@@@@@@@@@@@@@@@@@@@@@@@@@@@@@@@@@@@@@@@@@@??N@@@@@L ?@@@@LeO&@@@@@@@@@@@@@@@@0M ?J@@@(Y?h@@@@f?@@@V'@@@@@@@@@@@@@@@@@@@@@@@@@@@(Y?f@@@@@?hf?@@@@? N@@L 3@1? N@@?g?W&@@@@H W2@@@@@@@@@@6K ?O2@@@@@@@@@@@@? ?O2@@@@@@@@@@@@@@@@@@@@@@@@@@@@@@@@@6X ?N@@@@@@@@@@@@@@@@@@@@@@@@@Hg@@@@@@@@@@(Y
?3@1 N@@@)X ?@@@5? ?J@@@@@@@@ 7@@@@5 ?@@@@@5? ?V4@@@@@@@@@@@@@@@@@@@@6K?h?@@@@@@@@@@@@5 ?@@@@@@@@@@@ O2@@@@@@@@@@@@@@@@@@@@@@0M ?@@@@?e?7@@@@@5 N@@@@@@@@@hf?@@@@@@? @@@@@@@@@@@@@@@@@@@@@@@@@@(Y ?@@@@H @@H? ?@@@@@5? J@@@@@@@@@@@@@@@@@@@@@@@@@@@@@@@@@@@@@@@@@@@@@@@@@@@@@@@@@@@@@@@@@@@@@@@@@@@@@@@@@@@@@@@@@@@@@@@@@@@@@@@@@@@@@@@@@@@@@@@@@@@@@@@@@@@@@@@@@@@@@@@@@@@@@@@@@@@@@@@@@@@@@@@@@@@@@@@@@@@@@@@@@@@@@@@@@@@@@@@@@@@@@@@@@@@@@@@@@@@@@@@@@@@@@@@@@@@@@@@@@@@@@@@@@@@@@@@@@@@@@@@@@@@@@@@@@@@@@@@@@@@@@@@@@@@@@@@@@@?@@@@@@@@@@@@@@@@@@@@@@@@@@@1e@@@@@)X? ?@@@@)?2@@@@@@@@@@@@@@@@0M ?7@@@Hg?W2@@(M?f?@@5?V'@@@@@@@@@@@@@@@@@@@@@@@@@@Hg@@@@@?hfJ@@@@L ?@@1 N@@? ?@@LgO&@@@@5? ?O&@@@@@@@@@@@@@@@@@@@@@@@@@@@@@@@@@@@@@@@@@5? ?O2@@@@@@@@@@@@@@@@@@@@@@@@@@@@@@@@@@@@)X? @@@@@@@@@@@@@@@@@@@@@@@@5?g@@@@@@@@@@H?
?N@@ ?3@@@1 ?@@@H? ?7@@@@@@@@ @@@@@H J@@@@@H? ?I'@@@@@@@@@@@@@@@@@@@@6X?g?@@@@@@@@@@@@H ?@@@@@@@@@@@ O2@@@@@@@@@@@@@@@@@@@@@0M? ?3@@@?e?@@@@@@H ?3@@@@@@@@@@he?3@@@@@? '@@V'@@@@@@@@@@@@@@@@@@@@@@(Y? ?@@@@? @@ ?@@@@0Y?hf?O&@@@@@@@@@@@@@@@@@@@@@@@@@@@@@@@@@@@@@@@@@@@@@@@@@@@@@@@@@@@@@@@@@@@@@@@@@@@@@@@@@@@@@@@@@@@@@@@@@@@@@@@@@@@@@@@@@@@@@@@@@@@@@@@@@@@@@@@@@@@@@@@@@@@@@@@@@@@@@@@@@@@@@@@@@@@@@@@@@@@@@@@@@@@@@@@@@@@@@@@@@@@@@@@@@@@@@@@@@@@@@@@@@@@@@@@@@@@@@@@@@@@@@@@@@@@@@@@@@@@@@@@@@@@@@@@@@@@@@@@@@@@@@@@@@@@@@@@@@@@@@@@@@@@@@@@@@@@@@@@@@@@@@@@L?e@@@@)X ?3@@@@@@@@@@@@@@@@@@@0M? J@@@5?g?7@@0Yg?@@He?@@@@@@@@@@@@@@@@@@@@@@@@@@Lg@@@@@@@@@@6Kf?O&@@@@)K? ?@@@f?O26X? ?@@? ?@@1fO2@@@@@@H? ?W2@6Ke?O2@@@@@@@@@@@@@@@@@@@@@@@@@@@@@@@@@@@@@@@@@@@H? ?W2@@@@@@@@@0MI4@@@@@@@@@@@@@@@@@@@@@@@@@@)K ?I'@@@@@@@@@@@@@@@@@@@@(Y?g@@@@@@@@@@
3@L? ?V'@@@L? ?@@@ ?@@@@@@@@5hf?J@@@@5? 7@@@@@ V4@@@@@@@@@@@@@@@@@@@@)Kg?@@@@@@@@@@@@? ?@@@@@@@@@@@L? O2@@@@@@@@@@@@@@@@@@@@@@@0M? ?N@@@?e?@@@@@@? ?V'@@@@@@@@@he?N@@@@@? V4@?N@@?I4@@@@@@@@@@@@@@@@0Y J@@@@? @@ ?W2@@@@(M?hf?O2@@@@@@@@@@@@@@@@@@@@@@@@@0M?I@Mf?I@Me?I4@0MhI4@@@@@@@@@@@0?4@0?40MI4@@@@@@@@@@@@@@@@@@@@@@@@@@@@@@@0MI4@@0?4@@@@@@@@@@@@@@0?@MI@MI4@@@@@@@@@@@@0?@M?fI@M?fI4@@@0MI4@@@@@@@@0M?I4@@0?4@@@@@@@@@@@@@@@@@@0M??I4@@@@@@@@@@@@@@@@@@@0?4@@@@@@@@@@@@@@@0MeI40Mf?I@Mh?I4@@@@@@@@@@@@@@@@@@@@@@@@@@@@@@@@@@@@@@@@@@@1??J@@@@@1 @@@@@@@@@@@@@@@@0M 7@@@H?g?@@?h?@@?e7@@@@@@@@@@@@@@@@@@@@@@@@@@)X?f@@@@@@@@@@@@@@@@@@@@@@@@@@@@@@@@@@6Xg?@@@L??W2@@@1? ?3@? ?@@@eW2@@@@@@@@ O&@@@@@@@@@@@@@@@@@@@@@@@@@@@@@@@@@@@@@@@@@@@@@@@@@@@@ W&@@@@@@@@(Mf?I4@@@@@@@@@@@@@@@@@@@@@@@@@@6X? V'@@@@@@@@@@@@@@@@@@(Yh@@@@@@@(M?
N@1? V'@@)X ?@@@ J@@@@@@@@Hhf?7@@@@H? @@@@@@ I'@@@@@@@@@@@@@@@@@@@@6Xf?@@@@@@@@@@@@? ?@@@@@@@@@@@1? ?O2@@@@@@@@@@@@@@@@@@@@@@0M? @@@?e?@@@@@@? V'@@@@@@@@L?he@@@@@? ?3@?e?I4@@@@@0M 7@@@@? @@ W&@@@@(Yhf?O2@@@@@@@@@@@@@@@@0M?I@M? @@@@@@@? ?I'@@@@@@@@@@@@@e@@@@@@@@@@@@@@@@@@@@@@@@@??7@@@@@@L? W&@@@@@@@@@@@@@0M?f?O2@@@@? @@@5h?@@?hJ@@Le@@@@@@@@@@@@@@@@@@@@@@@@@@@@)Xf@@@@@@@@@@@@@@@@@@@@@@@@@@@@@@@@@@@)K?f?@@@1?W&@@@@@? ?N@L ?3@@?O&@@@@(M? ?O2@@@@@@@@@@@@@@@@@@@@@@@@@@@@@@@@@@@@@@@@@@@@@@@@@@@@@@@@@ ?O&@@@@@@@@0Y?h@@@@@@@@@@@@@@@@@@@@@@@@@@1? ?V4@@@@@@@@@@@@@@@@0Y?h3@@@@@0Y
?@@? ?N@@@1 ?@@@ 7@@@@@@@@?hfJ@@@@@ @@@@@5 ?V'@@@@@@@@@@@@@@@@@@@@)K?e?@@@@@@@@@@@5? ?3@@@@@@@@@@@? ?O2@@@@@@@@@@@@@@@@@@@@@@@0M @@@?e?@@@@@@? ?V'@@@@@@@)Xhe@@@@@? @? @@@@@? @@ ?W&@@@@@H?he?W2@@@@@@@@@@@@@@@0M @@@@@@@? V4@@@@@@@@@@@@@@@@@@@@@@@@@@@@@@@@@@@@@@@??@@@@@@@1? ?W&@@@@@@@@@@@0MgW2@@@@@@@? 3@(Yhe?O2@@@@@6?&@@1e@@@@@@@@@@@@@@@@@@@@@@@@@@@@@)X?e@@@@@@@@@@@@@@@@@@@@@@@@@@@@@@@@@@@@@@f?3@@@W&@@@(M @1 ?N@@@@@@@@(Y W2@@@@@@@@@@@@@@@@@@@@@@@@@@@@@@@@@@@@@@@@@@@@@@@@@@@@@@@@@@@@ ?W2@@@@@@@@(M?he@@@@@@@@@@@@@@@@@@@@@@@@@@@? ?O)X ?I4@@@@@@@@@@@0MhfV4@@0M
?3@L 3@@@L? ?@@@ @@@@@@@@@?hf7@@@@5 ?J@@@@@H V'@@@@@@@@@@@@@@@@@@@@@6K??@@@@@@@@@@@H? ?N@@@@@@@@@@@? O2@@@@@@@@@@@@@@@@@@@@@@@@@0M? ?J@@@?e?@@@@@@? V'@@@@@@@)X?h@@@@@? O&@L @@@@@? @@ ?7@@@@@@hfW&@@@@@@@@@@@@0M @@@@@@@? ?I'@@@@@@@@@@@@@@@@@@@@@@@@@@@@@@@@@@@5??@@@@@@@@? O&@@@@@@@@@@0Mg?W&@@@@@@@5? V+Y?g?O2@@@@@@@@@@@@@@@e@@@@@@@@@@@@@@@@@@@@@@@@@@@@@@)Xe3@@@@@@@@@@@@@@@@@@@@@@@@@@@@@@@@@@@@@f?N@@@@@@@(Y? @@ @@@@@@@0Y? ?W&@@@@@@@@@@@@@@@@@@@@@@@@@@@@@@@@@@@@@@@@@@@@@@@@@@@@@@@@@@@@5 W&@@@@@@@@(Yhf@@@@@@@@@@@@@@@@@@@@@@@@@@@? ?O2@@@@)X? I40M
?N@1 N@@@)X ?@@@ ?J@@@@@@@@@?he?J@@@@@H ?7@@@@@? @@@@@@@@@@@@@@@@@@@@@@@6X@@@@@@@@@@@ @@@@@@@@@@@? O2@@@@@@@@@@@@@@@@@@@@@@0M ?@@@@?e?@@@@@@? ?V'@@@@@@@)Xh@@@@@?hf?O2@@@@@@@@@@)K? @@@@@? @@ ?@@@@@@5he?O&@@@@@@@@@0M @@@@@@@? V4@@@@@@@@@@@@@@@@@@@@@@@@@@@@@@@@@@Y??@@@@@@@@L O2@@@@@@@@@@0Mh?7@@@@@@@@H??@@? O2@@@@@@@@@@@@@@@@@@@@?J@@@@@@@@@(M?he?I4@@@@@@1eN@@@@@@@@@@@@@@@@@@@@@@@@@@@@@@@@@@@@@g3@@@@@(Y @@ 3@@@(M O&@@@@@@@@@@@@@@@@@@@@@@@@@@@@@@@@@@@@@@@@@@@@@@@@@@@@@@@@@@@@0Y ?W&@@@@@@@@(Y?hf3@@@@@@@@@@@@@@@@@@@@@@@@@@L ?O2@@@@@@@@@)K
@@L? ?3@@@1 ?@@@ ?7@@@@@@@@@?he?7@@@@5? ?@@@@@5? ?@@@@@@@@@@@@@@@@@@@@@@@@@@@@@@@@@@@@@ @@@@@@@@@@@? ?O2@@@@@@@@@@@@@@@@@@@@@0M ?N@@@?e?@@@@@@? V4@@@@@@@)X?g@@@@@?heO2@@@@@@@@@@@@@@@@6?26X? @@@@@? ?J@@ ?@@@@@@Hh?O2@@@@@@@(M 3@@@@@@? ?I'@@@@@@@@@@@@@@@@@@@@@@@@@@@@@@@@@@@@@@@@@@)K? W2@@@@@@@@@@@?he?@@@@@@@@@e?@H?he?O2@@@@@@@@@@@@@@@@@@@@@@@@@?7@@@@@@@@@H ?I'@@@e?@@@@@@@@@@@@@@@@@@@@@@@@@@@@@@@@@@@@@@6X?eN@@@@(Y? 3@ N@@@H? O2@@@@@@@@@@@@@@@@@@@@@@@@@@@@@@@@@@@@@@@@@@@@@@@@@@@@@@@@@@@@@@0M ?7@@@@@@@@(Y N@@@@@@@@@@@@@@@@@@@@@@@@@@1 ?O2@@@@@@@@@@@@@@@@?
3@1? ?V'@@@L? ?@@@ ?@@@@@@@@@@?he?@@@@@H? ?@@@@@H? I40M?I4@@@@@@@@@@@@@@@@@@@@@@@@@@@@5 @@@@@@@@@@@? ?O2@@@@@@@@@@@@@@@@@@@@@0M @@@?eJ@@@@@5? I'@@@@@@)Kg@@@@@?g?O2@@@@@@@@@@@@@@@@@@@@@@@)K ?/X? @@@@@? ?7@@ J@@@@@@?g?O2@@@@@@@@0Y? N@@@@@@? V'@@@@@@@@@@@@@@@@@@@@@@@@@@@@@@@@@@@@@@@@@@@6X? ?O&@@@@@@@@@@@@?e?O2@@?eJ@@@@@@@@@@@@@heO2@@@@@@@@@@@@@@@@@@@@@0Y@@@@@?@@@@@@@@@@? N@@@e?3@@@@@@@@@@@@@@@@@@@@@@@@@@@@@@@@@@@@@@1?e?@@@(Y N@ ?@@@ O2@@@@@@@@@@@@@@@@@@@@@@@@@@@@@@@0M? I4@@@@@0M? ?@@@@@@@@(Y? J@@@@@@@@@@@@@@@@@@@@@@@@@@@ O2@@@@@@@@@@@@@@@0M?
N@@? V'@@)X ?@@@ J@@@@@@@@@@LheJ@@@@@ J@@@@5 @@@@@@@@@@@@@@@@@@@@@@@@@@@H @@@@@@@@@@@Lh?O26?2@@@@@@@@@@@@@@@@@@0M @@@?e7@@@@@H? ?V'@@@@@@@6Xf@@@@@?f?O2@@@@@@@@@@@@@@@@@@@@@@@@@@@@@6K ?V/? @@@@@? ?@@@ 7@@@@@5?fW2@@@@@@@@@0M? ?@@@@@@? ?V'@@@@@@@@@@@@@@@@@@@@@@@@@@@@@@@@@@@@@@@@@@@1? O2@@@@@@@@@@@@@@@??W2@@@@??O&@(MeI4@@@@@@f?W2@@@@@@@@@@@@@@@@@@@0Mg?3@@@@@@@@@@@@@@5? ?@@@L?e@@@@@@@@@@@@@@@@@@@@@@@@@@@@@@@@@@@@@@@Le?3@@H? ?@L? ?@@@he?O2@@@@@@@@@@@@@@@@@@@@@@@@@@@@0M? ?@@@@@@@0Y ?O&@@@@@@@@@@@@@@@@@@@@@@@@@@@L? ?O2@@@@@@@@@@@@@@@@0M?
?3@L ?N@@@1 ?@@@ 7@@@@@@@@@@1he7@@@@5 7@@@@H 3@@@@@@@@@@@@@@@@@@@@@@@@@@? @@@@@@@@@@@)K?eO2@@@@@@@@@@@@@@@@@0?@M? @@@?e@@@@@@ V'@@@@@@@)K??J@@@@@Le?O2@@@@@@@@@@@@@@@@@@@@@@@@@@@@@@@@@6K @@@@5? ?@@@ @@@@@@H?f7@@@@@@@@(M? ?@@@@@@? ?@@@@@@@@@@@@@@@@@@@@@@@@@@@@@@@@@@@@@@@@@@@@L W2@@@@@@@@@@@@@@@@@?O&@@@@@@@@@0Y?fI4@@@@fO&@@@@@@@@@@@@@@@0M?he?N@@@?@@@@@@@@@@H? J@@@1??7@@@@@@@@@@@@@@@@@@@@@@@@@@@@@@@@@@@@@@@1e?N@@fW2@6X? ?@1? ?3@@gW2@@@@@@@@@@@@@@@@@@@@@@@@@@@@@0M? ?@@@@@@? ?O2@@@@@@@@@@@@@@@@@@@@@@@@@@@@@1? ?O2@@@@@@@@@@@@@@@@@@@0M
?N@1 3@@@L? ?@@@ @@@@@@@@(Y@@h?J@@@@@H @@@@@? V4@@@@@@@@@@@@@@@@@@@@@@@@5? ?J@@@@@@@@@@@@@@@@@@@@@@@@@@@@@0M? @@@?e@@@@@@ ?V'@@@@@@@@6?&@@@@@)KO2@@@@@@@@@@@@@@@@@@@@@@@@@@@@@@@@@@@@@6K @@@@H? ?@@@ ?J@@@@@5f?J@@@@@@@@0Y ?@@@@@@? ?W&@@@@@@@@@@@@@@@@@@@@@@@@@@@@0M?e?@@@@@@@@@@1 ?O&@@@@@@@@@@@@@@@@@@@@@@@@@@@0Mhe?@@@?O2@@@@@@@@@@@@@@0M? ?J@@@@@@@@@@@@@5 7@@@5?J@@@@@@@@@@@@@@@@@@@@@@@@@@@@@@@@@@@@@@@@@f@@e?W&@@@1? ?@@? ?N@@L?e?W&@@@@@@@@@@@@@@@@@@@@@@@@@@@@0M? ?@@@@@5?hf?O2@@@@@@@@@@@@@@@@@@@@@@@@@@@@@@@@L ?O2@@@@@@@@@@@@@@@@@@0M?
@@L? V'@@)X J@@@ ?J@@@@@@@@H?3@h?7@@@@5? ?J@@@@5? I4@@@@@@@@@@@@@@@@@@@@@@H? O&@@@@@@@@@@@@@@@@@@@@@@0M @@@?e@@@@@@ V'@@@@@@@@@@@@@@@@@@@@@@@@@@@@@@@@@@@@@@@@@@@@@@@@@@@@@@@@@@6X ?J@@@@ ?@@@ ?7@@@@@HfW&@@@@@@(M ?@@@@@@L W&@@@@@@@@@@@@@@eI4@@@@@@@@0Mg?@@@@@@@@@@@ ?W2@@@@@@@@0MI4@0Y@@@@@@@@@@@@(Mhf?@@@@@@@@@@@@@@@@0M? ?7@@@@@@@@@@@@(Y ?J@@@@HW&@@@@@@@@@eI'@@@@@@@@@@@@@@@@@@@??@@@@@@@f@@L??7@@@@5? ?3@? @@1?eW&@@@@@@@@@@@@@@@@@@@@@@@@@0M? J@@@@(Y?h?O2@@@@@@@@@@@@@@@@@@@@@@@@@@@@@@@@@@@@1 O2@@@@@@@@@@@@@@@@0M
3@1? ?N@@@1 7@@@ ?7@@@@@@@5eN@L?g?@@@@@H? ?7@@@@H? I4@@@@@@@@@@@@@@@@@@@@ ?O2@@@@@@@@@@@@@@@@@@(M? @@@?e@@@@@@ ?V'@@@@@@@@@@@@@@@@@@@@@@@@@@@@@@0M??I4@@@@@@@@@@@@@@@@@@@@@@)X? ?)X? ?7@@@@ ?@@@ J@@@@@@?e?W&@@@@@@0Y? ?3@@@@@1 ?W&@@@@@@@@@@@@@@@g?I4@0Mh?@@@@@@@@@@@L? O&@@@@@@@0M?g@@@@@@@@@@@0Y?h?O2@@@@@@@@@@@@@@@0M ?@@@@@@@@@@@@(Y? ?7@@@@?7@@@@@(?4@@e?N@@@@@@@@@@@@@@@@@@@@@@@@@@@@f@@1?J@@@@0Y? ?N@? 3@@?e7@@@@@@@@@@@@@@@@@@@@@@0M? 7@@@@HhW2@@@@@@@@@@@@@@@@@@@@@@@@@@@@@@@@@@@@@@@@ O2@@@@@@@@@@@@@@@@@0M? @@@@@@@@@@@@@@@@@@@@@@@@@@@@@@@@@@@@@@@@@@@6X?
?O26X? N@@? 3@@@L? @@@@ ?@@@@@@@@He?31?gJ@@@@@ ?@@@@@ I4@@@@@@@@@@@@@@@@@5 O2@@@@@@@@@@@@@@@@@@@@@@@@@@@H @@@?e@@@@@5 V'@@@@@@@@@@@@@@@@@@@@@@@@@@@0M?g?@@@@@@@@@@@@@@@@@@@@@)X ?@1? ?@@@@@ ?@@@ 7@@@@@5?e?7@@@@@? ?N@@@@@@ W&@@@@@@@@@@@@@@@@ ?@@@@@@@@@@@)X O2@@@@@@@(M?g?J@@@@@@@@(Mhe?O2@@@@@@@@@@@@@0M ?@@@@@@@@@@@@H ?@@@@@?@@@@@@Hh@@@@@@@@@@@@@@@@@@@@@@@@@@@@f@@@W&@@(M? @? N@@?e@@@@@@@@@@@@@@@@@@@@0M @@@@@??W2@6K?O&@@@@@@@@@0M?I'@@@@??I'X@@@@@@@@@@@@@@@@@@L? O2@@@@@@@@@@@@@@0M ?J@@@@@@@@@@@@@@@@@@@@@@@@@@@@@@@@@@@@@@@@@@@@1?
W2@@@@)K ?@@? V@@@)X @@@@ ?@@@@@@@@?e?N@Lg7@@@@5 ?@@@@@ I'@@@@@@@@@@@@@@@H ?O2@@@@@@@@@@@@@@@@@@@@@@@@@@@@@@@@@@@@@@@@? @@@??J@@@@@H ?V4@@@@@@@@@@@@@@@@@@@@(MI40M?h?3@(M?I4@@@@@@@@@@@@@@@)X? ?@@? ?@@@@@L? ?@@@ @@@@@@H?eJ@@@@@@? @@@@@@ 7@@@@@@@@@@@@@@@@@ ?W&K?@@@@@@@@@@@@1 W2@@@@@@@@0YhO&@@@@@@@0Y?h?O2@@@@@@@@@@@@0M? ?@@@@@@@@@@@@? ?@@@@@?@@@@@5?h@@@@@@@@@@@@@@@@@@@@@@@@@@@@f3@@@@@@H @L ?@@?e@@@@@@@@@@@@@@@@@0M? @@@@@?W&@@@@@@@@@@@@@@0MfN@@@@?eV@@@@@@@@@@@@@@@@@@@)X O2@@@@@@@@@@@@@@@@0M ?7@@@@@@@@@@@@@@@@@@@@@@@@@@@@@@@@@@@@@@@@@@@@@?
?W&@@@@@@@@@@@@@6?2@@@@@@@@@@@@@@@@@@@@@@@@@@@@@@@@?h?W&KO2@@@@?3@@@@@6K?e?O2@@@@@@@@6K?O2@@@@6?@?2@@@@@@@@@@)K?O2@@@6KO2@@@6Xg@@@@heO2@@@@@@@@@@@6?2@@@@@@@@6K?O2@@@@@@@@6K?O2@@@@@@@@@@@?f@1g@@@@@H J@@@@5 ?V'@@@@@@@@@@@@@@? O2@@@@@@@@@@@@@@@@@@@@@@@@0MhI'@@@@@@@@@@@? @@@??7@@@@@? ?I'@@@@@@@@@@@@@@@@@(Y ?N@HfI4@@@@@@@@@@@@@@)Xg?@@@@@6Kf?@@@6Ke?O@??@ ?@@@@@1? ?@@@ ?J@@@@@@f7@@@@@@? @@@@@@ ?J@@@@@@@@@@@@@@@@@@ ?7@@@@@@@@@@@@@@@@L? ?O&@@@@@@@0MhO2@@@@@@@?h?O2@@@@@@@@@@@@@@0M? ?@@@@@@@@@@@5? ?@@@@@@@@@@@H?h@@@@@@@@@@@@@@@@@@@@@@@@@@@@fN@@@@@5? @1 ?@@Le@@@@@@@@@@@@@@0M ?J@@@@@W&@@@@@@@@@@@@0M?g?3@@@?O2@@@@@@@@@@@@@@@@@@@@@1 O2@@@@@@@@@@@@@@@@0M ?@@@@@@@@@@@@@@@@@@@@@@@@@@@@@@@@@@@@@@@@@@@@@@?
W&@@@@@@@@@@@@@@@@@@@@@@@@@@@@@@@@@@@@@@@@@@@@@@@@@?h?7@@@@@@@@?N@@@@@@@@@@@@@@@@@@@@@@@@@@@@@@@@@@@@@@@@@@@@@@@@@@@@@@@@@@@@@1g@@@@h?@@@@@@@@@@@@@@@@@@@@@@@@@@@@@@@@@@@@@@@@@@@@@@@@@@@@@5?f3@g@@@@@? 7@@@@H V4@@@@@@@@@@@@5? O2@@@@@@@@@@@@@@@@@@@@@@0M ?N@@@@@@@@@@@? 3@@??@@@@@@? V4@@@@@@@@@@@@@@@(Y? @?gI4@@@@@@@@@@@@@)X?f?@@@@@@@@?e?@@@@@@@@@@?fO2@@@@@@@@@@@@@@@@@@@@@@@@@@@@6Ke?@@@@@@? ?@@@ ?7@@@@@5f@@@@@@@? @@@@@@ ?7@@@@@@@@@@@@@@@@@@ ?@@@@@@@@@@@@@@@@@)X ?W2@@@@@@@(MhO2@@@@@@@@@?gO2@@@@@@@@@@@@@@@0M? ?@@@@@@@@@@(Y? ?@@@@@@@@@@5he@@@@@@@@@@@@@@@@@@@@@@@@@@@@f?@@@@@ 3@?O2@@6X? ?@@1e@@@@@@@@@@@@0M ?7@@@@@@@@@@@@@@@@@(M?he@@@@@@@@@@@@@@@@@@@@@@@@@@@@ ?O2@@@@@@@@@@@@@@@@0M? ?@@@@@@@@@@@@@@@@@@@@@@@@@@@@@@@@@@@@@@@@@@@@@@?
7@@@@@@@@@@@@@@@@@@@@@@@@@@@@@@@@@@@@@@@@@@@@@@@@@@?h?@@@@@@@@5e3@@@@0?4@@@@@@@@@@@@@@@@@@@@@@@@@@@@@@@@@@@@@@@@@@@@@@@@@@@@@5g@@@@h?3@@@@@@@@@@@@@@@@@@@@@@@@@@@@@@@@@@@@@@@@@@@@@@@@@@@@H?fN@f?J@@@@5? @@@@@? ?I'@@@@@@@@@H? O2@@@@@@@@@@@@@@@@@@@@@@@@@0M? @@@@@@@@@@@? N@@??@@@@@@? @@@@@@@@@@@@(Y @LhI'@@@@@@@@@@@@)Xf?@@@@@@@@?e?@@@@@@@@@@@@@@@@@@@@@@@@@@@@@@@@@@@@@@@@@@@@@@@@@@@@@@@@@@@@@@@@@@@@@@@@@@@@@@@6?26K?O2@@@6?26Ke?O@?2@@@@6K?e?O2@@6K?f?@@@@@@He?J@@@@@@@? 3@@@@@L? ?@@@@@@@(Y@@@@@@@@@@ J@@@@@@@@@0M?@@@@@@1 W&@@@@@@@0Y?f?W2@@@@@(?'@@@@?eO2@@@@@@@@@@@@@0M? ?I4@@@0Y ?3@@@@@@@@@Hhe@@@@@@@@@@@@@@@@@@@@@@@@@@@5f?@@@@@,? N@@@@@@@1? ?@@@e3@@@@@@@0M ?3@@@@@@@@@@@@@@@@0YheW&@@@@@@@@@@@@@@@@@@@@@@@@@@@@@@6K ?O2@@@@@@@@@@@@@@0M? ?@@@@@@@@@@@@@@@@@@@@@@@@@@@@@@@@@@@@@@@@@@@@@@?
@@@@@@@@@@(MI@M?hI4@0MI@M I4@@@? I40YeN@@? I'@@@@@??I4@@@@@@@0Yg@@@@h?V4@0?40M?I40M I@M??I40MI4@@@@@@@@@@@@@@5g?@L?e?7@@@@H? ?J@@@@@? V4@@@@@@@5 O2@@@@@@@@@@@@@@@@@@@@@@@0M? @@@@@@@@@@@? ?@@L?@@@@@@? 3@@@@@@@@@@@H? @1h?V'@@@@@@@@@@@@)K?O2@@@@@@@@@@@@@@@@@@@@@@@@@@@@@@@@@@@@@@@@@@@@@@@@@@@@@@@@@@@@@@@@@@@@@@@@@@@@@@@@@@@@@@@@@@@@@@@@@@@@@@@@@@@@@@@@@@@@@@@@@@@@@@@@@@@@@@@@@@@@@@5?e?7@@@@@@5? N@@@@@1? ?@@@@@@@H?@@@@@@@@@@ ?W&@@@@@@@(Me?@@@@@@@L? ?W&@@@@@@(M?g?7@@@@@0Y?N@@@@?O2@@@@@@@@@@@@@0M? ?N@@e?I4@@Lhe3@@@@@@@@@@@@@@@@@@@@@@@@@@Hf?@@@@(Y? ?@@@@@@@@? ?3@@L?N@@@@@0M ?N@@@@@@@@@@@@@@(Mhe?O&@@@@@@@@@@@@@@@@@@@@@@@@@@@@@@@@@@?hf?O2@@@@@@@@@@@@@@@@0M? ?@@@@@@@@@@@@@@@@@@@@@@@@@@@@@@@@@@@@@@@@@@@@@@?
?J@@@@@@@@@@H? ?@@? ?V'@@@@? @@@@ @@@@@@@@@Hg?31?e?@@@@5 ?7@@@@@? ?I(Y O2@@@@@@@@@@@@@@@@@@@@0M 3@@@@@@@@@@? ?@@)X@@@@@@? N@@@@@@@@@@@ ?J@@heV4@@@@@@@@@@@@@@@@@@@@@@@@@@@@@@@@@@@@@@@@@@@@@@@@@@@@@@@@@@@@@@@@@@@@@@@@@@@@@@@@@@@@@@@@@@@@@@@@@@@@@@@@@@@@@@@@@@@@@@@@@@@@@@@@@@@@@@@@@@@@@@@@@@@@@@@@@@@@@@H?e?@@@@@@(Y? ?@@@@@@? ?@@@@@@@e@@@@@@@@@5 O&@@@@@@@@H?e?@@@@@@@1?eW2@@@@@@@@@@@@@@6?26?26K?O26K?O26?@K O&@@@@@@0Yh?@@@0Mf?@@@@@@@@@@@@@@@@@0M ?J@@gB1f?W.?eN@@@@@@@@@@@@@@@@@@??@@@@@@?f?@@@(Y ?@@@@(M? ?N@@1??@@0M? @@@@@@@@@@@@@(Y?g?O2@@@@@@@@@@@@@@@@@@@@@@@@@@@@@@@@@@@@@@Lh?O2@@@@@@@@@@@@@@@0M ?@@@@@@@@@@@@@@@@@@@@@@@@@@@@@@@@@@@@@@@@@@@@@5?
?7@@@@@@@@@@ ?3@L V'@@@L @@@@ @@@@@@@@@?g?N@?eJ@@@@H ?@@@@@5? ?O2@@@@@@@@@@@@@@@@@@@@@@@0M N@@@@@@@@@@? ?@@@@@@@@@@? ?3@@@@@@@@@@ O&@@hf?@@@@@@@@@@@@@@@@@@@@@@@@@@@@@@@@@@@@@@@@@@@@@(M?I@M ?@@@@@ @@@@ ?I@?4@@@@@@@@@@@fJ@@@@@(Y ?@@@@@@? ?@@@@@@@e@@@@@@@@@HhfO2@@@@@@@@@5fJ@@@@@@@@?e7@@@@@@@@@@@@@@@@@@@@@@@@@@@@@@@@@@@@@@@@@@@6K?O26?2@@@@@@@@(M ?@@@@@@@@@@@@@@0M? W&@@g?@fO&U?e?@@@@@@@@@@@@@@@@@@??@@@@@@?f?3@@H? ?@@@@H @@@? @@@@@@@@@@@@(Yg?O2@@@@@@@@@@@@@@@@@@@@@@@@@@@@@@@@@@@@@@@@1f?O2@@@@@@@@@@@@@@@@0M? ?3@@@@@@@@@@@@@@(M?I4@@@@@@@@@@@@@@@@@@@@@@@@@H?
?@@@@@@@@@@@ ?N@1 ?N@@@1 @@@@ @@@@@@@@5?h@Le7@@@@? J@@@@@H? ?O2@@@@@@@@@@@@@@@@@@@@@0M ?@@@@@@@@@@? ?@@@@@@@@@@? ?N@@@@@@@@@5hfO2@@@@@@@@@@6Kh?3@@@@@@@@@@@@@@@@@@@@@@@@@@@@@@@@@@@@@@@@@@@@Y? ?@@@@@ ?J@@@@ ?@@@@@@5f7@@@@@H? ?@@@@@@? J@@@@@@@L?3@@@@@@@@Lf?@@@@@@@@@@@@@@@@@(Yf7@@@@@@@@?e@@@@@@@@@@@@@@@@@@@@@@@@@@@@@@@@@@@@@@@@@@@@@@@@@@@@@@@@@@@(Y? J@@@@@@@@@@@0M ?W&@@@heO2@@)Ke?@@@@@@@@@@@@@@@@@@@@@@@@@5?f?N@@ ?@@@@? 3@@L @@@@@@@@@@@(Y?fW2@@@@@@@@@@@@@@@@@0M?eI4@@@@@@@@@@@@@@@@@@@@eO2@@@@@@@@@@@@@@@0M? ?N@@@@@@@@@@@@@0Y?hI4@0MI4@@@@@@@@@@@@@
?@@@@@@@@@@@ @@L? 3@@@L? @@@@ ?J@@@@@@@@H?h@)K?@@@@5? 7@@@@@ ?O2@@@@@@@@@@@@@@@@@@@@@@@@0M? ?@@@@@@@@@@? ?@@@@@@@@@@? @@@@@@@@(YgO2@@@@@@@@@@@@@@@@@@@6K?f?N@@@@@@@@@@@@@@@@@@@@@@@@@@@@@@@@@@@@@@@@@@@@@@@6K? J@@@@@L? O&@@@@fW2@6K? ?@@@@@@Hf@@@@@5 ?@@@@@@L 7@@@@@@@1?N@@@@@@@@)X?eJ@@@@@@@@@@@@@@@@(Y?f@@@@@@@@@?e3@@@@@@@@@@@@@@@@@@@@@@@@@@@@@@@@@@@0M?I4@0Me?@@@@@@@@@@@(YeW26X ?O&@@@@@@(M? W&@@@@@@@@@@@@@@@@@@@@@@@@@@@@@@@@@@@@@@@@X?@@@@@@H?g@@L? ?@@@5? N@@1 @@@@@@@@@@(Yf?W&@@@@@@@@(M?I'@@heI'@@@@@@@@@@@@@@@@@@@@@@@@@@@@@@@@@@0M 3@@@@@@@@@@?
?3@@@@@@@@@@ 3@1? N@@@1? @@@@ ?7@@@@@@@@he3@@@@@@@H? @@@@@5 O@?2@@@@@@@@@@@@@@@@@@@@@@@0M? ?@@@@@@@@@@? ?@@@@@@@@@@? @@@@@@@(Y?e?O2@@@@@@@@@@@@@@@@@@@@@@@@@6Ke?J@@@@@@@@@@@@@@@@@@@@@@@@@@@@@@@@@@@@@@@@@@@@@@@@@@@@@@@@6KO26K?O2@6Kg?O&@@@@@)KfO26K?O2@@@@@@@@@@6KO&@@@@@@@6K?O26K?hf?O26K?gJ@@@@@5?e?J@@@@@H ?@@@@@@1 @@@@@@@@@L?@@@@@@@@@)K?O&@@@@@@@@@@@@@@@(Yf@@@@@@@@@@@?eV4@@@@@@@@0M?I4@@0M?eI4@@0M J@@@@@@@@@@(Y??O&@@1hf?O2@@@@@@@(Y 7@@@@@@@@@@@@@@@@@@@@@@@@@@@@@@@@@@@@@@@@@)X@@@@@5h@@1? ?@@@H? ?@@@ @@@@@@@@@(Y?fO&@@@@@@@@0Ye?N@@L?he@@@@@@@@@@@@@@@@@@@@@@@@@@@@@@@@0M V'@@@@@@@@@L
?N@@@@@@@(M? N@@? ?3@@@L @@@@ ?@@@@@@@@5heN@@@@@@@ ?J@@@@@H O2@@@@@@@@@@@@@@@@@@@0M? ?@@@@@@@@@@? ?@@@@@@@@@5? @@@@@@@YeO2@@@@@@@@@@@@@@@@@@@@@@@@@@@@@@6KO&@@@@@@@@@@@@@@@@@@@@@@@@@@@@@@@@@@@@@@@@@@@@@@@@@@@@@@@@@@@@@@@@@@@@@@@@@@@@@@@@@@@@@@@@@@@@@@@@@@@@@@@@@@@@@@@@@@@@@@@@@@@@@@@@@@@@@@@@@@@@@6K?e?O&@@@@@H?e?7@@@@@? ?3@@@@@@ @@@@@@@@@)X@@@@@@@@@@@@@@@@@@@@@@@@@@@@0Y?e?J@@@@@@@@@@@?hI@M? 7@@@@@@@@@0Y?O2@@@@5heO2@@@@@@@@@@H? 3@@@@@@@@@@@@@@@@@@@@@@@@@@@@@@@@@@@@@@@@@@@@@@@@Hh@@@? ?3@@ ?@@@ @@@@@@@@(YfO2@@@@@@0Mh@@1?fO@K?O&@@@@@@@@@@@@@@@@@@@@@@@@@@@@0M ?V4@@@@@@@@1
?C@@@@@@0Y ?@@L ?V'@@)X? @@@@ J@@@@@@@@Hhe?@@@@@@5 ?7@@@@@? O2@@@@@@@@@@@@@@@@@@0M ?@@@@@@@@@@L ?@@@@@@@@@H? @@@@@@@@@@@@@@@@@@@@@@@@@@@@@@@@@@@@@@@@@@@@@@@@@@@@@@@@@@@@@@@@@@@@@@@@@@@@@@@@@@@@@@@@@@@@@@@@@@@@@@@@@@@@@@@@@@@@@@@@@@@@@@@@@@@@@@@@@@@@@@@@@@@@@@@@@@@@@@@@@@@@@@@@@@@@@@@@@@@@@@@@@@@@@@@@@@@@@@@@fJ@@@@@5? ?N@@@@@@ @@@@@@@@@@@@@@@@@@@@@@@@@@@@@@@@@@@@@(M?fO&@@@@@@@@@@@? ?J@@@@@@@(M??W2@@@@@(Yg?O2@@@@@@@@@@@@@ N@@@@@@@@@@@@@@@@@@@@@@@@@@@@@@@@@@@@@@@@@@@@@@@5?h3@@? ?N@@ ?@@@ ?J@@@@@@@(Y?eW2@@@@@@(Mhe@@@?eW2@@@@@@@@@@@@@@@@@@@@@@@@@@@@@@0M @@@@@@@@L?
@@U? ?3@1 N@@@1? @@@@ 7@@@@@@@5?he?@@@@@@H ?@@@@@5? O2@@@@@@@@@@@@@@@@@@@@@@0M ?@@@@@@@@@@1 ?@@@@@@@@@ @@@@@@@@@@@@@@@@@@@@@@@@@@@@@@@@@@@@@@@@@@@@@@@@@@@@@@@@@@@@@@@@@@@@@@@@@@@@@@@@@@@@@@@@@@@@@@@@@@@@@@@@@@@@@@@@@@@@@@@@@@@@@@@@@@@@@@@@@@@@@@@@@@@@@@@@@@@@@@@@@@@@@@@@@@@@@@@@@@@@@@@@@@@@@@@@@@@@@@@5f7@@@@(Y? @@@@@@ @@@@@@@@@@@@@@@@@@@@@@@@@@@@@@@@@@@@(YfW2@@@@@@@@@@@@@@@@6K?O2@@@@6?26Ke?O2@@6?26K?O@?2@@6K?O2@@@6X?W&@@@@@@@YeO&@@@@@(Y?f?@@@@@@@@@@0M?@@@@ ?@@@@@@@@@@@@@@@@@@@@@@@@@@@@@@@@@@@@@@@@@@@@@@@H?hN@@? 3@e?W2@@@@? ?3@@L? ?7@@@@@@@He?W&@@@@@@0Y?he@@@?e7@@@@@@@@@@@@@@@@@@@@@@@@@@@@@ 3@@@@@@@)X
?J@@1? ?N@@ ?3@@@L @@@@ ?J@@@@@@@@H?he?@@@@@5? J@@@@@H? @@@@@@ O2@@@@@@@@@@@@@@@@@@@@@@@@@0M? ?3@@@@@@@@@@ ?3@@@@@@@@ @@@@@@@@@@@@@@@@@@@@@@@@@@@@@@@@@@@@@@@@@@@@@@@@@@@@@@@@@@@@@@@(M?gI4@@@@@@@@@@@@@@@@@@@@@@@@@@@@@@@@@@@@@@@@@@@@@@@@@@@@@@@@@@@@@@@@@@@@@@@@@@@@@@@@@@@@@@@@@@@@@@@@@@@@@@@@@@@@@@@@@@@@@@@@@@@@@He?J@@@@(Y @@@@@@ @@@@@@@@@@@@@@@@@@@@@@@@@@@@@@@@@@@0Y?e?O&@@@@@@@@@@@@@@@@@@@@@@@@@@@@@@@@@@@@@@@@@@@@@@@@@@@@@@@@@@@)?&@@@@@@@@@@@@@@@@@@Hg?@@@@@@@0Mf@@@@L? ?@@@@@@@@@@@@@@@@@@@@@@@@@@@@@@@@@@@@@@@@@@@@@@@he?@@? N@eO&@@@@@? ?N@@1? J@@@@@@@5?eO&@@@@@0M?hf@@@L?J@@@@@@@@@@@@@@@@@@@@@@@@@@@@@@ V'@@@@@@@)X?
?7@@@? @@L? ?V'@@)X?hf@@@@ ?7@@@@@@@@hf?@@@@@H? 7@@@@@ O2@@@6K? ?J@@@@@@ O2@@@@@@@@@@@@@@@@@@@@@@@0?40M ?N@@@@@@@@@@@@@@@@@@@@@@@@@@@@@@@@@@@@@@@6KO2@@@@@@@6K?O2@@@@@@@@@@6?@K? O26Khf?O2@@6KO2@6KfO26?@KO2@@@@6K?V'@@@@@@@ @@@@@@@@@@@@@@@@@@@@@@@@@@@@@@@@@@@@@@@@@@@@@@@@@@@@@@@@@@@@@@@Hhf?I4@@@@@@@@@@@@@@@@@@@@@@@@@@@@@@@@@@@@@@@@@@@@@@@@@@@@@@@@@@@@@@@@@@@@@@@@@@@@@@@@@@@@@@@@@@@@@@@@@@@@@@@@@@@@@@@@@@@@@@@5?e?7@@@@H? @@@@@@ ?O2@@@@@@@@@@@@@@@@@@@@@@@@@@@@@@@@@@0M?f?W2@@@@@@@@@@@@@@@@@@@@@@@@@@@@@@@@@@@@@@@@@@@@@@@@@@@@@@@@@@@@@@@@@@@@@@@@@(MI'@@@@5?eO2@@@@@@0Mh@@@@1? ?@@@@@@@@@@@@@@@@@@@@@@@@@@@@@@@@@@@@@@@@@@@@@@@he?@@? ?@@@@@@@0M @@@? ?W&@@@@@@(Y?W2@@@@@(M? @@@)?&@@@@@@@@@@@@@@@@@@@@@@@@@@@@@@L? ?V'@@@@@@@1?
J@@@5? 3@1? N@@@)Xhf@@@@ ?@@@@@@@@5hfJ@@@@@ ?J@@@@@5 ?O2@@@@@@@@@@6X? ?@@@@@@@g?O2@@@@@@@@@@@@@@@@@@@@@@@@@@@@@@@@@@0M? @@@@@@@@@@@@@@@@@@@@@@@@@@@@@@@@@@@@@@@@@@@@@@@@@@@@@@@@@@@@@@@@@@@@@@@@@@@@@@@@@@@@@@@@@@@@@@@@@@@@@@@@@@@@@@@@@@@@@@@@@@@@@@@@@@@@@@@@@@@@@@@@@@@@@@@@@@@@@@@@@@@@@@@@@@@@@@@@@@@@@@@@@@@@@@6KV@@@@@@@ ?J@@@@@@@@@@@@@@@@@@@@@@@@@@@@@@@@@@@@@@@@@@@@@@@@@@@@@@@@@@@@@@5? ?I4@@@@@@@@@@@@@@@@@@@@@@@@@@@@@@@@@@@@@@@@@@@@@@@@@@@@@@@@@@@@@@@@@@@@@@@@@@@@@@@@@@@@@@@@@@@@@@@@@@@@@@@@@@@@@@@@@@@@@H?e?@@@@@ @@@@@@L? O2@@@@@@@@@@@@@@@@@@@@@@@@@@@? O&@@@@@@@@@@@@@@@@@@@@@@@@@@@@@@@@@@@@@@@@@@@@@@@@@@@@@@@@@@@@@@@@@@@@@@@@@0Y?e@@@@YO2@@@@@@(M?he@@@@@? ?@@@@@@@@@@@@@@@@@@@@@@@@@@@@@@@@@@@@@@@@@@@@@@@he?@@? ?@@@@@(M @@@? ?7@@@@@@@H?O&@@@@@(YhfO2@@@@@@@@@@@@@@@@@@@@@@@@e?I'@@@@@@@@@1? V'@@@@@@@L
7@@@H? N@@? ?3@@@1hf@@@@ J@@@@@@@@Hhf7@@@@5 ?7@@@@@H O2@@@@@@@@@@@@@@)K ?N@@@@@@f?@@@@@@@@@@@@@@@@@@@@@@@@@@@@@@0M? @@@@@@@@@@@@@@@@@@@@@@@@@@@@@@@@@@@@@@@@@@@@@@@@@@@@@@@@@@@@@@@@@@@@@@@@@@@@@@@@@@@@@@@@@@@@@@@@@@@@@@@@@@@@@@@@@@@@@@@@@@@@@@@@@@@@@@@@@@@@@@@@@@@@@@@@@@@@@@@@@@@@@@@@@@@@@@@@@@@@@@@@@@@@@@@@@@@@@@@@ ?7@@@@@@@@@@@@@@@@@@@@@@@@0?4@@@@@@@@@@@@@@@@@@@@@@@@@@@@@@@@@@@H? ?I4@@@@@@@@@@@@@@@@@@@@@@@@@@@@@@@@@@@@@@@@@@@@@@@@@@@@@@@@@@@@@@@@@@@@@@@@@@@@@@@@@@@@@@@@@@@@@@@@@@@@@@@@@@@@@@@@@@5fJ@@@@5 @@@@@@1? O2@@@@@@@@@@@@@@@@@@@@@@@@@@@@@W26K?e?O26?26KeO2@@@@@@@@@@@@@@@@@@@@@@@@@@@@@@@@@@@@@@@@@@@@@@@@@@@@@@@@@@@@@@@@@@@@@@@@@(M?e?7@@@@@@@@@@@@0Yhf@@@@@? ?@@@@@@@@@@@@@@@@@@@@@@@@@@@@@@@@@@@@@@@@@@@@@@@he?3@L ?@@@@(Y? @@@? ?@@@@@@@@W2@@@@@@(Y?heO2@@@@@@@@@@@@@@@@@@@@@@@@@5fV'@@@@@@@@@? ?N@@@@@@@1
@@@@ ?@@L ?N@@@@L?he@@@5 7@@@@@@@@?he?J@@@@@H ?@@@@@@? ?@@@@@@@@@@@@@@@@@@@@? @@@@@@f?3@@@@@@@@@@@@@@@@@@@@@0M? @@@@@@@@@@@@@@@@@@@@@@@@@@@@@@@@@@@@@@@@@@@@@@@@@@@@@@@@@@@@@@@@@@@@@@@@@@@@@@@@@@@@@@@@@@@@@@@@@@@@@@@@@@@@@@@@@@@@@@@@@@@@@@@@@@@@@@@@@@@@@@@@@@@@@@@@@@@@@@@@@@@@@@@@@@@@@@@@@@@@@@@@@@@@@@@@@@@@@@@5 J@@@@@@@@@@@@@@@@(M?hf@@V4@@@@@@@@@@@@@@@@@@@@@@@@@@@@ ?I'@@@@@@@@@@@@@@@@@@@@@@@@@@@@@@@@@@@@@@@@@@@@@@@@@@@@@@@@@@@@@@@@@@@@@@@@@@@@@@@@@@@@@@@@@@@@@@@@@@@@@@@@@@@@@@Hf7@@@@H @@@@@@@? ?O2@@@@@@@@@@@@@@@@@@@@@@@@@@@@@@@@@@@@@@@@@@@@@@@@@@@@@@@@@@@@@@@@@@@@@@@@@@@@@@@@@@@@@@@@@@@@@@@@@@@@@@@@@@@@@@@@@@@@@@@@@@@(YfJ@@@@@@@@@@@0M 3@@@@? ?3@@@@@@@@@@@@@@@@@@@@@@@@@0M?g?@@@@@@@@@@5he?N@1 ?@@@@H 3@@? J@@@@@@@@@@@@@@@(Yh?W2@@@@@@@@@@@@@@@@@@@@@@@@@@@@Hf?V'@@@@@@@@L @@@@@@@@
?J@@@5 ?3@1 3@@@1?he@@@H ?J@@@@@@@@5?he?7@@@@@? ?@@@@@5? J@@@@@@@@@@@@@@@@@@@@L @@@@@@f?V4@@0?4@@@@@@@@0M @@@@@@@@@@@@@@@@@@@@@@@@@@@@@@@@@@@@@@@@@@@@@@@@@@@@@@@@@@@@@@@@@@@@@@@@@@@@@@@@@@@@@@@@@@@@@@@@@@@@@@@@@@@@@@@@@@@@@@@@@@@@@@@@@@@@@@@@@@@@@@@@@@@@@@@@@@@@@@@@@@@@@@@@@@@@@@@@@@@@@@@@@@@@@@@@@@@@@@@H ?W&@@@@@@@@@@@@@@@@? @@L?e?W@@@@@@@@@@@@@@@@@@@@@@@5 V'@@@@@@@@@@@@@@@@@@@@@@@@@@@@@@@@@@@@@@@@@@@@@@@@@@@@@@@@@@@@@@@@@@@@@@@@@@@@@@@@@@@@@@@@@@@@@@@@@@@@@@@@@@@@@?f@@@@@? 3@@@@@@? ?O2@@@@@@@@@@@@@@@@@@@@@@@@@@@@@@@@@@@@@@@@@@@@@@@@@@@@@@@@@@@@@@@@@@@@@@@@@@@@@@@@@@@@@@@@@@@@@@@@@@@@@@@@@@@@@@@@@@@@@@@@@@@@(Y?e?W&@@@@@@@@(M? N@@@@? ?V40M??I40M?hf@@he?3@@@@@@@@0Yhf@@ ?@@@5? N@@L 7@@@@@@@@@@@@@@(Y?hW&@@@@@@@@@@@@@@@@@@@@@@@@@@@@5?gV'@@@@@@@1
?7@@@H ?N@@ V'@@@Lhe@@@? ?7@@@@@@@@H?he?@@@@@@L ?W2@@@@@@@H? ?W&@@@@@@@@@@@@@@@@@@@@)X?hf@@@@@@ 3@@@@@@@@@?@@@@@@@@@@@@@@@@@@@@@@@@@@@@@@@@@@@@@@@@@@@@@@@@@@@@@@@@@@@@@@@@@@@@@@@@@@@@@@@@@@@@@@@@@@@@@@@@@@@@@@@@@@@@@@@@@@@@@@@@@@@@@@@@@@@@@@@@@@@@@@@@@@@@@@@@@@@@@@@@@@@@@@@@@@@@@@@@@@@@@@@@@@@@? W&@@@@@@@@@@@@@@@@@)X?hf@@)KeO&@@@@@@@@@@@@@@@@@@@@@@@H ?V4@@0M??I4@@@@@@@@@@@@@@@@@@@@@@@@@@@@@@@@@@@@@@@@@@@@@@@@@@@@@@@@@@@@@@@@@@@@@@@@@@@@@@@@@@@@@@@@@@@@@@@@@@@5?f@@@@@? N@@@@@@? ?W2@@@@@@@@@@@@@@@@@@@@@@@@@@@@@@@@@@@@@@@@@@@@@@@@@@@@@@@@@@@@@@@@@@@@@@@@@@@@@@@@@@@@@@@@@@@@@@@@@@@@@@@@@@@@@@@@@@@@@@@@@@@@@(Yf?7@@@@@@@@0Y ?@@@@? @@he?N@@@@@@@? @@ ?@@@H?eO26X ?@@1 @@@@@@@@@@@@@@(Yh?O&@@@@@@@@@@@@@@@@@@@@@@@@@@@@(Y?g?N@@@@@@@@L?
?@@@5? @@L? ?N@@@1he@@@? ?@@@@@@@@@hf?@@@@@@1 W&@@@@@@@@ ?7@@@@@@@@@@@@@@@@@@@@@@)Xhf@@@@@@L? V4@@@@@@@@@@@@@@@@@@@@@@@@@@@@@@@@@@@@@@@@@@@@@@@@@@@@@@@@@@@@@@@@@@@@@@@@@@@@@@@@@@@@@@@@@@@@@@@@@@@@@@@@@@@@@@@@@@@@@@@@@@@@@@@@@@@@@@@@@@@@@@@@@@@@@@@@@@@@@@@@@@@@@@@@@@@@@@@@@@@@@@@@@@@@@@@@@@@@5? 7@@@@@@@@@@@@@@@@@@@)Xhf@@@@@@@@@@@@@@@@@@@@@@@@@@@@@@@? ?@@@@@(M @@@@ ?I4@@@@@@@H?f@@@@5? ?@@@@@@? O&@@@@@@@@@@@@@@@@@@(M?I'@@@@@@@@@@@@@@@@@@@@@@@@@@@@@@@@@@@@@@@@@@@@@@@@@@@@@@@@@@@@@@@@@@@@@@@@@@@@@@@@@@@@@@@@@@@@@@@@@@X@@@@H?fJ@@@@@@(M? J@@@@? @@@@@@@? @@L? ?3@@e?@@@@1 ?@@@ @@@@@@@@@@@@@(Y?g?W2@@@@@@@@@@@@@@@@@V4@@@@@@@@@@(Yhe@@@@@@@@1?
J@@@H? 3@1? 3@@@L?h@@@? J@@@@@@@@5hfJ@@@@@@@ 7@@@@@@@@5 J@@@@@@@@@@@@@@@@@@@@@@@@1hf@@@@@@@? I'@@@@@@@@@@@@@@@@@@@@@@@@@@@@@@@@@@@@@@@@@@@@@@@@@@@@@@@@@@@@@@@@@@@@@@@@@@@@@@@@@@@@@@@@@@@@@@@@@@@@@@@@@@@@@@@@@@@@@@@@@@@@@@@@@@@@@@@@@@@@@@@@@@@@@@@@@@@@@@@@@@@@@@@@@@@@@@@@@@@@@@@@@@@@@@@@@@H? @@@@@@@@@@@@@@@@@@@@@,hf@@@@@@@@@@@@@@@@@@@@@@@@@@@@@@@? ?@@@@@H? @@@@ @@@@@5f?J@@@@H? ?@@@@@@? O2@@@@@@@@@@@@@@@@@@@@@0Y?eV'@@@@@@@@@@@@@@@(M?fI4@@@@0Y@@@@@@@@@@@@@@@@@@@@@@@@@@@@@@@@@@@@@@@@@@@@@@@@@@@@@@@@@@@@@@@@@(R@@@@5f?W&@@@@@0Y 7@@@@? @@@@@@5? @@1? ?N@@eJ@@@@5 ?3@@ @@@@@@@@@@@@(Yh?7@@@@@@@@@@@@@@@@@@eI4@@@@@@@@H?he3@@@@@@@@?
?W&@@5 N@@? V'@@)Xh@@@? 7@@@@@@@@H?@@6X?g7@@@@@@@L? @@@@@@@@@H 7@@@@@@@@@@@@@@@@@@@@@@@@@L?he@@@@@@H? ?N@@@@@@@@@@@@@@@@@@@@@@@@@@@@@@@@@@@@@@@@@@@@@@@@@@@@@@@@@@@@@@@@@@@@@@@@@@@@@@@@@@@@@@@@@@@@@@@@@@@@@@@@@@@@@@@@@@@@@@@@@@@@@@@@@@@@@@@@@@@@@@@@@@@@@@@@@@@@@@@@@@@@@@@@@@@@@@@@@@@@@@@@@@@@@@@@@@ O2@@@@@@@@@@@@@@@@@@@@@@0Yhf@@@@@@@@@@@@@@@@@@@@@@@@@@@@@@@L ?3@@@@ @@@@ ?J@@@@@Hf?7@@@@ ?3@@@@@L ?O2@@@@@@@@@@@@@@@@@@@@@@(M?f?V'@@@@@@@@@@@@@(Y @@@@@@@@@@@@@@@@@@@@@@@@0MI4@0?@M?fI@M?hf@@@@@@@@@@(YJ@@@(YfO&@@@@0M 3@@@@? @@@@@@H? 3@@? @@?W&@@@(Y ?N@@ 3@@@@@@@@@@@H?hJ@@@@@@@@@@@@@@@@@@@W@K?I'@@@@@@hfV'@@@@@@@L
?7@@@H ?3@? ?V'@@1h@@@? ?J@@@@@@@@@??@@@1?f?J@@@@@@@@)X @@@@@@@@@? @@@@@@@@@0M??I4@@@@@@@@@@@1?he@@@@@@ 3@@@@@@@@@@@@@@@@@@@@@@@@@@@@@@@@@@@@@@@@@@@@@@@@@@@@@@@@@@@@@@@@@@@@@@@@@@@@@@@@@@@@@@@@@@@@@@@@@@@@@@@@@@@@@@@@@@@@@@@@@@@@@@@@@@@@@@@@@@@@@@@@@@@@@@@@@@@@@@@@@@@@@@@@@@@@@@@@@@@@@@@@@@@@@@@@@ ?O2@@@@@@@@@@@@@@@@@@@@@@@0M @@g?I'@@@@@@@@@@@@@@@@@@@@)X? @@@@ 3@@@ ?7@@@@5?f?@@@@@ ?N@@@@@1 O2@@@@@@@@@@@@@@@@@@@@@@@@(YhV4@@@@@@@@@@@@H? @@@@@@@@@@@(M? ?J@@@@@@@@@0YW&@@(Y?eO2@@@@0M N@@@@? 3@@@@@ N@@? 3@?7@@@0Y? @@L? N@@@@@@@@@@@he7@@@@@@@@@@@@@@@@@@@@@@@?V4@@@@@hf?N@@@@@@@1
?@@@5? ?N@L N@@@L?g@@@? ?7@@@@@@@@@@@@@@@?fO&@@@@@@@@@)K? @@@@@@@@5? ?J@@@@@@@(M?gI'@@@@@@@@@Lhe@@@@@@L? V4@@@@@@@@@@@@@@@@@@@@@@@@@@@@@@@@@@@@@@@@@@@@@@@@@@@@@@@@@@@@@@@@@@@@@@@@@@@@@@@@@@@@@@@@@@@@@@@@@@@@@@@@@@@@@@@@@@@@@@@@@@@@@@@@@@@@@@@@@@@@@@@@@@@@@@@@@@@@@@@@@@@@@@@@@@@@@@@@@@@@@@@@@@@0M? ?O2@@@@@@@@@@@@@@@@@@@@@@@@@@@0M @@hV4@@@@@@@@@@@@@@@@@@@@1? ?7@@@@L? N@@@ J@@@@@H?fJ@@@@@ @@@@@@ W2@@@@@@@@@@@@@@@@@@@@@@@@@@@(Y?he?@@@@@@@@@@@ @@@@@@@@@@(Y W&@@@@@@@@e?7@@@HeW2@@@@(M ?@@@@? ?W2@@@@@@6K?fN@@@@@ ?@@? N@?@@@ @@1? ?@@@@@@@@@@@h?J@@@@@@@@@@@@@@@@@@@@@@@@f@@@@L?hf@@@@@@@@L?
J@@@H? @1 ?3@@)Xf?J@@@? ?@@@@@@@@@@@@@@@@@@@@@@@@@@@@@@@@@@@@@@@@@@@@@@@@@@@@@@@@@@@@@6Ke?O2@@@@6KO26?26KfO@K? ?O@K ?O@K @@@@@@@@H? ?7@@@@@@(Yh?V4@@@@@@@@)X?h@@@@@@1? I40MeI40MeI40MI@M??I40?40MeI4@@@0?40?@M?I@?4@0Me?I@?40M?e?I@MI4@@@0?4@0M?I4@0M?I4@@@@@@@@@0?4@@@@@@@@@@@@@@@@@@@@@@@@@@@0M? ?O2@@@@@@@@@@@@@@@@@@@@@@@@@@@@@@@@? ?O2@@@@@@@6KgI4@@@@@@@@@@@@@@@@@@@? ?@@@@@@? J@@@ 7@@@@@g7@@@@@ @@@@@@ ?O&@@@@@@@@@@@@@@@@@@@@@@@@@@@(Yhf?3@@@@@@@@@@@6KO2@6Kh@@@@@@@@@@H? 7@@@@@@@@@eJ@@@5??O&@@@@(Y? ?@@@@? O&@@@@@@@@@6X?e?@@@@@ ?@@? ?@@@@@ @@@? ?@@@@@@@@@@@hW&@@@@@@@@@@@@@@@@@@@@@@@@f@@@@1?hf@@@@@@@@1?
7@@@ 3@ ?V'@@1f?7@@@? J@@@@@@@@@@@@@@@@@@@@@@@@@@@@@@@@@@@@@@@@@@@@@@@@@@@@@@@@@@@@@@@@@@@@@@@@@@@@@@@@@@@@@@@@@@@@@6Ke?O@KO2@@@@@@@@@@@@@@@@@@@@@@@@@@@6X? ?W2@@@@@@@@@@@@@ W2@@@@@@@@@@@@@@@@@@@@@@@@@@@@@@@@@@@@@@@6?2@@@@@@6?2@@6?2@@@@@@@@@@@@@6KO2@@@6?@K ?O2@@@@@@@@@ ?@@@@@@@H?hf@@@@@@@@1?h@@@@@@5? ?O@KO2@@@@@@@@@@@@@@@@@@@@@@@@@@@@@@@@@@@@5? O2@@@@@@@@@@@@@?gI'@@@@@@@@@@@@@@@@@L ?@@@@@H? 7@@@ ?J@@@@@5g@@@@@@ @@@@@@ ?W2@@@@@@@@@@@@@@@@@@@@@@@@@@@@(Y?hf?N@@@@@@@@@@@@@@@@@@@@@@@@@@@@@@@@@@@5 @@@@@@@(M?e7@@@H?@@@@@@0Y ?@@@@? W2@@@@@@@@@@@@)Xe?@@@@@L? ?@@L ?@@@ ?O26K?eO2@@@@@@@@@@@@6Kh?J@@@? O2@@@@@6K? ?@@@@@@@@@@@h7@@@@@@@@@@@@@@@@@@@@@@@@@L?e3@@@@Lhf@@@@@@@@@?
O2@@@@@@6Ke?J@@@5 N@L? N@@@L?e?@@@@? 7@@@@@@@@@@@@@@@@@@@@@@@@@@@@@@@@@@@@@@@@@@@@@@@@@@@@@@@@@@@@@@@@@@@@@@@@@@@@@@@@@@@@@@@@@@@@@@@@@@@@@@@@@@@@@@@@@@@@@@@@@@@@@@@@@@@)K ?7@@@@@@@@@@@@@@ 7@@@@@@@@@@@@@@@@@@@@@@@@@@@@@@@@@@@@@@@@@@@@@@@@@@@@@@@@@@@@@@@@@@@@@@@@@@@@@@@@@@@@@@@@@@@@@@@@@@@@@@@@@@@@@@@@@@@@@@@@@@@@@@@@@@@@@@@@@@@@@@@@@@@@5 ?@@@@@@@ @@@@@@@@@Lh@@@@@@H? ?O2@@@@@@@@@@@@@@@@@@@@@@0M?g@@@@@@@@@@@@H? O2@@@@@@@@@@@@@@@?g?V'@@@@@@@@@@@@@@@@1 ?@@@@@ 3@@@ ?7@@@@@Hg@@@@@@ 3@@@@@ ?7@@@@@@@@@@@@@@@@@@@@@@@@@@@@0Y @@@@@@@@@@@@@@@@@@@@@@@@@@@@@@@@@@@H ?W2@@@@@@@(Yf@@@@e@@@@(M ?@@@@? ?O&@@@@@@@@@@@@@@)X??@@@@@1? J@@1 ?@@5 ?W2@@@@@@@@@@@@@@@@@@@@@@@@@@@@@6KO&@@@@@@@@@@6?26?2@@@@@@@@@@@@@@@@@@@@@@@@@@@@@@@@@@@@@@6X J@@@@@@@@@@@h@@@@@@@@@@@@@@@@@@@@@@@@@@)KeN@@@@1hf@@@@@@@@@?
?W2@@@@@@@@@@@6KO&@@@H ?@1? ?3@@1?e?@@@@? ?J@@@@@@@@@@@@@@@@@@@@@@@@@@@@@@@@@@@@@@@@@@@@@@@@@@@@@@@@@@@@@@@@@@@@@@@@@@@@@@@@@@@@@@@@@@@@@@@@@@@@@@@@@@@@@@@@@@@@@@@@@@@@@@@@@@@@@@6Xhf?@@@@@@@@@@@@@@@ @@@@@@@@@@@@@@@@@@@@@@@@@@@@@@@@@@@@@@@@@@@@@@@@@@@@@@@@@@@@@@@@@@@@@@@@@@@@@@@@@@@@@@@@@@@@@@@@@@@@@@@@@@@@@@@@@@@@@@@@@@@@@@@@@@@@@@@@@@@@@@@@@@@@0Y ?@@@@@@5 3@@@@@@@@)X?g@@@@@@L? ?O2@@@@@@@@@@@@@@@@@@@0M @@@@@@@@@@@5hf?W2@@@@@@@@@@@@@@@@@@@@@@?)XeV'@@@@@@@@@@@@@@@@L? ?@@@@@ ?@@@ ?@@@@@@?g@@@@@5 N@@@@@ ?@@@@@@@@@@@@@@@@@@@@@@@@@@@(M @@@@@@@@@@@@@@@@@@@@@@@@@@@@@@@@@@@? ?7@@@@@@@@H?f@@@@@@@@@(Y? ?@@@@L ?O2@@@@@@@@@@@@@@@@@)X?@@@@@@? 7@@@ ?@@H W&@@@@@@@@@@@@@@@@@@@@@@@@@@@@@@@@@@@@@@@@@@@@@@@@@@@@@@@@@@@@@@@@@@@@@@@@@@@@@@@@@@@@@@@@@) 7@@@@@@@@@@@g?J@@@@@@@@@@@@@@@@@@@@@@@@@@@@@??@@@@@hf3@@@@@@@@?
O&@@@@@@@@@@@@@@@@@@@? ?@@L ?V'@@Le?@@@@? ?7@@@@@@@@@@@@@@@@@@@@@@@@@@@@@@@@@@@@@@@@@@@@@@@@@@@@@@@@@@@@@@@@@@@@@0?40?4@@@0M?I4@@@@@@@@@@@@0?4@@@@@@@@@@@@@@@@@@@@@@@@@@@@@@@@@@@@@,hf?@@@@@@@@@@@@(M? 3@@@@@@@@@@@@@@@@@@@@@@@@@@@@@@@@@@@@@@@@@@@@@@@@@@@@@@@@@@@@@@@@@@@@@@@@@@@@@@@@@@@@@@@@@@@@@@@@@@@@@@@@@@@@@@@@@@@@@@@@@@@@@@@@@@@@@@@@@@@@@@@@@0M ?@@@@@@? N@@@@@@@@@1?g@@@@@@1? O26?2@@@@@@@@@@@@@@@@@@@@0M? ?J@@@@@@@@@@(YhfW&@@@@@@@@@@@@@@@@@@@@@@@?@)X??V'@@@@@@@@@@@@@@@1? ?@@@@@ 7@@@ ?3@@@@@?f?J@@@@@H ?@@@@@L? ?@@@@@@@@@@@@@@@@@@@@@@@@@@(Y? @@@@@@@@@@@@@@@@@@@@@@@@@@@@@@@@@@@? J@@@@@@@@@g3@@@@@@@0Y ?@@@@1 O2@@@@@@@@@@@@@@@@@@@@@@@@@1?@@@@@@? @@@@ ?3@? 7@@@@@@@@@@@@@@@@@@@@@@@@@@@@@@@@@@@@@@@@@@@@@@@@@@@@@@@@@@@@@@@@@@@@@@@@@@@@@@@@@@@@@@@@@@? 3@@@@@@@@@@5g?7@@@@@@@@@@@@@@@@@@@@@@@@@@@@@??@@@@@hfN@@@@@@@@?
?O2@@@@@@@@@@@@@@@@@@@@@@? ?3@1 N@@)X??@@@5? J@@@@@@@@@@@@@@@@@@@@@@@@@@@@@@@@@@@@@@@@@@@@@@0M? I4@@@0MI4@@@@@@@@@@@@@@@0Yhf?@@@@@@@@@@@0Y V4@@@@@@0M I@M?e?I4@@@@@@@@@@@0M?I4@@@@@@@@@@@@@@@@@@@@@@@0?4@@@@@@@@@@@0M?I4@0Me?I4@@@@@@@0?4@@@@@@@@@@@@@@@@@@@@@@@0M ?@@@@@@1 ?3@@@@@@@@@Lg@@@@@@@? ?O2@@@@@@@@@@@@@@@@@0M O&@@@@@@@@@@H?he?W&@@@@@@@@@(Mhe@@@?@@)KeV'@@@@@@@@@@@@@@@? ?@@@@@ @@@@ ?N@@@@@?fO&@@@@5? ?@@@@@1? ?3@@@@@@@@@@@@@@@@@@@@@@@@(Y @@@@@@@@@@@@@@@@@@@@@@@@@@@@@@@@@@@? ?O&@@@@@@@h?@@@@@(M ?3@@@@ W2@@@@@@@@@@@@@@@@@@@@@@@@@@@@@@?@@@@@@L @@ ?N@L @@@@@@@@@@@@@@@@@@@@@@@@@@@@@@@@@@@@@@@@@@@@@@@@@@@@@@@@@@@@@@@@@@@@@@@@@@@@@@@@@@@@@@@@@@@1 N@@@@@@@@@@Hg?@@@@@@@@@@@@@@@@@@@@@@@@@(Y@@@??@@@@@hf?@@@@@@@@?
?W2@@@@@@@@@@@@@@@@@@@@@@@@@@? ?N@@ ?3@@)X?@@@ 7@@@@@@@@@@@@@@@@@@0?'@@@@@(M?fI'@(M? ?I@M ?3@@@@@@ ?V'@@@@@@@@)X?f@@@@@@@? O2@@@@@@@@@@@@@@@@@@0M O2@@@@@@@@@@@5hfO&@@@@@@@@@@H?h?J@@@?@@@@@@?V'@@@@@@@@@@@@@@? ?@@@@@ @@@5 @@@@@LeW2@@@@@(Y? ?@@@@@@? ?N@@@@@@@@@@@@@@@@@@@@@@@(Y? @@@@@@@@@@@@@@@@@@@@@@0MeI'@@@@@@5? ?W2@@@@@@@@5g?W&@@@@(Y? ?N@@@@ *@@@@@@@@@@@@@@@@@@@@@@@@@@@@@@@?@@@@@@1 @@ @1 @@@@@@@@@@@@@@@@@@@@@@@@@@@@@@@@@@@@@@@@@@@@@@@@@@@@@@@@@@@@@@@@@@@@@@@@@@@@@@@@@@@@@@@@@@@@L? ?@@@@@@@@@5?g?@@@@@@@@@@@@@@@@@@@@@@@@@H?@@@??@@@@@hf?@@@@@@@5?
W&@@@@@@@@@@@@@@@@@@@@@@@@@@@@6X @@L? ?V'@@)X@@@1? @@@@@@@@@@@@@@@@@(M??N@@@@@Hg?N@? ?N@@@@@@L? N@@@@@@@@@)Kf@@@@@@@? ?O2@@@@@@@@@@@@@@@@@@0M? ?O2@@@@@@@@@@@@@@@@Hhe?@@@@@@@@@@@@@he?7@@@?@@@@@@L?V'@@@@@@@@@@@@@L ?@@@@@ @@@H 3@@@@)KO&@@@@@(Y ?@@@@@@? @@@@@@@@@@@@@@@@@@@@@@(Y @@@@@@@?h@@@?h@@@@@@H? W&@@@@@@@@(YgW&@@@@(Y @@@@ V40Mg?@@@@@@@@@@@@@@@@@@@@@@@@@@@@@ 3@L? @@ ?J@@@@@@@@@@@@@@@@@@@@@@@@@@@@@@@@@@@@@@@@@@@@@@@@@@@@@@@@@@@@@@@@@@@@@@@@@@@@@@@@@@@@@@@@@@@@1? ?@@@@@@@@@H?g?@@@@@@@@@@@@@@@@@@@@@@@@@L?@@@@@@@@@@hf?@@@@@@@H?
7@@@@@@@@@@@@@@@@@@@@@@@@@@@@@@)X? 3@1? N@@@@@@@@? @@@@@@@@@??@@@@@0Yf@@@@@?h@1 @@@@@@)X ?3@@@@@@@@@@6Ke@@@@@@@? ?O2@@@@@@@@@@@@@@@@@@@0M O2@@@@@@@@@@@@@@@@@@5?heJ@@@@@@@@@@@@@he?@@@@?@@@@@@1??N@@@@@@@@@@@@@1 J@@@@@ @@@? N@@@@@@@@@@@@(Y? ?@@@@@@? @@@@@@@@@@@@@@@@@@@@@(Y? @@@@@@@?h@@@?g?7@@@@@@ ?W&@@@@@@@@(Y?f?W&@@@@(Y? @@@@ ?@@@@@@@@@@@@@@@@@@@@@@@@@@@@@ N@1? @@ ?7@@@@@@@@@@@@@@@@@@@@@@@@@@@@@@@@@@@@@@@@@@@@@@@@@@@@@@@@@@@@@@@@@@@@@@@@@@@@@@@@@@@@@@@@@@@@@? ?@@@@@@@@@h?@@@@@@@@@@@@@@@@@@@@@@@@@)X@@@@@@@@@@hf?@@@@@@@
?J@@@@@@@@@@@@@@@@@@@@@@@@@@@@@@@@)X N@@? ?3@@@@@@5? ?J@@@@@@@@5??3@@0Mf?J@@@@5?h@@ @@@@@@@)K?hf?V'@@@@@@@@@@@@@@@@@@@@? ?O2@@@@@@@@@@@@@@@@@@@0M O2@@@@@@@@@@@@@@@@@@@(Y?he7@@@@@@@@@@@@@W2@?g?3@@@@@@@@@@@?e3@@@@@@@@@@@@@L? @@6?&@@@@@ @@@? ?@@@@@@@@@@@0Y ?3@@@@@? ?J@@@@@@@@@@@@@@@@@@@@(Y @@@@@@@Lh@@@?g?@@@@@@5 ?7@@@@@@@@(YgO&@@@@0Y @@@@ ?@@@@@@@@@@@@@@@@@@@@@@@@@@@@@L? ?@@? 3@ ?@@@@@@@@@@@@@@@@@@@@@@@@@@@@@@@@@@@@@@@@@@@@@@@@@@@@@@@@@@@@@@@@@@@@@@@@@@@@@@@@@@@@@@@@@@@@@@? ?@@@@@@@@5h?@@@@@@@@@@@@@@@@@@@@@@@@@@@@@@@@@@@@@hf?@@@@@@5
?7@@@@@0MI@Mhe@@@@@@@@@@@@@1 ?3@L ?N@@@@@(Y? W&@@@@@@@@H??V+MgW&@@@(Y?h3@L? 3@@@@@@@@@@@6KheV'@@@@@@@@@@@@@@@@@@@? ?O2@@@@@@@@@@@@@@@@@@@@0M? ?O2@@@@@@@@@@@@@@@@@@@@@@@@Hhe?J@@@@@@@@@@@@@@@@@?g?N@@@@@@@@@@@?eN@@@@@@@@@@@@@1? ?J@@@@@@@@@@ @@@? ?@@@@@@@@@@@0M ?N@@@@@L O&@@@@@@@@@@@@@@@@@@@(Y? @@@@@@@1h@@@Lf?@@@@@@@@H J@@@@@@@@(Y?e?O2@@@@@0M @@@@L? ?@@@@@@@@@@@@@@@@@@@@@@@@@@@@@1? ?@@? N@L? J@@@@@@@@@@@@@@@@@@@@@@@@@@@@@@@@@@@@@@@@@@@@@@@@@@@@@@@@@@@@@@@@@@@@@@@@@@@@@@@@@@@@@@@@@@@@@@? ?@K? ?@@@@@@@@Hh?@@@@@@@@@@@@@@@@@@@@@@@@@@@@@@@@@@@@@hfJ@@@@@@H
J@@@(M @@@@@@@@@@@@@@L? ?N@1 3@@@(Y 7@@@@@@@@@hf7@@@@HheN@1? N@@@@@@@@@@@@@6Xh?N@@@@@@@@@@@@@@@@@@@? ?O2@@@@@@@@@@@@@@@@@@0M? O2@@@@@@@@@@@@@@@@@@@@@@@@@@@@@@@?heW&@@@@@@@@@@@@@@@@@@@6K?f@@@@@@@@@@@?e?3@@@@@@@@@@@@5? O&@@@@@@@@@@ @@@? J@@@@@@@@@(M @@@@@1 O2@@@@@@@@@@@@@@@@@@@@(Y ?J@@@@@@@@h@@@)K?eJ@@@@@@@@? ?W&@@@@@@@(Ye?W2@@@@@0M @@@@1? ?3@@@@@@@@@@@@@@@@@@@@@@@@@@@@@? ?@@? ?@1? 7@@@@@@@@@@@@@@@@@@@@@@@@@@@@@@@@@@@@@@@@@@@@@@@@@@@@@@@@@@@@@@@@0M? ?@@@@@@@@@@@@? ?@@@ ?3@@@@@@@Lh?@@@@@@@@@@@@@@@0MeI'@@@@@@@@@@@@@@@@hf7@@@@@@?
7@@@H? @@@@eI'@@@@@@1? @@ V'@@H? @@@@@@@@@5hf@@@@@?he?@@? ?3@@@@@@@@@@@@@1he3@@@@@@@@@@@@@@@@@@L O@KO2@@@@@@@@@@@@@@@@@0M ?O2@@@@@@@@@@@@@@@@@@@@@@@@@@@@@@@@@@?h?O&@@@@@@@@@@@@@@@@@@@@@@6KO@X@@@@@@@@@@@?e?V4@@@@@@@@@@0Y?heW2@@@6K? O2@@@@@@@@@@@@ @@@? ?W&@@@@@@@@(Y? @@@@@@ W2@@@@@@@@@@@@@@@@@@@@@(Y? ?7@@@@@@@@@@@@@@@@@@@@@@6?&@@@@@@@5? ?7@@@@@@@(Y?eO&@@@@(M @@@@@? ?N@@@@@@@@@@@@@@@@@@@@@@@@@@@@@? ?3@? ?@@? @@@@@@@@@@@@@@@@@@@@@@@@@@@@@@@@@@@@@@0M?I40?4@0M?g?I40M? ?@@@@@@@@@@@5? ?N@@@@@@@1h?@@@@@@@@@@@@0M?f?N@@@@@@@@@@@@@@@5hf@@@@@@@?
?J@@@5 @@@5e?V'@@@@@@L 3@L? ?V4@ ?J@@@@@@@@@He@?g?J@@@@@?he?3@? ?N@@@@@@@@@@@@@@heV'@@@@@@@@@@@@@@@@@1 O2@@@@@@@@@@@@@@@@@@@@0M ?O2@@@@@@@@@@@@@@@@@@@@@@@0MeI@?'@@@@@@@@@?f?O2@@@@@@@@@@@@@@@@@@@@@@@@@@@@@@@@@@@@@@@@@@? 7@@@@@@@@@@@@@@@@@@@@@@@@@@@@@@@@@@@@@@@@@@@@@@@ @@@? ?7@@@@@@@@0Y @@@@@@ ?O&@@@@@@@0Y@@@@@@@@@@@@0Y ?3@@@@@@@@@@@@@@@@@@@@@@@@@@@@@@@(Y? J@@@@@@@(YeW2@@@@@0Y? @@@@@? 3@@@@@@@@@@@@@@@@@(Y@@@@@@@@@L ?N@L ?@@? @@@@@@@@@@@@@@@0M? ?@@@@@@@@@@@H? @@@@@@@@L?g?3@@@@X? @@@@@@@@@@@@@@(Yhe?J@@@@@@5?
W&@@@H @@(YfN@@@@@@1 N@1? ?7@@@@@@@@5??J@?g?7@@@@5?he?N@L 3@@@@@@@@@@@@@he?V4@@@@@@@@@@@@@@@@@ ?O2@@@@@@@@@@@@@@@@@0M ?O2@@@@@@@@@@@@@@@@@@@@@@0M?g?N@@@@@@@@@@@@@@@@@@@@@@@@@@@@@@@@@@@@@@@@@@@@@@@@@@@@@@@@@@@? @@@@@@@@@@@@@@@@@@@@@@@@@@@@@@@@@@@@@@@@@@@@@@@5 @@@? J@@@@@@0M? 3@@@@@ ?O2@@@@@@@0Me3@@@@@@@@@(M ?N@@@@@@@@@@@@@@@@@@@@@@@@@@@@@@(Y ?W&@@@@@@(Y??W&@@@@(M? @@@@@? V'@@@@@@@@@@@@@@@@H?3@@@@@@@@1 @1 ?@@? ?J@@@@@@@@@@@0M? ?@@@@@@@@@@5 @@@@@@@@1?g?N@@@@)K @@@@@@@@@@@@@(Y?he?7@@@@@@H?
7@@@5? @0Y?f?@@@@@@@ ?@@? J@@@@@@@@@H??7@?gJ@@@@@H?hf@1 V4@@@@@@@@@@@@hf?I'@@@@@@@@@@@@@@5 ?O2@@@@@@@@@@@@@@@@@@@0M ?O2@@@@@@@@@@@@@@@@@@@@@0Mhf?J@@@@@@@@@@@@@@@@@@@@@@@@@@@@@@@@@@@@@@@@@@@@@@@@@@@@@@@@@@@? ?W2@@@@@@@@@@@@@@@@@@@@@@@@@@@@@@@@@@@@@@@@@@@@@@@(Y @@@? ?W&@@@@@ N@@@@@ ?O2@@@@@@@(MfN@@@@@@@@@H? 3@@@@@@@@@@@@@@@@@@@@@@@@@@@@(Y? W&@@@@@@(Ye?7@@@@(Y 3@@@@? ?N@@@@@@@@@@@@@@@5eN@@@@@@@@@ @@ ?@@L ?@?&@@@@@@@? ?@@@@@@@@@@H @@@@@@@@@?h3@@@@@6Khf@@@@@@@@@@@@0YhfJ@@@@@@5
?J@@@@H? ?@@@@@@@L? ?@@L 7@@@@@@@@@eJ@@?g7@@@@@ @@L? I'@@@@@@@@@@ V4@@@@@@@@@@@@@H ?O2@@@@@@@@@@@@@@@@@@@@@0M ?O2@@@@@@@@@@@@@@@@@@@@@@0M? W&@@@@@@@@@@@@@@@@@@@@@@@@@@@@@@@@@@@@@@@@@@@@@@@@@@@@@@@@@@5? ?7@@@@@@@@@@@@@@@@@@@@@@@@@@@@@@@@@@@@@@@@@@@@@@@@H? @@@? W&@@@@@5 ?@@@@@ ?O2@@@@@@@@0Y?f?@@@@@@@@5 V'@@@@@@@@@@@@@@@@@@@@@@@@@@0Y 7@@@@@@(Y?eJ@@@@0Y? N@@@@? @@@@@@@@@@@@@@(Ye?@@@@@@@@@ @@ ?3@1 ?3@@@@@@@@5? ?@@@@@@@@@@? 3@@@@@@@@?hV'@@@@@@@6K?eO2@@@@@@@@@@@@@@(M 7@@@@@@H
?7@@@@ ?3@@@@@@1? ?3@1 ?J@@@@@@@@@@?W&@5?f?J@@@@@5 3@1? ?V4@@@@@@@@@ ?I4@@@@@@@@@@? O2@@@@@@@@@@@@@@@@@@0M ?O2@@@@@@@@@@@@@@@@@@@@@@@0M 7@@@@@@@@@@@@(M?e?I'@@@@@?I'@@@@@@@@@@@(?'@g@@@@@@@@@@H?g?@@@6K?O@Kh?@@@@@@@@@@@@@@@@@@@@@@@@@@@@@@@@@@@@@@@@@@@@@@@@@ @@@? 7@@@@@@H ?@@@@@ ?O2@@@@@@@(Mh?@@@@@@@0Y ?V4@@@@@@@@@@@@@@@@@@@@@@@(M ?J@@@@@@(Ye?O&@@(M? ?@@@@? @@@@@@@@@@@@@(Y?e?@@@@@@@@@ @@ ?N@@ ?N@@@@@@@@H? ?W2@@@@@@@6X J@@@@@@@@@@? N@@@@@@@@?h?V'@@@@@@@@@@@@@@@@@@@@@@@@@@(Y? @@@@@@@?
J@@@@5 ?N@@@@@@@L ?N@@ ?7@@@@@@@@@@W&@@g?7@@@@@H N@@? I4@@@@@@ O2@@@@@@@@@@@@@@@@@0M? ?O2@@@@@@@@@@@@@@@@@@@@0M? 3@@@@@@@@@@@@HgN@@@@@eN@@@@@@@@@@@H?N@g@@@@@@@@@@hJ@@@@@@@@@@@g?@@@@@@@@@@@@@@@@@@0?4@@@@@@@@@@@@@@@@@@@@@@@@@@@@ @@@? ?J@@@@@@@? ?@@@@@L? ?W2@@@@@@@@0Y?h?3@@@@ ?I4@@@@@@@@@@@@@@@@@@@@0Y? ?7@@@@@@H??W2@@@(Y ?@@@@? ?J@@@@@@@@@@@@@Hf?3@@@@@@@@L? 3@ @@ @@@@@@@@L? W&@@@@@@@@@)X? 7@@@@@@@@@5? ?@@@@@@@@LheV'@@@@@@@@@@@@@@@@@@@@@@@@(Y ?J@@@@@@5?
?O&@@@@? @@@@@@@1 @@L? ?@@@@@@@@@@@@@@@1?fJ@@@@@@? ?@@L ?O2@@@@@@@@@@@@@@@@@@0M? ?O2@@@@@@@@@@@@@@@@@0MI@M? V'@@@@@@@@@@@?g?3@@@@e?@@@@@@@@@@@e?@g@@@@@@@@@@h7@@@@@@@@@@@ I'@@@@ @@5? ?7@@@@@@5? ?@@@@@1? O&@@@@@@@0M?he?V'@@@ ?I4@@@@@@@@@@@@@(M J@@@@@@5eW&@@@@H? ?@@@@? ?7@@@@@@@@@@@@@?f?N@@@@@@@@1? N@L? @@ @@@@@@@@1? 7@@@@@@@@@@@1? @@@@@@@@@@H? ?@@@@@@@@1he?V'@@@@@@@@@@@@@@@@@@@@@@@H? W&@@@@@@H?
?W2@@@@@@)K? @6X?he3@@@@@@@ 3@1? ?@@@@@@@@@@@@@@@@Lf7@@@@@5? ?3@1 ?O2@@@@@@@@@@@@@@@@@@0M? O2@@@@@@@@@@@@@@@@@0M? ?V'@@@@@@@@@@?g?N@@@@L??@@@@@@@@@@@eJ@g@@@@@@@@@5h@@@@@@@@@@@@ ?N@@@@ @@H? J@@@@@@@H? ?@@@@@@? O2@@@@@@@0M? V4@@ ?I4@@@@@@@@@H? ?W&@@@@@(Y?O&@@@@@ ?@@@@? ?@@@@@@@@@@@@@@?g@@@@@@@@@? ?@1? @@ @@@@@@@@@? ?J@@@@@@@@@@@@@? @@@@@@@@@@ ?@@@@@@@@@L?heV4@@@@@@@@@@@@@@@@@@@@@@ ?W&@@@@@@5
W&@@@@@@@@@6K?hf@@1?heN@@@@@@@ N@@? J@@@@@@@@@@@@@@@@)K??J@@@@@@H? ?N@@ O2@@@@@@@@@@@@@@@@0M ?O2@@@@@@@@@@@@@@0M? N@@@@@@@@@@?h3@@@1??@@@@@@@@@@@e7@g@@@@@@@@@Hh@@@@@@@@@@@@ @M?@ @@ ?W&@@@@@@@ ?@@@@@@? O2@@@@@@@0M? ?I'@@@@@@5 W&@@@@@(YW2@@@@(M? ?@@@@? J@@@@@@@@@@@@@@?g@@@@@@@@@? ?@@? @@ @@@@@@@@5? ?7@@@@@@@@@@@@@@@? @@@@@@@@@@ ?@@@@@@@@@)XhfI4@@@@@@@@@@@@@@@@@@@@ W&@@@@@@@H
?W&@@@@@@@@@@@@6X?he3@5?he?@@@@@@@ ?3@L 7@@@@@@@@@@@@@@@@@@6?&@@@@@5 @@ O2@@@@@@@@@@@@@@@@0M ?O2@@@@@@@@@@@@@@@0M ?@@@@@@@@@@?hN@@@@??@@@@@@@@@@@e@@g@@@@@@@@@?g?J@@@@@@@@@@@@ ?@ @@ ?7@@@@@@@@L? ?3@@@@@? O2@@@@@@@(M? N@@@@@@H 7@@@@@(YW&@@@@(Y ?@@@@? 7@@@@@@0M?@@@@@?g@@@@@@@@@L ?@@? 3@L? @@@@@@@@H? ?3@@@@@@XI'@@@@@@Lh@? @@@@@@@@@@ ?3@@@@@@@@@1 I4@@@@@@0M?I'@@@@@hf?W&@@@@@@@5?
?7@@@@@@@@@@@@@@)XheV+Y?he?@@@@@@@ ?N@1 3@@@@@@@@@@@@@@@@@@@@@@@@@@H @@L? ?O2@@@@@@@@@@@@@@@0M O2@@@@@@@@@@@@@0M? ?3@@@@@@@@@?h?3@@@@@@@@@@@@@@@@e@@g@@@@@@@@@?g?7@@@@@@@@@@@@ @@ J@@@@@@@@@1? ?N@@@@@? W2@@@@@@@@0Y ?@@@@@@? ?J@@@@@@H?7@@@@(Y? ?@@@@? @@@@@(M?e@@@@@?g@@@@@@@@@)X?hf?@@? N@1? ?J@@@@@@@5 ?N@@@@@@1?V'@@@@@1 ?J@@@@@@@@@@ ?V'@@@@@@@@@L? ?I40M?fN@@@@@hfW&@@@@@@@(Y?
?@@@@@@@@@@@@@@@@1 J@@@@@@5 @@ N@@@@@@@@@@@@@@@@@@@@@@@@@@? 3@1? O2@@@@@@@@@@@@@@@0M? ?O2@@@@@@@@@@@0M ?N@@@@@@@@@?h?V'@@@@@@@@@@@@@@@e@@g@@@@@@@@5?g?@@@@@@@@@@@@@ @@ 7@@@@@@@@@@? @@@@@L ?O&@@@@@@@0M ?@@@@@@? ?7@@@@@@e@@@@(Y ?@@@@? ?J@@@@@Hf@@@@@?g3@@@@@@@@@1?hf?@@? ?@@? ?7@@@@@@@H @@@@@@@??V'@@@@@ ?7@@@@@@@@@@ V4@@@@@@@@)X ?@@@@@L?h?W&@@@@@@@(Y
?@@@@@@@@@@@@@@@@@ 7@@@@@@H 3@L? ?@@@@@@@@@@@@@@@@@@@@@@@@@5? N@@? O@?2@@@@@@@@@@@@@@0M O2@@@@@@@@@@0M @@@@@@@@@LheN@@@@@@@@@@@@@@@e3@L?f@@@@@@@@H?g?@@@@@@@@@@@@@ @@ @@@@@@@@@@@@6X @@@@@1 ?O2@@@@@@@0M J@@@@@@? J@@@@@@@@@@@@(Y? ?@@@@? )X ?7@@@@5?f3@@@@?gN@@@@@@@@@@?hf?@@? ?@@? ?@@@@@@@@? @@@@@@@?eN@@@@@ ?@@@@@@@@@@5 I'@@@@@@@)X? ?@@@@@1?hW&@@@@@@@(Y?
?@@@@@@@@@@@@@@@@5 ?J@@@@@@@? N@1? ?@@@@@(Me@@@@@@@@@@@@@@@@H? ?@@L ?O2@@@@@@@@@@@@@0M ?O2@@@@@@@@0M? @@@@@@@@@1he?@@@@@@@@@@@@@@@eN@1?f@@@@@@@@hJ@@@@@@@@@@@@5 @@ @@@@@@@@@@@@@)X? 3@@@@@ ?O2@@@@@@@0M ?)X? 7@@@@@@? ?W&@@@@@@@@@@@0Y ?@@@@? @1 ?@@@@@H?fN@@@@?g?@@@@@@@@@@?hf?@@L ?@@? ?@@@@@@@@? @@@@@@@?e?@@@@5 ?@@@@@@@@@@H ?N@@@@@@@@)X ?@@@@@@Lg?W&@@@@@@@(Y
?@@@@@@@@@@@@@@@@H ?7@@@@@@@? ?@@? ?@@@@@H?e@@@(?4@@@@@@@@@@ ?3@1 O26?2@@@@@@@@@@@@@@@0M O2@@@@@@@0M? @@@@@@@@@@L?heI4@@@@@@@@@@@@e?@5?f@@@@@@@@h7@@@@@@@@@@@@H ?J@@ 3@@@@@@@@@@@@@1? N@@@@@ ?W2@@@@@@@(M ?31? @@@@@@5? W&@@@@@@@@@@@? ?3@@@L 3@ ?@@@@@g?@@@@Lg?3@@@@@@@@@?hf?3@1 ?@@? J@@@@@@@5? 3@@@@@@?eJ@@@@H ?@@@@@@@@@@? 3@@@@@@@@)X? ?3@@@@@1gW&@@@@@@@(Y?
?3@@@@@@@@@@@@@@5? ?@@@@@@@@? ?@@? ?@@@@@f@@(Ye?@@@@@@@@@ ?N@@ ?O2@@@@@@@@@@@@@@@@0M? O2@@@@@@@@0M @@@@@@@@@@)Xhf?@@@@@@@@@@@e?@g@@@@@@@@h@@@@@@@@@@@@@? ?7@@ V'@@@@@@@@@@@@@L ?@@@@@ O&@@@@@@@0Y? ?V'? @@@@@@H? 7@@@@@@@@@@@5? ?N@@@1 N@ J@@@@5g?@@@@1g?N@@@@@@@@@?hf?N@@ ?3@L 7@@@@@@@H? N@@@@@@??O&@@@@? ?@@@@@@@@@@? V'@@@@@@@@)K ?N@@@@@@f?O&@@@@@@@(Y
@@@@@@@@@@@@@(Y? J@@@@@@@@? ?3@L ?@@@@@L??J@@H?e?@@@@@@@@@ @@L? ?O2@@@@@@@@@@@@@@@@@0M O2@@@@@@@@0M @@@@@@@@@@@)K?he?@@@@@@@@@@@eJ@1?f@@@@@@@@g?J@@@@@@@@@@@@5? ?@@5 ?V4@@@@@@@@@@@@1 ?@@@@@ O2@@@@@@@0M? ?J@@@@@@ ?J@@@@@@@@@@@0Y? @@@@ ?@ 7@@@@Hg?@@@@@h@@@@@@@@@? @@ ?N@1hf?J@@@@@@@@ ?3@@@@@@@@@@@@@? J@@@@@@@@@5? ?V'@@@@@@@@@@6K? @@@@@@@@@@@@@@@@@@@0Y?
?7@@@@@@@@@@@@(Y 7@@@@@@@5? ?N@1 ?@@@@@)KO&@@L?eJ@@@@@@@@@ 3@1? O2@@@@@@@@@@@@@@@0M? ?O2@@@@@@@@@0M @@@@@@@@@@@@@6X?h?@@@@@@@@@@@e7@@?e?J@@@@@@@@gW&@@@@@@@@@@@@H? ?@@H ?@@@@@ ?@@@@@ ?O2@@@@@@@(M ?7@@@@@@ ?7@@@@@@@@@(M? @@@@ ?@ ?J@@@@@?g?@@@@@h@@@V'@@@@? @@ @@hfW&@@@@@@@5 ?V'@@@@@@@@@(M 7@@@@@@@@@H? V'@@@@@@@@@@@@@@6Khf?W2@@@@@@@@@@@@@@@@@@0M?
?@@@@@@@@@@@@0Y? ?J@@@@@@@(Y? 3@L? ?3@@@@@@@@@@)K?O&@@@@@@@@@ N@@? O2@@@@@@@@@@@@0M ?W2@@@@@@@@@@0M? @@@@@@@@@@@@@@)?h?@@@@@@@@@@@e3@@?e?7@@@@@@@@f?W&@@@@@@@@@@@@5 ?@@? ?@@@@@ ?@@@@@L? ?O2@@@@@@@@0Y? ?3@@@@@@ J@@@@@@@@@(Y @@@@ ?@ ?7@@@@@?g?3@@@@h@@@LN@@@@@@@hf@@ @@hf7@@@@@@@@Y V4@@@@@@@(Y? @@@@@@@@@@ ?V'@@@@@@@@@@@@@@@@@@@@6KO@KeO&@@@@@@@@@@@@@@@@@(M?
?@@@@@@@@@@0M? ?7@@@@@@@H N@1? ?V'@@@@@@@@@@@@@@@@@@@@@@@ ?@@L ?O2@@@@@@@@@@@@@@0M? O&@@@@@@@@0M @@@@@@@@@@@@@@he?@@@@@@@@@@@eN@@?e?@@@@@@@@@L?eO&@@@@@@@@@@@@@H ?@@? J@@@@@ ?@@@@@1? ?W2@@@@@@@@0M? ?N@@@@@@ 7@@@@@@@@0Y? @@@@ ?@@@@@@?g?N@@@@h3@@1?@@@@@@@hf@@L? 3@hf3@@@@@@@@@6K @@@@0Y @@@@@@@@@@L? V4@@@@@@@@@@@@@@@@@@@@@@@@@@@@@@@@@@@@@@@@@@@@0Y
J@@@(M J@@@@@@@5? ?@@L V4@@@@@@@@@@@@@@@@@@@0M? ?@@1 ?O2@@@@@@@@@@@@@@0M? O2@@@@@@@@@@0M @@@@@@@@@@@@@@1?h?@@@@@@@@@@@e?@@?e?3@@@@@@@@)X?@@@@@@@@@@@@@@@5? ?@@? ?O&@@@@5 ?3@@@@@? O&@@@@@@@0M? ?J@@@@@@ ?J@@@@@@@(M? @@@@ ?@@@@@@?h@@@@L?g?@@@?@@@@@@@hf3@1? N@L?heN@@@@@@@@@@@@@@@@6K? @?heO@?2@@@@@@@@@@@6?2@@@@@@@@@@@@@@1? I'@@@@@@@@@@@@@@@@@@@@@@@@@@@@@@@@@@@@@@@@0M
7@@@H? 7@@@@@@(Y? ?@@1 I'@@@@@@@@@@@@@@@@ ?3@@ ?O2@@@@@@@@@@@@@0M O2@@@@@@@@@@@0M? @@@@@@@@@@@@@@@Lh?@@@@@@@@@@@e?@@?e?N@@@@@@@@@)X@@@@@@@@@@@@@@@H? ?@@? @@@@6Kf?O2@@@@@@H ?N@@@@@? O2@@@@@@@(M? ?7@@@@@@ ?7@@@@@@@H @@@@ ?@@@@@@?h@@@@1?g@@@@?@@@@@@@hfN@@? ?@1?he?@@@@@@@@@@@@@@@@@@@@@@6K? ?O2@@@@@@@@@@@@@@@@@@@@@@@@@@@@@@@@@@@@@@@@@@@@@@? ?V4@@@@@@@@@@@@@@@@@@@@@@@@@@@@@@@@@@@@@0M
?J@@@5 ?J@@@@@@@H ?3@@ ?V'@@@@@@@@@@@@@@@ ?N@@L? ?O2@@@@@@@@@@@@@@@@@@0M? ?O2@@@@@@@@@@@0M @@@@@(?'@@@@@@@)K?g?@@@@@@@@@@@e?@@?f@@@@@@@@@@@@@@@@@@@@@@@@@5 ?@@? ?J@@@@@@@@@@@@@@@@@@5? @@@@@? O2@@@@@@@@0Y ?@@@@@@5 ?@@@@@@@5? 3@@@ ?@@@@@@?h@@@@@?gN@@@@@@@@@X?hf?@@? ?@@?he?@@@@@@@@@@@@@@@@@@@@@@@@@@@@@@@@@@@@@@@@@@@@@@@@@@@@@@@@@@@@@@@@@@@@@@@@@@@@@@@@@@@@@@@@@@@@@@@@? I4@@@@@@@@@@@@@@@@@@@@@@@@@@@@@@@@(M
?7@@@H ?7@@@@@@@? ?N@@L? ?@@@@@@@@@@@@@@@ @@1? O2@@@@@@@@@@@@@@@@0M O2@@@@@@@@@@@@@0M? @@@@@H?N@@@@@@@@@6K?f?@@@@@@@@@@@L??@@?f@@@@@@@@@@@@@@@@@@@@@@@@@H @? J@@? W&@@@@@@@@@@@@@@@@@(Y? @@@@@? W2@@@@@@@@0M ?@@@@@@? ?@@@@@@(Y? N@@@L? ?@@@@@@?h@@@@@Lg?@@@@@@@@@1?hf?@@L ?@@?he?@@@@@@@@@@@@@@@@@@@@@@@@@@@@@@@@@@@@@@@@@@@@@@@@@@@@@@@@@@@@@@@@@@@@@@@@@@@@@@@@@@@@@@@@@@@@@@@@? I4@@@@@@@@@@@@@@@@@@@@@@@@@@@@@@
J@@@@? J@@@@@@@5? 3@1? 7@e?I4@@@@@0M 3@@? O2@@@@@@@@@@@@@@@0MI@M ?O2@@@@@@@@@@@@@@@0M ?J@@@@@?e@@@@@@@@@@@6K?eJ@@@@@@@@@@@1??@@?f@@@@@@@@@@@@@@@@@@@@@@@@5? @? '@5? 7@@@@@@@@@@@@@@@@@0Y @@@@@? ?O&@@@@@@@0M J@@@@@@)X? ?@@@@@(Y ?@@@1? ?@@@@@@?h3@@@@1g?@@@@@@@@@@?hf?@@1 ?@@Lhe?3@@@@@@@@@@@@@@@@@@@@@@@@@@@@@@@@@@@@@@@@@@@@@@@@@@@@@@@@@@@@@@@@@@@@@@@@@@@@@@@@@@@@@@@@@@@@@@@? I4@@@@@@@@@@@@@@@@@@@0?4@@@@@@1?
?W&@@@5? 7@@@@@@@H? N@@L ?J@@ N@@L O2@@@@@@@@@@@@@@@@0M O2@@@@@@@@@@@@@@@0M? ?7@@@@@?e3@@@@@@@@@@@@6KO&@@@@@@@@@@@@??@@Le?J@@@@@@@@@@@@@@@@@@@@@@@(Y? V+Y? ?J@@@@@@@@@@@@@@@@0M @@@@@L ?O2@@@@@@@(M ?O@KhO26Kf?O&@@@@@@@)?@K J@@@@(Y? ?@@@@? ?@@@@@@LhN@@@@@g?@@@@@@@@@@?hf?3@@ ?@@1he?V4@@@@@@@@@@@@@@@@@@@@@@@@@@@@@@@@@@@@@@@@@@@@@0Mhe?I4@@0MI4@@@@0?4@@0MI4@@@@@@@@@@@@@@5? I4@@@@@@@@@@@@0Mg?@@@@@@?
?7@@@@H? @@@@@@@5 ?3@1 ?7@5 ?@@1 O2@@@@@@@@@@@@@@@0M? O2@@@@@@@@@@@@@@0M ?@@@@@5?eV'@@@@@@@@@@@@@@@@@@@@@@@@@@@?J@@1e?7@@@@@@@@@@@@@@@@@@@@@@(Y W&@@@@@@@@@@@@0M @@@@@1 ?W2@@@@@@@@0Y? ?@@@@@@@@@@@@@@@@@@@@@@@@@@@@@@@@@@@@@@6X? 7@@@(Y ?@@@@? ?3@@@@@1h?@@@@@g?3@@@@@@@@@Lhf?N@@ ?@@@ W@@@@? ?I'@@@@@@@ I4@@0Mhe?@@@@@@?
?@@@@@?O2@@@@@@@6X ?J@@@@@@@H ?N@@ J@@H ?3@@L? O2@@@@@@@@@@@@@@@@0M ?O2@@@@@@@@@@@@@@@0M ?@@@@@H?e?V4@@@@@@@@@@@@@@@@@@@@@@@@@@?@@@@e?@@@@@@@@@@@@@@@@@@@@@@(Y? ?W&@@@@@@@0M 3@@@@@ O&@@@@@@@0M? J@@@@@@@@@@@@@@@@@@@@@@@@@@@@@@@@@@@@@@@)K ?J@@@@H? ?@@@@? ?N@@@@@@L?g?@@@@@g?N@@@(Y@@@@1 @@ ?3@@L?hf7@@@@? N@@@@@@@1? ?@@@@@@L
J@@@@@@@@@@@@@@@@)X? W&@@@@@@5? @@L? 7@@? ?N@@1? O@?2@@@@@@@@@@@@@@0M O2@@@@@@@@@@@@@@@@0M ?@@@@@h@@@@@@@@@@@@@@@@@@@@@@@@@?V@@@@6X@@@@@@@@@@@@@@@@@@@@@(Y ?7@@@@@@(M N@@@@@ O2@@@@@@@0M? ?W&@@@@@@@@@@@@@@@@@@@@@@@@@@@@@@@@@@@@@@@@@6K W&@@@5 ?@@@@? 3@@@@@)Xg?@@@@@L?g@@@??@@@@@ @@ ?N@@1?he?J@@@@@? ?@@@@@@@@L ?3@@@@@1
?W&@@@@@@@@@@@@@@@@@1? 7@@@@@@@H? @@1? @@@? @@@? O2@@@@@@@@@@@@@@@0M? ?O2@@@@@@@@@@@@@@@@0M? J@@@@@h@@@@@@@@@@@@@@@@@@@@@@@@@@@@@@@@@@@@@@@@@@@@@@@@@@@@@0Y? ?@@@@@@@H? ?@@@@@L? O2@@@@@@@(M? ?7@@@@@@@@@@@@@@@@@@@@@@@@@@@@@@@@@@@@@@@@@@@@@? ?W&@@@(Y ?@@@@? N@@@@@@)K?f?@@@@@1?g@@@@?@@@@@ @@ @@@?he?7@@@@@? ?3@@@@@@@1 ?N@@@@@@
?7@@@@@@@@@@@@@@@@@@@L ?J@@@@@@@5 3@@L O2@@@@@@@L 3@@? ?O26K? ?O2@@@@@@@@@@@@@@@@@@0M? O2@@@@@@@@@@@@@@@@0M 7@@@@5h3@@@@@@@@@@@@@@@@@@@@@@@@@@@@@@@@@@@@@@@@@@@@@@@@@@(M? ?@@@@@@5 ?@@@@@1? O2@@@@@@@@0Y J@@@@@@@@@@@@@@@@@@@@@@@@@@@@@@@@@@@@@@@@@@@@@@L ?7@@@(Y? ?@@@@? ?@@@@@@@@6X?e?3@@@@@?g@@@??@@@@@ @@eW2@6X? 3@@?he?@@@@@@L ?N@@@@@@@@ @@@@@@
J@@@@@@@@@@@@@@@@@@@@@ ?7@@@@@@@H N@@1 ?O2@@@@@@@@@@)X? N@@L ?O2@@@@@@@@@@@@@@@@@@@@6K? O@KO2@@@@@@@@@@@@@@@0M O2@@@@@@@@@@@@@@@@0M @@@@@HhN@@@@@@@@@@@?@@@@@@@@@@@@@@@@@@@@@@@@@@@@@@@@@@@@@0Y ?@@@@@@H ?@@@@@@? O2@@@@@@@0M? 7@@@@@@@@@@@@@@@@@@@@@@@@@@@@@@@@@@@@@@@@@@@@@@1 J@@@(Y ?@@@@L ?3@@@@@@@@)Xe?N@@@@@?g@@@1?@@@@@L?hf@@?O&@@@,? N@@?he?@@@@@@)X? @@@@@@@@ @@@@@@
7@@@(Y@@@@@@@@@@@@@@@H ?@@@@@@@5? ?@@@ @@@@@@@@@@@@@@)X ?@@1 W2@@@@@@@@@@@@@@@@@@@@@@@@@@6K O2@@@@@@@@@@@@@@@@0M ?O2@@@@@@@@@@@@@@0M? @@@@@?h?@(MI'@@@@@@@@@@@@@@@@@@@@@@@@@@@@@@@@@@@@@@@@@@(M ?@@@@@@? ?3@@@@@? O2@@@@@@@0M? ?J@@@@@@@@@@@@@@@@@@@@@@@@@@@@@@@@@@@@@@@@@@@@@@@@L?he?W&@@(Y? ?@@@@1 ?V'@@@@@@@@)K?e@@@@@?g3@@@?3@@@@1?hf@@@@@@@(Y? ?@@?he?3@@@@@@)X @@@@@@@@ 3@@@@@L?
?J@@@@H?@@@@@@@@@@@@@@@? J@@@@@@@H? ?3@@L? @@@@@@@@@@@@@@@)X? ?3@@ ?O&@@@@@@@@@@@@@@@@@@@@@@@@@@@@@6K ?O@?2@@@@@@@@@@@@@@0M? O2@@@@@@@@@@@@@@@0M? @@@@@?h?@H??V4@@@@@@@@@@@@@@@@@@@@@@@@@@@@@@@@@@@@@@@@0Y? ?@@@@@@? ?N@@@@@? W2@@@@@@@(M? ?7@@@@@@@@@@@@@@0Y@@@@@@@@@@@@@@@@@@@@@@@@@@@@@@@@)XheW&@@(Y ?@@@@@ V'@@@@@@@@@6X?@@@@@?gN@@@?N@@@@@?hf3@@@@@(Y ?@@?he?N@@@@@@@1 3@@@@@@@ N@@@@@1?
?7@@@5e@@@@@@@@@@@@@@5? 7@@@@@@5 ?N@@1? ?W2@@@@@@@@@@@@@@@@@1? ?N@@L? ?W2@@@@@@@@@@@@@@@@@@@@@@@@@@@@@@@@@@@6X ?O2@@@@@@@@@@@@@@@@@@@@0M? O2@@@@@@@@@@@@@@@0M? @@@@@?h?@f?I4@@@@@@@@@@@@@@@@@@@@@@@@@@@@@@@@@@@@0M? ?@@@@@@? @@@@@? ?W&@@@@@@@(Y ?@@@@@@@@@@@@@(Me@@@@@@@@@@@@@@@@@@@?e?@@@@@@@@@@1he7@@@H? ?@@@@@ ?V'@@@@@@@@@)X@@@@@?g?@@@e@@@@@?hfN@@@@(Y? ?@@?hf@@@@@@@@ N@@@@@@@ ?@@@@@@L
J@@@@He@@@@@@@@@@@@@@H? ?J@@@@@@@H 3@@? W&@@@@@@@@@@@@@@@@@@@L @@1? ?7@@@@@@@@@@@@@@@@@@@@@@@@@@@@@@@@@@@@@)X? ?O2@@@@@@@@@@@@@@@0M ?O2@@@@@@@@@@@@@@@@0M? @@@@@?h?@g?I'@@@@@@@@@@@@@@@@@@@@@@@@@@@@@@@@? ?@@@@@@? @@@@@? O&@@@@@@@0Y? J@@@@@@@@@@@@0Y?e@@@@@@@@@@@@@@@@@@@Le?@@@@@@@@@@@L?g?J@@@5 ?3@@@@ V'@@@@@@@@@@@@@@@?g?@@@e3@@@@?hf?@@@@H ?3@Lhf3@@@@@@@ ?@@@@@@@L? ?@@@@@@)X?
7@@@5?e@@@@@@@@@@@@@5 W&@@@@@@5? N@@L ?W&@@@@@@@0M?@@@@@@@@@@)X? 3@@L ?@@@@@@@@@@@@@@@@@@@@@@@@@@@@@@@@@@@@@@@1? O@KO2@@@@@@@@@@@@@@@0M ?O2@@@@@@@@@@@@@@@0M @@@@@? N@@@@@@@@@@@@@@@@@@@@@@@@@@@@@@@@L ?@@@@@@? @@@@@? ?O2@@@@@@@(M 7@@@@@@@@@@@X?f@@@@@@@@@@@@@@@@@@@1e?@@@@@@@@@@@)XgW&@@(Y ?N@@@@ ?V4@@@@@@@@@@@@@@?g?@@@eN@@@@Lhf?@@@5? ?N@1hfN@@@@@@@L? ?@@@@@@@1? ?@@@@@@@)K
?J@@@@H?e?I4@@@@@@@@@(Y 7@@@@@@@H? ?@@1 ?7@@@@@@0Me?@@@@@@@@@@@)K N@@1 ?@@@@@@@@@@@@@@@@@@@@@@@@@@@@@@@@@@@@@@@@@@L O2@@@@@@@@@@@@@@@@@@@@@0M? O2@@@@@@@@@@@@@@@@0M @@@@5?he@?gJ@@@@@@@@@@@@(?4@@@@@@@@@@@@@@@@@)X? ?@@@@@@? @@@@@L ?O2@@@@@@@@0Y? @@@@@@@@@@@@1?e?J@@@@@@@@@@@@@@@@@@@@e?@@@@@@@@@@@@)X?f7@@@H? @@@@ ?I'@@@@@@@@@@@@?g?@@@e?@@@@1hf?@@@H? @@hf?@@@@@@@1? ?@@@@@@@@? ?@@@@@@@@@6K
?7@@@5g?I4@@@@@@@H? @@@@@@@5 ?3@@L? ?@@@@@(MfJ@@??I'@@@@@@@@? ?@@@L? J@@@@@@@@@@@@@@@@@@@@@@@@@@@@@@@@@@@@@@@@@@)X? ?O2@@@@@@@@@@@@@@@@0M? ?O2@@@@@@@@@@@@@@@@@0M @@@@H?he@Lf?O&@@@@@@@@@@@@He?@@@@0?4@@@@@@@@@@)X ?@ ?W26X? ?3@@@@@? 3@@@@1 ?O2@@@@@@@0M ?J@@@@@@@@@@@@@Le?@@@@@@@@@@@@@@@@@@@@@@@@@@@@@@@@@@@@@1?e?J@@@5 @@@@ V4@@@@@@@@@@@?g?3@@L??@@@@@hf?3@@ @@L?he?3@@@@@@@? ?3@@@@@@@L O2@@@@@@@@@@@@6K
J@@@@Hhe?@@@@5 ?J@@@@@@@H ?N@@1? J@@@@@H?e?W&@5?eN@@@@@@@@? ?3@@1? 7@@@@@@@@@@0M?eI4@@@@@@@(M?fI4@@@@@@@@@@1? O2@@@@@@@@@@@@@@@@0M O2@@@@@@@@@@@@@@@@@0M? ?J@@@@hf@)X??W2@@@@@@@@@@@@@5?e?@@@f?@@@@@@@@@@)X? W&@@1? ?N@@@@@? N@@@@@ ?O2@@@@@@@0M ?7@@@@@@@@@@@@@1e?N@@@@@@@@@@@@@@@@@@@@@@@@@@@@@@@@@@@@@LeW&@@(Y @@@@ @@@@@@@@@Lg?N@@1??@@@@@ @@fO2@? @@1?he?N@@@@@@@? ?N@@@@@@@1 ?O2@@@@@@@@@@@@@@@@@@@6X
7@@@5?he?@@@@H W&@@@@@@5? @@@L 7@@@@5f?7@@H?e?3@@@@@@@? ?N@@@? ?J@@@@@@@@0MhI'@@@@@Hh?I'@@@@@@@@? ?O2@@@@@@@@@@@@@@@@@@@@@@0M? O2@@@@@@@@@@@@@@@@@@0M ?7@@@@hf@@)KO&@@@@@@0Me@@@@H?e?@@@f?3@@@@@@@@@@)K *@@@@? @@@@@? ?@@@@@L? ?O2@@@@@@@(M ?@@@@@@@@@@@@@@@f@@@@@@@@@@@@@@@@@@@@@@@@@@@@@@@@@@@@@)KO&@@(Y? @@@@ 3@@@@@@@@1h@@@??3@@@@L?he?@@@e?@@@@? @@@?hf@@@@@@@L @@@@@@@@ ?W2@@@@@@@@@@@@@@@@@@@@@@)X?
?J@@@@H?he?@@@@? 7@@@@@@@H? 3@@1 @@@@@HfJ@@5f?N@@@@@@@? @@@? ?7@@@@@@(Mhe?V'@@@@LheV'@@@@@@@L O2@@@@@@@@@@@@@@@@@@@0M? O2@@@@@@@@@@@@@@@@@0M? ?@@@@@hf@@@@@@@@@@@?f@@@@f?@@@g@@@@@@@@@@@@@? N@@@5? @@@@@L ?@@@@@1? ?O2@@@@@@@@0Y? ?@@@@@@@@@@@@@@@L?e3@@@@@@@@@@@@@@@@@V'@@@@@@@@@@@@@@@@@@@@@@@H @@@@ ?@@@@@@@@@h@@@??N@@@@1?he?N@@L?J@@@@? @@@?hf3@@@@@@1 @@@@@@@@ W&@@@@@@@@@@@@@@@@@@@@@@@@)X
?7@@@5hf?@@@@? @@@@@@@5 N@@@ ?J@@@@@?f7@@Hg3@@@@@@? 3@@L ?@@@@@@@H?hfV'@@@)X?h?V'@@@@@@1 O2@@@@@@@@@@@@@@@@@@@0M? ?O2@@@@@@0Y@@@@@@@@@@0M? ?@@@@@hf@@@@@@@@@@@?f@@@@f?@@@f?7@@@@@@@@@@@@@L ?@@@H? @@@@@1 ?@@@@@@? ?W2@@@@@@@0M ?@@@@@@@@@@@@@@@1?eV'@@@@@@@@@@@@@@@@?V@@@@@@@@@@@@@@@@@@@@@@5? @@@@ @@h7@@@?@@@@@h@@@?e@@@@@?hf@@)?&@@@5? @@@?hfN@@@@@@@ @@@@@@@@L? 7@@@@@@@@@@@@@@@@@@@@@@@@@@)K?
?@@@@Hhf?@@@@? ?J@@@@@@(Y ?@@@L? ?7@@@@5?f@@@?gN@@@@@@? N@@1 ?@@@@@@5 ?N@@@@)XheN@@@@@@@ ?O2@@@@@@@@@@@@@@@@@@@@0M? ?O2@@@@@@@@(M?J@@@@@@@0M ?@@@@@hf3@@@@@@@@@5?f3@@@f?@@@f?@@@@@@@@@@@@@@1 ?@@@ @@@@@@ ?@@@@@@? O&@@@@@@(M ?@@@@@@@@@@@@@@@@Le?V4@@@@@@@@@@@@@@@@@@@@@@@e?@@@@@@@@@@@@@H? @@@@ ?J@@h@@@@?@@@@@h3@@Le3@@@@?hf3@@@@@@0Y? 3@@?hf?@@@@@@@L? @@@@@@@@1? @@@@@@(Me?@@@@@@@@@@@@@@@@@@@
J@@@5?hf?@@@@? ?7@@@@@@H? ?3@@1? J@@@@@H?f@@5?g?@@@@@5? ?3@5 ?@@@@@@H 3@@@@1he?@@@@@@@ ?O2@@@@@@@@@@@@@@@@@0M O2@@@@@@@0MW@Y?O&@@@@0M? ?@@@@@hfN@@@@@@@@(Y?fN@@@L?e?3@@f?@@@@@@@@@@@@@@@ ?@@@ @@@@@@ ?@@@@@@? O2@@@@@@@0Y? ?@@@@@@@@@@V'@@@@1f?I'@@@@@@@@@@@@@@@@@@@@@e?3@@@@@@@@@@@5 @@@@ W&@@h@@@5?3@@@@hN@@1eN@@@@?hfN@@@@@ N@@Lhf?@@@@@@@1? @@@@@@@@@L ?J@@@@@(Y?e?@@@@@@@@@@@@@@@@@@@L?
?W&@@@H?hf?@@@@? J@@@@@@5 ?N@@@? 7@@@@5f?J@@H?g?@@@@(Y? ?V+Y ?@@@@@@? N@@@@@he?3@@@@@@ O2@@@@@@@@@@@@@@0M O2@@@@@@@@0MeW&@@@@@@0M ?@@@@@hf?@@@@@@@(YgJ@@@)Ke?N@@fJ@@@@@@@@@@@@@@@ ?@@5 @@@@@@ ?3@@@@@L W2@@@@@@@0M? ?@@@@@@@@@@?N@@@@@gV4@@@@@@@@@@@@@@@@@@@5e?N@@@@@@@@@@@H @@@@ ?W&@@@e?O2@@@@@@H?N@@@@L?g?@@@e?@@@@Lhf?@@@@5 ?@@1hf?3@@@@@@@? 3@@@@@@@@1 ?7@@@@@Hf?@@@@@@@@@@@@@@@@@@@1?
W&@@@5g?O)Xf?@@@@? 7@@@@@@H 3@@L @@@@@Hf?7@@hJ@@@@H ?@@@@@@? ?@@@@@L?h?N@@@@@@ ?O26?2@@@@@@@@@@@@@0M? O2@@@@@0M?f?O&@@@0M ?@@@@5hf?@@@@@@@H?g7@@@@@@??J@@e?O&@@@@@@@@@@@@@@@ ?@@H @@@@@@ ?N@@@@@1 ?O&@@@@@@0M? ?@@@@@@@@@5??3@@@@L?gI4@@@@@@@@@@@@@@@@(Yf3@@@@@@@@@@? @@@@ ?7@@@@W2@@@@@@@@@?e@@@@1?g?@@@e?@@@@1hf?@@@@H ?@@@hf?N@@@@@@@L N@@@@@@@@@L? ?@@@@@5?f?3@@@@@@@@@@@@@@@@@@@L
7@@@(YfO2@@@1fJ@@@@?hf?J@@@@@@@? N@@1 ?J@@@@@?fJ@@5g?W&@@@@? ?@@@@@@? J@@@@@1?he@@@@@@ O2@@@@@@@@@@@@@@@@0M ?O2@@@@@@0M?gO2@@@@0M ?@@@@Hhf?@@@@@@5h@@@@@@@?O&@@@@@@@@@@@@@@@@@@@@@@ ?@@L 3@@@@@ @@@@@@ ?O2@@@@@@(M? J@@@@@@@@(Y??N@@@@)Kh?@@@@@@@@@@@@@@0Y?f?@@@@@@@@@5? 3@@@ J@@@@@@@@@@@@@@@5?e@@@@@?g?@@@e?@@@@@hf?@@@@? ?@@@ @@@@@@@1 ?@@@@@@@@@1? J@@@@@H?f?N@@@@@@@@@@@@@@@@@@@1
?J@@@@H??W2@@@@@@@f7@@@@?hf?7@@@@@@5? ?@@@L? O@K? O&@@@@5?f7@@Hg?7@@@@@? ?@@@@@@L 7@@@@@@?h?J@@@@@@ ?O2@@@@@@@@@@@@@@@@@0M ?W2@@@@@@@0Mg?O2@@@0M J@@@@?hf?@@@@@@HfW2@@@@@@@@@@@@@@@@@@@@@@@@@@@@@@@@@@ J@@1 N@@@@@ @@@@@@ ?O2@@@@@@@0Y 7@@@@@@@@Hf@@@@@@@@@@@@@@@@@@@@@@@@@@@@g?O&@@@@@@@@@H? N@@@ 7@@@@@@@@@@@@@@@H?e@@@@@?g?3@@e?@@@@@L?he?@@@@? ?3@@L?hf3@@@@@@@L? ?@@@@@@@@@@? 7@@@@@h@@@@@@@@@@@@@@@@@@@@
?7@@@@eO&@@@@@@@@f@@@@@?hfJ@@@@@@@H? ?@@@1? ?O2@@@@6?2@@@@@@@@@@@@@@@@@@@@@@@@@@@@@@@@@@@@@@@@H?f@@@?gJ@@@@@@? ?@@@@@@1 @@@@@@@?h?7@@@@@@ O2@@@@@@@@@@@@@@@@@0M? O&@@@@@0M?g?O2@@@0M 7@@@@?hf?@@@@@@?e?W&@@@@@@@@@@@@@@@@@@@@@@@@@@@@@@@@@@@ 7@@@ ?@@@@@ 3@@@@@ ?O2@@@@@@@0M @@@@@@@@@?f3@@@@@@@@@@@@@@@@@@@@@@@@@@@@@@@@@@@@@@@@@@@@@L? ?@@@L? @@@@@@@@@@@@@@@@f3@@@@?g?N@@L??3@@@@1?he?@@@5? ?N@@1?hfN@@@@@@@)K ?@@@@@@@@@@L @@@@@@h@@@@@@@@@@@@@@@@@@@@@6K?
J@@@@@W2@@@@@@@@@@@@@@@@@@@Lhf7@@@@@@5 ?3@@5?e@@@@@@@@@@@@@@@@@@@@@@@@@@@@@@@@@@@@@@@@@@@@@@@@@@@@@@@@@@@@@@f?J@@5?g7@@@@@@? O26K ?@@@@@@@L?hf?J@@@@@@5?hJ@@@@@@@ O2@@@@@@@@@@@@@@@@@@@0M? O2@@@@@@@0M?h@@@@0M @@@@@?hf?@@@@@@LeO&@@@@@@@@@@@@@@@@@@@@@@@@@@@@@@@@@@@@ @@@@ ?@@@@@L? N@@@@@ ?O2@@@@@@@0M @@@@@@@@@?fV'@@@@@@@@@@@@@@@@@@@@@@@@@@@@@@@@@@@@@@@@@@@@1? ?@@@1? ?J@@@@@@@@@0M??@@@fN@@@@?h@@1??N@@@@@?he?3@@H??W2@@? @@@?hf?@@@@@@@@@@@@@@@@@@@@@@@@@@@@@@@@@@@@@@@@@@@@@@@@@@@@@@@@@@@@@@@@@@@@@@@@@@@@@@@@@@@@@@@@@@@@@@1 @@@@@@h@@@@@@@@@@@@@@@@@@@@@@@6?)X?
7@@@@@@@@@@@@@@@@@@@@@@@@@@)X?h?J@@@@@@@H ?V40Y??J@@@@@@@@@@@@@@@@@@@@@@@@@@@@@@@@@@@@@@@@@@@@@@@@@@@@@@@@@@@@@5fW&@@H?g@@@@@@@@@@@@@@@@@@@@@@@@@@@@@@@@@@@@@@@@@@@@@@@@@@@@@@6X ?3@@@@@@)KhfO&@@@@@@H?g?W&@@@@@@@ O2@@@@@@@@@@@@@@@@@@@@0M ?O2@@@@@@@0Mhf@0M? @@@@@?hf?@@@@@@)?2@@@@@@@@@@@@@@@@@@@@@@@@@@@@@@@@@@@@@@ @@@@ ?@@@@@1? ?@@@@@ ?W2@@@@@@@0M @@@@6?@K O2@@6K?O2@@@@@@@@@@?f?N@@@@@@@@@@@@@@@@@@@@@@@@@@@@@@@@@@@@@@@@@@@@@?hfW&K??O2@@@@6K? ?@@@@? W&@@@@@@0Mf?@@@f?@@@@Lh@@@?e@@@@@?hf@@eW&@@@? @@@?hf?@@@@@@@@@@@@@@@@@@@@@@@@@@@@@@@@@@@@@@@@@@@@@@@@@@@@@@@@@@@@@@@@@@@@@@@@@@@@@@@@@@@@@@@@@@@@@@@ @@@@@@h@@@@@@@@@@@@@@@@@@@@@@@@@@)X
?J@@@@@@@@@@@@@@@@@@@@@@@@@@@@)Xh?7@@@@@@@? ?7@@@@@@@@@@@@@@@@@@@@@@@@@@@@@@@@@@@@@@@@@@@@@@@@@@@@@@@@@@@@@?e?W&@@@L?g@@@@@@@@@@@@@@@@@@@@@@@@@@@@@@@@@@@@@@@@@@@@@@@@@@@@@@@)X? ?N@@@@@@@@6KhO2@@@@@@@@hO&@@@@@@@5 O2@@@@@@@@@@@@@@@@@@@0M? O2@@@@@@@0M?he@@ @@@@@?hf?@@@@@@@@@@@@@@@@@@@@@@@@@@@@@@@@@@@@@@@@@@@@@@@ @@@5 ?@@@@@@? ?@@@@@ ?7@@@@@@(M @@@@@@@@@@@@@@@@@@@@@@@@@@@@@@@@@@@@@@@@@@@@@@@@@@@@@@5?g@@@@@@@@@@@@@@@@@@@@@@@@@@@@@@@@@@@@@@@@@@@@5?he?W&@@@@@@@@@@@@@@@@@@6X? ?@@@@? 7@@@@@(Mg?@@5f?@@@@1h@@@?e@@@@@?he?7@@L?7@@@5? @@@?hf?3@@@@@@@@@@@@@@@@@@@@@@@@@@@@@@@@@@@@@@@@@@@@@@@@@@@@@@@@@@@@@@@@@@@@@@@@@@@@@@@@@@@@@@@@@@@@@@ 3@@@@@fO2@@@@@@@@@@@@@@@@@@@@@@@@@@@@@)X?
?7@@@@@@@@@@@@@@@@@@@@@@@@@@@@@)X?g?@@@@@@@5? J@@@@@@@@@@@@@@@@@@@@@@@@@@@@@@@@@@@@@@@@@@@@@@@@@@@@@@@@@@@@@@)K?O&@@@@)Kg@@@@@@@@@@@@@@@@@@@@@@@@@@@@@@@@@@@@@@@@@@@@@@@@@@@@@@@@1? @@@@@@@@@@@6K?eO2@@@@@@@@@@gO2@@@@@@@@@H ?O2@@@@@@@@@@@@@@@@@@0M? ?O2@@@@@@0M?he?@@? ?J@@@@@?hf?@@@@@@@@@@@@@@@@@@@@@@@@@@@@@e@@@@@@@@@@@@@@@@ @@0Y ?@@@@@@? ?@@@@@ ?@@@@@@0Y? W2@@@@@@@@@@@@@@@@@@@@@@@@@@@@@@@@@@@@@@@@@@@@@@@@@@@@@@@@H?g@@@? ?@@@@@@@@@@@H?he?7@@@@@@@@@@@@@@@@@@@@)X ?@@@@? ?J@@@@@@hJ@@Hf?@@@@@h@@@?e@@@@@Lhe?3@@)X@@@(Y? @@@?hf?V'@@@@@@@@@@@@@@@@@@@@@@@@@@@@@@@@@@@@@@@@@@@@@@@@@@@@@@@@@@@@@@@@@@@@@@@@@@@@@@@@@@@@@@@@@@@@@ N@@@@@?O2@@@@@@@@@@@@@@@@@@@@@@@@@@@@@@@@@1? O2@6K?
J@@@@@@@@@@@@@@@@@@@@@@@@@@@@@@@)Xg?@@@@@@(Y? ?O&@@@@@@@@@@@@@@@@@@@@@@@@@@@@@@@@@@@@@@@@@@@@@@@@@@@@@@@@@@@@@@@@@@@@@@@@@@@@@@@@@@@@@@@@@@@@@@@@@@@@@@@@@@@@@@@@@@@@@@@@@@@@@@@@@@@@@@@@L 3@@@@@@@@@@@@@@@@@@@@@@@@@@5f?@@@@@@@@@@@@? ?O2@@@@@@@@@@@@@@@@@@@@0M? O2@@@@@0M?heO.?@ ?7@@@@5?hf?@@@@@@@@@@@@@@@@@@@@@@@@@@@@@@@@@@@@@@@@@@@@@@@ ?@@@@@@? ?@@@@@L? ?@@@@(M? 7@@@@@@@@@@@@@@@@@@@@@@@@@@@@@@@@@@@@@@@@@@@@@@@@@@@@@@@@@h@@@? ?3@@@@@@@@@@hf?@@@@@@@@@@@@@@@@@@@@@@)X? ?@@@@? ?7@@@@@@)Xg7@@?f?3@@@@h3@@?e3@@@@1he?N@@@@@@(Y 3@@? N@@@@@@@@@@@@@@@@@@@@@@@@@@@@@@@@@@@@@@@@@@@@@@@@@@@@@@@@@@@@@@@@@@@@@@@@@@@@@@@@@@@@@@@@@@@@@ ?3@@@@@@@@@@@@@@@@@@@@@@@@@@@@@@@@@@@@@@@@@L O2@@@@6KhfW2@@@@@@@@@6K?
7@@@@@@@@@@@@@@@@@@Xe?@@@@@@@@@@)X?fJ@@@@@@H ?O2@@@@@@@@@@@@@@@@@@@@@@@@@@@@@@@@@@@@@@@@@@@@@@@@@@@@@@@@@@@@@@@@@@@@@@@@@@@@@@@@@@@@@@@@@@@@@@@@@@@@@@@@@@@@@@@@@@@@@@@@@@@@@@@@@@@@@@@@@@1 V'@@@@@@@@@@@@@@@@@@@@@@@@(Yf?@@@@@@@@@@@5? O2@@@@@@@@@@@@@@@@@@0M O2@@@@@@0MhfO2(Y ?@@@@@H?hf?@@@@@@@@@@@@@@@@@@@@@@@@@@@@@@@@@@@@@@@@@@@@@@@ ?@@@@@@? ?@@@@@1? ?@@@@H @@@@@@@@@@@@@@@@@@@@@@@@@@@@@@@@@@@@@@@@@@@@@@@@@@@@@@@@@@h@@@? ?N@@@@@@@@@@he@@@@@@@@@@@0M?f?I4@@@@@1? ?@@@@? J@@@@@@@@)X?f3@@?f?N@@@@hN@@LeN@@@@@hf3@@@@@H? N@@? ?@@@@@@@@@@@@@@@@@@@@@@@@@@@@@@@@@@@@@@@@@@@@@@@@@@@@@@@@@@@@@@@@@@@@@@@@@@@@@@@@@@@@@@@@@@@@@L? ?N@@@@@@@@@@@@@@@@@(M?g?I4@@@@@@@@@@@@1 O2@@@@@@@@6Kh?O&@@@@@@@@@@@@6X?
@@@@@@@@@@@@@@@@@@@,e?@@@@@@@@@@@)Xf7@@@@@@? @@@@@@@@@@@@@@@@@@@@@@@@@@@@@@@@@@@@@@@@@@@@@@@@@@@@@@@@@@@@@@@@@@@@@@@@@@@@@@@@@@@@@@@@@@@@@@@@@@@@@@@@@@@@@@@@@@@@@@@@@@@@@@@@@@@@@@@@@@@@@@ ?N@@@@@@@@@@@@@@@@@@@@@@@@H?f?@@@@@@@@@@@H? O2@@@@@@@@@@@@@@@@0M O2@@@@@@@0M?hf@@@0Y? ?@@@@@ ?@@@@@@@@@@@@@@@@@@@@@@@@@@@@@@@@@@@(MI'@@@@@@@5 ?@@@@@@? ?3@@@@@? J@@@@? @@@@@@@@@@@@@@@@@@@@@@@@@@@@@@@@@@@@@@@@@@@@@@@@@@@@@@@@@5g?J@@@? @@@@@@@@@@he@@@@@@@@@@hf?@@@@L ?@@@@? ?W&@@@@(Y@@@1?fV4@?g@@@@h?@@1e?@@@@@hfN@@@@@ ?@@L ?@@@@@@@@@@@@0?4@@@@@@@@@@0Mh?I@?4@@@@@@@@@@@@0M?e?I4@0?4@@@@@@@@@@@@@@@@@@@@@@@@@@@@@)X @@@@@@@@@@@@@@@@(Yhe?I'@@@@@@@@@@@ W2@@@@@@@@@@@@6Xg@@@@@@@@@@@@@@@@)X
@@@@@@@@@@@@@@@@0?(Ye?@@@@@@@@@@@@)X??J@@@@@@5? @@@@@@@@@@@@@@@@@@@@@@@@@@@@@@@@@@@@@@@@@@@@@@@@@@@@@@@@@@@@@@@@@@@@@@@@@@@@@@@@@@@@@@@@@@@@@@@@@@@@@@@@@@@@@@@@@@@@@@@@@@@@@@@@@@@@@@@@@@@@@@L? 3@@@@@@@@@@@@@@@@@@@@@@5g?@@@@@@@@@@5hO2@@@@@@@@@@@@@@@@@@@@@@@0M? ?O2@@@@@@0M?hfW& ?@@@@@ J@@@@@@@(M?@@@@@@@@@@@@@@@@@@@@@@@@@H??V'@@@@@@H ?@@@@@@? ?N@@@@@? 7@@@@? @@@@@@@@@@@@@@@@@@@@@@@@@@@@@@@@@@@@@@@@@@@@@@@@@@@@@@@@@Hg?7@@@? @@@@@@@@@@he@@@@@@@@@@hf?3@@@1 ?@@@@? ?7@@@@@H?@@@@L @@@@h?@@@e?@@@@@L?he?@@@@5 ?@@1 ?@@@@@@(M? ?@@@@@@? ?@@@@@@@@@@@@@@@@1 3@@@@@@@@@@@@@@0Y?hfV'@@@@@@@@@@L? ?W&@@@@@@@@@@@@@@)X?e?J@@@@@@@@@@@@@@@@@)X?
@@@@@@@@@@0Mg?O2@@@@@@@@@@@@@@@)KO&@@@@@@H? @@@@@@@@@(M?e?I@M I40M ?I4@@@@@@@@@@@@@1? V4@@@@@@@@@@@@@@@@@@@@0Yg?@@@@@@@@@0Yf@@@@@@@@@@@@@@@@@@0MI40M ?O2@@@@@@@0M &@ ?@@@@@hf?W&@@@@@@@e?3@@@@@@@@@@@@@@@@@@@@@@@5fN@@@@@@? ?@@@@@@? @@@@@? @@@@@L ?J@@@@@@@@@@@@@@@@@@@@@@@@@@@@@@@@@@@@@@@@@@@@@@@@@@@@@@@@@?g?@@@5? @@@@@@@@@@he3@@@@@@@@@ @@@@ ?@@@@? J@@@@@5??@@@@@ @@@@h?@@@e?@@@@@1?he?@@@(Y ?@@@ ?@@@@@(Y ?@@@@@@@@6X?g)X ?3@@@@@@@@@@@@@@@@ ?@@@@@@@@@(M ?V4@@@@@@@@@1? W&@@@@@@@@@@@@@@@@)XeW&@@@@@@@@@@@@@@@@@@)X
?J@@@@@@@0M?g?O2@@@@@@@@@@@@@@@@@@@@@@@@@@@ @@@@@@@@(Y ?@@@@@@@@@@L I'@@@@@@@@@@@@@@@@(Mh?@@@@@@@(Mg@@@@@@@@@@0?@M O2@@@@@0M? ?@ ?@@@@@hf?7@@@@@@@@)X?V'@@@@@@@@@@@@@@@@@@@@@@Hf?@@@@@@? ?@@@@@@? @@@@@? @@@@@1 ?7@@@@@@@@@@@(MI@Me?I4@0Mg?I'@@@@?hfI'@@@@@?e?W2@@@@@H? @@@@@@@@@@heN@@@@@@@@@@@@@@@@@@@@6?&@@@@ ?@@@@? ?W&@@@@(Y??@@@@? @@@@L?g?3@@e?3@@@@@?he?@@@H? ?@@@ J@@@@@g?O2@@? ?3@@@@@@@@)Xg@1 ?V'@@@@@@@@@@@@@@5 7@@@@@@@@(Y?hO2@@6Kh@@@@@@@@@? ?W&@@@@@@@@@@@@@@@@@@)KO&@@@@@@@@@@@@@@@@@@@@1
W&@@@@@(M?gW2@@@@@@@@@@@@@@@@@@@@@@@@@@@@@5 @@@@@@@@H? ?@@@@@@@@@@)X? ?V4@@@@@@@@@@@@@@0Y?h?3@@@@@0Y?g3@@@@@0M ?O2@@@@@@0M? ?@@@@@hf?3@@@@@@@@@)K?V@@@@@@@@@@@@@@@@@@@@@@?f?@@@@@@? ?@@@@@@? @@@@@L @@@@@@ ?@@@@@@(M?@@@? N@@@@Lhf?N@@@@@?e?7@@@@@@ @@@@@@@@@@he?3@@@@@@@@@@@@@@@@@@@@@@@@@@ ?3@@@L W&@@@@@He?@@@@1 3@@@1?g?N@@e?N@@@@@?he?@@@ ?3@@ 7@@@@@1?f@@@@@? ?N@@@@@@@@@)X?f3@ N@@@@@@@@@@@@@@H ?J@@@@@@@@(YhO2@@@@@@@@@@@?e@@@@@@@@@L ?7@@@@@@@@@@@@@@@@@@@@@@@@@@@@@@@@@@@@@@@@@@@@L?
?W&@@@@@@Hg?O&@@@@@@@@@@@@@@@@@@@@@@@@@@@@@(Y ?J@@@@@@@5 ?@@@@@@@@@@@1? I4@@@@@@@@0Mhf?V4@@0M?hV+M? O2@@@@@@0M @?@? J@@@@5hf?V'@@@@@@@@@@@@@@@@@@@@@@@@@@@@@@@0MfO2@@@@@@@? J@@@@@@? @@@@@1 @@@@@@ ?@@@@@@He@@@1 ?3@@@1 @@@@@?e?@@@@@@@ @@@@@@@@@@he?V4@@@@@@@@@@@@@@@@@@@@@@@@5 ?N@@@1 7@@@@@5?e?@@@@@ N@@@@?h@@f@@@@@Lhe?@@@ ?N@@L?hf@@@@@@5?f@@@@@? 3@@@@@@@@@)?fV' J@@@@@@@@@@@@@@? ?7@@@@@@@@H?gO2@@@@@@@@@@@@@Le@@@@@@@@@1 ?@@@@@@@@@@@@@@@@@@@@@@@@@@@@@@@@@@@@@@@@@@@@@1?
?7@@@@@@@?f?O2@@@@@@@@@@@@@@@@@@@@@@@@@@@@@@@H? ?7@@@@@@@H J@@@@@@@@@@@@L ?O2@@@@0M? @?@? 7@@@@H N@@@@@@@@@@@@@@@@@@@@@@@@@@@@@0MfW2@@@@@@@@@L 7@@@@@@? @@@@@@ @@@@@@ J@@@@@@?e@@@@ ?N@@@@ 3@@@@?e?@@@@@@@ @@@@@@@@@@hf?I4@@@@@@@@@@@@@@@@@@@@@0Y @@@@ @@@@@@H?e?3@@@@ ?@@@@?h@@L?e3@@@@1he?@@@ @@1?hf@@@@@@g@@@@@L N@@@@@@@@@H? ?O&@@@@@@@@@@@@@@? ?@@@@@@@@5gW2@@@@@@@@@@@@@@@1e@@@@@@@@@@ J@@@@@@@@@@@@@@@@@@@@@@@@@@@@@0MI@MI4@@@@@@@@@@?
?@@@@@@@@?eW2@@@@@@@@@@@@@@@@@@@@@@@@@@@@@@@@@5 ?@@@@@@@5? ?W&@@@@@@@@@@@@1 O2@@@@0M @@@@@? ?@@@@@@@@@@@@@@@@@@@@0M?I'@@g?W&@@@@@@@@@@1 @@@@@@@? 3@@@@@ 3@@@@@ 7@@@@@5?e3@@@ 3@@@ N@@@@?e?@@?@@@@ ?J@@@@@@@@@@ @@@@ @@@@@5f?N@@@@ ?@@@@Lh@@1?eN@@@@@he?3@@ @@@?hf@@@@@@1?f@@@@@1 ?3@@@@@@@@ @@@@@@@@@@@@@@@@@? ?@@@@@@@@Hf?W&@@@@@@@@@@@@@@@@@e@@@@@@@@@@ 7@@@@@@@@(M?fI'@@@@@@@@@@(Mg?I'@@@@@@@@?
?@@@@@@@@?e7@@@@@@@@@@@@@@@@@@@@@@@@?@@@@@@@@@H J@@@@@@@H? ?7@@@@?@@@@@@@@@ O2@@@@@@0M @? @@@@@? ?@@@@@@@@@@@@@@@@@g?N@@gW&@@@@@@@@@@@@ @@@@@@@? N@@@@@ N@@@@@ @@@@@@H?eN@@@ N@@@L?hf?3@@@LeJ@@@@@@5 ?7@@@@@@@@@@ @@@@ ?J@@@@(Yg@@@@ ?@@@@1h@@@?e?@@@@@L?h?N@@ @@@?hf@@@@@@@?f@@@@@@ ?N@@@@@@@@L? @@@@@@@@@@@@@@@@5? ?@@@@@@@@?fW&@@@@@@@@@@@@@@@@@@@@@@@@@@@@@@ @@@@@@@@(Yg?V'@@@@@@@@@H?hV'@@@@@@@L
?@@@@@@@@Le@@@@@@@@@@@@@@@@@@@@@@@@@?@@@@@@@@@? 7@@@@@@5 ?@@@@5?3@@@@@@@@L? O2@@@@@@0M @? @@@@@? ?3@@@@@@@@@@@@@@@@@6K?f@@f?O&@@@@@@@@@@@@5 ?J@@@@@@@? ?@@@@@ ?@@@@@ @@@@@@f?3@@L? ?3@@)Xhf?N@@@1e7@@?@@@H ?@@@@@@@@@@@@@@@6X @@@@L? W&@@@@H?g3@@@ ?@@@@@h@@@?e?@@@@@1?he@@ 3@@?hf@@@@@@5?f@@@@@@f?@6X @@@@@@@@)X @?4@@@@@@@@@@@@@H? J@@@@@@@@?e?W&@@@@@@@@@@@@@@@@@@@@@@@@@@@@@@@ @@@@@@@(Y?hN@@@@@@@@5he?V'@@@@@@1
?@@@@@@@@1e@@@@@@@@@@@@@@@@@@@@@@@@@?@@@@@@@@@? ?J@@@@@@@H J@@@@H?N@@@@@@@@1? ?O2@@@@@@@0M @@@@@? ?N@@@@@@@@@@@@@@@@@@@@@@@@@@@@6?2@@@@@@@@@@@@@(Y ?7@@@@@@@? ?@@@@@L? ?@@@@@ ?J@@@@@@f?N@@)X ?N@@@1 3@@@L?@@@?@@@? ?@@@@@@@@@@@@@@@@)X? @@@@1? ?W&@@@@@hN@@@ ?@@@@@L?g3@@?e?@@@@@@?he@@L? N@@Lhe?J@@@@@@H?f3@@@@@L?e?@@1eO2@@@@@@@@@@@@@@6?2@@@@@@@@@@1fO)X? ?@@@@@@@@@@@ 7@@@@@@@@?e?7@@@@@@@@@@@@@@@@@@@@@@@@@@@@@@@5 @@@@@@@Hhe?3@@@@@@@HhfN@@@@@@@
?3@@@@@@@@e@@@@@@@@@@@@@@@@@@@@@@@@5?@@@@@@@@5? ?7@@@@@@5? 7@@@@?e3@@@@@@@@? O2@@@@@@0M @@@@@? @@@@@@@@@@@@@@@@@@@@@@@@@@@@@@@@@@@@@@@@@@@0Y? ?@@@@@@@5? ?@@@@@1? ?@@@@@ ?7@@@@@@g3@@1 3@@@L?hfN@@@)X@@@@@@@?e?'@? ?@@@@@@@@@@@@@@@@@)K @@@@5? O&@@@@@@h?@@@ ?3@@@@1?gN@@Le?@@@@@@?he@@1? ?@@1he?7@@@@@@gN@@@@@1?e?@@@W2@@@@@@@@@@@@@@@@@@@@@@@@@@@@@@?O2@@@1? J@@@@@@@@@@@ 3@@@@@@@@?e?@@@@@@@@@@@@@@@@@@@@@@@@@@@@@@@@H @@@@@@@?he?N@@@@@@5?hf?@@@@@@@
?N@@@@@@@@?J@@@@@@@@@@@@@@@@@@@@@@@@HJ@@@@@@@(Y? ?@@@@@@@H? @@@@5?eN@@@@@@@@L O@K?hf?O2@6Kf?O26K? ?O2@@@@@@0M? @@@@@? @@@@@@@@@@@@@@@@@@@@@@@@@@@@@@@@@@@@@@@@@@ ?@@@@@@@H? ?@@@@@@? ?3@@@@ J@@@@@@5gV'@@L? N@@@1?hf?3@@@@@@@@@@@?e?V'? J@@@@@@@@@@@@@@@@@@@@@6X @@@@H? ?O2@@@@@@@@5h?@@@L?hf?N@@@@@?g?@@1e?3@@@@@?he@@@? ?@@@he?@@@@@@@g?3@@@@@?e?@@@@@@@@@@@@@@@@@@@@@@@@@@@@@@@@@@@@@@@@@@? 7@@@@@@@@@@5 N@@@@@@@@?e?@@@@@@@@@@@@@@@@@@@@@@@@@@@@@@@@? @@@@@@@?hf@@@@@@H?hf?@@@@@@5
?J@@@@@@@@?7@@@@@@@@@@@@@@@@@@@@@@@@T&@@@@@@@H J@@@@@@@ @@@@H?e?@@@@@@@@1 @@@@@@@@@@@@@@@@@@@@@@@@@@@@@@@@@@@@@@@@@@@@ O2@@@@@@@0M? @@@@@? ?J@@@@@@@@@@@@@@@@@@@@@@@@@@@@@@@@@@@@@@@@@5 ?@@@@@@@ ?3@@@@@? ?N@@@@L? 7@@@@@@Hg?N@@1? ?3@@@Lhf?N@@@@@@?@@@@? 7@@@@@@@@@@@@@@@@@@@@@@)X? @@@@ W2@@@@@@@@@@@@@@(Yh?@@@1? @@@@@?g?@@@e?N@@@@@Lhe@@@? ?@@@he?@@@@@@5g?N@@@@@?eJ@@@@@@@@@@@@@@@@@@@@@@@@@@@@@@@@@@@@@@@@@@? @@@@@@@@@@@H ?3@@@@@@@?e?@@@@@@@@@@@@@@@@@@@@@@@@@@@@@@@@@6K @@@@@@@?hf@@@@@@L?hf?@@@@@0Y
?7@@@@@@@@?@@@@@@@@@@@@@@@@@@@@@@@@V@@@@@@@@@? 7@@@@@@5 @@@5f?3@@@@@@@@ @@@@@@@@@@@@@@@@@@@@@@@@@@@@@@@@@@@@@@@@@@@@ O2@@@@@@@0M? ?J@@@@5? O&@@@@@@@@@@@@@@@@@@@@@@@@@@@@@@@@@@@@@@@@@H J@@@@@@@ ?N@@@@@L @@@@1? @@@@@@5?h@@@L ?V'@@1 @@@@@@?@@@@? @@@@@@@@@@@@@@@@@@@@@@@@1? @@@@L? 7@@@@@@@@@@@@@@@H?h?@@@@? @@@@@Lg?@@@f@@@@@1he3@@? ?@@@heJ@@@@@@Hh@@@@@Le7@@@@@@@@@@@@@@@@@@@@@@@@@@@@@@@@@@@@@@@@@@? ?J@@@@@@@@@@@? ?N@@@@@@@?e?@@@@@@@@@@@@@@@@@@@@@@@@@@@@@@@@@@@@@@6?@K? @@@@@@@?hf@@@@@@1?hf?@@@(M
?3@@@@@@@@W@@@@@@@@@@@@@@@@@@@@@@@@@@@@@@@@@5? ?J@@@@@@@H ?J@@@Hf?N@@@@@@@@L? @@@@@@@@@@@@@@@@@@@@@@@@@@@@@@@@@@@@@@@@@@@@ O2@@@@@0M? ?7@@@@H?h?O2@@@@@@@@@@0M?I4@@@@@@@@@@@@@@@@@@@@@@@@@@@@@@5?g?@@@6?2@6K W2@@ 7@@@@@@@ @@@@@1 @@@@@? ?J@@@@@@H?h3@@1 N@@@ @@@@@@?@@@5? ?J@@@@@@@@@@@@@@@@@@@@@@@@@? @@@@1? @@@@@@@@@@@@@@@5he?@@@@? 3@@@@1g?3@@f3@@@@@heN@@L ?3@@he7@@@@@@?h3@@@@1e@@@@@@@@@@@@@@@@@@@@@@@@@@@@@@@@@@@@@@@@@@@? ?7@@@@@@@@@@@? @@@@@@@?e?@@@@@@@@@@@@@@@@@@@@@@@@@@@@@@@@@@@@@@@@@@@@6K? @@@@@@@?hf@@@@@@@?hf?@@@H?
?N@@@@@@@@@>@@@@@@@@@@@@@@@@@@@@@@@@@@@@@@@@H? ?7@@@@@@5? ?7@@@?g@@@@@@@@1? @@@@@@@@@@@@@@@@@@@@@@@@@@@@@@@@@@@@@@@@@@@@L? ?O2@@@@@@0M? ?@@? ?@@@@@hO2@@@@@@@@@@@(M?fI'@@@@@@@@@@@@@@@@@@@@@@@@@@@0Y?gJ@@@@@@@@@@@@@@@@@@@@@@@@@@@@@6?2@@@@@@@6KO26K 7@@@L? @@@@@@@@ @@@@@@ @@@@@L ?7@@@@@@heN@@@ ?@@@L?hf@@@@@@@@@@H? ?7@@@@@@@@@@@@@@@@@@@@@@@@@L @@@@@? @@@@@@@@@@@@@@@Hhe?@@@@? N@@@@@g?N@@fN@@@@@he?@@1 ?N@@L?h@@@@@@@?hN@@@@@e@@@@@@@@@@@@@@@@@@@@@@@@@@@@@@@@@@@@@@@@@@@? ?@@@@@@@@@@@5? 3@@@@@@?e?@@@@@@@@@@@@@@@@@@@@@@@@@@@@@@@@@@@@@@@@@@@@@@@@@@@6K @@@@@@@?he?J@@@@@@@?hfJ@@@L?
@@@@@@@@@@R'@@@@@@@@@@@@@@@@@@@@@@@@@@@@@5 J@@@@@@@H? J@@@5?g3@@@@@@@@? @@@@@@@@@@@@@@@@@@@@@@@@@@@@@@@@@@@@@@@@@@@@1? ?O2@@@@@@0M? ?@@@@@gO2@@@@@@@0?4@@@Hg?V'@@@@@@@@@@@@@@@@@@@@@@(M?h?W&@@@@@@@@@@@@@@@@@@@@@@@@@@@@@@@@@@@@@@@@@@@@@@@@@@@@@6X @@@@1? ?J@@@@@@@5 @@@@@@ @@@@@1 ?@@@@@@@he?3@@L? ?3@@1?hf@@@@@@@@@@ ?@@@@@@@@@@@@@@@@@@@@@@@@@@)X? @@@@@? @@@@@@@@@@@@@@@?he?3@@@L ?@@@@@h@@L?e?@@@@@L?h?@@@ @@1?h@@@@@@@?h?3@@@@@@@@@@@@@@@@@@@@@@@@@@@@@@@@@@@@@@@@@@@@@@@@@L ?@@@@@@@@@@@H? V'@@@@@Le?@@@@@@@@@@@@@@@@@0Mf@@@@@@@@@@@@@@@@@@@@@@@@@@@@@@@@6K @@@@@@@Lhe?7@@@@@@@Lhe?W&@@@1?
3@@@@@@@@@LV'@@@@@@@@@@@@@@@@@@@@@@@@@@@@H 7@@@@@@@ 7@@@H?gN@@@@@@@@L @@@@@@@@@@@@@@@@@@@@@@@@@@@@@@@@@@@@@@@@@@@@5? O2@@@@@@0M ?@ ?@@@@@L?eO2@@@@@@@0M?e?@@?hV'@@@@@@@@@@@@@@@@@@@@(YheW&@@@@@@@@@@@@@@@@@@@@@@@@@@@@@@@@@@@@@@@@@@@@@@@@@@@@@@@1 @@@@5? ?7@@@@@@@H @@@@@@ 3@@@@@ J@@@@@@5he?N@@1? ?N@@@Lhf3@@@@@@@@@gW& J@@@@@@@@@@@@@@@@@@@@@@@@@@@1? @@@@@? @@@@@@@@@@@@@@5?he?N@@@1 ?@@@@@h@@1?e?@@@@@1?h?@@@ @@@?h@@@@@@@?h?N@@@@@@@@@@@@@@@@@(MI@?4@@@@@@@@@@@@@@@@@@@@@@@@@@1 J@@@@@@@@@@@ ?N@@@@@1e?3@@@@@@@@@@@@@0M?g@@@@@0M??I4@@@@@@@@@@@@@@@@@@@@@@@@@@@6K @@@@@@@)X?h?@@@@@@@@)X?hW&@@@@@?
V'@@@@@@@@)KV@@@@@@?I'@@@@@@@@@@@@@@@@@@5? ?J@@@@@@@5 @@@5h?3@@@@@@@1 @@@@@@@@@@@@@@@@@@@@@@@@@@@@@@@@@@@@@@@@@@@@H? ?O2@@@@@@0M? ?@@@@@)?2@@@@@@@0Mg?@@?h?V4@@@@@@@@@@@@@@@@@@0Y?h?O&@@@@@@@@@@@@@@@@@@@@@@@@@@@@@@@@@@@@@@@@@@@@@@@@@@@@@@@@@ @@@@H? ?@@@@@@@5? @@@@@@ N@@@@@ @@@@@@@Hhf@@@L 3@@1hfV4@@@@@@@@f?O&@ ?W&@@@@@@@@@@@@@@@@@@@@@@@@@@@@L @@@@@? @@@@@@@@@W@@@@H?hf@@@@ ?@@@@@h@@@?e?3@@@@@?h?@@@ @@@?h@@@@@@5?he@@@@@@@@@@@@@@@@@H I4@0?4@@@@@@@@@@@@ 7@@@@@@@@@@5 3@@@@@L??N@@@@@@@(M?hf@@@@hfI4@@@@@@@@@@@@@@@@@@@@@@@@@6K? @@@@@@@@)KgO2@@@@@@@@@@)Xg?O&@@@@@@L
?V'@@@@@@@@@@@@@@@@??V@@@@@@@@@@@@@@@@@(Y? ?7@@@@@@@H @@@Hh?N@@@@@@@@ @@@@@@@@@@@@@@@@@@@@@@@@@@@@@@@@@@@@@@@@@@@@ ?O2@@@@@0M ?@@@@@@@@@@@@0M?h?3@? ?@(M ?O2@@@@@@@@@@@@@@@@@@@@@@@@@@@@@@@@@@@@@@@@@@@@@@@@@@@@@@@@@@@@6K? 3@@5 J@@@@@@@H? 3@@@@@ ?@@@@@ N@@@@@@?hf3@@1 N@@@L?hfI'@@@@@@eO2@@@@ O&@@@@@@@@@@@@@@@@@@@@@@@@@@@@@)X? 3@@@@L @@@@@@@@@@R4@@ @@@@ ?@@@@@h@@@?e?N@@@@@?h?3@@L? @@@?g?J@@@@@@H?he@@@@@@@@@@@@@@@@@L @@@@@@@@@@ @@@@@@@@@@@H V'@@@@)X?J@@@@@@@H @@@@ I4@@@@@@@@@@@@@@@@@@@@@@@@@6K? 3@@@@@@@@@6K?O2@@@@@@@@@@@@@@)K?eO2@@@@@@@@@)X?
N@@@@@@@@@@@@@@@@@@@@@@@@@@@@@@@@@@@(Y J@@@@@@@5? ?J@@@?he@@@@@@@@L? 3@@@@@@@@@(M O2@@@@@0M? @( ?@@@@@@@@@0Mhf?N@L J@ ?W2@@@@@@@@@@@@@@@@@@@@@@@@@@@@@@@@@@@@@@@@@@@@@@@@@@@@@@@@@@@@@@@@6K? N@@H 7@@@@@@@ N@@@@@ ?@@@@@ ?@@@@@@?hfV'@@L? ?3@@)Xhf?V'@@@@@@@@@@@@@heO2@6K?eO2@@@@@@@@@@@?I'@@@@@@@@@@@@@@@@@@1? N@@@@1 O26KfO2@6?26?@K @@@@@@(?'@ @@@@ ?@@@@@h@@@?f@@@@@?h?N@@1? @@@?g?7@@@@@@hf3@@@@@@@@@@@@@@@@1 @@@@@@@@@@L?hf@@@@@@@@@@@? ?V'@@@@)?&@@@@@@@?he?O2@@@@5 ?I4@@@@@@@@@@@@@@@@@@@@@@@@6K??O@K N@@@@@@@@@@@@@@@@@@@@@@@@@@@@@@@@@@@@@@@@@@@@@1?
?3@@@@@@@@@@@@@@@@@@@@@@@@@@@@@@@@@@H? 7@@@@@@@H? ?7@@5?he3@@@@@@@1? V'@@@@@@@@H? O2@@@@@@0M (Y ?O2@@@@@@@0M @1 7@1?hfO&@@@@@@@@@@@@@@@@@@@@@@@@@@@@@@@@@@@@@@@@@@@@@@@@@@@@@@@@@@@@@@@@@@@@@6X? ?@@? ?J@@@@@@@5 ?@@@@@L? ?@@@@@ ?@@@@@@?hf?N@@1? ?N@@@1 ?@@@@@@@@@@@@@@@@@@@@@@@@@@@@@@@@@@@@@@@@@@@@??V'@@@@@@@@@@@@@@@@@@? ?@@@@@ O2@@@@@@@@@@@@@@@@@@@@@@@@@@@@@@@@6X ?J@@@@@@H?N@ 3@@@eW2@?h?3@@@@L?g3@@?f3@@@@?he@@@? @@@LgJ@@@@@@@hfV'@@@@@@@@@@@@@@@@ 3@@@@@@@@@1?he?J@@@@@@@@@@5? V'@@@@@@@@@@@@@Lh?O2@@@@@@H ?I4@@@@@@@@@@@@@@@@@@@@@@@@@@@@6K?hf?@@@@@@@@@@@@@@@@@@@@@@@@@@@@@@@@@@@@@@@@@@@@@5?
?V'@@@@@@@@@@@@@@@@@@@@@@@@@@@@@@@@@ @@@@@@@5 J@@@H?heN@@@@@@@@L ?V'@@@@@@@L? O2@@@@@0M? O2@@ ?O2@@@@@@@@@@? @@ 3@@?hW2@@@@@@@@@@@@@@@@@@@@@@@@@@@@@@@@@@@@@@@@@@@@@@@@@@@@@@@@@@@@@@@@@@@@@@@@@@1? J@@? ?7@@@@@@(Y ?@@@@@1? ?@@@@@L? ?@@@@@5? @@@L 3@@@L?hf7@@@@@@@@@@@@@@@@@@@@@@@@@@@@@@@@@@@@@@@@@@@@?eV'@@@@@@@@@@@@@@@@@L ?@@@@@ ?O2@@@@@@@@@@@@@@@@@@@@@@@@@@@@@@@@@@@@)K?hf?7@@@@@@e?@L? N@@@?O&@5?h?N@@@@@?gN@@LfN@@@@Lhe3@@? 3@@1g7@@@@@@5hf?N@@@@@@@@@@@@@@@@L? ?@@@@@@@@@@?he?7@@@@@@@@@@H? ?V'@@@@@@@@@@@@)K?f?O2@@@@@@@5? I4@@@@@@@@@@@@@@@@@@@@@@@@@@hf?3@@@@@@@@@@@@@@@@@@@@@@@@@@@@@@@@@@@@@@@@@@@(Y?
V'@@@@@@@@@@@@@@@@@@@@@@@@@@@@@@@5 ?J@@@@@@@H 7@@5hf?3@@@@@@@1 V'@@@@@@)X O2@@@@@@0M @@0M ?O2@@@@@@0?'@@@@@? @@@@ ?@@?g?W&@@@@@@@@@@@@@@@@@@@@@@@@@@@@@@@@@@@@@@@@@@@@@@@@@@@@@@@@@@@@@@@@@@@@@@@@@@@@? 7@@? ?@@@@@@@H? ?@@@@@@? ?@@@@@1? ?@@@@@ 3@@1 N@@@1?hf@@@@@@@@@@@@@@@@@@@@@@@@@@@@@@@@@@@@@@@@@@@@@?e?V'@@@@@@@@@@@@@@@@1 ?@@@@@ ?W2@@@@@@@@@@@@@@@@@@@@@@@@@@@@@@@@@@@@@@@@@@?he?@@@@@@@e?@1? ?@@@@@@(Y?he@@@@h?@@1f?@@@@1heN@@? N@@@g@@@@@@@H @@@@@@@?@@@@@@@@)X 7@@@@@@@@@@Lhe?@@@@@@@@@@@ V4@@@@@@@@@@@@@@@@@@@@@@@@@@@(Y? I4@@@@@@@@@@@@@@@@hf?V'@@@@@@@@@@@@@@@@@@(MI'@@@@@@@@@@@@@@@@@@@@H
?V4@@@@@@@@@@@@@@@@@@@@@@@@@@@@@(Y W&@@@@@@5? @@@Hhf?N@@@@@@@@ ?V'@@@@@@)X? ?O2@@@@@0M ?W2@@? O2@@@@@@@0M??N@@@@@? @@@@ 7@@?gW&@@@@@@@@@@@@@@@@@@@@@@@@@@@@@@@@@@@@@@@@@@@@@@@@@@@@@@@@@@@@@@@@@@@@@@@@@@@@@L @@@? J@@@@@@@ ?@@@@@@? ?3@@@@@? ?@@@@@1? N@@@L? ?3@@@Lhf@@@@@@@@@@@@@@@@@@@@@@@@@@@@@@@@@@@@@@@@@@@@@LfV'@@@@@@@@@@@@@@@@ ?@@@@@ O&@@@@@@@@@@@@@@@@@@@@@@@@@@@@@@@@@@@@@@@@@@@LheJ@@@@@@@e?@5? ?@@@@@(Yhf@@@@1?g?@@@f?@@@@@he?@@? ?@@@g@@@@@@5? @@@@@@5?@@@@@@@@@1 @@e@@@@@@@@@@@)K?h?@@@@@@@@@@@ I4@@0M?@@@@@@@@@@@@@@@@@@@0Y ?I4@@@@@@@@0M? V'@@@@@@@@@@@@@@@@@HeN@@@@@@@@@@@@@@@@@@@5?
?I'@@@@@@@@@@@@@@@@@@@@@@@@@@(Y? 7@@@@@@@H? ?J@@@? @@@@@@@@L? V'@@@@@@)X O2@@@@@@0M ?&0M ?O2@@@@@@@@0M?f@@@@@? @@@@ @@@?f?W&@@@@@@@@@@(M?e?I4@@@@@@@@@@@@@@@0?4@@@@@@@@@@@@@@@@0M?gI4@@@@@@@@@@@@@@@1 @@@? 7@@@@@@5 ?@@@@@@? ?N@@@@@? J@@@@@@? ?3@@1? ?N@@@)X?he@@@@@@@@@@@@@@@@@@@@@@@@@@@0M??I4@@@@@@@@@@@@)X?e?V'@@@@@@@@@@@@@@@L? ?@@@@@hfO2@@@@@@@@@@@@@@@@@@@@@@@@@@@@@@@@@@@@@@@@@@@@@1he7@@@@@@@e?(Y? ?@@@@@H?hf3@@@@?g?@@@f?@@@@@L?h?@@? ?@@@g@@@@@@H? @@@@@@H?@@@@@@@@@@ @@f@@@@@@@@@@@@hJ@@@@@@@@@@5 ?@@@@@@@@@@@@@@@@0M? I@M? ?V'@@@@@@@@@@@@@@@@?e?@@@@@@@@@@@@@@@@@@(Y?
V'@@@@@@@@@@@@@@@@@@@@@@@@(Y @@@@@@@@ ?7@@5? 3@@@@@@@1? ?V'@@@@@@1 O2@@@@@0M? O2@@@@@@0Mhe@@@@5? @@@@ 3@@?fO&@@@@@@@@@@(Yg?I@M ?W@@@@@X I'@@@@@@@@@@@@@@L?W-X?he@@@? ?J@@@@@@@H ?3@@@@@? @@@@@? 7@@@@@@L ?N@@@? 3@@@1? I40M ?I'@@@@@@@@@)XfN@@@@@@@@@@@@@@@1? ?@@@@@heO2@@@@@@@@@@0?@?'@@@@@@@@@@@@@@@@@@@@@@@@@@@@@@@@@L?h@@@@@@@5 ?3@@@5 N@@@@?g?@@@f?@@@@@1?h?@@? ?@@@f?J@@@@@@ @@@@@@e3@@@@@@@@@ 3@@@@@@@@@@@h7@@@@@@@@@@H ?@@@@@@@@@@@@@@0M? V4@@@@@@@@@@@@(MgI'@@@@@@@@@@@@@@0Y
?N@@@@@@@@@@@@@@@@@@@@@@@0Y? ?J@@@@@@@5 ?@@@H? N@@@@@@@@? N@@@@@@@L? ?O2@@@@@@0M? @? O2@@@@@@@0M?hf@@@@H? @@@@ V4@?eW2@@@@@@@@@@@(Y? W&@@@@@)X? ?V4@@@@@@@@@@@@@)?&@1?he@@@? ?7@@@@@@5? ?N@@@@@? @@@@@? @@@@@@@1 3@@? N@@@@? V'@@@@@@@@@1f?@@@@@@@@@@@@@@@@? ?@@@@@gW2@@@@@@@@@@@0M?fN@@@@@f?I40?4@@@@@@@@@@@@@@@@@@1?h@@@@@@@H ?N@@@H ?@@@@Lg?3@@f?@@@@@@?h?@@? ?@@@L?e?7@@@@@@ @@@@@@eN@@@@@@@@@L? N@@@@@@@@@@@h@@@@@@@@@@@? I4@0M? I4@@@@@@@@@0Y?g?V4@@@@@@@@@@@0M
@@@@@@@@@@@@@@@@@@@@@0M? ?7@@@@@@@H J@@@ ?@@@@@@@@L ?3@@@@@@1? O2@@@@@0M? ?@@? ?O2@@@@@@@0M @@@@ 3@@@ 7@@@@@@@@@@@(Y ?W&@@@@@@@)K I'@@@@@@@@@@@@@@@Lhe@@@? ?@@@@@@@H? @@@@@L @@@@@L ?J@@@@@@@@L? N@@L ?3@@@L ?N@@@@@@@@@@L?e?3@@@@@@@@@@@@@@@L ?@@@@@f?O&@@@@@@@@@@0M?gJ@@@@5 ?I'@@@@@@@@@@@@?h@@@@@@@? @@@? ?@@@@1g?N@@L?e?3@@@@@?h?3@L ?@@@1?e?@@@@@@@ ?J@@@@@@e?@@@@@@@@@1? J@@@@@@@@@@@h@@@@@@@@@@5? I4@0M? I4@@@@@@0M
@@@@@@@@@@@@@@@@@@@(M? ?@@@@@@@@? 7@@5 ?3@@@@@@@1 ?V'@@@@@@? O2@@@@@0M? ?O.? ?O2@@@@@@0M? @@@@ N@@@ ?J@@@@@@@@@@@(Y? O&@@@@@@@@@@6K ?V'@@@@@@@@@@@@@@1he@@5? ?@@@@@@@ @@@@@1 @@@@@1 ?7@@@@@@@@1? ?@@1 ?N@@@1 @@@@@@@@@@1?e?N@@@@@@@@@@@@@@@1 ?3@@@@L??O2@@@@@@@@@0Mhe7@@@@H ?@@@@@@@@@@@@?g?J@@@@@@@? @@@?eO2@?h?@@@@@h@@1?e?N@@@@@Lh?N@1 ?3@@@?e?@@@@@@5 ?7@@@@@@e?@@@@@@@@@@? @@@@@@@@@@@@L?g@@@@@@@@@@H?
?J@@(Mhe@@@@(Y ?@@@@@@@@? @@@H ?N@@@@@@@@ V4@@@@@? ?O2@@@@@0M @0Y? O2@@@@@0M? @@@@ ?@@@ O&@@@@@@@@@@(Y O2@@@@@?eI'@@@@@? N@@@@@@?@@@@@@@@he@@H? J@@@@@@5 @@@@@@ @@@@@@ ?@@@@@@@@@@? ?3@@L? @@@@L? @@@@@@@@@@@Lf@@@@@@@@@@@@@@@@ @@@@)?2@@@@@@@@@(Mhf@@@@5? ?W&@@@@@@@@@@@@Lg?7@@@@@@@? @@@?W2@@@?h?@@@@@h@@@?f@@@@@1he@@ ?N@@@?eJ@@@@@@H ?@@@@@@5e?@@@@@@@@@@? N@@@@@@@@@@@1?g@@@@@@@@@@
?7@@H?he@@@@H? J@@@@@@@@? ?O2@@@@L @@@@@@@@L? O2@@@@@@0M ?@ ?O2@@@@@@0M? ?J@@@@ ?3@@ W2@@@@@@@@@@@@H? O2@@@@@@@@@?e?V4@@@@?h@6X?f?3@@@@@?3@@@@@@@he@@ 7@@@@@@H @@@@@@ @@@@@@ ?@@@@@@@@@@L ?N@@)X 3@@@1? 3@@@@@@@@@@1f@@@@@@@@@@@@@@@@ ?@@@@@@@@@@@@@@@@0Y?hf@@@@H? O&@@@@@@@@@@@@@1g?@@@@@@@5? @@@W&@@@@?h?@@@@@h@@@?f3@@@@@he@@ @@@?e7@@@@@@? ?@@@@@@He?3@@@@@@@@@? ?@@@@@@@@@@@@Lf?J@@@@@@@@@@
J@@@hf@@@@ 7@@@@@@@@@@@@@@@@@@@@@@@@@@@@@@@6?2@@@@@@@@@@@@@@@@@@@@@@@6?2@@@@@@@@@@@@@@@@@@@@@@@@@@@@@@@@@@@@@@@@@@@@@@@@@@@@@@@@@@@@@@@@@@@@@@@@@@@@@@)X? 3@@@@@@@1? ?O2@@@@@@0M? ?@ ?O2@@@@@0M ?7@@@@ ?V4@ ?W&@@@@@@@@@@@@5 ?@@@@@@@@@@@@@@@@?h?I4@@?h@@1?f?N@@@@@?N@@@@@@@he@@ ?J@@@@@@@? 3@@@@@ 3@@@@@ ?@@@@@@@@@@1 3@@1 V'@@@L N@@@@@@@@@@@f@@@@@@@@@@@@@@@@L? ?N@@@@@@@@@@@@@0M? @@@@ O2@@@@@@@@@@@@@@@@g?@@@@@@@H? @@@@@@@@5?h?3@@@@L?g@@@?f?@@@@@he@@ @@@Le@@@@@@@? J@@@@@@?e?N@@@@@@@@@? ?@@@@@@@@@@@@1f?7@@@@@@@@@@
7@@5he?J@@@@ ?J@@@@@@@@@@@@@@@@@@@@@@@@@@@@@@@@@@@@@@@@@@@@@@@@@@@@@@@@@@@@@@@@@@@@@@@@@@@@@@@@@@@@@@@@@@@@@@@@@@@@@@@@@@@@@@@@@@@@@@@@@@@@@@@@@@@@@@@@@@@@1? N@@@@@@@@? O2@@@@@@0M O2@? ?O2@@@@@@0M? ?@@@@@ O&@@@@@@@@@@@@(Y J@@@@@@@@@@@@@@@5? 3@@Lg3@@@@??@@@@@@@h?J@@ ?7@@@@@@@? N@@@@@ N@@@@@L? J@@@@@@@@@@@L? N@@@ ?N@@@1 ?3@@@@@@@@@@L?e@@@@@@@@@@@@@@@@1? @@@@@@@@@@@0M? 3@@@@@@@@6K?fO2@@@@@@@@@@@@@@@@@@g?@@@@@@@ @@@@@@@(Y?h?N@@@@1?g@@@?f@@@@@@he@@L? @@@1e@@@@@@5? 7@@@@@@?f@@@@@@@@@? ?3@@@@@@@@@@@@f?@@@@@@@@@@5
@@@Hhe?7@@@@ ?7@@@@@@@@@@@@@@@0M??I@?40M?hI4@@@@@@@0?40M?I40?40M I4@@@@@@@@@@@L ?3@@@@@@@L O2@@@@@0M? ?W2@@@@? O2@@@@@@0M ?@@@@@ ?O2@@@@@@@@@@@@@@(Y? ?O&@@@@@@@@@@@@@@(Y? N@@1gV'@@@@@@@@@@@@h?7@@ ?@X@@@@@@@@? ?@@@@@ ?@@@@@1? 7@@@@@(?'@@@1? ?@@@@@@6K? 3@@@ ?N@@@@@@@@@@1?e@@@@@@@@@@@@@@@@@? @@@@@@@@@(M? V4@@@@@@@@@@@@@@@@@@@@@@@@@@@@@@@@h?@@@@@@@ @@@@@@(Yhf@@@@@Lg3@@?fN@@@@@L?h@@1? @@@@?J@@@@@@H?hf?J@@@@@@@?f@@@@@@@@@? ?N@@@@@@@@@@@@L?e?@@@@@@@@@@H
@@5?he?@@@@@ ?@@@@@@@ @@@@@@@1 ?N@@@@@@@1 O2@@@@0M O&@0M? O2@@@@@0M? ?@@@@@ O2@@@@@@@@@@@@@@@@@H ?O2@@@@@@@@@@@@@@@(Y W-X?g?3@@L?f?N@@@@@@@@@@@@h?@@@ ?@@@@@@@@@@? ?@@@@@L? ?@@@@@@? @@@@@@H?N@@@@L J@@@@@@@@@6X N@@@@6X? @@@@@@@@@@@Le@@@@@@@@@@@@@@@@@? @@@@@@@@(Y ?I'@@@@@@@@@@@@@@@@@@@@@@@@@@@@@h?@@@@@@@ @@@@@@H?hf@@@@@1gN@@Lf?@@@@@1?h@@@? @@@@?7@@@@@@ W&@@@@@@5?f@@@@@@@@@? ?J@@@@@@@@@@@@1?e?@@@@@@@@@@?
?J@@H?he?@@@@@ J@@@@@@5 ?J@@@??@@@ @@@@@@@@ O2@@@0M? ?O2@@@0M ?O2@@@@@0M ?@@@@5 O2@@@@@@@@@@@@@@@@@@@@@?hf?O2@@@@@@@@@@@@@@@@@H?hf?W&@1?g?N@@1?g@@@@@@@@@@@@L?g?@@@ ?@0Y@@@@@@5? ?@@@@@1? ?@@@@@@? ?J@@@@@@e?3@@@1 7@@@@@@@@@@)X? ?3@@@@1? 3@@@@@@@@@@)X?@@@@@@@@@@@@@@@@@L @@@@@@@(Y? V'@@@@@@@@@@@@@@@?e@@@@@@@@@@hJ@@@@@@@ 3@@@@@ @@@@@@g?@@1f?3@@@@@?h3@@? 3@@@?@@@@@@@hf?O&@@@@@@@H?f3@@@@@@@@@@@6K W&@@@@@@@@@@@@@?eJ@@@@@@@@@@? ?O@K ?O@KeO@K?
?7@5hf?@@@@@ 7@@@@@@H ?7@@5??3@@L? @@@@@@@@ O2@@@@0M ?O2@@0M? O2@@@@0M ?@@@@H ?W2@@@@@@@@@@@@@@@@@@@@(M?hf?W2@@@@@@@@@@@@@@@@@@@ W&@@5?h3@@Lg3@@@@@@@@@@@1?g?@@@ ?J@@@@@@H? ?@@@@@@? ?@@@@@@? ?7@@@@@@e?N@@@@L?he?J@@@@@@@@@@@@)X ?N@@@@@L V4@@@@@@@@@@)X@@@@@@@@@@@@@@@@@1 @@@@@@(Ye?O2@@@@6X? ?N@@@@@@@@@@@@@@@?e@@@@@@@@@5h7@@@@@@@ N@@@@@ @@@@@@g?@@@f?N@@@@@?hN@@? N@@@@@@@@@@@heO2@@@@@@@@@@gN@@@@@@@@@@@@@@@@@@@@@@@6K?O@?&@@@@@@@@@@@@@@Le7@@@@@@@@@5? W2@@@@@@@@@@@@@@@@@@@@@@@@@@@@@@@@@@@@@@@@6X
?@@Hhf?@@@@@ ?J@@@@@@@? ?@@@H??N@@1? 3@@@@@@@L? O2@@@@0M ?O2@@0M? ?O2@@@@0M? ?@@@@? O&@@@@@@@@@@@@@@@@@@@@0Y W&@@@@@@@@@@@@@@@@@@@@L?he?W&@@@H?hN@@1gN@@@@@@@@@@@@?g?@@@ ?7@@@@@@L? ?@@@@@@? ?@@@@@@? J@@@@@@@f@@@@1?heW&@@@@@@@@@@@@@1 @@@@@)X?W2@6X? @@@@@@@@@@@@@@@@@@@@@@@@@@@@ @@@@@(Y??W2@@@@@@@)X ?J@@@?e?I4@@@@@@?e@@@@@@@@@Hh@@@@@@@5 ?@@@@5 @@@@@@g?3@@g@@@@@Lh?@@L ?@@@@@@@@@@5hW2@@@@@@@@@@@@g?@@@@@@@@@@@@@@@@@@@@@@@@@@@@@@@@@@@@@@@@@@@@1e@@@@@@@@@@H? 7@@@@@@@@@@@@@@@@@@@@@@@@@@@@@@@@@@@@@@@@@@)X?
J@@?hf?@@@@@ ?7@@@@@@5? J@@5f3@@L N@@@@@@@1? ?O2@@@@0M? O2@@@0M? O2@@@0M? J@@@@? W2@@@@@@@@@@@@@@@@@@@@(M ?O&@@@@@@@@@@@@@@@@@@@@@1?heW&@@@@he?@@@L?f?3@@@@@@@@@@@?g?@@@ ?3@@@@@@1? ?3@@@@@? ?3@@@@@? 7@@@@@@@f3@@@@Lh?W&@@@@@@@@@@@@@@@L? 3@@@@@)?&@@@)X 3@@@@@@@@@@@@@@@@@@@@@@@@@@@ @@@@@He?7@@@@@@@@@1 ?7@@@?g@@@@@?e@@@@@@@@@?h@@@@@@@H ?3@@@H @@@@@@g?N@@g@@@@@1h?@@1 ?@@@@@@@@@@Hg?W&@@@@@@@@@@@@5g?3@@@@@@@@@@@@@@@@@@@@@@@@@@@@@@@@@@@@@@@@@@@@?J@@@@@@@@@@ @@@@@@@@@@@@@@@@@@@@@@@@@@@@@@@@@@@@@@@@@@@@1?
?O&@@Lhf?@@@@@ ?@@@@@@@H? 7@@HfN@@1 ?3@@@@@@@? ?O2@@@0M ?W2@@@0M ?O2@@@0M 7@@@@? ?W&@@@@@@@@@@@@@@@@@@@@(Y?g?O@?e?O2@@@@@@@@@@@@@@@@@@@@@@@@?h?W&@@@@@L?eW26Xe?3@@1?f?N@@@@@@@@@@@?g?@@@ ?N@@@@@@@? ?N@@@@@? ?N@@@@@? @@@@@@@5fN@@@@1h?7@@@@@@@@@@@@@@@@)X V@@@@@@@@@@@@)K?eO@KO2@6K ?@@@@@@@@@@@@@@@@@@@@@@@@@@@L? @@@@@?e?@@@@@@@@@@@ J@@@@?g@@@@@??J@@@@@@@@@?h@@@@@@@? ?N@@@? @@@@@@h@@g@@@@@@h?@@@ ?@@@@@@@@@@?gW&@@@@@@@@@@@@@Hg?N@@@@@@@@@@@@@@@@@@@@@@@@@@@@@@@@@@@@@@@@@@@5?7@@@@@@@@@5 @@@@@@@@@@@@@@@@@@@@@@@@@@@@@@@@@@@@@@@@@@@@@?
@@@@@)K?he?@@@@@ J@@@@@@5 @@@?f?3@@ ?N@@@@@@@L ?O2@@@@0M? ?&@0M? ?O2@@@@0M? @@@@@? ?7@@@@@@@@@@@@@@@@@@@@0Yh@@@??O2@@@@@@@@@@@@@@@@@@@@@@@@@@?hO&@@@@@@1?e7@@1e?N@@@?g3@@@@?@@@@@Lg?@@@ @@@@@@@? @@@@@L @@@@@? ?J@@@@@@@Hf?3@@@@L?g?@@@@@@@@@@@@@@@@@@)K?g?O26?2@@@@@@@@@@@@@@@@@@@@@@@@@@6KO2@@6?26K? ?O&@@@@@@@@@@@@@@@@@@@@@@@@@@@1? ?J@@@@5?e?@@@@@@@@@@@ 7@@@@?f?J@@@@5??7@@@@@@@@5?h@@@@@@@? @@@? @@@@@@h@@L?f@@@@@@h?@@@ ?@@@@@@@@@@?f?W&@@@@@@@@@@@@@@?h@@@@@@@@@@@@@@@@@@@@@@@@@@@@@@@@@@@@@@@@@@@H?@@@@@@@@@@H @@@@@@@@@@@@@@@@@@@@@@@@@@@@@@@@@@@@@@@@@@@@@?
@@@@@@@6X?h?@@@@@ 7@@@@@@H ?J@@5?f?N@@L? @@@@@@@1 @@@@(M ?O2( ?O2@@@@0M? @@@@@? J@@@@@@@@@@@@@@@@@@@0Mhe@@@@@@@@@@@@@@@@@@@@@@@@@@@@@@@@5?f?O2@@@@@@@@@@Le@@@@f@@@LgN@@@@W@@@@@1g?@@@ 3@@@@@@? @@@@@1 @@@@@L ?7@@@@@@@?f?N@@@@1?g?@@@@@@@@@@@@@@@@@@@@@@@@@@@@@@@@@@@@@@@@@@@@@@@@@@@@@@@@@@@@@@@@@@@@@@@@@@@@@@@@@@@@@@@@@@@@@@@@@@@@@@@@@@@@@@@@@@@@? ?7@@@@f?@@@@@@@@@@5 @@@@@?f?7@@@@H??@@@@@@@@@H?g?J@@@@@@5? @@@@@6X?he3@@@@@h@@1?f3@@@@@L?g?@@@ ?@@@@@@@@@5?fW&@@@@@@@@@@@@@@@?h@@@@@@@@@@@@@@@@@@@@@@@@@@@@@@@@@@@@@@@@@@@??@@@@@@@@@@? @@@@@@@@@@@@@@@@@@@@@@@@@@@@@@@@@@@@@@@@@@@@@?
@@@@@@@@)Xh?@@@@@ ?J@@@@@@5? ?7@@H?g@@1? 3@@@@@@@ @@@0Y? @@0Y ?O2@@@@0M? @@@@@? ?W&@@@@@@@@@@@@@@@@@0Mhf@@@@@@@@@@@@@@@@@@@@@@@@@@@@@@@@H??W2@@@@@@@@0M?@@@1e3@@@f3@@1g?@@@@@Y@@@@@g?@@@ N@@@@@@L @@@@@@ @@@@@1 ?@@@@@@@@?g@@@@@Lg?@@@@@@@@@@@@@@@@@@@@@@@@@@@@@@@@@@@@@@@@@@@@@@@@@@@@@@@@@@@@@@@@@@@@@@@@@@@@@@@@@@@@@@@@@@@@@@@@@@@@@@@@@@@@@@@@@@@@? ?3@@@@1?e?@@@@@@@@@@H @@@@@?f?@@@@@e?@@@@@@@@@h?7@@@@@@H? @@@@@@1?heN@@@@@h@@@?fN@@@@@1?g?3@@ ?3@@@@@@@@H?e?W&@@@@@@@@@@@@@@@5?h@@@@@@@@@@@@@@@@@@@@@@@@@@@@@@@@@@@@@@@@@@5??@@@@@@@@@@? @@@@@@@@@@@@@@@@@@@@@@@@@@@@@@@@@@@@@@@@@@@@@?
@@@@@@@@@)K?g?3@@@@ ?7@@@@@@H? J@@5h3@@L N@@@@@@@L? ?@@? ?O2@@@@0M? @@@@5? O&@@@@@@@@@@@@@@@@0M @@@@@@@@@?e@@@@@@@@@@@@@@@@@@@5eW&@@@@@@@0M?e3@@@L?N@@@fN@@@L?f?3@@@@W@@@@@L?f?@@5 ?3@@@@@1 3@@@@@ 3@@@@@ J@@@@@@@@?g3@@@@1g?@@@@@@@@@@@@@@@@@@@@@@@@@@@@@@@@@@@@@@@@@@@@@@@@@@@@@@@@@@@@@@@@@@@@@@@@@@@@@@@@@@@@@@@@@@@@@@@@@@@@@@@@@@@e@@@@@@@L ?N@@@@@?e?@@@@@@@@@@? @@@@5?f?@@@@@e?@@@@@@@@@h?@@@@@@@ @@@@@@@?he?@@@@@h3@@?f?@@@@@@?g?N@@L? ?N@@@@@@@@fW&@@@@@@@@@@@@@@@@H?h3@@@@@@@@@@@@@@@@@@@@@@@@@0Me?I'@@@@@@@@@H?J@@@@@@@@@5? 3@@@@@@@@@@@@@@@@@@@@@@@@@@@@@@@@@@@@@@@@@@@5?
@@@@@@@@@@@@@@@@@@?N@@@@@@@@@@@@@@@@@@@@@@@@@@@@@@@@@@@6?2@@@@6X W&K?e?O26K?e?O26?26KfO@K?O@K?g?O@?2@6XhfJ@@@@@@5 7@@HhN@@1 ?@@@@@@@1? ?O2@@? O2@@ ?W2@@@@@0M @@@@H? W2@@@@@@@@@@@@@@@@0M ?I'@@@@@@?e@@@@@@@@@@@@@@@@@@@He7@@@@@@0M?fN@@@1??@@@f?3@@)Xf?N@@@@@Y@@@@1?f?@@H ?N@@@@@@L? N@@@@@ N@@@@@ 7@@@@@@@@LgN@@@@@g?3@@@@@@@@@@@@@@@@@@@@@(M?I4@@@@@@@@@@@@@@@@@@0?4@@@0Me?I40M? ?@@@@@@@@@@@@@@@@5e3@@@@@@1 @@@@@@6XeI4@@@@0M @@@@H?f?@@@@@e?@@@@@@@@5h?@@@@@@@ @@@@@@5?he?@@@@@hN@@?f?@@@@@@Lh@@1? 3@@@@@@@f7@@@@@@@@@@@@@@@@@heN@@@@@@(M?he?I4@0MgV'@@@@@@@@e7@@@@@@@@@H? V'@@@@@@@@@@@@@@@@@@@@@@@@@@@@@@@@@@@@@@@@@0Y?
@@@@@@@@@@@@@@@@@5e@@@@@@@@@@@@@@@@@@@@@@@@@@@@@@@@@@@@@@@@@@@,h@@@@@@h7@@@@@@@@@@@@@@@@@@@@@@@@@@@@@@@@@@@@@@@@@@@@@@1hf7@@@@@@H @@@?h?@@@L? ?3@@@@@@@? ?O2@(M ?O2@@0M? O&@@@0M? ?J@@@@ 7@@@@@@@@@@@@@@@0M N@@@@@@Le@@@@@@@@@@@@@@@@@@5?e@@@@@0M?g?3@@@L?@@@f?V'@@)X?f@@@@@?@@@@@?f?@@? 3@@@@@1? ?@@@@@ ?@@@@@ @@@@@@@@@1g?@@@@@L?f?N@@@@@@@@@@@@@@@@@?I40Y ?@@@@@(M ?@@@@@@@@@@@@@@@@?eN@@@@@@@ @@@@@@@)X? @@@@g?@@@@@e?@@@@@@@@Hh?@@@@@@@ @@@@@@H?he?@@@@@h?@@?f?3@@@@@1h@@@? N@@@@@@5e?J@@@@@@@@@@@@@@@@@5he?@@@@@(Y ?N@@@@@@@@e@@@@@@@@@@ ?N@@@@@@@@@?
3@@@@@@@@@@@@@@@0Y?J@@@@@@@@@@@@@@@@@@@@@@@@@@@@@@@@@@@@@@@@@@0Yh3@@@@@h3@@@@@@@@@@@@@@@@@@@@@@@@@@@@@@@@@@@@@@@@@@@@@@5hf@@@@@@@? @@5?h?3@@1? ?N@@@@@@@L ?O2@@@@0Y? O2@@@0M? O2@@@@0M ?7@@@@ @@@@@@@@@@@@@@(Mhe?@@@@?g?@@@@@@)K?@@@@@@@@@@@@@@@@@@H?e3@@(M?h?N@@@)X@@@gN@@@1?f3@@@@?3@@@@LfJ@@? N@@@@@@? ?@@@@@L? ?@@@@@ 3@@@@@@@@@L?f?3@@@@1?g3@@@@@@@@@@@@@@@5? ?@@@@@H? ?@@@@@@@@@@@@@@@@1e?@@@@@@@L? 3@@@@@@@)X @@@@g?@@@@@eJ@@@@@@@@?hJ@@@@@@@ @@@@@5hf?@@@@@h?@@Lf?N@@@@@@h@@@? ?@@@@@@He?7@@@@@@@@@@@@@@@@@HheJ@@@@@H? @@@@@@@5?J@@@@@@@@@@ @@@@@@@@@L
V+M?I40Mhe?7@@@(M? V4@0M?hV+MI40M??I@MI40Me?I@MI40MfI40MI40MI@?4@@@@0Yhf@@@@@@5? ?J@@H?h?N@@@? @@@@@@@1 ?O2@@@@(M? O2@@@0M? O2@@0M ?@@@@@ @@@@@@@@@@@@@(Y?he?@@@@?gJ@@@@@@@@@@@V'@@@@@@@@@@@@@@fV40Yhf3@@@@@@5g?3@@@?fN@@@@LN@@@@1f7@@? ?@@@@@@? ?@@@@@1? ?3@@@@ N@@@@@@@@@1?f?N@@@@@?gV'@@@@@@@@@@@@@(Y? ?@@@@5 J@@@@@@@@@@@@@@@@@e?@@@@@@@1? N@@@@@@@@)X? @@@@g?@@@@@e7@@@@@@@@?h7@@@@@@@ @@@@@Hhf?@@@@@h?@@1g@@@@@@h3@@? J@@@@@@?eJ@@@@@@@@@@@@@@@@@@?he7@@@@@ ?J@@@@@@@H?7@@@@@@@@@@ @@@@@@@)X?
?@@@@H ?J@@@@@@H? ?7@@hf3@@L 3@@@@@@@L? ?O2@@@@@0Y O2@@0M ?O2@@@0M ?@@@@@ 3@@@@@@@@@@@@Uhf?@@@@?g7@@?I'@@@@@@?V'@@@@@@@@@@@@@ V'@@@@@?g?V'@5?f?3@@@1?@@@@@f@@@? ?3@@@@@? ?@@@@@@? ?N@@@@L? ?3@@@@@@@@@Lg3@@@@Lg?V'@@@@@@@@@@@(Y ?@@@@H 7@@@@@@@@@@@@@@@@@e?@@@@@@@@? ?@@@@@@@@@1? ?W2@@@@@gJ@@@@@e@@@@@@@@@?h@@@@@@@5 3@@@@?hf?3@@@@L?g?@@@g@@@@@@hN@@? 7@@@@@@?e7@@@@@@@@@@@@@@@@@@?he@@@@@@ ?7@@@@@@@??@@@@@@@@@@5 3@@@@@@@)X
?@@@@? ?7@@@@@5 ?@@5hfN@@1 N@@@@@@@1? ?O2@@@@0M? O2@(M? ?O2@@@@0M? ?@@@@@ N@@@@@@@@@@@V@@6X?f@@eJ@@@@Lf?J@@5??N@@@@@@eN@@@@@@@@@@@@@L? ?V'@@@@1hV'Y?f?N@@@@W@@@@@f@@@? ?N@@@@@L ?3@@@@@? @@@@1? ?N@@@@@@@@@)K?fN@@@@)X?gN@@@@@@@@@@0Y? ?@@@@? ?J@@@@@@@@@@@@@@@@@@e?@@@@@@@@? ?3@@@@@@@@@? W&@@@@@@f?O&@@@@@e3@@@@@@@@?h@@@@@@@H N@@@@?hf?N@@@@1?g?@@@eO2@@@@@@@@h?@@L @@@@@@@?e@@@@@@@@@@@@@@@@@@@?he@@@@@@ ?@@@@@@@@??@@@@@@@@@@H V'@@@@@@@1
?@@@@? ?@@@@@@H J@@Hhf?@@@ ?3@@@@@@@? ?O2@@@@@0M W2@@@@0Y ?O2@@0M? ?@@@@@ ?@@@@@@@@@@@@@@@)Xf@@L?7@@@@)X?eO&@@H?e3@@@@@@6X@@@@@@@@@@@@@)X ?@@@@@ 3@@@@Y@@@@L?e@@@? @@@@@1 ?N@@@@@? @@@@@? 3@@@@@@@@@@6X?e?@@@@@1?g?@@@@@@@@@ J@@@5? ?7@@@@@@@@@@@@@@@@@@e?@@@@@@@@L ?N@@@@@@@@@@6X 7@@@@@@@e?O2@@@@@@@eN@@@@@@@5?g?J@@@@@@@? ?@@@@? @@@@@?g?3@@@@@@@@@@@@@@L?g?@@1 @@@@@@5??J@@@@@@@@@@@@@@@@@@5?he@@@@@5 ?@@@@@@@5?J@@@@@@@@@@? ?V'@@@@@@@L?
?@@@@? J@@@@@5? 7@5?hf?3@@L? ?N@@@@@@@L O2@@@@@@0M ?O&@@@0M ?O2@@@@0M? ?@@@@5 ?@@@V'@@@@@@@@@@@)X?e@@1?@@@@@@)KO2@@@5fV'@@@@@@@@@@@@@@@@@@@@@)KO2@@6K?he?O&@@@@@gO2@@6XgN@@@@W@@@@1?e@@@? 3@@@@@ @@@@@? @@@@@? N@@@@@@@@@@@1?e?3@@@@@Lg?@@@@@@@@@ 7@@@H? J@@@@@@@@@@@@@@@@@@@e?@@@@@@@@1 @@@@@@@@@@@)X? @@@@@@@@@@@@@@@@@@@@L??3@@@@@@H?g?7@@@@@@5? ?@@@@? @@@@@?g?N@@@@@@@(Y@@@@@1?g?@@@ @@@@@@H?W&@@@@@@@@@@@@@@@@@@H?h?J@@@@@H J@@@@@@@H?@@@@@@@@@@@? N@@@@@@@)X
?@@@@? ?W&@@@@@H? ?J@@H?hf?N@@1? @@@@@@@1 O2@@@@@0M? ?O2@@0M? ?O2@@0M? ?@@@@H ?@@@LV'@@@@@@@@@@@)Ke@@@?@@@@@@@@@@@@@Hf?N@@@@@@@@@@@@@@@@@@@@@@@@@@@@@@@@@@@@@@@@@@@@@@@@@@@@@@@@@@@)K?f?@@@@@Y@@@@Le@@5? N@@@@@L? @@@@@? @@@@@? ?@@@@@@@@@@@@?f@@@@@)X?fJ@@@@@@@@@ @@@@ 7@@@@@@@@@@@@@@@@@@@L??@@@@@@@@@ @@@@@@@@@@@@)X @@@@@@@@@@@@@@@@@@@@1??N@@@@@@h?@@@@@@@H? ?@@@@? @@@@@?h@@@@@@(Y?@@@@@@?g?@@@ ?J@@@@@@e7@@@@@@@@@@@@@@@@@@@he?7@@@@@? 7@@@@@@@e?@@@@@@@@@5? ?3@@@@@@@1
?3@@@? ?7@@@@@@ ?7@@ 3@@? 3@@@@@@@ O2@@@@0M ?O2@@0M? O2@0M? ?@@@@? ?@@@1??@@@@@@@?I'@@@@@@@@@@@@@@@@@@@@@@?g@@@@@@@@@@@@@@@@@@@@@@@@@@@@@@@@@@@@@@@@@@@@@@@@@@@@@@@@@@@@@6X?e?3@@@@?@@@@1e@@H? ?@@@@@1? @@@@@? @@@@@L ?@@@@@@@@@@@@LeW&@@@@@@1?f7@@@@@@@@@ ?J@@@@ @@@@@@@@@@@@@@@@@@@@1??@@@@@@@@@ @@@@@@@@@@@@@)X?hf@@@@@@@@@@@@@@@@@@@@@L?J@@@@@@h?@@@@@@@ ?@@@@? 3@@@@?h@@@@@@H??@@@@@@?g?@@@ ?7@@@@@@e@@@@@@@@@@@@@@@@@@@@he?@@@@@@? @@@@@@@@e7@@@@@@@@@H? ?V'@@@@@@@L?
?N@@@? ?@@@@@@@ ?@@@ N@@L N@@@@@@@L? ?O2@@@@@0M ?O2@@@@0M? O2@@0M ?@@@@? ?@@@@?7@@@@@@@eV4@@@@@@@@@@@?@@@@@@0Mf?W2@@@@@@@@@@@@@@@@@@@@@@@@@@@@@@@@@@@@@@@@@@@@@@@@@@@@@@@@@@@@@@@)Kf@@@@?@@@@@?J@@ ?3@@@@@? @@@@@? @@@@@1 ?@@@@@@@@@@@@)KO&@@@@@@@@?f@@@@@@@@@@L? ?7@@@5 @@@@@@@@@@@@@@@@@@@@@??@@@@@@@@@ @@@@@@@@@@@@@@)Xhe?J@@@@@@@@@@@@@@@@@@@@@)?&@@@@@5hJ@@@@@@@ ?3@@@? N@@@@Lh@@@@@@e?@@@@@@?g?3@@ J@@@@@@5?J@@@@@@@@@@@@@@@@@@@5he?@@@@@@? @@@@@@@5e@@@@@@@@@@ V'@@@@@@1?
?J@@@? J@@@@@@5 J@@5 ?@@1 ?3@@@@@@1? ?O2@@@0M ?O2@@@(M O2@@@0M? ?@@@@? ?@@@@?@@@@@@@@fI'@@@@@@@@@@@@@@0MgW&@@@@@@@@@@@@@@@@@@@@@@@@@@@@@@@@@@@@@@@@0?@Mg?I4@@@@@@@@@@@@@6KO&@@@@@@@@@@W&@@ ?N@@@@@? @@@@@L @@@@@@ O2@@@@@@@@@@@@@@@@@@@@@@@@@@6X?J@@@@@@@@@@1? J@@@@H @@@@@@@@@@@@@@@@@@@@@??@@@@@@@@@ @@@@@@@@@@@@@@@)K?hW&@@@@(Mhe?I'@@@@@@@@@@Hh7@@@@@@@ ?N@@@L ?@@@@1h3@@@@@@6T@@@@@@?g?N@@ 7@@@@@@H?7@@@@@@@@@@@@@@@@@@@HheJ@@@@@@? ?J@@@@@@@H?J@@@@@@@@@5 ?V4@@@@@@?
?@@@@? 7@@@@@@H 7@@H ?3@@ ?N@@@@@@@? O2@@@@0M ?O2@@@@0Y? O2@@@@@0M? ?@@@@? ?@@@@@@@@@@@@@L?e?V'@@@@@@@@@@@h?O&@@@@@@@@@@@@0M?I'@@@@@@@(M? @@@@@@@@@@@@@@@@@@@@@@@@@@@@@@ 3@@@@L @@@@@1 3@@@@@ O2@@@@@@@@@@@@@@@@@@@@@@@@f@@@)?&@@@@@@@@@@@? 7@@@5? ?J@@@@@@@@@@@@@@@@@@@@5??3@@@@@@@@ @@@@?I4@@@@@@@@@@6X?g7@@@@(Y?hfV'@@@@@@@@5?h@@@@@@@@ @@@1 ?@@@@@hN@@@@@@@(Y@@@@@Lh@@L? @@@@@@@??@@@@@@@@@@@@@@@@@@@@?he7@@@@@5? ?7@@@@@@@??7@@@@@@@@@H
?N@@@? ?J@@@@@@5? @@@? ?N@@L? @@@@@@@L O2@@@@0M ?O2@@@0M O2@@@0M? ?@@@@? ?@@@@@@@@@@@@@1?fV'@@@@@@@@@5g?W2@@@@@@@@@0Mg?N@@@@@@@H @@@@@@@@@@@@@@@@@@@@@@@@@@@@@@ N@@@@1 3@@@@@ N@@@@@ O2@@@@@@@@@@@@@@@@@@@@@@@@@@f3@@@@@@@V'@@@@@@@? @@@@H? ?7@@@@@@@@@@@@@@@@@@@@H??V'@@@@@@@ @@@@e?I'@@@@@@@@@)Kg@@@@@Y ?N@@@@@@@@H?h@@@@@@@@ @@@@ ?3@@@@h?@@@@@@@H?@@@@@1h@@1? @@@@@@@?J@@@@@@@@@@@@@@@@@@@@?he@@@@@@H? ?@@@@@@@5??@@@@@@@@@@?
@@@? ?7@@@@@@H? ?J@@5? 3@1? 3@@@@@@1 ?O2@@@@@0M ?O2@@@0M O2@@@@@0M? ?@@@@? ?3@@@@@@@@@@@@@?f?N@@@@@@@@(YgO&@@@@@@@@0Mhe@@@@@@@? ?J@@@@(?'@@@@@@@@@@@@@@@@@@@@@@@ ?3@@@@ N@@@@@ ?@@@@@ ?W2@@@@@@@@@@@@@@@@@@@@@@@@@@@@@fN@@@@@@5?N@@@@@@@? @@@@ J@@@@@@@@@@@@@@@@@@@@5fN@@@@@@@ @@@@fV4@@@@@@@@@@6Kf@@@@@@@@@@@@@@@@@@6X?J@@@@@@@@he@@@@@@@@ @@@@ ?N@@@@h?@@@@@@5e@@@@@@h@@@? @@@@@@5?7@@@@@@@@@@@@@@@@@@@@?he@@@@@5 J@@@@@@@H??@@@@@@@@@@?
3@@? J@@@@@@5 ?7@@H? N@@? N@@@@@@@ ?O2@@@@0M? O2@@@0M? ?O2@@@@0M? J@@@@? ?N@@(?'@@@@@@@@?g@@@@@@@0Y?fO2@@@@@@@(M?f?W2@@@6X@@@@@@@@6?26KO@KO@K??O@KhfO&@@@@H?N@@@@@@@@@@@@@@@@@@@@@@@ ?N@@@@L? ?@@@@@ ?@@@@@ W&@@@@@@@@@@@@@@@@@@@@@@@@@@@@@@f?@@@@@@He@@@@@@@? ?J@@@@ 7@@@@@@@@@@@@@@@@@@@@Hf?@@@@@@@ @@@@gI'@@@@@@@@@@@@@@@@@@@@@@@@@@@@@@@@@)?&@@@@@@@5he@@@@@@@@ @@@@ @@@@h?@@@@@(Ye3@@@@@h3@@? ?J@@@@@@H?@@@@@@@@@@@@@@@@@@@@5?he@@@@@H 7@@@@@@@e?@@@@@@@@@@?
N@@? 7@@@@@@H ?@@5 ?@@L ?3@@@@@@L? O2@@@@0M O2@@@0M? O2@@@@0M 7@@@@? 3@H?N@@@@@@@@Le?W2@@@@?hW2@@@@@@@@(YgW&@@@@@@@@@@@@@@@@@@@@@@@@@@@@@@@@@@@@@@@@@@@@@@@@e?@@@@@@@@@@@@@@@@@@@@@@@ @@@@1? ?@@@@@ ?@@@@@ ?W&@@@@@@@@@@@@@@@@@@@@@@@@@@@@@@@f?3@@@@@?e@@@@@@@? ?7@@@5 @@@@@@@@@@@@@@@@@@@@@?fJ@@@@@@@ @@@@g?V'@@@@@@@@@@@@@@@@@@@@@@@@@@@@@@@@@@@@@@@@@@Hh?J@@@@@@@@ @@@@ @@@@h?@@@@@H?eN@@@@@L?gN@@L ?7@@@@@@?J@@@@@@@@@@@@@@@@@@@@H?he@@@@@? @@@@@@@5eJ@@@@@@@@@@?
J@@? @@@@@@@? J@@H ?3@1 ?N@@@@@@1? O2@@@0M? O2@@@0M? ?O2@@@@0M? @@@@@? N@e?3@@@@@@@1e?7@@@@@?g?W&@@@@@@@@0Y??O2@6?&@@@@@@@@@@@@@@@@@@@@@@@@@@@@@@@@@@@@@@@@@@@@@@@@@L??3@@@@@@@@@@@@@@@@@@@@@@ 3@@@@? ?@@@@@L? ?@@@@@ W&@@@@@@@@@@@@@@@@@@@@@@@@@@@@@0M?f?V'@@@@?e@@@@@@@? ?@@@@Hg?O2@@@@@6K ?J@@@@@@@@@@@@@@@@@@@@@?f7@@@@@@@ @@@@hV4@@@@@@@@@@@@@@@@@@@@@@@@@@@@@@@@@@@@@@@@@?h?7@@@@@@@@ 3@@@ @@@@L?g?@@@@@f?@@@@@1?g?@@@ ?@@@@@@@?7@@@@@@@@@@@@@@@@@@@@he?J@@@@5? @@@@@@@He7@@@@@@@@@5?
7@@? ?J@@@@@@5? 7@@? ?N@@ @@@@@@@? O2@@@0M? O2@@@0M? ?O2@@@@@0M @@@@5? ?@e?N@@@@@@@@L??@@@@@5?gW&@@@@@@@(M??W2@@@@@@@@@@@@@@@@@@@@@@@@@@@@@@@@@@@@@@@@@@@@@@@@@@@@@@@1??N@@@@@@@@@@@@@@@@@@@@@@ N@@@@L ?@@@@@1? ?3@@@@ 7@@@@@@@@@@@@@@@@0M? N@@@@@@@@@@@@@@? J@@@5?f?W2@@@@@@@@@@@6K ?7@@@@@@@@@@@@@@@@@@@@@?f@@@@@@@@ @@@@heI'@@@@@@@@@@@@@@@@@@@@@@@@@@@@@@@@@@@@@@5?hJ@@@@@@@@5 N@@@L? @@@@1?g?3@@@@f?@@@@@@?g?@@? ?@@@@@@@?@@@@@@@@@@@@@@@@@@@@@he?7@@@@H? @@@@@@@?e@@@@@@@@@@H?
@@@? ?7@@@@@@H? ?J@@5? @@L? @@@@@@@L O2@@@@@0M? O2@@@0M? ?O2@@@@0M? @@@@H? ?@L?e@@@@@@@@1??3@@@@H?f?O&@@@@@@@(YeW&@@@@@@@@@@@@@@@@@@@@@@@@@@@@@@@@@@@@@@@@0MI4@@0M?I4@0?'@@?e@@@@(MI'@@@@@@@@@@@@@@ ?3@@@1 ?3@@@@@? ?N@@@@L? @@@@@@@@@@@@@0M? ?@@@@@@@@@@@@@@@@@@@@@@@@@@@@6K?e7@@@H?fW&@@@@@@@@@@@@@@6K ?@@@@@@@@@@@@@@@@@@@@@@?f@@@@@@@5 @@@@he?V4@@@@@@@@@@@@@@@@@@@@@@@@@@@@@@@@@@@@@H?h7@@@@@@@@? ?@@@1? @@@@@?g?N@@@5f?3@@@@@?g?@@1 J@@@@@@@@@@@@@@@@@@@@@@@@@@@@5he?@@@@@ ?J@@@@@@@??J@@@@@@@@@5
@@@? ?@@@@@@5 ?7@@H? 3@1? 3@@@@@@1 O2@@@@0M ?W2@@@0M ?O2@@@0M @@@@ ?@1?e3@@@@@@@@??V'@@@f?W2@@@@@@@@0Y??W&@@@@@@@@0M?fI'@@@@@@ N@@@6X@@@0Y??N@@@@@@@@@@@@@@ ?N@@@@L? ?N@@@@@? @@@@1? @@@@@@@@@@@@ ?W2@@@@@@@@@@@@@@@@@@@@@@@@@@@@@@@@@?J@@@@f?W&@@@@@@@@@@@@@@@@@6X ?@@@@@@@@@@@@@@@@@@@@@@?f@@@@@@@H @@@@L?he?I4@@@@@@@@@@@@@@@@@@@@@@@@@@@@@@@@@@5he@@@@@@@@@)K? ?@@@@? @@@@@?h@@@Hf?N@@@@@Lg?@@@ 7@@@@@@@@@@@@@@@@@@@@@@@@@@@@HheJ@@@@@ ?7@@@@@@5??7@@@@@@@@@H
@@@? J@@@@@@H ?@@5 N@@? N@@@@@@@ O2@@@0M? O&@@0M ?O2@@@0M @@@@ ?@@?eN@@@@@@@@LeV4@@fO&@@@@@(M?fW&@@@@@@(Mh?N@@@@@@ ?3@@@@@@X?f3@@@@@@@@@@@@@L? 3@@@1? @@@@@? @@@@@? ?J@@@@@@@@@@@5 ?7@@@@@@@@@@@@@@@@@@@@@@@@@@@@@@@@@@W&@@@5fW&@@@@@@@@@@@@@@@@@@@)X? ?@@@@@@@@@@@@@@@@@@@@@5?f@@@@@@@? @@@@1?hf?I4@@@@@@@@@@@@@@@@@@@@@@@@@@@@@@@0Yhe@@@@@@@@@@@@@@@6X? ?@@@5? 3@@@@?h@@@?g@@@@@1g?@@@ @@@@@@@?@@@@@@@@@@@@@@@@@@@@@?he7@@@@5 ?@@@@@@@H??@@@@@@@@@@?
@@@? 7@@@@@5? ?@@H ?3@L ?3@@@@@@ O2@@@0M? O2@@@0M? O2@@@0M? @@@@ ?@@?e?@@@@@@@@1hO2@@@@@@(Yf?W&@@@@@@0Y?he@@@@@@ ?V4@@@@@)XfN@@@@@@@@@@@@@1? N@@@@? @@@@@L @@@@@? ?7@@@@@@@@@@@Hg?O2@@@@@@6K?gJ@@@(?'@@@@@@@@@@@@@@@@@@@@@@@@@@@@@@@@@(Yf7@@@@@@@@@@@@@@@@@@@@@1? J@@@@@@@@@@@@@@@@@@@@@H?f@@@@@@@? @@@@@? I4@@@@@@@@@@0MI'@@@@@@@@0Mhf@@@@@@@@@@@@@@@@)? ?@@@ N@@@@?h@@@?O26Xe@@@@@@g?3@@ ?J@@@@@@@?@@@@@@@@@@@@@@@@@@@@@?h?J@@@@@H ?@@@@@@@e?@@@@@@@@@5?
@@5? ?J@@@@@@H? J@@? ?N@1 ?N@@@@@@L? W2@@@@0M O2@@@0M? ?O2@@@0M ?J@@@@ ?@@?e?3@@@@@@@@L?e?O2@@@@@@@@0Y?fW&@@@@@(M?hf@@@@@@ ?I'@@@@)X?e?3@@@@@@e@@@@@? ?@@@@L @@@@@1 @@@@@L ?@@@@@@@@@@@5?f?W2@@@@@@@@@@@@?e?W&@@@H?N@@@@??@@@@@@@@@@@@@(MeI4@0M??@@@H?e?J@@@@@@@@@@@@@@@@@@@@@@@? 7@@@@@@@@@@@@@@@@@@@@@f?J@@@@@@5? @@@@@? ?V4@@@0M ?J@@@@@@@@@@@@@@@@H? ?@@@1? ?@@@@?h@@@@@@@1e3@@@@@g?N@@ ?7@@@@@@5?@@@@@@@@@@@@@@@@@@@@5?h?7@@@@@? ?@@@@@@5e?@@@@@@@@@H?
@@H? ?7@@@@@5 7@5? @@L? @@@@@@1? ?O&@@@0M ?W2@@@@0M? O2@@0M ?7@@@5 ?@@?e?N@@@@@@@@)KO2@@@@@@@@@(M?f?W&@@@@@0Y @@@@@@ V'@@@@1?e?N@@@@@@e@@@@@? ?@@@@)X? 3@@@@@ @@@@@1 ?@@@@@@@@@@@H?f?7@@@@0?4@@0M?e?@?7@@@@e?@@@@??@@@@@@@(MI4@0Y?hJ@@@f?7@@@@@@@@@@@@@@@@@@@@@@@? @@@@@@@@@@@@@@@@@@@@@@f?7@@@@@@H? @@@@@? ?7@@@@@@@@@@@@@@@@ ?3@@@? ?@@@@?h3@@@@@@@eN@@@@@h@@ ?@@@@@@@H?@@@@@@@@@@@@@@@@@@@@H?h?@@@@@@? ?@@@@@@He?@@@@@@@@@
?J@@ J@@@@@@H ?J@@H? 3@1? 3@@@@@@? W2@@@@0M O&@@(M O2@@@@0M ?@@@@H ?@@?f@@@@@@@@@@@@@@@@@@@@0YgO&@@@@(M @@@@@@ ?N@@@@@?f3@@@@@L?@@@@@L ?@@@@@1? N@@@@@ 3@@@@@ ?@@@@@@@@@@@g?@@@ J@@@@@e?3@@@??3@@@@@@H?hf?W&@@@fJ@@@@@@@@@@@@@@@@@@@@@@@@L ?J@@@@@@@@@@@@@@@@@@@@@5f?@@@@@@@ 3@@@@? ?@@@@@@@@@@@@@@@@@ ?N@@@? ?@@@@LhN@@@@@@5e?@@@@@L?g@@ ?@@@@@@@e3@@@@@@@@@@@@@@@@@@@he?@@@@@@? ?@@@@@@?eJ@@@@@@@@@
W&@@ 7@@@@@@? ?7@@ N@@? N@@@@@@L ?O&@@0M? O2@@@0Y? O2@@@@0M ?@@@@? ?@@Lf3@@@@@@@@@@@@@@@@@0MgW2@@@@@(Y? 3@@@@@L? 3@@@@LfN@@@@@)X@@@@@1 J@@@@@@? ?@@@@@ N@@@@@ ?@@@@@@@@@@@L?fJ@@@ 7@@@@@L??N@@@??N@@@@@@L?hf?7@@@5f7@@@@@@@@@@@@@@@@@@@@@@@@)X? ?7@@@@@@@@@@@@@@@@@@@@@Hf?@@@@@@@ N@@@@? ?@@@@@@@@@@@@@@@@@ @@@L ?@@@@1h?@@@@@(Ye?@@@@@1?g@@L? ?@@@@@@@eN@@@@@@@@@@@@@@@@@@@he?@@@@@5? ?@@@@@@?e7@@@@@@@@5
7@@@ @@@@@@5? ?@@5 ?@@L ?@@@@@@1 O2@@@@0M ?O2@@@0M O2@@@@0M ?@@@@? ?@@)X?eN@@@@@@@@@@@@@@@0Mg?O&@@@@@0Y N@@@@@1? V'@@@1f?3@@@@@@@@@@@@L? 7@@@@@5? ?@@@@@ ?@@@@@ ?3@@@@@@@@@@1?f7@@@ @@@@@@1?e@@@?e@@@@@@1?hf?@@@@Hf@@@@@@@@@@@@@@@@@@@@@@@@@@)X ?@@@@@@@@@@@@@@@@@@@@@@?fJ@@@@@@@ ?@@@@? ?3@@@@@@@@@@@@@@@@L? @@@1 ?3@@@@h?@@@@@H?e?@@@@@@?g@@1? J@@@@@@5e?@@@@@@@@@@@@@@@@@@@he?@@@@@H? ?@@@@@@?e@@@@@@@@@H
@@@@ ?J@@@@@@H? J@@H ?3@1 ?3@@@@@@ ?O2@@@@0M? ?O2@@@0M ?O2@@@0M ?@@@@? J@@@1?eJ@@@@@@@@@@@@0M?g?O2@@@@@@? ?@@@@@@? ?V'@@@L?e?N@@@@@@@@@@@@1? @@@@@@H? ?@@@@@ ?@@@@@ ?N@@@@@@@@@@@Lf@@@@@6X?he@@@@@@@L?J@@@?e@@@@@@5?hf?@@@5?f@@@@@@(?'@@@@@@@@??@@@@@@@@1 J@@@@@@@@@@@@@@@@@@@@@@?f7@@@@@@5 ?@@@@? ?V4@@@@@@@@@@@@@@@)X @@@@ ?N@@@@h?@@@@@f?@@@@@@?g@@@? 7@@@@@@He?@@@@@@@@@@@@@@@@@@5he?@@@@@ J@@@@@@?e@@@@@@@@@?
@@@@ ?7@@@@@@ 7@5? ?N@@ ?N@@@@@@L? ?O2@@@@0M? ?O2@@@0M O2@@@0M? ?@@@@? 7@@@@??W&@@@@@@@@@@0M?gW2@@@@@@@@5? ?@@@@@@? N@@@1?f3@@@@@@@@@@@@L @@@@@@ ?@@@@@ ?@@@@@ 3@@@@@@@@@@1f@@@@@@)Khe@@@@@@@1?7@@@?e@@@@@@ ?@@@H?f@@@@@@H?V4@@@@@@@@@@@@@@@@@@ 7@@@@@@@@@@@@@@@@@@@@@@?f@@@@@@@H ?@@@@? ?@@@@1 @@@@ @@@@h?@@@@@f?3@@@@@?g@@@? @@@@@@@?e?@@@@@@@@@@@@@@@@@@Hhe?@@@@@ 7@@@@@5?e@@@@@@@@@?
3@@@ J@@@@@@5 @@H? 3@L? @@@@@@1? O2@@@@@0M? W2@@@0M? ?O2@@@0M ?@@@@? @@@@@?O&@@@@@@@@0Mh?W&@@@@@@@@0Y? ?@@@@@@? ?3@@@LfN@@@@@@@@@@@@1 ?J@@@@@5 ?O2@6K ?@@@@@L? ?@@@@@L? V'@@@@@@@@@@f?I'@@@@@@@@?f?J@@@@@@@@?@@@@?e@@@@@@1?hf?@@@g@@@@@@gW@@@@@@@@@@@@@@@L?he?J@@@@@@@@@@@@@@@@@@@@@@5?e?J@@@@@@@? ?@@@@? ?@@@@@L? @@@@ @@@@L?g?@@@@5f?N@@@@@Lg3@@? @@@@@@@?e?3@@@@@@@@@@@@@@@@@?he?@@@@5 @@@@@@H?e@@@@@@@@@?
N@@@ 7@@@@@@H @@ N@1? @@@@@@@L O2@@@@0M ?O&@@0M? O2@@@0M? J@@@@? @@@@@@@@@@@@@@(MheO&@@@@@@@(M? ?@@@@@@? ?N@@@1f?@@@@@@@@@@@@@ ?7@@@@@H ?W2@@@@@6X ?@@@@@1? ?3@@@@1? ?N@@@@@@@@@@@6K?eV4@@@@@@@?fO&@@@@@@V'@@@@@?e@@@@@@@?hfJ@@@g@@@@@@f?W&@@@@@@@@@@@@@@@1?he?7@@@@@@@@@@@@@@@@@@@@@@H?e?7@@@@@@@? ?@@@@L ?)X?e?@@@@@1? 3@@@ @@@@1?g?@@@@Hg@@@@@1gN@@L @@@@@@@?e?N@@@@@@@@@@@@@@@@5?heJ@@@@H @@@@@@e?J@@@@@@@@5?
?3@@ @@@@@@5? ?J@@ ?@@L 3@@@@@@1 O2@@@0M? O2@@@0M? ?O2@@@@0M? 7@@@@? @@@@@@@@@@@@@0Y?g?O2@@@@@@@@@(Y ?3@@@@@? @@@@L?e?3@@@@@@@@@@@@L? ?@@@@@@? O&@@@@@@@)X? ?3@@@@@? ?N@@@@@? 3@@@@@@@@@@@@@@?eI'@@@@@@@@@@@@@@@@@@?N@@@@@?e@@@@@@@?hf7@@5g3@@@@@L?eW&@@@@@@@@@@@@@@@@@?he?@@@@@@@@@@@@@@@@@@@@@@@fJ@@@@@@@5? ?@@@@1 ?@1?e?@@@@@@? N@@@ @@@@@?g?@@@@?g@@@@@@g?@@1 ?J@@@@@@5?f@@@@@@@@@@@@@@@@H?he7@@@@? ?J@@@@@5e?7@@@@@@@@H?
?N@@ ?J@@@@@@H? W&@5 ?3@1 N@@@@@@@L? ?W2@@@@0M? O2@@@0M? O2@@@0M? @@@@5? 3@@@@@@@@@@(M?gO2@@@@@@@@@@@0Y? ?N@@@@@L 3@@@1?e?N@@@@@@@@@@@@1? ?@@@@@@? ?@@@@@@@@@@@)X ?N@@@@@? @@@@@? V'@@@@@@@@@@@@@?e?V'@@@@@@@@@@@@@@@@5e@@@@5?e@@@@@@@Lhf@@@HgN@@@@@)X?W&@@@@@@@@@@@@@@@@@@?heJ@@@@@@@@@@@@@@@@?W@@@@@f7@@@@@@@H? ?@@@@@ ?@@?e?3@@@@@? ?@@@ @@@@@?g?3@@@?g@@@@@@g?@@@ ?7@@@@@@H?f3@@@@@@@@@@@@@@@hf@@@@@? ?7@@@@@He?@@@@@@@@@
@@ ?7@@@@@5 7@@H ?N@@ ?3@@@@@@1? O&@@@0M? ?W2@@@@0M? O2@@@@0M @@@@H? N@@@@@@@@@@UfO2@@@@@@@@@@@@0M @@@@@1 N@@@@Lf@@@@@@@V'@@@@? J@@@@@@? J@@@@@@@@@@@@1 @@@@@? @@@@@? ?V'@@@@@@@@@@@@@6KeV@@@@@@@@@@@@@@@@He@@@@H?e3@@@@@@1hf@@@?g?3@@@@@)?&@@@@@@@@@@@@@@@@@@@?he7@@@@@@@@@@@@@@@5?7@@@@@e?J@@@@@@@5 ?@@@@@ ?@@?e?N@@@@@? ?@@@ 3@@@@?g?N@@@?g3@@@@@g?3@@ ?@@@@@@@gN@@@@@@@@@@@@@@@he?J@@@@@? ?@@@@@@?e?@@@@@@@@@
@@ J@@@@@@H @@5? @@ ?N@@@@@@@? ?O2@@@@0M? O&@@@0M? ?O2@@@@@0M @@@@L? ?@@@@@@@@@V@@@@@@@@@@@@@@@@(M? @@@@@@ ?3@@@1f3@@@@@@?N@@@@? ?W&@@@@@@? 7@@@@@@@@@@@@@ @@@@@L @@@@@? V'@@@@@@@@@@@@@@@@@@@@@@@@@@@@@@@@5?e@@@@fN@@@@@@@he?J@@5?g?N@@@@@@@@@@@@@@@@@@@@@@@@@@@?he@@@@@@@@@@@@@@@@H?@@@@@5e?7@@@@@@@H ?3@@@@ @@@@@? ?@@@L? N@@@@?h@@@?gN@@@@@L?f?N@@ ?@@@@@@5g?@@@@@@@@@@@@@@@he?7@@@@5? ?@@@@@@?e?@@@@@@@@@
?J@@ 7@@@@@@? @@H? 3@L? @@@@@@@L ?O2@@@(M ?O2@@@@0M? ?O2@@@0M @@@@1? ?@@@@@@@@@@@@@@@@@@@@@@@@@0Y @@@@@@ ?N@@@@L?eN@@@@@@??3@@@? ?7@@@@@@5? ?J@@@@@@@@@@@@@@L? @@@@@1 @@@@@L ?V'@@@@@@@@@@@@@@@@@@@V4@@@@@@@@@(Y??J@@@5f?@@@@@@@he?7@@H?h@@@@@@@@@@@@@@@@@@@@@@@@@@@@@?h@@@@@@@@@@@@@@@@?J@@@@@HeJ@@@@@@@@? ?N@@@@ @@@@@L ?@@@1? ?@@@@Lh@@@?g?@@@@@1?g@@ ?@@@@@@Hg?3@@@@@@@@@@@@@@he?@@@@@H? ?@@@@@@?eJ@@@@@@@@5
?7@@ @@@@@@5? ?J@@ N@1? 3@@@@@@1 ?O2@@@@0Y? ?O2@@@0M O2@@@0M? ?J@@@@@? ?@@@@@@@@@@@@@@@@@@@@@@0M? @@@@@@ 3@@@)Xe?@@@@@@??V'@5? ?@@@@@@@ ?7@@@@@@@@@@@@@@1? 3@@@@@ @@@@@1 V4@@@@@@@@@@@@@@@@@@f?I4@@@@He?7@@@Hf?@@@@@@@he?@@@he3@@@@@@@@@(?'@@@@@@@@@@@@@@@@?g?J@@@@@@@@@@@@@@@@T&@@@@@??W&@@@@@@@@? @@@@ @@@@@1 ?@@@@? ?3@@@1h@@@?g?@@@@@@?g@@ J@@@@@@?g?N@@@@@@@@@@@@@5he?@@@@@ J@@@@@@?e7@@@@@@@@H
?@@@ ?J@@@@@@H? W&@5 ?@@? N@@@@@@@ ?O2@@@0M W2@@@@0M ?O2@@@0M ?7@@@@5? ?3@@@@@@@@@@@@@@@@@@@0M? 3@@@@@ N@@@@1e?3@@@@@?eV+Y? J@@@@@@@1? ?@@@@@@@@@@@@@@@@? N@@@@@ @@@@@@ I4@@@@@@@@@@@@@@@@@@6Kf@@@?e?@@@5?f?@@@@@@@heJ@@5heN@@@@@@@@@H?V4@@@@@@@0?'@@@@@?g?7@@@@@@@@@@@@@@@V@@@@@@@?W&@@@@@@@@5? @@@@ 3@@@@@L? ?@@@@? ?N@@@@h3@@Lg?@@@@@@Lg@@L?hf7@@@@@@?h@@@@@@@@@@@@@Hhe?@@@@@ 7@@@@@5??J@@@@@@@@@?
?@@@ ?7@@@@@@ 7@@H ?3@L ?@@@@@@@L? O2@@@(M? ?O&@@@0M ?O2@@@@0M? ?@@@@@H? ?N@@@@@@@@@@@@@@0M N@@@@@ ?3@@@@e?N@@@@@? 7@@@@@@@@? ?@@@@@@@@@@@@@@@@? ?@@@@@ 3@@@@@ I4@@@@@@@@@@@@@@@@@@@@6X@@5?eJ@@@H?f?3@@@@@@he7@@Hhe?3@@@@@@@@L?f@@@?e?N@@@@@?gJ@@@@@@@@@@@@@@@@@@@@@@@@T&@@@@@@@@@H? @@@@ N@@@@@)X ?@@@@L ?J@@@@hN@@1g?3@@@@@1g@@1?hf@@@@@@@?h3@@@@@@@@@@@@?he?@@@@5 @@@@@@H??7@@@@@@@@@?
?@@@ ?@@@@@@5 @@@? ?N@1 ?@@@@@@@1? ?W2@@@@@0Y ?O2@@@0M O2@@@@0M ?@@@@@ 3@@@@@@@@@0M ?@@@@@L? ?N@@@@L?e3@@@@L ?J@@@@@@@@@? ?@@@@@@@@@@@@@@@5? ?@@@@@ N@@@@@ ?I'@@@@@@@@@@@@@@@@@@@@@H??W&@@@g?N@@@@@@he@@@?he?N@@@@@@@@)Kf@@@Lf@@@@@?g7@@@@@@@@@@@@@@@@@@@@@@@V@@@@@@@@@@5 @@@@L? ?3@@@@@)X? ?@@@@1 ?@@@@@h?@@@g?N@@@@@@g@@@?hf@@@@@@@?hV4@@@@@@@@@@5?heJ@@@@H @@@@@@e?@@@@@@@@@5?
J@@@ J@@@@@@H @@5? 3@L? ?3@@@@@@@? O&@@@@0M O2@@@@0M O2@@@@@@0M ?@@@@@ ?@@@@@@@@? ?@@@@@1? 3@@@1?eN@@@@1 W&@@@@@@@@@??W-X ?3@@@@@@@@@@@@@(Y? ?@@@@@ ?@@@@@ V4@@@@@@@@@@@@@@@@@@@@e?7@@@@h@@@@@@h?J@@5?hf3@@@@@@@@@@@@@@@@)K?e@@@@@?g@@@@@@@@@@@@@@@@@@@@@@@@@@@@@@@@@@(Y @@@@1? ?V'@@@@@)X ?@@@@@ ?N@@@@h?@@@h@@@@@@g@@@?he?J@@@@@@5?hfI'@@@@@@H?he7@@@@? ?J@@@@@5e?@@@@@@@@@H?
7@@5 7@@@@@5? ?J@@H? N@1? ?V'@@@@@@L W2@@@@@0M? O2@@@(M? O2@@@@0M ?@@@@@ 7@@@@@@@@? ?@@@@@@? N@@@@?e?@@@@@L? 7@@@@@@@@@@?O&@)X? ?V'@@@@@@@@@@@(Y ?@@@@@ ?@@@@@ I4@@@@@@@@@@@@@@@@@@e?@@@@@g?J@@@@@@h?7@@H?hfV'@@@@@@@@@@@@@@@@@@@@@@@@5?g@@@@@@@@@@@@@@@@@@@@@@@@@@@@@@@@@(Y? @@@@@? N@@@@@@)K? ?3@@@@ @@@@L?g?@@@h@@@@@@g@@@?he?7@@@@@@H?hf?N@@@@@@hf@@@@5? ?7@@@@@He?@@@@@@@@@
@@0Y ?J@@@@@@H? ?7@5 ?@@? N@@@@@@1 ?O&@@@@0M? O2@@@@0Y O2@@@@@0M? ?@@@@@ ?J@@@@@? ?@@@@@@? ?3@@@?e?@@@@@)?2@ ?J@@@@@@@@@@@@@@@@)X V'@@@@@@@@@(Y? ?3@@@@ ?@@@@@L? I4@@@@@@@@@@@@@@@@W2@@@@@@@@@6K?O&@@@@@@hJ@@@ ?N@@@@@@@@@@@@@@@@@@@@@@@@H?f?J@@@@@@@@@@@@@@@@@@@@@@@@@@@@@@@@@H 3@@@@? ?@@@@@@@@@6X ?N@@@@ @@@@1?g?@@@h3@@@@@g3@@?he?@@@@@@@ ?J@@@@@@he?J@@@@H? ?@@@@@@?e?@@@@@@@@@
?7@@@@@@ ?@@H ?3@L ?@@@@@@@ ?O2@@@@0M? O2@@@@0M ?O2@@@@@@0M? ?@@@@@ ?7@@@@@? ?@@@@@@? ?N@@@Le?@@@@@@@@@ ?7@@@@@@@@@@@@@@@@@)K? ?V4@@@@@@@(Y ?N@@@@L? ?@@@@@1? I4@@@@@@@@@@@@@@@@@@@@@@@@@@@@@@@@@@@@L?f?O&@@@ 3@@@@@@@@@@@@@@@@@@@@@@@g?7@@@@@@@@@@@@@@@@@@@@@@@@@@@@@@@@@? N@@@@? ?@@@@@@@@@@)K? @@@@L? @@@@@?g?@@@hN@@@@@gN@@Lhe?@@@@@@@ ?7@@@@@5he?7@@@@ ?@@@@@5?eJ@@@@@@@@5
?@@@@@@5 J@@? ?N@1 ?@@@@@@@L? W2@@@@@0M? O2@@@@0M ?O2@@@@@@0M? J@@@@5 ?@@@@@5? ?@@@@@@? 3@@1e?@@@@@@@@@ ?@@@@@@@@@@@@@@@@@@@@@@@6X ?I'@@@@@H? @@@@1? ?3@@@@@? I4@@@@@@@@@@@@@@@@@@@@@@@@@@@@@@@@@@)?2@@@@@@@@5 N@@@@@@@@@@@@@@@@@@@@@@5g?@@@@@@@@@@@@@@@@@@@@@@@@@@@@@@@@@5? ?@@@@? @@@@@@@@@@@@@@ O2@@@@@@@@@@@@@@ @@@@1? @@@@@?g?@@@L?g?@@@@@L?f?@@1heJ@@@@@@5 ?@@@@@@Hhe?@@@@@ ?@@@@@H?e7@@@@@@@@H
J@@@@@@H 7@5? 3@L? ?@@@@@@@1? ?O&@@@0M O2@@@0M? O2@@@@@@0M @@@@@H J@@@@@H? ?3@@@@@? N@@@e?@@@@@@@@@ ?@@@@@@@@@@@@@@@@@@@@@@@@1 N@@@@@L? @@@@@? ?N@@@@@? I4@@@@@@@@@@@@@@@@@@@@@@@@@@@@@@@@@@@@@@@@@@@H ?3@@@@@@@@@@@@@@@@@@@@@HgJ@@@@@@@@@@@@@@@@@@@@@@@@@@@@@@@@(Y? ?@@@@? @@@@@@@@@@@@@@he?O2@@@@@@@@@@@@@@@@@@@ @@@@@? @@@@@?g?3@@1?g?@@@@@1?f?@@@he7@@@@@@H ?@@@@@@?he?@@@@@ J@@@@@f@@@@@@@@@?
7@@@@@5? ?J@@H? N@1? ?@@@?@@@@? ?W2@@@@0M? O2@@@0M? ?O2@@@@@@0M? ?@@@@? @@@@@@ ?N@@@@@? ?@@@L?J@@@@@@@@@ ?3@@@@@@@@@@@@@@@@@@@@@@@@ ?3@@@@1? @@@@@? @@@@@? I4@@@@@@@@@@@@@@@@@@@@@@@@@@@@@@@@@@@@@@@? ?V4@@@@@@@@@@@@@@@@@@@5?f?W&@@@@@@@@@@@@@@@@@@@@@@@@@@@@@@@@H ?@@@@? @@@@@@@@@@@@@5he@@@@@@@@@@@@@@@@@@@@@@L? @@@@@? 3@@@@?g?N@@@?g?@@@@@@?f?@@@he@@@@@@@? ?@@@@@@?heJ@@@@5 7@@@@@f@@@@@@@@5?
?J@@@@@@H? ?7@@ ?@@? J@@@@@@@@? O&@@(M O2@@0M ?O2@@@@@@0M? 7@@@@? N@@@@@L? @@@@@L ?@@@)?&@@@@@@@@@ ?V'@@@@@@@@@@@@@@@@@@@@@@5 @@@@@? @@@@@L @@@@@? I4@@@@@@@@@@@@@@@@@@@@@@@??I4@@@@@5? ?I4@@@@@@@@@@@@@@@@@H?f?7@@@@@@@@@@@@@@@@@@@@@@@@@@@@@@@@5? ?@@@@? @@@@@@@@@@@@(Yhe@@@@@@@@@@@@@@@@@@@@@@)K @@@@@? N@@@@?h@@@?g?3@@@@@?f?3@@he@@@@@@5? ?@@@@@@?he7@@@@H @@@@@@f@@@@@@@@H?
W&@@@@@@ ?@@5 ?@@L 7@@@@@@@@? ?O2@@@@0Y? W2@@0M ?O2@@@@@@@@0M? @@@@@? ?3@@@@1? @@@@@1 ?3@@@@@@e@@@@@@ V'@@@@@@@@0MI4@@@@@@@@@H ?7@@@@@? @@@@@1 @@@@@? ?I40M?e?I4@@@@@@@@@@Lf@@@@H? ?I4@@@@@@@@@@@@@@@g?@@@@@@@@@@@@@@@@@@@@@@@@@@@@@@@@(Y? ?@@@@? @@@@@@@@@@@(Y?he@@@@@@@@@@@@@@@@@@@@@@@@6K @@@@@? ?@@@@?h@@@?g?N@@@@@Lf?N@@L?h@@@@@@H? J@@@@@5?he@@@@@? ?J@@@@@@e?J@@@@@@@@
7@@@@@@5 ?@@H ?3@1 @@@@@@@@5? ?O2@@@@0M? ?O&@0M ?O2@@@@@@0M? @@@@@? ?N@@@@@? @@@@@@ ?N@@@@@@e3@@@@@ ?V4@@@@@0Mg?@@@@@@? ?3@@@@@? @@@@@@ @@@@@L ?I'@@@@@@1f@@@@ ?I4@@@@@@@@0M?g?@@@@@@@?@@@@@@@@@@@@@@@@@@@@@@@(Y ?@@@@L @@@@@@@@@@(Yhf@@@@@@@@@@@@@@@@@@@@@@@@@@@@@@@@@@@@@@@@@@@@@L ?@@@@Lh@@@?h@@@@@1g@@1?g?J@@@@@@ 7@@@@@H?he@@@@5? ?7@@@@@5e?7@@@@@@@5
@@@@@@@H J@@? ?N@@hf?J@@@@@@@@H? O2@@@@@0M? O2@(M? O2@@@@@@0M @@@@@? 3@@@@? @@@@@@ @@@@@@eN@@@@@ ?3@@@@@? ?N@@@@@? 3@@@@@ @@@@@1 N@@@@@@@f@@@5 ?I@Mhf?@@@@@@@?@@@@@@@@@@@@@@@@@@@@@@(Y? ?@@@@1 3@@@@@@@@@H?hf@@@@@@@@@@@@@@@@@@@@@@@@@@@@@@@@@@@@@@@@@@@@@)K?hf?@@@@1h3@@?h@@@@@@g@@@?g?7@@@@@5 @@@@@@he?J@@@@H? ?@@@@@@He?@@@@@@@@H
@@@@@@5? 7@5? 3@L?he?7@@@@@@@@ W2@@@@@0M? ?W2@@@0Y O2@@@@@@@@0M @@@@5? N@@@@L @@@@@@ @@@@@@eJ@@@@@ ?N@@@@@? @@@@@? N@@@@@ @@@@@@ ?@@@@@@@L?e@@@H ?@@@@@@@@@@@@@@@@@@@@@@@@@@@@@(Y ?@@@@@ N@@@@@@@@@ 3@@@@@@@@@@@@@@@@@@@@@@@@@@@@@@@@@@@@@@@@@@@@@@6X?he?@@@@@hN@@Lh3@@@@@g@@@?g?@@@@@@H ?J@@@@@@he?7@@@@ ?@@@@@5?e?@@@@@@@@?
?J@@@@@@H? ?J@@H? N@1?he?@@@@@@@@@ ?O&@@@0M O&@@0M O2@@@@@@@@0M @@@@H? ?@@@@1 3@@@@@ 3@@@@@e7@@@@@L? @@@@@? @@@@@? ?@@@@@ 3@@@@@ ?@@@@@@@1?e@@5? J@@@@@@@@@@@@@@@@@@@@@@@@@@@@(Y? ?@@@@@ ?@@@@@@@@@ V'@@@@@@@0M??@@@@@@@@@@@@@@@@@@@@@@@@@@@@@@@@@@@1?he?3@@@@hJ@@1hN@@@@@L?f@@@?g?@@@@@@? ?7@@@@@5he?@@@@@ J@@@@@H?eJ@@@@@@@@?
?7@@@@@@ ?7@@ ?3@Lhe?@@@@@@@@@ O2@@@@0M ?W2@@@0M O2@@@@@@@0M? @@@@ ?@@@@@ N@@@@@ N@@@@@e@@@@@@1? @@@@@L @@@@@L ?@@@@@L? N@@@@@ ?@@@@@@@@L?J@@H? 7@@@@@@@@@@@@@@@@@@@@@@@@@@@0Y ?3@@@@ ?@@@@@@@@@ ?V4@@@0MfJ@@@@@@@@@@@@@@@@@@@@@@@@@@@@@@@@@@@@?he?N@@@@L?g@@@@h?@@@@@1?f@@@?g?@@@@@@? ?@@@@@@Hhe?@@@@@ 7@@@@@f7@@@@@@@@?
J@@@@@@5 ?@@5 ?N@1heJ@@@@@@@@@ W2@@@@0M O&@@0M ?O2@@@@@@@0M @@@@ ?@@@@@L? ?@@@@@ ?3@@@@L?@@@@@@@? ?J@@@@@1 3@@@@1 ?@@@@@1? ?@@@@@ J@@@@@@@@)?&@@ @@@@@@@@@@@@@@@@@@@@@@@@@0M? @@@@ I4@@@@@@ 7@@@@@@@@@@@@@@@@@@@@@@@@@@@@@@@@@@@@?hf@@@@1?gN@@@h?@@@@@@?f@@@?gJ@@@@@@? ?@@@@@@?he?@@@@5 @@@@@@f@@@@@@@@5?
?@@@@@@? 7@@@@@@H J@@H @@he7@@@@@@@@@ ?O&@@(M? ?W2@@@0M O2@@@@@@@0M? ?J@@@@ ?@@@@@1? ?@@@@@ ?N@@@@)X@@@@@@@? ?7@@@@@@L? N@@@@@ ?@@@@@@? ?@@@@@L? 7@@@@@@@@@@@@@ @@@@@@@@@@@@@@@@@@@@@@@@ ?@@@@@ ?@@@ ?J@@@@@@@@@@@@@@@@@@@@@@@@@@@@@@@@@@@@5?hf@@@@@?g?@@@h?@@@@@@?f3@@?g7@@@@@5? ?@@@@@@?he?@@@@H @@@@@@e?J@@@@@@@@H?
?@@@@@@? @@@@@@5? 7@@? 3@L?h@@@@@@@@@5 O2@@@@0Y O&@@0M O2@@@@@@@@0M ?7@@@@ ?@@@@@5? ?@@@@@ 3@@@@@@@@@@@@? J@@@@@@@1? ?@@@@@ ?@@@@@@? ?@@@@@@? @@@@@@@@@@@@@@@@@@@@@@@@@@@@@@@@@@@@@@@@@@@@@@@@@@@@@@@@@@@@@@@@@@@@@@@@@@@@@@@@@@@@@5 ?N@@@@ ?@@@ ?7@@@@@@@@@@@@@@@@@@@@@@@@@@@@@@@@@@@@H?hf@@@@@?g?@@@h?3@@@@@LfN@@Lg@@@@@@H? J@@@@@@?heJ@@@@? @@@@@@e?7@@@@@@@@
J@@@@@@? ?J@@@@@@H? ?J@@5? N@1?g?J@@@@@@@@@H ?O2@@@(M ?O2@@@0M O2@@@@@@@@@0M? ?@@@@5 ?@@@@(Y? ?@@@@@L? N@@@@@@@@@@@@L ?W&@@@@@@@@? ?@@@@@ ?@@@@@@? ?3@@@@ @@@@@@@@@@@@@@@@@@@@@@@@@@@@@@@@@@@@@@@@@@@@@@@@@@@@@@@@@@@@@@@@@@@@@@@@@@@@@@@@@@@@(Y @@@@ ?@@@ J@@@@@@@@@@0MI'@@@@@@@@@@@@@@@@@@@@@@@ @@@@@?g?3@@h?N@@@@@1f?@@1g@@@@@@he?W2@6?&@@@@@5?he7@@@5? @@@@@5e?@@@@@@@@5
7@@@@@@L ?7@@@@@@ ?7@@H? ?@@?g?7@@@@@@@@5? ?W2@@@@0Y? ?O2@@@0M O2@@@@@@@@@@0M ?@@@@H J@@@@H ?@@@@@1? ?@@@@@@@@@@@@1 O&@@@@@@@@5? ?@@@@@ ?3@@@@@? ?N@@@@1? 3@@@@@@@@@@@@@@@@@@@@@@@@@@@@@@@@@@@@@@@@@@@@@@@@@@@@@@@@@@@@@@@@@@@@@@@@0MI'@@@@@@@H? @@@@ ?@@@ ?O&@@@@@@@@?fV+M? ?@@@@@W2@?he@@@@@?g?N@@L?h@@@@@@f?@@@f?J@@@@@@heW&@@@@@@@@@@H?he@@@@H? ?J@@@@@He?@@@@@@@@H
@@@@@@@)K? ?@@@@@@5 ?@@@ ?3@Lg?@@@@@@@@@H? O&@@(M ?W2@@(M? O2@@@@@@@@0M ?@@@@? 7@@@@? ?@@@@@@? ?3@@@@@@(Y@@@@L? ?O2@@@@@@@@@@@H? ?@@@@@ ?N@@@@@L @@@@@? V'@@@@@@@@@@@@@@@@@@@@@@@@@@@@@@@@@@@@@@@@@@@@@@@@@@@@@@@@@@@@@@@@@@@@@(M?eN@@@@@@@h?W2@@@6K @@@@ ?@@@ ?O2@@@@@@@@@@? ?@@@@@@@5?he@@@@@?h@@1?h@@@@@@f?@@@f?7@@@@@5h?O&@@@@@@@@@@@hf@@@5 ?7@@@@@?e?@@@@@@@@?
?@@@@@@@@@@@@@@@@@@@@@@@@@@@@@@@@@@@@@@@@@@6X? J@@@@@@H ?@@5 ?N@1g?@@@@@@@@@ ?W2@@@@0Y? O&@@0Y ?O2@@@@@@@@@0M ?@@@@? @@@@5? ?@@@@@@? ?@e?N@@@@@@H?@@@@1? @@@@@@@@@@@@@5 ?@@@@@ @@@@@1 @@@@@? ?N@@@@@@@@@@@@@@@@@@@@@@@@@@@@@@@@@@@@@@@@@@@@@@@@@@@@@@@@@@@@@@@@@@@@0YfJ@@@@@heW&@@@@@@@@@@@@@@@@@6K? @@@@ ?3@@ W2@@@@@@@@@@@@5? ?@@@@@@@H?he3@@@@Lh@@@?h@@@@@@f?@@@f?@@@@@@Hh@@@@@(Y@@@@@@@hf@@@H ?@@@@@@?eJ@@@@@@@@?
?@@@@@@@@@@@@@@@@@@@@@@@@@@@@@@@@@@@@@@@@@@@1? 7@@@@@5? J@@H @@L?fJ@@@@@@@@5 O&@@(M W2@@0M ?O2@@@@@@@@@@0M? ?@@@@? ?J@@@@H? ?@@@@@@? ?@f@@@@@@e@@@@@? @@@@@@@@@@@@@H ?3@@@@L? @@@@@@ @@@@@? @@@@@@@@@@@@@@@@@@@@@@@@@0M??I4@@@@0M?hf?I'@@@@@@@(MI@M?h7@@@@@he7@@@@@@@@@@@@@@@@@@@@@6X @@@@L? ?N@@ ?W&@@@@@@@@@@@@@H? J@@@@@@@hfN@@@@1h@@@?h@@@@@@f?3@@fJ@@@@@@?g?J@@@@@H?@@@@@@5hf@@@? ?@@@@@5?e7@@@@@@@@?
J@@@@@@@@@@@@@@@@@@@@@@@@@@@@@@@@@@@@@@@@@@@@? ?J@@@@@@H? 7@5? @@1?e?W&@@@@@@@@H O2@@@@@0Y? &0M? ?O2@@@@@@@@@@0M? J@@@@? W&@@@@ ?3@@@@@? ?@e?J@@@@@@e@@@@@L 3@@@@@@@@@@@@? ?N@@@@1? @@@@@@ @@@@@L @@@@@@@@g@@@@@@ ?@@@@@@@H?hf@@@@@@h?J@@@@@@@@@@@@@@@@@@@@@@@1 @@@@@? @@L? W&@@@@@@@@@@@@@@ 7@@@@@@@hf?@@@@@h3@@?h3@@@@@f?N@@f7@@@@@5?gO&@@@@5??@@@@@@Hhe?J@@@? J@@@@@H?e@@@@@@@@5?
@@@@@@@@@@@@@@@@@@@@@@@@@@@@@@@@@@@@@@@@@@@@@? ?7@@@@@5 @@H? 3@@?e?7@@@@@@@@5? W2@@@@0M ?O2@(? O2@@@@@@@0M? 7@@@@? 7@@@@@ ?N@@@@@? ?@e?7@@@@@@@@@@@@@)X? N@@@@@@@@@@@@L ?J@@@@@? @@@@@@ 3@@@@1 @@@@@@@@g@@@@@5 7@@@@@@@ @@@@@@h?7@@@@@@@@@@@@@@@@@@@@@@@@L? @@@@ @@1?hf?W&@@@@@@@@@@@@@@@ ?J@@@@@@@5hf?@@@@@hN@@?hN@@@@@L?f@@L?e@@@@@@H?f?@@@@@@@e?@@@@@@?he?7@@@? 7@@@@@e?J@@@@@@@@H?
N@@@@@@@@@@@@@@@@@@@@@@@@@@@@@@@@@@@@@@@@@@@@? J@@@@@@H ?J@@ N@@Le?@@@@@@@@@H? ?O&@@@0M ?O2@@0Y? O2@@@@@@@@@0M? @@@@@? ?J@@@@@@ @@@@@? ?@e?@@@@@@@@@@V'@@@)X ?@@@@@@@@@@@@)K? ?@@@@@@? 3@@@@@L? N@@@@@ 3@@@@@@@g@@@@@H @@@@@@@@ @@@@@@h?@@@@@@(M?I4@@@@@@@@@@@@@@1? @@@@1? @@@?hfW&@@@@@@@@@@@@@@@@ ?7@@@@@@@Hhf?@@@@@L?g?@@?h?3@@@@1?f@@1?e@@@@@@gJ@@@@@@@)K?@@@@@@?he?@@@@? @@@@@@e?7@@@@@@@@
J@@@@@@@@@@@@@@@@@@@@@@@@@@@@@@@@@@@@@@@@@@@@? ?W&@@@@@@? W&@5 ?@@1e?@@@@@@@@@ O2@@@0M? ?O2@@0M? O2@@@@@@@@0M @@@@@? W&@@@@@@ @@@@@? ?@e?@@@@@@@@@@?V4@@@)X? ?3@@@@@@@@@@@@@6K? ?N@@@@@? N@@@@@1? ?@@@@@ N@@@@@@@L?e?J@@@@@? @@@@@@@@ @@@@@@h?@@@@@@Hh?I4@@@@@@@@L 3@@@@? @@@?he?O&@@@@@@@@@@@@@@@@@h)Xhf?@@@@@@@@?hf?@@@@@1?g?@@?h?N@@@@@?f@@@?e@@@@@@f?W&@@@@@@@@@@@@@@@@?heJ@@@@? @@@@@5e?@@@@@@@@5
7@@@@@@@@@@@@@@@@@@@@@@@@@@@@@@@@@@@@@@@@@@@@? ?7@@@@@@5? 7@@H ?3@@L?J@@@@@@@@5 O2@@@0M? ?@@@@0M? ?O2@@@@@@@0M @@@@@? 7@@@@@@@ @@@@@L ?@e?@@@@@@@@@@?eI'@@)X ?V'@@@@@@@@@@@@@@@6K @@@@@L ?@@@@@@? ?@@@@@ ?@@@@@@@1?e?7@@@@5? @@@@@@@@ 3@@@@@h?3@@@@@?hf@@@@@@@)X? N@@@@? @@@?h?W2@@@@@@(M??@@@@@@@@@g?J@)?2@6X?gJ@@@@@@@@?hf?3@@@@@?g?@@Lhe@@@@@Lf@@@?e@@@@@@fW&@@@@@@@@@@@@@@@@5?he7@@@5? ?J@@@@@HeJ@@@@@@@@H
@@@@@@@@@@@@@@@@@@@@@@@@@@@@@@@@@@@@@@@@@@@@5? ?@@@@@@@H? @@5? ?N@@)?&@@@@@@@@H O2@@@0M? ?@(M ?W2@@@@@@@@0M? @@@@5? ?J@@@(M?@@ @@@@@1 ?@e?@@@@@@@@@5?f@@@)K? V4@@@@@@@@@@@@@@@@@? @@@@@1 ?@@@@@@? ?@@@@@ ?@@@@@@@@Le?@@@@@H? ?J@@@@@@@@ N@@@@@h?N@@@@@@@@@@@@@@@@@@@@@@@@@@1? ?@@@@? @@@LhW&@@@@@@(Ye?@@@@@@@@5g?7@@@@@@1?g7@@@@@@@@?hf?N@@@@@?g?@@1he@@@@@1f@@@L?J@@@@@5f7@@@@@@@@@@@@@@@@@H?he@@@@H? ?7@@@@@?e7@@@@@@@@?
@@@@@@@@@@@? I'@@@@@@@@(MeI4@0Y? ?@@@@@@@ @@H? 3@@@@@@@@@@@@? O2@@@0M? ?W2@@0Y? O&@@@@@@0M @@@@H? W&@@@He@@ @@@@@@ ?@L??@@@@@@@@@f?7@@@@@6X? I4@@@@@@@@@@@@@@@L @@@@@@ ?@@@@@@? ?@@@@@L? ?@@@@@@@@1e?@@@@@ ?7@@@@@@@@ ?@@@@@he3@@@@@@@@@@@@@@@@@@@@@@@@@5? ?@@@@? @@@1h7@@@@@@@H?e?@@@@@@@@Hg?@@@@@@@@Lg@@@@@@@@@? @@@@@?g?@@@he@@@@@@f3@@1?7@@@@@He?J@@@@@@@@@@@@@@@@@@he?J@@@@ ?@@@@@@?e@@@@@@@@@?
3@@@@@@@@@@L ?N@@@@@@@(Y? J@@@@@@5 ?J@@ N@@@@@@@@@@@5? O2@@@0M? O&0M O2@@@@@@0M ?J@@@@ 7@@@@Le@@ 3@@@@@ ?@1?J@@@@@@@@@1?e?@@@@@@@1? I4@@@@@@@@@@@@@)K? @@@@@@ ?@@@@@@? ?3@@@@1? ?@@@@@@@@@L??@@@@@ ?@@@@@@@@5 ?3@@@@heV'@@@@@@@@@@@@@@@@@@@@@@@(Y? ?@@@@? @@@@g?J@@@@@@@5f?@@@@@@@@?g?3@@@@@@@)X?f@@@@@@@@5? @@@@@?g?3@@L?h3@@@@@fN@@@?@@@@@@?eW&@@@@@@@@@@@@@@@@@5he?7@@@5 ?@@@@@5??J@@@@@@@@@?
V'@@@@@@@@@)X? @@@@@@@H 7@@@@@@H ?7@5 ?@@@@@@@@@@@H? ?W2@@@@0M? ?W2@(M ?O2@@@@@@@@0M? ?7@@@@ @@@@@1e@@L? N@@@@@ ?@@?7@@@@??@@@@?e?@@@@@@@@L ?I4@@@@@@@@@@@@6K?hf3@@@@@ ?@@@@@@? ?N@@@@@? ?3@@@@@@@@1??@@@@@ ?@@@@@@@@H ?N@@@@L?h?V'@@@@@@@@@@@@@@@@@@@@@(Y ?@@@@L @@@@g?7@@@@@@(Yf?@@@@@@@@?g?V'@@@@@@@1?f@@@@@@@@H? @@@@@?g?N@@1?hN@@@@@L?e?@@@?@@@@@5??W&@@@@@@@@@@@@@@@@@@Hhe?@@@@H J@@@@@H??7@@@@@@@@5?
?V'@@@@@@@@@)X @@@@@@@? @@@@@@5? J@@H ?3@@@@@@@@@5 O&@@@0M? O&@0Y? O2@@@@@@@@0M ?@@@@@ 3@@@@@e@@1? ?@@@@@ ?@@?@@@@@L?@@@@?e?@@@@@@@@1 ?I4@@@@@@@@@@@@6X?heN@@@@@ ?3@@@@@? @@@@@? ?N@@@@@@@@@??@@@@@ ?@@@@@@@5? @@@@)XheV'@@@@@@@@@@@@@@@@@@@(Y? ?@@@@1 3@@@gJ@@@@@@@H?fJ@@@@@@@5?h?@@@@@@@@?f@@@@@@@@ @@@@@Lh@@@?h?@@@@@1?e?@@@@@@@@@H??7@@@@@@@@@@@@@@@@@@@?heJ@@@@? 7@@@@@e?@@@@@@@@@H?
V'@@@@@@@@@)K?hf@@@@@@@? ?J@@@@@@H? 7@@? ?N@@@@@@@@@H ?O2@@@(M W20M ?O2@@@@@@@@0M? ?@@@@@ N@@@@@@@@@@? ?@@@@@ ?@@@@@@@@1?3@@@@@@@@@@@@@@@@ I'@@@@@@@@@@1?he?@@@@@ ?N@@@@@L @@@@@? @@@@@@@@@??@@@@5 ?@@@@@@@H? @@@@@1he?V4@@@@@@@@@@@@@@@@@0Y ?@@@@@ V'@@g7@@@@@@5g7@@@@@@@H?g?O&@@@@@@@@Lf@@@@@@@@ @@@@@1h@@@?h?@@@@@@?e?@@@@@@@@@e?@@@@@@@@@@@@@@@@@@@@?he7@@@@? @@@@@5e?@@@@@@@@@
?V4@@@@@@@@@@6X?he@@@@@@@? ?7@@@@@@ ?J@@5? ?J@@@@@@@@@? ?W2@@@@0Y? .M ?W2@@@@@@@@@@@@0M? ?@@@@@ ?3@@@@@@@@@L ?@@@@@ ?@@@@@@@@@?V'@@@@@@@@@@@@@@@L? ?V4@@@@@@@@@@?he?@@@@@ @@@@@1 @@@@@? @@@@@@@@@@@@@@@H ?@@@@@@@ 3@@@@@L? I4@@@@@0M? ?@@@@@ ?N@@g@@@@@@@Hg@@@@@@@@g?O2@@@@@@@@@@1e?J@@@@@@@@e)Xhf3@@@@@h3@@?h?3@@@@@?e?3@@@@@@@@eJ@@@@@@@@@@@@@@@@@@@@?he@@@@@? @@@@@He?@@@@@@@@@
?I'@@@@@@@@@)Khe@@@@@@@? J@@@@@@5 ?7@@H? ?7@@@@@@@@5? O&@@0M ?O2@(? O&@@@@@@@@@0M? ?@@@@@ ?V'@@@@@@@@)KO26K? ?@@@@@L? ?@@@@@@@@5eV4@@@@@@@@@@@@@@1? ?I'@@@@@@@@Lhe?@@@@@ @@@@@@ @@@@@? @@@@@@@@@@@@@@@? J@@@@@@@ N@@@@@1? ?@@@@@ @@g@@@@@@@?g@@@@@@@@f?W2@@@@@@@@@@@@@L??7@@@@@@@@e@)X?heN@@@@@hN@@?h?N@@@@@?e?N@@@@@@@@e7@@@@@@@@@@@@@@@@@@@5?he@@@@@? @@@@@?e?@@@@@@@@5
V4@@@@@@@@@@6Xh@@@@@@@? 7@@@@@@H ?@@5 ?@@@@@@@@@H? ?W2@@@@@(M ?W2@@0Y? ?O2@@@@@@@@@@0M? J@@@@@ N@@@@@@@@@@@@@@6X? ?O2@@6K? ?@@@@@1? ?@@@@@@@@@@HfI4@@@@@@@@@@@@@L V'@@@@@@@)X?h?3@@@@L? @@@@@@ 3@@@@L @@@@@@@@@@@@@@@? 7@@@@@@@ ?3@@@@@? ?@@@@@ @@f?J@@@@@@@?g@@@@@@@5f?7@@@@@@@@@@@@@@1??@@@@@@@@@@@@@1?he?@@@@@L?g?@@?he@@@@@Lf@@@@@@@5e@@@@@@@@@@@@@@@@@@@@H?h?J@@@@@? @@@@@?eJ@@@@@@@@H
I'@@@@@@@@@)K?g@@@@@@@? ?J@@@@@@5? ?@@H J@@@@@@@@5 O&@@@@@0Y? O&@0M? O2@@@@@@@@@0M? ?O&@@@@@ ?W-Xf?@@@@@@@@@@@@@@@)X ?W2@@@@@@6K? ?3@@@@@? J@@@@@@@@@@LgI'@@@@@@@@@@@)X? ?N@@@@@@@@1?h?N@@@@1? 3@@@@@ N@@@@1 @@@@@@@@@@@@@@@? @@@@@@@5 ?V'@@@@@@? ?3@@@@ @@f?7@@@@@@@?f?J@@@@@@@HfJ@@@@@@@@@@@@@@@@??@@@@@@@@@@@@@5?he?@@@@@1?g?@@?he@@@@@1f@@@@@@@He@@@@@@@@@@@@@@@@@@@@he?7@@@@5? ?J@@@@@?e7@@@@@@@@?
?V'@@@@@@@@@@6X?f@@@@@@@? ?7@@@@@@H? J@@? 7@@@@@@@@H O2@@@@0M ?O2@@0M? ?O2@@@@@@@@@@0M? @?g?'@@@@@@@@@@@( ?7@1f?@@@@@@@@@@@@@@@@1 W&@@@@@@@@@6X? ?N@@@@@? '@@@@@@@@@@1g?N@@@@@@@@@@@@1? @@@@@@@@@Lhe@@@@@? N@@@@@L? ?@@@@@ @@@@@@@@@@@@@@@? @@@@@@@H V'@@@@@L ?N@@@@ @@f?@@@@@@@@?f?7@@@@@@@?f7@@@@@@@@@@@@@@@@L?@@@@@@@@@@@@@H?he?@@@@@@?g?@@Lhe@@@@@@f@@@@@@@?e@@@@@@@@@@@@@@@@@@@@he?@@@@@H? ?7@@@@5?e@@@@@@@@@?
V4@@@@@@@@@@)Kf@@@@@@@? J@@@@@@@ 7@5? @@@@@@@@@? O2@@@@0M ?O2@@0M? O2@@@@@@@@@@0M @?g?V4@@@@@@@@@0Y ?@@@fJ@@@@@@@@@@@@@@@@@ ?W&@@@@@@@@@@@)X @@@@@? V'@@@@@@@@@@L?g@@@@@@@@@@@@@L 3@@@@@@@@1he@@@@@? ?@@@@@1? ?@@@@@ 3@@@@@@@@@@@@@@? @@@@@@@? ?V'@@@@1 @@@@ @@f?@@@@@@@@?f?@@@@@@@@?e?J@@@@@@@@@@@@@@@@@)X@@@@@@@@@@@@5hf?@@@@@@?g?@@1he@@@@@@f@@@@@@@??J@@@@@@@@@@@@@@@@@@@5he?@@@@@ ?@@@@@H?e@@@@@@@@5?
I'@@@@@@@@@@6Ke@@@@@@@? 7@@@@@@5 @@H? ?J@@@@@@@@5? O2@@@@(M ?O2@@0M? O2@@@@@@@@@0M? @@@@@? 7@@@@@@@@@@@@@@@@@L? W&@@@@@@@@@@@@@1 @@@@@? ?V40M?@@@@@@1?g@@@@@@@@@@@@@1 V'@@@@@@@@L?h@@@@@? ?@@@@@@? ?@@@@@ N@@@@@@@@@@@@@@? @@@@@@@? N@@@@@ @@@@ @@L?e?@@@@@@@@?f?@@@@@@@@?e?7@@@@@@@@@@@@@@@@@@@@@@@@@@@@@@@Hhf?3@@@@@?g?@@@he3@@@@@f@@@@@@@??7@@@@@@@@@@@@@@@@@@@Hhe?@@@@5 ?@@@@@f@@@@@@@@H?
?V4@@@@@@@@@@@@@@@@@@@@? @@@@@@@H ?J@@ ?7@@@@@@@@H? O2@@@@@0Y? ?W2@@0M? O2@@@@@@@0M? @@@@@? ?J@@@@@@@@@@@@@@@@@@1? 7@@@@@@@@@@@@@@@ @@@@@? @@@@@@@Lg@@@@@@@@@@@@@@L? ?N@@@@@@@@)Xh@@@@@? ?@@@@@@? ?@@@@@ ?@@@@@@@@@@@@@5? ?J@@@@@@5? ?3@@@@L? @@@@L? @@1?e?@@@@@@@5?f?@@@@@@@@?e?@@@@@@@@@@@@@@@@@@@@@@@@@@@@@@@5?hf?N@@@@@?g?3@@heN@@@@@L?e@@@@@@5??@@@@@@@@@@@@@@@@@@@@?heJ@@@@H J@@@@5f@@@@@@@@
?I'@@@@@@@@@@@@@@@@@@? ?J@@@@@@5? ?7@@ ?@@@@@@@@5 W2@@@@@0M? O&@(M? ?O2@@@@@@@@@0M @@@@@? ?7@@@@@@@@@@@@@@@@@@@? @@@@@@@@@@@@@@@@L? @@@@@L @@@@@@@)X?e?J@@@@@?@@@@@@@@1? 3@@@@@@@@1h3@@@@? ?@@@@@@? ?3@@@@ ?@@@@@@@@@@@@@H? W&@@@@@@H? ?N@@@@)X @@@@1? 3@@?e?3@@@@@@H?f?@@@@@@@5?eJ@@@@@@@@@@@@@@@@@@@@@@@@@@@@@@@H? @@@@@?g?N@@he?@@@@@1?e@@@@@@H??@@@@@@@@@@@@@@@@@@@@?he7@@@@? 7@@@@?e?J@@@@@@@@
V'@@@@@@@@@@@@@@@@@? ?7@@@@@@H? ?@@5 ?@@@@@@@@H ?O&@@@@0M? O2@@0Y O2@@@@@@@@@@0M @@@@@? ?@@@@@@@@@@@@@@@@@@@5? ?J@@@@@@@@@@@@@@@@1? 3@@@@1 @@@@@@@@)XeW&@@@@@?@@@@@@@@@? N@@@@@@@@@hN@@@@? ?@@@@@@? ?N@@@@ ?@@@@@@@@@@@@@eO@K? ?O&@@@@@@@ 3@@@@)X? @@@@5? N@@?e?N@@@@@@gJ@@@@@@@H??W&@@@@@@@@@@@@@@@@@@@@@@@@@@@@@@@ @@@@@?h@@he?3@@@@@?e@@@@@@e?@@@@@@@@@@@@@@@@@@@@?he@@@@@? @@@@@@e?7@@@@@@@5
?V4@@@@@@@@@@@@@@@@? ?@@@@@@@ J@@H J@@@@@@@@? ?O2@@@@0M? O2@@0M O2@@@@@@@@@0M? @@@@5? ?@@@@@@@@@@@@@@@@@@@Y??O2@@@h?@@@@@@@@@@@@@@@@@@? N@@@@@ @@?I'@@@@)KO&@@@@@@?3@@@@@@@@L ?3@@@@@@@@h?@@@@? ?3@@@@@? @@@@ ?@@@@@@@@@@@@@@@@@@@@@@@@@@@@@@@@@@@@@@@@@@@@@@@@@@@@5 V'@@@@1? @@@@ ?@@?f@@@@@@g7@@@@@@@e?7@@@@@@@@@@@@@@@@@@@@@@@@@@@@@@@@ @@@@@Lh@@he?N@@@@@?e@@@@@@e?@@@@@@@@@@@@@@@@@@@5?he@@@@@? @@@@@He?@@@@@@@@H
?I'@@@@@@@@@@@@@@? J@@@@@@5 7@5? 7@@@@@@@5? ?O2@@@@0M? O2@@0M O2@@@@@@@@@0M? @@@@H? J@@@@@@@@@@@@@@@@@@@@@@@@@@5h?N@@@@@@@@@@@@@@@@@? ?@@@@@ @@eV'@@@@@@@@@@@@@LN@@@@@@@@1 ?N@@@@@@@@L?g?@@@@? ?N@@@@@? @@@@ ?@@@@@@@@@@@@@@@@@@@@@@@@@@@@@@@@@@@@@@@@@@@@@@@@@@@@H ?N@@@@@L @@@@1? ?@@?f3@@@@@g@@@@@@@@e?@@@@@@@@@@@@@@@@@@@@@@@@@@@@@@@@@@@@@@?he@@@@@1h@@L?he@@@@@??J@@@@@5e?@@@@@@@@@@@@@@@@@@@H?he@@@@@? ?J@@@@@?e?@@@@@@@@?
V'@@@@@@@@@@@@@? 7@@@@@@H ?J@@H? @@@@@@@@H? ?O2@@@(M O2@@0M O2@@@@@@@@@@0M @@@@ ?O&@@@@@@@@@@@@@@@@@@@@@@@@@0Yh?J@@@@@@@@@@@@@@@@5? ?@@@@@ @@e?V'@@@@@@@@@@@@)X@@@@@@@@@L? 3@@@@@@@1?g?@@@@L @@@@@L @@@@L? ?@@@@@@@@@@@@@@@@@@@@@@@@@@@@@@@@@@@@@@@@@@@@@@@@@@@5? @@@@@)X? @@@@@? ?@@?fN@@@@@g@@@@@@@@eJ@@@@@@@@@@@@@@@@@@@@@@@@@@@@@@@@@@@@@@?he3@@@@@h@@1?he@@@@@L?7@@@@@HeJ@@@@@@@@@@@@@@@@@@@he?J@@@@@? ?7@@@@@?e?@@@@@@@@?
?V4@@@@@@@@@@@@? ?J@@@@@@5? ?7@@ @@@@@@@@ ?O2@@@@0Y? O2@@0M O@?2@@@@@@@@@0M? @@@@ ?@@@@@@@@@@@@@@@@@@@@@@@@0M?hf?@@@@@@@@@@@@@@@@@H? ?@@@@@ @@fV'@@@@@@@@@@@@@@@@@@@@@@1? N@@@@@@@@?g?@@@@1 @@@@@1 @@@@1? ?3@@@@@@@@@@@@@@@@@@@@@@@@@@@@@@@@@@@@@@@@@@@@@@@@@@ 3@@@@@)X @@@@@? ?@@?f?@@@@@L?f@@@@@@@5e7@@@@@@@@@@@@@@@@@@@?@@@@@@@@@@@@@@@@@@?heN@@@@@h3@@?he3@@@@)X@@@@@@?e7@@@@@@@@@@@@@@@@@@5he?7@@@@5? ?@@@@@5?eJ@@@@@@@@?
?I4@@@@@@@@@5? W&@@@@@@H? ?@@5 ?J@@@@@@@5 ?W2@@@@0M? W2@@(M O2@@@@@@@@@@0M ?J@@@@ ?@@@@@@@@@@@@@@@@@@@@@@@ ?N@@@@@@@@@@@@@@@5 ?3@@@@ @@f?N@@@@@@@@@@@@@@@@@@@@@@@? ?3@@@@@@@Lg?@@@@@ @@@@@@ 3@@@@? ?N@@@@@@@@@@?@@@@@@@@@@@@@@@@@@@@@@@@@@@@@@@@@@@@@@@)X V'@@@@@1 3@@@@? ?3@Lf?@@@@@1?f@@@@@@@He@@@@@@@@@@@@@@@@@@@@@@@@@@@@@@@@@@@@@@@?he?@@@@@L?gN@@?heN@@@@@@@@@@@@??J@@@@@@@@@@@@@@@@@@@Hhe?@@@@@H? ?@@@@@H?e7@@@@@@@5?
?I4@@@@@@0Y? 7@@@@@@@ J@@H ?7@@@@@@@H O&@@0M ?O&@@0Y? O2@@@@@@@@@@@@0M ?7@@@@ ?I'@@@@@e@@@@@@@@@@@5 @@@@@@@@@@@@@@@H ?N@@@@ @5g@@@@@@@@@@@@@@@@@@@@@@@L ?N@@@@@@@1g?3@@@@ 3@@@@@ N@@@@? @@@@@@@@@@@@@@@@@@@@@@@@@@@@@@@@@@@@@@@@@@@@@@@@@@@1 ?N@@@@@@L? N@@@@? ?N@1f?3@@@@@Lf@@@@@@@?e@@@@@@@@@@@@@@@@@@@@@@@@@@@@@@@@@@@@@?hf?@@@@@1?g?@@Lhe?@@@@@@@@@@@@??7@@@@@@@@@@@@@@@@@@@?he?@@@@5 J@@@@@f@@@@@@@@H?
?J@@@@@@@@ 7@@? J@@@@@@@@? W2@@(M ?O2@@0M? ?O2@@@@@@@@@@@0M ?@@@@@ N@@@@@e@@@@@@@@@@@H 3@@@@@@@@@@@@@5? @@@@L? ?J@Hg3@@@@@@@@@@@@@@@@@@@@@@1 3@@@@@@@L?f?N@@@@ N@@@@@ ?@@@@? 3@@@@@@@@@@@@@@@@@@@@@@@@@@@@@@@@@@@@@@@@@@@@@@@@@@@ 3@@@@@1? ?@@@@? @@f?N@@@@@)X?e@@@@@@@?e@@@@@@@@@@@@@@@@@@@@@@@@@@@@@?@@@@@@5?hf?@@@@@@?g?@@1he?@@@@@@@@@@@5??@@@@@@@@@@@@@@@@@@@@?heJ@@@@H 7@@@@@f@@@@@@@@
?@@@@@@@@5 ?J@@5? 7@@@@@@@5? ?O&@@0Y? W2@@@0M? O2@@@@@@@@0?40M? ?@@@@5 ?@@@@@?J@@@@@@@@@@5? V'@@@@@@@@@@@0Y? @@@@1? ?7@?gN@@@@@@@@@@@@@@@@@@@@@@5 N@@@@@@@1?g@@@@ ?@@@@@ ?@@@@? N@@@@@@@@@@@@@@@@@@@@@@@@@@@@@@@@@@@@@@@@@@@@@@@@@@5 V'@@@@@? ?@@@@? @@g@@@@@@1?e@@@@@@5?e3@@@@@@@@@@@@@@@@@@@@@@@@@@@5?@@@@@@H?hf?@@@@@@?g?@@@he?@@@@@@@@@@@H??@@@@@@@@@@@@@@@@@@@5?he7@@@@? @@@@@5e?J@@@@@@@5
@@@@@@@H ?7@@H? ?J@@@@@@@@H? ?W2@@@(M ?W&@(M ?O2@@@@@@@@0M? ?@@@@H J@@@@5?7@@@@@@@@@(Y? ?V4@@@@@@@@@ @@@@@? ?@@?g?3@@@@@@@@@@@@@@@@@@@@@H ?3@@@@@@@Lg@@@@ ?@@@@@ ?@@@@L ?@@@@@@@@@ @@X? ?I4@0Y ?V'@@@@@@? ?@@@@? @@g?I'@@@@L?J@@@@@@H?eN@@@@@@@@@@@@@@@@@(Y@@@@@@@@H?@@@@@@ ?@@@@@@?g?3@@he?3@@@@@@@@@@e?@@@@@@@@@@@@@@@@@@@H?he@@@@5? @@@@@He?7@@@@@@@H
W&@@@@@@5? ?@@@ ?7@@@@@@@5 O&@@@0Y? O&@0Y? ?O2@@@@@@@@@@0M? ?@@@@? 7@@@@H?@@@@@@@@@(Y ?I'@@@@@@@ @@@@@? ?@@?g?N@@@@@@@@@@@@@@@@@@@@@? ?N@@@@@@@)X?f@@@@L? ?@@@@@ ?@@@@1 ?@@@@@@@@@L?hf?J@@1? N@@@@@@L ?@@@@? 3@hN@@@@)?&@@@@@@f?3@@@@@@@@@@@@@@@(Y?@@@@@@@@e3@@@@@ ?@@@@@@Lg?N@@L?h?N@@@@@@@@@5e?@@@@@@@@@@@@@@@@@@@he?J@@@@H? @@@@@?e?@@@@@@@@?
7@@@@@@@H? J@@5 ?@@@@@@@@H W2@@(M O2@0M? ?O2@@@@@@@@0M? ?@@@@? @@@@@??@@@@@@@@@ N@@@@@@@ @@@@@? ?@@?h@@@@@@@@@@@@@@@@@@@@@L @@@@@@@@1?f@@@@1? ?@@@@@ ?@@@@@ ?@@@@@@@@@1?hfO&@@@? ?3@@@@@)X? ?@@@@? N@h?3@@@@@@@@@@@@f?N@@@@@@@@@@@@@@@He@@@@@@@5eN@@@@@ ?3@@@@@1h@@1?he@@@@@@@@@He?@@@@@@@@@@@@@@@@@@@he?7@@@@ ?J@@@@5?e?@@@@@@@@?
?J@@@@@@@5 7@@H J@@@@@@@@? ?O&@@0Y? ?O2@@(M? ?O2@@@@@@@@@@0M? ?@@@@? @@@@@??3@@@@@@@@)X ?3@@@@@@ 3@@@@? ?@@?h3@@@@@@@@@@@@@@@@@@@@1 3@@@@@@@@Lf@@@@@? ?@@@@@ ?@@@@@ ?3@@@@@@@@@?he?@@@@@5? ?V'@@@@@)X ?@@@@L ?@h?V'@@@@@@@@@@5g@@@@@@@@@@@@@@@??J@@@@@@@He?@@@@5e?O)Xh?N@@@@@@h@@@?he@@@@@@@@@?e?3@@@@@@@@@@@@@@@@@5he?@@@@@ ?7@@@@H?eJ@@@@@@@@?
@@@@@@ ?7@@@@@@@H @@5? 7@@@@@@@5? O2@@@0M? ?W2@@@0Y O2@@@@@@@@0M J@@@@? @@@@@??N@@@@@@@@@)X? ?N@@@@@@ N@@@@? ?@@?hN@@@@@@@@@@@@@@@@@@@@@ N@@@@@@@@1f@@@@@? ?3@@@@ ?3@@@@ ?N@@@@@@@@@?heJ@@@@@H? V'@@@@@)X? ?@@@@1 ?@heV'@@@@@@@@@Hg@@@@@?I'@@@@@@@??7@@@@@@@?e?@@@@??W2@@)X?h@@@@@@h@@@?he3@@@@@@@@?e?N@@@@@@@@@@@@@@@@@Hhe?@@@@5 ?@@@@@f7@@@@@@@@?
@@@@@@ ?@@@@@@@@? ?J@@H? @@@@@@@@H? ?O2@@@@(M? O&@@(M O2@@@@@@@@@@0M 7@@@@? @@@@@?e@@@@@@@@@@)K @@@@@@ ?@@@@? ?@@?h?3@@@@@@@@@@@@V'@@@@@@ ?3@@@@@@@@L?e@@@@@? ?N@@@@L? ?N@@@@ @@@@@@@@@?he7@@@@@ ?V'@@@@@)X ?@@@@@ ?@L?h?V4@@@@@@@@?g3@@@@??V'@@@@@@??@@@(Y@@@?e?@@@@)?&@@@@)?h@@@@@@h@@@?heN@@@@@@@5?f@@@@@@@@@@@@@@@@@?heJ@@@(Y ?@@@@@f@@@@@@@@5?
@@@@@@L? J@@@@@@@5? ?7@@ ?J@@@@@@@@ ?W2@@@@@0Y O2@@@0Y? ?O2@@@@@@@@@0M @@@@@? @@@@@?e@@@@@@@@@@@@@6X? @@@@@@ ?@@@@L ?@@?h?N@@@@@@@@@@@@?N@@@@@@ ?N@@@@@@@@)Xe3@@@@? @@@@1? @@@@ @@@@@@@@@?he@@@@@@ N@@@@@@)X? ?3@@@@ ?@1?he?I'@@@@@@?gN@@@@LeN@@@@@@??@@@H?@@@?e?@@@@@@@@@@@H?h@@@@@@h@@@?he?@@@@@@@H?f3@@@@@@@@@@@@@@@@?he7@@@H? J@@@@5f@@@@@@@@H?
?J@@@@@@1? 7@@@@@@@H? J@@5 ?7@@@@@@@5 O&@@@(M? O2@@@0M? O2@@@@@@@@@@0M @@@@5? @@@@5?e3@@(?4@@@@@@@@)X @@@@@@ ?@@@@1 ?@@?he@@@@@@@@@@@@L?3@@@@@L? 3@@@@@@@@)X?N@@@@? @@@@@? @@@@L? @@@@@@@@@Lhe@@@@@@ ?3@@@@@@)X ?N@@@@ ?@@?hfN@@@@@@?g?@@@@1e?@@@@@@@@@@@e@@5?e?@@@@@@@@@@5he3@@@@@h3@@?he?3@@@@@@gN@@@@@@@@@@@@@@@5?he@@@@ 7@@@@Hf@@@@@@@@
O&@@@@@@@? ?J@@@@@@@5 7@@H J@@@@@@@@H ?W2@@@@@0Y O2@@@0M? O2@@@@@@@@@(M? @@@@H? ?J@@@@H?eV40YeI'@@@@@@@)K? @@@@@@ ?@@@@@ ?@@?he3@@@@@@@@@@@1?N@@@@@)X V'@@@@@@@@1??@@@@? @@@@@? @@@@1? @@@@@@@@@1he@@@@@@ ?V'@@@@@@)X? @@@@ ?@@?hf?@@@@@@?g?3@@@@e?@@@@@@@@@@5e@@H?e?3@@@@@@@@(YheN@@@@@hN@@Lhe?N@@@@@@g?@@@@@@@@@@@@@@@H?he@@@@ @@@@@?f@@@@@@@5
?W2@@@@@@@@@@@@@@@@@@@@@@@@@@@@@@@@@@@@@@@@@ ?7@@@@@@@H @@@? 7@@@@@@@@? O&@@@@0M W2@@@0M? ?O2@@@@@@@@@@@0Y @@@@ ?7@@@@he?V4@@@@@@@@6X? @@@@@@L? ?@@@@@ ?@@?heN@@@@@@@@@@@@L?@@@@@@1 ?N@@@@@@@@@??@@@@? 3@@@@? @@@@@? @@@@@@@@@@he@@@@@5 V'@@@@@@)X @@@@ ?3@?hf?@@@@@@?g?N@@@@L??@@@@@@@@@@H?J@5f?N@@@@@@@@H?he?@@@@@h?@@1hf@@@@@@g?3@@@@@@@@@@@@@@hf@@@@ @@@@@?e?J@@@@@@@H
W&@@@@@@@@@@@@@@@@@@@@@@@@@@@@@@@@@@@@@@@@@@L? ?@@@@@@@@? ?J@@@? @@@@@@@@5? ?O2@@@@@0M ?O&@@(M? O2@@@@@@@@@@0M @@@@ ?@@@@@hf?I'@@@@@@@)K @@@@@@1? ?@@@@@ ?@@?he?@@@@@@@@@@@@1?@@@@@@@ @@@@@@@@@@@@@@@L N@@@@? @@@@@? @@@@@@@@@@h?J@@@@@H ?V'@@@@@@1 @@@@ ?N@Lhf?@@@@@@?h@@@@1??@@@@@@@@@@??7@Hg@@@@@@@@hf?@@@@@L?g?@@@he?J@@@@@5g?N@@@@@@@@@@@@@@he?J@@@@ ?J@@@@@?e?7@@@@@@@?
7@@@@@@@@@@@@@@@@@@@@@@@@@@@@@@@@@@@@@@@@@@@1? J@@@@@@@@? ?7@@5? ?J@@@@@@@@H? ?W2@@@@@(M ?W2@@@0Y O2@@@@@@@@@0M? @@@@ ?@@@@@ V'@@@@@@@@6X @@@@@@@? ?@@@@@ ?@@?he?3@@@@@@@@@@@@?3@@@@@@ 3@@@@@@@@@@@@@@1 ?@@@@? 3@@@@? @@@@@@@@@@h?@@@@@@? V'@@@@@@L? @@@@ @1hfJ@@@@@5?h@@@@@??@@@@@@@@@@??@@?g@@@@@@@5hf?3@@@@1?g?@@@he?7@@@@@?h3@@@@@@@@@@@@@he?7@@@@ ?7@@@@5?e?@@@@@@@@?
@@@@@@@@@@@@@@@@@@@@@@@@@@@@@@@@@@@@@@@@@@@@@? 7@@@@@@@5? ?@@@H? ?7@@@@@@@@ O&@@@@@0Y? O&@@0M O2@@@@@@@@@@@0M? ?J@@@@ ?@@@@@ ?V'@@@@@@@@1 @@@@@@@? ?@@@@@L? ?N@@@@@@@@@@@@LN@@@@@@ N@@@@@@@@@@@@@@@ ?@@@@L N@@@@L @@@@@@@@@@L?g?N@@@@@? ?V'@@@@@)X @@@@ @@hf7@@@@@H?h3@@@@@@@@@@@@@@@@L?@@?g3@@@@@@Hhf?N@@@@@?g?@@@he?@@@@@@1hN@@@(?'@@@@@@@he?@@@@5 ?@@@@@H?e?@@@@@@@@?
@@@@@@@@@@@@@@@@@@@@@@@@@@@@@@@@@@@@@@@@@@@@5? @@@@@@@@H? J@@5 ?@@@@@@@@5 O2@@@@@0M? O2@@0M O2@@@@@@@@@0M? ?7@@@@ ?@@@@@ V4@@@@@@@@ @@@@@@@? ?3@@@@1? 3@@@@@@@@@@@)X@@@@@@ ?3@@@@@@@@@@@@@@ ?@@@@1 ?@@@@1 3@@@@@@@@@1?h@@@@@? V'@@@@@)X? @@@@L? @@hf@@@@@@heN@@@@@@@@@@@@@@@@)X@@?gN@@@@@@? @@@@@?g?3@@he?@@@@@@@h?3@@H?V'@@@@@5he?@@@@H ?@@@@@fJ@@@@@@@@?
@@@@@@@@@@@@@@@@@@@@@@@@@@@@@@@@@@@@@@@@@@@@H? @@@@@@@@ 7@@H J@@@@@@@@H O2@@@@(M O2@@0M O2@@@@@@@@@@0M ?@@@@@ ?@@@@@ I'@@@@@@ @@@@@@@? ?N@@@@@? N@@@@@@@@@@@@@@@@@ ?V'@@@@@@@@@@@@@ ?3@@@@ ?@@@@@ N@@@@@@@@@@?h@@@@@? ?V4@@@@@)X @@@@1? @@hf@@@@@@he?3@@@@@@@@@@@@@@@@@@@?g?@@@@@@?hf?J@@@@@?g?N@@he?@@@@@@@h?N@@f@@@@@HheJ@@@@? J@@@@@f7@@@@@@@5?
@@@@@@@@@@@@@@@@@@@@@@@@@@@@@@@@@@@@@@@@@@@@ 3@@@@@@@ ?O@KfO@K?h?O2@@@@@@@@@@6K?f@@@? 7@@@@@@@@? W2@@@@@0Y? W2@@(M ?O2@@@@@@@@@@0M? ?@@@@@ ?@@@@@ ?V'@@@@@L?hf@@@@@@@? @@@@@? ?@@@@@@@@@@@@@@@@@ N@@@@@@@@@@@@@ ?N@@@@ ?@@@@@ ?@@@@@@@@@@?g?J@@@@@? @@@@@)X? 3@@@@? @@hf@@@@@@he?N@@@@@@@@@@@@@@@@@@@?g?@@@@@5?hf?@@@@@@?h@@heJ@@@@@@@L?h@@@6?&@@@@@?he7@@@@? 7@@@@@f@@@@@@@@H?
@@@@@@@@@@@@@@@@@@@@@@@@@@@@@@@@@@@@@@@@@@@@ V@@@@@@@@@@@@@@@@@@@@@@@@@@@@@@@@@@@@@@@@@@@@@@@@@@@@@@@@@@@@@@@@@@@@@@@@@@@@@@@@@@@@@@@@@@@@@@@@@@@@@@@@@@@@@@@@@@@@@@@@@@@@@@@@@@@@@@@@@@@@@@? @@@@@@@@5? ?O&@@@@0M? ?O&@@0Y? O2@@@@@@@@@@@0M? ?@@@@@ ?@@@@@ V'@@@@1?hf@@@@@@@? @@@@@? ?3@@@@@@@@@@@@@@@@ ?3@@@@@@@@@@@@L? @@@@ ?@@@@@ ?@@@@@@@@@@Lg?7@@@@@? 3@@@@@)K N@@@@? @@hf@@@@@@hf@@@@@@@@@@@@@@@@@@5?g?@@@@@H?hf?N@@@@@?h@@L?h7@@@@@@@1?h3@@@@@@@@@@?he@@@@@? @@@@@5f@@@@@@@@
@@@@@@@@@@(Mhf?I4@@@@@@@@? ?W2@@@@@@@@@@@@@@@@@@@@@@@@@@@@@@@@@@@@@@@@@@@@@@@@@@@@@@@@@@@@@@@@@@@@@@@@@@@@@@@@@@@@@@@@@@@@@@@@@@@@@@@@@@@@@@@@@@@@@@@@@@@@@@@@@@@@@@@@@@@@@@@@L ?J@@@@@@@@H? W2@@@@@(M? ?O2@@0M? ?O2@@@@@@@@@0M ?@@@@5 ?@@@@@ ?N@@@@@Lhf3@@@@@@? @@@@@? ?N@@@@@@@@@@@@@@@@ ?N@@@@@@@@@@@@1? @@@@ ?@@@@@ ?@@@@@@@@@@1g?@@@@@@? V'@@@@@@6X ?@@@@? 3@he?J@@@@@@hf3@@@@@@@@@@@@@@@@@H?g?@@@@@ @@@@@Lh@@1?h@@@@@@@@@?hV'@@@@@@@@@?he@@@@5? @@@@@He?J@@@@@@@@
@@@@@@@@@@ @@@@@@5? ?7@@@@@@@@@@@@@@@@@@@@@@@@@@@@@@@@@@@@@@@@@@@@0MI4@@@@@@@@@@0MI4@@@@@@@@@@@@@@@@@@@@@@@@@@@@@@@@@@@@@@@@@@@@@@@@@@@@@@@@@@@@@@@@@@@@@@@@@@@@@@@@@@@)X? ?7@@@@@@@@ ?O&@@@@@0Y ?W2@@(M? O2@@@@@@@@@0M? ?@@@@H ?@@@@5 3@@@@1hfN@@@@@@? @@@@@L 3@@@@@@@@@@@@@@5 3@@@@@@@@@@@@? @@@@L? ?3@@@@ ?@@@@@@@@@@@g?@@@@@5? ?V'@@@@@@1 ?@@@@? N@L?h?7@@@@@@hfN@@@@@@@@@@@@@@@@@h?@@@@@ @@@@@1h3@@?h@@@@@@@@@?h?V4@@@@@@@5?he@@@@H? @@@@@?e?7@@@@@@@@
3@@@@@@@@@)K @@@@@@H? J@@@@@@@@@@@@@@@@@0M ?I'@@@1? ?@@@@@@@@5 ?W2@@@@0M? O&@@0Y O2@@@@@@@@0M ?@@@@? ?@@@@H N@@@@@L?he?@@@@@@? @@@@@1 N@@@@@@@@@@@@@@H V'@@@@@@@@@@@L 3@@@1? ?N@@@@L? ?@@@@@@@@@@@g?@@@@@H? V4@@@@@@L? ?@@@@? ?@1?h?@@@@@@@hf?@@@@@@@@@@@@@@@@@h?3@@@@ 3@@@@@hN@@?h@@@@@@@@@?hf@@@@@@H?h?J@@@@ @@@@@?e?@@@@@@@@5
V4@@@@@@@@@@6X @@@@@@ 7@@@@@@@@@@@@? N@@@@? J@@@@@@@@H O&@@@0M? O2@@0M ?O2@@@@@@@@0M? ?@@@@? ?@@@@? ?3@@@@)Xhe?@@@@@@? @@@@@@ ?@@@@@@@@@@@@@5? ?V'@@@@@@@@@@1 N@@@@? @@@@1? ?@@@@@@@@@@@gJ@@@@@ I'@@@@)K ?@@@@? ?@@?hJ@@@@@@@hf?@@@@@@@@@@@@@@@@@h?N@@@@ N@@@@@L?g?@@?h@@@@@@@@@Lhe?J@@@@@@he?7@@@@ ?J@@@@@?e?@@@@@@@@H
I'@@@@@@@@@)K?hf@@@@@@ ?J@V4@@@@@@@@@@? ?3@@@? 7@@@@@@@5? O2@@@0M? W2@@0Mf?O2@@@6K ?O2@@@@@@@@@0M J@@@@? J@@@@? ?N@@@@@1he?@@@@@@? 3@@@@@ ?3@@@@@@@@@@@(Y? N@@@@@@@@@@@ ?@@@@? @@@@@? ?@@@@@@@@@@5g7@@@@@ ?V4@@@@@6X ?@@@@? ?@@?g?W&@@@@@@@hW26X?@@@@@@@@@@@@@@@@@he@@@@L? ?@@@@@1?g?@@Lg?J@@@@@@@@@1he?7@@@@@@he?@@@@5 ?7@@@@5?eJ@@@@@@@@?
?V4@@@@@@@@@@6X?he@@@@@@ ?75?e@@@@@@@@@L ?N@@@L ?J@@@@@@@@H? W2@@@0M? O2@6K?e?O&@(MfW2@@@@@@@@@6K? O2@@@@@@@@@0M? 7@@@@? 7@@@@? 3@@@@@he?@@@@@@? N@@@@@ ?N@@@@@@@@@@@H ?3@@@@@@@@@@ ?@@@@? @@@@@? ?3@@@@@@@@(Yg@@@@@5 ?I'@@@@)X? ?@@@@? ?@@?gW&@@@@@@@5g?W&@@)X@@@@@@@@@@@@@@@@5he@@@@1? ?@@@@@@?g?@@1g?7@@@@@@@@@@he?@@@@@@5he?@@@@H ?@@@@@H?e7@@@@@@@@?
?I'@@@@@@@@@)Khe@@@@@@L? ?(Y?e3@@@@@@@@1 @@@1 ?7@@@@@@@@ ?O&@(M W2@@@@@@@@@@@@@(Y?e?W&@@@@@@@@@@@@6K? ?W2@@@@@@@@@0M @@@@@? @@@@@? N@@@@@L?h?@@@@@@? ?@@@@@ 3@@@@@@@@@@? ?V'@@@@@@@@@ ?@@@@? @@@@@? ?N@@@@@@@@H?g@@@@@H V'@@@@)K ?@@@@L ?@@?f?W&@@@@@@@@?gW&@@@@@@@@@@@@@@@@@@V40Yhe@@@@@? ?@@@@@@?g?@@@g?@@@@@@@@@@@he?@@@@@@HheJ@@@@? ?@@@@@f@@@@@@@@5?
V4@@@@@@@@@@6Xh@@@@@@1? N@@@@@@@@@L? 3@@@L? ?@@@@@@@@@ ?O2@@@H? ?W&@@@@@@@@@@@@@@HfW&@@@@@@@@@@@@@@@@ O&@@@@@@@@0M @@@@5? @@@@@? ?3@@@@)Xh?@@@@@@? ?@@@@@ N@@@@@@@@@@? N@@@@@@@@@L? ?@@@@L 3@@@@? @@@@@@@5h@@@@@? ?V'@@@@@6X ?@@@@1 ?@@LfO&@@@@@@@@@1g7@@@@@@@@@eI'@@@@@@L?hf3@@@@? ?@@@@@@?g?@@@L?f?@@@@@@@@@@@he?@@@@@@?he7@@@@? J@@@@5f@@@@@@@@H?
I'@@@@@@@@@)X?g@@@@@@@? ?3@@@@@@@@1? N@@@1? ?@@@@@@@@5 ?O2@@@@5 W&@@@@@@@@@@@@@@@Le?W&@@@@@@@@@@@@@@@@@L? O2@@@@@@@@0M @@@@H? @@@@@? ?N@@@@@1h?@@@@@@? ?@@@@@ ?@@@@@@@@@@? ?3@@@@@@@@)X ?@@@@1 N@@@@L @@@@@@@Hh@@@@@? V'@@@@@)K? ?@@@@5 ?@@)K?O2@@@@@@@@@@@@g@@@@@@@@@@e?N@@@@@@1?hfN@@@@? ?@@@@@@?g?@@@1?fJ@@@@@@@@@@@L?h?@@@@@@?he@@@@@? 7@@@@Hf@@@@@@@@
?V4@@@@@@@@@)Kg@@@@@@@? ?N@@@@@@@@@L ?3@@@? J@@@@@@@@H ?O2@@@@@0Y ?W&@@@@@@@@@@@@@@@@1e?7@@@@@@@@@@@@@@@@@@1? O2@@@@@@@0M? @@@@ ?J@@@@@? 3@@@@@L?g?3@@@@@L ?3@@@@L? ?3@@@@@@@@@? ?N@@@@@@@@@1 ?@@@@@ ?@@@@1 @@@@@@@?h@@@@@? ?V'@@@@@@6K? ?@@@@H ?@@@@@@@@@@@@@@@@@@@g3@@@@@@@@@f@@@@@@@?hf?@@@@? ?3@@@@@Lg?3@@@?f7@@@@@V'@@@@1?h?@@@@@@?he@@@@@? @@@@@?e?J@@@@@@@@
?I'@@@@@@@@@@6X?e@@@@@@@? @@@@@@@@@)X? ?N@@@? 7@@@@@@@@? ?W2@@@@@0M W&@@@@@@@@@@@@@@@@@@e?@@@@@@@@@@@@@@@@@@@@L O2@@@@@@@@@0M? ?J@@@@ ?7@@@@5? N@@@@@1?g?N@@@@@1 ?N@@@@1? ?N@@@@@@@@@? 3@@@@@@@@@L? ?3@@@@ ?@@@@@ @@@@@@@?O)X?f@@@@@? V4@@@@@@@6K? ?3@@@? ?O2@6KO2@@@6K?O2@@@@@@@@@@@@@@@@@@@@@@@@gN@@@@@@@@@f@@@@@@@?hf?@@@@L ?N@@@@@1g?N@@@?f@@@@@@?N@@@@@?hJ@@@@@@?he@@@@@? @@@@@?e?7@@@@@@@@
V4@@@@@@@@@@)Ke@@@@@@@? 3@@@@@@@@@1? 3@@L ?J@@@@@@@@5? O&@@@@(M 7@@@@@@@@@@@@@@@@@@@@@@@@@@@@@@@@@@@@@@@@@@1 ?O2@@@@@@@@@@0M? ?7@@@@ ?@@@@@H? ?@@@@@@Lh@@@@@@ @@@@@? @@@@@@@@@? V'@@@@@@@@1? ?N@@@@ ?@@@@@ @@@@@@@@@@1?f@@@@@? I4@@@@@@@6K? ?N@@@? @@@@@@@@@@@@@@@@@@@@@@@@@@@@@@@@@@@@@(M?g?@@@@@@@@@f3@@@@@@Lhf?@@@@1e@@hf@@@@@@h@@@?f@@@@@@e@@@@@?h7@@@@@5?h?J@@@@5? @@@@@?e?@@@@@@@@5
I'@@@@@@@@@@@@@@@@@@@? N@@@@@@@@@@? N@@1 ?7@@@@@@@@H? W2@@@@@0Y? @@@@@@@@@@@@@@@@@@@@@@@@@@@@@@@@@@@@@@@@@@@@L? O2@@@@@@@@@@0M ?@@@@@ ?@@@@@ ?3@@@@@1h@@@@@@ @@@@@? @@@@@@@@@? ?N@@@@@@@@@L @@@@ ?@@@@@ @@@@@@@@@@5?e?J@@@@@? ?I'@@@@@@6X? @@@L ?J@@@@@@@@@@@@@@@@@@@@@@@@@@@@@@@@@@@@(Yh?@@@@@@@@@fN@@@@@@)K?he?@@@@@e@@f@?g@@@@@@h@@@?e?J@@@@@@e@@@@@Lh@@@@@@H?h?7@@@@H? ?J@@@@@?e?@@@@@@@@H
?V4@@@@@@@@@@@@@@@@@@? ?3@@@@@@@@@? ?@@@L? ?@@@@@@@@@ ?O&@@@@0M? ?J@@@@@@@@@@@@@@@@@@@@@@@@@@@@(Mf?I'@@@@@@@1? ?O2@@@@@@@@@@0M? ?@@@@@ ?3@@@@ ?N@@@@@@L?g@@@@@@ @@@@@? @@@@@@@@@? 3@@@@@@@@)X? @@@@L? ?@@@@@ @@@@@@@@@(Y?e?7@@@@5? V'@@@@@@)X @@@1 ?7@@@@@@@@@@@@@@@@@@@@@@@@@@@@@@@@@@@0Y?h?@@@@@@@@@f?@@@@@@@@6X?h?@@@@@ @@@@@@h@@@Le?7@@@@@5e@@@@@1g?J@@@@@@he?@@@@@ ?7@@@@5?e?@@@@@@@5?
?I'@@@@@@@@@@@@@@@@? ?N@@@@@@@@@? ?@@@1? ?@@@@@@@@5 ?O2@@@@(M? ?7@@@@@@@@0MfI'@@@@@@@@@@@(Y?gN@@@@@@@@? O2@@@@@@@@@0M? ?@@@@5 @@@@ 3@@@@@1?g@@@@@@ @@@@@? 3@@@@@@@@? V'@@@@@@@@1? @@@@1? ?@@@@@ ?J@@@@@@@@(Yf?@@@@@H? ?V4@@@@@@)K? @@@@ J@@@@@@@@@@@@@@@@@@@@@@@@@@@@@@@@(M?hf?3@@@@@@@@L?e?@@@@@@@@@1?h?3@@@@ @@@@@5h@@@1e?@@@@@@He3@@@@@g?7@@@@@@heJ@@@@@ ?@@@@@H?eJ@@@@@@@H?
V4@@@@@@@@@@@@@@@? 3@@@@@@@@L ?3@@@? J@@@@@@@@H ?O2@@@@@0Y ?@@@@@@@(Mg?V'@@@@@@@@@(Yh?3@@@@@@@? O2@@@@@@@@@0M? ?@@@@H ?7@@@@ N@@@@@@Lg@@@@@@ 3@@@@? N@@@@@@@@? ?N@@@@@@@@@L @@@@@? ?@@@@@ ?7@@@@@@@(Y?f?@@@@@ ?I'@@@@@@6X? @@@@ ?W&@@@@@@@@@@@@@@@@@@@@@@@@@@@@@@@0Y ?N@@@@@@@@1?e?@@@@@@@@@@?h?N@@@@ 3@@@@?h3@@@e?@@@@@@?eN@@@@@g?@@@@@@@he7@@@@5 J@@@@@f7@@@@@@@
I'@@@@@@@@@@@@@? N@@@@@@@@1 ?N@@@? 7@@@@@@@@? ?W2@@@@@(M J@@@@@@(Y?hV'@@@@@@@(Y?h?V'@@@@@@? O2@@@@@@@@@0M? ?@@@@? ?@@@@@ ?3@@@@@1g@@@@@@ N@@@@? ?@@@@@@@5? 3@@@@@@@@)K? @@@@@? ?3@@@@L? J@@@@@@@@HgJ@@@@@ V4@@@@@@)K @@@@ W&@@@@@@@@@@@@@@@@@@@@@@@@@@@@@@(M 3@@@@@@@@?e?@@@@@@@@@@?he@@@@ N@@@@1hN@@@e?@@@@@5?e?@@@@@L?f?@@@@@@@he@@@@@H 7@@@@5f@@@@@@@@
?V'@@@@@@@@@@@@? ?@@@@@@@@@L? 3@@L @@@@@@@@5? W&@@?I40Y? ?O&@@@@@@Hhe?N@@@@@@@HhfN@@@@@@? ?O2@@@@@@@@@@0M? ?@@@@? ?@@@@@ ?N@@@@@@L?f@@@@@@ ?@@@@? ?@@@@@@@H? N@@@@@@@@@@6X? 3@@@@? ?N@@@@1? ?W&@@@@@@@@?g7@@@@@ I4@@@@@@6X @@@@ 7@@@@@@@@@@@@@@@@@@@@@@@@@@@@@@0Y? N@@@@@@@@?e?@@@@@@@@@@?he3@@@ ?@@@@@h?@@@eJ@@@@@H?e?@@@@@1?f?@@@@@@5he@@@@@? @@@@@Hf@@@@@@@@
V4@@@@@@@@@@@? ?3@@@@@@@@1? N@@1 ?J@@@@@@@@H? ?O&@@5 ?O2@@@@@@@@?hf@@@@@@@?hf?@@@@@@L O2@@@@@@@@@@0M J@@@@? ?@@@@5 3@@@@@1?f@@@@@@ ?@@@@L ?@@@@@@5 ?@@@@@@@@@@@)X N@@@@? @@@@@? ?7@@@@@@@@@?g@@@@@@ I'@@@@@)X? @@@@ @@@@@@(Mhe?@@@@@@@@@@(M? ?3@@@@@@@?e?3@@@@@@@@@LheN@@@L? ?@@@@@h?@@@e7@@@@@f?@@@@@@?fJ@@@@@@Hh?J@@@@@? @@@@@?f@@@@@@@5
I'@@@@@@@@5? ?N@@@@@@@@@? ?@@@L? ?7@@@@@@@@ ?O2@@@0Y ?W2@@@@@@@@@@?hf@@@@@@5?hf?@@@@@@@ O2@@@@@@@@@@@0M? 7@@@@? ?@@@@? V'@@@@@Lf@@@@@@ ?@@@@1 ?@@@@@(Y ?@@@@@@@@@@@@)X? ?@@@@? @@@@@? J@@@@@@@@@@Lg@@@@@5 ?V4@@@@@)K @@@@@@@@@@ @@@@@@H?heJ@@@@@@@@@@H ?V'@@@@@@Le?N@@@@@@@@@1he?@@@1? ?@@@@@h?@@@e@@@@@@f?3@@@@@?f7@@@@@@?h?7@@@@5? @@@@@?e?J@@@@@@@H
?V4@@@@@@0Y? 3@@@@@@@@L ?3@@1? ?@@@@@@@@5 ?W2@@@(M W&@(MI'@@@@@@?hf@@@@@@ ?@@@@@@H ?O2@@@@@@@@@@0M? @@@@@? ?@@@@1 ?V'@@@@)X?e3@@@@@ ?@@@@@ J@@@@@H? ?@@@@@@@@@@@@@)X ?@@@@? @@@@@? 7@@@@@@@@@@1g@@@@@H ?I4@@@@@6K ?J@@@@@@@@@@L? @@@@@@hf7@@@@@@@@@@? V'@@@@@1f@@@@@@@@@@he?@@@@? ?@@@@@h?@@@e@@@@@@f?N@@@@@?f@@@@@@5?h?@@@@@H? @@@@5?e?7@@@@@@@?
N@@@@@@@@1 ?N@@@? J@@@@@@@@H O&@@@0Y? ?O&@0YeN@@@@@@?hf@@@@@@1?hf?@@@@@@? O2@@@@@@@@@@0M O@KO@K @@@@@L ?@@@@@ N@@@@@)XeN@@@@@L? ?@@@@@ ?W&@@@@@ ?@@@@@@@@@@@@@@1 ?@@@@L @@@@@L ?J@@@@@@@@@@@@f?J@@@@@? ?I4@@@@@@6X? W&@@@@@@@@@@)K @@@@@@hf@@@@@@@@@@@? ?N@@@@@@f@@@@@@@@@@he?@@@@? ?3@@@@h?@@@@@@@@@@5g@@@@@Lf@@@@@@H?h?@@@@@ ?J@@@@H?e?@@@@@@@@?
?3@@@@@@@@L? 3@@? 7@@@@@@@@? W2@@@(M? W2@@(Mf?@@@@@@?hf@@@@@@@?hf?@@@@@@? O2@@@@@@@@@@@@0M ?O2@@@@@@6?2@@@@@@@@@@@@@@@@@@@@@@@@@@@@@@@@@@@@@@@@@6K?gO2@6K? ?O26K? @@@@@)K? J@@@@@ ?@@@@@@1eJ@@@@@1? ?@@@@@L? W&@@@@@@ ?@@@@@@@@@@@@@@@L? ?@@@@1 3@@@@1 W&@@@@@@@@@@@@f?7@@@@@? ?I'@@@@@)K ?W&@@@@@@@@@@@@@6X @@@@@@hf@@@@@@@@?@@?h?O2@@@@@@6X?g@0M?@@f@@@@@@@@@5he?@@@@? ?N@@@@L?g?3@@@@@@@@@Hg@@@@@1e?J@@@@@@he?@@@@@ ?7@@@@f?@@@@@@@@?
?N@@@@@@@@1? N@@L ?J@@@@@@@@5? ?O&@@@(Y ?W&@@0Y?f?@@@@@@?hf@@@@@@@?hf?@@@@@@? ?O2@@@@@@@@@@@0M @@@@@@@@@@@@@@@@@@@@@@@@@@@@@@@@@@@@@@@@@@@@@@@@@@@@@@@@@@@@@@@@@@@@@@@@@@@@@@@@@@@@@@@@@@@@@@@@@@@@@@@@@@@@@@@@@@@@@@@@@@@@6KhO26K ?O2@@6K?hf?O2@6K?O26K?hf?O2@6KO@K?fO2@@6Ke?O2@@@@@@@@@@@@@@@@@6KO@KO2@6Kf?O@KfO26Ke?O&@@@@@@6K? ?@@@@@@@?O&@@@@@@? ?@@@@@)K ?O&@@@@@@@ ?@@@@@@?@@@@@@@@)K ?@@@@@ N@@@@@ ?W&@@@@@@@@@@@@@f?@@@@@@? V4@@@@@@6K ?7@@@@@@@@@@@@@@@1 @@@@@@hf@@@@@@@@?@@?g?W2@@@@@@@@@)Xhe3@L?e@@@@@@@@@Hhe?@@@@L 3@@@1?g?N@@@@@@@@@?g3@@@@@e?7@@@@@5he?@@@@@ ?@@@@@f?@@@@@@@@?
3@@@@@@@@L ?@@1 ?7@@@@@@@@H? ?W2@@V40Y? O&@0M?g?@@@@@@Lhe?J@@@@@@@LhfJ@@@@@@? O2@@@@@@@@@@@@0M @@@@@@@@@@@@@@@@@@@@@@@@@@@@@@@@@@@@@@@@@@@@@@@@@@@@@@@@@@@@@@@@@@@@@@@@@@@@@@@@@@@@@@@@@@@@@@@@@@@@@@@@@@@@@@@@@@@@@@@@@@@@@@@@@@@@@@@@@@@@@@@@@@@@@@@@@@@@@@@@@@@@@@@@@@@@@@@@@@@@@@@@@@@@@@@@@@@@@@@@@@@@@@@@@@@@@@@@@@@@@@@@@@@@@@@@@@@@@@@@@@@@@@@@@@@@@@@@@@@@@@@@@@@@@@@@@@@@@@@@@@@@@@@@@@@@@@@@@@@@@@@@@@@@@@@@@@@@@@@@@@@@@@@@@@@@@@@@@@@@@@@@@@@@6KO2@@@@@@@@6KO2@@6KeO@K?f?O2@6KO26Ke?O@K ?O2@@@@@@@@@ ?@@@@@@?@@@@@@@@@@@6K? ?@@@@@ ?@@@@@ W&@@@@@@@@@@@@@@f?@@@@@@? ?I'@@@@@6K ?@@@@@@@@@@@@@@@@@ ?J@@@@@5hf@@@@@@@@?3@Lg?7@@@@@@@@@@@)X?hV@1?e@@@@@@@@@?he?@@@@1 N@@@@?h@@@@@@@@@?gN@@@@@L??@@@@@@HheJ@@@@5 ?@@@@@fJ@@@@@@@5?
N@@@@@@@@1 ?@@@L? ?@@@@@@@@@ O&@@@? W2@0M?h?@@@@@@)X?h?7@@@@@@@1he?W&@@@@@@? O2@@@@@@@@@@@@0M @@@@@@@@@@@@@@@@@@@@@@@@@@@@@@@@@@@@@@@@@@@@@@@@@@@@@@@@@@@@@@@@@@@@@@@@@@@@@@@@@@@@@@@@@@@@@@@@@@@@@@@@@@@@@@@@@@@@@@@@@@@@@@@@@@@@@@@@@@@@@@@@@@@@@@@@@@@@@@@@@@@@@@@@@@@@@@@@@@@@@@@@@@@@@@@@@@@@@@@@@@@@@@@@@@@@@@@@@@@@@@@@@@@@@@@@@@@@@@@@@@@@@@@@@@@@@@@@@@@@@@@@@@@@@@@@@@@@@@@@@@@@@@@@@@@@@@@@@@@@@@@@@@@@@@@@@@@@@@@@@@@@@@@@@@@@@@@@@@@@@@@@@@@@@@@@@@@@@@@@@@@@@@@@@@@@@@@@@@@@@@@@@@@@@@@@@@@@@@@@@@@@@@@@@@@@@@@@@@@@@@@@@6KO@?2@@@@@@@@@@@@@@@6K?O2@@@@@@@@@@@@@@@@@@@@@@@@@@@@@@@@@@@@@@@@@@@@@@@@@@@@@@@@@@@6KO@?@K?e?O26KO26K? ?@@@@@ ?@@@@@ ?W&@@@@@@@@@@@@@@@f?@@@@@@? V4@@@@@@@6K? J@@@@@@@@@@@@@@@@@ ?7@@@@@Hhf@@@@@@@@?N@)K?fJ@@@@@@@@@@@@@1?f?O2@@@@?e@@@@@@@@@?he?@@@@@ ?@@@@?h@@@@@@@@@?g?@@@@@1?J@@@@@@?he7@@@@H ?@@@@@f7@@@@@@@H?
?3@@@@@@@@ ?3@@1? J@@@@@@@@5 ?O2@(M ?O&(M?he?@@@@@@@)XhJ@@@@@@@@@L?hW&@@@@@@@?hfO2@@@@@@@@@@@@@@0M @@@@@@@@@@@@@@@@@@@@@@@@@@@@@@@@@@@@@@@@@@@@@@@@@@@@@@@@@@@@@@@@@@@@@@@@@@@@@@@@@@@@@@@@@@@@@@@@@@@@@@@@@@@@@@@@@@@@@@@@@@@@@@@@@@@@@@@@@@@@@@@@@@@@@@@@@@@@@@@@@@@@@@@@@@@@@@@@@@@@@@@@@@@@@@@@@@@@@@@@@@@@@@@@@@@@@@@@@@@@@@@@@@@@@@@@@@@@@@@@@@@@@@@@@@@@@@@@@@@@@@@@@@@@@@@@@@@@@@@@@@@@@@@@@@@@@@@@@@@@@@@@@@@@@@@@@@@@@@@@@@@@@@@@@@@@@@@@@@@@@@@@@@@@@@@@@@@@@@@@@@@@@@@@@@@@@@@@@@@@@@@@@@@@@@@@@@@@@@@@@@@@@@@@@@@@@@@@@@@@@@@@@@@@@@@@@@@@@@@@@@@@@@@@@@@@@@@@@@@@@@@@@@@@@@@@@@@@@@@@@@@@@@@@@@@@@@@@@@@@@@@@@@@@@@@@@@@@@@@@@@@@@@@@@@@@@6?2@@@@@@@@@@@@@@@6?2@@@@@@@@@@@@@@@@@@@@@@@@6K?O2@@@@@@@@@@@@@@@@@@@@6?26K?O@K O26K ?O@?26?26KeO2@@@@@@ O@?2@@@@@@6K O&@@@@@@@@@@@@@@@@f?@@@@@@? I4@@@@@@@@6K 7@@@@@@@(M?@@@@@@@L? ?@@@@@@?he?J@@@@@@@5e@@@@@6KO&@@@@@@@@@@@@@@Le?W2@@@@@@Le@@@@@@@@@?he?@@@@@ ?@@@@?h@@@@@@@@@?g?@@@@@@?7@@@@@@?he@@@@@? J@@@@5f@@@@@@@@
?N@@@@@@@@L? ?N@@@? 7@@@@@@@@H ?W2@@0Y? O2@@0Yhf?@@@@@@@@)K?f?O&@@@@@@@@@)Kg?O&@@@@@@@@?heO2@@@@@@@@@@@@0M ?J@@@@@@@@@@@@@@@@@@@@@@@@@@@@@@@@@@@@@@@@@@@@@@@@@@@@@@@@@@@@@@@@@@@@@@@@@@@@@@@@@@@@@@@@@@@@@@@@@@@@@@@@@@@@@@@@@@@@@@@@@@@@@@@@@@@@@@@@@@@@@@@@@@@@@@@@@@@@@@@@@@@@@@@@@@@@@@@@@@@@@@@@@@@@@@@@@@@@@@@@@@@@@@@@@@@@@@@@@@@@@@@@@@@@@@@@@@@@@@@@@@@@@@@@@@@@@@@@@@@@@@@@@@@@@@@@@@@@@@@@@@@@@@@@@@@@@@@@@@@@@@@@@@@@@@@@@@@@@@@@@@@@@@@@@@@@@@@@@@@@@@@@@@@@@@@@@@@@@@@@@@@@@@@@@@@@@@@@@@@@@@@@@@@@@@@@@@@@@@@@@@@@@@@@@@@@@@@@@@@@@@@@@@@@@@@@@@@@@@@@@@@@@@@@@@@@@@@@@@@@@@@@@@@@@@@@@@@@@@@@@@@@@@@@@@@@@@@@@@@@@@@@@@@@@@@@@@@@@@@@@@@@@@@@@@@@@@@@@@@@@@@@@@@@@@@@@@@@@@@@@@@@@@@@@@@@@@@@@@@@@@@@@@@@@@@@@@@@@@@@@@@@@@@@@@@@@@@@@@@@@@@@@@@@@@@@@@@@@@@@@@@@@@@@@@@@@@@@@@@@@@@@@@@@@@@@@@@@@@@@@@@@@@@@@@@@@@@@@@@@@@@@@@@@@6K? W2@@@@@@@@@@@@@@@@@@f?@@@@@@? I'@@@@@@@@@6K? ?J@@@@@@@@H??@@@@@@@1? ?@@@@@@?he?7@@@@@@@He@@@@@@@@@@@@@@(MI'@@@@@1e?7@@@@@@@)X?3@@@@@@@@?he?3@@@@L? ?@@@@?h3@@@@@@@5?g?3@@@@@?@@@@@@@?h?J@@@@@? 7@@@@He?J@@@@@@@5
@@@@@@@@1? 3@@L @@@@@@@@@? W&@(M? W2@@(M ?@@@@@@@@@@@@@@@@@@@@@@@@@@@@@@@@@@@@@@@@@@@@@5?g?O2@@@@@@@@@@@@0M? ?7@@@@@@@@@@@@@@@@@@@@@@@@@@@@@@@@@@@@@@@@@@@@@@@@@@@@@@@@@@@@@@@@@@@@@@@@@@@@@@@@@@@@@@@@@@@@@@@@@@@@@@@@@@@@@@@@@@@@@@@@@@@@@@@@@@@@@@@@@@@@@@@@@@@@@@@@@@@@@@@@@@@@@@@@@@@@@@@@@@@@@@@@@@@@@@@@@@@@@@@@@@@@@@@@@@@@@@@@@@@@@@@@@@@@@@@@@@@@@@@@@@@@@@@@@@@@@@@@@@@@@@@@@@@@@@@@@@@@@@@@@@@@@@@@@@@@@@@@@@@@@@@@@@@@@@@@@@@@@@@@@@@@@@@@@@@@@@@@@@@@@@@@@@@@@@@@@@@@@@@@@@@@@@@@@@@@@@@@@@@@@@@@@@@@@@@@@@@@@@@@@@@@@@@@@@@@@@@@@@@@@@@@@@@@@@@@@@@@@@@@@@@@@@@@@@@@@@@@@@@@@@@@@@@@@@@@@@@@@@@@@@@@@@@@@@@@@@@@@@@@@@@@@@@@@@@@@@@@@@@@@@@@@@@@@@@@@@@@@@@@@@@@@@@@@@@@@@@@@@@@@@@@@@@@@@@@@@@@@@@@@@@@@@@@@@@@@@@@@@@@@@@@@@@@@@@@@@@@@@@@@@@@@@@@@@@@@@@@@@@@@@@@@@@@@@@@@@@@@@@@@@@@@@@@@@@@@@@@@@@@@@@@@@@@@@@@@@@@@@@@@@@@@@@@@@@@@6K? ?@KO&@@@@@@@@@@@@@@@@@@@L?e?@@@@@5? ?V4@@@@@@@@@@@6K ?7@@@@@@@@e?@@@@@@@@? ?@@@@@@?he?@@@@@@@@L?J@@@@@@@@@@@@@@H??V'@@@@@eJ@@@@@@@@@1?N@@@@@@@@?he?N@@@@1? ?@@@@LhN@@@@@@@H?g?N@@@@@@@@@@@@5?h?7@@@@5? @@@@@?e?7@@@@@@@H
3@@@@@@@@? N@@1 ?J@@@@@@@@5? ?W&@0Y ?W&@@0Y? ?3@@@@@@@@@@@@@@@@@@@@@@@@@@@@@@@@@@@@@@@@@@@@H?eO@?2@@@@@@@@@@@@0M J@@@@@@@@@@@@@@@@@@@@@@@@@@@@@@@@@@@@@@@@@@@@@@@@@@@@@@@@@@@@@@@@@@@@@@@@@@@@@@@@@@@@@@@@@@@@@@@@@@@@@@@@@@@@@@@@@@@@@@@@@@@@@@@@@@@@@@@@@@@@@@@@@@@@@@@@@@@@@@@@@@@@@@@@@@@@@@@@@@@@@@@@@@@@@@@@@@@@@@@@@@@@@@@@@@@@@@@@@@@@@@@@@@@@@@@@@@@@@@@@@@@@@@@@@@@@@@@@@@@@@@@@@@@@@@@@@@@@@@@@@@@@@@@@@@@@@@@@@@@@@@@@@@@@@@@@@@@@@@@@@@@@@@@@@@@@@@@@@@@@@@@@@@@@@@@@@@@@@@@@@@@@@@@@@@@@@@@@@@@@@@@@@@@@@@@@@@@@@@@@@@@@@@@@@@@@@@@@@@@@@@@@@@@@@@@@@@@@@@@@@@@@@@@@@@@@@@@@@@@@@@@@@@@@@@@@@@@@@@@@@@@@@@@@@@@@@@@@@@@@@@@@@@@@@@@@@@@@@@@@@@@@@@@@@@@@@@@@@@@@@@@@@@@@@@@@@@@@@@@@@@@@@@@@@@@@@@@@@@@@@@@@@@@@@@@@@@@@@@@@@@@@@@@@@@@@@@@@@@@@@@@@@@@@@@@@@@@@@@@@@@@@@@@@@@@@@@@@@@@@@@@@@@@@@@@@@@@@@@@@@@@@@@@@@@@@@@@@@@@@@@@@@@@@@@@@@@@@@@@6X J@@@@@@@@@@@@@@@@@@@@@@@)Ke?@@@@@H? ?I4@@@@@@@@@@@@6K? ?@@@@@@@@@e?3@@@@@@@? ?@@@@@@?he?@@@@@@@@)?&@@@@@@@@@@@@@@fN@@@@@?O&@@@@@@@@@@L?@@@@@@@5?hf@@@@@? ?@@@@1h?@@@@@@@he@@@@@@@@@@@@H?h?@@@@@H? @@@@@?e?@@@@@@@@?
N@@@@@@@@L ?@@@ ?7@@@@@@@@H? O.M? ?7@0M? ?N@@@@@@@@@@@@@@@@@@@@@@@@@@@@@@@@@@@@@@@@@@@@eO2@@@@@@@@@@@@@@0M 7@@@@@@@@@@@@@@@@@@@@@@@@@@@@@@@@@@@@@@@@@@@@@@@@@@@@@@@@@@@@@@@@@@@@@@@@@@@@@@@@@@@@@@@@@@@@@@@@@@@@@@@@@@@@@@@@@@@@@@@@@@@@@@@@@@@@@@@@@@@@@@@@@@@@@@@@@@@@@@@@@@@@@@@@@@@@@@@@@@@@@@@@@@@@@@@@@@@@@@@@@@@@@@@@@@@@@@@@@@@@@@@@@@@@@@@@@@@@@@@@@@@@@@@@@@@@@@@@@@@@@@@@@@@@@@@@@@@@@@@@@@@@@@@@@@@@@@@@@@@@@@@@@@@@@@@@@@@@@@@@@@@@@@@@@@@@@@@@@@@@@@@@@@@@@@@@@@@@@@@@@@@@@@@@@@@@@@@@@@@@@@@@@@@@@@@@@@@@@@@@@@@@@@@@@@@@@@@@@@@@@@@@@@@@@@@@@@@@@@@@@@@@@@@@@@@@@@@@@@@@@@@@@@@@@@@@@@@@@@@@@@@@@@@@@@@@@@@@@@@@@@@@@@@@@@@@@@@@@@@@@@@@@@@@@@@@@@@@@@@@@@@@@@@@@@@@@@@@@@@@@@@@@@@@@@@@@@@@@@@@@@@@@@@@@@@@@@@@@@@@@@@@@@@@@@@@@@@@@@@@@@@@@@@@@@@@@@@@@@@@@@@@@@@@@@@@@@@@@@@@@@@@@@@@@@@@@@@@@@@@@@@@@@@@@@@@@@@@@@@@@@@@@@@@@@@@@@@@@@@@1 7@@@@@@@@@@@@@@@@@@@@@@@@@@@@@@@@@ ?I4@@@@@@@@@@6K? W2@@@@@@@@@@e?N@@@@@@@? J@@@@@5?heJ@@@@@@@@@@@@@@@@@@@@@@@@@f?@@@@@@@@@@@@@@@@@@1?@@@@@@@H?hf@@@@@? ?@@@@@h?@@@@@@@h@@@@@@@@@@@@@@he?@@@@@ ?J@@@@@?e?@@@@@@@@?
?3@@@@@@@1 ?3@@L? ?@@@@@@@@5 O2(Y ?@M? 3@@@@@@@@@@@@@@@@@@@?I'@@@@@@@@@@@@@@@@@@@@@T2@@@@@@@@@0MI40M? ?J@@@@@@@@@0M? ?I4@@@@@@@@@@@0?4@@@0MI@M?I@M? I@M? I@M?hI4@@@@@@@@@@@@0?4@@@0MI4@@0MI4@@@@@@@@@0MI40?4@@@@@@@@@@@@@@@@@@@@@@@@@@@@@@@@@@@@@@@@@@@@@@@@@@@@@@@@@@@@@@@@@@@@@@@@@@@@@@@@@@@@@@@@@@@@@@@@@@@@@@@@@@@@@@@@@@@@@@@@@@@@@@@@@@@@@@@@@@@@@@@@@@@@@@@@@@@@@@@@@@@@@@@@@@@@@@@@@@@@@@@@@@@@@@@@@@@@@@@@@@@@@@@@@@@@@@@@@@@@@@@@@@@@@@@@@@@@@@@@@@@@@@@@@@@@@@@@@@@@@@@@@@@@@@@@@@@@@@@@@@@@@@@@@@@@@@@@@@@@@@@@@@@@@@@@@@@@@@@@@@@@@@@@@@@@@@@@@@@@@@@@@@@@@@@@@@@@@@@@@@@@@@@@@@@@@@@@@@@@@@@@@@@@@@@@@@@@@@@@@@@@@@@@@@@@@@@@@@@@@@@@@@@@@@@@@@@@@@@@@@@@@@@@@@@@@@@@@@@@@@@@@@@@@@@@@@@@@@@@@@@@@@@@@@@@@@@@@@@@@@@@@@@@@@@@@@@@@@@@@@@@@@@5 @@@@@@@@@@@@@@@@@@@@@@@@@@@@@@@@@@ I4@@@@@@@@@@@@6Khe7@@@@@@@@@@5e?J@@@@@@@? 7@@@@@H?he7@@@@@@@@@@@@@@@@@@@@@@@@5f?@@@@@@@@@@@(?'@@@@@?@@@@@@@ @@@@@? ?3@@@@h?@@@@@@@g?J@@@@@@@@@@@@@@he?@@@@@ ?7@@@@5?e?@@@@@@@@?
?N@@@@@@@@L? ?N@@1? J@@@@@@@@H O2@0Y? N@@@@@@@@@@@@@@@@@@5eN@@@@@@@@@@@@@@@@@@@(R'@@@@@@@0M ?7@@@@@@@(M? ?@@@(M I@?@M??I@MeI4@0?4@@@@@@@@@@@@@@@@@@@@@@@@@@@@@@@@@@@@@@@@@@@@@@@@@@@@@@@@@@@@@@@@@@@@@@@@@@@@@@@@@@@@@@@@@@@@@@@@@@@@@@@@@@@@@@@@@@@@@@@@@@@@@@@@@@@@@@@@@@@@@@@@@@@@@@@@@@@@@@@@@@@@@@@@@@@@@@@@@@@@@@@@@@@@@@@@@@@@@@@@@@@@@@@@@@@@@@@@@@@@@@@@@@@@@@@@@@@@@@@@@@@@@@@@@@@@@@@@@@@@@@@@@@@@@@@@@@@@@@@@@@@@@@@@@@@@@@@@@@@@@@@@@@@@@@@@@@@@@@@@@@@@@@@@@@@@@@@@@@@@@@@@@@@@@@@@@@@@@@@@@@@@@@@@@@@@@@@@@@@@@@@@@@@@@@@@@@@@@@@@@@@@@@@@@H ?W2@@@@6K?O2@@@@@@@@@@@@@@@@@@@@@@@@@@@@@@@@@@@@@@@6X? ?I4@@@@@@@@@@@@@6Kg@@@@@@@@@@@He?7@@@@@@@L @@@@@@hf@@@@@@@@@@@@@@@?@@@@@@@@@Hf?@@@@@@@@@@@H?N@@@@@?3@@@@@5 @@@@@? ?N@@@@h?@@@@@@5gW&@@@@@@@@@@@@@@he?@@@@@ ?@@@@@H?eJ@@@@@@@5?
3@@@@@@@1? @@@L 7@@@@@@@@? W2@(M? ?O2@(? ?3@@@@@@@@@@@@@@@@(Ye?3@@@@@@@@@@@@@@@@@(Y?V4@@@@0M J@@@@@@@@H ?@@@H? I'@@@@@@ ?I'@@@@@ ?I@Mh?I40M?e?I4@@0M?hfI40MeI40MeI@?@?4@@@@@@@@@@@@@@@@@@@@@@@@@@@@@@@@@@0?4@@@@@@@@@@@@@@@@@@@@@@@@@@@@@@@@@@@@@@@@@@@@@@@@@@@@@@@@@@@@@@@@@@@@@@@@@@@@@@@@@@@@@@@@@@@@@@@@@@@@@@@@@@@@@@@@@@@@@@@@@@@@@@@@@@@@@@@@@@@@@@@@@@@@@@@@@@@@@@@@@@@@@@@@@@@@@@@@@@@@@@@@@@@@@@@@@@@@@@@@@@@@@@@@@@@@@@@@@@@@@@@@@@@@@@@@? O&@@@@@@@@@@@@@@@@@@@@@@@@@@@@@@@@@@@@@@@@@@@@@@@@@@)K ?I4@@@@@@@@@@@@@@@6Ke@@@@@@@@@@5?e?@@@@@@@@@ @@@@@@hf3@@@@@@@@@@@@@@?@@@@@@@@@?f?3@@@@@@@@@@e?@@@@@?N@@@@@H 3@@@@? @@@@h?@@@@@@Hf?W&@@@@@@@@@@@@@@@heJ@@@@@ ?@@@@5f7@@@@@@@H?
N@@@@@@@@L 3@@1 @@@@@@@@@? ?O&@(Y O2@@@0Y? ?V4@@@@@@@@@@@@@@(Y?e?V'@@@@@@@@@@@@@@@@H 7@@@@@@@@? ?@@@ ?N@@@@@@ N@@@@@ ?I'@@@@@ I@MI@M?I@MI4@@@@@@@@@@@@@@@@@@@@@@@@@@@@@@@@@@@@@@@@@@@@@@@@@@@@@@@@@@@@@@@@@@@@@@@@@@@@@@@@@@@@@@@@@@@@@@@@@@@@@@@@@@@@@@@@@@@@@@@@@@@@@@@@@@@@@@@@@@@@@@@@@@@@@@@@@@@@@@@@@@@@@@@@@@@@@@@@@@@@@@@@@@6KeO@KO2@@@@@@@@@@@@@@@@@@@@@@@@@@@@@@@@@@@@@@@@@@@@@@@@@@@@@@@@@@@ ?I4@@@@@@@@@@@@@@@@@@@@@@@@@@@H?eJ@@@@@@@@? ?J@@@@@@hfV4@@@@@@@@@@@@@?@@@@@@@@@?f?N@@@@@@@@@@e?@@@@@e@@@@@? N@@@@? @@@@h?@@@@@@?fW&@@@@@@@@@@@@@@@5he7@@@@5 ?@@@@Hf@@@@@@@@
?@@@@@@@@1 N@@@ ?J@@@@@@@@5? ?W2@@0Y? W2@@@(M? ?I'@@@@@@@@@@@0YgV'@@@@@@@@@@@@@@@? @@@@@@@@5? ?@@@ @@@@@@ ?@@@@@ N@@@@@ I@M?hf?@@@@@@@@@0M?I@M?I@M?I4@@@@@@@@@@@@@@@@@@@@@@@@@@0?4@@@@@@@@@@@@@@@@@@@@@@@@@@@@@@@@@@@@@@@@@@@@@@@@@@@@@@@@@@@@@@@@@@@@@@@@@@@@@@@@@@@@@@@@@@@@@@@@@@@@@@@@@@@@@@@@@@@@@@@@@@@@@@@@@@@@@@@@@@@@@@ ?I4@@@@@@@@@@@@@@@@@@@@@@@f7@@@@@@@@)K?hf?7@@@@@@ I4@@@@@0M??@@?@@@@@@@@@?g@@@@@@@@@5e?@@@@@@@@@@@@? ?@@@@? @@@@hJ@@@@@@?f7@@@@@@@@@@@@@@@@Hhe@@@@@H J@@@@?f@@@@@@@5
?3@@@@@@@@ O2@@6K ?@@@L? ?7@@@@@@@@H? O&@(M? ?W&@@@(Y V4@@@@@@@@0Mh?V4@@@@@@@@@@@0M @@@@@@@@H? ?@@5 @@@@@@ ?@@@@@ ?@@@@@ ?3@@@@@? ?I'@@@@@@@@@0Me?I4@0?@?4@@@@@@@@@@@@@@@@@@@@@@@@@@@@@@@@@@@@@@@@@@@@@@@@@@@@@@@@@@@@@@@@@@@@@@@@@@@@@@@@@@@@@@@@@@@@@@6X? ?I4@@@@@@@@@@@@@@@@@@@@@f@@@@@@@@@@@@@@@@6K?O2@@6X@@@@0M? ?@@@@@@@@@(Mh@@@@@@@@(Ye?@@@@@@@@@@@@? ?@@@@? @@@@L?g7@@@@@5?f@@@@@@@@@@@@@@@@@?he@@@@@? 7@@@@?f@@@@@@@H
?N@@@@@@@@L? W2@@@@@@6K ?3@@1? ?@@@@@@@@@ W2@@(Y O&@@@0Y? ?I4@@0M?hf?I4@@@@@@@0M ?J@@@@@@@@ ?@0Y @@@@@@ ?@@@@@ ?@@@@@ ?N@@@@@? N@@@@@ @@@@@@@@@@@@@@@@@@@@@@@@@@@@@@@@@@@@@@@@@@@@@@@@@@@@@@@@@@@@@@@@@@@@@@@@@@@@@@@@@@@@1? ?I4@@@@@@@@@@@@@@@@5f3@@@@@@@@@@@@@@@@@@@@@@@@@@@ ?@@@@@@@@0Y?h3@@@@@@(Y?e?@@@@@@@@@@@@? ?@@@@? @@@@1?g@@@@@@H?W2@@@@@@@@@@@@@@@@@@@?h?J@@@@@? @@@@@?f@@@@@@@?
3@@@@@@@1? ?W&@@@@@@@@@6X ?N@@@L J@@@@@@@@5 ?W&@@0Y? W2@@@(M? ?7@@@@@@@5 @@@@@@ ?3@@@@L? ?3@@@@ @@@@@L ?@@@@@ @@@@@@@@@@@@@@@@@@@@@@@@@@@@@@@@@@@@@@@@@0M?e@@@@@@@@@@@@@@@@@@@@@@@@@@@@@@@@@@@@@@@L I4@@@@@@@@@@@@@HfN@@@@@@@@@@@@@@@@@@@@@@@@@@@ J@@@@@@(M?heV4@@@@0Yf?3@@@@@@@@@@@L ?@@@@L 3@@@@?f?J@@@@@@?W&@@@@@@@@@@@@@@@@@@@@?h?7@@@@@? ?J@@@@@?e?J@@@@@@@?
N@@@@@@@@L ?7@@@@@@@@@@@)X? 3@@1 7@@@@@@@@H O&@(M? ?O&@@@0Y J@@@@@@@@H @@@@@@ ?N@@@@1? ?N@@@@ @@@@@1 ?@@@@@ 3@@@@@@@@@@@@@@@@@@@@@@@@@@@@@@@@@@@@@@0M?e?J@@@@@@@@@@@@@@@@@@@@@@@@@@@@@@@@@@@@@@@1 ?I4@@@@@@?f?3@@@@@@@@@@@@@@@@@@@@@@@@@@ ?W&@@@@@(Y ?V'@@@@@@@@@@1 ?3@@@1 N@@@@Lf?7@@@@@@?7@@@@@@@@@@@@@@@@@@@@5?h?@@@@@5? ?7@@@@5?e?7@@@@@@@?
?@@@@@@@@1 J@@@@@@@@@@@@@1? N@@@ @@@@@@@@@? ?W2@@@(Y W2@@@@(M 7@@@@@@@@? 3@@@@@ @@@@@? @@@@ @@@@@@ ?@@@@@ N@@@@@@@@@@@@@@@@@@@@@@@@@@@@@@@@@@@0MgW&@@@@@@@@@@@@@@@@@@@@@@@@@@@@@@@@@@@@@@@@L? ?N@@@@@@@@@@@@@@@@@@@@@@@@@5 W&@@@@@(Y? N@@@@@@@@@@@ ?N@@@@ ?@@@@1f?@@@@@@@?@@@@@@@@@@@@@@@@@@@@@H?h?@@@@@H? ?@@@@@H?e?@@@@@@@@?
?3@@@@@@@@ 7@@@@@@@@@@@@@@L ?@@@L? ?J@@@@@@@@5? W&@@@0Y? ?O&@@@@0Y? @@@@@@@@5? N@@@@@ @@@@@? @@@@L? @@@@@@ ?3@@@@ ?@@@@@@@@@@@@(M?hfI40Mhf7@@@@@@@@@@@@@@@@@@@@@@@@@@@@@@@@@@@@@@@@@1? @@@@@?hI4@@@@@@@@0Y *@@@@@@H ?@@?e?@@@@@ @@@@ ?@@@@@f?@@@@@@@?@@@@@@@@@@@@@@@@@@@@@he?@@@@@ ?@@@@@f?@@@@@@@5?
?N@@@@@@@@L? @@@@@@@@@@@@@@@)X? ?3@@1? ?7@@@@@@@@H? ?O&@@(M? @@@@@(M? ?O2@@6K?hfO2@@@@@@@6K? @@@@@@@@H? ?@@@@@ @@@@@? @@@@1? @@@@@@ ?N@@@@ ?3@@@@@@@@@@@H @@@@@@@@@@@@@@@@@@@@@@@@@@@@@@@@@@@@@@@@@@@L @@@@@?hfI@M? N@@@@@@? ?@@Le?@@@@@ @@@@ ?@@@@@f?@@@@@@5?@@@@@@@@@@@@@@@@@@@@@heJ@@@@5 ?@@@@5fJ@@@@@@@H?
3@@@@@@@1? @@@@@@@@@@@@@@@@1? ?N@@@? ?@@@@@@@@@ ?W2@@@@H @@@@(Y W2@@@@@@@6K?hW2@@@@@@@@@@@6X? ?J@@@@@@@@ ?@@@@@ @@@@@? @@@@@? @@@@@@ @@@@L? ?V'@@@@@@@@@@L @@@@@@@@@@@@@@@@@@@@@@@@@@@@@@@@@@@@@@@@@@@1 @@@@@? ?3@@@@@? ?@@1e?@@@@@ @@@@ ?@@@@@f?@@@@@@H?@@@@@@@@@@@@@@@@@@@@@he7@@@@H ?@@@@Hf7@@@@@@@
N@@@@@@@@L @@@@@@@@@@@@@@@@@? 3@@L J@@@@@@@@5 O&@@@@5? ?O2@@@@0Y? ?O&@@@@@@@@@@@6Xf?O&@@@@@@@@@@@@@)K ?7@@@@@@@5 ?@@@@@L? @@@@@? 3@@@@? @@@@@@ @@@@1? N@@@@@@@@@@1 @@@@@@@@@@@@@@@@@@@@@@@@@@@@@@@@@@@@@@@@@@@@ 3@@@@? ?V4@@@@? ?@@@e?3@@@@ @@@@L? ?3@@@@fJ@@@@@@?J@@@@@@@@@@@@@@@@@@@@5he@@@@@? J@@@@?f@@@@@@@@
?3@@@@@@@1 @@@@@@@@@@@@@@@@@L N@@1 7@@@@@@@@H O2@@@@@0Y? ?O2@@@@(M? ?W2@@@@@@@@@@@@@@)X?e@@@@@@@@@@@@@@@@@@6X J@@@@@@@@H ?@@@@@1? 3@@@@L N@@@@L 3@@@@@ @@@@@? ?@@@@@@@@@@@ @@@@@@@@@@@@@@@@@@@@@@@@@@@@@@@@@@@@@@@@@@@@ N@@@@? ?I'@5? ?N@@@@ @@@@1? ?N@@@@f7@@@@@@?@@@@@@@@@@@@@@@@@@@@@Hhe@@@@@? 7@@@@?f@@@@@@@5
?N@@@@@@@@L? 3@@@@@@@@@@@@@@@@1 ?3@@L? @@@@@@@@@? W2@@@@@0M? ?W2@@@@@0Y W&@@@@@@@@@@@@@@@@)Ke@@@@@@@@@@@@@@@@@@@1 7@@@@@@@@? ?@@@@@@? N@@@@1 ?@@@@1 N@@@@@ @@@@@? ?@@@@@@@@@@@L? @@@@@@@@@@@@@@@@@@@@@@@@@@@@@@@@@@@@@@@@@@@@ ?@@@@? V+Y? @@@@ @@@@@? @@@@f@@@@@@@??@@@@@@@@@@@@@@@@@@@@?h?J@@@@5? @@@@@?e?J@@@@@@@H
3@@@@@@@1? ?@@@@@@@@@@@@@@@@@ ?N@@1? ?J@@@@@@@@5? ?W&@@@(M W&@@@@(M 7@@@@@@@@@@@@@@@@@@@@@@@@@@@@@@@@@@@@@@@@@L? @@@@@@@@5? ?@@@@@@? ?@@@@@ ?@@@@@ ?@@@@@ @@@@@? ?@@@@@@@@@@@1? ?J@@@@@@@@@@@@@@@@@@@@@@@@@@@@@@@@@@@@@@@@@@@@ ?@@@@? @@@@L? 3@@@@? @@@@L?e@@@@@@5?7@@@@@@@@@@@@@@@@@@@@?h?7@@@@H? @@@@5?e?7@@@@@@@?
N@@@@@@@@L 7@@@@@@@@@@@@@@@@5 @@@? ?7@@@@@@@@H? W&@@@(Y? ?O&@@@@0Y? ?J@@@@@@@@@@@@@@@@@@@@@@@@@@@@@@@@@@@@@@@@@@1? ?J@@@@@@@@H? ?@@@@@@? ?@@@@@ ?@@@@@ ?@@@@@ @@@@@? ?@@@@@@@@@@@@L ?7@@@@@@@@@@@@@@@@@@@@@@@@@@@@@@@@@@@@@@@@@@@@ ?@@@@? @@@@1? N@@@@? @@@@1?e@@@@@@H?@@@@@@@@@@@@@@@@@@@@@Lh?@@@@@ ?J@@@@H?e?@@@@@@@@?
?@@@@@@@@1 ?J@@@@@@@@@@@@@@@@(Y 3@@? J@@@@@@@@@ ?O&@@@(Y W2@@@@@0M? ?7@@@@@@@@@@@@@@@@@@@@@@@@@@@@@@@@@@@?f@@@? ?7@@@@@@@@ ?@@@@@@? ?@@@@@ ?@@@@@ ?@@@@@L? 3@@@@L ?@@@@@@@@@@@@@@1 ?@@@@@@@@@@@@@@@@@@@@@@@@@@@@@@@@@@@@@@@@@@@@@L? ?@@@@? @@@@@? ?@@@@L @@@@@??J@@@@@@e@@@@@@@@@@@@@@@@@@@@@1h?@@@@@ ?7@@@@f?@@@@@@@5?
?3@@@@@@@@ W&@(MI4@@@@@@@@@@(Y? N@@L 7@@@@@@@@5 ?W2@@@@(Y? ?W&@@@@0M? ?@@@@@@@@@@@@@@@@@@@@@@@@@@@@@@@@@@@@?f@@@? J@@@@@@@@5 ?@@@@@@? ?@@@@@ ?@@@@@ ?3@@@@1? N@@@@1 ?@0MI'@@@@@@@@@@L? ?@@@@@@@@@@@@@@@@@@@@@@@@@@@@@@@@@@@@@@@@@@@@@1? ?@@@@? 3@@@@? J@@@@1 @@@@@??7@@@@@5e@@@@@@@@@@@@@@@@@@@@@@hJ@@@@5 ?@@@@@f?@@@@@@@H?
?N@@@@@@@@L? ?O&@0YfI4@@@@@@0Y ?@@1 @@@@@@@@@H W&@@@@(Y O&@@@0M? J@@@@@@@@0M?eI4@@@@@@@@@@@@@0M?he@@@L 7@@@@@@@@H ?@@@@@@? ?@@@@@L? ?@@@@@L? ?N@@@@@? ?@@@@@ ?N@@@@@@@@@@1? ?@@@@@@@@@@@@@@@@@@@@@@@@@@@@@@@@@@@@@@@@@@@@@5? ?@@@@L N@@@@? 7@@@@@ 3@@@@?J@@@@@@He@@@@@@@@@@@@@@@@@@@@@@h7@@@@H ?@@@@5fJ@@@@@@@
3@@@@@@@1? ?W2@@? ?3@@L? ?J@@@@@@@@@? ?O&@@@@0Y? O2@@@(M? 7@@@@@@(M?gI'@@@@@@@@@(M?hf@@@1 @@@@@@@@@? ?O@K O26K O26K ?@@@@@@? ?@@@@@1? ?@@@@@1? @@@@@? ?@@@@@ @@@@@@@@@@@? ?@@@@@@@@@@@@@@@@@@@@@@@@@@@@@@@@@@@@@@@@@@@@@H? ?@@@@1 ?@@@@L @@@@@@ V@@@@W&@@@@@@??J@@@@@@@@@@@@@@@@@@@@@@h@@@@@? ?@@@@Hf7@@@@@@@
N@@@@@@@@L ?7@@5? ?N@@1? ?7@@@@@@@@5? ?O2@@@@(M? W2@@@@(Y @@@@@@@Hh?N@@@@@@@@@Hhf?J@@@@ @@@@@@@@@@@@@@@@@@@@@@@@@@@@@@@@@@@@@@@@@@@@@@@@@@@@@@@@@@@@@@@@@@@@@@@@@@@@@@@@@@@@@@@@@@@@@@@@@@@@@@@@@@@@@@@@@@@@@@@@@@@@@@@@@@@@@@@@@@@@@@@@@@@@@@@@@@@@@@@@@@@@@@@@@@@@@@@@@@@@@@@@@@@@@@@@@@@@@@@@@@@@@@@@@@@@@@@@@@@@@@@@@@@@@@@@@@@@@@@@@@@@@@@@@@@@@@@@@@@@@@@@@@@@@@@@@@@@@@@@@@@@@@@@@@@@@@@@@@@@@@@@@@@@@@@@@@@@@@@@@@6?2@@@@6?26K?@@@@@@@@6KO2@@@6KeO26Khe?@@@@@@? ?@@@@@@? ?J@@@@@L ?@@@@@ 3@@@@@@@@@@? ?@@@@@@(?'@@@@@@@@@@@@@@@@@@@@@@@@@@@@@@@@@@@@ ?@@@@@ ?@@@@)X??W2@@@@@@@@@@@@@@@@@@@@6KO2@6KeO2@@@@@@@@@@@@@?O&@@@@@@@@@@@@@@@@@@@@@@h@@@@@? J@@@@?f@@@@@@@5
?@@@@@@@@1 J@@(Y? 3@@? ?@@@@@@@@@H? ?W2@@@@@0Y ?O&@@@@0Y? @@@@@@5?he3@@@@@@@5?hf?7@@@@ @@@@@@@@@@@@@@@@@@@@@@@@@@@@@@@@@@@@@@@@@@@@@@@@@@@@@@@@@@@@@@@@@@@@@@@@@@@@@@@@@@@@@@@@@@@@@@@@@@@@@@@@@@@@@@@@@@@@@@@@@@@@@@@@@@@@@@@@@@@@@@@@@@@@@@@@@@@@@@@@@@@@@@@@@@@@@@@@@@@@@@@@@@@@@@@@@@@@@@@@@@@@@@@@@@@@@@@@@@@@@@@@@@@@@@@@@@@@@@@@@@@@@@@@@@@@@@@@@@@@@@@@@@@@@@@@@@@@@@@@@@@@@@@@@@@@@@@@@@@@@@@@@@@@@@@@@@@@@@@@@@@@@@@@@@@@@@@@@@@@@@@@@@@@@@@@@@@@@@@@@@@@@@@@@@@@@@@@@@@@@@@@@@@@@@@@@@@@@@@@@@@@6Ke?O2@@@@6KO2@6KeO26K ?@@@@@@? W&@@@@@1 ?@@@@@L? N@@@@@@@@@@? ?@@@@@@H?V'@@@@@@@@@@@@@@@@@@@@@@@@@@@@@@@@@@5 ?@@@@@ J@@@@@)KO&@@@@@@@@@@@@@@@@@@@@@@@@@@@@@@@@@@@@@@@@@@@@@@@@@@@@@@@@@@@@@@@@@@@@@@L?f?J@@@@@?he?W2@@@6Khe7@@@@?f@@@@@@@H
?3@@@@@@@@L? ?W&@(Y N@@L J@@@@@@@@@ W&@@@@ ?W2@@@@0M? @@@@@@H?heN@@@@@@@H?hf?@@@@@ @@@@@@@@@@@@@@@@@@@@@@@@@@@@@@@@@@@@@@@@@@@@@@@@@@@@@@@@@@@@@@@@@@@@@@@@@@@@@@@@@@@@@@@@@@@@@@@@@@@@@@@@@@@@@@@@@@@@@@@@@@@@0?4@@@0Mf?I40M?g?I40MI4@@0M?I4@@@@@@@@@@@@@@@@@@@@@@@@@@@@@@@@@@@@@@@@@@@@@@@@@@@@@@@@@@@@@@@@@@@@@@@@@@@@@@@@@@@@@@@@@@@@@@@@@@@@@@@@@@@@@@@@@@@@@@@@@@@@@@@@@@@@@@@@@@@@@@@@@@@@@@@@@@@@@@@@@@@@@@@@@@@@@@@@@@@@@@@@@@@@@@@@@@@@@@@@@@@@@@@@@@@@@@@@@@@@@@@@@@@@@@@@@@@@@@@@@@@@@@@@@@@@@@@@@@@@@@@@@@@@@@@@@@@@@@@@@@@@@@@@@@@@@@@@@@@@@@@@@@@@@@@@@@@@@@@@@@@@@@@@@@@@@@@@@@@@@@@@@@@@@@@@@@@@@@@@@@@@@@@@@@@@@@@@@@@@@@@@@@@@@@@@@@@@@@@@@@@@@@@@@@@6K??O2@@@@@@@@@@@@@@@@@@@@@@@@@@@6Ke?O&@@@@@@@ ?O@Kg?O26K? ?O2@6K ?@@@@@)Kg?O@?@K ?@@@@@@@@@@? ?@@@@@@?eV4@@@@@@@@@@@@@@@@@@@@@@@@@@@@@@@@@H ?@@@@@ ?O&@@@@@@@@@@@@@@@@@@@@@@@@@@@@@@@@@@@@@@@@@@@@@@@@@@@@@@@@@@@@@@@@@@@@@@@@@@@@@@@1?f?7@@@@5?heW&@@@@@@@@6Xg@@@@@?f@@@@@@@?
?N@@@@@@@@1? W&@(Y? ?@@1 7@@@@@@@@5 ?W&@@@@5 W&@@@(M? @@@@@@hf?3@@@@@@ J@@@@@ @@@@@@@@@?f?I4@@@0Me?I'@(M?I40M? I4@0M?e?I40?4@@@0?4@@@0?4@@@@@@@@@@@@@@@@@@@@@@@@@@@@@@@@@@@@@@@@@@@@@@@@@@@@@@@@@@@@@@@@@@@@@@@@@@@@@@@@@@@@@@@@@@@@@@@@@@@@@@@@@@@@@@@@@@@@@@@@@@@@@@@@@@@@@@@@@@@@@@@@@@@@@@@@@@@@@@@@@@@@@@@@@@@@@@@@@@@@@@@@@@@@@@@@@@@@@@@@@@@@@@@@@@@@@@@@@@@@@@@@@@@@@@@@@@@@@@@@@@@@@@@@@@@@@@@@@@@@@@@@@@@@@@@@@@@@@@@@@@@@@@@@@@@@@@@@@@@@@@@@@@@@@@@@@@@@@@@@@@@@@@@@@@@@@@@@@@@@@@@@@@@@@@@@@@@@@@@@@@@@@@@@@@@@@@@@@@@@@@@@@@@@@@@@@@@@@@@@@@@@@@@@@@@@@@@@@@@@@@@@@@@@@@@@@@@@@@@@@@@@@@@@@@@@@@@@@@@@@@@@@@@@@@@@@@@@@@@@@@@@@@@@@@@@@@@@@@@@@? J@@@@@@?fI4@@@@@@@@@@@@@@@@@@@@@@@@@@@@@@@? ?@@@@@ ?O2@@@@@@@@@@@@@@@@@@@@@@@@@@@@@@@@@@@@@@@@@@@@@@@@@@@@@@@@@@@@@@@@@@@@@@@@@@@@@@@@@@?f?@@@@@H?h?W&@@@@@@@@@@)X?f@@@@5?e?J@@@@@@@?
3@@@@@@@@L ?W&@(Y ?@@@ @@@@@@@@@H O&@@@@0Y ?O&@@@(Y @@@@@@hf?N@@@@@@ @@@@@@ @@@@@@@@@? V+Y? I'@@@? I4@@0MgI4@0M?eI@M?e?I4@0MI4@@@@@@@@@@@@@@@@@@@@@@@@@@@@@@@@@@@@@@@@@@@@@@@@@@@@@@@@@@@@@@@@@@@@@@@@@@@@@@@@@@@@@@@@@@@@@@@@@@@@@@@@@@@@@@@@@@@@@@@@@@@@@@@@@@@@@@@@@@@@@@@@@@@@@@@@@@@@@@@@@@@@@@@@@@@@@@@@@@@@@@@@@@@@@@@@@@@@@@@@@@@@@@@@@@@@@@@@@@@@@@@@@@@@@@@@@@@@@@@@@@@@@@@@@@@@@@@@@@@@@@@@@@@@@@@@@@@@@@@@@@@@@@@@@@@@@@@@@@@@@@@@@@@@@@@@@@@@@@@@@@@@@@@@@@@@@@@@@@@@@@@@@@@@@@@@@@@@@@@@@@@@@@@@@@@@@@@@@@@@@@@@@@@@@@@@@@@@@@@@@@@@@@@@@@@@@@@L 7@@@@@@?gI4@@@@@@@@@@@@@@@@@@@@@@@@@@@@@? ?3@@@@ ?O2@@@@@@@@@@@@@@@@@@@@@@@@@@@@@@@@@@@@@@@@@@@@@@@@@@@@@@@@@@@@@@@@@@@@@@@@@@@@@@@@@@@@?f?@@@@@heW&@@@@@@@@@@@@)Xe?J@@@@H?e?7@@@@@@5?
N@@@@@@@@1 O&@(Y? ?3@@L? ?J@@@@@@@@@? W2@@@@(M ?O2@@@@0Y? @@@@@@ @@@@@@ N@@@@@ @@@@@@@@@? ?N@@@? @@@@@@(M I'@@@@@@ ?I@M ?I40M?hI40Me?I@M I40?40M??I40M?I4@0?4@0MI40M?I4@@@@@@@@@@@@@@@@0?4@@@@@@@@@@@@@@@@@@@@@@@@@@@@@@@@@@@@@@@@@@@@@@@@@@@@@@@@@@@@@@@@@@@@@@@@@@@@@@@@@@@@@@@@@@@@@@@@@@@@@@@@@@@@@@@@@@@@@@@@@@@@@@@@@@@@@@@@@@@@@@@@@@@@@@@@@@@@@@@@@@@@@@@@@@@@@@@@@@@@@@@@@@@@@@@@@@@@@@@@@@@@@@@@@@@@@@@@1 @@@@@@5?hI4@@@@@@@@@@@@@@@0MI'@@@@@@@@? ?N@@@@ O2@@@@@@@@@@@@@@@@@@@@@@@@@@@@@@@@@@@@@@@@@@@@@@@@@@@@@@@@@@@@@@@@@@@@@@@@@@@@@@@@@@@@@@@Lf?@@@@5he7@@@@@@@@@@@@@@1e?7@@@@f?@@@@@@@H?
?@@@@@@@@@ W2@@(Y ?N@@1? ?7@@@@@@@@5? ?W&@@@@(Y? ?W2@@@(M @@@@@@ @@@@@@ ?3@@@@ 3@@@@@@@@? @@5? @@@@@@H? ?N@@@@@@ ?I'@@@@@ I@M?eI@M?he?I4@0M ?I'@@@@@@?he?I4@@@@@@0M?eI4@@@@@@0MI@M?e?I4@@@@@@@@@@@@@@@@@@@@@@@@@@@@@@@@@@@@@@@@@@@@@@@@@@@@@@@@@@@@@@@@@@@@@@@@@@5 @@@@@@H?hf@@@@@@@?hN@@@@@@@@? @@@@ O2@@@@@@@@@@@@@@@@@@@@@@@@@@@@@@@@@@@@@@@@@@@@@@@@@@@@@@@@@@@@0?4@@@@@@@@@@0M??I'@@@@@@@@@@1fJ@@@@Hh?J@@@@@@@@@@@@@@@@L??@@@@5f?@@@@@@@
?3@@@@@@@@L? ?W&@@(Y? @@@? J@@@@@@@@@H? O&@@@@0Y O&@@@0Y? @@@@@@ @@@@@@ ?N@@@@ N@@@@@@@@? ?J@@H? @@@@@@ @@@@@@ N@@@@@ N@@@@@5? @@@@@? I@M?eI4@@@@@@@@@H @@@@@@ @@@@@@5?h?@@@@@@@@? @@@@ W2@@@@@@@@@@@@@@@@(M ?I'@@@ V'@@@@@@@@@@f7@@@@?h?7@@@@@@@@@@@@@@@@1??@@@@HfJ@@@@@@@
?V'@@@@@@@1? O&@@(Y 3@@L 7@@@@@@@@5 W2@@@@(M O2@@@0M? @@@@@@L?hf@@@@@@ ?J@@@5 ?@@@@@@@@? ?7@@ @@@@@@ @@@@@@ ?@@@@@ ?@@@@@H? @@@@@? ?@@@@@@@@? @@@@@@ @@@@@@H?h?@@@@@@@@? @@@@ ?W&@@@@@@@@@@@@@@@@@H? N@@@L? ?N@@@@@@@@@@L?e@@@@@?h?@@@@@@@@@@@@@@@@@@??@@@@?f7@@@@@@5
N@@@@@@@@L W2@@@@H? N@@1 @@@@@@@@@H ?W&@@@@0Y? W2@@@(M? @@@@@@)Xhf@@@@@@ W&@@@H ?3@@@@@@@? ?@@@ 3@@@@@ 3@@@@@L? ?@@@@@ ?@@@@@ 3@@@@? J@@@@@@@@? @@@@@@ @@@@@@L?h?3@@@@@@5? @@@@L? W&@@@@@@@@@@@@@@@@@@ ?@@@1? 3@@@@@@@@@1?e@@@@@?hJ@@@@@@@@@@@@@@@@@@@@@@@@?f@@@@@@@H
?3@@@@@@@1 7@@@@5 ?3@@L? ?J@@@@@@@@@? O&@@@(M? ?O&@@@0Y @@@@@@@)K?hfI@M?he?@6?&@@@@? ?N@@@@@@@L ?@@@ N@@@@@ N@@@@@1? ?@@@@@L? ?@@@@@L? N@@@@? 7@@@@@@@@? @@@@@@ @@@@@@1?h?N@@@@@@H? @@@@1? ?W&@@@@@@@@@@@@@@@@@@@L? ?@@@@? N@@@@@@@@@@??J@@@@5?h7@@@@@@@@@@@@@@@@@@@@@@@@?f@@@@@@@?
?N@@@@@@@@L? ?J@@@@(Y ?N@@1? ?7@@@@@@@@5? W2@@@@(Y ?O2@@@(M 3@@@@@@@@@6K ?@@@@@@@@? @@@@@@@1 ?@@@ ?@@@@@ ?@@@@@@? ?@@@@@1? ?3@@@@1? ?@@@@L @@@@@@@@@? @@@@@@ @@@@@@@?h?J@@@@@@ @@@@@? O&@@@@@@@@@@@@@@0Y@@@@1? ?@@@@? ?@@@@@@@@@@??7@@@@H?h@@@@@@@@@@@@@@@@@@@@@@@@@@@6K?@@@@@@@?
@@@@@@@@1? W&@@@(Y? @@@? ?@@@@@@@@@H? ?W&@@@@(Y? ?W2@@@@0Y? N@@@@@@@@@@@@? W2@@@@@@@@@@@? @@@@@@@@ ?@@5 ?@@@@@L? ?@@@@@@? ?@@@@@@? ?N@@@@@? ?@@@@1 @@@@@@@@@? ?J@@@@@5 3@@@@@@?h?7@@@@@@ @@@@@? W2@@@@@@@@@@@@@@0Me@@@@@? ?@@@@L ?3@@@@@@@@@??@@@@@he@@@@@@@@@@@@@@@@@@@@@@@@@@@@@@@@@@@@@?
3@@@@@@@@?hf?W&@@@(Y 3@@L J@@@@@@@@@ O&@@@@(Y O&@@@(M? ?3@@@@@@@@@@@? 7@@@@@@@@@@@5? @@@@@@@@ ?@0Y ?@@@@@1? ?@@@@@@? ?3@@@@@? @@@@@? ?@@@@@ @@@@@@@@@? ?7@@@@@H N@@@@@@?h?@@@@@@@ @@@@@? ?W&@@@@@@@@@@@@@0Mf@@@@@? ?3@@@1 ?V'@@@@@@@@L?@@@@@he@@@@@@@@@@@@@@@@@@@@@@@@@@@@@@@@@@@@@L
N@@@@@@@@LhfW&@@@(Y? N@@1 7@@@@@@@@5 W2@@@@@(Y? W2@@@@0Y ?N@@@@@@@@@@@? @@@@@@@@@@@@H? 3@@@@@@@ ?@@@@@@? ?@@@@@@? ?N@@@@@? @@@@@? ?3@@@@ @@@@@@@@@? ?@@@@@@? ?@@@@@@?h?@@@@@@@ @@@@@? W&@@@@@@@@@@@@(Mg@@@@@? ?N@@@@ N@@@@@@@@)X@@@@@he3@@@@@@@@@@@@@@@@@@@@@@@@@@@@@@@@@@@@)K?
?3@@@@@@@1he?W&@@@(Y ?3@@ @@@@@@@@@H ?W&@@@@@(Y ?O&@@@@? 3@@@@@@@@@@? @@@@@@@@@@@5 N@@@@@@@L? ?@@@@@@? ?@@@@@@? @@@@@? @@@@@? ?N@@@@ @@@@@@@@5? ?@@@@@@?W26Xhe?@@@@@@?f@@@??@@@@@@@ @@@@@? ?O&@@@@@@@@@@@@0Y?g3@@@@? @@@@ ?3@@@@@@@@@@@@@5heN@@@@@@@@@@@@@@@@@@@@@@@@@@@@@@@@@@@@@@@@6K?
?N@@@@@@@@heW&@@@(Y? ?N@@L?he?J@@@@@@@@@? W&@@@@@(Y? ?W2@@@@@@? V'@@@@@@@@@? @@@@@@@@@@(Y ?@@@@@@@1? ?@@@@@@? ?@@@@@@? @@@@@? @@@@@L @@@@ ?J@@@@@@@@H? ?@@@@@@?7@@)K?h?@@@@@@Le?J@@@??@@@@@@@ 3@@@@? ?O2@@@@@@@@@@@@0M?hN@@@@? @@@@ ?N@@@@@@@@@@@@@Hhe?3@@@@@@@@@@@@@@(MW@@@@@@@@@@@@@@@@@@@@@@@@6K?
@@@@@@@@L?h7@@@(Y @@1?he?7@@@@@@@@5? O2@@@@@@@@@@@@@@@@@6K??O&@@@@@@? O&@@@@(M ?V4@@@@@@@@? @@@@@@@@@(Y? ?@@@@@@@@? ?@@@@@@? ?3@@@@@? @@@@@? @@@@@1 @@@@ ?7@@@@@@@@ ?@@@@@@?3@@@@6K?g?@@@@@@)K?O&@@@@@@@@@@@5 ?O2@6?@?2@@@@@@6K? N@@@@? O2@@@@@@@@@@@@@0M?he?@@@@L @@@@L? @@@@@@@@@@@@@?he?V4@@@@@@@@@@@@0Y?7@@@@?I4@@@@@@@@@@@@@@@@@@@@@@6K
3@@@@@@@1?h@@@(Y? @@@?he?@@@@@@@@@H? ?O2@@@@@@@@@@@@@@@@@@@@@@@@@@@@@@@@@@@@)K? W2@@@@@0Y? ?I4@@@@@@? @@@@@@@@0Y ?3@@@@@@@? ?3@@@@@? ?N@@@@@L @@@@@? 3@@@@@ @@@@ ?@@@@@@@@@ ?@@@@@@?N@@@@@@@@6K?e?@@@@@@@@@@@@@@@@@@@@@@H ?O2@@@@@@@@@@@@@@@@@@6X? ?@@@@? O2@@@@@@@@@@@@@0M?hf?@@@@1 3@@@1? @@@@@@@@@@@@@?hf?I'@@@@@@@@(M?e@@@@@?f@@@@@@@@@@@@@@@@@@@@@@@6K?
N@@@@@@@@Lg@@@@(Y @@@Lhe?@@@@@@@@@ O2@@@@@@@@@@@@@@@@@@@@@@@@@@@@@@@@@@@@@@@@@@@@@@@6K? ?O&@@@@(M? ?I4@@@@? 3@@@@@0M ?N@@@@@@@? ?N@@@@@? @@@@@1 @@@@@L N@@@@@ @@@@L? ?@@@@@@@@@ ?@@@@@5??3@@@@@@@@@@@@@@@@@@@@@@@@@@@@@@@@@@@? ?O2@@@@@@@@@@@@@@@@@@@@@@@1? ?@@@@? O2@@@@@@@@@@@@@(M? ?@@@@@ N@@@@? @@@@@@@@@@@@5? V4@@@@@@0Yf@@@@@?f@@@@@@@@@@@@@@@@@@@@@@@@@@6K
?@@@@@@@@1g@@@(Y? 3@@1heJ@@@@@@@@5 ?O2@@@@@@@@@@@@@@@@@@0?4@@@0?4@@@@@@@@@@@@@@@@@@@@@@@@@@@6K? ?W2@@@@@0Y V4@0M? @@@@@@@? @@@@@? @@@@@@ 3@@@@1 ?@@@@@ @@@@1? ?@@@@@@@@@ J@@@@@H??V4@@@@@@@@@@@@@@@@@@@@@@@@@@@@@@@@@@? ?W2@@@@@@@@@@@@@@@@@@@@@@@@@@? ?@@@@L W2@@@@@@@@@@@@@@(Y ?3@@@@ ?@@@@? 3@@@@@@@@@@@H? ?J@@@@@?f@@@@@@(MI4@@@@@@@@@@@@@@@@@@@@6K
?3@@@@@@@@L?f@@(Y N@@@L?h7@@@@@@@@H ?O2@@@@@@@@@@@@@@@0M ?I4@@@@@@@@@@@@@@@@@@@@@@6K? O&@@@@(M @@@@@@@L @@@@@? @@@@@@ N@@@@@ ?@@@@@ @@@@@? ?@@@@@@@@@ 7@@@@@f?I4@@@@@@@@@@@@@@@@@@@@@@@@@@@@@@@@? O&@@@@@@@@@@@@@@@@@@@@@@@@@@@@6K ?@@@@1 ?O&@@@@@@@@@@@@@@(Y? ?N@@@@ ?@@@@? N@@@@@@@@@@@ ?7@@@@5?e?J@@@@@@H?fI4@@@@@@@@@@@@@@@@@@@@6K
?V'@@@@@@@1??W2@@0Y? ?3@@1?h@@@@@@@@@? ?O2@@@@@@@@@@@0M ?I40M?eI4@@@@@@@@@@@@@@@@6K W2@@@@@0Y? @@@@@@@1 @@@@@? 3@@@@@ ?@@@@@ ?3@@@@ 3@@@@? ?@@@@@@@@@ @@@@@@g?I'@@@@@@@@@@@@@@@@@@@0Me@@@@@@@? W2@@@@@@@@@@@@@@@@@@@@@@@@@@@@@@@@@6X? ?@@@@@ O2@@@@@@@@@@@@@@@@0Y @@@@ ?@@@@? ?@@@@@@@@@@@ ?@@@@@H?e?7@@@@@@he?I4@@@@@@@@@@@@@@@@@@6K?
N@@@@@@@@?O&@(M? ?N@@@Lg?J@@@@@@@@5? ?O2@@@@@@@@@0M W@@@@@@@@@@@@@@@@@@@@6K?g?O&@@@@(M? @@@@@@@@ @@@@@L N@@@@@ ?@@@@@ ?N@@@@ N@@@@? ?@@@@@@@@@ @@@@@@hV4@@@@@@@@@@@@@@@?g@@@@@@@? 7@@@@@@@@@@@@@@@@@@@@@@@@@@@@@@@@@@@)X ?@@@@@ ?W2@@@@@@@@@@@@@@@0M @@@@ ?@@@@L ?@@@@@@@@@@5 ?@@@@@f?@@@@@@@ I4@@@@@@@@@@@@@@@@@6K?
?@@@@@@@@@@@(Y @@@1g?7@@@@@@@@H? O2@@@@@@@@@@0M ?W&@@@@@@@@@@@@@@@@@@@@@@@6Ke?O2@@@@@0Y 3@@@@@@@ @@@@@1 ?@@@@@ ?@@@@@L? @@@@L? ?@@@@? ?@@@@@@@@5 @@@@@@he?I4@@@@@@@@@@@@?g@@@@@@@? ?J@@@@@@@@@@@@@@@@0Mhe?I'@@@@@@)X? ?@@@@@ O&@@@@@@@@@@@@@@0M @@@@ ?3@@@1 J@@@@@@@@@@H J@@@@@fJ@@@@@@5 I4@@@@@@@@@@@@@@@@@6K?
?3@@@@@@@@@@H? 3@@@g?@@@@@@@@@ ?O2@@@@@@@@@0M O&@@@@@@@@@@@@@@@@@@@@@@@@@@@@@@@@@@@? N@@@@@@@ @@@@@@ ?@@@@@L? ?@@@@@1? @@@@1? ?@@@@L ?@@@@@@@@H @@@@@@ @@@@@@@?g@@@@@@@? W&@@@@@@@@@@@@@@ N@@@@@@@1? ?@@@@@ O2@@@@@@@@@@@@@@0M @@@@ ?N@@@@L? 7@@@@@@@@@@? 7@@@@5f7@@@@@@? ?I4@@@@@@@@@@@@@@@@@@6K?
?N@@@@@@@@@@ N@@@L?fJ@@@@@@@@@ ?O2@@@@@@@@@0M ?O2@@@@@@@@@@@@@@@@@@@@@@@@@@@@@@@@@@@@@@? ?@@@@@@@ @@@@@@ ?@@@@@1? ?@@@@@@? @@@@@? ?@@@@1 J@@@@@@@@? @@@@@5 3@@@@@@?g@@@@@@@? ?W&@@@@@@@@@@@@@@@L? ?@@@@@@@@? ?@@@@@ ?W2@@@@@@@@@@@@@@@(M @@@@ @@@@@? @@@@@@@@@@@? @@@@@Hf@@@@@@@@ I4@@@@@@@@@@@@@@@@@6K?
3@@@@@@@@@ ?3@@1?f7@@@@@@@@5 ?O2@@@@@@@@@0M ?O2@@@@@@@@@@@@@@@@@@@@@@@@@@@@@@@@@@@@@@@@? ?@@@@@@@L? @@@@@@ ?@@@@@@? ?3@@@@@? @@@@@? ?@@@@@ 7@@@@@@@@? ?J@@@@@H N@@@@@@?g@@@@@@@? W&@@@@@@@@@@@@@@@@1? ?@@@@@@? ?@@@@@ ?7@@@@@@@@@@@@@@@@H? 3@@@L? @@@@H? @@@@@@@@@@@? @@@@@?f@@@@@@@H I4@@@@@@@@@@@@@@@@6K
N@@@@@@@@@ ?N@@@?f@@@@@@@@@H O2@@@@@@@0M? ?O2@@@@@@@@@@@@@@@@@@@@@@@@@@@@@@@@@@@@@@@@@@@6K ?@@@@@@@1? @@@@@@ ?3@@@@@? ?N@@@@@? @@@@@? ?3@@@@ @@@@@@@@@? ?@@@@@@? ?@@@@@@?g@@@@@@@@@@@@@@6K?O2@@@@@@@@@@6K? 7@@@@@@@@@@@@@@@@@@L ?@@@@@@@@6X? ?@@@@@ ?@@@@@@@@@@@@@0MI@ N@@@1? @@@@ ?J@@@@@@@@@@@? @@@@@?f@@@@@@@? I4@@@@@@@@@@@@@@@@6K
?@@@@@@@@@ @@@Le?J@@@@@@@@5? O2@@@@@@@(M? ?W2@@@@@@@@@@@@@@@@@@@@@@@@@@@@@@@@@@@@@@@@@@@@@@@6K ?3@@@@@@@? @@@@@@ ?N@@@@@? @@@@@? @@@@@? ?N@@@@ @@@@@@@@@? @@@@@? ?@@@@@@?g@@@@@@@@@@@@@@@@@@@@@@@@@@@@@@@@ ?J@@@@@@@@@@@@@@@@@@@1 ?@@@@@@@@@)X ?@@@@@ O2@@@@@@@@@@@@@@@? ?@@@@? 3@@@ ?7@@@@@@@@@@@? @@@@@?f@@@@@@@? ?I4@@@@@@@@@@@@@@@@@6K
?@@@@@@@@@L? 3@@1e?7@@@@@@@@H? O2@@@@@@@@0Y ?7@@@@@@@@@@@@@0M?gI4@@@@@@@@@@@@@@@@@@@@@@@@@@6K ?N@@@@@@@? 3@@@@@ @@@@@L @@@@@? @@@@@L @@@@ @@@@@@@@@? ?7@@@@@? ?@@@@@@?g@@@@@@@@@@@@@@@@@@@@@@@@@@@@@@@H W&@@@@@@@@@@@@@@@@@@@@ ?@@@@@@@@@@1 ?@@@@@ ?O2@@@@@@@@@@@@@@@@@@@5? ?@@@@L ?@@@L? ?@@@@??@@@@@@? @@@@5?e?J@@@@@@5? I4@@@@@@@@@@@@@@@@6K
J@@@@@@@@@1? N@@@L?J@@@@@@@@@ O2@@@@@@0M J@@@@@@@@@ ?I4@@@@@@@@@@@@@@@@@@@@@@@@@6K @@@@@@@? N@@@@@ @@@@@1 @@@@@? 3@@@@1 @@@@L? @@@@@@@@5? ?@@@@@@? ?@@@@@@?g@@@@@@@@@@@@@@@@@@@@@@@@@@@@@@@L ?W&@@@@@@@@@@@@@@@@@@@@@@@@@@@@@@@@@@@@@@@@@@@@@@@@@ ?@@@@@L? O2@@@@@@@@@@@@@@@@@@@@@@@@@@@0Y? ?@@@@1 ?W&@@@)X ?O2@@@@@5??@@@@@@? ?J@@@@H?e?7@@@@@@H? ?I4@@@@@@@@@@@@@@@@@6K
7@@@@@@@@@@L ?@@@)?&@@@@@@@@5 O2@@@@@@0M ?W&@@@@@@@@@ I4@@@@@@@@@@@@@@@@@@@@@@@@6X @@@@@@@L W2@? ?@@@@@ @@@@@@ @@@@@L N@@@@@ @@@@1? @@@@@@@@H? ?@@@@@@? ?@@@@@@?g@@@@@@@@@@@@@@@@@@@@@@@@@@@@@@@)X? W&@@@@@@@@@@@@@@@@@@@@@@@@@@@@@@@@@@@@@@@@@@@@@@@@@@@@@@@6K?O@K??O2@6K ?@@@@@)K ?O2@@@@@@@@@@@@@@@@@@@@@@@@@@@0M J@@@@@?W2@@6K?e?O26?2@@@6?@KO2@@@6?2@@@6KO&@@@@@)?26K?O2@@@6?2@@@@@@@@@@@H??@@@@@@L ?7@@@@f?@@@@@@@ ?I4@@@@@@@@@@@@@@@6K
?J@@@@@@@@@@@1 ?3@@@@@@@@@@@@@H W2@@@@@@0M W&@@@@@@@@@@ I'@@@@@@@@@@@@@@@@@@@@@@@)K? @@@@@@@1 7@@? ?@@@@@ @@@@@@ @@@@@1 ?@@@@@ @@@@@? @@@@@@@@ ?@@@@@@? ?@@@@@@?g@@@@@@@@@@@@@@@@@@@@@@@@@@@@@@@@)Xhf?W&@@@@@@@@@@@@@@@@@@@@@@@@@@@@@@@@@@@@@@@@@@@@@@@@@@@@@@@@@@@@@@@@@@@@@@@@@@@@@@6KO2@@@@@@@@@@@@@@@@@@@@@@@@@@@@@@@@@@@@@@@@@@@@@@@@@@@@@@@@@@@@@@@@@@@@@@@@@@@@@@@@@@@@@@@@@@@0Mf?@@? ?W&@@@@@W&@@@@@@@@@@@@@@@@@@@@@@@@@@@@@@@@@@@@@@@@@@@@@@@@@@@@@@@@@@@@@@@@@@eJ@@@@@@1 ?@@@@@fJ@@@@@@@ I4@@@@@@@@@@@@@@@@6K
O&(MI'@@@@@@@@L? ?N@@@@@@@@@@@@@? ?O&@@@@@0M 7@@@@@@@0M ?V'@@@@@@@@@@@@@X?I4@@@@@@@6K? @@@@@@@@ @@@? ?@@@@@ 3@@@@@ 3@@@@@ ?@@@@@ 3@@@@? @@@@@@@@ ?@@@@@5? ?3@@@@@Lg@@@@@@@@@@@@@@@@@@@@@@@@@@@@@@@@@1hf?7@@@@@@@@@@@@@@@@@@@@@@@@@@@@@@@@@@@@@@@@@@@@@@@@@@@@@@@@@@@@@@@@@@@@@@@@@@@@@@@@@@@@@@@@@@@@@@@@@@@@@@@@@@@@@@@@@@@@@@@@@@@@@@@@@@@@@@@@@@@@@@@@@@@@@@@@@@@@@@@@@@@@@@@@@@@@0M O&@@@@@@@@@@@@@@@@@@@@@@@@@@@@@@@@@@@@@@@@@@@@@@@@@@@@@@@@@@@@@@@@@@@@@@@@@5e7@@@@@@@ ?@@@@@f7@@@@@@@ ?I4@@@@@@@@@@@@@@@@@@6K?
?@@(Y??N@@@@@@@@1? @@@@@@@@@@@@@? ?W2@@@@(M? ?J@@@@@@(M V4@@@@@@@@@@@@1?e?@@@@@@@@6X? @@@@@@@@ @@@? ?@@@@@L? N@@@@@ N@@@@@ ?@@@@@ N@@@@? @@@@@@@@ ?@@@@@H? ?N@@@@@1f?J@@@@@@@@@@@@@@@@@@@@@@@@@@@@@@@@@@hfJ@@@@@@@@@@@@@@@@@@@@@@@@@@@@@@@@@@@@@@@@@@@@@@@@@@@@@@@@@@@@@@@@@@@@@@@@@@@@@@@@@@@@@@@@@@@@@@@@@@@@@@@@@@@@@@@@@@@@@@@@@@@@@@@@@@@@@@@@@@@@@@@@@@@@@@@@@@@@@@@@@@@@@@@@@@@0M O2@@@@@@@@@@@@@@@@@@@@@@@@@@@@@@@@@@@@@@@@@@@@@@@@@@@@@@@@@@@@@@@@@@@@@@@@@@(Ye@@@@@@@@L? J@@@@5f@@@@@@@@ ?I4@@@@@@@@@@@@@@@@@@6K?
J@(Yf3@@@@@@@@? @@@@@@@@@@@@5? O&@@@@@H W&@@@@@(Y?h?O2@@@@@@@@@@6K?g?@@@@@@@@@@@@Le?@@@@@@@@@)K @@@@@@@@ @@@? ?@@@@@1? ?@@@@@ ?@@@@@ ?@@@@@L? ?@@@@? ?J@@@@@@@@ J@@@@@ @@@@@@f?7@@@@@@0MeI4@@@@@@@@@@@@@@@@@@@@@@@6X?h7@@@@@(Y@@@@@@@@@@@@@@@@@@@@@@0MhI4@@@@@@@@@@@@@@@@@@@@@@@@@@@@@@@@@@@@@@@@@@@@@@@@@@@@@@@@@@@@@@@@@@@@@@@@@@@@@@@@@@@@@@@@@@@@@@@@@@@@@@@@@@@@@@@@@@@@@@@@@@@@@@@(M? ?O2@@@@@@@@@@@@@@@@@@@@@@@@@@@@@@@@@@@@@@@@@@@@@@@@@@@@@@@@@@@@@@@@@@@@@@@@@@@@0Y?e@@@@@@@@1? 7@@@@Hf@@@@@@@5 ?I4@@@@@@@@@@@@@@@@6K?
?W&(Y?fN@@@@@@@@L @@@@@@@@@@@@H?hfO2@@@@@@@? ?W&@@@@@(Yh?O2@@@@@@@@@@@@@@@6Kf?@@@@@@@@@@@@1f?I4@@@@@@@6K 3@@@@@@@L? @@5? ?@@@@@@? ?@@@@@ ?@@@@@ ?3@@@@1? ?@@@@? ?7@@@@@@@5 7@@@@@ @@@@@@fJ@@@ @@@@@@@@1?g?J@@@@@@e@@@@@@@@@@@@@@@@@@@@@? @@@@@@@@@@@@@@@@@@@@@@@@@@@@@@@@@@@@@@@@@@@@@@@@@@@@@@@@@@@@@@@@@@@@@@@@@@@@@@@@@@@@@@@@@@@@@@@@@@@@@@@@@@@@@@@@@@@@@@@@@@@@0Y O2@@@@@@@@@@@@@@@@@@@@@@@@@@@@@@@@@@@@@@@@@@@@@@@@@@@@@@@@@@@@@@@@@@@@@@@@@@(Mh@@@@@@@@@? @@@@@?f@@@@@@@H I4@@@@@@@@@@@@@@@@6K
W&(Yg?@@@@@@@@)K? O2@@6?2@@@@@@@@@@@@5hf?@@@@@@@(M ?7@@@@@(Y?f?W2@@@@@@@@@@@@@@@@@@@@@@6K?e?@@@@@@@@@@@L?f?I4@@@@@@@6X N@@@@@@@1? @@H? ?@@@@@@? ?@@@@@L? ?3@@@@ ?N@@@@@? ?@@@@? ?@@@@@@@@H @@@@@@ @@@@@@f7@@5hf@@hf3@@@@@@@@Lg?7@@@@@@)X@@@@@@@@@@@@@@@@?@@@5? @@@@@@@@@@@@@@@@@@@@@@@@@@@@@@@@@@@@@@@@@@@@@@@@@@@@@@@@@@@@@@@@@@@@@@@@@@@@@@@@@@@@@@@@@@@@@@@@@@@@@@@@@@@@@@@0M? W2@@@@@@@@@@@@@@@@@@@@@@@@@@@@@@@@@@@@@@@@@@@@@@@@@@@@@@@@@@@@@@@@@@@@@@@@@@@(Y?g?J@@@@@@@@@? @@@@@?e?J@@@@@@@? I4@@@@@@@@@@@@@@@@@6K?
?W&(Y?g?3@@@@@@@@@@@@6?2@@@@@@@@@@@@@@@@@@@@@@@@@@@@@@@@@@@@@@@@@6KO2@@@@@@6KO2@@@@@@6?2@@@@@@@@@@@@@@@@@@@@@@@@@@@@@@@@@@@@@@@@@@@@@@@@@@@@@@@@@@@@@@@@@@Hhf?@@@@@@(Y? ?@@@@@@Hg?7@@@@@@@@@@@@@@@@@@@@@@@@@6X??3@@@@@@@@@@1?g?I4@@@@@@)K? ?@@@@@@@@? @@ ?@@@@@@? ?@@@@@1? ?N@@@@L? @@@@@? ?@@@@L ?@@@@@@@@? @@@@@@ @@@@@@e?J@@(Yhe?J@@hfN@@@@@@@@1g?3@@@@@@@@@@@@@@@@@@@@@@@@?@@@H? @@@@@@@@@@@@@@@@@@@@@@@@@@@@@@@@@@@@@@@@@@@@@@@@@@@0MI@MI4@@@@@@@@0?4@@@@@@@@@@@@@@@@@@@@@@@@@@@@@@@@@@@@@@@@0M? ?W&@@@@@@@@@@@@@@@@@@@@@@@@@@@@0?4@@@@@@@@@@@@@@@@@@@@@@@@@@@@@@@(M??I@M?W@@@@@Hh?7@@@@@@@@@? @@@@5?e?7@@@@@@@? I4@@@@@@@@@@@@@@@@@@6K
W&@Hh?N@@@@@@@@@@@@@@@@@@@@@@@@@@@@@@@@@@@@@@@@@@@@@@@@@@@@@@@@@@@@@@@@@@@@@@@@@@@@@@@@@@@@@@@@@@@@@@@@@@@@@@@@@@@@@@@@@@@@@@@@@@@@@@@@@@@@@@@@@@@@@@@@@?heW2@@@@@@(Y ?@@@@@5?gJ@@@@@@@@@@@@@@@@@@@@@@@@@@@)K?V4@@@@@@@@@@Lh?I4@@@@@@6X? ?@@@@@@@@? @@ ?@@@@@@? ?@@@@@@? @@@@1? @@@@@? ?3@@@1 ?@@@@@@@@? @@@@@@ @@@@@@e?7@@H?he?7@@hf?@@@@@@@@@g?N@@@@@@@@@@@@@@@@@@@@@@@@?@@@ 3@@@@@@@@@@@(M ?I'@@@@? O&@@@@@@@@@@@@@@@@@@@? @@X?g@@@@g@@@@(Yg?7@@@@@?h?@@@@@?@@@@L ?J@@@@H?e?@@@@@@@@? ?I4@@@@@@@@@@@@@@@@@6K
?W&@@?he@@@@@@@@@@@@@@@@@@@@@@@@@@@@@@@@@@@@@@@@@@@@@@@@@@@@@@@@@@@@@@@@@@@@@@@@@@@@@@@@@@@@@@@@@@@@@@@@@@@@@@@@@@@@@@@@@@@@@@@@@@@@@@@@@@@@@@@@@@@@@@@@@?h?O&@@@@@@0Y? ?@@@@@H?f?W&@@@@@@@@@@@@@@@@@@@@@@@@@@@@@6Xe@@@@@@@@@)X?h?I'@@@@@)K ?3@@@@@@@? @@ ?3@@@@@? ?3@@@@@? @@@@@? @@@@@? ?N@@@@ ?@@@@@@@@? @@@@@5 3@@@@@L?J@@5hf?@@@L?he?3@@@@@@@@h@@@@@@@@@@@@@@@@@@@@@@@@?@@@ N@@@@@@@@@@@H? N@@@@? W2@@@@@@@@@@@@@@@@@@@@@? ?@@@@@1?g@@@5g@@@@hJ@@@@@@?h?@@@@@?@@@@1 ?7@@@@f?@@@@@@@5? ?I4@@@@@@@@@@@@@@@@@@@6K
?7(Mhf3@@@@@@@@@@@@@@@@@@@@@@@@@@@@@@@@@@@@@@@@@@@@@@@@@@@@@@@@@@@@@@@@@@@@@@@@@@@@@@@@@@@@@@@@@@@@@@@@@@@@@@@@@@@@@@@@@@@@@@@@@@@@@@@@@@@@@@@@@@@@@@@5?g?W2@@@@@@0M? J@@@@@gW&@@@@@@@0M?gI'@@@@@@@@@@@@@1e3@@@@@@@@@)XheV4@@@@@@6X ?N@@@@@@@? @@ ?N@@@@@? ?N@@@@@? @@@@@? @@@@@L @@@@ ?@@@@@@@@? ?J@@@@@H N@@@@@)?&@@Hhf?@@@1?he?N@@@@@@@@h@@@@@@@@@@@@@@@@@@@@@@@@?@@@ ?3@@@@@@@@@@ ?@@@@? ?O&@@@@@@@@@@@@@@@@@@@@@@? ?@@@@@@?g3@@Hg3@@@1?g7@@@@@5?h?@@@@5?@@@@@ ?@@@@@f?@@@@@@@H? I4@@@@@@@@@@@@@@@@@6K?
C(Y?hfN@@@@@@@@@@@@@@@@@@@@@@@@@@@@@@@@@@@@@@@@@@@@@@@@@@@@@@@@@@@@@@@@@@@@@@@@@@@@@@@@@@@@@@@@@@@@@@@@@@@@@@@@@@@@@@@@@@@@@@@@@@@@@@@@@@@@@@@@@@@@@@(Y?gO&@@@@(M 7@@@@5g7@@@@@@@he?V'@@@@@@@@@@@@@L?V4@@@@@@@@@1hfI'@@@@@)X? @@@@@@@L @@ @@@@@? @@@@@? @@@@@? 3@@@@1 @@@@ ?@@@@@@@@? ?7@@@@@? ?@@@@@@@@@@?hf?3@@@?hf3@@@@@@@L?g@@@@@@@@@@@@@@@@@@@@@@@@?@@@ ?N@@@@@@@@@@ ?@@@@? ?O2@@@@@@@@@@@@@@@@0M??@@@@? ?@@@@@@LgN@@?gN@@@@?g@@@@@@H?hJ@@@@H?@@@@@L? ?@@@@@f?@@@@@@@ I4@@@@@@@@@@@@@@@@@6K?
W2(Y ?@@@@@@@@@@@@@@@@@@@@@@@@@@@@@@@@@@@@@@@@@@@@@@@@@@@@@@@@@@@@@@@@@@@@@@@@@@@@@@@@@@@@@@@@@@@@@@@@@@@@@@@@@@@@@@@@@@@@@@@@@@@@@@@@@@@@@@@@@@@@@(YgW2@@@@@(Y? @@@@@Hf?J@@@@@@@@hf?@@@@@@@@@@@@@)XeI'@@@@@@@@hf?V4@@@@@)X @@@@@@@1 @@ @@@@@? @@@@@? 3@@@@? N@@@@@ @@@@ J@@@@@@@@? ?@@@@@@? ?@@@@@@@@? ?N@@@?e?O@Kg?@@@@@@@1?g@@@@@@@@@@@@@@@@@@@@@@@@?@@@ @@@@@@@@@@ ?@@@@? ?W2@@@@@@@@@@@@@@@@(M?e?@@@@? ?@@@@@@1gJ@@?g?@@@@?g@@@@@@he7@@@@??3@@@@1? J@@@@5fJ@@@@@@@ I4@@@@@@@@@@@@@@@@@@6K
?W&(Y? ?3@@@@@@@@@@@@@@@@@@@@@@@@@@@@@@@@@@@@@@@@@@@@@@@@@@@@@@@@@@@@@@@@@@@@@@@@@@@@@@@@@@@@@@@@@@@@@@@@@@@@@@@@@@@@@@@@@@@@@@@@@@@@@@@@@@@@@@@@@@@(Y?f?O&@@@@@(Y @@@@@?fW&@@@@@@@@hf7@@@@@@@@@@@@@@1e?V'@@@@@@@ ?I'@@@@)K? @@@@@@@@ @5 @@@@@L @@@@@? N@@@@? ?@@@@@ @@@@ 7@@@@@@@@? ?@@@@@@? ?@@@@@@@5? @@@??O2@@@6Kf7@@@@@@@@?g@@@@@@@@@@@@@@@@@@@@@@@@?@@@ @@@@@@@@@@ ?@@@@? O&@@@@@@@@@@@@@@@@0Yf?@@@@? ?@@@@@@@f?W&@@?g?@@@@Le?W2@@@@@@@he@@@@@??N@@@@@? 7@@@@Hf7@@@@@@5 I4@@@@@@@@@@@@@@@@@6K?
W&(Y ?N@@@@@@@@@@@@@@@@@@@@@@@@@@@@@@@@@@@@@@@@@@@@@@@@@@@@@@@@@@@@@@@@@@@@@@@@@@@@@@@@@@@@@@@@@@@@@@@@@@@@@@@@@@@@@@@@@@@@@@@@@@@@@@@@@@@@@@@@@@(Yf?W2@@@@@@(Y? @@@@@?f7@@@@@@@@@hf@@@@(M?@@@@@@@@@L?eN@@@@@@@ V'@@@@@6X? 3@@@@@@@ @H @@@@@1 @@@@@L ?@@@@? ?@@@@@ 3@@@L? @@@@@@@@@? ?@@@@@@? ?@@@@@@@H? ?J@@@@@@@@@@@@6Xe@@@@@@@@@?g@@@@@@@@@@@@@@@@@@@@@@@@@@@@ @@@@@@@@@@ ?@@@@? O2@@@@@@@@@@@@@@@@0Mg?3@@@? ?@@@@@@@f?7@@@?g?@@@@1eO&@@@@@@@@h?J@@@@5?e@@@@@? @@@@@?f@@@@@@@H I4@@@@@@@@@@@@@@@@@@6K
?W&(Y? @@@@@@@@@@@@0?4@@@@@@@@@@@0?4@@@@@@@@@@@@@@@@0?40?4@@@@@@@@@0MI4@@@@@@@@0M?I40MI4@@@@@0MI40?4@@@@@@@0MfI@M?I@?40Me?I@M?I4@@@@@@0MI4@@0Y?fW&@@@@@@0Y @@@@@?f@@@@@@@(M?hf@@@@H??3@@@@@@@@1?e?@@@@@@@ ?V'@@@@@)X N@@@@@@@ ?J@? @@@@@@ 3@@@@1 ?@@@@L ?@@@@@ N@@@1? @@@@@@@@@? ?@@@@@@? ?@@@@@@@ ?7@@@@@@@@@@@@@)K?@@@@@@@@@Lf?J@@@@@@@@@@@@@@@@@@@@@@@@@@@@ @@@@@@@@@@ ?@@@@? O2@@@@@@@@@@@@@@@@0Mh?N@@@L ?3@@@@@@fJ@@@@?g?@@@@@W2@@@@@@@@@5h?7@@@@H?e3@@@@L @@@@5?f@@@@@@@? I4@@@@@@@@@@@@@@@@@6K?
W&(Y @@@@@0M? ?W&@@@@@0M ?J@@@@@?f@@@@@@@H @@@@e?N@@@@@@@@@?eJ@@@@@@@ V'@@@@@)X? ?@@@@@@@ ?7@? @@@@@@ N@@@@@ ?@@@@1 ?@@@@@L? ?@@@@? @@@@@@@@5? J@@@@@5? ?@@@@@@@ ?@@@@@@@@@@@@@@@@@@@@@@@@@@)X?eW&@@@@@@@@@@@@@@@@@@@@@@@@@@@@ @@@@@@@@@@ ?@@@@? O2@@@@@@@@@@@@@@@@(Mhf@@@1 ?N@@@@@@f7@@@@@@?f?@@@@@@@@@@@@@@@@Hh?@@@@@fN@@@@1 ?J@@@@H?f@@@@@@@? ?I4@@@@@@@@@@@@@@@@@@6K?
?W&(Y? @@@@ O&@@@@(M ?7@@@@@?f@@@@@@@?hf?J@@@5f3@@@@@@@@Le7@@@@@@@L? ?V'@@@@@)K ?@@@@@@@L? ?@@? @@@@@@ ?@@@@@ ?@@@@@ ?3@@@@1? ?@@@@? @@@@@@@@H? 7@@@@@H? ?@@@@@@@h?W26?2@@@@@@@@@@@@@@@@@@@@@@@@@@@@@@)K?O&@@@@@@@@@@@@@@@@@@@@@@@@@@@@@L? ?J@@@@@@@@@@ ?@@@@? ?W2@@@@@@@@@@@@@@@@@@0Y?hf@@@@ @@@@@@L??J@@@@@@@?f?3@@@@@@@@@@@@@@@?h?@@@@@f?@@@@@ ?7@@@@f?J@@@@@@5? ?I4@@@@@@@@@@@@@@@@@6K
W&(Y ?I4@ W2@@@@@@H? ?@@@@@@?e?J@@@@@@@Lhf?7@@@?f?@@@@@@@@1e@@@@@@@@1? V'@@@@@@6X ?@@@@@@@1? ?@@? 3@@@@@ ?@@@@@ ?@@@@@ ?N@@@@@? ?@@@@? @@@@@@@@ @@@@@@ W2@@e?@@@@@@@h?7@@@@@@@@@@@@@@@@@@@@@@@@@@@@@@@@@@@@@@@@@@@@@@@@@@@@@@@@@@@@@@@@@@@@1? W&@@@@@@@@@@ ?@@@@L O&@@@@@@@@@@@@@@@@@0M? @@@@ @@@@@@1??7@@@@@@@?g@@@@@@@@@@@@@@@?h?@@@@@f?@@@@@L? ?@@@@@f?7@@@@@@H? ?I4@@@@@@@@@@@@@@@@@@6K?
?W&(Y? ?W&@@@@@@5 ?@@@@@@?e?7@@@@@@@)K?he?@@@@)K??O&@@@@@@@@@L?@@@@@@@@@? ?V'@@@@@@)X? ?@@@@@@@@? ?@@? N@@@@@ ?@@@@@L? ?@@@@@ @@@@@? ?@@@@L ?J@@@@@@@@ @@@@@@ ?W&@@5eJ@@@@@@@h?@@@@@@@@@@@@@@@@@@@@@@@@@@@@@@@@@@@@@@@@@@@@@@@@@@@@@@@@@@@@@@@@@@@@@@?hf?O&@@@@@@@@@@@ ?@@@@1 W2@@@@@@@@@@@@@@@@@(M? @@@@ @@@@@@@??@@@@@@@@?f?7@@@@@@@@@@@@@@@?h?@@@@5f?@@@@@1? ?@@@@@f?@@@@@@@ ?I4@@@@@@@@@@@@@@@@@6K
W&(Y W&@@@@@@(Y ?@@@@@@?e?3@@@@@@@@@@@@@@@@@@@@@@@@@@@@@@@@@@@@@@@@1?3@@@@@@@@L V'@@@@@@)X ?3@@@@@@@? ?@@? ?@@@@@ ?3@@@@1? ?@@@@@ @@@@@? ?@@@@1 ?7@@@@@@@@ @@@@@@ W&@@(Y?O&@@@@@@@h?@@@@@@@@@@@@@@@@@@@@@@@@@@@@@@@@@@(M??I'@@@@@@@@@@@@@@@@@@@@@@@@@@@@@@?heO2@@@@@@@@@@@@@@ ?3@@@@ ?O&@@@@@@@@@@@@@@@@@0Y @@@@ @@@@@@@??@@@@@@@5?f?@@@@@@@@@@@@@@@5?hJ@@@@Hf?3@@@@@? J@@@@@f?@@@@@@@ I4@@@@@@@@@@@@@@@@@@6K
?W&(Y? ?W&@@@@@@(Y? ?3@@@@5?e?N@@@@@@@@@@@@@@@@@@@@@@@@@@@@@@@@@@@@@@@@@?N@@@@@@@@1 ?V'@@@@@@)X? ?N@@@@@@@? ?@5? ?@@@@@ ?N@@@@@? ?3@@@@L? @@@@@? ?@@@@@ ?@@@@@@@@@ @@@@@@ ?W&@@(YW2@@@@@@@@@ @@@@@@@@@@@@@@@@@@@@@@@@@@@HfN@@@@@@@@@@@@@@@@@@@@@@@@@@@@@@?g?O2@@@@@@@@@@@@@@@@@ @@@@ ?W2@@@@@@@@@@@@@@@@@0M @@@@ @@@@@@@??@@@@@@@H?fJ@@@@@@@@@@@@@@@H?h7@@@@?f?N@@@@@? 7@@@@5f?@@@@@@@ I4@@@@@@@@@@@@@@@@@6K?
W&(Y W&@@@@@@0Y ?N@@@@g@@@@@@@@@@@@@@@@@@@@@@@@@@@@@@@@@@@@@@@@@??@@@@@@@@@ V4@@@@@@)X @@@@@@@? ?@H? ?@@@@@L? @@@@@? ?N@@@@@? 3@@@@? ?3@@@@ ?@@@@@@@@@ @@@@@@L?hfW&@@@YO&@@@@@@@@@@ @@@@@@@@@@@@@@@@@@@@@@@@@@@?f?@@@@@@@@@@@@@@@@@@@@@@@@@@@@@@@@@@@@@@@@@@@@@@@@@@@@?@@@@ ?@@@@@ W&@@@@@@@@@@@@@@@@0M @@@@L? @@@@@@@L?@@@@@@@f?W&@@@@@@@@@@@@@@@he@@@@@?g3@@@@L @@@@@HfJ@@@@@@5 I4@@@@@@@@@@@@@@@@@@6K
?W&(Y? ?W&@@@@@(M @@@@@?f@@@@@@@@@@@@@@@@@@@@@@@(MI4@@@@@@@@@@@@@@??@@@@@@@@@ ?@@@@@@)X? @@@@@@@L ?@ ?@@@@@1? @@@@@? @@@@ N@@@@? ?N@@@@ ?@@@@@@@@@ @@@@@@)Xhe?W&@@@@@@@@@@@@@@@@@ @@@@@@@@@@@@@@@@@@@@@@@@@@@?f?@@@@@@@@@@@@@@@@@@@@@@@@@@@@@@@@@@@@@@@@@@@@@@@@@@@@@@@@@ ?N@@@@ ?O&@@@@@@@@@@@@@@@(M 3@@@1? 3@@@@@@)X@@@@@@@f?7@@@@@@@@@@@@@@@5he@@@@5?gN@@@@1 @@@@@?f7@@@@@@H ?I4@@@@@@@@@@@@@@@@@@@6K
W&(Y ?7@@@@@@H? @@@@g@@@@@@@@@@h?@@@@HgI'@@@@@@@@5??@@@@@@@@@ ?3@@@@@@)K @@@@@@@1 J@ ?@@@@@@? @@@@@? @@@@1? ?@@@@L @@@@ ?@@@@@@@@@ @@@@@@@1heW&@@@@@@@@@(M?@@@@@@ ?J@@@@@@@@@@@@@@@@@@@@@@@@@@5?f?@@@@@@@@@@@@@@@@@@@@@@@@@@@@@@@@@@@@@@@@@@@@@@@@@@@@@@@@@ ?J@@@@ W2@@@@@@@@@@@@@@@@@0Y? N@@@@? N@@@@@@@@@@@@@@5fJ@@@@@@@@@@@@@@@@Hh?J@@@@H?g?@@@@@ @@@@@?f@@@@@@@? ?I4@@@@@@@@@@@@@@@@@@6K?
?W&@H? J@@@@@@5 @@@@1?f3@@@@@@@@@L?g?@@@5?g?N@@@@@@@@H??@@@@@@@@@ ?V4@@@@@@@@? 3@@@@@@@ 7@ ?@@@@@@? @@@@@? 3@@@@? ?@@@@1 @@@@ ?@@@@@@@@@ ?J@@@@@@@@L?g?O&@@@@@@@@@0Ye@@@@@@L?hfW&@@@@@@@@@@@@@@@@@@@@@@@@@@H?f?3@@@@@@@@@@@@@@@@@@@@@@@@@@@@@@@@@@@@@@@@@@@@@@@@@@@@@@@@ ?7@@@@L? ?O&@@@@@@@@@@@@@@@@0M? ?@@@@? ?@@@@@@@@@@@@@@He?W&@@@@@@@@@@@@@@@@?h?7@@@@h?@@@@@ @@@@5?f@@@@@@@? ?I4@@@@@@@@@@@@@@@@@6K O2@@@@@6K?
W&@5 ?W&@@@@@(Y 3@@@@?fN@@@@@@@@@)XgJ@@@H?g?J@@@@@@@@e?@@@@@@@@@ @@@@@@@L N@@@@@@@ W26X @@ ?3@@@@@? @@@@@? N@@@@? ?@@@@@ @@@@L? J@@@@@@@@@ ?@@@@@@@@@1?f?W2@@@@@@@@@0Me?J@@@@@@1?hf7@@@@@@@@@@@@@@@@@@@@@@@@@@@g?N@@@@@@@@@@@@@@@@@@@@@@@@@@@@@@@@@@@@@@@@@@@@@@@@@@@@@@@@@@6?2@@@@@@6KO2@@@@@@@@@@@6?2@@@@@@@@@@@@@@@@@@6KO@Ke?O26K?e?O@Ke?@@@@@)KgO26K?O26K?O@K?f?O@?2@@6K?g?O2@@@@@@@@@@@@@@@@@@(M? ?@@@@? ?@@@@@@@@@@@@@@?eW&@@@@@@@@@@@@@@@@@?h?@@@@@h?@@@@@L?hf?J@@@@H?e?J@@@@@@@? I4@@@@@@@@@@@@@@@@6K ?O2@@@@@@@@@@@6K
?W&@0Y W&@@@@@(Y? N@@@@Lf?3@@@@@@@@@)X?f7@@@hW&@@@@@@@5e?@@@@@@@@5 3@@@@@@)X? ?@@@@@@@ 7@@1 @@ @@@@@? @@@@@L ?@@@@? ?@@@@@ @@@@1? 7@@@@@@@@@ ?N@@@@@@@@@LfW&@@@@@@@@(MfW&@@@@@@@?he?J@@@@?@@@@@@@@@@@@@@@@@@@@@@5h3@@@@@@@@@@@@@@@@@@@@@@@@@@@@@@@@@@@@@@@@@@@@@@@@@@@@@@@@@@@@@@@@@@@@@@@@@@@@@@@@@@@@@@@@@@@@@@@@@@@@@@@@@@@@@@@@@@@@@@@@@@@@@@@@@@@@@@@@@@@@@@@@@@@@@@@@@@@@@@@@@@@@@@@@@@@@@@@@@@@@@@@@@@@@@@@0Y ?@@@@? ?@@@@@@@@@@@@@5?e7@@@@@@@@@@@@@@@@@@?h?@@@@5h?@@@@@1?hf?7@@@@f?7@@@@@@5? I4@@@@@@@@@@@@@@@@@6K? ?W2@@6X?h?W2@@@@@@@@@@@@@@@6K
W&(M ?W&@@@@@(Y ?@@@@1f?N@@@@@@@@@@)Xf@@@5g?W&@@@@@@@(YeJ@@@@@@@@H V'@@@@@@)X ?@@@@@@@ 3@@@ @@ ?@@@@@@? 3@@@@1 ?@@@@? ?@@@@@ 3@@@@? @@@@@@@@@@ @@@@@@@@@)K??O&@@@@@@@@@H?e?W&@@@@@@@@?heO&@@@@?@@@@@@@@@@@@@@@@@@@@@@HhN@@@@@@@@@@@@@@@@@@@@@@@@@@@@@@@@@@@@@@@@@@@@@@@@@@@@@@@@@@@@@@@@@@@@@@@@@@@@@@@@@@@@@@@@@@@@@@@@@@@@@@@@@@@@@@@@@@@@@@@@@@@@@@@@@@@@@@@@@@@@@@@@@@@@@@@@@@@@@@@@@@@@@@@@@@@@@@@@@@@@@@@@@@@@@(M ?@@@@L ?3@@@@@@@@@@@@H??J@@@@@@@@@@@@@@@@@@@?h?@@@@Hh?@@@@@@?hf?@@@@@f?@@@@@@@H? I4@@@@@@@@@@@@@@@@@@6K O&@@@@1?hW&@@@@@@@@@@@@@@@@@@6X
?W&(Y? W&@@@@@(Y? ?3@@@@g3@@@@@@@@@@)K?e@@@?gO&@@@@@@@(Y?e7@@@@@@@@? ?V'@@@@@@)X? ?@@@@@@@L?hfN@@@ @5 ?N@@@@@? N@@@@@ ?@@@@? ?3@@@@ N@@@@? @@@@@@@@@@ @@@@@@@@@@@@@@@@@@@@@@@@fO&@@@@@@@@@@@@@@@@@6?2@@@@@@@@@@@@@@@@@@@@@@@@@@@@5?h?@@@@@@@@@@@@@@@@@@@@@@@@@@@@@@@@@@@@@@@@@@@@@@@@@@@@@@@@@@@@@@@@@@@@@@@@@@@@@@@@@@@@@@@@@@@@@@@@@@@@@@@@@@@@@@@@@@@@@@@@@@@@@@@@@@@@@@@@@@@@@@@@@@@@@@@@@@@@@@@@@@@@@@@@@@@@@@@@@@@@@@@@@@@@0Y? ?@@@@1 ?N@@@@@@@@@@@@e?7@@@@@@@@@@@@@@@@@@5?hJ@@@@?h?@@@@@@?hf?@@@@@fJ@@@@@@@ ?I4@@@@@@@@@@@@@@@@@@6K? W2@@@@@@@?g?W&@@@@@@@@@@@@@@@@@@@@)X?
W&@H 7@@@@@@H ?N@@@@@@fV'@@@@@@@@@@@@@@@@@1fW2@@@@@@@@@He?J@@@@@@@@5? V'@@@@@@)X ?@@@@@@@1?hf?3@@ @H @@@@@? ?@@@@@ ?@@@@L ?N@@@@ ?@@@@? @@@@@@@@@5 @@@@@@@@@@@@@@@@@@@@@@@@@@@@@@@@@@@@@@@@@@@@@@@@@@@@@@@@@@@@@@@@@@@@@@@@@@@@@(Y?h?@@@@@@@@@@@@@@@@@@@@@@@@@@@@@@@@@@@@@@@@@@@@@@@@@@@@@@@@@@@@@@@@@@@@@@@@@@@@@@@@@@@@@@@@@@@@@@@@@@@@@@@@@@@@@@@@@@@@@@@@@@@@@@@@@@@@@@@@@@@@@@@@@@@@@@@@@@@@@@@@@@@@@@@@@@@@@@@@@@@@@@@@0M? ?3@@@@ @@@@@@@@@@@@eJ@@@@@@@@@@@@@@@@@@@H?h7@@@@?h?3@@@@@?hfJ@@@@@f7@@@@@@@ ?I4@@@@@@@@@@@@@@@@@@6K? ?W&@@@@@@@@?gW&@@@@@@@@@@@@@@@@@@@@@@)X
7@5? ?J@@@@@@5? @@@@@@L?e?N@@@@@@@@@@@@@@@@@@e?O&@@@@@@@@@5?e?7@@@@@@@@H? ?V'@@@@@@1 ?3@@@@@@@?hf?N@@ @? @@@@@? ?@@@@@ ?@@@@1 @@@@L? ?@@@@? ?J@@@@@@@@@H @@@@@@@@@@@@@@@@@@@@@@@@@@@@@@@@@@@@@@@@@@@@@@@@@@@@@@@@@@@@@@@@@@@@@@@@@@@@(Yhe?3@@@@@@@@@@@@@@@@@@@@(M ?@@@@@@@@@@@@@@@@@@@@@@@@@@@@@@@@@@@@@@@@@@@@@@@@@@@@@@@@@@@@@@@@@@@@@@@@@@@@@@@@@@@@@@@@@@@@@@@@@@@@@@@@@@@@@@@@@@@@@@@@@@@@@@@@@@@@@@@@@@@@(M? @@@@ @@@@@@@@@@@5e7@@@@@@@@@@@@@@@@@@@he@@@@@?h?N@@@@@Lhf7@@@@5f@@@@@@@@ ?I4@@@@@@@@@@@@@@@@@@6K? ?7@@@@@@@@@?f?W&@@@@@@@@@@@@@@@@@@@@@@@@1
?C@0Y? W&@@@@@(Y? @@@@@@)Xf3@@@@@@@@@@@@@@@@@@@@@@@@@@@@@@@H?eJ@@@@@@@@@ V'@@@@@@ ?N@@@@@@@? @@ ?J@? @@@@@L ?@@@@@ ?3@@@@ @@@@1? ?@@@@L ?7@@@@@@@@5? @@@@@@@@@@@@@@@@@@@@@@@@@@@@@@@@@@@@@@@@@@@@@@@@@@@@@@@@@@@@@@@@@@@@@@@@@@@(Y?he?N@@@@@@@@@@@@@@@@@@@@H? ?@@@@@@@@@@@@@@@@@@@@@@@@@@@@@@@@@@@@@@@@@@@@@@@@@@@@@@@@@@@@@@@@@@@@@@@@@@@@@@@@@@@@@@@@@@@@@@@@@@@@@@@@@@@@@@@@@@@@@@@@@@@@@@@@@@@@@@@@@@@0Y ?@@@@@ @@@@@@@@@@@H?J@@@@@@@@@@@@@@@@@@@@he@@@@5?he@@@@@1hf@@@@@Hf@@@@@@@5 I4@@@@@@@@@@@@@@@@@6K? J@@@@@@@@@@?f?7@@@@@@@@@@@@@@@@@@@@@@@@@@L?
?W2(M? ?W&@@@@@(Y 3@@@@@@)X?eV'@@@@@@@@@@@@@@@@@@@@@@@@@@@@@@f7@@@@@@@ ?V'@@@@@@@ @@@@@@@L @@ ?7@? @@@@@1 ?@@@@@ ?N@@@@ @@@@@? ?@@@@1 J@@@@@@@@@H? @@@@@@@@@@@@@@@@@@@@@@@@@@@@@@@@@@@@@@@@@@@@@@@@@@@@@@@@@@@@@@@@@@@@@@@@@@@H 3@@@@@@@@@@@@@@@@@@@ ?@@@@@@@@@@@@@@@@@@@@@@@@@@@@@@@@@@@@@@@@@@@@@@@@@@@@@@@@@@@@@@@@@@@@@@@@@@@@@@@@@@@@@@@@@@@@@@@@@@@@@@@@@@@@@@@@@@@@@@@@@@@@@@@@@@@@@@@0M ?N@@@@ @@@@@@@@@@@??7@@@@@@@@@@@@@@@@@@@5he@@@@H?he@@@@@@hf@@@@@?f@@@@@@@H I4@@@@@@@@@@@@@@@@@@6K 7@@@@@@@@@@?f?@@@@@@@@@@@@@@@@@@@@@@@@@@@1?
W&@H ?7@@@@@(Y? V'@@@@@@)Xe?V'@@@@@@@@@@@@@@@@@@@@@@@@@@@@5e?J@@@@@@@@ V'@@@@@@ @@@@@@@1 3@L? ?@@? @@@@@@ ?3@@@@ @@@@ @@@@@? ?@@@@@ ?O&@@@@@@@@@ ?I'@@@@@@@@@@@@@@@@@@@@@@@@@@@@@@@@@@@@@@@@@@@@@@@@@@@@@@@@@@@@@@@@@@@5? N@@@@@@@@@@@@@@@@@@5 J@@@@@@@@@@@@@@@@@@@@@@@@@@@@@@@@@@(M??I4@@@@@@@@@@@@@@@@@@@@@@@@@@@@@@@@@@@@@@@@@@@@@@@@@@@@@@@@@@@@@@@@@@@@@@@@@@@@@@@@@@@@@@@@@@@@0M? @@@@ @@@@@@@@@@5??@@@@@@@@@@@@@@@@@@@@Hh?J@@@@hf3@@@@@L?h?J@@@@@?f@@@@@@@? I4@@@@@@@@@@@@@@@@6K ?J@@@@@@@@@@5?f?@@@@@@@@@@@@0MI4@@@@@@@@@@@@?
?W&@@? J@@@@@@H ?N@@@@@@@1fV4@@@@@@@@@@@@@@@@@@@@@@@@@@0YeW&@@@@@@@5 ?V'@@@@@@@ @@@@@@@@ N@1? ?@@? @@@@@@ ?N@@@@L? @@@@ 3@@@@? ?3@@@@hf?W2@@@@@@@@@@5 V4@@@@@@@@@@@@@@@@@@@@@@@@@@@@@@@@@@@@@@@@@@@@@@@@@@@@@@@@@@@@@@@@@@H? ?3@@@@@@@@@@@@@@@@@H ?W&@@@@@@@@@@@@@@@@@@@0?4@@@@@@@@@@@0YgI'@@@@@@@@@@@@@@@@@@@@0?40M?I@MI40M?I4@@@@@@@@@@@@@@@@@@@@@@@@@@@@@@@@@@@@@@@@@@@@@@@@@@(M @@@@ @@@@@@@@@@H??@@@@@@@@@@@@@@@@@@@@?h?7@@@@hfN@@@@@1?h?7@@@@@?e?J@@@@@@@? I4@@@@@@@@@@@@@@@@@@@6K? ?7@@@@@@@@@(Y?fJ@@@@@@@@(M?g?I4@@@@@@@@?
W&(M 7@@@@@5? 3@@@@@@@g?I4@@@@@@@@@@@@@@@@@@@@0M?e?W&@@@@@@@@H N@@@@@@@L? 3@@@@@@@ ?@@? ?@@? @@@@@@ @@@@1? @@@@ N@@@@? ?N@@@@hfW&@@@@@@@@@@(Y ?I4@@@@@@@@@@@@@@@@@@@@@@@@@@@@@@@@@@@@@@@@@@@@@@@@@@@@@@@@@@@@@@@ ?N@@@@@@@@@@@@@@@@@? W&@@@@@@@@@@@@@@@0M?f?I@M ?V4@0M ?I@Me?@@@@@h?I4@@@@@@@@@@0M?h?I4@@0Y? @@@@L? @@@@@@@@@@e?@@@@@@@@@@@@@@@@@@@@?h?@@@@5hf?@@@@@@?h?@@@@@5?e?7@@@@@@5? ?I4@@@@@@@@@@@@@@@@6K? ?@@@@@@@@@0Yg7@@@@@@@(Yhf@@@@@@@L
?W&(Y? ?J@@@@@(Y? V'@@@@@@@6K?hI'@@@@@@@@@@@@0MgW&@@@@@@@@@? ?3@@@@@@)X N@@@@@@@ ?@@? ?@@? 3@@@@@ @@@@@? @@@@L? ?@@@@L @@@@he?W&@@@@@@@@@@@H? ?I4@@@@@@@@@@@@@@@@@@@@@@@@@@@@@@@@@@@@@@@@@@@@@@@@@@@@0MI'@@@@@ @@@@@@@@@@@@@@@@5? ?W&@@@@@@@@@(M ?@@@@@ @@@@1? 3@@@@@@@@@e?@@@@@@@@@@@@@@@@@@@5?h?@@@@Hhf?@@@@@@?h?@@@@@H?e?@@@@@@@H? I4@@@@@@@@@@@@@@@@@@6K ?@@@@@@@(Mh@@@@@@@(Y?hf3@@@@@@1
W&(Y W&@@@@@H ?N@@@@@@@@@6K?g?N@@@@@@@0M?h?W&@@@@@@@@@5? ?V'@@@@@@1 ?@@@@@@@ ?@@? ?@@? N@@@@@L? @@@@@? @@@@1? ?@@@@1 @@@@L?hW&@@@@@@@@@@@@ I@M? @@@@@@he?W(M N@@@@@L? 3@@@@@@@@@@@@@@@ ?7@@@@@@@@@(Y? ?3@@@@ @@@@@? N@@@@@@@@@e?@@@@@@@@@@@@@@@@@@@H?h?@@@@?hf?3@@@@@?hJ@@@@@f?@@@@@@@ I4@@@@@@@@@@@@@@@@@@@6K? ?@@@@@@@H?h@@@@@@@H N@@@@@@@
?W&@H? 7@@@@@5? @@@@@@@@@@@6X?g@@ W&@@@@@@@@@(Y? V'@@@@@@L? ?@@@@@@@L?hf?@@L ?@@? ?@@@@@1? @@@@@? 3@@@@? ?@@@@@ @@@@1?g?W&@@@@@@@@@@@@@ @@@@@@he?.Y? ?@@@@@1? N@@@@@@@@@@@@@@@)KO26Khe?@@@@@@@@@(Y ?N@@@@ 3@@@@? ?@@@@@@@@5e?@@@@@@@@@@@@@@@@@@@heJ@@@@?hf?N@@@@@Lh7@@@@@f?@@@@@@@ ?I4@@@@@@@@@@@@@@@@@@@@@6K J@@@@@@@he@@@@@@@? ?3@@@@@@
W&@@ ?J@@@@@@H? @@@@@@@@@@@@)Xf?J@@ ?O&@@@@@@@@@(Y ?V'@@@@@)X ?3@@@@@@1?hf?3@1 J@@? ?@@@@@@? @@@@@L N@@@@? ?@@@@@ @@@@@?gW&@@@@@@@@@@@@@5 @@@@@@ ?@@@@@@? ?3@@@@@@@@@@@@@@@@@@@@@@@@@@@@@@@@@@@@@@@(Y? @@@@ N@@@@? ?@@@@@@@@He?@@@@@@@@@@@@@@@@@@@he7@@@@? @@@@@1h@@@@@5fJ@@@@@@@ ?I4@@@@@@@@@@@@@@@@@@@@6K? 7@@@@@@@he@@@@@@@? ?N@@@@@@
7@ ?7@@@@@5 3@@@@@@@@@@@@)K?eW&@@hf?O2@@@@@@@@@@0Y? N@@@@@@)X? ?N@@@@@@@?hf?N@@ 7@5? ?@@@@@@? 3@@@@1 ?@@@@? ?@@@@@ @@@@@?f?O&@@@@@@@@@@@@@0Y @@@@@@L? ?3@@@@@? ?N@@@@@@@@@@@@@@@@@@@@@@@@@@@@@@@@@@@@@@0Y @@@@ ?@@@@? ?@@@@@@@@?e?@@@@@@@@@@@@@@@@@@5he@@@@@? @@@@@@h@@@@@Hf7@@@@@@5 I4@@@@@@@@@@@@@@@@@@@@@6K? 3@@@@@@@he3@@@@@@? @@@@@@
@5 J@@@@@@H V'@@@@@@@@@@@@@@6?&@@@g?O2@@@@@@@@@@@@@@(M? ?3@@@@@@1? @@@@@@@? @@ @@H? ?@@@@@@? N@@@@@ ?@@@@? ?3@@@@ 3@@@@?e?W2@@@@@@@@@@@@@(M 3@@@@@1? ?N@@@@@? 3@@@@@@@@@@@@@@@@@@@@@@@@@@@@@@@@@@@@? @@@@ ?@@@@? ?@@@@@@@@?e?@@@@@@@@@@@@@@@@@@Hhe@@@@5? 3@@@@@h@@@@@?e?J@@@@@@@H ?I4@@@@@@@@@@@@@@@@@@@6K N@@@@@@@heN@@@@@@? ?J@@@@@@
?W2@(Y ?W&@@@@@5? ?V4@@@@@@@@@@@@@@@@@@@@6KO2@@@@@@@@@@@@@@@@@0Y ?V'@@@@@@L @@@@@@@? @@ @@ ?@@@@@@? ?@@@@@ ?@@@@L ?N@@@@ N@@@@?eW&@@@@@@@@@@@@@@H? N@@@@@@? @@@@@? V4@@@@@@@@@@@@@@@@@@@@@@@@@@@@@@@@@@5? @@@@ ?@@@@L ?@@@@@@@5?e?@@@@@@@@@@@@@@@@@@?h?J@@@@H? N@@@@@L?f?J@@@@@?e?7@@@@@@@? ?I4@@@@@@@@@@@@@@@@@@@6K ?@@@@@@@he?@@@@@@? ?7@@@@@@
W&@(Y? ?7@@@@@@H? I'@@@@@@@@@@@@@@@@@@@@@@@@@@@@@@@@@@@@(M V'@@@@@)X? @@@@@@@L @@L? @@ ?@@@@@@? ?@@@@@ ?@@@@1 @@@@L? ?@@@@?e7@@@@@@@@@@@@@@@ ?@@@@@@? @@@@@L @@@@@@@@@@@@@@@@@@@@@@@@@@@@@@@@H? @@@@ ?@@@@1 ?@@@@@@@H?e?@@@@@@@@@@@@@@@@@@?h?7@@@@ ?@@@@@1?f?7@@@@5?e?@@@@@@@@? I4@@@@@@@@@@@@@@@@@@@6K? ?@@@@@@@L?h?3@@@@@L J@@@@@@@
?W&@(Y ?@@@@@@5 ?V'@@@@@@@@@@@@@@@@@@@@@@@@@@@@@@@@@@(Y? ?N@@@@@@1? @@@@@@@)K?hf@@)K @@ ?@@@@@@? ?@@@@@ ?@@@@@ @@@@1? ?@@@@?e@@@@@@@@@@@@(M ?@@@@@@? @@@@@1 @@@@@@@@@@@@@@@@@@@@@@@@@@@@@@@@ @@@@ ?@@@@5 ?@@@@@@@f?@@@@@@@@@@@@@@@@@@?h?@@@@@ ?3@@@@@?f?@@@@@H?e?@@@@@@@@? I4@@@@@@@@@@@@@@@@@@@@6K ?@@@@@@@)Xh?N@@@@@)X?hf7@@@@@@@
W&@(Y? J@@@@@@H ?@@@@@@@@@@@@@@@@@@@@@@@@@@@@@@@@@0Y 3@@@@@@L @@@@@@@@@@@@@@@@@@@@@@@@@@@@@@@@@@@@@@6X @@ ?@@@@@@? ?@@@@@ ?@@@@@ @@@@@? ?@@@@@@@@@@@@@@@@@@0Y? ?@@@@@@? @@@@@@ 3@@@@@@@@@@@@@@@@@@@@@@@@0M? @@@@ ?@@@@H ?@@@@@@@f?@@@@@@@@@@@@@@@@@@?h?@@@@5 ?N@@@@@Lf?@@@@@f?@@@@@@@5? I4@@@@@@@@@@@@@@@@@@@6K? ?3@@@@@@@)X?h3@@@@@)Xhf@@@@@@@@
?W&@0Y ?W&@@@@@5? ?O&@@@@@@@@@@@@@@@@@@@@@@@@@@@@@@@0M V'@@@@@1 3@@@@@@@@@@@@@@@@@@@@@@@@@@@@@@@@@@@@@@) ?J@@ ?3@@@@@? ?@@@@@ ?3@@@@ @@@@@? ?@@@@@@@@@@@@@@@@(M? ?@@@@@@L @@@@@@ V4@@@@@@@@@@@@@@@@@@@@@0M? 3@@@ ?@@@@? ?@@@@@@5f?3@@@@@@@@@@@@@@@@5?hJ@@@@H @@@@@1fJ@@@@@f?@@@@@@@H? ?I4@@@@@@@@@@@@@@@@@@@@@6K ?N@@@@@@@@)KhN@@@@@@)K?g?O2@@@@@@@@@
?7(M ?7@@@@@@H? ?W2@@@@@@@@@@@@@@@@@@@@@@@@@@@@@0M ?N@@@@@@L? N@@@@@@@@@@@@@@@@@@@@@@@@@@@@@@@@@@@@0M? ?7@@ ?N@@@@@? ?@@@@@ ?N@@@@ 3@@@@? ?@@@@@@@@@@@@@@@0Y ?3@@@@@1 3@@@@@ N@@@ ?@@@@? J@@@@@@Hf?N@@@@@@@@@@@@@@@@H?h7@@@@? @@@@@@f7@@@@5fJ@@@@@@@ ?I4@@@@@@@@@@@@@@@@@@@@6K? 3@@@@@@@@@@6K?f?@@@@@@@@6K?eO2@@@@@@@@@@@5
J@H? ?@@@@@@5 W&@@@@@@@@@@@@@@@@@@@@@@@@ 3@@@@@1? ?@@@@@@@@?he@@@@@(M? ?@@5 @@@@@? ?3@@@@ @@@@ N@@@@? ?@@@@@@@@@@@@@0M ?N@@@@@@ N@@@@@L? ?@@@ ?3@@@L 7@@@@@@?g@@@@@@@@@@@@@@@@he@@@@@? @@@@@@f@@@@@Hf7@@@@@@@ ?I4@@@@@@@@@@@@@@@@@@@@6K? N@@@@@@@@@@@@@@@@@@@@@@@@@@@@@@@@@@@@@@@@@@@(Y
?O&@ J@@@@@@H ?W&@@@@@@@@@@@@@@@@@@@@@@@@@ N@@@@@@L ?@@@@@@@@?he@@@@@? ?@@H @@@@@? ?N@@@@L? @@@@ ?@@@@? J@@@@@@@@@@(M? @@@@@@ ?@@@@@1? @?e?@@@L? ?N@@@1 @@@@@@@?g@@@@@@@@@@@@@@@@he@@@@@? 3@@@@@f@@@@@?f@@@@@@@@ I4@@@@@@@@@@@@@@@@@@@@6K ?@@@@@@@@@@@@@@@@@@@@@@@@@@@@@@@@@@@@@@@@@@@H?
?W2@<? 7@@@@@5? O&@@@@@@@@@@@@@@@@@@@@@@@@@@ ?3@@@@@1 ?@@@@@@@@?he@@@@@1 ?@@? @@@@@? @@@@1? @@@@L? ?@@@@? ?W&@@@@@@@@@(Y @@@@@@ ?3@@@@@? ?@@@1? @@@@ @@@@@@@?g@@@@@@@@@@@@@@@@L?g?J@@@@5? N@@@@@f@@@@5?f@@@@@@@5 ?I4@@@@@@@@@@@@@@@@@@@@6K? ?3@@@@@@@@@@@@@@@@@@@@@@@@@@@@@@@@@@@@@@@@@5
W&@5 @@@@@@H? W2@@@@@@@@@@@@@@@@@@@@@@@@@@@@L? ?N@@@@@@ ?@@@@@@@@?he@@@@@@ ?@@? @@@@@? @@@@@? @@@@1? ?@@@@L ?7@@@@@@@@@@H? @@@@@@ ?N@@@@@? ?@@@@? @@@@ @@@@@@5?g@@@@@@@@@@@@@@@@1?g?7@@@@H? ?@@@@@f@@@@H?e?J@@@@@@@H I4@@@@@@@@@@@@@@@@@@@@@6K? ?V'@@@@@@@@@@@@@@@@@@@@@@@@@@@@@@@@@@@@@@@(Y
?W&@(Y ?J@@@@@@ ?W&@@@@@@@@@@@@@@@@@@@@@@@@@@@@@)X 3@@@@@L? ?@@@@@@@@?he@@@@@@ ?@@? @@@@@? @@@@@? @@@@@? ?@@@@1 ?@@@@@@@@@@5 @@@@@@ @@@@@? ?@@@@? @@@@?O2@@@@@@@@@@@@@@@@@H?g3@@@@@@@@@@@@@@@@?g?@@@@@ ?@@@@@e?J@@@@f?7@@@@@@@? ?I4@@@@@@@@@@@@@@@@@@@6K V'@@@@@@@@@@@@@@@@@@@@@@@@@@@@@@@@@@@@@(Y?
W&@0Y? ?7@@@@@5 O&@@@@@@@@@@@@@@@@@@@@@@@@@@@@@@@)K? V'@@@@1? ?3@@@@@@@?he@@@@@@ ?@@? @@@@@? @@@@@L 3@@@@? ?@@@@@ W2@@@@@@@@@@(Y @@@@@@ @@@@@L ?@@@@? @@@@@@@@@@@@@@@@@@@@@@@@hN@@@@@@@@@@@@@@@@?g?@@@@@ ?@@@@@e?7@@@@f?@@@@@@@@? I4@@@@@@@@@@@@@@@@@@@6K? ?V4@@@@@@@@@@@@@@@@@@@@@@@@@@@@@@@@@@@(Y
?W&(M? J@@@@@@H ?@@@@@@@@@@@@@@@@@@@@@@@@@@@@@@@@@@@@6K? ?N@@@@@L ?N@@@@@@@?he@@(Y@@L? J@@? @@@@@? @@@@@1 N@@@@? ?3@@@@ ?W&@@@@@@@@@@(Y? @@@@@@ @@@@@1 W2@@@@@? @@@@@@@@@@@@@@@@@@@@@@@5h?3@@@@@@@@@@@@@@@?g?@@@@5 ?@@@@@e?@@@@@f?@@@@@@@@? I4@@@@@@@@@@@@@@@@@@@6X? ?I4@@@@@@@@@@@@@@@@@@@@@@@@@@@@@@@@(Y?
W&@H 7@@@@@@? ?@@@@@@@@@@@@@@@@@@@@@@@@@@@@@@@@@@@@@@6X? 3@@@@1 @@@@@@@?he@@H?@@1? @@@? @@@@@L 3@@@@@ ?@@@@? ?N@@@@ W&@@@@@@@@@@@H 3@@@@@ @@@@@@ 7@@@@@@? @@@@@@@@@@@@@@@@@@@@@@@Hh?V'@@@@@@@@@@@@@@?gJ@@@@H ?3@@@@L?J@@@@5f?@@@@@@@5? ?I4@@@@@@@@@@@@@@@@@1? ?I4@@@@@@@@@@@@@@@@@@@@@@@@@@@@@0Y
?W&@5? @@@@@@5? W2@@@@@@@@@@@@@@@@@@@@@@@@@@@@@@@@@@@@@@@@1? N@@@@@L? ?O2@@@@@@@@6K? @@@@@@@Lhe@@e@@@? N@@? @@@@@1 N@@@@@ ?@@@@L @@@@ ?W&@@@@@@@@@@@@? N@@@@@L? @@@@@@ @@@@@@@? @@@@@@@@@@@@@@@@@@@@@@@?heV+MI'@@@@@@@@@@Lg7@@@@?e?@ ?N@@@@)?&@@@@HfJ@@@@@@@ I4@@@@@@@@@@@@@@@L ?I4@@@@@@@@@@@@@@@@@@@@@@@@@0M
W&@(Y? @@@@@@H? 7@@@@@@@@@@@@@@@@@@@@@@@@@@@@@@@@@@@@@@@@@@? ?@@@@@1? ?W2@6K ?O2@@@@@@@@@@@@@6K 3@@@@@@1h?J@@e@@@? ?@5? @@@@@@ ?@@@@@ ?@@@@1 @@@@L? ?7@@@@@@@@@@@@@? ?@@@@@1? 3@@@@@ @@@@@@@? 3@@@@@@?f?I4@@@@@@@@? ?@@@@@@@@@@1g@@@@5? 3@@@@@@@@@@Lf7@@@@@@@1? I4@@@@@@@@@@@)KO@K I4@@@@@@@@@@@@@@@@0M
?W&@(Y @@@@@5 ?J@@@@@@@@@@@@@@@0M?I'@@@@@@@@@@@@@@@@@@@@@@@L ?3@@@@@? ?7@@@@@?he?W2@@@@@@@@@@@@@@@@@@6X? N@@@@@@@h?7@5e@@@? J@H? @@@@@@ ?@@@@@ ?@@@@@ @@@@1? J@@@@@@@@@@@@@@? ?@@@@@@? N@@@@@L? ?@@@@? N@@@@@@Lh@@@@@@@? 7@@@@@@@@@@@g@@@@H? N@@@@@@@@@@@f@@@@@@@@@? ?I4@@@@@@@@@@@@@6K
W&@(Y? @@@@@H W&@@@@@@@@@@@@@0M?e?N@@@(?4@@@@@@@@@@@@@@@@@1 ?N@@@@@L ?@@@@@@?heW&@@@@@@@@@@@@@@@@@@@@)X ?@@@@@@@h?@@He3@@? 7@ 3@@@@@ ?@@@@@ ?@@@@@ @@@@@? ?W&@@@@@@@@@@@@@@L ?@@@@@@? ?@@@@@1? ?3@@@? ?@@@@@@1h@@@@@@@? @@@@@@@?@@@@g@@@@ ?@@@@@@@@@@Hf@@@@@@@@@? ?I'@@@@@@@@@@@@6X?
7@(Y @@@@@? ?W&@@@@@@@@@@@@(M?f?J@@@HeI'@@@@@@@@@@@@@@@@L? 3@@@@1 ?@@@@@@?h?W&@@@@@@@@@@@@@@@@@@@@@@1 ?@@@@@@@h?@@?eN@@? @@ N@@@@@ ?@@@@@ ?3@@@@ 3@@@@? W&@@@@@@@@@@@@@@@1 ?@@@@@@? ?@@@@@@? ?N@@@? J@@@@@@@h@@@@@@5? @@@@@@@?@@@@f?J@@@@ ?@@@@@@@@@@?f@@@@@@@@@? V4@@@@@@@@@@@@1?
@(Y? @@@@@? ?7@@@@@@@@@@@@(Yg?7@@@?e?V4@@@@@@@@@@@@@@@)X V'@@@@ ?@@@@@@?h?7@@@@@@@@@@@@@@@@@@@@@@@@ ?@@@@@@@h?@@?e?3@? @@ ?@@@@@ ?@@@@@ ?N@@@@ N@@@@? 7@@@@@@@@@@(?'@@@@ ?@@@@@@L ?3@@@@@? @@@? 7@@@@@@@L?g@@@@@@H? @@@@@@@?@@@@f?7@@@5 ?3@@@@@@@@5?f@@@@@@@@@? I4@@@@@@@@@?
?W2@0Y @@@@@? J@@@@@@@@@@@@@H?g?@@@5?gI4@@@@@@@@@@@@@1 ?N@@@@L? ?@@@@@@?hJ@@@@@@@@@@@@@@@@@@@@@@@@@L? ?@@@@@@@L?g?@@?e?V'? @@ ?@@@@@ ?3@@@@L? @@@@ ?@@@@L @@@@@@@@@@0Y?N@@@@ ?@@@@@@@ ?N@@@@@L @@@? @@@@@@@@)Xf?J@@@@@5 @@@@@@5?3@@@L?e?@@@@H ?N@@@@@@@@H?e?J@@@@@@@@@? ?I4@@@@@@?
W&(M @@@@5? 7@@@@@@@@@@@@5hJ@@@H?hI'@@@@@@@@@@@@ @@@@1? ?@@@@@@?g?W&@@@@@@@@@@@@@@@@@@@@@@@@@@? ?@@@@@@@1?gJ@5? @@@?e@@ ?@@@@@ ?N@@@@1? @@@@ )X ?@ ?@@@@1 ?W2@@@@@@@@@(Mf@@@@ ?@@@@@@? @@@@@1 @@@L ?J@@@@@@@@@1f?7@@@@@H ?J@@@@@@H?N@@@1?e?@@@@? 3@@@@@@@f?7@@@@@@
?W&(Y? ?J@@@@H? @@@@@@@@@@@@@Hh7@@@he?V'@@@@@@@@@@@ 3@@@@L ?@@@@@@?g?7@@@@@@@@@@@@@@@@@@@@@@@@@@ ?3@@@@@@@?g7@H? 3@@?e@@ ?@@@@@ @@@@@? @@@@ @)KO2@6Khf?@ ?@@@@@ W&@@@@@@@@@(Y?f@@@@ ?3@@@@@1 @@@@@@ @@@1 ?7@@@@@@@@@@f?@@@@@@? ?7@@@@@@e?@@@@?eJ@@@@? N@@@@@@@f?@@@@@@@
W&(Y ?7@@@@ @@@@@@@@@@@@5?h@@@5hfV'@@@@@@@@@@ N@@@@1 ?@@@@@@?g?@@@@@@@@(M?hI4@@@@@@1? ?N@@@@@@@?g@@ N@@?e@@ ?@@@@@L? @@@@@? 3@@@L? ?J@@@@@@@@@@@@@6K?f?@ ?3@@@@ ?W&@@@@@@@@@(Yg@@@@ ?N@@@@@@ @@@@@@ @@@@ ?@@@@@@@@@@@f?@@@@@@? ?@@@@@@@e?@@@@?e7@@@@? ?@@@@@@5f?@@@@@@@
?W&(Y? ?@@@@@ @@@@@@@@@@@(Y?g?J@@@Hhf?N@@@@@@@@@@ ?@@@@@ ?@@@@@@?g?@@@@@@@(YhfI'@@@@@L @@@@@@@?g@@ ?@@?e@5 ?@@@@@1? @@@@@? N@@@1? W&@@@@@@@@@@@@@@@@6Xe?@ ?N@@@@ ?7@@@@@@@@@@H?g@@@@L? @@@@@@ 3@@@@@ @@@@ ?@@@@@@@@@@@fJ@@@@@@? ?@@@@@@@e?@@@@?e@@@@5? ?@@@@@@Hf?@@@@@@@
?7(Y ?@@@@@ ?J@@@@@@@@@@@Hh?7@@5? 3@@@@@@@@@ ?3@@@@L? ?@@@@@@?g?@@@@@@(Y?hf?V'@@@@1 @@@@@@@Lg@@ ?@@?e@H ?@@@@@@? @@@@@? ?@@@@? ?W&@@@@@@@@@@@@@@@@@@1 @@@@ J@@@@@@@@@@5h3@@@1? @@@@@@ N@@@@@ @@@@ ?@@@@@@@@@@@f7@@@@@5? ?@@@@@@5e?3@@@L?J@@@@H? ?@@@@@@?fJ@@@@@@@
C(Y? ?@@@@5 ?7@@@@@@@@@@5?h?@@@H? N@@@@@@@@@ ?N@@@@1? ?@@@@@@?g?@@@@@@H N@@@@@L? @@@@@@@1f?J@@ ?@@??J@? ?@@@@@@? @@@@@L ?@@@@? W&@@@@@@@@@@@@@@@@@@@@L?@? @@@@ 7@@@@@@@@@(YhN@@@@? @@@@@@ ?@@@@@ 3@@@ J@@@@@@@@@@@f@@@@@@H? ?@@@@@@He?N@@@1?7@@@@ ?3@@@@@?f7@@@@@@5
W2(Y ?@@@@H J@@@@@@@@@@@H?h?@@5 ?@@@@@@@@@ 3@@@@? ?@@@@@@?g?@@@@@@? ?3@@@@1? @@@@@@@@f?7@@ ?3@??7@? ?3@@@@@? 3@@@@1 ?@@@@? 7@@@@@@@@@@@@@@@@@@@@@)X@? @@@@ ?J@@@@@@@@@(Y?h?@@@@? @@@@@@ ?@@@@@ N@@@ 7@@@@@@@@@@@f@@@@@@ ?@@@@@@?f@@@@?@@@@@ @@@@@?f@@@@@@@H
?O&(Y? J@@@@? 7@@@@@@@@@@@heJ@(Y ?@@@@@@@@@ N@@@@? ?@@@@@@?g?@@@@@@? ?N@@@@@? 3@@@@@@@f?@@5 ?N@L?@@? ?N@@@@@? N@@@@@ ?@@@@L ?O@Ke@@@@@@@@@@@@@@@@@@@@@@@@@? @@@@L? W&@@@@@@@@@Hhe?@@@@? @@@@@@L? ?@@@@@L? ?@@@ @@@@@@@@@@@@f@@@@@@ J@@@@@@?f@@@@@@@@@@ ?7@@@@@?f@@@@@@@? W2@@@@@@@@@@@@@@@@@@@@@@@@@@@@@@@@@@@@@@@@@@6X
@@(Y 7@@@5? @@@@@@@@@@@5he7@H? ?3@@@@@@@@ ?@@@@L ?@@@@@@?g?@@@@@@? @@@@@L N@@@@@@@f?@@H ?J@1?@@? @@@@@? ?@@@@@ ?3@@@1hf?@@@@6?@KO2@6?@??@?)X? @@@@@@@@@@@@@@@@@@@@@@@@@@@@@@@? @@@@1? ?W&@@@@@@@@@5?he?@@@@L 3@@@@@1? ?3@@@@1? ?@@@ @@@@@@@@@@@@f@@@@@@ 7@@@@@5?f@@@@@@@@@5 ?@@@@@@?e?J@@@@@@@? 7@@@@@@@@@@@@@@@@@@@@@@@@@@@@@@@@@@@@@@@@@@@@1
@(Y? @@@@H? ?J@@@@@@@@@@@Hhe@5 ?N@@@@@@@@ ?3@@@1 J@@@@@@?g?@@@@@@? @@@@@1 ?@@@@@@@f?@@? ?7@@?@@L @@@@@? ?@@@@@ ?N@@@@hf?3@@@@@@@@@@@@@??@?@)?e@? @@@@@@@@@@@@@@@@@@@@@@@@@@@@@@@? @@@@@? W&@@@@@@@@@(Y?he?@@@@1 N@@@@@@? ?N@@@@@? ?@@@L? ?J@@@@@@@@@@@@L?e@@@@@@ @@@@@@H?f3@@@@@@@@H ?@@@@@@?e?7@@@@@@@? @@@@@@@@@@@@@@@@@@@@@@@@@@@@@@@@@@@@@@@@@@@@@@
?W2@(Y @@@@ W&@@@@@@@@@@5?he(Y @@@@@@@@ ?N@@@@ 7@@@@@@?g?3@@@@@? @@@@@@ ?@@@@@@@L?eJ@@? ?3@@@@@)X? @@@@@? ?@@@@@ @@@@hf?V4@0M ?I4@@@@@@@@@@@@@@@@@@@@@@@@@@@@? 3@@@@? 7@@@@@@@@@@Hhf?@@@@@ ?@@@@@@? @@@@@? ?@@@1? ?7@@@@@@@@@@@@1?e@@@@@5 ?J@@@@@@gN@@@@@@@@? ?@@@@@@?e?@@@@@@@5? @@@@@@@@@@@@@@@@@@@@@@@@@@@@@@@@@@@@@@@@@@@@@@
W&@(Y? ?J@@@@ 7@@@@@@@@@@@H? ?J@@@@@@@@ @@@@ @@@@@@@?g?N@@@@@? ?J@@@@@@ ?@@@@@@@1?e7@@? ?N@@@@@@1? @@@@@? ?@@@@@ @@@@ ?@@@@@@@@@@@@@@@@@@@@@@@@@@? N@@@@? ?J@@@@@@@@@@5?hf?3@@@@ ?@@@@@@? @@@@@? ?@@@@? ?@@@@@@@@@@@@@@??J@@@@@H ?7@@@@@@g?@@@@@@@@? J@@@@@@?e?@@@@@@@H? @@@@@@@@@@@@@@@@@@@@@@@@@@@@@@@@@@@@@@@@@@@@@@
?W&@(Y ?7@@@@ ?J@@@@@@@@@@@@L? ?7@@@@@@@5 @@@@ @@@@@@@?h@@@@@L ?7@@@@@@ ?3@@@@@@@?e@@@? @@@@@@@? @@@@@? ?@@@@@L? @@@@ ?3@@@@@@@@@@@@@@@@@@@@@@@@@? ?@@@@? ?7@@@@@@@@@(Y?hf?N@@@@ ?@@@@@@? @@@@@? ?@@@@? ?@@@@@@@@@@@@@@??7@@@@@? ?@@@@@@5g?@@@@@@@@? 7@@@@@@Le?@@@@@@@ @@@@@@@@@@@@@@@@@@@@@@@@@@@@@@@@@@@@@@@@@@@@@@
?7@(Y? ?@@@@@ ?7@@@@@@@@@@@@)KhW-X? ?@@@@@@@@H @@@@ @@@@@@@Lg?J@@@@@1 J@@@@@@5 ?N@@@@@@@?e@@5? @@@@@@5? @@@@@L ?@@@@@1? @@@@ ?N@@@@@@@@@@@@@@@@@@@@@?I4@? ?@@@@L J@@@@@@@@@@H @@@@ ?@@@@@@? @@@@@L ?@@@@? J@@@@@@@@@@@@@@??@@@@@5? ?@@@@@@Hg?@@@@@@@@? @@@@@@@1eJ@@@@@@@ @@@@@@@@@@@@@@@@@@@@@@@@@@@@@@@@@@@@@@@@@@@@@@
?@(Y ?@@@@@ ?@@@@@@@@@@@@@@@@@@@@@6?&@)K ?@@@@@@@@? @@@@L? @@@@@@@)K?fO&@@@@@@ ?W&@@@@@@H @@@@@@@Le@@H? @@@@@(Y? @@@@@@ ?3@@@@@? @@@@L? 3@@@@@@@@@@@@@@@@@@@@? ?@@@@1 7@@@@@@@@@5? @@@@ ?@@@@@@L @@@@@1 ?3@@@? 7@@@@@@@@@@@@@@??@@@@@H? ?@@@@@@?g?@@@@@@@5? @@@@@@@@e7@@@@@@@ @@@@@@@@@@@@@@@@@@@@@@@@@@@@@@@@@@@@@@@@@@@@@@
W2@(Y? ?@@@@@ J@@@@@@@@@@@@@@@@@@@@@@@@@@@@6K? J@@@@@@@5? 3@@@1? @@@@@@@@@@@@@@@@@@@@@@@@hfO&@@@@@@@? @V'@@@@1?J@@ @@@@(Y @@@@@H ?N@@@@@? @@@@1? V4@@@@@@@@@@@@@@@@0M ?3@@@@ ?J@@@@@@@@@@H? @@@@ ?@@@@@@1 @@@@@@ ?N@@@? 3@@@@@@@@@@@@@@@@@@@@@ ?@@@@@@?g?@@@@@@@H? ?J@@@@@@@@e@@@@@@@5 3@@@@@@@@@@@@@@@@@@@@@@@@@@@@@@@@@@@@@@@@@@@@@
?W&@(Y ?@@@@@ ?O&@@@@@@@@@@@@@@@@@@@@@@@@@@@@@@6K?hf7@@@@@@@H? N@@@@? @@@@@@@@@@@@@@@@@@@@@@@@h?O2@@@@@@@@@@? @?V@@@@@?7@@ @@@@H? @@@@@? @@@@@? @@@@@? ?I4@0M ?N@@@@ W&@@@@@@@@@5 3@@@ ?@@@@@@@ 3@@@@@ @@@? V4@@@@@@@@@@@@@@@@@@@@ J@@@@@@?g?3@@@@@@ ?7@@@@@@@@e@@@@@@@H V'@@@@@@@@@@(M
W&@(Y? ?@@@@@ ?W2@@@@@@@@@@@@@@@@@@@@@@@@@@@@@@@@@@6X?h?J@@@@@@@5 ?@@@@? @@@@@@@@@@@@@@@@@@@@@@@@h@@@@@@@@@@@@5? @@@@@@@@?@@@ @@@@ @@@@@L @@@@@? 3@@@@? @@@@ 7@@@@@@@@@(Y N@@@L? ?@@@@@@@ N@@@@@ @@@? I40MI'@@@@@@@@@@@@@5 7@@@@@5?g?N@@@@@@ ?@@@@@@@@@@@@@@@@@@? ?V'@@@@@@@@@H?
?W&@(Y ?@@@@@ O&@@@@@@@@@@@@@@@@@@@@@@@@@@@@@@@@@@@@)Kh?7@@@@@@@H ?3@@@? @@@@@@@@@@@@@@@@@@@@@@@@h@@@@@@@@@@@@H? 3@@@@@@@@@@@ @@@@ 3@@@@1 @@@@@? N@@@@? @@@@ ?J@@@@@@@@@@H? ?@@@1? ?3@@@@@@ ?3@@@@L? @@@? ?N@@@@@@@@@@@@@H @@@@@@H?h@@@@@5 ?@@@@@@@@@@@@@@@@@@? V'@@@@@@@@L?
W&@(Y? ?@@@@@ W2@@@@@@@@@@@@@@@@@@@@@@@@@@@@@@@@@@@@@@@@6Kg?@@@@@@@@? ?N@@@? @@@@@@@@@@@@@@@@@@@@@@@@h@@@@@@@@@@@5 N@@@@@@@@@@5 ?J@@@@ N@@@@@ @@@@@L ?@@@@? @@@@L? ?7@@@@@@@@@5 ?@@@@? ?N@@@@@@ ?N@@@@1? @@@? @@@@@@@@@@@@@? @@@@@@he@@@@@H ?@@@@(?'@@@@@@@@@@5? ?V'@@@@@@@)X
?W&@(Y ?@@@@@ ?W&@@@@@@@@@@@@@@@@0M?I4@@@@@@@@@@@@@@@@@@@@@@6XfJ@@@@@@@@? @@@? 3@@@@@@@@@@@@@@@@@@@@@@@h@@@@@@@@@@(Y ?@@@@@@@@@@H ?@@@@@ ?@@@@@ @@@@@1 ?@@@@? @@@@1? J@@@@@@@@@(Y ?@@@@? @@@@@@ @@@@@? @@@L 3@@@@@@@@@@@@? ?J@@@@@@he@@@@@? ?@@@@H?N@@@@@@@@@@H? V'@@@@@@@)X?
W&@(Y? ?@@@@@ ?7@@@@@@@@@@@@0M @@@@@@@@@@@@@@@@@)X??W&@@@@@@@5? @@@? V4@@@@@@@@@@@@@@@@@@@@@@h@@@@@@@@@(Y? ?@@@@@@@@@@? ?N@@@@ ?@@@@@ @@@@@@ ?@@@@? @@@@@? ?W&@@@@@@@@0Y? ?@@@@? @@@@@@ @@@@@? @@@1 N@@@@@@@@@@@@? ?7@@@@@5he@@@@@? J@@@@?e@@@@@@@@@@ ?V'@@@@@@@1?
?W&@(Y ?@@@@5 J@@@@@@@@@0M @@@@@@@@@@@@@@@@@@)KO&@@@@@@@@H? @@@? I4@@@@@@@@@@@@h@@@@@@@@0Y ?3@@@@@@@@@? 3@@@ ?@@@@@ 3@@@@@ ?3@@@L 3@@@@? ?7@@@@@@@0M? ?@@@@L @@@@@@ @@@@@? @@@@ ?@@@@@@@@@@@@? ?@@@@@@Hhe@@@@@? 7@@@@?e@@@@@@@@@@ V'@@@@@@@L
W&@(Y? ?@@@@? ?W&@@@@@@@0M ?J@@@?e?I'@@@@@@@@@@@@@@@@@@@@@ 3@@? @@@@@@0M ?N@@@@@@@@@? N@@@ ?@@@@@ N@@@@@ ?N@@@1 N@@@@? J@@@@@@@ ?3@@@1 @@@@@@ @@@@@? @@@@ ?@@@@@@@@@@@@@@6KO2@@@@@@@@@@@@@@@@?he@@@@@? @@@@@?e@@@@@@@@@@ ?V'@@@@@@1
?W&@(Y ?@@@@@ W&@@@@@@@? ?7@@@?fV4@@@@@@@@@@@@@@@@@@@5 N@@L @@@@0M @@@@@@@@@? ?@@5 ?@@@@@ ?@@@@@ @@@@ ?@@@@? 7@@@@@@5 ?N@@@@ 3@@@@@L? @@@@@L @@@@ ?@@@@@@@@@@@@@@@@@@@@@@@@@@@@@@@@@@?h?J@@@@@? ?J@@@@@@@@@@@@@@@@@@ N@@@@@@@L?
W&@(Y? ?@@@@H ?W&@@@@@@@@? ?@@@@?g?I'@@@@@@@@@@@@@@@@H ?@@1 ?W2@@@@@@6K? O2@6?2@@@@@@@@@@@@@6X? @@@@@@@@5? ?@@H ?@@@@@ ?@@@@@ @@@@ ?@@@@? ?J@@@@@@(Y @@@@ N@@@@@1? 3@@@@1 @@@@ ?@@@@@@@@@@@@@@@@@@@@@@@@@@@@@@@@@5?h?7@@@@@? ?7@@@@@@@@@@@@@@@@@@ ?3@@@@@@1?
?W&@(Y ?@@@@? W&@@@@@@@?he?O26K?gJ@@@5?hV'@@@@@@@@@@@@@@@? ?@@@ O2@@@@@? ?7@@@@@@@@@@@@@@@@@@@@@@@@@@@@@@@@@@@@@@@@@@@@@@@@@@@@@@@@@@@@@@)X @@@@@@@@H? J@@L ?3@@@@ ?@@@@@L? @@@@L? ?@@@@L ?7@@@@@@H? @@@@ ?@@@@@@? N@@@@@ @@@@ ?@@@@@@@@@@@@@@@@@@@@?eI4@@@@@@@@H?h?@@@@@@? ?@@@@@@@@@@@@@@@@@@5 ?V4@@@@@@?
O&@0Y? ?@@@@? ?W&@@@@@@@@?g?O2@@@@@@@@@@6KO&@@@H?h?V4@@@@@@@@@@@@@@? ?@@@f?O2@@@@@@@@@@@@@@? ?@@@@@@@@@@@@@@@@@@@@@@@@@@@@@@@@@@@@@@@@@@@@@@@@@@@@@@@@@@@@@@@@)X? @@@@@@@@ 7@@1 ?N@@@@ ?@@@@@1? 3@@@1? ?3@@@1 J@@@@@@5 @@@@ ?@@@@@@? ?@@@@@ @@@@ ?@@@@@@@@@@@@@@@@@@@@Lg@@@@@@he?@@@@@@? ?@@@@@@@@@@@@@@@@@@H
?@@@ ?@@@@L ?7@@@@@@@@@??O2@@@@@@@@@@@@@@@@@@@@@@@hf?I'@@@@@@@@@@@5? O2@@@@@@@@@@@@@@@@@@@@@@@@5? @@@@@@@@@@@@@@@@@@@@@@@@@@@@@@@@@@@@@@@@@@@@@@@@@@@@@@@@@@@@@@@@@@@@)K 3@@@@@@@ @@@@ @@@@ ?3@@@@@? N@@@@? ?N@@@@ 7@@@@@@H @@@@ ?@@@@@@? ?@@@@@ @@@@ ?@@@@@@@@@@@@@@@@@@@@1g@@@@@@heJ@@@@@@L ?W2@@@@@@@@@@@@@@@@@@@@?
J@@5 ?@@@@1 J@@@@@@@@@@@@@@@@@@@@@@@@@@@@@@@@@@@@@L?hfV4@@@@@@@@@(Y? O2@@@@@@@@@@@@@@@@@@@@@@@@@@@@@@0?40Y? ?J@@@@@@@@@@@@@@@@@@@@@@@@@@@@@@@@@@@@@@@@@@@@@@@@@@@@@@@@@@@@@@@@@@@@@@@? N@?@@@@@ ?W2@@@@@@@@6K? @@@@L? ?N@@@@@? ?@@@@? @@@@ @@@@@@@? 3@@@L? ?@@@@@@L ?3@@@@L? 3@@@ ?3@@@@@@@@@@@@@@@@@@@@L?e?J@@@@@5he7@@@@@@1 W&@@@@@@@@@@@@@@@@@@@@@?
?O&@(Y ?@@@@5 7@@@@@@@@@@@@@@@@@@0?'@@@@@@@@@@@@@@@@)K I'@@@@@@@H ?O2@@@@@@@@@@@@@@@@@@@@@@@@@@0M? ?7@@@@@@@@@@@@@@@@@@@@@@@@@@@@@@@@@@@@@@@@@@@@@@@@@@@@@@@@@@@@@@@@@@@@@@@L ?@@@@@@@L? O&@@@@@@@@@@@@ @@@@1? @@@@@? ?@@@@? @@@@ ?J@@@@@@5? N@@@1? ?3@@@@@1 ?N@@@@1? N@@@ ?N@@@@@@@@@@@@@@@@@@@@)Xe?7@@@@@Hhe@@@@@@@@ ?W&@@@@@@@@@@@@@@@@@@@@@@?
@@@(Y? ?@@@@H ?J@@@@@@@@@@@@@@@@0Me?V@@@@@@@@@@@@@@@@@@@6X?he?V'@@@@@@L ?O2@@@@@@@@@@@@@@@@@@@@@@@@@@@@@0Me?@@@ W2@@@@@@6Khe?O2@@@@@@@6K ?@@@@@@@@@@@@@@@@@@@@@@@@@@@@@@@@@@@@@@@@@@@@@@@@@@@@@@@@@@@@@@@@@@@@@@@@)X? ?@@@@@@@1? ?@@@@@@@@@@@@@@@L? @@@@@? @@@@@? ?@@@@? @@@@ ?7@@@@@(Y? ?@@@@? ?N@@@@@@ @@@@@? ?@@@ @@@@@@@@@@@@@@@@@@@@@1e?@@@@@@?he@@@@@@@@ ?*@@@@@@@@@@@@@@@@@@@@@@5?
?J@@0Y ?@@@@? ?7@@@@@@@@@(M?g?O2@@@@@?I4@@@@@@@@@@@@@)KhfN@@@@@@1 ?O2@@@@@@@@@@@@@@@@@@@@@@@@@@@@@@0M?hf?3@@ ?O&@@@@@@@@@6Kg?W2@@@@@@@@@@@@6X? ?@@@@@@@@@@@@@@@@@@@@@@@@@@@@@@@@@@@@@@@@@@@@@@@@@@@@@@@@@@@@@@@@@@@@@@@@@1? ?@@@@@@@@? J@@@@@@@@@@@@@@@1? @@@@@? @@@@@? ?@@@@L @@@@L? J@@@@@@H ?@@@@? @@@@@@ @@@@@? ?@@@ @@@@@@@@@@@@@@@@@@@@@@L??@@@@@@?he@@@@@@@@ ?N@@@@@@@@@@@@@@@@@@@@@@H?
O&(M ?@@@@? J@@@@@@@@@(Yf?W&?2@@@@@@@g?@@@@@@@@@@@6Khe?3@@@@@@ ?O2@@@@@@@@@@@@@@@@@@@@@@@@@@@@@@@0M ?N@@ ?W2@@@@@@@@@@@@@6XfW&@@@@@@@@@@@@@@)X ?@@@@@@@@@@@@@@@@@@@@@@@@@@@@@@@@@@@@@@@@@@@@@@@@@@@@@@@@@@@@@@@@@@@@@@@@@@? ?3@@@@@@@? 7@@@@@@@@@@@@@@@@L @@@@@? @@@@@L ?@@@@1 3@@@1? ?W&@@@@@5? ?@@@@? @@@@@@ @@@@@? ?@@@ @@@@@@@@@@@@@@@@@@@@@@1?J@@@@@@?h?J@@@@@@@@ @@@@@@@@@@@@@@@@@@@@@5
W2@(Y? ?3@@@L 7@@@@@@@@@H?fO&@@@@@@@@@@@@@@e?@@@@@@@@@@@@@6Kh?V'@@@@@L?he?O2@@@@@@@@@@@@@@@@@@@@@@@@@@@@@@@@@@0M? @@ W&@@@@@@@@@@@@@@@)X??W&@@@@@@@@@@@@@@@@)X? J@@@@@@@@@@@@@@@@@@@@@@@@@@@@@@@@@@@@@@@@@@@@@@@@@@@@@@@@@@@@@@@@@@@@@@@@@@? ?N@@@@@@@? ?J@@@@@@@@@@eI'@@@1 @@@@@? 3@@@@1 ?@@@@@ N@@@@? ?7@@@@@@H? ?3@@@? @@@@@@ 3@@@@L ?@@@L? @@@@@@0Mg?I'@@@@@@?7@@@@@@?h?7@@@@@@@@L? @@@@@@@@@@@@@@@@@@@@@H
7@@H ?N@@@1 @@@@@@@@@5fW2@@@@@@@@@@@@@@@@e?@@@@@@@@@@@@@@@6XhN@@@@@)?2@@@@@@@@@@@@@@@@@@@@@@@@@@@@@@@@@@@@@0M ?J@5 7@@@@@@@@@@@@@@@@@)KO&@@@@@@@@@@@@@@@@@@1? 7@@@@@@@@@@@@@@@@@@@@@@@@@@@@@@@@@@@@@@@@@@@@@@@@@@@0Mg?I4@@@@@@@@@@@@L @@@@@@@? W&@@@@@@@@@@f@@@@L? @@@@@? N@@@@@ ?3@@@@ ?@@@@? ?@@@@@@@ ?N@@@? @@@@@@ N@@@@1 ?@@@1? @@@@@?heN@@@@@@?@@@@@@5?h?@@@@@@@@@1? @@@@@@@@f?I'@@@@@@?
?J@@@? @@@@ @@@@@@@@@He?W&@@@@@@@@@@@@@@@@@@@@@@@@X?@@@@@@@@@@)X?g?@@@@@@@@@@@@@@@@@@@@@@@@@@@@@@@@@@0M? ?7@H @@@@@@@@@@@@@@@@@@@@@@@@@@@@@@@@@@@@@@@@@L ?J@@@@@@@@@@@@@@@@@@@@@0?4@@0M?I@M @@@@@@@@@1 @@@@@@@L ?O&@@@@@@@@@@@@6?&@@@@)K 3@@@@? ?@@@@@ ?N@@@@ ?@@@@L J@@@@@@5 @@@L @@@@@@ ?@@@@@ ?@@@@? @@@@@?he?@@@@@@@@@@@@@H?h?@@@@(Y@@@@? @@@@@@@@gN@@@@@@L
W&(M @@@@ ?J@@@@@@@@@?eO&@@@@@@@@@@@@@@@@@@@@@@@@@)X@@@@@@@@@@@)Kg?@@@@@@@@@@@@@@@@@@@@@@@@@0M ?@@L ?J@@@@@@@@@@@@@@@@@@@@@@@@@@@@@@@@@@@@@@@@@1 ?7@@@@@@@@@? @@@@@@@@@@ @@@@@@@1 ?@@@@@@@@@@@@@@@@??@@@@??'@@@@@@@@@@@@@@@@@@@@@@@@@@@@@@@@@@6X N@@@@? ?@@@@@ @@@@ ?@@@@@ 7@@@@@@H @@@1 3@@@@@L? ?@@@@@ ?@@@@? 3@@@@?he?@@@@@@@@@@@@@heJ@@@@H?@@@@? @@@@@@@@g?@@@@@@1
?W&(Y? @@@@L? ?7@@@@@@@?eW2@@@@@@@@@@@@@@@@@@@@@@@@@@@@@@@@@@@@@@@@@@6Kf?@@@@@@@@@@@@@@@@@0M ?@@1 W&@@@@@@@@@@@@@@@@@@@@@@@@@@@@@@@@@@@@@@@@@@L? ?@@@@@@@@@@? 3@@@@@@@@@ 3@@@@@@@ ?@@@@@@@@@@@@0M?h?V4@0MeI4@@@@@@@@@@@@@@@@@@@@@@@0?4@) ?@@@@? ?@@@@@ @@@@ ?@@@@? ?J@@@@@@5? @@@@ N@@@@@1? ?@@@@@ ?@@@@? N@@@@?he?@@@@@@@@@@@@@he7@@@@??@@@@? ?J@@@@@@@5g?@(Y@@@@
?&0Y @@@@1? J@@@@@@@@?e7@@@@@@@@@@@@@@@@@@@@@@@@@@@@@@@@@@@@@@@@@@@@@6Xe?3@@@@@@@@@@ ?@@@ 7@@@@@@@@@0MI4@@@@@@@@@@@@@@@@@@@@@@@@@@@@@@1? J@@@@@@@@@@? N@@@@@@@@@L? N@@@@@@@ I'@@@@@@@?@@@@@@@@@@(M ?@@@@L ?@@@@@ @@@@L? ?@@@@1 ?7@@@@@@H? @@@@ ?@@@@@@? ?@@@@@ ?@@@@? ?@@@@?he?@@@@@@@@@@@@5he@@@@5??3@@@L W&@@@@@@@Hg?(Y?@@@@L?
@@@@@? 7@@@@@@@@??J@@@@@@@@@@@@@@@@@@@@@@@@@@@@@@@@@@@@@@@@@@@@@@@1e?V'@@@@@@@@@ ?@@@ @@@@@@@(M?f?I'@@@@@@@@@@(M?f?I4@@@@@@@@L 7@@@@@@@@@@? ?@@@@@@@@@1? ?@@@@@@@ ?N@@@@@@@@@@@@@@@@@(Y? ?@@@@1 ?3@@@@L? 3@@@1? ?3@@@@ ?@@@@@@5 @@@@ ?@@@@@@? ?3@@@@L? ?@@@@? ?@@@@?he?3@@@@@@@@@@@Hhe@@@@H??N@@@1 7@@@@@@@@?he3@@@1?
3@@@@? @@@@@@@@@??7@@@@@@@@(M?@@@@@@@@@@@@@@@@@@@@@@@@@@@@@@@@@@@@@fN@@@@@@@@@ ?@@5 ?J@@@@@@(YhV'@@@@@@@@(Yh?I'@@@@@@1 @@@@@@@@@@@? ?3@@@@@@@@@? ?@@@@@@@ @@@@@@@@@@@@@@@@@H ?@@@@@ ?N@@@@1? N@@@@? ?N@@@@ J@@@@@@H @@@@L? ?@@@@@@? ?N@@@@1? ?@@@@L ?@@@@?he?N@@@@@@@@@@@?h?J@@@@f@@@@ ?J@@@@@@@@@?heN@@@@?
N@@@@? @@@@@@@@@??@@@@@@@@(Y?J@@@@@@@@@@@?@@@@@@@@@@@@@@@@@@@@@@@@@f?@@@@@@@@@L? ?@@H ?7@@@@@@H?h?N@@@@@@@@H?heN@@@@@@@ @@@@@@@@@@@L ?N@@@@@@@@@? ?@@@@@@@ ?I'@@@@@@@@@@@@@5? ?@@@@@ @@@@@? ?@@@@? @@@@L? 7@@@@@@? 3@@@1? ?@@@@@@? @@@@@? ?@@@@1 ?@@@@Lhf@@@@@@@@@@@?h?7@@@@f@@@@ ?7@@@@@@@@@?he?@@@@?
?@@@@? @@@@@@@@@??@@@@@@@@H?O&@@@@@@@@@@@?@@@@@@@@@@@@(M?I'@@@@@@@@L?e?3@@@@@@@@1? ?@@? ?@@@@@@@hf@@@@@@@@hf?@@@@@@5 ?J@@@@@@@@@@@1 3@@@@@@@@? ?@@@@@@@L? V4@@@@@@@@@@@(Y? ?@@@@@ @@@@@? ?@@@@? @@@@1? ?J@@@@@@5? N@@@@? ?@@@@@@? @@@@@? ?3@@@@ ?3@@@1hf@@@@@@@@@@@?h?@@@@@f@@@@L? ?@@@@@@@@@@?he?3@@@L
?@@@@L @@@@@@@@@??@@@@@@@@W2@@@@@@@@@@@@@@@@@@@@@@@@@@?e?N@@@@@@@@1?e?N@@@@@@@@5? J@@? ?@@@@@@5hf@@@@@@@@hf?3@@@@@H ?7@@@@@@@@@@@@ N@@@@@@@@L ?@@@@@@@1? I4@@@@@@@@(Y ?@@@@@ @@@@@? ?@@@@? @@@@@? ?7@@@@@(Y? ?@@@@? ?3@@@@@L @@@@@? ?N@@@@ ?N@@@@hf@@@@@@@@@@5?h?@@@@@f@@@@1? J@@@@@@@@@5?he?N@@@1
O2@@@@@@@@@6K? ?@@@@1 @@@@@@@@@@@@@@@@@@@@@@@@@@@@@@@@@@@@@@@@@@@@@@@1f3@@@@@@@@Lf@@@@@@@@H? 7@@? ?@@@@@@Hhf3@@@@@@5hf?N@@@@5? ?@@@@@@@@@@@@@ ?@@@@@@@@1 ?3@@@@@@@? ?I'@@@@0Y? ?@@@@@ @@@@@? ?@@@@L 3@@@@? J@@@@@@H ?@@@@? ?N@@@@@1 3@@@@? @@@@ @@@@hf3@@@@@@@@@H?h?@@@@5f@@@@@? 7@@@@@@@@@H?hf@@@@
?O2@@@@@@@@@@@@@@6K? ?3@@@@ @@@@@@@@@@@@@@@@@@@@@@@@@@@@@@@@@@@@@@@@@@@@@@@@fV'@@@@@@@1f@@@@@@@@ @@@? ?@@@@@@?hf?@@@@@@H @@@@H??@@@ ?@@@@@@@@@@@@@L? ?@@@@@@@@@L? ?N@@@@@@@? V4@0M? ?@@@@@ @@@@@L ?@@@@1 N@@@@? 7@@@@@@? ?@@@@? @@@@@@ N@@@@L @@@@ @@@@hfN@@@@@@@@@heJ@@@@Hf3@@@@? @@@@@@@@@@ @@@@
O26Xhf?W2@@@@@@@@@@@@@@@@@@6X? ?N@@@@ 3@@@@@@@@@@@@@@@@@@@@@@0M?e?I4@@@@@@@@@@@@@@@@@f?N@@@@@@@@L?e@@@@@@@@ @@@? ?@@@@@@Lhf@@@@@@@? @@@5 J@@@@@@@@@@@@@1? ?@@@@@@@@@1? @@@@@@@? ?3@@@@ 3@@@@1 ?@@@@@ ?@@@@? @@@@@@5? ?@@@@? @@@@@@ ?@@@@1 @@@@ @@@@hf?@@@@@@@@@he7@@@@?fN@@@@? @@@@@@@@@5 3@@@L?
@@@@@1hfO&@@@@@@@@@@@@@@@@@@@@)X @@@@ N@@@@@@@@@@@@@@@@@@@@0M?g?I4@@@@@@@@@@@@@@@g3@@@@@@@)?2@@@@@@@@@L? @@@? ?@@@@@@1hfN@@@@@@?hf?J@@@H 7@@@@@@@@@@@@@@? ?3@@@@@@@@@? @@@@@@@L ?N@@@@ N@@@@@ ?3@@@@ ?@@@@L ?J@@@@@@H? ?3@@@L @@@@@@ ?@@@@@ @@@@ O2@@@@@@@@@@@@@@@@6?2@@@@@6Xh3@@@hf?3@@@@@@@5h?J@@@@@?f?@@@@?hf?J@@@@@@@@@H N@@@1?
@@@@@@he?@@@@@@@@@@@@@@@@@@@@@@@@)X? 3@@@L? ?@@@@@@@@@@@@@@@@@@(M?hf@@@@@@@@@@@@@@L?fN@@@@@@@@@@@@@@@@@@@1? @@@? ?@@@@@@@hf?@@@@@@?hf?7@@@? @@@@@@@@@@@@@@@? ?V'@@@@@@@@? @@@@@@@1 @@@@ ?@@@@@ ?N@@@@ ?@@@@1 ?7@@@@@@ ?N@@@1 @@@@@@ ?@@@@@ @@@@ ?W2@@@@@@@@@@@@@@@@@@@@@@@@@@@@1hN@@@hf?N@@@@@@@Hh?7@@@@@?f?@@@@?hf?7@@@@@@@@@? ?@@@@?
@@@@@@heJ@@@@@@@@@@@@@@@@@@@@@@@@@)X N@@@1? ?@@@@@@@@@@@@@@@@@0Yhf?J@@@@@@@@@@@@@@1?f?3@@@@@@@@@@@@@@@@@@@? ?J@@@? ?3@@@@@@L?he?@@@@@5?hf?@@@@? @@@@@@@@@V'@@@@? N@@@@@@@@? ?W&?3@@@@@@@ @@@@ ?@@@@@ @@@@ ?@@@@@ J@@@@@@5 @@@@ @@@@@@ ?@@@@@L? @@@@ O&@@@@@@@@@@@@@@@@@@@@@@@@@@@@@@h?@@@ @@@@@@@?h?@@@@@5?f?@@@@Lhf?@@@@@@@@@@? ?@@@@?
@@@@@@h?W&@@@@@@@@@@@@@@@@@@@@@@@@@@)X? ?@@@@L ?3@@@@@@@@@@@@@@0M ?7@@@@@@@@@@@@@@@Lf?N@@@@@@@@@@@@@@@@@@@? ?7@@5? ?N@@@@@@)Khe?@@@@0Y?hfJ@@@@? ?J@@@@@@@@5?N@@@@L ?@@@@@@@@L ?7@?N@@@@@@@ @@@@ ?@@@@@ @@@@ ?@@@@@ 7@@@@@@H @@@@ @@@@@@ ?3@@@@1? @@@@ W2@@@@@@@@@@@@@@@@@@@@@@@@@@@@@@@@W26Xf?@@@ @@@@@@@?h?@@@@@H?f?3@@@1hf?@@@@@@@@@5? ?3@@@?
@@@@@@h?7@@@@@@@@@@@@@@@@@@@@@@@@@@@@1? ?3@@@1 ?N@@@@@@@@@@@@(M J@@@@@@@@@@@@@@@@1g3@@@@@@@@@@@@@@@@@5? ?@@@H? @@@@@@@@6K ?O&@@@5? ?7@@@@@@@@H??@@@@1 ?3@@@@@@@1 ?@@??@@@@@@@ @@@@L? ?@@@@@ @@@@L? ?3@@@@ ?J@@@@@@5? @@@@ @@@@@@L? ?N@@@@@? 3@@@ ?W&@@@@@@@@@@@@@@@@@@@@@@@@@@@@@@@@@@@@1f?@@@ @@@@@@@?h?@@@@@g?N@@@@hfJ@@@@@@@@@H? ?N@@@?
@@@@@@hJ@@@@@@@@@@@0MfI4@@@@@@@@@@@? ?N@@@@L? @@@@@@@@@@@@H? 7@(Y@@@@@@@@@@@@@@L?fN@@@@@@@@@@@@@@@@@H? ?@@@ @@@@@@@@@@@@ ?O2@@@@@H? ?@@@@@@@@@e?@@@@@ @@@@@@@@ ?@@??@@@@@@@ @@@@1? ?3@@@@L? @@@@1? ?N@@@@ ?7@@@@@@H? @@@@L? 3@@@@@1? @@@@@? N@@@ O&@@@@@@@@@@@@@@@@@@@@@@@@@@@@@@@@@@@@@5f?@@@L?hf@@@@@@@?h?@@@@5h@@@@hf7@@@@@@@@@ @@@L
@@@@@@h7@@@@@@@@0M?hI4@@@@@@@@@? @@@@1? 3@@@@@@@@@@@ @@H?3@@@@@@@@@@@@@1?f?3@@@@@@@@@@@@@@@@ J@@@ 3@@@@@@@@@@@ W2@@@@@@@@ ?@@@@@@@@@e?@@@@@ ?7@@@@@@@@L? ?@@??@@@@@@@L? @@@@@? ?N@@@@1? 3@@@@? @@@@ ?@@@@@@5 @@@@1? N@@@@@5? @@@@@? ?@@@ W2@@@@@@@@@@@@@@@@@@@@@@@@0MeI'@@@@@@@@@Hf?@@@1?he?J@@@@@@@?hJ@@@@Hh@@@@hf@@@@@@@@@@ 3@@1
@@@@@@h@@@@@@@(M?hfI'@@@@@@@L 3@@@@? N@@@@@@@@@@@L? ?J@@eV'@@@@@@@@@@@@@?f?N@@@@@@@@@@@@@@@5 7@@5 V'@@@@@@@@@@ 7@@@@@@@@@ ?@@@@@@@@@e?3@@@@L? ?@@@@@@@@@1? J@@??3@@@@@@1? @@@@@? @@@@@? N@@@@? @@@@L? ?@@@@@@H @@@@@? ?@@@@@ @@@@@? ?@@@ ?O&@@@@@@@@@@@@@@(M?hf?N@@@@@@@@@?f?@@@@?he?7@@@@@@5?h7@@@@?h@@@@hf@@@@@@@@@@ N@@@
@@@@@@h@@@@@@@H ?V'@@@@@@1 N@@@@L ?3@@@@@@@@@@)X W&@@e?N@@@@@@@@@@@@@?g3@@@@@@@@@@@@@@H @@@H ?N@@@@@@@@@@ @@@@@@@@@@ J@@@@@@@@5e?N@@@@1? ?@@@@@@@@@@? 7@@??N@@@@@@@? @@@@@? @@@@@? ?@@@@? @@@@1? W2@@@@@@@? 3@@@@? ?@@@@@1? 3@@@@L ?@@@ O2@@@@@@@@@@@@@@@(Y@@@@H @@@@@@@@5?f?@@@@?he?@@@@@@@H?h@@@@@?h@@@@hf@@@@@@@@@@ ?@@@L?
@@@@@@h@@@@@@5? N@@@@@@@ ?@@@@1 ?V'@@@@@@@@@@)X?hf7@@@f3@@@@@@@@@@@@?gN@@@@@@@@@@@@@5? ?J@@@? 3@@@@@@@@@ @@@@@@@@@5 7@@@@@@@@Hf@@@@@? ?3@@@@@@@@@? @@@?e@@@@@@@L @@@@@? @@@@@? ?@@@@? @@@@@? 7@@@@@@@@? N@@@@? ?@@@@@@? N@@@@1 ?@@@L? ?W2@@@@@@@@@@@@@@@@@@@@@@@@@@@@@@@@@@@(Y?@@@@?e?O2@@@@@6Xf@@@@@@@@H?f?3@@@?he?@@@@@@@he@@@@5?h@@@@L?h?J@@@@@@@@@5 ?@@@1?
@@@@@@h@@@@@@H? ?3@@@@@@ ?3@@@@ V'@@@@@@@@@@)Khe?J@@@@fN@@@@@@@@@@@@?g?@@@@@@@@@@@@@H? ?7@@@? V'@@@@@@@@ @@@@@@@@(Y @@@@@@@@@?f@@@@@? ?N@@@@@@@@@? @@5?e@@@@@@@1 @@@@@? @@@@@? ?@@@@? @@@@@? @@@@@@@@5? ?@@@@? ?@@@@@@? ?@@@@@ ?@@@1? ?7@@@@@@@@@@@@@@@@@@@@@@@@@@@@@@@@@@@(Y?J@@@5??W2@@@@@@@@1f@@@@@@@@g?N@@@?heJ@@@@@@@h?J@@@@H?h3@@@1?h?7@@@@@@@@@H ?@@@@?
@@@@@@h@@@@@@ ?N@@@@@@ ?N@@@@ ?N@@@@@@@@@@@@6Kh?7@@@@f?3@@@@@@@@@@@?g?@@@@@@@@@@@@5 J@@@5? ?V4@@@@@@@ @@@@@@@(Y? ?J@@@@@@@@@?f3@@@@L @@@@@@@@@L ?J@@H?e3@@@@@@@ @@@@@? @@@@@? ?@@@@L 3@@@@?hf?J@@@@@@@@H? ?@@@@? ?3@@@@@? ?@@@@@ ?@@@@? ?@@@@@@@@@@@@@@@@@@@@@@@@@@@@@@@@@@@0Ye7@@@H??7@@@@@@@@@@f@@@@@@@5h@@@?he7@@@@@@@h?7@@@@heN@@@@?h?@@@@@@@@@@? ?@@@@?
@@@@@@h@@@@@@ @@@@@@ @@@@L? 3@@@@@@@@@@@@@@@g?@@@@5f?N@@@@@@@@@@@?g?@@@@@@@@@@@@H 7@@@H? ?I4@@@@@ @@@@@@@H ?7@@@@@@@@@?fN@@@@1 @@@@@@@1 ?7@@fN@@@@@@@ @@@@@? @@@@@? ?3@@@1 N@@@@?hf?7@@@@@@@@ ?@@@@L ?N@@@@@? ?@@@@@ ?@@@@? ?@@@@@@@@@@@@@@@@@@@@@@@@@@@@@@@@@(Mf@@@@e?@@@@@@@@@@5f@@@@@@@Hh@@@Lhe@@@@@@@5h?@@@@@he?@@@@?h?@@@@@@@@@@? ?3@@@L
@@@@@@h@@@@@@ ?J@@@@@@ 3@@@1? V'@@@@@@@@@@@@@@W2@@6K?@@@@Hg3@@@@@@@@@@?g?@@@@@@@@@@@5? @@@@ @@@@@@@? ?@@@@@@@@@5?f?@@@@@ 3@@@@@@@ ?@@@f?@@@@@@@ @@@@@? @@@@@L ?N@@@@ ?@@@@?hf?@@@@@@@@@ ?@@@@1 @@@@@L ?@@@@@ ?@@@@? J@@@@@@@@@@@@@@@@@@@@@@@@@@@@@@@@@H?f@@@@e?3@@@@@@@@@Hf@@@@@@@?h@@@1h?J@@@@@@@Hh?@@@@@he?@@@@Lh?@@@@@@@@@@? ?N@@@1
@@@@@@h@@@@@@ ?7@@@@@@ N@@@@L ?V'@@@@@@@@@@@@@@@@@@@@@@@5?gN@@@@@@@@@@?g?@@@@@@@@@@(Y? @@@5 @@@@0M ?@@@@@@@@@H?f?@@@@@L? N@@@@@@@ ?@@@f?@@@@@@@ @@@@@? 3@@@@1 @@@@ ?@@@@LhfJ@@@@@@@@5 ?@@@@@ @@@@@1 ?@@@@@L? ?@@@@? 7@@@@@@@@@@@@@@@@@@@@@@@@@@@@@@@@@g@@@@e?V'@@@@@@@@?e?J@@@@@@@?h@@@@h?7@@@@@@@?hJ@@@@5he?@@@@1hJ@@@@@@@@@5? @@@@L?
@@@@@@h3@@@@@ J@@@@@@5 ?3@@@)X? V'@@@@@@@@@@@@@@@@(Y@@@@H?gJ@@@@@@@@@5?gJ@@@@@@@@@(Y ?J@@@H ?@@@@@@@@5g?3@@@@1? ?@@@@@@@ ?@@@f?@@@@@@@L? @@@@@L N@@@@@ @@@@ ?@@@@1hf7@@@@@@@(Y ?3@@@@ @@@@@@ ?@@@@@1? ?@@@@? @@@@@@ ?W@@@@@@@@@@g?J@@@@fV4@@@@0Mf?7@@@@@@@?h3@@@h?@@@@@@@@?h7@@@@Hhe?@@@@@h7@@@@@@@@@H? 3@@@1?
@@@@@@hN@@@@@L? 7@@@@@@H ?N@@@@1? ?V'@@@@@@@@@@@@@@@H?@@@5g?O&@@@@@@@@@H?f?W&@@@@@@@@@H? ?7@@@? J@@@@@@@@Hg?N@@@@@? ?@@@@@@@ ?@@5f?@@@@@@@1? @@@@@1 ?@@@@@ @@@@ ?3@@@@he?J@@@@@@@@H? ?N@@@@ @@@@@@ ?3@@@@@? ?@@@@? @@@@@5 ?7@@@@@@@@@@g?7@@@@ J@@@@@@@@?h?@@@L?gJ@@@@@@@@?h@@@@@?he?3@@@@h@@@@@@@@@@ N@@@@?
@@@@@@L?g?@@@@@)K @@@@@@@? 3@@@@? V'@@@@@@@@@@@@@@e@@@Hf?O2@@@@@@@@@@@gO&@@@@@@@@@5 ?@@@5? 7@@@@@@@@?h@@@@@? J@@@@@@@ J@@Hf?@@@@@@@@? 3@@@@@ ?@@@@@ @@@@ ?N@@@@he?7@@@@@@@5 @@@@ @@@@@@ ?N@@@@@? ?@@@@? @@@@@H ?@@@@@@@@@@@gJ@@@@@ ?O&@@@@@@@5?h@@@@1?g7@@@@@@@@?h@@@@5?he?N@@@@h@@@@@@@@@@ ?@@@@?
@@@@@@)KgJ@@@@@@@@?he?O2@@@@@@@@? N@@@@L ?V'@@@@@@@@@@@@@@@@@@?O2@@@@@@@@@@@@@@@@fW2@@@@@@@@@@(Y ?@@@H? @@@@@@@@5?h@@@@@L 7@@@@@@@L? 7@@?f?@@@@@@@@? N@@@@@ ?@@@@@ @@@@L? @@@@he?@@@@@@@@H @@@@ @@@@@@ @@@@@? ?@@@@? @@@@@?hf?@@@@@@@@@@@@@f?O&@@@@@@@@@@@@@@@@@@@@@@@@@@@@@H?hN@@@@?g@@@@@@@@@Lg?J@@@@H?hf@@@@h@@@@@@@@@5 ?3@@@?
@@@@@@@@@@@@6?&@@@@@@@@Lh?O2@@@@@@@@@5? ?3@@@1 V'@@@@@@@@@@@@@@@@@@@@@@@@@@@@@@@@@@@@e?O&@@@@@@@@@@(Y? J@@5 ?J@@@@@@@@H?h3@@@@1 @@@@@@@@1? @@@?f?3@@@@@@@? ?@@@@@ ?@@@@@ 3@@@1? @@@@heJ@@@@@@@@? @@@@ @@@@@@ 3@@@@? ?@@@@? ?J@@@@@?hfJ@@@@@@@@@@@@@e?W2@@@@@@@@@@@@@@@@@@@@@@@@@@@@@@5he?@@@@?g3@@@@@@@@1g?7@@@@ @@@@g?J@@@@@@@@@H ?N@@@L
@@@@@@@@@@@@@@@@@@@@@@@1h@@@@@@@@@@@(Y? ?N@@@@L? ?V4@@@@@@@@@@@@@@@@@@@@@@@@@@@@@@@@@@@?O2@@@@@@@@@@@(Y ?W&@@H ?7@@@@@@@@heN@@@@@ @@@@@@@@@? @@5?f?N@@@@@@@? ?@@@@@ ?@@@@@L? N@@@@? @@@@he7@@@@@@@5? @@@@ 3@@@@@ N@@@@L ?@@@@? ?7@@@@5?he?W&@@@@@@@@@@@@@L?W&@@@@@@@@@@@@@@@@@@@@@@@@@@@@@@0Yhe?@@@@?gV'@@@@@@@@gJ@@@@@ @@@@L?f?7@@@@@@@@5? @@@1
?J@@@@@@@@@@@@@@@@@@@@@@@@g?J@@@@@@@@@@@H 3@@@1? ?I'@@@@@@@@@@@@@@@@@@@@@@@@@@@@@@@@@@@@@@@@@@@@@@0Y? ?7@@5? ?@@@@@@@@@he?@@@@@ 3@@@@@@@@L ?J@@H?g@@@@@@@? ?@@@@@ ?3@@@@1? ?@@@@? 3@@@h?J@@@@@@@@H? 3@@@L? N@@@@@L? ?@@@@1 ?@@@@? ?@@@@@H?he?7@@@@@@@@@@@@@@)?&@@@@@@@(M I40Mhf?@@@@?g?N@@@@@@@@g7@@@@@ 3@@@1?f?@@@@@@@@@H? @@@@
?7@@@@@@@@@@@@@@@@@@@@@@@5g?7@@@@@@@@@@5? N@@@@L V4@@@@@@@@@@@@@@@@@@@@@@@@@@@@@@@@@@@@@@@@@@@(M? J@@@H? ?@@@@@@@@5he?@@@@@ N@@@@@@@@1 ?7@@h@@@@@@@L ?@@@@@ ?N@@@@@? ?@@@@? N@@@L?g?7@@@@@@@@ N@@@1? ?@@@@@1? ?@@@@@ ?@@@@? ?@@@@@hf?@@@@@@@@@@@@@@@@@@@@@@@@(Y? ?3@@@?h@@@@@@@@g@@@@@5 N@@@@?fJ@@@@@@@@@ 3@@@L?
?@@@@@@@@@@@@@@@@@@@@@@@@Hg?@@@@@@@@@@(Y? ?3@@@1 I4@@@@@@@@@@@@@@@@@@@@@@@@@@@@@@@@@@@@@@@H 7@@5 J@@@@@@@@Hhe?3@@@@L? ?@@@@@@@@@ ?@@@h@@@@@@@1 ?@@@@@ @@@@@? ?@@@@? ?@@@1?g?@@@@@@@@5 ?@@@@? ?@@@@@@? ?@@@@@ ?@@@@? J@@@@@hf?@@@@@@@@@@@@@@@@@@@@@@@(Y ?N@@@?h3@@@@@@@g@@@@@H ?@@@@?f7@@@@@@@@@ N@@@1?
?@@@@@@@@@@@@@@@@@@@@@@@@?g?@@@@@@@@@(Y ?N@@@@L? I'@@@@@@@@@@@@@@@@@@@@@@@@@@@@@@@@@@@@5? ?J@@@H 7@@@@@@@@?he?N@@@@1? ?@@@@@@@@@ ?@@5h@@@@@@@@ ?@@@@@ @@@@@? ?@@@@? ?@@@@?g?@@@@@@@@H ?@@@@? ?@@@@@@? ?@@@@@ ?@@@@L 7@@@@@hf?3@@@@@@@@@@@@@@@@@@@@@(Y? @@@LhN@@@@@@@g@@@@@? ?@@@@?e?J@@@@@@@@@@ ?@@@@?
?3@@@@@@@@@@@@@@@@@@@@@@@?g?@@@@@@@@0Y? 3@@@)X ?N@@@@@@@@@@@@@@@@@@@@@@@@@@@@@@@@@@@0Y? ?7@@5? @@@@@@@@@?hf@@@@@? ?3@@@@@@@@L? J@@Hh3@@@@@@@ ?@@@@@ @@@@@? ?@@@@? ?@@@@?gJ@@@@@@@@? ?@@@@L ?@@@@@@? ?3@@@@L? ?@@@@1 @@@@@5hf?V'@@@@@@@@@@@@@@@@@@@(Y @@@1h?@@@@@@@L?e?J@@@@5? ?@@@@Le?7@@@@@@@@@@ ?@@@@?
?V4@@@@@@@@@@@@@@@@@@@@@@?g?@@@@@@0M? V'@@@1 @@@@@@@@@@@@@@@@@@@@@@@@@@@@@@@? J@@@H? @@@@@@@@5?hf3@@@@? ?N@@@@@@@@1? 7@@?hN@@@@@@@ ?3@@@@ @@@@@? ?@@@@L ?@@@@?g7@@@@@@@5? ?@@@@1 ?3@@@@@? ?N@@@@)X ?@@@@@ 3@@@@? V4@@@@@@@@@@@@@@@@@(Y? @@@@h?@@@@@@@1?e?7@@@@H? ?3@@@1eJ@@@@@@@@@@5 ?@@@@?
?@@@@0M? ?N@@@@L? @@@@@@@@@@@@@@@@@@@@@@@@@@@@@@5? ?W&@@5 ?J@@@@@@@@H?hfN@@@@L @@@@@@@@@? @@@?h?@@@@@@@ O2@@@@@@@@@@@@@@@@@@6K ?N@@@@ @@@@@L ?3@@@1 ?@@@@Lg@@@@@@@(Y? ?@@@@@ ?N@@@@@L @@@@@1 ?@@@@@ N@@@@)K? ?@@@@@@@@@@@@@@@0Y @@@@h?@@@@@@@@?e?@@@@@ ?N@@@@e7@@@@@@@@@@H ?@@@@?
@@@@)X @@@@f?I4@@@@@@@@@@@@@@@@@@0Y? ?7@@@H ?7@@@@@@@@ ?@@@@1 3X@@@@@@@? @@@?h?@@@@@@@L? ?O2@@@@@@@@@@@@@@@@@@@@@@@@@@@@@@@6K @@@@L? @@@@@1 ?N@@@@ ?@@@@1g@@@@@@@H ?3@@@@ @@@@@1 @@@@@@ ?3@@@@ ?3@@@@@@@@@@@@6K?O2@@@@@@@@@@@@@@@@@(M @@@@h?3@@@@@@@?eJ@@@@@ @@@@L?@@@@@@@@@@@? ?3@@@L
3@@@@)X? @@@5heI40M ?@@@@? ?@@@@@@@@@ ?@@@@@ N@@@@@@@@L @@5?h?@@@@@@@1? O2@@@@@@@@@@@@@@@@@@@@@@@@@@@@@@@@@@@@6K @@@@1? 3@@@@@ @@@@ ?3@@@@g@@@@@@5? ?N@@@@ @@@@@@ @@@@@@ ?N@@@@ ?V'@@@@@@@@@@@@@@@@@@@@@@@@@@@@@@@@0Y? 3@@@L?g?N@@@@@@@?e7@@@@@ @@@@)X@@@@@@@@@@@? ?N@@@1
V'@@@@1? @@@H ?@@@5? J@@@@@@@@@ ?3@@@@L? ?@@@@@@@@1 @@H?h?@@@@@@@@? ?O2@@@@@@@@@@@@@@@@@@@@@@@@@@@@@@@@@@@@@@@@@@@6K @@@@@? N@@@@@ @@@@ ?N@@@@f?J@@@@@@H? @@@@ @@@@@@ 3@@@@@ @@@@ N@@@@@@@@@@@@@@@@@@@@@@@@@@@@@@(M? N@@@1?h@@@@@@@?e@@@@@@ @@@@@@@@@@@@@@@@5? @@@@
?V'@@@@L ?J@@@? ?@@@@(Y? 7@@@@@@@@5 ?N@@@@1? ?@@@@@@@@@ ?J@@he?@@@@@@@@? ?O2@@@@@@@@@@@@@@@@@@@@@@@@@@@@@@@@@@@@@@@@@@@@@@@6K @@@@@? ?@@@@@ @@@@ @@@@f?7@@@@@@ @@@@L? @@@@@@ N@@@@@ @@@@ ?@@@@@@@@@@@@@@@@@@@@@@@@@@@@@(Y ?@@@@?h@@@@@@@Le@@@@@5 3@@@@@@@@@@@@@@@H? 3@@@L?
V'@@@1 ?7@@@? J@@@@H @@@@@@@@@H @@@@@? ?@@@@@@@@@ ?7@@he?3@@@@@@@? ?O2@@@@@@@@@@@@@@@@@@@@@@@@@@@@0?4@@@@@@@@@@@@@@@@@@@@@@6X @@@@@? ?@@@@@ @@@@L? @@@@fJ@@@@@@@ @@@@@? @@@@@@ ?@@@@@ @@@@ I4@@@@@@@@0Mf?I@?@Y@@@@@@H? ?@@@@?h@@@@@@@1e@@@@@H N@@@@@@@@@@@@@@@ N@@@1?
?@@@@@@? ?N@@@@L? ?@@@5? ?W&@@@5? @@@@@@@@@? 3@@@@? W@@@@@@@ ?@@@he?N@@@@@@@L ?O2@@@@@@@@@@@@@@@@@@@@@0M I4@@@@@@@@@@@@@@@@@)X? @@@@@? ?@@@@@ @@@@1? @@@@L?e7@@@@@@5 @@@@ @@@@@@ ?@@@@@L? @@@@ 3@@@@@ ?@@@@?h3@@@@@@@e@@@@@? ?@@@@@@@@@@@@@@@ ?@@@@?
?@@@@@@L 3@@@)X ?@@@H? W&@@@(Y? ?J@@@@@@@@@? N@@@@L 7@@@@@@@ ?@@@hf@@@@@@@1 ?O2@@@@@@@@@@@@@@@@@0M ?I4@@@@@@@@@@@)X @@@@@? ?@@@@@L? 3@@@@? @@@@1?e@@@@@@@H 3@@@1? @@@@@@L? ?@@@@@1? @@@@ N@@@@@ ?@@@@LhN@@@@@@@?J@@@@@? ?@@@@@@@@@@@@@@@ ?3@@@?
?@@@@@@1 V'@@@)X? ?@@5 7@@@@H ?7@@@@@@@@@? ?@@@@1 @@@@@@@@L? ?@@5hf@@@@@@@@ ?W2@@@@@@@@@@@@@@@0M I'@@@@@@@)X? @@@@@? ?@@@@@1? N@@@@? 3@@@@??J@@@@@@@? N@@@@? 3@@@@@1? ?3@@@@@? @@@@ ?@@@@@ ?3@@@1h?@@@@@@@W&@@@@5? ?@@@@@@@@@@@@@@5 ?N@@@?
J@@@@@@@L? ?V'@@@1? ?@@H ?J@@@@5? ?@@@@@@@@@5? ?@@@@@ @@@@@@@@1? ?@@Hhf@@@@@@@@ W&@@@@@@@@@@@0M? ?V'@@@@@@@)K 3@@@@L ?@@@@@@? ?@@@@? N@@@@??7@@@@@@@? ?@@@@? N@@@@@@? ?N@@@@@? @@@@ ?@@@@@ ?N@@@@h?@@@@@@@@@@@@@H? ?@@@@@@@@@@@@@@H @@@L
?O&@@@@@@@)K V'@@@L J@@? W&@@@(Y? ?@@@@@@@@@H? ?@@@@@ @@@@@@@@@? J@@?hf@@@@@@@@ ?W&@@@@@@@@@@0M? V'@@@@@@@@6X N@@@@1 ?3@@@@@? ?@@@@? ?@@@@??@@@@@@@@? ?@@@@? ?@@@@@@? @@@@@? 3@@@ ?@@@@@ @@@@h?@@@@@@@@@@@@@ ?@@@@@@@@@@@@@@? @@@1
O2@@@@@@@@@@@@@@@@@@@@@@@@@@@@@@@@@@@@6X ?V'@@)X? 7@@? ?W&@@@@H ?@@@@@@@@@ ?3@@@@ 3@@@@@@@@? 7@@?hf3@@@@@@@L? W&@@@@@@(M ?V4@@@@@@@@)X? ?@@@@@ ?N@@@@@? ?@@@@? ?@@@@??@@@@@@@@? ?@@@@? ?@@@@@@? @@@@@L N@@@ ?3@@@@ @@@@h?@@@@@@@@@@@@@ ?3@@@@@@@@@@@@@? 3@@@
?W2@@@@@@@@@@@@@@@@@@@@@@@@@@@@@@@@@@@@@@@@@@1 V'@@1? ?J@@5? ?7@@@@5? J@@@@@@@@@ ?N@@@@L? N@@@@@@@@L @@5?hfN@@@@@@@1? ?O&@@@@@@0Y? ?I'@@@@@@@)X ?@@@@@ @@@@@? ?@@@@L ?@@@@@@@@@@@@@@? ?@@@@L ?@@@@@@? @@@@@1 ?@@@L? ?N@@@@L? @@@@h?@@@@@@@@@@@@@ ?N@@@@@@@@@@@@@? N@@@
?7@@@@@@@@@@@@@@@@@@@@@@@@@@@@@@@@@@@@@@@@@@@@ ?V'@@? ?7@@H? ?@@@@(Y? 7@@@@@@@@5 @@@@1? ?@@@@@@@@1 @@H?hf?@@@@@@@@? ?W2@@@@@@(M? V'@@@@@@@)K? ?@@@@@ @@@@@? ?@@@@1 ?@@@@@@@@@@@@? ?@@@@1 ?@@@@@@? @@@@@@ ?@@@1? @@@@1? 3@@@L?g?3@@@@@@@@@@@5 @@@@@@@@@@@@@? ?@@@L?
?@@@@@@@@@@@@@@@@@@@@@@@@@@@@@@@@@@@@@@@@@@@@@ N@@@6X ?@@@ W2@@@@@H @@@@@@@@@H 3@@@@? ?@@@@@@@@@ ?J@@ ?@@@@@@@@? W&@@@@@@(Y ?@6X ?V'@@@@@@@@6X? ?@@@@@ 3@@@@? ?@@@@@ ?@@@@@@@@@@@5? ?3@@@@ ?@@@@@@? @@@@@@ ?@@@@? @@@@@? N@@@1?g?N@@@@@@@@@@@H @@@@@@@@@@@@5? ?@@@1?
?@@@@@@@@@@@@@@@@@@@@@@@@@@@@@@@@@@@@@@@@@@@@@ ?3@@@1 J@@@ ?W&@@@@@5? @@@@@@@@@? N@@@@L ?@@@@@@@@@L? ?7@@ ?@@@@@@@@? ?W&@@@@@@(Y? ?@@1 V'@@@@@@@@)X ?@@@@@ N@@@@? ?3@@@@ ?3@@@@@@@@@@H? ?N@@@@ ?@@@@@@L 3@@@@@ ?@@@@? @@@@@? ?@@@@?h@@@@@@@@@@@? ?J@@@@@@@@@@@@H? ?3@@@?
?@@@@@@@@@@@@@@@@@@@@@@@@@@@@@@@@@@@@@@@@@@@@@ ?V'@@@L? 7@@@ ?7@@@@@(Y? ?J@@@@@@@@@? ?@@@@1 ?3@@@@@@@@1? ?@@@ ?3@@@@@@@? W&@@@@@@(Y ?@@@L? ?V4@@@@@@@@)X? ?@@@@@ ?@@@@L ?N@@@@ ?N@@@@@@@@@@ @@@@ ?@@@@@@1 N@@@@@ ?@@@@? @@@@@? ?@@@@?h@@@@@@@@@@@??O2@@@@@@@@@@6K?fO&@@@@@@@@@@@@ ?N@@@?
?@@@@@@@@@@@@@@@@@@@@@@@@@@@@@@@@@@@@@@@@@@@@5 V'@@)X @@@5 J@@@@@(Y ?7@@@@@@@@5? ?@@@@@ ?N@@@@@@@@@Lh?W2@@@6K ?@@@ ?N@@@@@@@L ?W&@@@@@@(Y? ?3@@1? ?I'@@@@@@@)X ?@@@@@ ?@@@@1 @@@@ @@@@@@@@@@ @@@@ ?@@@@@@@ ?@@@@@ ?3@@@? @@@@@? ?@@@@?h@@@@@@@@@@@@@@@@@@@@@@@@@@@@@@@@@@@@@@@@@@@@@5 @@@L
?@@@@@@@@@@@@@@@@@@@@@@@@@@@@@@@@@@@@@@@@@@@0Y ?V'@@)X? @@@H ?W&@@@@@H? ?@@@@@@@@@H? ?3@@@@L? @@@@@@@@@1hW&@@@@@@@@@@@@@@@@@@@@@@@@@@@@@@@6?@K?eO26XfO26XfW2@@@@@@@@@@@@6?2@@6?2@@@@@6?@KO2@@@@@6KO2@@@@@@ @@@@@@@1 ?7@@@@@@@H ?N@@@L V'@@@@@@@)X? ?@@@@@ ?@@@@@ @@@@ @@@@@@@@@@ @@@@ ?3@@@@@@ ?@@@@@ ?N@@@? @@@@@? ?@@@@?h@@@@@@@@@@@@@@@@@@@@@@@@@@@@@@@@@@@@@@@@@@@@@H @@@1
?@@@@@@@@@@@@@0Mhe?I'@@@@@@@(M V4@@)X @@@? W&@@@@@5 ?@@@@@@@@@ ?N@@@@1? @@@@@@@@@@g?O&@@@@@@@@@@@@@@@@@@@@@@@@@@@@@@@@@@@@@@@@@@1e?@@@@1f7@@@@@@@@@@@@@@@@@@@@@@@@@@@@@@@@@@@@@@@@@@@@@@@ @@@@@@@@ ?@@@@@@@5? @@@1 ?V'@@@@@@@1? ?3@@@@ ?@@@@@ @@@@ @@@@@@@@@5 @@@@L? ?N@@@@@@ ?3@@@@L? @@@? 3@@@@? ?3@@@?h@@@@@@@@@@@@@@@@@@@@@@@@@@@@@@@@@@@@@@@@@@@@@? @@@@
?3@@@@@@@@@@ N@@@@@@@H? ?@@1 ?J@@5? ?W&@@@@@(Y J@@@@@@@@@ @@@@@? @@@@@@@@@@L?f@@@@@@@@@@@@@@@@@@@@@@@@@@@@@@@@@@@@@@@@@@@@@@e?@@@@@f@@@@@@@@@@@@@@@@@@@@@@@@@@@@@@@@@@@@@@@@@@@@@@@5 @@@@@@@@ ?@@@@@@@@(Y? 3@@5 V'@@@@@@@L ?N@@@@ ?@@@@@ @@@@L? @@@@@@@@@H 3@@@1? @@@@@@ ?N@@@@1? @@@? N@@@@? ?N@@@?h@@@@@@@@@@@@@@@@@@@@@@@@@@@@@@@@@@@@@@@@@@@@@? 3@@@
?N@@@@@@@@@@L? ?@@@@@@@ ?3@@ ?'@@H? W&@@@@@(Y? 7@@@@@@@@@ @@@@@? 3@@@@@@@@@1?f@@@@@@@@@@@@@@@@@@@@@@@@@@@@@@@@@@@@@@@@@@@@@@hf@@@@0M I4@@@@0Y 3@@@@@@@ J@@@@@@@(Y N@@H ?V'@@@@@@)X? @@@@L? ?@@@@@ @@@@1? @@@@@@@@@? N@@@@? @@@@@@ @@@@@? @@@? ?@@@@L @@@?h3@@@@@@@@@@@@@@@@@@@@@@@@@@@@@@@@@@@@@@@@@@@@? N@@@
3@@@@@@@@@)K ?@@@@@@@ ?V4@@@ ?V4@ ?W&@@@@@(Y @@@@@@@@@5 3@@@@? N@@@@@@@@@@?e?J@@@@@@@0M? N@@@@@@@ ?W&@@@@@@(Y? ?@@? V'@@@@@@1? @@@@1? ?@@@@@L? 3@@@@? 3@@@@@@@@? ?@@@@? @@@@@@ @@@@@? @@@L ?@@@@1 @@@?hV'@@@@@@@@@@@@@@@@@@@@@@@@@@@@@@@@@@@@@@@@@@@? ?@@@L?
V4@@@@@@@@@@6Khf?@@@@@@@ ?I'@ W&@@@@@(Y? @@@@@@@@@H N@@@@? ?@@@@@@@@@@?e?7@@@@ ?@@@@@@@L? W&@@@@@@(Y ?3@L ?V4@@@@@@L @@@@@? ?@@@@@1? N@@@@? N@@@@@@@@? ?@@@@? @@@@@@ @@@@@? @@@1 ?@@@@@ @@@Lh?V'@@@@@@@@@@@@@@@@@@@@@@@@@@@@@@@@@@@@@@@@@@? ?@@@1?
I'@@@@@@@@@@6Xhe?@@@@@@@ V'@@ ?O&@@@@@0Y ?J@@@@@@@@@? ?@@@@L ?@@@@@@@@@@?eJ@@@@@ ?@@@@@@@1? 7@@@@@@(Y? ?N@1 ?I'@@@@)X? @@@@@? ?3@@@@@? ?@@@@? ?@@@@@@@@? ?@@@@? @@@@@@ 3@@@@L @@@5 ?@@@@@ @@@1heN@@@@@@@@@@@@@@@@@@@@@@@@@@@@@@@@@@@@@@@@@5? ?@@@@?
?V4@@@@@@@@@@)K?h?@@@@@@@ ?V4@L? ?W2@@@@@@? ?7@@@@@@@@5? ?@@@@1 ?@@@@@@@@@@Le7@@@@@ ?@@@@@@@@? ?J@@@@@@(Y @@ V'@@@@1? @@@@@? ?N@@@@@? ?@@@@L ?@@@@@@@@? ?@@@@? 3@@@@@L? N@@@@1 ?J@@@H ?3@@@@ @@@@he?3@@@@@@@@@@@@@@@@@@@@@@@@@@@@@@@@@@@@@@@@H? ?3@@@?
?I'@@@@@@@@@@6X?g?@@@@@@@ ?I/K W&@@@@@@5? ?@@@@@@@@@H? ?3@@@@ ?@@@@@@@@@@1e@@@@@5 ?@@@@@@@@? @6X? ?7@@@@@(Y? @@ ?N@@@@@L @@@@@? @@@@@? ?@@@@1 ?@@@@@@@@? ?3@@@L N@@@@@1? ?@@@@@ ?7@@@L ?N@@@@L? @@@@he?N@@@@@@@@@@@@@@@@@@@@@@@@@@@@@@@@@@@@@@@5 ?N@@@L
V4@@@@@@@@@@)Kg?@@@@@@@ N@@@@? ?W&@@@@@@0Y? ?@@@@@@@@@ ?N@@@@L? ?3@@@@@@@@@@e@@@@(Y ?@@@@@@@@? @@1? ?@@@@@(Y @@ @@@@@1 @@@@@? @@@@@? ?@@@@@ ?@@@@@@@@? ?N@@@1 ?@@@@@@? ?@@@@@ ?@@@@1 @@@@1? 3@@@hf@@0M ?I4@0Me?@@@@@0Y @@@1
I'@@@@@@@@@@6Xf?@@@@@@@ ?3@@@L W&@@@@@(M? J@@@@@@@@@ @@@@1? ?V'@@@@@@@@@@@@@@@H? ?3@@@@@@@L @@@? J@@@@(Y? @@ @@@@@@L? @@@@@? @@@@@? ?@@@@@ ?@@@@@@@@? @@@@ ?@@@@@@? ?@@@@@ ?3@@@@ @@@@@? N@@@ ?@@@@? @@@@
?V4@@@@@@@@@@)K?e?@@@@@@@ ?V4@@)X? ?W&@@@@@(Y 7@@@@@@@@@ 3@@@@L N@@@@@@@@@@@@@@5 ?N@@@@@@@1 @@@? 7@@@@H 3@ @@@@@@1? @@@@@? @@@@@L ?3@@@@ ?@@@@@@@@? @@@@ ?@@@@@@? ?@@@@@L? ?N@@@@ @@@@@? ?@@@L? ?@@@@? 3@@@
?I'@@@@@@@@@@6K??@@@@@@@ ?I4@)? O&@@@@@(Y? @@@@@@@@@5 N@@@@1 ?@@@@@@@@@@@@@@H @@@@@@@@ @@@? @@@@@? N@ @@@@@@@? 3@@@@? 3@@@@1 ?N@@@@ ?@@@@@@@@? @@@@ ?@@@@@@? ?3@@@@1? @@@@ 3@@@@? ?@@@1? ?@@@@L N@@@L?
V4@@@@@@@@@@@6X@@@@@@@ W2@@@@@@(Y ?J@@@@@@@@@H ?@@@@@ ?@@@@@@@@@@@@@@? @@@@@@@@ 3@@? @@@@5? ?@ 3@@@@@@L N@@@@L N@@@@@ @@@@ J@@@@@@@5? @@@@ ?@@@@@@? ?N@@@@@? @@@@ N@@@@? ?@@@@? ?@@@@1 ?@@@1?
I'@@@@@@@@@@@@@@@@@@ ?W&@@@@@@(Y? ?7@@@@@@@@@? ?@@@@@ ?@@@@@@@@@@@@@5? 3@@@@@@@ N@@? ?J@@@@H? ?@L? N@@@@@@1 ?@@@@1 ?@@@@@ @@@@ 7@@@@@@@H? @@@@ ?3@@@@@L @@@@@? 3@@@ ?@@@@? ?@@@@? ?@@@@@ ?@@@@?
?V4@@@@@@@@@@@@@@@@@ O&@@@@@@(Y ?@@@@@@@@@@? ?@@@@@L? ?3@@@@@@@@@@@(Y? N@@@@@@@ ?@@L ?7@@@@ ?@1? ?@@@@@@@ ?@@@@@ ?@@@@@ @@@@L? @@@@@@@@ @@@@ ?N@@@@@1 @@@@@L N@@@ ?@@@@? ?3@@@? ?3@@@@ ?3@@@?
?I'@@@@@@@@@@@@@@@ )X W2@@@@@@@0Y? ?@@@@@@@@@5? ?3@@@@1? ?N@@@@@@@@@@@H ?@@@@@@@L?hf?@@1 ?@@@@@ ?@@? ?3@@@@@@L? ?@@@@@ ?@@@@@ @@@@1? ?J@@@@@@@@ @@@@L? @@@@@@ @@@@@1 ?@@@L? ?@@@@? ?N@@@? ?N@@@@ ?N@@@L
V4@@@@@@@@@@@@@@ @)X? ?O&@@@@@@0M? ?@@@@@@@@@H? ?N@@@@@? @@@@@@@@@@@? ?@@@@@@@1?hf?@@@ J@@@@5 ?@@? ?N@@@@@@1? ?@@@@@ ?@@@@@ 3@@@@? ?7@@@@@@@5 3@@@1? @@@@@@ 3@@@@@ ?@@@1? ?@@@@? @@@? 3@@@L? @@@1
I'@@@@@@@@@@@@ @@1? W2@@@@@@@(M? J@@@@@@@@@ @@@@@? @@@@@@@@@@@? ?@@@@@@@@?hf?3@@ @@@@@? ?@@? @@@@@@@? ?@@@@@ ?3@@@@L? N@@@@? ?@@@@@@@@? N@@@@? @@@@@@ N@@@@@ ?@@@@? ?@@@@? @@@L N@@@1? @@@@
?V4@@@@@@@@@@@ ?I@? ?O&@@@@@@@(Y 7@@@@@@@@@ 3@@@@? @@@@@@@@@@@? ?@@@@@@@@Lhf?N@@ @@@1 ?@@? @@@@@@@L ?@@@@@ ?N@@@@1? ?@@@@? ?@@@@@@@@@ ?@@@@? @@@@@@ ?@@@@@ ?@@@@? ?3@@@? @@@1 ?@@@@? 3@@@
?I4@@@@@@@@5 ?'6K ?W2@@@@@@@@(Y? @@@@@@@@@5 N@@@@L 3@@@@@@@@@@? ?3@@@@@@@1 @@L? @@@@@@ ?@@L 3@@@@@@1 ?@@@@@ @@@@@? ?@@@@? ?@@@@@@@@H ?@@@@? 3@@@@@ ?@@@@@ ?@@@@? @@@? @@@@ ?@@@@? N@@@
I4@@@@0Y ?V'@6K O&@@@@@@@@(Y ?J@@@@@@@@@H ?@@@@1 N@@@@@@@@@@? ?N@@@@@@@@ @@1? @@@@@@L? ?3@1 N@@@@@@@ ?@@@@@ @@@@@? ?@@@@? ?@@@@@@@@? ?@@@@? N@@@@@L? ?@@@@@ ?@@@@? ?@@@@L @@@@ ?@@@@? ?@@@L?
V4@@6X ?O2@@@@@@@@@@0Y? ?7@@@@@@@@@? ?@@@@@ ?3@@@@@@@@@? @@@@@@@@ @@@? ?J@@@@@@1? ?N@@ ?@@@@@@@ ?@@@@@ @@@@@? ?@@@@? ?@@@@@@@@? ?3@@@? ?@@@@@1? ?@@@@@L? ?@@@@? ?N@@@1 @@@@ ?@@@@? ?@@@1?
?I')K? ?O2@@@@@@@@@@(M? ?@@@@@@@@@@? ?3@@@@L? ?N@@@@@@@@@? @@@@@@@@ @@@? ?7@@@@@@@L @@ ?@@@@@@@ ?@@@@@L? @@@@@? ?@@@@L J@@@@@@@@L ?N@@@? ?@@@@@@? ?3@@@@1? ?@@@@? @@@@ @@@@L? ?@@@@L ?@@@@?
V'@6K? ?O2@@@@@@@@@@@0Y ?@@@@@@@@@@? ?N@@@@1? @@@@@@@@@? 3@@@@@@@L?hf@@@L ?@@@@@@@@1 W2@6?2@@@@@@@@@@6?2@@@@@@@@6KO2@@@@6?@KO26K? ?@@@@@@@ ?3@@@@1? 3@@@@? ?@@@@1 7@@@@@@@@1 @@@? ?@@@@@@? ?N@@@@@? ?@@@@? @@@@ 3@@@1? ?@@@@1 ?3@@@L
?V'@@6K? ?O2@@@@@@@@@@@0M J@@@@@@@@@5? @@@@@? @@@@@@@@@? N@@@@@@@)Khf@@@)K? ?@@@@@@@@@ 7@@@@@@@@@@@@@@@@@@@@@@@@@@@@@@@@@@@@@@@@@@@@@@@@@@? ?@@@@@@@ ?N@@@@@? N@@@@? ?3@@@@ @@@@@@@@@@ @@@L ?@@@@@@? @@@@@? ?@@@@L @@@@ N@@@@? ?@@@@@ ?N@@@1
V4@@@6K? O2@@@@@@@@@@@@0M 7@@@@@@@@@H? @@@@@? 3@@@@@@@@L ?@@@@@@@@@@@@@@@@@@@@@@@@@@@@@@@@@@@@@@@@@@@@6X@@@@@@@@@ 3@@@@@@@@@@@@@@@@@@@@@@@@@@@@@@@@@@@@@@@@@@@@@@@@@@? ?@@@@@@@ @@@@@? ?@@@@L ?N@@@@ @@@@@@@@@@ @@@1 ?@@@@@@? @@@@@? ?3@@@1 @@@@L? ?@@@@? ?@@@@@ @@@@
?I4@@@6K O2@@@@@@@@@@@@0M @@@@@@@@@@ 3@@@@L N@@@@@@@@1 ?@@@@@@@@@@@@@@@@@@@@@@@@@@@@@@@@@@@@@@@@@@@@@@@@@@@@@@@ V4@0M?fI4@@0Mh@@@(M? ?@@@@@@@L? @@@@@? ?@@@@1 @@@@ @@@@@@@@@@ @@@@ ?@@@@@@? @@@@@L ?N@@@@ @@@@1? ?@@@@? ?3@@@@ @@@@
?I4@@@@@6K O2@@@@@@@@@@@@(M @@@@@@@@@@ N@@@@1 ?@@@@@@@@@ ?@@@@@@@@@@@@@@@@0?4@@@@@@@@@@@@@@@@@@@@@0?4@0Y@@@@@@@@@L? 3@@H ?@@@@@@@1? @@@@@? ?@@@@@ @@@@ @@@@@@@@@@L? @@@@L? ?@@@@@@? 3@@@@1 @@@@ 3@@@@? ?@@@@? ?N@@@@L? @@@@
I4@@@@6K O2@@@@@@@@@@@@@0Y? ?J@@@@@@@@@5 ?@@@@@ ?@@@@@@@@@ ?@@@@@@@@@he?I'@@@@? ?3@@@@@@@@)X N@@L ?@@@@@@@5? @@@@@? ?@@@@@ @@@@ @@@@@@@@@@1? @@@@1? ?3@@@@@L N@@@@@ @@@@ N@@@@? ?@@@@? @@@@1? @@@@
I4@@@@@6K? ?O2@@@@@@@@@@@@@0M ?7@@@@@@@@@H ?3@@@@ ?@@@@@@@@@L? ?3@@@@@@@5hfN@@@@? ?N@@@@@@@@@)X? ?@@1 ?3@@@@@@H? @@@@@? ?@@@@@ @@@@L? ?J@@@@@@@@@@@? @@@@@? ?N@@@@@1 ?@@@@@ @@@@ ?@@@@? ?@@@@? @@@@5? 3@@@L?
?I4@@@6K O2@@@@@@@@@@@@@@@@0M ?@@@@@@@@@@? ?N@@@@L? ?@@@@@@@@@1? ?N@@@@@@@?hf?@@@@? @@@@@@@@@@)? ?@@@ ?N@@@@@@ @@@@@? ?@@@@@ @@@@1? ?7@@@@@@@@@@@? 3@@@@? @@@@@@ ?@@@@@L? @@@@ ?@@@@? ?@@@@L @@@@ N@@@1?
?I4@@@@6?2@@6X ?O2@@@@@@@@@@@@@@@0M ?@@@@@@@@@@? @@@@1? ?3@@@@@@@@@? @@@@@@@1hf?@@@@? @?'@@@@@@@H? ?@@@ @@@@@@ @@@@@? ?@@@@@ 3@@@@? ?@@@@@@@@?@@@? N@@@@? @@@@@@ ?@@@@@1? @@@@ ?@@@@? ?3@@@1 3@@@1? ?@@@@?
?I4@@@@@@@@)X? O2@@@@@@@@@@@@@@@0M? J@@@@@@@@@@? @@@@@? ?N@@@@@@@@@? @@@@@@@@hfJ@@@@? N@@@@@@@ ?@@@ @@@@@@ 3@@@@? ?3@@@@L? N@@@@? ?@@@@@@@@?@@@? ?@@@@? @@@@@@ ?3@@@@@? @@@@ ?@@@@? ?N@@@@ N@@@@? ?3@@@?
I4@@@@@@)K O2@@@@@@@@@@@@@@@0M? 7@@@@@@@@@5? 3@@@@? @@@@@@@@@L 3@@@@@@@hf7@@@@L ?@@@@@@@ ?3@@ ?J@@@@@5 N@@@@? ?N@@@@1? ?@@@@? ?@@@@@@@@?3@@? ?@@@@? 3@@@@@ ?N@@@@@? @@@@ ?3@@@? @@@@ ?@@@@? ?N@@@?
?I4@@@@@@@@@6K O@KO2@@@@@@@@@@@@@@@@0M? @@@@@@@@@@H? N@@@@? ?J@@@@@@@@@1 N@@@@@@@hf@@@@@1 ?@?@@@@@@@ ?N@@ ?7@@@@@H ?@@@@? @@@@@? ?@@@@? ?@@@@@@@@?N@@? ?@@@@? N@@@@@ @@@@@? @@@@L? ?N@@@? @@@@ ?@@@@L @@@L
I4@@@@@@@@@@@6K? ?O2@@@@@@@@@@@@@@@@@@@@0M? ?J@@@@@@@@@@ ?@@@@L ?7@@@@@@@@@@ ?@@@@@@@L?he@@@@@@ ?@W(?'@@@@ @@ ?@@@@@@? ?@@@@? @@@@@? ?@@@@L ?@@@@@@@@??@@L ?3@@@? ?@@@@@ @@@@@? @@@@1? @@@? @@@@L? ?@@@@1 @@@1
?I4@@@@@@@@@@@@@@@6KfO2@6KO@?@KO2@@@@@@@@@@@@@@@@@@@@0M ?7@@@@@@@@@@ ?3@@@1 ?@@@@@@@@@@@ ?@@@@@@@1?he@@@@@@ ?@0Y?N@@@@L? @@ J@@@@@@? ?@@@@L @@@@@? ?@@@@1 ?3@@@@@@@??@@1 ?N@@@L ?@@@@@L? @@@@@? @@@@@? @@@L @@@@1? ?@@@@@ @@@@
?I4@@@@@@@@@@@@@@@@@@@@@@@@@@@@@@@@@@@@@@@@@@@@0M? ?@@@@@@@@@@5 ?N@@@@ ?@@@@@@@@@@@L? ?@@@@@@@@?he@@@@@@ @@@@1? @@L? 7@@@@@5? ?@@@@1 @@@@@? ?3@@@@ ?N@@@@@@@??@@@ @@@1 ?@@@@@1? 3@@@@? 3@@@@? @@@1 @@@@@? ?@@@@@ @@@@L?
?I4@@@@@@@@@@@@@@@@@@@@@@@@@@@@@@@@@0M ?@@@@@@@@@@H @@@@L? J@@?@@@@@@@@1? ?@@@@@@@@?he@@@@@@ @?e3@@@@? @@1? ?J@@@@@@H? ?@@@@@ 3@@@@? ?N@@@@ @@@@@@@??@@@ @@@@ ?@@@@@@? N@@@@L N@@@@? @@@@ 3@@@@? ?3@@@@ 3@@@1?
?I4@@@@@@@@@@@@@@@@@0M ?@@@@@@@@@@? @@@@1? 7@5?3@@@@@@@@? ?@@@@@@@@?h?J@@V'@@ N@@@@L @@@? ?7@@@@@@ ?@@@@@ N@@@@? @@@@ @@@@@@@??@@@ @@@@ ?@@@@@@? ?@@@@1 ?@@@@? @@@@ N@@@@? ?N@@@@ N@@@@?
?@@@@@@@@@5? @@@@@? @@H?N@@@@@@@@? ?3@@@@@@@?h?7@@?N@@ ?@e?3@@@1 @@@? ?@@@@@@5 ?@@@@@ ?@@@@? @@@@ @@@@@@@??3@@ @@@@ ?@@@@@@? ?@@@@@ ?@@@@? @@@@ ?@@@@? @@@@ ?@@@@?
J@@@@@@@@@H? 3@@@@? @@e?@@@@@@@@L ?N@@@@@@@Lh?@@5?J@@L? ?@e?V'@@@L? @@@? J@@@@@@H ?@@@@@ ?@@@@L @@@@ @@@@@@@??N@@L? 3@@@ ?3@@@@@? ?@@@@@ ?@@@@? 3@@@ ?@@@@L @@@@ ?@@@@?
7@@@@@@@@@ N@@@@L W2@?h?J@@e?3@@@@@@@1 @@@@@@@1h?@@H?@@@1? ?3@6X?N@@@1? @@@? 7@@@@@@? ?@@@@@ ?@@@@1 @@@@ @@@@@@@?e@@1? N@@@ ?N@@@@@L ?3@@@@L? ?@@@@? N@@@L? ?@@@@1 @@@@L? ?3@@@?
@@@@@@@@@@ ?@@@@1 7@@Lh?7@5e?V'@@@@@@@ @@@@@@@@h?@@??N@@@? ?N@@1??3@@@L 3@@? ?J@@@@@@5? ?@@@@@ ?@@@@@ @@@@L? @@@@@@@?e@@@? ?@@@ @@@@@1 ?N@@@@1? ?@@@@? ?@@@1? ?@@@@@ @@@@1? ?N@@@L
?J@@@@@@@@@5 ?3@@@@ 3@@1hJ@@HfN@@@@@@@ @@@@@@@@hJ@@?e@@@? 3@@L?N@@@1 N@@? ?7@@@@@@H? ?3@@@@ ?@@@@@ 3@@@1? @@@@@@@?e3@@? ?@@@ @@@@@@ @@@@@? ?@@@@L ?@@@@? ?@@@@@ @@@@@? @@@1
?7@@@@@@@@@H ?N@@@@ V'@@L?g7@@?f?@@@@@@@L? @@@@@@@@h7@5?e@@@? V'@)X?@@@@L? ?@@L ?@@@@@@5 ?N@@@@ ?@@@@@ N@@@@? @@@@@@@?e?@@? ?@@@ @@@@@@ @@@@@? ?@@@@1 ?@@@@? ?3@@@@ 3@@@@? @@@@
?@@@@@@@@@@? @@ @@@@L? ?N@@1?g@@@?f?3@@@@@@1? 3@@@@@@@h@@H?e3@@? ?N@@)X@@@@1? ?@@1 J@@@@@@H @@@@L? ?3@@@@L? ?@@@@? @@@@@@@?e@@@? ?@@@L? @@@@@@ @@@@@? ?@@@@@ ?@@@@? ?N@@@@ N@@@@? @@@@
J@@@@@@@@@@? @@L?hf@@@@1? @@@?g@@@?f?V'@@@@@@? N@@@@@@@h@@fN@@? 3@@@@@@@@L ?@@@ ?W&@@@@@5? @@@@1? ?N@@@@1? ?@@@@? @@@@@@@?eN@@L ?@@@1? @@@@@@ @@@@@L ?@@@@@ ?@@@@? @@@@ ?@@@@L 3@@@L?
7@@@@@@@@@@? ?J@@)Xhf@@@@@? @@@?g@@@?gN@@@@@@? ?@@@@@@@L?g@@f?@@? V'@@@@@@@)X? ?@@@ W&@@@@@@H? @@@@@? @@@@@? ?@@@@? @@@@@@@?e?@@1 ?3@@@? 3@@@@@ 3@@@@1 ?@@@@@ ?@@@@? @@@@ ?3@@@1 N@@@1?
@@@@@@@@@@5? O&@@@1hf3@@@@? @@@Lf?J@@5?f?@?@@@@@@L ?@@@@@@@1?f?J@@f?@@? ?V'@@@@@@@)X ?@@@ ?W&@@@@@@5 @@@@@? @@@@@? ?@@@@L @@@@@@@?e?@@@ ?N@@@? N@@@@@L? N@@@@@ ?@@@@@ ?3@@@? @@@@ ?N@@@@ ?@@@@?
?J@@@@@@@@@@H? ?@@@@@@@L?heN@@@@L 3@@1f?7@@H?gJ@@@@@@1 ?3@@@@@@@?f?7@5 V'@@@@@@@)K? ?@@@ ?7@@@@@@(Y @@@@@? @@@@@? ?@@@@1 @@@@@@@Le?@@@ @@@L ?@@@@@1? ?@@@@@ ?@@@@@ ?N@@@L 3@@@L? @@@@ ?@@@@?
?7@@@@@@@@@@ ?@@@@@@@1?he?@@@@1 N@@@f?@@@g?W&@@@@@@@ ?N@@@@@@@?f?@@H ?V'@@@@@@@@6X? ?3@@L? J@@@@@@(Y? @@@@@? @@@@@L ?3@@@@ @@@@@@@1e?@@@L? @@@1 ?@@@@@@? ?@@@@@L? ?3@@@@ @@@1 N@@@1? @@@@ ?@@@@?
?@@@@@@@@@@5 ?@@@@@@@@?he?3@@@@ ?@@@f?@@@g?7@@@@@@@@ @@@@@@@?f?@@? V4@@@@@@@@)X ?N@@1? ?W&@@@@@@H @@@@@? 3@@@@1 ?N@@@@ @@@@@@@@e?3@@1? @@@@ ?@@@@@@? ?@@@@@1? ?N@@@@ @@@@ ?@@@@? 3@@@ ?3@@@L
?@@@@@@@@@@H ?@@@@@@@@?he?N@@@@L? ?@@@L?eJ@@5g?3@@@@@@@@L? @@@@@@@LfJ@@? ?@@@@@@@@)X? @@@? W&@@@@@@5? @@@@@? N@@@@@ @@@@ @@@@@@@5e?N@@@? @@@@ ?3@@@@@? ?3@@@@@? @@@@ @@@@ ?@@@@? N@@@ ?N@@@1
?@@@@@@@@@@? ?@@@@@@@@?hf@@@@1? ?3@@1?e7@@Hg?N@@@@@@@@1? @@@@@@@1f7@@? ?3@@@@@@@@)X @@@? ?W&@@@@@@(Y? @@@@@? ?@@@@@ @@@@ @@@@@@@Hf@@@? 3@@@ ?N@@@@@? ?N@@@@@? @@@@ @@@@ ?@@@@? ?@@@ @@@@
?@@@@@@@@@@? ?@@@@@@@@Lhf3@@@@? ?N@@@?e@@@?h@@@@@@@@@? @@@@@@@@f@@@? ?V4@@@@@@@@)X? @@@? W&@@@@@@@H @@@@@L ?@@@@@ 3@@@ @@@@@@@Lf@@@? N@@@ @@@@@L @@@@@? @@@@ @@@@ ?@@@@? ?@@@ @@@@
J@@@@@@@@@@? ?@@@@@@@@1hfN@@@@L @@@L?J@@@?h3@@@@@@@@L 3@@@@@@@f@@@? ?I4@@@@@@@)X 3@@? ?O&@@@@@@@5? 3@@@@1 ?@@@@@ N@@@L? @@@@@@@1f@@@? ?@@@L? @@@@@1 @@@@@? @@@@ 3@@@L? ?@@@@L ?@@@L? @@@@L?
7@@@@@@@@@5?hf?@@@hf?@@@@@@@@@L?he?@@@@1 3@@)?&@@@?hN@?@@@@@@1 N@@@@@@@f@@5? ?I'@@@@@@)K? V4@? ?W2@@@@@@@@(Y? N@@@@@ ?@@@@@ ?@@@1? @@@@@@@@f@@@? ?@@@1? @@@@@@ 3@@@@L @@@@L? N@@@1? ?3@@@1 ?@@@1? @@@@1?
?J@@@@@@@@@@H?hfJ@@@hf?@@@@@@@@@1?he?@@@@@ N@@@@@@@@?h?@@@@@@@@@ ?@@@@@@@e?J@@H? V'@@@@@@@@6K W&@@@@@@@@(Y ?@@@@@ ?@@@@@L? ?@@@@? @@@@@@@@L?e3@@? ?3@@@? @@@@@@ N@@@@1 @@@@1? ?@@@@? ?N@@@@ ?@@@@? 3@@@@?
?7@@@@@@@@@@ 7@@@hfJ@@@@@@@@@@?he?3@@@@ ?@@@@@@@@?h?@@@@@@@@@L? ?@@@@@@@L??7@@ ?V'@@@@@@@@@6X ?W&@@@@@@@@0Y? ?@@@@@ ?3@@@@1? ?@@@@? @@@@@@@@1?eN@@? ?N@@@? @@@@@@ ?@@@@@ @@@@@? ?@@@@? @@@@ ?@@@@? N@@@@?
?@@@@@@@@@@@ @@@@hf7@@@@@@@@@@Lhe?N@@@@L? ?@@@@@@@5?h?@@?@@@@@@1? ?@@@@@@@1??@@@ V'@@@@@@@@@)K? O&@@@@@@@0M? ?@@@@@ ?N@@@@@? ?@@@@? @@@@@@@@@?e?@@L @@@? @@@@@@ ?@@@@@ @@@@@? ?@@@@? @@@@ ?@@@@L ?@@@@?
?@@@@@@@@@@5 @@@5hf@@@@@@@@@@@1hf@@@@1? ?3@@@@@@H?h?3@@@@@@@@@? ?3@@@@@@@??@@@ ?V4@@@@@@@@@@6K? O2@@@@@@@(M? ?@@@@@ @@@@@? ?@@@@? @@@@@@@@@?e?@@1 @@@? @@@@@@ ?@@@@@ 3@@@@? ?@@@@? @@@@ ?@@@@1 ?@@@@L
?@@@@@@@@@@H @@@Hhf@@@@@@@@@@@@hf3@@@@? ?N@@@@@@he?N@@@@@@@@@L ?N@@@@@@@??@@@ ?I4@@@@@@@@@@@6K O2@@@@@@@@(Y ?@@@@@ @@@@@? ?@@@@L @@@@@@@@@?e?@@@ @@@L 3@@@@@ ?3@@@@ N@@@@? ?@@@@? @@@@ ?3@@@@ ?3@@@1
J@@@@@@@@@@? @@@?he?J@@@@@@@@@@@@hfN@@@@? @@@@@@hf@@@@@@@@@1 @@@@@@@@@@@5 ?I4@@@@@@@@@@@6K O2@@@@@@@@@0Y? ?@@@@@ @@@@@? ?@@@@1 @@@@@@@@@?e?@@@ @@@1 N@@@@@ ?N@@@@L? ?@@@@? ?3@@@L @@@@ ?N@@@@ ?N@@@@
7@@@@@@@@@@?g@6X?f@@@?he?7@@@@@@@@@@@@L?he?@@@@L @@@@@@hf@@@@@@@@@@ @@@@@@@@@@0Y ?I'@@@@@@@@@@@@@@6X? O@?2@@@@@@@@@@(M ?@@@@@ @@@@@? ?3@@@@ @@@@@@@@5?e?@@@ @@@@ ?@@@@@ @@@@1? ?@@@@? ?N@@@1 @@@@ @@@@ @@@@
@@@@@@@@@@@?g@@)Xe?J@@5?he?@@@@@@@@@@@@@1?he?@@@@1 @@@@@@he?J@@@@@@@@@@L? @@@@@@@@ V4@@@@@@@@@@@@@@)K O2@@@@@@@@@@@@@@@0Y? ?3@@@@ 3@@@@? ?N@@@@ @@@@@@@@H?e?3@@L? @@@@ ?@@@@@L? @@@@@? ?@@@@? @@@@ 3@@@ @@@@ @@@@
@@@@@@@@@@5?g@@@1e?7@@H?he?@@@@@@?@@@@@@@?he?3@@@@ ?@@@6Ke?O26K?f@@@@@@heO&@@@@@@@@@@1? @@@@@@@@ @@@@@@@@@@@@@@6KO2@@@@@@@@@@@@@@@@@@@@@@@@@@@@0M ?N@@@@L? N@@@@? @@@@ @@@@@@@@f?N@@1? 3@@@ ?@@@@@1? @@@@@? ?@@@@? @@@@ N@@@ @@@@ @@@@L?
?J@@@@@@@@@@H?g@@@@e?@@@hfJ@@@@@5?3@@@@@@?he?N@@@@L? ?@@@@@@@@@@@@@@@@@@@@@@@@@@@@@@@@@@@@@@@@@@@@@@? 3@@@@@@@L? @@@@@@@@@@@@@@@@@@@@@@@@@@@@@@@@@@@@@@@@@@@@0M @@@@1? ?@@@@L @@@@ @@@@@@@@g@@@? N@@@ ?@@@@@@? @@@@@? ?@@@@L @@@@ ?@@@L? @@@@L? 3@@@1?
?7@@@@@@@@@@h3@@@L??@@5hf7@@@@@H?N@@@@@@Lhf@@@@1? ?@@@@@@@@@@@@@@@@@@@@@@@@@@@@@@@@@@@@@@@@@@@@@@? N@@@@@@@1? I4@@@@@@@@@@@@@@@@@@@@@@@@@@@@@@@@@@0M @@@@@? ?@@@@1 @@@@ @@@@@@@@g@@@? ?@@@ ?3@@@@@? 3@@@@? ?3@@@1 @@@@ ?@@@1? @@@@1? N@@@@?
?@@@@@@@@@@@hN@@@1?J@@Hhf@@@@@5e?@@@@@@1hf@@@@@? ?@@@@@@@@@@@@0MI4@@@@@@(M?g?I40?'@@@@@@@@@? ?@@@@@@@@? ?I4@@@@@@@@@@@@@@@@@@@@@@@@@@@@0M? @@@@@? ?@@@@@ 3@@@L? @@@@@@@@g@@@? ?@@@L? ?N@@@@@? N@@@@? ?N@@@@ @@@@ ?@@@@? 3@@@@? ?@@@@?
?@@@@@@@@@@5h?@@@@?7@@?hf@@@@@He?@@@@@@@hf3@@@@? I'@@@Hhf?N@@@@@@@@@? ?@@@@@@@@? ?I'@@@@@@@@@@@@@@@@@@@@0M? @@@@@? ?@@@@@ N@@@1? @@@@@@@@g3@@? ?@@@1? @@@@@? ?@@@@L @@@@ 3@@@ ?@@@@? N@@@@? ?@@@@L
?@@@@@@@@@@Hh?3@@@?@@@?hf@@@@@?e?3@@@@@@L?heN@@@@L ?N@@@? 3@@@@@@@@? ?@@@@@@@@? V40MI@MI4@@0M? @@@@@? ?@@@@@ ?@@@@? @@@@@@@@gN@@? ?@@@@? @@@@@? ?@@@@1 @@@@ N@@@L? ?@@@@? ?@@@@? ?@@@@1
J@@@@@@@@@@?h?N@@@@@@5?hf@@@@@?e?N@@@@@@1?he?@@@@1 @@@L N@@@@@@@@? ?3@@@@@@@? @@@@@? ?3@@@@ ?@@@@? @@@@@@@@L?f?@@? ?@@@@? @@@@@L ?@@@@@ @@@@ ?@@@1? ?@@@@? ?@@@@? ?3@@@@
7@@@@@@@@@@?he3@@@@@H?he?J@@@@@?f@@@@@@@?he?@@@@@ @@@1 ?@@@@@@@@L ?N@@@@@@@? @@@@@? ?N@@@@L? ?@@@@? @@@@@@@@1?f?@@L ?3@@@? @@@@@1 ?3@@@@ @@@@ ?@@@@? ?3@@@L ?@@@@? ?N@@@@
@@@@@@@@@@5?heN@@@@@hf?7@@@@@?f@@@@@@@Lhe?3@@@@L? 3@@@ ?@@@@@@@@1 @@@@@@@? @@@@@? @@@@1? ?@@@@? @@@@@@@@@?f?@@1 ?N@@@L 3@@@@@ ?N@@@@L? @@@@ ?@@@@? ?N@@@1 ?@@@@L @@@@
?J@@@@@@@@@@H?he?@@@@@hfJ@@@@@@?f@@@@@@@1hf@@@@1? N@@@ ?3@@@@@@@@ @@@@@@@L @@@@@? @@@@@? ?@@@@L @@@@@@@@@?f?@@@ @@@1 N@@@@@ @@@@1? @@@@ ?@@@@? @@@@ ?@@@@1 @@@@L?
?7@@@@@@@@@@hf?@@@@@@6K?g?O&@@@@@@?f@@@@@@@@heO&@@@@@?fO2@@@6K?he?O2@he?@@@ ?N@@@@@@@@ @@@@@@@1 3@@@@? @@@@@? ?@@@@1 @@@@@@@@5?f?@@@ @@@@ ?@@@@@ @@@@@? @@@@ ?@@@@? @@@@ ?3@@@@ @@@@1?
?@@@@@@@@@@@hf?3@@@@@@@@@@@@@@@@@@@@@@@@@@@@@@@@@@@@@@@@@@@@@@@@@@@@@@@@@@@@@@@@@@@@@@6Xf@@@@L?h?3@@L? @@@@@@@@ 3@@@@@@@ @@ N@@@@L @@@@@? ?3@@@@ @@@@@@@@H?f?3@@ @@@@ ?@@@@@ @@@@@? @@@@L? ?@@@@? @@@@ ?N@@@@ 3@@@@?
?@@@@@@@@@@@hf?N@@@@@@@@@@@@@@@@@@@@@@@@@@@@@@@@@@@@@@@@@@@@@@@@@@@@@@@@@@@@@@@@@@@@@@@,e?J@@@@1?h?N@@1? @@@@@@@@L? N@@@@@@@ @@ ?@@@@1 3@@@@? ?N@@@@ @@@@@@@@L?f?N@@L? 3@@@ ?@@@@@ 3@@@@? @@@@1? ?3@@@L @@@@ @@@@ N@@@@L
?@@@@@@@@@@5 @@@@@@@@@@@@@@@@@@@@@@@@0MI4@@@@@@@@@(MI4@@@@@@@@@@@@@@(MI40?4@@@@0M?I(YeW&@@@@5?he@@@? 3@@@@@@@1? ?@@@@@@@L? ?@h@@ ?@@@@@ N@@@@? @@@@ @@@@@@@@1?g@@1? N@@@ ?@@@@@ N@@@@? @@@@@? ?N@@@1 @@@@ @@@@ ?@@@@1
J@@@@@@@@@@H @@@@(Mh?@@@@@@(M?fI'@@@@@@@HheI'@@@@@H 7@@@@@H?he@@@? N@@@@@@@@? ?@@@@@@@1? ?@h@5 ?@@@@@ ?@@@@? @@@@L? @@@@@@@@@?g@@@? ?@@@L? ?@@@@@L? ?@@@@? 3@@@@? @@@@ 3@@@ 3@@@L? ?@@@@@
7@@@@@@@@@@? @@@@H?h?@@@@@@Hg?N@@@@@@@?he?N@@@@@? 3@@@@@hf@@@? ?@@@@@@@@L ?@@@@@@@@? ?@g?J@H ?@@@@@ ?@@@@L @@@@1? 3@@@@@@@@?g@@@? ?@@@1? ?@@@@@1? ?@@@@L N@@@@? @@@@ N@@@L? ?@@@@? ?3@@@@
@@@@@@@@@@5? @@@@L?h?@@@@@@?h3@@@@@@Lhf@@@@@? N@@@@@hf3@@? ?@@@@@@@@1 ?@@@@@@@@? ?@g?7@? ?@@@@@ ?@@@@1 @@@@@? N@@@@@@@@?g@@@L ?@@@@? ?3@@@@@? ?@@@@1 ?@@@@? @@@@ ?@@@1? @@@@ ?N@@@@L?
?J@@@@@@@@@@H? @@@@1?h?@@@@@5?hN@@@@@@1hf@@@@@? ?@@@@5hfN@@L ?@@@@@@@@@ ?3@@@@@@@? ?@L?f?@@? ?@@@@@ ?@@@@@ @@@@@? ?@@@@@@@@?g@@@1 ?@@@@? ?N@@@@@? ?@@@@@ ?@@@@? @@@@ ?@@@@? N@@@1? @@@@1?
?7@@@@@@@@@@ @@@@@?h?@@@@@H?h?@@@@@@@hf3@@@@? ?@@@@Hhf?3@1 ?3@@@@@@@@ ?N@@@@@@@? ?31?f?@@? ?@@@@@ ?@@@@@ @@@@@? ?@@@@@@@@?g3@@@ ?@@@@? @@@@@? ?3@@@@ ?@@@@? 3@@@ ?@@@@? ?@@@@? @@@@@?
?@@@@@@@@@@@ ?J@@@@@?h?@@@@@he?3@@@@@@L?heN@@@@L ?@@@@?hf?N@5 ?N@@@@@@@@ @@@@@@@? @?f?@@? ?3@@@@L? ?3@@@@ 3@@@@? ?@@@@@@@@?gN@@@ ?3@@@? @@@@@L ?N@@@@ ?@@@@L N@@@L? ?@@@@? ?@@@@? 3@@@@?
?@@@@@@@@@@@ ?@0?'@@LhJ@@@@@he?N@@@@@@1?he?@@@@1 ?@@@@? (Y @?@@@@@@L? @@@@@@@L ?7@?f?@@? ?N@@@@1? ?N@@@@L? N@@@@? ?@@@@@@@@Lg?@@@ ?N@@@L @@@@@1 @@@@L? ?@@@@1 ?@@@1? ?@@@@? ?@@@@? N@@@@?
J@@@@@@@@@@5 N@@1h7@@@@@hf@@@@@@@?he?@@@@@ J@@@@? @@@@@@@@1? @@@@@@@1 ?3@?f?@@? @@@@@? @@@@1? ?@@@@L ?@@@@@@@@1g?@@@ @@@1 @@@@@@ @@@@1? ?@@@@@ ?@@@@? ?@@@@? ?@@@@? ?@@@@L
7@@@@@@@@@@H ?@@@h@@@@@5hf3@@@@@@Lhe?3@@@@L? 7@@@@? 3@@@@@@@@? @@@@@@@@ ?N@?f?@@? @@@@@? @@@@@? ?@@@@1 ?@@@@@@@@@e)Xe?@@@ @@@@ 3@@@@@ @@@@@? ?@@@@@ ?@@@@? ?3@@@L ?@@@@? ?@@@@1
@@@@@@@@@@@? ?@@@g?J@@@@@HhfN@@@@@@1he?N@@@@1? @@@@@? N@@@@@@@@? 3@@@@@@@ @?f?@5? @@@@@? @@@@@? ?@@@@@ ?3@@@@@@@@L?@1e?3@@L? @@@@ N@@@@@ @@@@@? ?@@@@@ ?@@@@? ?N@@@1 ?@@@@L ?3@@@@
@@@@@@@@@@@? ?3@@g?7@@@@@?hf?@@@@@@@hf@@@@@? @@@@@? ?3@@@@@@@? N@@@@@@@L? @?f?@H? @@@@@? @@@@@? ?3@@@@ ?V'@@@@@@@1?@@e?N@@1? 3@@@ ?@@@@@ @@@@@? ?@@@@@ ?@@@@? @@@@ ?3@@@1 ?N@@@@
@@@@@@@@@@5? ?V4@g?@@@@@@?hf?3@@@@@@hf@@@@@? @@@@5? ?N@@@@@@@L ?@@@@@@@1? @?f?@ @@@@@? @@@@@? ?N@@@@ N@@@@@@@@?@@f@@@? N@@@ ?@@@@@ @@@@@L ?3@@@@ ?@@@@? @@@@ ?N@@@@ @@@@
?J@@@@@@@@@@H? ?@@@@@@?hf?N@@@@@@L?he3@@@@L ?J@@@@H? @@@@@@@1 ?@@@@@@@@? @Lf?@ @@@@@? 3@@@@? @@@@ ?@@@@@@@@@@@f@@@? ?@@@ ?@@@@@ 3@@@@1 ?N@@@@ ?@@@@? @@@@ @@@@ @@@@
?7@@@@@@@@@@ ?@@@@@@? @@@@@@1?heN@@@@1 ?7@@@@ @@@@@@@@ ?@@@@@@@@? @1fJ@ @@@@@? N@@@@? @@@@ ?@@@@@@@@@@@f@@@? ?@@@L? ?@@@@@ N@@@@@ @@@@ ?3@@@L 3@@@ @@@@ @@@@L?
?@@@@@@@@@@@ ?@@@@@5? @@@@@@@?he?@@@@@ ?@@@@@ @@@@@@@@ J@@@@@@@@? @@f7@ @@@@@L ?@@@@? @@@@ ?3@@@@@@@@@@f@@@L ?@@@1? ?@@@@@L? ?@@@@@L? @@@@ ?N@@@1 N@@@ @@@@L? 3@@@1?
?@@@@@@@@@@5 J@@@@@H? 3@@@@@@?he?3@@@@L?hf?@@@@@ @@@@@@@@L? 7@@@@@@@@? 3@f@5 3@@@@1 ?@@@@L @@@@L? ?N@@@@@@@@X@f3@@1 ?@@@@? ?3@@@@1? ?3@@@@1? @@@@L? @@@@ ?@@@L? 3@@@1? N@@@@?
J@@@@@@@@@@H 7@@@@@ N@@@@@@Lhe?N@@@@1?hfJ@@@@5 @@@@@@@@1? @@@@@@@@@L N@f@H N@@@@@ ?@@@@1 3@@@1? @@@@@@@V@@fN@@@ ?@@@@? ?N@@@@@? ?N@@@@@? @@@@1? @@@@ ?@@@1? N@@@@? ?@@@@?
7@@@@@@@@@@? @@@@@5 ?@@@@@@1hf@@@@@?hf7@@@@H @@@@@@@@@? ?J@@@@@@@@@1 ?@f@? ?@@@@@ ?@@@@@ N@@@@? @@@@@@@?@@f?@@@ ?3@@@? @@@@@? @@@@@? @@@@@? @@@@ ?@@@@? ?@@@@? ?3@@@?
@@@@@@@@@@@? @@@@@H ?3@@@@@@hf@@@@@?hf@@@@@? 3@@@@@@@@L ?7@V'@@@@@@@ ?@f@? ?@@@@@ ?3@@@@ ?@@@@? @@@@@@@?g?@@@ ?N@@@L @@@@@? @@@@@? @@@@@? @@@@ ?@@@@? ?@@@@? ?N@@@L
@@@@@@@@@@@? ?J@@@@@? ?N@@@@@@hf@@@@@Lhf@@@@5? N@@@@@@@@1 ?@@?N@@@@@@@ ?@f@? ?@@@@@ ?N@@@@ ?@@@@L @@@@@@@?g?@@@ @@@1 @@@@@L @@@@@? @@@@@? @@@@ ?@@@@? ?@@@@? @@@1
@@@@@@@@@@@? ?7@@@@@? @@@@@@L?he@@@@@1hf@@@@H? ?@@@@@@@@@ ?@@??@@@@@@@ ?@f@? ?@@@@@ @@@@ ?@@@@1 3@@@@@@?e@@@??@@@ @@@@ @@@@@1 3@@@@L @@@@@? @@@@ ?3@@@? ?@@@@? @@@@
?J@@@@@@@@@@5?hfW26Xhf?@@@@@@? 3@@@@@1?he3@@@@@L?h?J@@@@ ?3@@@@@@@@ ?@5??@@@@@@@L? ?@L?e@? ?@@@@@ @@@@ ?@@@@@ N@@@@@@Le@@@??@@@L? @@@@ @@@@@@ N@@@@1 3@@@@? 3@@@ ?N@@@? ?3@@@L @@@@L?
?7@@@@@@@@@@H?hf7@@1hf?@@@@@5? N@@@@@@?heN@@@@@1?h?7@@@@ ?N@@@@@@@@L? ?@H??@@@@@@@1? ?@1?e@? ?@@@@@ @@@@ ?@@@@@ ?@@@@@@1e@@@L?3@@1? @@@@L? @@@@@@ ?@@@@@ N@@@@? N@@@ @@@? ?N@@@1 3@@@1?
?@@@@@@@@@@@ @@@@hfJ@@@@@H? ?@@@@@@Lhe?@@@@@@?h?@@@@5 @@@@@@@@1? J@e?@@@@@@@@? ?@@??J@? ?@@@@@ @@@@L? ?3@@@@ ?@@@@@@@e@@@1?N@@@? 3@@@1? 3@@@@@ ?@@@@@ ?@@@@? ?@@@ @@@L @@@@ N@@@@?
J@@@@@@@@@@5 @@@5hf7@@@@@ ?3@@@@@1he?3@@@@@?h?@@@@H @@@@@@@@@? 7@e?3@@@@@@@? ?@@??7@? ?@@@@@L? 3@@@1? ?N@@@@ ?@@@@@@@e@@@5e@@@? N@@@@? N@@@@@ ?@@@@@ ?@@@@? ?@@@ @@@1 @@@@ ?@@@@?
7@@@@@@@@@@Hhf?J@@@Hhf@@@@@@ ?N@@@@@@he?N@@@@@?hJ@@@@? 3@@@@@@@@L @@e?N@@@@@@@? ?@@??@@? ?3@@@@1? N@@@@? @@@@ ?3@@@@@@f@He@@@? ?@@@@? ?@@@@@ ?@@@@@ ?@@@@L ?@@@L? @@@@ @@@@ ?@@@@?
@@@@@@@@@@@?hf?7@@5?hf@@@@@5 @@@@@@hf3@@@@Lh7@@@@? N@@@@@@@@1 @@f@@@@@@@L ?@@??@@? ?N@@@@@? ?@@@@? @@@@L? ?N@@@@@@L?e3L?J@@@? ?@@@@? ?@@@@@ ?3@@@@ ?@@@@1 ?@@@1? @@@@ @@@@ ?@@@@L
?J@@@@@@@@@@@?hf?@@@H?hf@@@@@H @@@@@@L?heN@@@@1h@@@@5? ?@@@@@@@@@ @@f@@@@@@@1 ?@@@@@@L @@@@@? ?@@@@? @@@@1? @@@@@@1?eN1?@@@@? ?@@@@? ?@@@@@L? ?N@@@@L? ?@@@@@ ?@@@@? @@@@ @@@@L? ?3@@@1
?7@@@@@@@@@@@?hf?@@@hf?J@@@@@? 3@@@@@1?he?@@@@@h@@@@H? ?@@@@@@@@@ ?J@@f@@@@@@@@ ?@@@@@@)X? @@@@@? ?@@@@? @@@@@? @@@@@@@?e?@?N@@@? ?@@@@? ?@@@@@1? @@@@1? ?@@@@@ ?3@@@? @@@@ 3@@@1? ?N@@@@
J@@@@@@@@@@@5?hf?@@@hf?7@@@@@? N@@@@@@?he?@@@@@h@@@@ ?@@@@@@@@@ ?7@@f3@@@@@@@ W2@@@@@@@@)X @@@@@? ?@@@@? @@@@@? @@@@@@@Le?@e@@@L ?@@@@? ?3@@@@@? @@@@@? ?3@@@@ ?N@@@? @@@@ N@@@@? @@@@L?
7@@@@@@@@@@@H?hfJ@@5hf?@@@@@@? ?@@@@@@Lhe?@@@@@L?f?J@@@5 ?@@@@@@@@@L? ?@@5fN@@@@@@@ ?O&@@@@@@@@@@)X? @@@@@? ?3@@@L @@@@@? 3@@@@@@1g@@@1 ?@@@@? ?N@@@@@? 3@@@@? @@@@ @@@L 3@@@ ?@@@@? @@@@1?
@@@@@@@@@@@@g?W2@6Xe7@@Hhf?@@@@@5? ?3@@@@@1he?3@@@@1?f?7@@@H ?3@@@@@@@@1? J@@Hf?@@@@@@@L? ?W2@@@@@@@@@@@@@)X @@@@@? ?N@@@1 3@@@@? N@@@@@@@g@@@@ ?3@@@L @@@@@? N@@@@L ?7@@@@ @@@1 N@@@ ?@@@@? @@@@@?
?O2@@@@@@@@@@@@5g?7@@@1e@@@?hfJ@@@@@H? ?N@@@@@@he?N@@@@@?f?@@@@? ?N@@@@@@@@@? 7@@?f?@@@@@@@1? W&@@@@@@@@@@@@@@@)X? @@@@@? @@@@ N@@@@? ?@@@@@@@L?e?J@@@@ ?N@@@1 @@@@@? ?@@@@1 ?3@@@@ @@@5 ?@@@ ?@@@@? 3@@@@?
?W2@@@@@@@@@@@@@@Hg?@@@@@e@@@?hf7@@@@@ @@@@@@hf@@@@@?f?@@@@? 3@@@@@@@@? @@@?f?@@@@@@@@? O2@@6K 7@@@@@@@@@@@@@@@@@)X 3@@@@? @@@@ ?@@@@? ?@@@@@@@1?e?7@@@@ @@@@ @@@@@? ?@@@@@ ?N@@@@ @@@? ?@@@L? ?3@@@? N@@@@?
W&@@@@@@@@@@@@@@5?g?3@@@@?J@@5?hf@@@@@@ @@@@@@L?he3@@@@LfJ@@@@? N@@@@@@@@L @@@?f?3@@@@@@@? ?@@@@@@@6K?O2@6K?O2@@@@@@@6X@@@@@@@@@@@@@@@@@@@)K?O@?@?@?@K? ?@@@@? @@@@ ?@@@@L ?3@@@@@@@?e?@@@@@ @@@@ @@@@@? ?@@@@@ @@@@ @@@1 ?@@@1? ?N@@@L ?@@@@L
7@@@@@@@@@@@@@@(Y?g?V'@@@W&@@H?hf@@@@@5 3@@@@@1?heN@@@@1f7@@@5? ?@@@@@@@@1 @@@?f?N@@@@@@@? ?@@@@@@@@@@@@@@@@@@@@@@@@@@@@@@@@@@@@@@@@@@@@@@@@@@@@@@@@@@(?@@? 7@@@@? @@@@L? ?@@@@1 ?N@@@@@@@Le?@@@@@L? @@@@ @@@@@L ?@@@@@ @@@@ @@@@ ?@@@@? @@@1 ?3@@@1
?J@@@@@@@@@@@@@@@HheN@@@@@@@hf?J@@@@@H N@@@@@@?he?@@@@@f@@@@H? ?@@@@@@@@@ ?J@@@?g@@@@@@@? ?@@@@@0M I'@@@@@@@@@@@@@@@@@@@@fI4@0MI(Y 3@@@@? @@@@1? ?@@@@@ @@@@@@@1e?3@@@@1? 3@@@ @@@@@1 ?3@@@@ @@@@ @@@@ ?@@@@? @@@@ ?N@@@@
?7@@@@@@@@@@@@@@@?he?3@@@@@@hf?7@@@@@? ?@@@@@@Lhe?3@@@@f@@@@ ?3@@@@@@@@ ?7@@5?g@@@@@@@L ?N@@@@@@@@@@@@@@@@@@@5 N@@@@? @@@@@? ?3@@@@ @@@@@@@@e?N@@@@@? N@@@ 3@@@@@ ?N@@@@L? @@@@ 3@@@ ?3@@@? @@@@ @@@@
?@@@@@@@@@@@@@@@@Lhe?N@@@@@5hf?@@@@@@? ?3@@@@@1he?N@@@@L?e@@@@ ?N@@@@@@@@L? ?@@@H?g@@@@@@@1 @@@@@@@@@@@@@@@@@@@H ?@@@@L 3@@@@? ?N@@@@ 3@@@@@@@L?e@@@@@L ?@@@L? N@@@@@ @@@@1? @@@@ N@@@L? ?N@@@? @@@@ @@@@
?3@@@@@@@@@@@@@@@1hf@@@@@Hhf?@@@@@@? ?N@@@@@@hf@@@@1??J@@@5 @@@@@@@@1? ?@@@h@@@@@@@@ 3@@@@@@@@@@@@@@@@@5? ?@@@@1 N@@@@? @@@@ N@@@@@@@1?e@@@@@1 ?@@@1? ?@@@@@ @@@@@? @@@@ ?@@@1? @@@? @@@@ @@@@L?
@@@@@@@@@@@@@@@@hf@@@@@?hf?@@@@@@? @@@@@@L?he@@@@@??7@@@H @@@@@@@@@? ?@@5h@@@@@@@@ N@@@@@@@@@@@@@@@@@H? ?@@@@@ ?@@@@? @@@@L? ?3@@@@@@@Lf@@@@ ?@@@@? ?@@@@@ @@@@@? @@@@L? ?@@@@? @@@L 3@@@ 3@@@1?
?7@@@@@@@@@@@@@@@@hf3@@@@?hfJ@@@@@@? @@@@@@1?he@@@@@??@@@@? 3@@@@@@@@? ?@@Hh3@@@@@@@ ?3@@@@@@@@@@@@@@@5 ?@@@@@ ?@@@@? @@@@1? ?N@@@@@@@1e?J@@@@ ?@@@@? ?@@@@@ @@@@@? 3@@@1? ?@@@@? @@@1 N@@@L? N@@@@?
J@@@@@@@@@@@@@@@@@hf?@@@@?he?W&@@@@@@? ?J@@@@@@@?he@@@@@??@@@5? N@@@@@@@@L J@@?hN@@@@@@@L? ?V'@@@@@@@@@@@@@@H ?@@@@@ ?@@@@L @@@@@? 3@@@@@@@L??7@@@@ ?@@@@? ?@@@@@L? 3@@@@L N@@@@? ?@@@@? @@@@L? ?@@@1? ?@@@@?
@@@@@@@@@@e@@@@@@L?he7@@@@@@@@@@6K?eO&@@@@@@@@@@@@6KheO@K?eO@K?O&@@@@@@@@@6?26KO2@@@@@@@@@@@@H? ?@@@@@@@@1 7@@?h?@@@@@@@1? V4@@@@@@@@@@@@5? ?@@@@@ ?@@@@1 3@@@@? N@@@@@@@1??@@@@@ ?@@@@L ?@@@@@1? N@@@@1 ?@@@@? ?@@@@? @@@@1? ?@@@@? ?3@@@L
N@@@@@@@@@e3@@@@@)Xhe@@@@@@@@@@@@@@@@@@@@@@@@@@@@@@@@@@@@@@@@@@@@@@@@@@@@@@@@@@@@@@@@@@@@@@@@@@@@@@@@@@ ?@@@@@@@@@ @@@?h?@@@@@@@@? I4@@@@@@@@@(Y? ?3@@@@ ?@@@@@ N@@@@? ?@@@@@@@@Le?@@@L? ?3@@@1 ?3@@@@@? ?@@@@@ ?@@@@? ?3@@@? @@@@@? ?@@@@L ?N@@@1
?@@@@@@@@@eN@@@@@@1he@@@@@@@@@@@@@@@@@@@@@@@@@@@@@@@@@@@@@@@@@@@@@@@@@@@@@@@@@@@@@@@@@@@@@@@@@@@@@@@@@@ ?@@@@@@@@@L? @@@?h?3@@@@@@@? I4@@@@@@0Y ?N@@@@ ?3@@@@ ?@@@@? ?3@@@@@@@1e?@@@1? ?N@@@@ ?N@@@@@? ?@@@@@ ?@@@@? ?N@@@? 3@@@@? ?3@@@1 @@@@
?3@@@@@@@@L??3@@@@@@he3@@@@@@@@@@@@@@@@@@@@@@@@@@@@@@@@@@@@@@@@@@@@@@@@@@@@@@@@@@@@@@@@@@@@@@@@@@@@@@@@5 ?3@@@@@@@@)?@? ?J@@@?h?N@@@@@@@? ?@(M @@@@L? ?N@@@@ ?@@@@L ?N@@@@@@@@e?@@@@? @@@@ @@@@@? ?3@@@@ ?@@@@? @@@? N@@@@? ?N@@@@ @@@@
?N@@@@@@@@1??N@@@@@@he?@@@@@eI40Me?I'@@@@@@? I'@@@@@@@@@0M?g@@@@@@@H ?N@@@@@@@@@@@? ?7@@5?he@@@@@@@L ?@H? @@@@1? @@@@ ?@@@@1 3@@@@@@@L??3@@@L @@@@ @@@@@? ?N@@@@ ?@@@@? @@@L ?@@@@? @@@@ @@@@L?
3@@@@@@@@?e3@@@@@L?h7@@@@@heN@@@@@5? ?N@@@@@@@@he3@@@@@@? @@@@@@@@@@@? ?@@@H?he@@@@@@@1 ?@ @@@@@? @@@@L? ?@@@@@ N@@@@@@@1??N@@@)K? @@@@ @@@@@? @@@@L? ?@@@@L @@@1 ?@@@@? @@@@ @@@@1?
N@@@@@@@@?eN@@@@@1?h@@@@@@he?@@@@@H? 3@@@@@@@heN@@@@@5? @@@@@@@@@@@? ?@@@hf@@@@@@@@ ?@ @@@@@? @@@@1? ?3@@@@ ?3@@@@@@@Le@@@@@6X? @@@@ @@@@@? @@@@1? ?@@@@1 @@@@ ?@@@@? @@@@ 3@@@@?
?3@@@@@@@?e?@@@@@@?g?J@@@@@@heJ@@@@@ N@@@@@@@he?@@@@@H? @@@@@@@@@@@? ?@@@hf3@@@@@@@L?hf?@@? ?@ @@@@@? @@@@@? ?N@@@@ ?N@@@@@@@)X?@@@@@@1? @@@@L? @@@@@L @@@@@? ?@@@@@ @@@@ ?@@@@L 3@@@ N@@@@?
?N@@@@@@@Le?@@@@@@?g?7@@V'@@L?h7@@@@@ ?@@@@@@@he?@@@@@ 3@@@@@@@@@@? J@@5hfN@@@@@@@1?hf?@@? J@ @@@@@? 3@@@@? @@@@ 3@@@@@@@)X@@@@@@@? @@@@1? '6X? @@@@@1 @@@@@? ?@@@@@ @@@@ ?3@@@1 N@@@ ?@@@@L
@@@@@@@1e?3@@@@@Lg?@@@?N@@1?h@@@@@@ ?@@@@@@@he?@@@@@ N@@@@@@@@@@?e?W2@@@@@6K 7@@Hhf?@@@@@@@@?hf?@@L 7@ @@@@@? N@@@@? @@@@ N@@@@@@@@@@@@@@@@L 3@@@@? V4)? 3@@@@@ 3@@@@? ?3@@@@ 3@@@ ?N@@@@ ?@@@L? ?3@@@1
@@@@@@@@L??N@@@@@1g?@@5e@@@?g?J@@@@@@ ?@@@@@@@he?3@@@@L? ?@@@@@@@@@@Le?7@@@@@@@@@@6K ?J@@@?hf?@@@@@@@@?hf?@@1 @5 @@@@@? ?@@@@? @@@@ ?@@@@@@@@@@@@@@@@)X? N@@@@? N@@@@@ N@@@@L ?N@@@@ N@@@ @@@@ ?@@@1? ?N@@@@
3@@@@@@@1?e@@@@@@g?@0Ye3@@Lg?7@@@@@5 ?3@@@@@@he?N@@@@1? ?@@@@@@@@@@1eJ@@@@@@@@@@@@@@@@@6KeO2@@@@6?26K?gO2@@6XhW2@@6K?O2@@@6K?O26KO@KfO@K? W&@@@?hf?@@@@@@@@?hf?@@@ @H @@@@@? ?@@@@? @@@@L? ?3@@@@@@@@@@@@@@@@)X ?@@@@? ?@@@@@ ?@@@@1 @@@@ ?@@@L? @@@@ ?@@@@? @@@@
N@@@@@@@@?e3@@@@@L?heN@@1g?@@@@@@H ?N@@@@@@L?h?J@@@@@? ?@@@@@@@@@@@?O&@@@@@@@@@@@@@@@@@@@@@@@@@@@@@@@@@@@e?'@@@@@1h7@@@@@@@@@@@@@@@@@@@@@@@@@@@@@@@@@@@@?@@@@@?*@@@@?hf?@@@@@@@@?hf?@@@ @? @@@@@L ?@@@@L @@@@1?he?W2@@@@@@@@@@@@@@@6K ?N@@@@@@@@@@@@?I'@@)X? ?@@@@? ?@@@@@ ?@@@@@ @@@@ ?@@@1? @@@@ ?@@@@? @@@@
?@@@@@@@@?eN@@@@@1?he?@@@g?@@@@@@? @@@@@@1?h?7@@@@@L ?3@@@@@@@@@@@@@@@@@@@@@@@@@@@@@@@@@0?@M?I4@@@0M?I@e?V4@@@@5h3@@@@@@@@@@@@@@@@@@@@@@@0?40M? N@@@@?hf?@@@@@@@@?hf?@@@L? @? @@@@@1 ?@@@@1 3@@@@?he?7@@@@@@@@@@@@@@@@@@6K 3@@@@@@@@@@@eN@@@)X ?@@@@? ?@@@@@ ?@@@@@ @@@@ ?@@@@? @@@@ ?3@@@? @@@@L?
?@@@@@@@@Le?@@@@@@?he?3@5gJ@@@@@@? @@@@@@@?h?@@@@@@1 ?N@@@@@@@@@@@@@@@@@@@0?@M?fI@M? ?I4@0YhV4@@@0M? ?@@@@?hf?3@@@@@@@Lhf?@@@1? @? @@@@@@ ?@@@@@ N@@@@?he?@@@@@@@@@@@@@@@@@@@@@6X N@@@@@@@@@@@e?3@@@1 ?3@@@? ?@@@@@L? ?3@@@@ @@@@ ?@@@@? @@@@ ?N@@@L 3@@@1?
?3@@@@@@@1e?3@@@@@Lhe?V+Yg7@@@@@@? @@@@@@@?h?@@@@@@@ @@@@@@@@@@@@@@@? ?@@@5?hf?N@@@@@@@1hf?@@@@? @? @@@@@@ ?@@@@@ ?@@@@Lhe?@@@@@@@@@@@@@@@@@@@@@@)X? ?@@@@@@@@@@@e?V4@@@L? ?N@@@L ?@@@@@1? ?N@@@@ @@@@L? ?@@@@? @@@@L? @@@1 N@@@@?
?N@@@@@@@@e?N@@@@@1 @@@@@@5? 3@@@@@@Lh?@@@@@@@ @@@@@@@@@@@@@@@? ?@@@H? @@@@@@@@hf?@@@@? ?J@? @@@@@@ ?3@@@@ ?@@@@)K?O2@@?@@@@@@@@@@@@@@@@@@@@@@@@@@@1? ?3@@@@@@@@@@g@@)X @@@1 ?@@@@@@? @@@@ @@@@1? ?@@@@? 3@@@1? @@@@ ?@@@@?
3@@@@@@@L?e@@@@@@ @@@@@@H? N@@@@@@1h?@@@@@@@ 3@@@@@@@@@@@@@@? ?3@5 @@@@@@@@hf?3@@@? ?7@? 3@@@@@ ?N@@@@L? ?@@@@@@@@@@@?N@@@@@@@@@@@@@@@@@@@@@@@@@@@? ?V'@@@@@@@@@L?f@0R/X? @@@@ ?@@@@@@? @@@@L? @@@@@? ?@@@@? N@@@@? @@@@ ?@@@@L
N@@@@@@@1?e3@@@@@ ?J@@@@@@ ?@@@@@@@hJ@@@@@@@L? N@@@@@@@@@@@@@5? ?V+Y @@@@@@@@hf?N@@@L ?@@? N@@@@@ @@@@1? W2@@@@@@@@@@@@@@@@@@@@@@@@@@@@@@@@@@e@@@@@@@@@@@@@@@@@@@@@@@@@@@? N@@@@@@@@@1?g?N)X @@@@ ?3@@@@@? @@@@1? @@@@@? ?3@@@? ?@@@@? @@@@ ?@@@@1
?3@@@@@@@?eN@@@@@L? ?7@@@@@@ ?3@@@@@@h7@@@@@@@1? ?@@@@@@@@@@@@@H? 3@@@@@@@ @@@1 ?@5? ?@@@@@ @@@@@? 7@@@@@@@@@@@@@@@@@@@@@@@@@@@@@@@@@@@@@@@@@@@@@@@@@@@@@@@@@@@@@@@@@@@ ?3@@@@@@@@@?h@)?)X? @@@@ ?N@@@@@? 3@@@@? @@@@@? ?N@@@? ?@@@@? @@@@ ?3@@@@
?N@@@@@@@Le?@@@@@1? ?@@@@@@@ ?N@@@@@@L?g@@@@@@@@@? ?@@@@@@@@@@@@5 N@@@@@@@L?hf@@@@ ?@H? ?@@@@@ @@@@@? @0?4@@@@@@@@@@@@@@@@@@@@@@@@@@@@@@@@@@@@@@@@@@@@@@@@@@@@@@@@@@@@@@@@ ?V'@@@@@@@@Lh3@@@1? 3@@@L? @@@@@? N@@@@L @@@@@? @@@? ?@@@@? @@@@ ?N@@@@
@@@@@@@1e?@@@@@@? ?@@@@@@@ @@@@@@1?g@@@@@@@@@? ?@@@@@@@@@@@@H ?@@@@@@@1?hf3@@@ ?@ ?@@@@@L? @@@@@? I@M? I'@@@@hI'@@@@@@@@@@@@@@@@@@@@@@@@@(M? N@@@@@@@@)X?gN@@@@L N@@@1? @@@@@? ?@@@@1 @@@@@? @@@L ?@@@@? 3@@@L? @@@@L?
@@@@@@@@e?@@@@@@? ?@@@@@@@ 3@@@@@@?g@@@@@@@@@L ?3@@@@@@@@@@@? ?@@@@@@@@?hfN@@@ ?@ ?@@@@@1? @@@@@? ?N@@@@h?N@@@@@@@@@@@@@@@@@@@@@@@@(Y ?3@@@@@@@@1?g?@@@@)?26K ?@@@@? @@@@@L ?@@@@@ @@@@@? @@@1 ?@@@@? N@@@1? @@@@1?
3@@@@@@@L??3@@@@@L ?@@@@@@@ N@@@@@@?f?J@@@V'@@@@1 ?N@@@@@@@@@@@? ?@@@@@@@@?hf?@@@ ?@@@@@@? @@@@@? @@@@he@@@@@@@@@@@@@@@@@@@@@@@@H? ?N@@@@@@@@@Lhe@@@@@@@? ?@@@@? @@@@@1 ?@@@@@ 3@@@@? @@@@ ?3@@@L ?@@@@? 3@@@@?
N@@@@@@@1??N@@@@@1 ?@@@@@@@ ?@@@@@@?f?7@@@?N@@@@@ @@@@@@@@@@@? ?3@@@@@@@?hf?@@@L? ?@@@@@@? 3@@@@? @@@@he@@@@@@@@@@@@@@@@@@@@@@@@ 3@@@@@@@@)X?h@@@@@@@L ?@@@@? 3@@@@@ ?@@@@@ N@@@@? @@@@ ?N@@@1 ?@@@@? N@@@@?
?@@@@@@@@?e3@@@@@ ?@@@@@@@L? ?@@@@@@Lf?@@@5??@@@@@L? @@@@@@@@@@@? ?N@@@@@@@?hf?3@@1? ?@@@@@@? N@@@@L 3@@@L?h@@@@@@@@@@@@@@@@@@@@@@@@ N@@@@@@@@@)Xh?I'@@@@)K? ?@@@@? N@@@@@ ?3@@@@ ?@@@@L @@@@ @@@@ ?3@@@? ?@@@@L
?3@@@@@@@LeN@@@@@L? ?@@@@@@@1? ?@@@@@@1f?@@@H??3@@@@1? @@@@@@@@@@@? @@@@@@@Lhf?N@@@? ?@@@@@@? ?@@@@1 N@@@1?h@MI'@@@@@@@@@@@@@@@@0Y@5 ?3@@@@@@@@@1heV'@@@@@6X? ?3@@@L ?@@@@@ ?N@@@@ ?@@@@1 @@@@ @@@@ ?N@@@? ?@@@@1
?N@@@@@@@1e?@@@@@1? ?3@@@@@@@? ?@@@@@@5f?@@@e?N@@@@@? 3@@@@@@@@@@L @@@@@@@1 @@@? ?3@@@@@? ?@@@@@ ?@@@@?he?V4@@@@@@@0M?I40M?e(Y ?V'@@@@@@@@@L?h?V'@@@@@)X ?N@@@1 ?@@@@@ @@@@L? ?@@@@@ @@@@ @@@@ @@@? ?3@@@@
@@@@@@@@e?3@@@@@? ?N@@@@@@@? J@@@@@@HfJ@@@f@@@@@? N@@@@@@@@@@1 @@@@@@@@ @@@? ?N@@@@@? ?@@@@@ ?@@@@? N@@@@@@@@@)XheV'@@@@@)X? @@@@ ?@@@@@ @@@@1? ?@@@@@ 3@@@ @@@@L? @@@L ?N@@@@
@@@@@@@@e?N@@@@@L @@@@@@@L 7@@@@@@?f7@@5f@@@@@L ?@@@@@@@@@@@ @@@@@@@@ 3@@L @@@@@? ?@@@@@ ?@@@@? ?3@@@@@@@@@)X?h?N@@@@@@1? @@@@ ?@@@@@ @@@@@? ?@@@@@ N@@@ 3@@@1? @@@1 3@@@
3@@@@@@@L?e@@@@@1 3@@@@@@1 @@@@@@5?f@@@Hf3@@@@1 ?@@@@@@@@@@@ 3@@@@@@@L?hfN@@1 @@@@@? ?@@@@@ ?@@@@? ?V'@@@@@@@@@)Xhe3@@@@@@L @@@@ ?@@@@@ 3@@@@? ?@@@@@ ?@@@L? N@@@@? @@@@ N@@@L?
N@@@@@@@1?e3@@@@@ N@@@@@@@ ?J@@@@@@H?f@@@?fN@@@@@ ?3@@@@@@@@@@ N@@@@@@@1?hfJ@@@ @@@@@? ?3@@@@L? ?@@@@L V'@@@@@@@@@)X?hN@@@@@@1 @@@@ ?@@@@@ N@@@@L ?@@@@@ ?@@@1? ?@@@@? 3@@@ ?@@@1?
?@@@@@@@@?eN@@@@@ ?@@@@@@@L? ?7@@@@@@f?J@@@?f?@@@@@L? ?N@@@@@@@@@@ ?@@@@@@@@?he?O&@@@ @@@@@? ?N@@@@1? ?@@@@1 ?N@@@@@@@@@@)Xh?3@@@@@5 @@@@ ?@@@@@ ?@@@@1 ?@@@@@ ?@@@@? ?@@@@L N@@@L? ?@@@@?
?@@@@@@@@Le?@@@@@L? ?3@@@@@@1? ?@@@@@@@f?7@@@?f?3@@@@1? @@@@@@@@@@ ?@@@@@@@@@@6K?e?O2@@@@@@@@@@@@@@@6X @@@@@? @@@@@? ?3@@@@ @@@@@@@@@@@)X?g?S(?'@@H 3@@@ ?3@@@@L? ?@@@@@ ?3@@@@ ?@@@@? ?@@@@1 ?@@@1? ?@@@@?
?3@@@@@@@1e?3@@@@1? ?N@@@@@@@? ?@@@@@@5f?@@@@?f?N@@@@@? 3@@@@@@@@@ ?@@@@@@@@@@@@@@@@@@@@@@@@@@@@@@@@@@1 @@@@@? @@@@5? ?N@@@@ @@@@@@@@@@@@)XgW&U?V4@? N@@@L? ?N@@@@1? ?@@@@@ @@@@ ?3@@@? ?@@@@@ ?@@@@? ?3@@@L
?N@@@@@@@@e?N@@@@@L @@@@@@@L ?@@@@@@Hf?@@@5?g@@@@@? N@@@@@@@@@ ?3@@@@@@@@@@@@@@@@@@@@@@@@@@@@@@@@@@ 3@@@@? 3@@@H? @@@@ @@@@@@@@@@@@@)X?f7@1? ?@@@1? @@@@@? ?3@@@@ ?7@@@@L? ?N@@@L ?@@@@@ ?@@@@? ?N@@@1
3@@@@@@@L?e3@@@@1 3@@@@@@1 J@@@@@@?f?@@@H?g@@@@@? ?@@@@@@@@@ ?N@@@@@@@@@@@@@@@@@@@@@@@@@@@@@@@@@@ N@@@@L N@@@L? @@@@L? 3@@@@@@@@@@@@@)Xf@@@? ?@@@@? @@@@@L ?N@@@@ ?3@@@@1? @@@1 ?3@@@@ ?3@@@? @@@@
N@@@@@@@1?eN@@@@@L? N@@@@@@@ 7@@@@@@?fJ@@@h@@@@@L ?@@@@@@@@@L? @@@@@@@@hfI'@@@(M? ?@@@@1 ?@@@1? @@@@1? N@@@@@@@@@@@@@@)X?e@@@? ?@@@@? @@@@@@ @@@@ ?N@@@@@? @@@@ ?N@@@@ ?N@@@? @@@@L?
?@@@@@@@@?e?3@@@@1? ?@@@@@@@ @@@@@@@?f7@@5h3@@@@1 ?@@@@@@@@@1? @@@@@@@@hf?N@@@H ?@@@@@ ?@@@@? @@@@@? ?@@@@@@@@@@@@@@@)?2@@@@? ?@@@@L @@@@@H @@@@L? @@@@@? @@@@ @@@@L? @@@L 3@@@1?
?3@@@@@@@Le?N@@@@@? ?@@@@@@@L? @@@@@@5?f@@@HhN@@@@@ ?@@@@@@@@@@? @@@@@@@@ @@@L ?@@@@@ ?@@@@? @@@@@? ?@@@@@@@@@@@@@@@@@@@@@@? ?3@@@1 @@@@@L @@@@1? @@@@@? @@@@ @@@@1? @@@1 N@@@@?
?N@@@@@@@1f3@@@@? ?3@@@@@@1? ?J@@@@@@H?f@@@?h?@@@@@ ?@@@@@@@@@@L 3@@@@@@@ @@@1 ?@@@@@ ?3@@@L 3@@@@? ?@@@@@@@@@@@@@@@@@@@@@@? ?N@@@@ @@@@@1 3@@@@? @@@@@? @@@@ @@@@@? @@@@ ?@@@@?
@@@@@@@@fN@@@@L ?N@@@@@@@? ?7@@@@@@f?J@@@?h?3@@@@L? J@@@@@@@@@@1 N@@@@@@@L?hf@@@@ ?@@@@@ ?N@@@1 N@@@@? ?3@@@@@@@@@@@@@@@@@@@@@? @@@@ 3@@@@@ N@@@@? @@@@@? @@@@L? @@@@@? @@@@ ?@@@@L
3@@@@@@@L?e?@@@@1 @@@@@@@L ?@@@@@@@f?7@@5?h?N@@@@1? 7@@@@@@@@@@@ ?@@@@@@@1?he'@@@@@ ?@@@@@ @@@@ ?@@@@? ?N@@@?I'@@@@@@@@@@@@@@@? @@@@ N@@@@@ ?@@@@L @@@@@? 3@@@1? 3@@@@? 3@@@ ?@@@@1
N@@@@@@@1?e?@@@@@ @@@@@@@1 ?@@@@@@5f?@@@H?he@@@@@? @@@@@@@@@@@@ ?@@@@@@@@?heV'@@@@ ?@@@@@ @@@@ ?@@@@? @@@??V'@@@@@@@@@@@@@5? 3@@@ ?@@@@@L? ?@@@@1 3@@@@? N@@@@? N@@@@? N@@@L? ?3@@@@
?@@@@@@@@?e?3@@@@L? 3@@@@@@@ J@@@@@@Hf?@@@hf@@@@@L @@@@@@@@@@@@L? ?@@@@@@@@?he?V'@@@L? ?@@@@@L? @@@@ ?@@@@? @@@?eV'@@@@@@@@@@@@ N@@@ ?@@@@@1? ?@@@@@ N@@@@L ?@@@@? ?@@@@? ?@@@1? ?N@@@@
?3@@@@@@@Le?N@@@@1? N@@@@@@@L? 7@@@@@@?fJ@@@hf3@@@@1 @@@@@@@@@@@@1? ?3@@@@@@@?hfN@@@1? W2@@@@@6X? ?@@@@@1? @@@@ ?3@@@? @@@?e?V'@@@@@@@@@@@1? ?@@@L? ?@@@@@@? ?@@@@@ ?@@@@1 ?@@@@? ?@@@@? ?@@@@? @@@@L?
?N@@@@@@@1f3@@@@? ?3@@@@@@1? @@@@@@@?f7@@5hfN@@@@@ @@@?@@@@@@@@@? ?N@@@@@@@Lhf?@@@5? ?W&@@@@@@@)X ?3@@@@@? @@@@L? ?N@@@? @@@LfV'@@@@@@@@@@@L ?@@@1? ?3@@@@@? ?3@@@@ ?@@@@@ ?@@@@? ?@@@@? ?@@@@? 3@@@1?
@@@@@@@@fN@@@@L ?N@@@@@@@? @@@@@@5?f@@@Hhf?@@@@@L? ?J@@5?3@@@@@@@@? @@@@@@@1hf?3@@H? W&@@@@@@@@@)X? ?N@@@@@? @@@@1? @@@L @@@1f?N@@@@@@@@@@@1 ?@@@@? ?N@@@@@? ?N@@@@ ?@@@@@ ?@@@@? ?@@@@? ?@@@@? N@@@@?
3@@@@@@@L?e?@@@@1 @@@@@@@L @@@@@@H?f@@@?hf?3@@@@1? ?7@@H?N@@@@@@@@L @@@@@@@@heW&?V4@ 7@@@@@@@@@@@)X @@@@@? @@@@@? @@@1 3@@@g@@@@@@@@@@@@ ?@@@@? @@@@@? @@@@ ?@@@@@ ?@@@@? ?3@@@L ?3@@@? ?@@@@?
N@@@@@@@1?e?3@@@@ 3@@@@@@1 ?J@@@@@@g@@@?hf?N@@@@@? ?@@@e?@@@@@@@@1 @@@@@@@@h?W&@ ?J@@@@@@@@@@@@@)X? @@@@@? 3@@@@? @@@@ N@@@g?I'@@@@@@@@@L? ?@@@@? @@@@@? @@@@L? ?@@@@@ ?@@@@L ?N@@@1 ?N@@@L ?@@@@L
?@@@@@@@@?e?N@@@@ N@@@@@@@ ?7@@@@@@g@@@? @@@@@? ?@@@e?@@@@@@@@@ 3@@@@@@@L?g?7@@ ?7@@@@@@@@@@@@@@1? @@@@@? N@@@@? @@@@ ?@@@L?gN@@@@@@@@@1? ?@@@@? @@@@@? 3@@@1? ?3@@@@ ?3@@@1 @@@@ @@@1 ?3@@@1
?3@@@@@@@Lf@@@@L? ?3@@@@@@ ?@@@@@@@f?J@@5? @@@@@L ?@@@e?3@@@@@@@@ N@@@@@@@@?g?@@@ ?@@@@@@@@@@@@@@@5? @@@@@? ?@@@@? @@@@ ?@@@1?g?3@@@@@@@@@? ?3@@@? @@@@@L N@@@@? ?N@@@@ ?N@@@@ @@@@ @@@@ ?N@@@@L?
?N@@@@@@@1f3@@@1? ?N@@@@@@L? ?@@@@@@5f?7@@H? 3@@@@1 ?@@@hJ@@5e?N@@@@@@@@L? ?@@@@@@@h?@@@ ?3@@@@@@@@@@@@@@H? @@@@@? ?@@@@? 3@@@ ?@@@@?g?N@@@@@@@@@? ?N@@@L @@@@@1 ?@@@@? @@@@ @@@@ @@@@ @@@@ @@@@1?
@@@@@@@@fN@@@@? @@@@@@1? J@@@@@@Hf?@@@ N@@@@@ ?@@@h7@@Hf3@@@@@@@1? ?@@@@@@@1?g?@@@ ?V'@@@@@@@@@@@@5 @@@@@? ?@@@@? N@@@L? ?@@@@?h@@@@@@@@@? @@@1 3@@@@@ ?@@@@? @@@@ @@@@ 3@@@ 3@@@ @@@@@?
3@@@@@@@L?e?@@@@L 3@@@@@@? 7@@@@@@?f?@@@ ?@@@@@ ?@@@L?g@@@?fN@@@@@@@@? ?@@@@@@@@?g?@@@ V4@@@@@@@@@@(Y 3@@@@? ?@@@@L ?@@@1? ?@@@@?h@@@@@@@@@? @@@@ ?@@@@@ ?@@@@L @@@@L? @@@@ N@@@ N@@@L? @@@@@?
N@@@@@@@1?e?@@@@1 N@@@@@@L ?J@@@@@@5?fJ@@@ ?@@@@@L? ?3@@1?g@@@?f?@@@@@@@@? ?@@@@@@@@?gJ@@@ I'@@@@@@@(Y? N@@@@L ?3@@@1 ?@@@@? ?@@@@?h3@@@@@@@@? @@@@ @@@@@@ ?@@@@1 @@@@1? @@@@ ?@@@ ?@@@1? 3@@@@?
?@@@@@@@@?e?3@@@@ ?@@@@@@1 ?7@@@@@@H?f7@@5 ?3@@@@1? ?N@@@?g@@@?f?@@@@@@@@L ?3@@@@@@@?g7@@@ ?V'@@@@@(Y ?@@@@1 ?N@@@@ ?@@@@? ?3@@@LhN@@@@@@@@? @@@@ N@@@@@ ?@@@@@ @@@@@? @@@@L? ?@@@ ?@@@@? N@@@@L
?@@@@@@@@Le?N@@@@ ?@@@@@@@ ?@@@@@@@g@@@Hf?)X?h?N@@@@@? 3@@?f?J@@@?f?@@@@@@@@1 ?N@@@@@@@Lg@@@@ N@@@@(Y? ?@@@@@ @@@@ ?@@@@? ?N@@@1h?@@@@@@@@? 3@@@ ?@@@@@L? ?3@@@@ @@@@@? @@@@1? ?@@@L? ?@@@@? ?@@@@1
?3@@@@@@@1f@@@@L? ?3@@@@@@L? ?@@@@@@5f?J@@@?fJ@)Xhe@@@@@? N@@Lf?7@@@?f?@@@@@@@@@ @@@@@@@@g@@@5 ?@@@@H ?@@@@@ @@@@ ?@@@@? @@@@h?@@@@@@@@? N@@@L? ?@@@@@1? ?N@@@@ @@@@@? 3@@@@? ?@@@1? ?@@@@? ?3@@@@
?N@@@@@@@@f3@@@1? ?N@@@@@@1? ?@@@@@@Hf?7@@@?f7@@)X?h3@@@@L ?@@1f?@@@5?f?3@@@@@@@@ @@@@@@@?g@@@H ?@@@@? ?@@@@@ @@@@ ?@@@@? @@@@h?@@@@@@@@? ?@@@1? ?@@@@@@? @@@@L? @@@@@? N@@@@? ?@@@@? ?@@@@? ?N@@@@
@@@@@@@@L?eN@@@@? 3@@@@@@? J@@@@@@?f?@@@@?f@@@@1?hN@@@@1 ?@@@f?@@@H?f?N@@@@@@@@L? @@@@@@@1g@@@? J@@@@? ?@@@@@ @@@@L? ?3@@@L @@@@h?@@@@@@@@? ?@@@@? ?@@@@@@? @@@@1? @@@@@? ?@@@@? ?@@@@? ?3@@@? @@@@
3@@@@@@@1?e?@@@@L N@@@@@@? 7@@@@@@?f?@@@5?f@@@@@?h?@@@@@ ?3@@f?@@@h@@@@@@@@1? @@@@@@@@g@@@? 7@@@@? ?@@@@@ @@@@1? ?N@@@1 @@@@h?@@@@@@@@? ?@@@@? ?@@@@@@? @@@@@? @@@@@? ?@@@@L ?3@@@? ?N@@@? @@@@L?
N@@@@@@@@?e?3@@@1 ?@@@@@@? ?J@@@@@@@?f?@@@H?e?J@@@@@Lh?@@@@@ ?N@@fJ@@@h@@@@@@@@@? 3@@@@@@@L?f@@@? ?J@@@@@? ?@@@@@ @@@@@? @@@@ @@@@h?@@@@@@@@? ?@@@@? ?3@@@@@? @@@@@? @@@@@? ?@@@@1 ?N@@@? @@@L @@@@1?
?@@@@@@@@Le?N@@@@ ?@@@@@@L ?7@@@@@@5?fJ@@@f?7@@@@@1h?@@@@@L? @@L?e7@@5h3@@@@@@@@? N@@@@@@@1?f@@5? ?7@@@@@? ?3@@@@ 3@@@@? @@@@ 3@@@L?g?@@@@@@@@? ?3@@@? ?N@@@@@? 3@@@@? @@@@@? ?@@@@@ @@@? @@@1 3@@@@?
?3@@@@@@@1f@@@@L? ?3@@@@@1 ?@@@@@@@H?f7@@5f?@@@@@@@h?@@@@@1? 3@1?e@@@HhN@@@@@@@@? ?@@@@@@@@?e?J@@H? ?@@@@@@? @@@@L? N@@@@? @@@@ N@@@1?g?@@@@@@@5? ?N@@@? @@@@@? N@@@@L @@@@@? ?@@@@@ @@@L @@@@ N@@@@?
?N@@@@@@@@f@@@@1? ?N@@@@@@L? ?@@@@@@@g@@@Hf?@@@@@@@L?g?3@@@@@? N@@?e@@@?h?@@@@@@@@L ?@@@@@@@@?e?7@@ ?@@@@@@? ?7@@@@1? ?@@@@? 3@@@ ?@@@@?g?@@@@@@@H? @@@? @@@@@? ?@@@@1 @@@@@? ?@@@@@ @@@1 3@@@ ?@@@@L
@@@@@@@@f3@@@@? @@@@@@1? J@@@@@@@f?J@@@?f?@@@@@@@1?g?N@@@@@L ?@@L?J@@@?h?@@@@@@@@1 ?@@@@@@@@?e?@@@ ?3@@@@@? ?3@@@@@? ?@@@@? N@@@ ?@@@@?g?@@@@@@@ @@@L @@@@@? ?@@@@@ 3@@@@L ?@@@@@ @@@@ N@@@L? ?@@@@1
@@@@@@@@L?eN@@@@? 3@@@@@@? 7@@@@@@5f?7@@@?f?@@@@@@@@?h@@@@@1 ?@@)?&@@@?h?3@@@@@@@@ ?3@@@@@@@Le?@@5 ?N@@@@@? ?N@@@@@? ?@@@@L ?@@@L? ?@@@@?g?@@@@@@@ @@@1 @@@@@? ?3@@@@ N@@@@1 ?@@@@@ @@@@ ?@@@1? ?@@@@@
3@@@@@@@1?e?@@@@L N@@@@@@? @@@@@@@Hf?@@@@?f?@@@@@@@@?h3@@@@@ ?3@@@@@@5?h?N@@@@@@@@L? ?N@@@@@@@1e?@@H @@@@@? @@@@@? ?@@@@1 ?@@@1? ?@@@@?gJ@@@@@@@ @@@@ @@@@@L ?N@@@@L? ?@@@@@ ?@@@@@ 3@@@ ?@@@@? ?3@@@@
N@@@@@@@@Le?3@@@1 ?@@@@@@L ?J@@@@@@@?f?@@@5?f?@@@@@@@@?hN@@@@@ ?N@@@@@@H?he@@@@@@@@1? @@@@@@@@e?@@? @@@@@? @@@@@? ?3@@@@ ?@@@@? ?3@@@Lg7@@@@@@@ @@@@ 3@@@@1 @@@@1? ?@@@@@ ?3@@@@ N@@@L? ?@@@@? ?N@@@@L?
?@@@@@@@@1e?N@@@@ ?3@@@@@1 ?7@@@@@@@?f?@@@H?f?@@@@@@@@Lh?@@@@@ @@@@@@hf@@@@@@@@@? @@@@@@@@e?@@? @@@@@? @@@@@? ?N@@@@ ?@@@@? ?N@@@1g@@@@@@@@ 3@@@ N@@@@@ @@@@@? ?@@@@@ ?N@@@@ ?@@@1? ?@@@@? @@@@1?
?3@@@@@@@@f3@@@L? ?N@@@@@@ ?@@@@@@@5?f?@@@g?@@@@@@@@1h?@@@@@L? @@@@@@hf@@@@@@@@@? @@@@@@@@e?@@? @@@@@? @@@@@? @@@@ ?3@@@? @@@@g@@@@@@@@ N@@@ ?@@@@@ @@@@@? ?@@@@@ @@@@ ?@@@@? ?3@@@? 3@@@@?
?N@@@@@@@@L?eN@@@1? @@@@@@L?hf?@@@@@@@H?f?@@5gJ@@@@@@@@@h?3@@@@1? @@@@@@hf3@@@@@@@@? 3@@@@@@@eJ@5? 3@@@@? @@@@@? @@@@ ?N@@@? @@@@g@@@@@@@@ ?@@@ ?@@@@@ 3@@@@? ?@@@@@ @@@@ ?@@@@? ?N@@@? N@@@@L
@@@@@@@@1?e?@@@@? @@@@@@1?hfJ@@@@@@@g?@0Yg7@@@@@@@@@L?g?N@@@@@? 3@@@@5hfN@@@@@@@@L N@@@@@@@L?7@H? N@@@@? @@@@@? @@@@ @@@? 3@@@g@@@@@@@@ ?@@@L? ?@@@@@L? N@@@@? ?@@@@@ @@@@ ?@@@@? @@@L ?@@@@1
3@@@@@@@@?e?@@@@L 3@@@@@@?hf7@@@@@@@ @@@@@@@@@@1?h@@@@@? N@@@@Hhf?@@@@@@@@1 ?@@@@@@@)X@@ ?@@@@? @@@@@? @@@@ @@@L ?@@@f?J@@@@@@@@ ?@@@1? ?@@@@@1? ?@@@@L ?@@@@@ @@@@ ?@@@@? 3@@1 ?@@@@@
N@@@@@@@@Le?3@@@1 N@@@@@@?hf@@@@@@@5 @@@@@@@@@@@?h3@@@@L ?@@@@?hf?@@@@@@@@@ ?@@@@@@@@@@@ ?@@@@? @@@@@L @@@@L? @@@1 7@@@f?7@@@@@@@5 ?@@@@? ?3@@@@@? ?@@@@1 ?@@@@@ @@@@L? ?3@@@? N@@@ ?@@@@@
?3@@@@@@@1e?N@@@@L? ?@@@@@@Lhe?J@@@@@@@H @@@@@@@@@@@LhN@@@@1 ?@@@@?hf?3@@@@@@@@ ?@@@@@@@@@@@ ?@@@@? @@@@@1 @@@@1? @@@5 3@@@L?e?@@@@@@@@H ?@@@@? ?N@@@@@? ?@@@@@ ?@@@@@ 3@@@1? ?N@@@? ?@@@ ?3@@@@L?
?N@@@@@@@@f@@@@1? ?3@@@@@1he?7@@@@@@@? ?J@@@@@@@@@@@1h?@@@@@ ?@@@@?hf?N@@@@@@@@L? ?@@@@@@@@@@@ ?@@@@L @@@@@@ 3@@@@? @@@? N@@@1?e?@@@@@@@@? ?3@@@? @@@@@? ?3@@@@ ?3@@@@ N@@@@? @@@L ?@@@ ?N@@@@1?
@@@@@@@@L?e3@@@@? ?N@@@@@@L?h?@@@@@@@@? ?7@@@@@@@@@@@@h?@@@@@ ?@@@@? 3@@@@@@@1? ?@@@@@@@@@@@ ?@@@@1 3@@@@@ N@@@@? 3@@1 ?@@@@?e?@@@@@@@@? ?N@@@? @@@@@? ?N@@@@ ?N@@@@ ?@@@@? @@@1 ?@@@L? @@@@@?
3@@@@@@@1?eN@@@@? @@@@@@1?hJ@@@@@@@@?g?@g?@@@@@@@@@@@@@h?@@@@@L? ?@@@@L N@@@@@@@@? ?3@@@@@@@@@5 ?@@@@@ N@@@@@ ?@@@@? N@@@ ?@@@@?e?@@@@@@@@? @@@L @@@@@? @@@@L? @@@@ ?@@@@? @@@@ ?@@@1? @@@@@?
N@@@@@@@@?e?@@@@L @@@@@@@?h7@@@@@@@5?gJ5gJ@@@@@V'@@@@@@L?g?@@@@@1? ?@@@@1 J@@@@@@@@? ?N@@@@@@@@@H ?@@@@@ ?@@@@@ ?@@@@? ?@@@ ?3@@@?e?@@@@@@@@? @@@1 @@@@@? @@@@1? @@@@ ?@@@@? @@@@ ?@@@@? @@@@@L
?@@@@@@@@Le?3@@@1 3@@@@@@?h@@@@@@@@H?g7Hg7@@@@@?N@@@@@@1?g?3@@@@@? ?@@@@@L?he?W&@@@@@@@@L @@@@@@@@@? ?3@@@@ ?@@@@@ ?@@@@? ?@@@ @@@?e?@@@@@@@@? @@@@ @@@@@? @@@@@? @@@@L? ?@@@@? @@@@ ?@@@@? 3@@@@1
?3@@@@@@@1e?N@@@@ N@@@@@@Lh@@@@@@@@h@?g@@@@@5e@@@@@@@?g?N@@@@@L O2@@@@@@)KgO@K?O&@@@@@@@@@1 @@@@@@@@@? ?N@@@@ ?@@@@@ ?@@@@L ?@@@L? ?@@@@?eJ@@@@@@@@? @@@@ @@@@@L @@@@@? @@@@1? ?3@@@L 3@@@ ?3@@@? N@@@@@
?N@@@@@@@@f@@@@L? ?3@@@@@1h@@@@@@@@h@?g@@@@@He3@@@@@@?h@@@@@1 ?W2@@@@@@@@@@@@@@@@@@@@@@@@@@@@@@@@@@@@@@@@@@@L? @@@@@@@@@? @@@@ ?@@@@@ ?@@@@1 ?@@@1? ?N@@@Le7@@@@@@@@? 3@@@ 3@@@@1 @@@@@? @@@@@? ?N@@@1 N@@@L? ?N@@@? ?@@@@@
@@@@@@@@L?e3@@@1? ?N@@@@@@L?g@@@@@@@5 @@@@@?eN@@@@@@Lh3@@@@@ ?7@@@@@@@@@@@@@@@@@@@@@@@@@@@@@@@@@@@@@@@@@@@@1? 3@@@@@@@@? @@@@ ?@@@@@ ?3@@@@ ?3@@@? @@@1e@@@@@@@@5? N@@@L? N@@@@@ @@@@@L @@@@@? @@@@ ?@@@1? 3@@L ?@@@@@
3@@@@@@@1?eN@@@@? @@@@@@1?f?J@@@@@@@H ?J@@@@@?e?@@@@@@1hN@@@@@ ?@@@@@@@@@@@@@@@@@@@@@@@@@@@@@@@@@@@@@@@@@@@@@@? N@@@@@@@@? @@@@ ?@@@@@L? ?N@@@@ ?N@@@? @@@@e@@@@@@@@H? ?@@@1? ?@@@@@ 3@@@@1 @@@@@? @@@@ ?@@@@? N@@@ ?3@@@@L?
N@@@@@@@@?e?@@@@L 3@@@@@@?f?7@@@@@@@? ?7@@@@@?e?3@@@@@@h?@@@@@L? @@@@ @@@@@@@@@? ?@@@@@@@@? @@@@ ?@@@@@1? @@@@ @@@? @@@@e@@@@@@@@ ?@@@@? ?@@@@@ N@@@@@ @@@@@? @@@@ ?@@@@? ?@@? ?N@@@@1?
?@@@@@@@@Le?3@@@1 N@@@@@@?f?@@@@@@@@? ?@@@@@@?e?N@@@@@@h?3@@@@1? @@@@ @@@@@@@@@? ?@@@@@@@@? @@@@ ?@@@@@@? @@@@L? @@@? 3@@@e@@@@@@@@ ?@@@@? ?@@@@@ ?@@@@@ @@@@@? @@@@ ?@@@@? ?@@1 @@@@@?
?3@@@@@@@1e?N@@@@ ?@@@@@@Lf?@@@@@@@5? ?@@@@@5?f@@@@@@L?g?N@@@@@? @@@@ 3@@@@@@@@? ?@@@@@@@@? @@@@ ?@@@@@@? @@@@1? @@@? N@@@@@@@@@@@@@ ?3@@@? ?@@@@@L? ?@@@@@ @@@@@? @@@@ ?3@@@? ?@@@ @@@@@?
?N@@@@@@@@f@@@@L? ?@@@@@@1f?@@@@@@@H? ?@@@@@H?f3@@@@@1?h@@@@@L 3@@@ N@@@@@@@@L ?@@@@@@@@? @@@@ ?3@@@@@? @@@@@? @@@L ?@@@@@@@@@@@@@ ?N@@@? ?@@@@@1? ?3@@@@L? 3@@@@? @@@@ ?N@@@? ?@@@ 3@@@@?
@@@@@@@@f3@@@1? ?3@@@@@@L?e?@@@@@@@gW-X?gJ@@@@@gN@@@@@@?h3@@@@1 N@@@ ?@@@@@@@@1 ?3@@@@@@@? @@@@ ?N@@@@@? @@@@@? @@@1 ?@@@@@@@@@@@@@ @@@? ?@@@@@@? ?N@@@@1? N@@@@? 3@@@L? @@@? ?@@@L? N@@@@L
3@@@@@@@L?eN@@@@? ?N@@@@@@1?eJ@@@@@@@g7@1?g7@@@@5g?@@@@@@?hN@@@@@ ?@@@L?hf?3@@@@@@@@ ?N@@@@@@@L @@@@ @@@@@? @@@@@? @@@@ ?@@@@@@@@@@@@5g@? @@@L ?@@@@@@? @@@@@? ?@@@@? N@@@1? @@@? ?@@@1? ?@@@@1
N@@@@@@@1?e?@@@@L 3@@@@@@?e7@@@@@@@f?J@@@?g@@@@@Hg?@@@@@@Lh?@@@@@L? ?@@@1?hf?N@@@@@@@@ @@@@@@@1 @@@@ @@@@@? 3@@@@? @@@@ ?@@@@@@@@@@@@Hg@? @@@1 ?@@@@@@? @@@@@? ?@@@@? ?@@@@? @@@L ?@@@@? ?@@@@@
?@@@@@@@@?e?3@@@1 N@@@@@@?e@@@@@@@5f?7@@@?g@@@@@?g?3@@@@@1h?@@@@@1? ?@@@@? @@@@@@@@L? @@@@@@@@ 3@@@ @@@@@? N@@@@? 3@@@ ?@@@@@@@@@@@@?g@? @@@@ ?3@@@@@? @@@@@? ?@@@@? ?@@@@? @@@1 ?3@@@? ?@@@@@
?3@@@@@@@Le?N@@@@ ?@@@@@@Le@@@@@@@?f?@@@5?f?J@@@@@?g?N@@@@@@h?3@@@@@? ?3@@@?hf?J@@@@@@@@1? @@@@@@@@L? ?@@@ @@@@@? ?@@@@L N@@@ ?@@@@@@@@@@@@? @@@@ ?N@@@@@? 3@@@@L ?@@@@L ?@@@@? @@@@ ?N@@@? ?3@@@@L?
?N@@@@@@@1f@@@@L? ?3@@@@@1e@@@@@@@)K?e?@@@H?f?7@@@@5?h@@@@@@L?g?N@@@@@? ?N@@@?hf?7@@@@@@@@@? @@@@@@@@)X 7@@@L? @@@@@? ?@@@@1 ?@@@L? ?3@@@@@@@@@@@? @@@@ @@@@@L N@@@@1 ?@@@@1 ?@@@@? @@@@ @@@? ?N@@@@1?
@@@@@@@@f3@@@1? ?N@@@@@@e@@@@@@@@@@@??@@@g?@@@@@H?h@@@@@@1?h@@@@@L @@@?hf?@@@@@@@@@@? 3@@@@@@@@)K?hO@K? ?O@Kg?O@?@KheO2@@@6K?eO26KO26K @@@@1? @@@@@L ?@@@@@ ?@@@1? ?N@@@@@@@@@@@? @@@@ @@@@@1 ?@@@@@ ?@@@@@ ?@@@@? 3@@@ @@@L @@@@@? ?@
3@@@@@@@L?eN@@@@? @@@@@@@@@@@@@@@@@@@??@@5g?@@@@@he3@@@@@@?h@@@@@1 @@@Lhf?3@@@@@@@@@L N@@@?@@@@@@@@@@@@@@@@@@@@@@@@@@@@@@@@@@@@@@@@@@@@@@@@@@@@@@@@@@@@@@@@@@@@@@@@@@@@@@@@@@@@@@@@@@@@@@@@@@@@@@@@@@@@@@6K?O2@6K?O26K?O26K??O2@@@@@@@@@@@@@@@@@@@6KeO26KO2@@@@@@@@@@6KheO2@@@6?2@@@6?26KO2@@@@@@@@@@@@@@6K @@@@@? @@@@@)K? ?@@@@@ J@@@@? @@@@@@@@@@@? @@@@ @@@@@@ ?@@@@@L? ?@@@@@ ?3@@@L N@@@ 3@@1 @@@@@?
N@@@@@@@1?e?@@@@?he?W26K?@@@@@@@@@@@@@@@@@@@??@@Hg?@@@@@heN@@@@@@Lh3@@@@@ 3@@1hf?N@@@@@@@@@1 ?@@@@@@@@@@@@@@@@@@@@@@@@@@@@@@@@@@@@@@@@@@@@@@@@@@@@@@@@@@@@@@@@@@@@@@@@@@@@@@@@@@@@@@@@@@@@@@@@@@@@@@@@@@@@@@@@@@@@@@@@@@@@@@@@@@@@@@@@@@@@@@@@@@@@@@@@@@@@@@@@@@@@@@@@@@@@@@@@@@@@@@@@@@@@@@@@@@@@@@@@@@@@@@@@@@@@@@@@@@@@@@@@@@@@@@@@@@@@@@@@@@@@@@@@@@@@@@@@@@@@@@@@@@@@@@@@@@@@@@@@@@@@@@@@@@@@@@@@@@@@@@@@@@@6KO2@6KO@KO2@6K?O2@@@@@@@@@@@@@@@@@6K?O2@6?2@@@@@@@@eO2@6K?eO@?26K?O@K?O@K ?O&@@@@? @@@@@@@@@@@? 3@@@ 3@@@@@ ?@@@@@1? ?@@@@@ ?N@@@1 ?@@@ N@@@ 3@@@@L
?3@@@@@@@?e?3@@@LheW&@@@@@@@@@@@@@@@@@@@@@@@?J@@?gJ@@@@@he?@@@@@@1hN@@@@@ N@@@ @@@@@@@@@@ ?@@@@@@@@@@@@@@@@@@@@@@@@@@@@@@@@@@@@@@@@@@@@@@@@@@@@@@@@@@@@@@@@@@@@@@@@@@@@@@@@@@@@@@@@@@@@@@@@@@@@@@@@@@@@@@@@@@@@@@@@@@@@@@@@@@@@@@@@@@@@@@@@@@@@@@@@@@@@@@@@@@@@@@@@@@@@@@@@@@@@@@@@@@@@@@@@@@@@@@@@@@@@@@@@@@@@@@@@@@@@@@@@@@@@@@@@@@@@@@@@@@@@@@@@@@@@@@@@@@@@@@@@@@@@@@@@@@@@@@@@@@@@@@@@@@@@@@@@@@@@@@@@@@@@@@@@@@@@@@@@@@@@@@@@@@@@@@@@@@@@@@@@@@@@@@@@@@@@@@@@@@@@@@@@@@@@@@@@@@@@@@@@@@@@@@@@@@@@@@@@@@@@@@@@@@@@@@@@@@@@@@@@@@@@@@@@@@@@@6K?O@KO2@6?2@@@@@@@@@@@@@@@@@@@@@@@@@@@@@@@@@6?2@@@@@@@@@@@@@@@@@@@6?26?@?26?2@@@@@@@@@@@@@@@@@@@@@@@@6KO2@@@@@@6KO@K??O2@6KO2@@@6K? O2@@@@@@@@@@@@@? N@@@ N@@@@@ ?3@@@@@? ?@@@@@ @@@@ ?@@@L? ?@@@L? N@@@@1
?N@@@@@@@Le?N@@@1h?W&@@@@@@@@@@@@@@@@@@@@@@@@?7@@?g7@@@@@he?3@@@@@@h?@@@@@ ?@@@L?hf3@@@@@@@@@ J@@@@@@@@@@@@@@@@@@@@@@@@@@@@@@@@@@@@@@@@@@@@@@@@@@@@@@@@@@@@@@@@@@@@@@@@@@@@@@@@@@@@@@@@@@@@@@@@@@@@@@@@@@@@@@@@@@@@@@@@@@@@@@@@@@@@@@@@@@@@@@@@@@@@@@@@@@@@@@@@@@@@@@@@@@@@@@@@@@@@@@@@@@@@@@@@@@@@@@@@@@@@@@@@@@@@@@@@@@@@@@@@@@@@@@@@@@@@@@@@@@@@@@@@@@@@@@@@@@@@@@@@@@@@@@@@@@@@@@@@@@@@@@@@@@@@@@@@@@@@@@@@@@@@@@@@@@@@@@@@@@@@@@@@@@@@@@@@@@@@@@@@@@@@@@@@@@@@@@@@@@@@@@@@@@@@@@@@@@@@@@@@@@@@@@@@@@@@@@@@@@@@@@@@@@@@@@@@@@@@@@@@@@@@@@@@@@@@@@@@@@@@@@@@@@@@@@@@@@@@@@@@@@@@@@@@@@@@@@@@@@@@@@@@@@@@@@@@@@@@@@@@@@@@@@@@@@@@@@@@@@@@@@@@@@@@@@@@@@@@@@@@@@@@@@@@@@@@@@@@@@@@@@@@@@@@@@@@@@@@@@@@@@@@@@@@@@@@@@@@@@@@@@@@@@@@@@@5? ?@@@ ?@@@@@ ?N@@@@@? ?@@@@@ @@@@ ?@@@1? ?@@@1? ?@@@@@
@@@@@@@1f@@@@hW&@@@@@@@@@@@@@@@@@@@@@@@@@?@@5?g@@@@@5he?N@@@@@@h?@@@@@L? ?@@@1?hfN@@@@@@@@@ ?W&@@@@@@@@@@@@@@@@@@@@@@@@@@@@@@@@@@@@@@@@@@@@@@@@@@@@@@@@@@@@@@@@@@@@@@@@@@@@@@@@@@@@@@@@@@@@@@@@@@@@@@@@@@@@@@@@@@@@@@@@@@@@@@@@@@@@@@@@@@@@@@@@@@@@@@@@@@@@@@@@@@@@@@@@@@@@@@@@@@@@@@@@@@@@@@@@@@@@@@@@@@@@@@@@@@@@@@@@@@@@@@@@@@@@@@@@@@@@@@@@@@@@@@@@@@@@@@@@@@@@@@@@@@@@@@@@@@@@@@@@@@@@@@@@@@@@@@@@@@@@@@@@@@@@@@@@@@@@@@@@@@@@@@@@@@@@@@@@@@@@@@@@@@@@@@@@@@@@@@@@@@@@@@@@@@@@@@@@@@@@@@@@@@@@@@@@@@@@@@@@@@@@@@@@@@@@@@@@@@@@@@@@@@@@@@@@@@@@@@@@@@@@@@@@@@@@@@@@@@@@@@@@@@@@@@@@@@@@@@@@@@@@@@@@@@@@@@@@@@@@@@@@@@@@@@@@@@@@@@@@@@@@@@@@@@@@@@@@@@@@@@@@@@@@@@@@@@@@@@@@@@@@@@@@@@@@@@@@@@@@@@@@@@@@@@@@@@@@@@@@@@@@@@@@@@@@@@@H? ?@@@L? ?@@@@@ @@@@@? ?@@@@@ @@@@ ?@@@@? ?@@@@? ?3@@@@
@@@@@@@@f3@@@h7@@@@@@@@@@@@@@@@@@@@@@@@@@X@@H?g@@@@@Hhf@@@@@@L?g?3@@@@1? ?3@@@?hf?@@@@@@@@@L? ?7@@@@@@@@@@@@@@@@@@@@@@@@@@@@@@@@@@@@@@@@@@@@@@@@@@@@@@@@@@@@@@@@@@@@@@@@@@@@@@@@@@@@@@@@@@@@@@@@@@@@@@@@@@@@@@@@@@@@@@@@@@@@@@@@@@@@@@@@@@@@@@@@@@@@@@@@@@@@@@@@@@@@@@@@@@@@@@@@@@@@@@@@@@@@@@@@@@@@@@@@@@@@@@@@@@@@@@@@@@@@@@@@@@@@@@@@@@@@@@@@@@@@@@@@@@@@@@@@@@@@@@@@@@@@@@@@@@@@@@@@@@@@@@@@@@@@@@@@@@@@@@@@@@@@@@@@@@@@@@@@@@@@@@@@@@@@@@@@@@@@@@@@@@@@@@@@@@@@@@@@@@@@@@@@@@@@@@@@@@@@@@@@@@@@@@@@@@@@@@@@@@@@@@@@@@@@@@@@@@@@@@@@@@@@@@@@@@@@@@@@@@@@@@@@@@@@@@@@@@@@@@@@@@@@@@@@@@@@@@@@@@@@@@@@@@@@@@@@@@@@@@@@@@@@@@@@@@@@@@@@@@@@@@@@@@@@@@@@@@@@@@@@@@@@@@@@@@@@@@@@@@@@@@@@@@@@@@@@@@@@@@@@@@@@@@@@@@@@@@@@@@@@@@@@@@@@@@@@ ?@@@1? ?@@@@@L? @@@@@? ?3@@@@L? @@@@ ?3@@@? ?@@@@? ?N@@@@
@@@@@@@@fN@@@L?g3@@@@@@@@@@@@@@@@@@@@@@@@(R@@@h@@@@@?hf3@@@@@1?g?N@@@@@? ?N@@@?hf?3@@@@@@@@1? ?3@@@@@@@@@@@@@@@@@@@@@@@@@@@@@@@@@@@@@@@@@@@@@@@@@@@@@@@@@@@@@@@@@@@@@@@@@@@@@@@@@@@@@@@@@@@@@@@@@@@@@@@@@@@@@@@@@@@@@@@@@@@@@@@@@@@@@@@@@@@@@@@@@@@@@@@@@@@@@@@@@@@@@@@@@@@@@@@@@@@@@@@@@@@@@@@@@@@@@@@@@@@@@@@@@@@@@@@@@@@@@@@@@@@@@@@@@@@@@@@@@@@@@@@@@@@@@@@@@@@@@@@@@@@@@@@@@@@@@@@@@@@@@@@@@@@@@@@@@@@@@@@@@@@@@@@@@@@@@@@@@@@@@@@@@@@@@@@@@@@@@@@@@@@@@@@@@@@@@@@@@@@@@@@@@@@@@@@@@@@@@@@@@@@@@@@@@@@@@@@@@@@@@@@@@@@@@@@@@@@@@@@@@@@@@@@@@@@@@@@@@@@@@@@@@@@@@@@@@@@@@@@@@@@@@@@@@@@@@@@@@@@@@@@@@@@@@@@@@@@@@@@@@@@@@@@@@@@@@@@@@@@@@@@@@@@@@@@@@@@@@@@@@@@@@@@@@@@@@@@@@@@@@@@@@@@@@@@@@@@@@@@@@@@@@@@@@@@@@@@@@@@@@@@@@@@@@@@@ ?@@@@? ?@@@@@1? @@@@@L ?N@@@@1? @@@@ ?N@@@? ?@@@@? @@@@L?
3@@@@@@@L?e?@@@1?gV'@@@@@@@@@@@@@@@@@@@@@@(Y?@@@g?J@@@@5?hfN@@@@@@?h3@@@@? ?J@@@?hf?N@@@@@@@@@? ?V4@@@@@@@@@@@@@@@@@@@@@@@@@@@@@@@@@@@@@@@@@@@@@@@@@@@@@@@@@@@@@@@@@@@@@@@@@@@@@@@@@@@@@@@@@@@@@@@@@@@@@@@@@@@@@@@@@@@@@@@@@@@@@@@@@@@@@@@@@@@@@@@@@@@@@@@@@@@@@@@@@@@@@@@@@@@@@@@@@@@@@@@@@@@@@@@@@@@@@@@@@@@@@@@@@@@@@@@@@@@@@@@@@@@@@@@@@@@@@@@@@@@@@@@@@@@@@@@@@@@@@@@@@@@@@@@@@@@@@@@@@@@@@@@@@@@@@@@@@@@@@@@@@@@@@@@@@@@@@@@@@@@@@@@@@@@@@@@@@@@@@@@@@@@@@@@@@@@@@@@@@@@@@@@@@@@@@@@@@@@@@@@@@@@@@@@@@@@@@@@@@@@@@@@@@@@@@@@@@@@@@@@@@@@@@@@@@@@@@@@@@@@@@@@@@@@@@@@@@@@@@@@@@@@@@@@@@@@@@@@@@@@@@@@@@@@@@@@@@@@@@@@@@@@@@@@@@@@@@@@@@@@@@@@@@@@@@@@@@@@@@@@@@@@@@@@@@@@@@@@@@@@@@@@@@@@@@@@@@@@@@@@@@@@@@@@@@@@@@@@@@@@@@@@@@@@@@@@ ?3@@@? ?@@@@@@? 3@@@@1 @@@@@? @@@@ @@@L ?3@@@? @@@@1?
?W2@@@@@6KO@K? N@@@@@@@1?e?3@@@Lg?N@@@@@@@@@@@@@@@@@@@@@(Y??@@5g?7@@@@H?hf?@@@@@@?hN@@@@? ?'@@@? @@@@@@@@@? ?I@Mhe?I4@0MI@M?hfI4@0M??I@Me?I4@0?4@@@@0M??I@M?I@?@Me?I@Mg?I4@@@0M?I4@0?4@@@@@@@@@@@@@@@@@0?4@@0MI4@@@@@@@@@@@@@@@@0?4@0MI40?4@@@@@@@@@@@@@@@@@@@@@@@@@@@@@@@@@@@@@@@@@@@@@@@@@@@@@@@@@@@@@@@@@@@@@@@@@@@@@@@@@@@@@@@@@@@@@@@@@@@@@@@@@@@@@@@@@@@@@@@@@@@@@@@@@@@@@@@@@@@@@@@@@@@@@@@@@@@@@@@@@@@@@@@@@@@@@@@@@@@@@@@@@@@@@@@@@@@@@@@@@@@@@@@@@@@@@@@@@@@@@@@@@@@@@@@@@@@@@@@@@@@@@@@@@@@@@@@@@@@@@@@@@@@@@@@@@@@@@@@@@@@@@@@@@@@@@@@@@@@@@@@@@@@@@@@@@@@@@@@@@@@@@@@@@@@@@@@@@@@@@@@@@@@@@@@@@@@@@@@@@@@@@@@@@@ ?N@@@? ?@@@@@@? N@@@@@ @@@@@? @@@@ @@@1 ?N@@@? @@@@@?
?7@@@@@@@@@@@@@@@@@@@@@@@@6?2@@@@@@@@@@@@@@@@? ?3@@@@@@@?e?N@@@1h@@@@@@@@@@@@@@@@@@@@(YeJ@@Hg?@@@@@ ?3@@@@@Lh?@@@@L ?V4@@? @@@@@@@@@L I'@@@(M? I'@@@@(MheI@?4@@0?@M ?I4@0MI@MI4@@@@@@@@@@@@@@@@@@@@@@@@@0MfI4@@@@@@@@@@@@@@@@@@@@@@@@@@@@@@@@@@@@@@@@@@@@@@@@@@@@@@@@@@@@@@@@@@@@@@@@@@@@@@@@@@@@@@@@@@@@@@@@@@@@@@@@@@@@@@@@@@@@@@@@@@@@@@@@@@@@@@@@@@@@@@@@@@@@@@@@@@@@@@@@@@@@@@@@@@@@@@@@@@@@@@@@@@@@@@@@@@@@@@@@@@@@@@@@@@@@@@@@@@@@@@@@@@@@@@ @@@? ?@@@@@@? ?@@@@@ @@@@@? 3@@@ @@@@ @@@L @@@@@?
?@@@@@@@@@@@@@@@@@@@@@@@@@@@@@@@@@@@@@@@@@@@@? ?N@@@@@@@Lf@@@@h?I4@@@@@@@@@@@@@@@@0Y?e7@@?gJ@@@@@ ?N@@@@@1h?@@@@1 @@@@@@@@@1 ?N@@@H ?N@@@@H? ?@@@@? ?I@M?I@M?I40M?I40?4@@@@@@@@@0?4@@@@@@@@@@@@@@@@@@@@@@@@@@@@@@@@@@@@@@@@@@@@@@@@@@@@@@@@@@@@@@@@@@@@@@@@@@@@@@@@@@@@@@@@@@@@@@@@@@@@@@@@@@@@@@@@@@@@@@@@@@@@@ @@@L ?3@@@@@? ?@@@@@L? @@@@@? N@@@ @@@@ @@@1 3@@@@?
?@@@@@@@@@@@@@@@@@@@@@@@@@@@@@@@@@@@@@@@@@@@@@(? @@@@@@@1f3@@@L?heI4@@@@@@@@@@@(M?f@@@?g7@@@@5 @@@@@@h?@@@@@ @@@@@@@@@@ @@@? @@@@ ?@@@@? ?@@@@? ?I@?4@@@@@@@@0M?I4@@@@@@@@@@@@ @@@1 ?N@@@@@? ?@@@@@1? @@@@@? ?@@@L? 3@@@ @@@@ N@@@@L
?@@@@@@@@@@@@@@@@@@@@@@@@@@@@@@@@@@@@@@@@@@@@(Y? 3@@@@@@@L?eN@@@1?hf?I4@@@@@@@@Hg@@5?g@@@@@H @@@@@@L?g?3@@@@L? 3@@@@@@@@@ @@@? @@@@L? ?3@@@L ?@@@@? I'@@@@ @@@@ @@@@@? ?@@@@@@? @@@@@? ?@@@1? N@@@ 3@@@ ?@@@@1
?@@@@@@@@@@@@@@@@@@@@@@@@@@@@@@@@@@@@@@@@@@@@H N@@@@@@@1?e?@@@@? @@@@@@@?f?J@@H?g@@@@@? 3@@@@@1?g?N@@@@1? N@@@@@@@@@L? @@@? @@@@1? ?N@@@1 ?@@@@? ?N@@@@ 3@@@ @@@@@L ?3@@@@@? @@@@@? ?@@@@? ?@@@ N@@@ ?@@@@@
?@@@@@@@@@@@@@@@@@@@@@@@@@@@@@@@@@@@@@@@@@@@@? ?3@@@@@@@?e?3@@@L @@@@@@@?f?7@@h@@@@@? N@@@@@@?h3@@@@? ?3@@@@@@@@1? @@@? @@@@@? @@@@ ?@@@@? @@@@ N@@@ @@@@@1 ?N@@@@@? 3@@@@? ?@@@@? ?@@@L? ?@@@L? ?@@@@@L?
?@@@@@@@@@@@@@@@@@@@@@@@@@@@@@@@@@@@@@@@@@@@@? ?N@@@@@@@?e?N@@@1 3@@@@@@?f?@@@g?J@@@@@? ?@@@@@@LhN@@@@L ?N@@@@@@@@@? @@@? @@@@@? @@@@ ?3@@@? @@@@ ?@@@ @@@@@@ @@@@@? N@@@@L ?3@@@? ?@@@1? ?@@@1? ?3@@@@1?
?3@@@@@@@@@@@@@@@@@@@@@@@@@@@@@@@@@@@@@@@@@@5? @@@@@@@Lf@@@@ N@@@@@5?f?@@@g?7@@@@@? ?3@@@@@1h?@@@@1 @@@@@@@@@? W2@@ @@@? @@@@@? @@@@ ?N@@@? @@@@ ?@@@L? 3@@@@@ @@@@@L ?@@@@1 ?N@@@? ?@@@@? ?3@@@? ?N@@@@@?
?N@@@@@@@@@@(M I@?4@@0?4@@@@@@0Y? @@@@@@@1f3@@@ ?@@@@(Y?fJ@@@g?@@@@@5? ?N@@@@@@h?@@@@@ @@@@@@@@@L 7@@@ @@@L @@@@@? @@@@ @@@L @@@@ ?@@@1? N@@@@@ 3@@@@1 ?@@@@@ @@@? ?3@@@? ?N@@@? @@@@@?
@@@@@@@@@@H? 3@@@@@@@fN@@@L? ?3@@@Hg7@@@g?@@@@@H? 3@@@@@h?3@@@@ 3@@@@@@@@1 3@@5 @@@1 @@@@@? @@@@ @@@1 3@@@L? ?@@@@? ?@@@@@ N@@@@@ ?@@@@@ @@@L ?N@@@L @@@? @@@@@L
?I'@@@@@@@L? N@@@@@@@L?e?3@@1? ?N@@@?g@@@@g?@@@@@ N@@@@@L?g?N@@@@L? N@@@@@@@@@ N@@H @@@@ 3@@@@? @@@@ @@@@ N@@@1? ?@@@@? ?@@@@@ ?@@@@@ ?@@@@@ @@@1 @@@1 @@@? 3@@@@1
N@@@@@@@1? ?3@@@@@@1?e?N@@@? @@@?g@@@5gJ@@@@@ ?@@@@@1?h@@@@1? ?@@@@@@@@@ J@5? @@@@ N@@@@? 3@@@L? @@@@ ?@@@@? ?3@@@L ?@@@@@ ?@@@@@ ?@@@@@ @@@@ @@@@ @@@L N@@@@@
?3@@@@@@@L ?N@@@@@@@Lf@@@L 3@5?f?J@@@Hg7@@@@5 ?@@@@@@?h@@@@@? ?@@@@@@@@@L? 7@H? @@@@ ?@@@@? N@@@1? 3@@@ ?@@@@? ?N@@@1 ?@@@@@L? ?@@@@@L? ?@@@@@ @@@@ @@@@ @@@1 ?@@@@@
?V'@@@@@@1 @@@@@@@1f@@@1fW2@@@@@@6XeV+Y?f?7@@@?g@@@@@H ?3@@@@@Lh3@@@@? ?3@@@@@@@@1? @@ @@@@ ?@@@@? ?@@@@? N@@@ ?@@@@? @@@@ ?3@@@@1? ?@@@@@1? ?@@@@@ @@@@ @@@@ @@@@ ?@@@@@
V'@@@@@@L? 3@@@@@@@f@@@@e?W&@@@@@@@@1he?@@@@?g@@@@@? ?N@@@@@1hN@@@@L ?N@@@@@@@@@? @@ @@@@ ?@@@@L ?@@@@? ?@@@ ?3@@@? @@@@ ?N@@@@@? ?3@@@@@? ?@@@@@ @@@@ @@@@ @@@@ ?3@@@@L?
?N@@@@@@)X N@@@@@@@L?e3@@@L?W&@@@@@@@@@@L?h?@@@@?g@@@@@? @@@@@@h?@@@@1 @@@@@@@@@? @@ @@@@ ?@@@@1 ?@@@@? ?@@@L? ?N@@@L @@@@ @@@@@? ?N@@@@@? ?3@@@@ 3@@@ 3@@@ 3@@@ ?N@@@@1?
3@@@@@@1 ?@@@@@@@1?eN@@@)?&@@@@@@@@@@@1?h?@@@@?f?J@@@@@? @@@@@@h?3@@@@ @@@@@@@@@L @@ @@@@ ?@@@@@ ?@@@@L ?@@@1? @@@1 @@@@L? @@@@@? @@@@@? ?N@@@@ N@@@L? N@@@ N@@@ @@@@@?
V'@@@@@@L? ?@@@@@@@@LeJ@@@@@@@@@@@@@@@@@@?h?@@@5?f?7@@@@5? 3@@@@@L?g?N@@@@ 3@@@@@@@@1 @@ 3@@@ ?@@@@@ ?@@@@1 ?@@@@? @@@@ @@@@1? @@@@@? @@@@@? @@@@ ?@@@1? ?@@@L? ?@@@ @@@@@?
?V4@@@@@@? J@@@@@@@@)KO&@@@@@@@@@@@@@@@@@@?hJ@@@H?f?@@@@@H? N@@@@@1?h@@@@ N@@@@@@@@@ ?J@@L? N@@@ ?@@@@@ ?3@@@@ ?@@@@? @@@@ 3@@@@? @@@@@? 3@@@@L @@@@L? ?@@@@? ?@@@1? ?@@@L? 3@@@@L
O2@@@@@@@@6?&@@@@@@@@@@@@@@@@@@@@@@@@@@@@@5?h7@@@gJ@@@@@ ?@@@@@@?h@@@@L? ?@@@@@@@@@ ?7@@1? ?@@@ ?@@@@@ ?N@@@@ ?@@@@? @@@@ N@@@@? @@@@@L N@@@@1 @@@@1? ?@@@@? ?@@@@? ?@@@1? N@@@@1
?O26K?e?O@Khe?O@K?O@K?O2@@@@@@@@@@@@@@@@@@@@@@@@@@@@@@@@@@@@@@@@@@@@@@@@@@@@@@@@@H?h@@@5g7@@@@@L? ?3@@@@@Lh3@@@1? ?@@@@@@@@@L? ?@@@@? ?@@@ ?@@@@@ @@@@ ?@@@@? 3@@@ ?@@@@? @@@@@1 ?@@@@@ @@@@@? ?@@@@? ?@@@@? ?@@@@? ?@@@@@
W2@@@@@@@@@@@@@@@@@@@@@@@@@@@@@@@@@@@@@@@@@@@@@@@@@@@@@@@@@@@@@@@@@@@@@@@@@@@@@@@@@@@@@@@@@@@@@@@@@@@@@@he@@@Hg@@@@@@)X ?N@@@@@1hN@@@@? ?@@@@@@@@@1? ?@@@@? ?@@@ ?3@@@@ @@@@ ?3@@@? N@@@L? ?@@@@? @@@@@@ ?@@@@@ @@@@@? ?@@@@? ?@@@@? ?3@@@? ?@@@@@
*@@@@@@@@@@@@@@@@@@@@@@@@@@@@@@@@@@@@@@@@@@@@@@@@@@@@@@@@@@@@@@@@@@@@@@@@@@@@@@@@@@@@@0?'@@@@@@@@@@@@@@@h?J@@@?g@@@@@@@)K? @@@@@@h?@@@@? ?@@@@@@@@@@? ?@@@5? ?@@@ @@@@ @@@@ ?N@@@L ?@@@1? ?@@@@? 3@@@@@ ?@@@@@ @@@@@? ?3@@@? ?3@@@? ?N@@@? ?3@@@@
V4@@@@@@@@@@@@@@@0M? ?@@@@@@@@?eV'@@@@V4@@@@@0M?h?7@@@?g@@@@@@@@@6X? 3@@@@@L?g?3@@@L ?@@@@@@@@@@L ?@@@H? ?@@@ ?7@@@@ @@@@ @@@1 ?@@@@? ?3@@@L N@@@@@ ?@@@@@ @@@@@? ?N@@@? ?N@@@? @@@L ?N@@@@L?
?3@@@@@@@?e?N@@@@eI40Mhf?@@@5?g@@@@@@@@@@)X N@@@@@1?g?N@@@1 ?3@@@@@@@@@1 ?@@@ ?@@@ ?3@@@@ @@@@ @@@@ ?@@@@? ?N@@@1 ?@@@@@ ?3@@@@L? @@@@@? @@@? @@@? @@@1 @@@@1?
?@@@@6X? ?N@@@@@@@Lf@@@@ ?@@@H?f?J@@@@@@@@@@@)X? ?@@@@@@?h@@@@L? ?N@@@@@@@@@@ J@@@ ?@@@ ?N@@@@L? @@@@L? @@@@ ?@@@@? @@@@ ?@@@@@ ?N@@@@1? @@@@@? @@@L @@@L @@@@ @@@@@?
?@@@@@1? 3@@@@@@1f3@@@L? ?@@@g?7@@@@@@@@@@@@)X ?@@@@@@?h@@@@1? @@@@@@@@@@ 7@@@ ?@@@ @@@@1? 3@@@1? @@@@ ?@@@@? @@@@ ?@@@@@ @@@@@? @@@@@? @@@1 @@@1 @@@@ 3@@@@?
?@@@@@@? N@@@@@@@fN@@@1? J@@@g?@@@@@@@@@@@@@@1 ?@@@@@@Lh3@@@@? @@@@@@@@@@ @@@5 ?@@@ @@@@@? N@@@@? @@@@ ?3@@@? @@@@ ?@@@@@L? @@@@@? @@@@@? @@@@ @@@@ @@@@ N@@@@L
?@@@@@@L ?@@@@@@@L?e?@@@@? 7@@5g?@@@@@@@@@@@@@@@ ?3@@@@@1hN@@@@? @@@@@@@@@@L? @@@H ?@@@ @@@@@? ?@@@@? 3@@@ ?N@@@L @@@@ ?@@@@@1? @@@@@? 3@@@@? @@@@ 3@@@ @@@@ ?@@@@1
?@@@@@@)K? ?3@@@@@@1?e?@@@@L @@@HgJ@@@@@@@@@@@@@@@L? ?N@@@@@@h?@@@@L 3@@@@@@@@@1? @@@? ?@@@L? @@@@@? ?@@@@? N@@@L? @@@1 @@@@ ?@@@@@@? 3@@@@? N@@@@L @@@@ N@@@L? 3@@@L? ?@@@@@
?O26K?O@K?e?O26KO2@@@@@@@@@@6?26K ?N@@@@@@@?e?3@@@1 @@@?g7@@@@@?I'@@@@@@@1? 3@@@@@L?g?@@@@1 N@@@@@@@@@@? ?J@@@? ?@@@1? @@@@@? ?3@@@? ?@@@1? @@@@ 3@@@ ?@@@@@@? N@@@@? ?@@@@1 3@@@ ?@@@1? N@@@1? ?3@@@@
?W2@@@@@@@@@@@@@@@@@@@@@@@@@@@@@@@@@@@@@@@@6X? @@@@@@@?e?N@@@@ ?J@@@?g@@@@@5eV'@@@@@@@? N@@@@@1?g?3@@@@ ?@@@@@@@@@@? ?7@@@? ?@@@@? @@@@@? ?N@@@L ?@@@@? @@@@ N@@@L? ?3@@@@@? ?@@@@L ?@@@@@ N@@@ ?@@@@? ?@@@@? ?N@@@@
?7@@@@@@@@@@@@@@@@@@@@@@@@@@@@@@@@@@@@@@@@@@1? 3@@@@@@Lf@@@@ ?7@@@?g@@@@@He?V'@@@@@@? ?@@@@@@?g?N@@@@ ?@@@@@@@@@@L ?@@@5? ?@@@@? @@@@@? @@@1 ?@@@@? @@@@ ?@@@1? ?N@@@@@? ?@@@@1 ?@@@@@ ?@@@L? ?@@@@? ?@@@@? @@@@L?
?@@@@@@@@@@@@@@@@@@@@@@@@@@@@@@@@@@@@@@@@@@@@? N@@@@@@1f3@@@L?hf?@@@5?f?J@@@@@?fN@@@@@@L ?3@@@@@Lh@@@@ ?3@@@@@@@@@1 ?@@@H? ?@@@@? @@@@@? @@@@ ?@@@@? @@@@ ?@@@@? @@@@@? ?@@@@@ ?@@@@@ ?@@@1? ?@@@@? ?@@@@? @@@@1?
?@@@@@@@@@@@@@@@@@@@@@@@@@@@@@@@@@@@@@@@@@@@@? ?@@@@@@@L?eN@@@1?hf?@@@H?f?7@@@@@?f?@@@@@@1 ?N@@@@@1h3@@@ ?N@@@@@@@@@@ ?@@@ ?@@@@? @@@@@? @@@@ ?@@@@? 3@@@L? ?@@@@? @@@@@L ?3@@@@ ?@@@@@ ?@@@@? ?@@@@? ?3@@@? @@@@@?
?@@@@@@@@@@@@@@@@@@@@@@@@@@@@@@@@@@@@@@@@@@@@? ?3@@@@@@1?e?@@@@?hf?@@@g?@@@@@5?f?@@@@@@@ @@@@@@hN@@@L? @@@@@@@@@@ ?@@@ ?@@@@? @@@@@? @@@@ ?3@@@? N@@@1? ?@@@@? @@@@@1 ?N@@@@L? ?@@@@@ ?@@@@? ?3@@@? ?N@@@? @@@@@L
?@@@@@@@@@@@@@@@@@@@@@@@@@@@@@@@@@@@@@@@@@@@@? ?N@@@@@@@?e?3@@@LhfJ@@@g?@@@@@H?f?@@@@@@@ @@@@@@h?3@@1? @@@@@@@@@@L? J@@@ ?@@@@? 3@@@@L @@@@ ?N@@@L ?@@@@? ?3@@@? @@@@@@ @@@@1? ?@@@@@ ?@@@@? ?N@@@L @@@? 3@@@@1
?@@@@@@@@@@@@@@@@@@@@@@@@@@@@@@@@@@@@@@@@@@@5? @@@@@@@?e?N@@@1hf7@@5g?@@@@@g?@@@@@@@ @@@@@@L?g?N@@@L 3@@@@@@@@@1? 7@@@ ?@@@@? N@@@@1 @@@@ @@@1 ?@@@@? ?N@@@L @@@@@@ @@@@@L ?@@@@@ ?@@@@? @@@1 @@@L N@@@@@
?@@@@@@@@@@@@0M?hI4@@@@@@@@@@@@0?4@@0Y? 3@@@@@@Lf@@@@he?J@@@HgJ@@@@@g?@@@@@@@ 3@@@@@1?h3@@1 N@@@@@@@@@@? @@@@ ?@@@@? ?@@@@@ @@@@ @@@@ ?@@@@? @@@1 @@@@@@ @@@@@1 ?3@@@@ ?@@@@? @@@@ @@@1 ?@@@@@
?@@@@@@@@@@@X? @@@@@@@(M? N@@@@@@1f3@@@L?h?7@@@?g7@@@@@g?@@@@@@5 N@@@@@@?hN@@@ ?@@@@@@@@@@L @@@@ ?@@@@? ?@@@@@ @@@@L? @@@@ ?@@@@? @@@@ 3@@@@@ 3@@@@@ ?N@@@@ ?3@@@L @@@@ 3@@@ ?3@@@@L?
?3@@@@@@@@@@1? @@@@@@@H ?@@@@@@@fN@@@1?h?@@@5?g@@@@@5h?I'@@H ?@@@@@@Lh?3@@ ?3@@@@@@@@@1 @@@@ ?3@@@L ?@@@@@ 3@@@1? @@@@ ?@@@@L @@@@ N@@@@@ N@@@@@ @@@@L? ?N@@@1 @@@@ N@@@ ?N@@@@1?
?V'@@@@@@@@@@L 3@@@@@@? ?@@@@@@@L?e?@@@@?h?@@@H?g@@@@@HheV4@? ?3@@@@@1h?N@@L? ?N@@@@@@@@@@ @@@5 ?N@@@1 ?@@@@@ N@@@@? 3@@@ ?3@@@1 @@@@L? ?@@@@@ ?@@@@@ @@@@1? @@@@ @@@@ ?@@@ @@@@@?
V4@@@@@@@@@)K?hfN@@@@@@? ?3@@@@@@1?e?3@@@?h?@@@h@@@@@? ?N@@@@@@he@@1? 3@@@@@@@@@ @@@H @@@@ ?@@@@@ ?@@@@? N@@@L? ?N@@@@ 3@@@1? ?@@@@@ ?@@@@@ @@@@@? @@@@ 3@@@ ?@@@ @@@@@?
I4@@@@@@@@@6X?he?@@@@@@? ?N@@@@@@@?e?N@@@LhJ@@@g?J@@@@@? @@@@@@L?h@@@? V'@@@@@@@@ @@@? @@@@ ?@@@@@ ?@@@@? ?@@@1? @@@@ N@@@@? ?@@@@@L? ?@@@@@ @@@@@? @@@@ N@@@L? ?@@@L? @@@@@?
I'@@@@@@@@)XheJ@@@@@@? @@@@@@@Lf@@@1h7@@@g?7@@@@@? 3@@@@@1?h@@@? ?N@@@@@@@@L? ?J@@@? @@@@ ?@@@@@ ?@@@@? ?@@@@? @@@@ ?@@@@? ?@@@@@1? ?@@@@@ @@@@@? @@@@ ?@@@1? ?@@@1? @@@@@L
?V'@@@@@@@@)K?h7@@@@@@? 3@@@@@@1f@@@@h@@@5g?@@@@@@? N@@@@@@?h@@@L @@@@@@@@1? ?7@@@? @@@@ ?3@@@@ ?3@@@L ?@@@@? @@@@ ?@@@@? ?@@@@@@? ?@@@@@L? @@@@@? @@@@ ?@@@@? ?3@@@? 3@@@@1
V'@@@@@@@@@6X?g3@@@@@@? N@@@@@@@L?e3@@@L?f?J@@@Hg?@@@@@@? ?@@@@@@Lh3@@1 @@@@@@@@@? ?@@@@? @@@@ ?N@@@@ ?N@@@1 ?@@@@? 3@@@L? ?@@@@? ?@@@@@@? ?3@@@@1? @@@@@? @@@@ ?@@@@? ?N@@@? N@@@@@
?V4@@@@@@@@@)KgN@@@@@@L ?@@@@@@@1?eN@@@1?f?7@@@?gJ@@@@@@? ?3@@@@@1hN@@@ 3@@@@@@@@L ?@@@@? @@@@ @@@@ @@@@ ?3@@@? N@@@1? ?@@@@? ?3@@@@@? ?N@@@@@? 3@@@@? 3@@@ ?3@@@? @@@? ?3@@@@
?I'@@@@@@@@@6KfJ@@@@@@)X? ?3@@@@@@@?e?@@@@Lf?@@@@?g7@@@@@@? ?N@@@@@@h?@@@L? N@@@@@@@@1 ?@@@5? @@@@ @@@@L? @@@@ ?N@@@? ?@@@@? ?@@@@? ?N@@@@@? @@@@@? N@@@@L N@@@L? ?N@@@? @@@? ?N@@@@L?
V4@@@@@@@@@@6K?O&@@@@@@@1? ?N@@@@@@@?e?3@@@1f?@@@@?g@@@@@@@? @@@@@@h?@@@1? ?@@@@@@@@@ ?@@@H? @@@@ @@@@1? @@@@ @@@? ?@@@@? ?@@@@L @@@@@L @@@@@? ?@@@@1 ?@@@1? @@@? @@@L @@@@1?
I'@@@@@@@@@@@@@@@@@@@@@? @@@@@@@Le?N@@@@f?@@@5?g@@@@@@@? 3@@@@@L?g?@@@@? ?@@@@@@@@@ ?@@@ @@@@ @@@@@? @@@@L? @@@? ?@@@@? ?@@@@1 @@@@@1 @@@@@? ?@@@@@L? ?@@@@? @@@L @@@1 @@@@@?
?V'@@@@@@@@@@@@@@@@@@@5? @@@@@@@1f3@@@fJ@@@H?f?J@@@@@@@L N@@@@@1?g?@@@@? J@@@@@@@@@ J@@@ @@@@ @@@@@? @@@@1? @@@L ?3@@@? ?3@@@@ @@@@@@ 3@@@@L ?@@@@@@? ?@@@@? @@@1 @@@@ @@@@@L
V4@@@@@@@@@@@@@@@@@(Y? 3@@@@@@@fN@@@L?e7@@@g?7@@@@@@@1 ?@@@@@@?g?@@@@? @@@@@@@@@@L? 7@@@ @@@@ @@@@@? @@@@@? @@@1 ?N@@@? ?N@@@@ @@@@@@ N@@@@1 ?@@@@@H? ?@@@@? @@@@ 3@@@ 3@@@@1
I4@@@@@@@@@@@@@@@H N@@@@@@@L?e?@@@1?e@@@@g?3@@@@@@@@ ?3@@@@@?g?3@@@L N@@@@@@@@@1? @@@@ @@@@ @@@@@? 3@@@@? @@@@ @@@L @@@@ 3@@@@@ ?@@@@@ ?@@@@@ ?@@@@? 3@@@ N@@@ N@@@@@
I'@@@@@@@@@@@@@? ?3@@@@@@1?e?@@@@??J@@@5g?V'@@@@@@@L? ?N@@@@@?g?N@@@1 ?@@@@@@@@@@?hf?O@K O26K?O26X? @@@5 3@@@ @@@@@? N@@@@? @@@@ @@@1 @@@@ N@@@@@ ?@@@@@ ?@@@@@L? ?3@@@? N@@@ ?@@@ ?@@@@@L?
?V'@@@@@@@@@@@@? ?N@@@@@@@?e?3@@@L?7@@@HhV'@@@@@@1? @@@@@Lh3@@@L? ?3@@@@@@@@@?g?W2@@@@@@@@@@@@@@@@@@@@@@@@@g?@@@@@@@@@1?g?@@@@@@@6?2@@@@@@@@@@@@@@@@@@@@@@@@H N@@@ 3@@@@? ?@@@@? @@@@ @@@@ @@@@ ?@@@@@ ?@@@@@ ?@@@@@1? ?N@@@? ?@@@ ?@@@L? ?@@@@@1?
V4@@@@@@@@@@@? 3@@@@@@?e?N@@@)X@@@@?h?N@@@@@@@L @@@@@1hN@@@1? ?N@@@@@@@@@Lg?7@@@@@@@@@@@@@@@@@@@@@@@@@@g?@@@@@@@@@@?g?@@@@@@@@@@@@@@@@@@@@@@@@@@@@@@@@@@? ?@@@ N@@@@? ?@@@@? 3@@@ @@@@ 3@@@L? ?@@@@@L? ?@@@@@L? ?@@@@@@? @@@L ?@@@ ?@@@1? ?@@@@@@?
I4@@@@@@@@@? N@@@@@@Lf@@@@@@@@@?he3@@@@@@1 3@@@@@h?@@@@? @@@@@@@@@1g?@@@@@@@@@@@@@@@@@@@@@@@@@@@g?@@@@@@@@@@?g?@@@@@@@@@@@@@@@@@@@@@@@@@@@@@@@@@@? ?@@@ ?@@@@? ?@@@@? N@@@L? 3@@@ N@@@1? ?@@@@@1? ?3@@@@1? ?@@@@@@? @@@1 ?@@@ ?@@@@? ?3@@@@@?
?I40?40M ?@@@@@@1f3@@@@@@@5?heN@@@@@@@ N@@@@@L?g?@@@@? @@@@@@@@@@g?@@@@@@@@@0M I@M? I40MheI40Mhe?I4@@? ?@@@ ?@@@@? ?@@@@? ?@@@1? N@@@ ?@@@@? ?@@@@@@? ?N@@@@@? ?@@@@@@? @@@@ ?@@@ ?@@@@? ?N@@@@@?
?3@@@@@@L?eN@@@@@@0Y?he?@@@@@@@ ?@@@@@1?g?@@@@L 3@@@@@@@@@g?@@@@? ?@@@ ?@@@@L ?@@@@L ?@@@@? ?@@@ ?@@@@? ?@@@@@@? @@@@@? ?@@@@@@? @@@@ ?3@@ ?3@@@? @@@@@?
?N@@@@@@1?e?@@@@? ?3@@@@@@ ?@@@@@5?g?3@@@1 N@@@@@@@@@L?f?@@@5? ?@@@ ?@@@@1 ?3@@@1 ?@@@@? ?@@@ ?@@@@? ?3@@@@@? @@@@@? ?@@@@@@? @@@@ ?N@@L? ?N@@@? @@@@@L
@@@@@@@?e?3@@@L ?N@@@@@@L? ?3@@@(Y?g?N@@@@ ?@@@@@@@@@1?f?@@@H? ?@@@ ?@@@@@ ?N@@@@ ?@@@@? ?@@@L? ?@@@@? ?N@@@@@? @@@@@? ?3@@@@@? @@@@ @@@? @@@L 3@@@@1
3@@@@@@Le?N@@@1 @@@@@@1? ?V'@@Hhe@@@@ ?@@@@@@@@@@?fJ@@@ ?@@@ ?@@@@@ @@@@ ?3@@@? ?@@@1? ?@@@@? @@@@@? 3@@@@L ?N@@@@@? 3@@@ @@ @@@1 N@@@@@
N@@@@@@1f@@@@ @@@@@@@? N@@?he3@@@ ?@@@@@@@@@@Lf7@@5 ?@@@ ?@@@@@ @@@@ ?N@@@L ?@@@@? ?3@@@L @@@@@? N@@@@1 @@@@@? N@@@L? @@1? @@@@ ?@@@@@L?
?3@@@@@@f3@@@L? 3@@@@@@? ?@@LheN@@@L? ?3@@@@@@@@@)X?e@@@H ?@@@ ?@@@@@ @@@@ @@@1 ?@@@@? ?N@@@1 @@@@@? ?@@@@@ @@@@@? ?@@@1? @@@? 3@@@ ?@@@@@1?
?N@@@@@@fN@@@1? N@@@@@@L J@@1he?@@@1? ?N@@@@@@@@@@)Ke@@@? ?@@@ ?@@@@@ @@@@L? @@@@ ?3@@@? @@@@ @@@@@? ?@@@@@ @@@@@? ?@@@@? @@@? N@@@ ?3@@@@@?
@@@@@@L?e?@@@@? ?@@@@@@1 ?W&@@@he?@@@@? @@@@@@@@@@@@@@@@@? ?@@@ ?3@@@@ @@@@1? @@@@ ?N@@@L @@@@ @@@@@? ?@@@@@ @@@@@? ?@@@@? @@@? ?@@@ ?N@@@@@?
@@@@@@1?e?@@@@L ?@@@@@@@ ?7@@@@he?@@@@L 3@@@@@@@@@@@@@@@@? ?@@@L? ?N@@@@ @@@@@? @@@@ @@@1 @@@@L? @@@@@? ?@@@@@ @@@@@? ?@@@@? 3@@L ?@@@ @@@@@?
@@@@@@@?e?3@@@1 ?3@@@@@@L? ?@@@@5he?@@@@1 N@@@@@@@@@@@@@@@5? ?@@@1? @@@@ @@@@@? @@@@ @@@@ @@@@1? @@@@@L ?3@@@@ @@@@@? ?3@@@? ?@@@ ?@@@L? @@@@@L
3@@@@@@Le?N@@@@ ?N@@@@@@1? J@@@@Hhe?3@@@@ ?@@@@@@@@@@@@@@@H? ?@@@@? @@@@L? 3@@@@? @@@@ @@@@ @@@@@? 3@@@@1 ?N@@@@L? @@@@@L ?N@@@? @@@? ?@@@1? @@@@@1
N@@@@@@1f@@@@L? @@@@@@@L 7@@@@?he?N@@@@ ?3@@@@@@@@@@@@@@ ?@@@@? @@@@1? N@@@@? @@@@L? @@@@ 3@@@@? N@@@@@ @@@@1? @@@@@1 @@@L N@@1 ?@@@@? 3@@@@@
?@@@@@@@f3@@@1? 3@@@@@@1 @@@@@?hf@@@@L? ?N@@@@@@@@@@@@@@ ?@@@@? @@@@@? ?@@@@? 3@@@1? 3@@@ N@@@@? ?@@@@@ @@@@@? @@@@@@ @@@1 ?@@@ ?@@@@? N@@@@@L?
?@@@@@@@fN@@@@? N@@@@@@@ ?J@@@@@?hf3@@@1? @@@@@@@@@@@@@@ ?@@@@? @@@@@? ?@@@@? N@@@@? N@@@L? ?@@@@? ?@@@@@ @@@@@? 3@@@@@ @@@@ ?@@@ ?3@@@? ?@@@@@1?
?3@@@@@@L?e?@@@@L ?@@@@@@@ ?7@@@@@?hfN@@@@? @@@@@@@@@@@@@5 ?@@@@? @@@@@? ?@@@@? ?@@@@? ?@@@1? ?@@@@? ?@@@@@ 3@@@@L N@@@@@ @@@@ ?@@@ ?N@@@? ?@@@@@@?
?N@@@@@@1?e?@@@@1 ?@@@@@@@ ?@@@@@5?hf?3@@@? 3@@@@@@@@@@@@H ?@@@@? @@@@@? ?@@@@L ?@@@@? ?@@@@? ?@@@@L ?@@@@@L? N@@@@1 ?@@@@@ @@@@ ?@@@L? @@@? ?3@@@@@?
3@@@@@@Le?3@@@@ ?3@@@@@@L? ?@@@@@H?hf?N@@@L N@@@@@@@@@@@5? ?@@@@? @@@@@? ?3@@@1 ?@@@@? ?@@@@? ?@@@@1 ?@@@@@1? ?@@@@@ ?@@@@@ 3@@@ ?@@@1? @@@L ?N@@@@@L
N@@@@@@1e?N@@@@ ?N@@@@@@1? J@@@@@ @@@1 ?@@@@@@@@@@@H? ?3@@@? @@@@@? ?N@@@@ ?@@@@? ?3@@@? ?@@@@@ ?@@@@@@? ?@@@@@ ?@@@@@ N@@@ ?3@@@? @@@1 @@@@@1
?@@@@@@@L?e@@@@L? @@@@@@@? 7@@@@@ @@@@ ?3@@@@@@@@@@ ?N@@@? 3@@@@? @@@@ ?@@@@L ?N@@@? ?3@@@@ ?@@@@@@? ?@@@@@L? ?@@@@@ ?@@@ ?N@@@? @@@@ @@@@@@
?@@@@@@@1?e3@@@1? 3@@@@@@? @@@@@@ 3@@@L? ?N@@@@@@@@@@ @@@? N@@@@? @@@@ ?3@@@@ @@@L ?N@@@@ ?3@@@@@? ?@@@@@1? ?@@@@@ ?@@@ @@@? @@@@ @@@@@@
?3@@@@@@@?eN@@@@? N@@@@@@L @@@@@@ N@@@1? 3@@@@@@@@@ @@@? ?@@@@? @@@@L? ?N@@@H @@@1 @@@@ ?N@@@@@? ?3@@@@@? ?@@@@@ ?@@@L? @@@? 3@@@ 3@@@@@L?
?N@@@@@@@?e?@@@@? ?@@@@@@1 @@@@@@ ?@@@@? N@@@@@@@@@ @@@? ?@@@@L @@@@1? @@@L @@@@ @@@@ @@@@@? ?N@@@@@? ?@@@@@ ?@@@1? @@@? N@@@ N@@@@@1?
@@@@@@@?e?@@@@L ?3@@@@@@ @@@@@5 ?@@@@? ?@@@@@@@@@ @@@? ?@@@@1 3@@@@? @@@1 @@@@ @@@@ @@@@@L @@@@@? ?3@@@@ ?@@@@? @@@? ?@@@L? ?@@@@@@?
3@@@@@@Le?3@@@1 ?N@@@@@@L? ?J@@@@@H ?@@@@L ?@@@@@@@@@ @@@? ?@@@@@ N@@@@? 3@@@ @@@@ @@@@L? @@@@@1 @@@@@? ?N@@@@L? ?3@@@? @@@L ?@@@1? ?3@@@@@?
N@@@@@@1e?N@@@@ @@@@@@1? ?7@@@@@? ?3@@@1 ?@@@@@@@@@ @@@? ?@@@@@ ?@@@@? N@@@ @@@@L? 3@@@1? @@@@@@ 3@@@@L @@@@1? ?N@@@? 3@@1 ?3@@@? ?N@@@@@?
?3@@@@@@L?e@@@@L? @@@@@@@? ?@@@@@@? ?N@@@@ ?3@@@@@@@@L? @@@L ?@@@@@ ?@@@@? ?@@@ 3@@@1? N@@@@? 3@@@@@ N@@@@1 @@@@@? @@@? N@@@ ?N@@@? @@@@@L
?N@@@@@@1?e3@@@1? 3@@@@@@L ?@@@@@@? 3@@@ ?N@@@@@@@@1? @@@1 ?@@@@@ ?@@@@? ?@@@L? N@@@@? ?@@@@? N@@@@@ ?@@@@@ @@@@@? @@@? ?@@@ @@@? @@@@@1
@@@@@@@?eN@@@@? N@@@@@@1 J@@@@@5? N@@@L? @@@@@@@@@? @@@@ ?@@@@@ ?3@@@? ?@@@1? ?@@@@? ?@@@@? ?@@@@@ ?@@@@@L? @@@@@? @@@L ?@@@L? @@@? 3@@@@@
3@@@@@@Le?@@@@L ?3@@@@@@ 7@@@@@H? ?@@@1? @@@@@@@@@? @@@@ ?3@@@@ ?N@@@L ?@@@@? ?@@@@? ?@@@@? ?@@@@@ ?@@@@@1? @@@@@? @@@1 ?@@@1? 3@@L N@@@@@L?
N@@@@@@1e?3@@@1 ?N@@@@@@L? @@@@@@ ?@@@@? @@@@@@@@@? @@@@ ?N@@@@L? @@@1 ?@@@@? ?@@@@? ?3@@@L ?@@@@@ ?3@@@@@? @@@@@? @@@@ ?3@@@? N@@1 ?@@@@@1?
?3@@@@@@e?N@@@@ @@@@@@1? @@@@@@ ?3@@@? 3@@@@@@@@? @@@@ @@@@1? @@@@ ?@@@@? ?@@@@? ?N@@@1 ?@@@@@ ?N@@@@@? @@@@@? @@@@ @@@? ?@@@ ?@@@@@@?
?N@@@@@@L?e@@@@L? 3@@@@@@? @@@@@@ ?N@@@? N@@@@@@@@L 3@@@ ?J@@@@5? @@@@ ?@@@@? ?3@@@L @@@@ ?@@@@@L? @@@@@? @@@@@? @@@@ ?@@@@L ?@@@ ?3@@@@@?
?@hf@@@@@@1?e@@@@1? N@@@@@@? ?J@@@@@5 @@@L ?@@@@@@@@1 N@@@ ?@@@@@ @@@@ ?3@@@L ?N@@@1 @@@@ ?3@@@@1? @@@@@? 3@@@@L 3@@@ ?N@@@@ ?@@@ ?N@@@@@?
@@@@@@@Le3@@@@? ?@@@@@@L ?7@@@@@H @@@1 ?@@@@@@@@@ ?@@@ ?N@@@@1? @@@@ ?N@@@1 @@@@ @@@@ ?N@@@@@? @@@@@? ?@@@@1 N@@@ @@@H ?@@@ @@@@@L
3@@@@@@1eN@@@@L ?3@@@@@1 ?@@@@@@? 3@@@L? ?@@@@@@@@@L? ?@@@ @@@@@? @@@@L? @@@@ @@@@ @@@@ @@@@@? @@@@@L @@@@@@ ?@@@L? @@@? ?@@@L? @@@@@1
N@@@@@@@e?3@@@1 ?N@@@@@@ ?@@@@@@? N@@@1? ?@@@@@@@@@1? ?@@@ @@@@@? @@@@1? @@@@ @@@@ @@@@L? @@@@@? 3@@@@1 N@@@@@ ?@@@1? @@@? ?@@@1? @@@@@@
?@@@@@@@e?N@@@@ 3@@@@@L? ?@@@@@@? ?@@@@? J@@@@@@@@@@? ?@@@ @@@@@? 3@@@@? @@@@ @@@@ @@@@1? @@@@@? N@@@@@L? ?@@@@@ ?@@@@? @@@L ?@@@@? 3@@@@@
?@@@e?@@@@@@@L?e3@@@L? N@@@@@1? J@@@@@@? ?@@@@? 7@@@@@@@@@@? ?@@@ @@@@@? N@@@@? 3@@@ @@@@L? 3@@@@? @@@@@? ?@@@@@1? ?@@@@@ ?@@@@? @@@1 ?3@@@? N@@@@@
?@@@e?3@@@@@@1?eN@@@1? ?3@@@@@L 7@@@@@5? ?3@@@L @@@@@@@@@@@L ?@@@ @@@@@? ?@@@@? N@@@ 3@@@1? N@@@@? @@@@@? ?@@@@@@? ?@@@@@ ?@@@@? @@@@ ?N@@@? ?@@@@@L?
J@@@e?N@@@@@@@?e?@@@@L ?N@@@@@1 @@@@@@H? ?N@@@1 @@@@@@@@@@@1 ?@@@ @@@@@? ?@@@@? ?@@@L? N@@@@? ?@@@@? @@@@@L ?3@@@@@? ?@@@@@ ?@@@@? @@@@ @@@? ?@@@@@1?
7@@5f@@@@@@@Le?3@@@1 @@@@@@ @@@@@@ @@@@ @@@@@@@@@@@@ ?@@@L? 3@@@@? ?3@@@? ?@@@1? ?@@@@? ?@@@@? @@@@@1 ?N@@@@@? ?@@@@@ ?3@@@? 3@@@ @@@? ?3@@@@@?
@@@Hf@@@@@@@1e?N@@@@ @@@@@@L? @@@@@@ 3@@@ ?J@@@@@@@@@@@@L? ?@@@1? N@@@@? ?N@@@L ?@@@@? ?@@@@? ?@@@@L @@@@@@ @@@@@? ?@@@@@ ?N@@@? N@@@L? @@@? ?N@@@@@?
@@@?f3@@@@@@@f@@@@ @@@@@@1? @@@@@@ N@@@L? ?7@@@@@@@@@@@@1? ?@@@@? ?@@@@L @@@1 ?@@@@? ?@@@@? ?@@@@1 3@@@@@ @@@@@? ?3@@@@L? @@@? ?@@@1? @@@L @@@@@L
?J@@@?fN@@@@@@@L?e3@@@L? 3@@@@@@? ?J@@@@@@ ?@@@1? ?@@@e@@@@@@@@@? ?@@@@? ?@@@@1 @@@@ ?@@@@? ?@@@@L ?@@@@@ N@@@@@ @@@@@? ?N@@@@1? @@@L ?@@@@? @@@1 @@@@@1
?7@@@?f?3@@@@@@1?eN@@@1? N@@@@@@? ?7@@@@@@ ?@@@@? ?@@5e@@@@@@@@@? ?@@@@? ?@@@@@ @@@@ ?@@@@? ?3@@@1 ?3@@@@ ?@@@@@ @@@@@L @@@@5? @@@1 ?@@@@? 3@@@ @@@@@@
?@@@@?f?N@@@@@@@?e?@@@@? ?@@@@@@L ?@@@@@@5 ?@@@@L J@@He@@@@@@@@@? ?@@@@? ?@@@@@ @@@@ ?3@@@? ?N@@@@ ?N@@@@ ?@@@@@ @@@@@1 @@@@H? @@@@ ?@@@@L N@@@ 3@@@@@L?
J@@@@?g@@@@@@@?e?3@@@? ?3@@@@@1 ?@@@@@@H W-X?f?@@@@1 W-X?g7@5?e3@@@@@@@@L ?@@@@? ?@@@@@ @@@@ ?N@@@? @@@@ @@@@ ?@@@@@ 3@@@@@ @@@@L? @@@@ ?3@@@1 ?@@@ N@@@@@1?
7@@@@?g@@@@@@@Le?N@@@L ?N@@@@@@ J@@@@@@? 7@1?f?3@@@@ 7@)Xg@@H?eN@@@@@@@@1 ?@@@@? ?@@@@@ @@@@ @@@? @@@@ @@@@ ?@@@@@ N@@@@@ @@@@1? 3@@@ ?N@@@@ ?@@@ ?@@@@@@?
@@@@5?g@@@@@@@1f@@@1 @@@@@@L? 7@@@@@@? @@@Lf?N@@@@ 3@@1g@5f?@@@@@@@@@ ?@@@@? ?@@@@@ @@@@ @@@? @@@@ @@@@L? ?@@@@@L? ?@@@@@ @@@@@? N@@@ @@@@L? ?@@@L? ?@@@@@@?
@@@@H?g3@@@@@@@L?e3@@@ @@@@@@1? @@@@@@5?hW2@?g@@@1g@@@@ N@@@g@Hf?@@@@@@@@@ ?@@@@? ?@@@@@ @@@@L? @@@L @@@@ @@@@1? ?@@@@@1? ?@@@@@ @@@@@? ?@@@ @@@@1? ?@@@1? ?3@@@@@?
@@@5hN@@@@@@@1?eN@@@ 3@@@@@@? @@@@@@H?h7@@?g@@@@g@@@@L? ?@@@g@?f?3@@@@@@@@ ?@@@@? ?@@@@@ 3@@@1? @@@1 3@@@L? 3@@@@? ?3@@@@@? ?@@@@@ @@@@@? ?@@@ @@@@5? ?@@@5? ?N@@@@@L
@@@Hh?3@@@@@@@?e?@@@L? N@@@@@@L @@@@@@he@@@?g@@@@L?f3@@@1? ?@@@f?J@?f?N@@@@@@@@L? ?3@@@? ?3@@@@ N@@@@? 3@@@ N@@@1? N@@@@? ?N@@@@@? ?3@@@@L? @@@@@? ?@@@ @@@@H? ?@@@ @@@@@1
?J@@@?h?V'@@@@@@?e?@@@1? ?@@@@@@1hf?J@@@@@@he@@@?g@@@@1?fN@@@@L ?3@@L?e?7@?g@@@@@@@@1? ?N@@@? ?N@@@@ ?@@@@? N@@@ ?@@@@? ?@@@@? @@@@@? ?N@@@@1? @@@@@? ?@@@ @@@@ ?3@@1? 3@@@@@
?7@@@?heN@@@@@@Le?3@@@L ?3@@@@@@hf?7@@@@@@he@@@?g@@@@@?f?@@@@1 ?N@@1?e?@@?g@@@@@@@@@? @@@L @@@@L? ?@@@@? ?@@@ ?@@@@? ?@@@@L @@@@@? @@@@@? 3@@@@L ?@@@L? 3@@@ ?N@@@? N@@@@@
?@@@@?he?@@@@@@1e?N@@@1 ?N@@@@@@L?he?@@@@@@5he@@5?f?J@@@@@?f?3@@@@L? @@@?e?@@?g3@@@@@@@@L @@@1 @@@@1? ?3@@@? ?@@@ ?@@@@? ?@@@@1 @@@@@? @@@@@? N@@@@1 ?@@@1? N@@@ @@@? ?@@@@@
?@@@5?he?@@@@@@@f@@@@ 3@@@@@1?he?@@@@@@Hhe@@H?f?7@@@@@Lf?N@@@@1? 3@@?eJ@@?gN@@@@@@@@1 @@@@ @@@@@? ?N@@@? ?@@@ ?@@@@? ?@@@@@ @@@@@L @@@@@? ?@@@@5 ?@@@@? ?@@@ @@@L ?@@@@@L?
J@@@H?he?3@@@@@@L?e3@@@ N@@@@@@?he?@@@@@@?he@@g?@@@@@@1g@@@@@? N@@Le7@5?g?@@@@@@@@@ @@@@ @@@@@? @@@L ?@@@L? ?@@@@L ?3@@@@ @@@@@1 @@@@@? ?@@@@? ?@@@@? ?@@@ @@@1 ?@@@@@1?
7@@@hf?N@@@@@@1?eN@@@L? ?@@@@@@?he?@@@@@@?he@@g?@@@@@@@g@@@@@? ?@@1e@@H?g?@@@@@@@@@ @@@@ @@@@@? @@@1 ?@@@1? ?3@@@1 ?N@@@@ 3@@@@@ @@@@@L ?@@@@1 ?3@@@? ?@@@ @@@@ ?@@@@@@?
@@@@ @@@@@@@?e?@@@1? ?@@@@@@Lhe?@@@@@@?h?J@@g?@@@@@@@L?f@@@@@? ?@@@e@@h?3@@@@@@@@L? @@@@ @@@@@? @@@@ ?@@@@? ?N@@@@ @@@@ N@@@@@ 3@@@@1 ?@@@@@ ?N@@@? ?@@@L? 3@@@ ?3@@@@@L
@@@? @@@5 3@@@@@@Le?3@@@? ?3@@@@@1heJ@@@@@5?h?7@5g?@@@@@@@1?f3@@@@L ?3@@L?@@h?N@@@@@@@@1? @@@@ @@@@@? @@@@ ?3@@@? @@@@ @@@@ ?@@@@@ N@@@@@ ?@@@@@ @@@L ?@@@1? N@@@ ?N@@@@@1
@@5? @@@H N@@@@@@1e?N@@@L ?N@@@@@@he7@@@@@H?h?@@Hg?@@@@@@@@?fN@@@@1 ?N@@)X@@he3@@@@@@@@? @@@@ @@@@@? @@@@ ?N@@@L @@@@ @@@@ ?@@@@@ ?@@@@@ ?@@@@@ @@@1 ?@@@@? ?@@@ @@@@@@
@0Y? ?J@@@? ?3@@@@@@f@@@1 @@@@@@L?h@@@@@@he?@@?g?@@@@@@@@Lf?3@@@@ @@@@@@heN@@@@@@@@? @@@@ @@@@@L @@@@L? @@@1 3@@@ @@@@L? ?@@@@@ ?@@@@@ ?@@@@@ @@@@ ?@@@@? ?@@@L? @@@@@@
?7@@@? ?N@@@@@@L?e3@@@ 3@@@@@1?h@@@@@@he?@@?gJ@@@@@@@@1f?N@@@@L? @@@@@5he?@@@@@@@@L @@@@ @@@@@1 3@@@1? @@@@ N@@@L? @@@@1? ?@@@@@L? ?3@@@@L? ?@@@@@ @@@@ ?@@@@? ?@@@1? 3@@@@@
?@@@5? @@@@@@1?eN@@@L? N@@@@@@?g?J@@@@@@heJ@@?g7@@@@@@@@@g@@@@1? 3@@@@Hhe?@@@@@@@@1 @@@@ @@@@@@ N@@@@? @@@@ ?@@@1? 3@@@@? ?@@@@@1? ?N@@@@1? ?@@@@@ @@@@ ?@@@@? ?@@@@? N@@@@@L?
?@@@H? @@@@@@@?e?@@@1? ?@@@@@@?g?7@@@@@@he7@@?g@@@@@@@@@@g3@@@@? N@@@@?he?@@@@@@@@@ @@@@ 3@@@@@ ?@@@@? @@@@ ?@@@@? N@@@@? ?3@@@@@? @@@@@? ?@@@@@ @@@@ ?3@@@? ?@@@@? ?@@@@@1?
J@@@ @@@@@@@?e?@@@@L ?3@@@@@Lg?@@@@@@5he@@5?g@@@@@@@@@@L?fN@@@@? ?@@@@?he?3@@@@@@@@ 3@@@ N@@@@@ ?@@@@? @@@@ ?@@@@? ?@@@@L ?N@@@@@? @@@@@? ?@@@@@ @@@@ ?N@@@? ?@@@@? ?@@@@@@?
7@@@ 3@@@@@@Le?3@@@1 ?N@@@@@1g?@@@@@@Hhe@@H?g@@@@@@@@@@1?f?@@@@? ?3@@@?he?N@@@@@@@@L? N@@@ ?@@@@@ ?@@@@? 3@@@ ?@@@@? ?@@@@1 @@@@@? @@@@@? ?3@@@@L? 3@@@ @@@? ?3@@@? ?@@@@@@?
@@@@ N@@@@@@1e?N@@@@ @@@@@@g?@@@@@@?he@@g?J@@@@@@@@@@@?f?@@@@L ?N@@@?hf@@@@@@@@1? ?@@@L? ?@@@@@ ?@@@@? N@@@ ?@@@@L ?@@@@@ @@@@@? 3@@@@L ?N@@@@1? N@@@ @@@? ?N@@@L ?3@@@@@L
@@@5 ?3@@@@@@f@@@@ 3@@@@@L?f?@@@@@@?he@@g?7@@@@@@@@@@@?f?@@@@1 @@@?hf@@@@@@@@@? ?@@@1? ?@@@@@ ?@@@@L ?@@@L? ?@@@@1 ?@@@@@ @@@@@? N@@@@1 @@@@@? ?@@@ @@@? @@@1 ?N@@@@@1
?J@@@H ?N@@@@@@L?e3@@@L? N@@@@@1?fJ@@@@@@?h?J@@g?@@@@@@@@@@@@Lf?3@@@@ @@@Lhf@@@@@@@@@L ?@@@@? ?@@@@@ ?3@@@1 ?@@@1? ?3@@@@ ?3@@@@ @@@@@L ?@@@@@ @@@@@? ?@@@ @@@L @@@@ @@@@@@
?7@@@? @@@@@@1?eN@@@1? ?@@@@@@Lf@@@@@@5?h?7@@g?@@@@@e@@@@@1f?V'@@@ ?J@@@1hf@@@@@@@@@1 ?@@@@? ?@@@@@ ?N@@@@ ?@@@@? ?N@@@@ ?N@@@@ @@@@@1 ?@@@@@ @@@@@? ?@@@ 3@@1 @@@@ @@@@@@
?@@@5? 3@@@@@@Le?@@@@? ?3@@@@@1f?@@@@(Y?h?@@5gJ@@@@@e3@@@@@gN@@@ O&@@@@g?O@?2@@@@@@@@@@@ ?@@@@? ?@@@@@ @@@@ ?@@@@? @@@@ @@@@ @@@@@@ ?@@@@@ @@@@@? ?@@@L? N@@@ @@@@ 3@@@@@L?
?@@@H? N@@@@@@1e?3@@@? ?N@@@@@@f7@@@@Hhe?@@Hg7@@@@@eN@@@@@g?@@@ ?@@6K??O2@@@@@@@@@@@@@@@@@@@@@@@@@@@@@@@@@ ?@@@@? ?3@@@@L? @@@@ ?@@@@? @@@@ @@@@ 3@@@@@ ?3@@@@ @@@@@? ?@@@1? ?@@@ @@@@ N@@@@@1?
J@@@ ?@@@@@@@e?N@@@? @@@@@@L?e@@@@@?heJ@@?g@@@@@5e?@@@@@L?f?@@@L? ?3@@@@@@@@@@@@@@@@@@@@@@@@@@@@@@@@@@@@@@@@L? ?@@@@? ?N@@@@1? @@@@ ?3@@@? @@@@ @@@@L? N@@@@@ ?N@@@@ @@@@@? ?@@@@? ?@@@ @@@@ ?@@@@@@?
7@@@ ?@@@@@@@L?e@@@L @@@@@@1??J@@@@@?he7@@?g@@@@@He?3@@@@1?f?3@@1? ?V40M?I@?4@@@@@@@@@@@(?40M?I4@@@@@@@@@@@@@1? ?@@@@? @@@@@? @@@@ ?N@@@? 3@@@L? @@@@1? ?@@@@@ @@@@L? 3@@@@? ?3@@@? ?@@@ 3@@@L? ?@@@@@@?
@@@@ ?3@@@@@@1?e3@@1 3@@@@@@??7@@@@@?he@@@?g@@@@@?e?N@@@@@?f?N@@@L I'@@@@@?heI'@@@@@@@@@L ?@@@@? @@@@@? @@@@L? @@@L N@@@1? @@@@@? ?@@@@@ @@@@1? N@@@@? ?N@@@? ?@@@ N@@@1? ?@@@@@@?
@@@@ ?N@@@@@@@?eN@@@L? N@@@@@@??@@@@@@?he@@5?f?J@@@@@?f@@@@@Lg@@@1 ?V'@@@@1he?N@@@@@@@@@1 ?@@@@? @@@@@? 3@@@1? @@@1 ?@@@@? 3@@@@? ?@@@@@ @@@@@? ?@@@@? @@@L ?@@@ ?@@@@? ?@@@@@@L
?J@@@@ @@@@@@@Le?@@@1? ?3@@@@@??@@@@@@?he@@H?f?7@@@@@?f@@@@@1g@@@@ N@@@@@hf3@@@@@@@@@ ?@@@@? @@@@@? N@@@@? @@@@ ?@@@@? N@@@@? ?@@@@@L? @@@@@? ?@@@@L @@@@ ?@@@L? ?@@@@? ?3@@@@@1
?7@@@5 3@@@@@@1e?3@@@? ?N@@@@@@@@@@@@@?he@@g?@@@@@@?f@@@@@@g3@@@ ?3@@@@hfN@@@@@@@@@L? ?@@@@? @@@@@? ?@@@@? @@@@ ?@@@@? ?@@@@? ?@@@@@1? 3@@@@? ?@@@@1 @@@H ?@@@1? ?@@@@? ?N@@@@@@
?@@@@H N@@@@@@@e?N@@@L @@@@@@@@@@@@5?h?J@@g?@@@@@@?f@@@@@@L?fN@@@L? ?V4@@@hf?@@@@@@@@@)X ?@@@@? @@@@@? ?@@@@? @@@@ ?@@@@? ?@@@@L ?@@@@@@? N@@@@L ?@@@@@ @@@? ?@@@@? ?3@@@? @@@@@@
?@@@@? ?@@@@@@@L?e@@@1 @@@@@@@@@@@@H?eW-X?e?7@@g?@@@@@5?f3@@@@@1?f?@@@1? ?@@@@@@@@@@1 ?@@@@? @@@@@? ?@@@@? @@@@ ?@@@@? ?@@@@1 ?@@@@@@? ?@@@@1 ?@@@@@ @@@? ?3@@@? ?N@@@L 3@@@@@L?
?@@@5? ?3@@@@@@)Xe@@@@L? 3@@@@@@@@@@@f7@)Xe?@@5g?@@@@@H?fN@@@@@@?f?@@@@? ?@@@@@@@@@@@ ?@@@@? 3@@@@? ?@@@@? 3@@@L? ?3@@@? ?@@@@@ ?3@@@@@? ?@@@@@ ?@@@@@ @@@L ?N@@@? @@@1 N@@@@@1?
J@@@H? ?N@@@@@@@1e3@@@1? N@@@@@@@@@@@f@@@)X??@@HgJ@@@@@g?@@@@@@Lf?3@@@L ?3@@@@@@@@@@ ?@@@@? N@@@@? ?3@@@L N@@@1? ?N@@@? ?@@@@@ ?N@@@@@? ?@@@@@ ?@@@@@ 3@@1 @@@? @@@@ ?@@@@@@?
7@@@ @@@@@@@@L?N@@@@? ?@@@@@@@@@@@f3@@@1?J@@?g7@@@@@g?@@@@@@1g@@@1 @@@@@@@@@@L? W2@@@@@@@@@@@@@@6Khe?O2@@@@@@@@@@@@6K?fO@K?hf?O@K ?3@@@? J@@@@? ?N@@@1 ?@@@@? @@@L ?@@@@@ @@@@@? ?@@@@@ ?@@@@@ N@@@ @@@L @@@@ ?3@@@@@?
@@@@ 3@@@@@@@1??@@@@L ?@@@@@@@@@@@fN@@@@W&@@?g@@@@@@g?3@@@@@@f?7@@@@ ?7@@@@@@@@@@1? ?W&@@@@@@@@@@@@@@@@@@@@@@@@@@@@@@@@@@@@@@@@@@@@@@@@@@@@@@@@@@@@@@@@@@@@@@@@@@@@@@@@@@@@@@@@@@6?2@@@@@@@@6?2@@@@@@@@@@@@@@@@@@@@6?2@@@@@@@6?2@@6KhO2@6X? @@@? 7@@@@? @@@@ ?@@@@? @@@1 ?3@@@@ @@@@@? ?@@@@@ ?@@@@@ ?@@@ @@@1 @@@@ ?N@@@@@L
@@@5 N@@@@@@@@??3@@@1 ?@@@@@@@@@@@f?@@@@@@@@?g@@@@@@g?N@@@@@@L?e?@@@@@ ?@@@@@@@@@@@@L W&@@@@@@@@@@@@@@@@@@@@@@@@@@@@@@@@@@@@@@@@@@@@@@@@@@@@@@@@@@@@@@@@@@@@@@@@@@@@@@@@@@@@@@@@@@@@@@@@@@@@@@@@@@@@@@@@@@@@@@@@@@@@@@@@@@@@@@@@@@@@@@@@@@@@@@@@@@)X ?7@@@? @@@@@L @@@@ ?@@@@? @@@@ ?N@@@@L? @@@@@L ?3@@@@L? ?3@@@@ J@@@ @@@@L? 3@@@ @@@@@1
@@0Y ?3@@@@@@@??N@@@@ ?3@@@@@@@@@5f?3@@@@@@5?g@@@@@5h@@@@@@1?e?@@@@@ ?3@@@@@@@@@@@1 7@@@@@@@@@@@@@@@@@@@@@@@@@@@@@@@@@@@@@@@@@@@@@@@@@@@@@@@@@@@@@@@@@@@@@@@@@@@@@@@@@@@@@@@@@@@@@@@@@@@@@@@@@@@@@@@@@@@@@@@@@@@@@@@@@@@@@@@@@@@@@@@@@@@@@@@@@@@@1eO)X? ?@@@@? @@@@@1 @@@@ ?@@@@? @@@@ @@@@1? @@@@@1 ?N@@@@1? ?N@@@@ @@@@ 3@@@@? N@@@ 3@@@@@
?N@@@@@@@?e@@@@L?hf?V'@@@@@@@@Hf?N@@@@@@H?f?J@@@@@Hh3@@@@@@Lf?@@@ ?V'@@@@@@@@@@5 @@@@@@@@@@@@@@@@@@@@@@@@@@@@@@@@@@@@@@@@@@@@@@@@@@@@@@@@@@@@@@@@@@@@@@@@@@@@@@@@@@@@@@@@@@@@@@@@@@@@@@@@@@@@@@@@@@@@@@@@@@@@@@@@@@@@@@@@@@@@@@@@@@@@@@@@@@@@@@W2@@1? ?@@@@? 3@@@@@ @@@@ ?3@@@? 3@@@ @@@@@? @@@@@@ @@@@@? @@@@ N@@@L? N@@@H? ?@@@ N@@@@@
@@@@@@@?e3@@@1? N@@@@@@@@?g@@@@@@g?7@@@@@?hN@@@@@@1f?@@@L? N@@@@@@@@@@H @@@@@@@@@@@@@@@@@@@@@@@@@@@@@@@@@@@@@@@@@@@@@@@@@@@@@@@@@@@@@@@@@@@@@@@@@@@@@@@@@@@@@@@@@@@@@@@@@@@@@@@@@@@@@@@@@@@@@@@@@@@@@@@@@@@@@@@@@@@@@@@@@@@@@@@@@@@@@@@@@@@? ?3@@@? N@@@@@ @@@@ ?N@@@? N@@@ @@@@@? @@@@@@ @@@@@? @@@@ ?@@@1? ?@@@ ?@@@L? ?@@@@@L?
@@@@@@@LeN@@@@? ?@@@@@@@@?g@@@@@@g?@@@@@@Lh?@@@@@@@f?@@@)X ?3@@@@@@@@@? @@@@@@@@@@@@@@@@@@@@@@@@@@@@@@@@@@@@@@@@@@@@@@@@@@@@@@@@@@@@@@@@@@@@@@@@@@@@@@@@@@@@@@@@@@@@@@@@@@@@@@@@@@@@@@@@@@@@@@@@@@@@@@@@@@@@@@@@@@@@@@@@@@@@@@@@@@@@@@@@@@@? ?N@@@L ?@@@@@ @@@@ @@@L ?@@@L? @@@@@? @@@@@@ @@@@@? @@@@L? ?@@@@? ?@@@L? ?@@@1? ?@@@@@1?
@@@@@@@1e?3@@@? ?@@@@@@@5?g@@@@@@@6K?e?@@@@@@)K?g?@@@@@@@f?@@@@)K? @@@?hf?N@@@@@@@@@? @@@@@@@@@@@@@@@@@@@@@@@@@@@@@@@@@@@@@@@@@@@@@@@@@@@@@@@@@@@@@@@@@@@@@@@@@@@@@@@@@@@@@@@@@@@@@@@@@@@@@@@@@@@@@@@@@@@@@@@@@@@@@@@@@@@@@@@@@@@@@@@@@@@@@@@@@@@@@@@@@@@? @@@1 ?@@@@@ 3@@@ @@@1 ?@@@1? 3@@@@? 3@@@@@ 3@@@@L @@@@1? ?@@@@? ?@@@1? ?@@@@? ?@@@@@@?
3@@@@@@@L??N@@@L ?3@@@@@@H?g@@@@@@@@@@@@@@@@@@@@@@@@@@@@@@@@@@@@@@@@@@@@@@@@@@@@@@@@@?f?@@@@@ @@@@@@@@@? ?J@@@@@@@@@@@@@@@@@@@@@@@@@@@@@@@@@@@@@@@@@@@@@@@@@@@@@@@@@@@@@@@@@@@@@@@@@@@@@@@@@@@@@@@@@@@@@@@@@@@@@@@@@@@@@@@@@@@@@@@@@@@@@@@@@@@@@@@@@@@@@@@@@@@@@@@@@@@@@@@@@@@@@? @@@@ ?@@@@@ N@@@L? @@@@ ?@@@@? N@@@@L N@@@@@ N@@@@1 @@@@@? ?@@@@? ?@@@@? ?@@@@? ?3@@@@@?
N@@@@@@@1?e@@@1 ?N@@@@@@h3@@@@@@@@@@@@@@@@@@@@@@@@@@@@@@@@@@@@@@@@@@@@@@@@@@@@@@@@?f?3@@@@ @@@@@@@@@? ?7@@@@@@@@@@@@@@@@@@@@@@@@@@@@@@@@@@@@@@@@@@@@@@@@@@@@@@@@@@@@@@@@@@@@@@@@@@@@@@@@@@@@@@@@@@@@@@@@@@@@@@@@@@@@@@@@@@@@@@@@@@@@@@@@@@@@@@@@@@@@@@@@@@@@@@@@@@@@@@@@@@@@@? @@@@ ?@@@@@ ?@@@1? @@@@ ?@@@@? ?@@@@1 ?@@@@@ ?@@@@@ 3@@@@? ?3@@@? ?@@@@? ?3@@@L ?N@@@@@?
?@@@@@@@@?e@@@@ 3@@@@@hV'@@@@@@@0?'@@@@@@@@@@@@@@0MI4@@@@@@@@@@@@@@@@@@@@@@@@@@@?f?N@@@5 3@@@@@@@@L ?@@@@@@@@@@@@@@@@@@@@@@@@@@@@@@@@@@@@@@@@@@@@@@@@@@@@@@@@@@@@@@@@@@@@@@@@@@@@@@@@@@@@@@@@@@@@@@@@@@@@@@@@@@@@@@@@@@@@@@@@@@@@@@@@@@@@@@@@@@@@@@@@@@@@@@@@@@@@@@@@@@@@@@@@? @@@@ ?@@@@@ ?@@@@? 3@@@L? ?@@@@? ?@@@@@ ?@@@@@ ?@@@@@ N@@@@? ?N@@@? ?@@@@? ?N@@@1 @@@@@?
?3@@@@@@@?e3@@@L? N@@@@@h?N@@@@f?N@@@@@@hf?@@@@@@(M??I'@@@@@@@@@@@@@@?g@@0Y N@@@@@@@@1 ?@@@@@@@@@@@@@@@@@@@@@@@@@@@@@@@@@@@@@@@@@@@@@@@@@@@@@@@@@@@@@@@@@@@@@@@@@@@@@@@@@@@0M?I4@@@@@@@@@@@@@@@@@@@@@@@@@@@@@@@@@@@@@@@@@@@@@@@@@@@@@@@@@@@@@@@@@@@@@@@@@@@@@@@@? @@@@ ?@@@@@L? ?@@@@? N@@@1? ?@@@@L ?@@@@@ ?@@@@@ ?@@@@@ ?@@@@? @@@L ?@@@@? @@@@ @@@@@L
?N@@@@@@@LeN@@@1? ?@@@@5he@@@@g@@@@@5hf?@@@@@@?fN@@@@@@@@@@0M? ?@@@@@@@@@ ?@@@@@@@@?eI4@@@@@@@@0M ?I40?40MeI'@@@@@@@@@@@? @@@@ ?@@@@@1? ?@@@@? ?@@@@? ?3@@@1 ?@@@@@ ?@@@@@L? ?@@@@@ ?@@@@? @@@1 ?3@@@L @@@@ 3@@@@1
@@@@@@@1e?@@@@? ?@@@@Hhe3@@@g@@@@@Hhf?@@@@@@1f?@@@@@@@@@ ?@@@@@@@@@ ?@@@@@@@5?fI40M ?N@@@@@@@@@@@? @@@@ ?3@@@@@? ?@@@@? ?@@@@? ?N@@@@ ?3@@@@ ?@@@@@1? ?3@@@@L? ?@@@@? @@@@ ?N@@@1 @@@@ N@@@@@
W2@@ @@@@@@@@e?3@@@? ?3@@@?heN@@@L?f@@@@@?hf?@@@@@@@f?@@@@@@@@5 ?3@@@@@@@@ J@@@@@@@H? @@@@@@@@@@@? @@@@ ?N@@@@@? ?@@@@L ?@@@@? @@@@ ?N@@@@ ?3@@@@@? ?N@@@@1? ?@@@@? @@@@ @@@@ @@@@ ?@@@@@
7@@@ 3@@@@@@@L??N@@@L ?N@@5?he?@@@1?e?J@@@@@?hf?@@@@@@@L?e?3@@@@@@@H ?N@@@@@@@@L? 7@@@@@@@ @@@@@@@@@@@L 3@@@ @@@@@? ?3@@@1 ?@@@@? @@@@ @@@@L? ?N@@@@@? @@@@@? ?@@@@? 3@@@ @@@@ @@@@ ?@@@@@L?
@@@@ N@@@@@@@1?e@@@1 3@H?he?@@@@Le?7@@@@@?hf?3@@@@@@1?e?N@@@@@@@? @@@@@@@@1? @@@@@@@@ @@@@@@@@@@@1 ?@@@ @@@@@? ?N@@@@ ?@@@@? 3@@@L? @@@@1? @@@@@? @@@@@? ?@@@@? ?@@@ @@@@ 3@@@ ?3@@@@1?
@@@@ ?3@@@@@@@?e@@@@L? V'hf?3@@@1eJ@@@@@5?hf?V'@@@@@@?f3@@@@@@? @@@@@@@@@? @@@@@@@@ 3@@@@@@@@@@@ @@@@ @@@@@? @@@@ ?3@@@? N@@@1? @@@@@? @@@@@L 3@@@@L ?@@@@? 7@@@ @@@@ N@@@L? ?N@@@@@?
@@@@ ?N@@@@@@@Le3@@@1? ?N@@@@e7@@@@@H? N@@@@@@?fN@@@@@5? 3@@@@@@@@? @@@@@@@@ ?@@@@@@@@@@@ ?@@@L? @@@@@? @@@@ ?N@@@L ?@@@@? @@@@@? @@@@@1 N@@@@1 ?@@@@? @@@@ @@@@ ?@@@1? @@@@@?
@@@@ @@@@@@@1eN@@@@? @@@@L?@@@@@@ ?@@@@@@?f?@@@@@H? N@@@@@@@@L @@@@@@@5 7@@@@@@@@@@@ 7@@@1? @@@@@? @@@@ @@@1 ?@@@@? @@@@@? @@@@@@ ?@@@@@ ?@@@@? 3@@@ 3@@@L? ?@@@@? 3@@@@L
?J@@@@ @@@@@@@@e?@@@@? 3@@@1?@@@@@@ ?@@@@@@Lf?@@@@@ ?@@@@@@@@1 ?J@@@@@@@H @@@@@@@@@@@@ 3@@@@? @@@@@? 3@@@ @@@@ ?3@@@? @@@@@L @@@@@@ ?@@@@@ ?@@@@L N@@@L? ?@@@1? ?3@@@? N@@@@1
?7@@@5 3@@@@@@@L??3@@@L N@@@5?@@@@@5 ?3@@@@@1f?3@@@@ ?@@@@@@@@@ ?7@@@@@@@? @@@@@@@@@@@5 N@@@@? 3@@@@L N@@@L? @@@@ ?N@@@? 3@@@@1 @@@@@@ ?@@@@@ ?@@@@1 ?@@@1? @@@@@? ?N@@@? ?@@@@@
?@@@@H N@@@@@@@1??N@@@1 ?@@0YJ@@@@@H ?N@@@@@@f?N@@@@ ?3@@@@@@@@ ?@@@@@@@@? @@@@@@@@@@@H ?@@@@? N@@@@1 ?@@@1? @@@@ @@@? N@@@@@ @@@@@@L? ?@@@@@ ?@@@@@ ?@@@@? N@@@@? @@@? ?@@@@@L?
?@@@@? ?@@@@@@@@?e3@@@L? ?7@@@@@? @@@@@@g@@@@ ?N@@@@@@@@L? ?@@@@@@@@? @@@@@@@@@@@? ?@@@@? ?@@@@@ ?@@@@? 3@@@ @@@? ?@@@@@ 3@@@@@1? ?3@@@@ ?@@@@@ ?@@@@? ?@@@@? @@@? ?@@@@@1?
J@@@@? ?3@@@@@@@?eN@@@1? ?@@@@@@? @@@@@@L?f@@@@ @@@@@@@@1? ?@@@@@@@@? @@@@@@@@@@@? ?@@@@? ?@@@@@ ?@@@@? N@@@ @@@? ?@@@@@ N@@@@@@? ?N@@@@ ?3@@@@ ?@@@@? ?@@@@? @@@L ?@@@@@@?
7@@@@? ?N@@@@@@@Le?@@@@? ?@@@@@@? 3@@@@@1?f@@@@L? @@@@@@@@@? ?@@@@@@@@? @@@@@@@@@@@? ?@@@@? ?@@@@@ ?@@@@? ?@@@L? @@@L ?3@@@@ ?@@@@@@? @@@@L? ?N@@@@ ?@@@@? ?@@@@? @@@1 ?@@@@@@L
@@@@@? @@@@@@@1e?@@@@L ?@@@@@@? N@@@@@@?f@@@@1? @@@@@@@@@? ?@@@@@@@@? @@@@@@@@@@@? ?@@@@? ?@@@@@ ?@@@@? ?@@@1? @@@1 ?N@@@@ ?@@@@@@? @@@@1? @@@@ ?3@@@L ?3@@@? 3@@@ ?3@@@@@1
@@@@@@@@@@6K @@@@@@@@e?@@@@)K?hfO2@6K?hf?@@@@@@? ?@@@@@@Le?J@@@@@? @@@@@@@@@L ?W2@6KO2@6K? ?@@@@@@@@? @@@@@@@@@@@? ?@@@@? ?@@@@@ ?@@@@? ?@@@@? @@@@ @@@@ ?@@@@@@? @@@@@? @@@@ ?N@@@1 ?N@@@? N@@@ ?N@@@@@@
@@@@@@@@@@@@@@@@@@@@@@@@@@@@@@@@@@@@@@@@@@@@@@@@@@@@@@@@@@@@@@@@@@@@@@@@@@@@@@@@@@@@@@@@@@@@@@@@@@@@@@@@@@@6?2@@@@@@@@@@@@@@@@@1eW&@@@@@?g?W2@@@@@@@@@@@@@@@6KeO2@@@@@@@@@@@@@@@@@@@@@@@@@@@)K?hO26Ke?O@?@?2@@@6K?O26K? ?W&KgO&@@@@@@@@@@@@@@@@@@@@@@@@@@@@@@@@@@@@@@@@@@@@@@@@@@@@@@@@@@@@@@@@@@@@@@@@@@@@@@@@@@@@@? @@@@@@@@@@@? ?@@@@? ?@@@@@ ?3@@@? ?@@@@? 3@@@ @@@@L? ?@@@@@@? 3@@@@? @@@@ @@@@ @@@? ?@@@L? @@@@@@
@@@@@@@@@@@@@@@@@@@@@@@@@@@@@@@@@@@@@@@@@@@@@@@@@@@@@@@@@@@@@@@@@@@@@@@@@@@@@@@@@@@@@@@@@@@@@@@@@@@@@@@@@@@@@@@@@@@@@@@@@@@@@@@@e7@@@@@@Lg?*@@@@@@@@@@@@@@@@@@@@@@@@@@@@@@@@@@@@@@@@@@@@@@@@@@@@@@@@@@@@@@@@@@@@@@@@@@@@@@@@@@@@?W&?he?7@@@@@@@@@@@@@@@@@@@@@@@@@@@@@@@@@@@@@@@@@@@@@@@@@@@@@@@@@@@@@@@@@@@@@@@@@@@@@@@@@@@@@@@@@@@@@@@? @@@@@@@@@@@L ?@@@@? ?@@@@@hf?'@@6K ?N@@@? ?@@@@? N@@@ @@@@1? ?3@@@@@? N@@@@? @@@@ @@@@ @@@L ?@@@1? @@@@@@
?J@@@(?4@@@@@0M?eI40MI4@@@@@@0MI4@@@@@@@@@0M??I'@@@@@@@@@@@@@@@@@@@@@@@@@@@@@@@@@@@@@@@@@@@@@@@@@@@@@@@@@@@@@@@@@@@@@@@@@@@@@@@@@e@@@@@@@1g?N@@@@@@@@@@@@@@@@@@@@@@@@@@@@@@@@@@@@@@@@@@@@@@@@@@@@@@@@@@@@@@@@@@@@@@@@@@@@@@@@@@@@?&@?he?3@@@@@@@@@@@@@@@@@@@@@@@@@@@@@@@@@@@@@@@@@@@@@@@@@@@@@@@@@@@@@@@@@@@@@@@@@@@@@@@@@@@@@@@@@@@@@@5? @@@@@@@@@@@1 ?@@@@? ?@@@@@hf?V'@@@@@@6X? @@@? ?@@@@? ?@@@ @@@@@? ?N@@@@@? ?@@@@? @@@@L? @@@@ @@@1 ?@@@@? 3@@@@@
?7@@@HeI@M? V'@@@@@@@@?I'@@@@@V@M??I4@@@0?4@@@@@@@@@@@(?4@@@@@@@@@@0MI4@@0?4@@@@@@@@@@@@@@@@@@L?3@@@@@@@L?g@@@@@@@@@@@@@@@@@@@@@@@@0MfI4@0?4@@@@@@@@@@@@@@@?I@M?eI40M?I40MI4@@0M??I@?4@@0M? ?V4@@0M?eI'@@@0MI4@@@0MfI'@@@@(M I@MI4@0?4@@@@@0MI40?40M?I4@@@@@@@@@@@@@@@@@@H? @@@@@@@@@@@@ ?@@@@? ?@@@@@ V'@@@@@@1? @@@L ?@@@@? ?@@@L? @@@@@? @@@@@L ?@@@@? @@@@1? @@@@ @@@@ ?@@@@? N@@@@@
?@@@@? ?N@@@@@@@@eN@@@@@ @@@@H?f@@@@@(M? @@@@@@1?N@@@@@@@1? ?I'@@@@@@@@? ?N@@ ?V4@@0Y? I@M?e@@@@@@@@ @@@@@@@@@@@5 ?@@@@L ?3@@@@ ?N@@@@@@@? @@@1 ?3@@@? ?@@@1? @@@@@? @@@@@1 ?@@@@L @@@@@? @@@@ @@@@ ?@@@@? ?@@@@@
?@@@5? 3@@@@@@@e?3@@@@ @@@@g@@@@@H 3@@@@@@??@@@@@@@@? N@@@@@@@@? @@ @@@@@@@@ @@@@@@@@@@@H ?@@@@1 ?N@@@@ ?J@@@@@@@@@6K? @@@@ ?N@@@L ?3@@@? 3@@@@? @@@@@@ ?@@@@1 @@@@@? @@@@ 3@@@ ?@@@@? ?@@@@@L?
J@@@H? N@@@@@@@L??N@@@@ @@@5f?J@@@@@? N@@@@@@@@@@@@@@@@L ?@@@@@@@@? @@@@@@@@ ?J@@@@@@@@@@@? ?@@@@@ @@@@L?hf?'@@@@@@@@@@@@@6K? @@@@ @@@1 ?N@@@? N@@@@L @@@@@@ ?@@@@@ @@@@@? 3@@@ N@@@ ?@@@@? ?3@@@@1?
7@@@ ?@@@@@@@1?e@@@@ @@0Yf?7@@@@@? ?3@@@@@@@@@@@@@@@1 ?@@@@@@@@L @@@@@@@@ ?7@@@@@@@@@@@? ?3@@@@ @@@@@?hf?V'@@@@@@@@@@@@@@6K? @@@@ @@@@ @@@? ?@@@@1 @@@@@@ ?3@@@@ @@@@@? N@@@ ?@@@ ?@@@@? ?N@@@@@?
@@@@ ?@@@@@@@@?e3@@@ ?@@@@@5? ?N@@@@@@@@@@@@@@@@ ?@@@@@@@@1 ?J@@@@@@@@ ?@@@@@@@@@@@@L ?N@@@@ @@@@ V4@@@@@@@@@@@@@@@@6K 3@@@ @@@@ @@@? ?@@@@@ @@@@@@ ?N@@@@ @@@@@? ?@@@ ?@@@ ?3@@@? @@@@@L
@@@@ ?3@@@@@@@LeN@@@L? ?@@@@@H? @@@@@@@@@@@@@@@@ ?3@@@@@@@@ ?7@@@@@@@@ ?@@@@@@@@@@@@1 @@@@ @@@@1? ?I4@@@@@@@@@@@@@6K N@@@ @@@@ @@@L ?@@@@@ 3@@@@@ @@@@L? 3@@@@? ?@@@L? ?@@@L? ?N@@@? @@@@@1
?J@@@5 ?N@@@@@@@1e?3@@1? J@@@@@ @@@@@@@@@@@@@@@@L? ?N@@@@@@@@ ?@@@@@@@@@L? ?@@@@@@@@@@@@@ @@@@ ?O2@@@@@@@@@@6K? @@@@@? @@@@@@@@@@@6K? ?@@@L? 3@@@ @@@1 ?@@@@@ N@@@@@ @@@@1? N@@@@? ?@@@1? ?@@@1? @@@L 3@@@@@
?7@@@H @@@@@@@@e?N@@@? 7@@@@@ @@@@@@@@@(M?@@@@1? @@@@@@@@ ?@@@@@@@@@)KfO2@@@@@@@@@6?26KO2@@@@@@6KgO2@? O@KO26K?g?O26?26?2@@@@@@@@@@@@@@@@@6?26KO2@@6?2@@@6X?J@@@@@@@@@@@@@ @@@@hfW2@@@@@@@@@@@@@@@@@6K? @@@@@? @@@@@@@@@@@@@6K? ?@@@1? N@@@ @@@@ ?@@@@@ ?@@@@@L? @@@@@? ?@@@@? ?@@@@? ?3@@@? @@@1 N@@@@@
?@@@@? 3@@@@@@@f@@@LhW26K @@@@@@ 3@@@@@@@@He@@@@@? @@@@@@@@L? ?@@@@@@@@@@@@@@@@@@@@@@@@@@@@@@@@@@@@@@@@@@@@@@@@@@??@@@@@?@f@?h@@@@@@@@@@@@@@@@@@@@@@@@@@@@@@@@@@@@@@@@@@@@@@@@@@@@@@@@@@@@@@@@@@@@@@@@@@@@@@@@@@@@1?7@@@@@@@@@@@@@ @@@@he?W&@@@@@@@@@@@@@@@@@@@@@6K @@@@@? @@@@@@@@@@@@@@@@6K ?@@@@? ?@@@L? @@@@ ?3@@@@L? ?@@@@@1? 3@@@@? ?@@@@? ?@@@@? ?N@@@? @@@@ ?@@@@@L?
?@@@@? N@@@@@@@L?e@@@1h7@@@@?hf@@@@@@ N@@@@@@@@?e3@@@@? @@@@@@@@1? ?@@@@@@@@@(MfI4@@@0MI4@0MI40?4@@@@@0?40M?I@M?gI@M? I40MeI4@@@@@@@@@@0M?I4@0MI4@@@@@@@@@@@@@@@@@@@@@@@@@@@@@@@@@@@@@@@@@@@@@@@@@@@@@?@@@@@@@@@@@@@@ @@@@heW&@@@@@@@@@@@@@@@@@@@@@@@@6X @@@@@? 3@@@@@@@eI4@@@@@@6Khf?@@@@? ?@@@1? 3@@@ ?N@@@@1? ?@@@@@@? N@@@@? ?@@@@? ?@@@@? @@@? 3@@@ ?@@@@@1?
J@@@@? ?@@@@@@@1?e3@@@h@@@@@?hf@@@@@5 ?@@@@@@@@?eN@@@@? 3@@@@@@@@? ?@@@@@@@@(Y? I@M? @@@@@@@@@@@@@@ @@@@h?W&@@@@@@0M?e?I4@@@@@@@@@@@@)X? @@@@@? N@@@@@@@fI4@@@@@@6Xhe?3@@@? ?@@@@? N@@@ @@@@@? ?3@@@@@? ?@@@@L ?@@@@? ?3@@@? @@@? N@@@L? ?@@@@@@?
7@@@5? ?@@@@@@@@?eN@@@L?g3@@@@Lhe?J@@@@@H ?3@@@@@@@?e?3@@@L N@@@@@@@@? ?@@@@@@@@H @@@@@@@@@@@@@@ @@@@h?7@@@@@@h?I4@@@@@@@@@@@)X 3@@@@? ?@@@@@@@g?I4@@@@1he?N@@@? ?@@@@? ?@@@ @@@@@? ?N@@@@@? ?@@@@1 ?@@@@? ?N@@@? @@@L ?@@@1? ?3@@@@@?
@@@@H? ?3@@@@@@@Le?@@@1?gV'@@@1he?7@@@@@? ?N@@@@@@@?e?N@@@1 ?@@@@@@@@L ?@@@@@@@@? @@@@@@@@@@@@@@ @@@@h?@@@@@@5hf?I4@@@@@@@@)K?hfN@@@@? ?@@@@@@@L?h?I4@hf@@@? ?@@@@? ?@@@L? @@@@@? @@@@@? ?@@@@@ ?@@@@L @@@? @@@1 ?@@@@? ?N@@@@@L
@@@@ ?N@@@@@@@1e?@@@@?g?N@@@@?W26X?f?@@@@@@? @@@@@@@?f@@@@ ?3@@@@@@@1 ?@@@@@@@@? 3@@@@@@@@@@@@@ @@@@h?@@@@@(Y ?I4@@@@@@@@6X?he?@@@@? ?3@@@@@@1? @@@? ?@@@@? ?3@@1? 3@@@@L @@@@@? ?@@@@@ ?@@@@1 @@@L @@@@ ?3@@@? @@@@@1
?J@@@@ 3@@@@@@@L??3@@@Lh@@@@W&@@1?f?@@@@@@? @@@@@@@?f@@@@ ?N@@@@@@@@ J@@@@@@@@? N@@@@@@@@@@@@@ @@@@h?@@@@@H? ?I'@@@@@@@)Xhe?@@@@L ?N@@@@@@@? @@@L ?3@@@? ?N@@@? N@@@@1 @@@@@? ?3@@@@ ?3@@@@ @@@1 @@@@ ?N@@@? @@@@@@
?7@@@5 N@@@@@@@1??N@@@1h3@@@@@@@@?f?@@@@@5? 3@@@@@@?f@@@@ @@@@@@@@L? 7@@@@@@@@? J@@@@@@@@@@@@@ @@@@h?@@@@@ V'@@@@@@@)X?h?@@@@1 @@@@@@@? 3@@1 ?N@@@? @@@? ?@@@@@ @@@@@? ?N@@@@L? @@@@ @@@@ 3@@@ @@@L 3@@@@@
?@@@@H ?@@@@@@@@?e@@@@hN@@@@@@@@?fJ@@@@@H? N@@@@@@Lf@@@@L? @@@@@@@@1? @@@@@@@@@? 7@@@@@@@@@@@@@L? @@@@h?@@@@@ ?V'@@@@@@@1?h?@@@@@ @@@@@@@? N@@@ @@@L @@@? ?@@@@@ @@@@@? @@@@1? ?7@@@@ @@@@ N@@@ @@@1 N@@@@@
?@@@@? ?@@@@@@@@Le3@@@L?g?3@@@@@@5?f7@@@@@ ?@@@@@@1f3@@@1? @@@@@@@@@? @@@@@@@@@? @@@@@@@@@@@@@@1? 3@@@h?@@@@@ V'@@@@@@@Lh?@@@@@ @@@@@@@? ?@@@ @@@1 @@@L ?@@@@@ @@@@@L @@@@@? ?3@@@@ 3@@@ ?@@@ @@@@ ?@@@@@
?@@@@? ?3@@@@@@@1eN@@@1?g?N@@@@@@H?e?J@@@@@@ ?@@@@@@@fN@@@@? 3@@@@@@@@? @@@@@@@@@? @@@@@@@@@@@@@@@? N@@@h?@@@@@L? ?V'@@@@@@)K?g?@@@@@ @@@@@@@? ?@@@ @@@@ @@@1 ?@@@@@ @@@@@1 3@@@@? ?N@@@@ N@@@ ?@@@ @@@@ ?@@@@@L?
?@@@@? ?N@@@@@@@@e?@@@@?h@@@@@@f?7@@@@@@ ?@@@@@@@f?@@@@? N@@@@@@@@? @@@@@@@@@? @@@@@@@@@@@@@@@? ?@@@h?@@@@@)X V'@@@@@@@@g?@@@@@ @@@@@@@L ?@@@ 3@@@ @@@@ ?3@@@@ @@@@@@ N@@@@? @@@@ ?@@@L? ?@@@L? @@@@ ?@@@@@1?
J@@@@? @@@@@@@@e?3@@@?h@@@@@@f?@@@@@@@ J@@@@@@@L?e?3@@@L ?@@@@@@@@? @@@@@@@@@? @@@@@@@@@@@@@@@? ?@@@L?g?3@@@@@1 ?V'@@@@@@@L?f?@@@@@ @@@@@@@1 ?@@@L? N@@@ 3@@@ ?N@@@@L? 3@@@@@ ?@@@@? @@@@ ?@@@1? ?@@@1? 3@@@L? ?3@@@@@?
7@@@5? 3@@@@@@@L??N@@@Lh3@@@@@L?e?@@@@@@@ 7@@@@@@@1?e?N@@@1 ?@@@@@@@@L @@@@@@@@@? @@@@@@@@@@@@@@@? ?@@@1?g?N@@@@@@L? N@@@@@@@1?f?@@@@@ 3@@@@@@@L? ?@@@1? ?@@@L? N@@@ @@@@1? N@@@@@ ?@@@@L @@@@L? ?@@@@? ?@@@@? N@@@1? ?N@@@@@?
@@@@H? N@@@@@@@1?e3@@1hN@@@@@)Ke?@@@@@@@ 3@@@@@@@@?f@@@@ ?3@@@@@@@1 ?J@@@@@@@@@? @@@@@@@@@@@@@@@? ?@@@@?h@@@@@@1? ?3@@@@@@@Lf?@@@@@ N@@@@@@@1? ?@@@@? ?@@@1? ?@@@L? @@@@@? ?@@@@@L? ?@@@@1 @@@@1? ?@@@@? ?3@@@? ?@@@@? 3@@@@L
@@@@ ?3@@@@@@@?eN@@@h?@@@@@@@@@@@@@@@@@@@@@@@@@@@@@@@@@@@@@@@@6X?fN@@@@@@@@?f3@@@L? ?N@@@@@@@@ ?7@@@@@@@@@? @@@@@@@@@@@@@@@? ?@@@@?h3@@@@@@L ?V'@@@@@@)X?e?3@@@@ ?@@@@@@@@? ?@@@@? ?@@@@? ?@@@1? @@@@@? ?@@@@@1? ?@@@@@ @@@@@? ?@@@@? ?N@@@? ?@@@@? N@@@@1
?J@@@@ ?N@@@@@@@Le?@@@L?g?@@@@@@@@@@@@@@@@@@@@@@@@@@@@@@@@@@@@@@@@@1?f?@@@@@@@@?fN@@@1? @@@@@@@@ ?@@@@@@@@@@? @@@@@@@@@@@@@@@? ?@@@@?hN@@@@@@)X? V'@@@@@@1?e?N@@@@ ?@@@@@@@@? ?3@@@? ?@@@@? ?@@@@? @@@@@? ?@@@@@@? ?3@@@@ @@@@@? ?@@@@? @@@? ?@@@@? ?@@@@@
?7@@@@ @@@@@@@1e?@@@1?g?3@@@@@@@@@@@@@@@@@@@@@@@@@@@@@@@@@@@@@@@@5?fJ@@@@@@@@Lf?@@@@? @@@@@@@@L? ?@@@@@@@@@@? @@@@@@@@@@@@@@@? ?@@@@?h?@@@@@@@)X ?N@@@@@@@Lf@@@@L? ?3@@@@@@@? ?N@@@L ?@@@@? ?@@@@? @@@@@? ?@@@@@@? ?N@@@@L? @@@@@? ?@@@@? @@@? ?3@@@? ?@@@@@L?
?@@@@5 @@@@@@@@e?3@@@?g?N@@@@@??I'@@@@@@?hI@MI4@@@@@@@@@@0Y?f7@@@@@@@@1f?@@@@L 3@@@@@@@1? ?@@@@@@@@@5? @@@??@@@@@@@@@@L ?@@@@?h?3@@@@@@@)X? 3@@@@@@1f@@@@1? ?N@@@@@@@? @@@1 ?@@@@? ?3@@@? 3@@@@L ?3@@@@@? @@@@1? @@@@@? ?3@@@? @@@? ?N@@@? ?3@@@@1?
?@@@(Y 3@@@@@@@L??N@@@Lg?J@@@@@?eV'@@@@@? I@?@M?g@@@@@@@@@@f?@@@@1 N@@@@@@@@? ?@@@@@@@@@ @@@??@@@@@@@@@@@ ?@@@@?h?V'@@@@@@@)X N@@@@@@@f@@@@@? @@@@@@@? @@@@ ?3@@@L ?N@@@? N@@@@1 ?N@@@@@? @@@@@? @@@@@? ?N@@@L @@@L @@@L ?N@@@@@?
?@@@H? N@@@@@@@1?e@@@1g?7@@@@@?e?V'@@@@? @@@@@@@@@@f?3@@@@ ?@@@@@@@@L ?@@@@@@@@@)X ?O26K? ?O2@@6K? ?O2@@@@@@6X? ?J@@@??@@@@@@@@@@H ?@@@@?heN@@@@@@@@)K? ?3@@@@@@L?e@@@@@? @@@@@@@? 3@@@ ?N@@@1 @@@L ?@@@@@ @@@@@? @@@@@? 3@@@@? @@@1 3@@1 @@@1 @@@@@?
J@@@L? ?3@@@@@@@?e3@@@L?f?@@@@@@?fN@@@@? ?J@@@@@@@@@@f?N@@@@L? ?3@@@@@@@1 ?@@@@@@@@@@)K?e?W2@@@@@@@@@@@@@@@@@@@@@@@@@@@@@@@@@@@@@@@@@@@@@@@@@@@@@@@@@@@@@@@@@@@@@@@@@1? ?7@@@??@@@@@@@@@@? ?@@@@?he?3@@@@@@@@@6K? ?V'@@@@@1?e@@@@@? @@@@@@5? N@@@ @@@@ @@@1 ?@@@@@ @@@@@L @@@@@? N@@@@? @@@@ N@@@ @@@@ @@@@@?
7@@@)K ?N@@@@@@@LeN@@@1?f?@@@@@@?f?@@@@? ?7@@@@@@@@@@g@@@@1? ?N@@@@@@@@ J@@@@@@@@@@@@6K?O&@@@@@@@@@@@@@@@@@@@@@@@@@@@@@@@@@@@@@@@@@@@@@@@@@@@@@@@@@@@@@@@@@@@@@@@@@@@? ?@@@@??@@@@@@@@@@? ?3@@@?he?V'@@@@@@@@@@6X? V'@@@@@?e@@@@@? @@@@@@H? ?@@@ @@@@ @@@@ ?@@@@@ @@@@@1 3@@@@? ?@@@@L @@@@ ?@@@ @@@@ @@@@@L
@@@@@@@@@@@@@@@@@@@@@@@@@@6KO2@@6KO2@@@6K?O2@@@@@@@@@@@@@@6Xg@@@@@@@1e?@@@@?f?@@@@@@?f?3@@@?O@KO@K ?@@@@@@@@@@@g@@@@@? ?J@@@@@@@@L? O26KheO@K? 7@@@@@@@@@@@@@@@@@@@@@@@@@@@@@@@@@@@@@@@@@@@@@@@@@@@@@@@@@@@@@@@@@@@@@@@@@@@@@@@@@@@@@@@@@@@@? ?@@@@??@@@@@@@@@@? ?N@@@?hfV4@@@@@@@@@@1? ?N@@@@@Le@@@@@? ?J@@@@@@ ?@@@L? @@@@ @@@@ ?@@@@@ @@@@@@ N@@@@? ?@@@@1 @@@@ ?@@@ @@@@ 3@@@@1
@@@@@@@@@@@@@@@@@@@@@@@@@@@@@@@@@@@@@@@@@@@@@@@@@@@@@@@@@@@1g3@@@@@@@e?@@@@@@?e?@@@@@@Lf?N@@@@@@@@@@@@@@@@@@@@@@@@@@@@@@@@@@@@@@@@@@@@@@@@@@@@@@@@@@@@6?@?2@6KO@K?O2@6KO2@6KeO2@@@@@@@6?2@@6KO@?&@@@@@@@@)K ?'@@@@@@@@@@@@@@@@@@@@@@@@@@@6?2@@@@@6KO2@@@@@@@@@6KgO26K?O26K??O2@6KfO@K?eO2@@@6K?e?O2@6Kh@@@@@@@@@@@@@@@@@@@@@@@@@@@@@@@@@@@@@@@@@@@@@@@@@@@@@@@@@@@@@@@@@@@@@@@@@@@@@@@@@@@@@@@@@@@@@? ?@@@@??@@@@@@@@@@? @@@? I'@@@@@@@@@? @@@@@1e3@@@@? W&@@@@@@ ?@@@1? @@@@ 3@@@ ?@@@@@ 3@@@@@ ?@@@@L ?@@@@@ @@@@ ?@@@ @@@@ N@@@@@
?J@@(Me?I'@@@@@@@@@@@@@@@@@@@@@@@@@@@@@@@@@@@@@@@@@@@@@@@@@@@gN@@@@@@@e?3@@@@5?e?@@@@@@)X?e?J@@@@@@@@@@@@@@@@@@@@@@@@@@@@@@@@@@@@@@@@@@@@@@@@@@@@@@@@@@@@@@@@@@@@@@@@@@@@@@@@@@@@@@@@@@@@@@@@@@@@@@@@@@@@@@@@@@6K?O26X?g?V'@@@@@@@@@@@@@@@@@@@@@@@@@@@@@@@@@@@@@@@@@@@@@@@@@@@@@@@@@@@@@@@@@@@@@@@@@@@@@@@@@@@@@@@@@@@@@@@@@@@@@@@e@@@@@@@@@@@@@@@@@@@@@@@@@@@@@@@@@@@@@@@@@@@@@@@@@@@@@@@@@@@@@@@@@@@@@@@@@@@@@@@@@@@@@@@@@@@@@? ?@@@@??@@@@@@@@@@L @@@? ?V'@@@@@@@@@6K 3@@@@@L?N@@@@? 7@@@@@@5 ?3@@@? @@@@ N@@@ ?3@@@@ N@@@@@ ?@@@@1 ?@@@@@ @@@@ ?@@@ 3@@@L? ?@@@@@
?7@@H?fV4@0M?gI40MI40Me?I4@@@@@@@@@@@@@@@@@@@@@@@@@@@g?@@@@@@@L??N@@@@H?e?@@@@@@@1?e?7@@@@@@@@@@@@@@@@@@@@@@@@@@@@@@@@@@@@@@@@@@@@@@@@@@@@@@@@@@@@@@@@@@@@@@@@@@@@@@@@@@@@@@@@@@@@@@@@@@@@@@@@@@@@@@@@@@@@@@@@1?hV'@@@@@@@@@@@@@@@@@@@@@@@@@@@@@@@@@@@@@@@@@@@@@@@@@@@@@@@@@@@@@@@@@@@@@@@@@@@@@@@@@@@@@@@@@@@@@@@@@@@@@5e@@@@@@@@@@@@@@@@@@@@@@@@@@@@@@@@@@@@@@@@@@@@@@@@@@@@@@@@@@@@@@@@@@@@@@@@@@@@@@@@@@@@@@@@@@@@@? ?@@@@??@@@@@@@@@@1 @@@? V'@@@@@@@@@@6X N@@@@@1??@@@@? @@@@@@@H ?N@@@? 3@@@L? ?@@@L? ?N@@@@L? ?@@@@@ ?@@@@@ ?@@@@@ 3@@@ ?@@@L? N@@@1? ?@@@@@
?@@5 ?I4@@0M?g?@@@@@@@1?e3@@@f?@0Y@@@@@?e?@@@@@@@0?4@@@@@@@@@@@0MI4@@@@0MI'@@@@@@@@@@@(?4@0M??@@@@@@@@@@@@0M? ?I4@@@@@@@@@@@@@@@@@@@@@@@@@@@@@@@@@@?h?V4@0M?I4@@@@@@@@@@@@@@@@0M?I4@@@@0MI4@@@@@0MI4@@@@@@@@@@@@@@@@@@@@@@@@@@@@@@@@0?4@@@@@@@@@@@@@@@@@@@@0Ye@@@@@@@@@@@@@@@@@@@@@@@@@@@@@@@@@@@@@@@@@@@@@@@@@@@@@@@@@@@@@@@@@@@0?4@@@@0?4@0?40?4@@@@@@@@@? ?@@@@?J@@@@@@@@@@@ @@@? ?V4@@@@@@@@@@)K? ?@@@@@@L?@@@@L ?W2@@@@@@@5? @@@? N@@@1? ?@@@1? @@@@1? ?@@@@@ ?@@@@@ ?@@@@@ N@@@ ?@@@1? ?@@@@? ?3@@@@
?@0Y ?3@@@@@@@LeN@@@L?g3@@@@?e?3@@@@@? ?N@@@@@@@@@@@Hg?3@@@@@? ?@@@@@@@@@(MI4@@@? 3@@@@@@@@@@? I4@@@@@@@? J@@@@W&@@@@@@@@@@@ @@@? ?I4@@@@@@@@@@@@@6Khe?@@@@@@1?@@@@1 ?7@@@@@@@@H? @@@? ?@@@@? ?@@@@? @@@@@? ?@@@@@ ?@@@@@L? ?@@@@@ ?@@@ ?3@@@? ?@@@@? ?N@@@@
?N@@@@@@@1e?@@@1?gN@@@@?e?N@@@@@? @@@@?@@@@@@?g?N@@@@@? ?@@@@@@@@@H? N@@@@@@@@@5? W@@@@@5? 7@@@@@@@@@@@@@@@@@ @@@L ?I4@@@@@@@@@@@@@6Kh?@@@@@@@?@@@@@ ?@@@@@@@@5 @@@? ?@@@@? ?@@@@? @@@@@? ?@@@@@ ?3@@@@1? ?@@@@@ ?@@@L? ?N@@@? ?3@@@? @@@@
@@@@@@@@e?3@@@?g?@@@@?f@@@@@? @@@@@@@@@@5?h@@@@@? ?3@@@@@@@@ ?3@@@@@@@@ 7@@@@@H? @@@@@@@@@@@@@@@@@@ @@@1 ?I4@@@@@@@@@@@@@@6K?f?@@@@@@@?@@@@@L? ?@@@@@@@(Y @@@? ?@@@@? ?@@@@? @@@@@? ?3@@@@ ?N@@@@@? ?@@@@@ ?@@@1? @@@? ?N@@@? @@@@L?
3@@@@@@@e?N@@@Lg?3@@@?f@@@@@? @@@@@@@@@@H?h@@@@@? ?N@@@@@@@@L? ?N@@@@@@@@1? @@@@@@ @@@@@@@@@@@@@@@@@@@@6X @@@@ ?I4@@@@@@@@@@@@@@6K?e?@@@@@@@@@@@@@)KO2@6K?he?W2@@@@@@@@(Y? @@@L ?@@@@? ?@@@@? @@@@@? ?N@@@@L? @@@@@? ?@@@@@ ?@@@@? @@@? @@@? @@@@1?
N@@@@@@@L?e@@@)K?f?V4@@?f@@@@@L @@@@@@@@@@he3@@@@? @@@@@@@@1? @@@@@@@@@? @@@@@@ @@@@@@@@@@@@@@@@@@@@@)X? @@@@ ?I4@@@@@@@@@@@@@@@@@@@@@@@@@@@@@@@@@@@@@@@6K?O26K?eO&@@@@@@@@(Y @@@1 ?3@@@? ?3@@@? 3@@@@L @@@@1? 3@@@@? ?3@@@@ ?@@@@? @@@? @@@? 3@@@@?
?@@@@@@@1?e3@@@@@g?I@?f@@@@@1 @@@?@@@@@@heN@@@@L @@@@@@@@@? @@@@@@@@@? @@@@@@ @@@@@@@@@@@@@@@@@@@@@@)X @@@@ I4@@@@@@@@@@@@@@@@@@@@@@@@@@@@@@@@@@@@@@@@@@@@@@@@@@@@@@@0Y? @@@@ ?N@@@? ?N@@@? N@@@@1 @@@@@? N@@@@? ?N@@@@ ?@@@@? @@@? @@@L N@@@@L
?3@@@@@@@?eN@@@@@L?hf@@@@@@ ?J@@@?@@@@@5he?3@@@1 @@@@@@@@@? 3@@@@@@@@? @@@@@@ ?J@@@@f@@@@@@@@@@@@@@@1 @@@@L? I4@@@@@@@@@@@@@@@@@@@@@@@@@@@@@@@@@@@@@@@@@@@@@@@@@@@(M? @@@@ @@@L @@@L ?@@@@@ @@@@@? ?@@@@L @@@@ ?3@@@? 3@@L @@@1 ?@@@@1
?N@@@@@@@Le?3@@@@1?hf3@@@@@L? ?7@@@?@@@@@Hhe?N@@@@L? 3@@@@@@@@? N@@@@@@@@L @@@@@@ O&@@@@f@@@@@@@@@@@Xe@@fO2@@@@6?2@@@@@@@)K I4@@@@@@@@@@@@@@@@@@@@@@@@@@@@@@@@@@@@@@@@@@(Y @@@@ @@@1 @@@1 ?@@@@@ @@@@@? ?@@@@1 @@@@L? ?N@@@L N@@1 @@@@ ?3@@@@
@@@@@@@1e?N@@@@5?hfN@@@@@1? ?@@@@?@@@@@?hf@@@@1? N@@@@@@@@L ?@@@@@@@@1 @@@@@@fO2@@@@@@@@@@@@6KO26?@?2@@@6K?O2@@@6KeO2@@@@@@@@@@@@@@@@@@@@@@@@@@@@f@@@@@@@@@@@)K?@@@@@@@@@@@@@@@@@@@@@@@@@@@@@@6K ?W@@@@@@@@@@@@@@@@@@@@@@@@@@@@@@@@@@@@@@@0Y? 3@@@ @@@@ @@@@ ?@@@@@ @@@@@L ?@@@@@ @@@@1? @@@1 ?@@@ 3@@@ ?N@@@@
3@@@@@@@f@@@@H?hf?@@@@@@? ?@@@5?@@@@@?hf@@@@@? ?@@@@@@@@1 ?3@@@@@@@@ @@@@@@@@@@@@@@@@@@@@@@@@@@@@@@@@@@@@@@@@@@@@@@@@@@@@@@@@@@@@@@@@@@@@@@@@@@@@@@f3@@@@@@@@@@@@@@@@@@@@@@@@@@@@@@@@@@@@@@@@@@@@@6K O&@@@@@@@0M?e@@@@@@@@@@@@@@@@@@@@@@0M N@@@L? @@@@ @@@@ ?@@@@@L? 3@@@@1 ?@@@@@ @@@@@? @@@@ ?@@@ N@@@L? @@@@L?
N@@@@@@@L?e3@@@ ?@@@@@@L ?@@@HJ@@@@5?hf@@@@@? ?@@@@@@@@@ ?N@@@@@@@@ @@@@@@@@@@@@@@@@@@@@@@@@@@@@@@@@@@@@@@@@@@@@@@@@@@@@@@@@@@@@@@@@@@@@@@@@@@@@@@fN@@@@@@@@@@@@@@@@@@@@@@@@@@@@@@@@@@@@@@@@@@@@@@@@@@@6K O2@@@@@@@@g@@@@@? ?@@@1? 3@@@ @@@@ ?3@@@@1? N@@@@@ ?3@@@@ @@@@@? @@@@ ?@@@ ?@@@1? @@@@1?
?@@@@@@@1?eN@@@L?hf?@@@@@@1 ?@@@?7@@@@H?hf3@@@@? ?3@@@@@@@@ @@@@@@@@ @@@@@@@@@@@@@@@@@@@@@@@@@@@@@@@@@@@@@@@@@@@@@@@@@@@@@@@@@@@@@@@@@@@@@@@@@@@@@@f?@@@@@@@@@@@@@@@@@@@@@@@@@@@@@@@@@@@@@@@@@@@@@@@@@@@@@@@6KO2@6K?e?O@?2@@@@@@@@@@@@@@5g@@@@@? ?@@@@? N@@@ @@@@ ?N@@@@@? ?@@@@@ ?N@@@@L? @@@@@? @@@@ ?@@@L? ?@@@@? 3@@@@?
?@@@@@@@@?e?@@@1?hf?@@@@@@@ J@@@?@@@@@ N@@@@L ?N@@@@@@@@L? @@@@@@@@ 3@@@@(M??I40MI4@0MhI40M ?I4@@@@@@@0Mf?I@MI4@@@@@@@@f?@@@@@@@@@@@@@@@@@@@@@@@@@@@@@@@@@@@@@@@@@@@@@@@@@@@@@@@@@@@@@@@@@@@@@@@@@@@@@@@@@@@(Yg@@@@@? ?3@@@? ?@@@L? 3@@@L? @@@@@? ?@@@@@ @@@@1? @@@@@? @@@@ ?@@@1? ?@@@@? N@@@@?
?3@@@@@@@?e?@@@@?hf?3@@@@@@L? 7@@@?@@@@@ ?@@@@1 @@@@@@@@1? @@@@@@@@L? N@@@@H I'@@@@@@L?e?@@@@@@@@@@@@@@@@@@@@@@@@0M?f@@@@gI4@@@@@@@@@@@@@@@@@@@@@@@@@@@@@@@@@@@@@@@@H?g@@@@@? @@@? ?@@@1? N@@@1? @@@@@? ?@@@@@ @@@@@? @@@@@? @@@@ ?@@@@? ?3@@@? ?@@@@L
?N@@@@@@@Le?@@@@?hf?N@@@@@@1? @@@5?@@@@5 ?@@@@@ @@@@@@@@@? 3@@@@@@@1? ?@@@@? ?N@@@@@@1?e?@@@@@@@@@@@@@@@@@@0M?he@@@@hfI4@@@@@@@@@@@@@@@@@@@@@@@@@@@@@@@@@@h@@@@@? ?7@@@? ?@@@@? ?@@@@? @@@@@L ?@@@@@ 3@@@@L @@@@@? @@@@L? ?3@@@? ?N@@@? ?@@@@1
@@@@@@@1e?@@@@L 3@@@@@@? @@@H?@@@@H ?3@@@@L? 3@@@@@@@@? N@@@@@@@@? ?@@@@? @@@@@@@?e?3@@@@@@@@@@@@@@(M @@@@ ?I4@@@@@@@@@@@@@@@@@@@@@@@@@he@@@@@? ?3@@@? ?@@@@? ?@@@@? @@@@@1 ?3@@@@ N@@@@1 @@@@@? @@@@1? ?N@@@? @@@? ?@@@@@
3@@@@@@@e?@@@@1 N@@@@@@? ?J@@@??@@@@? ?N@@@@1? N@@@@@@@@L ?@@@@@@@@? ?@@@@L 3@@@@@@?e?N@@@@@@@@@@@@@(Y? 3@@@ ?I40?4@@@@@@0M?I4@@@he@@@@@? ?N@@@? ?@@@@? ?@@@@L @@@@@@ ?N@@@@L? ?@@@@@ @@@@@? 3@@@@? @@@? @@@L ?3@@@@
N@@@@@@@@@?@@@@@ ?@@@@@@? ?7@@@@@@@@@? @@@@@? ?@@@@@@@@1 ?@@@@@@@@? ?@@@@1 N@@@@@@Le?J@@@@@@@@@@@@(Y N@@@ @@@@@? @@@L ?3@@@? ?3@@@1 3@@@@@ @@@@1? ?@@@@@ @@@@@L N@@@@? @@@? @@@1 ?N@@@@L?
?@@@@@@@@5?@@@@@ ?3@@@@@L ?@@@@@@@@@@? @@@@@? ?@@@@@@@@@ ?@@@@@@@@? ?@@@@@ ?@@@@@@)X??7@@@@@@@@@@@(Y? ?@@@ 3@@@@? @@@1 ?N@@@? ?N@@@@ N@@@@@ @@@@@? ?@@@@@L? @@@@@@ ?@@@@? @@@L @@@@ @@@@1?
?@@@@@@@@?e?@@@L?hf?N@@@@@1 ?@@@@@@@@@@? @@@@@? ?@@@@@@@@@ ?3@@@@@@@L ?3@@@@ ?@@@@@@@)K?@@@@@@@@@@@@H ?@@@ N@@@@L @@@@ @@@L @@@@ ?@@@@@ @@@@@? ?@@@@@1? 3@@@@? ?@@@@? @@@1 3@@@ 3@@@@L
?3@@@@@@@1e?3@@1? @@@@@@ ?@@@@@@@@@5? @@@@@L ?@@@@@@@@@L? ?N@@@@@@@1 ?N@@@@ ?3@@@@@@@@@@@@@@@@@@@@5? ?@@@L? ?@@@@1 @@@@ @@@1 @@@@ ?@@@@@ @@@@@? ?@@@@@@? N@@@@1 ?@@@@? @@@@ N@@@ N@@@@1
?N@@@@@@@@e?N@@@L 3@@@@@L? ?@@0Y@@@@@H? @@@@@1 ?@@@@@@@@@1? @@@@@@@@ @@@@ ?N@@@@@@@@@@@@@@@@@@@@H? ?@@@1? ?@@@@@ @@@@L? @@@@ @@@@ ?@@@@@L? @@@@@? ?3@@@@@? ?@@@@@ ?@@@@L 3@@@ ?@@@ ?@@@@@
@@@@@@@@f@@@1 N@@@@@1? J@@@@@ 3@@@@@L? O2@@@@@@@@@@@@@@@@@@@@@? @@@@@@@@ @@@@ 3@@@@@@@@@@@@@@@@@@@ ?@@@@? ?@@@@@ 3@@@1? 3@@@ @@@@ ?3@@@@1? @@@@@? ?N@@@@@? ?@@@@@ ?@@@@1 N@@@ ?@@@ ?@@@@@
3@@@@@@@f3@@@ ?@@@@@@? 7@@@@@ N@@@@@)Kg?O2@@@@@6?2@@@@@@@@@@@@@@@@@@@@@@@@@@@@@@@@@@@@@@? @@@@@@@@ @@@@ ?@@@@@@@@@@@@@@@@@@@L? ?@@@@? ?@@@@@ N@@@@? N@@@ 3@@@ ?N@@@@@? 3@@@@L @@@@@? ?@@@@@ ?3@@@@ ?@@@ ?@@@L? ?@@@@@
N@@@@@@@L?eN@@@ ?@@@@@@? @@@@@@ ?@@@@@@@@@@@@@@@@@@@@@@@@@@@@@@@@@@@@@@@@@@@@@@@@@@@@@@@@@@@@@5? @@@@@@@@L? @@@@ 7@@@@@@@@@@@@@@@@@@@1? ?@@@@? ?@@@@@ ?@@@@? ?@@@ N@@@L? @@@@@? N@@@@1 @@@@@? ?@@@@@ ?N@@@@ ?@@@ ?@@@1? ?3@@@@L?
?@@@@@@@)Xe?@@@ ?3@@@@@L @@@@@@ ?@@@@@@@@@@@@@@@@@@@@@@@@@@@@@@@@@@@@@@@@@@@@@@@@@@@@@@@@@@@@@H? 3@@@@@@@1? @@@@L? @@@@@@@@@@@@@@@@@@@@5? ?3@@@? ?@@@@@ ?@@@@? ?@@@ ?@@@1? @@@@@? ?@@@@@ @@@@@? ?@@@@@ @@@@ ?@@@ ?3@@@? ?N@@@@1?
?3@@@@@@@1e?3@@L?hf?N@@@@@1 @@@@@@ ?@@@@@@@@@@@@@@@@@@@@@@@@@@@@@@@@@@@@@@@@@@@@@@@@@@@@@@@@@@@@@ N@@@@@@@@? @@@@1? @@@@@@@@@@@@@@@@@@@@ ?N@@@? ?@@@@@ ?@@@@? ?@@@ ?@@@@? @@@@@? ?@@@@@ 3@@@@L ?@@@@@ @@@@ ?@@@L? ?N@@@? @@@@@?
?N@@@@@@@@e?N@@1? @@@@@@ @@@@@5 ?@@@@@@@@@@@@@@@@@@@@@@@@@@@@@@@@@@@@@@@@@@@@@@@@@@@@(MI@MI@M? ?@@@@@@@@? @@@@@? @@@@@@f@@@@@@@@@@1? ?J@@@? ?@@@@@ ?@@@@? ?@@@ ?@@@@? @@@@@? ?@@@@@ N@@@@1 ?@@@@@ @@@@ ?@@@1? @@@? @@@@@?
3@@@@@@@f@@@? 3@@@@@L? @@@@@H ?@@@@@@@@@@@@@@@@@@@@@@@@@@@@@@@@@@@@@@@@@@@@@@@@@@@(Y ?@@@@@@@@? 3@@@@? @@@@@@f@@@@@@@@@@@? ?@@@@? ?@@@@@ ?@@@@? ?@@@L? ?@@@@? @@@@@L ?@@@@@ ?@@@@@ ?@@@@@ @@@@ ?@@@@? @@@L @@@@@L
N@@@@@@@L?e3@@L N@@@@@1? ?J@@@@@? ?@@@@@@@@@@@@@@@@@@@@@@@@@@@@@@@@@@@@@@@@@@@@@@@@@@0Y? ?@@@@@@@@? N@@@@? @@@@@@f@@@@@@@@@@@? @@@? ?3@@@@ ?3@@@L ?3@@1? ?@@@@? 3@@@@1 ?@@@@@ ?@@@@@ ?3@@@@ @@@@ ?3@@@? @@@1 3@@@@1
?@@@@@@@1?eN@@1 ?@@@@@@? ?7@@@@@? ?@@@@@@@@@@@@@@@@@@@@@@@@@@@@@@@@@@@@@@@0?4@@@@@0M ?3@@@@@@@L ?@@@@? @@@@@@f3@@@@@@@@@@? ?7@@@? ?N@@@@ ?N@@@1 ?N@@@? ?@@@@? N@@@@@ ?@@@@@ ?@@@@@L? ?N@@@@ @@@@L? ?N@@@? @@@@ N@@@@@
?@@@@@@@@Le?@@@ ?@@@@@@L ?@@@@@5? J@@@@@@@@@@@@@@@@@@@@@0MeI4@0M? ?N@@@@@@@1 ?@@@@? @@@@@@fN@@@@@@@@@@? ?3@@@? @@@@L? @@@@ @@@? ?3@@@? ?@@@@@ ?3@@@@L? ?@@@@@1? @@@@ @@@@1? @@@? @@@@ ?@@@@@
?@@@@@@@@1e?3@@L?hf?3@@@@@1 ?@@@@@H? 7@@@@@@@@0MI4@@@@? @@@@@@@@ ?@@@@L @@@@@@f?@@@@@@@@@@? ?N@@@? @@@@1? @@@@ @@@? ?N@@@? ?@@@@@ ?N@@@@1? ?3@@@@@? @@@@L? 3@@@@? @@@L 3@@@ ?@@@@@
?3@@@@@@@@e?N@@1?hf?N@@@@@@ J@@@@@ @@@@@(M?f?I4@@? @@@@@@@@ ?@@@@1 @@@@@5f?@@@@@@@@@@? @@@? @@@@@? @@@@ @@@? @@@L ?@@@@@ @@@@@? ?N@@@@@? @@@@1? N@@@@? @@@1 N@@@ ?3@@@@
?N@@@@@@@@f@@@? @@@@@@hf@@6?&@@@@@ ?J@@@@@H @@@@@@@@ ?@@@@@ @@@@@?f?@@@@@@@@@@? @@@? ?J@@@@@? @@@@ @@@L @@@1 ?@@@@@L? @@@@@? @@@@@? @@@@@? ?@@@@? @@@@ ?@@@L? ?N@@@@
3@@@@@@@L?e3@@L 3@@@@@L?he@@@@@@@@@@ ?7@@@@@? @@@@@@@@L? ?@@@@@ @@@@@1f?@@@@@@@@@@? @@@? ?@@@@@@? 3@@@L? @@@1 3@@@ ?@@@@@1? @@@@@L @@@@@? @@@@@? ?@@@@? @@@@ ?@@@1? @@@@L?
N@@@@@@@1?eN@@1 N@@@@@1?he@@@@@@@@@@ ?@@@@@@? @@@@@@@@1? ?3@@@@ @@@@@@f?@@@@@@@@@@? @@@? ?N@@@@@? N@@@1? 3@@@ N@@@ ?3@@@@@? @@@@@1 3@@@@L @@@@@? ?@@@@? 3@@@ ?@@@@? @@@@1?
?@@@@@@@@?e?@@@ ?3@@@@@?he@@@?@@@@@5 ?@@@@@@? @@@@@@@@@? ?N@@@@ @@@@@@f?@@@@@@@@@@L @@@L @@@@@? ?@@@@? N@@@ ?@@@ ?N@@@@@? @@@@@@ N@@@@1 @@@@@? ?@@@@? N@@@ ?3@@@? @@@@@?
?@@@@@@@@Le?3@@L?hf?N@@@@@Lhe@@@@@@@@@H ?@@@@@5? 3@@@@@@@@? @@@@ @@@@@@f?@@@@@@@@@@1 @@@1 @@@@@? ?@@@@? ?@@@ ?@@@ @@@@@? 3@@@@5 ?@@@@@ @@@@@? ?@@@@? ?@@@L? ?N@@@? 3@@@@?
?3@@@@@@@1e?N@@1? @@@@@1he@@@@@@@@@? ?@@@@@H? N@@@@@@@@? @@@@L? @@@@@@f?3@@@@@@@@@@ @@@@ @@@@@? ?@@@@? ?@@@ ?@@@L? @@@@@? N@@@@? ?@@@@@ @@@@@? ?3@@@? ?@@@1? @@@? N@@@@L
?N@@@@@@@@f@@@? 3@@@@@he@@?@@@@@@? ?@@@@@ ?@@@@@@@@? @@@@1? 3@@@@@f?N@@@@@@@@@@ @@@@ @@@@@? ?@@@@? ?@@@L? ?@@@1? @@@@@? ?@@@@1 ?@@@@@ 3@@@@? ?N@@@L ?@@@@? @@@L ?@@@@1
3@@@@@@@L?e3@@? N@@@@@h?J@5?@@@@@@? ?@@@@@ ?@@@@@@@@L @@@@@? N@@@@@g@@@@@@@@@@ @@@@ @@@@@? ?@@@@? ?@@@@? ?@@@@? @@@@@? ?@@@@@ ?3@@@@ N@@@@? @@@1 ?@@@@? 3@@1 ?@@@@@
N@@@@@@@1?eN@@L ?@@@@@L?g?7@H?@@@@@@? ?@@@@@ ?3@@@@@@@1 @@@@@? ?@@@@@g@@@@@@@@@@ @@@@ @@@@@L ?3@@@L ?3@@ ?@@@@? 3@@@@? ?@@@@@ ?N@@@@ ?@@@@? @@@@ ?@@@@? N@@@ ?3@@@@
?@@@@@@@@?e?@@1 ?3@@@@1?g?@@?J@@@@@@? J@@@@@ ?N@@@@@@@@ @@@@@? ?@@@@@g@@@@@@@@@@ @@@@ @@@@@1 ?N@@@1 ?N@@1? ?3@@@? N@@@@? ?@@@@@ @@@@ ?@@@@? @@@@ ?3@@@? ?@@@ ?N@@@@
?3@@@@@@@Le?3@@ ?N@@@@@?g?@@?7@@@@@@? 7@@@@5 @@@@@@@@ @@@@@? ?@@@@@L?f@@@@@@@@@@ 3@@@ @@@@@@ @@@@ @@@? ?N@@@? ?@@@@? ?@@@@@ 3@@@L? ?@@@@? @@@@ ?N@@@? ?@@@ @@@@L?
?N@@@@@@@1e?N@@L? @@@@@Lg?@@?@@@@@@5? @@@@@H @@@@@@@@ 3@@@@? ?@@@@@1?f@@@@@@@@@@ N@@@ @@@@@@ @@@@ @@@? @@@? ?@@@@L ?@@@@@L? N@@@1? ?@@@@L 3@@@ @@@? ?@@@ @@@@1?
3@@@@@@@f@@1? 3@@@@1g?@@?@@@@@@H? @@@@@? @@@@@@@@ N@@@@? ?3@@@@@?f@@@@@@@@@@ ?@@@ 3@@@@@ @@@@ @@@? @@@? ?@@@@1 ?@@@@@1? ?@@@@? ?@@@@1 ?@@@ @@@L ?@@@L? @@@@@?
N@@@@@@@L?e3@@L N@@@@@g?@@?@@@@@@ @@@@@? @@@@@@@@ ?@@@@? ?N@@@@@?f@@@@@@@@@@ ?@@@ N@@@@@ @@@@ @@@L @@@L ?@@@@@ ?3@@@@@? ?@@@@? ?@@@@@ @@@@L? @@@1 ?@@@1? 3@@@@?
?@@@@@@@1?eN@@1 ?@@@@@L?f?@@@@@@@@@ ?J@@@@@? 3@@@@@@@L? ?@@@@? @@@@@?f@@@@@@@@@@ ?@@@ ?@@@@@ @@@@ @@@1 @@@1 ?3@@@@L? ?N@@@@@? ?@@@@? ?@@@@@ N@@@1? @@@@ ?@@@@? N@@@@L
?@@@@@@@@?e?@@@ ?@@@@@1?fJ@@@@@@@@5 ?7@@@@@? N@@@@@@@1? ?@@@@? @@@@@Lf@@@@@@@@@@L? ?@@@ ?@@@@@ @@@@L? 3@@@ 3@@@ ?N@@@@@? @@@@@? ?@@@@? ?@@@@@ ?@@@@? @@@@ ?3@@@L ?@@@@1
?3@@@@@@@Le?3@@L?hf?3@@@@@?f7@@@@@@@@H ?@@@@@5? ?@@@@@@@@? ?@@@@? @@@@@1f@@@@@@@@@@1? ?@@@ ?@@@@@ 3@@@1? N@@@ N@@@ @@@@H? @@@@@? ?@@@@? ?@@@@@ ?@@@@? 3@@@L? ?N@@@1 ?@@@@@
?N@@@@@@@1e?N@@1?hf?N@@@@@?f@@@@@@@@@? ?@@@@@H? ?@@@@@@@@? ?@@@@? @@@@@@f@@@@@@@@@@@? ?@@@L? ?@@@@@ N@@@@? ?@@@ ?@@@ @@@@L? @@@@@? ?@@@@L ?@@@@@ ?3@@@? N@@@1? @@@@ ?3@@@@L?
@@@@@@@@f3@@? @@@@@Lf@@@@@@@@@? ?@@@@@ ?@@@@@@@@? ?3@@@L @@@@@@f@@@@@@@@@@@? ?@@@1? ?@@@@@L? ?@@@@? ?@@@ ?@@@L? @@@@1? @@@@@L ?3@@@1 ?@@@@@ ?N@@@? ?@@@@? @@@@ ?N@@@@1?
3@@@@@@@L?eN@@? 3@@@@1f@@@@@@@@@? ?@@@@@ ?@@@@@@@@? ?N@@@1 @@@@@@f@@@@@@@@@@@? ?@@@@? ?@@@@@1? ?@@@@? ?@@@L? ?3@@1? @@@@@? 3@@@@1 ?N@@@@L? ?3@@@@L? @@@? ?@@@@? @@@@ @@@@@?
N@@@@@@@1?e?@@L N@@@@@L?e@@@@@@@@@? J@@@@@ ?3@@@@@@@L @@@@ @@@@@@L?e@@@@@@@@@@@? ?@@@@? ?@@@@@@? ?@@@@? ?@@@1? ?N@@@? 3@@@@? N@@@@@ @@@@1? ?N@@@@1? ?J@@@L ?@@@@? 3@@@ 3@@@@?
?@@@@@@@@?e?3@1 ?3@@@@1??J@@@@@@@@5? 7@@@@@ ?N@@@@@@@1 @@@@ @@@@@@1?e@@@@@@@@@@@? ?@@@@? ?@@@@@@? ?3@@@? ?3@@@? @@@? N@@@@? ?@@@@@ 3@@@@? @@@@@? ?@@@@1 ?@@@@? N@@@ N@@@@?
?3@@@@@@@Le?N@@ ?N@@@@@??7@@@@@@@@H? @@@@@5 @@@@@@@@ @@@@ @@@@@@@?e@@@@@@@@@@@? ?@@@@? ?@@@@@@? ?N@@@? ?N@@@? @@@? ?@@@@? ?@@@@@ N@@@@? @@@@@? ?N@@@@ ?@@@@? ?@@@L? ?@@@@L
?N@@@@@@@1f@@L? 3@@@@L?@@@@@@@@@ ?J@@@@@H @@@@@@@@ @@@@ 3@@@@@@?e3@@@@@@@@@@L ?@@@@? ?3@@@@@? @@@L @@@? @@@? ?@@@@L ?@@@@@ ?@@@@? @@@@@? @@@@ ?3@@@? ?@@@1? ?@@@@1
@@@@@@@@f3@1? N@@@@)X@@@@@@@@@ ?7@@@@@? @@@@@@@@ @@@@ ?@@@@@@?eN@@@@@@@@@@1 ?@@@@? ?N@@@@@? @@@1 @@@? @@@L ?@@@@1 ?@@@@@ ?@@@@L @@@@@? @@@@ ?N@@@? ?@@@@? ?@@@@@
3@@@@@@@L?eN@@? ?@@@@@@@@@@@@@@@ ?@@@@@@? @@@@@@@@ @@@@L? 7@@@@@@?e?@@@@@@@@@@@ ?@@@@? @@@@@? @@@@ @@@? @@@1 ?@@@@@ ?@@@@@ ?@@@@1 @@@@@? @@@@ @@@L ?3@@@? ?@@@@@
N@@@@@@@1?e?@@L ?@0?'@@@@@@@@@@@ ?@@@@@@? 3@@@@@@@L? @@@@1? @@@@@@@?e?@@@@@@@@@@@ ?3@@@? @@@@@? @@@@ @@@? @@@@ ?3@@@@ ?@@@@@ ?@@@@@ @@@@@? @@@@ @@@1 @@@? ?3@@@@L?
?@@@@@@@@?e?3@1 V'@@@@@@@@@5 ?@@@@@@? N@@@@@@@1? @@@@@? @@@@@@@?e?@@@@@@@@@@@ ?N@@@? @@@@@? @@@@ @@@L @@@@ ?N@@@@ ?@@@@@L? ?3@@@@ @@@@@? @@@@ @@@@ ?@@@@? ?N@@@@1?
?3@@@@@@@Le?N@@L? ?V'@@@@@@@@H ?@@@@@@? ?@@@@@@@@? 3@@@@? 3@@@@@@Le?3@@@@@@@@@@ @@@? @@@@@L @@@@L? @@@1 3@@@ @@@@ ?3@@@@1? ?N@@@@ @@@@@L @@@@ 3@@@ ?N@@@L @@@@@?
?N@@@@@@@1f@@1? V4@@@@@@@? ?@@@@@@? ?@@@@@@@@? N@@@@? N@@@@@@1e?N@@@@@@@@@@ @@@? @@@@@1 @@@@1? 3@@@ N@@@L? @@@@L? ?N@@@@@? @@@@ @@@@@1 @@@@L? N@@@ @@@1 3@@@@?
@@@@@@@@f3@@? I'@@@@@? J@@@@@5? ?@@@@@@@@L ?@@@@? ?@@@@@@@f3@@@@@@@@@ @@@? @@@@@@ 3@@@@? N@@@ ?@@@1? @@@@1? @@@@@? @@@@L? 3@@@@5 3@@@1? ?@@@ @@@@ N@@@@?
@@@@@@@@L?eN@@L ?N@@@@@? 7@@@@@H? ?3@@@@@@@1 ?@@@@? ?@@@@@@@fN@@@@@@@@@ @@@? @@@@@@ N@@@@? ?@@@ ?@@@@? @@@@@? @@@@@? @@@@1? N@@@@? N@@@@? ?@@@L? @@@@ ?@@@@?
3@@@@@@@)Xe?@@1 ?J@@@@@? @@@@@@ ?N@@@@@@@@ ?@@@@? ?@@@@@@@f?@@@@@@@@@ @@@? @@@@@@ ?@@@@? ?@@@ ?@@@@? 3@@@@? 3@@@@? @@@@@? ?@@@@1 ?@@@@? ?@@@1? @@@@ ?@@@@L
N@@@@@@@@)?2@@@@fO@K?gO2@6K?O&@@@@@? @@@@@@ @@@@@@@@ ?@@@@? ?@@@@@@@f?@@@@@@@@@ @@@L 3@@@@@ ?@@@@? ?@@@L? ?@@@@? N@@@@? N@@@@? @@@@@? ?@@@@@ ?@@@@? ?@@@@? @@@@ ?@@@@1
?@@@@@@@@@@@@@@@@@@@@@@@@@@@@@@@@@@@@@@@@@@@@@@6K?he?J@@@@@@ @@@@@@@@ ?@@@@? ?@@@@@@@f?@@@@@@@@@ @@@1 N@@@@@ ?@@@@? ?@@@1? ?@@@@? ?@@@@? ?@@@@? 3@@@@? ?@@@@@ ?@@@@? ?@@@@? 3@@@L? ?3@@@@
?3@@@@@@@@@@@@@@@@@@@@@@@@@@@@@@@@@@@@@@@@@@@@@@@@he?7@@@@@@ @@@@@@@@ ?@@@@? ?@@@@@@@f?@@@@@@@@@ @@@@ ?@@@@@ ?@@@@? ?@@@@? ?3@@@? ?@@@@? ?@@@@? N@@@@L ?@@@@@ ?@@@@? ?@@@@? N@@@1? ?N@@@@
?V'@@@@@@@@@@@@@@@@@@@@@@@@@@@@@@@@@@@@@@@@@@@@@@@he?@@@@@@5 @@@@@@@@L? ?3@@@? ?@@@@@@@f?3@@@@@@@@ @@@@ ?@@@@@ ?@@@@? ?3@@@? ?N@@@L ?@@@@? ?@@@@L ?@@@@1 ?@@@@@ ?@@@@? ?3@@@? ?3@@@? @@@@L?
N@@@@@@@@@@@@@@@@@@@@0M?fI4@@0MI4@@@@@@@@@@@@L?h?@@@@@@H @@@@@@@@1? ?N@@@? ?@@@@@@@f?N@@@@@@@@L? @@@@ ?@@@@@ ?3@@@L ?N@@@? @@@1 ?@@@@L ?@@@@1 ?@@@@@ ?@@@@@ ?3@@@? ?N@@@? @@@? @@@@1?
?3@@@@@@(MfI4@0M? ?I4@@@@@@@@@1?h?@@@@@@? @@@@@@@@@? @@@L ?@@@@@@@g@@@@@@@@1? @@@@ ?@@@@@L? ?N@@@1 @@@? @@@@ ?@@@@1 ?@@@@@ ?@@@@@ ?@@@@@ ?N@@@? @@@L ?@@@@? 3@@@@?
?N@@@@@@ I'@@@@@@@?h?@@@@@@? @@@@@@@@@? @@@1 ?@@@@@@@L?f@@@@@@@@@? @@@@ ?@@@@@1? @@@@ @@@? @@@@ ?3@@@@ ?@@@@@ ?@@@@@ ?3@@@@ @@@? @@@1 ?N@@@? N@@@@L
@@@@@@1?f?/X? ?N@@@@@@@Lh?@@@@@@? 3@@@@@@@@? @@@@ ?3@@@@@@1?f@@@@@@@@@? @@@@ ?@@@@@@? @@@@ @@@L 3@@@ ?N@@@@ ?@@@@@ ?3@@@@ ?N@@@@ @@@L @@@@ @@@L ?@@@@1
@@@@@@@?f?N1? 3@@@@@@1h?@@@@@@? N@@@@@@@@L @@@@ ?N@@@@@@@?f@@@@@@@@@? @@@@ ?@@@@@@? @@@@ @@@1 N@@@ @@@@ ?@@@@@ ?N@@@@ ?J@@@@ @@@1 @@@@ @@@1 ?@@@@@
3@@@@@@?g@? N@@@@@@@L?g?@@@@@5? ?@@@@@@@@1 @@@@ @@@@@@@?f@@@@@@@@@? @@@@ ?3@@@@@? @@@@ @@@@ ?@@@L? @@@@ ?@@@@@ @@@@L? ?@@@@@ @@@@ @@@@ @@@@ ?@@@@@
N@@@@@@?g@?he?W&?he?3@@@@@@1?g?@@@@@H? ?@@@@@@@@@ @@@@ @@@@@@@?f@@@@@@@@@? @@@@ ?N@@@@@? @@@@ 3@@@ ?@@@1? @@@@ ?3@@@@ @@@@1? ?N@@@@ @@@@ @@@@L? @@@@ ?3@@@@
?@@@@@@L ?7@?he?N@@@@@@@?gJ@@@@@ ?@@@@@@@@@ @@@@ @@@@@@@?f3@@@@@@@@? @@@@ @@@@@? @@@@L? N@@@ ?@@@@? @@@@L? ?N@@@@L? 3@@@@? @@@@L? @@@@ 3@@@1? @@@@ ?N@@@@L?
?@@@@@@1 ?@@?hf@@@@@@@Lg7@@@@@ ?@@@@@@@@@ @@@@L? @@@@@@@?fN@@@@@@@@? 3@@@ @@@@@? 3@@@1? ?@@@ ?@@@@? @@@@1? @@@@1? N@@@@L @@@@1? @@@@ N@@@@? 3@@@ @@@@1?
?3@@@@@@g?@he?@@?hf@@@@@@@1g@@@@@5 ?3@@@@@@@@ @@@@1? @@@@@@@?f?@@@@@@@@? N@@@ @@@@@? N@@@@? ?@@@ ?@@@@? 3@@@@? @@@@@? ?@@@@1 @@@@@? @@@@ ?@@@@? N@@@L? @@@@@?
?N@@@@@@L?f?@he?@5?hf@@@@@@@@g@@@@@H ?N@@@@@@@@L? 3@@@@? 3@@@@@@?f?@@@@@@@@? ?@@@ @@@@@? ?@@@@? ?@@@L? ?3@@@? N@@@@? @@@@@? ?@@@@@ @@@@@? @@@@ ?@@@@? ?@@@1? @@@@@?
@@@@@@1?f?@he?@H?hf3@@@@@@@g@@@@@? @@@@@@@@1? N@@@@? N@@@@@@?f?@@@@@@@@? ?@@@L? @@@@@? ?@@@@? ?@@@1? ?N@@@L ?@@@@? @@@@@? ?@@@@@ @@@@@? 3@@@L? ?@@@@? ?@@@@? @@@@@L
3@@@@@@? ?@ N@@@@@@@f?J@@@@@? @@@@@@@@@? ?@@@@? ?@@@@@@?f?@@@@@@@@? ?@@@1? @@@@@? ?@@@@? ?@@@@? @@@1 ?@@@@? @@@@@? ?@@@@@ @@@@@? N@@@1? ?@@@@? ?@@@@? @@@@@1
N@@@@@@? ?@@@@@@@f?7@@@@@? @@@@@@@@@? ?@@@@? ?@@@@@@?f?@@@@@@@@? ?@@@@? @@@@@L ?@@@@L ?@@@@? @@@@ ?@@@@L 3@@@@? ?@@@@@ @@@@@? ?@@@@? ?@@@@? ?@@@@? 3@@@@@
?@@@@@@L ?@@@@@@@L?eJ@@@@@@? @@@@@@@@@? ?@@@@? ?@@@@@@?f?@@@@@@@@? ?@@@@? @@@@@1 ?@@@@1 ?3@@@? @@@@ ?@@@@1 N@@@@L ?3@@@@ 3@@@@? ?@@@@? ?@@@@? ?3@@@? N@@@@@
?@@@@@@1 ?@@@@@@@)Xe7@@@@@5? 3@@@@@@@@? ?@@@@? ?@@@@@@Lf?@@@@@@@@L ?@@@@? @@@@@@ ?@@@@@ ?N@@@? 3@@@ ?3@@@@ ?@@@@1 ?N@@@@L? N@@@@? ?@@@@? ?3@@@? ?N@@@L ?@@@@@
?3@@@@@@ ?3@@@@@@@1e@@@@@@H? N@@@@@@@@L ?@@@@? ?@@@@@@1f?@@@@@@@@1 ?@@@@? @@@@@@ ?3@@@@ @@@? N@@@ ?N@@@@ ?@@@@@ @@@@1? ?@@@@? ?3@@@? ?N@@@L @@@1 ?3@@@@L?
?N@@@@@@L? ?N@@@@@@@@e@@@@@@ ?@@@@@@@@1 ?@@@@L ?@@@@@@@f?@@@@@@@@@ ?@@@@? @@@@@@ ?N@@@@ @@@L ?@@@ @@@@ ?@@@@@ @@@@@? ?@@@@? ?N@@@? @@@1 @@@@ ?N@@@@1?
@@@@@@1? 3@@@@@@@e@@@@@@ ?@@@@@@@@@ ?@@@@1 ?@@@@@@@f?@@@@@@@@@ ?@@@@? @@@@@@ @@@@ @@@1 ?@@@ @@@@ ?@@@@@ 3@@@@? ?@@@@? @@@? @@@@ @@@@ @@@@@?
3@@@@@@? N@@@@@@@L?@@@@@5 ?@@@@@@@@@ ?@@@@@ ?3@@@@@@f?@@@@@@@@@ ?@@@@? 3@@@@@ @@@@ @@@@ ?@@@L? @@@@ ?@@@@@ N@@@@? ?@@@@L ?J@@@L @@@@ @@@@ @@@@@L
N@@@@@@L ?@@@@@@@)X@@@@@H ?@@@@@@@@@ ?@@@@@ ?N@@@@@@f?@@@@@@@@@ ?@@@@? N@@@@@ @@@@ @@@@ ?@@@1? @@@@ ?@@@@@ ?@@@@? ?@@@@1 ?@@@@1 @@@@ @@@@ @@@@@1
?@@@@@@1 ?@@@@@@@@@@@@@@? ?@@@@@@@@@L? ?@@@@@ @@@@@@f?@@@@@@@@@ ?@@@@? ?@@@@@ @@@@L? 3@@@ ?3@@@? @@@@ ?3@@@@ ?@@@@L ?@@@@@ ?N@@@@ 3@@@ 3@@@L? @@@@@@
?3@@@@@@ ?3@@@@@@@@@@@@@? ?3@@@@@@@@1? ?@@@@@ @@@@@@f?3@@@@@@@@ ?3@@@? ?@@@@@ 3@@@1? N@@@ ?N@@@L @@@@L? ?N@@@@ ?3@@@1 ?@@@@@ @@@@ N@@@ N@@@1? 3@@@@@
?N@@@@@@ ?N@@@@@@@@@@@@@? ?N@@@@@@@@@? ?@@@@@ @@@@@@f?N@@@@@@@@ ?N@@@? ?@@@@@L? N@@@@? ?@@@ @@@1 @@@@1? @@@@ ?N@@@@ ?@@@@@ @@@@ ?@@@ ?@@@@? N@@@@@
@@@@@@L?he?@ @@@@@@@@@@@@@? @@@@@@@@@L ?3@@@@ @@@@@@g@@@@@@@@ @@@? ?@@@@@1? ?@@@@? ?@@@L? @@ @@@@ @@@@@? @@@@ @@@@L? ?@@@@@ @@@@ ?@@@L? ?@@@@? ?@@@@@L?
@@@@@@1?he?@ 3@@@@@@@@@@@@? @@@@@@@@@1 ?N@@@@L? @@@@@@g@@@@@@@@ @@@? ?@@@@@@? ?@@@@? ?@@@1? @@ @@@@ 3@@@@? @@@@ @@@@1? ?@@@@@ @@@@ ?@@@1? ?@@@@? ?@@@@@1?
3@@@@@@Lhe?@ N@@@@@@@@@@@5? @@@@@@@@@@ @@@@@? ?J@@@@@@g@@@@@@@@ @@@? ?@@@@@@? ?@@@@? ?@@@@? @@@@ N@@@@? @@@@L? @@@@@? ?3@@@@ @@@@ ?3@@@? ?@@@@L ?3@@@@@?
N@@@@@@1he?@ ?@@@@@@@@@@@H? @@@@@@@@@@ @@@@ ?7@@@@@@L?f@@@@@@@@L? @@@L ?@@@@@@? ?@@@@? ?@@@@? @@@@ ?@@@@? @@@@1? @@@@@? ?N@@@@ @@@@ ?N@@@? ?3@@@1 ?N@@@@@?
?@@@@@@@ ?3@@@@@@@@@@ @@@@@@@@@@ @@@@1? ?3@@@@@@1?f@@@@@@@@1? @@@1 ?3@@@@@? ?@@@@L ?3@@@? @@@@L? ?@@@@L @@@@@? 3@@@@? @@@@ 3@@@ @@@? ?N@@@@ @@@@@L
?@@@@@@@L? ?N@@@@@@@@@@ ?J@@@@@@@@@@ @@@@@? ?N@@@@@@@?f@@@@@@@@@? @@@@ ?N@@@@@? ?@@@@1 ?N@@@? @@@@1? ?@@@@1 3@@@@? N@@@@? @@@@ N@@@ @@@? @@@@ 3@@@@1
?3@@@@@@1? @@@@@@@@@@ ?7@@@@@@@@@@ @@@@@? @@@@@@@?f3@@@@@@@@? @@@@ @@@@@? ?3@@@@ @@@L 3@@@@? ?3@@@@ N@@@@? ?@@@@L @@@@L? ?@@@L? @@@L @@@@ N@@@@@
?N@@@@@@@? 3@@@@@@@@5 J@@@@@@@@@@@@6KO2@@@@6KO2@@@@@6?2@@@@@6KO2@6K? O@K?eO@K?f?O2@@@@@@@@? @@@@@@@?fN@@@@@@@@? @@@@ @@@@@? ?N@@@@ @@@1 N@@@@? ?N@@@@ ?@@@@L ?@@@@1 @@@@1? ?@@@1? @@@1 @@@@ ?@@@@@
@@@@@@@L N@@@@@@@@H 7@@@@@@@@@@@@@@@@@@@@@@@@@@@@@@@@@@@@@@@@@@@@@@@@@@@@@@@@@@@@@@@@@@@@@@@@@@@@@@@@@@@@? @@@@@@@?f?@@@@@@@@? @@@@ @@@@@? @@@@ @@@@ ?@@@@? @@@@ ?@@@@1 ?@@@@@ @@@@@? ?@@@@? @@@@ @@@@ ?@@@@@
3@@@@@@1 ?@@@@@@@@? @@@@@@@@@@@@@@@@@@@@@@@@@@@@@@@@@@@@@@@@@@@@@@@@@@@@@@@@@@@@@@@@@@@@@@@@@@@@@@@@@@@@@? @@@@@@@?f?@@@@@@@@? @@@@ @@@@@L @@@@ @@@@ ?@@@@? @@@@ ?@@@@@ ?@@@@@ @@@@@? ?3@@@? @@@@ 3@@@L? ?@@@@@L?
V'@@@@@@L? ?@@@@@@@@? @@@@@@@@@@@@@@@@@@@@@@@@@@@@@@@@@@@@@@@@@@@@@@@@@@@@@@@@@@@@@@@@@@@@@@@@@@@@@@@@@@@@@? @@@@@@@?f?@@@@@@@@? @@@@ @@@@@1 @@@@ 3@@@ ?@@@@? @@@@L? ?@@@@@ ?3@@@@ @@@@@? @@@? @@@@L? N@@@1? ?3@@@@1?
?N@@@@@@1? ?3@@@@@@@? @@@@@@@@@@@@@@@@@@@@@@@@@@@@@@@@@@@@@@@@@@@@@0?4@@0M I4@@0?@?'@@@@? 3@@@@@@?f?@@@@@@@@? @@@@ @@@@@@ @@@@ N@@@ ?3@@@? @@@@1? ?@@@@@ ?N@@@@ @@@@@? ?@@@@? 3@@@1? ?@@@@? ?N@@@@@?
@@@@@@@L ?N@@@@@@@? ?J@@@@@@@@@@(Mf?I4@@@0MI4@@@0M?eI40M N@@@@? N@@@@@@?f?@@@@@@@@? @@@@ @@@@@@ 3@@@ ?@@@L? ?N@@@? @@@@@? ?@@@@@ @@@@L? @@@@@? ?N@@@? N@@@@? ?@@@@? @@@@@?
@@@@@@@1 @@@@@@@? ?7@@@@@@@@@@H? ?@@@@? ?3@@@@@?f?@@@@@@@@? 3@@@ @@@@@@ N@@@L? ?@@@1? @@@L @@@@@? ?3@@@@ @@@@1? @@@@@? @@@? ?@@@@? ?@@@@? @@@@@?
@@@@@@@@ @@@@@@@L ?@@@@@@@@@@@ ?@@@@? ?N@@@@@?f?@@@@@@@@? N@@@ @@@@@@ ?@@@1? ?@@@@? @@@1 3@@@@? ?N@@@@ @@@@@? 3@@@@? @@@L ?@@@@? ?@@@@? @@@@@?
3@@@@@@@L? 3@@@@@@1 ?@@@@@@@@@@@ ?@@@@? @@@@@?f?@@@@@@@@L ?@@@ @@@@@@ ?@@@@? ?@@@@? @@@@ N@@@@? @@@@ 3@@@@? N@@@@? @@@1 ?@@@@? ?3@@@L 3@@@@?
N@@@@@@@1? N@@@@@@@ ?@@@@@@@@@@5 ?@@@@? ?J@@@@@?f?@@@@@@@@1 ?@@@ 3@@@@@ ?@@@@? ?3@@@? @@@@ ?@@@@L @@@@L? N@@@@? ?@@@@? @@@@ ?@@@@? ?N@@@1 N@@@@?
?3@@@@@@@L ?@@@@@@@ ?@@@@@@@@@@H ?@@@@? ?@@@@@@?f?@@@@@@@@@ ?@@@ N@@@@@ ?@@@@? ?N@@@? @@@@ ?@@@@1 @@@@1? ?@@@@L ?@@@@L @@@@ ?@@@@? @@@@ ?@@@@L
?N@@@@@@@)X? ?@@@@@@@ ?@@@@@@@@@@? ?@@@@? ?N@@@@@Lf?@@@@@@@@@ ?@@@ ?@@@@@ ?@@@@? @@@? 3@@@ ?@@@@@ @@@@@? ?@@@@1 ?@@@@1 @@@@ ?@@@@? @@@@ ?@@@@1
@@@@@@@@)X ?3@@@@@@L? J@@@@@@@@@@? ?@@@@6KO2@@@@@@@@@@@6KhfO@K?e?O2@@@6X?3@@@? @@@@@1f?3@@@@@@@@ ?@@@L? ?@@@@@ ?@@@@? @@@? N@@@ ?3@@@@ @@@@@? ?@@@@@ ?@@@@@ @@@@ ?3@@@L @@@@ ?3@@@@L?
3@@@@@@@@1 ?N@@@@@@1? 7@@@@@@@@@@? J@@@@@@@@@@@@@@@@@@@@@@@@@@@@@@@@@@@@@@@@@@@@@@1?N@@@? @@@@@@f?N@@@@@@@@ ?@@@1? ?@@@@@L? ?@@@@L @@@L ?@@@L? ?N@@@@ @@@@@? ?3@@@@ ?@@@@@ 3@@@ ?N@@@1 @@@@ ?N@@@@1?
N@@@@@@@@@ @@@@@@@? @@@@@@@@@@@? 7@@@@@@@@@@@@@@@@@@@@@@@@@@@@@@@@@@@@@@@@@@@@@@@e@@@? @@@@@@g@@@@@@@@ ?@@@@? ?@@@@@@? ?3@@@1 @@@1 ?@@@1? @@@@ 3@@@@? ?N@@@@ ?@@@@@ N@@@L? @@@@ @@@@L? @@@@@?
?@@@@@@@@@ @@@@@@@L @@@@@@@@@@@? ?J@@@@@@@@@@@@@@@@@@@@@@@@@@@@@@@@@@@@@@@@@@@@@@@@@@@@@? @@@@@@g@@@@@@@@ ?@@@@? ?@@@@@H? ?N@@@@ @@@@ ?@@@@? @@@@ N@@@@? @@@@L? ?3@@@@ ?@@@1? @@@@ 3@@@1? @@@@@L
?@@@@@@@@@ 3@@@@@@1 ?J@@@@@@@@@@5? W&@@@@@@@@@@@@@@@@@@@@@@@@@@@@@@@@@@@@@@@@@@@@@@@@@@@@@? @@@@@@g@@@@@@@@ ?@@@@? ?@@@@@L? @@@@ 3@@@ ?@@@@? @@@@L? ?@@@@L @@@@1? ?N@@@@ ?@@@@? @@@@ N@@@@? 3@@@@1
?3@@@@@@@@ N@@@@@@@ ?7@@@@@@@@@@H? 7@@@@@@@@@@@@@@@@@@@@@@@@@@@@@@@@@@@@@@@@@@@@@@@@@@@@@@? @@@@@@g@@@@@@@@ ?@@@@? ?@@@@@1? @@@@ N@@@ ?@@@@? @@@@1? ?@@@@1 @@@@@? @@@@ ?@@@@? @@@@ ?@@@@? N@@@@@
?N@@@@@@@@ ?@@@@@@@ ?@@@@@@@@@@@ @@@@@@@@@@@@@@@@@@@@@@@@@@@@@@@@@@@@@@@@@@@@@@@@@@@@@@@? @@@@@@g@@@@@@@@ ?@@@@? ?@@@@@@? @@@@ ?@@@ ?3@@@? @@@@@? ?@@@@@ @@@@@? @@@@ ?@@@@? 3@@@ ?@@@@? ?@@@@@
@@@@@@@@ ?@@@@@@@L? ?@@@@@@@@@@@ @@@@@@@@@@@@ @@@@@@g@@@@@@@@ ?@@@@? ?@@@@@@? @@@@ ?@@@ ?N@@@L 3@@@@? ?@@@@@ 3@@@@? @@@@ ?@@@@? N@@@ ?@@@@? ?@@@@@L?
3@@@@@@@ ?3@@@@@@1? ?@@@@@@@@@@@ @@@@@@@@@@@@ @@@@@@g@@@@@@@@ ?@@@@? ?3@@@@@? 3@@@L? ?@@@L? @@@1 N@@@@? ?@@@@@ N@@@@? @@@@L? ?@@@@? ?@@@L? ?@@@@L ?3@@@@1?
N@@@@@@@L? ?N@@@@@@@? ?@@@@@@@@@@@ @@@@@@@@@@@@ @@@@@@L?f@@@@@@@@ ?@@@@? ?N@@@@@? N@@@1? ?@@@1? @@@@ ?@@@@? ?@@@@@ ?@@@@? @@@@1? ?3@@@? ?@@@1? ?3@@@1 ?N@@@@@?
?@@@@@@@)X @@@@@@@L ?@@@@@@@@@@@ @@@@@@@@@@@@ @@@@@@1?f@@@@@@@@ ?@@@@? @@@@@? ?@@@@? ?@@@@? @@@@ ?@@@@? ?3@@@@ ?@@@@? @@@@@? ?N@@@L ?@@@@? ?N@@@@ @@@@@?
?3@@@@@@@)X? @@@@@@@1 ?@@@@@@@@@@@L? ?J@@@@@@@@@@@@ @@@@@@@?f@@@@@@@@ ?@@@@? @@@@@? ?@@@@? ?@@@@? @@@@ ?@@@@L ?N@@@@ ?3@@@? @@@@@? @@@1 ?@@@@? @@@@ @@@@@L
?N@@@@@@@@1? 3@@@@@@@ ?3@@@@@@@@@@)XheO2@6K?eO&@@@@@@e@@@@ @@@@@@@?f3@@@@@@@ ?@@@@? @@@@@? ?@@@@? ?@@@@? 3@@@ ?@@@@1 @@@@L? ?N@@@L @@@@@? @@@@ ?@@@@? @@@@ @@@@@1
@@@@@@@@@? N@@@@@@@ ?N@@@@@@@@@@@)KO2@6KO2@@@@@@@@@@@@@@@@@5e3@@@ @@@@@@@?f?@@@@@@@L? ?@@@@L @@@@@? ?@@@@? ?3@@@? N@@@ ?@@@@@ @@@@1? @@@1 @@@@@? @@@@ ?@@@@? @@@@ 3@@@@@
3@@@@@@@@? ?3@@@@@@ 3@@@@@@@@@@@@@@@@@@@@@@@@@@@@@@@@@@@@HeN@@@L? 3@@@@@@?f7@@@@@@@1? ?@@@@1 @@@@@L ?@@@@L ?N@@@L ?@@@L? ?3@@@@ @@@@@? @@@@ @@@@@? @@@@ ?3@@@L 3@@@L? N@@@@@
N@@@@@@@@? ?N@@@@@@L? N@@@@@@@@@@@@@@@@@@@@@@@@@@@@@@@@@@@@?e?@@@1? N@@@@@@?f3@@@@@@@@? ?@@@@@ @@@@@1 ?@@@@1 @@@1 ?@@@1? ?N@@@@ @@@@@? @@@@ 3@@@@? @@@@ ?N@@@1 N@@@1? ?@@@@@
?@@@@@@@@? @@@@@@1? ?@@@@@@@@@@@@@@@@@@@@@@@@@@@@@@@@@@@@Le?@@@@? ?@@@@@@?fN@@@@@@@@? ?3@@@@ @@@@@@ ?3@@@@ @@@@ ?@@@@L @@@@ @@@@@? @@@@L? N@@@@? @@@@ @@@@ ?@@@@? ?@@@@@L?
?@@@@@@@@L @@@@@@@? ?@@@@@@@@@@@0M?I4@0?@?4@@@@@@@@@@@@@@1e?@@@@? ?@@@@@@?f?@@@@@@@@? ?N@@@@ 3@@@@@ ?N@@@@ @@@@ ?@@@@1 @@@@ 3@@@@? 3@@@1? ?@@@@? 3@@@L? @@@@ ?@@@@? ?3@@@@1?
?@@@@@@@@1 3@@@@@@L ?3@@@@@@@@@? I4@0M??@@@@@e?@@@@? ?@@@@@@?f?@@@@@@@@? @@@@ N@@@@@ @@@@ @@@@ ?3@@@@L? @@@@L? N@@@@? N@@@@? ?@@@@? N@@@1? @@@@ ?@@@@? ?N@@@@@?
?@@@@@@@@@ N@@@@@@1 ?N@@@@@@@@@? ?@@@@@e?3@@@? ?@@@@@@?f?@@@@@@@@? @@@@ ?@@@@@ @@@@ 3@@@ ?N@@@@1? @@@@1? ?@@@@L ?@@@@? ?@@@@L ?@@@@? @@@@ ?@@@@? @@@@@?
J@@@@@@@@@ ?@@@@@@@ @@@@@@@@@? ?3@@@@e?N@@@? ?@@@@@@?f?@@@@@@@@? @@@@ ?@@@@@ @@@@ N@@@ @@@@5? 3@@@@? ?@@@@1 ?@@@@L ?@@@@1 ?@@@@? 3@@@ ?@@@@L @@@@@?
7@@@@@@@@@L? ?3@@@@@@ @@@@@@@@@? ?N@@@@f@@@? ?@@@@@@?f?@@@@@@@@? @@@@ ?@@@@@ @@@@ ?@@@L? @@@@H? N@@@@? ?@@@@@ ?@@@@1 ?@@@@@ ?@@@@? N@@@L? ?3@@@1 3@@@@?
@@@@@@@@@@1? ?N@@@@@@L? @@@@@@@@@? @@@@f@@@? ?@@@@@@?f?@@@@@@@@L @@@@ ?@@@@@ 3@@@L? ?@@@1? @@@@ ?@@@@? ?@@@@@ ?@@@@@ ?@@@@@ ?@@@@? ?@@@1? ?N@@@@ N@@@@?
@@@@@@@@@@@L @@@@@@1? @@@@@@@@@? @@@@f@@@? ?@@@@@@?f?@@@@@@@@1 @@@@ ?@@@@@ N@@@1? ?@@@@? @@@@ ?@@@@? ?@@@@@L? ?3@@@@ ?@@@@@ ?@@@@? ?@@@@? @@@@ ?@@@@L
?J@@@@@@@@@@@1 3@@@@@@? 3@@@@@@@@? 3@@@f@@@L ?@@@@@@Lf?@@@@@@@@@ @@@@ ?3@@@@L? ?@@@@? ?@@@@? 3@@@L? ?@@@@L ?@@@@@1? ?N@@@@ ?@@@@@ ?@@@@L ?@@@@? @@@@ ?@@@@1
?7@@@@@@@@@@@@ N@@@@@@L N@@@@@@@@? N@@@f3@@1 ?3@@@@@1f?3@@@@@@@@ @@@@ ?N@@@@1? ?@@@@? ?@@@@? N@@@1? ?@@@@1 ?3@@@@@? @@@@ ?3@@@@ ?@@@@1 ?@@@@? @@@@ ?@@@@@
?@@@@?@@@@@@@@ ?@@@@@@1 ?@@@@@@@@? ?@@@fN@@@ ?N@@@@@@f?N@@@@@@@@L? @@@@ @@@@@? ?@@@@? ?3@@@? ?@@@@? ?@@@@@ ?N@@@@@? @@@@L? ?N@@@@ ?3@@@@ ?@@@@? @@@@ ?3@@@@
?@@@5?3@@@@@@@L? ?3@@@@@@ ?@@@@@@@@? ?@@@f?@@@ ?J@@@@@@g@@@@@@@@1? @@@@L? @@@@@? ?@@@@? ?N@@@L ?@@@@? ?@@@@@ @@@@@? @@@@1? @@@@ ?N@@@@ ?3@@@L @@@@L? ?N@@@@L?
?@@@H?N@@@@@@@1? ?N@@@@@@ ?@@@@@@@@L ?@@@f?@@@ ?@@@@@@@g@@@@@@@@@? @@@@1? @@@@@? ?@@@@? @@@1 ?@@@@? ?3@@@@ @@@@@? 3@@@@? @@@@ @@@@ @@@1 3@@@1? @@@@1?
?@@@e?@@@@@@@@L @@@@@@L? ?@@@@@@@@1 ?@@@L?e?@@@ ?N@@@@@@g@@@@@@@@@? 3@@@@? @@@@@? ?3@@@? @@@@ ?@@@@? ?N@@@@L? @@@@@? N@@@@? @@@@ @@@@ ?@@@@@ N@@@@? @@@@@?
?3@@@@@@@1 @@@@@@1? ?@@@@@@@@@ ?3@@1?e?@@@ @@@@@@g@@@@@@@@@? N@@@@? @@@@@? ?N@@@L @@@@ ?@@@@? @@@@1? @@@@@? ?@@@@? @@@@L? @@@@ ?N@@@@ ?@@@@? @@@@@L
?N@@@@@@@@ 3@@@@@@? ?@@@@@@@@@ ?N@@@?e?@@@L? @@@@@@g@@@@@@@@@? ?@@@@? @@@@@? @@@1 @@@@ ?@@@@? @@@@@? @@@@@L ?@@@@? @@@@1? @@@@L? @@@@ ?@@@@? 3@@@@1
@@@@@@@@L? N@@@@@@? ?3@@@@@@@@ @@@?e?@@@@? @@@@@@g@@@@@@@@@? ?@@@@? @@@@@? @@@@ 3@@@ ?3@@@? @@@@@? 3@@@@1 ?3@@@L @@@@@? @@@@1? @@@@ ?3@@@? N@@@@@
3@@@@@@@1? ?3@@@@@L ?N@@@@@@@@ @@@Le?3@@ @@@@@@g@@@@@@@@@? ?@@@@? @@@@@? @@@@ N@@@ ?N@@@L @@@@@? N@@@@@ ?N@@@1 3@@@@? @@@@@? @@@@L? ?N@@@L ?@@@@@
N@@@@@@@@? ?N@@@@@1 @@@@@@@@ @@@1e?N@@1? @@@@@@g@@@@@@@@@? ?@@@@? @@@@@? @@@@ ?@@@L? @@@1 3@@@@? ?@@@@@ @@@@ N@@@@? 3@@@@? 3@@@1? @@@1 ?@@@@@
?@@@@@@@@? @@@@@@ @@@@@@@@ @@@@f@@@? @@@@@@g@@@@@@@@@? ?@@@@? 3@@@@L 3@@@L? ?@@@1? @@@@ N@@@@? ?@@@@@ @@@@ ?@@@@? N@@@@? N@@@@? @@@@ ?3@@@@L?
?3@@@@@@@L @@@@@@ @@@@@@@@L? 3@@@f@@@? 3@@@@@L?f@@@@@@@@@? ?@@@@? N@@@@1 N@@@1? ?@@@@? @@@@ ?@@@@? ?@@@@@ @@@@ ?@@@@? ?@@@@? ?@@@@? @@@@ ?N@@@@1?
?N@@@@@@@1 3@@@@@L? @@@@@@@@1? N@@@f@@@? N@@@@@1?f@@@@@@@@@? ?@@@@? ?@@@@@ ?@@@@? ?@@@@? @@@@ ?@@@@? ?@@@@@ @@@@L? ?@@@@? ?@@@@? ?@@@@? @@@@ @@@@@?
@@@@@@@@ N@@@@@1? 3@@@@@@@@? ?@@@f3@@? ?@@@@@@?f@@@@@@@@@? ?@@@@? ?@@@@@ ?@@@@? ?@@@@? @@@@ ?@@@@L ?@@@@@ @@@@1? ?@@@@? ?@@@@? ?@@@@? 3@@@ @@@@@?
W2@?h@@@@@@@@ ?@@@@@@? N@@@@@@@@? ?@@@fN@@L ?@@@@@@?f@@@@@@@@@? ?@@@@? ?@@@@@ ?@@@@? ?@@@@? 3@@@L? ?@@@@1 ?@@@@@ @@@@@? ?@@@@L ?@@@@L ?3@@@? N@@@L? 3@@@@L
7@@?h3@@@@@@@L? ?@@@@@@L ?@@@@@@@@? ?@@@f?@@1 ?@@@@@@?f3@@@@@@@@? ?@@@@? ?@@@@@ ?@@@@? ?@@@@? N@@@1? ?3@@@@ ?@@@@@ 3@@@@? ?@@@@1 ?@@@@1 ?N@@@L ?@@@1? N@@@@1
@@@?hN@@@@@@@1? ?3@@@@@1 ?@@@@@@@@L ?@@@f?@@@ ?@@@@@@?fN@@@@@@@@? ?@@@@? ?@@@@@ ?@@@@? ?3@@@L ?@@@@? ?N@@@@ ?3@@@@ N@@@@? ?@@@@@ ?3@@@@ @@@1 ?@@@@? ?@@@@@
@@@?h?@@@@@@@@? ?N@@@@@@ ?3@@@@@@@1 ?3@@f?@@@ ?@@@@@@?f?@@@@@@@@L ?@@@@? ?@@@@@ ?@@@@? ?N@@@1 ?@@@@? @@@@L? ?N@@@@ ?@@@@? ?@@@@@ ?N@@@@ @@@@ ?@@@@? ?@@@@@
@@@?h?3@@@@@@@? @@@@@@L? ?N@@@@@@@@ ?N@@L?e?@@@ ?@@@@@@?f?@@@@@@@@1 ?@@@@? ?@@@@@ ?@@@@? @@@@ ?@@@@? @@@@1? @@@@L? ?@@@@? ?@@@@@ @@@@ @@@@ ?@@@@? ?3@@@@L?
@@@?h?N@@@@@@@? @@@@@@1? @@@@@@@@ @@1?e?3@@ ?@@@@@@?f?@@@@@@@@@ ?@@@@L ?@@@@@ ?3@@@L @@@@ ?@@@@L @@@@@? @@@@1? ?@@@@L ?@@@@@ @@@@ @@@@ ?@@@@? ?N@@@@1?
?J@@@?he@@@@@@@? 3@@@@@@? @@@@@@@@ @@@?e?N@@ ?@@@@@@?fJ@@@@@@@@@ ?@@@@1 ?@@@@@ ?N@@@1 @@@@ ?3@@@1 @@@@@? @@@@@? ?3@@@1 ?3@@@@ @@@@ @@@@ ?3@@@? @@@@@?
?7@@5?he@@@@@@@L N@@@@@@? @@@@@@@@ @@@?f@@ ?@@@@@@?f7@@@@@@@@@ ?@@@@@ ?@@@@@L? @@@@ 3@@@ ?N@@@@ @@@@@? @@@@@? ?N@@@@ ?N@@@@ @@@@ 3@@@ ?N@@@L @@@@@?
?@@@H?he3@@@@@@1 ?@@@@@@? @@@@@@@@ 3@@?f@@ ?@@@@@@?f3@@@@@@@@@ ?@@@@@ ?@@@@@1? @@@@ N@@@ @@@@ @@@@@? @@@@@? @@@@L? @@@@ @@@@ N@@@ @@@1 3@@@@L
?@@@hfN@@@@@@@ ?@@@@@@L @@@@@@@@L? N@@?f@@L? ?@@@@@@LfN@@@@@@@@@ ?@@@@@ ?@@@@@@? @@@@ ?@@@ @@@@ 3@@@@? 3@@@@? @@@@1? @@@@ @@@@L? ?@@@ @@@@ N@@@@1
?@@@hf?@@@@@@@ ?3@@@@@1 @@@@@@@@1? ?@@Lf@@1? ?@@@@@@1f?@@@@@@@@@ ?3@@@@ ?@@@@@@? @@@@L? ?@@@L? @@@@ N@@@@L N@@@@L 3@@@@L @@@@L? @@@@1? ?@@@L? 3@@@ ?@@@@@
J@@5hf?3@@@@@@L? ?N@@@@@@ 3@@@@@@@@? ?@@1f@@@? ?@@@@@@@f?@@@@@@@@@ ?N@@@@ ?3@@@@@? 3@@@1? ?@@@1? @@@@ ?@@@@1 ?@@@@1 ?@@@@1 @@@@1? 3@@@@? ?@@@1? N@@@L? ?@@@@@
7@@Hhf?N@@@@@@1? @@@@@@L? N@@@@@@@@? ?@@@f3@@? ?@@@@@@@f?@@@@@@@@@ @@@@ ?N@@@@@? N@@@@? ?@@@@? 3@@@ ?@@@@@ ?@@@@@ @@@@@@ @@@@@? N@@@@? ?@@@@? ?@@@1? ?3@@@@L?
@@@? @@@@@@@? @@@@@@1? ?@@@@@@@@? ?@@@fN@@? ?@@@@@@@f?@@@@@@@@@ @@@@ @@@@@? ?@@@@? ?@@@@? N@@@L? ?@@@@@ ?@@@@@ N@@@@@ @@@@@? ?@@@@? ?@@@@? ?@@@@? ?N@@@@1?
@@@? 3@@@@@@? 3@@@@@@? ?@@@@@@@@? ?@@@f?@@? ?@@@@@@@f?@@@@@@@@@ @@@@ @@@@@? ?@@@@? ?@@@@? ?@@@1? ?@@@@@ ?@@@@@ ?@@@@@ @@@@@? ?@@@@? ?3@@@? ?@@@@? @@@@@?
@@@? N@@@@@@L V'@@@@@? ?@@@@@@@@L ?3@@f?@@? ?3@@@@@@f?@@@@@@@@@ @@@@ @@@@@? ?@@@@? ?3@@@? ?@@@@? ?@@@@@ ?@@@@@ ?@@@@@ @@@@@? ?3@@@? ?N@@@L ?3@@@? @@@@@?
?J@@@? ?@@@@@@1 ?N@@@@@L ?@@@@@@@@1 ?N@@f?@@L ?N@@@@@@f?@@@@@@@@@ @@@@ @@@@@? ?@@@@L ?N@@@? ?@@@@L ?3@@@@ ?3@@@@ ?@@@@@ @@@@@? ?N@@@? @@@1 ?N@@@? @@@@@?
?7@@5? ?3@@@@@@ @@@@@1 ?3@@@@@@@@ @@f?@@1 @@@@@@f?3@@@@@@@@ @@@@ @@@@@L ?@@@@1 @@@L ?@@@@1 ?N@@@@L? ?N@@@@ ?3@@@@L? 3@@@@? @@@? @@@@ @@@? 3@@@@?
?@@@H? ?N@@@@@@@6X? @@@@@@ ?N@@@@@@@@ @@L?e?@@@ @@@@@@f?N@@@@@@@@ @@@@ @@@@@1 ?@@@@@ @@@1 ?@@@@@ @@@@1? @@@@L? ?N@@@@1? N@@@@? @@@? @@@@ @@@? N@@@@L
?@@@ @@@@@@@@)KO@K? ?J@@@@@@L? @@@@@@@@ @@1?e?3@@ @@@@@@L?f@@@@@@@@ @@@@ @@@@@@ ?3@@@@ @@@@ ?3@@@@L? @@@@@? @@@@1? @@@@@? ?@@@@? @@@L @@@@ @@@? ?@@@@1
?@@@ @@@@@@@@@@@@@@@@@@6Ke?O26K?hO&@@@@@@1? @@@@@@@@ @@@?e?N@@ @@@@@@1?f@@@@@@@@L? @@@@ @@@@@@ ?N@@@@ @@@@ ?N@@@@1? @@@@@? @@@@@? @@@@@? ?@@@@? @@@1 @@@@ 3@@L ?@@@@@
J@@@ @@@@@@@@@@@@@@@@@@@@@@@@@@@@@@@@@@@@@@@@@@@@@? @@@@@@@@ 3@@?f@@ @@@@@@@?f@@@@@@@@1? @@@@ 3@@@@@ @@@@ @@@@ @@@@@? @@@@@? @@@@@? @@@@@? ?@@@@? @@@@ 3@@@L? N@@1 ?3@@@@
7@@5 3@@@@@@@@@@@@@@@@@@@@@@@@@@@@@@@@@@@@@@@@@@@@? @@@@@@@@L? N@@?f@@ @@@@@@@?f@@@@@@@@@? @@@@L? N@@@@@ @@@@ 3@@@ @@@@@? 3@@@@? 3@@@@? @@@@@L ?3@@@? @@@@ N@@@1? ?@@@ ?N@@@@
@@@H N@@@@@@@@@@@@@@@@@@@@@@@@@@@@@@@@@@@@@@@@@ 3@@@@@@@1? ?@@?f@@L? @@@@@@@?f@@@@@@@@@? @@@@1? ?@@@@@ @@@@ N@@@L? @@@@@? N@@@@? N@@@@L @@@@@1 ?N@@@? 3@@@ ?@@@@? ?@@@L? @@@@
@@@? ?3@@@@@@@@@@@@@@@@@@@@@@@@@@@@@@@@@@@@@@@@ N@@@@@@@@? ?@@?f@@1? @@@@@@@?f@@@@@@@@@? 3@@@@? ?@@@@@ @@@@L? ?@@@1? @@@@@? ?@@@@L ?@@@@1 3@@@@@ @@@L N@@@ ?@@@@? ?@@@1? @@@@L?
@@@? ?V'@@@@@@@@@@@@@@@@@@@@@@@@@@@@@@@@@@@@@@@ ?@@@@@@@@? ?@@?f@@@? @@@@@@@?f@@@@@@@@5? N@@@@? ?@@@@@ @@@@1? ?@@@@? @@@@@? ?@@@@1 ?@@@@@ N@@@@@ @@@1 ?@@@ ?@@@@? ?@@@@? @@@@1?
?J@@@? N@@@@@@@@@@@@@@@@@@@@@@@@@@@@@@@@@@@@@@@L? ?@@@@@@@@? ?@@?f3@@? 3@@@@@@?f@@@@@@@@H? ?@@@@? ?@@@@@ 3@@@@? ?@@@@? 3@@@@? ?@@@@@ ?@@@@@ ?@@@@@L? @@@@ ?@@@ ?@@@@? ?@@@@? 3@@@@?
?7@@5? ?@@@@@@@@@@@@@@@@@@@@@@@@@@@@@@@@@@@@@@@@? ?@@@@@@@@? ?@@LfN@@? N@@@@@@?f@@@@@@@@ ?@@@@? ?@@@@@L? N@@@@? ?@@@@? N@@@@? ?@@@@@ ?@@@@@ ?@@@@@1? @@@@ ?@@@ ?3@@@? ?3@@@? N@@@@?
?@@@H? ?@@@@@@@@@@@@@@@@0M?I40Me?I@M ?3@@@@@@@? ?@@1f?@@L ?@@@@@@?f3@@@@@@@ ?@@@@? ?@@@@@1? ?@@@@? ?@@@@? ?@@@@? ?@@@@@ ?@@@@@ ?3@@@@@? @@@@ ?@@@L? ?N@@@? ?N@@@? ?@@@@?
?@@@ I4@@@@0MeI@M? ?N@@@@@@@L ?@@@f?@@1 ?@@@@@@?fN@@@@@@@ ?@@@@? ?3@@@@@? ?@@@@? ?@@@@L ?@@@@? ?3@@@@ ?@@@@@ ?N@@@@@? @@@@ ?@@@1? @@@? @@@L ?3@@@L
?@@@ @@@@@@@1 ?3@@f?@@@ ?@@@@@@?f?@@@@@@@ ?@@@@? ?N@@@@@? ?3@@@? ?3@@@1 ?@@@@L ?N@@@@ ?3@@@@ @@@@@? @@@@ ?@@@@? @@@? @@@1 ?N@@@1
?@@@ @@@@@@@@ ?N@@f?@@@ ?@@@@@@Lf?@@@@@@@ ?@@@@? @@@@@? @@@L ?N@@@@ ?@@@@1 @@@@L? ?N@@@@ @@@@@? @@@@L? ?@@@@? @@@? @@@@ @@@@
J@@@ @@@@@@@@ @@L?e?@@@ ?@@@@@@1f?@@@@@@@ ?@@@@? @@@@@? ?7@@@1 @@@@ ?@@@@@ @@@@1? @@@@L? @@@@@L @@@@1? ?3@@@? @@@L @@@@ @@@@
7@@5 @@@@@@@@ @@1?e?3@@ ?@@@@@@5f?@@@@@@@ ?@@@@? @@@@@? ?3@@@@ @@@@ ?@@@@@ @@@@@? @@@@1? 3@@@@1 @@@@@? ?N@@@? 3@@1 @@@@ @@@@
@@@H @@@@@@@@ @@@?e?N@@ ?3@@@@@?f?@@@@@@@ ?@@@@? @@@@@? ?N@@@@ @@@@ ?@@@@@ @@@@@? @@@@@? N@@@@@ @@@@@? @@@L N@@@ 3@@@ @@@@L?
?J@@@? @@@@@@@@ @@@?f@@ ?N@@@@@1f?@@@@@@@ ?@@@@? @@@@@? @@@@ @@@@ ?3@@@@ @@@@@? @@@@@? ?@@@@@ 3@@@@? @@@1 ?@@@ N@@@ 3@@@1?
W&@@@? 3@@@@@@@L? @@@?f@@L? @@@@@@f?@@@@@@@ ?@@@@? @@@@@? @@@@L? 3@@@L? ?N@@@@ 3@@@@? @@@@@? ?@@@@@ N@@@@? @@@@ ?@@@ ?@@@ N@@@@?
7@@@@? N@@@@@@@1? 3@@?f@@1? @@@@@@f?@@@@@@@ ?@@@@? @@@@@? @@@@1? N@@@1? @@@@L? N@@@@L @@@@@? ?@@@@@ ?@@@@? @@@@ ?@@@ ?@@@ ?@@@@?
@@@@5? ?@@@@@@@@? N@@?f@@@? @@@@@@f?@@@@@@@ ?@@@@? @@@@@? @@@@@? ?@@@@? @@@@1? ?@@@@1 @@@@@? ?3@@@@ ?@@@@? @@@@ ?@@@ ?@@@L? ?@@@@L
@@@@H? ?@@@@@@@@? ?@@?f@@@? @@@@@@f?@@@@@@@ ?@@@@? 3@@@@? @@@@@? ?@@@@? @@@@@? ?@@@@@ 3@@@@L ?N@@@@ ?@@@@? @@@@ ?@@@L? ?@@@1? ?3@@@1
@@@@ ?@@@@@@@@? ?@@?f3@@? @@@@@@f?@@@@@@@ ?@@@@? N@@@@? @@@@@? ?@@@@? 3@@@@? ?@@@@@ N@@@@1 @@@@ ?@@@@? @@@@ ?@@@1? ?3@@@? ?N@@@@
@@@@ ?@@@@@@@@? ?@@LfN@@L @@@@@@f?@@@@@@@ ?3@@@? ?@@@@? 3@@@@? ?@@@@? N@@@@? ?3@@@@ ?@@@@@ @@@@L? ?@@@@? @@@@ ?@@@@? ?N@@@? @@@@
@@@@ ?@@@@@@@@? ?3@1f?@@1 @@@@@@f?@@@@@@@ ?N@@@? ?@@@@L N@@@@? ?@@@@? ?@@@@L ?N@@@@ ?@@@@@ 3@@@1? ?@@@@? @@@@L? ?3@@@? @@@? 3@@@L?
@@@@ ?@@@@@@@@? ?N@@f?@@@ @@@@@@f?@@@@@@@ @@@L ?@@@@1 ?@@@@? ?3@@@L ?@@@@1 @@@@ ?@@@@@ N@@@@? ?3@@@? @@@@1? ?N@@@? @@@? N@@@1?
@@@@ ?@@@@@@@@L @@f?@@@ @@@@@@f?@@@@@@@ @@@1 ?@@@@@ ?@@@@L ?N@@@1 ?@@@@@ @@@@ ?3@@@@ ?@@@@? @@@? 3@@@@? @@@L @@@? ?@@@@?
@@@@ ?@@@@@@@@1 @@f?@@@ @@@@@@L?e?@@@@@@@ @@@@ ?@@@@@ ?@@@@1 @@@@ ?@@@@@ @@@@ ?N@@@@ ?@@@@L ?7@@@? N@@@@? @@@1 3@@L ?@@@@?
@@@5e@@@@@@@@@@@@@@@@@6?@K?O@?2@@@6KO2@6KO2@@6KfO2@@@6K? O@K? ?W26?26KfO@?)X?he?W2@6Kf?O@?2@@@@@@6?2@@@@@@@@@@@@@@@@@@ @@f?3@@ @@@@@@1?eJ@@@@@@5 @@@@ ?@@@@@ ?@@@@@ @@@@ ?@@@@@ @@@@L? @@@@L? ?@@@@1 ?3@@@L ?@@@@? @@@@ N@@1 ?@@@@L
@@@He3@@@@@@@@@@@@@@@@@@@@@@@@@@@@@@@@@@@@@@@@@@@@@@@@@@@@@@@@@6?2@@@@@@6?2@@@@@@@@@@@@@@@?h?@@@@@@@@@@6X? ?@@@@@@@@@@@@@@@@@@@@@@@@@@6?2@@@@@@@@@@@@@@@@@@@@@@@@@6KO2@@@@@@@h?7@@@@@@@@@@@@@@)XheW&@@@@@@@@@@@@@@@@@@@@@@@@@@@@@@@@@@@@@@@@ @@L?e?N@@ 3@@@@@@?e7@@@@@@H @@@@ ?@@@@@ ?3@@@@ @@@@ ?3@@@@ 3@@@1? @@@@1? ?@@@@@ ?N@@@1 ?@@@@? @@@@ ?@@@ ?3@@@1
?J@@@?eN@@@@@@@@@@@@@@@@@@@@@@@@@@@@@@@@@@@@@@@@@@@@@@@@@@@@@@@@@@@@@@@@@@@@@@@@@@@@@@@@@@@@?h?@@@@@@@@@@@1? ?@@@@@@@@@@@@@@@@@@@@@@@@@@@@@@@@@@@@@@@@@@@@@@@@@@@@@@@@@@@@@@@@@h?3@@@@@@@@@@@@@@@,he*@@@@@@@@@@@@@@@@@@@@@@@@@@@@@@@@@@@@@@@@@ 3@1?f@@L? N@@@@@@?e@@@@@@@? @@@@ ?3@@@@ ?N@@@@ @@@@L? ?N@@@@ N@@@@? @@@@@? ?3@@@@ @@@@ ?@@@@? 3@@@ ?@@@ ?N@@@@
?7@@@?e?@@@@@@@@@@@@@@@@@@@@@@@@@@@@@@@@@@@@@@@@@@@@@@@@@@@0M I4@?h?3@@@@@@@@@@@? ?@@@@@@@@@@@@@@@@@@0M?hI@MI4@@@@@@@@@@@@@@@@@@@@@@@@@@@@@@@h?V4@@@@@@@@@@@@@0YheV4@@@@@@@@@@@@@@@@@@@@@@@@@@@@@@@@@@@@@@@@ N@@?f@@1? ?@@@@@@?e@@@@@@@? @@@@ ?N@@@@ @@@@ 3@@@1? @@@@ ?@@@@? @@@@@? ?N@@@@ @@@@ ?@@@@? N@@@ ?@@@ @@@@
?@@@@?hI@M??I@M ?V4@@? ?I4@ ?I'@@@@@@@L? ?@@?f@@@? ?@@@@@@?e@@@@@@@? @@@@ @@@@L? @@@@ N@@@@? @@@@ ?@@@@? @@@@@? @@@@L? @@@@ ?3@@@L ?@@@L? ?@@@L? 3@@@
J@@@@? ?I@? N@@@@@@@1? ?@@?f@@@? ?@@@@@@?e@@@@@@@? @@@@ @@@@1? @@@@L? ?@@@@? @@@@L? ?@@@@L @@@@@? @@@@1? @@@@ ?N@@@1 ?@@@1? ?3@@1? N@@@L?
7@@@5? ?@@@@@@@@? ?@@?f@@@? ?@@@@@@?e@@@@@@@? @@@@ @@@@@? @@@@1? ?@@@@? @@@@1? ?@@@@1 @@@@@? @@@@@? @@@@ @@@@ ?@@@@? ?N@@@? ?@@@1?
@@@@H? ?@@@@@@@@? ?@@Lf@@@? ?@@@@@@?e@@@@@@@? @@@@ @@@@@? @@@@@? ?@@@@? 3@@@@? ?@@@@@ @@@@@? 3@@@@? @@@@ @@@@ ?@@@@? @@@L ?@@@@?
@@@@ ?@@@@@@@@? ?@@1f@@@L ?@@@@@@?e@@@@@@@? @@@@ @@@@@? 3@@@@? ?@@@@L N@@@@? ?3@@@@L? 3@@@@? N@@@@? @@@@ @@@@ ?@@@@? @@@1 ?3@@@L
@@@@ ?@@@@@@@@L ?@@@f@@@1 ?@@@@@@?e@@@@@@@? @@@@L? @@@@@? N@@@@? ?@@@@1 ?@@@@? ?N@@@@1? N@@@@L ?@@@@L 3@@@ @@@@ ?@@@@? @@@@ ?N@@@1
@@@5 ?@@@@@@@@1 ?3@@f3@@@ ?@@@@@@Le@@@@@@@? 3@@@1? @@@@@? ?@@@@? ?@@@@@ ?@@@@L @@@@@? ?@@@@1 ?@@@@1 N@@@L? @@@@ ?3@@@L @@@@L? @@@@
?J@@(Y ?@@@@@@@@@ ?N@@fN@@@ ?@@@@@@1e@@@@@@@? N@@@@? @@@@@? ?@@@@? ?3@@@@ ?@@@@1 @@@@@? ?@@@@@ ?3@@@@ ?@@@1? 3@@@L? ?N@@@1 3@@@1? @@@@
?7@@H? ?3@@@@@@@@ @@f?@@@ ?@@@@@@@?J@@@@@@@? ?@@@@? @@@@@? ?@@@@L ?N@@@@ ?@@@@@ @@@@@? ?@@@@@ ?N@@@@ ?@@@@? N@@@1? @@@@ N@@@@? 3@@@L?
?@@@ ?N@@@@@@@@ @@f?@@@ ?@@@@@@@?7@@@@@@5? ?@@@@? 3@@@@L ?@@@@1 @@@@ ?3@@@@ @@@@@? ?@@@@@ @@@@ ?@@@@? ?@@@@? @@@@ ?@@@@? N@@@1?
?@@@ @@@@@@@@ @@f?@@@ ?@@@@@@@?@@@@@@@H? ?@@@@? N@@@@1 ?3@@@@ @@@@L? ?N@@@@ 3@@@@? ?@@@@@ @@@@ ?@@@@? ?@@@@? @@@@ ?@@@@? ?@@@@?
?@@@ @@@@@@@@ @@f?@@@L? ?@@@@@@@?@@@@@@@ ?@@@@? ?@@@@@ ?N@@@@ 3@@@1? @@@@ N@@@@? @? ?3@@@@ @@@@ ?@@@@? ?@@@@? @@@@ ?@@@@? ?3@@@?
J@@@ @@@@@@@@ @@L?e?3@@1? ?3@@@@@@?@@@@@@@ ?@@@@? ?@@@@@ @@@@ N@@@@? @@@@L? ?@@@@? ?N@@@@ @@@@L? ?@@@@? ?@@@@? @@@@ ?3@@@? ?N@@@L
7@@@ @@@@@@@@ 3@1?e?N@@@L ?N@@@@@@?@@@@@@@ ?@@@@? ?@@@@@ @@@@ ?@@@@? @@@@1? ?@@@@L @@@@ @@@@1? ?@@@@? ?@@@@? 3@@@ ?N@@@? @@@1
@@@5 @@@@@@@@L? N@@?f@@@1 @@@@@@?@@@@@@@ ?@@@@? ?@@@@@ @@@@L? ?@@@@? 3@@@@? ?@@@@1 @@@@L? 3@@@@? ?@@@@? ?@@@@L N@@@ @@@? @@@@
@@@H 3@@@@@@@1? ?@@?f@@@@ @@@@@@@@@@@@@@ ?3@@@? ?@@@@@ @@@@1? ?@@@@? N@@@@? ?3@@@@ @@@@1? N@@@@L ?@@@@L ?3@@@1 ?@@@L? @@@L @@@@
@@@? N@@@@@@@@? ?@@?f@@@@ @@@@@@@@@@@@@@ ?N@@@? ?@@@@@ @@@@@? ?@@@@? ?@@@@? ?N@@@@ 3@@@@? ?@@@@1 ?@@@@1 ?N@@@@ ?@@@1? @@@1 3@@@L?
?J@@@? ?@@@@@@@@? ?@@?f3@@@ @@@@@@@@@@@@@@ @@@? ?@@@@@ 3@@@@? ?@@@@L ?@@@@? @@@@ N@@@@L ?@@@@@ ?@@@@@ @@@@ ?@@@@? @@@@ N@@@1?
?7@@5? ?@@@@@@@@? ?@@LfN@@@ @@@@@@@@@@@@@@ @@@? ?@@@@@ N@@@@? ?@@@@1 ?@@@@L @@@@ ?@@@@1 ?3@@@@ ?@@@@@ @@@@ ?@@@@? 3@@@ ?@@@@?
?@@@H? ?@@@@@@@@? ?3@1f?@@@ @@@@@@@@@@@@@@ @@@? ?3@@@@L? ?@@@@? ?3@@@@ ?@@@@1 @@@@ ?@@@@@ ?N@@@@ ?3@@@@ @@@@ ?3@@@? N@@@ ?@@@@?
?@@@ ?@@@@@@@@? ?N@@f?@@@L? @@@@@@@@@@@@@@ @@@? ?N@@@@1? ?@@@@? ?N@@@@ ?@@@@@ @@@@L? ?@@@@@ @@@@ ?N@@@@ @@@@ ?N@@@? ?@@@L? ?@@@@?
?@@@ ?@@@@@@@@? @@f?@@@1? 3@@@@@@@@@@@@5 @@@? @@@@@? ?@@@@? @@@@ ?3@@@@ @@@@1? ?@@@@@ @@@@ @@@@ 3@@@ @@@? ?@@@1? ?@@@@L
?@@@ ?@@@@@@@@L @@f?@@@@? N@@@@@@@@@@@@H @@@? @@@@@? ?@@@@L @@@@ ?N@@@@L? @@@@@? ?@@@@@ @@@@L? @@@@ N@@@ @@@? ?@@@@? ?3@@@1
?@@5 ?@@@@@@@@1g?W2@@@@6K?h@@f?@@@@? J@@@@@@@@@@@@? @@@? @@@@@? ?@@@@1 @@@@ @@@@1? 3@@@@? ?@@@@@ @@@@1? @@@@ ?@@@L? @@@L ?@@@@? ?N@@@@
J@@H ?@@@@@@@@@gW&@@@@@@@@6Xg@@L?e?@@@@? @@@@@@@@@@@@@? @@@L @@@@@? ?3@@@@ @@@@L? @@@@@? N@@@@? ?@@@@@ 3@@@@? @@@@L? ?@@@1? @@@1 ?3@@@L @@@@
7@@? ?3@@@@@@@@g7@@@@@@@@@@)X?f@@1?e?@@@@? N@@@@@@@@@@@@? @@@1 @@@@@? ?N@@@@ @@@@1? @@@@@? ?@@@@? ?3@@@@ N@@@@? @@@@1? ?@@@@? @@@@ ?N@@@1 @@@@L?
@@@? ?N@@@@@@@@f?J@@@@@@@@@@@@)Xf@@@?e?3@@@L ?@@@@@@@@@@@@? @@@5 @@@@@? @@@@ @@@@@? @@@@@? ?@@@@L ?N@@@@ ?@@@@? @@@@5? ?@@@@? @@@@ @@@@ 3@@@1?
@@@? @@@@@@@@f?7@@@@@@@@@@@@@)X?e@@@?e?N@@@1 ?@@@@@@@@@@@@? 3@@? @@@@@? @@@@ 3@@@@? 3@@@@? ?@@@@1 @@@@L? ?@@@@L @@@@ ?@@@@? 3@@@ @@@@ N@@@@?
?J@@5? 3@@@@@@@f?@@@@@@@@@@@@@@@1?e3@@?f@@@@ ?@@@@@@@@@@@@? ?@@1 @@@@@? @@@@ N@@@@? N@@@@L ?@@@@@ @@@@1? ?@@@@1 @@@@1? ?@@@@? N@@@ @@@@ ?@@@@?
?7@@H? N@@@@@@@f?@@@@@@@@@@@@@@@@?eN@@?f@@@@ ?@@@@@@@@@@@@? @@@@ 3@@@@? 3@@@L? ?@@@@? ?@@@@1 ?3@@@@ @@@@@? ?@@@@@ @@@@@? ?@@@@L ?@@@L? 3@@@ ?@@@@L
?@@@ J@@@@@@@L?e?@@@@@@@@@@@@@@@@?e?@@?f@@@@ ?@@@@@@@@@@@@? N@@@ N@@@@? N@@@1? ?@@@@? ?@@@@@ ?N@@@@ @@@@@? ?3@@@@ @@@@@? ?3@@@1 ?@@@1? N@@@ ?3@@@1
?@@@ O26K ?O&@@@@@@@1?e?@@@@@@@@@@@@@@@@?e?@@?f@@@@ ?@@@@@@@@@@@@? ?@@@ ?@@@@L ?@@@@? ?@@@@L ?@@@@@ @@@@ 3@@@@? ?N@@@@L? 3@@@@? ?N@@@@ ?@@@@? ?@@@L? ?N@@@@
?3@5gW2@@@@@@@@@@@@@@@@@@@@@@@@@@@@@@@@@@@@@@@@@@@@@@@@@@@@@@@@@6K?f?O@Kh?O2@@@@@6KheW2@@@@@@@@@@hf?@@@@6K? O26?2@6KO@K??O26?2@@@@@@@@@6K?hO2@6K?h@@@@@@@@@@@@@6X?fW2@@@@@@@@@@@@@@@@@@6?2@@@@@@@6?@KO2@@@@@@6?2@@@@@@@@@@@@?e?@@@@@@@@@@@@@@@5?e?@@Lf@@@@L? ?@@@@@@@@@@@@? ?@@@ ?@@@@1 ?@@@@? ?@@@@1 ?@@@@@ @@@@L? N@@@@? @@@@1? N@@@@? @@@@ ?@@@@? ?@@@1? @@@@L?
?V+Yg*@@@@@@@@@@@@@@@@@@@@@@@@@@@@@@@@@@@@@@@@@@@@@@@@@@@@@@@@@@@@@@@@@@@@@@@@@@@@@@@@@@@@@@@@?h7@@@@@@@@@@@hf?@@@@@@@@@@@@@@@@@@@@@@@@@@@@@@@@@@@@@@@@@@@@@@@@@@@@@@@@@@@@@@@@@@@@@h@@@@@@@@@@@@@@1?f7@@@@@@@@@@@@@@@@@@@@@@@@@@@@@@@@@@@@@@@@@@@@@@@@@@@@@@@@?e?@@@@@@@@@@@@@@@H?e?@@1f3@@@1? ?@@@@@@@@@@@5? ?@@@ ?@@@@@ ?@@@@? ?3@@@@ ?3@@@@ @@@@1? ?@@@@? @@@@@? ?@@@@? @@@@ ?3@@@? ?@@@@? @@@@1?
V4@@@@@@@@@@@@@@@@0?4@@@@@@@@@@@@@@@@@@@@@@@@0M?I@MI4@@@@@@0MI4@@0M?e?I40M?eI@?4@@@@@@@?h@@@@@@@@@@@@hf?3@@@@@@@@@@@@@@@@@@@@@@@@@@@@@@@@@@@@@@@@@@@@@@@@@@@@@@@@@@@@@@@@@@@@h@@@@@@@@@@@@@@5?f3@@@@@@@@@@@@@@@@@@@@@@@@@@@@@@@@@@@@@@@@@@@@@@@@@@@@@@@@?e?3@@@@@@@@@@@@@5f?@@@fN@@@@? ?3@@@@@@@@@@ ?@@@ ?@@@@@ ?@@@@L ?N@@@@ ?N@@@@L? @@@@@? ?@@@@? 3@@@@? ?@@@@? @@@@ ?N@@@? ?@@@@? 3@@@@?
?I@M ?V+M ?I4@@@@@@@@@@0Y?fV4@@@@@@@@0?4@@@@@@@@@@@@@0?4@@@@@@@@@@@@@@@@@@@@@@@@@@@@?e?V'@@@@@@@@@@@(Yf?3@@f?@@@@? ?N@@@@@@@@@@1? ?@@@ ?3@@@@ ?@@@@1 @@@@ @@@@1? 3@@@@? ?@@@@L N@@@@L ?3@@@? @@@@ @@@L ?3@@@? N@@@@?
I'@@@@@@@LfN@@@@@@@@@@(Y?f?N@@L?e?@@@@? @@@@@@@@@@@? ?@@@ ?N@@@@ ?@@@@@ @@@@ @@@@@? N@@@@? ?@@@@1 ?@@@@1 ?N@@@? @@@@ @@@1 ?N@@@? ?@@@@?
?N@@@@@@@1f?@@@@@@@@@0Yh@@1?e?@@@@L 3@@@@@@@@@5? ?@@@L? @@@@ ?3@@@@ @@@@ @@@@@? ?@@@@? ?@@@@@ ?@@@@@ ?J@@@? @@@@ @@@@ @@@L ?@@@@L
@@@@@@@@f?@@@@@@(M?he@@@?e?@@@@1 V'@@@@@@@@H? ?@@@1? @@@@ ?N@@@@ @@@@L? @@@@@? ?@@@@L ?3@@@@ ?@@@@@ ?7@@@? 3@@@L? @@@@ @@@1 ?3@@@1
@@@? @@@@@@@@fJ@@@@@(Yhf@@@?e?@@@@@ ?N@@@@@@@@ ?@@@5? @@@@ @@@@ 3@@@1? 3@@@@? ?@@@@1 ?N@@@@ ?@@@@@ ?3@@@? N@@@1? @@@@ @@@@ ?N@@@@
@@@? 3@@@@@@@f7@@@@@H?hf@@@?e?@@@@@ @@@@@@@@ ?@@@H? @@@@L? @@@@ N@@@@? N@@@@L ?@@@@@ @@@@ ?3@@@@ ?N@@@L ?@@@@? @@@@ 3@@@ @@@@
@M N@@@@@@@L??J@@@@@5 @@@Le?3@@@@ @@@@@@@@ ?@@@L? @@@@1? @@@@L? ?@@@@? ?@@@@1 ?3@@@@ @@@@ ?N@@@@L? @@@1 ?@@@@? 3@@@ N@@@ @@@@L?
?@@@@@@@1??7@@@@@H @@@1e?N@@@@ @@@@@@@@ ?@@@1? @@@@@? @@@@1? ?@@@@? ?@@@@@ ?N@@@@ @@@@ @@@@1? @@@@ ?@@@@? N@@@L? ?@@@ 3@@@1?
?@@@@@@@@??@@@@@5? 3@@@f@@@@L? @@@@@@@@ ?@@@@? @@@@@? 3@@@@? ?@@@@? ?@@@@@ @@@@ @@@@L? @@@@@? @@@@ ?@@@@? ?@@@1? ?@@@ N@@@@L
?@@@@@@@@@@@@@@@H? N@@@f@@@@1? @@@@@@@@ ?@@@@? @@@@@? N@@@@? ?@@@@L ?@@@@@L? @@@@L? @@@@1? @@@@@? @@@@ ?3@@@? ?@@@@? ?@@@L? ?@@@@1
?@@@@@@@@@@@@@@5 ?@@@f@@@@@? @@@@@@@@ ?@@@@? @@@@@? ?@@@@? ?@@@@1 ?@@@@@@? @@@@1? 3@@@@? @@@@@? @@@@ ?N@@@? ?@@@@? ?@@@1? ?@@@@@
?@@@@@@@@@@@@@@H ?@@@f@@@@@?eO2@@@6?@K?g?O@K ?O26?2@@@@@@@@@@@@@@@@@@ ?3@@@? @@@@@? ?@@@@? ?3@@@@ ?3@@@@ @@@@@? N@@@@? 3@@@@L @@@@ @@@L ?@@@@? ?@@@@? ?@@@@@
?@@@@@@@@@@@@@@? ?3@@f@@@@@@@@@@@@@@@@@@@@@@@@@@@@@@@@@@@@@@@@@@@@@@@@@6?2@@@@@@@@@@@@@@@@@@@@@@@@@@@@@@@@@@@@@@@@@@@@@@@@@@@@@@@@@@@@@@@@ ?N@@@? @@@@@? ?@@@@L ?N@@@@ ?N@@@@1? @@@@@? ?@@@@? N@@@@1 @@@@L? @@@1 ?@@@@? ?3@@@? ?3@@@@L?
?3@@@@@@@@@@@@5? ?N@@f@@@@@@@@@@@@@@@@@@@@@@@@@@@@@@@@@@@@@@@@@@@@@@@@@@@@@@@@@@@@@@@@@@@@@@@@@@@@@@@@@@@@@@@@@@@@@@@@@@@@@@@@@@@@@@@@@@@@ @@@? @@@@@L ?3@@@1 @@@@ @@@@@? 3@@@@? ?@@@@? ?@@@@@ @@@@1? @@@@ ?@@@@? ?N@@@L ?N@@@@1?
?N@@@@@@@@@@@@H? @@f@@@@@@@@@@@@@@@@@@@@@@@@@@@@@@@@@@@@@@@@@@@@@@@@@@@@@@@@@@@@@@@@@@@@@@@@@@@@@@@@@@@@@@@@@@@@@@@@@@@@@@@@@@@@@@@@@@@@ @@@? @@@@@1 ?N@@@@ @@@@ @@@@@? N@@@@L ?@@@@? ?@@@@@ @@@@@? @@@@ ?3@@@L @@@1 @@@@@?
@@@@@@@@@@@5 @@L?e@@@@@@@@@@@@@@@@@@@@@@@@@@@@@@@@@@@@@@@@@@@@@@@@@@@@@@@@@@@@@@@@@@@@@@@@@@@@@@@@@@@@@@@@@@@@@@@@@@@@@@@@@@@@@@@@@@@@ @@@? 3@@@@@ @@@@ @@@@ @@@@@? ?@@@@1 ?@@@@? ?3@@@@ @@@@@? 3@@@ ?N@@@1 @@@@ @@@@@?
@@@@@@@@@@@H @@1??J@@@@@@@@@@@@@@@@@@@@@@@@@@@@@@@@@@@@@@@@@@@@@@@@@@@@@@@@@@@@@@@@@@@@@@@@@@@@@@@@@@@@@@@@@@@@@@@@@@@@@@@@@@@@@@@@@@@@ @@@? N@@@@@ @@@@ @@@@L? @@@@@? ?@@@@@ ?@@@@? ?N@@@@ @@@@@L N@@@ @@@@ @@@@ @@@@@L
@@@@@@@@@@@? @@@?W&@@@@@@@@@@@@@@@@@@@@@@@@@@@@@@@@@@@@@@@@@@@@@@@@@@@@@@@@@@@@@@@@@@@@@@@@@@@@@@@@@@@@@@@@@@@@@@@@@@@@@@@@@@@@@@@@@@@@ @@@L ?@@@@@ @@@@L? @@@@1? 3@@@@? ?@@@@@ ?@@@@? @@@@L? @@@@@1 ?@@@L? @@@@ @@@@ 3@@@@1
@@@@@@@@@@5? @@@W&@@@@@@@@@@@@@@@@@@@@@@@@@@@@@@@@@@@@@@@@@@@@@@@@@@@@@@@@@@@@@@@@@@@@@@@@@@@@@@@@@@@@@@@@@@@@@@@@@@@@@@@@@@@@@@@@@@@@5 @@@1 ?@@@@@ @@@@1? @@@@@? N@@@@L ?@@@@@ ?3@@@L @@@@1? @@@@@@ ?@@@1? @@@@ 3@@@ N@@@@@
@@@@@@@@@@H? 3@@@@@@@@@@@@@@@@@@@@@@@@@@@@@@@@@@@@@@@@@@@@@@@@@@@@@@@@@@@@@@@@@@@@@@@@@@@@@@@@@@@@@@@@@@@@@@@@@@@@@@@@@@@@@@@@@@@@@@@0Y @@@@ ?@@@@@ @@@@@? 3@@@@? ?@@@@1 ?3@@@@ ?N@@@1 3@@@@? 3@@@@@ ?@@@@? @@@@ N@@@ ?@@@@@L?
@@@@@@@@@5 N@@@@@@@@@@@@@@@@@@@@@@@0Me?I4@0?@Mf?I@MeI@M? ?I@MeI4@@@@@0M? @@@@ ?@@@@@ @@@@@? N@@@@? ?@@@@@ ?N@@@@ @@@@L? N@@@@? N@@@@@ ?@@@@? @@@@L? ?@@@L? ?3@@@@1?
3@@@@@@@@H J@@@@@@@@(M? @@@@ ?@@@@@ 3@@@@? ?@@@@? ?@@@@@ @@@@L? @@@@@? ?@@@@? ?@@@@@ ?@@@@? @@@@1? ?@@@1? ?N@@@@@?
N@@@@@@@@L 7@@@@@@@@? @@@@ ?@@@@@ N@@@@? ?@@@@L ?@@@@@L? @@@@1? @@@@ ?@@@@? ?@@@@@ ?@@@@? 3@@@@? ?@@@@? @@@@@L
J@@@@@@@@)K? ?J@@@@@@@@@@ @@@@ ?@@@@@ ?@@@@? ?@@@@1 ?3@@@@1? @@@@@? 3@@@1? ?@@@@L ?@@@@@ ?@@@@? N@@@@? ?@@@@? 3@@@@1
7@@@@@@@@@@@@@6KO@K?O26KgO&@@@@@@@@@H @@@@ ?@@@@@ ?@@@@? ?3@@@@ ?N@@@@@? @@@@@? ?@@@@? ?@@@@1 ?@@@@@ ?@@@@? ?@@@@? ?3@@@? N@@@@@
@@@@@@@@@@@@@@@@@@@@@@@@@@@@@@@@@@@@@@@@@? 3@@@ ?3@@@@ ?@@@@L ?N@@@@ @@@@@? 3@@@@? @@@@@? ?@@@@@ ?@@@@@ ?3@@@L ?@@@@? ?N@@@? ?@@@@@
@@@@@@@@@@@@@@@@@@@@@@@@@@@@@@@@@@@@@@@@@? ?@@@ ?N@@@@ ?3@@@1 @@@@ @@@@@? N@@@@? N@@@@? ?@@@@@ ?@@@@@ ?N@@@1 ?@@@@? @@@L ?@@@@@
?J@@@@@@@@@@@@@@@@@@@@@@@@@@@@@@@@@@@@@@@@@? 7@@@ @@@@L? ?N@@@@ @@@@ @@@@@? ?@@@@? ?@@@@? ?3@@@@L? ?@@@@@ @@@@ ?@@@@? @@@1 ?@@@@@L?
?7@@@@@@@@@@@@@@@@@@@@@@@@@@@@@@@@@@@@@@@@5? 3@@@ @@@@1? @@@@ @@@@L? @@@@@? ?@@@@? ?@@@@? ?N@@@@1? ?3@@@@L? 3@@@ ?@@@@L @@@@ ?3@@@@1?
J@@@@@@@@@@@@@@@@@@@@@@@@@@@@@@@@@@@@@@@@0Y? N@@@ @@@@@? @@@@ @@@@1? @@@@@L ?@@@@L ?@@@@L @@@@@? ?N@@@@1? N@@@ ?3@@@1 3@@@ ?N@@@@@?
7@@@@@@@@@@@@@@@@@@@@@@@@@@@@@@@@@@@@@@0M? ?@@@ @@@@@? @@@@ @@@@@? 3@@@@1 ?@@@@1 ?@@@@1 @@@@@? ?J@@@@@? ?@@@L? ?N@@@@ N@@@ @@@@@L
@@@@@@V'@@@@@@@@@@@@@@@@@@@@@@@@@@@@0M ?@@@ @@@@@? @@@@ 3@@@@? N@@@@@ ?@@@@@ ?@@@@@ 3@@@@? ?7@@@@@? ?@@@1? @@@@ ?@@@L? @@@@@1
?J@@@@@5?V4@@@@@@@@@@@@@@@@@@@@@@@@@0M ?@@@ @@@@@? 3@@@L? N@@@@? ?@@@@@ ?3@@@@ ?@@@@@ N@@@@? ?3@@@@@? ?@@@@? @@@@ ?@@@1? @@@@@@
?7@@@@@He?I@?@?@M?I4@@@@@@@@@@@0M ?@@@ @@@@@? N@@@1? ?@@@@L ?@@@@@ ?N@@@@ ?@@@@@ ?@@@@L ?N@@@@@? ?@@@@? @@@@ ?@@@@? @@@@@@
J@@@@@5? ?@@@ @@@@@? ?@@@@? ?@@@@1 ?@@@@@ @@@@L? ?@@@@@ ?@@@@1 @@@@@? ?@@@@? @@@@ ?@@@@? 3@@@@@L?
?W&@@@@@H? ?@@@ @@@@@L ?@@@@? ?@@@@@ ?@@@@@ @@@@1? ?3@@@@ ?@@@@@ @@@@@? ?@@@@? 3@@@L? ?3@@@? N@@@@@1?
?7@@@@@5 ?@@@L? @@@@@1 ?@@@@? ?@@@@@ ?@@@@@L? @@@@@? ?N@@@@ ?@@@@@ @@@@@? ?@@@@? N@@@1? ?N@@@? ?@@@@@@?
J@@@@@@H ?@@@1? @@@@@@ ?@@@@? ?3@@@@ ?3@@@@1? @@@@@? @@@@L? ?3@@@@ @@@@@? ?@@@@? ?@@@@? @@@L ?@@@@@@?
7@@@@@5? ?@@@@? @@@@@@ ?@@@@? ?N@@@@ ?N@@@@@? 3@@@@? @@@@1? ?N@@@@L? @@@@@? ?@@@@? ?@@@@? @@@1 ?@@@@@@L
@@@@@@H? ?@@@@? @@@@@@ ?3@@@L @@@@ @@@@@? N@@@@? 3@@@@? @@@@1? 3@@@@? ?@@@@L ?@@@@? @@@@ ?@@@@@@1
?J@@@@@5 ?@@@@? @@@@@@ ?N@@@1 @@@@L? @@@@@? ?@@@@L N@@@@? @@@@@? N@@@@L ?3@@@1 ?@@@@? @@@@ ?3@@@@@@
?7@@@@@H ?@@@@? @@@@@@ @@@@ @@@@1? @@@@@? ?@@@@1 ?@@@@? @@@@@? ?@@@@1 ?N@@@@ ?@@@@L 3@@@ ?N@@@@@@
J@@@@@@? ?@@@@? 3@@@@@L? @@@@ @@@@@? 3@@@@L ?@@@@@ ?@@@@? 3@@@@? ?@@@@@ @@@@ ?3@@@1 N@@@L? 3@@@@@L?
?W&@@@@@5? ?@@@@L N@@@@@1? @@@@ @@@@@? N@@@@1 ?@@@@@ ?@@@@? N@@@@? ?@@@@@ @@@@ ?N@@@@ ?@@@1? N@@@@@1?
?7@@@@@(Y? ?@@@@@ ?@@@@@@? @@@@ @@@@@? ?@@@@@ ?@@@@@ ?@@@@? ?@@@@? ?@@@@@ @@@@ @@@@ ?@@@@? ?@@@@@@?
?@@@@@@H ?3@@@H ?@@@@@@? @@@@L? 3@@@@L ?@@@@@ ?@@@@@L? ?@@@@L ?@@@@L ?@@@@@ @@@@ @@@@ ?@@@@? ?@@@@@@?
J@@@@@5? ?N@@@? ?@@@@@@? 3@@@1? N@@@@1 ?@@@@@ ?3@@@@1? ?@@@@1 ?@@@@)X? ?@@@@@ 3@@@ @@@@L? ?@@@@? ?@@@@@@L
7@@@@@H? @@@? ?@@@@@@? N@@@@? ?@@@@@ ?@@@@@L? ?N@@@@@? ?@@@@@ ?3@@@@1? ?@@@@@ N@@@ 3@@@1? ?3@@@? ?3@@@@@1
@@@@@5 @@@? ?@@@@@@? ?@@@@? ?@@@@@ ?@@@@@1? @@@@@? ?@@@@@ ?N@@@@@? ?@@@@@ ?@@@L? N@@@@? ?N@@@? ?V'@@@@@
?J@@@@@H @@@? ?3@@@@@? ?@@@@? ?@@@@@ ?@@@@@@? @@@@@? ?@@@@@ @@@@@? ?3@@@@ ?@@@1? ?@@@@? @@@L N@@@@@
W&@@@@@? @@@? ?N@@@@@? ?@@@@? ?@@@@@ ?@@@@@@? @@@@@? ?3@@@@ @@@@@? ?N@@@@ ?@@@@? ?@@@@? @@@1 ?@@@@@L?
7@@@@@5? @@@? @@@@@? ?@@@@? ?@@@@@ ?3@@@@@? @@@@@? ?N@@@@ @@@@@L @@@@ ?@@@@? ?@@@@? @@@@ ?@@@@@1?
?J@@@@@(Y? @@@? @@@@@L ?@@@@L ?3@@@@L? ?N@@@@@? 3@@@@? @@@@L? @@@@@1 @@@@L? ?@@@@? ?@@@@? @@@@ ?@@@@@@?
?7@@@@@H @@@? @@@@@1 ?@@@@1 ?N@@@@1? @@@@@L N@@@@L @@@@1? @@@@@@ @@@@1? ?@@@@? ?@@@@L 3@@@ ?@@@@@@?
J@@@@@5? @@@? @@@@@@ ?3@@@@ @@@@@? @@@@@1 ?@@@@1 @@@@@? @@@@@@ @@@@@? ?3@@@? ?@@@@1 N@@@L? ?3@@@@@L
7@@@@@H? @@@L @@@@@@ ?N@@@@ @@@@@? @@@@@@ ?@@@@@ @@@@@? 3@@@@@ @@@@@? ?N@@@L ?@@@@@ ?@@@1? ?N@@@@@1
@@@@@@ @@@1 3@@@@@ @@@@L? @@@@@? @@@@@@ ?@@@@@ @@@@@? N@@@@@ @@@@@? @@@1 ?3@@@@ ?@@@@? @@@@@@
?J@@@@@5 @@@@ ?@@@@@ @@@@1? 3@@@@? @@@@@@ ?@@@@@ @@@@@? ?@@@@@ @@@@@? @@@@ ?N@@@@ ?@@@@? 3@@@@@
?7@@@@@H @@@@ @@@@@@ @@@@@? N@@@@? @@@@@@ ?3@@@@ 3@@@@? ?@@@@@L? @@@@@? @@@@ @@@@ ?3@@@? N@@@@@L?
J@@@@@5? @@@@ N@@@@@ 3@@@@? ?@@@@? 3@@@@@L? ?N@@@@L? N@@@@L ?3@@@@1? @@@@@? @@@@ @@@@L? ?N@@@L ?@@@@@1?
7@@@@@H? @@@@ ?@@@@@ N@@@@? ?@@@@L N@@@@@1? @@@@1? ?@@@@1 ?N@@@@@? @@@@@? @@@@L? @@@@1? @@@@ ?@@@@@@?
@@@@@5 @@@@ ?@@@@@ ?@@@@? ?@@@@1 ?@@@@@@? @@@@@? ?@@@@@ @@@@@? @@@@@? @@@@1? @@@@@? @@@? ?@@@@@@?
?J@@@@(Y @@@@ ?@@@@@L? ?@@@@L ?@@@@@ ?@@@@@@? @@@@@? ?@@@@@ @@@@@? 3@@@@L @@@@@? 3@@@@? @@@1 ?3@@@@@L
W&@@@@H? 3@@@ ?@@@@@1? ?@@@@1 ?@@@@@ ?@@@@@@? 3@@@@L ?@@@@@ 3@@@@? N@@@@1 @@@@@? N@@@@? @@@@ ?N@@@@@1
7@@@@@ N@@@ ?@@@@@@? ?@@@@@ ?@@@@@ ?3@@@@@? N@@@@1 ?@@@@@ N@@@@L ?@@@@@ @@@@@? ?@@@@? @@@@ @@@@@@
@@@@@5 ?@@@ ?@@@@@@? ?@@@@@ ?@@@@@ ?N@@@@@? ?@@@@@ ?@@@@@ ?@@@@1 ?@@@@@ 3@@@@? ?@@@@L 3@@@L? @@@@@@L?
?J@@@@@H ?@@@ ?@@@@@@? ?@@@@@ ?@@@@@ ?J@@@@@? ?@@@@@ ?3@@@@ ?@@@@@ ?@@@@@ N@@@@? ?@@@@1 N@@@1? @@@@@@1?
?7@@@@5? ?@@@L? ?3@@@@@? ?@@@@@ ?@@@@5 ?7@@@@@L ?@@@@@ ?N@@@@L? ?@@@@@ ?@@@@@ ?@@@@? ?@@@@@ ?@@@@? @@@@@@@?
J@@@@@H? ?@@@1? ?N@@@@@? ?@@@@@ ?@@@0Y ?@@@@@@1 ?@@@@@ @@@@1? ?@@@@@ ?@@@@@ ?@@@@? ?3@@@@ ?@@@@? 3@@@@@@?
7@@@@5 ?@@@@? @@@@@L ?3@@@@L? ?3@@@@@@ ?@@@@@ @@@@@? ?3@@@@L? ?@@@@@ ?@@@@? ?N@@@@ ?@@@@? N@@@@@@L
?J@@@@@H ?@@@@? @@@@@1 ?N@@@@1? ?V4@@@@@ ?@@@@@ @@@@@? ?N@@@@1? ?@@@@@ ?@@@@? @@@@ ?@@@@? ?@@@@@@1
?7@@@@5? ?@@@@? ?J@@@@@@ @@@@@? I@M? ?3@@@@ @@@@@? @@@@@? ?@@@@@ ?@@@@L @@@@ ?3@@@L ?3@@@@@@
J@@@@@H? ?@@@@? ?7@@@@@5 @@@@@? ?N@@@@ @@@@@L @@@@@? ?3@@@@ ?@@@@1 @@@@L? ?N@@@1 ?N@@@@@@L?
7@@@@5 ?@@@@? ?3@@@@@H @@@@@? @? @@@@@1 3@@@@? ?N@@@@ ?@@@@@ @@@@1? @@@@ @@@@@@1?
?J@@@@@H ?@@@@L ?V'@@@@? @@@@@? @? @@@@@@ ?@@@@L @@@@ ?3@@@@ 3@@@@? @@@@ @@@@@@@?
?7@@@@5? ?@@@@1 V40M @@@@5? @@@@@@ @@@@@1 @@@@ ?N@@@@ N@@@@? @@@@ 3@@@@@@?
J@@@@@H? ?@@@@@ @@@0Y? 3@@@@@ N@@@@@ @@@@ @@@@ ?@@@@? @@@@ N@@@@@@?
7@@@@5 ?@@@@@ N@@@@5 ?@@@@@ @@@@L? @@@@ ?@@@@? 3@@@L? ?@@@@@@L
@@@@(Y ?@@@@5 ?@@@0Y ?@@@@@ @@@@1? @@@@ ?@@@@? N@@@1? ?@@@@@@1
@0?(Y? ?@@@0Y ?@@@@@ @@@@@? @@@@ ?@@@@? ?@@@@? ?@@@@@@@
?@0M ?3@@@@L? @@@@@? @@@@ ?@@@@L ?@@@@? ?3@@@@@@L?
?N@@@@,? @@@@5? @@@@ ?@@@@1 ?@@@@? ?N@@@@@@1?
@@@0Y? @@@0Y? @@@@ ?@@@@@ ?3@@@? @@@@@@@?
@0M? @@@@L? ?3@@@@ ?V4@@? @@@@@@@?
@@@@)X ?N@@@@ @@@@@@@?
@@@@@) 3@@@ @@@@@@@L
?I40M? V4@@ 3@@@@@@1
N@@@@@@@
O2@@@@6K @@ ?@@@@@@@
?O2@6K ?O2@@@@@@@@@6K @@ ?@@@@@@@
?@@@@@@@@@@@@@@@@@@@@@@@@@@@@@@@@@@@@@@@@@@@6X W2@@@6K? O2@@@@@@6Kh?W2@@@@@@@@@@@@@6X ?@@@@@@@
?@@@@@@@@@@@@@@@@@@@@@@@@@@@@@@@@@@@@@@@@@@@@1 ?O2@@@@@@@@@@@@@@@@6K? O2@@@@@6K? ?O26X?he?O2@@@@@@@@@@6K? 7@@@@@@@@@6K W2@@@@@@@@@@6Xg?7@@@@@@@@@@@@@@@)X? ?3@@@@@@
?@@@@@@@@@@@@@@@@@@@@@@@@@@@@@@@@@@@@@@@@@@@@@ O2@@@@@@@@@@@@@@@@@@@@@@6K ?O2@@@@@@@@@@@@6K? O2@@@@1?h?W2@@@@@@@@@@@@@@6X? @@@@@@@@@@@@6K ?W&@@@@@@@@@@@@)X?fJ@@@@@@@@@@@@@@@@@1? O@?2@6K? ?V40M?
?@@@@@@@@@@@@@@@@@@@@@@@@@@@@@@@@@@@@@@@@@@@@@ ?W2@@@@@@@@@@@@@@@@@@@@@@@@@@@@6K? W2@@@@hfW2@@@@@@@@@@@@@@@@@@6K W2@@@@@@@?hW&@@@@@@@@@@@@@@@@)K @@@@@@@@@@@@@@6K W&@@@@@@@@@@@@@@)Xe?W&@@@@@@@@@@@@@@@@@@L ?O2@@@@@@6?26K ?O2@@@@@@@@6K? ?W2@@@@? O2@@@@@@@@6K ?W2@@@@@@@@@6K
?@@@@@@@@@@@@@@@@@@@@@@@@@@@@@@@@@@@@@@@@@@@@@ O&@@@@@@@@@@@@@@@@@@@@@@@@@@@@@@@6K? 7@@@@@he?W&@@@@@@@@@@@@@@@@@@@@@@? ?W&@@@@@@@@?g?W&@@@@@@@@@@@@@@@@@@@6X @@@@@@@@@@@@@@@@@6K? ?W&@@@@@@@@@@@@@@@@)X?W&@@@@@@@@@@@@@@@@@@@)X? ?O2@@@@@@@@@@@@@@@@@@@6K W2@@@@@@@@@@@@@6K? ?7@@@@@L O2@@@@@@@@@@@@@6K? ?7@@@@@@@@@@@@6K
?@@@@@@@@@@@@@@@@@@@@@@@@@@@@@@@@@@@@@@@@@@@@@ W2@@@@@@@@@@@@@@@@@@@@@@@@@@@@@@@@@@@@ @@@@@@heW&@@@@@@@@@@@@@@@@@@@@@@@L ?7@@@@@@@@@?gW&@@@@@@@@@@@@@@@@@@@@@)X? @@@@@@@@@@@@@@@@@@@@6X W&@@@@@@@@@@@@@@@@@@)?&@@@@@@@@@@@@@@@@@@@@@1? ?O2@@@@@@@@@@@@@6K O2@@@@@@@@@@@@@@@@@@@@@@@@@@6K ?W&@@@@@@@@@@@@@@@@6X? ?@@@@@@1 ?O2@@6X?hfO2@@@@@@@@@@@@@@@@@6X? ?@@@@@@@@@@@@@@@6K
?@@@@@@@@@@@@@@@@@@@@@@@@@@@@@@@@@@@@@@@@@@@@@ 7@@@@@@@@@@@@@@@@@@@@@@@@@@@@@@@@@@@@@L? @@@@@@he7@@@@@@@@@@@@@@@@@@@@@@@@)X? J@@@@@@@@@@?f?W&@@@@@@@@@@@@@@@@@@@@@@@1? @@@@@@@@@@@@@@@@@@@@@)K? 7@@@@@@@@@@@@@@@@@@@@@@@@@@@@@@@@@@@@@@@@@@@@L ?O2@@@@@@@@@@@@@@@@@@@@@@6K? ?W2@@@@@@@@@@@@@@@@@@@@@@@@@@@@@@@6X W&@@@@@@@@@@@@@@@@@@)X ?@@@@@@@ @@@@@@1?heW2@@@@@@@@@@@@@@@@@@@@)X ?@@@@@@@@@@@@@@@@@@6K?
?@@@@@@@@@@@@@@@@@@@@@@@@@@@@@@@@@@@@@@@@@@@@5 @@@@@@@@@@@@@@@@@@@@@@@@@@@@@@@@@@@@@@)X @@@@@@h?J@@@@@@@@@@@@@@@@@@@@@@@@@@)X 7@@@@@@@@@@?f?7@@@@@@@@@@@@@@@@@@@@@@@@@L @@@@@@@@@@@@@@@@@@@@@@@@6K @@@@@@@@@@@@@@@@@@@@@@@@@@@@@@@@@@@@@@@@@@@@@1 W2@@@@@@@@@@@@@@@@@@@@@@@@@@@@@6X? W&@@@@@@@@@@@@@@@@@@@@@@@@@@@@@@@@@)K? 7@@@@@@@@@@@@@@@@@@@@1 ?@@@@@@@ @@@@@@@?h?W&@@@@@@@@@@@@@@@@@@@@@@)X? ?@@@@@@@@@@@@@@@@@@@@6K? ?W2@6K
?3@@@@@@@@@@@@@@@@0M?I4@@@@0?4@@@0?4@@@@@@@@0Y @@@@@@@@@@@@@@@@@@@@@@@@@@@@@@@@@@@@@@@@@)X? @@@@@@h?7@@@@@@@@@@@@@@@@@@@@@@@@@@@1 @@@@@@@@@@5?f?@@@@@@@@@@@@@@@@@@@@@@@@@@1 @@@@@@@@@@@@@@@@@@@@@@@@@@6K ?J@@@@@@@@@@@@@@@@@@@@@@@@@@@@0Mf?I4@@@@@@@@@ ?W&@@@@@@@@@@@@@@@@@@@@@@@@@@@@@@@)K ?W&@@@@@@@@@@@@@@@@@@@@@@@@@@@@@@@@@@@@6X? ?J@@@@@@@@@@@@@@@@@@@@@@L?hf?@@@@@@@ @@@@@@@?hW&@@@@@@@@@@@@@@@@@@@@@@@@1? ?@@@@@@@@@@@@@@@@@@@@@@6K? O2@@@6K? O2@@@@6K ?7@@@@@@
?V'@@@@@@@@@ ?J@@@@@@@@@@@@@@@0M?gI4@@@@@@@@@@@@@@@@1? @@@@@@hJ@@@@@@@@@@@@@@@@@@@@@@@@@@@@@L? ?J@@@@@@@@@0Y?fJ@@@@@@@@@@@0?4@@@@@@@@@@@@@ @@@@@@@@@@@@@@@@@@@@@@@@@@@@@6K? ?7@@@@@@@(M?f?I'@@@@@@@@@(Mh?I'@@@@@@@ W&@@@@@@@@@@@@@@@@@@@@@@@@@@@@@@@@@@@6X? W&@@@@@@@@@@@@@@@@@@@@@@@@@@@@@@@@@@@@@@1? ?7@@@@@@@@@@@@@@@@@@@@@@)Xhf?@@@@@@@ @@@@@@@?h7@@@@@@@@@@@@@@@@@@@@@@@@@@? ?@@@@@@@@@@@@@@@@@@@@@@@@@6K W2@@@@@@@@@6K?g?W2@@@@@@@@@@6K? ?@@@@@@@
V'@@@@@@@@L? ?7@@@@@@@@@@0M I4@@@@@@@@@@@? @@@@@@h7@@@@@@@@@0Mf?I4@@@@@@@@@@@1? ?7@@@@@@@0M?g7@@@@@@@@0M?f?I4@@@@@@@@@L? @@@@@@(MeI4@@@@@@@@@@@@@@@@@@@6K? ?@@@@@@@(YhV'@@@@@@@@H?heN@@@@@@@ ?W&@@@@@@@@@@@@@@@@@@@@@@@@@@@@@@@@@@@@@)X ?W&@@@@@@@@@@@@@@@@@@@@@@@@@@@@@@@@@@@@@@@@L J@@@@@@@@@@@@@@@@@@@@@@@@)X?he?@@@@@@@ @@@@@@@?g?J@@@@@@@@@@@@@@@@@@@@@@@@@@@? ?@@@@@@@@@@@@@@@@@@@@@@@@@@@6K ?O&@@@@@@@@@@@@6X?fO&@@@@@@@@@@@@@6X? J@@@@@@@
?V'@@@@@@@1? ?@@@@@@@@0M? ?I4@@@@@@@@L @@@@@@h@@@@@@@@(Mhe?I'@@@@@@@@? ?@@@@@@@he@@@@@@@(M?h?I'@@@@@@@1? @@@@@@g?I4@@@@@@@@@@@@@@@@@@@6X ?@@@@@@@H?h?N@@@@@@@@hf?3@@@@@@ W&@@@@@@@@@@@@@@@@@@@@@@@@@@@@@@@@@@@@@@@1 ?7@@@@@@@@@@@@@@@@@@@@@@@@@@@@@@@@@@@@@@@@@)X? 7@@@@@@@@@@@@@@@@@@@@@@@@@1?he?@@@@@@@ @@@@@@@?g?7@@@@@@@@@@@@@@@@@@@@@@@@@@@L ?@@@@@@@@@@@@@@@@@@@@@@@@@@@@@6K ?W2@@@@@@@@@@@@@@@)Xe?@@@@@@@@@@@@@@@@@)X ?O&@@@@@@@L?
V'@@@@@@@L J@@@@@@(M? ?I'@@@@@@1 @@@@@@h@@@@@@@(Y?hfV'@@@@@@@? ?@@@@@@5he@@@@@@(YhfV'@@@@@@@? @@@@@@@?g?I4@@@@@@@@@@@@@@@@@@)K? ?@@@@@@5hf3@@@@@@5hf?N@@@@@@L? 7@@@@@@@@@@@@@@@@@@@@@@@@@@@@@@@@@@@@@@@@@L? J@@@@@@@@@@@@@0Mhf?I4@@@@@@@@@@@@@1? ?@@6?2@@@6?2@@6?2@@@@@@@@@@@@@@@6KO2@6K? @@@@@@@@(MfI4@@@@@@@@@@@Lhe?@@@@@@@ @@@@@@@?g?@@@@@@@@@@@@@@@0?4@@@@@@@@@@1 ?@@@@@@@(MI4@@@@@@@@@@@@@@@@@@@@@6K? ?7@@@@@@@@@@@@@@@@@)X?J@@@@@@@@@@@@@@@@@@)X? ?W2@@@@@@@@@@@@@@@@@@@@@@@@@@@@@@@@@)K
?V'@@@@@@1 7@@@@@@H N@@@@@@@ @@@@@@h@@@@@@(Y ?V'@@@@@@L ?@@@@@@Hhe@@@@@@H?hf?N@@@@@@@? @@@@@@H?heI'@@@@@@@@@@@@@@@@@@6K ?@@@@@@HhfN@@@@@@H @@@@@@1? ?J@@@@@@@@@@@@@@@@@@@@@@@@@@@@@@@@@@@@@@@@@@)X 7@@@@@@@@(M? ?I4@@@@@@@@@@? J@@@@@@@@@@@@@@@@@@@@@@@@@@@@@@@@@@@@@@@@@6K @@@@@@@(Y?g?I'@@@@@@@@)X?h?@@@@@@@ @@@@@@@?gJ@@@@@@@@(M?heI'@@@@@@ ?@@@@@@@H?e?I4@@@@@@@@@@@@@@@@@@@@6K? J@@@@@@@@@@@@@@@@@@@)?&@@@@@@@@@@@@@@@@@@@1? ?7@@@@@@@@@@@@@@@@@@@@@@@@@@@@@@@@@@@@@@@@@@6X
V'@@@@@@ @@@@@@5? ?3@@@@@@ @@@@@@h@@@@@@H? N@@@@@@1 J@@@@@@?he@@@@@@ 3@@@@@@? @@@@@@hf?V4@@@@@@@@@@@@@@@@@@@@6K? ?@@@@@@?hf?@@@@@@? @@@@@@@? ?7@@@@@@@@@@0MI4@@@@@@@@@@@@@@@@@@@@@@@@@@@@@1 @@@@@@@@0Y ?I4@@@@@@@@L 7@@@@@@@@@@@@@@@@@@@@@@@@@@@@@@@@@@@@@@@@@@@6X ?J@@@@@@(YheV'@@@@@@@@1?h?@@@@@@@ @@@@@@@?g7@@@@@@@(Yhf?V'@@@@@@@ ?@@@@@@@g?I4@@@@@@@@@@@@@@@@@@@@6K? ?W&@@@@@@@@@@@@@@@@@@@@@@@@@@@@@@@@@@@@@@@@@@L J@@@@@@@@@@@@@@@@@@@@@@@@@@@@@@@@@@@@@@@@@@@@1
?N@@@@@@@@ @@@@@@H? ?N@@@@@@ @@@@@@h@@@@@@ ?3@@@@@@ @@@@@@@?he@@@@@@ N@@@@@@L @@@@@@ ?I4@@@@@@@@@@@@@@@@@@@ ?@@@@@@Lhf?@@@@@@? @@@@@@@? J@@@@@@@(MheI'@@@@@?hI'@@@@@@@@L? ?J@@@@@@(M ?I'@@@@@@1 @@@@@@@@@@@@@@@@@@@@@@@@@@@@@@@@@@@@@@@@@@@@@1 ?7@@@@@@H?he?N@@@@@@@@@Lh?@@@@@@@ @@@@@@@?g@@@@@@@(Y? V'@@@@@@L? ?@@@@@@@he?I4@@@@@@@@@@@@@@@@@@@@6K? ?7@@@@@@@@@@@@@@@@@@@@@@@@@@@@@@@@@@@@@@@@@@@)X? 7@@@@@@@@@@@@@@@@@@@@@@@@@@@@@@@@@@@@@@@@@@@@@
3@@@@@@@L? @@@@@@ @@@@@@ @@@@@@h@@@@@@ ?N@@@@@@ N@@@@@@?he@@@@@@ ?@@@@@@1 @@@@@@ ?I4@@@@@@@@@@@@@@@@@L? ?@@@@@@1hf?@@@@@@?hf?J@@@@@@@? 7@@@@@@(Y?he?N@@@@@Lh?V'@@@@@@@1? ?7@@@@@@H? V'@@@@@@ @@@@@@@@@@@@@@@@@@@@@@@@@@@@@@@@@@@@@@@@@@@@@@ ?@@@@@@@ 3@@@@@@@@1h?@@@@@@5 @@@@@@@?g@@@@@@@H ?N@@@@@@1? ?@@@@@@@hf?I4@@@@@@@@@@@@@@@@@@@@6K? ?@@@@@@@@@@@@@@@@@@@@@@@@@@@@@@@@@@@@@@@@@@@@@1? @@@@@@@@@@@@@@@@@@@@@@@@@@@@@@@@@@@@@@@@@@@@@@
N@@@@@@@1? @@@@@@ @@@@@@ @@@@@@h@@@@@@ @@@@@@ ?@@@@@@Lhe3@@@@@ ?@@@@@@5 @@@@@@ ?I4@@@@@@@@@@@@@@@1? ?@@@@@@@hfJ@@@@@@Lhf?7@@@@@@@? @@@@@@@H 3@@@@)X?hV'@@@@@@@? ?@@@@@@@ ?N@@@@@@ @@@@@@@@@@@@@@@@@@@@@@@@@@@@@@@@@@@@@@@@@@@@@@ ?@@@@@@@ V'@@@@@@@@L?g?@@@@@@H @@@@@@@?g@@@@@@@? @@@@@@@? ?@@@@@@@ ?I4@@@@@@@@@@@@@@@@@@@@6X? J@@@@@@@(Mf?I4@@@@@@@@@@@@0M?f?I'@@@@@@@@? @@@@@@@@@@@@@@@@@@@@@@@@@@@@@@@@@@@@@@@@@@@@@@
?@@@@@@@5? @@@@@@ @@@@@@ @@@@@@h3@@@@@ ?J@@@@@@ ?@@@@@@1heN@@@@@ ?@@@@@@H @@@@@@ I4@@@@@@@@@@@@@? ?@@@@@@@hf7@@@@@@1hf?@@@@@@@5? @@@@@@@? N@@@@@1?h?V'@@@@@@? ?@@@@@@@ @@@@@@ @@@@@@@@@@@@@@@@@@@@@@@@@@@@@@@@@@@@@@@@@@@@@@ ?@@@@@@@ ?N@@@@@@@@1?g?@@@@@@? @@@@@@@?g3@@@@@@? @@@@@@@? ?@@@@@@@ I4@@@@@@@@@@@@@@@@@@1? 7@@@@@@(Y?g?I'@@@@@@@@@heV'@@@@@@@? @@@@@@@@@@@@@@@@@@@@@@@@@@@@@@@@@@@@@@@@@@@@@5
?I@?40Y? @@@@@@ @@@@@@ ?J@@@@@@hN@@@@@ ?7@@@@@@ J@@@@@@@L?h?@@@@@ J@@@@@@? @@@@@@ I4@@@@@@@@@@5? ?@@@@@@@L?h?J@@@@@@@@L?heJ@@@@@@@H? @@@@@@5? ?@@@@@@?heN@@@@@@? ?@@@@@@5 @@@@@@ @@@@@@@@@@@@@@@@@@0?4@@@@@@@@@@@@@@@@@@@@@@@@5 ?@@@@@@@ @@@@@@@@@Lg?@@@@@@? @@@@@@@?gN@@@@@5? @@@@@@@? ?@@@@@@@ I4@@@@@@@@@@@@@@@@@? @@@@@@@HheN@@@@@@@@5he?V'@@@@@@? @@@@@@@@@@@@@@@@@@@@@@@@@@@@@@@@@@@@@@@@@@@@@H
@@@@@@L? ?J@@@@@@ ?@@@@@@@h?@@@@@L? ?@@@@@@5 @@@@@@@@1?h?3@@@@L? 7@@@@@@? @@@@@@ I4@@@@@@@@ ?@@@@@@@)Xh?7@@@@@@@@)Xh?W&@@@@@@@ @@@@@@H? ?@@@@@@Lhe?@@@@@@? ?@@@@@@H @@@@@@ 3@@@@@@@@@@@@@@0M?e?I4@@@@@0MI4@@@@@@@@@@@@0Y ?@@@@@@@L? 3@@@@@@@@1g?@@@@@@? @@@@@@@?g?@@@@@ @@@@@@@? ?@@@@@@@ I4@@@@@@@@@@@@@@@? @@@@@@5?he?@@@@@@@@HhfN@@@@@@? @@@@@@@@@@@@@@@@0?4@@@@@@@@@@@@@@@@@@@@@@@@@5?
@@@@@@)X W&@@@@@@ ?N@@@@@@L?g?@@@@@)X J@@@@@@H N@@@@@@@@?h?V'@@@)X @@@@@@@? @@@@@@ I4@@@@@@1? ?3@@@@@@@)K?g?@@@@@@@@@@)K?gO&@@@@@@@@ @@@@@@L? ?@@@@@@1he?@@@@@@? ?@@@@@@L @@@@@@ V'@@@@@@@@@? ?3@@@@@@1? V'@@@@@@@@L?f?@@@@@@? @@@@@@@?g?3@@@@1? ?J@@@@@@5? ?@@@@@@@ I4@@@@@@@@@@@@@? @@@@@@H?he?3@@@@@@@?hf?@@@@@@L 3@@@@@@@@@@@ I4@@@@@@@@0Me?I40Y?
@@@@@@@)X? ?W&@@@@@@@ ?J@@@@@@)Kg?@@@@@@)X?hf?O&@@@@@@? ?3@@@@@@@@@6K?gN@@@@)K?h?O2@@@@@@@@? @@@@@@ I4@@@@5? ?N@@@@@@@@@@6?2@@@@@@@@@@@@@@@@@@@@@@@@@@@@@@@@@ @@@@@@1? ?@@@@@@@he?@@@@@@? ?@@@@@@1 ?J@@@@@@ ?V'@@@@@@@@L ?N@@@@@@@L ?N@@@@@@@@)XfJ@@@@@@L @@@@@@@?g?N@@@@@L ?7@@@@@@H? ?@@@@@@@ ?I4@@@@@@@@@@? @@@@@@hf?N@@@@@@@?hf?@@@@@@@ N@@@@@@@@@@@L? W@@@@@@?
3@@@@@@@)X O&@@@@@@@@ ?7@@@@@@@@@@@@@@@@@@@@@@)Xhe?O2@@@@@@@@? ?N@@@@@@@@@@@6K?f?3@@@@@@6Kf?O2@@@@@@@@@5? @@@@@@ ?I40Y? @@@@@@@@@@@@@@@@@@@@@@@@@@@@@@@@@@@@@@@@@@@@@5 @@@@@@@? ?@@@@@@@he?@@@@@@? ?@@@@@@@L? ?7@@@@@@ V'@@@@@@@1 @@@@@@@)K? @@@@@@@@@)X?e7@@@@@@1 @@@@@@@Lh@@@@@)X? J@@@@@@@ ?@@@@@@@ ?I4@@@@@@@@? @@@@@@ @@@@@@@?hf?@@@@@@H ?@@@@@@@@@@@)K 7@@@@@@?
N@@@@@@@@)K? ?O2@@@@@@@@@@5 ?3@@@@@@@@@@@@@@@@@@@@@@@1h@@@@@@@@@@@@5? 3@@@@@@@@@@@@@@@6K?V'@@@@@@@6?2@@@@@@@@@@@@@H? @@@@@@ 3@@@@@@@@@@@@@@@@@@@@@@@@@@@@@@@@@@@@@@@@@@@@H @@@@@@@? J@@@@@@@he?@@@@@@? ?@@@@@@@)X J@@@@@@@ ?V'@@@@@@@L? @@@@@@@@@@@6K?he3@@@@@@@@@)Ke@@@@@@@@ @@@@@@@)K?g@@@@@@)Xhf?O&@@@@@@@ ?@@@@@@@ ?I4@@@@@@? @@@@@@L?hf@@@@@@@?hf?@@@@@@? I'@@@@@@@@@@6Xhf@@@@@@@?
?3@@@@@@@@@@@@6KO@K?heO2@@@@@@@@@@@@(Y @@@@@@@@@@@@@@@@@@@@@@@@h@@@@@@@@@@@@H? V'@@@@@@@@@@@@@@@@6KV@@@@@@@@@@@@@@@@@@@@@@5 @@@@@@ N@@@@@@@@@@@@@@@@@@@@(?'@@@@@@@@@@@@@@@@@@@@5? @@@@@@@Lhf?W&@@@@@@@heJ@@@@@@? ?3@@@@@@@)X? ?O&@@@@@@5 V'@@@@@@)X 3@@@@@@@@@@@@@@?hV'@@@@@@@@@@@@@@@@@@@5 @@@@@@@@@@@@@@@@@@@@@@@)X?h?O2@@@@@@@@5 ?@@@@@@@ ?I4@@@5? @@@@@@1?hf@@@@@@@?hf?@@@@@@? ?V'@@@@@@@@@@)X?he@@@@@@@?
?N@@@@@@@@@@@@@@@@@@@@@@@@@@@@@@@@@@@@@@@@@@H? ?7@@@@@@@@@@@@@@@@@@@@@@@@h@@@@@@@@@@@5 ?V'@@@@@@@@@@@@@@@@@@@@@@@@@@@@@@@@@@@@@@@(Y @@@@@@L? ?3@@@@@@@@@@@@@@@@@@(Y?N@@@@@@@@@@@@@@@@@@@(Y? @@@@@@@)K?heW&@@@@@@@5h?W&@@@@@@? ?N@@@@@@@@)K ?O2@@@@@@@@H ?N@@@@@@@1 N@@@@@@@@@@@@@@Lh?N@@@@@@@@@@@@@@@@@@@H @@@@@@@@@@@@@@@@@@@@@@@@1?gW2@@@@@@@@@@@H ?@@@@@@@ I(Y? @@@@@@@?hf@@@@@@5?hfJ@@@@@@? V4@@@@@@@@@@)Khe@@@@@@@?
3@@@@@@@@@@@@@@@@@@@@@@@@@@@@@@@@@@@@@@@@5 ?@@@@@@@@@@@@@@@@@@@@@@@@@h@@@@@@@@@@(Y V'@@@@@@@@@@@@@@@@@@@@@@@@@@@@@@@@@@@@@(Y? @@@@@@@? ?V'@@@@@@@@@@@@@@@@(Y?e3@@@@@@@@@@@@@@@@@(Y @@@@@@@@@6K?g?O&@@@@@@@@HhO&@@@@@@@? 3@@@@@@@@@@6K? ?O2@@@@@@@@@@? 3@@@@@@@L? ?3@@@@@@@@@@@@@1he3@@@@@@@@@@@@@@@@@@L @@@@@@@@@@@@@@@@@@@@@@@@@?g7@@@@@@@@@@@5? ?@@@@@@@ @@@@@@@Lhf@@@@@@H?hf7@@@@@@? I4@@@@@@@@@@6Xh@@@@@@@?
?@ V'@@@@@@@@@@@@@@@@@@@@@@@@@@@@@@@@@@@@@@(Y ?3@@@@@@@@@@@@@@@@@@@@@@@@h@@@@@@@@@@H? ?V'@@@@@@@@@@@@@@@@@@@@@@@@@@@@@@@@@@@@H 3@@@@@H? V'@@@@@@@@@@@@@@(YfV'@@@@@@@@@@@@@@@(Y? 3@@@@@@@@@@@6Ke?O2@@@@@@@@@@?gO2@@@@@@@@@? N@@@@@@@@@@@@@@@@@@@@@@@@@@@@@@@@@@@@@@@@@@@5? V'@@@@@@)X ?V'@@@@@@@@@@@@@heV'@@@@@@@@@@@@@@@@@@ @@@@@@@@@@@@@@@@@@@@@@@@@?g@@@@@@@@@@@@H? ?@@@@@@@ 3@@@@@@)K?he@@@@@@hf?J@@@@@@@? I'@@@@@@@)X?g@@@@@@@?
?V'@@@@@@@@@@@@@@@@@@@@@@@@@@@@@@@@@@@@0Y? ?N@@@@@@@@@@@@@@@@@@@@@@@@h@@(M?@@@@@ V4@@@@@@@@@@@@@@@@@@@@@@@@@@@@@@@@@@@? V4@@@@ ?V4@@@@@@@@@@@@0Y?f?V4@@@@@@@@@@@@@0Y V'@@@@@@@@@@@@@@@@@@@@@@@@@@5?fW2@@@@@@@@@@5? ?3@@@@@@@@@@@@@@@@@@@@@@@@@@@@@@@@@@@@@@@@@(Y? ?V'@@@@@@) V'@@@@@@@@@@@5he?V'@@@@@@@@@@@@@@@@H @@@@@@@@@@@@@@@@@@@@@@@@@?g@@@@@@@@@@@5 ?@@@@@@@ N@@@@@@@@6K? O&@@@@@@5? ?N@@@@@@@@)Kg@@@@@@@?
V4@@@@@@@@@@@@@@@@@@@@@@@@@@@@@@@@@(M? @@@@@@@@@@@@@@@@@@@@@@@5h@@H??@@0M? ?I4@@@@@@@@@@@@@@@@@@@@@@@@@@@@@0M ?I4@@@@@@@@0M?h?I4@@@@@@@@@0M ?N@@@@@@@@@@@@@@@@@@@@@@@@@@H?f7@@@@@@@@@@(Y? ?V'@@@@@@@@@@@@@@@@@@@@@@@@@@@@@@@@@@@@@@@(Y V'@@@@@H ?V4@@@@@@@@@@HhfV'@@@@@@@@@@@@@@@? @@@@@@@@@@@@@@@@@@@@@@@@@?g@@@@@@@@@@(Y ?3@@@@@5 ?@@@@@@@@@@@@? ?O2@@@@@@@@@H? @@@@@@@@@@6Kf@@@@@@@?
I4@@@@@@@@@@@@@@@@@@@@@@@@@@@@@@0Y ?I40MI(Yh@@ I4@@@@@@@@@@@@@@@@@@@@@@@@0M ?I40M? ?I4@@0M? 3@@@@@@@@@@@@@@@@@@@@@@@@5g@@@@@@@@@@@H V'@@@@@@@@@@@@@@@@@@@@@@@@@@@@@@@@@@@@@(Y? ?V4@@@@? ?I4@@@@@@@@?hf?V4@@@@@@@@@@@@@@? @@@@@@@@@@@@@@@@@@@@@@@@@?g@@@@@@@@@(Y? ?V4@@@0Y ?3@@@@@@@@@@@L ?@@@@@@@@@@@@@ 3@@@@@@@@@@@6X?J@@@@@@@?
I4@@@@@@@@@@@@@@@@@@@@@@@@@0M? ?I4@@@@@@@@@@@@@@@@@@@0M V'@@@@@@@@@@@@@@@@@@@@@@(Yg@@@@@@@@@@5? ?V'@@@@@@@@@@@@@@@@@@@@@@@@@@@@@@@@@@@(Y ?I4@@@@@@? ?I4@@@@@@@@@@@@? 3@@@@@@@@@@@@@@@@@@@@@@@5?g@@@@@@@@0Y ?V'@@@@@@@@@@@ ?@@@@@@@@@@@@5 V4@@@@@@@@@@@)?&@@@@@@@?
?I4@@@@@@@@@@@@@@@@@@@@0M? ?I@MI4@@0M ?V'@@@@@@@@@@@@@@@@@@@@(Y?g@@@@@@@@@(Y? V4@@@@@@@@@@@@@@@@@@@@@@@@@@@@@@@@@0Y? I4@@@@@@@@@? V4@@@@@@@@@@@@@@@@@@@@@0Y?g3@@@@@0M N@@@@@@@@@@H J@@@@@@@@@@@@H I'@@@@@@@@@@@@@@@@@@@?
?I40?40M V4@@@@@@@@@@@@@@@@@@(Yh@@@@@@@@(Y I4@@@@@@@@@@@@@@@@@@@@@@@@@@@@@0M? V40M ?3@@@@@@@@@? 7@@@@@@@@@@@5? ?V4@@@@@@@@@@@@@@@@@5?
I'@@@@@@@@@@@@@@@0Y?h@@@@@@@(Y? I4@@@@@@@@@@@@@@@@@@@@@@@@0M ?V'@@@@@@@@? @@@@@@@@@@@(Y? ?I'@@@@@@@@@@@@@@@H?
?V4@@@@@@@@@@@@0M?he3@@@@@0Y I4@@@@@@@@@@@@@@@@@0M? V4@@@@@@@? @@@@@@@@@@0Y V'@@@@@@@@@@@@@@
?I4@@@@0M? V40M ?I40M? I4@@@@@? @@@@@@@@(M ?V4@@@@@@@@@@@@@
3@@@@@@0Y? ?I'@@@@@@@@@@@
O2@6X? V4@@@0M? V'@@@@@@@@@@
?@@@@@)X ?V4@@@@@@@@@
?@@@@@@1
J@@@@@@@ ?W2@@@@@6KO2@@@@@@@@@@@@@@@@@@@@6K?O2@@@@@6X W2@@@@@@@@@@@@@@@@@@@@@@@@@@@@@@@@@@@@@@@@@@@? ?O@KO2@@@@@@@@@@@@@@@@@@@@@@@@@@@@@@@@@@@6X? ?@@@@@@@@@@@@@@@@@@@@@@@@@@@@@@@@6?@K? W2@6KO2@@@@@@6?@K??O@K
?O&@@@@@@@ ?7@@@@@@@@@@@@@@@@@@@@@@@@@@@@@@@@@@@@@@@@@)K? 7@@@@@@@@@@@@@@@@@@@@@@@@@@@@@@@@@@@@@@@@@@@@? @@@@@@@@@@@@@@@@@@@@@@@@@@@@@@@@@@@@@@@@@@@@1? ?@@@@@@@@@@@@@@@@@@@@@@@@@@@@@@@@@@@@@@@@@@@6X ?W&@@@@@@@@@@@@@@@@@@@@@@@@@@@@@@@@@@@@@@@@6K?
?W2@@@@@@@@@@@@@@@@@@@@@@@@@@@@@@@@@@@@6?2@@6X ?@@@@@@@@@@@@@@@@@@@@@@@@@@@@@@@@@@@@@@@@@@@@@ @@@@@@@@@@@@@@@@@@@@@@@@@@@@@@@@@@@@@@@@@@@@@? @@@@@@@@@@@@@@@@@@@@@@@@@@@@@@@@@@@@@@@@@@@@@? J@@@@@@@@@@@@@@@@@@@@@@@@@@@@@@@@@@@@@@@@@@@@1 ?7@@@@@@@@@@@@@@@@@@@@@@@@@@@@@@@@@@@@@@@@@@@6X?
?7@@@@@@@@@@@@@@@@@@@@@@@@@@@@@@@@@@@@@@@@@@@1 ?@@@@@@@@@@@@@@@@@@@@@@@@@@@@@@@@@@@@@@@@@@@@@ @@@@@@@@@@@@@@@@@@@@@@@@@@@@@@@@@@@@@@@@@@@@@? @@@@@@@@@@@@@@@@@@@@@@@@@@@@@@@@@@@@@@@@@@@@@? 7@@@@@@@@@@@@@@@@@@@@@@@@@@@@@@@@@@@@@@@@@@@@@ ?@@@@@@@@@@@@@@@@@@@@@@@@@@@@@@@@@@@@@@@@@@@@@1?
?@@@@@@@@@@@@@@@@@@@@@@@@@@@@@@@@@@@@@@@@@@@@@ @@@@@@@@@@@@@@@@@@@@@@@@@@@@@@@@@@@@@@@@@@@6X? ?@@@@@@@@@@@@@@@@@@@@@@@@@@@@@@@@@@@@@@@@@@@@@ @@@@@@@@@@@@@@@@@@@@@@@@@@@@@@@@@@@@@@@@@@@@@? @@@@@@@@@@@@@@@@@@@@@@@@@@@@@@@@@@@@@@@@@@@@@? 3@@@@@@@@@@@@@@@@@@@@@@@@@@@@@@@@@@@@@@@@@@@@@ ?@@@@@@@@@@@@@@@@@@@@@@@@@@@@@@@@@@@@@@@@@@@@@@? W2@@@@@@@@@@@@@@@@@@@@@@@@@@6K
?@@@@@@@@@@@@@@@@@@@@@@@@@@@@@@@@@@@@@@@@@@@@@ @@@@@@@@@@@@@@@@@@@@@@@@@@@@@@@@@@@@@@@@@@@@)X ?@@@@@@@@@@@@@@@@@@@@@@@@@@@@@@@@@@@@@@@@@@@@@ @@@@@@@@@@@@@@@@@@@@@@@@@@@@@@@@@@@@@@@@@@@@@L @@@@@@@@@@@@@@@@@@@@@@@@@@@@@@@@@@@@@@@@@@@@@? N@@@@@@@@@@@@@@@@@@@@@@@@@@@@@@@@@@@@@@@@@@@@@ ?@@@@@@@@@@@@@@@@@@@@@@@@@@@@@@@@@@@@@@@@@@@@@@? 7@@@@@@@@@@@@@@@@@@@@@@@@@@@@@@@@@@@@@@@@@@@6X
?@@@@@@@@@@@@@@@@@@@@@@@@@@@@@@@@@@@@@@@@@@@@@ @@@@@@@@@@@@@@@@@@@@@@@@@@@@@@@@@@@@@@@@@@@@@1 ?@@@@@@@@@@@@@@@@@@@@@@@@@@@@@@@@@@@@@@@@@@@@@ @@@@@@@@@@@@@@@@@@@@@@@@@@@@@@@@@@@@@@@@@@@@@1 @@@@@@@@@@@@@@@@@@@@@@@@@@@@@@@@@@@@@@@@@@@@5? ?@@@@@@@@@@@@@@@@@@@@@@@@@@@@@@@@@@@@@@@@@@@@@ ?@@@@@@@@@@@@@@@@@@@@@@@@@@@@@@@@@@@@@@@@@@@@@5? @@@@@@@@@@@@@@@@@@@@@@@@@@@@@@@@@@@@@@@@@@@@@1
?@@@@@@@@@@@@@@@@@@@@@@@@@@@@@@@@@@@@@@@@@@@@@ @@@@@@@@@@@@@@@@@@@@@@@@@@@@@@@@@@@@@@@@@@@@@@ ?@@@@@@@@@@@@@@@@@@@@@@@@@@@@@@@@@@@@@@@@@@@@5 3@@@@@@@@@@@@@@@@@@@@@@@@@@@@@@@@@@@@@@@@@@@@5 @@@@@@@@@@@@@@@@@@@@@@@@@@@@@@@@@@@@@@@@@@@(Y? ?@@@@@@@@@@@@@@@@@@@@@@@@@@@@@@@@@@@@@@@@@@@@5 ?@@@@@@@@@@@@@@@@@@@@@@@@@@@@@@@@@@@@@@@@@@@@@H? @@@@@@@@@@@@@@@@@@@@@@@@@@@@@@@@@@@@@@@@@@@@@@
?@@@@@@@@@@@@@@@@@@@@@@@@@@@@@@@@@@@@@@@@@@@@@ @@@@@@@@@@@@@@@@@@@@@@@@@@@@@@@@@@@@@@@@@@@@@5 ?@@@@@@@@@@@@@@@@@@@@@@@@@@@@@@@@@@@@@@@@@@@0Y N@@@@@@@@@@@@@@@@@@@@@@@@@@@@@@@@@@@@@@@@@@@0Y @@@@@@@@@@@@@@@@@@@@@@@@@@@@@@@@@@@@@@@@@@0Y ?3@@@@@@@@@@@@@@@@@@@@@@@@@@@@@@@@@@@@@@@@@@0Y ?3@@@@@@@@@@@@@@@@@@@@@@@@@@@@@@@@@@@@@@@@@@@5 @@@@@@@@@@@@@@@@@@@@@@@@@@@@@@@@@@@@@@@@@@@@@5
?@@@@@@@@@@@@@@@@@@@@@@@@@@@@@@@@@@@@@@@@@@@@5 @@@@@@@@@@@@@@@@@@@@@@@@@@@@@@@@@@@@@@@@@@@@@H ?3@@@@@@@@@(M? ?3@@@@@@@@@X 3@@@@@@@@@@@@@0MI40M ?V'@@@@@@@@X ?V'@@@@@@@@@@@@0MI40M?I4@@@@@@@@@@@@@@@@@@@@0Y @@@@@@@@@@@@@@@@@@@@@@@@@@@@@@@@@@@@@@@@@@@@@H
?@@@@@@@@@@@@@@@@@@@@@@@@@@@@@@@@@@@@@@@@@@@0Y @@@@@@@@@@@@@@@@@@@@@@@@@@@@@@@@@@@@@@@@@@@@@? ?V4@@@@@@@@? ?V'@@@@@@@@1 V'@@@@@@@@@? V'@@@@@@@1 V'@@@@@@@@X? @@@@@@@@@@@@@@@@@@@@@@@@@@@@@@@@@@@@@@@@@@@@@?
?@@@@@@@@@@@@?hf?I'@@@@@@@ @@@@@@@@@@@@@@@@@@@@@@@@@@@@@@@@@@@@@@@@@@@@5? ?I'@@@@@@)X? V'@@@@@@@@L? ?V'@@@@@@@@L ?V'@@@@@@@L? ?V'@@@@@@@1? @@@@@@@@@@@@@@@@@@@@@@@@@@@@@@@@@@@@@@@@@@@@@?
?3@@@@@@@@@@@L N@@@@@@5 3@@@@@@@@@@@@@0M?I40M??I4@0?4@@@@@@@@@@@@@@0Y? N@@@@@@@)X ?V'@@@@@@@)X V'@@@@@@@)X? V'@@@@@@)X V'@@@@@@@L 3@@@@@@@@@@@@@@@@@@@@@@@@@@@@@@@@@@@@@@@@@@@@?
?V'@@@@@@@@@@)X?hf?@@@@@@? V'@@@@@@@@@? ?3@@@@@@@)X? V'@@@@@@@1 ?V'@@@@@@@1? ?N@@@@@@@1 ?N@@@@@@@)X? V'@@@@@@@@@?
V4@@@@@@@@@@)Khf?@@@@@@1 ?V4@@@@@@@@L ?V'@@@@@@@1? ?V'@@@@@@@L? V'@@@@@@@L 3@@@@@@@L? 3@@@@@@@1? ?V'@@@@@@@@L
I'@@@@@@@@@@6Khe?@@@@@@@ ?I'@@@@@@)X? V'@@@@@@@L N@@@@@@@)X ?V'@@@@@@)X? V'@@@@@@1? V'@@@@@@@L V'@@@@@@@1
?V'@@@@@@@@@@@6Xh?@@@@@@@ N@@@@@@@1? ?N@@@@@@@1 ?3@@@@@@@1 N@@@@@@@1? ?N@@@@@@@L ?N@@@@@@@1 ?V'@@@@@@@L?
V4@@@@@@@@@@@)K?g?@@@@@@@ ?3@@@@@@@L 3@@@@@@@L? ?V'@@@@@@@ ?3@@@@@@@L 3@@@@@@1 3@@@@@@@L? V'@@@@@@1?
I'@@@@@@@@@@@6X?fJ@@@@@@@ ?N@@@@@@@)X? V4@@@@@@@? V4@@@@@@ ?V'@@@@@@1 V4@@@@@@ V'@@@@@@1? ?N@@@@@@@L
?V4@@@@@@@@@@@)Kf7@@@@@@@ 3@@@@@@@1? I4@0M? V4@@@@@@ ?V4@@@@@@? 3@@@@@@)X?
?I'@@@@@@@@@@@6Ke@@@@@@@@ V4@@@@@@@L N@@@@@@@1?
V4@@@@@@@@@@@@@@@@@@@@@@ I'@@@@@1 ?3@@@@@@@?
I'@@@@@@@@@@@@@@@@@@@@ ?V4@@@@@ ?V4@@@@@5?
?V4@@@@@@@@@@@@@@@@@@@ I(Y?
?I'@@@@@@@@@@@@@@@@@
V4@@@@@@@@@@@@@@@5
I'@@@@@@@@@@@@@H
?V4@@@@@@@@@@@@?
?I'@@@@@@@@@@?
V4@@@@@@@@@?
?I4@@@0M

Related product manuals