EasyManua.ls Logo

Mi Swaco MONGOOSE PRO

Mi Swaco MONGOOSE PRO
74 pages
To Next Page IconTo Next Page
To Next Page IconTo Next Page
To Previous Page IconTo Previous Page
To Previous Page IconTo Previous Page
Loading...
MI SWACO MONGOOSE PRO Shale Shaker
57 Field Installation and Operation Manual 9092F02001AENG (D) 57
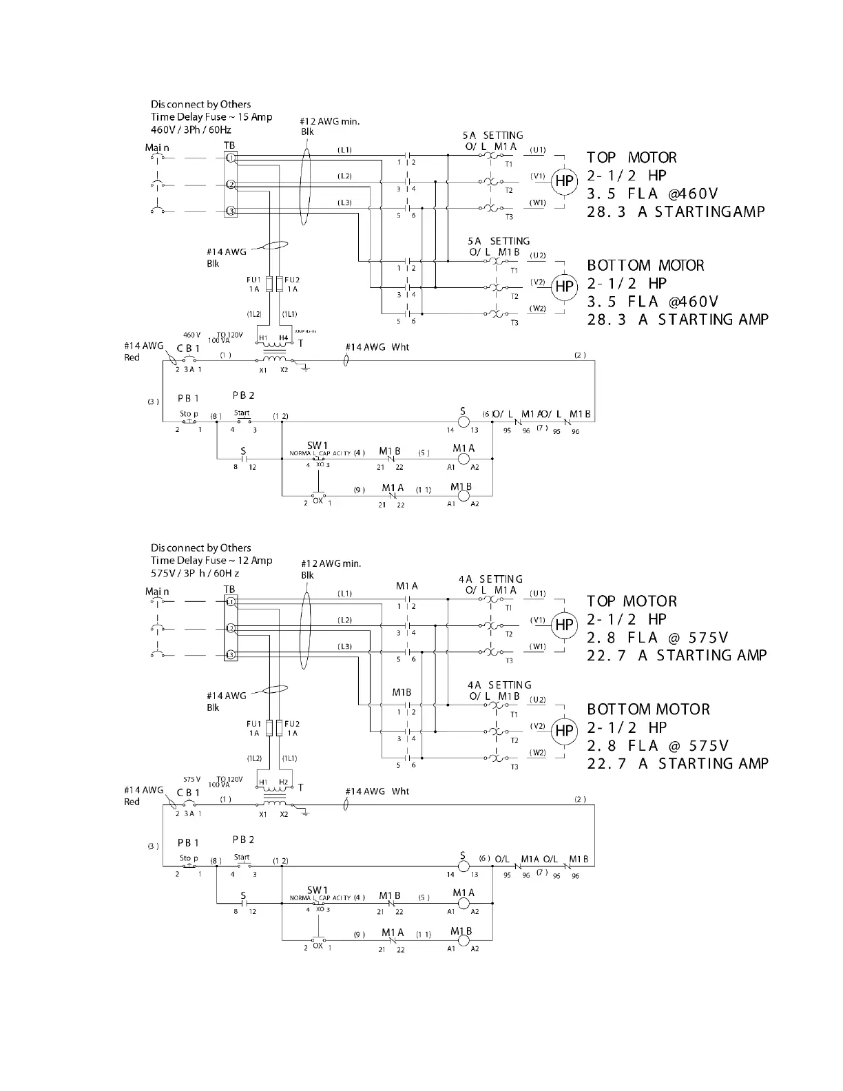
Figure 44. UL Rated MONGOOSE PRO 460V Diagram
Figure 45. UL Rated MONGOOSE PRO 575V Diagram

Table of Contents