EasyManua.ls Logo

Mi Swaco MONGOOSE PRO

Mi Swaco MONGOOSE PRO
74 pages
To Next Page IconTo Next Page
To Next Page IconTo Next Page
To Previous Page IconTo Previous Page
To Previous Page IconTo Previous Page
Loading...
MI SWACO MONGOOSE PRO Shale Shaker
58 Field Installation and Operation Manual 9092F02001AENG (D) 58
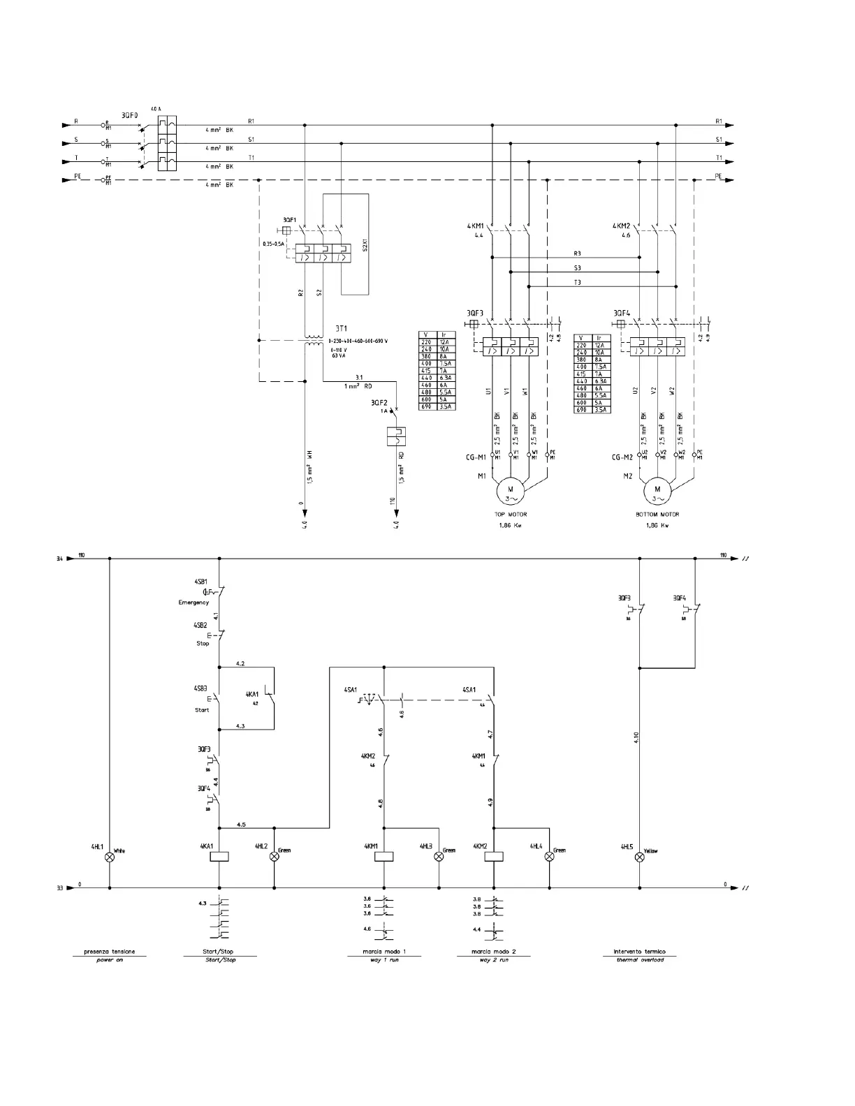
Figure 46. ATEX/IECEx Rated MONGOOSE PRO Diagram

Table of Contents