EasyManua.ls Logo

Mi Swaco MONGOOSE PRO

Mi Swaco MONGOOSE PRO
74 pages
To Next Page IconTo Next Page
To Next Page IconTo Next Page
To Previous Page IconTo Previous Page
To Previous Page IconTo Previous Page
Loading...
MI SWACO MONGOOSE PRO Shale Shaker
56 Field Installation and Operation Manual 9092F02001AENG (D) 56
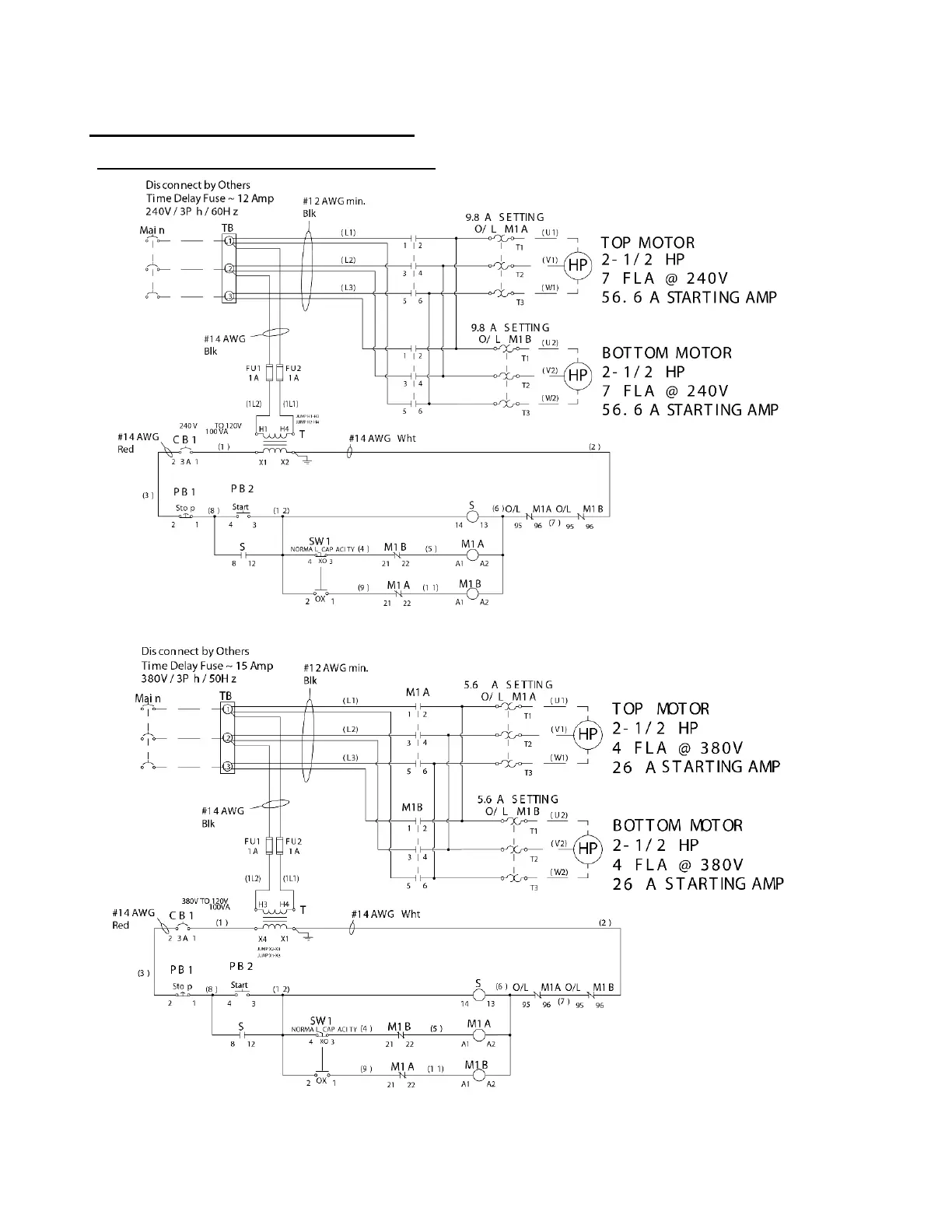
21. DIAGRAMS AND SCHEMATICS
21.1 Wiring Diagram, Electrical Schematics
Figure 42. UL Rated MONGOOSE PRO 240V Diagram
Figure 43. UL Rated MONGOOSE PRO 380V Diagram

Table of Contents