EasyManua.ls Logo

Microchip Technology CAN Bus Analyzer - Page 11

Microchip Technology CAN Bus Analyzer
24 pages
Print Icon
To Next Page IconTo Next Page
To Next Page IconTo Next Page
To Previous Page IconTo Previous Page
To Previous Page IconTo Previous Page
Loading...
Introduction
2009-2022
Microchip Technology Inc. and its subsidiaries DS50001848D
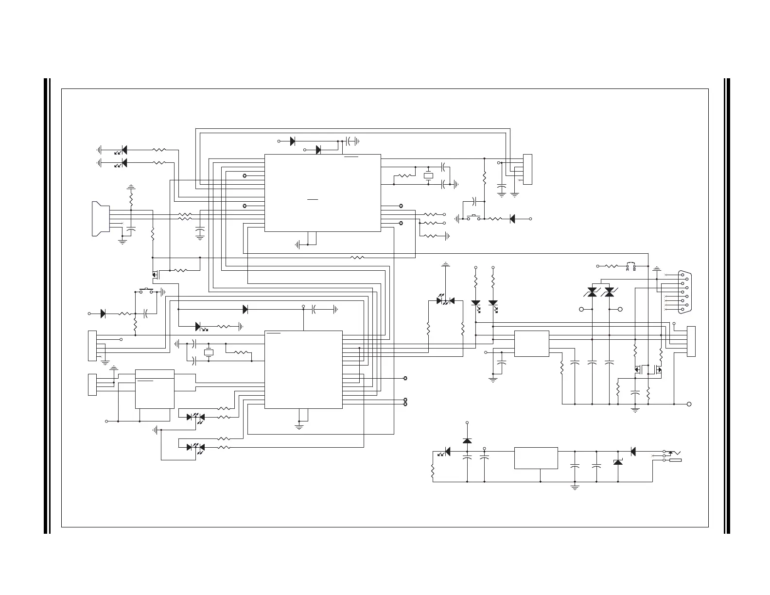
FIGURE 1-2: CAN BUS ANALYZER SCHEMATIC
CAN_RES
BUSY
Vඌඌ
Vඊඝඛ
VBB
CANRXD
CANTXD
Vcc
Vcc
VccVcc
Vcc
Vcc
Vcc
Vcc
Vcc
Vcc
Vcc
Vcc
Vඌඌ
Vඊඝඛ
Vඌඌ
Vcc
Vඌඌ
Triggers In/Out
PICkit 2
PICkit™ 2
CAN Bus
Not Suspend
USB Busy
CAN Rxd
CAN Txd
Trigger Status
CAN Bus Status
Ext Pwr On
CAN Bus
Note: np = not populated
5
9
4
8
3
7
2
6
1
P2P2
R16
1K
R16
1K
IOVL1
2
IOVCC1
13
3-State
8
V
1
Vcc
14
U4-1
MAX3378E
U4-1
MAX3378E
C16C16
4.7 pF
R30 470R30 470
1 2
E1E1
LED5
Yel LED
LED5
Yel LED
C19C19
.01 μF
C3C3
27 pF
D2 S1GD2 S1G
D7
S1G
D7
S1G
R31 470R31 470
R33
4.7K
R33
4.7K
LED4
Yel LED
LED4
Yel LED
IN
1
OUT
3
GND
2
REG1
LM2937-5.0V
REG1
LM2937-5.0V
C2 27 pF
Y2Y2
10 MHz
Y1Y1
12 MHz
1
TP1TP1
R22
470
R22
470
R32 470R32 470
LED9
Blue LED
LED9
Blue LED
D3 1N4148WSD3 1N4148WS
1 TP9TP9
D1 S1GD1 S1G
R1810K R1810K
R24
56
R24
56
R19
1K
R19
1K
R17
470
1
2
3
4
5
6
J1J1
C18C18
10.0 μF
R5
np
R5
np
R1 470R1 470
D4
1N4148WS
D4
1N4148WS
R15
470
LED1Yellow LED LED1Yellow LED
TP6TP6
R10
10K
R10
10K
D8S1G D8S1G
R2 470R2 470
R13 4.7K
Q1
FDN352AP
Q1
FDN352AP
Q2
FDN352AP
Q2
FDN352AP
1
TP8TP8
R8 10KR8 10K
1 TP2TP2
R9 1KR9 1K
R3
100K
R3
100K
LED8
WP3VEGW
LED8
WP3VEGW
LED3
WP3VEGW
LED3
WP3VEGW
R29 470R29 470
D9
P6SMB43AT3G
D9
P6SMB43AT3G
R21
470
R21
470
1
TP7TP7
MCLR/V඘඘/RE3
1
OSC1/CLKIN/RA7
9
OSC2/CLKOUT/RA6
10
GND
8
GND
19
Vඌඌ
20
RA0/AN0
2
RA1/AN1
3
RA2/AN2/Vකඍඎ-
4
RA3/AN3/Vකඍඎ+
5
RA4/T0CLI
6
RA5/AN4/SS/LVDIN
7
RB0/INT0/AN10
21
RB1/INT1/AN8
22
RB2/CANTX
23
RB3/CANRX
24
RB4/AN9
25
RB5
26
RB6
27
RB7
28
RC0/T1OSO/T13CKI
11
RC1/T1OSI
12
RC2/CCP1
13
RC3/SCK/SCL
14
RC4/SDI/SDA
15
RC5/SDO
16
RC6/TX/CK
17
RC7/RX/DT
18
U2
PIC18F2680
U2
PIC18F2680
MCLR/V඘඘/RE3
1
OSC1/CLKIN
9
OSC2/CLKOUT/RA6
10
GND
8
GND
19
Vඌඌ
20
RA0/AN0
2
RA1/AN1
3
RA2/AN2/Vකඍඎ-/CVකඍඎ
4
RA3/AN3/Vකඍඎ+
5
RA4/T0CLI/C1OUT/RCV
6
RA5/AN4/SS/LVDINC2OUT
7
RB0/INT0/AN12/FLT0/SDI/SDA
21
RB1/INT1/AN10/SCK/SCL
22
RB2/AN8/INT2/VMO
23
RB3/AN9/CCP2/VPO
24
RB4/AN11/KBI0
25
RB5/KBI1/PGM
26
RB6KBI2/PGC
27
RB7/KBI3/PGD
28
RC0/T1OSO/T13CKI
11
RC1/T1OSI/CCP2/UOE
12
RC2/CCP1
13
Vඝඛඊ
14
RC4/D-/VM
15
RC5/D+/VP
16
RC6/TX/CK
17
RC7/RX/DT/SDO
18
U1
PIC18F2550
U1
PIC18F2550
R6 0R6 0
R20 1KR20 1K
C8C8
0.1 μF
R28
100K
R28
100K
R27
33K
R27
33K
D5 NSR0620P2T5GD5 NSR0620P2T5G
C4
0.1 μF
LED7
WP3VEGW
LED7
WP3VEGW
R7 0R7 0
R11
0
R11
0
2
3
1
P3P3
R12 20KR12 20K
Q3
FDN352AP
Q3
FDN352AP
4.7pF
C15
4.7pF
C17
.01 μF
IOVL2
3
IOVCC2
12
U5-2U5-2
1
2
3
4
5
6
J2J2
C1C1
0.1 μF
S1S1
LED6
Purple LED
LED6
Purple LED
C14
4.7 pF
C13
tbd
C13
tbd
C7C7
470 nF
R23
np
R23
np
1 TP5TP51
2
3
4
J3J3
LED2Green LED LED2Green LED
R4
1K
R4
1K
C10 22 pF
TP4TP4
Vඊඝඛ
1
D-
2
D+
3
nc
4
GND
5
P1
USB Mini-B
P1
USB Mini-B
1
2
3
4
5
6
JP1JP1
C5C5
0.1 μF
R26
0
C9 0.1 μF
TP3TP3
C11 22 pF
CANH
7
GND
2
CANL
6
Vcc
3
TXD
1
RXD
4
REF
5
RS
8
U3
MCP2551
U3
MCP2551
C20C20
10 μF
S2S2
2
3
1
D6
NUP2105L
D6
NUP2105L
5656
C12C12
0.1 μF
C6
0.1 μF
1
TP10TP10
R14 100KR14 100K
R25