EasyManua.ls Logo

Midea DLCERAA24AAK - Wiring Diagram Sizes 18 K − 24 K (Cooling Only Units)

Midea DLCERAA24AAK
72 pages
Print Icon
To Next Page IconTo Next Page
To Next Page IconTo Next Page
To Previous Page IconTo Previous Page
To Previous Page IconTo Previous Page
Loading...
32808001101 13
Specifications subject to change without notice.
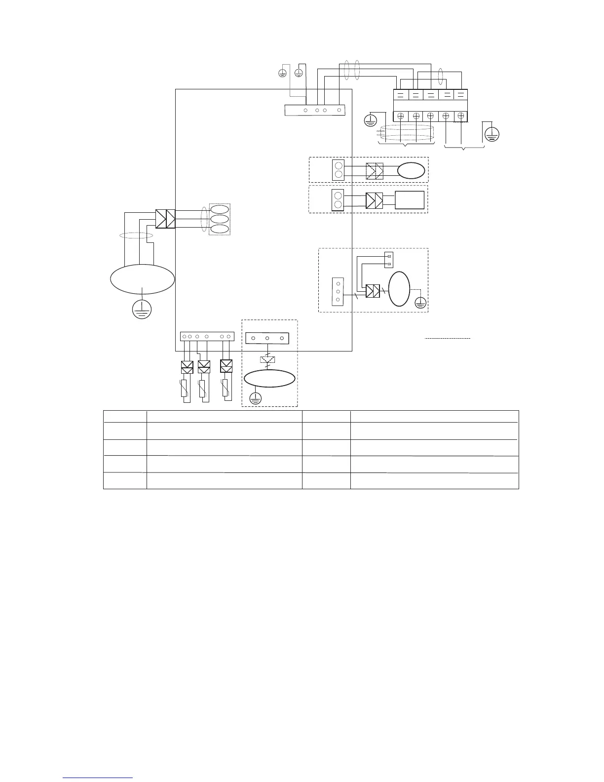
WIRING DIAGRAMS (CONTINUED)
4-WAY
DC-FAN
OPTIONAL:
DC-FAN
CN 414
3
CN 60
OPTIONAL
CRANKCASE
HEATER
CN 16
OPTIONAL
AMBIENT TEMP
. SENSOR
DISCHARGE TEMP. SENSOR
CN 17
CONDENSER TEMP.
SENSOR
Y/G
OUTDOOR
MAIN
PCB
BLUE
BROWN
BLACK
,1'22581,7
S
L2
L1
L2
32:(56833/<
RED
BLUE
L1
Y/G
Y/G
CN 3
Y/G
Y/G
Y/G
OPTIONAL
$&)$1
CAPACITOR
OPTIONAL:
AC-F
AN
5
3
CN 5
Y/G
L1
L2
73
7
7
Notes:
This symbol indicates
the element is optional,
the actual shape shall
prevail.
S
Yellow
Red
Blue
According to the real objects
16022000B23636
COMPRESSOR
BLUE
BLACK
CN 21
CN 29
CN 28
CN 27
BLUE
RED
BLACK
W
V
U
&2'(
&1
&1
&1
&2'(
&1
&1
&1
3$571$0( 3$571$0(
Input: 220V high voltage connector with
L1/L2/signal/ground
Output: 0~320VDC to control DC FAN
Output: PWM for UVW to control
Compressor(0~320VAC)
Output: 220V AC to control crankcase heater
Output: 0~220V AC to control 4-way valve
Input: Temperature acquisition(0-5VDC)
RED
&1
Output: 0~220VAC to control AC FAN
Fig. 10 - Wiring Diagram Sizes 18K − 24K (Cooling Only Units)

Table of Contents

Related product manuals