EasyManua.ls Logo

Midea HS-338FWEN-W - Circuit Descriptions; Power Supply Circuit; Door Switch Circuit; Temperature Sensor Circuit

Midea HS-338FWEN-W
41 pages
Print Icon
To Next Page IconTo Next Page
To Next Page IconTo Next Page
To Previous Page IconTo Previous Page
To Previous Page IconTo Previous Page
Loading...
27
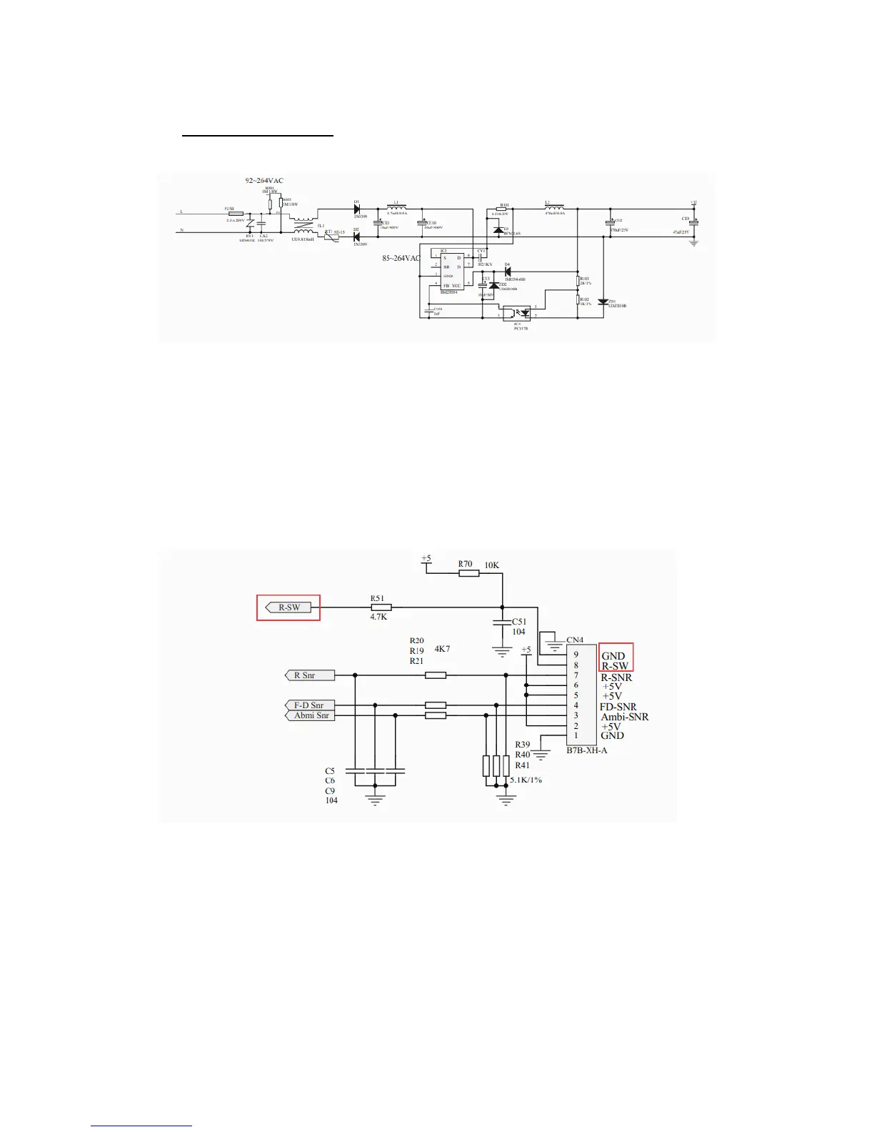
10.Circuit description10.1 Power Supply
The AC input power is reduced in voltage by SMPS control chip and filtered off wave by the
inductance-capacitance filter, then output the DC 12V power which will mainly power the relay
that controls strong current. Relay is used to control the strong current loaded switches of
compressor, ice maker and defrost heater. The DC 12V power will output stable 5V electricity
after passing through the adjustor 7805, to power for the main control chip and thus monitor the
temperature changes in refrigerator.
10.2Door trip test circuit
The door switch input circuit is used to detect the refrigerator door open or not the circuit module.
Chip I/O PORT port. by testing the continuous high level + 5V to determine whether the door is
open. And then drive the relevant load
10.3Temperature test circuit
It’s conducted by the sensor, making use of the characteristics that resistance value reduces as the
temperature increases, and the thermistor that has temperature coefficient of resistance in medium
temperature.

Table of Contents

Related product manuals