EasyManua.ls Logo

Midea HS-338FWEN-W - Freezing Chamber Fan Motor Circuit

Midea HS-338FWEN-W
41 pages
Print Icon
To Next Page IconTo Next Page
To Next Page IconTo Next Page
To Previous Page IconTo Previous Page
To Previous Page IconTo Previous Page
Loading...
28
The characteristic that resistance value reduces as the temperature increases is deemed to have
negative slope or negative temperature coefficient (NTC), and such thermistor is called as NTC
thermistor. The resistance value changes sensitively with temperature and typically changes 7% ~
3% per degree centigrade. Sensor used in the refrigerator is NTC thermistor.
There is following computing formula for the sensor:
Sampling voltage / reference voltage = R1 / (RNTC + R1)
AD value / reference AD value = R1 / (RNTC + R1)
The reference voltage is 5V, RNTC is the resistance value of the sensor, R1 is R31\R32\R33 in
schematic diagram that is 5.1K
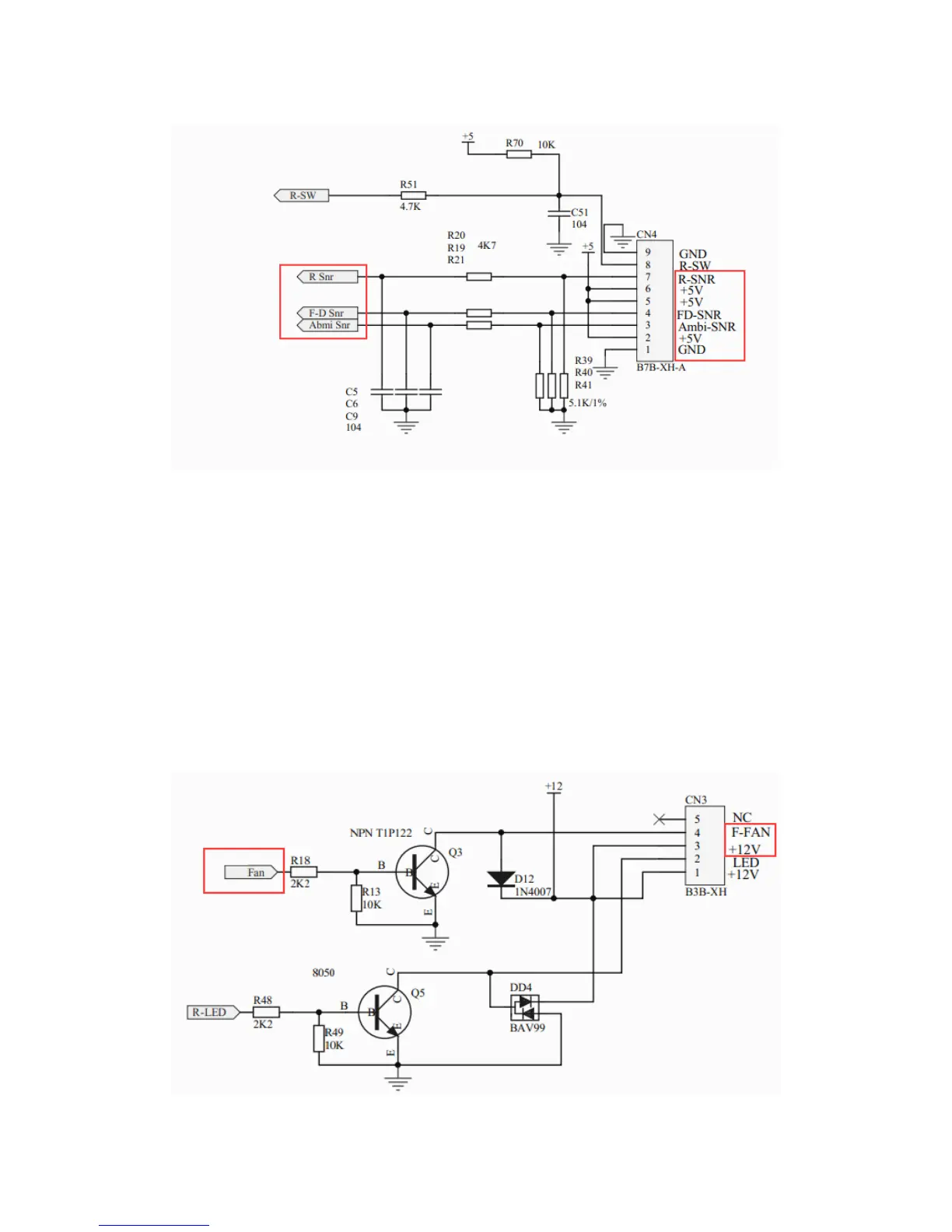
10.4Fan motor circuit of the freezing chamber
The fan in the freezing chamber is running when the compressor is operating. Check 12V and

Table of Contents

Related product manuals