EasyManua.ls Logo

Migatronic PI 250 AC/DC HP

Migatronic PI 250 AC/DC HP
150 pages
Go to English
To Next Page IconTo Next Page
To Next Page IconTo Next Page
To Previous Page IconTo Previous Page
To Previous Page IconTo Previous Page
Loading...
107
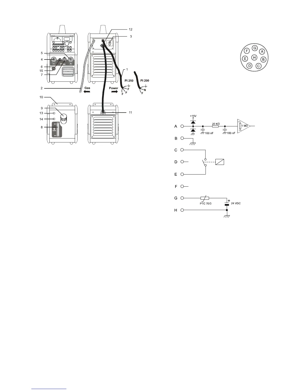
Hegesztőkábelek csatlakoztatása
A hegesztőkábeleket a berendezés elejére kell
csatlakoztatni. Figyelni kell arra, hogy a csatlakozókat
egy negyed fordulattal el kell fordítani azután, hogy a
kábelt az aljzatba dugjuk. Máskülönben a csatlakozó a
magas átviteli ellenállás miatt károsodhat.
Az AWI-pisztolyt mindíg a mínusz (-) aljzatba (4) és a
testkábelt a plusz (+) aljzatba (5) csatlakoztatjuk.
Az AWI pisztoly vezérlőjelének átvitele a 7-pólusú
csatlakozón (7) keresztül történik. A csatlakozót
bedugása után a menetes gyűrűvel rögzítjük. Az AWI-
pisztoly gázcsatlakozóját a gyorscsatlakozóba dugjuk.
Az elektródáknak a csomagoláson meg van adva a
polaritása. Az elektróda kábelt ennek megfelelően
kell a plusz/mínusz aljzatba csatlakoztatni.
Pisztolyhűtő egység csatlakoztatása
A gépet a rögzítővel (10) rögzítjük a hűtőegységhez. A
4-pólusú csatlakozót (11) a megfelelő aljzatba (12)
dugjuk. A pisztoly vízcsatlakozóját a kék gyor-
scsatlakozóba (13), a visszatérő vízcsövet a piros
gyorscsatlakozóba (14) dugjuk.
A folyadékszintet a szintmérő (8) segítségével
rendszeresen ellenőrizni kell. Hűtőfolyadékot a
beöntőnyíláson (9) keresztűl tudunk utántölteni.
Elektródakábel csatlakoztatása MMA-hoz
Az elektróda és testkábeleket a plusz (5) és mínusz
(4) aljzatokba kell csatlakoztatni.
Lábszabályzó csatlakoztatása
A lábszabályzót 7, vagy 8 -pólusú csatlakozóval
csatlakoztatjuk.
Távszabályzó csatlakoztatása
A távszabályzó csatlakozóval (15) szerelt PI gépek
távszabályzóval, vagy automatával vezérelhetőek. A
távszabályzó csatlakózónak az alábbi funkciói vannak:
A: Bemeneti jel hegesztőáram
vezérléshez, 0+-10V
bemeneti ellenállás 1Mohm
B: mérőpont minden jelhez
C: kimeneti jel ív meglétekor (max. 1A)
D: nincs bekötve
E: kimeneti jel ív meglétekor (max. 1A)
F: nincs bekötve
G: tápfeszültség +24VDC PTC ellenállással
(max. 50mA) rövidzárvédett.
H: test
A gép használata
A gép használatakor annak alkatrészei melegszenek.
Normál üzemben ez nem vezet túlterheléshez, mivel
hűtési periódusok nem szükségesek. Amennyiben a
gép magasabb árambeállítással üzemel, akkor
bizonyos hűtési periódusok beiktatása szükséges. A
hűtési periódusok ideje függ az áramerősség
beállításától. A készüléket a hűtési periódus közben
nem szabad a kikapcsolni. Amennyiben a hűtési
periódus nem elég hosszú, a gép hőfokvédelme a
hegesztést automatikusan megszakítja és a sárga LED
világít.
Amennyiben a gép megfelelően lehűlt, a LED elalszik
és a gép ismét használható.

Table of Contents

Related product manuals