EasyManua.ls Logo

Migatronic PI 250 AC/DC HP

Migatronic PI 250 AC/DC HP
150 pages
Go to English
To Next Page IconTo Next Page
To Next Page IconTo Next Page
To Previous Page IconTo Previous Page
To Previous Page IconTo Previous Page
Loading...
127
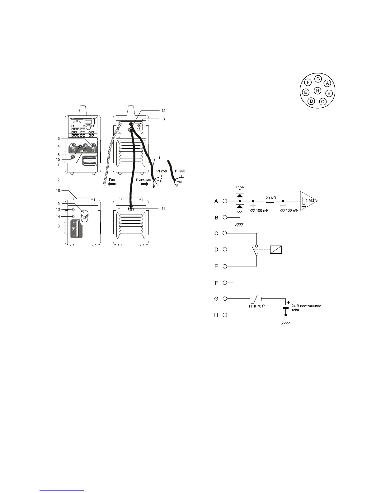
Управляющие сигналы с TIG горелки подаются на
аппарат через круглый 7-полюсный разъем (7).
После того, как штекер установлен в разъем,
зафиксируйте его, повернув по часовой стрелке.
Подключите газовый шланг к быстроразъемному
соединению.
ЭЛЕКТРОДЫ С ПОКРЫТИЕМ: На упаковке
электродов указана их полярность. Держатель
электродов следует подключать в соответствии с
данной маркировкой к отрицательному или
положительному разъему аппарата.
Подключение модуля водяного охлаждения
Закрепите модуль охлаждения с помощью
крепежных узлов (10) под аппаратом. Подключите
4-полюсную розетку (11) к соответствующему
разъему аппарата (12). Подключите водяной шланг
на горелке с водяным охлаждением к
быстроразъемному соединению (13) (синяя
маркировка), а обратный шлангк
быстроразъемному соединению (14) (красная
маркировка).
При поставке аппарата с отдельным модулем
охлаждения горелки
необходимо следить за
уровнем охлаждающей жидкости с помощью
указателя уровня (8). Доливка охлаждающей
жидкости выполняется через заливную горловину
(9).
Подключение держателя электродов для сварки
MMA
Держатель электродов и кабель обратного тока
подключаются к положительному разъему (5) и
отрицательному разъему (4). При выборе
полярности соблюдайте указания поставщика
электродов.
Подключение педального устройства
управления
Педальное устройство
управления подключается
при помощи 7-полюсной розетки (7) либо 8-
полюсной розетки (15), в зависимости от типа
устройства.
Подключение дистанционного управления
С аппаратами PI, оснащенными 8-полюсным
интерфейсом управления (15), можно работать с
помощью дистанционного управления или
сварочного робота. Розетка для подключения
дистанционного управления оснащена полюсами
для выполнения следующих функций:
A: Входной сигнал для сварочного
тока: от 0 до + 10
В, входное
сопротивление: 1 МОм.
B: Сигнальное заземление.
C: Определение дугиконтакт
реле (максимум 1 А), полностью изолированный.
D: Не подсоединенный.
E: Определение дугиконтакт реле
(максимум 1 А), полностью изолированный.
F: Не подсоединенный.
G: Питание +24 В постоянного тока. Защита от
короткого замыкания с помощью ПТК-
термистора (максимум 50 мА).
H: Заземление источника питания.
Использование аппарата
При проведении сварочных работ происходит
нагрев некоторых элементов аппарата, которые
охлаждаются во время перерывов в работе.
Необходимо исключить уменьшение или
прекращение расхода жидкости.
Если используются повышенные значения
сварочных токов, необходимо предусмотреть
периоды охлаждения.
Длительность периодов охлаждения зависит от
установленного тока, и во время охлаждения
аппарат не следует выключать
. Если
предусмотренные периоды охлаждения будут
недостаточно длительными, защита от перегрева
автоматически остановит процесс сварки, и
загорится желтый индикатор на передней панели.
После того, как аппарат достаточно охладится,
желтый индикатор погаснет, при этом аппарат будет
готов к работе.

Table of Contents

Related product manuals