EasyManua.ls Logo

Migatronic PI 250 AC/DC HP

Migatronic PI 250 AC/DC HP
150 pages
Go to English
To Next Page IconTo Next Page
To Next Page IconTo Next Page
To Previous Page IconTo Previous Page
To Previous Page IconTo Previous Page
Loading...
138
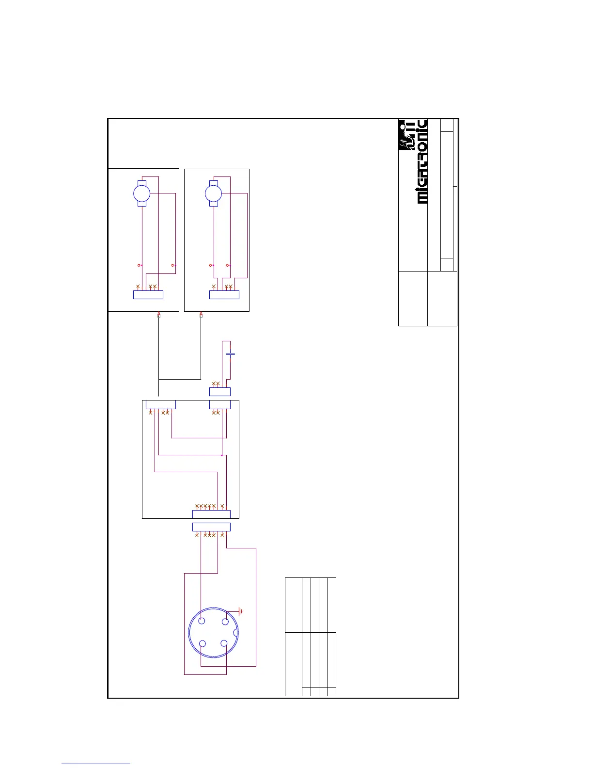
PI 250 AC/DC
KØLEMODUL uden flowkontrol
COOLING UNIT without flow control
KÜHLEINHEIT ohne Flowkontrolle
MODULE DE REFROIDISSEMENT sans contrôle du débit
1
2
3
4
5
6
7
8
M6
1
2
3
4
5
6
M5
1
2
3
4
M3
1
2
3
4
M2
1 2
5u
1
3
4
2
1
2
3
4
5
6
7
8
M7
Blue
MOTOR AC 230V
N
L1
L1
MOTOR AC 400V
L2
Blue or grey
Brown
Fase U ret.
Fase V
Fase U
Blue
Black
Black
Earth
Brown
Black
PCB 71613482
Tit le
Size Document Number Rev
Date: Sheet
of
Design :
Date :
Approv ed :
Date :
78812050 And 78812052
-
Coolingunit for PI 200 and PI 250
MIGATRONIC A/S
Aggersundv ej 33
DK-9690 Fjerritslev
Tlf: (+45) 96 500 600
www.migatronic . dk
A3
11Wednesday , Nov ember 28, 2007
<Designer>
<DesignDate>
<Appr_By >
<ApprDate>
1
2
3
4
5
6
M8
1
2
3
4
5
6
M9
4
3
2
1
Cooling unit 230 V 78812052
Cooling unit 400 V 78812050
Brown
Black
Blue or grey
400 VAC
230 VAC
400 VAC230 VAC
Earth
Neutral ret.
Fase
Neutral

Table of Contents

Related product manuals