EasyManua.ls Logo

Migatronic PI 250 AC/DC HP

Migatronic PI 250 AC/DC HP
150 pages
Go to English
To Next Page IconTo Next Page
To Next Page IconTo Next Page
To Previous Page IconTo Previous Page
To Previous Page IconTo Previous Page
Loading...
47
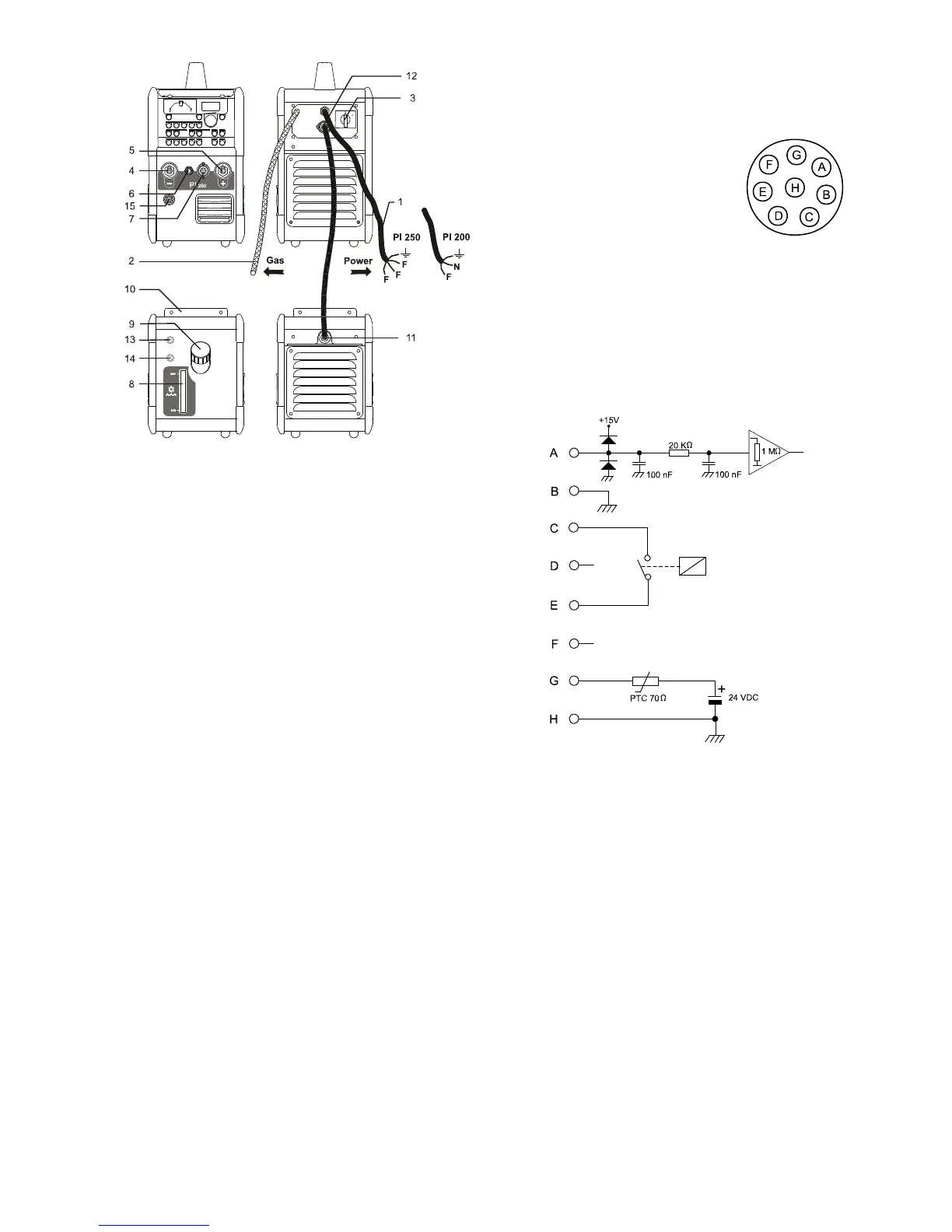
Connessione dei cavi di saldatura
Connettere i cavi di saldatura alla parte anteriore della
macchina . La spina deve essere ruotata di 45 gradi,
fino a completo serraggio, dopo l'inserimento nella
presa, altrimenti la spina può danneggiarsi per
eccessivo calore generato dalla resistenza di contatto.
Collegare sempre la torcia TIG al polo negativo (4) e
la massa al polo positivo (5).
I segnali di comando vengono trasferiti dalla torcia alla
macchina attraverso il connettore a 7 poli (7). Il
connettore va assicurato girando in senso orario la
ghiera. Il cavo gas va collegato all’attacco rapido.
Gli elettrodi rivestiti per la saldatura MMA vanno
utilizzati rispettando la polarita’ indicata dal produttore
sull’imballaggio. Collegare i cavi alle prese rispettando
la polarità.
Connessione del gruppo di raffreddamento torcia
Fissare il gruppo di raffreddamneto sotto al generatore
attraverso le apposite staffe (10). Inserire la spina a
4 poli (11) nella relativa presa posta (12) posta sul
retro della macchina. Collegare il tubo di mandata
acqua fredda della torcia all’innesto rapido blu (13) ed
il tubo di ritorno, acqua calda, all’attacco rosso (14).
Controllare il livello del liquido di raffreddamento
sull’indicatore (8) e, se necessario, rabbocare
rimuovendo il tappo (9).
Si ricorda di usare liquidi specifici, contenenti agenti
antigelo se la temperatura ambiente scende sotto lo
zero.
Connessione dell pinza porta elettrodo in MMA
La pinza porta elettrodo e il cavo di massa vanno
collegati alle presa positiva (5) e negativa (4).
Osservare le indicazioni di polarità specificate dal
produttore degli elettrodi rivestiti.
Connessione del pedale
Il pedale va connesso alla presa a 7 poli (7) o 8 (15)
poli a seconda del tipo di pedale.
Collegamento a comando a distanza
Le macchine PI dotate di connettore a 8 poli (15)
possono essere controllate da comando a distanza o
da robot. Nel connettore sono presenti i seguenti
segnali :
A: ingresso segnale corrente di
saldatura 0 - +10V impedenza
1 Mohm
B: terra ingresso
C: Arc detector – contatto di relay
(max 1 Amp), isolato
D: libero
E: Arc detector – contatto di relay (max 1 Amp),
isolato
F: libero
G: alimentazione +24VDC. Protezione contro il corto
circuito tramite PTC (max 50mA)
H: terra alimentazione
Utilizzo della macchina
Quando si salda con il Pi 200/250 AC/DC può
verificarsi il surriscaldamento di alcuni componenti
della macchina: durante le pause tra una saldatura e
l'altra i componenti hanno modo di raffreddarsi.
E’ importante che le griglie di entrata ed uscita dell’aria
di ventilazione siano libere da ostruzioni per garantire
un corretto flusso d’aria.
Quando la macchina opera con valori di corrente di
corrente elevati, sarà necessario rispettare degli
intervalli di raffreddamento della macchina.
La durata di tali intervalli dipende dai valori di corrente
impostati e la macchina non deve essere spenta
durante tali intervalli. Se l'intervallo di tempo per il
raffreddamento non è sufficientemente lungo, la
protezione contro le sovratemperature fermerà
automaticamente il generatore e si accenderà il LED
GIALLO. Il LED GIALLO si spegne quando la
macchina si è sufficientemente raffreddata ed è pronta
per riprendere a saldare.

Table of Contents

Related product manuals