EasyManua.ls Logo

Migatronic PI 250 AC/DC HP

Migatronic PI 250 AC/DC HP
150 pages
Go to English
To Next Page IconTo Next Page
To Next Page IconTo Next Page
To Previous Page IconTo Previous Page
To Previous Page IconTo Previous Page
Loading...
57
Anslutning av svetskablar
Svetskabel och återledare ansluts på framsidan av
maskinen.
Var uppmärksam på, att dinsekontakten skall vridas
cirka en kvarts varv, efter att kabeln är instucken i
bussningen, då kontakten annars kan skadas på
grund av för stort kontaktmotstånd.
Anslutning av TIG-brännare sker alltid i minus (-)
uttaget (4), medan returströmkabeln ansluts plus (+)
uttaget (5).
Kontrollsignalerna från TIG-brännaren överförs till
maskinen via den cirkulära 7-poliga kontakten (7). När
kontakterna är samlade, säkras de genom att vrida
omlöparen medsols.
Beklädda elektroder är på förpackningen märkta med
en polaritet. Elektrodhållaren monteras på maskinens
plus/minus uttag i överensstämmelse med denna
märkning.
Anslutning av kylmodul
Modulen fastsätts under svetsmaskinen med
beslaget (10). Den 4-poliga kontakten (11) monteras i
den motsvarande sockeln i maskinen (12). Framlopps-
slangen på den vattenkylda brännaren monteras i den
blå märkta snabbkopplingen (13), medan frånlopps-
slangen monteras i den röd markerade snabb-
kopplingen (14).
Kylvattenståndet kan kontrolleras med hjälp av vatten-
nivåkontrollen (8). Påfyllning av kylvätska görs genom
påfyllnaduttaget (9).
Anslutning av elektrodhållare för MMA
Elektrodhållare och återledarkabel ansluts till plusuttag
(5) och minusuttag (4). Polariteten väljs efter
elektrodleverantörens anvisning.
Anslutning av fotpedal
Anslutning av fotpedal sker via 7-polig kontakt (7),
eller via den 8-poliga kontakten (15) beroende på
fotkontrolltyp.
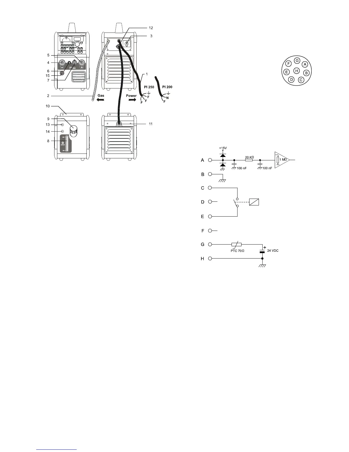
Anslutning av fjärrkontroll
PI maskiner, som är utrustade med en fjärrkontroll-
uttag (15) kan fjärregleras via en fjärrkontroll eller en
svetsautomat. Fjärrkontrolluttaget har terminaler för
följande funktioner:
A: Input-signal för svetsström, 0 - +10V
indgångsimpedans: 1Mohm
B: Signal-noll
C: Output-signal för etablerad ljusbåge
(max. 1A), fullt isolerad
D: NC
E: Output-signal för etablerad ljusbåge (max. 1A), fullt
isolerad
F: NC
G: Försörjningsspänning +24VDC. Kortslutningssäkrat
med PTC modstånd (max. 50mA)
H: Försörjnings-noll
Användning av maskinen
Under svetsning uppvärms olika delar i maskinen, och
dessa delar avkyls igen, när man pausar. Det är
viktigt, att luftströmmen inte reduceras eller stoppas.
Om maskinen ställs in till hög svetsström, kommer där
vara behov för perioder, då maskinen avkyls.
Varaktigheten på dessa avkylingsperioder beror på
ströminställningen, och man skall ej stänga av
maskinen under avkylnlingen. Om det vid bruk av
maskinen, inte är tillräckligt långa perioder för
avkylning, kommer maskinens termosäkring
automatisk avbryta svetsningen, och den gula lampan
på fronten kommer att lysa. När maskinen är tillräckligt
avkyld, slocknar lampan och maskinen är klar för
användning igen.

Table of Contents

Related product manuals