EasyManua.ls Logo

Migatronic PI 250 AC/DC HP

Migatronic PI 250 AC/DC HP
150 pages
Go to English
To Next Page IconTo Next Page
To Next Page IconTo Next Page
To Previous Page IconTo Previous Page
To Previous Page IconTo Previous Page
Loading...
67
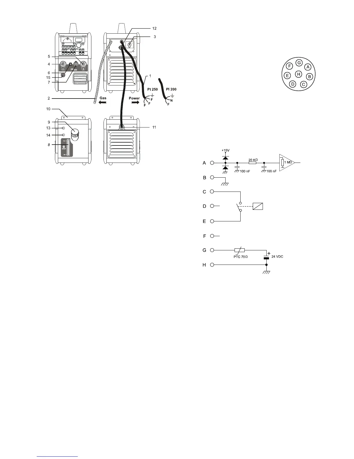
Hitsauskaapelien kytkentä
Hitsauskaapelit kytketään koneen etupuolelle.
Huomaa, että pistoketta on kierrettävä 45 astetta sen
jälkeen kun se on työnnetty pistorasiaan, sillä muuten
pistoke saattaa vahingoittua liiallisen
kosketusvastuksen takia.
Kytke aina TIG-poltin miinus (-) liittimeen (4) ja
paluuvirtakaapeli plus (+) liittimeen (5).
TIG-polttimesta tulevat ohjaussignaalit siirtyvät
koneeseen pyöreän 7-napaisen koskettimen kautta
(7). Lukitse liitäntä vielä myötäpäivään kiertämällä.
Kytke kaasuletku pikaliittmeen.
HITSAUSPUIKOT: Elektrodien napaisuus on merkitty
pakkaukseen. Kytke elektrodin pidin em. merkinnän
mukaisesti koneen plus- tai miinusliittimeen.
Vesijäähdytysyksikön kytkentä
Kiinnitä yksikkö koneen alapuolelle
kiinnityskorvakkeillaan (10). Kytke 4-napainen pistoke
(11) koneessa olevaan vastaavaan liittimeen (12).
Vesijäähdytteisen polttimen tuloputki kytketään
sinisellä merkittyyn pikaliittimeen (13) ja paluuletku
punaisella merkittyyn pikaliittimeen (14).
Erillisen vesijäähdytysyksikön jäähdytysnesteen
määrä tulee tarkistaa säännöllisesti tarkistuslasista (8).
Jäähdytysnestettä lisätään täyttöputken kautta (9).
Elektrodin pitimen kytkentä puikkohitsausta
varten
Elektrodin pidin ja paluuvirtakaapeli kytketään
plusliittimeen (5) ja miinusliittimeen (4). Napaisuutta
valitessasi noudata elektrodivalmistajan ohjeita.
Poljinohjaimen kytkentä
Poljinohjain liitetään 7-napaiseen liittimeen (7) tai
8-napaiseen liittimeen (poljinohjaimen mallista
riippuen).
Kauko-ohjauksen kytkentä
8-napaisella liitännällä (15) varustettuja PI-koneita
voidaan ohjata kauko-ohjauksella tai hitsausrobotilla.
Kauko-ohjaimen pistorasiassa on liitännät seuraavia
toimintoja varten:
A: Hitsausvirran tulosignaali, 0 - +10V
tuloimpedanssi: 1Mohm
B: Maadoitussignaali
C: Kaaren ilmaisin – relekosketus
(max 1Amp), täysin eristetty
D: NC
E: Kaaren ilmaisin – relekosketus (max 1Amp), täysin
eristetty
F: NC
G: Virtalähde +24VDC. Oikosulkusuojaus PTC-
resistorilla (max 50mA).
H: Virtalähde, maadoitus
Koneen kuormitus
Hitsauksen ollessa käynnissä tietyt koneen osat
lämpenevät ja taas jäähtyvät kun konetta ei käytetä.
Huolehdi, että koneen ilmanotto- ja poistoaukot eivät
tukkeudu, sillä muuten jäähtyminen ei pääse
tapahtumaan kunnolla.
Käytettäessä konetta korkeammalla hitsausvirralla
tulee koneen antaa välillä jäähtyä.
Jäähdytystaukojen pituus riippuu virta-asetuksista.
Konetta ei pidä sammuttaa jäähdytyksen aikana, sillä
silloin jäähdytystuuletin pysähtyy. Mikäli konetta
käytetään korkealla virralla eikä jäähdytystaukoja
pidetä, katkaisee ylikuumenemissuojus
automaattisesti työskentelyn. Tällöin keltainen
merkkivalo koneen etupaneelissa syttyy ilmoittaen
ylikuumenemisesta. Kun kone on palautunut
normaaliin työskentelylämpötilaansa, sammuu
keltainen merkkivalo automaattisesti ja konetta voi
taas käyttää normaalisti.

Table of Contents

Related product manuals