EasyManua.ls Logo

Migatronic PI 250 AC/DC HP

Migatronic PI 250 AC/DC HP
150 pages
Go to English
To Next Page IconTo Next Page
To Next Page IconTo Next Page
To Previous Page IconTo Previous Page
To Previous Page IconTo Previous Page
Loading...
77
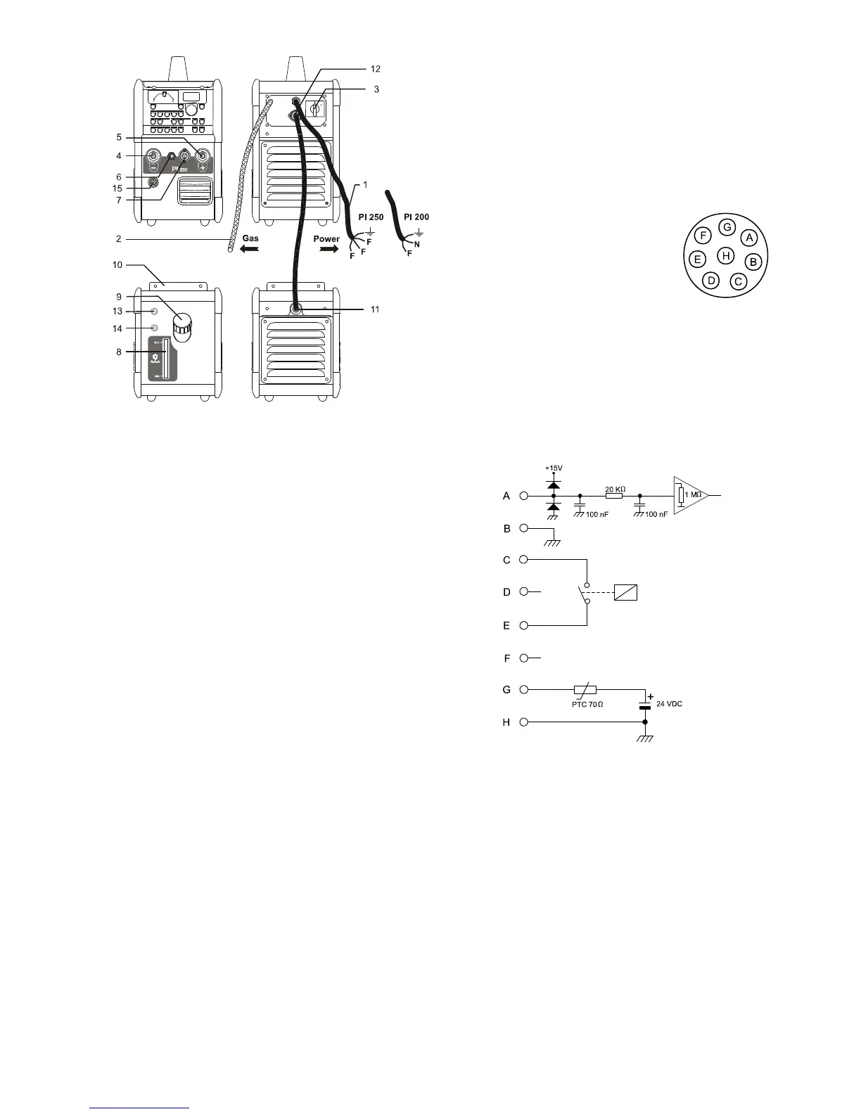
Conexión de los cables de soldadura
Los cables de soldadura y el cable de retorno de la
corriente reflejada se deben conectar a la parte frontal
de la máquina.
Tras introducirlo en la caja, el enchufe se debe girar
45 grados; en caso contrario puede quedar dañado
por una resistencia de contacto excesiva.
La conexión TIG siempre debe ir a parar a la caja
negativa (-) (4), y el cable de retorno de la corriente
reflejada debe enchufarse a la caja positiva (+) (5).
Las señales de control que la antorcha TIG envía a la
máquina se transforman mediante el enchufe circular
de siete polos (7), que se ha de asegurar una vez
conectado girando el «circulador» en el sentido de las
agujas del reloj. A continuación, conecte el tubo de
gas a la conexión rápida.
ELECTRODOS REVESTIDOS: Los electrodos están
marcados con una polaridad. El portaelectrodo se ha
de conectar de acuerdo con dicha marca a las cajas
positiva o negativa de la máquina.
Conexión del módulo de refrigeración por agua
Sujete el módulo situado bajo la máquina en el lugar
adecuado (10). Conecte el enchufe tetrapolar (11) a la
toma correspondiente de la máquina (12). Enchufe el
tubo de flujo de la antorcha refrigerada por agua a la
conexión rápida marcada en azul (13) y el tubo de
retorno a la conexión rápida marcada en rojo (14).
Si la máquina se suministra con un módulo de
refrigeración por agua aparte, habrá que examinar el
nivel de líquido refrigerante por medio del control de
nivel (8). Cuando haga falta más líquido refrigerante,
se añadirá por la boca de llenado (9).
Conexión del portaelectrodo para soldadura MMA
El portaelectrodo y el cable de retorno de corriente
reflejada se conectan a los enchufes positivo (5) y
negativo (4). Al seleccionar la polaridad siga las
instrucciones del proveedor del electrodo.
Conexión del pedal de control
El pedal de control se conecta al enchufe de 7 (7) o
8 (15) polos segundo el tipo de pedal.
Conexión del control remoto
Las máquinas PI dotadas de una interfaz de control
de 8 polos (15) se pueden controlar mediante un
control remoto o un robot de soldadura. La toma del
control remoto posee terminales para las siguientes
funciones:
A: Señal de entrada para corriente de
soldadura, impedancia de entrada
0 - +10V : 1Mohm.
B: Retoma de tierra del circuito de
señal.
C: Detección del arco – contacto de
relé (máx. 1 Amp), completamente aislado.
D: N.C.
E: Detección del arco – contacto de relé
(máx. 1 Amp), completamente aislado.
F: N.C.
G: Alimentación +24VDC. Cortocircuito protegido con
resistor PTC (máx. 50mA).
H: Retoma de tierra del circuito de señal.
Uso de la máquina
Al soldar se produce un calentamiento de diferentes
componentes de la máquina que se vuelven a enfriar
durante las interrupciones. Asegúrese de que el flujo
no se reduce ni se detiene.
Si la máquina se utiliza para corrientes de soldadura
superiores, se hacen necesarios los periodos de
refrigeración.
La duración de estos periodos depende de las
características de la corriente, y durante ese tiempo la
máquina no se debe apagar. Si los periodos de
refrigeración durante el uso de la máquina no son
suficientemente largos, la protección contra
calentamiento excesivo detendrá automáticamente el
proceso de soldadura y se encenderá el piloto
amarillo situado en el panel frontal. El piloto amarillo
se apagará cuando la máquina se haya enfriado
suficientemente y esté preparada para volver a soldar.

Table of Contents

Related product manuals