EasyManua.ls Logo

Mighty Mule MM360 - Wiring Accessories

Mighty Mule MM360
46 pages
Print Icon
To Next Page IconTo Next Page
To Next Page IconTo Next Page
To Previous Page IconTo Previous Page
To Previous Page IconTo Previous Page
Loading...
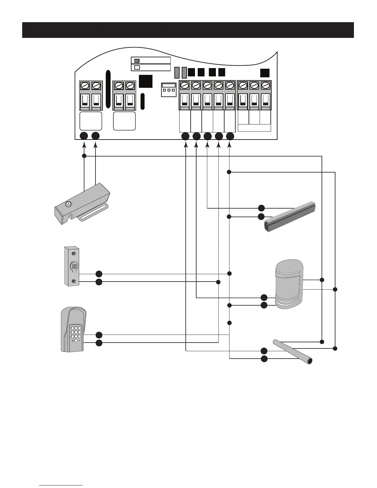
30 Mighty Mule MM360 Installation Instructions
1
23
4
5
7
6
Photo Beams
(R4222)
Push Button Control
Automatic Gate Lock
(FM143)
Vehicle Sensor (FM138)
Edge Sensor
NOTE:
Connections are for typical applications.
For additional connection options not illustrated here
refer to the accessory manual for details.
2
1
1
4
1
1
Keypad
(FM137)
5
1
2
1
2
ABC
3
DEF
4
GHI
5
JKL
6
MNO
7
PRS
8
TUV
9
WXY
0
3
RED
BLACK
CHARGING
POWER
RCVR
GRN
BLK
RED
EXIT
SAFETY
EDGE
CYCLE
COMMON
LINK
AUX
OUT
SOLAR
INPUT
18VAC/
H L
(+12 v)
(See additional wiring digram on pg. 31)
(+12 v)
( – )
( – )
WIRING ACCESSORIES
DIP switch 4 set to
OFF position (Default)

Related product manuals