EasyManua.ls Logo

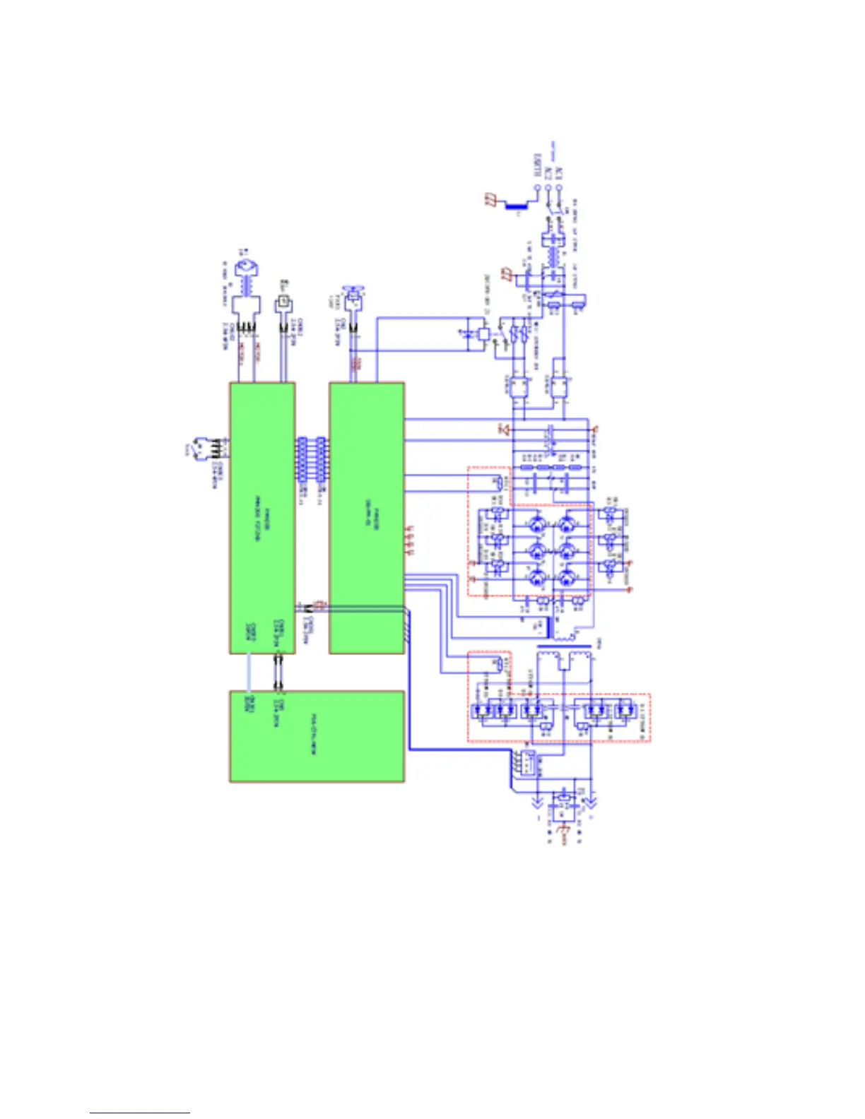
Migomag SIM 200 LCD - Main Circuit Diagram

Migomag SIM 200 LCD
46 pages
Print Icon
To Next Page IconTo Next Page
To Next Page IconTo Next Page
To Previous Page IconTo Previous Page
To Previous Page IconTo Previous Page
Loading...
Operators Manual
33
Main Circuit Diagram

Related product manuals