EasyManua.ls Logo

Minster SCRB-68 - EDDY CURRENT BRAKE; SCRB-42;48 Coupling;Brake Control Schematic

Minster SCRB-68
24 pages
Print Icon
To Next Page IconTo Next Page
To Next Page IconTo Next Page
To Previous Page IconTo Previous Page
To Previous Page IconTo Previous Page
Loading...
magnetic flux changes at any given point between
these eddy currents and the magnetic field produces a
drag, or relative torque, to be transmitted from the drum
to the rotor and the output shaft connected directly to it.
With no current flowing through the coupling coil, the
rotor and drum assemblies are free to rotate indepen-
dently of each other. Under this no current condition,
the drum assembly will rotate at full motor speed with
little or no rotation of the output shaft. As current is
applied to the coil, the output shaft accelerates. Output
shaft speed will continue to increase, as long as the coil
remains energized, until it is rotating at a speed slight-
ly less than the speed of the input member. Speed of
the output shaft will never exactly match that of the
motor since some slip is required to transmit torque.
Slip, in this case, refers to speed difference between
the two rotating members. With the control automati-
cally varying the amount of coupling coil excitation, out-
put shaft speed can be held to the preselected rate.
A tachometer generator is attached to the output shaft.
This is an alternating current device whose output fre-
quency varies in direct proportion to the speed of the
output shaft. This voltage is fed into the SCRB-68 con-
trol where it is converted from a frequency signal to a
voltage. This voltage is compared with a reference volt-
age so that speed control can be constantly main-
tained. A portion of the tachometer voltage is also used
to operate the strokes per minute indicator.
EDDY CURRENT BRAKE
Eddy current drive units may be ordered complete
with eddy current brakes for the purpose of quickly
slowing speed of the output shaft. The eddy current
brake is located within the coupling housing and con-
sists of a brake field coil assembly and the brake
rotor.
The brake field assembly is attached to the coupling
housing and includes a toroidal field coil which is sur-
rounded by two field end rings to form an electromag-
net. Poles are cast into the inner surfaces of the end
rings and machined to allow an air gap between the
rings and rotor assembly.
The brake rotor is keyed to the coupling output shaft
and rotates inside the field assembly. If no current is
applied to the brake field coil, no braking torque is
developed. However, as the field coil is excited, eddy
currents are induced in the rotating assembly which
interacts with the stationary field to develop braking
torque. Amount of braking torque may be controlled
by changing excitation of the brake coil.
—7—
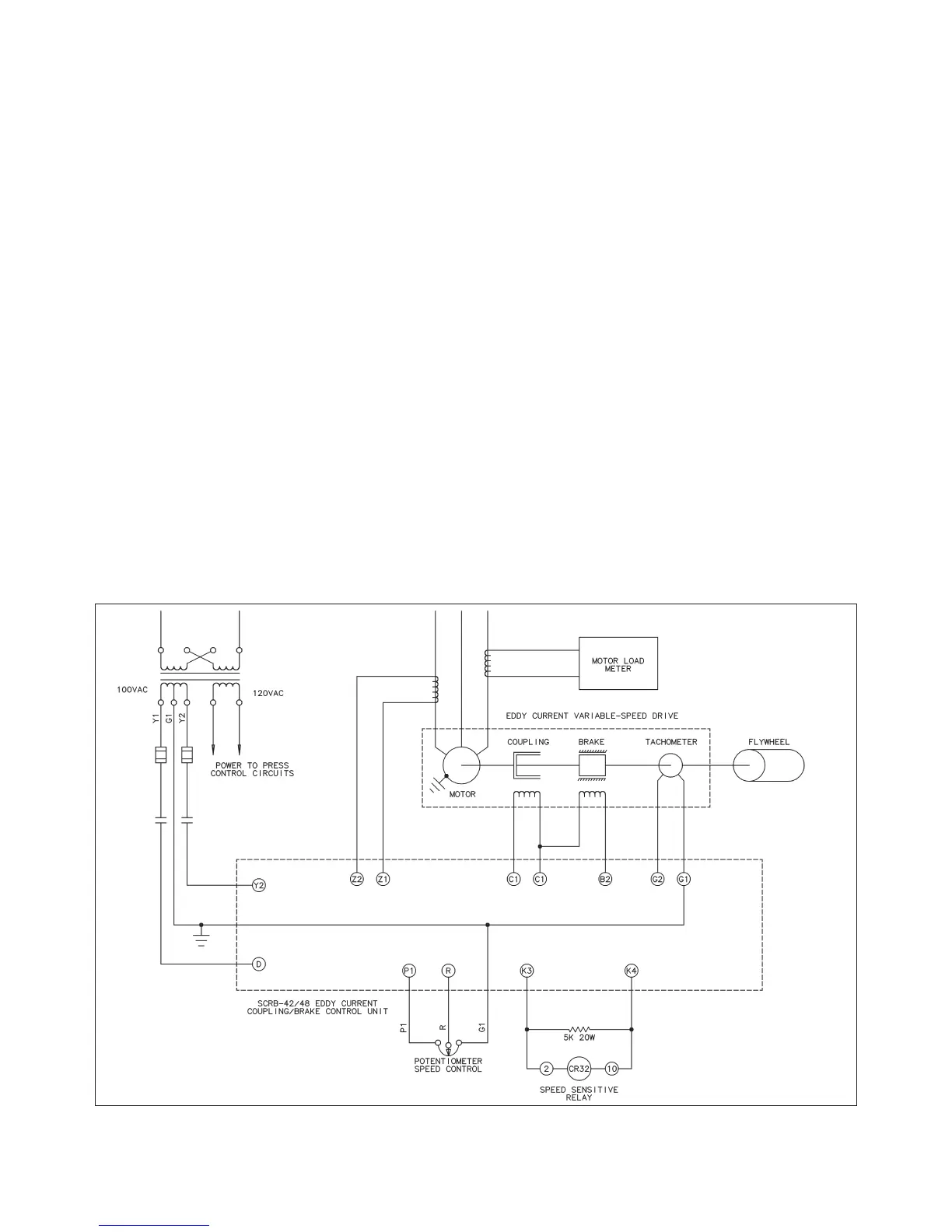
Figure 4. SCRB-42/48 coupling/brake control.