EasyManua.ls Logo

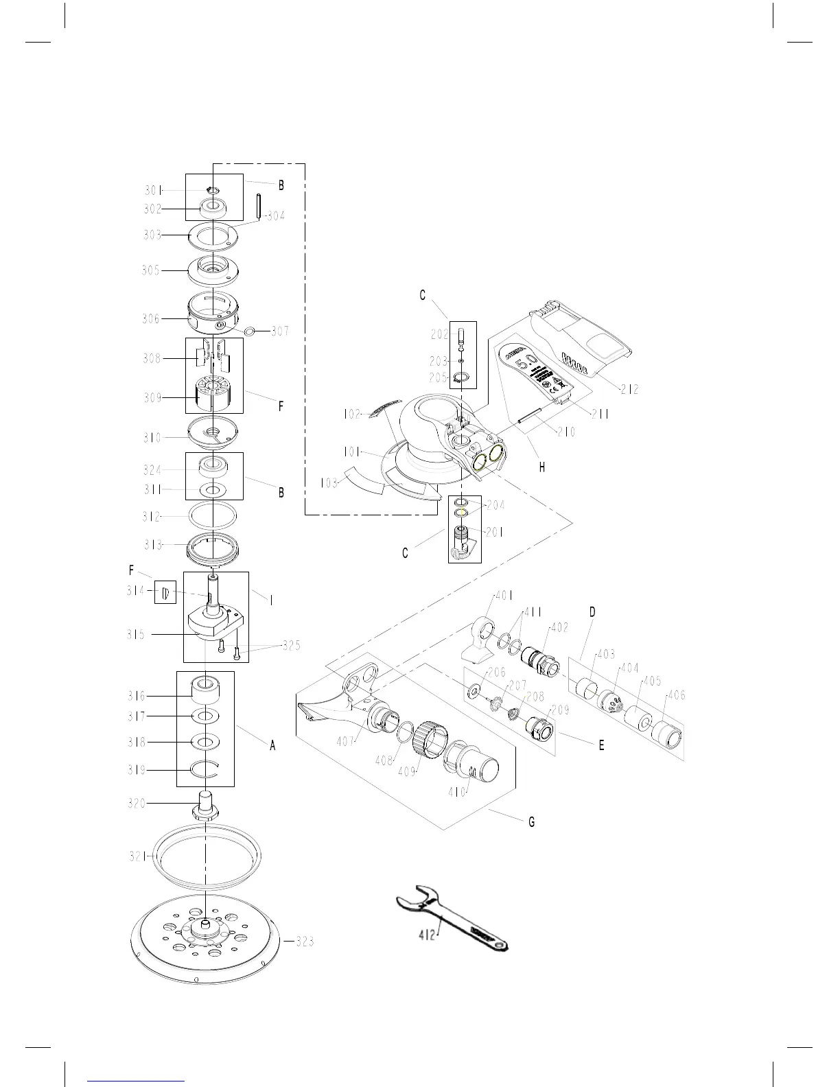
MIRKA PROS - Exploded View

MIRKA PROS
104 pages
Print Icon
To Next Page IconTo Next Page
To Next Page IconTo Next Page
To Previous Page IconTo Previous Page
To Previous Page IconTo Previous Page
Loading...
2
Exploded view

Related product manuals