EasyManua.ls Logo

Mitsubishi CV-0MW7G21-2 - Features; Changes from CV-0 MW7 G21; System Configuration; Electrical Parts List

Mitsubishi CV-0MW7G21-2
9 pages
To Next Page IconTo Next Page
To Next Page IconTo Next Page
To Previous Page IconTo Previous Page
To Previous Page IconTo Previous Page
Loading...
2
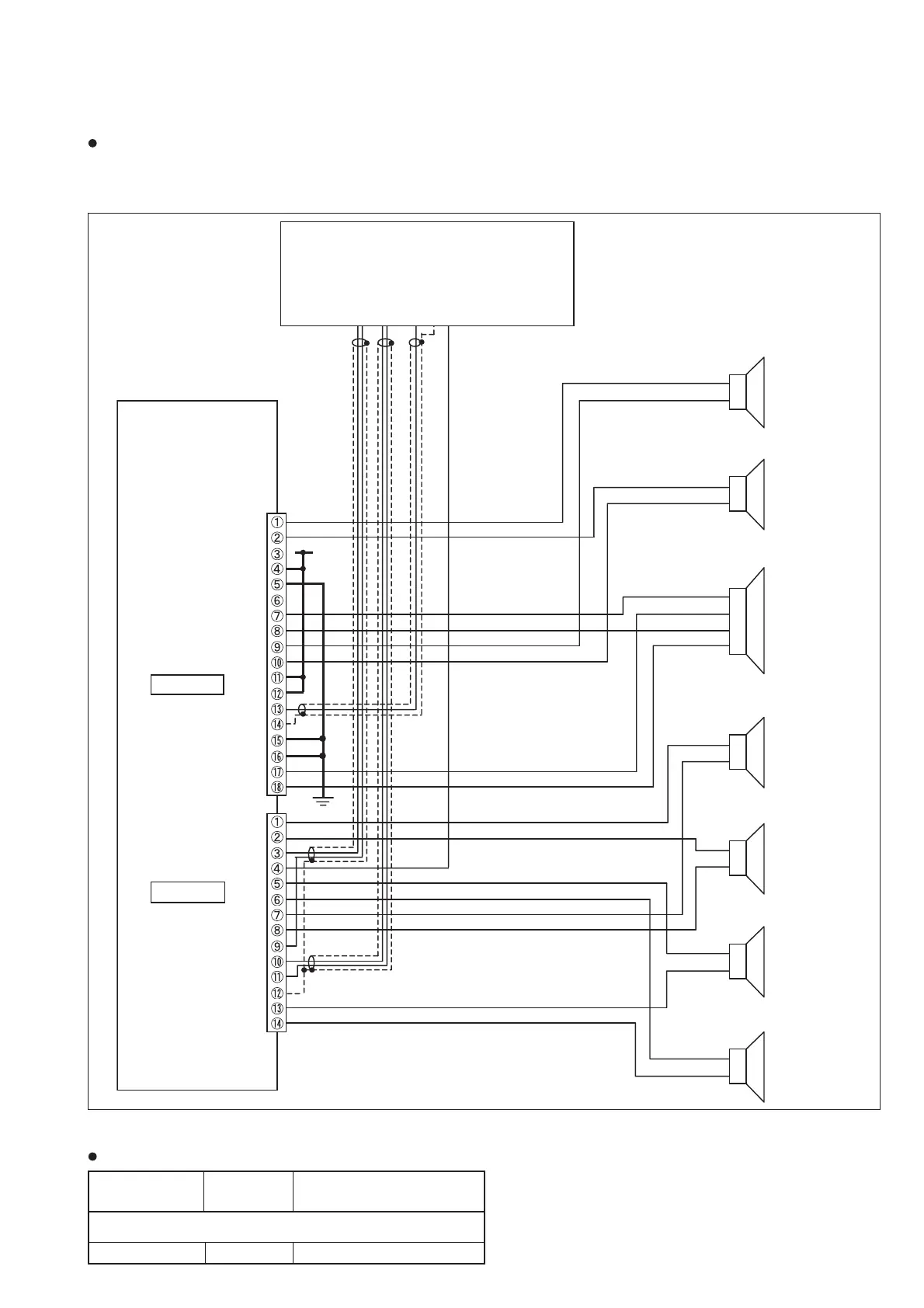
SYSTEM CONFIGURATION
FL-LO+
FR-LO+
(+B)
+B
GND
(GND)
WOOFER1+
WOOFER2+
FL-LO-
FR-LO-
+B
+B
DATA
S-GND
GND
GND
WOOFER1-
WOOFER2-
FL-MH+
FR-MH+
FL-IN+
P-ON
RR+
RL+
FL-MH-
FR-MH-
FL-IN-
FR-IN-
FR-IN+
S-GND
RR-
RL-
CV-0MW7G21-2
SDL18P
SDL14P
BATT
WOOFER
RL +/-
AMP-ON
DATA-GND
AMP-DATA
FR +/-
FL +/-
UNIQUE AUDIO
or
AND
FL-DOOR
FR-DOOR
FL-
TWEETER
FR-
TWEETER
REAR-R
REAR-L
The changed parts from the service manual of CV-0MW7G21 (2007 MAR.).
ELECTRICAL PARTS LIST
DescriptionRef. No. Part No.
CHIP PARTS (RESISTORS)
IC801 262P53764 IC M30620MCP-429GP
FEATURES
Changes from CV-0MW7G21
Premium sound quality for GS41/GS41evo car supported.

Related product manuals