EasyManua.ls Logo

Mitsubishi FX3U-?*MR/ES - Example of External Wiring

Mitsubishi FX3U-?*MR/ES
520 pages
To Next Page IconTo Next Page
To Next Page IconTo Next Page
To Previous Page IconTo Previous Page
To Previous Page IconTo Previous Page
Loading...
FX3U Series Programmable Controllers
User’s Manual - Hardware Edition
201
10 Input Wiring Procedures (Input Interruption and Pulse Catch)
10.3 100V AC Input Type
1
Introduction
2
Features and
Part Names
3
Product
Introduction
4
Specifications
5
Version and
Peripheral
Devices
6
System
Configuration
7
Input/Output
Nos., Unit Nos.
8
Installation
9
Preparation and
Power Supply
Wiring
10
Input Wiring
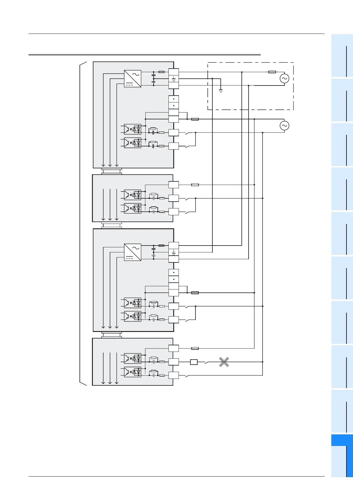
10.3.3 Example of external wiring
*1 Handle the power supply circuit correctly according to Chapter 9 "Preparation for Wiring and Power Supply Wiring Procedures."
X000
Main unit
N
L
X001
X0
Input / output powered extension unit
FX
2N-48ER-UA1/UL
N
L
X1
5V 0V 24V
Fuse
5V 0V 24V
Class D
grounding
Input
impedance
Input
terminal
Input
terminal
Input
terminal
*1
COM
COM
100V AC
input type
X0
COM
X1
Input extension block
FX
2N
-8EX-UA1/UL
5V 0V 24V
X0
COM
COM
COM
X1
Input extension block
FX
2N
-8EX-UA1/UL
5V 0V 24V
MC
*2
*2 Do not take input signals from loads generating surge.
Fuse
Fuse
Fuse
Fuse

Table of Contents

Related product manuals