EasyManua.ls Logo

Mitsubishi PLA-A12BA - Page 44

Mitsubishi PLA-A12BA
100 pages
Print Icon
To Next Page IconTo Next Page
To Next Page IconTo Next Page
To Previous Page IconTo Previous Page
To Previous Page IconTo Previous Page
Loading...
44
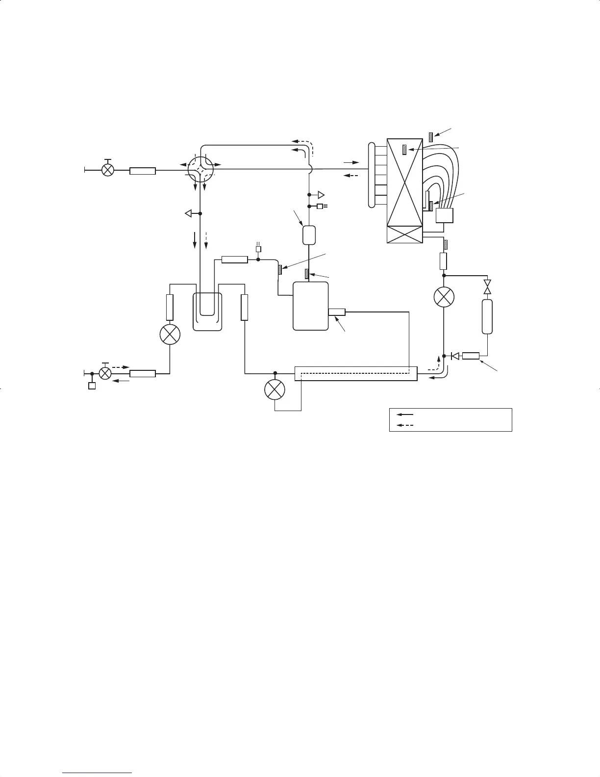
PUZ-HA30NHA2 PUZ-HA36NHA2 unit : mm (inch)
Distributor
Thermistor TH7
(Outdoor)
Heat exchanger
Refrigerant
GAS pipe
connection
[15.88 (5/8)
Refrigerant
LIQUID pipe
connection
[9.52
(3/8)
Stop valve
(with service port)
Strainer
#100
Power
receiver
Electronic
expansion valve B
Electronic
expansion valve C
Electronic expansion valve A
Strainer
#100
Replace
filter
Strainer
#100
Strainer
#100
Thermistor
TH6
(Outdoor
2-phase pipe)
Thermistor TH3
(Outdoor pipe)
Charge plug
(Low pressure)
Charge plug
(High pressure)
Heat inter change circuit
Bypass
valve
Thermistor TH4
(Discharge)
Compressor
Injection port
Strainer
#50
Solenoid valve
(Four-way valve)
Strainer
#100
Strainer
#100
Muffler
Ball valve
Restrictor
valve
Thermistor TH33
(Outdoor pipe)
Thermistor
TH32
(Outdoor pipe)
Low pressure
switch 63L
High pressure
switch 63H
Refrigerant flow in cooling
Refrigerant flow in heating
DOCS1415revA.indd44DOCS1415revA.indd44 10.8.254:09:27PM10.8.254:09:27PM

Related product manuals