EasyManua.ls Logo

Mitsubishi S3Q2-T - Removing the Fuel System

Mitsubishi S3Q2-T
176 pages
Print Icon
To Next Page IconTo Next Page
To Next Page IconTo Next Page
To Previous Page IconTo Previous Page
To Previous Page IconTo Previous Page
Loading...
FUEL SYSTEM
8-2
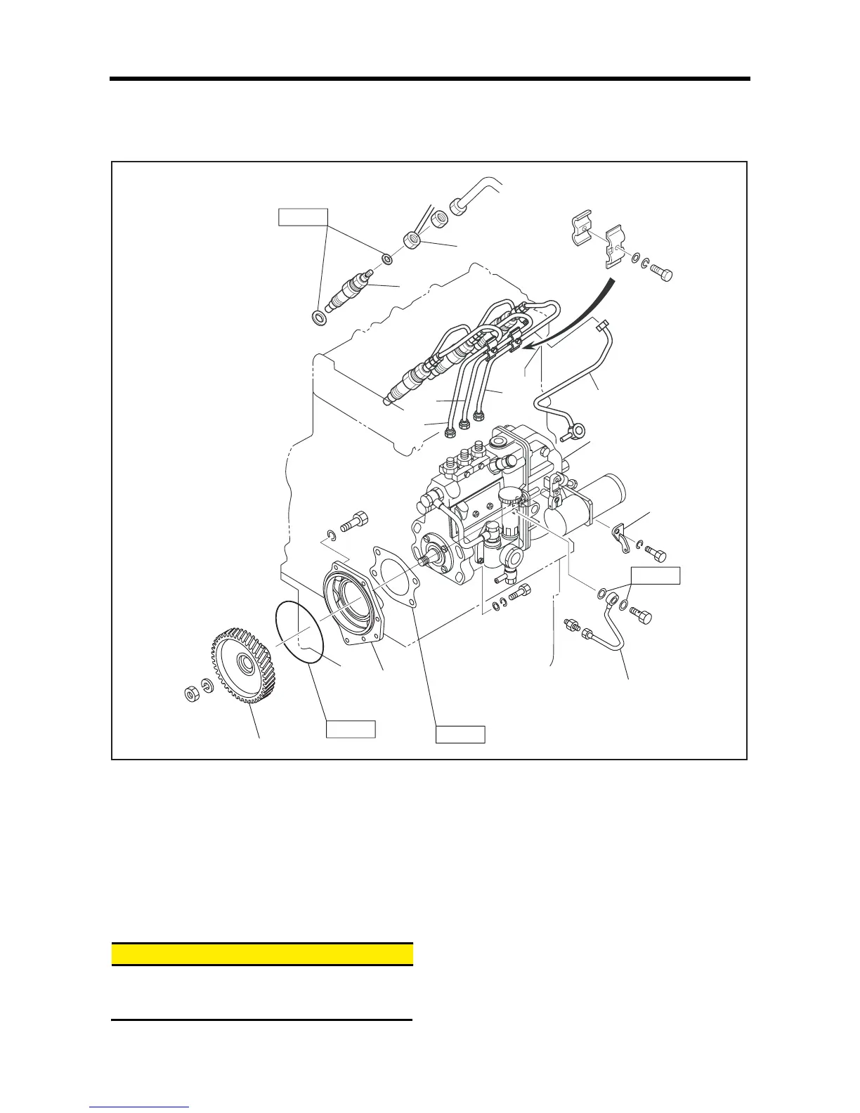
1. Removing fuel system
Removing fuel system
Removing sequence
&$87,21
To prevent the fuel system from the contaminants,
cover the openings such as injection pump openings
nozzle openings, injection pipes.
1 Fuel return pipe 7 Oil pipe
2 No.1 fuel injection pipe 8 Pump bracket
3 No.2 fuel injection pipe 9 Injection pump gear
4 No.3 fuel injection pipe 10 Injection pump flange
5 fuel leak-off pipe 11 Fuel injection pump
6 Fuel injection nozzle
6
5
1
4
3
2
9
10
7
8
11
Replace
Replace
Replace
Replace

Table of Contents

Related product manuals