EasyManua.ls Logo

Modine Manufacturing HD - Page 109

Modine Manufacturing HD
224 pages
Print Icon
To Next Page IconTo Next Page
To Next Page IconTo Next Page
To Previous Page IconTo Previous Page
To Previous Page IconTo Previous Page
Loading...
21
6-583.15
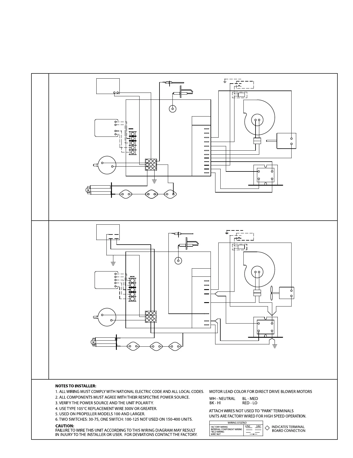
UNIT WIRING
Figure 21.1 - Unit Heater Wiring Diagram (Single and Two Stage, Direct Spark Ignition)
Since internal or factory wiring may vary depending on
the controls manufacturer, the wiring diagrams must be
appropriately selected with the proper gas valve and ignition
type. The following wiring diagram represents a unit equipped
with a single or two stage gas valve and direct spark ignition.
Wiring Diagram Selection
SINGLE STAGE, DIRECT SPARK IGNITION,
SHUT-OFF, MULTIPLE RETRY W/ AUTO RESET FROM LOCKOUT
1 4 7
852
3 6 9
G
W
R
C
Y
GND
O
WH
COM
L1, (BK)
R
Y
PIN 6
120
R
COM
24
R
FAN
MOTOR
Y
WH
BK
SEC
PIN 5
Y
XFMR
PRESSURE
SWITCH
PE
MOTOR
LIMIT
CONTROL
GAS
VALVE
115V/60HZ/1Ø POWER
CIRCUIT BREAKER (BY OTHERS)
FLAME
SENSOR
BL
GR, (G)
BK
L2, (WH)
L2, (WH)
N
E
U
T
R
A
L
IND
L1
L1
EAC
PARK
SPARK
IGNITOR
UT
LABEL
IGNITION
CONTROL
PARK
LIMIT CONTROL
(SEE NOTE 5)
L1, (BK)
SWITCH
REFER NOTE 7
FLAME ROLLOUTS
(SEE NOTE 6)
CALL FOR FAN
LOW VOLTAGE
THERMOSTAT
(BY OTHERS)
CALL FOR HEAT
TWO STAGE, DIRECT SPARK IGNITION,
5H0799630002 REV M
100% SHUT-OFF, MULTIPLE RETRY W/ AUTO RESET FROM LOCKOUT
1 4 7
852
3 6 9
G
W1
C
R
Y
GND
O
WH
COM
L1, (BK)
R
Y
120
R
COM
24
R
FAN
MOTOR
Y
WH
BK
24V
PIN 8
Y
XFMR
PRESSURE
SWITCH
PE
MOTOR
CALL FOR FAN
LIMIT
CONTROL
COM
115V/60HZ/1Ø POWER
CIRCUIT BREAKER (BY OTHERS)
FLAME
SENSOR
BL
BK
L2, (WH)
L2, (WH)
FS
L1
HEAT
PARK
SPARK
IGNITOR
UT
LABEL
IGNITION
CONTROL
PARK
FLAME ROLLOUTS
(SEE NOTE 6)
IND
WHITE ROGERS
GAS VALVE
COM
HIM
W2
LOW VOLTAGE
THERMOSTAT
(BY OTHERS)
1ST STAGE
2ND STAGE
LIMIT CONTROL
(SEE NOTE 5)
L1, (BK)
SWITCH
REFER NOTE 7
SINGLE STAGE, DIRECT SPARK IGNITION, 100% SHUTOFF,
MULTIPLE RETRY W/AUTO RESET FROM LOCKOUT
TWO STAGE, DIRECT SPARK IGNITION, 100% SHUTOFF,
MULTIPLE RETRY W/AUTO RESET FROM LOCKOUT

Table of Contents