EasyManua.ls Logo

Modine Manufacturing HD - Figure 2.7 • Millivolt • 750 Schematic; Figure 2.8 • 24 V Schematic; Figure 2.9 • 120 V Schematic

Modine Manufacturing HD
224 pages
Print Icon
To Next Page IconTo Next Page
To Next Page IconTo Next Page
To Previous Page IconTo Previous Page
To Previous Page IconTo Previous Page
Loading...
L1
ELECTRODE
ASSEMBLY
GAS VALVE
120VAC DSI MODULE
O
W
BK
W
W
BK
BK
G
G
G
L2
W
BK
SENSE
NEUTRAL
THERMOSTAT
NEUTRAL
VALVE
GROUND
HIGH
VOLTAGE
W
ELECTRODE
ASSEMBLY
GAS VALVE
24VAC DSI MODULE
O
W
BK
W
BL
G
G G
(COMMON)
N/PFS-2 24VAC
LLWDR002 REV. 1
(24VAC)
SENSE
GROUND
NEUTRAL
THERMOSTAT
VALVE
HIGH
VOLTAGE
IHR Series Manual
18
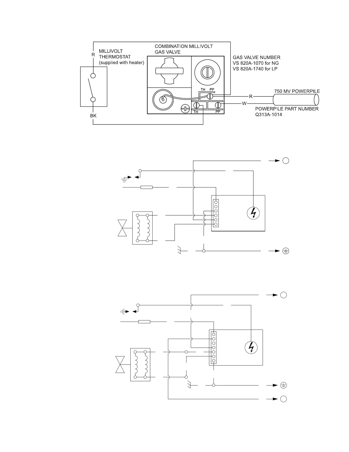
2.0 Installation Wiring Diagrams
Figure 2.7 Millivolt 750 Schematic
• Millivolt Control
Figure 2.8 24 V Schematic
• Direct Spark
Ignition
• VA Draw: 12
• Amps: .48
• Potted Circuit
Board
Figure 2.9 120 V Schematic
Direct Spark
Ignition
VA Draw: 12
• Amps: .10
• Potted Circuit
Board

Table of Contents

Other manuals for Modine Manufacturing HD

Related product manuals