EasyManua.ls Logo

Monarch 9820 - Power Transformer Assembly; Transformer Removal; Bridge Rectifier Removal; AC Inlet Removal

Default Icon
77 pages
Print Icon
To Next Page IconTo Next Page
To Next Page IconTo Next Page
To Previous Page IconTo Previous Page
To Previous Page IconTo Previous Page
Loading...
9820/9830/9835 Service Manual Service Procedures
28 TC9830SM Rev. B 7/98 Confidential July 1998
POWER TRANSFORMER
ASSEMBLY
Maintenance of the Power Transformer involves
removing/reassembling the power
transformer.
removing/reassembling the bridge rectifier.
removing/reassembling the AC Inlet.
TOOLS REQUIRED:
Longnose Pliers
Phillips Screwdriver
Transformer Removal
CAUTION
You must remove several wires from the Bridge
Rectifier, AC Inlet module, and the Control Board
Assembly power connector. It is crucial to reconnect
the wires properly when replacing the transformer.
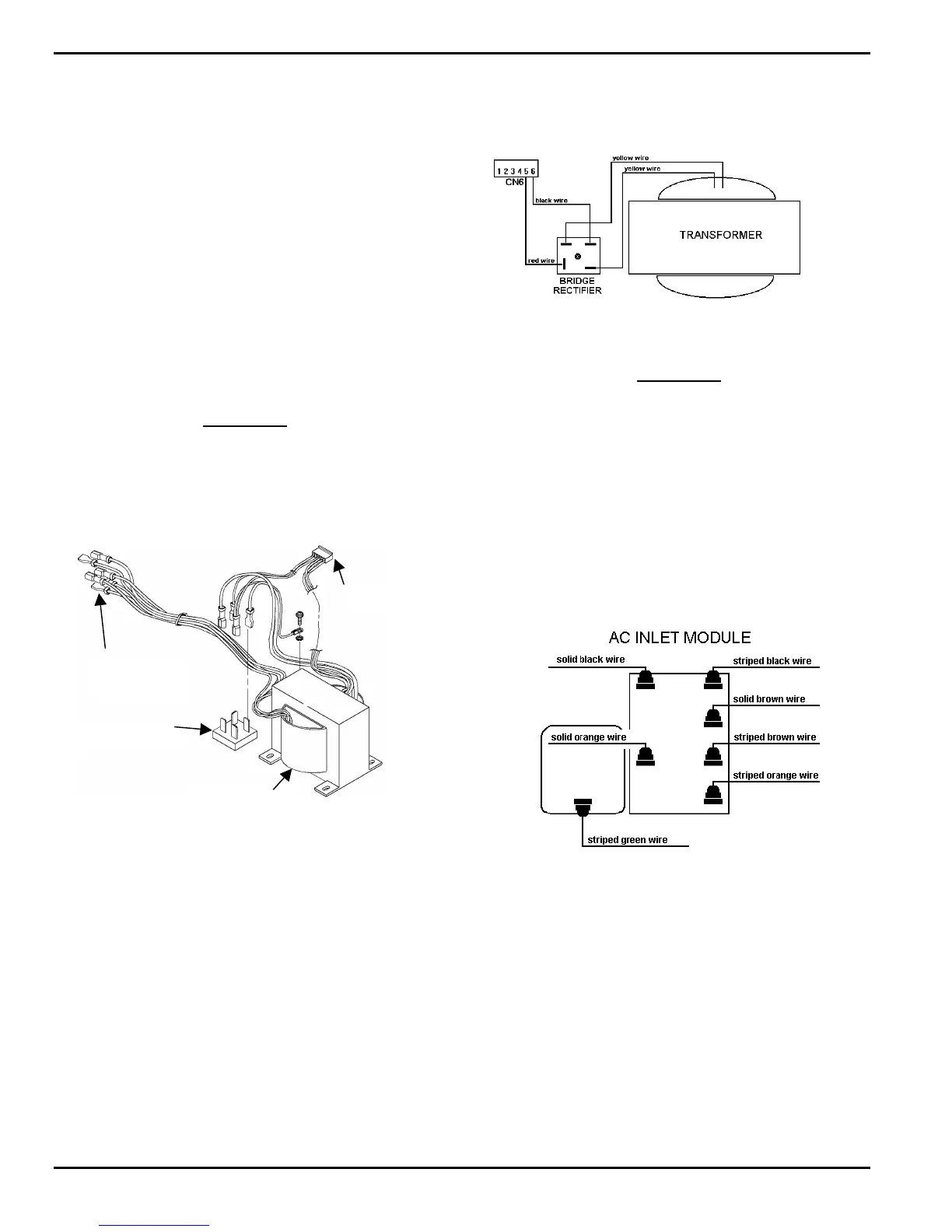
Figure 6-1. Transformer Wiring Diagram
1. Remove four bridge rectifier wires as shown in
Figure 6-1.
2. Remove power connector CN6 from the Control
Board Assembly. (See Appendix C for location of
connectors.)
3. Remove six transformer wires from the AC Inlet
module.
4. Remove four transformer base screws.
5. Lay the two grounding wires aside so they do not
snag when replacing the transformer.
6. Remove the transformer.
7. Reassemble in reverse order.
Bridge Rectifier Removal
Figure 6-2 Bridge Rectifier (Four Wires)
CAUTION
The bridge rectifier has four wire connections. See
Figure 6-2. Reconnect the black and red wires
properly when replacing these wires or the printer
could be damaged (voltages vary).
1. Remove the four wires and single retainer screw
located in the center of the rectifier.
2. Remove the bridge rectifier.
3. Reassemble in reverse order.
AC Inlet Removal
6-3 . Bridge Rectifier (Four Wires)
The AC Inlet has six wires coming from the
transformer and one ground wire. Reconnect the wires
properly when replacing this part (voltages vary).
CN6
Bridge Rectifier
Connection
to AC Inlet
Transformer

Table of Contents

Related product manuals