EasyManua.ls Logo

Motorola ASTRO Digital Spectra Plus - Figure 4-1. VCO Block Diagram - VHF Band

Motorola ASTRO Digital Spectra Plus
442 pages
To Next Page IconTo Next Page
To Next Page IconTo Next Page
To Previous Page IconTo Previous Page
To Previous Page IconTo Previous Page
Loading...
September 5, 2008 6881076C25-E
4-14 Troubleshooting Procedures: VCO Procedures
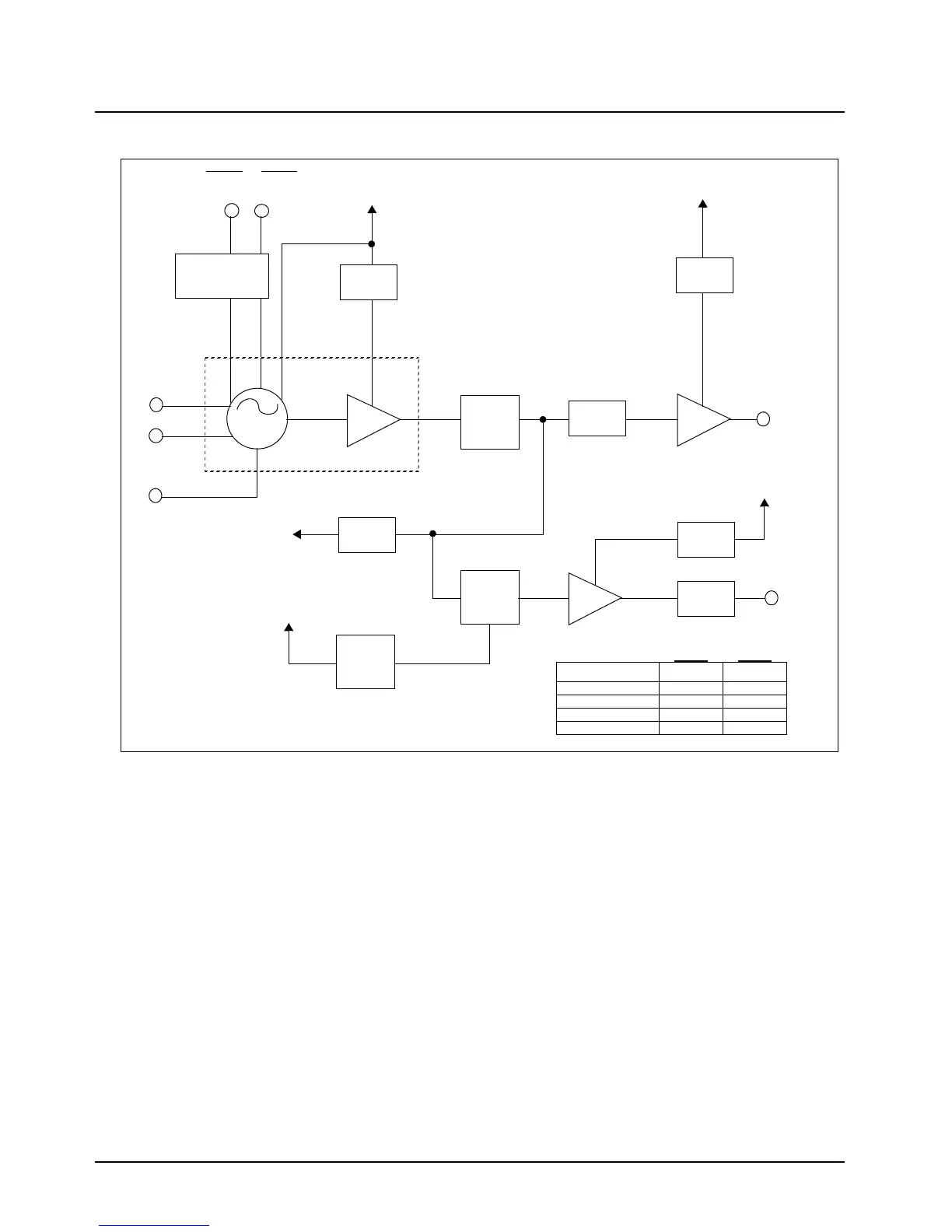
Figure 4-1. VCO Block Diagram – VHF Band
RANGE AUX1 AUX2
RX1 >8Vdc >8Vdc
RX2, TX1 <1Vdc >8Vdc
TX2 >8Vdc <1Vdc
TX3 <1Vdc <1Vdc
GPW-5867-O
VCO
AUX 1
AUX 2
J601-11
J601-9
SF 8.6
J601-12
9.6
J601-2
PIN DIODE
DRIVERS
BIAS
BIAS
J601-3
J601-4
+SL
-SL
MOD
J601-10
Q3645
VCO SUBSTRATE
LOW
PASS
FILTER
PAD
Q3675
J3642
PAD
PAD
BIAS
RX INJECTION TO
RECEIVER FRONT
END > + 19dBm
SYNTHESIZER
FEEDBACK
J601-1
K9.4
5V
REG.
U3675
K9.4
5V
U3676
Q3676
J601-5
J3641
TX INJECTION TO
PA > +9dBm
_
.
.
2

Table of Contents

Related product manuals