EasyManua.ls Logo

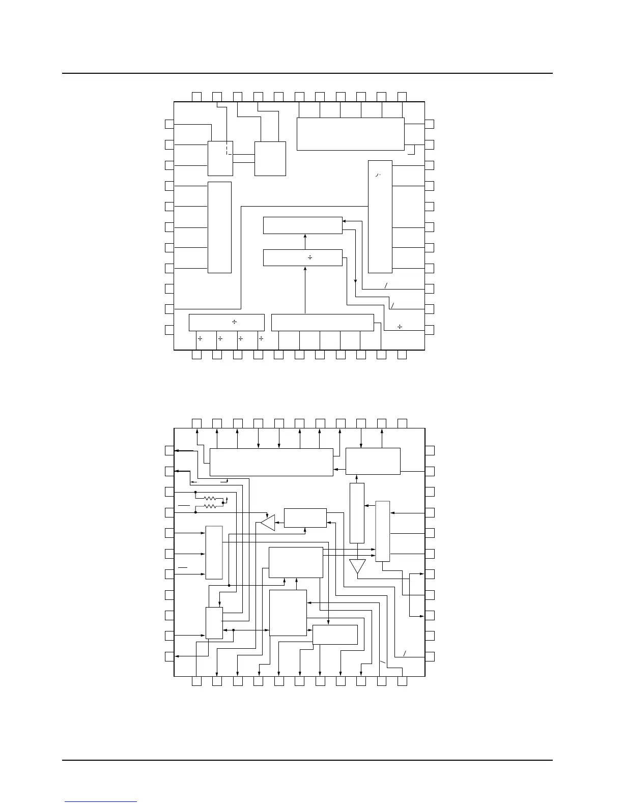
Motorola ASTRO Digital Spectra Plus - Figure 3-1. Prescaler IC Block Diagram; Figure 3-2. Synthesizer IC Block Diagram

Motorola ASTRO Digital Spectra Plus
442 pages
To Next Page IconTo Next Page
To Next Page IconTo Next Page
To Previous Page IconTo Previous Page
To Previous Page IconTo Previous Page
Loading...
September 5, 2008 6881076C25-E
3-2 Theory of Operation: RF Board
Figure 3-1. Prescaler IC Block Diagram
Figure 3-2. Synthesizer IC Block Diagram
NC NC PRE
IN
PRE
VREF
BC1 BC2 MOD
CONT
PRE
OUT
VCO
BIAS
VCO
VCC
VCO
GND
VCO
BYP.
VCO
TANK
VCO
OUT
NC
PNP BASE
7
8
9
10
11
12
13
14
15
16
17
39
38
37
36
35
34
33
32
31
30
29
2827262524232221201918
404142
MULTI - MODULUS
PRESCALER
2ND L.O. VCO (NOT USED)
2ND L.O. CHARGE - PUMP
PHASE DETECTOR
U601
MOSAIC
PRESCALER
4344123456
S.F. VIN
S
U
P
E
R
F
I
L
T
E
R
u
P
I
N
T
E
R
F
A
C
E
S
R
L
S.F. BASE
S.F. OUT
S.F. CAP
S.F. GND
NC
NC
DATA OUT
5V OUT
5V
REG
B+
IN
AUX
PNP
BASE
AUX
5V
OUT
AUX
5V
REG
GND
VCC
CE
NC
GND
300KHz
DATA
CLOCK
0 DET OUT
BS
LATCH
0 DET REF IN
N OUT
N
8
IN
8
VREF
8
BIAS
8
OUT
2ND L.O.
8
REF
MAEPF-25181-O
MOD
CNT
AF6
FILT
GB
S1
ADAPTIVE FILTER
7
8
9
10
11
12
13
14
15
16
17
39
38
37
36
35
34
33
32
31
30
29
2827262524232221201918
404142
U602
CMOS
SYNTHESIZER
4344123456
ENR
CLOCK
DATA
STEER
(LOCK)
LOOP
DIVIDER
&
PRESCALER
CONTROL
AUX CONTROL
BIT LATCHES
REF
DIV
uP
INTERFACE
RAMP GENERATOR
SEL
DIG GND
NC
BUF
REF
TEST
FR
AUX1
DATA
SYNC
REF IN
S2
(300KHz)
EN3
LIN
GND
LIN
GND
RAMP
VDD
RAMP
RES
RAMP PNP
BASE
RAMP
GB
RAMP
CAP
BUF
BIAS
LIN VDD
AF1
AF4
AF3
FILT
GB
AF2
TX FIL
IN
RX FIL
OUT
TX FIL
OUT
STEER
LING
MAIN
CAP
FIL IN
AF5
BUF
OUT
BUF
PNP
BASE
RAMP GB
DIG
VDD
0 MOD
RAMP
OUTPUT
BUFFER
AUX2
AOS
FIN
0 MOD IN
AUX3
+1
BUF
RAMP CONTROL
STEERING, &
SAMPLE LOGIC
PHASE
MODULATOR
SAMPLE & HOLD
3
/
MAEPF-25182-O
3/

Table of Contents

Related product manuals