EasyManua.ls Logo

Motorola Professional GP340 - Lowband Receiver; Receiver Front-End

Motorola Professional GP340
290 pages
To Next Page IconTo Next Page
To Next Page IconTo Next Page
To Previous Page IconTo Previous Page
To Previous Page IconTo Previous Page
Loading...
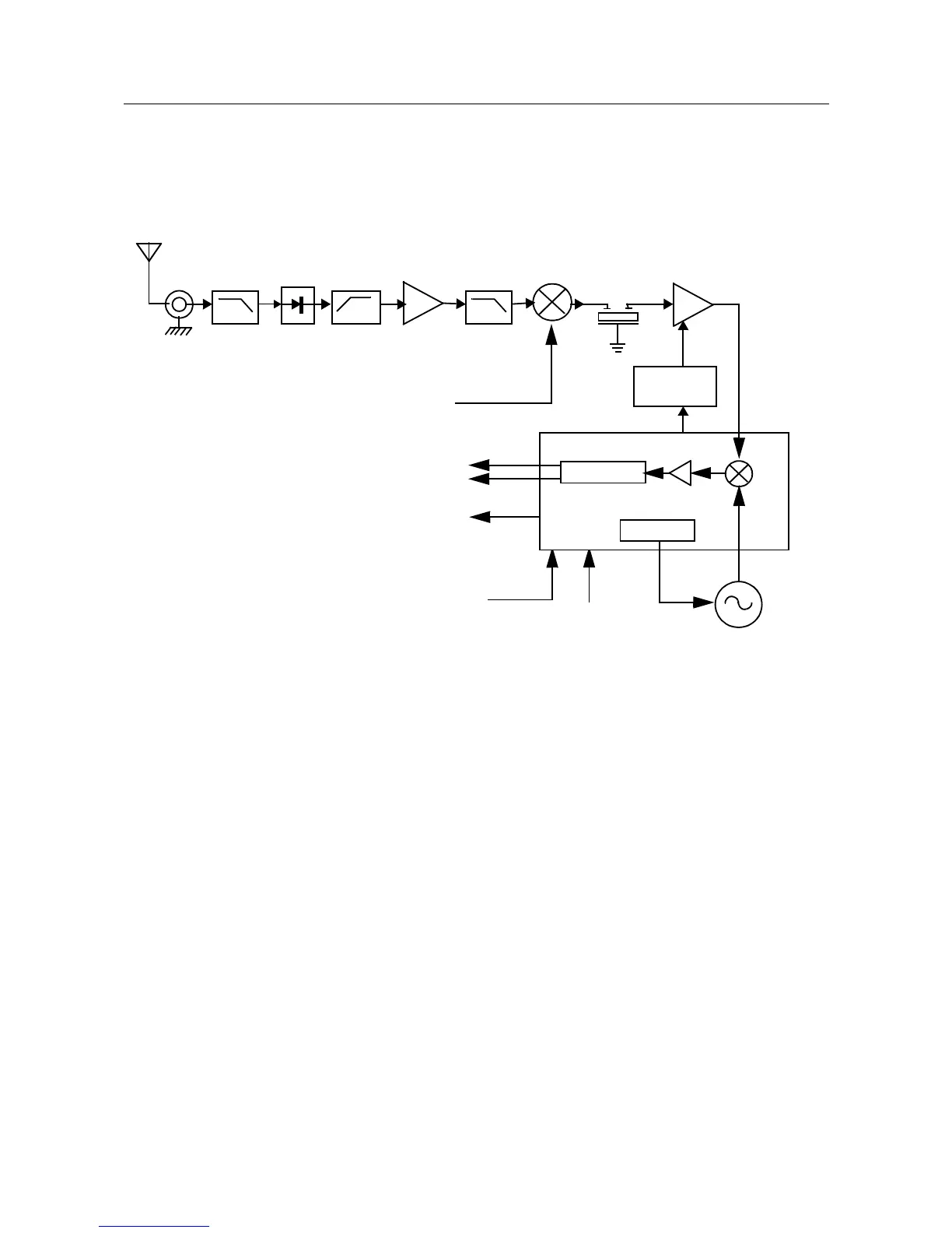
Lowband Receiver 2-3
3.0 Lowband Receiver
(
Refer to Figure 2-2 and the Receiver Front End and Receiver Back End schematic diagrams)
The Lowband receiver consists of a front end, back end, and automatic gain control circuits.
Detailed descriptions of these stages are contained in the paragraphs that follow.
Figure 2-2 Lowband Receiver Block Diagram.
3.1 Receiver Front-End
(
Refer to the Receiver Front End, Receiver Back end and Transmitter schematic diagrams
)
The RF signal received by the antenna is routed through the transmitter lowpass filter and antenna
switch. These circuits are described in the transmitter section.The signal next passes through a
highpass filter consisting of L501, L502, C538, C533 and C504. This filter serves to reject below
band signals and has a 3 dB corner frequency of 27 MHz.
The output of the highpass filter is connected to an RF amp consisting of Q509 and associated
biasing components. This is a BJT amplifier powered off 5 volts and has 13 dB of gain. The amplifier
drives a lowpass filter consisting of L503, L504, L507, C534, C535, C536, C537 and C515. This
filter is a pole zero design that filters off harmonic components from the RF amp. The 3 dB corner of
this filter is at 56 MHz.
The output of the lowpass filter is connected to the passive double balanced mixer consisting of
components T501, T502 and D501. After mixing with the first local oscillator up-converted to a
109.65 MHz IF signal.
The IF signal coming out of the mixer is transferred to the crystal filter (FL301) through a resistor pad
(R507, R508 and R509) and a diplexer (C516 and L508). Matching to the input of the crystal filter is
provided by L301, L302, C301 and C302. The 3 pole crystal filter provides the necessary selectivity
and intermodulation protection.
Demodulator
Synthesizer
Crystal
Filter
Mixer
Lowpass
Filter
RF Amp
Highpass
Filter
Antenna
Switch
RF
Antenna
First LO
from FGU
Recovered Audio
Squelch
RSSI
SPI Bus
17.0 MHz
Reference Clock
Second
LO VCO
Jack
Lowpass
Filter
IF Amp
AGC
Processing
IF IC
U303

Table of Contents

Related product manuals