Receive Audio Circuits 2-19
9.0 Receive Audio Circuits
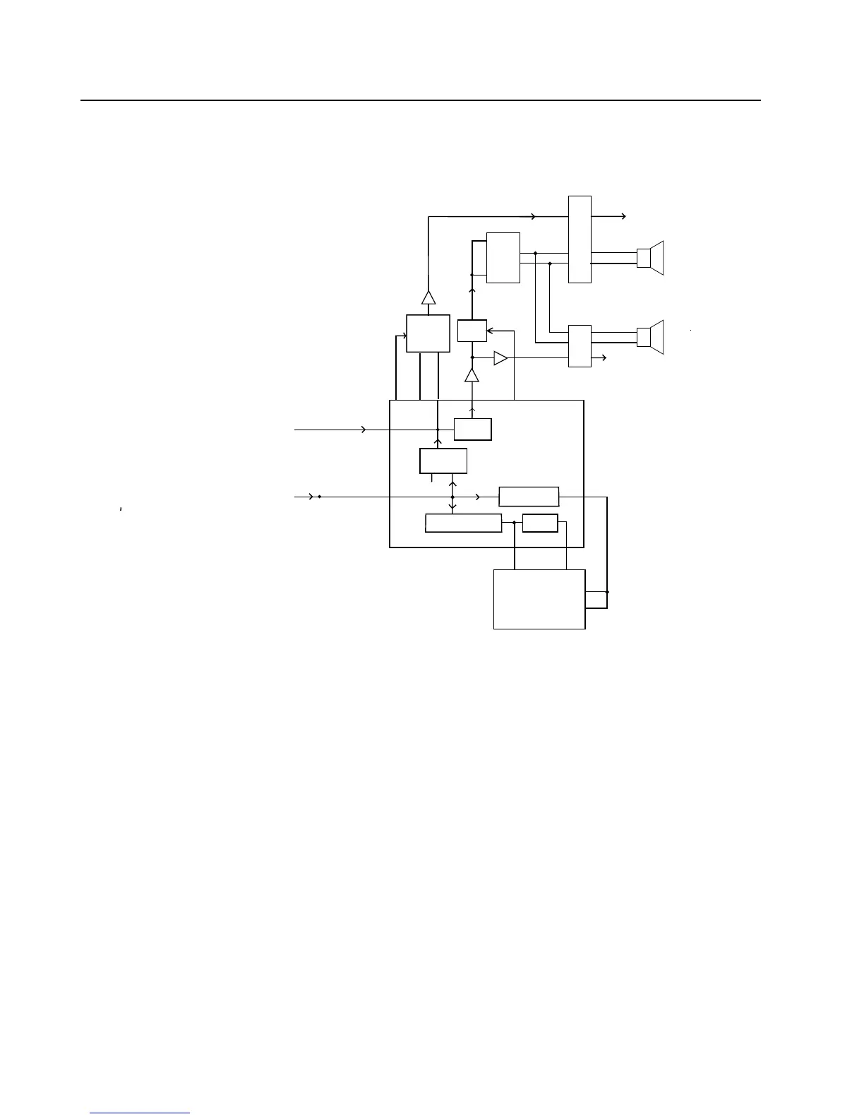
Figure 2-9 Receive Audio Paths
9.1 Squelch Detect
The radio’s RF circuits are constantly producing an output at the discriminator (IF IC). This signal
(DISC AUDIO) is routed to the ASFIC CMP’s squelch detect circuitry input DISC (U504-pin 2). All of
the squelch detect circuitry is contained within the ASFIC CMP. Therefore from a user’s point of
view, DISC AUDIO enters the ASFIC CMP, and the ASFIC CMP produces two CMOS logic outputs
based on the result. They are CH ACT (U504-16) and SQ DET (U504-17).
The squelch signal entering the ASFIC CMP is amplified, filtered, attenuated, and rectified. It is then
sent to a comparator to produce an active high signal on CH ACT. A squelch tail circuit is used to
produce SQ DET (U504-17) from CH ACT. The state of CH ACT and SQ DET is high (logic “1”)
when carrier is detected, otherwise low (logic “0”).
CH ACT is routed to the µP pin 84 while SQ DET is routed to the µP pin 83.
SQ DET is used to determine all audio mute / unmute decisions except for Conventional Scan. In
this case CH ACT is a pre-indicator as it occurs slightly faster than SQ DET.
FLT RX AUDIO
P1
11
16
1
EXTERNAL
SPEAKER
INTERNAL
SPEAKER
ACCESSORY
CONNECTOR
CONTROL HEAD
CONNECTOR
HANDSET
AUDIO
18
20
19
J2
INT
SPKR-
SPKR +
SPKR -
1
9
2
U509
4110
INT
SPKR+
4
6
DISC
ASFIC_CMP
U504
AUDIO
PA
U502
VOLUME
ATTEN.
FILTER AND
DEEMPHASIS
17
MICRO
CONTROLLER
U403
80
FROM
RF
SECTION
(IF IC)
LIMITER, RECTIFIER
FILTER, COMPARATOR
SQ DET
SQUELCH
CIRCUIT
16
PL FILTER
LIMITER
CH ACT
AUX RX
43
18
LS IO
U IO
AUDIO
83
84
39
URX OUT
DISC
AUDIO
37
85
GCB4
MUTE
GCB1
14
U505