EasyManua.ls Logo

Mr Handsfree Blue Compact - Page 7

Mr Handsfree Blue Compact
26 pages
Print Icon
To Next Page IconTo Next Page
To Next Page IconTo Next Page
To Previous Page IconTo Previous Page
To Previous Page IconTo Previous Page
Loading...
GB - 7
78
56
34
12
78
56
34
12
X1
X2
7 8
5 6
3 4
1 2
7 8
5 6
3 4
1 2
Y1 Y2
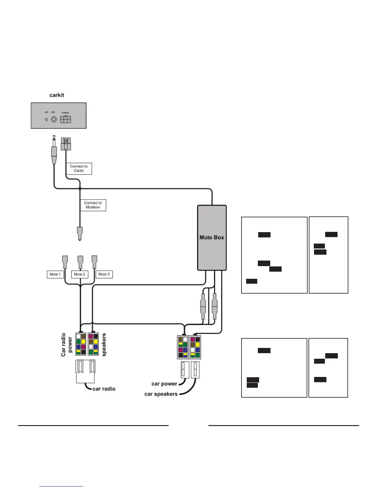
POWER/MUTE Y1
1. green yellow ignition (+12V)
2. black (Ground)
3. blue (Aerial*)
4. violet (Illumination*)
5. green (Mute N1)
6. yellow (+12V) permanent
7. white (Mute N2)
8. brown (Mute N3)
SPEAKERS X2
1. green (LB+)
2. green yellow (LB-)
3. blue (LF+)
4. white (LF-)
5. yellow (RF+)
6. brown (RF-)
7. black (RB+)
8. violet (RB-)
SPEAKERS Y2
1. green (LB+)
2. green yellow (LB-)
3. white (LF+)
4. blue (LF-)
5. brown (RF+)
6. yellow (RF-)
7. violet (RB+)
8. black (RB-)
POWER/MUTE X1
1.
3.
4.
5.
6.
7. white (Mute N2)
blue (to mute box) +
green yellow (toY1) ignition (+12V)
8. brown (Mute N3)
green (Mute N1)
green yellow (to
mute box) + yellow
(to Y1) (+12V) permanent
blue (Aerial*)
violet (Illumination*)
2. black + black (Ground)

Other manuals for Mr Handsfree Blue Compact

Related product manuals