EasyManua.ls Logo

MTD 550 - Page 14

MTD 550
20 pages
Print Icon
To Next Page IconTo Next Page
To Next Page IconTo Next Page
To Previous Page IconTo Previous Page
To Previous Page IconTo Previous Page
Loading...
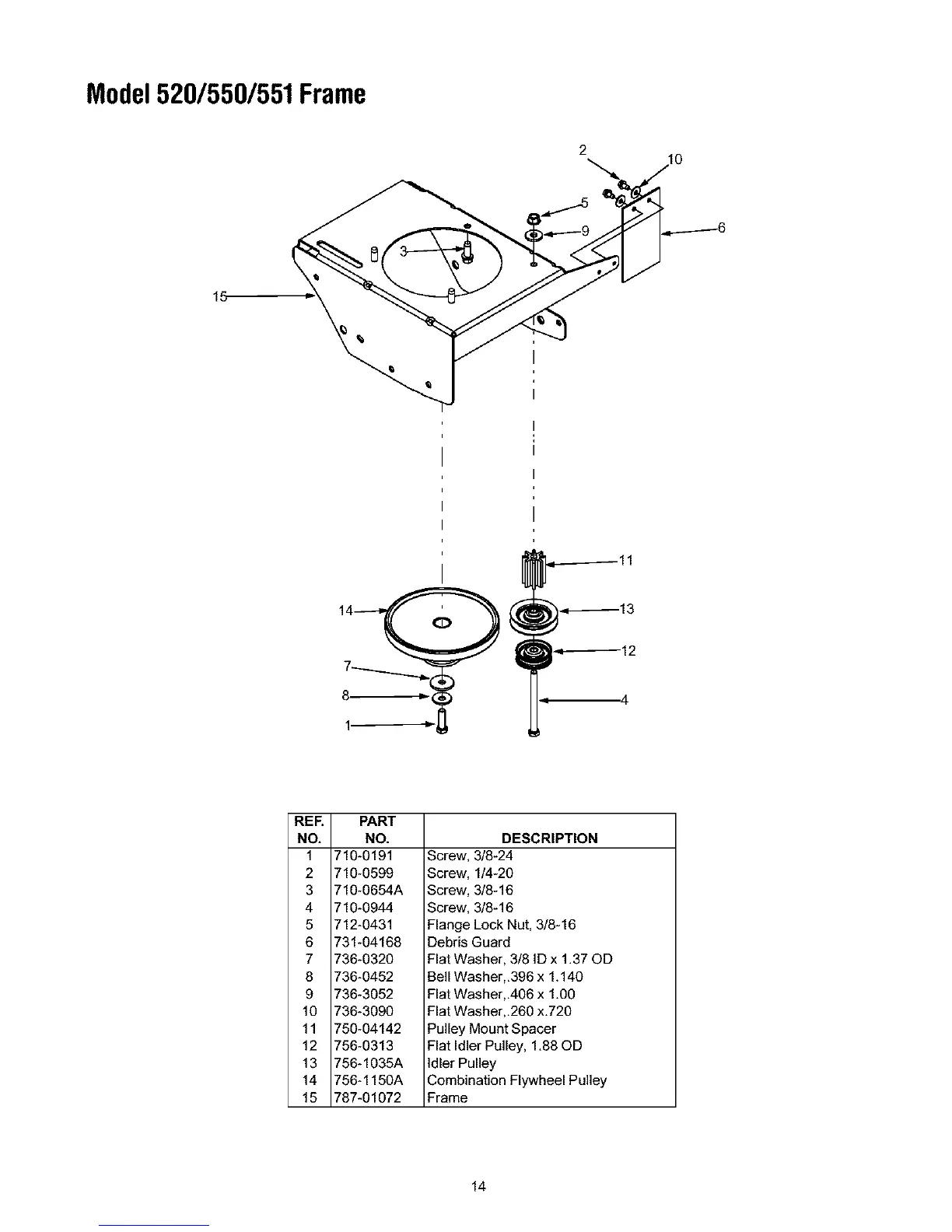
Model520/550/551Frame
15
2
lO
6
7
j._----11
i -'_-_-_--12
-4
REE
NO.
1
2
3
4
5
6
7
8
9
10
11
12
13
14
15
PART
NO.
710-0191
710-0599
710-0654A
710-0944
712-0431
731-04168
736-0320
736-0452
736-3052
736-3090
750-04142
756-0313
756-1035A
756-1150A
787-01072
DESCRIPTION
Screw, 3/8-24
Screw, 1/4-20
Screw, 3/8-16
Screw, 3/8-16
Flange Lock Nut, 3/8-16
Debris Guard
Flat Washer, 3/8 ID x 1.37 OD
Bell Washer,.396 x 1.140
Flat Washer,.406 x 1.00
Flat Washer,.260 x.720
Pulley Mount Spacer
Flat Idler Pulley. 1.88 OD
Idler Pulley
Combination Flywheel Pulley
Frame
14

Related product manuals