EasyManua.ls Logo

MTE Sine Wave Filter - Page 18

MTE Sine Wave Filter
44 pages
Print Icon
To Next Page IconTo Next Page
To Next Page IconTo Next Page
To Previous Page IconTo Previous Page
To Previous Page IconTo Previous Page
Loading...
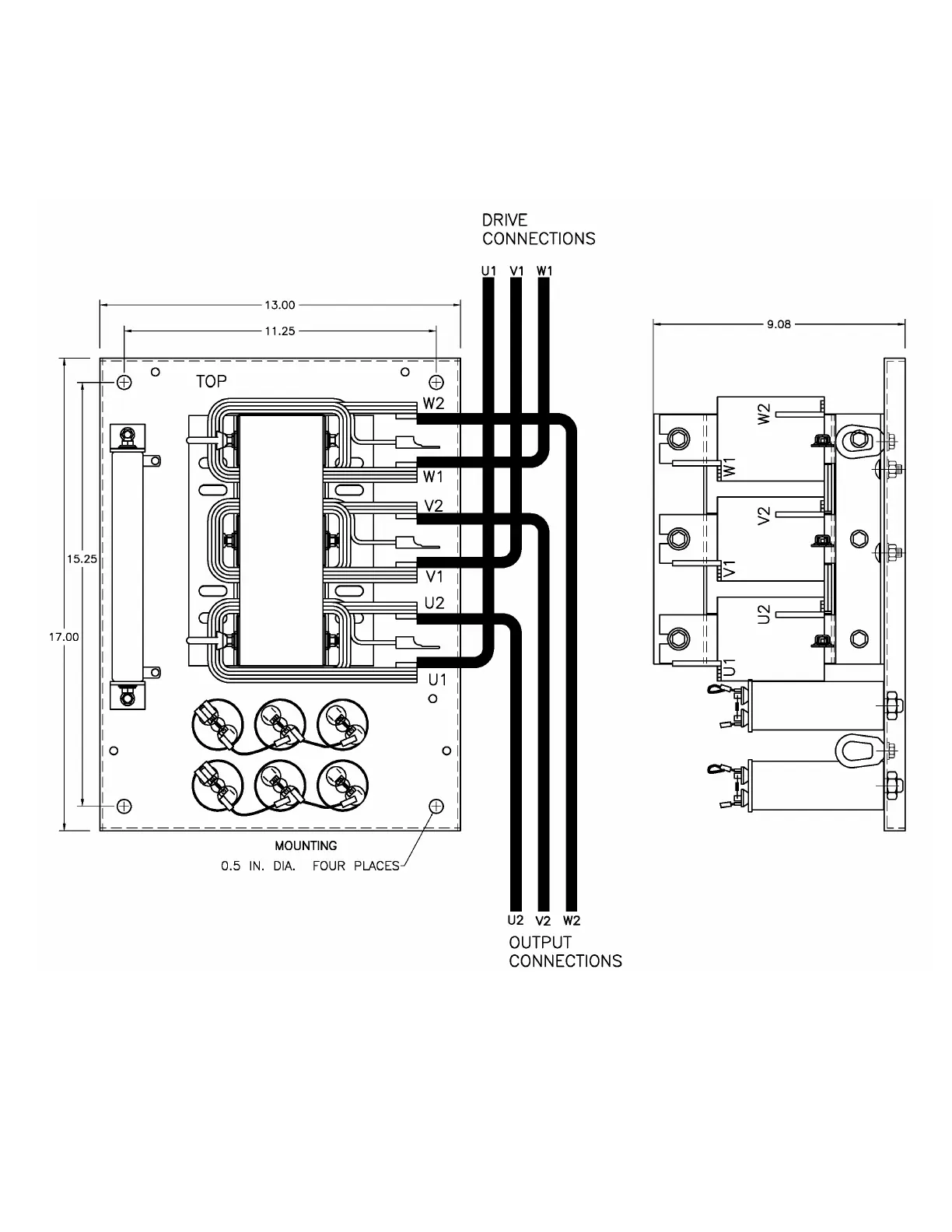
Sine Wave 2-8 kHz Series A Filter
14 Part No. INSTR-020 REL. 080310
Open Panel: 65 - 80 AMPS 440 - 480 VAC
55 - 65 AMPS 550 - 600 VAC
Fig. 5
80 Amp Shown

Related product manuals