EasyManua.ls Logo

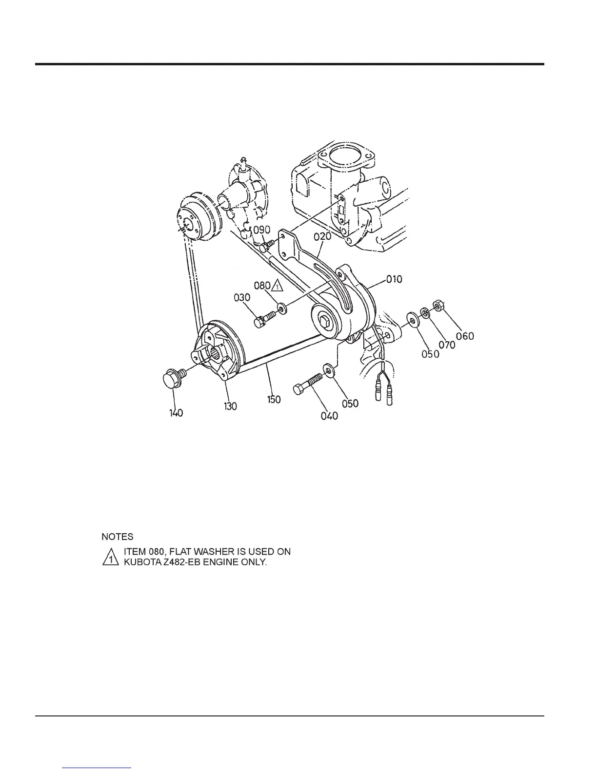
MULTIQUIP DA7000SSA - Dynamo and Pulley Assembly

MULTIQUIP DA7000SSA
172 pages
Print Icon
To Next Page IconTo Next Page
To Next Page IconTo Next Page
To Previous Page IconTo Previous Page
To Previous Page IconTo Previous Page
Loading...
PAGE 136 — DA7000 SERIES GENERATORS• OPERATION AND PARTS MANUAL — REV. #5 (01/20/11)
KUBOTA Z482-EB/E2B/E3B ENGINE — DYNAMO & PULLEY ASSY.

Table of Contents

Related product manuals