EasyManua.ls Logo

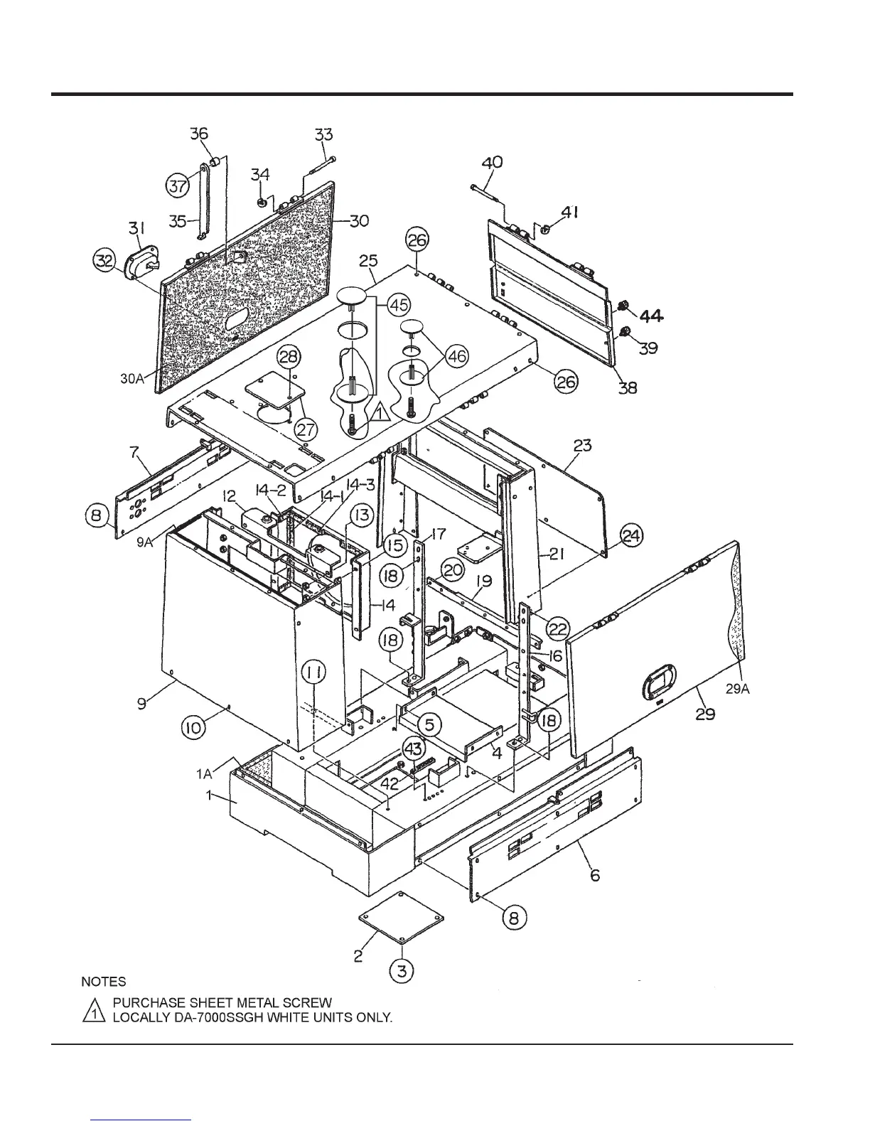
MULTIQUIP DA7000SSA - Enclosure Assy; Enclosure Assembly

MULTIQUIP DA7000SSA
172 pages
Print Icon
To Next Page IconTo Next Page
To Next Page IconTo Next Page
To Previous Page IconTo Previous Page
To Previous Page IconTo Previous Page
Loading...
PAGE 82 — DA7000 SERIES GENERATORS• OPERATION AND PARTS MANUAL — REV. #5 (01/20/11)
ENCLOSURE ASSY.

Table of Contents

Related product manuals