EasyManua.ls Logo

MULTIQUIP DA7000SSA - WIRING DIAGRAMS

MULTIQUIP DA7000SSA
172 pages
Print Icon
To Next Page IconTo Next Page
To Next Page IconTo Next Page
To Previous Page IconTo Previous Page
To Previous Page IconTo Previous Page
Loading...
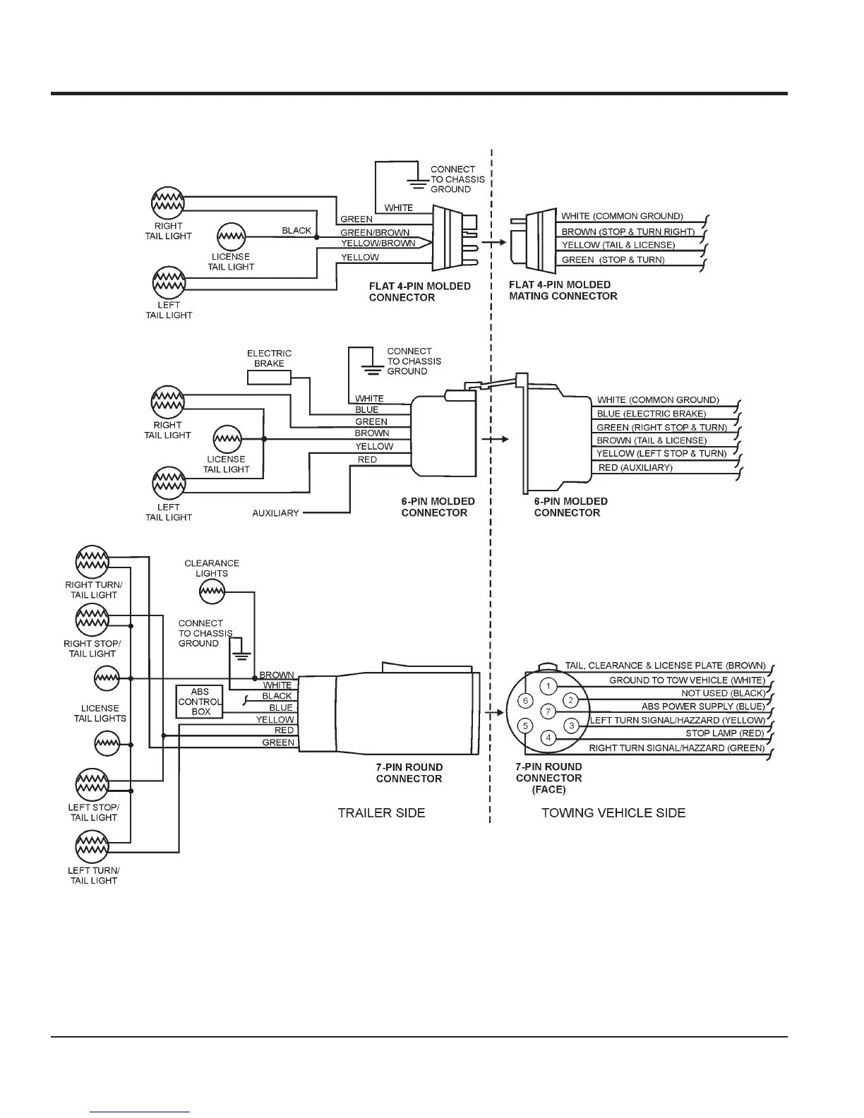
PAGE 52 — DA7000 SERIES GENERATORS• OPERATION AND PARTS MANUAL — REV. #5 (01/20/11)
TRAILER WIRING DIGRAM
Figure 37. Trailer Wiring Diagram

Table of Contents

Related product manuals