EasyManua.ls Logo

MULTIQUIP EM120 - Hydraulic System Diagram

MULTIQUIP EM120
58 pages
Print Icon
To Next Page IconTo Next Page
To Next Page IconTo Next Page
To Previous Page IconTo Previous Page
To Previous Page IconTo Previous Page
Loading...
PAGE 34 — EM120 HYD. PLASTER/MORTAR MIXER • OPERATION AND PARTS MANUAL — REV. #1 (09/09/19)
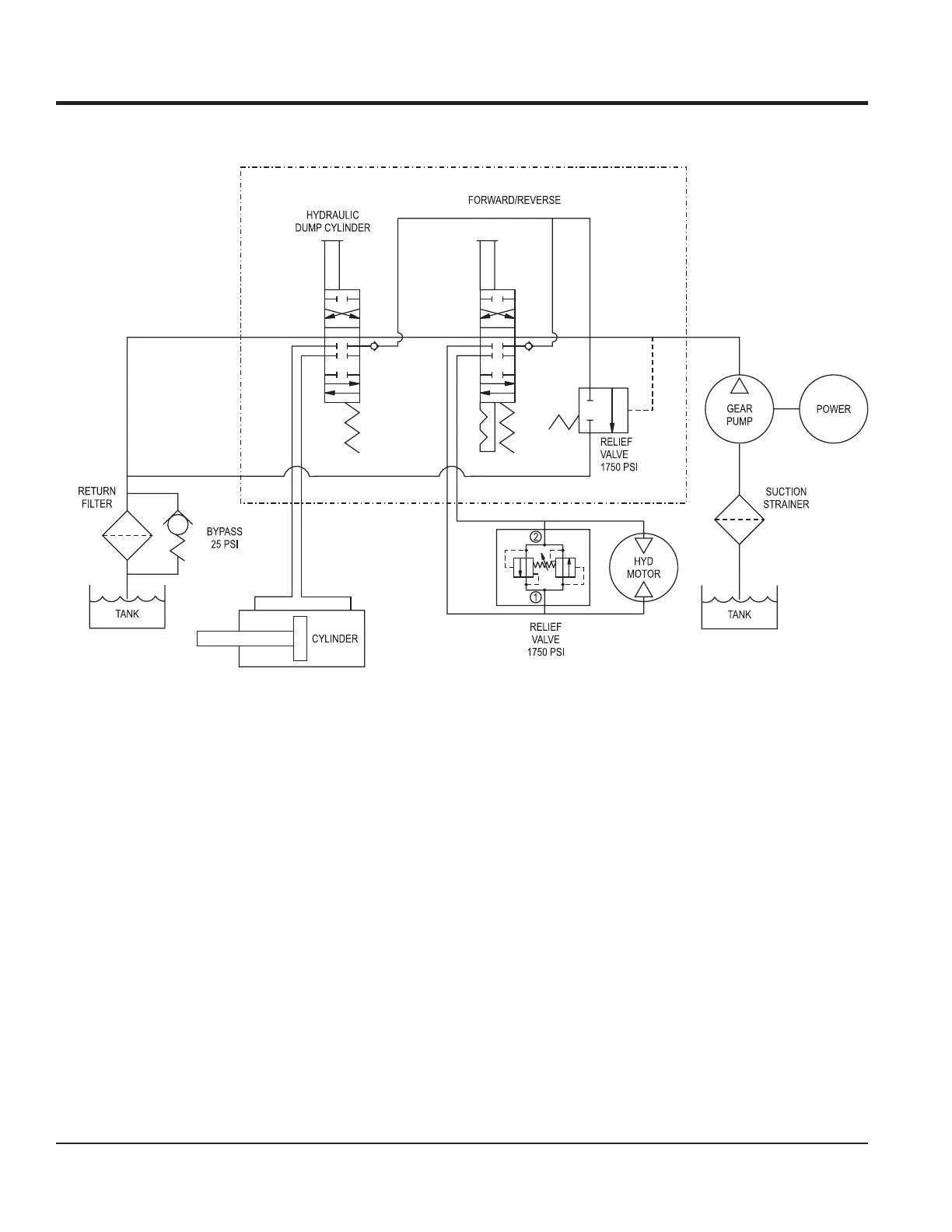
HYDRAULIC SYSTEM DIAGRAM
Figure 38. Hydraulic System Diagram

Related product manuals