EasyManua.ls Logo

MULTISPAN UTR - 1044 - Parameter Mode; Process Value; Set Value; Delay Time Setting; Cycle Time Setting

MULTISPAN UTR - 1044
4 pages
Print Icon
To Next Page IconTo Next Page
To Next Page IconTo Next Page
To Previous Page IconTo Previous Page
To Previous Page IconTo Previous Page
Loading...
Page - 2
www.multispanindia.com
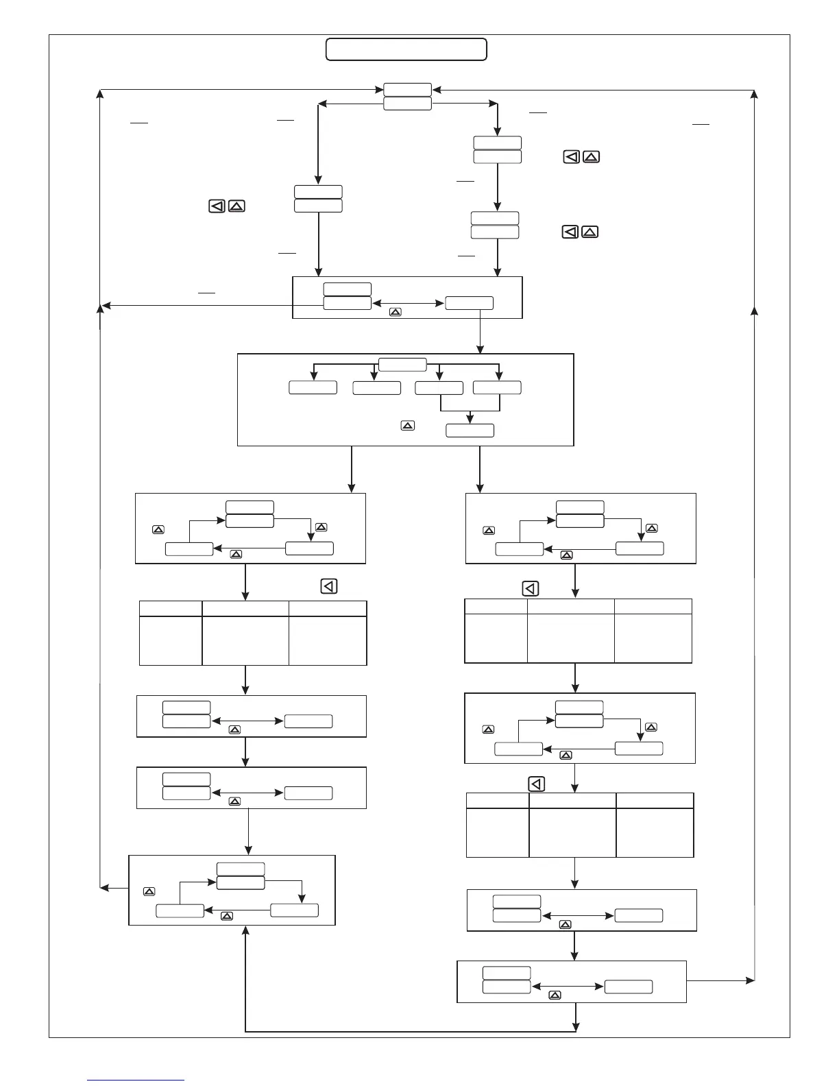
PARAMETER MODE
press key
SET
ENT
press key
SET
ENT
press key
SET
ENT
press key
SET
ENT
press key
SET
ENT
press key
SET
ENT
press key
SET
ENT
press key
SET
ENT
press SET/ENT key
press SET/ENT key
press SET/ENT key
Lock Mode : yes / no
L O C KL O C K
Y E S N O
F U N C
D L O F
D L O N
C Y O F
C Y O N
N O C L
SELECT BY
key
SELECT BY
SELECT BY
key
key
SELECT BY
key
SELECT BY
key
SELECT BY
key
SELECT BY
key
SELECT BY
key
Select:
Cycling Mode
delayed ON or
delayed OFF or
9 999 SEC.9 999 SEC.
9 999 SEC.9 999 SEC.
9 999 SEC.9 999 SEC.
99 9 min SEC..599 9 min SEC..5
99 9 min SEC..599 9 min SEC..5
99 9 min SEC..599 9 min SEC..5
99 9 hr min..599 9 hr min..5
99 9 hr min..599 9 hr min..5
99 9 hr min..599 9 hr min..5
999 9 min.999 9 min.
999 9 min.999 9 min.
999 9 min.999 9 min.
999 9 hr.999 9 hr.
999 9 hr.999 9 hr.
999 9 hr.999 9 hr.
9999 hr
9999 hr
9999 hr
999 9 SEC.999 9 SEC.
999 9 SEC.999 9 SEC.
999 9 SEC.999 9 SEC.
9999 SEC
9999 SEC
9999 SEC
9999 MIN
9999 MIN
9999 min
select by key
select by key
select by key
U N T 1U N T 1
p u L s
U N T 2
M I NM I N
T r G
M I N
M I NM I N
M I N
M I N
M I N
M I N
H RH R
E n B L
H R
H R
H R
H R
S E CS E C
P O O N
S E C
S E C
S E C
S E C
Time-1 select:
Time-2 select: Sec, Min, Hr
Sec, Min, Hour
T I M E
U P
D n
Memory Retain (yes / no)
Memory Retain (yes / no)
T I M E
M E M O
M E M O
U P
Y E S
Y E S
D n
N O
N O
1 2 3 4
1 2 3 4
Process Value
Set Value
T I M 1
1 2 3 4
Delay time (time-1)
T I M 1
1 2 3 4
Cycle ON time (time-1)
Cycle OFF time (time-2)
SELECTED BY
KEY
SELECTED BY
SELECTED BY
KEY
KEY
SELECTED BY
KEY
SELECTED BY
SELECTED BY
SELECTED BY
KEY
KEY
KEY
SELECTED BY
KEY
SELECTED BY
KEY
press key to
set cycle ON time
press key to
set cycle OFF time
press key to
set cycle Delay time
T I M 2
1 2 3 4
press SET/ENT key
press SET/ENT key
press SET/ENT key
press SET/ENT key
press SET/ENT key
press SET/ENT key
press SET/ENT key
press SET/ENT key
press SET/ENT key
If Delayed ON/ Delayed OFF is selected
If Delayed ON/ Delayed OFF is selected
If Cycling Mode is selected
If Cycling Mode is selected
press
SET/ENT
key
press
SET/ENT
key
Time Count : UP/Down
Time Count : UP/Down
OFF Starting
ON Starting
No. of Repeat
Cycle

Related product manuals