EasyManua.ls Logo

NAD 3225PE - Page 17

NAD 3225PE
22 pages
Print Icon
To Next Page IconTo Next Page
To Next Page IconTo Next Page
To Previous Page IconTo Previous Page
To Previous Page IconTo Previous Page
Loading...
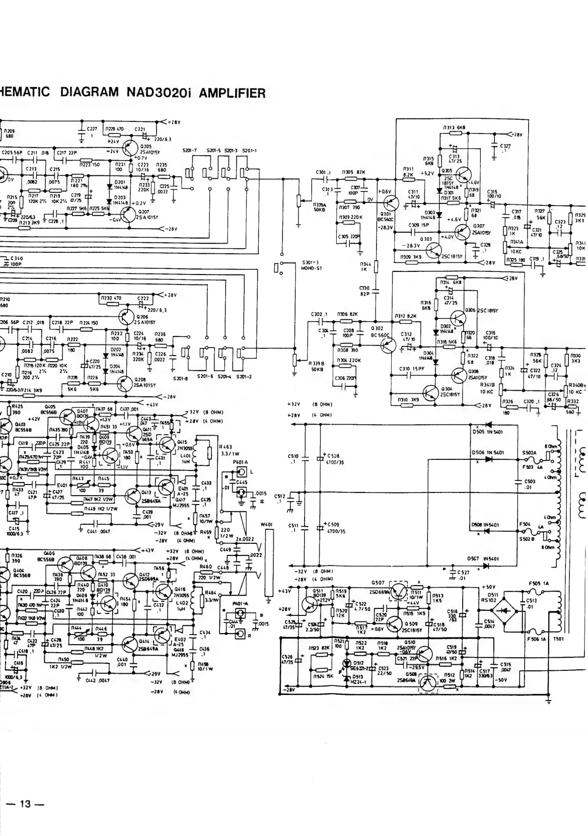
HEMATIC
DIAGRAM
NAD3020i
AMPLIFIER
227
R209
680
;
2
20/6,3
¥
+2LV
oe
aie
S2-7
=
S2N-§
SAMl-3_$201-1
C20556P
C211
018
|
C217
22P
wry
A
g
ton
0.74
ft2a3
150
€223-2235
Jt
213
C215
10/16
680
n
:
C301...
=
R30S
82K
Ov
R221
ar
=
y
;
0082
|
0075
|
R271
eal
ons
:
4
303
eed
fs]
—)
ane
+
220K
.0022
|
100P
R25
R217
R219
at
;
?
20n
i
120K
27/6
10K
2°.
G/2
INE148
+0
2
=
2
N33A
arog
0
5
2%
N22
SK6{
R225
5KE
Aner
50k8
329
®
[_—_]
LF
22043
:
eens
11303
220K
hie
=
09
R233
3K9
=
C228
,1
=
,__]
—~28Y
C305
220P
44
10K
10KC
0
=
ASO
Rms
190
6319.1
ad
HELL
“IL
340
$301-3
R364
——
Md
MONO-ST
1K
pat
29
=
i
oo
a
82P
rand
en
oe
|
at
680
Ty
0306
RSC
issy
(a
220/6,3
C302.1
306
82K
1312
8.2K
ae
0206
Na
206
56P
C712
018
[C218
22P
22%
150
Ra
2S
Al01SY
a
:
—4
as
C30
308
20}
C316
R232)
C226
R236
i
4
1ooP
BC
560¢
100/10
cme
|
C216
=n
222
100
[}
10/16
680
<<
or
Cc
r308
#0
tes
180
0062
|
0075
RIM
LP]
C226
(]
eee
Esa
220K
0022
3%
220K
720
T
R3398
RNB
120K
1220
10K
C1347/25
L
1
SOKB
N216
1%
2%
al
.
>:
Si
=
C210
200
2%
nz
|
1226
0208
sai-g
5201-6
S204
S201-2
C306
220
=
2SA1015Y
F
2OAIN216
3K9
+
~28¥
>
+324
(8
OHM)
+32V¥
(8
OHM)
#28¥
(4
OHM)
7
+28¥
(&
OHM)
Ge",
ois
R263
a,
/|
2N3055
0506
IN
$401
eel
|
2.3/1
C810
tt
cs08
lu
P£OIA
al
4700/35
Oj
+
:
*
00
{+0.7V
<j
C433
Che5
———
Fun
1
01
at
3
cn
|
A25
[
0015
ogy
47P
17
Gai?
C435
tt
at
1
Cc
MJ2955
ft
=
te
L
i.
MEL9
12
1/2W
C439
.
C47
1
eeebaey
001
457
L
|
i
é
7
0
cus
=
C461
0067
-32¥
(8
OHM?
R459
ae
isis
ssa
U
00/6.
*
2x.0022
:
-28¥
(4
OHM)
a
8
Onm
+634
+324
(8
OHM)
case
pe
+28¥
(4
OHM)
,
.
|
R660
C448
.
3
th
~32¥
(8
OHM)
C527
ONS
R664.
L402
3a
PLOI“A
=
s
tt
Pet
i
1”
acu
:
K)
Eso?
J!
O}e
A
ca2e
Geran
eas
|
|
47P
UN
/
288
6694
asis
C436
;
Coa
1
MJ2955
1
|
V2w
:
!
416
LT
ere
rad
nese
ieee
1K2
72W
;
10/1
:
>29¥
,
salty
a
¥
Chb2
0067
~32¥
(8
OHM)
=
|
+28v
(4
OHM)

Related product manuals