EasyManua.ls Logo

NAD 3225PE - Page 18

NAD 3225PE
22 pages
Print Icon
To Next Page IconTo Next Page
To Next Page IconTo Next Page
To Previous Page IconTo Previous Page
To Previous Page IconTo Previous Page
Loading...
NIV
NHS
82K
82K
mee
-
cu
100
——
OV
Ge)
n307
390
VAY
Q301
303
220K
8¢560C
-28.3V
C35
22
Ns
=
1K
C336
82P
6K8
M306
82K
R312
8.2K
Po
C308
Q302
OOP
8c
560C¢
maa
R308
#O
eC
RICK
220K
C306
x
D505
1N
5401
8
Ohm
8
0506
IN
540)
$502A
j
4
35
x
:
—)
F503
6A
4
Ohrn
C503
01
4
Ohm
9
0508
IN5%0}
F506
LA
v
0/35
*
e
°o
$5028
i
°
800m
r5ia
1K2
R522
1K2
ee
ets
SS
Ee
ee
Ed
P§02
R605
al
PRE
OUT
P
303-1
2N3055
ECd
R606
2SB
64
0M
aa
RIM
R336
eat
Sire
|
6K
680
@
PRE
OUT
P303-2
apie?
Q310
7
G
=
3
(t
1)
D
6)
©
we,
=
C603
aoe
L
25K363
BC550C
22/10N
|
os
tooy
boned
BC
5568
=
a
+43
BC
560C
390
|
|
R604
REO?
[
150K
25€
2240
ara
it
Cie
a
as
25A1015
2$C1815
240V/
SOHZ
|
220wS50Hz
|
t
U.S.A
PSO!
CANADA
$501-1
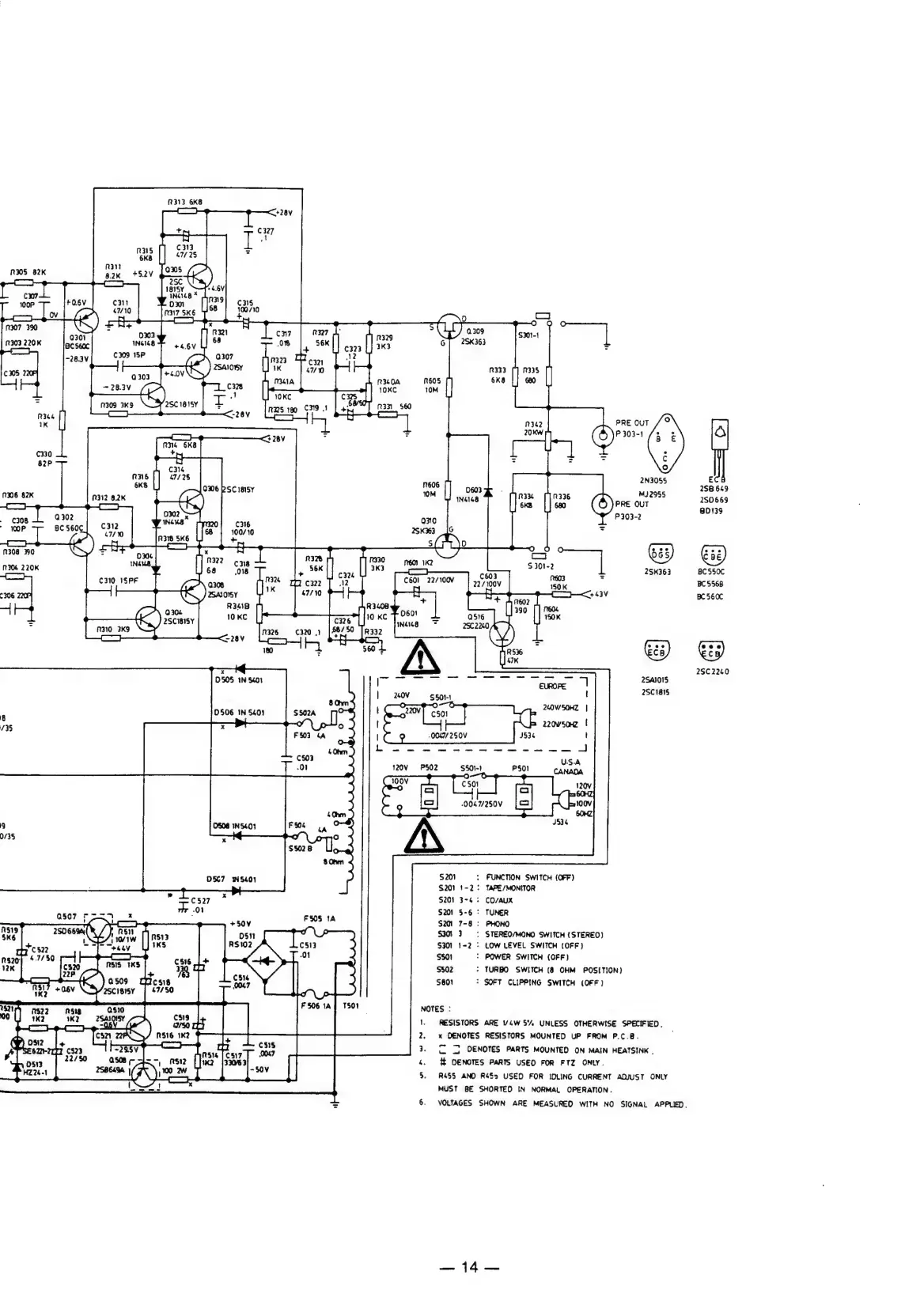
FUNCTION
SWITCH
(OFF)
$201
t-2:
TAPE/MONITOR
S201
3-46
:
CO/AUX
$201
5-6
°
TUNER
$201
7-8
:
PHONO
7
$301.3;
STEREO/MONO
SWITCH
(STEREO)
$301
'-2
>
LOW
LEVEL
SWITCH
(OFF)
$501
:
POWER
SWITCH
(OFF)
$502
:
TURBO
SWITCH
(8
OHM
POSITION)
$801
>
SOFT
CLIPPING
SWITCH
(OFF
}
NOTES
:
2
3.
4
5
RESISTORS
ARE
Viw
S%
UNLESS
OTHERWISE
SPECIFIED.
x
DENOTES
RESISTORS
MOUNTED
UP
FROM
P.C.8.
DENOTES
PARTS
MOUNTED
ON
MAIN
HEATSINK
.
#
OENOTES
PARTS
USED
FOR
FTZ
ONLY.
R455
AND
R4E5
USED
FOR
IDLING
CURRENT
AQJUST
ONLY
MUST
BE
SHORTED
IN
NORMAL
OPERATION.
VOLTAGES
SHOWN
ARE
MEASURED
WITH
NO
SIGNAL
APPLIED.
14

Related product manuals