EasyManua.ls Logo

NAD T747 - Page 31

NAD T747
130 pages
Print Icon
To Next Page IconTo Next Page
To Next Page IconTo Next Page
To Previous Page IconTo Previous Page
To Previous Page IconTo Previous Page
Loading...
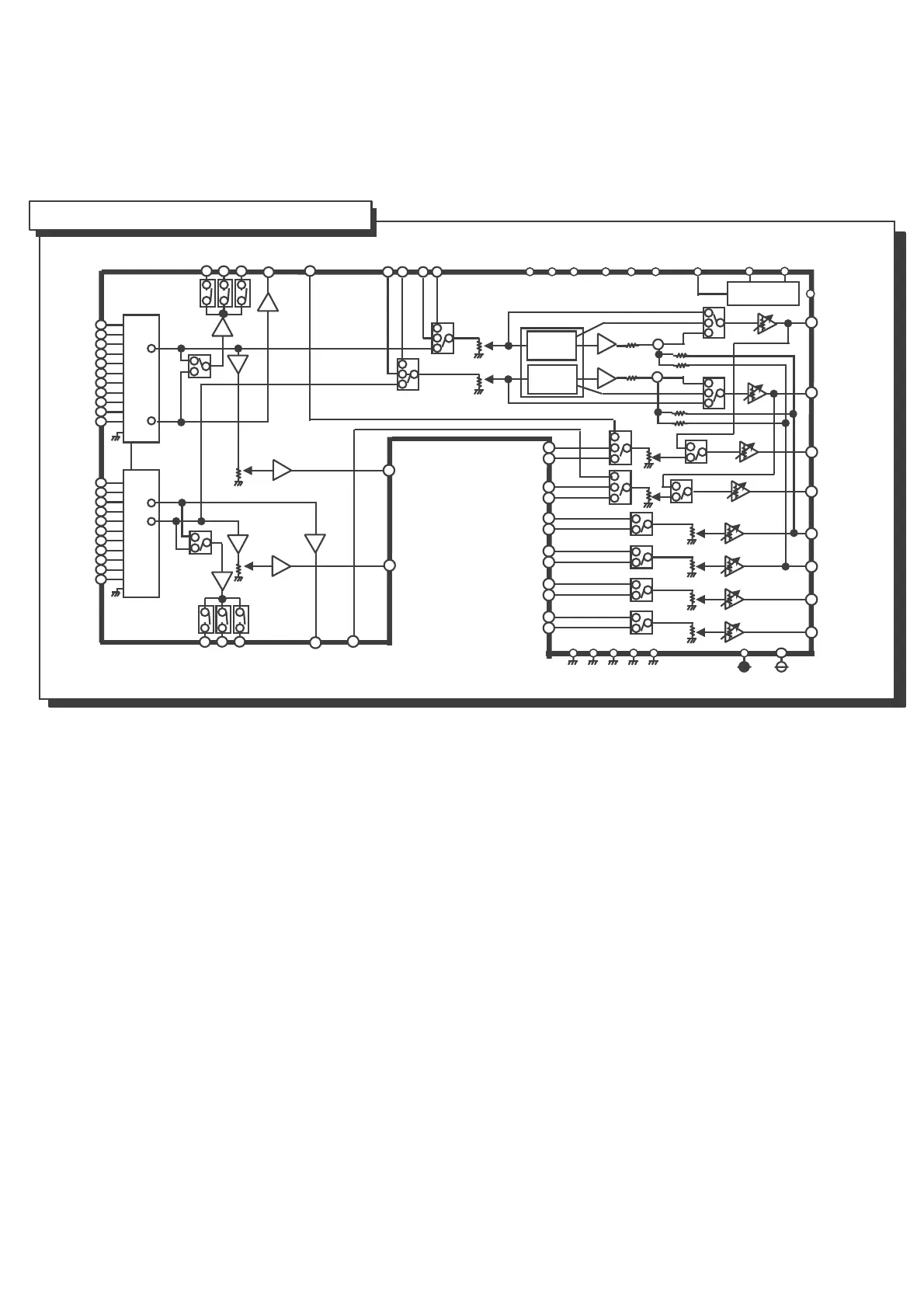
SYSTEM BLOCK DIAGRAM
Lout
REC
Lch
Rout
Input
ATT
Out L
for
ADC
REC
AGND
Volume
Out R
for
ADC
Rch
AVCC
Multi
Rin
Multi
Lin
3
4
5
6
7
8
9
1
2
Tone
Rch Tone
Bass&
Treble
Lch Tone
10
11
3
4
5
6
7
8
9
1
2
10
11
SLout
Multi
SLin
Multi
SRin
Cout
SWout
Multi
Cin
Multi
SWin
SBLout
SBRout
Multi
SBLin
Multi
SBRin
AVEE
SUBL
SUBR
MCU I/F
CLOCK DATA
SRout
Volume
Volume
Volume
Volume
Volume
Volume
Volume
Bass&
Treble
Input
ATT
Volume
Volume
Twin Input selector
(Main)
(Sub)
Twin Input selector
(Main)
(Sub)
DGND
MUTE
Volume
Volume
Volume
Volume
+
+
IC301: R2A15218FP: 8CH ELECTRONIC VOLUME
2-18

Other manuals for NAD T747

Related product manuals