EasyManua.ls Logo

NAD T747 - Page 32

NAD T747
130 pages
Print Icon
To Next Page IconTo Next Page
To Next Page IconTo Next Page
To Previous Page IconTo Previous Page
To Previous Page IconTo Previous Page
Loading...
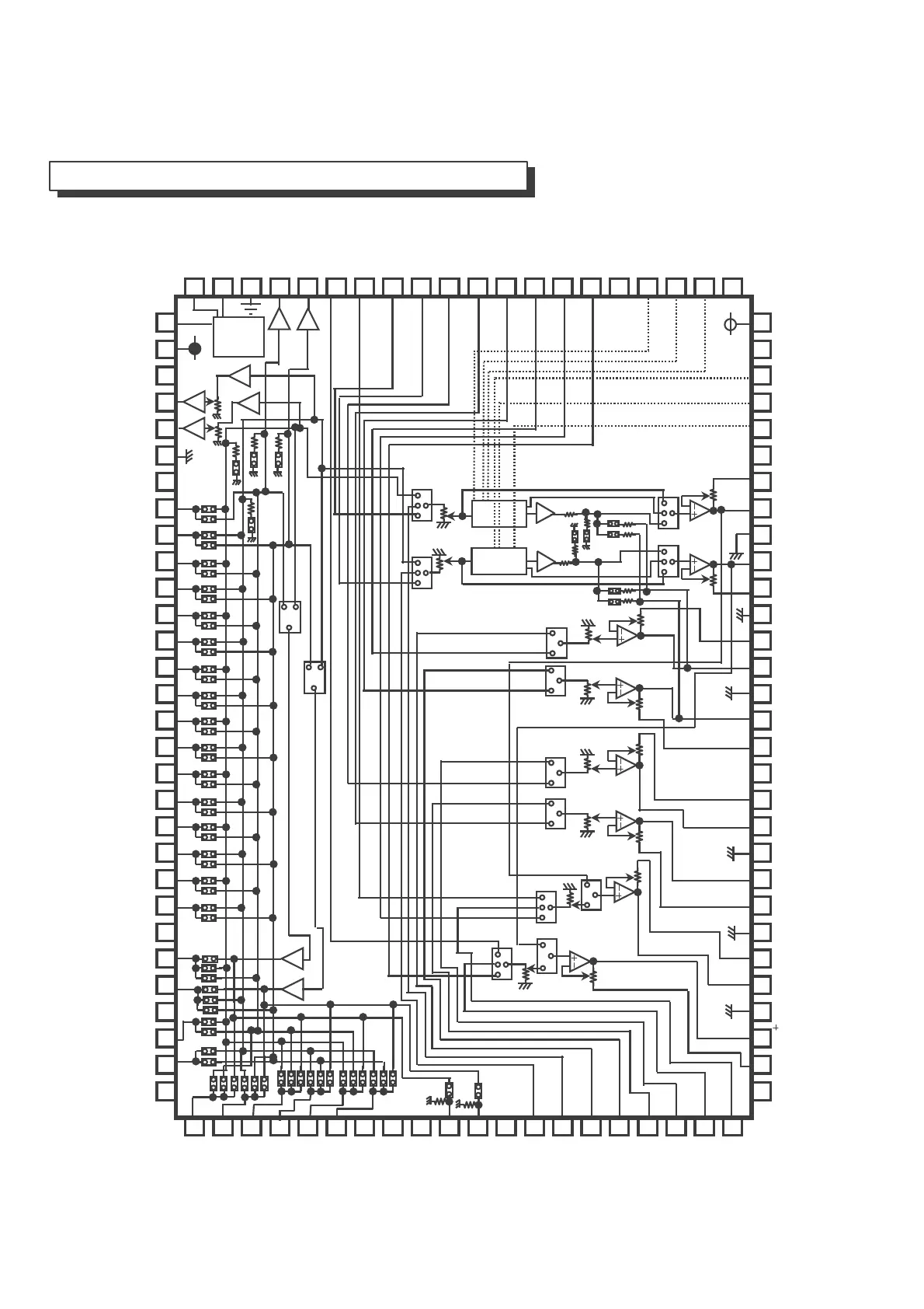
BLOCK DIAGRAM AND PIN CONFIGURATION (TOP VIEW)
AGND
SWC
AGND
SLC
AGND
SBLC
INLB/RECL2
INRB/RECR2
INR11/RECR5
INL10/RECL4
RECR3
INL11/RECL5
FLIN1
RECL3
CIN1
FRIN1
SLIN1
SWIN1
AVEE
MUTE
FLIN2
FRIN2
SLIN2
SRIN2
CIN2
SWIN2
SBLIN2
SBRIN2
AVCC
TREL
BASSL1
BASSL2
FLOUT
CC
FLC
FROUT
AGND
FRC
ADCR
SBLIN1
SRIN1
SBRIN1
SBL OUT
ADCL
SBR OUT
SLOUT
SBRC
SROUT
SWOUT
SRC
COUT
INL5
INL1
INR1
INL2
INR2
INL3
INR3
INL4
INR4
INR5
INL6
INR6
INL7
INR7
INL8
INR8
INLA/RECL1
INRA/RECR1
INL9
INR9
SUBR
SUBL
DGND
INR10/RECR4
DATA
CLOCK
BASSR1
BASSR2
TRER
N.C.
AGND
N.C.
AGND
N.C.
N.C.
N.C.
N.C.
SBRCIN
SBLCIN
N.C.
N.C.
AGND
N.C.
N.C.
N.C.
N.C.
N.C.
N.C.
N.C.
MAIN
SUB
REC
ATT
0/-6/-12/-18dB
Bass/ Treble
-14~+14dB
(2dB step)
+42~-95dB,
-f(0.5dBstep)
+42~-95dB,
-f(0.5dBstep)
+42~-95dB,
-f(0.5dBstep)
+42~-95dB,
-f(0.5dBstep)
+42~-95dB,
-f(0.5dBstep)
+42~-95dB,
-f(0.5dBstep)
Tone
+42~0dB
(0.5dBstep)
Tone
Bass/ Treble
-14~+14dB
(2dB step)
0~-95dB,
-f
(0.5dBstep)
+42~0dB
(0.5dBstep)
0~-95dB,
-f
(0.5dBstep)
MCU
I/F
AVEE
AVCC
Bypass
Tone
Tone+MIX
Bypass
Tone
Tone+MIX
CMIX
SWMIX
MAIN
SUB
MAIN
SUB
81 82 83 84 85 86 87 88 89 90 91 92 93 94 95 96 97 98 99
100
1
2
3
4
5
6
7
8
9
10
11
12
13
14
15
16
17
18
19
20
21
22
23
24
25
26
27
28
29
30
80
79
78
77
76
75
74
73
72
71
70
69
68
67
66
65
64
63
62
61
60
59
58
57
56
55
54
53
52
51
50 49 48 47 46 45 44 43 42 41 40 39 38 37 36 35 34 33 32 31
2-19

Other manuals for NAD T747

Related product manuals