EasyManua.ls Logo

Navien NFB Series - Connecting the Gas Supply

Navien NFB Series
232 pages
To Next Page IconTo Next Page
To Next Page IconTo Next Page
To Previous Page IconTo Previous Page
To Previous Page IconTo Previous Page
Loading...
46 Connecting the Gas Supply
WARNING
Before connecting the gas supply, determine the gas type
and pressure for the boiler by referring to the rating plate. Use
only the same gas type indicated on the rating plate. Using
a different gas type will result in abnormal combustion and
malfunction of the boiler. Gas supplies should be connected
by a licensed professional only.
The appliance and its gas connection must be leak tested
before placing the appliance in operation.
This boiler cannot be converted from natural gas to propane
or vice versa without a Navien gas conversion kit. Do not
attempt a field conversion of this boiler without a Navien gas
conversion kit. Doing so will result in dangerous operating
conditions and will void the warranty.
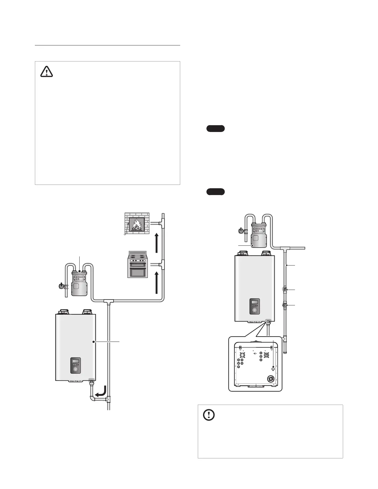
Navien recommends connecting the boiler as the first device
downstream of the gas meter, to ensure a sufficient gas supply.
The boiler is
recommended to be
the first appliance to
be connected to the
gas supply line.
Gas meter capacity ≥ The total
capacity of connected appliances
Gas Supply Line
To connect the gas supply:
1. Determine the gas type and pressure for the boiler by referring
to the rating plate.
2. Perform a pressure test on the main gas supply line.
3. Purge the gas line of any debris.
4. Determine the proper size and type for the gas line. Refer to
the tables that follow.
Note
Refer to the instructions provided with the gas
regulator for the minimum pipe distance between
the regulator and the appliance.
5. Install full port valves on the gas supply line and boiler.
6. Connect the gas supply line.
7. Test the supply line, all connection points, and the boiler for
gas leaks.
Note
Tighten the boiler connection valves with care to
avoid damage.
Gas Inlet Adapter
Bottom View
Union
Gas Shut off
Valve
Gas Supply
Pipe size:
1
/
2
”–
3
/
4
(inner diameter)
CAUTION
Install a manual gas shut-off valve between the gas supply
line and the boiler.
A sediment trap must be provided upstream of the gas
controls.
4. Connecting the Gas Supply

Table of Contents

Related product manuals