EasyManua.ls Logo

NEC LT260K - Page 185

NEC LT260K
912 pages
Print Icon
To Next Page IconTo Next Page
To Next Page IconTo Next Page
To Previous Page IconTo Previous Page
To Previous Page IconTo Previous Page
Loading...
G-33
INSTALLATION UND ANSCHLÜSSE
Herstellen der Anschlüsse
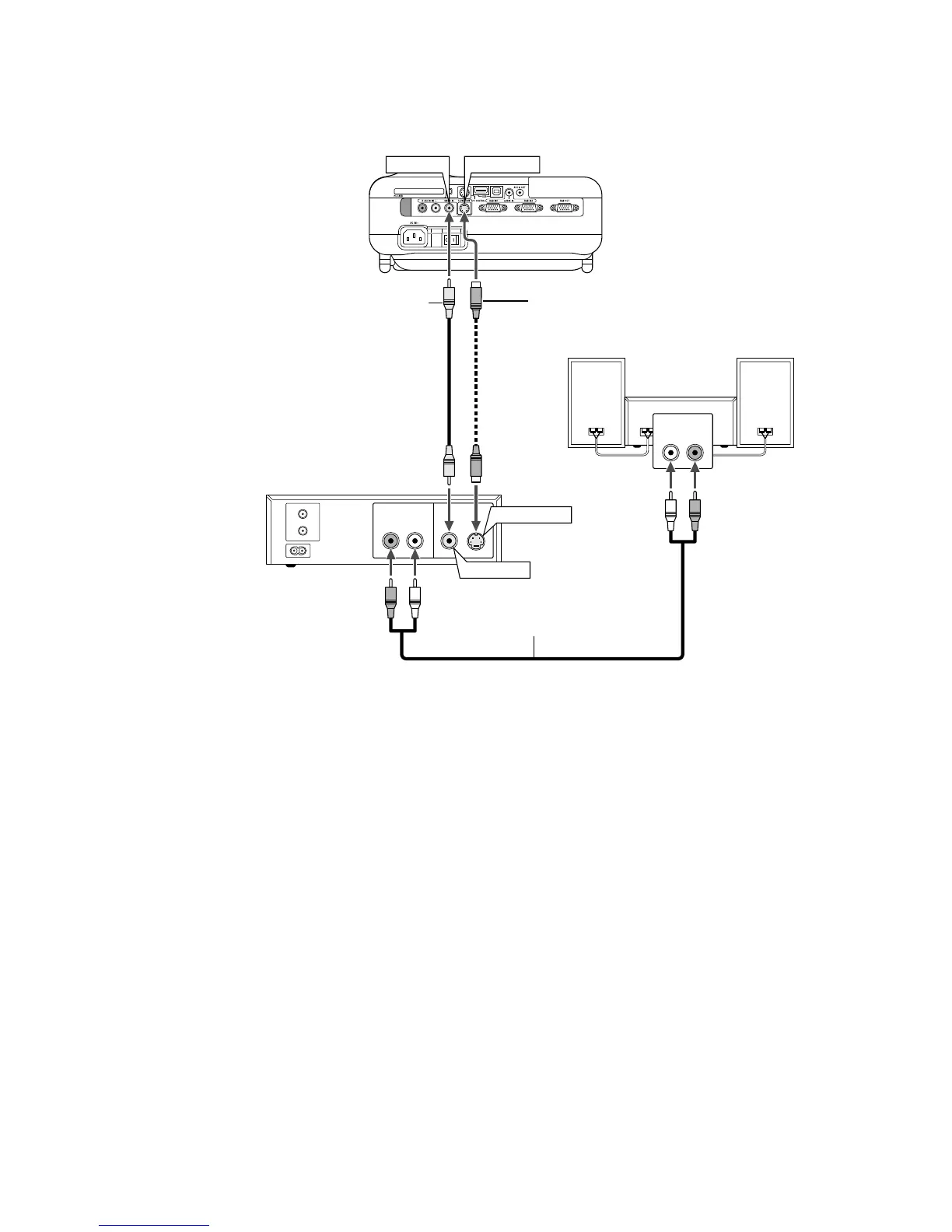
Videorekorder/LaserDisc-Player
Anschluss Ihres Videorekorders oder LaserDisc-Players
VIDEO IN S-VIDEO IN
AUDIO OUT
RL
VIDEO OUT
S-VIDEO OUT
AUDIO IN
LR
Audiogerät
S-Videokabel (kein Lieferumfang)
Videokabel (kein Lieferumfang)
Audiokabel (kein Lieferumfang)
Verwenden Sie für den Anschluss Ihres Vidorekorders, LaserDisc-Players
oder Ihrer Dokumentenkamera an Ihren Projektor herkömmliche RCA-
Kabel (kein Lieferumfang).
Verfahren Sie zur Durchführung der Anschlüsse einfach wie folgt:
1. Schalten Sie die Stromversorgung zum Projektor und Videorekorder, zum
LaserDisc-Player oder zur Dokumentenkamera aus.
2. Schließen Sie das eine Ende Ihres RCA-Kabels an den sich auf der Rück-
seite Ihres Videorekorders oder LaserDisc-Players befindlichen Video-
Ausgangsanschluss an. Das andere Ende des RCA-Kabels muss an den
Video-Eingang Ihres Projektors angeschlossen werden. Verwenden Sie
für den Anschluss des Tons von Ihrem Videorekorder oder LaserDisc-
Player an Ihren Projektor (wenn Ihr Videorekorder oder LaserDisc-Player
dafür ausgelegt ist) ein Audiokabel (kein Lieferumfang). Achten Sie beim
Anschluss unbedingt darauf, dass Sie den rechten und linken Kanal richtig
anschließen, da nur so Stereoton gewährleistet ist.

Table of Contents

Related product manuals