EasyManua.ls Logo

NEC LT260K - Connecting Your Pc or Macintosh Computer

NEC LT260K
912 pages
Print Icon
To Next Page IconTo Next Page
To Next Page IconTo Next Page
To Previous Page IconTo Previous Page
To Previous Page IconTo Previous Page
Loading...
E-29
INSTALLATION AND CONNECTIONS
Making Connections
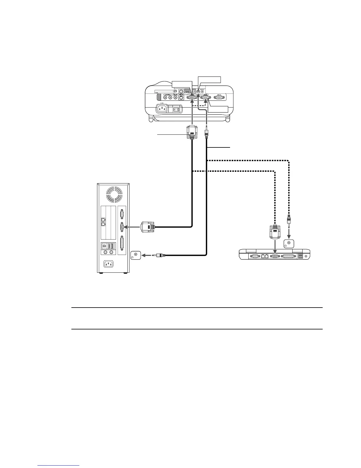
Connecting Your PC or Macintosh Computer
PHONE
RGB IN1
RGB IN2
AUDIO IN
PHONE
Audio cable (not supplied)
IBM VGA or Compatibles (Note-
book type) or Macintosh (Note-
book type)
IBM VGA or Compatibles (Desktop type)
or Macintosh (Desktop type)
RGB signal cable (supplied)
To mini D-Sub 15-pin connector on the
projector. It is recommended that you use
a commercially available distribution am-
plifier if connecting a signal cable longer
than the supplied one.
NOTE: For older Macintosh, use a commercially available pin adapter (not sup-
plied) to connect to your Mac's video port.

Table of Contents

Related product manuals