EasyManua.ls Logo

NEC LT260K - Page 333

NEC LT260K
912 pages
Print Icon
To Next Page IconTo Next Page
To Next Page IconTo Next Page
To Previous Page IconTo Previous Page
To Previous Page IconTo Previous Page
Loading...
F-29
INSTALLATION ET CONNEXIONS
Câblages
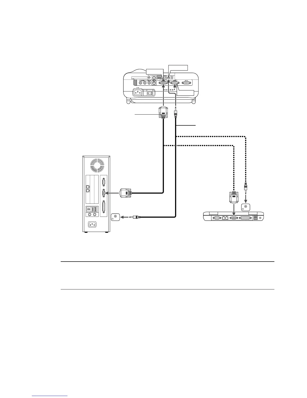
Connexion du PC ou ordinateur Macintosh
PHONE
RGB IN1
RGB IN2
AUDIO IN
PHONE
Câble audio (non fourni)
IBM VGA ou compatibles (type
portable) ou Macintosh (type por-
table)
IBM VGA ou compatibles (type de bureau)
ou Macintosh (type de bureau)
Câble de signal RGB (fourni)
Vers le connecteur D-Sub à 15 broches
sur le projecteur. Il est recommandé d’utili-
ser un amplificateur de distribution du com-
merce si un câble de signal plus long que
celui qui est fourni est connecté.
REMARQUE : Pour les Macintosh plus anciens, utiliser un adaptateur à broche
disponible dans le commerce (non fourni) pour connecter au port vidéo de votre
Mac.

Table of Contents

Related product manuals