EasyManua.ls Logo

NEC LT260K - Page 793

NEC LT260K
912 pages
Print Icon
To Next Page IconTo Next Page
To Next Page IconTo Next Page
To Previous Page IconTo Previous Page
To Previous Page IconTo Previous Page
Loading...
W-33
INSTALLATION OCH ANSLUTNINGAR
Göra anslutningar
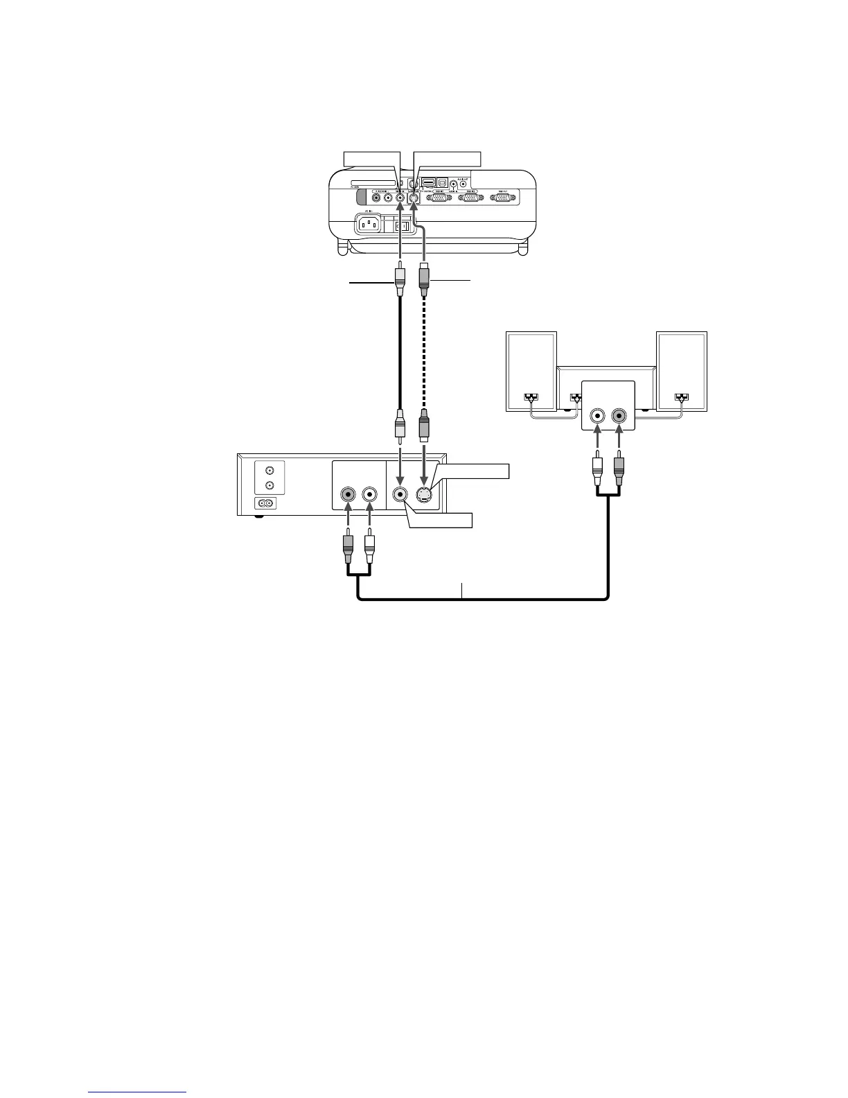
Videoband/laser disc-spelare
Anslutning till videobandspelare eller laser disc-spelare
VIDEO IN S-VIDEO IN
AUDIO OUT
RL
VIDEO OUT
S-VIDEO OUT
AUDIO IN
LR
Audioutrustning
S-videokabel (medföljer ej)
Videokabel (medföljer ej)
Audiokabel (medföljer ej)
Använd vanliga RCA-kablar (medföljer ej) för att ansluta din videobandspe-
lare, laser disc-spelare eller dokumentkamera till projektorn.
För att göra dessa anslutningar, gör så här:
1. Stäng av projektorn och videobandspelaren, laser disc-spelaren eller
dokumentkameran.
2. Anslut ena änden av RCA-kabeln till videoutgången på baksidan av
videobandspelaren eller laser disc-spelaren, och anslut den andra änden
till videoingången på projektorn. Använd en audiokabel (medföljer ej)
för att ansluta audio från videobandspelaren eller laser disc-spelaren till
din audioutrustning (om videobandspelaren eller laser disc-spelaren har
denna möjlighet). Var noggrann med att hålla isär anslutningarna till
höger och vänster kanal för att få stereoljud.

Table of Contents

Related product manuals