EasyManua.ls Logo

NEC PX1005QL - Page 9

NEC PX1005QL
12 pages
Print Icon
To Next Page IconTo Next Page
To Next Page IconTo Next Page
To Previous Page IconTo Previous Page
To Previous Page IconTo Previous Page
Loading...
NEC Display Solutions of America, Inc.
PX1005QL Installation Guide
Desktop and Ceiling Mount Rev 1.2
www.necdisplay.com PX1005QL Page 9 of 12
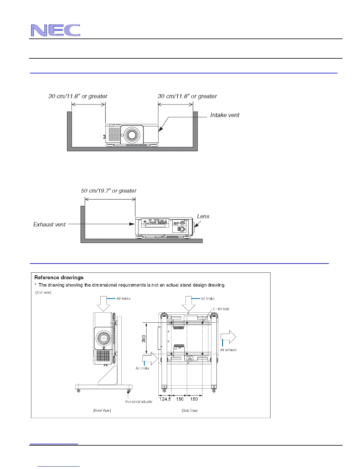
Ventilation Requirements
If there are walls on boths sides of the projector :
If there’s a wall behind the projector :
Portrait Requirements

Related product manuals